| 
Утверждаю
Ректор университета
__________________А.В.Лагерев
«____»____________2009 г.
ТЕХНОЛОГИЧЕСКИЕ ПРОЦЕССЫ МАШИНОСТРОИТЕЛЬНОГО ПРОИЗВОДСТВА
Методические указания
к выполнению контрольного задания №1
для студентов заочного обучения
Издание 2-е, испр. и доп.
Брянск 2009
УДК 621.9
Технологические процессы машиностроительного производства: методические указания к выполнению контрольной работы №1 для студентов заочного отделения. Изд.2-е, испр. и доп. - Брянск: БГТУ, 2009. - 22 с.
Разработал:
С.В.Давыдов
д-р. техн. наук, проф.
Рекомендовано кафедрой «Технология металлов и металловедение» БГТУ (протокол № 9 от 25.12.08 г)
Печатается по изданию: Технологические процессы машиностроительного производства: методические указания к выполнению контрольной работы №1 для студентов заочного отделения. - Брянск: БГТУ, 1998. - 21 с.
Предисловие
Предметом изучения курса "Технологические процессы машиностроительного производства" являются современные рациональные и распространенные в промышленности прогрессивные технологические методы формообразования заготовок и деталей машин литьем, обработкой давлением, сваркой, механической обработкой резанием и другими методами.
Цель курса состоит в том, чтобы дать студентам знания об основных технологических методах формообразования деталей, ознакомить их с возможностями современного машиностроения, а также с перспективой развития и совершенствования различных технологических методов обработки.
В задачи курса входит:
а) изучение физической сущности основных технологических методов получения заготовок и деталей машин литьем, обработкой давлением, сваркой, а также механической обработкой их резанием и другими методами ;
б) изучение механических основ технологических методов формообразования заготовок и деталей;
в) изучение технологических возможностей и методов, их назначения, достоинств и недостатков, областей применения;
г) изучение принципиальных схем работы технологического оборудования, инструментов, приспособлений, их назначения и применения;
д) ознакомления студентов с основными понятиями и сведениями о технологичности конструкций заготовок и деталей машин с учетом методов их получения и обработки.
Забиваем Сайты В ТОП КУВАЛДОЙ - Уникальные возможности от SeoHammer
Каждая ссылка анализируется по трем пакетам оценки: SEO, Трафик и SMM.
SeoHammer делает продвижение сайта прозрачным и простым занятием.
Ссылки, вечные ссылки, статьи, упоминания, пресс-релизы - используйте по максимуму потенциал SeoHammer для продвижения вашего сайта.
Что умеет делать SeoHammer
— Продвижение в один клик, интеллектуальный подбор запросов, покупка самых лучших ссылок с высокой степенью качества у лучших бирж ссылок.
— Регулярная проверка качества ссылок по более чем 100 показателям и ежедневный пересчет показателей качества проекта.
— Все известные форматы ссылок: арендные ссылки, вечные ссылки, публикации (упоминания, мнения, отзывы, статьи, пресс-релизы).
— SeoHammer покажет, где рост или падение, а также запросы, на которые нужно обратить внимание.
SeoHammer еще предоставляет технологию Буст, она ускоряет продвижение в десятки раз,
а первые результаты появляются уже в течение первых 7 дней.
Зарегистрироваться и Начать продвижение
Усвоение этого курса базируется на знаниях полученных студентами при изучении следующих разделов пройденных ими дисциплин: из курса химии - процессов получения металлов из сырья, их химических свойств, строения и диаграммы состояния; из курса физики - физических свойств твердых, жидких и газообразных тел, атомно-молекулярного строения материалов; из курса черчения - умения читать и выполнять эскизы, схемы, чертежи.
Программа курса Технологические процессы ма
шиностроительного производства
Учебным планом на изучение курса "Технологические процессы машиностроительного производства" для специальности "Технология машиностроения" предусматривается 100 часов. Из этого общего количества часов рабочим планом для студентов заочной формой обучения предусматривается в 3-м семестре 4 часа лабораторных работ, а в 4-м семестре 8 часов обзорных лекций и 4 часа лабораторных работ, остальные 84 часа предусматриваются на самостоятельное изучение курса, итогом которого является выполнение контрольного задания № 1 в 3-м семестре и контрольного задания № 2 в 4-м семестре. Качество выполненных студентом работ и уровень полученных им знаний по данной дисциплине оценивается зачетом в 3-м семестре с экзаменационной оценкой в 4-м семестре.
Общий курс "Технологические процессы машиностроительного производства" состоит из следующих разделов.
Раздел №1. Основные свойства конструкционных материалов
(6 ч
) [1,с.5-19]
Основные конструкционные материалы и их классификация . Физико-механические и технологические свойства материалов. Маркировка сталей и чугунов, зависимость свойств сталей от химического состава и содержания примесей. Основные цветные металлы и их сплавы. Маркировка, область применения. Неметаллические и композиционные материалы, их свойства и области применения.
Раздел №2. Основа металлургического производства
(12
ч) [
I
, с.20]
1. Производство чугуна. Основные физико-химические процессы получения чугуна в доменных печах. Продукция и технико-экономические показатели доменного производства.
2. Производство стали. Основные физико-химические процессы получения стали из чугуна. Про производство стали в конвертерах, мартенах и электропечах. Разливка стали. Строение и дефекты слитков стали. Способы повышения качества стали.
3. Производство цветных металлов. Основные физико-химические процессы получения меди, алюминия, титана и магния. Способы выплавки и рафинирования.
Сервис онлайн-записи на собственном Telegram-боте
Попробуйте сервис онлайн-записи VisitTime на основе вашего собственного Telegram-бота:
— Разгрузит мастера, специалиста или компанию;
— Позволит гибко управлять расписанием и загрузкой;
— Разошлет оповещения о новых услугах или акциях;
— Позволит принять оплату на карту/кошелек/счет;
— Позволит записываться на групповые и персональные посещения;
— Поможет получить от клиента отзывы о визите к вам;
— Включает в себя сервис чаевых.
Для новых пользователей первый месяц бесплатно.
Зарегистрироваться в сервисе
Раздел №3. Технология литейного производства
(12 ч
) [
I
, с. 120- 181]
1. Классификация способов изготовления отливок. Литейные свойства сплавов. Основные дефекты отливок и способы их предупреждения. Общаяи технологическая схема изготовления отливок. Технологические требования к конструкции литых деталей.
2. Способы изготовления отливок . Изготовление отливок в песчано-глинистых формах. Модельный комплект. Формовочные и стержневые смеси, требования, предъявленные к ним. Способы формовки. Сборка форм и их заливка. Выбивка и очистка отливок. Изготовление отливок в оболочковых формах и литьем по выплавляемым моделям. Изготовление отливок в металлических формах. Кокильное, центробежное литье и литьё под давлением. Особенности изготовления отливок из различных сплавов.
1
Рздел № 4. Технология обработки давлением
(12 ч) [
1, с .53-119]
1. Общая характеристика и классификация видов обработки давлением. Понятие о пластической деформации. Холодная и горячая обработка давлением, их особенности и область применения. Влияние обработки давлением на структуру и свойства металла. Нагрев металла перед обработкой давлением. Основные типы нагревательных печей и устройств.
2. Прокатка, прессование и волочение. Сущность и разновидности прокатки. Устройство прокатных станов и их классификация. Валки прокатных станов и их калибровка. Продукция прокатного производства. Сущность процессов прессования и волочения. Характеристики применяемого оборудования.
3. Ковка. Сущность ковки. Основные операции, исходные заготовки и продукция. Принцип составления чертежа поковки. Технологические требования к деталям, получаемых ковкой. Инструмент и оборудование для ковки.
4. Горячая объемная штамповка. Сущность горячей объёмной штамповки, исходные заготовки и продукция. Классификация способов горячей объёмной штамповки. Технологические требования к деталям, получаемых объёмной штамповкой. Оборудование для горячей объёмной штамповки и его технологические особенности. Отделочные операции после объёмной штамповки.
5. Холодная штамповка. Классификация способов холодной штамповки, их характеристика и область применения. Объёмная холодная штамповка. Листовая штамповка. Оборудование и инструмент для холодной штамповки. Давильные работы, сущность процесса и типы получаемых деталей. Высокоскоростные способы штамповки.
Раздел № 5. Технология сварочного производства
(12 ч)
[
I
, с.182-252]
1. Общая характеристика сварочного производства. Классификация способов сварки. Физическая сущность различных классов сварки. Свариваемость материалов. Основные дефекты сварных соединений и способы их устранения. Способы контроля сварных соединений.
2.
Механический класс сварки. Холодная сварка. Сварка трением, ультразвуковая и диффузионная сварка. Сварка взрывом. Разновидности и области применения.
3. Термомеханический класс сварки. Электрическая контактная сварка. Газопрессовая сварка. Разновидности и область применения.
4. Термический класс сварки. Дуговая сварка. Виды дуговой сварки. Источники питания дуги. Вольт-амперная характеристика дуги. Внешняя характеристика источника питания тока. Ручная сварка покрытым электродом, автоматическая сварка под флюсом, сварка в защитных газах, сварка плазменной струей. Сущность и схемы процессов, технико-экономические характеристики и области применения. Электрошлаковая сварка. Сущность и схема процесса. Технико-экономические характеристики и области применения.
Сварка электронным лучом в вакууме. Сущность и схема процесса, области применения. Газовая сварка. Сущность и схемы процесса, технико-экономические характеристики и область применения. Термическая и кислородная резка материала, сущность и схемы процесса. Технико-экономические характеристики и область применения.
5. Технология сварки металлов и сплавов. Особенности сварки различных материалов. Технология нанесения износостойких и жаростойких покрытий. Сущность и способы наплавки, напыления и металлизации. Пайка металлов и сплавов. Сущность и схемы процесса. Способы пайки, области применения.
Раздел № 6. Технология обработки конструкционных материалов ре
занием (40 ч)
[
I
,с .253-416]
1. Физические основы обработки резанием. Классификация движений, необходимых для формообразования поверхностей. Понятие о методах и способах обработки резанием. Элементы режима резания. Элементы и геометрия токарных резцов. Процесс резания и физические явления, сопровождающие его. Стойкость режущего инструмента. Основное технологическое время обработки. Силы резания и принцип назначения режимов резания. Точность и шероховатость обработанной поверхности. Основные требования, предъявляемые к инструментальным материалам, их классификация и условные обозначения.
Принцип классификации металлорежущих станков. Понятие о кинематической схеме станка. Условные обозначения передач, применяемых в металлорежущих станках, их передаточные отношения.
2. Обработка заготовок на токарных станках. Станки токарной группы, их особенности и область применения. Основные узлы токарно-винторезного станка и их назначение. Основные виды работ, выполняемые на токарных станках и используемый при этом инструмент.
3. Обработка заготовок на сверлильных станках и расточных станках. Станки сверлильной группы, их особенности и область применения. Основные узлы вертикально-сверлильного и горизонтально-расточного станков и их назначение. Основные виды работ, выполняемые на этих станках, и используемый при этом инструмент.
4. Обработка заготовок на строгальных и протяжных станках. Станки строгальной и протяжной группы, их особенности и область применения. Конструктивные особенности протяжки. Основные узлы горизонтально-протяжного станка и принцип его работы.
5. Обработка заготовок на фрезерных станках. Станки фрезерной группы, их особенности и область применения. Основные узлы горизонтально-фрезерного станка и их назначение. Основные виды работ, выполняемые на фрезерных станках, и используемый при этом инструмент. Принцип работы делительной головки и примеры ее использования на фрезерных станках.
6. Методы и способы обработка зубчатых колес. Понятие о методах копирования и огибания. Основные узлы зубофрезерного станка и принцип обработки на нём зубчатых колес.
7. Обработка заготовок на шлифовальных станках. Станки шлифовальной группы, их особенности и область применения. Основные узлы кругло-шлифовального станка и их назначение. Способы обработки поверхностей на этом станке. Особенности процесса шлифования. Принцип выбора и условные обозначения абразивных кругов.
8. Отделочные методы обработки. Характеристика методов отделки поверхностей. Притирка, полирование, хонингование и суперфинишная обработка. Методы отделки сырых и закаленных зубчатых колес.
9. Обработка пластическим деформированием. Характеристика метода. Формообразующие, отделочные и упрочняющие способы обработки. Схемы процессов, область применения.
10. Технология физико-химических методов обработки. Характеристика методов обработки. Электроэрозионные методы обработки. Ультразвуковая и лучевые методы обработки. Метод обработки плазменной струей. Электрохимические методы обработки.
Раздел № 7. Технология изготовления заготовок и деталей из неме
таллических материалов (6 ч)
[
I
, с.417-442] .
1. Общая характеристика производства. Классификация и характеристика методов получения деталей из неметаллических материалов.
2.
Технология изготовления изделий из пластмасс и резины. Классификация способов производства изделий из полимерных материалов, их характеристика. Схемы технологического процесса различных способов получения изделий из пластмасс. Характеристики применяемого инструмента и оборудования.
3. Технология изготовления изделий методом порошковой металлургии. Виды и свойства композиционных материалов. Схемы технологического процесса производства изделий из порошков, их достоинства и области применения. Технико-экономические характеристики производства изделий из порошков.
Тематический план обзорных лекций
Лекция № 1. (2 ч)
Основы металлургического производства.
Лекция № 2. (2 ч)
Основы литейного производства заготовок и деталей машин. Основы обработки давлением.
Лекция № 3. (2 ч)
Основы сварочного производства.
Лекция № 4. (2 ч)
Основы обработки заготовок и деталей машин резанием.
Тематический план лабораторных работ
Лабораторная работа № 1. (2 ч)
Основные конструкционные материалы и их свойства.
Лабораторная работа № 2. (2 ч)
Получение заготовок и деталей машин холодной листовой штамповкой.
Лабораторная работа № 3. (2 ч)
Ручная и автоматическая дуговая сварка.
Лабораторная работа № 4. (2 ч)
Особенности конструкции и геометрии режущих инструментов.
Общие методические указания к выполнению
контрольного задания №1
Контрольное задание составлено по разд. 1,2,3 и 4 рабочей программы и состоит из 10 вариантов. Студент выполняет тот вопрос задания, номер которого соответствует последней цифре
его шифра.
Титульный лист работы оформляется в соответствии с установленными требованиями и должен включать: наименование контрольной работы (см. титульный лист методических указаний), Ф.И.О. студента, вариант задания №, учебный шифр (номер зачетной книжки), дату отсылки (подачи) работы в университет, свой адрес, подпись. После титульного листа идет страница с перечислением вопросов задания.
Текстовую часть работы обязательно выполнять в компьютерном варианте. Рисунки, таблицы, графики, эскизы, формулы выполняются либо с применением соответствующих программных ресурсов, либо выполняются в виде копий с последующей вклейкой в текстовую часть, либо оформляются вручную с применением соответствующих чертежных приспособлений. Работа выполняется на листах формата А4.
Очередность выполнения заданий - в порядке их следования в заданном варианте. При оформлении работы обязательна ссылка на используемую литературу или образовательные ресурсы Интернета. В конце работы приведите список использованной литературы. При использовании образовательных ресурсов Интернета в списке литературы указывать соответствующие образовательные сайты, с которых взята используемая в работе информация.
Выполненная работа высылается (передается) на рецензирование. Работа, содержащая неправильные ответы, ответы не на все вопросы варианта или не своего варианта, не засчитывается. Не засчитанная работа выполняется заново. В работе с замечаниями рецензента исправления (письменные ответы) представлять на новых чистых листах в конце работы (вносить исправления в первоначальный текст работы не допускается). Исправленная работа повторно направляется на рецензирование. Зачтенная работа не возвращается студенту и выдается на экзамене для подготовки к его сдаче.
Для ответа на 1-й вопрос задания изучить 1-й и 2-й разделы курса.
При ответе на 2-й вопрос следует изучить 3-й раздел курса и выполнять графическую часть вопроса в соответствии с требованиями методических указаний, изложенных в работе [2].
При ответе на 3-й вопрос задания необходимо изучить 4-й раздел курса.
СПИСОК РЕКОМЕНДУЕМОЙ ЛИТЕРАТУРЫ
1. Технология конструкционных материалов: учеб. для вузов / под ред. А.М.Дальского. – 5-е изд., испр. – М.: Машиностроение, 2004. – 512 с.
2. Давыдов, С.В. Технологические процессы машиностроительного производства. Технология конструкционных материалов. Разработка технологического процесса изготовления отливки: методические указания к выполнению контрольной работы №1 для студентов заочной формы обучения специальностей 120100 - «Технология машиностроения»; 120300 - «Машины и технология литейного производства» и контрольной работы №2 для студентов специальности 101200 - «Двигатели внутреннего сгорания»/С.В.Давыдов, А.Я.Шатов. ― Брянск: БГТУ, 2004. ― 16 с.
3. ГОСТ 3.1125-88. Правила графического выполнения элементов литейных форм и отливок.
4. ГОСТ 3212-92. Комплекты модельные. Уклоны формовочные, стержневые знаки, допуски размеров.
5. ГОСТ 26645-85. Отливки из металлов и сплавов. Допуски размеров, массы и припуски на механическую обработку.
6. ГОСТ 25142-82. Шероховатость поверхности. Термины и определения.
Варианты контрольного задания № 1
Вариант № 1
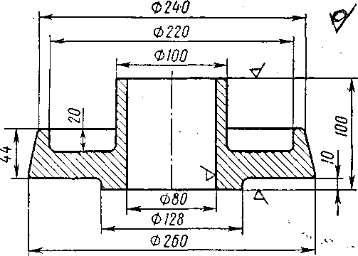
1. Дайте краткую характеристику материалам, применяемым в доменном производстве и укажите методы подготовки железных руд к плавке. Опишите физико-химическую сущность процесса получения чугуна в доменной печи. Перечислите продукты доменной плавки и приведите основные технико-экономические показатели работы доменной печи. Укажите принцип маркировки литейных чугунов.
2. По эскизу детали (рис. 1) разработайте эскиз отливки с модельно-литейными указаниями, приведите эскизы модели, стержневого ящика и собранной литейной формы в разрезе. Опишите последовательность изготовления формы методом ручной формовки и методом литья в оболочковых формах. Дайте сравнительную характеристику этим методам.
3. Опишите явления, происходящие в металле при холодном деформировании и укажите сущность процесса упрочнения. Опишите основные операции холодной листовой штамповки. Дайте эскиз вырубного штампа и опишите процесс его работы. Укажите принцип назначения исполнительных размеров его рабочих инструментов и методику определения необходимого усилия вырубки.
Сталь
35

Р
ис. 1
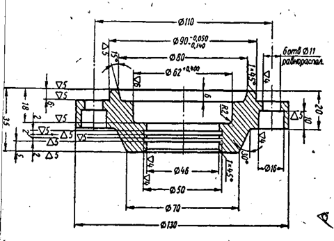
Вариант № 2
1. Изобразите схему кислородного конвертера и объясните принцип его работы. Опишите сущность производства стали в кислородном конвертере, укажите шихтовые материалы и выплавляемые стали. Укажите достоинства и недостатки выплавки стали в кислородном конвертере по сравнению с выплавкой в мартеновской печи. Приведите маркировку этих сталей.
2.
По эскизу детали (рис. 2)
разработайте эскиз отливки с модельно-литейными указаниями, приведите эскизы модели, стержневого ящика и собранной литейной формы в разрезе. Опишите последовательность изготовления формы методом ручной формовки. Опишите процесс получения отливки методом кокильного литья. Дайте сравнительную характеристику этим методам.
3. Опишите явления, происходящие в металле при горячем деформировании. Дайте схемы нагрева заготовок в нагревательных печах и устройствах. Сравните технико-экономические показатели этих способов и укажите область их применения. Опишите основные операции свободной ковки. Сравните технико-экономические показатели свободной ковки и объёмной штамповки. Укажите области их применения.
Рис.2
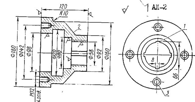
Вариант № 3
1. Дайте схему устройства мартеновской печи и изложите принцип её работы. Укажите разновидности мартеновского производства стали и опишите сущность производства стали основным скрап-рудным процессом. Укажите технико-экономические показатели работы мартеновских печей, достоинства и недостатки выплавки стали в кислородном конвертере по сравнению с выплавкой в мартеновской печи. Приведите примеры выплавляемых в мартенах сталей. Укажите маркировку этих сталей.
2. По эскизу детали (рис. 3) разработайте эскиз отливки с модельно- литейными указаниями, приведите эскизы модели, стержневого ящика и собранной литейной формы (в разрезе). Опишите последовательность изготовления формы методом ручной формовки и методом литья по выплавляемым моделям. Дайте сравнительную характеристику этих методам.
3. Опишите технологическую схему получения сортового проката. Приведите эскизы профилей сортового проката. Дайте схему прокатки квадратного профиля в открытом и закрытом калибрах. Приведите эскизы ручьев валка в обоих случаях. Укажите достоинства и недостатки прокатки в открытых и закрытых калибрах.

СЧ-15
Рис.3
Вариант № 4
1. Приведите схему устройствадуговой и индукционной электроплавильных печей, опишите процесс плавки стали на углеродистой шихте. Укажите технико-экономические показатели работы электроплавильных печей, отметьте достоинства и недостатки электроплавильного производства по сравнению с другими способами производства стали. Укажите марки сталей, выплавляемые в электропечах и их условные обозначения.
2. По эскизу детали (рис. 4) разработайте эскиз отливки с модельно- литейными указаниями, приведите эскизы модели, стержневого ящика и собранной литейной формы в разрезе. Опишите последовательность изготовления формы методом ручной формовки. Опишите процесс получения отливки методом центробежного литья. Дайте сравнительную характеристику этих методов.
3. Опишите технологическую схему получения листового проката. Перечислите виды листового проката. Перечислите операции процесса получения фольги из слитка, их последовательность, начиная с указания исходного материала. Приведите эскиз валков для листового проката с указанием элементов.
СЧ 20
Рис.4
Вариант № 5
1. Опишите способы разливки стали в изложницы и на установках непрерывной разливки. Приведите схемы разливки. Укажите их достоинства и недостатки. Дайте определения спокойной и кипящей стали и опишите процесс кристаллизации слитков в изложнице. Укажите основные дефекты слитков стали. Укажите принцип маркировки сталей обыкновенного качества.
2. По эскизу детали (рис. 5) разработайте эскиз отливки с модельно-литейными указаниями, приведите эскизы модели, стержневого ящика и собранной литейной формы в разрезе. Опишите последовательность изготовления формы одним из методов машинной формовки. Изложите сущность литья под давлением и приведите ее схему. Укажите достоинства и недостатки и области применения этого способа литья.
3. Изложите сущность процессов волочения и прессования, укажите области применения, достоинства и недостатки этих способов. Приведите схемы этих процессов. Укажите оборудование, применяемое для этих способов, и используемый инструмент.
СЧ-20
Рис. 5
Вариант № 6
1. Изложите факторы, влияющие на качество стали. Опишите способывнепечной обработки стали, повышающие качество, приведите схемы этихспособов, укажите их достоинства и недостатки. Опишите процесс бездоменной (прямой) выплавки стали из железной руды. Приведите схему процесса. Укажите достоинства и недостатки процесса. Укажите принцип условного обозначения легированных и качественных сталей.
2. По эскизу детали (рис. 6) разработайте эскиз отливки с модельно-литейными указаниями, приведите эскизы модели, стержневого ящика и собранной литейной формы в разрезе. Опишите последовательность изготовления формы одним из методов машинной формовки. Изложите принцип безопочной формовки. Приведите схему процесса. Укажите достоинства и недостатки этого способа литья и области его применения.
3. Изложите сущность процесса прокатки и условие захвата заготовки валками. Приведите схемы продольной, поперечной и поперечно-винтовой прокатки. Приведите схему принципиального устройства прокатного стана. Дайте классификацию прокатных станов.

Сталь 35Л
Рис.6
Вариант №7
1. Опишите производство алюминия. Укажите исходные материалы и их подготовку к плавке, технологию получения глинозема и его электролиз, способы рафинирования алюминия. Укажите сорта алюминия, его сплавы, классификацию, условные обозначения и области применения алюминия и его сплавов.
2. По эскизу детали (рис. 7) разработайте эскиз отливки с модельно-литейными указаниями, приведите эскизы модели, стержневого ящика и собранной литейной формы в разрезе. Опишите последовательность изготовления формы одним из методов машинной формовки. Опишите выбивку отливок из песчаной формы, обрубку и очистку отливок.
3. Опишите упрощенные способы обработки истового материала, а также способы высокоскоростной штамповки. Приведите схемы оборудования, применяемого для листовой штамповки, и опишите принцип их действия. Опишите давильные работы с листовым материалом, приведите схемы процесса.
Сталь 35 Л
Рис. 7
Рис.7
Вариант №
8
1. Опишите технологию получения титана. Укажите исходные материалы для получения титана и их подготовку, способ получения титановой губки, технологию выплавки чистого титана. Укажите сорта титана, его сплавы, условные обозначения и области применения.
2. По эскизу детали (рис. 8) разработайте эскиз отливки с модельно-литейными указаниями, приведите эскизы модели, стержневого ящика и собранной литейной формы в разрезе. Опишите последовательность изготовления формы одним из методов машинной формовки. Опишите устройство и работу плавильных печей, используемых в литейных цехах при плавке чугуна, стали, цветных металлов и их сплавов.
3. Опишите технологию изготовления штампованной поковки методом объёмной штамповки на прессах, сущность и области применения объёмной штамповки, виды исходных заготовок, их подготовку и резку. Основные операции штамповки и технология изготовления крупных поковок. Технологическое оборудование и основной инструмент, применяемые при изготовления штампованной поковки.
СЧ-15

Рис.8
Вариант № 9
1. Опишите технологию получения меди. Укажите исходные материалы и их подготовку к плавке, технологию получения штейна и черновой меди, способы рафинирования меди. Укажите сорта меди, её сплавы, принцип их маркировки и области применения.
2. По эскизу детали (рис. 9) разработайте эскиз отливки с модельно-литейными указаниями. Приведите эскизы модельной плиты, стержневого ящика и собранной литейной формы в разрезе. Опишите последовательность изготовления формы одним из методов машинной формовки. Опишите формовочные и стержневые смеси, требования предъявляемые к ним, и способ их приготовления.
3. Опишите технологию изготовления штампованной поковки методом холодной высадки, холодной объёмной штамповки (формовки) и холодным выдавливанием. Укажите сущность и области применения этих методов, виды исходных заготовок, требования, предъявляемые к материалам используемым для этих целей. Приведите схемы основных операций и примеры технологии изготовления наиболее характерных изделий, получаемых этими методами. Дайте характеристику технологического оборудования и основного инструмента для этих методов.
СЧ-20
Рис.9
Вариант № 10
1. Опишите производство магния. Укажите исходные материалы и их подготовку к плавке, электролитический способ производства магния и его рафинирование. Сорта магния и его сплавы, принцип их маркировки и области применения.
2. По эскизу детали (рис. 10) разработайте эскиз отливки с модельно-литейными указаниями. Приведите эскизы металлических модельных плит, стержневого ящика и собранной литейной формы в разрезе. Опишите последовательность изготовления формы одним из методов машинной формовки. Опишите способ литья по газофицируемым моделям. Укажите основные виды брака в литейном производстве и принципы его устранения.
3. Опишите основные положения по конструкции кованых деталей. Укажите основные преимущества изготовления поковок и штампованных заготовок, области их применения. Укажите влияние обработки давлением на структуру и свойства исходного металла, особенности конструирования кованых и штампованных поковок с учетом работы и назначения детали.
КЧ-36-8

Рис. 10
Технологические процессы машиностроительного производства: методические указания к выполнению контрольной работы №1 для студентов заочного отделения.
Сергей Васильевич Давыдов
Научный редактор А.Я.Шатов
Редактор издательства Л.Н. Мажугина
Набор М.Е. Амвросимова
Темплан 2009 г., п.
__________________________________________________________________
Изд. лиц. № 020381 от 24.04.97 подписано в печать
Формат 60х84 1/16 Бумага типографская № 2. Офсетная печать.
Печ.л. 1,27. Уч.-изд.л. 1,27. Т. 50 экз. Заказ Бесплатно
Брянский государственный технический университет.
241035, г.Брянск, бульвар 50-летия Октября, 7, 58-82-49.
Лаборатория оперативной полиграфии БГТУ, ул.Институтская, 16.
|