| РОССИЙСКОЕ АКЦИОНЕРНОЕ ОБЩЕСТВО ЭНЕРГЕТИКИ И ЭЛЕКТРИФИКАЦИИ «ЕЭС РОССИИ»
Департамент научно-технической политики и развития
МЕТОДИЧЕСКИЕ УКАЗАНИЯ
ПО ПРОПУСКУ ЛЬДА ЧЕРЕЗ СТРОЯЩИЕСЯ ГИДРОТЕХНИЧЕСКИЕ СООРУЖЕНИЯ
СО 34.21.145-2003
УДК 621.175.3:627.81
Дата введения 2005.07.01.
Разработано Открытым акционерным обществом «Всероссийский научно-исследовательский институт гидротехники имени Б.Е. Веденеева» (ОАО «ВНИИГ им. Б.Е. Веденеева»)
Исполнители И.Н. ШАТАЛИНА, А.М. ШВАЙНШТЕЙН, М.Г. ГЛАДКОВ
Согласовано с Департаментом управления капитальным строительством и реконструкцией ОАО РАО «ЕЭС России» 12 июля 2003 г.
Первый заместитель начальника В.И. КОРОБОВ
Утверждено Департаментом научно-технической политики и развития ОАО РАО «ЕЭС России» 18 июля 2003 г.
Заместитель начальника А.В. БОБЫЛЕВ
Срок первой проверки настоящего СО - 2010 г. Периодичность проверки - один раз в 5 лет.
Вводится взамен ВСН 10-76/Минэнерго СССР
ПРЕДИСЛОВИЕ
Организация условий пропуска расходов воды и льда через строящиеся инженерные сооружения, расположенные в руслах рек, является существенным этапом их возведения. Длительные сроки строительства приводят к необходимости пропуска льда через створ сооружения на разных стадиях его строительства, что оказывает свое влияние на планы производства работ и темпы строительства, поскольку к моменту весеннего и осеннего половодий сооружение должно быть готово к пропуску льда. Первой попыткой создания ведомственного нормативного документа, регламентирующего параметры ледопропускных трактов для различных стадий строительства гидроузлов, явилась Инструкция по учету условий пропуска льда при проектировании, строительстве и эксплуатации гидроузлов (ВСН 10-76/ Минэнерго СССР), изданная в 1977 г., которая была разработана канд. техн. наук И.Н. Соколовым в лаборатории ледотермики ВНИИГ им. Б.Е. Веденеева с участием Сибирского филиала ВНИИГ им. Б.Е. Веденеева, Гидропроекта и его Ленинградского отделения.
За прошедшие с того времени годы появились новые данные по пропуску льда в строительный и эксплуатационный периоды. Это заставило пересмотреть указанную Инструкцию, частично ее переработать и дополнить. Более тесно увязать рекомендуемые в ней мероприятия с гидравлическими особенностями пропуска воды через недостроенные сооружения, с силовым воздействием проходящего через сооружение льда на элементы водопропускного тракта, дать предложения по аккумуляции льда на вышележащих участках водохранилищ и водных трактов и задержке льда непосредственно у сооружений.
Забиваем Сайты В ТОП КУВАЛДОЙ - Уникальные возможности от SeoHammer
Каждая ссылка анализируется по трем пакетам оценки: SEO, Трафик и SMM.
SeoHammer делает продвижение сайта прозрачным и простым занятием.
Ссылки, вечные ссылки, статьи, упоминания, пресс-релизы - используйте по максимуму потенциал SeoHammer для продвижения вашего сайта.
Что умеет делать SeoHammer
— Продвижение в один клик, интеллектуальный подбор запросов, покупка самых лучших ссылок с высокой степенью качества у лучших бирж ссылок.
— Регулярная проверка качества ссылок по более чем 100 показателям и ежедневный пересчет показателей качества проекта.
— Все известные форматы ссылок: арендные ссылки, вечные ссылки, публикации (упоминания, мнения, отзывы, статьи, пресс-релизы).
— SeoHammer покажет, где рост или падение, а также запросы, на которые нужно обратить внимание.
SeoHammer еще предоставляет технологию Буст, она ускоряет продвижение в десятки раз,
а первые результаты появляются уже в течение первых 7 дней.
Зарегистрироваться и Начать продвижение
В результате разработан дополненный и измененный вариант нормативного документа, который представлен в виде «Методических указаний по пропуску льда через строящиеся гидротехнические сооружения».
Методические указания составлены кандидатами техн. наук Шаталиной И.Н. и Швайнштейном А.М., доктором техн. наук Гладковым М.Г. В работе был использован богатый опыт известных специалистов Гидропроекта, Ленгидропроекта, СибНИИЭ и ВНИИГ им. Б.Е. Веденеева; канд. техн. наук Я.Л. Готлиба, инж. Н.М. Сокольникова, доктора техн. наук К.М. Коржавина, канд. техн. наук И.Н. Соколова, канд. техн. наук В.А. Коренькова, инж. В.Е. Беликова, инж. Л.И. Сулимовой и др.
1. ОБЩИЕ ПОЛОЖЕНИЯ
Область применения
1.1. Методические указания предназначены для учета условий пропуска льда при проектировании сооружений, оценки различных гидравлических ситуаций при прохождении льда и принятия технических решений по безаварийному пропуску льда через сооружения в зависимости от природных условий, компоновки гидроузла, очередности возведения элементов сооружений и готовности ледопропускного фронта.
1.2. Настоящими Методическими указаниями следует руководствоваться при проектировании и строительстве гидроузлов на реках шириной от 150 до 1500 м.
1.3. При проектировании крупных гидроузлов с высокими напорами на реках с тяжелыми ледоходами, а также на горных реках и реках с зимними паводками положения Методических указаний должны быть уточнены на основе натурных наблюдений и лабораторных исследований на гидравлических моделях.
1.4. Методические указания включают гидравлическую классификацию схем пропуска льда, мероприятия по пропуску льда в строительный период через стесненное перемычками русло, гребенку плотины, глубинные водосбросы, водосливные плотины, строительные туннели, обводные каналы, способы обеспечения пропуска льда или задержания его перед створом сооружения.
1.5. Методические указания предназначены для использования в проектной и строительной практике возведения гидроузлов и разработки правил их эксплуатации.
Нормативные ссылки
1.6. При написании Методических указаний использовались следующие нормативные документы:
Сервис онлайн-записи на собственном Telegram-боте
Попробуйте сервис онлайн-записи VisitTime на основе вашего собственного Telegram-бота:
— Разгрузит мастера, специалиста или компанию;
— Позволит гибко управлять расписанием и загрузкой;
— Разошлет оповещения о новых услугах или акциях;
— Позволит принять оплату на карту/кошелек/счет;
— Позволит записываться на групповые и персональные посещения;
— Поможет получить от клиента отзывы о визите к вам;
— Включает в себя сервис чаевых.
Для новых пользователей первый месяц бесплатно.
Зарегистрироваться в сервисе
ГОСТ 19185-73. Гидротехника. Основные понятия. Термины и определения. М.: Госстандарт. 1973.
ГОСТ 3.1109-82. Термины и определения основных понятий.
СНиП 2.06.04-82*. Нагрузки и воздействия на гидротехнические сооружения (волновые, ледовые и от судов) М.: ЦИТП Госстроя РФ. 1995.
СНиП 33-01-2003. Гидротехнические сооружения. Основные положения. М.: Госстрой России. 2004.
Рекомендации по гидравлическому расчету водосливов. Часть 1. Прямые водосливы: П 18-74/ВНИИГ. 1974.
Рекомендации по расчету длины полыньи в нижних бьефах ГЭС. П 28-86/ВНИИГ.Л. 1986.
Методические рекомендации по предотвращению образования ледовых заторов на реках Российской Федерации и борьбе с ними / ФЦ ВНИИ ГОЧС. 2003.
Указания по расчету систем обогрева элементов гидромеханического оборудования гидротехнических сооружений: ВСН 029-70 / Минэнерго СССР. Л.: Энергия. 1971.
Терминология
1.7. Термины и определения основных понятий, использованные в настоящих Методических Указаниях, приняты в трактовке ГОСТ 3.1109-82 (кроме приведенных ниже).
Суженное русло
— часть русла, образующаяся при ограждении строительных котлованов перемычками.
Ледосбросные сооружения
— пролеты водосливных плотин, гребенки плотин, глубинные водосбросы, береговые водосбросы, суженные участки русел, туннели и т. д., предназначенные для пропуска льда из верхнего бьефа в нижний.
Схемы пропуска льда
— возможные варианты осуществления пропуска ледовых масс через водо- и ледопропускные тракты в зависимости от конструкции гидроузла, компоновки сооружений и степени их готовности к моменту пропуска льда.
Навалы льда
— нагромождения льдин на берегах и у гидротехнических сооружений под влиянием ветра и течения в период ледохода и при заторах.
Натасованный лед
— скопления льдин в несколько рядов, обычно несмерзшихся друг с другом, образующиеся в результате подвижек, разрушения ледяных полей и заторов.
Ледоход
— движение льда по поверхности воды в период осеннего и весеннего паводков или в период временных оттепелей.
Шугоход
— движение шуги по поверхности воды или внутри водного потока во взвешенном состоянии.
Заторы
— нагромождения в русле реки льдин неправильной формы, образующихся при разломах ледяных полей, вызывающие уменьшение живого сечения, повышение уровня воды в водотоке выше образовавшегося нагромождения льда.
Зажоры
— скопления внутриводного льда, вызывающие уменьшение живого сечения и подъемы уровня воды, приводящие к зимним наводнениям.
Густота ледохода
— отношение площади покрытой льдом водной поверхности ко всей площади водного потока.
Основные условные обозначения
1.8. В Указаниях принята Международная система единиц СИ и следующие обозначения:
A
— альбедо;
B
— ширина реки выше сооружения, м;
Bi
— ширина ледосбросного фронта (общая ширина по фронту работающих при пропуске льда пролетов), м;
b
— ширина элемента сооружения по фронту на уровне действия льда, м;
bd
— ширина быка, м;
bc
— ширина суженного русла, м;
bi
— ширина отдельных ледосбросных пролетов гребенки, м;
b
'
— расстояние между осями глубинных водосбросов и осями быков в гребенке плотины в плане, м;
С
— коэффициент Шези, м0,5
/с;
c
1
— коэффициент, определяемый в зависимости от широты местности по табл. П7-4;
е
— упругость водяного пара, Па;
е
0
— максимальная упругость водяного пара, Па;
Fu
, Fb
— нагрузка на откос перемычки от надводной и подводной частей ледяного образования, МН;
Fh
,
b
, Fh
,
u
— горизонтальная составляющая нагрузки от подводной и надводной частей ледяного образования, МН;
Fh
,
i
— горизонтальная составляющая нагрузки от льда на откос перемычки, МН;
Fv
,
u
, Fv
,
b
- вертикальная составляющая нагрузки от надводной и подводной частей ледяного образования, МН;
Fv
,
i
— вертикальная составляющая нагрузки от льда на откос перемычки или другой элемент сооружения, МН;
f
— коэффициент трения между льдом и поверхностью передней грани элемента сооружения;
h
— глубина воды, м;
g
— ускорение свободного падения, м/с2
;
Н
— напор на гребне сооружения, м;
Hk
— предельное заглубление потолка глубинных водосбросов, при котором прекращается подныривание льдин, м;
h
с
— глубина воды в сжатом сечении при сужении водотока, м;
hd
— толщина льда в период ледохода, м;
hs
— толщина снежного покрова, м;
hu
, hb
— высота надводной и подводной частей нагромождения обломков льда, м;
k
— коэффициент, учитывающий широту местности, определяемый по табл. П7-2;
kd
— коэффициент снижения прочности льда после первой подвижки ледяного покрова;
kp
— коэффициент горизонтальной составляющей пассивного давления обломков льда;
L
D
— длина навала льда, м;
l
, l
1
— длина льдины, длина полос льда, отделяющихся от ледяных полей на гидравлических перепадах уровня воды - на сосредоточенных перепадах и на кривой спада, м;
m
— коэффициент формы передней грани ледореза в плане;
m
в
— заложение верхового откоса шпоры;
n
— общая облачность, в долях единицы;
n
, n
1
, n
2
— коэффициенты шероховатости водотока, его дна и нижней поверхности льда;
Q
, Q
3
, Q
л
— расход воды, расходы воды под ледяным покровом и при открытой водной поверхности, м3
/с;
(Q
+q
)0
— суммарная солнечная радиация на уровне воды при альбедо, равном нулю, Вт/м2
;
R
, Ri
— гидравлический радиус русла без и при наличии ледяного покрова соответственно, м;
Rc
— прочность льда на сжатие, МПа;
Rf
— предел прочности льда на изгиб, МПа;
R
0
— прочность льда на сжатие на момент вскрытия реки ниже сооружений, МПа;
r
— удельная теплота плавления льда, Дж/кг;
SS
— плотность суммарного теплового потока на верхней и нижней поверхностях ледяного покрова, Вт/м2
;
SR
— плотность радиационного теплового потока на верхней поверхности льда, Вт/м2
;
Tn
, T
J
— абсолютные температуры поверхности воды и воздуха, °С;
tb
— температура льда на границе лед - вода, °С;
tu
— температура на границе снег (воздух) - лед, °С;
V
— объем навала льда, м3
;
v
— скорость течения воды, м/с;
vi
— скорость движения льдин, м/с;
vo
— скорость течения воды выше сооружения, м/с;
z
— сосредоточенный перепад, м;
z
в
— максимальное понижение свободной поверхности в створе напорной грани гребенки, м;
Dz
— перепад уровней воды, м;
aв
, aвозд
— коэффициент теплоотдачи вода - лед и лед - воздух соответственно, Вт/м2
·°С;
b — угол наклона ледорезной напорной (передней) грани сооружения или его элемента к горизонту, град;
J — температура воздуха, °С;
li
— теплопроводность льда, Вт/(м·К);
ls
— теплопроводность снега, Вт/(м·К);
ri
— плотность льда, кг/м3
;
rw
— плотность воды, кг/м3
;
s — постоянная Стефана-Больцмана, равная 5,77·10-8
Вт/(м2
·К4
);
t — время, с;
yr
- пористость нагромождения обломков льда.
2. КЛАССИФИКАЦИЯ УСЛОВИЙ ПРОПУСКА ЛЬДА ПО ГИДРАВЛИЧЕСКИМ ОСОБЕННОСТЯМ РАБОТЫ ВОДОПРОПУСКНЫХ СООРУЖЕНИЙ
2.1. Непосредственный пропуск льда следует осуществлять, как правило, на начальных этапах строительства гидроузла через стесненное перемычками русло или через гребенку с низким порогом, через гребень перемычек или строящейся нижней части плотины или при эксплуатации сооружений, работающих с относительно небольшим перепадом бьефов. Такой пропуск льда может применяться в некоторых случаях при значительном перепаде бьефов и малой интенсивности ледохода, когда размеры и толщина, а также прочность льдин невелики.
Частичное задержание льда в верхнем бьефе перед последующим его пропуском через сооружения при повышении температуры окружающей среды способствует снижению его прочности, разрушению на подходе к сооружениям и в их пределах.
2.2. Условия ледохода полностью определяются гидравлическим режимом на следующих участках русла реки и сооружений:
верхний бьеф на участке, примыкающем к сооружениям;
подходной участок (канал);
водопропускные сооружения;
отводящий участок (канал);
нижний бьеф.
В пределах каждого сооружения следует различать входной участок, тракт сооружения, его выходной участок. На входном участке сооружений скорости течения существенно возрастают, а на выходном могут значительно уменьшаться. В отдельных конкретных сооружениях некоторые из этих участков могут отсутствовать или совмещаться.
При рассмотрении режимов прохождения льда необходимо учитывать условия истечения через водопропускные сооружения, схемы которых представлены на рис. 1.
2.3. Гидравлические параметры работы водопропускных сооружений при той или иной схеме истечения должны устанавливаться на основе методов расчета, приведенных в П-18-74 и других руководствах, например [1, 2]. Условия транспорта льда при различных схемах его пропуска определяются расходами воды в ледоход, значениями поверхностных скоростей течения и их направлением относительно сооружений, глубинами потока на подходе к сооружениям и в их пределах, напором на гребне водослива, заглублением потолка глубинных трубчатых водосбросов и туннелей под уровень верхнего бьефа, состоянием свободной поверхности потока перед сооружением (формой кривой свободной поверхности, наличием остановившихся волн), возникновением вихревых воронок на входе в сооружение.

Рис. 1. Схемы истечения при пропуске льда через водопропускные сооружения
а
— незатопленное истечение через водослив со стенкой практического профиля;
б
— незатопленное истечение через водослив с широким порогом; в
— затопленное истечение через водослив со стенкой практического профиля; г
— затопленное истечение через водослив с широким порогом; д
— истечение через безнапорный закрытый водосброс с затопленным входом; е
— безнапорный закрытый водосброс с истечением из-под затвора;
ж
— водослив с истечением из-под затвора; з
— закрытый водосброс с напорным режимом течения
2.4. Схемы пропуска расходов воды и льда зависят от района расположения гидроузла, типа, состава и компоновки его сооружений, стадии строительства и режима эксплуатации. Основные схемы пропуска ледохода через сооружения гидроузлов и их гидравлические особенности приведены в таблице Приложения 1.
2.5. Пропуск льда через суженное перемычками русло реки
происходит в гидравлических условиях истечения, характерных для водослива. Такие гидравлические условия работы сооружения, как правило, относятся к водосливам без порога, которые в свою очередь являются разновидностью водослива с широким порогом. В зависимости от степени стеснения русла перемычками и природных условий реки (расход, уклон реки и т.п.) на участке суженного русла может устанавливаться неподтопленный и подтопленный режимы истечения.
В случае неподтопленного режима истечения у входа в суженный участок русла наблюдается водопадная область, в которой поток переходит из спокойного в бурное состояние. В этой области с сосредоточенным на короткой длине перепадом уровней воды ледяные поля, имеющие ширину большую, чем ширина сужения, разламываются на части и беспрепятственно проходят в нижний бьеф сооружения. При подтопленном режиме истечения перепад уровней воды на входе в сужение невелик. В этом случае пропуск ледяных полей с шириной больше ширины сужения русла может быть обеспечен, если кинетическая энергия льдин достаточна для их разрушения при ударах о перемычку и борта, ограничивающие это сужение.
2.6. Пропуск льда через гребенки строящихся бетонных плотин.
Для этой схемы пропуска льда следует различать два типа конструкции гребенки и два вида гидравлического режима на подходе к гребенке: с существенным перепадом непосредственно перед гребенкой или без перепада. Порог гребенки может располагаться непосредственно у дна реки - гребенка с низким порогом. Гидравлические условия ее работы отвечают случаю истечения через водослив с широким порогом. Если истечение через такую гребенку является неподтопленным, то на входе у сооружения образуется водопадная область со значительным перепадом уровней, на котором происходит разлом крупных ледяных полей. При подтопленном истечении через гребенку с низким порогом пропуск крупных ледяных полей возможен лишь при их низкой прочности и запасе кинетической энергии льдин, достаточной для их раскалывания или прорезания быками.
Гребенка с высоким порогом в большинстве случаев работает при неподтопленном режиме истечения как водослив со стенкой практического профиля или как водослив с широким порогом. На подходе к такой гребенке ледяные поля разрушаются в пределах водопадной области у сооружения.
В некоторых случаях верховой оголовок быков гребенки по тем или иным причинам смещают за пределы ее напорной грани в верхний бьеф. В этом случае даже при неподтопленном режиме истечения через гребенку условия пропуска льда через сооружение могут существенно ухудшиться, так как водопадная область может образовываться лишь между быками, а это в существенной мере затруднит разрушение крупных ледяных полей.
2.7. Пропуск льда через глубинные трубчатые водосбросы
существенным образом определяется гидравлическим режимом их работы. Условия пропуска льда через безнапорные трубчатые глубинные водосбросы полностью аналогичны пропуску льда через гребенку бетонной плотины.
При пропуске льда через глубинные трубчатые водосбросы с затопленным входом сосредоточенный перепад перед сооружением отсутствует, дробление льдин происходит при их ударе о быки, под влиянием вихревых воронок и под напором надвигающихся с верхнего бьефа масс льда. Через глубинные водосбросы проходит лишь ослабленный раздробленный лед, его пропуск происходит более успешно, если перед входными оголовками глубинных водосбросов образуются вихревые воронки. Вихревые воронки возникают перед входом в сооружение при наличии выдвинутых вверх по течению быков и косом подходе потока к водосбросам.
При опасности забивки льдом глубинных водосбросов и необходимости предотвратить через них пропуск льда прибегают к повышению уровня верхнего бьефа таким образом, чтобы избежать подныривания льдин. Для этого уменьшается пропускная способность водосбросов либо за счет полного закрытия затворами части пролетов, либо при частичном открытии затворов.
Аналогично частичное открытие затворов может использоваться в случае необходимости задержки льда при пропуске расходов через любые поверхностные водосбросы, например, водосливные плотины.
2.8. Пропуск льда через береговые водосбросы
, выполненные в виде каналов, быстротоков или туннелей, определяется гидравлическими условиями при различных конструктивных схемах (см. рис. 1). Подходной участок (канал) или входной участок, а в ряде случаев и весь тракт береговых безнапорных водосбросов работают в основном по схеме течения через водослив с широким порогом и значительно реже - через водослив со стенкой практического профиля. Если безнапорный береговой водосброс работает как незатопленный водослив, то в пределах водопадной зоны, которая образуется перед подходным каналом или входным участком водосброса, происходит разрушение крупных ледяных полей и более мелкие льдины проходят через сооружение. Если течение через безнапорный береговой водосброс происходит по схеме затопленного водослива, то на подходном участке отсутствует значительный перепад, и ледяные поля могут разламываться при ударах о борта подводящего участка и бетонные конструкции. Лед поступает на тракт таких сооружений только после значительного снижения его прочности.
Пропуск льда через туннели с затопленным входным сечением осуществляется также, как и через глубинные водосбросы с аналогичными режимами течения.
Задержание льда перед береговыми водосбросами может осуществляться за счет снижения их пропускной способности или за счет подъема УВБ при маневрировании затворами.
2.9. Пропуск льда при переливе воды через гребень временных и постоянных водопропускных сооружений
(грунтовые и бетонные перемычки и строящиеся плотины, водосливные плотины) происходят при режимах работы, характерных для схемы водослива.
2.10. В ряде случаев целесообразно применение комбинированных схем пропуска ледохода
через сооружения гидроузлов, при которых возможны следующие сочетания различных сооружений для пропуска льда:
1. Используются несколько типов водопропускных сооружений или в состав ледопропускного фронта входят пролеты, отличающиеся размерами. В практике строительства гидроузлов встречались следующие комбинации сооружений, работающих совместно при пропуске ледоходов: глубинные и поверхностные водосбросы, суженное перемычками русло и береговой канал, строительный туннель и недостроенная плотина, пролеты гребенки, имеющие различную ширину. Гидравлические особенности пропуска льда через сооружения, применяемые в таких комбинациях, аналогичны изложенным выше. Совместное использование различных водопропускных сооружений в период ледохода позволяет более гибко учесть их достоинства и недостатки.
2. Совместно применяются сооружения, которые располагаются последовательно по течению. К такого рода схемам прибегают в тех случаях, если основное водопропускное сооружение работает при подтопленном или напорном режиме течения и не обеспечивает пропуск значительных по размерам ледяных полей. В этом случае на подходе к этому сооружению предусматривают конструктивные мероприятия, способствующие возникновению сосредоточенного перепада уровней и, соответственно, разрушению на нем крупных ледяных полей. В качестве такого конструктивного мероприятия может использоваться, например, стеснение потока в виде неполностью разобранной по фронту или высоте перемычки. Гидравлические условия пропуска ледохода при их осуществлении аналогичны изложенным выше.
2.11. Данные о пропуске ледоходов через сооружения гидроэлектростанций России и СНГ даны в Приложении 2.
3. ПЕРЕЧЕНЬ ИСХОДНЫХ ДАННЫХ, НЕОБХОДИМЫХ ДЛЯ РЕШЕНИЯ ЗАДАЧ ПО ПРОПУСКУ ЛЬДА
3.1. Назначение схемы пропуска льда должно осуществляться с учетом следующих условий:
запаса ледового материала на участке выше створа подпорного сооружения до створа выклинивания кривой подпора;
характера гидрографа паводка, интенсивности нарастания расходов воды;
даты появления воды на льду и отрыва льда от берегов, скорости движения льда по длине верхнего бьефа;
изменения температуры воздуха за период, предшествующий ледоходу;
изменение запаса холода во льду;
изменения прочности льда в период паводка при наличии или отсутствии снега на льду;
задержки льда или его части в верхнем бьефе;
количества заторного льда в верхнем бьефе, расходов ледового материала, льдистости потока;
готовности фронта сооружения, ширины ледосбросного фронта;
гидравлического режима работы сооружения;
характера вскрытия нижнего бьефа и способов освобождения его от ледяного покрова;
максимальных расчетных расходов воды и льда в период ледохода.
3.2. Для назначения схемы пропуска льда необходимо иметь следующие материалы:
1) план и продольный профиль верхнего бьефа гидроузла в масштабе не менее 1:5000;
2) метеорологические данные района водохранилища, охватывающие зимний и весенний периоды и дающие следующую информацию:
температуру воздуха (среднесуточную, среднедекадную, среднемесячную);
скорость ветра (среднедекадную, среднемесячную);
облачность общую (среднедекадную, среднемесячную);
интенсивность прямой и рассеянной солнечной радиации;
3) дату перехода температуры воздуха через 0 °С в осенний и весенний периоды;
4) данные о толщине льда по поперечникам и маршрутным ледомерным съемкам;
5) прогноз максимального расхода воды в период ледохода;
6) ход уровня воды в период ледохода;
7) кривые связи расходов и уровней воды при пропуске расходов в ледовых условиях;
8) чертежи сооружений с указанием размеров ледосбросных сооружений: ширины отдельных ледосбросных пролетов и их числа; толщины и очертания оголовков раздельных быков, выдвижения быков от порога водослива в сторону верхнего бьефа, высоты порога, ширины и высоты входного сечения глубинных водосбросов, поперечного профиля порога ледосбросных сооружений; планового расположения ледосбросов;
9) сбросные расходы воды;
10) направление потока и поверхностные скорости течения;
11) осредненные по глубине скорости течения в верхнем бьефе;
12) глубины потока перед сооружением и в его пределах;
13) уклоны водной поверхности на подходе к ледосбросным сооружениям;
14) состояние водной поверхности перед сооружением - наличие стоячих волн, кривых спада перед водосливами, вихревых воронок на входе в глубинные водосбросы;
15) данные о подтоплении сооружения со стороны нижнего бьефа;
16) напор на гребне водослива;
17) заглубление верха глубинных водосбросов;
18) размеры и скорости подходящих к сооружению ледяных полей и отдельных льдин;
19) толщину и прочность льда;
20) интенсивность ледохода;
21) толщину скоплений заторного льда;
22) объем сбрасываемого льда;
23) водоаккумулирующую способность верхнего бьефа.
4. ПРОПУСК ЛЬДА ЧЕРЕЗ СУЖЕННОЕ ПЕРЕМЫЧКАМИ РУСЛО РЕКИ
4.1. Для обеспечения пропуска льда через суженное во время строительства сооружений русло (рис. 2) должны быть проверены и уточнены основные параметры ледопропускного фронта:
минимальная ширина сужения для пропуска расчетных максимальных расходов воды при ледоходе;
минимальная глубина в сужении для ряда минимальных расходов воды при ледоходе;
минимальная высота перемычек, ограждающих котлован, которая необходима для пропуска максимального расчетного расхода воды при ледоходе без затопления котлована;
профиль, очертания и размеры перемычек.
4.2. При пропуске через суженное русло могут возникнуть условия, соответствующие следующим схемам пропуска льда.

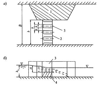
Рис. 2. Русло, стесненное перемычкой:
а
— план; б
— продольный разрез;
1
- 3
— соответственно, верховой, продольный и низовой участки перемычки;
4
— динамическая ось потока
Схема 1.
Подходящие к сужению ледяные поля имеют ширину большую, чем ширина сужения. На подходе к сужению поля разламываются на отдельные части и беспрепятственно проходят в нижний бьеф.
Схема 2.
Подходящие к сужению ледяные поля имеют такое же соотношение размеров к ширине сужения, как в схеме 1, но не разламываются под влиянием гидравлического перепада при входе в сужение. Пропуск льда обеспечивается, если запас кинетической энергии ледяного поля достаточен для его разрушения при ударе о борта, ограничивающие сужение. При расчете пропуска льда помимо назначения ширины сужения необходима проверка высоты ограждающих перемычек с учетом прорыва заторных масс льда сверху или образования затора в нижнем бьефе.
4.3. Минимальная относительная ширина суженного русла устанавливается по формуле
, (1)
в которую входят параметры, характеризующие условия ледохода: bc
и B
— ширина суженного русла и реки; hd
и vi
—толщина и скорость движения льда; Rf
— предел прочности льда при изгибе.
4.4. В случае, если известны только толщина льда и ширина реки в период ледохода, относительное минимальное сужение вычисляется по формуле
, (2)
Если известна только ширина реки (B
, м), то относительное минимальное сужение при средней расчетной толщине льда hd
= 0,8 м определяется по формуле
. (3)
Примечания: 1. Формулы (1) и (2) для определения справедливы при значениях от 150 до 1500, а формула (3) - при B
< 1000 м.
2. При значении ширины суженного русла (полученного по этим формулам) больше фактической или заданной по проекту для обеспечения пропуска льда необходимо принять меры к его временному задержанию выше сужения, пока прочность и толщина льда не уменьшатся до значений, при которых возможно разрушение льда на перепаде до размеров, позволяющих осуществить его пропуск через сооружение. Если временное задержание льда невозможно, то крупные ледяные поля необходимо разрушить механическим способом (взрывами, с помощью ледоколов и пр.).
4.5. Минимальная ширина суженного русла должна приниматься не менее 30 % ширины реки, занятой плывущим льдом в бытовых условиях.
4.6. Глубины потока вблизи фарватера сужения должны обеспечивать пропуск многослойного льда во всем диапазоне расходов ледохода. Для многоводных рек с тяжелым ледоходом эти глубины должны составлять не менее 5 - 6 м.
4.7. На входе в сужения поперек направления течения может происходить разлом льдин на перепаде уровней. Минимальный перепад, при котором происходит такой разлом ледяных полей длиной больше 50 м, следует определять по формуле [3]
. (4)
4.8. Для определения перепада Dz
на входе в сужение следует использовать данные лабораторных и натурных гидравлических исследований, а также гидравлических исследований сужений аналогичной конструкции. При отсутствии таких данных для оценки перепадов на входном участке сужения необходимо использовать значения относительного понижения свободной поверхности на участке перед стеснением русла перемычкой [4], которые можно получить с помощью графиков, представленных на рис. 3. Эти данные справедливы, если стеснение русла перемычкой работает по схеме истечения с подтоплением (0 < Dzo
/h
<0,25 - 0,3). На рис. 2 и 3 приняты следующие обозначения: Dzo
— перепад уровней между верхним бьефом и сжатым сечением, в котором глубина h
с
; h
— глубина нижнего бьефа; Q — угол между верховым участком перемычки и динамической осью потока; с
— длина верхового участка перемычки; х
— координата вдоль суженного русла (см. рис. 2). Для использования графиков (см. рис. 3) перепад уровней воды Dzo
может быть установлен на основании существующих руководств, например, П 18-74/ВНИИГ.
4.9. На основании графиков, представленных на рис. 3, по относительной длине льдин l
/bc
и l
/c
может быть установлен перепад уровней по длине льдины Dz
. При выполнении условия Dz
³ Dz
мин
длину полос льда, отделяющихся от ледяных полей на гидравлических перепадах на входе в суженные участки русла, следует определять по формуле
. (5)
4.10. Входящую в формулы (4) и (5) характеристику прочности льда при изгибе Rf
следует вычислять по формуле
Rf
= 0,4 Rc,b
, (6)
где Rc
,
b
— прочность льда на одноосное сжатие в нижнем слое рассматриваемого ледяного поля при температуре 0 °С, принимаемая при отсутствии данных специальных испытаний по табл. 27 и п. 5.4 СНиП 2.06.04-82* (1995 г.).
4.11. Расчетная толщина ровного льда, входящая в формулу (5), на период ледохода принимается в соответствии с рекомендациями п. 5.3 СНиП 2.06.04-82* (1995 г.).
4.12. Высота перемычек, ограждающих недостроенные сооружения, при пропуске льда через суженное русло должна назначаться с учетом возможного повышения уровней воды в верхнем и нижнем бьефах за счет прорыва заторов на вышерасположенных участках реки или образования зажоров и заторов ниже сужения по течению (Приложение 3).
4.13. При решении вопросов пропуска льда через суженное русло следует принимать во внимание, что наибольшему силовому воздействию льда обычно подвергается верховой оголовок перемычки на верховом и продольном ее участках.
4.14. Конструкция верхового оголовка перемычки должна рассчитываться на восприятие ледовых нагрузок от навала льда. Для защиты оголовков перемычек от динамического давления, возникающего при подвижках и пропуске льда, необходимо их дополнительное усиление с напорной стороны скальной отсыпкой до отметок, превышающих уровни максимальных ледоходов не менее, чем на 1 м. Ряжевые оголовки с верховой стороны могут усиливаться обшивкой из металлического листа. Крупность горной массы отсыпки крепления ряжевых или шпунтовых верховых оголовков перемычек на реках с тяжелыми ледовыми условиями должна составлять не менее 0,5 - 1,0 м, а ширина этого крепления по верху должна быть не менее 5 м.

Рис. 3. Относительное понижение свободной поверхности воды на участке выше стеснения русла реки перемычкой:
а
— вдоль берега, у которого предусмотрено сужение русла; б
— вдоль верхового участка перемычки; 1
- 3
— для Q, соответственно, равных ; ; 
4.15. При выборе профиля и материала напорного откоса верхового участка перемычки следует иметь в виду, что он должен противостоять динамическому воздействию льда при первых подвижках и навалах льда, высота которых на реках с тяжелыми ледоходами может достигать 10 - 15 м (Приложение 4).
4.16. Защита продольного участка перемычки, выполненного из грунта, от динамических воздействий льда достигается выдвижением верхового оголовка перемычки в сторону сужения и путем устройства по длине сужения шпор. Эти шпоры, как правило, устраиваются при длине сужения больше его ширины. Они располагаются у продольной перемычки в направлении течения. Степень выдвижения верховой перемычки, необходимость, количество и размеры шпор, конструкция их крепления и крепления продольного участка перемычки для рек с тяжелыми ледоходами должны устанавливаться на основе опыта эксплуатации аналогичных перемычек, лабораторных исследований или расчетов планов течения в сужении. Минимальную ширину гребня шпоры из грунтовых материалов, необходимую по условиям устойчивости против давления льда, следует устанавливать по номограмме (рис. 4), в которой приняты следующие обозначения: F
— ледовая нагрузка на 1 пог. м контакта ледяного поля со шпорой; m
в
— заложение верхового откоса шпоры; а
= а
1
+ 0,3hd
; а
1
- превышение отметки гребня шпоры над уровнем воды во время ледохода.
4.17. При строительстве сооружений крупных гидроузлов на многоводных реках пропуск льда через суженное русло или проран может осуществляться в течение нескольких сезонов, при этом строительная ситуация от года к году изменяется. Для безаварийного пропуска расхода необходимо иметь данные для определения условий пропуска льда в зависимости Q
= f
(h
) для различных вариантов пропуска (здесь h
— глубина воды).
4.18. При пропуске льда через суженное русло учету подлежат ледовые нагрузки на откосы перемычек. Должны быть рассмотрены воздействия на откосы отдельных льдин и нагромождения обломков льда.

Рис. 4. Расчетная схема (а) и номограмма (б) для определения ширины гребня грунтовой шпоры при воздействии льда
4.19. Нагрузка от движущейся льдины на откос перемычки или другой элемент сооружения с наклонной передней гранью (рис. 5) определяется по формулам:
а) горизонтальная составляющая нагрузки Fh
,
i
, МН,
; (7)
б) вертикальная составляющая нагрузки Fv
,
i
, MH,
, (8)
где k
1
— коэффициент, зависящий от угла наклона к горизонту напорного откоса b, принимаемый по табл. 1; k
2
— коэффициент, который принимается по табл. 2 в зависимости от высоты надводного скопления обломков льда на передней грани сооружения (рис. 5), определяемой по выражению
; (9)
Примечание. Если значение hf
,
i
, определенное по выражению (9), больше высоты гребня сооружения над уровнем воды Dh
, то принимается hf
,
i
= Dh
.
kv
,
f
— коэффициент, принимаемый по табл. 3; bi
— длина участка элемента сооружения по фронту на уровне действия льда, м; f
— коэффициент трения между льдом и поверхностью передней грани элемента сооружения, принимаемый по табл. 4; mh
— коэффициент, принимаемый по табл. 5; А
1
, А
2
, А
3
— коэффициенты, принимаемые по табл. 6; mv
— коэффициент, принимаемый по табл. 7; kd
— коэффициент снижения прочности льда после первой подвижки ледяного покрова, принимаемый в соответствии с рекомендациями Примечания 4 к «Основным положениям» раздела 5* СНиП 2.06.04-82* (1995 г.); b — угол наклона передней грани сооружения к горизонту, град.
Таблица 1
Коэффициент
k
1
, зависящий от угла наклона напорного откоса к горизонту
| b, град
|
30
|
40
|
50
|
60
|
70
|
| k
1
|
1,0
|
1,5
|
2,0
|
2,5
|
2,5
|

Рис. 5. Схема приложения нагрузок от движущейся льдины на откос перемычки:
а
— план; б
— разрез
Таблица 2
Коэффициент
k
2
, зависящий от высоты надводного скопления обломков льда
| hf,i
, м
|
0,5
|
1,0
|
2,0
|
3,0
|
4,0
|
| k
2
|
0,039
|
0,048
|
0,062
|
0,073
|
0,083
|
Таблица 3
Коэффициент kv,f
, учитывающий скорость деформации льда
| b, град
|
vi
/ Rf
, м / (с·МПа)
|
| 0,08 и менее
|
0,8
|
1,6
|
3,2
|
5,4
|
| kv,f
|
| 30-50
|
1
|
2,0
|
2,7
|
3,7
|
4,7
|
| 60
|
1
|
2,0
|
2,6
|
3,5
|
3,6
|
| 70
|
1
|
1,9
|
2,5
|
2,6
|
2,7
|
Таблица 4
Коэффициент трения между льдом и поверхностью передней грани сооружения
| Материал
|
Лед
|
Бетон
|
Грунт
|
Металл
|
| f
|
0,10
|
0,11
|
0,15
|
0,15-0,20
|
Таблица 5
Значения коэффициента
mh
, учитывающего действие вертикальной составляющей силы трения на поверхности откоса
| hf,i
, м
|
Значения mh
, МН/м, при b, град
|
| 30
|
40
|
50
|
60
|
70
|
| 0,5
|
0,044
|
0,058
|
0,143
|
0,316
|
0,746
|
| 1,0
|
0,089
|
0,178
|
0,319
|
0,642
|
1,463
|
| 2,0
|
0,238
|
0,484
|
0,746
|
1,394
|
3,076
|
| 3,0
|
0,499
|
0,847
|
1,213
|
2,157
|
4,635
|
| 4,0
|
0,622
|
1,303
|
1,790
|
3,084
|
6,510
|
Таблица 6
Значения коэффициентов
A
1
, А
2
и А
3
, корректирующих значение коэффициента трения на поверхности откоса
| b, град
|
30
|
40
|
50
|
60
|
70
|
| A
1
|
1,92
|
2,01
|
2,09
|
2,17
|
2,22
|
| A
2
|
1,19
|
2,68
|
4,70
|
12,20
|
60,0
|
| A
3
|
2,07
|
1,35
|
0,75
|
0,41
|
0,24
|
Таблица 7
Значения коэффициента
mv
, учитывающего действие горизонтальной составляющей силы трения на поверхности откоса
| hf,i
, м
|
Значения mv
, МН/м, при b, град
|
| 30
|
40
|
50
|
60
|
70
|
| 0,5
|
0,018
|
0,056
|
0,095
|
0,138
|
0,186
|
| 1,0
|
0,157
|
0,172
|
0,211
|
0,281
|
0,365
|
| 2,0
|
0,426
|
0,444
|
0,485
|
0,607
|
0,767
|
| 3,0
|
0,721
|
0,740
|
0,773
|
0,933
|
1,155
|
| 4,0
|
1,080
|
1,099
|
1,122
|
1,327
|
1,620
|
4.20. Нагрузка от движущегося тороса на откос перемычки или другие элементы сооружения определяется как сумма нагрузок от надводной и подводной частей ледяного образования
Fr
= Fu
+ Fb
. (10)
Нагрузка от надводной части ледяного образования (рис. 6) определяется по формулам:
а) горизонтальная составляющая нагрузки
; (11)
б) вертикальная составляющая нагрузки
, (12)
где yr
— пористость тороса, принимаемая равной 0,3; rw
— плотность воды, принимаемая равной 1000 кг/м3
; ri
— плотность льда, принимаемая при отсутствии данных специальных испытаний равной 920 кг/м3
; g — ускорение свободного падения; hu
— высота надводной части тороса (если hu
> Dh
, то принимается hu
= Dh
); kp
— коэффициент горизонтальной составляющей пассивного давления обломков льда, определяемый по формуле
; (13)
k
3
— коэффициент, определяемый по формуле
; (14)
cr
— адгезия между обломками льда, принимаемая равной 0,003 МПа; jr
— угол внутреннего трения нагромождения обломков льда, принимаемый равным 35°; b
— ширина элемента сооружения по фронту на уровне действия льда.

Рис. 6. Схема приложения нагрузок от движущегося тороса на откос перемычки:
а
— план; б
— разрез
Нагрузка от подводной части ледяного образования (см. рис. 4) определяется по формулам:
а) горизонтальная составляющая нагрузки
; (15)
б) вертикальная составляющая нагрузки
, (16)
где hb
— глубина подводной части тороса, м.
Соотношение надводной и подводной частей тороса следует принимать равным hu
/hb
~ 0,1-0,2.
5. ПРОПУСК ЛЬДА ЧЕРЕЗ ГРЕБЕНКИ БЕТОННЫХ ПЛОТИН
5.1. Для обеспечения пропуска льда через гребенки бетонных плотин при проектировании и строительстве необходимо выполнить проверку, а в случае необходимости уточнить:
ширину отдельных пролетов гребенки, предназначенных для пропуска льда;
общую ширину ледосбросного фронта;
отношение толщины быков к ширине пролетов в свету;
форму оголовков быков;
размеры выдвижения быков в сторону верхнего бьефа от верховой грани сооружения;
отметку порога и необходимую глубину воды в пролетах гребенки.
5.2. При пропуске льда через гребенки бетонных плотин могут использоваться следующие схемы:
Схема 1
. Порог пролетов гребенки расположен на уровне дна реки (гребенка с низким порогом), на подходе к гребенке имеется сосредоточенный перепад, где происходит разлом крупных ледяных полей на отдельные льдины, которые в свою очередь дробятся при движении к пролетам под влиянием остановившихся волн.
Схема 2
. Порог пролетов гребенки возвышается над дном, обеспечивая образование кривой спада на входе в пролет (гребенки с высоким порогом); выдвижение раздельных бычков от верховой грани порога в сторону верхнего бьефа незначительно и не затрудняет разлома на кривой спада подходящих к гребенке крупных ледяных полей на отдельные полосы. На подходе к сооружениям отсутствуют участки с сосредоточенными перепадами.
Схема 3
. К гребенке с низким порогом вследствие подтопления могут подходить, не разламываясь, крупные ледяные поля. Перед пролетами ледяные поля не ломаются на кривой спада. Пропуск их в нижний бьеф происходит при условии пониженной прочности льда и достаточном запасе кинетической энергии полей для их раскалывания или прорезания опорами.
Эта же схема может иметь место для гребенок с высоким порогом, если раздельные бычки выдвинуты в сторону верхнего бьефа так, что препятствуют разлому на кривой спада подходящих к пролетам ледяных полей.
5.3. Для схемы 1
необходим расчет разлома ледяных полей на сосредоточенном перепаде выше гребенки, для схемы 2
— расчет разлома ледяных полей на кривой спада перед входом в пролеты, для схемы 3
— расчет дробления ледяных полей при взаимодействии с раздельными бычками.
5.4. Ширина отдельных пролетов гребенки плотины, необходимая по условиям пропуска льда, должна определяться по формуле
, (17)
где l
— длина льдин, м; Rf
— прочность льда при изгибе в период его пропуска, МПа, определяемая по формуле (115) СНиП 2.06.04-82* (1995 г.); vi
— скорость подхода льда к гребенке, которую можно принимать равной средней скорости течения воды, м/с; ri
— плотность льда, кг/м3
. Зависимость (17) применима при подходе к пролетам гребенки отдельных льдин, размеры которых соизмеримы с шириной пролетов гребенки и для которых отношение bi
/l
больше 0,4-0,7, и для 0,02 < < 0,2, где g
— ускорение свободного падения, м/с2
.
5.5. Необходимую по условиям пропуска льда ширину отдельных пролетов гребенки плотины, на подходе к которым отсутствует сосредоточенный гидравлический перепад или кривая спада водной поверхности, следует определять по формуле
, (18)
где kp
= kv
kb
Rc
для бычков с вертикальной передней гранью и kp
= kf
Rf
tgb для бычков с наклонным ледорезом (kv
— коэффициент скорости деформации льда, принимаемый по табл. 31, СНиП 2.06.04-82* (1995 г.); kb
— коэффициент смятия льда, принимаемый по табл. 30, СНиП 2.06.04-82* (1995 г.); kf
— коэффициент, учитывающий форму и размеры быка с наклонным ледорезом, принимаемый по табл. 8); Rc
— прочность льда на сжатие, МПа, определяемая по формуле (114), СНиП 2.06.04-82* (1995 г.); vi
— скорость движения льдин, м/с; bd
— ширина быков, м.
5.6. Для разрушения ледяных полей перед гребенкой значение сосредоточенного перепада Dz
должно быть не меньше его минимального значения, рассчитанного по формуле (4). При определении перепада на участке до гребенки необходимо рассматривать случаи ее работы как незатопленного и подтопленного водослива с широким порогом.
5.7. Понижение свободной поверхности выше гребенки по течению при отсутствии ее подтопления со стороны нижнего бьефа необходимо определять на основании следующих зависимостей, которые рекомендуется использовать при х
/Н
< 1,5 [5]:
для гребенки с шириной пролетов bi
> (3 - 4)H
(широкая гребенка)
Dz
/ H
= 0,75 ехр (-aх
/ H
), (19)
в которой для прямоугольного очертания порога гребенки a = 1,8, а при скруглении ее входного ребра a = 1,3; х
— горизонтальная координата, отсчитываемая от напорной грани плотины в сторону верхнего бьефа;
Таблица 8
Значения коэффициента
kf
, учитывающего форму быка с наклонным ледорезом
| Угол наклона ледореза быка к горизонту b, град
|
Угол заострения треугольной режущей грани быка в плане 2g, град
|
| 45
|
60
|
75
|
90
|
120
|
| Коэффициент kf
|
| 45
|
0,20
|
0,17
|
0,16
|
0,16
|
0,16
|
| 60
|
0,24
|
0,20
|
0,19
|
0,18
|
0,17
|
| 70
|
0,38
|
0,27
|
0,23
|
0,21
|
0,19
|
| 75
|
0,79
|
0,38
|
0,29
|
0,26
|
0,22
|
Примечание. Для быка с закругленной или полуциркульной режущей гранью коэффициент kf
определяется, как для угла заострения, равного 2g = 80°.
для гребенки с шириной пролетов bi
< (2 - 3) H
для максимального понижения свободной поверхности в створе напорной грани гребенки
z
в
/ H
= 0,005 C
/ H
+ A
, (20)
в которой С
— ширина порога гребенки, а свободный член А
принимается при прямоугольном очертании ее порога равным 0,03, а при скруглении его входного ребра - 0,02.
Изменение среднего по ширине потока понижения свободной поверхности по сравнению с уровнем верхнего бьефа
Dz
/ z
в
= exp [-2,5 (x
/ H
- 0,3)]. (21)
Перед узкими гребенками не отмечается существенного понижения свободной поверхности в диапазоне 0 < х
/ Н
< 0,2 - 0,3, а различие в глубинах воды в створе напорной грани у быков и по оси пролета гребенки может составлять от 0,5 до 1,2 от среднего понижения кривой свободной поверхности по сравнению с уровнем верхнего бьефа.
5.8. При определении понижения уровней воды перед гребенкой ее подтопление необходимо учитывать лишь тогда, когда глубина нижнего бьефа над ее порогом h
³ 0,8H
. До значения h
< 0,8H
указанное понижение свободной поверхности должно учитываться как для случаев незатопленного истечения.
Для случаев h
³ 0,8H
данные для определения понижения свободной поверхности перед гребенкой в долях перепада на сооружении Dz
0
приведены в табл. 9.
Таблица 9
Ориентировочные значения понижений свободной поверхности на подходном участке гребенки, работающей в подтопленном режиме истечения
| Особенности конструкции пролетов гребенки
|
z
в
/Dz
0
(х
/H
= 0)
|
z
/Dz
0
на различных относительных расстояниях от напорной грани
|
| 0,5
|
1,0
|
2,0
|
| Прямоугольный в поперечном сечении, широкий
|
0,20 - 0,25
|
0,10
|
0,05
|
0
|
| Со скругленным входным ребром, широкий
|
0,30 - 0,40
|
0,15
|
0,05
|
0
|
| Узкий
|
0,15 - 0,20
|
0,10
|
0,03
|
0
|
При расчете перепада на сооружении следует использовать следующую зависимость
, (22)
где Dzвс
— перепад восстановления на сооружении, который может устанавливаться с учетом данных П18-74.
Для определения понижений уровней воды на сооружении по данным табл. 9 допускается использовать перепад на сооружении без учета скоростного напора на подходе.
5.9. Длину ледяных полей, отламывающихся на кривой спада свободной поверхности перед гребенкой, необходимо устанавливать по формуле
, (23)
где hd
- толщина льда, м.
5.10. Общую ширину ледосбросного фронта Bi
, м, обеспечивающего пропуск льда через гребенку (рис. 7), необходимо определять по формуле
, (24)

Рис. 7. Схема гребенки плотины:
a
— план; б
— продольный разрез гребенки;
1
— котлован II очереди; 2
— пролеты гребенки; 3
— быки; 4
— порог гребенки
где с
1
- коэффициент пропорциональности, принимаемый равным 1,85 при разрушении льда на сосредоточенном перепаде и 3,7 при разрушении льда на кривой спада; v
0
и h
0
— скорость течения и глубина воды на подходе к сужению, соответственно; В
— ширина реки выше сужения.
5.11. При движении через гребенку мелкораздробленного уплотненного потоком льда необходимую для его пропуска ширину ледосбросного фронта следует вычислять по формуле
, (25)
где с
2
= 0,06 b
'
+ 0,4 — коэффициент, учитывающий взаимодействие ледяной массы с быками в диапазоне изменения их толщины 3 м £ bd
£ 10 м; b
'
— расстояние между осями быков гребенки, м; b = v
1
/ v
2
, v
1
и v2
— скорость течения в начале и в конце сужения русла перемычками; с
3
— коэффициент, учитывающий форму и размеры сужения перед гребенкой и рассчитываемый при параллельной ориентации продольного участка перемычки и противоположного берега (b = 1) по формуле
, (26)
где L
— расстояние от входа в сужение до гребенки.
Формула (25) применима для русел с коэффициентом шероховатости n
= 0,03 - 0,04 и при hd
/ h
< 0,1.
5.12. Минимальная ширина ледосбросного фронта гребенок с низким порогом на реках шириной 150 — 500 м принимается равной 0,2 В
, а при ширине реки более 500 м — равной 0,16 В
, где В
— ширина русла перед стеснением.
5.13. При ширине пролетов гребенки от 6 до 30 м толщина ее быков может достигать 8 — 10 м. Применение сглаженных плановых очертаний верховых оголовков быков (полуциркульных, в виде треугольника и многоугольника) способствует улучшению условий их обтекания и пропуска льда.
5.14. При выдвижении быков от верховой грани гребенки в сторону верхнего бьефа в первом приближении на основе зависимостей (19) и (21) следует учитывать изменение перепада уровней воды перед гребенкой для различных расходов воды в ледоход.
5.15. Отметка порога в пролетах гребенки должна быть такой, чтобы глубина воды над порогом обеспечивала свободное прохождение льда в нижний бьеф. Для предотвращения повреждения порога гребенки сбрасываемым льдом минимальное значение напора над его гребнем Нмин
, следует определять по формуле
H
мин
= 1,5 hd
+ 0,2 l
1
, м, (27)
в которой l
1
— длина ледяных полос, а толщина льда hd
принимается с учетом смерзания льдин в пакеты.
5.16. Низ строений в пролете гребенки для предотвращения повреждения льдом должен возвышаться над поверхностью воды при максимальном расходе ледохода не менее, чем на 3 — 4 м.
Расчет ледовых нагрузок при пропуске льда через гребенки бетонных плотин
5.17. Нагрузка Fb
,
f
, MH от движущейся льдины на бык с вертикальной передней гранью (рис. 8) или другой вертикальный элемент сооружения любой протяженности (напорная грань водосливной плотины, затвор, шпунтовая стенка, забральная балка и др.) приложена в точке, заглубленной под уровень воды на 0,4hd
, где hd
— толщина льда, и определяется по формуле
Fb,i
= se
bd
hd
, (28)
где sе
— эффективное давление льда, МПа, определяемое выражением
; (29)
m
— коэффициент формы передней грани элемента сооружения в плане, определяемый для передних граней в виде треугольника с углом заострения в плане 2g по выражению m
= 1 - 0,79 (1 - 2g / 180); для передних граней в виде прямоугольника m
= 1, а для передних граней в виде многогранника или полуциркульного очертания — m
= 0,82; kv
,
c
— коэффициент скорости деформации льда при сжатии, принимаемый по табл. 31, СНиП 2.06.04-82* (1995 г.); kd
— коэффициент снижения прочности льда после первой подвижки ледяного покрова, принимаемый в соответствии с рекомендациями, приведенными в Примечании 4 к «Основным положениям» раздела 5* СНиП 2.06.04-82* (1995 г.); tu
— температура на границе снег (воздух) - лед, °С, принимаемая как в формуле (116), СНиП 2.06.04-82* (1995 г.).

Рис. 8. Схема приложения нагрузки от движущейся льдины на бык с вертикальной передней гранью:
а
— план; б
— разрез
5.18. Нагрузка на бык с вертикальной передней гранью, порог гребенки или другой вертикальный элемент сооружения (напорная грань водосливной плотины, затвор, шпунтовая стенка, забральная балка и др.) определяется:
от движущегося затора — по формуле (138);
от движущегося льда — по формуле (140) СНиП 2.06.04-82* (1995 г.).

Рис. 9. Схема приложения нагрузок от движущейся льдины на бык с наклонной ледорезной гранью:
а
— план; б
— разрез
5.19. Нагрузка от движущейся льдины на бык с наклонной ледорезной гранью (рис. 9) определяется по формулам:
а) горизонтальная составляющая нагрузки
Fh
= kf
kv,f
kd
Rf
bd
hi
tgb; (30)
б) вертикальная составляющая нагрузки
Fv
= Fh
ctgb, (31)
где kf
- коэффициент формы ледореза, принимаемый по табл. 8; kv
,
f
и kd
— коэффициенты, принимаемые в соответствии с указаниями п. 4.19; Rf
— прочность льда при изгибе, принимаемая при отсутствии данных специальных испытаний равной 0,5 МПа; b — угол наклона ледорезной (передней) грани элемента сооружения к горизонту, град.
5.20. Нагрузка от движущегося тороса на бык с наклонной ледорезной гранью определяется по формулам (10) - (16.) Точка приложения нагрузок от движущейся льдины на бык с наклонной ледорезной гранью так же заглублена под уровень воды на 0,4hi
.
6. ПРОПУСК ЛЬДА ЧЕРЕЗ СТРОИТЕЛЬНЫЕ ГЛУБИННЫЕ ВОДОСБРОСЫ
6.1. Для обеспечения пропуска или задержания льда перед глубинным водосбросом в зависимости от гидравлических условий его работы необходимо проверить или уточнить:
предельное заглубление пролетов водосброса под уровень верхнего бьефа;
общую ширину ледосбросного фронта;
размеры выдвижения быков в сторону верхнего бьефа;
критические скорости течения по условиям подныривания льда.
6.2. При проектировании глубинных водосбросов различают два основных гидравлических режима их работы: безнапорный и напорный, которые в существенной мере определяют гидравлические и ледовые условия их работы. В случае безнапорного режима работы условия пропуска льда через глубинные водосбросы в основном такие же, как и в случае пропуска его через гребенку. Некоторые отличия в работе безнапорных глубинных водосбросов по сравнению с гребенкой могут иметь место при глубинах наполнения, близких к высоте водосброса. При остановке льда у входного сечения в этом случае может произойти забивка верхней части поперечного сечения, что может привести к резкому росту уровней воды. Характер этой забивки и степень заполнения поперечного сечения льдом можно установить лишь на основе экспериментальных исследований.
6.3. В зависимости от конкретных условий напорные глубинные водосбросы являются водосбросным трактом, предназначенным также и для пропуска льда в нижний бьеф.
6.4. При пропуске льда через глубинные водосбросы необходимо обеспечивать снижение предела прочности льда перед сооружениями с целью улучшения дробления ледяных полей до небольших льдин, способных подныривать в эти водосбросы.
6.5. Значение предельного заглубления потолка глубинных водосбросов, при котором прекращается подныривание льдин и которое отсчитывается от их потолка сразу же за скруглением входного оголовка, устанавливается по следующему соотношению (рис. 10)
, (32)
где а
— высота глубинного водосброса сразу же за скруглением входного оголовка, м; x — эмпирический коэффициент, равный обычно 4,0 м0,5
, а для глубинных водосбросов, выполненных со спаренными входными отверстиями, равный 5 м0,5
.
Примечание: 1. При наличии перед входом в глубинные водосбросы интенсивных вихревых воронок значения Hk
необходимо увеличивать в 1,5 раза;
2. Образование вихревых воронок происходит более интенсивно при наличии вынесенных в сторону верхнего бьефа быков и косом подходе потока к сооружению; особенно интенсивные воронки возникают, если выносные быки предусмотрены перед спаренными пролетами глубинного водосброса; условие (32) справедливо при работе глубинного водосброса полным сечением.
6.6. При необходимости пропуска через глубинные водосбросы больших объемов льда на реках с тяжелыми ледоходами затопление потолка входного сечения не должно превышать высоты водосброса, т. е. Hk
£ a
(см. рис. 10).
6.7. Критическая скорость течения воды, при которой льдины начинают подныривать под преграду в виде остановившегося ледяного поля перед плотиной с глубинными водосбросами, определяется по формуле
. (33)
6.8. Пропуск льда через глубинные водосбросы, неподтопленные со стороны нижнего бьефа, возможен, если отношение а
/H
больше значения (а
/Н
)1
, определенного по следующей формуле
. (34)

Рис. 10. Схема глубинных водосбросов
а
— план; б
, в
— разрезы по неподтопленному и подтопленному глубинным водосбросам;
1
— котлован II очереди; 2
— глубинный водосброс; 3
— расчетное входное сечение;
4
— входной оголовок; 5
— бетонная плотина
Значения а
/Н
в этой формуле в зависимости от l
/Н
, hd
/l
и b
/Bk
устанавливаются по графикам, представленным на рис. 11, а коэффициентов y1
и y2
- на рис. 12. В формуле (34) и на указанных рисунках приняты следующие обозначения: H
= Hk
+ a
— напор на входном пороге глубинного водосброса, м; b
и Bk
— ширины входного сечения водосброса и части подходного участка, приходящейся на каждый глубинный водосброс (при работе всем фронтом глубинных водосбросов в большинстве случаев Bk
= b
'
, м; b
'
— расстояние между осями глубинных водосбросов в плане, м; hd
и l
— толщина и длина льдин, м.
6.9. Возможность подныривания льдин в глубинные водосбросы, подтопленные со стороны нижнего бьефа, можно реализовывать при значениях Hk
, удовлетворяющих следующему неравенству:
, (35)
где DH
— перепад уровней воды (рис. 10, в
); b — эмпирический коэффициент, равный 5-6.
6.10. Пропуск шуги через глубинные водосбросы возможен при условии безостановочного движения шуги по длине водосброса. Эти условия будут иметь место тогда, когда относительная толщина слоя шуги h
ш
/H
при заданном скоростном параметре потока выйдет за границу стабильности ледяных образований, определяемую графиком, приведенным в Приложении 5.
6.11. При пропуске льда через глубинные водосбросы необходимо учитывать ледовые нагрузки на напорную грань плотины и входные оголовки. Для напорной грани плотины возможными являются воздействия отдельных льдин, тороса, затора и зажора, а для входных оголовков — воздействие затора и зажора.
6.12. Нагрузка от движущейся льдины на напорную грань плотины определяется по формуле (28).
6.13. Нагрузка от движущегося тороса на напорную грань плотины определяется по формулам (10), (11) и (15). При этом коэффициент kp
, входящий в формулы (11) и (15), определяется по формуле (13) при b = 90 °.
6.14. Нагрузка от движущихся заторов на напорную грань плотины и входной оголовок глубинного водосброса определяется соответственно по формулам (138) и (140), СНиП 2.06.04-82* (1995 г.).

Рис. 11. Зависимости для определения возможности пропуска льда через глубинные водосбросы от параметров потока и размеров льдин:
а
— b
/Bk
= 0,2; б
— b
/Bk
= 0,4; в
— b
/Bk
= 0,6; г
— b
/Bk
= 0,8; д
— b
/Bk
= 1,0

Рис. 12. Значения коэффициентов, учитывающих влияние расстояний между пролетами глубинных водосбросов (а) и высот их порога (б) на возможность пропуска льда
7. ПРОПУСК ЛЬДА ЧЕРЕЗ ОБВОДНЫЕ КАНАЛЫ И БЕРЕГОВЫЕ ВОДОСБРОСЫ
7.1. Для обеспечения пропуска льда через обводные каналы или береговые водосбросы при их проектировании и строительстве необходимо выполнить проверку и уточнение:
общей ширины ледосбросного фронта сооружения;
минимальной глубины, необходимой для беспрепятственного пропуска льда.
7.2. Обводные каналы устраиваются для отвода расхода рек из русла по одному из береговых примыканий либо по речной пойме, каналы могут предусматриваться непосредственно в плотине у одного из берегов.
7.3. Минимальная ширина входного участка канала, предназначенного для пропуска льда, должна составлять 0,16 — 0,20 от ширины реки.
7.4. Глубина канала должна быть достаточной для пропуска натасованного и слоеного льда во всем диапазоне расходов ледохода. Это должно согласовываться с гидравлическими условиями работы обводного канала, схемы которых приведены на рис. 13.

Рис. 13. Гидравлические условия работы обводного канала:
а
— течение на входном участке по схеме неподтопленного водослива без порога;
б
— течение на входном участке по схеме подтопленного водослива без порога;
в
— условия течения при наличии на тракте регулирующего сооружения
7.5. Для ответственных сооружений и при сложных очертаниях обводных каналов условия пропуска расходов должны отрабатываться на гидравлических моделях.
7.6. При пропуске льда через обводные каналы и траншейные водосбросы должны учитываться нагрузки от скопления шуги, битого и тертого льда на их берега, а также следует принимать во внимание истирающее действие льда.
7.7. При определении пропускной способности каналов и береговых водосбросов в первом приближении можно исходить из Рекомендаций П18-74 и других пособий, например, [1, 2].
7.8. Понижение свободной поверхности на входе в каналы и береговые траншейные водосбросы в случае незатопленного режима истечения можно оценивать по формуле (19), а при затопленном истечении - на основании рекомендаций, приведенных в п. 5.8.
7.9. Минимальный перепад уровней при оценке возможности разлома льдин на входе в канал и береговые водосбросы рассчитывается по формуле (4), а длина полос льда, отделяющихся от ледяных полей на перепаде, - по формуле (5).
7.10. Минимальную ширину пролетов регулирующей конструкции в канале для обеспечения пропуска льда при известных размерах льдин следует определять по формуле (17).
7.11. Скорости течения воды в канале и береговых траншейных водосбросах с учетом условий пропуска льда не должны превышать размывающих скоростей.
7.12. Вход в канал должен быть защищен от размывов и разрушения льдом.
7.13. Линейная горизонтальная нагрузка от воздействия зажора на уровне действия ледяного образования на 1 м длины берега обводного канала или другого элемента сооружения, расположенного параллельно направлению течения воды, определяется по формуле
, (36)
где km
— коэффициент, принимаемый равным для песчаных берегов 0,7, глинистых — 0,8, скальных (или покрытых бетонными плитами) — 0,9; v
макс
— максимальная скорость течения воды 1 %-ной обеспеченности в период пропуска льда, м/с; Lj
— длина участка зажора, принимаемая равной полуторной ширине канала на уровне действия ледяного образования, м; i
— уклон поверхности потока на подходе к сооружению; vw
,макс
— максимальная скорость ветра 1 %-ной обеспеченности в период пропуска льда, м/с; hj
— толщина зажора, м.
7.14. Линейная горизонтальная сила трения от воздействия на уровне действия ледяного зажора на 1 м длины берега обводного канала или другого элемента сооружения, расположенного параллельно направлению течения воды, рассчитывается по формуле
ff
= fs
f
, (37)
где fs
— нагрузка, определяемая по формуле (36).
Коэффициент трения между льдом и поверхностью берегового откоса принимается по табл. 4 (п. 4.19).
8. ПРОПУСК ЛЬДА ЧЕРЕЗ СТРОИТЕЛЬНЫЕ ТУННЕЛИ И ТРУБЫ
8.1. Строительные туннели и трубы предназначаются для пропуска расходов воды во всем диапазоне их изменения, в том числе паводковых или только меженных расходов рек. Строительные туннели устраивают в береговых примыканиях плотины, а строительные трубы - у берега или в основании сооружений. Ледоход может пропускаться непосредственно через эти туннели или трубы, при их совместной работе с другими водопропускными сооружениями строящегося гидроузла, например, при одновременном переливе воды через гребень грунтовых перемычек.
8.2. Условия пропуска льда через строительные туннели или трубы существенным образом определяются гидравлическим режимом их работы и особенно режимом на входном участке. Как правило, входной участок строительных туннелей и труб, через которые производится пропуск льда, выполняют без порога (заподлицо с дном подводящего канала), а в некоторых случаях их дно располагается даже ниже отметок русла реки.
Оценки условий пропуска льда через строительные туннели и трубы, работающие в безнапорном режиме течения, необходимо выполнять следующим образом:
если их входной участок выполнен однопролетным (без быков) — как для строительных (обводных) каналов;
если на их входном участке предусмотрено несколько пролетов (один - три быка) — как для гребенки с низким порогом или строительного канала с регулирующим сооружением на тракте.
Оценки условий пропуска льда через строительные туннели или трубы, работающие в напорном режиме течения, следует производить аналогично глубинным водосбросам.
8.3. При расположении дна входного участка туннелей или труб на отметках дна реки для безопасного пропуска льда должны быть приняты меры по предотвращению заторных подъемов уровней воды ниже этих сооружений.
8.4. Перед пропуском льда через строительные туннели или трубы в ряде случаев следует подготовить сооружение к этой операции: при необходимости ледовый покров, образовавшийся на тракте этих водоводов, должен быть разрушен.
8.5. Сброс льда через туннели обычно осуществляется после понижения его прочности и облегчается при наличии перед водоприемником туннеля вихревой воронки. При пропуске льда через строительные туннели и трубы с многопролетными входными участками необходимо учитывать ледовые нагрузки на быки. Для быков возможными являются воздействия отдельных льдин и скопления шуги, битого и тертого льда. Опасным для таких сооружений может оказаться истирающее действие льда. Это относится и к сооружениям с однопролетными входными участками.
8.6. Нагрузка от движущейся льдины на бык, расположенный на входном участке туннеля или трубы, определяется по формуле (28).
8.7. Нагрузка от движущегося зажора на бык, расположенный на входном участке туннеля или трубы, определяется по формуле (140), СНиП 2.06.04-82* (1995 г.).
8.8. Линейная горизонтальная сила трения от воздействия скопления шуги, битого и тертого льда на стенку туннеля или трубы определяется по формуле (37).
9. ПРОПУСК ЛЬДА ЧЕРЕЗ ВОДОСЛИВНЫЕ ПЛОТИНЫ В ПЕРИОД ЭКСПЛУАТАЦИИ
9.1. Пропуск льда через водосливные плотины обеспечивается на основе проверки и уточнения:
общей ширины ледосбросного фронта;
необходимой ширины пролетов водосливной плотины;
значения минимального напора на гребне, необходимого для пропуска льда.
9.2. Для пропуска льда через водосливные плотины в период эксплуатации возможны следующие схемы пропуска льда:
через пролеты, перекрываемые затворами. При сбросе льда затворы подняты на всю высоту или опущены, если это затворы клапанного типа. Ледяные поля разламываются на кривой спада перед пролетами и в дальнейшем при ударе о быки;
то же, что и предыдущая схема, но ледяные поля подходят к раздельным быкам, не разламываясь на кривой спада. Пропуск льда через пролеты обеспечивается после их дробления при взаимодействии с быками и под воздействием надвигающихся сверху масс льда;
через береговые пролеты, гребень которых предусмотрен на отметке НПУ, а при повышенной приточности после подъема затворов и через центральные пролеты водосливной плотины, гребень которых выполнен на более низких отметках.
9.3. Ширина ледосбросного фронта В
i
должна составлять 0,3 - 0,45 от ширины подпертого бьефа у плотины В
(рис. 14).

Рис. 14. План гидроузла (а
) и разрез по водосливной плотине (б
):
1
— водосливная плотина; 2
— быки; 3
— затворы; 4
— глухая плотина
9.4. Ширина отдельных пролетов ледосбросного фронта водосливных плотин должна приниматься:
для рек Европейской части РФ 10 - 20 м;
для рек Сибири и Дальнего Востока 18 - 30 м.
9.5. Минимальный размер пролета в свету водосливных плотин с вертикальной напорной гранью быков должен определяться по формуле (17). Этот размер может быть принят меньшим на 10 - 20%, если льдины перед водосливной плотиной разрушаются на кривой спада.
9.6. Значение минимального напора H
мин
, необходимого для беспрепятственного пропуска льда при переливе воды через гребень водосливных плотин и затворов, определяется по следующим формулам:
а) при длине льдин l
£ 3 hd
макс
Нмин
= 1,7 hd
макс
, (38)
б) при l
> 3 hd
макс
Нмин
= hd
макс
+ 0,2 l
, (39)
где hd
макс
— максимальная толщина льда с учетом смерзания льдин в пакеты.
9.7. Значение критического открытия затворов а
, при котором еще не происходит подныривания под его низовую кромку льда, в первом приближении можно принимать равным 0,2 от полного напора Н
. С учетом высоты плотины значение а
вычисляется по формуле (см. рис. 14)
. (40)
При наличии данных о длине и толщине льдин критическое значение а
может быть найдено по графикам рис. 15.
9.8. Для защиты от повреждения бетонных поверхностей водосливных плотин наиболее целесообразно использование поверхностных режимов сопряжения бьефов.

Рис. 15. Зависимость относительного значения открытия затворов, необходимого для подныривания льдин, от относительных размеров льдин:
1
— зона подныривания льдин; 2
— зона, в которой подныривания льдин не происходит;
__________ — граница критических значений по условию подныривания льдин;
— — — — — то же, по условию поворота льдин
9.9. Нагрузка на напорную вертикальную грань водосливной плотины, бык с вертикальной передней гранью или другой вертикальный элемент сооружения любой протяженности определяется: от движущейся льдины - по формуле (28), а от движущихся затора или зажора - соответственно по формулам (138) и (140) СНиП 2.06.04-82* (1995 г.).
9.10. Нагрузка от движущегося тороса на напорную вертикальную грань водосливной плотины, бык с вертикальной передней гранью или другой вертикальный элемент сооружения любой протяженности определяется по формулам (10), (11) и (15). При этом коэффициент kp
, входящий в формулы (11) и (15), определяется по формуле (13) при b = 90°.
10. МЕРОПРИЯТИЯ ПО РЕГУЛИРОВАНИЮ ПРОПУСКА ЛЬДА ЧЕРЕЗ ГИДРОТЕХНИЧЕСКИЕ СООРУЖЕНИЯ
10.1. В случае недостаточных размеров ледопропускных пролетов, отсутствия или небольшого опыта пропуска льда через ледосбросы необходимо проведение дополнительных мероприятий по обеспечению успешного прохода льда.
10.2. Эти мероприятия должны быть направлены на увеличение срока задержки начала ледохода перед сооружениями, на снижение толщины и прочности льда или на уменьшение размеров льдин, на пропуск льда без образования арок, заторных скоплений. В отдельных случаях возможно использование локальных средств, облегчающих продвижение льда через сооружение и снижающих силовое воздействие льда.
10.3. В качестве локальных средств, позволяющих обеспечить дополнительный разлом льда или снизить его силовые воздействия, следует использовать специальные конструкции, приводящие к желаемому результату в каждом отдельном случае. Такие конструкции разработаны для разлома льда на искусственных перепадах уровня, для снижения ледовых воздействий на опоры линий электропередач.
10.4. Для улучшения условий пропуска льда створ гидроузла должен располагаться на прямолинейном участке реки, в этом случае ледосбросные сооружения размещаются в стрежневой части реки. При криволинейном участке реки перед сооружениями ледосбросы целесообразно размещать у вогнутого берега, где происходит наиболее интенсивное движение льда в период ледохода.
10.5. С целью предотвращения образования затора в нижнем бьефе, ухудшающего пропуск льда через сооружения, целесообразно выполнять такие мероприятия по ускорению вскрытия реки в нижнем бьефе, как разрушение льда взрывами, ледоколами или иными средствами.
10.6. Для улучшения условий движения льда к сооружениям целесообразно производить:
отделение ледяного поля, находящегося в тупиковой зоне (выше верховой перемычки), от ледяного покрова, располагающегося в зоне движения льда (против водосбросных пролетов);
искусственное разрушение ледяных полей в верхнем бьефе до подхода их к сооружениям, если отсутствуют сосредоточенные перепады или кривая спада со значительным перепадом уровней воды перед сооружением.
Примечание. Выбор способа разрушения ледяного покрова производится с использованием «Методических рекомендаций по предотвращению образования ледовых заторов на реках Российской Федерации и борьбы с ними».
10.7. При небольшой площади водохранилища для предотвращения возможного образования затора выше гидроузла и улучшения условий движения льда в районе выклинивания кривой подпора ледяной покров в водохранилище целесообразно разрушать ледоколами. Такое разрушение можно производить по всей площади водохранилища или с образованием продольной полосы для создания канала в ледяном покрове, по которому битый лед проходит к гидроузлу и сбрасывается в нижний бьеф.
10.8. Для облегчения пропуска заторного льда через гидротехнические сооружения целесообразно движущийся по водохранилищу заторный лед временно посадить на мелководных участках, снизив для этого уровень воды. После подтаивания и разрыхления такой лед легче пропускается через гидротехнические сооружения.
10.9. К моменту пропуска льда через плотины должна быть обеспечена маневренность затворов в ледосбросных пролетах. Учитывая это, затворы и закладные части должны быть снабжены установками для обогрева. Наледи у затворов в местах фильтрации воды к моменту пропуска льда удаляются.
Примечание. Расчеты по обогреву затворов и закладных частей производятся в соответствии с ВСН 029-70/Минэнерго СССР.
10.10. При решении вопроса пропуска льда через гидротехнические сооружения, прежде всего, должен быть выполнен всесторонний анализ ледовых условий реки с целью выяснения возможностей регулирования ледохода с учетом морфологических особенностей реки (пороги, острова, излучины и т. п.) и вышерасположенных водохранилищ, позволяющих производить изменение попусков воды в предледоходный и ледоходный периоды.
Для проведения взрывных работ (с вертолета или наземным способом) следует в определенных местах сосредоточить необходимое количество взрывчатых веществ.
Примечание: Взрывные и другие работы по разрушению ледяного покрова и затора производятся в соответствии с «Методическими рекомендациями по предотвращению образования ледовых заторов на реках Российской Федерации и борьбе с ними».
10.11. Пропуск льда через гидротехнические сооружения в строительный и эксплуатационный периоды следует предусматривать, когда скорость течения в верхнем бьефе достигает значений, способных создать после отрыва льда от берегов подвижку ледяных полей, соизмеримых с шириной реки на прилегающем к плотине участке длиной 5-10 км.
10.12. Пропуск льда через сооружения не является обязательным, если средние скорости потока менее 0,4 - 0,5 м/с.
10.13. Для задержания льда перед сооружениями средняя скорость потока vcp
перед гидроузлом на участке длиной до 15В
(где В
- ширина реки) должна быть меньше следующих значений:
а) при прямолинейном очертании берегов
; (41)
б) при криволинейном очертании берегов значение vcp
, полученное по формуле (41), увеличивается на 30 %;
в) с учетом глубины реки перед сооружениями при прямолинейном очертании берегов
; (42)
где ; h
— глубина воды, м; при криволинейном очертании берегов значение vcp
, полученное по формуле (42), увеличивается на 30 %;
г) при наличии данных о коэффициентах шероховатости дна водотока n
1
и нижней поверхности льда n
2
:
; (43)
где ; h2
= h
2
/ h
— относительная глубина воды под ледяным покровом; h
2
— глубина воды от нижней поверхности ледяного покрова до линии максимальной скорости течения на эпюре v
= f
(h
); rw
— плотность воды; — приведенный коэффициент Шези;
— приведенный коэффициент шероховатости русла с ледяным покровом; R
— гидравлический радиус русла при наличии ледяного покрова.
В случае невозможности определения h
2
.
10.14. Задержание льда перед сооружениями обеспечивается:
а) для случая строящейся плотины с глубинными водосбросами — путем обеспечения необходимого заглубления верха входного отверстия, определяемого по формулам (32) и (34);
б) для случая водосливной плотины — путем обеспечения необходимого значения открытия затвора, определяемого по формуле (40);
в) для случая сплошной запани или забральной стенки путем обеспечения условия v
< vcr
, где vcr
определяется по формуле (33).
Ряд примеров технических решений, обеспечивающих остановку и задержание льда до сооружения, приведен в Приложении 6.
10.15. Продолжительность временного задержания льда (Dt, сут) на реке выше сооружений с целью его ослабления и сброса в дальнейшем через сооружения следует определять по следующим формулам.
1. При наличии данных о прочности льда на момент вскрытия реки ниже сооружений
, (44)
где DR
= R
0
f
- Rf
— понижение прочности льда на изгиб, МПа; R
0
f
— прочность льда на изгиб на момент вскрытия реки ниже сооружений, МПа; Rf
— необходимая прочность льда на изгиб к моменту его пропуска через сооружения, МПа; k
— интенсивность понижения прочности льда, принимаемая равной: 4 МПа за сутки для водного льда, 2 МПа за сутки для шугового льда.
Примечание: Значение k
рекомендуется уточнять на основании материалов натурных исследований.
2. При наличии прогностических данных о среднесуточных температурах воздуха значение Dt определяется по сумме этих температур с помощью графика зависимости Sq = f
(t) с использованием формулы
, (45)
где Dq — сумма положительных среднесуточных температур воздуха за период Dt, определяемая по кривой Sq = f
(t) , построенной в соответствии с прогнозом температур воздуха.
3. При наличии прогностических данных о продолжительности задержания льда необходимое снижение прочности льда определяется по формуле
, (46)
где S
'
— количество поглощенной льдом солнечной радиации (за период Dt), Дж/м3
; S
0
— количество поглощенной теплоты, необходимое для полной потери льдом его прочности (рассыпание льда на отдельные кристаллы), Дж/м3
, которое следует принимать равным:
для волокнистого льда — 0,67·108
Дж/м3
;
для зернистого льда — 1,13·108
Дж/м3
;
для шугового льда — 1,46·108
Дж/м3
;
для снежного льда — 2,29·108
Дж/м3
.
При неизвестном виде льда следует принимать среднее значение S
0
, равное 1,83·108
Дж/м3
.
10.16. Уменьшение толщины ледяного покрова Dhd
, м, за период задержания льда, определяется по формуле
, (47)
где S
= S
1
+ S
2
— суммарная плотность теплового потока на верхней и нижней поверхностях ледяного покрова, Вт/м2
; S
1
, S
2
— плотность теплового потока на верхней и нижней поверхностях льда, соответственно, Вт/м2
; Dt — продолжительность задержания льда, ч; r
— удельная теплота фазового перехода, равная 3,35·105
Дж/кг.
S
1
= Sk
+ Su
+ SR
; (48)
Sk
= aвозд
(tn
- J); (49)
Su
= 6,24 · 10-3
(K
+ W
) (e
- e
0
); (50)
. (51)
10.17. Расчет коэффициента теплоотдачи от поверхности льда (снега) к воздуху рекомендуется производить по следующей формуле [6]:
aвозд
= B
W
, Вт/(м2
·К), (52)
где W
— скорость ветра, м/с; коэффициент В
определяется по табл. 11.
Таблица 11
Зависимость коэффициента В
от температуры воздуха
| J, °C
|
-40
|
-30
|
-20
|
-10
|
0
|
10
|
| B
, Дж/(м3
·К)
|
7,12
|
6,88
|
6,67
|
6,48
|
6,27
|
6,07
|
10.18. Температура поверхности льда в стационарных условиях должна определяться по формуле
; (53)
при наличии снежного покрова температура поверхности снега
; (54)
где hi
,
0
— толщина льда в начале расчетного периода; hs
— толщина слоя снега.
10.19. Интенсивность теплового потока при испарении с поверхности льда следует находить по зависимости (50), в которой K
определяется как функция разности температур поверхности льда и воздуха (табл. 12).
Таблица 12
Значение коэффициента
K
в зависимости от разности температур поверхности льда и воздуха
| tn
- J,°с
|
0
|
1
|
2
|
3
|
4
|
5
|
| K
, м/с
|
1,28
|
1,62
|
1,92
|
2,10
|
2,25
|
2,46
|
| tn
- J,°с
|
6
|
8
|
10
|
15
|
20
|
|
| K
, м/с
|
2,60
|
2,86
|
3,10
|
3,60
|
4,00
|
|
10.20. Значения радиационной составляющей на поверхности льда с атмосферой следует рассчитывать по данным, указанным в Приложении 7.
10.21. Плотность теплового потока на нижней поверхности ледяного покрова определяется по формуле
S
2
= aв
(t
– tn
). (55)
где aв
= 2640 v
, Вт/(м2
·К); v
— скорость течения воды под ледяным покровом, м/с.
ПРИЛОЖЕНИЕ 1
Схемы пропуска расходов воды и льда через сооружения гидроузлов и их гидравлические особенности
| Схемы пропуска льда через сооружения гидроузлов
|
Особенности конструкции сооружений
|
Гидравлические особенности работы сооружений
|
Расчетные гидравлические схемы пропуска расходов
|
Условия пропуска льда
|
| гидравлическая схема истечения
|
условия подтопления
|
характеристика перепада на входе
|
| Через суженные русла
|
Часть русла в створе гидроузла ограждена перемычками для производства строительных работ в котловане, расходы воды и льда пропускаются через суженное русло
|
Водослив без порога, являющийся разновидностью водослива с широким порогом
|
Неподтопленный режим истечения
|
Водопадная область с переходом режима течения из спокойного в бурный с сосредоточенным перепадом на коротком участке
|

|
На сосредоточенном перепаде ледяные поля шириной больше ширины сужения разламываются на части и беспрепятственно проходят в нижний бьеф
|
| Подтопленный режим истечения
|
Перепад на входе в сужение невелик
|

|
Пропуск ледяных полей с шириной больше ширины сужения без дополнительных мероприятий возможен, если кинетическая энергия льдин достаточна для их разрушения при ударах о перемычку и берега
|
| Через гребенки бетонных плотин
|
В стесненном перемычками русле выполняют сооружения для пропуска строительных расходов воды и льда в виде основания или нижней части плотины, на гребне которых предусмотрены быки, предназначенные для установки затворов. По расположению порога относительно дна русла различают гребенки: с низким порогом (непосредственно у дна русла) и с высоким порогом
|
Одна из форм водослива: водослив с широким порогом (в том числе водослив без порога) или водослив со стенкой практического профиля
|
|
|

|
|
| 1. Низкая гребенка работает как водослив с широким порогом
|
Неподтопленный режим истечения
|
Водопадная область с сосредоточенным перепадом на входе
|

|
На сосредоточенном перепаде ледяные поля разламываются и пропускаются в нижний бьеф при достаточной ширине пролетов гребенки
|
| |
Подтопленный режим истечения
|
Перепад на сужении невелик
|

|
Пропуск льдин возможен, если кинетическая энергия льдин достаточна для их разрушения при ударе о быки. В противном случае необходимо предусматривать дополнительные мероприятия
|
| 2. Высокая гребенка работает как водослив со стенкой практического профиля
|
Неподтопленное истечение
|
Сосредоточенный перепад на входе
|

|
В пределах водопадной области ледяные поля разламываются и пропускаются в нижний бьеф при достаточной ширине пролетов
|
| 3. Гребенка с быками, вынесенными в верхний бьеф сооружения
|
Неподтопленное истечение
|
Весь перепад сосредоточен в пределах сооружений
|

|
Пропуск льдин возможен лишь при их разрушении о быки
|
| Через строительные каналы, быстротоки
|
Каналы, устраиваемые в береговых примыканиях, в пределах поймы или части плотины или у одного из берегов
|
|
|
|
|
|
| |
1. На тракте канала не предусмотрены какие-либо сооружения
|
Водослив без порога
|
Неподтопленное истечение
|
Сосредоточенный перепад на коротком участке
|

|
На сосредоточенном перепаде ледяные поля разламываются и если их размеры становятся меньше ширины входного участка, то они проходят в нижний бьеф
|
| |
|
|
Подтопленное истечение
|
Перепад на входе в сужение невелик
|

|
Пропуск ледяных полей без дополнительных мероприятий затруднен
|
| |
2. На тракте канала (быстротока) предусмотрено регуляционное сооружение
|
Водослив с широким порогом или практического профиля
|
Неподтопленное истечение
|
Аналогично гидравлическим условиям работы без регуляционного сооружения, но ширина разламывающихся ледяных полей для их прохождения в нижний бьеф должна быть меньше ширины пролетов регуляционного сооружения
|
| |
|
|
Подтопленное истечение
|
Малый перепад на входе
|

|
Пропуск ледяных полей без дополнительных мероприятий затруднен; пропуск льдин меньше ширины подводящего участка аналогичен условиям работы гребенки
|
| Через глубинные водосбросы
|
В стесненном перемычками русле в бетонной плотине, выполненной на части высоты, предусмотрены для пропуска воды глубинные водосбросы
|
При незатопленном входном сечении условия работы глубинных водосбросов аналогичны условиям работы гребенки как одной из форм водослива:
|
|
|
|
|
| |
|
1. Донный водосброс работает как водослив без порога (гребенка с низким порогом)
|
Неподтопленный режим истечения
|
Водопадная область с сосредоточенным перепадом на входе
|

|
Аналогично работе гребенки
|
| |
|
Подтопленный режим истечения
|
Перепад при сужении невелик
|

|
Аналогично работе гребенки
|
| |
|
2. Глубинный водосброс работает как водослив со стенкой практического профиля (гребенка с высоким порогом)
|
Неподтопленное истечение
|
Сосредоточенный перепад на входе
|

|
Аналогично работе гребенки
|
| |
|
3. Глубинный водосброс с быками, вынесенными в верхний бьеф сооружения
|
Неподтопленное истечение
|
Весь перепад на входе сосредоточен в пределах сооружения
|

|
Аналогично работе гребенки
|
| Через глубинные водосбросы
|
|
При затопленном входном сечении имеет место одна из следующих форм работы глубинного водосброса:
|
|
|
|
|
| |
|
1. Истечение из отверстия
|
|
Перепад перед сооружением практически отсутствует
|

|
Дробление льдин происходит при их ударе о быки, под влиянием вихревых воронок и под давлением надвигающихся с верхнего бьефа масс льда. Проходит лишь ослабленный, раздробленный лед, его пропуск более успешен при наличии перед входом вихревых воронок
|
| |
|
2. Истечение через водосброс с напорным режимом течения
|
|
Сосредоточенный перепад перед сооружением отсутствует
|
|
Аналогично предыдущему пункту
|
| Через гребень временных и постоянных водопропускных сооружений
|
При пропуске воды и льда переливом через гребень грунтовых или бетонных перемычек, строящиеся плотины и водосливные плотины
|
Истечение через водосливы различного типа:
|
|
|
|
|
| 1. При свободном истечении через гребень
|
Истечение неподтопленное или подтопленное
|
Размеры перепада зависят от условий подтопления
|
|
Пропуск льда в основном аналогичен условиям, наблюдающимся в случае гребенки
|
| 2. При наличии на гребне частично открытого затвора
|
Истечение через неподтопленное отверстие
|
Перепад на сооружении практически отсутствует
|

|
Аналогично пропуску льда через отверстие на входе в глубинный водосброс
|
ПРИЛОЖЕНИЕ 2
Данные о пропуске ледоходов через сооружения гидроэлектростанций России и СНГ
| Название ГЭС
|
Название рек и их ширина В
, м
|
Год
|
Состав ледо-сбросного фронта
|
Характер пропуска льда
|
| 1. Усть-Каменогорская
[3, 7]
|
Иртыш;
270
|
1950
|
Суженное русло, bc
= 130 м
|
Успешный пропуск льда
|
| |
|
1951
|
Гребенка с низким порогом. Три пролета по 18 м. Быки толщиной 4 м
|
То же
|
| |
|
1952
|
Гребенка с высоким порогом. Три пролета по 18 м
|
То же
|
| 2. Камская
[3, 8]
|
Кама;
860
|
1951
|
Суженное русло, bc
= 360 м
|
В сужении задержка льда на 30-50 мин с подъемом уровня на 0,7-1 м
|
| |
|
1952-1953
|
|
Успешный пропуск льда через сужение
|
| |
|
1955
|
Гребенка с шестью низкими пролетами и 11 высокими по 12 м в свету. Быки толщиной 4 м
|
При пропуске воды из-под затвора лед останавливался в верхнем бьефе, с увеличением расхода и открытием пролетов с высоким порогом лед беспрепятственно проходил через гребенку
|
| 3. Иркутская
[3]
|
Ангара;
900, из них 500 - основное русло
|
1952-1956
|
Суженное русло,
bc
= (500 - 135) м
|
Весной 1956 г. выше сужения в створе перекрытия, а затем в сужении кратковременный затор
|
| 4. Новосибирская
[3, 7-11]
|
Обь;
900
|
1952-1956
|
Суженное русло,
bc
= (600 - 350) м
|
Успешный пропуск льда
|
| |
|
1957
|
Гребенка с низким порогом. Восемь пролетов по 20 м, обтекаемые быки толщиной по 4 м
|
Через пролеты успешный сброс льда. Авария бетоновозной эстакады в НБ в период пропуска льда
|
| |
|
1958
|
Гребенка с высоким порогом
|
Успешный пропуск льда после предварительного задержания
|
| |
|
1959
|
Водосливные пролеты плотины
|
Частичный сброс ослабленного льда
|
| 5. Куйбышевская
[3, 8]
|
Волга (протока Телячья воложка);
910
|
1956
|
Гребенка с 38 пролетами по 20 м в свету. Быки толщиной 4 м
|
Успешный пропуск льда при напоре на пороге от 4 до 9 м
|
| |
1957
|
Гребенка с 38 пролетами по 20 м в свету. Быки толщиной 4 м
|
Успешный пропуск льда при напоре на пороге до 12 м
|
| 6. Бухтарминская
[3, 7, 11]
|
Иртыш;
220
|
1956-1957
|
Суженное русло,
bc
= 110 м
|
Успешный пропуск льда
|
| |
|
1958
|
Гребенка с низким порогом. Три пролета по 18 м. Раздельные обтекаемые быки толщиной по 4 м
|
За 3 дня до начала пропуска льда отмечены кратковременные остановки льда перед пролетами
|
| |
|
1959
|
То же
|
|
| |
|
1960
|
Три донных водосброса с размерами 6x6 м
|
Задержание льда до его полного разрушения в условиях наполнения водохранилища
|
| 7. Мамаканская
[3, 7, 12]
|
Мамакан;
150
|
1958-1959
|
Суженное русло,
bc
= 78 м
|
Успешный пропуск льда.
|
| |
|
1960
|
Гребенка с низким порогом. Пролет шириной с ВБ 30 м. Два донных водосброса размерами 6x6 м.
|
Пропуск льда в основном через гребенку с низким порогом
|
| |
|
1961
|
Гребенка с высоким порогом. Пролеты шириной 12-36 м, 2 донных водосброса размерами 6x6 м
|
Успешный пропуск основной массы льда через 2 донных водосброса при затоплении их потолка на 4 м
|
| 8. Братская
[5, 7, 10, 13]
|
Ангара;
850
|
1957-1958
|
Суженное русло,
bc
= 300 м
|
Успешный пропуск льда
|
| |
|
1959
|
Суженное русло,
bc
= 280 м, на участке в 110 м были установлены трубчатые опоры для моста перекрытия. Расстояние между опорами 21 м
|
Успешный пропуск льда
|
| |
|
1960
|
Гребенка с низким порогом. 11 пролетов шириной по 12 м. Раздельные быки, прямоугольные, толщиной 10 м
|
Кратковременный затор льда перед пролетами
|
| |
|
1961
|
6 донных водосбросов шириной 12 м, высотой 10 м
|
Пропуск льда после предварительного его задержания при затоплении потолка входного сечения на 0,5-1,5 м
|
| 9. Красноярская
[3, 7, 14-17]
|
Енисей;
700
|
1960-1961
|
Суженное русло
bc
= 330 м
|
Успешный пропуск льда при его кратковременных остановках
|
| |
|
1962
|
Суженное русло
bc
= 330 м
|
То же
|
| |
|
1963
|
Гребенка с низким порогом. Шесть пролетов по 21 м, один пролет 15 м. Обтекаемые быки толщиной 5-9 м
|
Кратковременные остановки льдин только перед пролетом шириной 15 м
|
| |
|
1964
|
2 пролета с высоким порогом шириной по 15 м; 4-5 донных водосбросов шириной 6 м, высотой 12 м
|
Пропуск льда после временного его задержания. Кратковременные остановки льдин перед одним из пролетов. Успешный сброс льда через донные водосбросы при затоплении их потолка на 6,5-8,5 м
|
| |
|
1965
|
4 донных водосброса размером 6x12 м
|
Успешный пропуск льда после временного задержания при затоплении потолка водосбросов на 0-3 м. Отмечены кратковременные остановки на входе в водосбросы отдельных прочных льдин
|
| |
|
1966
|
12-13 донных водосбросов размером 6x12 м
|
Успешный пропуск льда после временного задержания при затоплении потолка водосбросов на 2-12 м.
|
| |
|
1967
|
8 донных водосбросов размером 5x5 м
|
Успешный пропуск льда после временного задержания ледохода в условиях наполнения водохранилища
|
| 10. Вилюйская
[3, 7, 18]
|
Вилюй;
220
|
1963
|
Суженное русло,
bc
= 200 м
|
Успешный пропуск льда
|
| |
|
1964
|
То же, bc
= 80 м и строительная береговая траншея шириной 25-35 м
|
Пропуск основной массы льда через сужение.
|
| |
|
1965-1966
|
Береговая строительная траншея шириной 25-35 м
|
Успешный пропуск льда
|
| |
|
1967
|
Береговой эксплуатационный водосброс шириной 40 м
|
Пропуск ослабленного льда через береговой эксплуатационный водосброс после временного задержания ледохода в водохранилище
|
| 11. Токтогульская,
[3, 20]
|
Нарын
|
1965-1967
|
Безнапорный строительный туннель шириной 12 м. Перед туннелем сужающийся подходной канал длиной до 60 м с глубинами ниже критических
|
Успешный пропуск зимой шуголедяных полей длиной до 20 м и толщиной до 2 м
|
| 12. Серебрянская 1
[3, 21, 22]
|
Воронья
|
1967-1968
|
Бетонная труба на берегу в основании плотины с размерами 9,7x8,7 м. Открытый канал поверх трубы
|
Труба затоплена, успешный пропуск льда по каналу
|
| |
|
1969
|
Бетонная труба
|
Задержание льда при заглублении потолка трубы более, чем на 15 м. Успешный пропуск льда при заглублении потолка под уровень воды на 8-10 м
|
| 13. Хантайская
[3, 22]
|
Хантайка
|
1968-1969
|
Грунтовые перемычки, являющиеся упорами плотины. Верховая перемычка каменнонабросная. Низовая перемычка была защищена сверху обломочным материалом массой до 6 т, ее упорным элементом являлся обетонированный ряж, за которым выполнено крепление из обломочного материала массой 6-8 т, отдельности которого были перевязаны тросами. Строительный туннель сечением 10x10 м
|
В 1968 г. при пропуске воды и льда на ширине 10-15 м смыло негабариты с гребня низовой перемычки перед ряжем. Образовались трещины на бетонной плите ряжа, размыло крепление за ряжем. После ремонта паводок 1969 г. пропущен без существенных повреждений. Льдины часто останавливались перед входом в туннель. При затоплении его потолка на 12 м подныривание льдин не наблюдалось
|
| 14. Усть-Илимская
[23]
|
Ангара
|
1967
|
Суженное русло
|
Прорыв затора выше створа гидроузла, подъем уровня воды и перелив через гребень поперечного верхового участка перемычки с ее размывом в двух местах
|
| |
|
1968-1969
|
Гребенка с 11 пролетами шириной 12 м
|
Успешный пропуск льда
|
| |
|
1970-1972
|
Быки толщиной 10 м. Стеснение русла 0,15
|
Лед ломался на перепадах у о. Правый Лосенок, у верховой перемычки котлована 1 очереди. Через сооружения пропуск льда был осуществлен беспрепятственно
|
| 15. Саяно-Шушенская
[3, 24]
|
Енисей;
350
|
1970-1975
|
Суженное русло,
bc
= 130 м
|
Длительная задержка льда в сужении перед перемычкой в 1970 г., отмечались задержки льда в 1971 г., в последующие годы лед проходил беспрепятственно
|
| |
|
1976-1978
|
9 донных водосбросов с размерами на входе 13x5,3 м, разделенных быками шириной 10,8 м с плоской передней гранью
|
Успешный пропуск льда. Глубина на входе не превышала 11,5 –12 м, донные водосбросы работали как гребенка. Наблюдалась закупорка льдом верхней части входного сечения отверстий и подныривание льдин
|
| 16. Зейская
[25]
|
Зея;
330
|
1973
|
Суженное русло,
bc
= 140 м. Гребенка с низким порогом. Два пролета по 23 м и шесть пролетов по 8 м. Быки толщиной 7 м
|
Пропуск льда после его задержки в трех левобережных пролетах (двух широких) и серии взрывов
|
| |
|
1974
|
10 донных водосбросов с размерами 11,5x8 м. Шесть центральных водосбросов имели ширину в верхней части 5 м
|
Пропуск льда после предварительного задержания при затоплении входного сечения на 8-9 м. Остановка при пропуске льда через один полностью открытый водосброс и два частично открытых, связанная с накоплением леса. Пропуск льда и леса обеспечен при полном открытии 3-х водосбросов
|
| 17. Курейская
[3]
|
Курейка
|
1986
|
Входной оголовок туннеля с тремя пролетами, имевшими на входе ширину 6 м и высоту около 13 м. Два скругленных промежуточных быка толщиной на входе 2,9 м. Перед входом в туннель криволинейный в плане канал шириной по дну 26 м
|
На поверхности воды перед туннелем происходили скопления льда, но льдины подныривали под эти скопления и проходили в нижний бьеф
|
| 18. Богучанская
|
Ангара
|
1985-1986
|
Суженное русло,
bc
= 440 м
|
Успешный пропуск льда
|
| |
|
1987
|
5 донных водосбросов размером 14x12 м
|
|
| 19. Бурейская*
|
Бурея,
280
|
1985
|
Суженное русло (котлован I очереди)
|
Серия взрывов в районе низовой перемычки. Образование искусственного затора ниже перемычки. Затопление котлована I очереди за 2-3 дня до ледохода
|
| |
|
1986
|
То же
|
Искусственное зачернение льда на участке НБ, серия взрывов ниже створа. Котлован I очереди затоплен за 5 дней до ледохода
|
| |
|
1987
|
То же
|
Затор выше сужения за 3 дня до ледохода. Успешный пропуск заторного льда. После пропуска высота навалов льда выше перемычки до 3,5м
|
| |
|
1989
|
Суженное русло, в левобережном котловане II очереди возводятся продольная бетонная стенка длиной 250 м, шириной 5 м. Вдоль левого берега производится строительство канала - ширина 20 м
|
Планово затоплен котлован II очереди. Пропуск льда успешный, основная масса льда прошла по левобережному каналу. Разрушений строящихся сооружений в котловане II очереди не произошло
|
| |
|
1990
|
То же
|
Успешный пропуск льда через левобережный котлован. Разрушений строящихся сооружений не произошло
|
| |
|
1995
|
Затапливаемый левобережный котлован II очереди, строительный левобережный канал
bc
= 52-55 м
|
Затопление. Перелив через перемычку в районе примыкания. Отклонения потока и затопление левобережного котлована. Успешный пропуск льда
|
| |
|
2001
|
«Гребенка», 6 донных отверстий 6x5 м
|
Временная остановка льда у 2-3-х отверстий до 10-15 мин. Пропуск льда затруднений не вызвал
|
| _______________
* Материалы пп. 19,20 представлены инж. В.Е. Беликовым и Л.И. Сулимовой.
|
| 20. Усть-Среднеканская
|
р. Колыма
|
2002
|
Суженное русло 50% (котлован I очереди)
bc
= 270 м
|
Дружное вскрытие притоков сформировало затор выше котлована, прорыв которого вызвал затопление последнего
|
| |
|
2003
|
То же
|
Ослабление ледяного покрова прорезями и зачернением, произведены попуски из вышерасположенного Колымского водохранилища, ускорившие вскрытие ото льда основного русла. Пропуск льда успешный
|
| |
|
2004
|
То же
|
То же
|
ПРИЛОЖЕНИЕ 3
Назначение отметок незатапливаемых ограждающих перемычек котлована
I очереди
Отметки незатапливаемых ограждающих перемычек I очереди определяются пропускной способностью русла ниже створа гидроузла в случае образования заторов.
Пропускная способность русла в зимний период характеризуется значением минимального зимнего коэффициента расхода (Kз.мин
).
По значениям зимнего расхода Qз
и Kз.мин
рассчитывается летний расход Qл
, при котором уровень воды будет равен уровню при заданных Qз
и Kз.мин
:
.
По кривой H
= f
(Q
) для безледного периода находится соответствующий значению Qл
максимальный заторный уровень воды Нзат.макс
. Отметка гребня ограждающих дамб принимается как
Н
= Нзат.макс
+ 1,5 м
Например, при Qз
= 7200 м3
/с и Kз.мин
= 0,4 значение Qл
= 7200/0,4 = 18000 м3
/с. По графику, приведенному на рисунке, для Qл
= 18000 м3
/с определяется максимальный заторный уровень воды Нзат.макс
= 9,8 м. Тогда отметка гребня ограждающих дамб Н
= Нзат.макс
+ 1,5 = 9,8 + 1,5 = 11,3 м.

Зависимость Q
= f
(H
):
__________ — для летних условий; — — — — для зимних условий
ПРИЛОЖЕНИЕ 4
Определение характеристик навала льда на сооружения откосного типа
Оценка объема и высоты навала льда может быть выполнена по разработкам [26].
В качестве исходных данных следует принимать:
длину ледяного поля — l
;
скорость движения ледяного поля — vi
;
максимальную толщину льда — hd
;
угол наклона берегового откоса — b;
угол естественного откоса льда в навале — j;
пористость льда в навале — yr
.
Объем навала льда определяется
, м3
.
Высота навала льда над уровнем воды
.
Длина навала льда
L
D
= 3,5 H
D
.
ПРИЛОЖЕНИЕ 5
Пропуск шуги через глубинные водосбросы
Для пропуска шуги через глубинные водосбросы необходимо выбрать режим расходов, способствующий движению шуги по водосбросам без остановки шуги и образования шугового ковра, создающего дополнительное гидравлическое сопротивление для потока воды.
Режим перемещения шуги в потоке согласно [27] может быть определен по диаграмме на рисунке, где X
= hш
/ h
; , где hш
- толщина слоя шуги.

Диаграмма для определения режима перемещения шуговой массы
Попадание расчетных точек внутрь зоны, ограниченной линией графика, соответствует остановке и всплыванию льда с образованием шугового ковра или образования ледяного покрова при смерзании частиц шуги.
Безостановочное движение шуги по длине глубинного водосброса будет иметь место, когда относительная толщина слоя шуги при заданном скоростном параметре Y
выйдет за границу стабильности.
ПРИЛОЖЕНИЕ 6
Способы остановки льда выше створа сооружений
Для остановки льда выше сооружений могут применяться плавучие ограждающие устройства в виде запаней, позволяющие как задерживать поверхностный лед, так и направлять его в другие безопасные места. Конструкция запани обычно представляет собой ряд объединенных шарнирами звеньев (из соединенных цепями или болтами бревен или в виде понтонов). Более надежные запани оборудуются погруженной в воду забральной стенкой в виде ледозащитного козырька, дополнительно исключающей подныривание льда. Закрепление концов запани предполагает возможность ее вертикального перемещения при изменении уровней воды.
В качестве примера могут быть предложены несколько вариантов запаней (рис. П6.1, П6.2, П6.3).
Одним из способов остановки льда является образование искусственных заторов на безопасных по условиям заторообразования участках реки.
Для этой цели может служить система из нескольких устраиваемых (под углом 45° к берегу реки) шпор (полузапруд) по обоим берегам реки [28]. Расстояние между осями полузапруд не должно превышать двух ширин реки в период межени (рис. П6.4).
Прочностные расчеты податливых сооружений выполняются по СНиП 2.06.04-82*, п. 5.8 (1995 г.).

Рис. П6.1. Однопролетная ледозадерживающая запань, удерживаемая массивными опорами

Рис. П6.2. Однопролетная ледозадерживающая запань, удерживаемая якорями на одной прямой линии

Рис. П6.3. Рекомендуемый профиль поперечного сечения понтона с козырьком

Рис. П6.4. Устройство полузапруд для создания искусственного ледяного затора
ПРИЛОЖЕНИЕ 7
Справочные таблицы для расчета радиационной составляющей теплового баланса на верхней поверхности льда
Таблица П7.1
Значения (
Q
+
q
)0
, Вт/м2
| Градусы северной широты
|
Месяцы
|
| I
|
II
|
III
|
IV
|
V
|
VI
|
VII
|
VIII
|
IX
|
X
|
XI
|
XII
|
| 30
|
163
|
204
|
251
|
293
|
316
|
321
|
315
|
295
|
261
|
216
|
172
|
150
|
| 32
|
152
|
195
|
244
|
291
|
316
|
323
|
316
|
295
|
257
|
209
|
163
|
141
|
| 34
|
143
|
187
|
240
|
290
|
319
|
326
|
319
|
293
|
252
|
201
|
155
|
130
|
| 36
|
133
|
178
|
233
|
286
|
319
|
328
|
319
|
292
|
247
|
194
|
144
|
121
|
| 38
|
123
|
170
|
227
|
284
|
319
|
330
|
320
|
290
|
241
|
186
|
136
|
110
|
| 40
|
114
|
160
|
220
|
280
|
317
|
330
|
320
|
287
|
236
|
178
|
126
|
101
|
| 42
|
104
|
151
|
213
|
276
|
316
|
331
|
320
|
285
|
230
|
169
|
116
|
92
|
| 44
|
94
|
142
|
205
|
271
|
315
|
333
|
320
|
283
|
224
|
160
|
107
|
81
|
| 46
|
85
|
131
|
197
|
266
|
314
|
333
|
320
|
279
|
217
|
151
|
98
|
72
|
| 48
|
74
|
122
|
188
|
260
|
313
|
334
|
320
|
276
|
211
|
143
|
87
|
63
|
| 50
|
65
|
112
|
179
|
255
|
311
|
334
|
319
|
272
|
204
|
134
|
78
|
55
|
| 52
|
55
|
102
|
170
|
249
|
307
|
333
|
317
|
267
|
197
|
124
|
66
|
45
|
| 54
|
45
|
92
|
162
|
243
|
305
|
333
|
316
|
263
|
188
|
115
|
59
|
37
|
| 56
|
36
|
84
|
152
|
237
|
301
|
333
|
314
|
258
|
180
|
106
|
51
|
29
|
| 58
|
26
|
73
|
143
|
230
|
299
|
333
|
313
|
254
|
172
|
97
|
43
|
22
|
| 60
|
19
|
64
|
134
|
222
|
297
|
333
|
313
|
249
|
164
|
87
|
35
|
15
|
| 62
|
14
|
55
|
124
|
215
|
293
|
334
|
312
|
243
|
155
|
79
|
27
|
10
|
| 64
|
9
|
45
|
114
|
208
|
291
|
335
|
312
|
237
|
147
|
67
|
20
|
7
|
| 66
|
5
|
37
|
105
|
200
|
288
|
336
|
312
|
232
|
137
|
59
|
13
|
3
|
| 68
|
2
|
29
|
95
|
193
|
286
|
340
|
312
|
228
|
129
|
50
|
8
|
1
|
| 70
|
0
|
21
|
85
|
184
|
285
|
342
|
313
|
223
|
120
|
41
|
2
|
0
|
| 72
|
0
|
15
|
74
|
178
|
286
|
336
|
315
|
220
|
110
|
33
|
1
|
0
|
| 74
|
0
|
10
|
64
|
171
|
287
|
349
|
320
|
217
|
101
|
24
|
0
|
0
|
| 76
|
0
|
6
|
55
|
164
|
288
|
354
|
323
|
214
|
92
|
17
|
0
|
0
|
| 78
|
0
|
2
|
45
|
158
|
291
|
357
|
328
|
213
|
84
|
10
|
0
|
0
|
| 80
|
0
|
0
|
36
|
152
|
293
|
361
|
331
|
212
|
74
|
5
|
0
|
0
|
| 82
|
0
|
0
|
27
|
150
|
295
|
365
|
335
|
213
|
64
|
2
|
0
|
0
|
| 84
|
0
|
0
|
19
|
149
|
298
|
369
|
337
|
214
|
55
|
0
|
0
|
0
|
| 86
|
0
|
0
|
12
|
147
|
299
|
372
|
341
|
214
|
47
|
0
|
0
|
0
|
| 88
|
0
|
0
|
7
|
147
|
300
|
373
|
343
|
215
|
41
|
0
|
0
|
0
|
| 90
|
0
|
0
|
3
|
147
|
302
|
374
|
344
|
216
|
37
|
0
|
0
|
0
|
Таблица П7.2
Среднеширотные значения коэфициента
k
| Градусы северной широты
|
30
|
40
|
50
|
60
|
70
|
| k
|
0,32
|
0,33
|
0,36
|
0,40
|
0,50
|
Таблица П7.3
Среднеширотные значения коэфициента с
1
| Градусы северной широты
|
30
|
40
|
50
|
60
|
70
|
| с
1
|
0,63
|
0,68
|
0,72
|
0,76
|
0,80
|
Таблица П7.4
Эффективное излучение при безоблачном небе
I
, Вт/м2
| Температура воздуха, °С
|
Влажность воздуха, мб
|
| 1,0
|
2,0
|
4,0
|
6,0
|
8,0
|
| -20
|
77
|
—
|
—
|
—
|
—
|
| -10
|
91
|
84
|
—
|
—
|
—
|
| 0
|
105
|
98
|
84
|
—
|
—
|
| 10
|
119
|
112
|
98
|
91
|
77
|
| 20
|
—
|
—
|
112
|
105
|
91
|
Таблица П7.5
Альбедо льда, снега А
| Вид льда, снега
|
Альбедо А
|
| Чистый лед
|
0,12
|
| Малопрозрачный лед с пузырьками воздуха
|
0,2 - 0,3
|
| Талый лед
|
0,3 - 0,4
|
| Свежевыпавший снег
|
0,85 - 0,95
|
| Чистый влажный снег
|
0,6 - 0,7
|
| Загрязненный снег
|
0,4 - 0,5
|
| Весенний тающий снег
|
0,3 - 0,4
|
СПИСОК ЛИТЕРАТУРЫ
1. Гидравлические
расчеты водосбросных гидротехнических сооружений / Справочное пособие. М.: Энергоатомиздат. 1988.
2. Гидравлические
расчеты туннельных и трубчатых водосбросов гидроузлов / Рекомендации для проектирования / Под ред. Ф.Г. Гунько. Л.: Энергия. 1974.
3. Пропуск
льда через гидротехнические сооружения / Готлиб Л.Я., Коржавин В.А., Кореньков В.А., Соколов И.Н. М.: Энергоатомиздат. 1990.
4. Рубинштейн Г.Л.
Расчет режима потока в районе перемычки и крепления у верхового ее угла. Л.: Энергоиздат. 1960.
5. Швайнштейн А.М.
Обобщение данных исследований понижения свободной поверхности воды перед входом в безнапорные водопропускные сооружения // Гидротехническое строительство. 2003. № 2. С. 45-49.
6. Шаталина И.Н.
Теплообмен в процессах замораживания и таяния льда. Л.: Атомэнергоиздат. 1990.
7. Кореньков В.А.
Основные схемы и решающие факторы пропуска льда при строительстве ГЭС в условиях Сибири // Труды коорд. совещ. по гидротехнике. 1968. Вып. 42. С. 356-370.
8. Васильев А.Ф.
Пропуск льда через гидроузлы // Гидротехническое строительство. 1958. № 1. С. 26-29.
9. Егоров Л.М.
Этапы строительства Новосибирской ГЭС // Гидротехническое строительство. 1958. №1. С. 8-12.
10. Соколов И.Н.
Влияние прочности льда на условия его пропуска через гидротехнические сооружения // Труды коорд. совещ. по гидротехнике. 1964. Вып. 10. С. 137-148.
11. Сокольников Н.М.
Пропуск льда в строительный период через частично возведенные сооружения на реках Сибири // Труды коорд. совещ. по гидротехнике. 1964. Вып. 10. С. 149-157.
12. Телешев В.И., Пинягин М.И., Толокно И.В.
Пропуск весеннего ледохода через сооружения Мамаканской ГЭС // Гидротехническое строительство. 1961. №7. С. 31-35.
13. Готлиб Л.Я., Крапивин И.В., Раззоренов Ф.Ф.
Пропуск льда через гребенку водосливной плотины Братской ГЭС // Гидротехническое строительство. 1961. №6. С. 27-31.
14. Сокольников Н.М.
Пропуск льда через частично возведенные сооружения Красноярской ГЭС весной 1963 г. // Труды коорд. совещ. по гидротехнике. 1965. Вып. 17. С. 79-86.
15. Кореньков В.А.
Результаты натурных наблюдений за пропуском льда через сооружения Красноярской ГЭС // Гидротехническое строительство. 1970. №7. С. 15-19.
16. Лисер И.Я.
Пропуск льда через створ Красноярской ГЭС (1963-1964 гг.) // Энергетическое строительство. 1966. №6. С. 25-29.
17. Кореньков В.А.
Пропуск льда через донные отверстия Красноярской ГЭС весной 1964-1966 гг. // Известия вузов. Строительство и архитектура. 1966. №11. С. 102-108.
18. Кореньков В.А.
Пропуск льда через сооружения Вилюйской ГЭС весной 1963/65 гг. // Известия вузов. Строительство и архитектура. 1966. №7. С. 117-122.
19. Соколов И.Н., Ковалевский С.И.
Пропуск шуги через строительный туннель Токтогульской ГЭС / Труды коорд. совещ. по гидротехнике. 1968. Вып. 42. С. 437-445.
20. Сокольников Н.М.
Пропуск льда в строительный период через туннели в проектах Понойской, Зейской и Серебрянской ГЭС // Труды коорд. совещ. по гидротехнике. 1968. Вып. 42. С. 371-376.
21. Назаренко С.Н.
Пропуск весеннего ледохода в строительный период через сооружения Серебрянской ГЭС на р. Вороньей // Труды коорд. совещ. по гидротехнике. Борьба с ледовыми затруднениями при эксплуатации гидротехнических сооружений. Дополнительные материалы. 1973. С. 116-118.
22. Артюхина Т.С.
Водопропускные грунтовые сооружения. Обзорная информация. М.: Информэнерго. 1981. Вып. 3.
23. Соколов И.Н., Ковалевский С.И.
Пропуск льда через гребенку плотины Усть-Илимской ГЭС / Труды коорд. совещ. по гидротехнике. 1976. Вып. 111. C. 90-94.
24. Кореньков В.А.
Пропуск льда при строительстве Саяно-Шушенской ГЭС // Гидротехническое строительство. 1979. №8. С. 25-28.
25. Кожевникова Т.Е.
Пропуск льда через сооружения Зейской ГЭС в строительный период // Гидротехническое строительство. 1977. №8. С. 7-11.
26. Козицкий И.Б.
Расчет размера навалов льда на береговой откос // Материалы коорд. совещ. по гидротехнике. Борьба с ледовыми затруднениями на реках и водохранилищах при строительстве и эксплуатации гидротехнических сооружений / ВНИИГ им. Б.Е. Веденеева. 1984. С. 110-113.
27. Pariset
Е
., Hausser R., Gagnon A.
Formation of Ice Covers and Ice Jams in Rivers. Journal of the Hydraulics Division. ASCE. Vol. 92. № HY6. Proc. Paper 4965. November. 1966. pp. 1-24.
28. A
.
c
. 1634741 СССР.
МКИ E 02 В 3/02. Устройство для создания искусственного ледяного затора в проточном русле / В.Н. Карнович, А.Г. Василевский, Н.А. Овдиенко, Н.К. Васильев // Открытия. Изобретения. 1991. № 10.
Ключевые слова: гидротехнические сооружения; окружающая среда; водоток; гидравлический, русловой, ледотермический режимы; пропуск льда; ледовые нагрузки
СОДЕРЖАНИЕ
Предисловие
1. Общие положения
Область применения
Нормативные ссылки
Терминология
Основные условные обозначения
2. Классификация условий пропуска льда по гидравлическим особенностям работы водопропускных сооружений
3. Перечень исходных данных, необходимых для решения задач по пропуску льда
4. Пропуск льда через суженное перемычками русло реки
5. Пропуск льда через гребенки бетонных плотин
6. Пропуск льда через строительные глубинные водосбросы
7. Пропуск льда через обводные каналы и береговые водосбросы
8. Пропуск льда через строительные туннели и трубы
9. Пропуск льда через водосливные плотины в период эксплуатации
10. Мероприятия по регулированию пропуска льда через гидротехнические сооружения
Приложение 1. Схемы пропуска расходов воды и льда через сооружения гидроузлов и их гидравлические особенности
Приложение 2. Данные о пропуске ледоходов через сооружения гидроэлектростанций России и СНГ
Приложение 3. Назначение отметок незатапливаемых ограждающих дамб котлована I очереди
Приложение 4. Определение характеристик навала льда на сооружения откосного типа
Приложение 5. Пропуск шуги через глубинные водосбросы
Приложение 6. Способы остановки льда выше створа сооружений
Приложение 7. Справочные таблицы для расчета радиационной составляющей теплового баланса на верхней поверхности льда
Список литературы
|