| ФЕДЕРАЛЬНОЕ АГЕНТСТВО ПО ОБРАЗОВАНИЮ
Государственное образовательное учреждение высшего профессионального образования
«Санкт-Петербургский государственный электротехнический университет
“ЛЭТИ” имени В.И.Ульянова (Ленина)»
(СПбГЭТУ)
------------------------------------------------------------------------------------------------------------
Методические указания
к лабораторным работам по дисциплине
«ОСНОВЫ АВТОМАТИКИ И САУ»
Санкт-Петербург
2007
УДК 621.37/39 (076)
Методические указания к лабораторным работам по дисциплине
«Основы автоматики и САУ»/ Сост.: А.И.Соколов, К.К.Бехтерев; СПбГЭТУ. – С.-Пб., 2007 – 32с.
Приведено описание восьми работ стандартного лабораторного цикла дисциплины. Содержатся сведения о принципах построения моделей устройств автоматического управления и порядке их исследования. Изложена методика проведения исследований физических и математических моделей изучаемых в дисциплине систем. Предназначено для студентов радиотехнических специальностей.
Утверждено редакционно-методическим советом университета в качестве методических указаний
Введение
Представленные в данном методическом пособии работы обеспечивают лабораторную поддержку для основных разделов дисциплины «Основы автоматики и САУ». При одновременных лекционном и лабораторном курсах рекомендуется лабораторный цикл начать с выполнения первых 4-х работ. Центральное место в этой части цикла занимают первые 2 работы, связанные с исследованием одной и той же САУ разными средствами: исследование физической модели САУ (2 часа) и исследование математической модели САУ с помощью ЭВМ (4 часа). В первой работе основное внимание уделяется построению асимптотических логарифмических характеристик (ЛХ), а также исследованию переходных и частотных характеристик САУ. Во второй работе студенты знакомятся с такими инструментами исследования САУ, как точные ЛХ, распределение полюсов передаточной функции, переходные характеристики и амплитудно-фазовые характеристики (АФХ), а также осваивают методы коррекции САУ. Следующие две работы дополняют начальный мини-цикл, давая возможность студентам познакомиться с устройствами радиоавтоматики и углубить свои знания в вопросах системного характера. Последовательность выполнения работ мини-цикла может быть любой. Остальные 4 работы рекомендуются к исполнению при наличии достаточной лекционной поддержки. Эти работы связаны с анализом помехоустойчивости САУ, их параметрической оптимизацией и исследованием влияния нелинейных элементов на основные показатели качества изучаемых систем.
Забиваем Сайты В ТОП КУВАЛДОЙ - Уникальные возможности от SeoHammer
Каждая ссылка анализируется по трем пакетам оценки: SEO, Трафик и SMM.
SeoHammer делает продвижение сайта прозрачным и простым занятием.
Ссылки, вечные ссылки, статьи, упоминания, пресс-релизы - используйте по максимуму потенциал SeoHammer для продвижения вашего сайта.
Что умеет делать SeoHammer
— Продвижение в один клик, интеллектуальный подбор запросов, покупка самых лучших ссылок с высокой степенью качества у лучших бирж ссылок.
— Регулярная проверка качества ссылок по более чем 100 показателям и ежедневный пересчет показателей качества проекта.
— Все известные форматы ссылок: арендные ссылки, вечные ссылки, публикации (упоминания, мнения, отзывы, статьи, пресс-релизы).
— SeoHammer покажет, где рост или падение, а также запросы, на которые нужно обратить внимание.
SeoHammer еще предоставляет технологию Буст, она ускоряет продвижение в десятки раз,
а первые результаты появляются уже в течение первых 7 дней.
Зарегистрироваться и Начать продвижение
1. Исследование простейшей САУ - физическая модель
(лабораторная работа 1)
Цель работы:
1) экспериментальное определение показателей качества САУ и
установление их связи со структурой и параметрами САУ;
2) приобретение навыков работы с ЛХ.
1.1. Описание лабораторной установки
Лабораторная установка состоит из физической модели САУ, генератора сигналов и осциллографа и позволяет исследовать переходные и частотные характеристики системы. Физическая модель САУ включает в себя неизменную часть: амплитудный дискриминатор (вычитающий элемент), электронный интегратор (усилитель с частотнозависимой отрицательной обратной связью) и
изменяемую часть: четырехполюсник, структура которого задается с помощью переключателя, а параметры изменяются переменным резистором.
Передаточная функция электронного интегратора содержит усилительное звено и апериодическое звено, однако при большом коэффициенте усиления и исследовании САУ вблизи частоты среза ωСР
допускается аппроксимация передаточной функции электронного интегратора вида: К/jω, где значение коэффициента К определяется параметрами частотнозависимой обратной связи.
В результате имеется возможность исследования 4-х типов САУ с передаточными функциями в разомкнутом состоянии:
, , , .
Переходные характеристики наблюдаются на экране осциллографа при подаче на вход системы ступенчатого воздействия путем нажатия кнопки на макете (и ее удержании в нажатом состоянии в течение необходимого для наблюдения времени). Частотные характеристики исследуются при подаче на вход САУ сигнала от генератора. Частота сигнала устанавливается по шкале генератора, а амплитудные и фазовые соотношения исследуемых сигналов регистрируются по шкалам осциллографа.
1.2. Задание по работе
Для всех 4-х типов САУ (первые три типа САУ задаются переключателем при нулевом значении переменного резистора, 4-й тип САУ соответствует 3-й позиции переключателя при отличном от нуля значении переменного резистора) провести следующие расчеты и эксперименты.
1. Зарисовать схему лабораторной установки и записать номиналы ее элементов.
Сервис онлайн-записи на собственном Telegram-боте
Попробуйте сервис онлайн-записи VisitTime на основе вашего собственного Telegram-бота:
— Разгрузит мастера, специалиста или компанию;
— Позволит гибко управлять расписанием и загрузкой;
— Разошлет оповещения о новых услугах или акциях;
— Позволит принять оплату на карту/кошелек/счет;
— Позволит записываться на групповые и персональные посещения;
— Поможет получить от клиента отзывы о визите к вам;
— Включает в себя сервис чаевых.
Для новых пользователей первый месяц бесплатно.
Зарегистрироваться в сервисе
2. Построить асимптотические ЛХ для всех 4-х типов САУ (параметры передаточных функций должны соответствовать схеме, изображенной на макете). ЛХ всех САУ должны быть построены в одних координатных осях. С помощью ЛХ определить значения частоты среза ωСР
и запаса устойчивости по фазе γ и по ним воспроизвести осциллограммы переходных процессов.
3. Записать характеристические уравнения САУ и построить распределения полюсов передаточных функций замкнутых систем на плоскости комплексной переменной.
4. Посмотреть на осциллографе и зарисовать экспериментальные переходные процессы, сопоставив их с расчетными.
5. Экспериментально определить значения ωСР
и γ. Для этого изменять частоту гармонического входного сигнала до ωСР
, при которой модуль передаточной функции разомкнутой системы равен единице;
. Значение fСР
( ωCР
=2π fСР
) фиксируется при равенстве амплитуд входного и выходного напряжений разомкнутой системы (гнезда e и y на макете). Величина γ фиксируется при частоте ωCР
по относительному смещению осциллограмм указанных напряжений (для САУ 1-го типа величина γ априори известна и она может использоваться в качестве «контрольной точки» эксперимента).
6. Снять экспериментальные амплитудно-частотные характеристики (АЧХ) замкнутых САУ, фиксируя отношение амплитуд выходного и входного напряжений (гнезда y и g на макете). Частоту входного гармонического сигнала изменять от минимально возможного (близкого к нулю) значения до значений, при которых модуль функции передачи замкнутых САУ падает до уровня 0,1 (количество экспериментальных точек определяется ресурсом времени выполнения лабораторной работы). Обязательно обратить внимание и зафиксировать резонансные явления. Построить графики АЧХ в одних осях (для оси частот использовать линейный масштаб).
7. Сопоставить расчетные и экспериментальные данные и сделать заключение о
- соотношениях, связывающих время нарастания tН
, перерегулирование σ% и степень колебательности μ переходных процессов от параметров ωCР
и γ;
- связи ЛХ и переходных процессов с АЧХ САУ;
- связи переходных процессов с распределением полюсов передаточной функции замкнутых САУ.
1.3. Содержание отчета
1. Схема лабораторной установки с указанием номиналов ее элементов.
2. Функции передачи всех исследуемых систем в разомкнутом состоянии с указанием параметров.
3. Семейство ЛХ.
4. Распределения полюсов передаточных функций замкнутых САУ.
5. Семейство расчетных и экспериментальных переходных процессов.
6. Семейство АЧХ.
7. Расчетные соотношения для построения переходных процессов по ЛХ и рекомендации относительно их достоверности.
8. Выводы по результатам выполнения лабораторной работы.
1.4. Контрольные вопросы
1. Как изменятся переходные процессы и АЧХ САУ при увеличении (уменьшении) коэффициента К?
2. Как изменятся переходные процессы и АЧХ САУ при изменении постоянных времени T1
…T4
?
3. Каким образом влияет переменный резистор на переходные процессы САУ 4-го типа?
4. Какая связь существует между ЛХ и АЧХ?
5. В каком направлении следует изменять ЛХ и АЧХ для снижения колебательности системы?
6. Указать установившееся значение выходного напряжения САУ при g(t)=1(t) (ответ обосновать).
2. Исследование простейшей САУ - математическая модель
(лабораторная работа 2)
Цель работы:
1) определение показателей качества САУ путем моделирования на ЭВМ;
2) приобретение навыков коррекции САУ.
2.1. Моделирование САУ с помощью учебной программы «Classic»
Моделирование начинается с САУ, имеющей в разомкнутом состоянии функцию передачи

2.1.1. Ввод структурной схемы САУ
Программа «Classic» предоставляет пользователю стандартные возможности визуального моделирования систем на уровне структурной схемы. Типовым элементом среды является звено, доопределяемое необходимой для моделирования функцией передачи. Количество звеньев определяет пользователь (рекомендуется моделируемую САУ представить в виде последовательного соединения 3-х звеньев, два из которых используются для задания функции передачи исходной САУ и третье – для корректирующего элемента; кроме того, следует разместить дополнительное звено в цепи обратной связи для выполнения операции инвертирования сигнала).
При начальном вводе задачи выбирается режим «Ввод/Редактирование» раздела «Файл/Модель» главного меню (клавиша F10). Для размещения звена на рабочем столе следует установить курсор в желаемое место и нажать клавишу «Enter» (не следует размещать звенья слишком близко друг к другу). Если звено необходимо развернуть на 180о
, следует нажать клавишу «Пробел».
Доопределение звена функцией передачи выполняется в режиме редактирования параметров звена (через главное меню, либо с помощью дублирующей клавиши «Таб»). Далее последовательно вводятся значения коэффициентов многочлена числителя функции передачи и, после нажатия клавиши «Enter», - знаменателя., причем последовательный ввод коэффициентов начинается со свободного члена, а переход к следующему члену многочлена осуществляется после нажатия клавиши «PgUp» (обратно – «PgDn»). Выход из режима редактирования параметров звена выполняется повторным нажатием клавиши «Таб».
Для установления связей между звеньями выбирается режим «Провести связь» (через главное меню, либо с помощью дублирующей клавиши «F5»). Далее курсор устанавливается на место звена-источника, осуществляется подтверждение его выбора (клавиша «Enter») и проводится линия, связывающая два звена (при достижении линией границы следующего звена с символом Σ автоматически рисуется стрелка и процесс установления связи завершается.
Для задания входа и выхода САУ следует установить курсор на место соответствующего звена и назначить вход (клавиша «F7») или выход (клавиша «F8»).
После задания структурной схемы САУ рекомендуется занести результаты визуального моделирования в файл (раздел главного меню «Файл/Модель», режим «Запись в файл»). При вводе имени файла необходимо убрать символ «*» и ввести номер группы и бригады (файлы с иными идентификаторами периодически удаляются из ЭВМ). В дальнейшем для задания структурной схемы САУ достаточно выполнить операцию чтения данных из файла.
2.1.2. Анализ САУ
В режиме «Анализ» (раздел «Расчеты главного меню) ЭВМ строит 4 графика: распределение нулей и полюсов, переходный процесс, ЛХ и АФХ.
Детальное исследование графиков выполняется через главное меню (клавиша «F10»). Характерные точки графиков рассматриваются в режиме «Значения». Для перехода с одного графика к другому (например, от ЛАЧХ к ФЧХ) используются клавиши «PgUp» и «PgDn». Для изменения границы графика следует выбрать раздел меню «Масштаб», режим «Изменить» и нажать клавишу «Ins». Переход от значения одной границы к значению другой осуществляется нажатием клавиши «Таб». После изменения границы следует, нажав клавишу F10, выбрать в меню режим «Пересчет».
2.1.3. Коррекция САУ
Перед началом коррекции САУ следует назначить варьируемое звено (раздел «Назначить/Отменить» главного меню). Начальное значение функции передачи варьируемого звена должно быть равно 1. Также следует убедиться, что функция передачи звена в цепи обратной связи имеет значение -1/1.
Коррекция выполняется в режиме «Частотный синтез» (раздел «Расчеты» главного меню). При этом на экране отображаются ЛХ исходной системы, а также ЛАЧХ варьируемого звена. Коррекция САУ осуществляется путем добавления в функцию передачи варьируемого звена форсирующих и апериодических звеньев (в строго равном количестве). Для этого следует
-с помощью курсора установить частоту сопряжения вводимого звена;
-в меню (клавиша «F10») выбрать режим «Умножить на …» и подтвердить выбор нажатием клавиши «Enter»;
-выбрать функцию передачи форсирующего (Ts+1) или апериодического (1/(Ts+1)) звена и повторно нажать клавишу «Enter».
В результате указанной процедуры на экране появятся:
- ЛАЧХ исходной системы;
- ЛХ текущей системы;
- ЛАЧХ варьируемого звена.
Выбранная частота сопряжения введенного звена отображается на оси частот в виде треугольника. При выходе из режима «Частотный синтез» (через меню) рекомендуется записать функцию передачи скорректированной САУ в файл (можно с прежним именем). Анализ скорректированной САУ выполняется в соответствии с рекомендациями п.2.
2.2. Задание по работе
1. Построить асимптотические ЛХ исходной САУ.
2. Выполнить исследование характеристик исходной САУ на ЭВМ (см. п.2 разд.1.2.1). В результате исследований должны быть получены:
- значения нулей и полюсов функции передачи замкнутой САУ;
- переходная характеристика с указанием характерных точек и соответствующих числовых характеристик;
- ЛХ и АФХ системы.
Замечание: при построении ЛХ и АФХ системы следует предварительно разомкнуть обратную связь, заменив значение функции передачи звена в цепи обратной связи с -1/1 на 0/1.
3. Сравнить асимптотические и точные ЛХ, выявить отличия ЛАЧХ и ФЧХ.
4. С помощью последовательного метода и типовых корректирующих элементов выполнить коррекцию САУ (см. п.3 разд.1.2.1). Повторить исследования по п.2 для скорректированной САУ.
5. Сопоставить результаты анализа САУ с помощью ЛХ с экспериментальной переходной характеристикой. Уточнить расчетные соотношения для tН
и σ (для исходной и скорректированной САУ).
2.3. Содержание отчета
1. Структурные схемы исходной и скорректированной САУ.
2. Функции передачи САУ и элементов коррекции.
3. Асимптотические и точные ЛХ для исходной и скорректированной САУ.
4. Распределение нулей и полюсов, переходные характеристики и АФХ для исходной и скорректированной САУ.
5. Уточненные соотношения для расчета tН
и σ.
2.4. Контрольные вопросы
1. Как влияет величина и знак запаса устойчивости по фазе на характер переходного процесса САУ?
2. Какая связь существует между ЛХ и распределением полюсов функции передачи САУ?
3. Какая связь существует между ЛХ и АФХ САУ?
4. С какой целью корректируют САУ?
5. Указать характер изменения АФХ при коррекции САУ.
3. Исследование системы фазовой автоподстройки частоты (ФАПЧ)
(лабораторная работа 3)
Цель работы:
1) ознакомление с функциональными элементами системы ФАПЧ и принципом ее работы;
2) исследование точности в зависимости от структуры и параметров системы;
3) исследование возможностей изменения динамических своств системы методами последовательной и параллельной коррекции.
3.1. Описание лабораторной установки
Лабораторная установка состоит из макета системы ФАПЧ, генератора гармонических сигналов и осциллографа. Система ФАПЧ в простейшей комплектации содержит фазовый дискриминатор (преобразует разность фаз двух сигналов в управляющее напряжение), цепи коррекции и управляемый генератор (во времязадающей цепи этого генератора включен управляемый напряжением реактивный элемент). Если входной и выходной сигналы системы ФАПЧ расстроены по фазе (или частоте), то фазовый дискриминатор вырабатывает управляющее напряжение соответствующего знака, под действием которого изменяются параметры времязадающей цепи управляемого генератора и, соответственно, изменяется частота (и фаза) выходного сигнала так, чтобы уменьшить первоначальную расстройку. Без учета нелинейности статических характеристик функциональных элементов и инерционности фазового дискриминатора функция передачи системы ФАПЧ в разомкнутом состоянии можно представить в виде:

где – функция передачи корректирующей цепи; – коэффициент усиления.
В САУ 1 порядка астатизма динамическая ошибка слежения зависит от скорости изменения воздействия (в нашем случае – фазы) и коэффициента усиления системы:

где – остаточная ошибка слежения за фазой в градусах (полезно фазу считать размерной величиной); – начальная расстройка частот генераторов [Гц].
Предусмотрены 3 варианта включения простейшей системы ФАПЧ (переключатель S1):
- без коррекции ( =1);
- с последовательной коррекцией вида: ;
- с последовательной коррекцией вида: ,
причем постоянные времени цепей коррекции T1
, T2
и T3
зависят от номиналов резисторов и емкостей, указанных на макете.
Частотные и фазовые соотношения сигналов управляемого и внешнего генераторов наблюдаются по фигурам Лиссажу на экране осциллографа. Для измерения ошибки слежения используется фазовращатель, включенный на выходе управляемого генератора. Предварительно устанавливают ручку «Расстройка» внешнего генераторав положение «0» и в разомкнутом состоянии системы ФАПЧ (положение 1 переключателя S1) выполняют ручную грубую подстройку частоты внешнего генератора по конечному результату (фигура Лиссажу – эллипс). Затем замыкают кольцо слежения и с помощью фазовращателя фигура Лиссажу преобразуется к удобной для наблюдения форме (линия или «восьмерка»). В дальнейшем частоту внешнего генератора изменяют ручкой «Расстройка». Плавное изменение частоты входного сигнала влияет на ошибку слежения, что приводит к деформации фигуры Лиссажу. Возвращая фигуру в прежнее положение с помощью фазовращателя, можно измерить (по шкале фазовращателя) величину остаточной ошибки .
Следует иметь в виду, что реальная зависимость из-за нелинейности статической (дискриминационной) характеристики фазового дискриминатора описывается нелинейной нечетной функцией. При этом экспериментально удается получить лишь фрагмент зависимости , на котором следует выявить линейный участок для расчета коэффициента .
Для качественной оценки быстродействия и степени колебательности переходных процессов в системе ФАПЧ в цепи входного сигнала предусмотрена фазосдвигающая цепь, включаемая тумблером «Скачок фазы».
В полной комплектации система ФАПЧ содержит не один, а два интегратора: подключается двигатель, управляющий ротором конденсатора переменной емкости, который, в свою очередь, включен во времязадающую цепь управляемого генератора. При этом сохраняется и основной канал управления частотой генератора с помощью реактивного элемента, также включенного во времязадающую цепь управляемого генератора. Благодаря этому обстоятельству обеспечивается устойчивость системы ФАПЧ второго порядка астатизма. Функция передачи такой системы в разомкнутом состоянии имеет вид:

Замечание:
включение двигателя выполняет лаборант или преподаватель.
3.2. Задание по работе
1. Выполнить исследование системы ФАПЧ первого порядка астатизма. Для этого следует
1) снять экспериментальную зависимость ; для построения графика требуется 3-5 точек при расстройке частоты в одну сторону и столько же точек – в другую; результаты свести в таблицу и построить график;
2) на графике выявить линейный участок, для которого рассчитать экспериментальное значение ; результат согласовать с преподавателем;
3) используя найденное значение , построить асимптотические ЛХ для 3-х вариантов включения системы ФАПЧ первого порядка астатизма (все ЛХ построить на одном графике для удобства сравнения);
4) оценить качество переходных процессов для всех 3-х вариантов системы; зарисовать схемы корректирующих цепей и указать быстродействие и степень колебательности переходных процессов в системе ФАПЧ при включении этих цепей;
5) сопоставить расчетные (построенные с помощью ЛХ) и экспериментальные характеристики переходных процессов.
2. Выполнить исследование системы ФАПЧ второго порядка астатизма. Для этого следует
1) при выключенном двигателе вручную установить ротор конденсатора переменной емкости в среднее положение;
2) выполнить грубое сведение частот генераторов и обеспечить ввод системы в режим слежения (без цепей последовательной коррекции);
3) включить двигатель и плавно изменяя частоту внешнего генератора ручкой «Расстройка» убедиться
- в наличии реакции конденсатора переменной емкости на изменении частоты генератора;
- в отсутствии ошибки слежения при постоянной расстройке частоты генератора (по фигуре Лиссажу);
- в наличии ошибки слежения при изменении частоты генератора (при повороте ручки генератора «Расстройка»);
4) изобразить структурную схему формирующего фильтра для ситуации Δf=const и объяснить причины изменения свойств системы ФАПЧ при включении двигателя.
3.3. Содержание отчета
1. Функциональная схема системы ФАПЧ (первого и второго порядка астатизма), схемы корректирующих элементов с указанием номиналов резисторов и емкостей, функции передачи разомкнутой системы для всех исследуемых вариантов.
2. Таблица и график зависимости , расчет и постоянных времени корректирующих элементов.
3. Асимптотические ЛХ для 3-х вариантов построения системы ФАПЧ первого порядка астатизма.
4. Сравнительные характеристики переходных процессов и их объяснение.
5. Структура формирующего фильтра для ситуации Δf=const и объяснение эффектов синхронности (равенства частот) и синфазности ( ) входного и выходного сигналов системы ФАПЧ второго порядка астатизма.
3.4. Контрольные вопросы
1. Как работают функциональные элементы системы ФАПЧ и вся система в целом?
2. Какой параметр входного сигнала является информативным для системы ФАПЧ?
3. Какой вид имеет структура формирующего фильтра в случае Δf(t)=0, Δf(t)=const, Δf(t)=vt? Какой вид имеет структура согласованной САУ?
4. Как изменяются свойства системы ФАПЧ при увеличении (уменьшении) коэффициента усиления ?
5. С какой целью включаются корректирующие элементы в системе ФАПЧ первого порядка астатизма?
6. Как изменяются свойства системы ФАПЧ при увеличении порядка астатизма?
7. Что произойдет с системой ФАПЧ, если при включенном двигателе отключить реактивный элемент?
4. Исследование привода с тахометрической обратной связью
(лабораторная работа 4)
Цель работы:
1) изучение характеристик электрического двигателя;
2) исследование возможностей изменения динамических свойств САУ методом коррекции с помощью местной обратной связи;
3) ознакомление с аппаратными способами линеаризации САУ.
4.1 Описание лабораторной установки
Лабораторная установка содержит (рис.1) двигатель (Д), подключенный к нагрузке через редуктор (Р), элементы коррекции, вольтметры и осциллограф (индикаторы на рисунке не показаны). Выходной величиной исследуемой системы является угол поворота вала на выходе редуктора φ. Элементы коррекции включают в себя тахогенератор (Т) (его вал механически связан с валом двигателя), усилитель (У) и вычитающий элемент. Тахогенератор представляет собой высокоточный измерительный прибор, обладающий линейной зависимостью выходного напряжения UT
от угловой скорости вращения вала Ω. Напряжение управления двигателем UУ
либо снимается с выхода усилителя У, либо подается непосредственно с вычитающего элемента.

Рис.1
С помощью вольтметров контролируются входное напряжение UВХ
и напряжение тахогенератора UT
. Для измерения длительности переходных процессов используется осциллограф, подключенный к выходу тахогенератора.
Лабораторная установка работает в 2-х режимах:
- режим исследования характеристик двигателя (цепь обратной связи размыкается, усилитель отключается);
- режим исследования привода с тахометрической обратной связью (функционируют все элементы лабораторной установки).
Непосредственное использование электрического двигателя в качестве привода механических элементов САУ (антенных систем, устройств управления частотой генератора и т.п.) затруднено следующими обстоятельствами:
1) Двигатель имеет функцию передачи ,
где KДВ
– коэффициент усиления двигателя; τДВ
– постоянная времени двигателя.
Апериодическое звено, входящее в состав , обусловлено наличием момента инерции ротора двигателя и нагрузки, который и определяет величину постоянной времени τДВ
(чем больше мощность двигателя , тем больше τДВ
). В САУ инерционные звенья с большой постоянной времени нежелательны, поэтому параметр τДВ
необходимо снизить до пренебрежимо малой величины.
2) Статическая характеристика двигателя, связывающая входное напряжение UУ
и скорость вращения вала Ω существенно нелинейная (особенно нежелательна нелинейность типа «зона нечувствительности», обусловленная силами трения). Используемый в составе САУ привод должен иметь линейную характеристику, причем размер зоны нечувствительности необходимо также уменьшить до пренебрежимо малой величины.
Первая задача решается следующим образом. Функция передачи привода с тахометрической обратной связью равна:
,
где коэффициент усилителя У; функция передачи тахогенератора; и коэффициент усиления и постоянная времени тахогенератора.
Поскольку тахогенератора устройство малоинерционное, то в интересующей нас частотной области допустима аппроксимация вида:
.
Подстановка в выражение для функций передачи и приводит к результату:
,
где .
Если выбрать , то получим , и первая задача будет решена.
Замечание.
Включение в схему привода элементов коррекции в соответствии с рис.1 позволяет реализовать метод коррекции с использованием местной обратной связи. Согласно идеологии этого метода функция передачи привода должна быть обратной функции передачи звена в цепи обратной связи, т.е. . Действительно, из выражения для функции передачи при выполнении условия следует результат:
.
Так как функция передачи кроме интегратора содержит еще апериодическое звено, с ростом частоты условие

меняется на условие обратное:
, при этом .
На рис.2 показаны ЛАЧХ для (график 1), (график 2) и (график 3).

Рис.2
Пунктиром показана ЛАЧХ привода с тахометрической обратной связью, образуемая низкочастотной асимптотой ЛАЧХ и высокочастотной асимптотой . Точке пересечения асимптот соответствует частота .
Вторая задача решается следующим образом. Для преодоления сил трения и уменьшения зоны нечувствительности статической характеристики привода используется усилитель У, а линеаризация остальной части характеристики привода обеспечивается использованием цепей обратной связи. Действительно, тахогенератор является точным измерительным прибором, линейно преобразующим скорость вращения вала двигателя в напряжение. В схеме с обратной связью выполняется сравнение входного напряжения UВХ
и напряжения тахогенератора UТ
. При большом значении коэффициента усиления для вращения двигателя достаточно иметь малое значение разности e=UВХ
-UТ
. Следовательно, UВХ
UТ
и, благодаря линейности характеристики тахогенератора скорость вращения вала привода пропорциональна UВХ
.
4.2. Задание по работе
1. Снять зависимость угловой скорости вращения вала двигателя от входного напряжения UВХ
при выключенной обратной связи (измерение угловой скорости вращения вала двигателя выполняется путем измерения напряжения на выходе тахогенератора). Измерить величину зоны нечувствительности характеристики двигателя.
2. Снять зависимость угловой скорости вращения вала двигателя от входного напряжения UВХ
при включенной обратной связи. Измерить величину зоны нечувствительности характеристики привода.
3. Объяснить эффекты, связанные с уменьшением зоны нечувствительности и линеаризацией характеристики привода.
4. С помощью осциллографа при скачкообразном включении напряжения UВХ
определить постоянную времени двигателя (без обратной связи), полагая , что переходный процесс завершается за время, примерно равное 3 . Так как реальный двигатель является нелинейным устройством, величина определяется при средних скоростях вращения вала.
5. Определить постоянную времени привода с тахометрической обратной связью .
6. Вычислить коэффициент усиления двигателя [рад*с-1
]. Для этого, по данным п.1 задания определить крутизну зависимости на средних скоростях вращения вала двигателя и результат разделить на коэффициент усиления тахогенератора, равный [в*рад-1
*с]. Используя вычисленное значение и экспериментально полученное значение , построить ЛХ для функции передачи двигателя.
7. В соответствии с функцией передачи построить ЛХ для привода с тахометрической обратной связью (на том же графике).
8. По данным пп.1 и 2 задания определить коэффициент усиления усилителя, как отношение зон нечувствительности характеристик двигателя с выключенной и включенной обратной связи. Сопоставить полученное значение с величиной , указанной на макете. Выполнить построение ЛАЧХ, аналогичных графикам рис.2. Сравнить найденное графическим способом с экспериментальным значением в п.5 (расхождения объяснить).
4.3. Содержание отчета
1. Функциональная и структурная схемы привода с тахометрической обратной связью.
2. Зависимости угловой скорости вращения вала привода от входного напряжения при включенной и выключенной обратной связи.
3. Значения коэффициента усиления (экспериментальное и теоретическое).
4. Значения постоянных времени привода при включенной и выключенной обратной связи.
5. Расчет коэффициента усиления двигателя.
6. ЛХ двигателя и привода с тахометрической обратной связью.
7. Семейство ЛАЧХ для графического способа определения величины .
4.4. Контрольные вопросы
1. Какую функцию передачи имеет двигатель, если выходной величиной является угловая скорость вращения его вала?
2. Какую функцию передачи имеет двигатель, если выходной величиной является угол поворота его вала?
3. Какие элементы схемы привода обеспечивают уменьшение зоны нечувствительности?
4. Какие элементы схемы привода обеспечивают снижение постоянной времени?
5. Обосновать эффект линеаризации статической характеристики привода.
6. Как построить ЛАЧХ замкнутой системы, если известна ЛАЧХ цепей прямой и обратной связей?
7. Почему переходный процесс в приводе с тахометрической обратной связью не имеет перерегулирования?
5. Исследование САУ с минимизацией шумовой ошибки
(лабораторная работа 5)
Цель работы – практическое изучение возможности параметрической оптимизации САУ в установившемся режиме по критерию минимума дисперсии шумовой (флюктуационной) ошибки.
5.1. Описание лабораторной установки
Лабораторная установка включает в себя макет САУ, внешний генератор широкополосных случайных процессов v(t) (с нулевым средним и спектральной плотностью мощности SП
(ω)), измеритель среднеквадратического значения шумовой ошибки и осциллограф.
Макет САУ позволяет проводить исследование систем с функциями передачи в разомкнутом состоянии:

(вид функции передачи задается переключателем и переменным резистором).
Все САУ достаточно узкополосные, так что в пределах полосы пропускания САУ выполняется условие: SП
(ω)≈ SП
(0)=const и, следовательно, правомерно допущение о том, что v(t) – белый шум.
Измеритель среднеквадратического значения шумовой ошибки выполняет операцию сглаживания (RC-цепью с большой постоянной времени) модуля шумовой ошибки САУ, имеющего односторонний нормальный закон распределения. Случайный процесс на выходе сглаживающей цепи имеет среднее значение
,
которое и является оценкой уровня шумовой ошибки.
Дисперсия шумовой (флюктуационной) ошибки САУ определяется из выражения
,
где - двусторонняя спектральная плотность мощности шума v(t); - эффективная (шумовая) полоса САУ.
Значения для исследуемых в работе САУ приведены в таблице. В этой же таблице даны оптимальные соотношения параметров САУ, при которых (и, следовательно, ) минимальна.
Как следует из выражения для , шумовая полоса САУ зависит от вида АЧХ (с учетом полосы системы и резонансных явлений, если они есть). Вид АЧХ САУ тесно связан с такими параметрами ЛХ, как ωСР
и γ. Поэтому для теоретического анализа САУ рекомендуется выполнить построение ЛХ исследуемой САУ и с их помощью восстановить вид АЧХ (используются очевидные связующие признаки: с ростом ωСР
увеличивается полоса системы и АЧХ расширяется; с уменьшением γ увеличивается степень колебательности переходных процессов и АЧХ приобретает резонансный пик, причем размер его зависит от γ).
Таблица
| 
|

|
Оптимальные параметры
|
| 
|

|
-
|
| 
|

|
-
|
|  
|

|

|
5.2. Задание по работе
1. В отсутствии случайного процесса v(t) экспериментально исследовать и зарисовать переходные процессы в САУ всех 3-х типов. Для САУ 3-го типа исследование провести при нескольких значениях переменного резистора.
2. Построить семейство ЛХ исследуемых САУ (если параметры схемы лабораторного макета неизвестны, построения можно выполнить качественно, однако они не должны противоречить результатам п.1 задания).
3. В присутствии случайного процесса v(t) экспериментально исследовать зависимость σШ
от структуры и параметров САУ (в процессе измерения σШ
следует усреднять показания вольтметра за интервал времени 1-3 минуты). В процессе исследований сопоставить σШ
для САУ 1-го и 2-го типов. Для САУ 3-го типа следует, изменяя значение переменного резистора, убедиться в наличии минимума σШ
.
Зависимость σШ
от значения переменного резистора зарисовать.
4. Повторить п.1 для оптимальных параметров САУ 3-го типа.
5. Построить АЧХ САУ 3-го типа для 3-х значений переменного резистора, включая оптимальное.
5.3. Содержание отчета
1. Функциональная схема лабораторного макета.
2. Функции передачи исследуемых САУ.
3. Результаты экспериментальных исследований переходных процессов САУ.
4. ЛХ исследуемых САУ.
5. Результаты экспериментальных исследований зависимости σШ
от структуры и параметров САУ.
6. Семейство АЧХ для САУ 3-го типа.
5.4. Контрольные вопросы
1. Объяснить поведение σШ
в САУ 1-го и 2-го типов.
2. Объяснить поведение σШ
в САУ 3-го типа.
3. Объяснить поведение σШ
в САУ 3-го типа при неограниченном росте значения переменного резистора.
4. Дать геометрическую и физическую интерпретацию эффективной полосы САУ.
5. Каков закон распределения вероятностей процесса на выходе САУ, если на входе он гауссовский?
6. Изобразить (качественно) закон распределения вероятностей случайного процесса на выходе измерителя среднеквадратического значения шумовой ошибки.
6. Параметрическая оптимизация САУ при наличии динамической и шумовой ошибок
(лабораторная работа 6)
Цель работы – практическое изучение возможности параметрической оптимизации САУ в установившемся режиме по критерию минимума среднего квадрата суммарной ошибки.
6.1. Описание лабораторной установки
Лабораторная установка включает в себя макет САУ, внешний генератор широкополосных случайных процессов и осциллограф.
Исследуемая САУ имеет функцию передачи в разомкнутом состоянии . На вход САУ могут подаваться два случайных процесса: узкополосный g(t) (с нулевым средним и двусторонней спектральной плотностью мощности и широкополосный v(t) (с нулевым средним и двусторонней спектральной плотностью мощности ). Процесс g(t) рассматривается как полезный сигнал, а процесс v(t) моделирует помеху в канале наблюдения g(t). Назначение САУ состоит в воспроизведении на выходе y(t) процесса g(t).
Ошибка воспроизведения процесса g(t) складывается из 2-х составляющих.
Первая составляющая обусловлена ошибкой воспроизведения процесса g(t) при отсутствии помехи v(t). Она зависит от динамики изменения процесса g(t), порядка астатизма и параметров САУ. Эту составляющую обычно называют динамической и дисперсию ее определяют с помощью выражения:
.
Для экспоненциально-коррелированного случайного процесса g(t), получающегося в результате прохождения широкополосного случайного процесса (с нулевым средним и двусторонней спектральной плотностью мощности ) через апериодическое звено с функцией передачи , справедливо соотношение: . При этом дисперсия динамической составляющей ошибки САУ с функцией передачи равна
.
Вторая составляющая ошибки воспроизведения процесса g(t) обусловлена воздействием только помехи v(t) и, поэтому, называется флюктуационной (шумовой). Дисперсия ее, в общем случае, определяется с помощью выражения
.
Для САУ с функцией передачи дисперсия флюктуационной составляющей ошибки равна
.
Если случайные процессы g(t) и v(t) статистически независимы, то дисперсия суммарной ошибки равна
.
С ростом единственного параметра САУ K первая составляющая суммарной ошибки уменьшается, а вторая увеличивается. При некотором значении имеет место минимум суммарной ошибки, а соответствующее значение является оптимальным. В случае известных и T значение легко найти из условия
. В рамках данной лабораторной работы значение определяется экспериментально.
Особенностью макета является формирование полезного сигнала g(t) c помощью v(t), что позволяет обойтись одним внешним генератором широкополосных случайных процессов. При этом , а выражение неправомерно (условие статистической независимости g(t) и v(t) не выполняется. Для вычисления дисперсии в этом случае можно определить функцию передачи для суммарной ошибки системы, изображенной на рис.3, следующим образом. По структурной схеме составим систему уравнений

Далее определяем функцию передачи для суммарной ошибки системы, как и, методом исключения вспомогательных переменных, получаем
.

Рис.3
Остается вычислить дисперсию случайного процесса на выходе линейной системы с функцией передачи :
.
Анализируя это выражение, нетрудно объяснить результат экспериментальных исследований, при котором дисперсия суммарной ошибки оказывается меньше дисперсий составляющих этой ошибки.
6.2. Задание по работе
1. Снять экспериментальные зависимости σg
и σФЛ
от параметра САУ K (для функции передачи электронного интегратора использовать аппроксимацию вида K/jω, где K определяется параметрами частотно-зависимой обратной связи операционного усилителя).
2. Снять экспериментальную зависимость σΣ
от параметра САУ K и определить значение KОПТ
.
3. Построить графики всех зависимостей в одних координатных осях.
4. Для нескольких значений параметра K экспериментально оценить фильтрующие свойства САУ, сравнив среднеквадратичные значения процессов на входе v(t) и выходе y(t) системы (сигнал g(t) отключить). При оценке среднеквадратичных значений все процессы считать нормальными, практически не выходящими за пределы относительно среднего значения. Построить зависимость отношения среднеквадратичных значений от параметра K, проверить гипотезу о линейности этой зависимости и убедиться в справедливости предположения о постоянстве в пределах полосы пропускания САУ.
5. Сопоставить результаты эксперимента с расчетными соотношениями. Подтвердить наличие корреляции процессов g(t) и v(t).
6. Построить семейство ЛХ и АЧХ САУ для нескольких значений параметра K (если параметры схемы лабораторного макета неизвестны, построения можно выполнить качественно).
6.3. Содержание отчета
1. Структурная схема исследуемой САУ.
2. Основные расчетные соотношения.
3. Экспериментальные зависимости по пп.1-4 задания.
4. Семейства ЛХ и АЧХ.
5. Выводы по результатам экспериментальных исследований.
6.4. Контрольные вопросы
1. С физической точки зрения объяснить влияние параметра K на уровень флюктуационной и динамической составляющих ошибки САУ.
2. Как вычисляется дисперсия суммы 2-х коррелированных случайных процессов?
3. Какой порядок астатизма имеет исследуемая система (рис.3) по выходу y(t)? по выходу ε(t)?
4. Оценить влияние параметра K на дисперсию случайного процесса y(t), если на вход САУ поступает только экспоненциально-коррелированный процесс g(t). Чему равна дисперсия y(t) при неограниченном росте K?
5. Как отражается улучшение фильтрующих свойств системы на корреляционных свойствах флюктуационной ошибки?
6. Какой должна быть структура САУ, согласованной с формирующим фильтром данного макета?
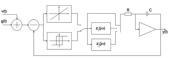
7. Исследование нелинейной САУ
(лабораторная работа 7)
Цель работы – ознакомление с практическим использованием методов гармонической и статистической линеаризации при анализе САУ, содержащей релейный элемент и инерционную линейную часть.
7.1. Описание лабораторной установки
Лабораторная установка содержит макет САУ, внешний генератор широкополосных случайных процессов и осциллограф. Исследуемая САУ (рис. 4) включает в себя нелинейный элемент типа реле с петлей гистерезиса и линейную часть, состоящую из электронного интегратора и цепей коррекции с функциями передачи z1
(jω) и z2
(jω).

Рис.4
Схемы цепей коррекции и их параметры приведены на лабораторном макете. Нелинейный элемент может выключаться. На вход САУ можно подать скачкообразный сигнал g(t), а также широкополосный случайный процесс v(t) (с нулевым средним и спектральной плотностью мощности ). Уровень случайного процесса v(t) можно менять. Выходной сигнал y(t) контролируется с помощью осциллографа.
Метод гармонической линеаризации используется для анализа автоколебаний в нелинейной САУ. В ходе этого анализа необходимо ответить на следующие вопросы:
1) возможно ли возникновение автоколебаний в нелинейной САУ?
2) устойчив ли режим автоколебаний в случае их возникновения?
3) каковы параметры автоколебаний (амплитуда и частота)?
Условия возникновения автоколебаний в нелинейной САУ определяются решением уравнения замыкания
 ,
где - эквивалентная функция передачи нелинейного элемента;
- амплитуда 1-й гармоники на входе нелинейного элемента; - функция передачи линейной части системы.
Для исследуемого в макете САУ нелинейного элемента типа реле с петлей гистерезиса
,
где ; ; и - параметры нелинейного элемента, характеризующие размеры петли гистерезиса для входного и, соответственно, выходного процессов.
Эта функция передачи может быть представлена в виде
,
где . Такая запись показывает, что амплитуда 1-й гармоники на выходе реле с петлей гистерезиса такая же, как и на выходе идеального реле. Однако имеется фазовый сдвиг φ, обусловленный запаздыванием срабатывания такого реле в сравнении с идеальным.
Уравнение замыкания представляется в виде

и решается графически. Для этой цели следует построить годограф Найквиста линейной части и годограф нелинейного элемента. Наличие точки пересечения годографов является признаком возможности возникновения автоколебаний в нелинейной САУ. Устойчивость автоколебаний проверяется с помощью правила: режим автоколебаний в системе устойчив, если точка на годографе , соответствующая увеличению амплитуды, не охватывается (в смысле критерия устойчивости Найквиста) годографом .
Параметры автоколебаний (амплитуда и частота) определяются значениями соответствующих аргументов годографов в точке пересечения, однако для их определения необходимо иметь явную зависимость от аргументов функций и . Параметры автоколебаний можно также определить экспериментально с помощью осциллографа.
Метод статистической линеаризации используется для анализа нелинейной САУ при воздействии на нее шума. При этом нелинейный элемент заменяется эквивалентным линейным элементом с двумя коэффициентами усиления: для регулярной составляющей сигнала (математического ожидания) и центрированной случайной составляющей сигнала . Для реле с петлей гистерезиса коэффициенты и определяются с помощью выражений
,
,
где и - математическое ожидание (среднее) и среднеквадратичное значение сигнала на входе нелинейного элемента; - интеграл вероятности.
Так как коэффициент зависит от , то и функция передачи линеаризованной САУ зависит от уровня шума. Поэтому изменение влияет на свойства нелинейной САУ.
7
.2. Задание по работе
1. Расчетная часть.
1) Построить ЛХ линейных САУ с различными цепями коррекции (значения параметров линейной части САУ указаны на лабораторном макете).
2) Построить годографы и нелинейных САУ с различными цепями коррекции и выполнить анализ автоколебаний. При построении годографа следует учесть, что
,
.
3) Для различных значений построить семейство ЛХ линеаризованных САУ с различными цепями коррекции и функцией передачи . При вычислении коэффициента использовать допущение (ошибка слежения в среднем близка к нулю), при котором громоздкое выражение для можно упростить:
.
Расчет выполнить для значений , равных .
2. Экспериментальная часть.
1) Подавая скачкообразное воздействие g(t), посмотреть на экране осциллографа и зарисовать переходные процессы линейных САУ 3-х типов (без коррекции и с цепями коррекции z1
(jω) и z2
(jω)). По степени колебательности переходных процессов оценить запас устойчивости по фазе.
2) Выполнить экспериментальный анализ автоколебаний в нелинейных САУ 3-х типов. Измерить частоту и амплитуду автоколебаний.
3) Для 3-х типов нелинейных САУ экспериментально исследовать срыв автоколебаний при изменении уровня шума на входе системы. Для этого следует постепенно увеличивать уровень шума до некоторого порогового уровня, при котором исчезает регулярная составляющая в выходном сигнале САУ (отсутствие регулярных автоколебаний свидетельствует о выполнении условий статистической линеаризации САУ). Пороговый уровень шума измерить.
4) Экспериментально исследовать влияние уровня шума на качество переходных процессов нелинейных САУ 3-х типов. Для этого установить уровень шума, соответствующий линеаризации САУ (срыв автоколебаний) и посмотреть несколько переходных процессов на экране осциллографа. Зарисовать усредненный (по ансамблю реализаций) переходный процесс. Затем увеличить уровень шума, снова посмотреть несколько реализаций переходного процесса, зарисовать усредненный процесс и сопоставить результаты. Уровни шума измерить с помощью осциллографа (при оценке процесс считать нормальным, не выходящим за пределы ).
5) Экспериментально оценить фильтрующие свойства линейных и нелинейных САУ 3-х типов.
7
.3. Содержание отчета
1. Структурная схема макета САУ.
2. ЛХ линейных САУ 3-х типов.
3. Годографы для анализа автоколебаний в нелинейных САУ 3-х типов.
4. Семейства ЛХ линеаризованных САУ.
5. Осциллограммы переходных процессов линейных САУ 3-х типов.
6. Результаты экспериментального анализа автоколебаний в нелинейных САУ 3-х типов.
7. Значения пороговых уровней шума, при которых выполняются условия статистической линеаризации нелинейных САУ 3-х типов.
8. Усредненные переходные процессы для 2-х значений .
9. Оценки фильтрующих свойств всех САУ.
7
.4. Контрольные вопросы
1. Как влияют цепи коррекции на переходные процессы линейных САУ?
2. Как определяются амплитуда и частота автоколебаний в нелинейных САУ?
3. Влияет ли уровень шума на качество переходных процессов в линейных САУ?
4. Влияет ли уровень шума на качество переходных процессов в нелинейных САУ?
5. Объяснить эффект срыва автоколебаний в нелинейной САУ при действии шума.
6. Как изменяется коэффициент при увеличении уровня шума и какие показатели качества линеаризованной САУ при этом меняются?
8. Исследование нелинейных элементов методом статистической линеаризации
(лабораторная работа 8)
Цель работы – экспериментальная оценка статистических характеристик безынерционных нелинейных элементов, используемых в методе статистической линеаризации нелинейных САУ.
8
.1. Описание лабораторной установки
Лабораторная установка включает в себя макет для исследования нелинейных элементов, внешний генератор широкополосных случайных процессов и осциллограф. Предусмотрена возможность исследования нелинейных элементов 3-х типов: идеальное реле, реле с зоной нечувствительности и реле с петлей гистерезиса. На вход каждого из этих элементов подается случайный процесс x(t) с нормальным законом распределения и регулируемыми параметрами (математическое ожидание) и (среднеквадратичное значение). Измерительная схема позволяет оценивать выходные параметры: и .
В соответствии с методом статистической линеаризации нелинейный элемент заменяется эквивалентным ему (в смысле равенства математических ожиданий и дисперсий выходных процессов) линейным элементом, на выходе которого имеем
,
где - центрированная случайная компонента входного процесса x(t); и - статистические коэффициенты усиления для математического ожидания и, соответственно, центрированной случайной компоненты X(t). Коэффициенты и можно экспериментально вычислить как крутизну зависимостей и в рабочей точке .
Для определения динамических и точностных свойств нелинейных САУ наибольший интерес представляет коэффициент , который связывает процесс с полезным воздействием. Как правило, наличие нелинейного элемента в САУ обусловлено нелинейностью статической характеристики дискриминатора. Если САУ обладает высокой точностью и хорошими сглаживающими свойствами, то ошибку системы ( ) можно приближенно считать равной нулю. Тогда
при 
и функцию передачи линеаризованной САУ в разомкнутом состоянии можно аппроксимировать выражением
,
где - функция передачи линейной части САУ.
Замечание.
В основу метода статистической линеаризации заложена аппроксимация функции плотности распределения вероятностей случайного процесса на выходе нелинейного элемента нормальным законом. Для обоснования такой аппроксимации необходимо наличие в функции передачи инерционных звеньев.
Таким образом, уровень случайного процесса на выходе нелинейного элемента существенно влияет на коэффициент усиления разомкнутой САУ с соответствующими последствиями (например, изменяются качество переходных процессов и точность в установившемся режиме).
8
.2. Задание по работе
1. Ознакомиться с лабораторным макетом и представленной на нем схемой измерений. Схему экспериментальных исследований и статические характеристики y(x) нелинейных элементов зарисовать.
2. Снять экспериментальные характеристики и при нескольких значениях уровня шума (уровень шума отсчитывается в условных значениях по шкале потенциометра).
3. Для каждого нелинейного элемента построить 2 семейства графиков: и при выбранных значениях уровня шума .
4. С физических позиций дать объяснение полученным результатам. Для этого следует рассмотреть прохождение через нелинейный элемент нормального случайного процесса с заданными параметрами и и оперировать плотностью распределения вероятностей W(y).
5. Используя полученные в результате эксперимента зависимости , определить и построить зависимости .
8
.3. Контрольные вопросы
1. Каким образом параметры и влияют на вид функции W(y)?
2. Дать физическую трактовку зависимостей и .
3. Как влияет уровень шума на входе нелинейного элемента на показатели качества нелинейной САУ?
4. Перечислить ограничения применимости метода статистической линеаризации.
Список литературы
1. Коновалов Г.Ф. Радиоавтоматика. Учеб.для вузов по спец.Радиотехника, -
М. Высш.шк. 1990. - 335с.
2. Первачев С.В. Радиоавтоматика. Учеб.для вузов, - М.- Радио и связь - 1982. - 296с.
3. Радиоавтоматика. Учеб.пособие для студ.вузов спец.Радиотехника /
В.А.Бесекерский, А.А.Елисеев, А.В.Небылов и др. Под ред.В.А.Бесекерского, - М.- Высш.шк., 1985. - 271с.
4. Бесекерский В. А., Попов Е. П. Теория систем автоматического регулирования. - М.: Наука, 1972. - 768 с.
5. Воронов А. А. Основы теории автоматического управления. - М.: Энергия. - Т. 1. - 1980. - 312 с.; Т. 2. - 1981. - 304 с.
6. Красовский А. А., Поспелов Г. С. Основы автоматики и технической кибернетики. - М.: ГЭИ, 1962. - 600 с.
7. Первачев С. В., Валуев А. А., Чиликин В. М. Статистическая динамика радиотехнических следящих систем. М.: Сов. радио, 1973. – 488 с.
8. Теория автоматического управления: В 2 ч. / Под ред. А. А. Воронова. - М.: Высш. шк., 1986. - Ч. 1 - 2. - 655 с.
9. Теорiя автоматичного управлiння / Г. Ф. Зайцев, В. К. Стеклов, О. I. Брiцький; За ред. проф. Г. Ф. Зайцева. – К.: Технiка, 2002. – 688 с.
10. Юревич Е. И. Теория автоматического управления. - Л.: Энергия. Ленингр. отд-ние, 1975. - 410 с.
Содержание
Введение . . . . . . . . . . . . . . . . . . . . . . . . . . . 3
1. Исследование простейшей САУ - физическая модель
(лабораторная работа 1) . . . . . . . . . . . . . . . . . . . . . . 3
2. Исследование простейшей САУ - математическая модель
(лабораторная работа 2) . . . . . . . . . . . . . . . . . . . . . . 6
3. Исследование системы фазовой автоподстройки частоты (ФАПЧ)
(лабораторная работа 3) . . . . . . . . . . . . . . . . . . . . . . 9
4. Исследование привода с тахометрической обратной связью
(лабораторная работа 4) . . . . . . . . . . . . . . . . . . . . . . 12
5. Исследование САУ с минимизацией шумовой ошибки
(лабораторная работа 5) . . . . . . . . . . . . . . . . . . . . . . 17
6. Параметрическая оптимизация САУ при наличии динамической и
шумовой ошибок (лабораторная работа 6) . . . . . . . . . . . . . 20
7. Исследование нелинейной САУ (лабораторная работа 7) . . . . . . 24
8. Исследование нелинейных элементов методом статистической
линеаризации (лабораторная работа 8) . . . . . . . . . . . . . . . 28
Список литературы . . . . . . . . . . . . . . . . . . . . . . . 30
|