| Федеральное агентство по образованию РФ
Белгородский государственный университет
Геолого-географический университет
МЕТОДИЧЕСКИЕ УКАЗАНИЯ
по курсовому проектированию по дисциплине
«ИНЖЕНЕРНО-ГЕОЛОГИЧЕСКИЕ ИЗЫСКАНИЯ»
для студентов специальности 130302 «Поиски и разведка
подземных вод и инженерно-геологические изыскания»
Белгород 2008
Авторы: Сергеев С.В., докт. техн. наук, проф.
Рыбалов А.И., доц.
СОДЕРЖАНИЕ
Введение . . . . . . . . . . . . . . . . . . . . . . . . . . . . . . . . . . . . . . . . . . . . . 4
1. Составление технического задания . . . . . . . . . . . . . . . . . . . . . . . . . . . 4
2. Составление программы изысканий. . . . . . . . . . . . . . . . . . . . . . . . . . . 7
3. Определение объема инженерных изысканий. . . . . . . . . . . . . . . . . . . 10
3.1. Определение количества скважин . . . . . . . . . . . . . . . . . . . . . . . . . 10
3.2. Определение глубины бурения . . . . . . . . . . . . . . . . . . . . . . . . . . . 11
Заключение . . . . . . . . . . . . . . . . . . . . . . . . . . . . . . . . . . . . . . . . . . . . 14
Список литературы . . . . . . . . . . . . . . . . . . . . . . . . . . . . . . . . . . . . . 14
Приложение 1. . . . . . . . . . . . . . . . . . . . . . . . . . . . . . . . . . . . . . . . . . 15
Приложение 2. . . . . . . . . . . . . . . . . . . . . . . . . . . . . . . . . . . . . . . . . . 16
Приложение 3. . . . . . . . . . . . . . . . . . . . . . . . . . . . . . . . . . . . . . . . . . 17
Приложение 4. . . . . . . . . . . . . . . . . . . . . . . . . . . . . . . . . . . . . . . . . . 20
Приложение 5. . . . . . . . . . . . . . . . . . . . . . . . . . . . . . . . . . . . . . . . . . 21
Приложение 6. . . . . . . . . . . . . . . . . . . . . . . . . . . . . . . . . . . . . . . . . . 22
Приложение 7. . . . . . . . . . . . . . . . . . . . . . . . . . . . . . . . . . . . . . . . . . 23
Приложение 8. . . . . . . . . . . . . . . . . . . . . . . . . . . . . . . . . . . . . . . . . . 25
Приложение 9. . . . . . . . . . . . . . . . . . . . . . . . . . . . . . . . . . . . . . . . . . 26
Приложение 10. . . . . . . . . . . . . . . . . . . . . . . . . . . . . . . . . . . . . . . . . 27
Приложение 11. . . . . . . . . . . . . . . . . . . . . . . . . . . . . . . . . . . . . . . . . 28
Забиваем Сайты В ТОП КУВАЛДОЙ - Уникальные возможности от SeoHammer
Каждая ссылка анализируется по трем пакетам оценки: SEO, Трафик и SMM.
SeoHammer делает продвижение сайта прозрачным и простым занятием.
Ссылки, вечные ссылки, статьи, упоминания, пресс-релизы - используйте по максимуму потенциал SeoHammer для продвижения вашего сайта.
Что умеет делать SeoHammer
— Продвижение в один клик, интеллектуальный подбор запросов, покупка самых лучших ссылок с высокой степенью качества у лучших бирж ссылок.
— Регулярная проверка качества ссылок по более чем 100 показателям и ежедневный пересчет показателей качества проекта.
— Все известные форматы ссылок: арендные ссылки, вечные ссылки, публикации (упоминания, мнения, отзывы, статьи, пресс-релизы).
— SeoHammer покажет, где рост или падение, а также запросы, на которые нужно обратить внимание.
SeoHammer еще предоставляет технологию Буст, она ускоряет продвижение в десятки раз,
а первые результаты появляются уже в течение первых 7 дней.
Зарегистрироваться и Начать продвижение
ВВЕДЕНИЕ
Курсовая работа направлена на приобретение навыков практической работы по составлению технических документаций, необходимых при инженерно-геологических изысканиях. Исходными данными курсовой работы являются: реальные инженерно-геологические отчеты из архива кафедры «Инженерная геология и гидрогеология»; проектируемые на данной площадке здания и сооружения.
1.
СОСТАВЛЕНИЕ ТЕХНИЧЕСКОГО ЗАДАНИЯ
Техническое задание на выполнение инженерных изысканий для строительства составляется заказчиком, как правило, с участием исполнителя инженерных изысканий. Техническое задание подписывается руководством организации (заказчиком) и заверяется печатью. Форма технического задания приведена в прил. 1.
Техническое задание может выдаваться как на весь комплекс инженерных изысканий, так и раздельно по видам инженерных изысканий и стадиям проектирования.
В случае если исполнитель инженерных изысканий и заказчик представляют одну проектную (проектно-изыскательскую) организацию, техническое задание подписывает со стороны заказчика главный инженер проекта (ГИП) и утверждает руководитель (заместитель руководителя) организации.
Техническое задание должно содержать следующие сведения и данные:
1) наименование объекта;
2) вид строительства (новое строительство, реконструкция, расширение, техническое перевооружение, консервация, ликвидация);
3) сведения о стадийности (этапе работ), сроках проектирования и строительства;
4) характеристику проектируемых и реконструируемых предприятий (геотехнические категории объектов), уровни ответственности зданий и сооружений;
5) характеристику ожидаемых воздействий объектов строительства на природную среду с указанием пределов этих воздействий в пространстве и во времени и воздействий среды на объект;
6) необходимые исходные данные для обоснования мероприятий по рациональному природопользованию и охране природной среды, обеспечению устойчивости проектируемых зданий и сооружений и безопасных условий жизни населения;
7) сведения и данные о проектируемых объектах, мероприятиях инженерной защиты территорий, зданий и сооружений
8) цели и виды инженерных изысканий;
9) перечень нормативных документов, в соответствии с требованиями которых необходимо выполнять инженерные изыскания, включая территориальные строительные нормы субъектов Российской федерации;
10) данные о местоположении и границах площадки (площадок) и (или) трассы (трасс) строительства;
Сервис онлайн-записи на собственном Telegram-боте
Попробуйте сервис онлайн-записи VisitTime на основе вашего собственного Telegram-бота:
— Разгрузит мастера, специалиста или компанию;
— Позволит гибко управлять расписанием и загрузкой;
— Разошлет оповещения о новых услугах или акциях;
— Позволит принять оплату на карту/кошелек/счет;
— Позволит записываться на групповые и персональные посещения;
— Поможет получить от клиента отзывы о визите к вам;
— Включает в себя сервис чаевых.
Для новых пользователей первый месяц бесплатно.
Зарегистрироваться в сервисе
11) сведения о ранее выполненных инженерных изысканиях и исследованиях, данные о наблюдавшихся в районе объекта строительства (на площадке, трассе) осложнениях в процессе строительства и эксплуатации сооружений (деформациях и аварийных ситуациях). Сведения о степени изученности и основные характеристики природных и техногенных условий территории строительства должны быть приведены по материалам и данным государственных федеральных, территориальных и ведомственных фондов.
12) дополнительные требования к производству отдельных видов инженерных изысканий, включая отраслевую специфику проектируемого сооружения;
13) требования к точности, надежности, достоверности и обеспеченности необходимых данных и характеристик при инженерных изысканиях для строительства;
14) требования к составлению и содержанию прогноза изменений природных и техногенных условий;
15) сведения о необходимости выполнения исследований в процессе инженерных изысканий;
16) требования к оценке опасности и риска от природных и техноприродных процессов;
17) требования к составу, срокам, порядку и форме представления изыскательской продукции заказчику;
18) требование о составлении и представлении в составе договорной (контрактной) документации программы инженерных изысканий на согласование заказчику;
19) наименование и местонахождение организации заказчика, фамилия, инициалы и номер телефона (факса) ответственного его представителя.
В курсовой работе должны быть отражены все вышеперечисленные пункты технического задания.
К техническому заданию прилагаются графические и текстовые документы, необходимые для организации и проведения инженерных изысканий на соответствующей стадии (этапе) проектирования:
а) копии имеющихся топографических карт, инженерно-топографических планов, ситуационных планов (схем) с указанием границ площадок, участков и направлений трасс, генеральных планов (схем) с контурами проектируемых зданий и сооружений, картограммы, копии решений органа местного самоуправления о предварительном согласовании места размещения площадок (трасс) или акта выбора площадки (трассы) строительства, копия решения органа исполнительной власти субъекта Российской Федерации или местного самоуправления о предоставлении земель для проведения изыскательских работ и исследований, копии договоров с собственниками земли (землепользователями) и другие необходимые материалы;
б) техническая характеристика проектируемого здания (прил. 2).
От технических характеристик зданий зависит глубина бурения разведочных скважин и объем опытно-полевых работ. Техническая характеристика содержит следующие сведения:
- конструктивные особенности здания (каркасное, бескаркасное, монолитное, с несущими стенами из кирпича и т.д.);
- габариты (длина, ширина, высота);
- намечаемый тип фундаментов (свайный, плитный, ленточный, отдельный и т.д.);
- нагрузки на верхний обрез фундаментов (для ленточного фундамента нагрузка на 1 п.м длины в кН, при отдельных - на одну опору, кН);
- чувствительность к неравномерным осадкам (определяется по приложению 3 в зависимости от конструктивных особенностей зданий);
- наличие мокрых технологических процессов, которые могут привести к увлажнению грунтов оснований;
- наличие подвалов и приямков (необходимо для определения глубины бурения скважин);
- наличие динамических нагрузок на грунт (необходимо для определения динамических характеристик грунтов оснований);
- предполагаемые нагрузки на грунт в кПа.
Предусмотренные в техническом задании требования к полноте, достоверности, точности и качеству отчетных материалов могут уточняться исполнителем инженерных изысканий при составлении программы работ и в процессе выполнения изыскательских работ по согласованию с заказчиком.
В техническом задании не допускается устанавливать состав и объем изыскательских работ, методику и технологию их выполнения.
При выдаче технического задания заказчик должен передать исполнителю инженерных изысканий во временное пользование имеющиеся у него материалы и другую информацию о ранее выполненных инженерных изысканиях на площадке (участке, трассе) проектируемого строительства (реконструкции) объекта, а также данные о природных и техногенных условиях района и выполненных согласованиях, сведения о информационных системах поселений, государственных кадастров.
На основании технического задания составляется программа изысканий.
2.
Составление программы изысканий
Программа инженерных изысканий является внутренним документом исполнителя инженерных изысканий.
При отсутствии требования заказчика о включении программы инженерных изысканий в состав договора (контракта) допускается взамен программы составлять предписание на производство инженерных изысканий.
Программа инженерных изысканий должна полностью соответствовать техническому заданию заказчика и содержать его требования, принятые к выполнению исполнителем инженерных изысканий, в том числе:
· цели и задачи инженерных изысканий;
· характеристику степени изученности природных условий территории по материалам ранее выполненных инженерных изысканий и других архивных данных, а также оценку возможности использования этих материалов и данных;
· краткую характеристику природных и техногенных условий района, влияющих на организацию и производство инженерных изысканий;
· обоснование при необходимости расширения границ территории проведения инженерных изысканий, с учетом сферы взаимодействия проектируемых объектов с природной средой, категорий сложности природных и техногенных условий, а также необходимой детальности изыскательских работ, состава, объемов, методов и технологии выполнения инженерных изысканий;
· обоснование применения современных нестандартизированных технологий (методов) производства инженерных изысканий для строительства в различных природных и техногенных условиях;
· обоснование установления характеристик и параметров отдельных компонентов природной среды и происходящих в ней процессов на территории и в пределах зоны предполагаемого воздействия (по объектам, отнесенным к экологически опасным видам хозяйственной деятельности, а при необходимости и по другим объектам).
Перечень экологически опасных объектов и видов хозяйственной деятельности, при подготовке обосновывающей документации на строительство которых оценка воздействия на окружающую среду проводится в обязательном порядке, принимается в соответствии с Конвенцией об оценке воздействия на окружающую среду в трансграничном контексте.
· мероприятия по обеспечению безопасных условий труда (в соответствии с требованиями СНиП III-4-80
), охраны здоровья, по санитарно-гигиеническому и энергоинформационному благополучию работающих с учетом природных и техногенных условий и характера выполняемых работ;
· мероприятия по охране окружающей среды и исключению ее загрязнения и предотвращению ущерба при выполнении инженерных изысканий;
· требования к организации и производству изыскательских работ (состав, объем, методы, технология, последовательность, место и время производства отдельных видов работ), контроль за качеством работ;
· перечень и состав отчетных материалов, сроки их представления;
· обоснование необходимости выполнения научно-исследовательских работ при инженерных изысканиях для проектирования крупных и уникальных объектов или в сложных природных и техногенных условиях; сведения по метрологическому обеспечению. К программе инженерных изысканий для строительства должна прилагаться копия технического задания и другая документация, необходимая для производства изыскательских работ.
В курсовой работе должны быть запроектированы все выше перечисленные пункты.
3. Определение объема инженерно-геологических изысканий
3.1. Определение количества скважин
Количество скважин зависит от размеров в плане проектируемого объекта, категории сложности инженерно-геологических условий и уровня ответственности здания. В табл. 1 приведены максимально возможные расстояния между скважинами (шурфами) в зависимости от выше перечисленных факторов.
Таблица 1
Минимальное расстояние разведочными выработками
| Категория сложности инженерно-геологических условий
|
Расстояние между горными выработками для зданий и сооружений I и II уровней ответственности, м
|
| I
|
II
|
| I
|
75-50
|
100-75
|
| II
|
40-30
|
50-40
|
| III
|
25-20
|
30-25
|
Большие значения расстояний следует применять для зданий и сооружений малочувствительных к неравномерным осадкам, меньшие – для чувствительных к неравномерным осадкам. К зданиям малочувствительным к неравномерным осадкам относятся здания с жестким монолитным каркасом.
Для определения количества скважин необходимо нарисовать в масштабе 1:500 план проектируемого здания. На этом плане, исходя из максимально возможных расстояний, графически располагаются скважины (см. рис. 1). Расположение скважин производится произвольно с таким расчетом, чтобы они охватили все части здания и некоторую территорию, прилегающую к зданию. При необходимости проведения изысканий под инженерные коммуникации скважины располагают по оси этих коммуникаций.
Рис. 1. Схема для определения количества скважин
3.2. Определение глубины бурения
Определение глубины разведочных скважин (шурфов) производится исходя из величин давления на подошве фундаментов проектируемого здания. При этом из множества вариантов выбирается фундамент с наибольшей нагрузкой. В табл. 2 приведены глубины скважин, начиная с котлована под фундаменты. То есть проектная глубина состоит из суммы глубина котлована плюс расстояние, определенное по табл. 2.
Таблица 2
Значения величин для определения глубины скважин
| Здание на ленточных фундаментах
|
Здание на отдельных опорах
|
| Нагрузка на фундамент, кН/м (этажность)
|
Глубина горной выработки от подошвы фундамента, м
|
Нагрузка на опору, кН
|
Глубина горной выработки от подошвы фундамента, м
|
| До 100 (1)
|
4-6
|
До 500
|
4-6
|
| 200 (2-3)
|
6-8
|
|
5-7
|
| 500 (4-6)
|
9-12
|
2500
|
7-9
|
| 700 (7-10)
|
12-15
|
5000
|
9-13
|
| 1000 (11-16)
|
15-20
|
10000
|
11-15
|
| 2000 (более 16)
|
20-23
|
15000
|
12-19
|
| |
|
50000
|
18-26
|
Меньшие значения глубин принимаются при отсутствии подземных вод в пределах сжимаемой толщи грунтов оснований, а большие – при их наличии. Глубина котлована назначается по глубине заложения фундамента, которая зависит от глубины промерзания, наличия подвалов и приямков, уровня подземных вод.
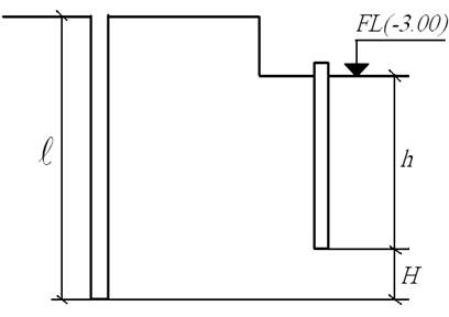
Для определения глубины скважин в масштабе строится схема (см. рис. 2).

Рис. 2. Схема для определения глубины скважин для безподвального здания
При использовании свайных фундаментов глубина скважин должны быть на 5 м больше длины свай (см. рис. 3).
Рис. 3. Схема определения глубины бурения здания при использовании свай
3.3. Определение количества образцов
Определение объема работ по лабораторным исследованиям свойств грунтов производится исходя из количества слоев и глубины бурения. В каждом слое через 2 м отбираются монолиты (из глинистых грунтов) и образцы нарушенной структуры (из песчаных грунтов). Отбор образцов из каждого слоя может производиться не из всех скважин, но из каждого слоя. Количество образцов должно быть достаточным для определения основных физических характеристик (плотность, плотность твердых частиц, влажность, влажности на границах пластичности, гранулометрический состав); основных механических характеристик (модуль общей деформации, удельное сцепление, угол внутреннего трения) и коэффициента фильтрации.

Рис. 4. Геологический разрез для определения количества образцов
Определение количества образцов производится по геологическому разрезу, составленному по результатам изысканий, проведенных ранее на ближайшем к месту изысканий объекте. Количество образцов может быть уточнено во время изысканий на проектируемом объекте.
В программе изысканий должны быть предусмотрены опытные полевые работы: статическое и динамическое зондирование, прессиометрические испытания, испытания штампами и эталонными сваями. Выбор метода зависит от характеристик проектируемого здания и категории сложности инженерно-геологических условий. В курсовой работе необходимо обосновать применение опытных полевых работ и вкратце описать технологию проведения.
ЗАКЛЮЧЕНИЕ
В заключении студент перечисляет методы, применяемые для инженерно-геологических изысканий, и обосновывает объем проектируемых работ
Список литературы
1. Бондарик Г.К., Ярг Л.А. Инженерно-геологические изыскания. – М.: Университет, 2007.
2. СНиП 11-02-96 Инженерные изыскания для строительства. – М., ГОССТРОЙ России, 1997.
3. СП 11-105-97 Инженерно-геологические изыскания. Ч. 1. Общие правила производства работ. М., ГОССТРОЙ России, 1997.
4. СП 50-101-2004 Проектирование и устройство оснований и фундаментов зданий и сооружений. – М. ГОССТРОЙ России, 2005.
ПРИЛОЖЕНИЯ
Приложение 1
ТЕХНИЧЕСКОЕ ЗАДАНИЕ
на производство инженерно-строительных изысканий ____________________
1. Наименование объекта _________________________________________
2. Местоположение и границы района (участка) строительства
__________________________________________________________________
3. Заказчик (застройщик) и его ведомственная принадлежность
__________________________________________________________________
4. Проектная организация, выдавшая задание ___________________________
5. Фамилия, инициалы и номер телефона ГИПа _________________________
6. Номер и дата получения разрешений на производство инженерных
изысканий_______________________________________________________
7. Сведения о наличии материалов ранее выполняемых изысканий
__________________________________________________________________
8. Техническая характеристика проектируемого объекта
__________________________________________________________________
9. Предполагаемая площадь строительной площади, направление, протяженность, начальные и конечные пункты трасс, инженерных коммуникаций _________________________________________________________________
10. Данные по воздействию проектируемого объекта на природную среду, рациональном природопользовании, мероприятия по охране и инженерной защите территорий и сооружений _____________________________________
11. Стадия (этап) проектирования __________________________________
12. Стоимость строительства (млн. руб.)______________________________
Стоимость СМР (млн. руб.)______________________________________
13. Год начала строительства_______________________________________
14. Проектные задачи, для решения которых необходимы материалы изысканий_________________________________________________________
15. Перечень отчетных материалов __________________________________
16. Очередность предоставления отчетных материалов _________________
17. Требования к точности изысканий надежности или обеспеченности расчетных характеристик ____________________________________________
18. Особые или дополнительные требования к производству изысканий или отчетным материалам____________________________________________
ПРИЛОЖЕНИЯ: 1. Техническая характеристика зданий
2. Схема генплана
Главный инженер проекта ___________________________________________
Приложение 2
ТЕХНИЧЕСКАЯ ХАРАКТЕРИСТИКА ЗДАНИЙ И СООРУЖЕНИЙ
| №
п.п
|
№ по экспликации
|
Вид и назначение проектируемого
здания и сооружения
|
Конструк
тивные
особенности
|
Габариты
(длина, ширина, высота)
|
Намечаемый вид (тип) фундаментов (свайный, плита, ленточный), его размеры отметка ростверка свайного ф-та
|
Этажность
|
Нагрузка на фундамент
|
Предпо-
лагаем. глубина залож
Фунда-ментов
Или погру-жения свай
|
Наличие мокрых техноло-гических процесс-сов
|
Наличие подвалов, приямков их глубина и назначение
|
Наличие динами-ческих нагру-зок
|
Предпо-лагаем. нагрузки на грунты кг
(кв. см)
|
Чувствит.
к неравно-мерным осадкам (допуска-емые вели-чины деформаций)
|
Прочие сведения
|
| на одну опору куст, (свай)
|
на 1 пм
|
| |
|
|
|
|
|
|
|
|
|
|
|
|
|
|
|
| |
|
|
|
|
|
|
|
|
|
|
|
|
|
|
|
| |
|
|
|
|
|
|
|
|
|
|
|
|
|
|
|
| |
|
|
|
|
|
|
|
|
|
|
|
|
|
|
|
| |
|
|
|
|
|
|
|
|
|
|
|
|
|
|
|
| |
|
|
|
|
|
|
|
|
|
|
|
|
|
|
|
| |
|
|
|
|
|
|
|
|
|
|
|
|
|
|
|
| |
|
|
|
|
|
|
|
|
|
|
|
|
|
|
|
| |
|
|
|
|
|
|
|
|
|
|
|
|
|
|
|
| |
|
|
|
|
|
|
|
|
|
|
|
|
|
|
|
| |
|
|
|
|
|
|
|
|
|
|
|
|
|
|
|
| |
|
|
|
|
|
|
|
|
|
|
|
|
|
|
|
| |
|
|
|
|
|
|
|
|
|
|
|
|
|
|
|
.
Приложение 3
Предельные деформации оснований



Приложение 4
КАТЕГОРИИ СЛОЖНОСТИ ИНЖЕНЕРНО-ГЕОЛОГИЧЕСКИХ УСЛОВИЙ
| Факторы
|
I (простая)
|
II (средней сложности)
|
III (сложная)
|
| Геоморфологические условия
|
Площадка (участок) в пределах одного геоморфологического элемента. Поверхность горизонтальная, нерасчлененная
|
Площадка (участок) в пределах нескольких геоморфологических элементов одного генезиса. Поверхность наклонная, слабо расчлененная
|
Площадка (участок) в пределах нескольких геоморфологических элементов разнога генезиса. Поверхность сильно расчлененная
|
| Геологические в сфере взаимодействия зданий и сооружений с геологической средой
|
Не более двух различных по литологии слоев, залегающих горизонтально или слабо наклонно (уклон не более 0,1). Мощность выдержана по простиранию. Незначительная степень неоднородности слоев по показателям свойств грунтов, закономерно изменяющихся в плане и по глубине. Скальные грунты залегают с поверхности или перекрыты маломощным слоем нескальных грунтов
|
Не более четырех различных по литологии слоев, залегающих наклонно или с выклиниванием. Мощность изменяется закономерно. Существенное изменение характеристик свойств грунтов в плане или по глубине. Скальные грунты имеют неровную кровлю и перекрыты нескальными грунтами
|
Более четырех различных по литологии слоев. Мощность резко изменяется. Линзовидное залегание слоев. Значительная степень неоднородности по показателям свойств грунтов, изменяющихся в плане или по глубине. Скальные грунты имеют сильно расчлененную кровлю и перекрыты нескальными грунтами. Имеются разломы разного порядка
|
| Гидрогеологические в сфере взаимодействия зданий и сооружений с геологической средой
|
Подземные воды отсутствуют или имеется один выдержанный горизонт подземных вод с однородным химическим составом
|
Два и более выдержанных горизонтов подземных вод, местами с неоднородным химическим составом или обладающих напором и содержащих загрязнение
|
Горизонты подземных вод не выдержаны по простиранию и мощности, с неоднородным химическим составом или разнообразным загрязнением. Местами сложное чередование водоносных и водоупорных пород. Напоры подземных вод и их гидравлическая связь изменяются по простиранию
|
| Геологические и инженерно-геологические процессы, отрицательно влияющие на условия строительства и эксплуатации зданий и сооружений
|
Отсутствуют
|
Имеют ограниченное распространение и (или) не оказывают существенного влияния на выбор проектных решений, строительство и эксплуатацию объектов
|
Имеют широкое распространение и (или) оказывают решающее влияние на выбор проектных решений, строительство и эксплуатацию объектов
|
| Специфические грунты в сфере взаимодействия зданий и сооружений с геологической средой
|
Отсутствуют
|
Имеют ограниченное распространение и (или) не оказывают существенного влияния на выбор проектных решений, строительство и эксплуатацию объектов
|
Имеют широкое распространение и (или) оказывают решающее влияние на выбор проектных решений, строительство и эксплуатацию объектов
|
| Техногенные воздействия и изменения освоенных территорий
|
Незначительные и могут не учитываться при инженерно-геологических изысканиях и проектировании
|
Не оказывают существенного влияния на выбор проектных решений и проведение инженерно-геологических изысканий
|
Оказывают существенное влияние на выбор проектных решений и осложняют производство инженерно-геологических изысканий в части увеличения их состава и объемов работ
|
Приложение 5
ВИДЫ, ГЛУБИНЫ И НАЗНАЧЕНИЕ ГОРНЫХ ВЫРАБОТОК ПРИ ИНЖЕНЕРНО-ГЕОЛОГИЧЕСКИХ ИЗЫСКАНИЯХ
| Вид горных выработок
|
Максимальная глубина горных выработок, м
|
Условия применения горных выработок
|
| Закопушки
|
0,6
|
Для вскрытия грунтов при мощности перекрывающих отложений не долее 0,5 м
|
| Расчистки
|
1,5
|
Для вскрытия грунтов на склонах при мощности перекрывающих отложений не более 1 м
|
| Канавы
Траншеи
|
3,0
6,0
|
Для вскрытия крутопадающих слоев грунтов при мощности перекрывающих отложений не более 2,5 м
|
| Шурфы и дудки
|
20
|
Для вскрытия грунтов, залегающих горизонтально или моноклинально
|
| Шахты
|
Определяется программой изысканий
|
В сложных инженерно-геологических условиях
|
| Подземные горизонтальные горные выработки
|
То же
|
То же
|
| Скважины
|
То же
|
Определяются приложением Г и программой изысканий
|
Приложение 6
СПОСОБЫ И РАЗНОВИДНОСТИ БУРЕНИЯ СКВАЖИН ПРИ ИНЖЕНЕРНО-ГЕОЛОГИЧЕСКИХ ИЗЫСКАНИЯХ
| Способ бурения
|
Разновидность способа бурения
|
Диаметр бурения (по диаметру обсадных труб), мм
|
Условия применения (виды и характеристика грунтов)
|
| Колонковый
|
С промывкой водой
|
34-146
|
Скальные невыветрелые (монолитные) и слабовыветрелые (трещиноватые)
|
| |
С промывкой глинистым раствором
|
73-146
|
Скальные слабовыветрелые (трещиноватые), выветрелые и сильновыветрелые (рухляки), крупнообломочные; песчаные; глинистые
|
| |
С продувкой воздухом (охлажденным при проходке мерзлых грунтов)
|
73-146
|
Скальные невыветрелые (монолитные) и слабовыветрелые (трещиноватые), необводненные, а также в мерзлом состоянии; дисперсные, тверломерзлые и пластично-мерзлые
|
| |
С промывкой солевыми и охлажденными растворами
|
73-146
|
Все виды грунтов в мерзлом состоянии
|
| |
С призабойной циркуляцией промывочной жидкости
|
89-146
|
Скальные выветрелые и сильновыветрелые (рухляки), обводненные, глинистые
|
| |
Всухую
|
89-219
|
Скальные выветрелые и сильновыветрелые (рухляки), песчаные и глинистые необводненные и слабообводненные, твердомерзлые и пластичномерзлые
|
| Ударно-канатный кольцевым забоем
|
Забивной
|
108-325
|
Песчаные и глинистые необводненные и слабообводненные, пластичномерзлые
|
| |
Клюющий
|
89-168
|
Глинистые слабообводненные
|
| Ударно-канатный сплошным забоем
|
С применением долот и желонок
|
127-325
|
Крупнообломочные; песчаные обводненные и слабообводненные
|
| Вибрационный
|
С применением вибратора или вибромолота
|
89-168
|
Песчаные и глинистые обводненные и слабообводненные
|
| Шнековый
|
Рейсовое (кольцевым забоем)
|
146-273
|
Крупнообломочные, песчаные, глинистые слабообводненные и обводненные
|
| |
Поточное
|
108-273
|
Крупнообломочные, песчаные, глинистые слабообводненные и обводненные
|
Приложение 7
ЗАДАЧИ ОСНОВНЫХ И ВСПОМОГАТЕЛЬНЫХ МЕТОДОВ ГЕОФИЗИЧЕСКИХ ИССЛЕДОВАНИЙ ПРИ ИНЖЕНЕРНО-ГЕОЛОГИЧЕСКИХ ИЗЫСКАНИЯХ
| Задачи исследований
|
Геофизические методы
|
| |
Основные
|
Вспомогательные
|
| Определение геологического строения массива
|
| Рельеф кровли скальных и мерзлых грунтов, мощность нескальных и талых перекрывающих грунтов
|
Электроразведка методами электропрофилирования (ЭП) и вертикального электрического зондирования по методу кажущихся сопротивлений (ВЭЗ); сейсморазведка методом преломленных (МПВ) и отраженных (МОГТ) волн
|
ВЭЗ по методу двух составляющих (ВЭЗ МДС); частотное электромагнитное зондирование (ЧЭМЗ); дипольно-электромагнитное профилирование (ДЭМП); метод отраженных волн (MOB); гравиразведка
|
| Расчленение разреза. Установление границ между слоями различного литологического состава и состояния в скальных и дисперсных породах
|
ВЭЗ; МПВ; различные виды каротажа — акустический, электрический, радиоизотопный
|
ВЭЗ МДС; ВЭЗ по методу вызванных потенциалов (ВЭЗ ВП); ЧЭМЗ; вертикальное сейсмическое профилирование (ВСП); непрерывное сейсмоакустическое профилирование на акваториях
|
| Местоположение, глубина залегания и форма локальных неоднородностей:
|
| зоны трещиноватости и тектонических нарушений, оценки их современной активности
|
ВЭЗ; ВЭЗ МДС; круговое вертикальное зондирование ( ВЭЗ), метод естественного поля (ПС); МПВ; МОГТ; ВСП; расходометрия; различные виды каротажа; радиокип; газово-эманационная съемка; георадиолокация
|
ВЭЗ ВП; радиоволновое просвечивание; ДЭМП; магниторазведка, регистрация естественного импульсного электромагнитного поля Земли (ЕИЭМПЗ);
|
| карстовые полости и подземные выработки
|
ЭП; ВЭЗ; ВЭЗ; ВСП; расходометрия, резистивиметрия, газово-эманационная съемка
|
МОГТ; сейсмоакустическое просвечивание; радиоволновое просвечивание; гравиразведка; георадиолокация
|
| погребенные останцы и локальные переуглубления в скальном основании
|
МОГТ; ВЭЗ; ВЭЗ МДС; ЭП; гравиразведка, магниторазведка; газово-эманационная съемка
|
ДЭМП; сейсмическое просвечивание; георадиолокация
|
| льды и сильнольдистые грунты
|
ЭП; ВЭЗ; ВЭЗ МДС; МПВ; различные виды каротажа
|
ВЭЗ ВП; ДЭМП; ЧЭМЗ; микромагнитная съемка, гравиразведка
|
| межмерзлотные воды и талики
|
ЭП;ВЭЗ МДС; термометрия
|
ПС; ВЭЗ ВП
|
| Изучение гидрогеологических условий
|
| Глубина залегания уровня подземных вод
|
МПВ, ВЭЗ
|
ВЭЗВП
|
| Глубина залегания, мощность линз соленых и пресных вод
|
ЭП; ЭП МДС; ВЭЗ; резистивиметрия
|
ВЭЗ МДС; ВЭЗ ВП; ЧЭМЗ; расходометрия
|
| Динамика уровня и температуры подземных вод
|
Стационарные наблюдения ВЭЗ; МПВ; нейтрон-нейтронный каротаж (НН); термометрия
|
-
|
| Направление, скорость движения, места разгрузки подземных вод, изменение их состава
|
Резистивиметрия; расходометрия; метод заряженного тела (МЗТ); ПС; ВЭЗ
|
Термометрия; спектрометрия
|
| Загрязнение подземных вод
|
ВЭЗ; резистивиметрия
|
ПС
|
| Изучение состава, состояния и свойств грунтов
|
| Скальные:
пористость и трещиноватость, статический модуль упругости, модуль деформации, временное сопротивление одноосному сжатию, коэффициент отпора, напряженное состояние
|
Различные виды каротажа, МПВ; сейсмоакустическое просвечивание; ВСП; лабораторные измерения удельных электрических сопротивлений (УЭС) и скоростей упругих волн
|
ВЭЗ
|
| Песчаные, глинистые и пылеватые, крупнообломонные:
влажность, плотность, пористость, модуль деформации, угол внутреннего трения и сцепление
|
Различные виды каротажа, ВСП
|
МПВ, сейсмическое просвечивание; лабораторные измерения УЭС и скоростей упругих волн
|
| Песчаные и глинистые мерзлые:
влажность, льдистость, пористость, плотность, временное сопротивление одноосному сжатию
|
Различные виды каротажа; ВСП; лабораторные измерения УЭС и скоростей упругих волн
|
ВЭЗ; ВЭЗ МДС
|
| Коррозионная активность грунтов и наличие блуждающих токов
|
ВЭЗ; ЭП; ПС: лабораторные измерения плотности поляризующего тока; регистрация блуждающих токов
|
-
|
| Изучение геологических процессов и их изменений
|
| Изменение напряженного состояния и уплотнения грунтов
|
МПВ; ВСП; сейсмическое просвечивание; различные вилы каротажа; резистивиметрия в скважинах и водоемах: гравиметрия
|
Регистрация естественного импульсного электромагнитного поля Земли (ЕИЭМПЗ); ПС; эманационная съемка
|
| Оползни
|
МПВ, ЭП; ВЭЗ; различные виды каротажа
|
ПС; режимные наблюдения акустической эмиссии; магнитные марки; эманационная съемка; ЕИЭМПЗ
|
| Карст
|
ВЭЗ МДС; ЭП; ПС; МПВ; ОГП; различные виды каротажа; резистивиметрия в скважинах и водоёмах; гравиметрия
|
ВЭЗ; ВЭЗ ВП; МЗТ, эманационная съемка
|
| Изменение мощности слоя оттаивания, температуры и свойств мерзлых грунтов
|
ВЭЗ; ЭП; МПВ; ВСП; различные виды каротажа
|
ПС;ЧЭМЗ
|
| Сейсмическое микрорайонирование территории
|
МПВ; ВСП; гамма-гамма каротаж (ГГ); регистрация слабых землетрясений, взрывов
|
Регистрация сильных землетрясений, регистрация микросейм, определение характеристик затухания и поглощения сейсмических волн в грунтах
|
Примечание
— В сложных инженерно-геологических условиях ВЭЗ проводится в модификации ВЭЗ МДС.
Обозначения -
ЭП — электропрофилирование; ВЭЗ — вертикальное электрическое зондирование; ВЭЗ МДС — вертикальное электрическое зондирование по методу двух составляющих; ЧЭМЗ — частотное электромагнитное зондирование; ЭП МДС - электропрофилирование по методу двух составляющих; ДЭМП — дипольно-электромагнитное профилирование; ВЭЗ ВП — вертикальное электрическое зондирование вызванных потенциалов; КВЭЗ — круговое вертикальное электрическое зондирование; ПС — естественное электрическое поле; УЭС — удельное электрическое сопротивление; МЗТ — метод заряженного тела; ЕИЭМПЗ — естественное импульсное электромагнитное поле Земли; МПВ — сейсморазведка методом преломленных волн; MOB — сейсморазведка методом отраженных волн; МОГТ — сейсморазведка методом общей глубинной точки; ВСП — вертикальное сейсмическое профилирование; ОГП — сейсморазведка методом обшей глубинной площадки; ННК — нейтрон-нейтронный каротаж; ГТК — гамма-гамма каротаж
Приложение 8
ЦЕЛИ И МЕТОДЫ ПОЛЕВЫХ ИССЛЕДОВАНИЙ СВОЙСТВ ГРУНТОВ ПРИ ИНЖЕНЕРНО-ГЕОЛОГИЧЕСКИХ ИЗЫСКАНИЯХ
| Методы полевых исследований свойств грунтов
|
Цели полевых исследований свойств грунтов
|
Изучаемые грунты
|
Обозначение государственного стандарта метода
|
| |
|
Определение показателей
|
Оценка
|
Оценка
|
|
|
|
исследования
|
| |
Расчленение геологического разреза и выделение ИГЭ
|
физических свойств грунтов
|
деформационных свойств грунтов
|
прочностных свойств грунтов
|
показателей сопротивления грунтов основания свай
|
Пространственной изменчивости свойств грунтов
|
возможности погружения свай в грунты и несущей способности
|
Крупнообломочные
|
Песчаные
|
Глинистые
|
|
| Статическое зондирование
|
+
|
+
|
+
|
+
|
+
|
+
|
+
|
-
|
+
|
+
|
20069-81
|
| Динамическое зондирование
|
+
|
+
|
+
|
+
|
-
|
+
|
+
|
-
|
+
|
+
|
19912-81
|
| Испытание штампом
|
-
|
-
|
+
|
-
|
-
|
-
|
-
|
+
|
+
|
+
|
20276-85
|
| Испытание прессиометром
|
-
|
-
|
+
|
-
|
-
|
+
|
-
|
-
|
+
|
+
|
20276-85
|
| Испытание на срез целиков грунта
|
-
|
-
|
-
|
+
|
-
|
-
|
-
|
+
|
+
|
+
|
23741-79
|
| Вращательный срез
|
+
|
-
|
-
|
+
|
-
|
+
|
-
|
-
|
-
|
+
|
21719-80
|
| Поступательный срез
|
+
|
-
|
-
|
+
|
-
|
+
|
-
|
-
|
+
|
+
|
21719-80
|
| Испытание эталонной сваей
|
-
|
-
|
-
|
-
|
+
|
-
|
+
|
+
|
+
|
+
|
5686-94
|
| Испытание натурных свай
|
-
|
-
|
-
|
-
|
+
|
-
|
+
|
+
|
+
|
+
|
5686-94
|
Приложение 9
МЕТОДЫ ОПРЕДЕЛЕНИЯ ГИДРОГЕОЛОГИЧЕСКИХ ПАРАМЕТРОВ И
ХАРАКТЕРИСТИК ГРУНТОВ И ВОДОНОСНЫХ ГОРИЗОНТОВ ПРИ
ИНЖЕНЕРНО-ГЕОЛОГИЧЕСКИХ ИЗЫСКАНИЯХ
| Гидрогеологические параметры и характеристики
|
Методы определения
|
Условия применения
|
| I. Параметры и характеристики грунтов (горных пород):
Коэффициент фильтрации (водопроницаемости)
|
Полевые испытания в соответствии с ГОСТ 23278-78, экспресс-откачки и наливы, лабораторные методы и расчеты по эмпирическим формулам
|
Водонасыщенные и неводонасыщенные грунты
|
| Коэффициент водоотдачи (гравитационной или упругой)
|
Кустовые откачки из скважин. Стационарные наблюдения за уровнем подземных вод (УПВ). Лабораторные методы
|
Водонасыщенные грунты
|
| Коэффициент недостатка насыщения
|
Наливы воды в шурфы
|
Неводонасыщенные грунты
|
| Высота капиллярного поднятия (капиллярный вакуум)
|
Наливы воды в шурфы, лабораторные методы
|
Неводонасыщенные грунты
|
| Удельное водопоглощение (относительная водопроницаемость)
|
Наливы воды в скважины
|
Водонасыщенные и неводонасыщенные грунты
|
| |
Нагнетания воды в скважины
|
Водонасыщенные грунты
|
| |
Нагнетания воздуха в скважины
|
Неводонасыщенные грунты
|
| II
. Параметры и характеристики водоносных горизонтов:
Мощность водоносного горизонта
|
Анализ гидрогеологического разреза. Поинтервальное опытно-фильтрационное опробование
|
Водонасыщенные грунты
|
| Направление подземного потока
|
По карте гидроизогипс (гидроизопьез)
|
Водонасыщенные грунты
|
| Гидравлический градиент (уклон) подземного потока
|
То же
|
Водонасыщенные
грунты
|
| Коэффициент водопроводимости
|
Опытные откачки из скважин
|
Водонасыщенные грунты
|
| Коэффициент уровнепроводности (пьезопроводности)
|
Кустовые откачки из скважин
|
Водонасыщенные грунты
|
| Коэффициенты перетекания и вертикального водообмена
|
Кустовые откачки воды из скважин. Стационарные наблюдения за УПВ
|
Слоистые водоносные толщи
|
| Фильтрационное сопротивление днищ водоемов
|
Стационарные наблюдения за уровнями подземных и поверхностных вод
|
Водонасыщенные грунты
|
| Действительная скорость движения подземных вод
|
Полевые геофизические и индикаторные методы
|
Водонасыщенные грунты
|
| Инфильтрационное питание (модуль питания пласта)
|
Стационарные наблюдения за УПВ. Балансовые расчеты
|
Водонасыщенные грунты
|
Приложение 10
ВИДЫ ЛАБОРАТОРНЫХ ОПРЕДЕЛЕНИЙ ФИЗИКО-МЕХАНИЧЕСКИХ СВОЙСТВ ГРУНТОВ ПРИ ИНЖЕНЕРНО-ГЕОЛОГИЧЕСКИХ ИЗЫСКАНИЯХ
| Лабораторное определение
|
Грунты
|
Обозначение
|
| |
Скальные
|
Крупнообломочные
|
Песчаные
|
Глинистые
|
государственного стандарта на методы определения свойств грунтов
|
| Гранулометрический состав
|
-
|
+
|
+
|
С
|
12536-79
|
| Петрографический состав
|
С
|
С
|
-
|
-
|
-
|
| Минеральный состав
|
-
|
С
|
С
|
С
|
-
|
| Валовой химический состав
|
С
|
-
|
С
|
С
|
-
|
| Суммарное содержание легко- и среднерастворимых солей
|
С
|
С
|
С
|
С
|
-
|
| Емкость поглощения и состава обменных катионов
|
-
|
-
|
-
|
С
|
-
|
| Относительное содержание органических веществ
|
-
|
С
|
С
|
С
|
23740-79
|
| Природная влажность
|
С
|
+
|
+
|
+
|
5180-84
|
| Плотность
|
+
|
+
|
+
|
+
|
5180-84
|
| Максимальная плотность (стандартное уплотнение)
|
-
|
С
|
С
|
С
|
22733-77
|
| Плотность в предельно плотном и рыхлом состоянии
|
-
|
С
|
С
|
-
|
-
|
| Плотность частиц грунта
|
-
|
+
|
+
|
+
|
5180-84
|
| Границы текучести и раскатывания
|
-
|
С
|
-
|
+
|
5180-84
|
| Угол естественного откоса
|
-
|
-
|
С
|
-
|
-
|
| Максимальная молекулярная влагоемкость
|
-
|
-
|
С
|
С
|
-
|
| Коэффициент фильтрации
|
-
|
-
|
С
|
С
|
25584-90
|
| Размокаемость
|
С
|
-
|
-
|
С
|
-
|
| Растворимость
|
С
|
-
|
-
|
-
|
-
|
| Коэффициент выветрелости
|
С
|
С
|
-
|
-
|
-
|
| Коррозионная активность
|
-
|
-
|
С
|
С
|
-
|
| Компрессионное сжатие
|
-
|
С
|
С
|
+
|
12248-96
|
| Трехосное сжатие
|
-
|
С
|
С
|
+
|
12248-96
|
| Сопротивление срезу (прочность)
|
-
|
С
|
С
|
+
|
12248-96
|
| Сопротивление одноосному сжатию
|
+
|
С
|
-
|
С
|
12248-96
|
| Лабораторные испытания. Общие положения
|
+
|
+
|
+
|
+
|
30416-96
|
Обозначения:
«+» - определения выполняются;
«-» - определения не выполняются;
«С» - определения выполняются по дополнительному заданию
Приложение 11
ПОКАЗАТЕЛИ ХИМИЧЕСКОГО СОСТАВА ПОДЗЕМНЫХ И ПОВЕРХНОСТНЫХ ВОД И МЕТОДЫ ИХ ЛАБОРАТОРНЫХ ОПРЕДЕЛЕНИЙ ПРИ ИНЖЕНЕРНО-ГЕОЛОГИЧЕСКИХ ИЗЫСКАНИЯХ
| Показатели химического состава воды
|
Коррозионная активность воды к оболочкам кабелей
|
Вид анализа воды
|
Метод испытания или обозначение государственного
|
| |
вым
|
алюминиевым
|
ный
|
полный
|
стандарта на методы определения
|
| Физические свойства:
|
|
|
|
|
|
| температура в момент взятия пробы, °С
|
+
|
+
|
+
|
+
|
1030-81
|
| запах при температуре, °С
|
|
|
|
|
|
| 20
|
-
|
-
|
-
|
+
|
3351-74
|
| 60
|
-
|
-
|
-
|
+
|
3351-74
|
| вкус и привкус при температуре 20 °С
|
-
|
-
|
-
|
+
|
3351-74
|
| цветность
|
-
|
-
|
-
|
+
|
3351-74
|
| мутность
|
-
|
-
|
-
|
+
|
3351-74
|
| Водородный показатель рН
|
+
|
+
|
+
|
+
|
2874-82
|
| Сухой остаток
|
-
|
-
|
+
|
+
|
18164-72
|
| Гидрокарбонаты
|
-
|
-
|
+
|
+
|
Унифицированный
|
| Карбонаты
|
-
|
-
|
+
|
+
|
То же
|
| Сульфаты
|
-
|
-
|
+
|
+
|
4389-72
|
| Хлориды
|
+
|
+
|
+
|
+
|
4245-72
|
| Кальций
|
-
|
-
|
+
|
+
|
Унифицированный
|
| Натрий
|
-
|
-
|
-
|
+
|
То же
|
| Калий
|
-
|
-
|
-
|
+
|
То же
|
| Натрий + калий
|
-
|
-
|
по расчету
|
-
|
-
|
| Жесткость:
общая
карбонатная
постоянная
|
+
+
+
|
-
-
-
|
То же
То же
То же
|
по расчету
То же
То же
|
4151-72
-
-
|
| Углекислота свободная
|
-
|
-
|
+
|
+
|
Унифицированный
|
| Окисляемость перманганатная
|
гумус по окисляемости
|
-
|
+
|
+
|
То же
|
| Кремнекислота
|
-
|
-
|
-
|
+
|
То же
|
| Соединения азота:
нитраты
нитриты
аммоний
|
+
+
-
|
-
+
-
|
+
+
+
|
+
+
+
|
18826-73
4192-82
4192-82
|
| Железо:
общее
закисное
окисное
|
+
-
-
|
+
-
-
|
-
+
+
|
-
+
+
|
4011-72
Унифицированный
То же
|
| Магний
|
-
|
-
|
+
|
+
|
То же
|
| Фтор
|
-
|
-
|
-
|
+
|
4386-89
|


Сергеев Сергей Валентинович, докт. техн. наук, проф.
Рыбалов Алексей Иванович , доц.
МЕТОДИЧЕСКИЕ УКАЗАНИЯ
по курсовому проектированию по дисциплине
«ИНЖЕНЕРНО-ГЕОЛОГИЧЕСКИЕ ИЗЫСКАНИЯ»
для студентов специальности 130302 «Поиски и разведка
подземных вод и инженерно-геологические изыскания»
|