| МИНИСТЕРСТВО ЭНЕРГЕТИКИ И ЭЛЕКТРИФИКАЦИИ СССР
ГЛАВНОЕ ТЕХНИЧЕСКОЕ УПРАВЛЕНИЕ ПО ЭКСПЛУАТАЦИИ ЭНЕРГОСИСТЕМ
МЕТОДИЧЕСКИЕ УКАЗАНИЯ
ПО ЭКСПЛУАТАЦИОННОМУ КОНТРОЛЮ ЗА СОСТОЯНИЕМ СЕТЕВЫХ ПОДОГРЕВАТЕЛЕЙ
РД 34.40.505
(МУ 34-70-104-85)
УДК 697.34.004.58
Срок действия установлен
с 01.11.85 г. до 01.11.90 г.
РАЗРАБОТАНО предприятием "Сибтехэнерго" Производственного объединения по наладке, совершенствованию технологии и эксплуатации электростанций и сетей "Союзтехэнерго"
ИСПОЛНИТЕЛИ В.Ф. РЫБАЛКО, В.А. КОРЖЕНКОВ
УТВЕРЖДЕНО Главным техническим управлением по эксплуатации энергосистем 05.08.85г.
Заместитель начальника Д.Я. ШАМАРАКОВ
Методические указания устанавливают порядок определения основных показателей и оценки состояния поверхностей нагрева сетевых подогревателей в целях поддержания экономичных режимов работы оборудования и предназначены для персонала предприятий ПО "Союзтехэнерго", служб наладки энергоуправлений, цехов наладки электростанций и других подразделений, осуществляющих испытания, наладку и эксплуатацию сетевых подогревателей ТЭС и котельных.
1. ОБЩАЯ ЧАСТЬ
1.1. Метод оценки состояния поверхности нагрева сетевого подогревателя основан на сравнении фактического и расчетного температурных напоров.
1.2. Теоретические основы способа оценки состояния поверхности нагрева сетевого подогревателя приведены в приложении 1.
1.3. Фактический температурный напор определяется на основании измерений, выполняемых в любом эксплуатационном режиме работы подогревателя, желательно при расходе сетевой воды, близком к номинальному для данного типа подогревателя.
1.4. Расчетный температурный напор при чистой поверхности нагрева определяется по соответствующему графику (приложение 2) для режима работы, при котором проводились эксплуатационные измерения параметров.
Технические характеристики подогревателей приведены в приложении 3.
1.5. Измерения необходимых параметров по каждому подогревателю производятся с помощью штатных контрольно-измерительных приборов, которые должны проходить периодическую проверку, и могут дублироваться с использованием специальных приборов и устройств. Схема измерений должна отвечать требованиям "Методических указаний по испытаниям сетевых подогревателей" (М.: СПО Союзтехэнерго, 1982).
Забиваем Сайты В ТОП КУВАЛДОЙ - Уникальные возможности от SeoHammer
Каждая ссылка анализируется по трем пакетам оценки: SEO, Трафик и SMM.
SeoHammer делает продвижение сайта прозрачным и простым занятием.
Ссылки, вечные ссылки, статьи, упоминания, пресс-релизы - используйте по максимуму потенциал SeoHammer для продвижения вашего сайта.
Что умеет делать SeoHammer
— Продвижение в один клик, интеллектуальный подбор запросов, покупка самых лучших ссылок с высокой степенью качества у лучших бирж ссылок.
— Регулярная проверка качества ссылок по более чем 100 показателям и ежедневный пересчет показателей качества проекта.
— Все известные форматы ссылок: арендные ссылки, вечные ссылки, публикации (упоминания, мнения, отзывы, статьи, пресс-релизы).
— SeoHammer покажет, где рост или падение, а также запросы, на которые нужно обратить внимание.
SeoHammer еще предоставляет технологию Буст, она ускоряет продвижение в десятки раз,
а первые результаты появляются уже в течение первых 7 дней.
Зарегистрироваться и Начать продвижение
1.6. Измерения всех необходимых параметров производятся в один прием за минимальный промежуток времени. Повторная запись показаний измерений - через 10-15 мин. Перед проведением измерений необходимо убедиться в том, что обеспечивается нормальная работа воздухоотсасывающих устройств из парового пространства и поддерживается нормальный уровень конденсата в подогревателе.
1.7. Отклонение значений измеряемых величин по результатам двух измерений не должно превышать:
- по расходу сетевой воды ± 5 %;
- по температуре сетевой воды ± 1 °С;
- по давлению пара, кПа (кгс/см2
): для основных подогревателей ± 4,9 (0,05); для пиковых подогревателей ± 9,8 (0,10);
- по температуре конденсата (при наличии данных измерений) ± 1,0 °С.
1.8. Достоверность данных оценки состояния поверхности нагрева сетевых подогревателей зависит от точности измерения требуемых величин. Особо тщательно следует выполнять измерения давления пара в основных подогревателях.
1.9. Степень загрязнения поверхности нагрева сетевого подогревателя характеризуется показателем b'
, выраженным в процентах. Показатель b'
характеризует уменьшение значения фактического коэффициента теплопередачи по сравнению с расчетным для чистой поверхности нагрева и учитывает влияние на фактический коэффициент теплопередачи загрязнения поверхности нагрева отложениями, наличия неконденсирующихся газов в паровом пространстве, несоответствия фактической поверхности нагрева расчетной.
1.10. В зависимости от значения показателя b'
устанавливаются две степени состояния поверхности нагрева сетевого подогревателя:
- при b'
< 30 % состояние удовлетворительное;
- при b'
³ 30 % состояние неудовлетворительное.
Указанное значение b'
установлено из условия, что фактический температурный напор не превышает расчетное значение не более чем в 2 раза, что соответствует толщине слоя накипи в трубной системе около 0,2 мм. При этом должна быть обеспечена нормальная работа воздухоотсасывающих устройств и регуляторов уровня конденсата, а количество заглушенных или удаленных трубок не должно превышать 5 %.
Значение показателя b'
приведены в приложении 4.
1.11. Оценка состояния поверхностей нагрева сетевых подогревателей производится обязательно перед началом и окончанием отопительного сезона и периодически, не реже одного раза в 2-3 нед в период отопительного сезона. При интенсивном накипеобразовании в трубной системе период между испытаниями может быть сокращен.
Сервис онлайн-записи на собственном Telegram-боте
Попробуйте сервис онлайн-записи VisitTime на основе вашего собственного Telegram-бота:
— Разгрузит мастера, специалиста или компанию;
— Позволит гибко управлять расписанием и загрузкой;
— Разошлет оповещения о новых услугах или акциях;
— Позволит принять оплату на карту/кошелек/счет;
— Позволит записываться на групповые и персональные посещения;
— Поможет получить от клиента отзывы о визите к вам;
— Включает в себя сервис чаевых.
Для новых пользователей первый месяц бесплатно.
Зарегистрироваться в сервисе
2. ПОРЯДОК ПОЛЬЗОВАНИЯ СПОСОБОМ ОЦЕНКИ СОСТОЯНИЯ СЕТЕВЫХ ПОДОГРЕВАТЕЛЕЙ
2.1. Для оценки состояния поверхности нагрева сетевого подогревателя необходимо выполнить измерения следующих величин:
- расхода сетевой воды через подогреватель;
- температуры сетевой воды на входе;
- температуры сетевой воды на выходе;
- давления пара в корпусе подогревателя.
2.2. По усредненным значениям данных измерений, порядок обработки которых приведен в приложении 5, определяются:
2.2.1. Относительный расход сетевой воды
,
где Gи
- измеренный расход сетевой воды, т/ч;
Gн
- номинальный расход сетевой воды для данного типа подогревателя (см. графики приложения 2), т/ч.
2.2.2. Фактический температурный напор
,
где - температура насыщения греющего пара при измеренном давлении, принимается по таблицам теплофизических свойств воды и водяного пара, °С;
- измеренная температура сетевой воды на выходе из подогревателя, °С.
2.2.3. Фактический нагрев сетевой воды в подогревателе Dt
:
,
где - измеренная температура сетевой воды на входе в подогреватель, °С.
2.2.4. Расчетный температурный напор dtp
(по графику приложения 2 для данного типа подогревателя) для условий, соответствующих режиму при проведении измерений, т.е. при ; и G
= Gи
.
2.2.5. Отношение фактического нагрева к расчетному температурному напору
e = Dt
/ dtp
.
2.2.6. Отношение расчетного и фактического температурных напоров
j = dtp
/ dtф
.
2.2.7. Степень загрязнения поверхности нагрева b'
(по приложению 4) в зависимости от полученных значений e, j и .
2.3. Данные измерений и результаты оценки состояния поверхности нагрева сетевого подогревателя рекомендуется оформлять в виде таблицы (см. приложение 6).
Приложение 1
Рекомендуемое
ТЕОРЕТИЧЕСКИЕ ОСНОВЫ СПОСОБА ОЦЕНКИ СОСТОЯНИЯ ПОВЕРХНОСТИ НАГРЕВА СЕТЕВОГО ПОДОГРЕВАТЕЛЯ
Предлагаемый способ оценки состояния поверхности нагрева сетевого подогревателя базируется на сравнении значений фактического, полученного в результате измерений, и теоретического, полученного расчетным путем для чистой поверхности трубного пучка, температурных напоров (dtф
и dtp
).
В практике проектирования и эксплуатации сетевых подогревателей всех типов загрязнение поверхности нагрева трубного пучка учитывается введением коэффициента чистоты (b) к расчетному значению коэффициента теплопередачи (Kp
).
Выявляется зависимость между величинами dtф
, dtp
и b при условии равной тепловой производительности чистого и загрязненного подогревателя с одинаковыми параметрами сетевой воды, но при различных давлениях греющего пара:
; (1)
; (2)
где Qp
и Qф
- расчетная и фактическая тепловая производительность, Гкал/ч;
G
- расход сетевой воды, т/ч;
t
1
- температура сетевой воды на выходе, °С;
t
2
- температура сетевой воды на входе, °С;
Kp
- расчетный коэффициент теплопередачи, ккал/(м2
·ч·°С);
Fp
- расчетная поверхность нагрева подогревателя, м2
;
и - расчетное и фактическое значения среднелогарифмической разности температур пара и сетевой воды, °С;
b - коэффициент чистоты.
Путем преобразований формулы тепловой производительности сетевого подогревателя можно найти зависимость отношения расчетного температурного напора к фактическому (j = dtp
/ dtф
) от коэффициента b.
Из условия равной тепловой производительности следует
. (3)
После сокращения и раскрытия формулы среднелогарифмической разности температур (Dtср
) имеем
, (4)
где Dt
- нагрев сетевой воды в подогревателе, °С;
dtp
и dtф
- расчетный и фактический температурные напоры, °С.
После преобразования получаем
, (5)
Введя обозначения dtp
/ dtф
= j; Dt
/ dtp
= e, имеем
b = ln (je + 1) / ln (e + 1). (6)
Коэффициент чистоты b зависит не только от состояния поверхности нагрева подогревателя, но и незначительно от режима его работы, характеризуемого расходом сетевой воды и температурой ее на входе в подогреватель и выходе из него.
Анализ данных теплотехнических расчетов сетевых подогревателей показывает, что в диапазоне изменения температуры сетевой воды на входе в подогреватель в пределах 30 °С на коэффициент b влияет практически только расход сетевой воды.
На основании данных расчетов получена приближенная зависимость влияния относительного расхода сетевой воды на коэффициент b:
,
где bi
- коэффициент чистоты подогревателя при расходе, отличающемся от номинального;
bн
- коэффициент чистоты подогревателя при номинальном расходе сетевой воды;
- относительный расход сетевой воды

(здесь Gи
- измеренный расход сетевой воды, т/ч; Gн
- номинальный расход сетевой воды, указанный на графике расчетных температурных напоров данного типа подогревателя, т/ч);
n
- показатель степени, равный 0,25 для вертикальных подогревателей и 0,17 для горизонтальных (получен расчетный путем из сопоставления значений b в режимах, различающихся расходом сетевой воды).
Приложение 2
Обязательное
ГРАФИКИ РАСЧЕТНЫХ ТЕМПЕРАТУРНЫХ НАПОРОВ СЕТЕВЫХ ПОДОГРЕВАТЕЛЕЙ
Приведенные на графиках расчетные температурные напоры (dtp
) получены в результате тепловых расчетов сетевых подогревателей.
Расчетные температурные напоры для вертикальных подогревателей изменяются в широком диапазоне и при удельной тепловой нагрузке (120-160)·103
ккал/(м2
·ч) достигают 25-30 °С.
Графики расчетных температурных напоров разделены на три группы по назначению и конструкции подогревателей.
К первой группе (рис. П2.1-П2.12) относятся основные вертикальные подогреватели с температурой воды на входе (t
2
) от 10 до 100 °С типов БО-90 м, БО-130 м, БО-200 м, ПСВ-200-3-23, ПСВ-315-3-23, БО-350 м, ПСВ-500-3-23, БО-550-3м, БВ-1350.
Ко второй группе (рис. П2.13-П2.20) относятся основные горизонтальные подогреватели с температурой воды на входе от 30 до 110 °С типов ПСГ-800-3-8, ПСГ-1300-3-8, БГ-1300, ПСГ-2300-3-8, ПСГ-5000-2,5-8, ПСГ-5000-3-8.
К третьей группе (рис. П2.21-П2.32) относятся пиковые вертикальные подогреватели с температурой воды на входе от 70 до 120 °С типов БП-90 м, ПСВ-90-7-15, ПСВ-125-7-15, БП-200 м, БП-200у, ПСВ-200-7-15, ПСВ-200-14-23, БП-300-2м, ПСВ-315-14-23, БП-500м, ПСВ-500-14-23.
Ключ к графикам: t
2
®t
1
®Gн
®dtp
;
fв
- площадь живого сечения по воде;
dн
/dвн
- наружный диаметр/внутренний диаметр трубок;
Н
- длина пленки конденсата.

а)

б)
Рис. П2.1. График расчетных температурных напоров сетевого подогревателя БО-90м (трубки латунные), число ходов 4, fв
= 0,0297 м2
; dн
/dвн
= 19/17,5 мм, Н
= 1,45 м):
a
- t
2
= 10¸60 °C; б
- t
2
= 50¸100 °C

а)

б)
Рис. П2.2. График расчетных температурных напоров сетевого подогревателя БО-130м (трубки латунные, число ходов 4, fв
= 0,0426 м2
; dн
/dвн
= 19/17,5 мм, Н
= 1,45 м):
a
- t
2
= 10¸60 °C; б
- t
2
= 50¸100 °C

а)

б)
Рис. П2.3. График расчетных температурных напоров сетевого подогревателя БО-200м (трубки латунные, число ходов 4, fв
= 0,0613 м2
; dн
/dвн
= 19/17,5 мм, Н
= 1,67 м):
a
- t
2
= 10¸60 °C; б
- t
2
= 50¸100 °C

а)

б)
Рис. П2.4. График расчетных температурных напоров сетевого подогревателя ПСВ-200-3-23 (трубки латунные, число ходов 4, fв
= 0,0577 м2
; dн
/dвн
= 19/17,5 мм, Н
= 1,33 м):
a
- t
2
= 10¸60 °C; б
- t
2
= 50¸100 °C

а)

б)
Рис. П2.5. График расчетных температурных напоров сетевого подогревателя ПСВ-200-3-23 (трубки латунные, число ходов 2, fв
= 0,1154 м2
; dн
/dвн
= 19/17,5 мм, Н
= 1,33 м):
a
- t
2
= 10¸60 °C; б
- t
2
= 50¸100 °C

а)

б)
Рис. П2.6. График расчетных температурных напоров сетевого подогревателя ПСВ-315-3-23 (трубки латунные, число ходов 2, fв
= 0,1380 м2
; dн
/dвн
= 19/17,5 мм, Н
= 1,20 м):
a
- t
2
= 10¸60 °C; б
- t
2
= 50¸100 °C

а)

б)
Рис. П2.7. График расчетных температурных напоров сетевого подогревателя БО-350 (трубки латунные, число ходов 4, fв
= 0,0792 м2
; dн
/dвн
= 19/17,5 мм, Н
= 1,61 м):
a
- t
2
= 10¸60 °C; б
- t
2
= 50¸60 °C

а)

б)
Рис. П2.8. График расчетных температурных напоров сетевого подогревателя БО-350м (трубки латунные, число ходов 2, fв
= 0,1580 м2
; dн
/dвн
= 19/17,5 мм, Н
= 1,61 м):
a
- t
2
= 10¸60 °C; б
- t
2
= 50¸100 °C

а)

б)
Рис. П2.9. График расчетных температурных напоров сетевого подогревателя ПСВ-500-3-23 (трубки латунные, число ходов 2, fв
= 0,2190 м2
; dн
/dвн
= 19/17,5 мм, Н
= 1,23 м):
a
- t
2
= 10¸60 °C; б
- t
2
= 50¸100 °C

а)

б)
Рис. П2.10. График расчетных температурных напоров сетевого подогревателя БО-550-3м (трубки латунные, число ходов 4, fв
= 0,1251 м2
; dн
/dвн
= 19/17,5 мм, Н
= 1,80 м):
a
- t
2
= 10¸60 °C; б
- t
2
= 50¸100 °C

а)

б)
Рис. П2.11. График расчетных температурных налогов сетевого подогревателя БО-550-3м (трубки латунные, число ходов 2, fв
= 0,2502 м2
; dн
/dвн
= 19/17,5 мм, Н
= 1,80 м):
a
- t
2
= 10¸60 °C; б
- t
2
= 50¸100 °C

а)

б)
Рис. П2.12. График расчетных температурных напоров сетевого подогревателя БВ-1350 (трубки латунные, число ходов 2, fв
= 0,5980 м2
; dн
/dвн
= 24/22 мм):
a
- t
2
= 10¸60 °C; б
- t
2
= 50¸100 °C

а)

б)
Рис. П2.13. График расчетных температурных напоров сетевого подогревателя ПСГ-800-3-8 (трубки латунные, число ходов 4, fв
= 0,2185 м2
; dн
/dвн
= 24/22 мм):
a
- t
2
= 30¸70 °C; б
- t
2
= 70¸110 °C

а)

б)
Рис. П2.14. График расчетных температурных напоров сетевого подогревателя ПСГ-1300-3-8 (трубки латунные, число ходов 4, fв
= 0,327 м2
; dн
/dвн
= 24/22 мм):
a
- t
2
= 30¸70 °C; б
- t
2
= 70¸110 °C

а)

б)
Рис. П2.15. График расчетных температурных напоров сетевого подогревателя БГ-1300 (трубки латунные, число ходов 2, fв
= 0,422 м2
; dн
/dвн
= 24/22 мм):
a
- t
2
= 30¸70 °C; б
- t
2
= 70¸110 °C

а)

б)
Рис. П2.16. График расчетных температурных напоров сетевого подогревателя ПСГ-2300-3-8 (трубки латунные, число ходов 4, fв
= 0,475 м2
; dн
/dвн
= 24/22 мм):
a
- t
2
= 30¸70 °C; б
- t
2
= 70¸110 °C

а)

б)
Рис. П2.17. График расчетных температурных напоров сетевого подогревателя ПСГ-2300-3-8 (трубки латунные, число ходов 2, fв
= 0,950 м2
; dн
/dвн
= 24/22 мм):
a
- t
2
= 30¸70 °C; б
- t
2
= 70¸110 °C

а)

б)
Рис. П2.18. График расчетных температурных напоров сетевого подогревателя ПСГ-5000-2,5-8 (трубки латунные, число ходов 4, fв
= 0,7482 м2
; dн
/dвн
= 25/23 мм):
a
- t
2
= 30¸70 °C; б
- t
2
= 70¸110 °C

а)

б)
Рис. П2.19. График расчетных температурных напоров сетевого подогревателя ПСГ-5000-3-8 (трубки ст.12Х18Н10Т, число ходов 4, fв
= 0,7482 м2
; dн
/dвн
= 25/23 мм):
a
- t
2
= 30¸70 °C; б
- t
2
= 70¸110 °C

а)

б)
Рис. П2.20. График расчетных температурных напоров сетевого подогревателя ПСГ-5000-3-8 (трубки ст.12XI8H10T, число ходов 2, fв
= 0,7243 м2
; dн
/dвн
= 25/22,6 мм):
a
- t
2
= 30¸70 °C; б
- t
2
= 70¸110 °C

Рис. П2.21. График расчетных температурных напоров сетевого подогревателя БП-90м (трубки латунные, число ходов 2, fв
= 0,0594 м2
; dн
/dвн
= 19/17,5 мм)

Рис. П2.22. График расчетных температурных напоров сетевого подогревателя ПСВ-90-7-15 (трубки латунные, число ходов 4, fв
= 0,0259 м2
; dн
/dвн
= 19/17 мм, Н
= 1,31 м):

Рис. П2.23. График расчетных температурных напоров сетевого подогревателя ПСВ-90-7-15 (трубки латунные, число ходов 4, fв
= 0,0518 м2
; dн
/dвн
= 19/17 мм, Н
= 1,31 м)

Рис. П2.24. График расчетных температурных напоров сетевого подогревателя ПСВ-125-7-15 (трубки латунные, число ходов 4, fв
= 0,0362 м2
; dн
/dвн
= 19/17 мм, Н
= 1,31 м)

Рис. П2.25. График расчетных температурных напоров сетевого подогревателя ПСВ-125-7-15 (трубки латунные, число ходов 2, fв
= 0,0724 м2
; dн
/dвн
= 19/17 мм, Н
= 1,31 м)

Рис. П2.26. График расчетных температурных напоров сетевых подогревателей БП-200м, БП-200у (трубки латунные, число ходов 2, fв
= 0,1225 м2
; dн
/dвн
= 19/17,5 мм, Н
= 1,67 м)

Рис. П2.27. График расчетных температурных напоров сетевых подогревателей ПСВ-200-7-15, ПСВ-200-14-23 (трубки латунные, число ходов 4, fв
= 0,0577 м2
; dн
/dвн
= 19/17 мм, Н
= 1,33 м)

Рис. П2.28. График расчетных температурных напоров сетевых подогревателей ПСВ-200-7-15, ПСВ-200-14-23 (трубки латунные, число ходов 2, fв
= 0,1154 м2
; dн
/dвн
= 19/17 мм, Н
= 1,33 м)

Рис. П2.29. График расчетных температурных напоров сетевого подогревателя БП-300-2м (трубки латунные, число ходов 2, fв
= 0,1355 м2
; dн
/dвн
= 19/17 мм, Н
= 1,61 м)

Рис. П2.30. График расчетных температурных напоров сетевого подогревателя ПСВ-315-14-23 (трубки латунные, число ходов 2, fв
= 0,1380 м2
; dн
/dвн
= 19/17 мм, Н
= 1,25 м)

Рис. П2.31. График расчетных температурных напоров сетевого подогревателя БП-500м (трубки латунные, число ходов 2, fв
= 0,2260 м2
; dн
/dвн
= 19/17,5 мм, Н
= 1,62 м)

Рис. П2.32. График расчетных температурных напоров сетевого подогревателя ПСВ-500-14-23 (трубки латунные, число ходов 2, fв
= 0,2190 м2
, dн
/dвн
= 19/17 мм, Н
= 1,19 м)
Приложение 3
Справочное
ТЕХНИЧЕСКИЕ ХАРАКТЕРИСТИКИ СЕТЕВЫХ ПАРОВОДЯНЫХ ПОДОГРЕВАТЕЛЕЙ
| Тип
|
Количество х длина трубок, мм
|
Наружный диаметр х толщина стенки трубок, мм
|
Число ходов по воде
|
Площадь сечения по воде, м2
|
Длина пленки конденсата, м
|
Расчетные параметры
|
| Расход воды, т/ч
|
Давление, МПа (кгс/см2
)
|
Температура, °С
|
Тепловая производительность, Гкал/ч
|
Гидравлические потери напора, м
|
| в трубках
|
в корпусе
|
на входе
|
на выходе
|
| Основные
|
| БО-90м
|
488x3170
|
19x0,75
|
4
|
0,0297
|
1,45
|
250
|
1,5(15)
|
3,5
|
70
|
110
|
10,0
|
8,8
|
| БО-130м
|
708x3166
|
19x0,75
|
4
|
0,0426
|
1,45
|
380
|
1,5(15)
|
3,5
|
70
|
110
|
15,2
|
9,9
|
| БО-200м
|
1018x3410
|
19x0,75
|
4
|
0,0613
|
1,67
|
550
|
1,5(15)
|
3,5
|
70
|
110
|
22,0
|
10,2
|
| ПСВ-200-3-23
|
1020x3410
|
19x1,0
|
4
|
0,0577
|
1,33
|
400
|
2,4(24)
|
4,0
|
70
|
115
|
18,0
|
6,3
|
| ПСВ-200-3-23
|
1020x3410
|
19x1,0
|
2
|
0,1154
|
1,33
|
800
|
2,4(24)
|
4,0
|
70
|
100
|
24,0
|
3,2
|
| ПСВ-315-3-23
|
1212x4545
|
19x1,0
|
2
|
0,1380
|
1,20
|
1130
|
2,4(24)
|
4,0
|
70
|
105
|
39,5
|
5,0
|
| БО-350м
|
1320x4545
|
19x0,75
|
4
|
0,0792
|
1,61
|
700
|
1,5(15)
|
3,5
|
70
|
115
|
31,5
|
11,3
|
| БО-350м
|
1320x4545
|
19x0,75
|
2
|
0,1580
|
1,61
|
1400
|
1,5(15)
|
3,5
|
70
|
100
|
42,0
|
5,7
|
| ПСВ-500-3-23
|
1930x4545
|
19x1,0
|
2
|
0,2190
|
1,23
|
1500
|
2,4(24)
|
4,0
|
70
|
110
|
60,0
|
3,6
|
| БО-550-3м
|
2092x4545
|
19x0,75
|
4
|
0,1251
|
1,80
|
1100
|
1,5(15)
|
3,5
|
70
|
115
|
49,5
|
11,1
|
| БО-550-3м
|
2092x4545
|
19x0,75
|
2
|
0,2502
|
1,80
|
2200
|
1,5(15)
|
3,5
|
70
|
100
|
66,0
|
5,6
|
| ПСГ-800-3-8
|
2300x4600
|
24x1,0
|
4
|
0,2185
|
¾
|
1250
|
0,9(9)
|
4,0
|
70
|
115
|
56,2
|
4,4
|
| ПСГ-1300-3-8
|
3440x5000
|
24x1,0
|
4
|
0,3270
|
¾
|
2000
|
0,9(9)
|
4,0
|
70
|
115
|
90,0
|
5,1
|
| БГ-1300
|
2220x8000
|
24x1,0
|
2
|
0,4220
|
¾
|
3000
|
1,5(15)
|
3,5
|
70
|
105
|
105,0
|
4,4
|
| БВ-1350
|
3142x6000
|
24x1,0
|
2
|
0,5980
|
¾
|
3000
|
1,5(15)
|
3,5
|
70
|
110
|
120,0
|
2,1
|
| ПСГ-2300-3-8
|
4999x6080
|
24x1,0
|
4
|
0,4750
|
¾
|
3500
|
0,9(9)
|
4,0
|
70
|
115
|
157,5
|
8,0
|
| ПСГ-2300-3-8
|
4999х6080
|
24x1,0
|
2
|
0,9500
|
¾
|
5000
|
0,9(9)
|
4,0
|
70
|
105
|
175,0
|
2,2
|
| ПСГ-5000-2,5-8
|
7208x9000
|
25x1,0
|
4
|
0,7482
|
¾
|
6000
|
0,9(9)
|
3,5
|
70
|
120
|
300,0
|
11,3
|
| Пиковые
|
| БП-90м
|
488x3170
|
19x0,75
|
2
|
0,0594
|
1,45
|
500
|
1,5(15)
|
6,0
|
100
|
125
|
12,5
|
4,5
|
| ПСВ-90-7-15
|
456x3410
|
19x1,0
|
4
|
0,0259
|
1,31
|
175
|
1,6(16)
|
8,0
|
70
|
150
|
14,0
|
5,8
|
| ПСВ-90-7-15
|
456x3410
|
19x1,0
|
2
|
0,0518
|
1,31
|
350
|
1,6(16)
|
8,0
|
70
|
130
|
21,0
|
3,0
|
| ПСВ-125-7-15
|
640x3410
|
19x1,0
|
4
|
0,0362
|
1,31
|
250
|
1,6(16)
|
8,0
|
70
|
150
|
20,0
|
6,1
|
| ПСВ-125-7-15
|
640x3410
|
19x1,0
|
2
|
0,0724
|
1,31
|
500
|
1,6(16)
|
8,0
|
70
|
130
|
30,0
|
3,1
|
| БП-200м
|
1018x3410
|
19x0,75
|
2
|
0,1225
|
1,67
|
1100
|
1,5(15)
|
8,0
|
100
|
130
|
33,0
|
5,1
|
| БП-200у
|
1018x3410
|
19x0,75
|
2
|
0,1225
|
1,67
|
1100
|
1,5(15)
|
14,0
|
100
|
150
|
55,0
|
5,1
|
| ПСВ-200-7-15
|
1020x3410
|
19x1,0
|
4
|
0,0577
|
1,33
|
400
|
1,6(16)
|
8,0
|
70
|
150
|
32,0
|
6,1
|
| ПСВ-200-7-15
|
1020x3410
|
19x1,0
|
2
|
0,1154
|
1,33
|
800
|
1,6(16)
|
8,0
|
70
|
125
|
44,0
|
3,1
|
| ПСВ-200-14-23
|
1020x3410
|
19x1,0
|
4
|
0,0577
|
1,33
|
400
|
2,4(24)
|
15,0
|
100
|
170
|
28,0
|
6,1
|
| ПСВ-200-14-23
|
1020x3410
|
19x1,0
|
2
|
0,1154
|
1,33
|
800
|
2,4(24)
|
15,0
|
100
|
155
|
44,0
|
3,1
|
| БП-300-2м
|
1144x4545
|
19x0,75
|
2
|
1,1355
|
1,61
|
1200
|
1,5(15)
|
14,0
|
100
|
160
|
72,0
|
5,7
|
| ПСВ-315-14-23
|
1212x4545
|
19x1,0
|
2
|
0,1380
|
1,25
|
1130
|
2,4(24)
|
15,0
|
100
|
160
|
67,8
|
5,0
|
| БП-500м
|
1880x4545
|
19x0,75
|
2
|
0,2260
|
1,62
|
2000
|
1,5(15)
|
14,0
|
100
|
160
|
120,0
|
5,7
|
| ПСВ-500-14-23
|
1930x4545
|
19x1,0
|
2
|
0,2190
|
1,19
|
1500
|
2,4(24)
|
15,0
|
100
|
165
|
97,5
|
3,6
|
Приложение 4
Обязательное
ПОКАЗАТЕЛЬ
b
'

Приложение 5
Рекомендуемое
ОБРАБОТКА ДАННЫХ ИЗМЕРЕНИЙ
Действительное абсолютное давление пара p
(кгс/см2
) у заборного отверстия, измеренное пружинным манометром (мановакуумметром), с учетом поправок определяется по формуле
р
= рм
+ рп
+ руст
+ рб
,
где рм
- показание пружинного манометра, кгс/см2
;
рп
- поправка по протоколу тарировки, определяемая по графикам тарировки для соответствующего показания манометра, кгс/см2
;
руст
- поправка на высоту установки манометра - столба воды в соединительной трубке от места присоединения до манометра, кгс/см2
:

(здесь Нуст
, Нп
- соответственно отметки установки манометра (по присоединительному штуцеру) и заборного устройства, м);
Рб
- барометрическое давление в месте проведения измерений, кгс/см2
:

(здесь В
0
- приведенное к 0 °С показание барометра с учетом поправок по паспорту, мм рт.ст.)
Если при измерении расхода сетевой воды ее температура отличается от расчетной для используемой измерительной диафрагмы, усредненное значение измеренного массового расхода корректируется по формуле
,
где G
- скорректированное значение массового расхода сетевой воды, т/ч;
Gи
- усредненное значение измеренного массового расхода сетевой воды, т/ч;
rи
- плотность сетевой воды в месте установки сужающего устройства (диафрагмы) во время проведения измерений, кг/м3
;
rр
- расчетная плотность сетевой воды для используемой измерительной диафрагмы, кг/м3
.
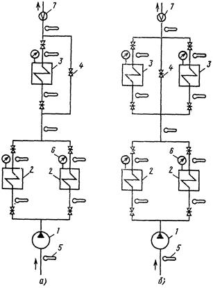
В отдельных схемах водоподогревательных установок (ВПУ) (типовые схемы ВПУ приведены на рис. П5.1 и П5.2) имеет место параллельное включение основных или пиковых подогревателей по сетевой воде. При этом расходомер, как правило, установлен на общем участке трубопровода от обоих подогревателей.

Рис. П5.1 Схемы водоподогревательных установок с двумя параллельными основными подогревателями:
а
- с одним пиковым подогревателем; б
- с двумя пиковыми подогревателями;
1 - сетевой насос; 2 - основной подогреватель; 3 - пиковый подогреватель; 4 - задвижка;
5 - гильза для термометра; 6 - манометр; 7 - измерительная диафрагма

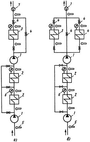
Рис. П5.2. Схемы водоподогревательных установок с двумя последовательными основными подогревателями
(Обозначения см. рис. П5.1)
При невозможности или нецелесообразности в условиях эксплуатации производства переключений в целях измерения расхода через каждый подогреватель в отдельности распределение расходов сетевой воды по двум параллельным ветвям определяется расчетным путем.
Расходы сетевой воды по двум параллельно включенным основным (см. рис. П5.1, а
и б
) или пиковым (см. рис. П5.1, б
и П5.2, б
) подогревателям определяются по формулам:
;
G
2
= Gc
– G
1
,
где G
1
- расход сетевой воды через первый подогреватель, т/ч;
Gс
- суммарный расход сетевой вода через оба подогревателя, т/ч;
tсм
- температура смешанной воды после обоих подогревателей, °С;
- температура сетевой воды на выходе из второго подогревателя, °С;
- температура сетевой воды на выходе из первого подогревателя, °С;
G
2
- расход сетевой воды через второй подогреватель, т/ч.
Расход сетевой воды через пиковый подогреватель (см. рис. П5.1, а
и рис. П5.2, а
) с включенной обводной линией определяется по формуле
,
где Gп
- расход сетевой воды через пиковый подогреватель, т/ч;
Gс
- суммарный расход сетевой воды, т/ч;
tсм
- температура смешанной воды после врезки обводной линии, °С;
t
2
- температура сетевой воды на входе в подогреватель, °С;
t
1
- температура сетевой воды на выходе из подогревателя, °С.
Определить распределение сетевой воды по трем и более параллельным ветвям при известном суммарном расходе невозможно.
Приложение 6
Справочное
ПРИМЕРЫ ОЦЕНКИ СОСТОЯНИЯ ПОВЕРХНОСТИ НАГРЕВА СЕТЕВОГО ПОДОГРЕВАТЕЛЯ
Пример 1. Для основного подогревателя БО-200м, работающего на сетевой воде, в результате измерений получены следующие усредненные значения измеренных величин:
Gи
= 500 т/ч, = 60 °С, = 90 °С, = 1,12 кгс/см2
( = 102,3 °С).
Определяем:
= G
и
/G
н
= 500 : 500 = 1,0;
= 102,3 - 90 = 12,3 °C;
= 90 - 60 = 30 °C
- по рис. П2.3, б
находим расчетное значение температурного напора, которое для условий измерений составит dtp
= 8,3 °С;
e = Dt
/ dtp
= 30 : 8,3 = 3,60;
j = dtp
/ dtф
= 8,3 : 12,3 = 0,66;
- по графику приложения 4 при e = 3,60, j = 0,66 и = 1,0 определяем степень загрязнения подогревателя, которая составит b'
= 20 %.
В соответствии с приведенной градацией состояние подогревателя оценивается удовлетворительным.
Пример 2. Для основных подогревателей ПСГ-2300, работающих на сетевой воде, в результате измерений получены усредненные значения измеренных величин.
Для ПСГ-2300-I: Gи
= 3500 т/ч; = 70 °С; = 90 °С;
= 0,85 кгс/см2
( = 94,6 °С).
Для ПСГ-2300-II: Gи
= 3500 т/ч; = 90 °С; = 110 °С;
= 1,65 кгс/см2
( = 113,7 °С).
Определяем для ПСГ-2300-I:
G
= Gи
/Gн
= 3500 : 3500 = 1;
= 94,6 - 90 = 4,6 °С;
= 90 - 70 = 20 °С;
- по рис. П2.16, б
находим расчетный температурный напор, который для условий измерений составит dtp
= 2,9 °С;
e = Dt
/ dtp
= 20 : 2,9 = 6,9;
j = dtp
/ dtф
= 2,9 : 4,6 = 0,63;
- по графику приложения 4 при e = 6,9, j = 0,63 и = 1,0 определяем степень загрязнения подогревателя, которая составит b'
= 19 %.
Для ПСГ-2300-II:
= 3500 : 3500 = 1,0;
dtф
= 113,7 - 110 = 3,7 °С;
Dt
= 110 - 90 = 20 °С;
dtp
= 2,4 °С;
e = 20 : 2,4 = 8,3;
j = 2,4 : 3,7 = 0,65;
b'
= 17 %.
В соответствии с приведенной градацией состояние обоих подогревателей оценивается удовлетворительным.
Пример 3. Для пикового подогревателя ПСВ-500-14-23, работающего на сетевой воде, в результате измерений получены следующие усредненные значения:
Gи
= 1400т/ч, = 110 °С, = 150 °С, = 9,0 кгс/см2
( = 174,5 °С).
Определяем:
= 1400 : 1600 = 0,88;
dtф
= 174,5 - 150 = 24,5 °С;
Dt
= 150 - 110 = 40 °С;
dtp
= 12,5 °С (по рис. П2.32);
e = 40 : 12,5 = 3,2;
j = 12,5 : 24,5 = 0,51;
b'
= 34 % (по графику приложения 4).
Состояние подогревателя оценивается неудовлетворительным.
Результаты данных измерений и оценки состояния поверхности нагрева приведенных примеров сведены в прилагаемую таблицу.
Результаты оценки состояния поверхности нагрева подогревателя типа ___________ ст. № _______
| Дата проведения измерений
|
Температура воды на входе , °С
|
Температура воды на выходе , °С
|
Расход сетевой воды, т/ч
|
Давление пара , кгс/см2
|
Температура насыщенного пара , °С
|
Фактический температурный напор dt
ф
, °С
|
Расчетный температурный напор dt
р
, °С
|
Нагрев сетевой воды Dt
, °С
|
Отношение 
|
Отношение 
|
Степень загрязнения
b'
%
|
Вывод о состоянии подогревателя
|
| измеренный G
и
|
относи-
тельный 
|
| |
60
|
90
|
500
|
1,0
|
1,12
|
102,3
|
12,3
|
8,3
|
30,0
|
3,60
|
0,66
|
20
|
Удовлетворительное
|
| |
70
|
90
|
3500
|
1,0
|
0,85
|
94,6
|
4,6
|
2,9
|
20,0
|
6,90
|
0,63
|
19
|
Удовлетворительное
|
| |
90
|
110
|
3500
|
1,0
|
1,65
|
113,7
|
3,7
|
2,4
|
20,0
|
8,30
|
0,65
|
17
|
Удовлетворительное
|
| |
110
|
150
|
1400
|
0,9
|
9,00
|
174,5
|
24,5
|
12,5
|
40,0
|
3,20
|
0,51
|
34
|
Неудовлетворительное
|
СОДЕРЖАНИЕ
1. Общая часть
2. Порядок пользования способом оценки состояния сетевых подогревателей
Приложение 1. Теоретические основы способа оценки состояния поверхности нагрева сетевого подогревателя
Приложение 2. Графики расчетных температурных напоров сетевых подогревателей
Приложение 3. Технические характеристики сетевых пароводяных подогревателей
Приложение 4. Показатель b'
Приложение 5. Обработка данных измерений
Приложение 6. Примеры оценки состояния поверхности нагрева сетевого подогревателя
|