| Федеральное агентство по образованию
_____________________________________________________________________
ГОСУДАРСТВЕННОЕ ОБРАЗОВАТЕЛЬНОЕ УЧРЕЖДЕНИЕ ВЫСШЕГО
ПРОФЕССИОНАЛЬНОГО ОБРАЗОВАНИЯ
САНКТ-ПЕТЕРБУРГСКИЙ ГОСУДАРСТВЕННЫЙ ТЕХНОЛОГИЧЕСКИЙ
ИНСТИТУТ
(ТЕХНИЧЕСКИЙ УНИВЕРСИТЕТ)
(СПбГТИ(ТУ))
________________________________________________________________________________________________
Кафедра химической энергетики
А.С. Мазур, А.С. Афанасьев, И.Г. Янковский, А.А. Козлов, Т.В. Украинцева
МЕТОДОЛОГИЯ ОЦЕНКИ ПРОМЫШЛЕННОЙ БЕЗОПАСНОСТИ
ОПАСНЫХ ПРОИЗВОДСТВЕННЫХ ОБЪЕКТОВ
Методические указания
к курсовым (семестровым) и выпускным квалификационным работам
Санкт- Петербург
2008
УДК 658.012.011.56: (621.867+622.235).002.72
Мазур А.С. Методология оценки промышленной безопасности опасных производственных объектов: Метод. указания к курсовым (семестровым) и выпускным квалификационным работам/ Мазур А.С., Афанасьев А.С., Янковский И.Г., Козлов А.А., Улыбин В.Б., Украинцева Т.В. СПб., СПбГТИ(ТУ), 2007.-83 с.
В методических указаниях даны рекомендации по сбору материалов на производственной и преддипломной практике, расчетам и оформлению курсовых (семестровых) и выпускных квалификационных работ по специальности 280102 «Безопасность технологических процессов и производств».
Методические указания предназначены для студентов 4,5 курсов специальности 280102 «Безопасность технологических процессов и производств». Методические указания также могут быть использованы студентами других кафедр факультета защиты окружающей среды при сборе материалов и оформлению по отдельным разделам работ и проектов.
Ил 15, табл. 26, прил.1, библиогр. 44 назв.
Рецензент: А.А. Кирюшкин, канд. хим. наук, зав. кафедрой обеспечения жизнедеятельности и охраны труда
Утверждены на заседании учебно-методической комиссии факультета защиты окружающей среды 10.06.2008 г.
Рекомендованы к изданию РИСо СПбГТИ(ТУ)
Содержание
| Введение…………………………………………………………………………………………….
|
5
|
| 1 Основные определения…………………………………………………………………………..
|
6
|
| 2 Тематика курсовых (семестровых) и дипломных работ………………………………............
|
7
|
| 3 Исходные данные для выполнения курсовых (семестровых) и выпускных квалификационных работ………………………………………………………………………………………...
|
8
|
| 4 Рекомендации по разработке технологической части курсовых (семестровых) и выпускных квалификационных работ…………………………………………………………………….
Забиваем Сайты В ТОП КУВАЛДОЙ - Уникальные возможности от SeoHammer
Каждая ссылка анализируется по трем пакетам оценки: SEO, Трафик и SMM.
SeoHammer делает продвижение сайта прозрачным и простым занятием.
Ссылки, вечные ссылки, статьи, упоминания, пресс-релизы - используйте по максимуму потенциал SeoHammer для продвижения вашего сайта.
Что умеет делать SeoHammer
— Продвижение в один клик, интеллектуальный подбор запросов, покупка самых лучших ссылок с высокой степенью качества у лучших бирж ссылок.
— Регулярная проверка качества ссылок по более чем 100 показателям и ежедневный пересчет показателей качества проекта.
— Все известные форматы ссылок: арендные ссылки, вечные ссылки, публикации (упоминания, мнения, отзывы, статьи, пресс-релизы).
— SeoHammer покажет, где рост или падение, а также запросы, на которые нужно обратить внимание.
SeoHammer еще предоставляет технологию Буст, она ускоряет продвижение в десятки раз,
а первые результаты появляются уже в течение первых 7 дней.
Зарегистрироваться и Начать продвижение
|
10
|
| 4.1 Характеристика опасных веществ……………………………………………………………
|
10
|
| 4.2 Разделение опасного производственного объекта на составляющие и (или) блоки………
|
14
|
| 4.3 Определение категорий взрывоопасности технологических блоков……………………….
|
17
|
| 4.4 Перечень основного технологического оборудования, в котором обращаются опасные вещества и данные о распределении веществ по оборудованию……………………………….
|
25
|
| 4.5 Перечень аварий и неполадок, имевших место на исследуемом ОПО и на других аналогичных объектах, или аварий, связанных с обращающимися опасными производственными веществами………………………………………………………………………………………….
|
28
|
| 4.6 Оценка частоты исходных событий (аварийной ситуации)…………………………………
|
31
|
| 4.7 Анализ «дерева событий»……………………………………………………………………...
|
40
|
| 4.8 Оценка количества опасных веществ, участвующих в аварии……………………………...
|
43
|
| 4.9 Выбор физико-математических моделей и методов расчета вероятных зон поражающих факторов…………………………………………………………………………………………….
|
46
|
| 4.10 Оценка возможного числа пострадавших…………………………………………………...
|
51
|
| 4.11 Оценка возможного ущерба………………………………………………………………….
|
52
|
| 4.12 Оценка индивидуального, коллективного и социального риска гибели людей………….
|
52
|
| 4.13 Оценка уровня производственной санитарии и гигиены труда на производстве……….
|
56
|
| 4.13.1 Химический фактор и пыль на производстве…………………………………………….
|
56
|
| 4.13.2 Вредные физические факторы производственной среды………………………………..
|
57
|
| 4.13.3 Тяжесть и напряженность труда…………………………………………………………...
|
59
|
| 4.13.4 Сведения о системе вентиляции…………………………………………………………...
|
62
|
| 4.13.5 Освещение производственных помещений……………………………………………….
|
64
|
| 4.13.5.1 Естественное и совмещенное освещение………………………………………………..
|
64
|
| 4.13.5.2 Искусственное освещение………………………………………………………………..
|
65
|
| 4.13.6 Классификация производственных помещений…………………………………………..
|
66
|
| 4.13.7 Определение размеров санитарно-защитной зоны……………………………………….
|
67
|
| 4.14 Комплексные мероприятия по защите окружающей среды и ликвидации
чрезвычайных ситуаций…………………………………………………………………………...
|
| 67
|
| 4.15 Предложения по внедрению мер, направленных на уменьшение риска аварий, повышения уровня промышленной безопасности……………………………………………………..
|
67
|
| 5 Состав и содержание пояснительной записки к курсовым (семестровым) и выпускным квалификационным работам………………………………………………………………………
|
69
|
| Литература…………………………………………………………………………………………..
|
73
|
| Приложение А – Примеры составления «деревьев событий» для различных типов аварийных ситуаций
Сервис онлайн-записи на собственном Telegram-боте
Попробуйте сервис онлайн-записи VisitTime на основе вашего собственного Telegram-бота:
— Разгрузит мастера, специалиста или компанию;
— Позволит гибко управлять расписанием и загрузкой;
— Разошлет оповещения о новых услугах или акциях;
— Позволит принять оплату на карту/кошелек/счет;
— Позволит записываться на групповые и персональные посещения;
— Поможет получить от клиента отзывы о визите к вам;
— Включает в себя сервис чаевых.
Для новых пользователей первый месяц бесплатно.
Зарегистрироваться в сервисе
|
77
|
Введение
Методические указания предназначены для студентов, выполняющих курсовые (семестровые) выпускные квалификационные работы по специальности 280102 «Безопасность технологических процессов и производств».
В настоящее время в соответствии с федеральным законом №116-ФЗ от 21.07.97 на химических, нефтехимических и нефтеперерабатывающих производствах с целью уменьшения техногенного риска аварий разрабатываются следующие документы [1]:
1) декларация промышленной безопасности опасного производственного объекта (ОПО);
2) план локализации и ликвидации аварийных ситуаций (ПЛАС) на ОПО;
3) паспорт безопасности ОПО;
4) план по предупреждению и ликвидации разливов нефти и нефтепродуктов на территории ОПО.
Структура, состав и основные требования к оформлению указанных документов содержатся в нормативно-технических документах, утвержденных Ростехнадзором и Министерством РФ по делам ГО и ЧС.
В каждом документе решаются конкретные задачи в области промышленной безопасности ОПО, однако все они направлены на всестороннюю оценку риска аварии, анализ достаточности принятых мер по предупреждению аварий и по обеспечению готовности организации к эксплуатации ОПО в соответствии с требованиями норм и правил промышленной безопасности, а также локализации и ликвидации последствий аварии.
В настоящих указаниях представлены рекомендации по выполнению оценки технологической безопасности ОПО в курсовых (семестровых) и выпускных квалификационных работах, которые связаны, прежде всего, с опасными химическими энергоносителями и токсическими веществами, в том числе, со взрывчатыми веществами промышленного назначения.
Общая направленность методических указаний заключается в приобретении студентами навыков, позволяющих дать ответы на три основных вопроса:
1. Что плохого может произойти? (Идентификация опасностей);
2. Как часто это может случаться? (Анализ частоты);
3. Какие могут быть последствия? (Анализ последствий).
Методические указания в целом раскрывают студентам сущность методологии выполнения конкретных этапов оценки промышленной безопасности ОПО и в частности аналитический подход к решению конкретных задач при разработке вышеперечисленных документов в области промышленной безопасности на стадии проектирования, эксплуатации и реконструкции ОПО.
1 Основные определения
При выполнении курсовых (семестровых) и выпускных квалификационных работ студент должен иметь четкое представление о таких общих понятиях, как опасный производственный объект, составляющие ОПО, технологический блок, авария, инцидент и др.
Предприятия, организации, на которых получаются, используются, перерабатываются, хранятся, транспортируются (далее обращаются) опасные вещества могут включать один или несколько опасных производственных объектов. В свою очередь каждый опасный производственный объект может состоять из одной или нескольких составляющих и (или) из нескольких блоков.
Следует отметить, что опасным производственным объектом считается не отдельный механизм, оборудование, емкость с опасным веществом, а производственный объект – предприятия или их цехи, участки, площадки, на которых обращаются [1]:
а) воспламеняющиеся, окисляющие, горючие, взрывчатые, токсичные, высокотоксичные вещества;
б) используется оборудование, работающее под давлением более 0,07 МПа или при температуре нагрева воды более 115 ºС;
в) используются стационарно установленные грузоподъемные механизмы, эскалаторы, канатные дороги, фуникулеры;
г) получаются расплавы черных и цветных металлов и сплавы на основе этих расплавов;
д) ведутся горные работы, работы по обогащению полезных ископаемых, а также работы в подземных условиях.
Составляющие опасного производственного объекта
– участки, установки, цеха, хранилища или другие составляющие (составные части), объединяющие технические устройства или их совокупность по технологическому принципу и входящие в состав опасных производственных объектов [2].
Технологический блок
– аппарат или группа (с минимальным числом) аппаратов, которые в заданное время могут быть отключены (изолированы) от технологической системы (выведены из технологической схемы) без опасных изменений режима, приводящих к развитию аварии в смежной аппаратуре или системе [3].
Авария
–
разрушение сооружений и (или) технических устройств, применяемых на опасном производственном объекте, неконтролируемые взрыв и (или) выброс опасных веществ [1].
Инцидент
– отказ или повреждение технических устройств, применяемых на опасном производственном объекте, отклонение от режима технологического процесса, нарушение положений 116-ФЗ от 21.07.97, других федеральных законов и иных нормативных правовых актов Российской федерации, а также нормативных технических документов, устанавливающих правила ведения работ на опасном производственном объекте [1].
Пролив опасных химических веществ –
вытекание при разгерметизации из технологических установок, емкостей для хранения или транспортирования опасного химического вещества или продукта в количестве, способном вызвать химическую аварию [4].
Разгерметизация оборудования –
образование в оборудовании отверстий с размером, существенно меньшим, чем размеры оборудования, через которые опасное вещество в жидком или газообразном состоянии в течение некоторого времени поступает в окружающую среду [5].
Разрушение оборудования
- существенное нарушение целостности оборудования с образованием отверстий с размером, сопоставимыми с размерами оборудования, при этом содержащееся в оборудовании опасное вещество в жидком или газообразном состоянии мгновенно выбрасывается в окружающую среду [5]..
Анализ безопасности
– анализ состояния опасного производственного объекта, включающий описание технологии и анализ риска эксплуатации объекта.
Анализ риска
– процесс идентификации опасностей и оценка риска для отдельных лиц или групп населения, имущества или окружающей природной среды [6].
Промышленная безопасность опасных производственных объектов – состояние защищенности жизненно важных интересов личности и общества от аварий на опасных производственных объектах и последствий указанных аварий [1].
2 Тематика курсовых (семестровых) и выпускных квалификационных работ
Тематика курсовых (семестровых) и выпускных квалификационных работ должна быть актуальной, увязанной с проблемными вопросами в области промышленной безопасности и соответствовать основным направлениям, указанным в нормативных документах и постановлениях Ростехнадзора России, Министерства по чрезвычайным ситуациям (МЧС) России и других нормативных документах по безопасности, надзорной и разрешительной деятельности в химической, нефтехимической, нефтеперерабатывающей, газовой промышленности, в области производства и применения промышленных взрывчатых материалов.
Задание для курсовых (семестровых) и выпускных квалификационных работ составляется преподавателем-руководителем.
Темы выполнения работ в области промышленной безопасности ОПО могут быть следующими:
а) идентификация опасностей и оценка риска аварий магистральных нефтепроводов (газопроводов)…;
б) определение уровней развития аварий и разработка мероприятий по локализации и ликвидации последствий аварий базы хранения…;
в) прогнозирование возможных аварий на ОПО… и пути снижения тяжести последствий пожаров и взрывов;
г) оценка технологической безопасности установки …;
д) пути снижения взрывоопасности технологических блоков производства…;
е) оценка последствий химических аварий производства…(по методике [5]);
ж) оценка масштабов возможных аварий на установке… и меры их предупреждения.
Темы выпускных квалификационных работ в соответствии с СТП СПбГТИ 017-97 [7] рассматриваются и утверждаются на заседании кафедры. Закрепление за студентами тем работ, по предоставлению кафедры, утверждается приказом ректора института.
3 Исходные данные для выполнения курсовых (семестровых) работ и выпускных квалификационных работ
Исходными данными служат:
а) задание;
б) литературные, справочные источники и нормативно-технические документы по промышленной безопасности, утвержденные Ростехнадзором и Министерством ГО и ЧС;
в) данные, собранные студентами во время прохождения практики на предприятиях:
1) наименование опасных веществ, обращающихся в технологическом процессе, в соответствии с ГОСТ, ТУ, их количество, а также характеристики (физико-химические, пожаровзрывоопасные и токсикологические и другие свойства) каждого опасного вещества в соответствии с паспортом безопасности вещества [8];
2) принципиальная технологическая схема с обозначением основного технологического оборудования, запорной арматуры и описанием технологического процесса. Значения оптимальных и допустимых технологических параметров процесса (температура, давление, концентрация, расходы, уровни жидкости в аппаратах и т.д.), а также время закрытия запорной арматуры;
3) план размещения оборудования (в масштабе), в котором обращаются опасные вещества с указанием средств локализации аварии (поддоны, обваловки), пожаротушения, молниеотводов, средств связи;
4) данные о распределении опасных веществ по оборудованию (тонн (кг), м3
(л));
5) размеры поддонов, приямков, обваловки для оборудования (длина, ширина, высота, конструкционные материалы);
6) перечень и габаритные размеры технологического оборудования и приводов (высота, длина, диаметр, толщина стенки, вид конструкционного материала, тип привода и его характеристики: мощность, число оборотов ротора);
7) данные о системах автоматического регулирования, блокировок, сигнализаций и других средств обеспечения безопасности;
8) данные о размещении работающего персонала в (максимальной по численности) работающей смене, возможное время пребывания в опасных зонах;
9) ситуационный и генеральный план производства (в масштабе);
10) стоимость химических веществ, оборудования и основных фондов (мастерской, цеха, насосной).
Источниками информации об исходных данных являются:
- технологический регламент производства;
- рабочие инструкции производства;
- паспорта на технические устройства (емкости, резервуары, трубопроводы, запорная арматура и т.п.);
- паспорта безопасности веществ;
- проект производства или технико-экономическое обоснование проекта (ТЭО);
- план локализации и ликвидации аварийных ситуаций (ПЛАС) на ОПО;
- заключение идентификации ОПО предприятия;
- заключение экспертиз технических устройств;
- декларация промышленной безопасности ОПО;
- другие документы предприятия.
4 Рекомендации по разработке технологической части курсовых (семестровых) и выпускных квалификационных работ
В соответствии с учебным планом института для выполнения курсовых и выпускных квалификационных работ студентам, как правило, отводится определенное количество времени (аудиторные занятия и самостоятельная работа).
Качество выполнения курсовых (семестровых) и выпускных квалификационной работ, а также затраченное время на их оформление зависит не только от структуры и состава расчетно-пояснительной записки и объема графической части работы, но и от общей методологии и последовательности их разработки.
Независимо от вида полученного задания по оценке промышленной безопасности ОПО студентам рекомендуется соблюдать последовательность выполнения конкретных этапов работ. Полученные результаты по каждому этапу необходимо согласовывать с преподавателем, так как допущенная ошибка на предыдущем этапе может отрицательно повлиять не только на выполнение следующих этапов, но и на курсовую (семестровую) или выпускную квалификационную работу в целом.
4.1 Характеристика опасных веществ
Характеристика опасных веществ необходима для разработки «деревьев событий» и для других последующих этапов, поэтому студент должен предварительно, собрать данные по пожаровзрывоопасным и токсическим свойствам опасных веществ, систематизировать все характеристики опасных веществ, включающие идентификационные, физико-химические, токсикологические, взрывоопасные и другие данные.
Характеристику опасных веществ необходимо представлять в виде таблицы 1. Пример составления таблицы 1 приведен ниже. При заполнении данных в графе «Источник информации» необходимо сделать ссылку.
Таблица 1 - Характеристики опасного вещества – бутана
| Наименование параметра
|
Параметр
|
Источник
|
| 1 Наименование вещества
1.1 Химическое
1.2 Торговое
|
Бутан
н-бутан, метилэтилметан,
фракция нормального бутана
|
[..]
|
| 2 Формула
2.1 Эмпирическая
2.2 Структурная
|
-
С4
Н10

|
[..]
|
| 3 Состав, % вес.
3.1 Основного продукта
3.2 Примеси
|
Для марки А
н-бутан – не менее 97,5 %
пропан – не более 0,5 %
изобутан – не более 1,5 %
сумма бутиленов – не более 1 %
сумма углеводородов С6
и выше не более 0,6 %
щелочи и свободной воды – ост.
|
[..]
|
| 4 Общие данные
4.1 Молекулярный вес
4.2 Температура кипения (при давлении 101 кПа)
4.3 Плотность при 20 ˚С
|
58 кг/моль
0,6 ˚С
0,537 г/см3
|
[9]
|
| 5 Данные о взрывоопасности
5.1 Температура вспышки
5.2 Температура самовоспламенения
5.3 Пределы взрываемости
объемные
|
Класс взрывопожароопасности Т-1
-69 ˚С (теор. расчет)
420 ˚С
от 1,8 до 9,1
|
[..]
|
| Продолжение таблицы 1
|
| Наименование параметра
|
Параметр
|
Источник
|
| 6 Данные о токсической опасности
6.1 ПДК в воздухе рабочей зоны
6.2 ПДК в атмосферном воздухе
6.3 Летальная токсодоза Lct50
6.4 Пороговая токсодоза Pct50
|
4 класс токсической опасности
300 мг/м3
200 мг/м3
5040 мг/кг
658 мг/кг
|
[..]
|
| 7. Реакционная способность
|
При обычной температуре химически инертен, при высоких сгорает нацело образуя СО2
и Н2
О. Химически устойчив по отношению к
кислороду воздуха и сильным кислотам, щелочам и их растворам. Вступает в реакции замещения с галогенами с образованием различных алкилгалогенидов. Взаимодействует со смесью SO2
и Cl2
– реакция сульфохлорирования. Медленно взаимодействует с концентрированной азотной кислотой HNO3
(нитрование)
|
[..]
|
| 8 Запах
|
Запах ощущается при концентрации бутана 305-328 мг/м3
|
[10]
|
| 9 Коррозионное воздействие
|
Чистый бутан не оказывает коррозионного воздействия, однако примеси других веществ, обычно содержащихся в бутановой фракции, разрушают металлы со скоростью более 0,5 мм /год
|
[..]
|
| 10 Меры предосторожности
|
Во взрывоопасных помещениях должны быть установлены приборы, сигнализирующие об опасной концентрации газа в помещении.
|
[..]
|
| Продолжение таблицы 1
|
| Наименование параметра
|
Параметр
|
Источник
|
| Первый сигнал даваться прибором при концентрации газа в воздухе 20 % от нижнего предела взрываемости бутана и второй при концентрации – 40 %. Кроме того, следует проводить анализ воздуха в производственных помещениях при помощи переносных приборов.
|
| 11 Информация о воздействии взрыва и продуктов взрыва на людей и окружающую среду
|
При взаимодействии с воздухом вызывает кислородное голодание, при значительных концентрациях в воздухе приводит к смерти от удушья. Действует на организм наркотически. Симптомы отравления: возбуждение, сужение зрачков, частичная потеря слуха, замедление пульса, рвота обильное слюнотечение, сон в течение нескольких часов, возможны пневмония и потеря памяти после очень тяжелых отравлений с длительным наркозом.
|
[..]
|
| 12 Средства защиты
|
При невысоких концентрациях фильтрующий противогаз марки А, а при высоких – изолирующие шланговые противогазы ПШ-1, ПШ-2, ДПА-5, при низком содержании кислорода – кислородные респираторы РКК-1, РКК-2, РКК-2м, КИП-5м, «Урал-1», «Донбасс-2»
|
[..]
|
| 13 Меры перевода вещества в безвредное состояние
|
При появлении в помещении опасной концентрации газа должно быть немедленно отключено электрооборудование и приняты меры к
|
[..]
|
| Продолжение таблицы 1
|
| Наименование параметра
|
Параметр
|
Источник
|
| проветриванию загазованных помещений, включение аварийной приточно-вытяжной вентиляции создание водяных и водо-дисперсных завес и преград.
|
| 14 Меры первой помощи пострадавшим от воздействия вещества
|
Удалить пострадавшего из вредной атмосферы, освободить от стесняющей его одежды, согреть тело, положить с приподнятыми ногами, оберегать от простуды. При нарушении дыхания чередовать кислород с карбогеном (через каждые 15 мин). При отсутствии дыхания немедленно (до прибытия врача) начать искусственное дыхание (предварительно освободив полость рта и дыхательные пути от рвотных масс и слизи). Искусственное дыхание не прекращать до появления спонтанного дыхания.
|
[..]
|
Примечание - Для каждого опасного вещества оформляется отдельная таблица.
4.2 Разделение опасного производственного объекта на составляющие и (или) блоки
Исходными данными для разделения ОПО на составляющие и (или) блоки являются:
а) принципиальная технологическая схема с обозначением основного технологического оборудования и текстовым описанием технологического процесса. На принципиальной технологической схеме должны быть отражены насосы, компрессоры, отсекающие устройства. Для объектов магистральных трубопроводов рекомендуется привести полный или сокращенный профиль трассы, а также отдельно-принципиальные технологические схемы для площадочных сооружений, в том числе для резервуарных парков и насосов (компрессорных станций);
б) план расположения технологического оборудования, в котором обращаются опасные вещества (в масштабе). На “Плане” рекомендуется также указывать места размещения пультов, щитков управления, операторных помещений, дверных проемов, контуры обвалования, средств пожаротушения, связи, защиты от ударов молний. Для оборудования, размещенного на “Плане” на разной высоте рекомендуется указывать отметку высоты.
Примеры составления принципиальной технологической схемы и плана расположения технологического оборудования приведено на рисунках 1, 2.

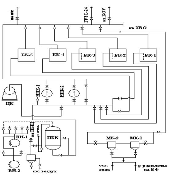
ЦК- железнодорожная цистерна; ПБК – промежуточный бак;
ВН-1,2 - вакуум-насос; НПК-1,2 - насос перекачки;
БК-1,2,3,4,5 - бак хранения; МК-1,2 - мерник.
Рисунок 1 - Технологическая схема обращения серной кислоты

Рисунок 2 - План расположения оборудования мазутонасосной [11]
4.3 Определение категорий взрывоопасности технологических блоков
Следует отметить, что определение категорий взрывоопасности технологических блоков производится только для тех блоков, в которых обращаются вещества способные образовать с кислородом (воздухом) газопаровоздушные взрывоопасные смеси (при температуре, превышающей температуру вспышки) и при возникновении источника воспламенения могут привести к взрыву с поражением персонала и оборудования ударной воздушной волной (УВВ).
Определение категорий взрывоопасности технологических блоков в курсовых и выпускных квалификационных работах осуществляется с целью:
а) установления значений энергетических показателей взрывоопасности технологических блоков производства и выбора блоков для дальнейшего их исследования;
б) установления соответствия эксплуатации рассматриваемых блоков правилам [3]:, т.е. в зависимости от категории блока наличие: дистанционного, неавтоматического, ручного управления, автоматического управления подачей инертных сред, применения микропроцессорной и вычислительной техники, оснащения системами контроля, управления и противоаварийной защиты установки, установка быстродействующих запорных и (или) отсекающих устройств со временем срабатывания не более 12 с, 120 с, с ручным приводом и т.д.
в) предложения конкретных организационных и технических мероприятий для снижения риска аварий, т.е. установления признаков аварийной ситуации, оптимальных способов противоаварийной защиты (ПАЗ), рекомендации по внедрению технологических средств (систем) противоаварийной защиты и подавления и локализации аварийных ситуаций и т.п.
Исходными данными для определения категорий взрывоопасности технологических блоков являются:
а) принципиальная технологическая схема каждого блока (см. рис. 3-8);
б) количество опасного вещества (жидкость, газ) в аппарате;
в) конструктивные решения зданий, наружных площадок, т.е. наличие поддонов, приямков, обваловки;
г) время ликвидации пролива в соответствии с ПЛАСом;
д) количество жидкой (паровой) фазы, поступившей от смежных блоков.
Энергетический потенциал взрывоопасности блока Е (кДж) определяется полной энергией сгорания парогазовой фазы, находящейся в блоке, при этом считается:
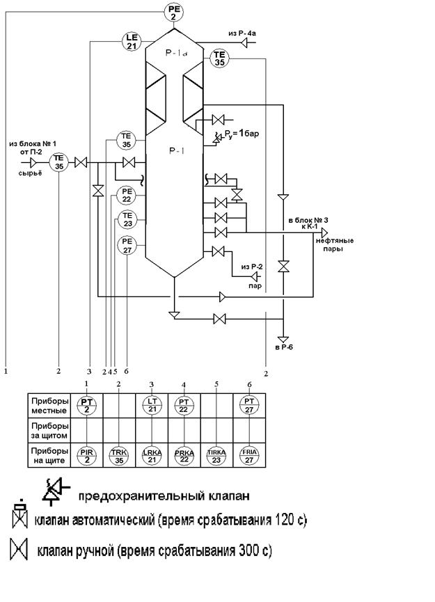
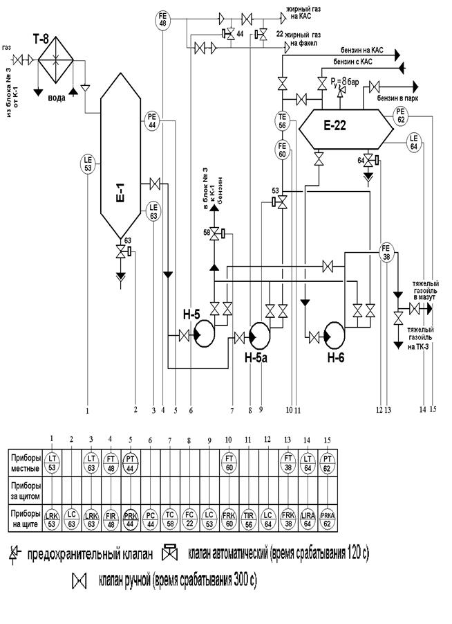
Н-1, Н-1а – насосы для подачи сырья в печь П –2; Т-2а, Т-2б – теплообменники легкого газойля, аппарат типа «труба в трубе»; Т-2 – теплообменник легкого газойля, аппарат горизонтальный с плавающей головкой; Т-3а – Теплообменник тяжёлого газойля, аппарат горизонтальный с плавающей головкой; Т-3б, Т-3I
, Т-3II
, Т-3в – теплообменники тяжёлого газойля, аппарат горизонтальный типа «труба в трубе»; П-2 – печь нагрева сырья – двухскатная (двухкамерная); Е-2, Е-2а – емкости жидкого топлива, аппарат вертикальный цилиндрический со сферическим дном; Т-5 – холодильник лёгкого газойля – аппарат прямоугольный, погружного типа; Р-1 – реактор-аппарат вертикальный цилиндрический со сферическими днищами; К-1 – ректификационная колонна-аппарат вертикальный, цилиндрический со сферическими днищами; К-2 – стрипинг-аппарат вертикальный, цилиндрический со сферическими днищами; Н-3, Н-3а – насосы для откачки лёгкого газойля с низа К – 2; Т-5а – холодильник циркуляционного орошения - аппарат прямоугольный, погружного типа; Н-2, Н-2а – насосы для откачки тяжелого газойля; Н-2б – насос для откачки термогазойля с низа К – 1; Т-6 – холодильник тяжёлого газойля – аппарат прямоугольный, погружного типа; Е-1 – газосепаратор – аппарат вертикальный, цилиндрический со сферическими днищами; Н-5, Н-5а – насосы для откачки бензина из Е-1; Т-8 – конденсатор-холодильник бензина – прямоугольный аппарат погружного типа; Е-22 – щелочная емкость – аппарат горизонтальный, цилиндрический со сферическими днищами; Е-11 – емкость топливного газа – аппарат горизонтальный, со сферическими днищами; Т-7 – теплообменник газового топлива – аппарат горизонтальный с плавающей головкой
Рисунок 3 - Блок-схема установки каталитического крекинга

Рисунок 4 - Принципиальная технологическая схема блока № 1
установки КК 43/102-1

Рисунок 5 - Принципиальная технологическая схема блока № 2 установки
КК 43/102-1

Рисунок 6 - Принципиальная технологическая схема блока № 3 установки
КК 43/102-1

Рисунок 7 - Принципиальная технологическая схема блока №4 установки
КК 43/102-1

Рисунок 8 - Принципиальная технологическая схема блока № 5 установки
КК 43/102-1
– при аварийной разгерметизации аппарата происходит его полное раскрытие (разрушение);
- для случаев отсутствия обвалования толщина слоя разлившегося опасного вещества принимается равной 0,05 м [5 ]. При наличии достаточных обоснований допускается задание слоя разлития с глубиной отличной от 0,05 м в частности в соответствии с нормами пожарной безопасности [12].
– площадь пролива внутри помещения, в поддоне или в пределах обваловки определяется исходя из расчета, что 1 л смесей и растворов, содержащих 70% и менее (по массе) растворителей, разливается на площади 0,5 м2
, а остальные жидкости – на 1 м2
пола помещения, обваловки, поддона. При разлитии в поддон или в обвалование необходимо определить, закрыто ли полностью слоем жидкости их дно. Условием для закрытия является наличие слоя жидкости толщиной более 0,02 м, т.е. V/
S
> 0.02, где V
– объем жидкости, м3
; S
– площадь обвалования (поддона), м2
.
Примечания
1 Если рассчитанная площадь пролива больше площади помещения, поддона, обваловки, то она принимается равной площади помещения, поддона, обваловки
2 Площадь пролива для наружных установок определяется исходя из расчета, что при разливе на горизонтальную поверхность (грунт, асфальт) [12] 1 л смесей и растворов, содержащих 70% и менее (по массе) растворителей, разливается на площади 0,1 м2
, а остальных жидкостей – на 0,15 м2
3 При авариях в системах, не имеющих защитных ограждений, происходит растекание жидкости по грунту и (или) заполнение естественных впадин. Обычно при растекании на грунт площадь разлива ограничена естественными или искусственно созданными границами (дороги, дренажные канавы и т.п.), а если такая информация отсутствует, то для приближенных расчетов принимают толщину слоя равной h
= 0,05 м [5]: и определяют площадь разлива по формуле (1):
, (1)
где mж
– масса вылившейся жидкости, кг;
h
– толщина слоя разлившейся жидкости, м;
ρж
– плотность разлившейся жидкости, кг/м3
.
По результатам экспериментов с жидким метаном и азотом компания «Газ де Франс» предлагает следующие значения h
см. таблицу 2.
Таблица 2 - Толщина слоя разлившегося сжиженного газа, h
, м
| Характер поверхности
|
h
· 102
, м
|
Характер поверхности
|
h
· 102
, м
|
| Бетонная
Водная
Гравий
|
0,3
1,0
5,0
|
Влажная песчаная
Сухая песчаная
|
15,0
20,0
|
Определение значений энергетических показателей взрывоопасности технологических блоков (относительного энергетического потенциала (Qв
,), приведенной массы парогазовой среды m
, категории взрывоопасности блоков) осуществляется в соответствии с [3] и таблицей 3.
Результаты расчетов по второму этапу рекомендуется оформить в виде таблицы 4.
Таблица 3 - Показатели категорий взрывоопасности технологических блоков в соответствии с [3]:
| Категория взрывоопасности
|
Qв
|
m
, кг
|
| I
|
>37
|
>5000
|
| II
|
27-37
|
2000-5000
|
| III
|
<27
|
<2000
|
Таблица 4 - Показатели категорий взрывоопасности исследуемых технологических блоков производства
| № блока
|
Qв
|
m
, кг
|
Категория взрывоопасности
|
| 1
|
| 2
|
| 3
|
| 4
|
| 5
|
Далее выбирается самые опасные блоки, которые в дальнейшем рассматриваются в работе.
4.4 Перечень основного технологического оборудования, в котором обращается опасные вещества и данные о распределении опасных веществ по оборудованию
Раздел 4.4 должен быть представлен в виде двух таблиц (см. таблицы 5,6).
Перечень основного технологического оборудования, в котором обращаются опасные вещества, необходимо приводить по составляющим (блокам) исследуемого ОПО в виде таблицы 5.
В таблицу 5 включаются следующие графы:
– «Номер позиции оборудования по принципиальной технологической схеме»;
– «Наименование оборудования и материал» (указывать основной материал, из которого изготовлено оборудование);
– «Количество единиц оборудования»;
– «Расположение» (месторасположение оборудования);
– «Назначение»;
– «Техническая характеристика» (для емкостного оборудования указывать габариты, объем и вместимость, для насосов и компрессоров – производительность, напор, мощность привода, для трубопроводов – длину и диаметр).
Пример составления таблицы с перечнем основного технологического оборудования приведен в таблице 5.
Таблица 5 - Перечень основного технологического оборудования, в котором обращается
опасное вещество – соляная кислота
| Поз. по схеме
|
Наименование оборудования, материал
|
К
ККоличество,
шт
|
Расположение
|
Назначение
|
Техническая характеристика
|
| 1 Железнодорожная эстакада
|
| Ц2
|
Железнодорожная цистерна
|
1
|
Тупик железнодорожной эстакады
|
Транспортировка и хранение соляной кислоты
|
Габаритные размеры:
Æ 3000х10500; толщина стенок 12мм, объем 73 м3
; вместимость 70 т.
|
| …
|
| №-ная составляющая
|
Данные о распределении опасных веществ по оборудованию приводятся по составляющим (блокам) в виде таблицы 6.
Таблица 6 - Данные о распределении опасных веществ по оборудованию
| Технологический блок, оборудование
|
Количество опасного вещества, т
|
Физические условия содержания опасного вещества
|
| наименование блока
|
наименование оборудования, № по схеме, опасное вещество
|
количество
единиц
оборудования
|
в единице оборудования
|
в блоке
|
агрегатное
состояние
|
давление, МПа
|
температура, °С
|
| Железнодорож-ная эстакада
|
Железнодорожная цистерна, поз. 1, серная кислота
|
1
|
60
|
60
|
Жидкость
|
0,1
|
окружающей среды
|
| .
.
.
|
| Всего опасного вещества - серной кислоты на декларируемом объекте, т
|
618,931
|
| из них в сосудах (емкостях), т
|
611,40
|
| в трубопроводах (при перекачке), т
|
7,531
|
В таблицу 6 необходимо включать следующие основные графы:
а) графу «Технологический блок, оборудование», включающую подграфы:
1) «Наименование блока»;
2) «Наименование оборудования, № по схеме, опасное вещество»;
3) «Количество единиц оборудования».
б) графу «Количество опасного вещества, т», включающую подграфы:
1) «В единице оборудования»;
2) «В блоке».
в) графу «Физические условия содержания опасного вещества», включающую подгруппы:
1) «Агрегатное состояние»;
2) «Давление, МПа»;
3) «Температура, о
С».
В графе «Технологический блок, оборудование» необходимо указывать поочередно то основное технологическое оборудование, в котором обращаются опасные вещества и которое, как правило, включается в предыдущую таблицу 5.
Данные о распределении опасных веществ по оборудованию каждой составляющей ОПО заканчиваются графой «Всего опасного вещества на составляющей ОПО» с указанием отдельно данных о количестве веществ в аппаратах и трубопроводах.
Следует отметить, что представленные в таблице 6 данные о распределении опасных веществ по оборудованию, используются для расчетов количества опасного вещества, участвующего в различных гипотетических сценариях аварий, рассматриваемых в последующих этапах.
4. 5 Перечень аварий и неполадок, имевших место на исследуемом ОПО и на других аналогичных объектах, или аварий, связанных с обращающимися опасными производственными веществами
Источниками сведений об авариях могут быть акты расследования аварий на предприятиях, данные Ростехнадзора России, МЧС России, банки данных об аварийности и травматизме, публикуемые в открытой печати, Интернет и др. При этом основное внимание рекомендуется уделять авариям и неполадкам (инцидентам), связанным с разрушением (повреждением) зданий и/или сооружений, технических устройств, отказом оборудования или его элементов, сопровождавшимся выбросами опасных веществ, взрывами и загораниями.
Следует отметить, что сведения об авариях необходимы для выявления основных причин произошедших аварий, связанных с обращающимися опасными веществами, а также для разработки «Деревьев событий» в последующих этапах.
Данные об авариях и неполадках приводятся в виде таблицы 7.
В перечне аварий необходимо давать ссылку на используемый источник информации.
После оформления таблицы об авариях и неполадках необходимо оформить подпункт «Анализ основных причин происшедших аварий» на основе сведений об имевшихся на данном предприятии (исследуемом ОПО) и других авариях с аналогичными опасными веществами».
Пример составления подпункта «Анализ основных причин происшедших аварий» приведен ниже:
Проанализировано: 2 аварии и 14 неполадок, происшедших на составляющих исследуемого ОПО в период с 01.01.1990 по 01.01.2007. и 30 аварий, происшедших на аналогичных объектах в период с 01.01.1970 по 01.01.2006.
Анализ основных причин происшедших аварий позволил выделить следующие взаимосвязанные группы причин, характеризующиеся:
– отказами (неполадками оборудования) – 40% от всех причин;
– ошибочными действиями персонала – 30%;
– внешними воздействиями природного и техногенного характера –5%.
| Таблица 7 - Перечень аварий, имевших место на других аналогичных объектах и связанных с обращающимся опасным веществом
|
| Дата и место аварии
|
Вид аварии (неполадки)
|
Описание аварии и основные причины
|
Масштабы развития аварии, максимальные зоны действия поражающих факторов
|
Число
пострадавших, ущерб
|
Источник информации
|
| 19.07.2000 г.
фирма «Gellatex»
|
Выброс серной кислоты
|
Рабочие предприятия в знак протеста против закрытия завода и массовых увольнений допустили утечку серной кислоты через сточную трубу.
|
В связи с угрозой отравления эвакуировано 500 человек из ближайших населенных пунктов.
|
Пострадавших нет.
|
[13]
|
| 03.03.01
ООО «Севергазпром» (Управление Печорского округа)
|
Разрушение трубопровода с возгоранием газа
|
На 1122 км магистрального газопровода «Ухта-Торжок III» разрушился трубопровод с возгоранием газа.
|
Пострадавших нет
|
[14]
|
| 08.03.01
ООО «Тюменьтрансгаз» (Управление Тюменского округа)
|
Возгорание и взрыв газа
|
На 119 км магистрального газопровода «Ямбург-Тула-1» после приема снаряда дефектоскопа оторвалась крышка камеры приема, что привело к воспламенению и взрыву газа.
|
3 человека погибли, 2 получили ожоги 2 степени.
|
[15]
|
4.6 Оценка частоты исходных событий (аварийной ситуации)
Частота исходной аварийной ситуации (отказ, неполадка оборудования) необходима для расчета частоты реализации каждого сценария аварийной ситуации с учетом вероятности по каждому событию.
Оценка частот исходных событий производится двумя методами:
а) метод анализа «деревьев отказов»;
б) метод анализа статистических данных частот отказов оборудования, трубопроводов и др.
При анализе «деревьев отказов» выявляются комбинации отказов (неполадок) оборудования, ошибок персонала и иных воздействий, приводящих к основному событию (аварийной ситуации). Метод используется для анализа возможных причин возникновения аварии и расчета ее частоты (на основе частот исходных событий).
Пример построения и анализа «деревьев событий», приводящих к разгерметизации емкостного оборудования и технологического трубопровода приведены на рис. 9 и 10.
Второй метод применяется в случае использования соответствующих данных для определения частоты рассматриваемых событий в прошлом и прогнозирования частоты событий в будущем. В этом случае используемые данные должны соответствовать типу анализируемого производства, оборудования объекта.
Рекомендуемые обобщенные данные по оценке частоты отказов оборудования представлены в таблице 8. [2].
   или
  
 или

1- воздействие осколков, УВВ от взрыва соседнего резервуара; 2 - отказ болтовых соединений, фланцевых прокладок, запорной арматуры, сварных соединений; 3 - ошибка оператора; 4 - отказ дыхательного клапана; 5 - наличие внутренних дефектов; 6 - возникновение источника зажигания; 7- отсутствие азота; 8 - нагрев корпуса при пожаре в соседней емкости; 9 - нарушение защитного покрытия; 10 - высокая температура окружающей среды; 11 - отказ предохранительного клапана
Рисунок 9 - «Дерево отказов», приводящих к разгерметизации емкостного оборудования (цистерны, резервуары) и аварии вне оборудования
или
1 – отказ запорной арматуры; 2 – отказ сварных швов; 3 – отказ прокладок фланцевых соединений; 4 – отказ болтовых соединений фланцев; 5 – коррозионный или усталостный отказ
Рисунок 10 - «Дерево отказов», приводящих к разгерметизации трубопроводов
Таблица 8 - Обобщенные статистические данные по оценке частоты отказов оборудования
| Тип отказа оборудования
|
Частота отказа (инцидента)
|
Масштабы выброса опасных веществ
|
| Разгерметизация технологических трубопроводов протяженностью не более 30м
|
| – частичная разгерметизация
|
5·10-2
на 1 км трубопровода в год
|
Объем выброса, равный объему поступления из трубопровода через отверстие диаметром 25мм за время перекрытия потока
|
| – полная разгерметизация
|
5·10-3
на 1 км трубопровода в год
|
Объем выброса, равный объему трубопровода, ограниченного арматурой, с учетом поступления из соседних блоков за время перекрытия потока
|
| Разгерметизация магистральных трубопроводов
|
| Продолжение таблицы 8
|
| Тип отказа оборудования
|
Частота отказа (инцидента)
|
Масштабы выброса опасных веществ
|
| – частичная разгерметизация
– полная разгерметизация
|
(1÷3)·10-3
на 1 км трубопровода в год
|
Объем выброса, равный объему поступления из магистрального трубопровода через отверстие диаметром 25мм за время перекрытия потока
|
| (1÷3)·10-4
на 1 км трубопровода в год
|
Объем выброса, равный объему магистрального трубопровода, ограниченного арматурой, с учетом профиля трассы и поступления веществ из соседних участков за время остановки и перекрытия потока.
|
| Отказ машинного оборудования (насосы, компрессоры)
|
| – частичный
|
5·10-2
единицы оборудования в год
|
Объем, вытекающий через торцевые уплотнения (отверстие диаметром 25мм) за время перекрытия потока
|
| – полный
|
5·10-3
единицы оборудования в год
|
Объем, вытекающий через разрушенный узел за время перекрытия потока
|
| Разгерметизация резервуаров хранения (включая разрыв сварных швов и фланцев трубопроводов обвязки)
|
| – полное разрушение
|
10-5
в год
|
Полное содержимое резервуара
|
| – частичное разрушение
|
10-4
в год
|
Объем, вытекающий через отверстие диаметром 25мм за время перекрытия потока
|
| Продолжение таблицы 8
|
| Тип отказа оборудования
|
Частота отказа (инцидента)
|
Масштабы выброса опасных веществ
|
| Разрыв соединительных рукавов при сливе/наливе железнодорожных или автомобильных цистерн
|
10-3
на 1 заправку
10-2
на 1 шланг (рукав) в год
|
Объем, вытекающий через сливное отверстие за время перекрытия потока
|
| Разгерметизация резервуаров (изотермические) с двойной оболочкой
|
| – полное разрушение
|
1·10-6
в год
|
Полное содержимое резервуара
|
| – частичное разрушение
|
1·10-5
в год
|
Объем, вытекающий через отверстие диаметром 25мм за время перекрытия потока
|
| Частота аварийности автомобильных грузовых перевозок опасных материалов (вероятность условного пролива)
|
2·10-6
аварий на 1 милю
(1 миля = 1,609км)
|
| – для 10% потери груза
|
0,6·2·10-6
аварий на 1,6 км
|
| – для 100% потери груза
|
0,2·2·10-6
аварий на 1,6 км
|
| Аварии на главном железнодорожном пути
|
6·10-7
/вагон-милю
(1,6 км)
|
| Степень аварийности на маневренных путях
|
3·10-6
/вагон-милю
(1,6 км)
|
| Продолжение таблицы 8
|
| Тип отказа оборудования
|
Частота отказа (инцидента)
|
Масштабы выброса опасных веществ
|
| Распределение (относительная доля) размеров пролива
|
| – для 10% потери груза
|
0,5·3·10-6
вагон-милю
|
| – для 100% потери груза
|
0,3·3·10-6
вагон-милю
|
При прогнозировании частоты отказов оборудования для конкретного производства студент обязательно должен учитывать также наличие количества аналогичного оборудования, частоты и время эксплуатации оборудования (резервуаров, железнодорожных цистерн) при их сливе/наливе, а также продолжительность функционирования продуктоводов. Для этой цели рекомендуется оформить в виде таблиц, так называемые «рабочие листы».
Примеры оформления «рабочих листов» представлены в таблицах 9, 10, 11 и 12.
Таблица 9 - Оценка частот выбросов из трубопроводов
| Рабочий лист №1
|
| Опасное вещество
|
Нефть
|
| Длина технологического трубопровода, км
|
Lтр
= 50м
|
| Время работы (перекачки вещества), часов/год
|
τ = 500 ч
|
| Степень аварийности
|
Частичное Вч
=5·10-2
км/год;
Полное Вп
=5·10-3
км/год
|
| Количество часов в год
|
Т = 8760 ч
|
| Частота пролива (частичная разгерметизация трубопровода)
|
Через отверстие диаметром 25 мм
|
| Рчаст
= Вч
·Lтр
·τ/Т = 5·10-2
·50·500/8760 = 1,43·10-3
, 1/год
|
| Частота пролива (полная разгерметизация трубопровода)
|
Повреждение на полное сечение
|
| Рполн
= Вп
·Lтр
·τ/Т = 5·10-3
·50·500/8760 = 1,4·10-4
, 1/год
|
Таблица 10 - Оценка частот выбросов стационарных объектов (резервуаров хранения)
| Рабочий лист №2
|
| Опасное вещество
|
Бензол
|
| Количество аппаратов
|
n = 15
|
| Время работы аппарата, часов/год
|
τ = 8000 ч
|
| Степень аварийности, 1/год
|
Частичное Вч
=10-4
1/год;
Полное Вп
=10-5
1/год
|
| Количество часов в год
|
Т = 8760 ч
|
| Частота выброса (частичная разгерметизация)
|
Через отверстие диаметром 25 мм
|
| Рчаст
= n·Вч
·τ/Т = 15·10-4
·8000/8760 = 1,37·10-5
, 1/год
|
| Частота выброса (полная разгерметизация)
|
Повреждение на полное сечение
|
| Рчаст
= n·Вп
·τ/Т = 15·10-5
·8000/8760 = 1,37·10-6
, 1/год
|
Таблица 11 - Оценка частоты выбросов при автомобильных перевозках опасных грузов
| Рабочий лист №3
|
| Опасный груз
|
Бензин
|
| Общее число грузовых перевозок
|
n = 1500
|
| (только загруженный транспорт)
|
| Длина рассматриваемого маршрута
|
l
= 1,5 км
|
| (км вблизи административных образований)
|
| Общее число км в год
|
L = n·l
= 1500·1,5 = 2250 км
|
| Проливы по размерам:
|
| – для 10% потери груза
|
А = 1,2·10-6
аварий на 1,6 км
|
| – для 100% потери груза
|
Б = 0,2·10-6
аварий на 1,6 км
|
| Частота аварий в год
|
Рав
= L·2·10-6
= 2250·2·10-6
/1,6 = 2,8·10-3
, 1/год
|
| Частота пролива:
|
|
| – для 10% потери груза
|
Рчаст
= Рав
·А = 2,8·10-3
·1,2·10-6
/1,6 = 2,1·10-9
проливов/год
|
| – для 100% потери груза
|
Рполн
= Рав
·Б = 2,8·10-3
·0,4·10-6
/1,6 = 0,7·10-9
проливов/год
|
| |
Таблица 12 - Оценка частоты выбросов при перевозках железнодорожным транспортом
| Рабочий лист №4
|
| Опасный материал
|
Нефть
|
| Количество вагонов в год
|
n = 20000
|
| (только загруженные вагоны)
|
| Количество вагонов-км на участках маневрирования (длина рассматриваемого маршрута)
|
l
= 3,0 км
|
| (км на поездку вблизи административных образований)
|
| Общее число км в год на участках маневрирования
|
L = n·l
= 20000·3 = 60000 км
|
| Проливы по размерам:
|
| – для 10% потери груза (50 мм отверстие)
|
А = 1,5·10-6
аварий на 1,6 км
|
| – для 100% потери груза
|
Б = 0,9·10-6
аварий на 1,6 км
|
| Частота аварий в год (на участках маневрирования)
|
Рав
= L·3·10-6
/1,6 = 60000·3·10-6
/1,6 = 1,0·10-1
, 1/год
|
| Частота пролива:
|
|
| – для 10% потери груза
|
Рчаст
= Рав
·А = 1,0·10-1
·1,5·10-6
/1,6 =9,3·10-8
проливов/год
|
| – для 100% потери груза
|
Рполн
= Рав
·Б = 1,0·10-1
·0,9·10-6
/1,6 = 5,6·10-8
проливов/год
|
| |
Для объектов, связанных с обращение взрывчатых материалов промышленного назначения определение частоты возникновения аварии предлагается производить по статистическим данным их эксплуатации. При этом могут быть использованы два подхода.
При одном из подходов допускается, что время безаварийной работы склада ВМ (до взрыва) подчиняется экспоненциальному закону.
При этом определяется верхняя доверительная граница для параметра экспоненциального закона λ
[16]:
, (2)
где d
– случайная величина (число взрывов), имеющая пуассоновское распределение с параметром Δ = λ·N·T;
∆1-α
(d
) – верхняя доверительная граница с доверительной вероятностью α=0,8
параметра пуассоновского распределения (1,60944);
N
– количество объектов, за которыми ведется наблюдение (1018 в соответствии с [17]);
n – среднее количество хранилищ на складе ВМ (n=4).
Т
– время наблюдения (40 лет в соответствии с [17]).
Для этих условий значение λ
для одного хранилища составит 1·105
, 1/ год.
Вероятность взрыва за время t
определяется по формуле:
(3)
Тогда верхняя граница вероятности взрыва в хранилище ВМ за 1 год при доверительной вероятности α=
0,8 будет равна:
При другом подходе на основании статистических данных предварительно определяется вероятность аварии по формуле (4):
, (4)
где nав
– количество аварий за время наблюдения Т
;
Nнабл
- общее количество наблюдаемых единиц объектов.
По данным Ростехнадзора [17] в 2005 году функционировало 1018 различных складов ВМ промышленного назначения. По тем же данным за последние 40 лет ни одной аварии (пожаров и взрывов масс, хранящихся ВМ промышленного назначения) на складах ВМ не случалось. Имели место несколько несчастных случаев, связанных с обращением с СИ, не повлекших за собой масштабных последствий. Таким образом, так как nав
=0
, то в соответствии с формулой (4) Рав
=0
.
Так как авария на складе ВМ, относящемся к особо опасным производственным объектам, недопустима, но в принципе возможна, предлагается ввести термин «ожидаемая вероятность» - вероятность события, ожидаемого в любое время.
В этом случае вероятность возникновения аварии на одном отдельно взятом хранилище склада ВМ составит:
4.7 Анализ «дерева событий»
Анализ «дерева событий» – алгоритм построения последовательности событий, исходящих из основного события (аварийной ситуации) – используется для анализа условий аварийной ситуации (сценариев ситуации) в том числе оценки вероятности реализации поражающих фактов.
Типовые схемы построения сценариев развития аварийных ситуаций для веществ в различных агрегатных состояний приведены на рисунках 11-13.

Рисунок 11 – Типовая схема построения сценариев аварийных ситуаций (газ)

Рисунок 12 – Типовая схема построения сценариев аварийных ситуаций (твердое)

Рисунок 13 – Типовая схема построения аварийных ситуаций (жидкость)
Пример использования метода «деревьев событий» для оценки вероятности реализации сценариев аварий приведен на рис.А.1-А.7. Приложения А. Цифрами указаны значения относительной вероятности возникновения события.
Расчетные значения частот реализации сценариев для блоков (составляющих) исследуемого объекта, кроме сценариев, заканчивающихся без опасных последствий, необходимо представить в виде таблицы. Пример составления частот реализации сценариев аварий на исследуемом объекте приведен в таблице 13.
В результате анализа данных таблицы по частотам реализации аварий по каждому блоку исследуемого объекта, устанавливается наиболее вероятный сценарий развития аварии с наиболее тяжелыми последствиями и указывается в текстовом виде после таблицы.
Таблица 13 - Частота реализации сценариев аварий на установке КК 43/102-2
| Наименование блока
|
Наименование
оборудования
|
Сценарий
|
Вероятность реализации сценария, в год
|
| Блок №1
|
Трубопровод к Н-1а на открытом пространстве
|
С3
|
6,3·10-5
|
| С3п
|
6,3·10-6
|
| Трубопровод к Н-1а внутри насосной
|
С3
|
2,5·10-5
|
| С3п
|
2,5·10-6
|
| Теплообменник Т-3аI
II
|
С5
|
8,0·10-4
|
| С3п
|
8,0·10-5
|
| Трубопровод от теплообменника Т-3аII
I
к П-2
|
С2
|
1,0·10-4
|
| С2п
|
1,0·10-5
|
| С3
|
6,8·10-5
|
| С3п
|
6,8·10-6
|
| Продолжение таблицы 13
|
| Наименование блока
|
Наименование оборудования
|
Сценарий
|
Вероятность реализации сценария, в год
|
| Ретурбент П-2 с сырьем в жидком состоянии
|
С2
|
1,4·10-4
|
| С2п
|
1,4·10-5
|
| С3
|
8,2·10-5
|
| С3п
|
8,2·10-6
|
| С5
|
1,5·10-4
|
| С5п
|
1,5·10-5
|
| Ретурбент П-2 с сырьем в газообразном состоянии
|
С1
|
1,5·10-4
|
| С1п
|
1,5·10-5
|
| С2
|
9,0·10-5
|
| С2п
|
9,0·10-6
|
| Трубопровод от П-2 к Р-1
|
С1
|
1,5·10-3
|
| С1п
|
1,5·10-4
|
| …
|
| №-ная составляющая
|
Примечание – Индекс «п» относится к полной разгерметизации оборудования.
4.8 Оценка количества опасных веществ, участвующих в аварии
Оценка количества опасных веществ, участвующих в аварии проводится, как правило, для каждого типа сценария (или группы типовых сценариев), определенного на предыдущем этапе.
Для определения количества опасного вещества рекомендуется использовать "Данные о распределении опасных веществ по оборудования" (табл. 6 п.4.3).
Расчет количества опасного вещества, участвующего в аварии при частичном разрушении технологического оборудования принимается в размере отверстия 25 мм. Время ликвидации аварии принимается 60 мин.
При полном разрушении технологического оборудования, кроме количества опасного вещества, находящегося в оборудовании, учитывается его выделение из соседнего оборудования: трубопроводов, емкостей и т.п. за время нормативного отключения (срабатывания) запорных устройств, установленных на границах технологических блоков. При ручном отключении время принимается 300 с.
При определении количества опасного вещества, участвующего в аварии, в каждой составляющей необходимо выбрать оборудование с максимальным содержанием наиболее опасного вещества, если опасные вещества в любой единице оборудования этой составляющей (блока) находятся в одинаковых условиях.
При наличии разницы в условиях (температура, наличие или отсутствие обваловки и др.) выбор оборудования осуществляется по наиболее "жестким" условиям, обуславливающим наиболее опасные последствия аварий.
Следует отметить, что не все количество вещества, выбрасываемого или истекающего из аварийного оборудования, может участвовать в создании поражающих факторов или непосредственно наносить ущерб. Для этой цели оформляется таблица с указанием графы – количество опасного вещества, участвующего в аварии и участвующего в создании поражающих факторов. Вид таблицы приведен ниже (см. табл. 14).
Таблица 14 - Количество опасных веществ, участвующих в создании поражающих факторов при реализации наиболее вероятных сценариев развития аварийной ситуации
| №
cце
-на-рия
|
Последствия
|
Основной
поражающий
фактор
|
Количество опасного вещества, т
|
| участвую-щего в аварии
|
учасвующего в создании
поражающих факторов
|
| Блок №1
|
| С1
|
факельное горение при частичной разгерметизации трубопровода от П-2 к Р-1
|
тепловое
воздействие
|
1,068
|
1,068
|
| С2
|
взрыв ТВС при частичной разгерметизации трубопровода от Т-3в к П-2
|
ударная волна
|
0,548
|
0,043
|
| Продолжение таблицы 14
|
| №
cце
-на-рия
|
Последствия
|
Основной
поражающий
фактор
|
Количество опасного вещества, т
|
| участвую-щего в аварии
|
участвующего в создании
поражающих факторов
|
| С3
|
пожар пролива при частичной разгерметизации трубопровода от Т-3в к П-2
|
тепловое
воздействие
|
0,548
|
0,548
|
| С5
|
факельное горение при частичной разгерметизации теплообменника Т-3в
|
тепловое
воздействие
|
19,062
|
19,062
|
| …….
|
| №-ная составляющая
|
Количество опасного вещества, участвующего во взрыве (создании поражающих факторов) определяется по формуле (5):
m¢ = z ·m, (5)
где z
– доля приведенной массы парогазовых веществ, участвующих во взрыве;
т
– приведенная масса горючих паров (газов) взрывоопасного парогазового облака, кг.
В общем случае для неорганизованных парогазовых облаков на открытой площадке с большой массой горючих веществ доля участия во взрыве z
может приниматься 0,1.
Для производственных помещений и других замкнутых объемов значения z могут приниматься в соответствии с таблицей 15.
Таблица 15 - Значение z
для замкнутых объемов (помещений, зданий)
| Вид горючего вещества
|
z
|
| Водород
|
1,0
|
| Горючие газы
|
0,5
|
| Пары легковоспламеняющихся и горючих жидкостей
|
0,3
|
Основными опасными факторами аварии являются:
а) Избыточное давление и импульс волны давления:
1) при сгорании газовоздушной смеси в открытом пространстве;
2) при разрыве сосуда в результате физического взрыва.
б) Избыточное давление при:
1) взрыве газовоздушной смеси в резервуаре;
2) взрыве газовоздушной смеси в производственном помещении.
в) Тепловое излучение при:
1) факельном горении;
2) пожарах пролива;
3) "огненных шарах".
г) Осколки, образующиеся при взрывном разрушении элементов технологического оборудования.
д) Расширяющиеся продукты сгорания при реализации пожара-вспышки.
е) Токсическое воздействие
1) продуктов сгорания или взрыва;
2) индивидуальных химических веществ в чистом виде и в виде технического продукта;
3) технологических полупродуктов и продуктов производства;
4) смесей индивидуальных химических веществ, выпускаемых в соответствии со стандартом или техническим условием.
4.9 Выбор физико-математических моделей и методов расчета вероятных зон поражающих факторов
Выбор физико-математических моделей расчета вероятных зон поражающих факторов осуществляется только после построения "дерева событий", установления поражающих факторов для каждого сценария развития аварий (взрыв, выброс опасных веществ и т.д.), определения опасных веществ, участвующих в аварийной ситуации и в создании поражающих факторов.
В зависимости от специфики конкретного производства и сценариев развития аварий на исследуемом объекте для расчета вероятных зон поражающих факторов в курсовых (семестровых) и выпускных квалификационных работах могут быть использованы следующие математические модели:
а) расчет поражающего воздействия УВВ на персонал, здания и сооружения при взрыве топливно-воздушных смесей (ТВС) [18];
б) расчет интенсивности теплового излучения при пожарах проливов горючих жидкостей [19];
в) расчет избыточного давления, развиваемого при сгорании газопаровоздушных смесей в помещении [19];
г) расчет интенсивности теплового излучения и времени существования "огненного шара" [19];
д) расчет токсического поражения людей [5];
е) расчет параметров взрыва внутри оборудования [24];
ж) расчет интенсивности теплового излучения «факельного горения» [19];
з) расчет поражающего действия УВВ и продуктов взрыва на персонал, здания и сооружения при детонации ВМ [20].
Результаты основных расчетов вероятных зон действия поражающих факторов для всех сценариев развития аварий на исследуемом объекте должны быть представлены в отдельных таблицах с указанием наименования оборудования, номера группы сценария и названия методики расчета. Примеры оформления таблиц с основными результатами расчетов вероятных зон действия поражающих факторов приведены в таблице 16.
По результатам расчетов радиусов зон поражающих факторов определяются уровни развития аварийных ситуаций для сценариев с наиболее опасными последствиями.
На ситуационном плане (см. рисунок А.8 Приложения А) изображаются радиусы зон поражающих факторов (в масштабе), т.е. формирование зон поражения для рассматриваемых сценариев аварий.
Каждая аварийная ситуация имеет несколько стадий развития.
При сочетании определенных условий аварийная ситуация может перейти в следующую стадию развития. При этом могут быть достигнуты различные уровни развития аварий:
Первый уровень - А
- характеризуется возникновением и развитием аварийной ситуации в пределах одного технологического блока без влияния на смежный.
Таблица 16 - Основные результаты расчета вероятных зон действия поражающих факторов вероятных сценариев аварийной ситуации
| Параметр
|
Номер сценария
|
| С1
|
С2
|
….
|
С
n
|
| Взрыв ВМ (
Единые правила безопасности при взрывных работах)
[20]
|
| Уровни поражения ударной волной зданий и сооружений, м
полное разрушение застекления, частичные повреждения рам, дверей, нарушение штукатурки и внутренних легких перегородок (III степень)
разрушение внутренних перегородок, рам, дверей и т.п. (IY степень)
разрушение малостойких каменных и деревянных зданий, опрокидывание железнодорожных составов (Y степень)
Безопасная зона по действию УВВ на человека, м
|
|
|
|
|
| Взрыв ВМ (Методика института динамики геосфер РАН)
[21]
|
| Летальная зона по действию УВВ на человека, м
|
100
|
|
|
|
| Взрыв ВМ (Методика ВНИИПО)
[22]
|
| Уровень поражения человека осколками строительных конструкций, м
безопасная зона
летальная зона
|
|
|
|
|
| Огненный шар (Методика ГОСТ Р 12.3.047-98)
[19]
|
| Длительность огненного шара, с
Эффективный диаметр, м
Уровни поражения излучением, м
летальное поражения человека
|
|
|
|
|
| Продолжение таблицы 16
|
| Параметр
|
Номер сценария
|
| С1
|
С2
|
….
|
С
n
|
| ожог 1-й степени
ожог 2-й степени
ожог 3-й степени
безопасное расстояние для людей
|
|
|
|
|
| Пожар пролива (Методика ГОСТ Р 12.3.047-98
[19])
|
| Эффективный диаметр пролива, м
Высота пламени, м
Максимальная площадь пожара, м2
Длительность пожара, мин.
Уровни поражения тепловым излучением, м:
безопасное расстояние для человека
непереносимая боль через 20÷30 с, ожог 1-ой степени через 15÷20 с, ожог 2-ой степени через 30÷40 с,
непереносимая боль через 5 с, ожог 1-ой степени через 6÷8 с, ожог 2-ой степени через 12÷16 с,
воспламенение деревянных конструкций
|
|
|
|
|
| Взрыв топливно-воздушного облака
(методика НТЦ «Промышленная безопасность»
[18]):
|
| Уровни поражения ударной волной, м
Расстояние от центра облака ТВС, м
Безразмерный радиус
Эффективный энергозапас горючей смеси, МДж
Уровни поражения ударной волной, м:
12 кПа – умеренное повреждение зданий
5 кПа – нижний порог повреждения человека
3 кПа – малые повреждения
|
|
|
|
|
| Продолжение таблицы 16
|
| Параметр
|
Номер сценария
|
| С1
|
С2
|
….
|
С
n
|
| Токсическое поражение (методика «Токси»
[5], [18])
|
| Радиус зоны смертельных поражений, м
Радиус зоны пороговых поражений, м
|
| Факельное горение газообразного горючего (методика ГАЗПРОМА [23])
|
| Максимальная длина факела, м
Максимальная ширина факела, м
Поражение персонала, м
Воспламенение древесины, м
Безопасное расстояние для персонала, м
|
| Факельное горение жидкого горючего (методика
[24])
|
| Максимальная длина факела, м
Максимальная ширина факела, м
Поражение персонала, м
Воспламенение древесины, м
Безопасное расстояние для персонала, м
|
В этом случае локализация аварийной ситуации возможна производственным персоналом без привлечения специальных подразделений или при необходимости с привлечением профессиональных аварийно-спасательных формирований по локализации и ликвидации аварийных ситуаций, с целью предупреждения их распространения на другие блоки установки.
Второй уровень - Б
- характеризуется развитием аварийной ситуации с выходом за пределы блока, установки.
Локализация аварийной ситуации уровня «Б» осуществляется с привлечением военизированных пожарных частей, ГСС, медицинских и других подразделений, а также персонала смежных или технологически связанных объектов, по предупреждению распространения аварии на другие смежные объекты.
Третий уровень – В
- характеризуется развитием аварии с выходом ее за пределы территории предприятия.
4.10 Оценка возможного числа пострадавших
«Оценку возможного числа пострадавших» необходимо определить при различных рассмотренных ранее сценариях аварий на исследуемом объекте см.п.4.6.
Рекомендуется приводить данные для аварии с наиболее опасными по своим последствиям и наиболее вероятными (типичными) сценариями аварий по составляющим (блокам) исследуемого объекта.
При оценке возможного числа пострадавших необходимо учитывать:
а) количество людей, находящихся на открытых площадках, внутри зданий и пунктов управления технологическим процессом, наличие средств индивидуальной защиты;
б) расположение зданий и пунктов управления, их оборудование средствами коллективной защиты;
в) противоаварийную устойчивость зданий и пунктов управления.
Оценка возможного числа пострадавших выполняется на основании результатов расчета границ опасных зон. Для этой цели на ситуационном плане в масштабе обозначаются радиусы летальной и санитарной (опасной) зон.
Результаты расчета возможного количества погибших (безвозвратные потери) и травмированных (санитарные потери) в случаи аварии могут быть представлены для каждой составляющей (блока) только для наиболее вероятных сценариев развития аварии и наиболее опасных по последствиям в таблицах, пример формы, которых представлены в таблице 17.
Таблица 17 - Данные о возможном числе пострадавших
| Составляющая
|
Наименование сценария
|
Количество пострадавших, чел.
|
| смерт.
|
травм.
|
| Склад соляной кислоты
|
С1п
– железнодорожная цистерна с соляной кислотой
|
4
|
65
|
| С1
– резервуар хранения соляной кислоты
|
1
|
3
|
| Склад серной кислоты
|
С1п
– резервуар хранения серной кислоты
|
2
|
0
|
| С2
– межцеховой кислотопровод серной кислоты
|
0
|
0
|
Примечание – Из этого количества до 50 чел. – персонал предприятия «Промстройдеталь» (Промбаза), ОАО «Центрметаллургремонт» и ООО «Союз-стекло».
4.11 Оценка возможного ущерба
Оценку возможного ущерба можно проводить по [26].
В соответствии с этим документом полный ущерб от аварий состоит из прямых и косвенных потерь организации, эксплуатирующей опасный производственный объект (потери в результате разрушения основных фондов, потери в результате уничтожения товарно-материальных ценностей), затрат на локализацию (ликвидацию) и расследование аварии, социально-экономических потерь (затраты, понесенные вследствие гибели и травматизма людей), косвенного ущерба, экологического ущерба и потерь от выбытия трудовых ресурсов в результате гибели людей или потери им трудоспособности.
Оценку возможного ущерба рекомендуется проводить по данным для аварии с наиболее опасными по своим последствиям и наиболее вероятными сценариями аварий по составляющим (блокам) исследуемого объекта.
Данные настоящего этапа могут представляться как в текстовом, так и в табличном виде.
4.12 Оценка индивидуального, коллективного и социальной рисков гибели людей
Индивидуальный риск – частота поражения отдельного человека в результате воздействия исследуемых факторов опасности аварий.
Коллективный риск – ожидаемое количество пораженных в результате возможных аварий за определенный период времени.
Социальный риск – зависимость частоты возникновения событий F
, в которых пострадало на определенном уровне не менее N
человек, от этого числа N
.
Процедура количественной оценки риска производится в соответствии со схемой, представленной на рисунке 14.
Для определения уровня индивидуального риска следует учитывать природу аварии, долю времени нахождения в "зоне риска" и местонахождение "рискующего". В этой связи индивидуальный риск рассчитывается по формуле (6):
,
(6)
где Rинд
– индивидуальный риск, 1/год;
Qni
– условная вероятность поражения человека при реализации i
-того сценария аварии;
Qi
– вероятность реализации i
–того сценария аварии в течение года;
Рпр
i
– вероятность присутствия человека в зоне действия поражающих факторов i
-того сценария аварии;
n
– число сценариев аварии.

Рисунок 14 - Схема количественной оценки риска
Условная вероятность поражения человека избыточным давлением, развиваемым при сгорании паровоздушных смесей на определенном расстоянии от эпицентра, а также тепловым излучением при пожаре пролива, рассчитывается с использованием «пробит-функции» [19].
Индивидуальный риск обычно рассчитывается для различных категорий персонала, при этом учитывается время пребывания персонала конкретной специальности (аппаратчики, слесари, ИТР – начальник цеха, мастер смены, технолог и др.) в зоне поражающих факторов конкретной аварии, при этом используются данные карт занятости персонала на рабочих местах.
Вероятность присутствия персонала в зоне действия поражающих факторов возможной аварии определяется по формуле (7):
, (7)
где τ
i
– время нахождения работающего в пределах зон поражающих факторов в одну смену, ч;
Т
– количество часов в году;
ni
–
количество рабочих смен в году.
Коллективный риск рассчитывается по формуле (8):
, (8)
где Rкол
– коллективный риск, чел/год;
Qi
– вероятность реализации i
-того сценария аварии в течение года;
Ni
– количество погибших при реализации i
–того сценария аварии.
Средний индивидуальный риск рассчитывается по формуле (9):
, (9)
где Rср
– средний индивидуальный риск, 1/год;
Ni
– персонал, подвергающийся риску, чел.
Социальный риск– зависимость частоты возникновения событий F, в которых пострадало на определенном уровне не менее N человек. Пример представлен в виде графика на рисунке 15.
Частота гибели людей (F), 1/год
|
1·10-5
1·10-6
1·10-7
1·10-8
1·10-9
|
1 2 3 4
Количество погибших, не менее N чел.
|
Рисунок 15 - Частота гибели различного количества людей при аварии
Для наглядности, перечень составляющих ОПО с указанием рассчитанных показателей риска аварии рекомендуется представлять в виде таблицы 18.
Таблица 18 - Рассчитанные показатели риска составляющих ОПО
| Составляющая
|
Частота реализации сценария аварии1
, 1/год
|
Количество пострадавших1
, чел., смерт./травм.
|
Ущерб, руб.
|
Риск
|
| Материальный
|
Экологический
|
Индивидуальный, 1/год
|
Коллективный, чел/год
|
| Склад соляной кислоты
|
6,0·10-9
|
4/65
|
162932
|
162874
|
1,1·10-6
|
1,9·10-5
|
| Склад серной кислоты
|
5,0·10-7
|
2/0
|
1421776
|
-
|
Примечание - Необходимо указать данные для наиболее опасных по последствиям сценариев развития аварии
При анализе показателей риска на ОПО на основании таблицы 18 приводится следующее (в виде комментария):
1) какая составляющая (блок) является наиболее опасной, при этом указывается: наименование оборудования (резервуар, трубопровод, емкость и т.д.), опасное вещество, вероятность сценария, количество травмированных и погибших, ущерб от аварии;
2) выходят ли зоны действия поражающих факторов гипотетических аварий за пределы санитарно-защитной зоны, затрагивают ли близлежащие населенные пункты, сторонние организации;
3) индивидуальный риск на ОПО на уровне ли среднестатистических показателей риска техногенных происшествий;
4) отмечается соответствует ли современному уровню промышленной безопасности в целом все технические и организационные решения на ОПО, разработаны и осуществляются ли они с учетом действующих нормативных документов.
4.13 Оценка уровня производственной санитарии и гигиены труда на производстве
4.13.1 Химический фактор и пыль на производстве
При прохождении производственной практики собираются материалы о химических веществах, обращающихся на производстве (участке), их свойствах. Результаты представляются в виде таблицы 19.
Таблица 19 - Химический фактор и пыль на производстве
| Характеристики
|
Вещество
|
| 1
|
2
|
…
|
N
|
| 1 Название
|
| 2 Химическая формула
|
| 3 Агрегатное состояние
|
| 4 ПДК воздуха рабочей зоны, мг/м3
[27]
|
| 5 Класс опасности [28]
|
| Продолжение таблицы 19
|
| Характеристики
|
Вещество
|
| 1
|
2
|
…
|
N
|
| 6 Особенности действия [9]
7 Рабочее место
(технологическая операция, помещение)
|
| 8 Приборы контроля концентрации
|
| 9 Периодичность контроля
|
| 10 Класс условий труда [29]
|
| 11 Средства защиты [30]:
11.1 индивидуальные (наименование, ГОСТ)
11.2 коллективные (наименование, ГОСТ)
|
4.13.2 Вредные физические факторы производственной среды
При прохождении практики собираются материалы о действующих на рабочем месте вредных и опасных физических факторах. Сведения о вредных и опасных физических факторах заносятся в таблицу 20.
Таблица 20 - Вредные и опасные физические производственные факторы
| Вредные факторы
|
Рабочее место (наиболее длительное пребывание людей)
|
| ШУМ (ультразвук,инфразвук
)
1 Характер шума [31]
2 Эквивалентный уровень на рабочем месте в дБ А
3 Нормативная величина в дБ А [31]
4 Средства защиты [30]:
4.1 индивидуальные (наименование, ГОСТ)
4.2 коллективные
5 Класс условий труда [29]
|
| Продолжение таблицы 20
|
| Вредные факторы
|
Рабочее место (наиболее длительное пребывание людей)
|
| ВИБРАЦИЯ
1 Тип вибрации [32]
2 Значения виброускорения в м/с2
(дБ)
3 Нормативные значения виброускорения
в м/с2
(дБ) [32]
4 Средства защиты [30]:
4.1 индивидуальные (наименование, ГОСТ)
4.2 коллективные
5 Класс условий труда [29]
|
| НЕИОНИЗИРУЮЩИЕ ИЗЛУЧЕНИЯ
1 Тип излучения [33-35]
2 Значение нормируемого параметра на рабочем месте в зависимости от типа излучения
3 Нормативные величины [33-35]
4 Средства защиты [30]:
4.1 индивидуальные (наименование, ГОСТ)
4.2 коллективные (наименование, ГОСТ)
5 Класс условий труда [29]
|
| МИКРОКЛИМАТ
1 Параметры микроклимата на рабочем месте:
1.1 температура воздуха, °С
1.2 влажность воздуха, %
1.3 скорость движения воздуха, м/с
1.4 интенсивность теплового облучения, Вт/м2
1.5 температура поверхностей, °С
2 Категория энергозатрат [36]
3 Тип микроклимата и нормативные значения параметров микроклимата [36]:
3.1 температура воздуха, °С
3.2 влажность воздуха, %
3.3 скорость движения воздуха, м/с
3.4 интенсивность теплового облучения, Вт/м2
|
| Продолжение таблицы 20
|
| Вредные факторы
|
Рабочее место (наиболее длительное пребывание людей)
|
| 3.5 температура поверхностей, °С
4 Средства защиты [30]:
4.1 индивидуальные (наименование, ГОСТ)
4.2 коллективные (наименование, ГОСТ)
5. Класс условий труда [29]
|
| АЭРОИОННЫЙ СОСТАВ ВОЗДУХА
1 Концентрация аэроионов, ион/см3
2 Минимально-допустимая концентрация, ион/см3
[37]
3 Максимально-допустимая концентрация, ион/см3
[37]
4 Класс условий труда [29]
|
Примечания
1 - Если на рабочем месте отсутствует какой-либо фактор, то он не включается в таблицу.
2- при наличии на рабочем месте компьютера, необходимо произвести сравнение с нормативами всех показателей, подлежащих нормированию [35]
4.13.3 Тяжесть и напряженность труда
При прохождении практики производятся необходимые наблюдения за работниками (одно рабочее место) и хронометраж для оценки тяжести и напряженности трудового процесса работника, занятого на наиболее типичном рабочем месте. Результаты оценки тяжести и напряженности заносятся в таблицы 21,22 [29].
Таблица 21 – Результаты оценка тяжести трудового процесса
| Показатели
|
Фактические
значения
|
Класс
|
| Физическая динамическая нагрузка (кг∙м):
Региональная – перемещение груза до 1 м
Общая нагрузка: перемещение груза
|
| Масса поднимаемого и перемещаемого вручную
груза (кг):
при чередовании с другой работой
постоянно в течение смены
Суммарная масса за каждый час смены:
- с рабочей поверхности;
- с пола
|
| Стереотипные рабочие движения (количество):
локальная нагрузка
региональная нагрузка
|
| Статическая нагрузка (кгс∙с):
одной рукой
двумя руками
с участием мышц корпуса и ног
|
| Рабочая поза
|
| Наклоны корпуса (количество за смену)
|
| Перемещение в пространстве (км):
по горизонтали
по вертикали
|
Таблица 22 – Результаты оценки напряженности трудового процесса [29]
| Показатели
|
Класс условий труда
|
| 1
|
2
|
3.1
|
3.2
|
3.3
|
| 1. Интеллектуальные нагрузки
|
| 1.1
|
| 1.2
|
| 1.3
|
| 1.4
|
| 2. Сенсорные нагрузки
|
| 2.1
|
| 2.2
|
| 2.3
|
| 2.4
|
| 2.5
|
| 2.6
|
| 2.7
|
| 2.8
|
| 3. Эмоциональные нагрузки
|
| 3.1
|
| 3.2
|
| 3.3
|
| 4. Монотонность нагрузок
|
| 4.1
|
| 4.2
|
| 4.3
|
| 4.4
|
| 5. Режим работы
|
| 5.1
|
| 5.2
|
| 5.3
|
| Количество показателей в каждом классе
|
| Общая оценка напряженности труда
|
4.13.4
Сведения о системе вентиляции
При прохождении практики, собираются сведения о системе вентиляции на производственном участке, а затем проводятся проверочные расчеты и подбор необходимого оборудования по каталогам.
Количество вредного вещества, поступающего в воздух при аварии G
равно количеству вещества, испаряющегося в воздух из пролива (см. технологическую часть).
Количество удаляемого воздуха из помещения при аварии, L
A
,
м3
/ч, рассчитывается по формуле (10) [38]:
LA
= G / (ПДК- С0
), (10)
где G
– количество вредного вещества, поступающего в воздух при аварии, кг/ч;
ПДК –
предельно допустимая концентрация вредного вещества в воздухе рабочей зоны, кг/м3
;
С0
- концентрация вредного вещества в поступающем воздухе, кг/м3
, С0
не должна превышать 0,3ПДК;
Кратность аварийной вентиляции рассчитывается по формуле (11):
КА
= LA
/ V, (11)
где LA
–
количество удаляемого при аварии воздуха,
м3
/ч;
V – строительный объем помещения, м3
.
Исходя из условия, что постоянно действующая и аварийная вентиляции для помещений, где обращаются взрывопожароопасные вещества, должны обеспечивать кратность 10-15 [39], находим кратность постоянно действующей вентиляции по формуле (12):
КП
= 15 – КА
. (12)
Рассчитываем количество воздуха, удаляемое постоянно действующей вентиляцией в м3
/ч по формуле (13):
LП
=
КП
• V.
(13)
Находим производительность вентилятора в м3
/ч по формуле (14):
Q = К • LП
, (14)
где К – коэффициент, учитывающий потери или подсос воздуха (для стальных, асбестоцементных, пластмассовых воздуховодов К=1,1).
Необходимая установочная мощность на валу электродвигателя вентилятора N (Вт) определяется по формуле (15):
N = Kз
• Q • H /(3600 • 102• μв
• μп
), (15)
где Kз
–
коэффициент запаса, равный 1,1-1,5;
Q –
производительность вентилятора, м3
/ч;
H -
создаваемый напор, Па;
μв
-
КПД вентилятора;
μп
-
КПД передачи.
Результаты наблюдений и расчетов заносятся в таблицу 23.
Таблица 23 – Сведения о системе вентиляции
| Параметр
|
Значение
|
| Строительный объем помещения, V , м3
|
| ПДК воздуха рабочей зоны наиболее опасного вещества, кг/м3
|
| Температура воздуха рабочей зоны, tв
, °С
|
| Продолжение таблицы 23
|
| Параметр
|
Значение
|
| Концентрация вредного вещества в поступающем воздухе, С0
, кг/м3
|
| Температура наружного воздуха, tн
, °С, по /1/
|
| Количество вредного вещества, поступающего в помещение при аварии, G, кг/ч
|
| Количество удаляемого воздуха из помещения при аварии, LA
, м3
/ч
|
| Кратность аварийной вентиляции, КА
, 1/ч
|
| Тип аварийной вентиляции
|
| Кратность воздухообмена в помещении (по аварийной и постоянно действующей вентиляции, КА+П
,1/ч
|
| Кратность воздухообмена постоянно действующей вентиляции, КП
,1/ч
|
| Тип постоянно действующей вентиляции
|
| Количество удаляемого воздуха из помещения LП
, м3
/ч
|
| Производительность вентилятора, Q, м3
/ч
|
| Тип вентилятора, основные характеристики
|
| Установочная мощность электродвигателя N, Вт
|
4.13.5
Освещение производственного помещения
4.13.5.1 Естественное и совмещенное освещение
При прохождении практики собираются материалы об условиях естественного, совмещенного и искусственного освещения. Собранные данные заносят в таблицы 24,25.
Таблица 24 – Сведения о естественном и совмещенном освещении
| Параметр
|
Значение
|
| Естественное освещение
[40]
|
| Тип естественного освещения (верхнее, боковое, комбинированное)
|
| Номер группы по ресурсам светового климата
|
| Ориентация световых проемов
|
| Продолжение таблицы 24
|
| Параметр
|
Значение
|
| Коэффициент светового климата, m
|
| Расстояние до объекта различения, м
|
| Размер объекта различения, мм
|
| Разряд и подразряд зрительных работ
|
| Коэффициент естественной освещенности ен
|
| Нормированное значение КЕО, еN
|
| Площадь световых проемов, м2
|
| Цветовая отделка помещения и оборудования
|
| Совмещенное освещение
[40].
|
| Тип совмещенного освещения (верхнее, боковое, комбинированное)
|
| Номер группы по ресурсам светового климата
|
| Ориентация световых проемов
|
| Коэффициент светового климата, m
|
| Расстояние до объекта различения, м
|
| Размер объекта различения, мм
|
| Разряд и подразряд зрительных работ
|
| Коэффициент естественной освещенности для совмещенного освещения, ен
;
нормативное значение еN;
|
| Освещенность, лк (минимальное значение)
|
| Рекомендуемый источник света
|
| Исполнение источника света
|
| Цветовая отделка помещения и оборудования [41].
|
4.13.5.2 Искусственное освещение
Если в производственном помещении по каким либо причинам отсутствует естественное освещение, то производится расчет искусственного освещения, результаты которого заносятся в таблицу 25.
Таблица 25 – Характеристики искусственного освещения [40].
| Параметр
|
Значение
|
| Тип освещения (общее, комбинированное)
|
| Разряд и подразряд зрительных работ
|
| Нормативное значение освещенности, лк
|
| Тип светильника
|
| Площадь освещения, м2
|
| Высота подвеса, м
|
| Удельная мощность светильника, Вт/м2
|
| Мощность светильника, Вт
|
| Коэффициент запаса
|
| Число светильников
|
| Расстояние между светильниками, м
|
4.13.6 Классификация производственных помещений
В процессе выполнения дипломной работы проекта необходимо произвести классификацию производственных помещений, наружных установок, зон, взрывозащищенного оборудования на ОПО в соответствии с [42-44]. Результаты оформить в виде таблицы 26.
Таблица 26 – Категорирование производств, помещений, наружных установок, зон, взрывозащищенного оборудования
| Наименование блока
|
Классификация помещений
|
| по [12]
|
по [3]
|
по [42]
|
по [43]
|
по [44]
|
4.13.7 Определение размеров санитарно-защитной зоны
В соответствии с [45], определяется размер санитарно-защитной зоны предприятия.
Если размер реальной санитарно-защитной зоны предприятия отличается от определенного по [45], необходимо привести обоснование снижения или увеличения размера санитарно-защитной зоны.
4.14 Комплексные мероприятия по защите окружающей среды и ликвидации чрезвычайных ситуаций
В данном разделе приводятся радиусы распространения токсических веществ в окружающей среде, масштабы аварий (А, Б, В), способы локализации и ликвидации аварийных ситуаций, средства индивидуальной и коллективной защиты аварийного пользования, ..
4.15 Предложения по внедрению мер, направленных на уменьшение риска аварий повышения уровня промышленной безопасности
Перед разработкой мер по внедрению мер, направленных на уменьшение риска аварий, студентам рекомендуется предварительно провести "Оценку уровня безопасности исследуемого объекта" с указанием:
а) выводов о соответствии условий эксплуатации (проектных решений) требованиям промышленной безопасности, уровню опасности исследуемого объекта;
б) кратких сведений об основных отступлениях от требований действующих нормативных документов в области промышленной безопасности и степень влияния этих отступлений на возможность возникновения аварий.
Следует отметить, что в предложениях по внедрению мер, направленных на уменьшение риска аварий, рекомендуется привести обоснованные предложения по конкретным мерам, внедрение которых на объекте может понизить вероятность аварий и реально повлиять на снижение возможного ущерба.
Также следует отметить, что в большинстве случаев первоочередными мерами обеспечения безопасности, как правило, являются меры предупреждения аварии. Выбор планируемых для внедрения мер безопасности имеет следующие приоритеты:
а) меры по уменьшению вероятности возникновения аварийной ситуации, включающие
1) меры по уменьшению вероятности возникновения инцидента;
2) меры по уменьшению вероятности перерастания инцидента в аварийную ситуацию;
б) меры по уменьшению тяжести последствий аварии, которые, в свою очередь, имеют следующие приоритеты:
1) меры, предусматриваемые при проектировании опасного объекта (например, выбор несущих конструкций, запорной арматуры);
2) меры, относящиеся к системам противоаварийной защиты и контроля (например, применение газоанализаторов);
3) меры, касающиеся готовности эксплуатирующей организации к локализации и ликвидации последствий аварий.
В качестве основных организационно-технических мероприятий, направленных на уменьшение риска аварий, могут быть также предложены:
а) реконструкция ОПО;
б) качественное обучение персонала вопросам профессиональной деятельности и промышленной безопасности, организация его допуска к работе и своевременная аттестация;
в) поддержание в постоянной готовности сил и средств аварийно-ремонтной службы к ликвидации последствий аварийных ситуаций;
г) получение лицензии на эксплуатацию химически опасных производственных объектов;
д) разработка "Декларации промышленной безопасности ОПО" и "Плана локализации и ликвидации аварийных ситуаций";
е) проведение экспертизы промышленной безопасности (проектов, зданий, технологических устройств, декларации, иных документов);
ж) разработка средств световой и звуковой сигнализации, средств контроля измерения уровня;
з) оснащение оборудования средствами блокировок;
и) оснащение производства газоанализаторами;
к) установка поддонов, приямков, обваловки;
л) диагностирование технических устройств (емкостей, трубопроводов и др.);
м) замена старой приточно-вытяжной вентиляции, с повышением кратности циркуляции;
н) замена старого технологического оборудования на новое;
о) организационные мероприятия и др.
5 Состав и содержание пояснительной записки к курсовым (семестровым) и выпускным квалификационным работам
После разработки всех этапов и согласовании результатов расчетов с руководителем курсовой (семестровой) или выпускной квалификационной работы студент приступает к оформлению расчетно-пояснительной записки и графической части проекта или выпускной квалификационной работы.
В состав расчетно-пояснительной записки должны входить следующие основные разделы.
Введение
Аналитический обзор.
1 Цели и задачи работы (проекта).
2 Технологическая часть.
3.1 Исходные данные для оценки технологической безопасности исследуемого объекта.
3.1.1 Данные о топографии района расположения объекта.
3.1.2 Наличие и границы запретных, охранных и санитарно-защитных зон объекта.
3.1.3 Данные о природно-климатических условиях в районе расположения объекта.
3.1.4 Данные о размещении персонала объекта с указанием средней численности наибольшей рабочей смены, сведения об общей численности работников других объектов эксплуатирующей организации, других организаций и проживающем вблизи населением.
3.1.5 Характеристика опасных веществ.
3.2 Данные о технологическом и аппаратурном оформлении.
3.2.1 Принципиальная технологическая схема с обозначением основного технологического оборудования и кратким описанием технологического процесса.
3.2.2 План размещения основного технологического оборудования
3.2.3 Перечень основного технологического оборудования, в котором обращаются опасные вещества.
3.2.4 Разделение производства по блокам.
3.2.5 Данные о распределении опасных веществ по оборудованию и блокам.
3.2.6 Описание технических решений по обеспечению безопасности (исключение разгерметизации оборудования и предупреждение аварийных выбросов опасных веществ, предупреждение развития аварий и локализация выбросов опасных веществ, обеспечение взрывопожаробезопасности, описание систем автоматического регулирования, блокировок, сигнализаций и других средств обеспечения безопасности).
3.3 Анализ риска.
3.3.1 Анализ известных аварий.
3.3.2 Анализ условий возникновения и развития аварий.
3.3.2.1 Определение возможных причин и факторов, способствующих развитию аварии.
3.3.2.2 Определение типовых сценариев возможных аварий и вероятность их возникновения.
3.3.2.3 «Дерево отказов» технологического оборудования.
3.3.2.4 Обоснование физико-математической модели и методов расчёта, применяемых при оценке риска.
3.3.2.5 Расчёт количества опасных веществ, участвующих в аварии (создающих поражающие факторы).
3.3.2.6 Расчёт вероятных зон действия поражающих факторов (воздушной ударной волны, осколков, токсического и теплового воздействия) и оценка возможного числа пострадавших.
3.3.3. Оценка риска (индивидуального, коллективного, социального).
При выполнении курсовой (семестровой) работы все вышеуказанные разделы относятся к самому опасному блоку мастерской или цеха. При выполнении выпускной квалификационной работы следует оценивать промышленную безопасность для всех опасных производственных блоков (действующего или проектируемого производства).
4 Автоматизация.
5 Производственная санитария и гигиена.
6 Экология и защита в чрезвычайных ситуациях.
7 Экономика.
8 Патентный поиск.
9 Заключение и выводы.
9.1 Перечень наиболее значимых факторов, влияющих на показатели риска.
9.2 Предложения по внедрению мер, направленных на уменьшение риска аварий.
10.Список использованных источников.
11.Приложение.
Во «Введении» должна быть обоснована необходимость работы с учётом основных задач, стоящих перед соответствующей отраслью промышленности, и тенденции её развития. Необходимо указать название объекта, его назначение и характер выпускаемой продукции. Необходимо охарактеризовать состояние проблемы безопасности в отрасли и конкретно изучаемого опасного объекта с учетом статистики (на основе литературных данных).
В «Аналитическом обзоре» приводятся характеристика и анализ современного уровня техники, область применения основного технологического оборудования, для определения пожаро- и взрывоопасности производства необходимо проанализировать опасность технологического процесса, происходящие физико-химические явления в нём, а также возможные поражающие факторы в случае реализации аварии, статистика аварий и их анализ. Следует оценить количество опасного вещества, обращающегося на изучаемом объекте, категории опасности веществ и оценить, подлежит ли декларированию данный объект в соответствии с приложениями 1 и 2 к Федеральному закону №116-ФЗ от 21 июля 1997 года [1].
В разделе «Цели и задачи работы» конкретизируются основные цели и задачи работы по обеспечению промышленной безопасности и уменьшению степени риска.
Оформление раздела «Технологическая часть» п. 3.1.5. «Характеристика опасных веществ» представлено в пункте 4.1.
Оформление раздела «Принципиальная технологическая схема» п. 3.2.1 представлено в пункте 4.2
Оформление раздела «План размещения основного технологического оборудования, в котором обращаются опасные вещества» п.3.2.2. представлено в пункте 4.2.
Оформление раздела «Перечень основного технологического оборудования, в котором обращаются опасные вещества» п. 3.2.3. представлено в пункте 4.4
Оформление раздела «Разделение производства на блоки» п. 3.2.4. представлено в пункте 4.3.
Оформление раздела «Данные о распределении опасных веществ по оборудованию и по блокам» п. 3.2.5. представлено в пункте 4.4.
Оформление раздела «Анализ риска» п. 3.3 представлено в пункте 4.5-4.7.
Оформление раздела «Оценка риска» п. 3.3.3. представлено в пункте 4.12
Оформление раздела «Производственная санитария и гигиена» представлено в пункте 4.13.
Оформление раздела «Экология и защита в чрезвычайных ситуациях» в пункте 4.14.
Оформление раздела «Экономика» представлено 4.11.
Графическая часть курсовой или выпускной квалификационной работы состоит из чертежей формата А1 (594х841мм), в обоснованных случаях, допускается применение других форматов по ГОСТ 2.301-68. В графической части необходимо представить:
а) принципиальную схему технологического процесса (в соответствии с п. 4.2.);
б) план расположения оборудования (в соответствии с п. 4.2);
Примечание - Блок-схемы указываются пунктирным контуром на технологической схеме или на плане расположения оборудования.
в) дерево отказов (в соответствии с пунктом 4.6);
г) дерево событий (в соответствии с пунктом 4.6);
д) радиусы поражающих факторов (летальных и санитарных зон) на плане в масштабе (см. Приложение А8);
е) значения индивидуальных, коллективных и социальных рисков (в соответствии с пунктом 4.12);
ж) технико-экономические показатели исследуемого ОПО (только для выпускных квалификационных работ) (в соответствии с пунктом 4.11) результаты по охране труда и окружающей среды (в соответствии с пунктами 4.13, 4.14).
Графическая часть в формате А-4 должна быть полностью представлена в разделе «Приложение» диплома.
Литература
1. Российская Федерация. Законы. О промышленной безопасности опасных производственных объектов: федер. закон: [принят Гос. Думой 21 июля 1997 г., одобрен Советом Федерации].(Собрание законодательства Российской Федерации, 1997, N 30, ст. 3588). «Декларирование промышленной безопасности опасных производственных объектов: Сборник документов. Серия 3/ колл. Авторов – 3 –е изд., испр. и доп. – М. ГУП «Научно-технический центр по безопасности в промышленности Госгортехнадзора России», 2003, - 300 с.
2. Методические рекомендации по составлению декларации промышленной безопасности опасного производственного объекта: РД 03-357-00: утв. Госгортехнадзором Российской Федерации 26.04.00: ввод в действие 26.04.00
3. Общие правила взрывобезопасности для взрывопожароопасных химических, нефтехимических и нефтеперерабатывающих производств: ПБ 09-540-03: утв. постановлением Госгортехнадзора России от 05.05.03 №29, «Российская газета» от 21.06.2003, №120/1.
4. ГОСТ Р. 22.0.05-94. Безопасность в чрезвычайных ситуациях. Техногенные чрезвычайные ситуации. Термины и Определения. – Введ. 1996-01-01.- М.:Госстандарт России: Изд-во стандартов, 1994. – 12 с.
5. Методические указания по оценке аварийных выбросов опасных веществ: РД 03-26-2007: утв. Федеральной службой по экологическому, технологическому и атомному надзору 14.12.07 : ввод. в действие с 25.01.08.
6. Методические указания по проведению анализа риска опасных производственных объектов: РД 08-120-96: утв. Госгортехнадзором Рос. Федерации 12.07.96: ввод. в действие с 01.10.01 г.
7. СТП СПбГТИ 017-97. Виды учебных занятий. Положение о выпускной квалификационной работе дипломированного специалиста (инженера). - Взамен СТП 2.605.017-85; введ.1998-01-01. СПб.: ИК «Синтез»2002. – 20 с. – (Комплексная система управления качеством деятельности вуза).
8. ГОСТ Р 50587-93. Паспорт безопасности вещества. – Введ.1994-07-01. М. Госстандарт России: Изд-во стандартов, 1993. – 9 с.
9. Лазарев, Н.В.Вредные вещества в промышленности: справочник для химиков, инженеров и врачей/ Н.В. Лазарев, Э.И. Левина; под общ. ред. Н. В. Лазарева. - 7-е изд. перераб. и доп. - Л.: Химия, -1977 – Т.1,2,3.
10. Куньянц, И.Я. Химический энциклопедический словарь/ И. Я. Куньянц.- М.-: Советская Энциклопедия, 1983.- 792 с.
11. Технологический регламент установки каталитического крекинга 43/102-2 блок цеха №5: ТР – 2.007.009-01. – Сызрань.: Сызранский НПЗ, - 80 с.
12. НПБ 105-03. Определение категорий помещений, зданий и наружных установок по взрывопожарной и пожарной опасности: утв. Приказом МЧС России № 314 от 18.06.03.- М.: ПО МЧС России, 2003.- 42 с.
13. Эпов, А.Б. Аварии и катастрофы в России/ А.Б. Эпов. - М.: Финиздат, 1994. – 342 с.
14. Аварии года //Безопасность труда в промышленности. - 2001.- № 3. - С. 20.
15. Аварии года //Безопасность труда в промышленности. - 2001.- № 8. - С. 22.
16. Кутузов, Б.Н. Технология и безопасность изготовления и применения ВВ на горных предприятиях/ Б.Н. Кутузов, Г.А. Нишпал. - М.: Изд-во Моск. гос. горного университета, 1999. – 248 с.
17. Годовой отчет о деятельности Федеральной службы по экологическому, технологическому и атомному надзору в 2005 году. - М., Ростехнадзор, 2006. – 608 с.
18. Методика оценки последствий аварийных взрывов топливно-воздушных смесей. М.: ГП «НТЦ по безопасности в промышленности Госгортехнадзора России», утв. постановлением Госгортехнадзора России от 26.06.01 №25: ввод. в действие с 26.06.01. «Моделирование аварийных ситуаций на опасных производственных объектах. Программный комплекс ТОКСИ+ (версия 3.0)» Сборник документов. Серия 27. Выпуск 5/ Колл. Авт. - М.: ОАО «НТЦ «Промышленная безопасность», 2006, 252 с.
19. ГОСТ Р 12.3.047-98. Пожарная безопасность технологических процессов. Общие требования. Методы контроля. – Введ.2000-01-01. – М.: Госстандарт России: Изд-во стандартов, 2000. – 35 с.
20. Единые правила безопасности при взрывных работах: ПБ 13-407-01: утв. Госгортехнадзором Российской Федерации 30.01.01: ввод в действие: 01.03.2002.
21. Методика института динамики геосферы Садовский М.А. Механическое действие воздушных ударных волн взрыва по данным экспериментальных исследований. В сб. «Механическое действие взрыва». М.: Институт динамики геосферы РАН, 1994. – 350 с.
22. «Рекомендации по действиям объектовых, территориальных и региональных подразделений пожарной охраны при тушении пожаров и ликвидации аварий на объектах по производству взрывчатых веществ, порохов, твердых ракетных топлив и снаряжения боеприпасов». М.: ВНИИПО МВД РФ, 1993 г.
23. «Методические указания по проведению анализа риска при проектировании и эксплуатации опасных производственных объектов газотранспортных предприятий ОАО «ГАЗПРОМ» СТО РД Газпром 39-1.10-084-2003, М. ГУП «Научно-технический центр по безопасности в промышленности Госгортехнадзора России», 2003. - 50 с.
24. Брушлинский, Н.Н. Моделирование пожаров и взрывов / под. общ. ред. Н. Н. Брушлинского и А. Я. Корольченко.- М.: Пожнаука, 2000 .- 492 с.
25. Методические рекомендации по оценке ущерба от аварий на опасных производственных объектах: РД 03-496-02: утв. Госгортехнадзором Российской Федерации 23.10.02: «Декларирование промышленной безопасности опасных производственных объектов: Сборник документов. Серия 3/ колл. Авторов – 3 –е изд., испр. и доп. – М. ГУП «Научно-технический центр по безопасности в промышленности Госгортехнадзора России», 2003, - 300 с
26. ГОСТ 12.1.005-88. Общие санитарно-гигиенические требования к воздуху рабочей зоны. - введ.1989-01-01. М.: Комитет стандартизации и метрологии СССР: Изд-во стандартов, 1989. – 47 с.
27. ГОСТ 12.1.007- 76 Вредные вещества. Классификация и общие требования безопасности. – введ.1977-01-01. М.: Государственный комитет СССР по стандартам, 1984. – 5 с.
28. Руководство по гигиенической оценке факторов рабочей среды и трудового процесса. Критерии и классификация условий труда: Р 2.2.2006-05: утв. гл. госуд. санит. врачом 29.07.05: ввод в действие 01.11.05. – С-Пб.: ЦОТПБСППО, 2005. – 142 с.
29. Петросянц, Э.В. Справочник по средствам индивидуальной защиты работающих/ под общ. ред. Э.В. Петросянца; М.: Медицина 1992., - 184 с.
30. Шум на рабочих местах, в помещениях жилых, общественных зданий и на территории жилой застройки: СН 2.2.4/2.1.8.562-96: утв. Госкомсанэпиднадзором России 31.10.96: ввод в действие 31.10.96. М.: Информационно-издательский центр Минздрава России, 1997. – 20 с.
31. Производственная вибрация, вибрация в помещениях жилых и общественных зданий: СН 2.2.4/2.1.8.566-96: утв. Госкомсанэпиднадзором России 31.10.96: ввод в действие 31.10.96. М.: Информационно-издательский центр Минздрава России, 1997. – 30 с.
32. Электромагнитные поля в производственных условиях: СанПиН 2.2.4.1191-03: утв. Гл. гос. санит. врачом Российской Федерации 30.01.03: ввод в действие с 01.05.03. М.: Федеральный центр Госсанэпиднадзора Минздрава России, 2003. – 10 с.
33. Гигиенические требования к размещению и эксплуатации средств сухопутной подвижной радиосвязи: СанПиН 2.1.8/2.2.4.1190-03: утв. Гл. гос. санит. врачом Российской Федерации 30.01.03: ввод в действие с 01.06.03. М.: Федеральный центр Госсанэпиднадзора Минздрава России, 2003. – 20 с.
34. Гигиенические требования к персональным электронно-вычислительным машинам и организации работы: СанПиН 2.2.2/2.4.1340-03: утв. Гл. гос. санит. врачом Российской Федерации 30.05.03: ввод в действие с 30.06.03. М.:Федеральный центр Госсанэпиднадзора Минздрава России, 2003. – 28 с.
35. Гигиенические требования к микроклимату производственных помещений: СанПиН 2.2.4.548-96: утв. Гл. гос. санит. врачом Российской Федерации 01.10.96: ввод в действие с 01.10.96. М.:Федеральный центр Госсанэпиднадзора Минздрава России, 2003. – 20 с.
36. Гигиенические требования к аэроионному составу воздуха производственных и общественных помещений: СанПиН 2.2.4.1294-03: утв. Гл. гос. санит. врачом Российской Федерации 18.04.03: ввод в действие с15.06.03. М.: Федеральный центр Госсанэпиднадзора Минздрава России, 2003. – 11 с.
37. Туболкин, А.Ф. Расчеты по курсу «Охрана труда и окружающей среды»: методические указания/ А.Ф. Туболкин, К.А. Галуткина. – Л.: ЛТИ им. Ленсовета, 1987. - 30 с.
38. Юрьев, А.С. Справочник по расчетам гидравлических и вентиляционных систем/ А.С. Юрьев, В.М. Низовцев; под общ. ред. А.С. Юрьева. – С-Пб, АНОНПО «Мир и семья», 2002. - 1154 с.
39. СНиП 23-05-95. Естественное и искусственное освещение: утв. М-вом стр-ва Рос. Федерации 02.08.95; ввод в действие 01.01.96. – М.: Госстрой России, 1996. – 30 с.
40. СН 181-70. Указания по проектированию цветовой отделки интерьеров производственных зданий промышленных предприятий: утв. Сов. Министров. СССР 21.01.70; ввод в действие 01.10.70. – М.: Госстрой СССР, 1970. – 30 с.
41. Методические указания о порядке разработки плана локализации и ликвидации аварийных ситуаций (ПЛАС) на химико-технологических объектах: РД 09-536-03: утв. Госгортехнадзором России 18.04.03: ввод в действие 28.11.2002.
42. Правила устройства электроустановок/ Главгосэнергонадзор. – М.: ЗАО «Энергосервис», 1998. – 607 с.
43. ГОСТ Р 51330.11-99. Электрооборудование взрывозащищенное. Часть 12. Классификация смесей газов и паров с воздухом по безопасным экспериментальным максимальным зазорам и минимальным воспламеняющим токам. – Введ. 2001-01-01. – М.: Госстандарт России: Из-во стандартов, 2001. – 20 с.
44. Санитарно-защитные зоны и санитарная классификация предприятий, сооружений и иных объектов: СанПиН 2.1.1.1200-03: утв. Гл. гос. санит. врачом Российской Федерации 18.04.03: ввод в действие с15.06.03. М.: Федеральный центр Госсанэпиднадзора Минздрава России, 2003. – 11 с.
Приложение А
(Справочное)
Примеры составления «Деревьев событий» для различных типов аварийных ситуаций
Воздействие УВВ
С2
   Дефлаграция ПГФ
0,02 Испарение ЖФ и образование
0,025 Без опасных последствий
вторичного облака ПГФ
0,005
 Образование пролива
0,475 Рассеяние облака без опасных последствий
   ЖФ Тепловое излучение
0,45
0,5 Пожар пролива
0,0125 С3
0,025 Без опасных последствий
Разгермети Выброс ОХВ
- зация
1 0,0125
Факельное Тепловое излучение
С1
 Истечение горение
 ПГФ
0,05 0,0045
 Без опасных последствий
0,5 0,005
 Образование облака ПГФ Рассеяние облака ПГФ без опасных последствий
0,43
0,45 Дефлаграция ПГФ Воздействие УВВ
С2
 0,02
0,022 Без опасных последствий
0,002
Рисунок А.1 - «Дерево событий» при аварии снаружи технологического оборудования при частичной его разгерметизации (Е-22, Е-1а, К-1).
Огненный Тепловое излучение
С4
  шар (мгновенное воспламенение)
Разгерметизация Выброс ОХВ
0,1 0,07
 Без опасных последствий
1 0,03
 Образование облака ПГФ Рассеяние облака ПГФ без опасных последствий
0,855
0,9 Дефлаграция ПГФ Воздействие УВВ
С2
 0,041
0,045 Без опасных последствий
0,004
Факельное Тепловое излучение
С1
 горение
 Разгерметизация Выброс ОХВ
0,1 0,07
Без опасных последствий
1 0,03
 Образование облака ПГФ Рассеяние облака ПГФ без опасных последствий
0,855
0,9 Дефлаграция ПГФ Воздействие УВВ
С2
 0,041
0,045 Без опасных последствий
0,004
Рисунок А.2 - «Дерево событий» при аварии при полной или частичной разгерметизации технологического оборудования
(трубопровод от Е-1а на КАС, трубопровод от Т-1 к П-2, Е-6 – частичная разгерметизация, трубопровод от К-1 к АВЗ-1,2, ретурбент П-2 с сырьем в газообразном состоянии)
Тепловое излучение
С3
  Пожар пролива
0,025
0,05 Без опасных последствий
0,025
 Разгерметизация Выброс ЖФ Воздействие УВВ
С2
Дефлаграция ПГФ
0,038
 1
Испарение ЖФ
0,048 Без опасных последствий
 0,01
0,95 Без опасных последствий
0,902
Рисунок А.3 - «Дерево событий» при аварии при полной или частичной разгерметизации технологического оборудования
(Е-22, трубопровод от Т-3а
II
к П-2).
 Тепловое излучение
С3
 Пожар пролива
0,025
0,05 Без опасных последствий
0,025
Разгерметизация Выброс ЖФ
1 Ликвидация пролива без опасных последствий
0,95
Рисунок А.4 - «Дерево событий» при аварии при частичной и полной разгерметизации технологического оборудования
(трубопровод к Н-1а снаружи и внутри насосной).
Воздействие УВВ
С2
   Дефлаграция ПГФ
0,04 Испарение ЖФ и образование
0,044 Без опасных последствий
облака ПГФ
0,004
 Образование пролива
0,902 Рассеяние облака без опасных последствий
 ЖФ 0,858
0,95 Тепловое излучение
С3

Пожар пролива
0,024
 Разгермети-
Без опасных последствий
зация Выброс ОХВ
0,048 0,024
1
Факельное Тепловое излучение
С5
  горение
0,05 0,045
Без опасных последствий
0,005
Рисунок А.5 - «Дерево событий» при аварии при частичной или полной разгерметизации технологического оборудования
(ретурбент П-2 с сырьем в жидком состоянии, трубопровод от Н-6 к Е-22)
Воздействие УВВ
С2
   Дефлаграция ПГФ
0,04 Испарение ЖФ и образование
0,044 Без опасных последствий
облака ПГФ
0,004
 Образование пролива
0,902 Рассеяние облака без опасных последствий
 ЖФ 0,858
0,95 Тепловое излучение
С3

Пожар пролива
0,024
 Разгермети-
Без опасных последствий
зация Выброс ОХВ
0,048 0,024
1
Огненный Тепловое излучение
С4
  шар (мгновенное воспламенение)
0,05 0,045
Без опасных последствий
0,005
Рисунок А.6 - «Дерево событий» при аварии при полной разгерметизации технологического оборудования (К-1, Е-1а)
Примечание - Частота реализации каждого сценария аварии (см. рис. А1-А6 Приложения А) рассчитывается путем умножения частоты аварийной ситуации на вероятность конечного события.

Кафедра химической энергетики
Методические указания к курсовым и выпускным квалификационным работам
Методология оценки промышленной безопасности
опасных производственных объектов
Андрей Семенович Мазур
Александр Сергеевич Афанасьев
Иван Григорьевич Янковский
Александр Андреевич Козлов
Татьяна Васильевна Украинцева
Отпечатано с оригинал-макета. Формат 60х90 1/16
Печ. л. 4,8. Тираж 25 экз.
Санкт-Петербургский государственный технологический институт
(Технический университет)
190013, Санкт-Петербург, Московский пр., 26
|