| В. И. Сологаев
МЕТОДИЧЕСКИЕ УКАЗАНИЯ
К ВЫПОЛНЕНИЮ КУРСОВОЙ РАБОТЫ
ПО ВОДОСНАБЖЕНИЮ И КАНАЛИЗАЦИИ ЖИЛОГО ЗДАНИЯ
1.1. Исходные данные для проектирования
Каждому студенту выдаётся индивидуальное задание на выполнение курсовой работы. Оно содержит исходные данные для проектирования. К заданию прилагается вкладыш: план этажа секции жилого дома в масштабе 1:100. Задание и вкладыш сохраняются и возвращаются студентами по окончании проектирования при защите курсовой работы.
Приступая к проектированию, студент прежде всего должен внимательно ознакомиться с заданием и прочитать данные методические указания.
Жилой дом, рассматриваемый в работе, может быть задан многоэтажный из нескольких секций вытянутый в плане, то есть многоподъездный.
Величина гарантийного напора в наружной сети водопровода, указанная в задании, измеряется в метрах водяного столба, отсчитывается по вертикали от верха трубы этой сети и геометрически означает ту максимальную высоту, на которую может подняться вода без подкачки её насосами.
В таблице исходных данных (см. задание) содержится информация по генплану участка застройки: расположение наружных водопроводных и канализационных сетей по отношению к зданию, их диаметры, абсолютные отметки труб и пола 1-го этажа. Красная линия застройки — это граница между территориями застройки и улицы (проезжая часть с тротуарами и газонами).
Абсолютные высотные геодезические отметки отсчитывают от среднего уровня поверхности океана. В России они отсчитываются от уровня Балтийского моря. Абсолютные отметки применяют для наружных сетей. Относительные отметки здания отсчитываются обычно от поверхности пола 1-го этажа, который принимается за нуль. Относительный нуль здания обычно выше земли на расстоянии около метра. Относительные отметки выше нуля проставляют со знаком плюс, ниже нуля — со знаком минус. Относительные отметки применяют для внутренних сетей.
Глубина промерзания грунта отсчитывается от поверхности земли. Лотком называется нижняя часть сечения канализационной трубы. Расход холодной воды на вводе водопровода в здание можно принять без учёта подачи на горячее водоснабжение.
В методических указаниях рассмотрен пример проектирования холодного хозяйственно-питьевого водопровода В1 и бытовой канализации К1 для жилого трёхэтажного двухсекционного здания с техническим подпольем и плоской кровлей. План этажа секции данного жилого дома показан на рис. 1.
Забиваем Сайты В ТОП КУВАЛДОЙ - Уникальные возможности от SeoHammer
Каждая ссылка анализируется по трем пакетам оценки: SEO, Трафик и SMM.
SeoHammer делает продвижение сайта прозрачным и простым занятием.
Ссылки, вечные ссылки, статьи, упоминания, пресс-релизы - используйте по максимуму потенциал SeoHammer для продвижения вашего сайта.
Что умеет делать SeoHammer
— Продвижение в один клик, интеллектуальный подбор запросов, покупка самых лучших ссылок с высокой степенью качества у лучших бирж ссылок.
— Регулярная проверка качества ссылок по более чем 100 показателям и ежедневный пересчет показателей качества проекта.
— Все известные форматы ссылок: арендные ссылки, вечные ссылки, публикации (упоминания, мнения, отзывы, статьи, пресс-релизы).
— SeoHammer покажет, где рост или падение, а также запросы, на которые нужно обратить внимание.
SeoHammer еще предоставляет технологию Буст, она ускоряет продвижение в десятки раз,
а первые результаты появляются уже в течение первых 7 дней.
Зарегистрироваться и Начать продвижение

Рис. 1
Вариант задания
по генплану участка (но не сам генплан) с существующими наружными сетями водопровода В1 и канализации К1 изображён на рис. 2.

Рис. 2
На генплане прямоугольником изображено многосекционное здание. В центре здания дана в метрах абсолютная отметка пола 1-го этажа, в нашем примере А = 100,00. По краям дома показаны отметки земли. Красная линия застройки находится на расстоянии от здания х
= 12 м
. Далее расположены существующие наружные сети хозяйственно-питьевого водопровода В1 и бытовой канализации К1. Наименьший гарантированный напор в сети наружного водопровода Нg = 15 м. Диаметр трубы наружного водопровода 100 мм. Диаметр трубы наружной канализации 450 мм. Глубина промерзания грунта 2,1 метра. Высота этажа 3 м (от пола до пола). Толщина междуэтажного перекрытия 0,3 м. Толщина плоской кровли 0,5 м. Высота подвала 2,5 м (от пола до пола). Абсолютные отметки: верха трубы наружного водопровода 96,10 м; лотка наружной канализации (уличного коллектора) 94,30 м. Здание имеет централизованное горячее водоснабжение с ваннами длиной 1700 мм, оборудованными душами. Система открытая, с непосредственным разбором горячей воды из тепловой сети.
1.2. Состав курсовой работы
Курсовая работа состоит из расчётов и графической части в объёме одного листа форматом А1 (841х594 мм) или двух листов форматом А2 (594х420 мм) — на выбор. На листе А1 вычерчиваются и выносятся:
— план техподполья (подвала) с нанесением и обозначением всех трубопроводов и стояков систем водоснабжения и канализации здания, включая места выхода поливочных кранов, ввода водопровода и выпусков канализации с привязкой к строительным осям или характерным выступам стен (масштаб 1:100 или 1:200);
— аксонометрическая схема внутреннего водопровода холодной воды с нанесением запорной и водоразборной арматуры и обозначением ввода водопровода, стояков, диаметров труб и характерных высотных отметок ввода водопровода, разводящей сети, поливочных кранов, поэтажных подводок и водоразборной арматуры (масштаб 1:100 или 1:200);
— аксонометрическая схема канализационного стояка с выпуском до первого смотрового колодца, с нанесением санитарно-технического оборудования и обозначением стояка, выпуска, диаметров труб, их уклонов и отметок лотков труб, мест присоединения поэтажных отводных трубопроводов, показывая засечками раструбы труб и фасонных деталей (масштаб 1:100 или 1:200);
Сервис онлайн-записи на собственном Telegram-боте
Попробуйте сервис онлайн-записи VisitTime на основе вашего собственного Telegram-бота:
— Разгрузит мастера, специалиста или компанию;
— Позволит гибко управлять расписанием и загрузкой;
— Разошлет оповещения о новых услугах или акциях;
— Позволит принять оплату на карту/кошелек/счет;
— Позволит записываться на групповые и персональные посещения;
— Поможет получить от клиента отзывы о визите к вам;
— Включает в себя сервис чаевых.
Для новых пользователей первый месяц бесплатно.
Зарегистрироваться в сервисе
— продольный профиль дворовой канализации до смотрового колодца уличного коллектора включительно (масштаб по горизонтали 1:500, по вертикали 1:100);
— генплан участка с нанесением здания, красной линии застройки, водопроводных и канализационных сетей с указанием их диаметров, обозначением смотровых колодцев (масштаб 1:500);
— фрагмент плана квартиры с отводящими трубопроводами и фасонными деталями канализации, а также санитарно-техническим оборудованием (масштаб 1:50 или 1:100);
— три узла: узел подключения ввода водопровода к наружной сети; водомерный узел; схема насосной установки (масштаб 1:50 или 1:100);
— таблицы гидравлического расчёта водопровода и дворовой канализации;
— таблица «Основные показатели по водопроводу и канализации здания»;
— спецификации оборудования систем внутреннего водопровода В1 и канализации К1;
— краткий пояснительный текст и расчёты по подбору счётчика холодной воды (водомера) и насоса (на свободной площади листа).
На прилагаемом плане этажа секции (на вкладыше) наносятся и обозначаются стояки водопровода и канализации, подводки к водоразборной арматуре и отводные трубопроводы от санитарно-технических приборов.
В случае выполнения курсовой работы на двух листах А2 чертежи, таблицы и тексты распределяются соответственно на лист по водопроводу и лист по канализации. Планы техподполья и генпланы можно вычертить на каждом листе с соответствующей инженерной сетью. При необходимости можно добавлять и третий лист, например, для спецификаций и пояснительного текста.
1.3. Оформление работы
Чертежи водопровода и канализации выполняют в соответствии с требованиями стандартов СПДС, в первую очередь ГОСТов.
Чертежи могут быть выполнены карандашом или тушью на листе ватмана или миллиметровки, а также распечаткой на принтере или графопостроителе в случае проектирования на компьютере. Чертежи в карандаше должны быть чёткими, с хорошей графикой. Допускается отдельные чертежи, таблицы и тексты распечатывать на принтере (матричном, струйном или лазерном) и аккуратно приклеивать на лист.
Вначале рекомендуется все чертежи поэтапно прорабатывать в черновую в виде эскизов на дополнительном листе миллиметровки и параллельно проводить расчёты. После накопления черновиков всех расчётных и графических материалов можно приступить к оформлению листа курсовой работы начисто. Пример расположения материалов на одном листе А1 показан на рис. 3.

Рис. 3
Далее в данных методических указаниях рассмотрен пример компоновки материалов проектирования на двух листах А2.
Чертежи систем водопровода В1 и канализации К1 являются главными в данной работе, поэтому трубопроводы этих систем вычерчиваются толстыми основными линиями, причём видимые участки труб наносят сплошной, а невидимые (например, подземные или заделанные в стену) ¾ штриховой толстой линией. Строительные конструкции, в отличие от архитектурных чертежей, на чертежах инженерных сетей показывают только тонкими линиями. Другими словами, на чертежах сетей визуально доминируют сети.
Условные обозначения по В1 и К1 см. в лекционном курсе.
Пример заполнения основной надписи (штампа) для листа чертежей см. в конце данных указаний.
2. ПРОЕКТИРОВАНИЕ ВОДОПРОВОДА ЗДАНИЯ
Данный раздел содержит методические указания по проектированию внутреннего водопровода здания:
¾ выбор системы и разработка схемы водопровода;
¾ аксонометрическая схема водопровода;
¾ гидравлический расчёт водопровода;
¾ подбор водомеров и насосов;
¾ составление спецификации на водопровод.
2.1. Выбор системы и разработка схемы водопровода
Системы внутреннего водопровода для здания выбираются согласно положений СНиП 2.04.01-85. Например, если здание жилое квартирного типа с этажностью менее 12, то для него требуется лишь водопроводы хозяйственно-питьевой В1 и горячий Т3-Т4. В курсовой работе в учебных целях можно ограничиться лишь разработкой В1.
Разработка схемы внутреннего водопровода осуществляется поэтапно. В данных методических указаниях рассмотрен пример проектирования водопровода В1 для жилого трёхэтажного двухсекционного здания с техническим подпольем и плоской кровлей (исходные данные для проектирования см. выше).
Вначале на плане этажа наносят водопроводные стояки и подводки к приборам. Для этой цели можно использовать оттиск с планом этажа секции, но лучше перечертить его в тонких
линиях, так как будет не архитектурный план секции, а план с инженерной сетью водопровода, где толстыми основными линиями наносят только водопровод. Квартирные подводки задаём конструктивно (без расчёта) диаметром Æ 15 мм, так как водоразборная арматура имеет такой же диаметр.
В результате получают план этажа секции с сетями В1 в масштабе 1:100 или 1:200, пример показан на рис. 4. Рекомендуется выбирать план этажа секции, наиболее удалённой от ввода водопровода.

Рис. 4
Стояки наносят крупными заштрихованными точками и указывают их марки. Стальные трубопроводы-подводки, согласно СНиП 2.04.01-85, должны быть проложены открыто, без заделки в стену, поэтому их показывают толстыми сплошными линиями. Обратим внимание, что местоположение стояка выбирают таким образом, чтобы он обслуживал группу близкорасположенных приборов. Кроме того, стояк предпочтительнее располагать с одной стороны от этой группы (если это возможно), так как проще решается установка вентилей и квартирных водомеров ВК-15. Принадлежность трубопровода к системе В1 показывают или в разрыве трубы, или (если места мало) ¾ на выноске, а под ней ¾ внутренний диаметр трубы (см. рис. 4).
Затем на генплане намечают ввод водопровода в здание. Ввод представляет собой подземный трубопровод, подводящий воду от наружной сети к зданию. Начинается он от колодца с задвижкой и пожарным гидрантом ¾ узла подключения к наружной сети водопровода. Ввод прокладывается с глубиной заложения труб на 0,5 метра больше глубины промерзания грунта. Подведя к зданию, трубу ввода ввода пропускают под наружной стеной или через неё и монтируют вертикально вверх у внутренней поверхности стены подвала (техподполья). Здесь ввод водопровода заканчивается и далее располагается водомерный узел, который подвешивают на стену.
Ранее на рис. 2 был представлен исходный вариант задания для генплана. Сам же генплан с сетями водопровода вычерчивают в масштабе 1 : 500 с соблюдением всех конфигураций стен здания по внешнему контуру. Пример показан на рис. 5.

Рис. 5
Первоначально диаметр ввода неизвестен, хотя на генплане показан Æ 40 мм. Диаметр находят с помощью гидравлического расчёта, что рассмотрено далее. Узел 1 ¾ это узел подключения ввода водопровода к наружной сети В1 диаметром Æ 100 мм. Здесь устраивают колодец с задвижкой и пожарным гидрантом (рис. 6). От колодца вода с гарантированным напором (в нашем примере Hg = 15 м) поступает в здание по вводу.

Рис. 6
На генплане (см. рис. 5) также показан контур двухсекционного здания с входами в подъезды. Внутри контура дома дана абсолютная отметка пола 1-го этажа, а по углам здания на выносках указаны абсолютные отметки земли. Красная линия служит границей между застройкой и улицей (включая тротуары и газоны).
Следующим шагом разработки схемы водопровода является трассировка разводящей сети в подвале с устройством водомерного узла и, возможно, насосной установки. На рис. 7 показан план подвала с сетью В1 (масштаб 1:100 или 1:200).

Рис. 7
На рис. 7 изображения деталей сети В1 выглядят мелковато, поэтому следует уточнить условные обозначения для водопровода в .
Вначале на план подвала наносят стояки, согласно их расположению на плане этажа секции. Ввод водопровода на плане подвала дают с привязкой к одной из разбивочных осей. Термин «ввод привязан» означает, что показано расстояние от координатной оси здания до оси трубы ввода в месте пересечения с наружной стеной здания (см. рис. 7). Ввод лучше устроить под нежилым помещением, например, под лестничной клеткой, так как рядом с вводом может быть насосная установка из минимум двух насосов: рабочего и резервного. А располагать насосы под жилыми помещениями нельзя, согласно СНиП 2.04.01-85.
От насосной установки или, если насосы не требуются, непосредственно от водомерного узла устраивают разводящую сеть водопровода. Подробно о местах прокладки разводящей сети см. СНиП 2.04.01-85 п. 9.8. В примере на рис. 7 разводящая сеть проложена в подвале и в данном случае это наилучшим образом соответствует требованиям СНиПа.
По виду опирания трубы разводящей сети могут быть проложены тремя способами:
1) на опорах по полу подвала или технодполья;
2) на кронштейнах по стенам;
3) на подвесках к потолку.
Проще всего 1-й способ. Высоту принимают около 10 см над полом. Опирают трубы на специальные опоры через 2-5 метров при диаметрах труб соответственно 15-50 мм. Зазор между трубой и стеной должен быть около 5 см. По высоте стояки крепят через 3 метра. Для опорожнения труб следует проектировать трубопроводы с уклоном не менее 0,002 в сторону колодца (узла подключения), а в колодце установить сливной кран ¾ это требование СНиПа.
В соответствии с п. 10.7 СНиП 2.04.01-85 на каждые 60-70 м периметра здания следует предусмотреть поливочный кран. Вода к этому крану поступает от разводящей сети В1 по трубе диаметром Æ 15-25 мм. Перед краном внутри здания ставят вентиль для перекрывания крана на зиму. Сам поливочный кран не что иное как тоже вентиль и того же диаметра, что и подводящая труба. Поливочный кран чаще всего размещают в нише цокольной части наружной стены. Под краном на трубе в подвале может быть установлена сливная пробка на резьбе ¾ для слива воды из крана на зиму. Можно также вместо пробки поставить обычный водоразборный кран. С наружной стороны в поливочный кран-вентиль вворачивают небольшой отрезок трубы, расточенной на токарном станке под шланг. Перед наступлением зимы кран утепляют и закрывают крышкой снаружи.
На рис. 7 показаны ссылочные обозначения двух узлов:
2 ¾ водомерный узел (рис. 8);
3 ¾ насосная установка (рис. 9).

Рис. 8

Рис. 9
2.2. Аксонометрическая схема водопровода
Аксонометрическую схему внутреннего водопровода В1 выполняют во фронтальной изометрии с левой системой осей (рис. 10). По всем трём осям размеры откладывают без искажения. Одна из осей (ось y) имеет угол наклона 45° к горизонту.

Рис. 10
Масштаб аксонометрической схемы принимают 1:100 или 1:200. На рис. 11 приведена аксонометрическая схема водопровода В1 для всего
трёхэтажного двухсекционного здания (наш пример). И в курсовой работе эту схему чертят для всего
дома.

Рис. 11
На аксонометрической схеме В1 обозначают все стояки здания. Полностью следует вычертить самый удалённый от ввода водопровода стояк (он будет расчётный). В нашем примере это стояк Ст В1-1 (см. рис. 11). Для остальных стояков показывают их нижнюю часть и марку. Для стояка, изображённого полностью, на верхнем этаже вычерчивают в аксонометрии квартирные трубопроводы-подводки и водопроводную арматуру. На нижележащих этажах можно показать лишь место присоединения квартирной подводки к стояку и дать относительную высотную отметку оси подводки (см. рис. 11).
На внутренней водопроводной сети В1 должна быть установлена запорная арматура (вентили, задвижки) в соответствии с п. 10.4 и п. 10.5 СНиП 2.04.01-85. Проверьте самостоятельно эти требования СНиПа по схеме на рис. 11!
На аксонометрической схеме указывают также ссылочные обозначения узлов (например, 1, 2, 3 на рис. 11), диаметры трубопроводов и характерные высотные отметки (в скобках ¾ абсолютные отметки). Цифрами в кружках обозначены расчётные точки для гидравлического расчёта водопровода, к которому приступают после построения аксонометрической схемы водопровода В1. Для 1-го расчётного прибора указывают высотную отметку (см. рис. 11). В данном случае отметка смесителя для мойки указана 6,85 м, то есть на 85 см выше пола в квартире ¾ это стандартная высота по СНиП 3.05.01-85. Для другой арматуры высоту установки над полом см. СНиП 3.05.01-85.
2.3. Гидравлический расчёт водопровода
Таблица гидравлического расчёта водопровода может быть выполнена с помощью пакета Microsoft Excel 97 и авторской заготовки таблицы. Для выполнения расчёта можно перейти в MediaCenter, щёлкнув мышью по синей надписи «Таблица гидравлического расчёта водопровода» (см. выше). Можно и непосредственно отсюда запустить расчёт (см. ниже).
Целью гидравлического расчёта водопрода является определение внутренних диаметров трубопроводной сети и величин потерь напора при движении воды по этим трубопроводам. Выбор материала труб производят по указаниям СНиП 2.04.01-85. В нашем примере выбраны трубы стальные водогазопроводные оцинкованные по ГОСТ 3262-75*
Расчёт выполняют в строгом соответствии со СНиП 2.04.01-85. Разберём его на примере схемы водопровода на рис. 11. Все неоговоренные ниже буквенные обозначения см. в приложении 1 СНиП 2.04.01-85.
Расчёт начинают с определения расчётной линии сети ¾ пути движения воды во внутреннем водопроводе от узла подключения (колодца на наружной сети) по вводу, далее по трубопроводу разводящей сети к наиболее удалённому стояку и вверх по нему до самой удалённой и высокой водоразборной точки, на которой ставят номер 1 в кружке (см. рис. 11).
Расчётную линию на аксонометрической схеме В1 разбивают на участки, которые нумеруют против движения воды в местах ответвлений труб от расчётной линии, то есть там, где происходит изменение расхода воды из-за разделения потоков. Тогда при таком разбиении на каждом расчётном участке между двумя соседними точками-ответвлениями по трубе протекает постоянный расход воды. Последний номер проставляют в узле подключения ввода водопровода к наружной сети (см. рис. 11 ¾ это номер 10).
Гидравлический расчёт водопровода В1 выполняют в табличной форме. На рис. 12 приведена такая таблица для рассматриваемого примера трёхэтажного двухсекционного жилого дома. Таблицу можно рассчитать в среде пакета Microsoft Excel 97 на компьютере — файл B1_tabl.xls. После введения своих исходных данных в таблицу надо для её пересчёта нажать функциональную клавишу F9.

Рис. 12
Первый столбец таблицы содержит нумерацию расчётных участков (см. рис. 11 ).
Во 2-й столбец таблицы вносят длины расчётных участков трубопроводов с точностью до дециметров.
Столбец 3 таблицы содержит число водоразборных приборов N, обслуживаемых расчётным участком.
В 4-м столбце задают вероятность совместного действия приборов P, вычисленную для данного здания по формуле (3) п. 3.4 СНиП 2.04.01-85.
В 5-м столбце Excel 97 автоматически рассчитывает расчётный расход холодной воды на участке q
c в л/с.
В 6-м столбце задают подбором
внутренний диаметр трубопровода так, чтобы скорость движения воды в трубе V в 7-м столбце получалась в интервале 0,9-1,2 м/с. Возможны небольшие отклонения V от указанного интервала наиболее экономичных скоростей. Данная рекомендация заимствована у В.С. Кедрова (1980 г.). Например, в последней строке вместо диаметра Æ 25 мм принят Æ 32 мм, так как существенно уменьшаются потери напора на вводе водопровода (проверьте это расчётом, щёлкнув дважды мышью по таблице).
В 8-м столбце автоматически рассчитывается гидравлический уклон i
, то есть отношение линейных потерь напора к длине трубопровода (удельные потери напора).
9-й столбец надо заполнять самому с учётом п. 7.7 СНиП 2.04.01-85.
В 10-м столбце автоматически рассчитываются общие потери напора на расчётных участках, а в итоге внизу данного столбца программа выдаёт суммарные потери напора на всей расчётной линии сети.
Таблицу можно расширять или сжимать по количеству строк в зависимости от числа расчётных участков. Для этого используется простая операция копирования мышью в Excel 97. Подробности таких действий с пакетом Excel 97 можно найти в руководствах пользователя.
На этом гидравлический расчёт внутреннего водопровода закончен, таблицу выносят на лист чертежей В1, а на плане подвала (см. рис. 7), аксонометрической схеме В1 (см. рис. 11), генплане (см. рис. 5), узле подключения (см. рис. 6), водомерном узле (см. рис. 8 ), насосной установке (см. рис. 9) проставляют рассчитанные значения внутренних диаметров трубопроводов.
2.4. Подбор водомеров и насосов
ПОДБОР ВОДОМЕРОВ
Счётчики холодной воды (водомеры) устанавливают по требованиям СНиП 2.04.01-85 в жилых зданиях в следующих местах:
1) домовой водомер на вводе водопровода;
2) квартирные водомеры ВК-15 на подводках у стояков в квартирах.
Подбор водомеров следует выполнять с использованием гл. 11 СНиП 2.04.01-85. Покажем это на примере.
Прежде всего определяют среднечасовой расход холодной воды за сутки q
cT. Формулу (9) СНиПа 2.04.01-85 запишем в виде

По приложению 3 СНиПа для рассматриваемого здания = 300- 120 = 180 л/сут. Число жителей u
принимаем равным числу приборов u
= N = 38, согласно прим. 1 п. 3.4 СНиПа. Тогда

Последняя колонка табл. 4 СНиПа была исправлена изменением от 1996 г., что нужно учитывать при подборе водомера. По табл. 4, сопоставляя q
cT = 0,29 м3/ч
с эксплуатационным расходом воды, находим диаметр условного прохода счётчика 15 мм, то есть первоначально его марка получается ВК-15 (водомер крыльчатый). Отметим попутно, что диаметрам 15-40 мм в табл. 4 СНиПа соответствуют крыльчатые водомеры (марка ВК-...), а диаметрам 50 мм и более ¾ турбинные водомеры (марка ВТ-...).
Проверим выбранный счётчик ВК-15 на потерю напора по формуле (18) СНиПа:

По исправленной последней колонке табл. 4 СНиПа величина S
= 14,5 м/(л/с)2. Расчётный секундный расход воды для здания уже рассчитан в таблице . Это расход на вводе водопровода (участок 9-10) q
= 0,53 л/с. Тогда потеря напора на домовом водомере

Потеря напора на крыльчатом водомере ВК-15 не превышает 5 метров, что разрешено изменённой редакцией п. 11.3 СНиП 2.04.01-85. Поэтому для всего здания подобран водомер ВК-15 (домовой водомер). Водомерный узел см. рис. 8 .
Квартирные водомеры принимаем тоже ВК-15. Потеря напора на квартирном водомере (используем расход участка 3-4 таблицы гидравлического расчёта )

По табл. 4 СНиПа находим для ВК-15 минимальный расход воды (0,03 м3/ч )/3,6 = 0,0083 л/с. В квартире на участке 3-4 расход q
= 0,23 л/с (см. табл. ), что больше минимального и ВК-15 может быть принят как квартирный водомер.
ПОДБОР НАСОСОВ
Проектирование насосных установок осуществляют в соответствии с гл. 12 СНиП 2.04.01-85. Проиллюстрируем это на примере.
В соответствии с п. 12.7 и п. 12.9 СНиПа насос подбирается по максимальному секундному расходу воды q
(это расход на вводе В1, то есть участок 9-10 табл. ) и требуемому напору насоса H
p
.
Вначале переведём q
= 0,53 л/с в м3/ч, то есть найдём подачу (производительность) насоса по расходу:

Таким образом, подача (производительность) насоса должна быть не менее 1,91 
Потребный напор на вводе водопровода должен быть

где
H
geom ¾ геометрическая высота от отметки оси наружной трубы В1 до отметки наиболее высокорасположенного водоразборного устройства в здании (1-го на расчётной линии сети); её можно подсчитать по аксонометрической схеме , например, Hgeom= 3,9 + 6,85 = 10,75 м
;
SH ¾ суммарные потери напора во внутреннем водопроводе В1; принимают по таблице гидравлического расчёта SH = 9,85 м
;
hдом.в
¾ потери напора на домовом водомере, hдом.в
= 4,07 м
(см. выше);
hкв.в
¾ потери напора на квартирном водомере, hкв.в
= 0,77 м
(см. выше);
H
f ¾ свободный напор для водоразборного устройства принимают по приложению 2 СНиП 2.04.01-85, например, для смесителя мойки Hf = 2 м
.
Таким образом, потребный напор на вводе водопровода
H
тр
= 10,75 + 9,85 + 4,07 + 0,77 + 2 = 27,44 м
.
Сравним его с наименьшим гарантированным напором в наружной сети водопровода (см. исходные данные ) H
g
= 15 м
, который тоже отсчитан от оси наружного водопровода В1. Так как H
g
меньше, чем H
тр
, то вода не сможет поступать за счёт напора в наружной сети В1 на верхние этажи здания. Следовательно нужен насос для подкачки воды. Требуемый напор насоса
H
р
= H
тр
- H
g
= 27,44 15 = 12,44 м
.
С учётом найденных величин q
= 1,91 м3/ч и H
р
= 12,44 м
по каталогам и справочникам подбирают насос. Наиболее широко для зданий применяют насосы консольные центробежного типа. Для выбора насоса можно использовать рис. 13, заимствованный из книги П.П. Пальгунова и В.Н. Исаева (1991 г.).

Рис. 13
Таким образом, выбран насос 1,5К-8/18. Его марка расшифровывается так:
1,5 ¾ мощность электродвигателя в кВт
;
К ¾ насос консольного типа, то есть он соединяется с электродвигателем консолью;
8 ¾ подача (производительность) насоса q
в м3/ч
;
18 ¾ напор насоса Hp
в м
.
Количество насосов в насосной установке должно быть не менее двух: один рабочий и другой резервный. Эти требования изложены в СНиП 2.04.02-84, гл. 7. Насосную установку для рассматриваемого здания см. рис. 9 .
Подбором водомеров и насосов заканчивается расчётная часть по водопроводу. Расчёты по подбору водомеров и насосов в кратком виде выносят на лист. Остальной перечень чертежей по водопроводу см. в .
2.5. Составление спецификации на водопровод
Спецификация оборудования системы водопровода В1 ¾ это таблица, содержащая перечень трубопроводов, оборудования, изделий и деталей В1 для всего здания. Размеры спецификации принимают стандартные по ГОСТ 21.101-97. Пример спецификации для внутреннего водопровода нашего здания показан на рис. 14.

Рис. 14
В данной спецификации два типа смесителей: для моек (См-МДЦБА) и общий для ванны и умывальника (См-ВУДРНШл) с душевой сеткой на гибком шланге.
На листе спецификацию чертят строго по указанным размерам (см. рис. 14). В первом столбце указывают марку или позицию трубы, оборудования. Во втором столбце «Обозначение» вписывают ссылку на ГОСТ, каталог, предприятие-изготовитель. В столбце «Наименование» пишут название изделия, оборудования или прибора, затем ¾ его марку или характеристику. В столбце «Кол.» указывают количество поштучно или в метрах, причём количество в метрах (обычно для труб) дополнительно оговаривают в примечании (последний столбец). В столбце «Масса ед., кг» указывают массу одного изделия (если количество поштучно) или 1 погонного метра трубы (если их количество дано в метрах). Сведения по массе принимают по справочникам и каталогам изделий и оборудования. Массу погонного метра стальных водогазопроводных труб можно выписать из соответствующего ГОСТа, для этого в Lotus Notes перейдите в MediaCenter, щёлкнув мышью по синей
надписи «ГОСТ 3263-75. Трубы стальные водогазопроводные» ниже этого абзаца:
Составление спецификации на водопровод
3. ПРОЕКТИРОВАНИЕ КАНАЛИЗАЦИИ ЗДАНИЯ
3.1. Выбор системы и разработка схемы канализации
Систему внутренней канализации для рассматриваемого здания выбирают согласно положений СНиП 2.04.01-85 (см. в MediaCenter Lotus Notes). В курсовой работе в учебных целях можно ограничиться лишь разработкой бытовой канализации К1.
Разработка схемы внутренней канализации осуществляется поэтапно. В данных методических указаниях рассмотрен пример проектирования канализации К1 для жилого трёхэтажного двухсекционного здания с техническим подпольем и плоской кровлей (исходные данные для проектирования см. выше). Трубы приняты чугунные канализационные раструбные диаметром Æ 50 мм и Æ 100 мм по ГОСТ 6942-98.
Вначале на плане этажа наносят канализационные стояки, к которым присоединяют отводные трубопроводы от санитарно-технических приборов. Для этой цели можно использовать оттиск с планом этажа секции, но лучше перечертить его в тонких
линиях, так как будет не архитектурный план секции, а план с инженерной сетью канализации, где толстыми основными линиями наносят только канализацию. Квартирные отводящие трубы задают конструктивно (без расчёта) диаметром Æ 100 мм от унитазов с уклоном 0,02 и диаметром Æ 50 мм от моек, умывальников и ванн с уклоном 0,035.
В результате получают план этажа секции с сетями К1 в масштабе 1:100 или 1:200, пример показан на рис. 15.

Рис. 15
Стояки наносят крупными точками и каждому из них присваивают марку, например, Ст К1-1 (см. рис. 15). Количество канализационных стояков можно принимать равным числу водопроводных и разместить их рядом с ними, в одно монтажное отверстие в плите перекрытия. Это соответствует требованиям СНиП 3.05.01-85 (см. в MediaCenter Lotus Notes).
Особенность монтажа канализации состоит в том, что её собирают с раструбными соединениями, а повороты труб и боковые присоединения устраивают с помощью фасонных деталей. Для проработки этой особенности в курсовой работе надо вычертить в масштабе 1:50 или 1:100 фрагмент плана этажа с сетью К1, пример которого показан на рис. 16.

Рис. 16
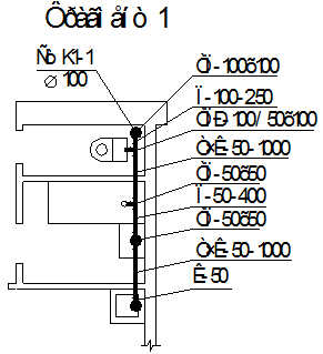
На фрагменте 1 (см. рис. 16) кроме стояка обозначены трубы и фасонные детали К1 из чугуна по ГОСТ 6942-98 (см. в MediaCenter Lotus Notes):
- труба чугунная канализационная с внутренним диаметром 50 мм и длиной 1000 мм, её марка ТЧК-50-1000 (см. спецификацию оборудования К1 );
- тройник прямой ТП-100х100, установлен на стояке Ст К1-1 для присоединения отводящего поэтажного трубопровода К1 в уровне пола;
- патрубок П-100-250 диаметром 100 мм и длиной 250 мм;
- тройник прямой переходной ТПР-100/50х100 диаметром 100 мм, у которого боковое ответвление диаметром 100 мм предназначено для присоединения унитаза, а в сторону ванны обращён раструб для присоединения трубы диаметром 50 мм;
- тройники прямые ТП-50х50 (2 шт.): один в горизонтальной плоскости для присоединения сифона ванны, а другой в вертикальной плоскости для присоединения сифона умывальника;
- патрубок П-50-400 диаметром 50 мм длиной 400 мм расположен между тройниками;
- колено К-50 диаметром 50 мм служит для подсоединения сифона кухонной мойки.
Следующим шагом проектирования канализации здания является разработка генплана участка с сетями К1. Пример см. рис. 17, где к ранее разработанному вводу водопровода добавлена дворовая канализационная сеть с тремя смотровыми колодцами.

Рис. 17
Далее при проектировании стояки переносят на план подвала согласно их расположению на плане этажа секции и производят трассировку коллекторов и выпусков канализации. Правила устройства выпусков изложены в п. 17.28 и п. 17.30 СНиП 2.04.01-85 (см. в MediaCenter Lotus Notes). В жилых домах проектируют, как правило, один канализационный выпуск на секцию. При этом надо обращать внимание, чтобы выпуск канализации и ввод водопровода находились не ближе 1,5 метров в свету при параллельном их расположении. При пересечении трубопроводов В1 и К1 расстояние между их стенками по вертикали в свету должно быть не менее:
¾ 0,4 метра, если В1 находится выше, чем К1;
¾ 0,5 метра, если В1 находится ниже, чем К1.
Пример плана секции подвала с сетью К1 показан на рис. 18.

Рис. 18
Канализационная сеть в подвале (см. рис. 18) должна быть проложена с уклоном в сторону выпуска. Канализационные трубы К1 устанавливают с зазором 20 мм от стены для удобства заделки раструбов (например, кáболкой).
3.2. Аксонометрическая схема внутренней канализации
Аксонометрическую схему внутренней канализации К1 выполняют во фронтальной изометрии с левой системой осей (см. рис. 10). При этом можно ограничиться одной секцией здания.
Пример аксонометрии К1 показан на рис. 19.

Рис. 19
Аксонометрию К1 в курсовой работе достаточно показать не всю, а вычертить полностью канализационный стояк, для которого имеется фрагмент плана этажа с сетью К1 (фрагмент 1). С этим стояком надо показать канализационную сеть в техподполье (подвале) и выпуск до первого смотрового колодца КК1-1 (см. рис. 19).
На стояке поэтажные отводы и санитарно-технические приборы можно вычертить лишь для верхнего этажа, причём, если чертёж загромождается, то их изображения можно пунктирной линией перенести на ближайшее свободное поле чертежа, как показано на стояке Ст К1-1 на рис. 19. На нижележащих этажах достаточно указать тройники или прямые крестовины ¾ фасонные детали для присоединения поэтажных отводящих трубопроводов к стояку (на рис. 19 на стояках Ст К1-1 и Ст К1-2 показаны прямые тройники ТП-100х100).
Ревизии Р-100 установлены на стояках согласно п. 17.18 СНиП 2.04.01-85 (см. в MtdiaCenter). Прочистки перед выпусками у наружной стены в нашем примере собраны из прямых тройников ТП-100х100 с пробками-заглушками, хотя это не единственно возможное решение ¾ можно было бы поставить стандартные прочистки по ГОСТ 6942-98 (см. в MediaCenter Lotus Notes). Шаг прочисток принимают по п. 17.24 СНиП 2.04.01-85.
Вентиляция стояка и устройство выпуска, показанные на аксонометрической схеме К1 (см. рис. 19), с необходимыми высотными отметками назначены с учётом положений, рассказанных в лекционном курсе. При постановке вакуумных клапанов выводить стояк над кровлей не нужно (в нашем примере такой клапан не применён).
Поясним, как определены высотные отметки выпуска К1-1 на рис. 19. Вначале определена отметка лотка выпуска у наружной стены здания. Глубина заложения от поверхности земли до лотка трубы в этом месте принята на 0,3 м меньше глубины промерзания грунта 2,1 м, то есть 2,1 - 0,3 = 1,8 метра согласно п. 4.8 СНиП 2.04.03-85 (см. в MediaCenter). По генплану абсолютная отметка земли около здания 99,10 м соответствует относительной отметке -0,900 м, так как относительный ноль (пол первого этажа) имеет абсолютную отметку 100,00 (см. выше) ¾ это вычислено как 100 - 99,1 = 0,900 и присвоен знак минус отметке ниже нуля (пола 1-го этажа). Тогда при глубине заложения лотка выпуска у наружной стены 1,8 м относительная отметка лотка будет -0,900 - 1,800 = -2,700 м, что и показано в начале выпуска на рис. 19.
Далее принята длина выпуска 5 метров от прочистки до смотрового колодца по рекомендациям п. 17.28 СНиП 2.04.01-85 (см. в MediaCenter Lotus Notes). Уклон выпуска диаметром 100 мм принят без расчёта 0,02 по п. 18.2 СНиП 2.04.01-85. Попутно отметим, что на этажах для участков труб диаметром 50 мм уклон также принят без расчёта равным 0,035, а для 100 мм ¾ уклон 0,02 (см. рис. 19).
Умножением уклона на длину получен перепад лотка выпуска 5*0,02 = 0,1 м. Поэтому отметка выпуска около колодца показана -2,800 м (см. рис.19).
Выпуск К1-1 должен быть присоединён к первому смотровому колодцу КК1-1 способом "шелыга в шелыгу", то есть с совпадением верхов труб разных диаметров. Дело в том, что дворовая канализационная сеть ¾ это уже наружная сеть. Поэтому согласно п. 2.33 СНиП 2.04.03-85 (см. в MediaCenter) наименьший диаметр этой сети 150 мм, что и принято у нас в виде керамических труб по ГОСТ 286-82 (см. далее на профиле дворовой канализации). Поэтому лоток первого колодца КК1-1 будет на 5 см ниже лотка выпуска из-за несовпадения диаметров труб выпуска и дворовой сети 150 - 100 = 50 мм. Относительная отметка лотка колодца КК1-1 получена -2,850 м (см. рис. 19), что соответствует абсолютной отметке 100 - 2,85 = 97,15 м. Абсолютная отметка лотка первого колодца 97,15 м использована далее в таблице гидравлического расчёта дворовой канализации .
Другие отметки горизонтальных участков на аксонометрической схеме К1 (см. рис. 19) назначены с учётом уклонов и длин труб, а также толщины междуэтажного перекрытия 0,3 м и удобства сборки раструбных трубопроводов.
После построения аксонометрической схемы К1 составляют спецификацию оборудования системы внутренней канализации , которую выносят на лист.
3.3. Составление спецификации на канализацию
Спецификацию для внутренней канализации К1 составляют по такой же форме, что и спецификацию для В1 (см. выше).
Пример спецификации К1 изображён на рис. 20.

Рис. 20
В спецификации К1 оборудование, трубы и фасонные детали обсчитывают для всего здания. В нашем примере графа количества «Кол.» (см. рис. 20) заполнена по чертежам, приведенным на рис. 15, рис. 16, рис. 18, рис. 19.
Следует отметить, что в примере спецификации на рис. 20 представлены не все возможные трубы или фасонные детали и т.д. В своей курсовой работе студент должен научиться подбирать оборудование, трубы и фасонные детали применительно к своим чертежам, пользуясь ГОСТами (см. в MediaCenter). Количество труб и прочего в спецификации всегда указывают для всего здания.
Данные по канализационным трубам и фасонным деталям в спецификации К1 (см. рис. 20) приняты по «ГОСТ 6942-98. Трубы чугунные канализационные и фасонные части к ним». Для просмотра этого ГОСТа перейдите в MediaCenter, щёлкнув мышью по синей
надписи в Lotus Notes:
«ГОСТ 6942-98. Трубы чугунные канализационные и фасонные части к ним» .
3.4. Гидравлический расчёт дворовой канализации и построение её продольного профиля
Целью гидравлического расчёта дворовой (внутриквартальной) канализации К1 является определение высотных абсолютных отметок и уклонов лотков труб i
при найденных расходах сточных вод q
s
и заданных по рекомендациям СНиП 2.04.03-85 диаметрах труб d
¾ часто используют керамические трубы с наименьшим внутренним диаметром 150 мм. Найденный уклон труб должен быть таким, чтобы обеспечить отведение сточных вод самотёком при неполном заполнении потоком сечения трубы ¾ такое движение жидкости называют безнапорным или со свободной поверхностью.
Гидравлический расчёт К1 выполняют в соответствии с требованиями СНиП 2.04.03-85 (см. в MediaCenter). Все неоговоренные ниже буквенные обозначения величин расшифрованы в приложении 1 СНиП 2.04.01-85 (см. в MediaCenter).
Расчёт поясним на примере дворовой сети, изображённой на генплане на рис. 17 . Имеем две диктующие точки: верхнюю и нижнюю. Верхней диктующей точкой является абсолютная отметка лотка колодца КК1-1, которая была найдена при построении аксонометрической схемы К1 и равна 97,15 м. Нижней диктующей точкой является отметка лотка трубы уличного канализационного коллектора в колодце КК1-3, которую принимают по индивидуальному заданию. В нашем случае она равна 94,30 м (см."Исходные данные для проектирования" ). Сеть дворовой канализации от колодца КК1-1 к колодцу КК1-3 надо проложить с уклоном таким образом, чтобы верх трубы соединительной ветки у колодца КК1-3 не оказался ниже верха трубы уличного коллектора, то есть не ниже "шелыга в шелыгу" (об этом способе соединения см. в лекционном курсе).
При гидравлическом расчёте К1 с учётом СНиП 2.04.01-85 вводятся следующие ограничения по скорости V
, наполнению H/d
и уклону i
:
0,7 £ V
£ 4, м/с;
0,3 £ H/d
£ 0,6;
1/d
£ i
£ 0,15 ,
где d
¾ в мм. При выполнении расчёта необходимо следить, чтобы эти величины находились в вышеуказанных интервалах.
Гидравлический расчёт К1 удобно вести в табличной форме. Таблица гидравлического расчёта дворовой канализации может быть выполнена с помощью пакета Excel 97 — файл K1_tabl.xls.

Рис. 21
Поясним вычисление отдельных столбцов таблицы.
Во 2-й столбец заносят расстояния между осями соседних колодцев, которые берут с генплана, плана секции подвала с сетью К1 и аксонометрии К1 .
Столбец 3 таблицы на рис. 21 содержит число санитарно-технических приборов N
, обслуживаемых расчётным участком сети К1. Поясним определение N
на примере участка КК1-2...КК1-3 (см. генплан выше). Стоки на этот участок поступают от выпуска К1-2 и соседнего участка КК1-1...КК1-2, который берёт стоки от выпуска К1-1. В нашем примере каждый выпуск обслуживает секцию трёхэтажного здания. В каждой секции (см. план этажа секции с сетями К1 выше) имеется два стояка. Число приборов (унитазов, ванн, умывальников и моек) на этаже секции равно 8, поэтому для участка КК1-1...КК1-2 N
= 8*3 = 24, а для участка КК1-2...КК1-3 N
= 8*3 + 24 = 48 (см. рис. 21, столбец 3).
В 4-й столбец внесена вероятность совместного действия приборов P
= 0,0144, которую определяют по формуле (3) СНиП 2.04.01-85 (см. в MediaCenter). Например,

Данные по и взяты по приложению 3 СНиП 2.04.01-85 (см. в MediaCenter) для жилых домов квартирного типа с централизованным горячим водоснабжением, оборудованными умывальниками, мойками и душами с ваннами длиной от 1500 до 1700 мм (у нас ванны 1700 мм ¾ см. в спецификации К1 ).
Столбцы 5-й, 6-й, 9-й, 10-й, 11-й таблицы на рис. 21 Excel 97 рассчитывает автоматически после нажатия клавиши F9. Надо лишь визуально проверять ограничения по скорости, наполнению и уклону (см. выше). На малорасходных участках возможно некоторое занижение скоростей, что и получилось в таблице на рис. 21, что допустимо.
В столбцах 12-м и 13-м таблицы на рис. 21 автоматически рассчитываются абсолютные отметки лотка труб продольного профиля канализации. Надо лишь задать начальную отметку лотка первого колодца КК1-1 (у нас 97,15 м), которая является верхней диктующей точкой. После расчёта в Excel 97 (нажатием клавиши F9) также на забудьте проверить нижнюю диктующую точку (см. выше).
Профиль дворовой канализации выполняют по ГОСТ 21.604-82 (см. в MediaCenter). Пример профиля см. на рис. 22.

Рис. 22
Продольный профиль сети дворовой канализации изображают в виде её развёртки по оси трубопровода, а под ним помещают таблицу данных для прокладки сети. Профиль изображают в разных масштабах по горизонтали и вертикали. На профиле над колодцами проставляют глубину заложения лотка трубы, которую вычисляют как разность отметок земли и лотка трубы. Кроме самой сети К1 на профиле показывают пересекаемые трубопроводы (см. рис. 22). Все остальные детали профиля см. рис. 22. По требованиям СНиП II-89-80 (с изм. 1994 г.) расстояния в свету между пересекающимися трубами В1 и К1 должны быть не менее 0,5 метра (не менее 0,4 метра, если В1 выше К1). На профиле рис. 22 это соблюдено.
3.5. Таблица «Основные показатели по водопроводу и канализации здания»
Таблицу «Основные показатели по водопроводу и канализации здания» составляют по ГОСТ 21.601-79 (с изм.). Пример таблицы представлен на рис. 23, где размеры даны лишь для вычерчивания таблицы, показывать же их на листе курсовой работы не надо.

Рис. 23
|