| Федеральное агенство по образованию
Государственное образовательное учреждение высшего профессионалногообразования
« Омский государственный технический университет »
ПРЕДВАРИТЕЛЬНЫЙ РАСЧЕТ ПРИВОДА
Методические указания
к курсовому проекту по деталям машин
ОМСК 2005
Составитель Мехаев Михаил Борисович, канд. техн. наук, доц.
Методика предварительного расчета излагается в том порядке, в котором необходимо производить расчет, и иллюстрируется примером. Кроме того, методические указания содержат необходимый для данного этапа проектирования справочный материал, а также схемы и варианты заданий на курсовой проект.
Методические указания предназначены для студентов механических специальностей, выполняющих курсовой проект по деталям машин, и посвящены первому этапу проектирования предварительному расчету привода.
Печатается по решению редакционно-издательского совета Омского государственного технического университета
.
Редактор Н.Н. Пацула
ИД № 06039 от 12.10.2001 г.
Свод.темплан 2005 г.
Подписано к печати 31.05.05. Бумага офсетная. Формат 60 84/16. Отпечатано на дупликаторе. Усл. печ.л. 2,75. Уч.-изд. 2,75. Тираж … экз. Заказ…
Издательство ОмГТУ. 644050, г. Омск, пр-т Мира,11
Типография ОмГТУ
Основной целью данной работы является оказание помощи студентам в их самостоятельной работе над проектом.
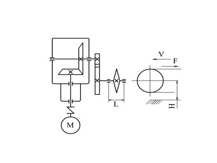
Заданием на курсовой проект по деталям машин является конструирование привода цепного или ленточного конвейера, который, как и любая другая машина, включает в себя три основных узла:
1 2 3
В данном проекте разработке подлежат второй или третий узлы машины. В качестве двигателя у большинства конвейеров используется стандартный электромотор трехфазного тока.
Передаточный механизм в зависимости от задания на курсовой проект может содержать открытую передачу и редуктор или один редуктор.
Исполнительным механизмом (ИМ) в данном проекте является приводной вал конвейера. Для ленточного конвейера это вал приводного барабана, а для цепного конвейера вал с одной или двумя приводными звездочками.
Согласно полученному заданию студент должен спроектировать привод конвейера, т. е. произвести расчеты и разработать чертежи в объеме, установленном заданием на курсовой проект.
Забиваем Сайты В ТОП КУВАЛДОЙ - Уникальные возможности от SeoHammer
Каждая ссылка анализируется по трем пакетам оценки: SEO, Трафик и SMM.
SeoHammer делает продвижение сайта прозрачным и простым занятием.
Ссылки, вечные ссылки, статьи, упоминания, пресс-релизы - используйте по максимуму потенциал SeoHammer для продвижения вашего сайта.
Что умеет делать SeoHammer
— Продвижение в один клик, интеллектуальный подбор запросов, покупка самых лучших ссылок с высокой степенью качества у лучших бирж ссылок.
— Регулярная проверка качества ссылок по более чем 100 показателям и ежедневный пересчет показателей качества проекта.
— Все известные форматы ссылок: арендные ссылки, вечные ссылки, публикации (упоминания, мнения, отзывы, статьи, пресс-релизы).
— SeoHammer покажет, где рост или падение, а также запросы, на которые нужно обратить внимание.
SeoHammer еще предоставляет технологию Буст, она ускоряет продвижение в десятки раз,
а первые результаты появляются уже в течение первых 7 дней.
Зарегистрироваться и Начать продвижение
Все необходимые расчеты и пояснения особенностей конструкции и эксплуатации привода оформляются в виде пояснительной записки.
3
ПРЕДВАРИТЕЛЬНЫЙ РАСЧЕТ ПРИВОДА
Цель предварительного расчета заключается в составлении и уточнении кинематической схемы установки, выборе основных элементов привода и проведении его кинематического и силового анализа. Этот этап заканчивается составлением таблицы исходных данных, необходимой для дальнейшего расчета отдельных узлов и деталей привода.
1. Составление кинематической схемы
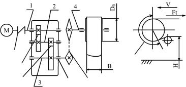
Каждый студент получает от руководителя шифр задания на курсовой проект, построенный по следующей схеме:
Например: задан шифр: КП. 2069889. 15. Д 1. 3 4 15
| Конвейер ленточный, ИМ- вал приводного барабана (рис.3, вар. .№4)
|
|
| Исходные данные по варианту №15 из табл. 2 (табл. 3 для
цепных конвейеров)
|
|
4
| Д1
|
| 
Д2
Открытая зубчатая
 передача
Исполнит. мех-м
Редуктор
|
Д3
Передача плоским
 ремнем
|
|  
Д4
Исполнит. мех-м
Передача цепная
Редуктор
|

Д5
|
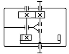
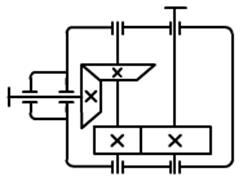
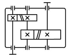
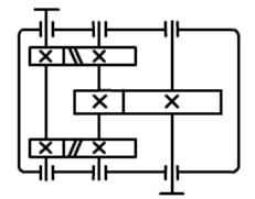
Рис.1. Варианты принципиальных схем привода.
5
Таблица 1
Условные обозначения элементов кинематических схем
|
|
|
|
|
|
|
| Передачи:
плоским ремнем
клиновым ремнем
приводной цепью
зубчатые с прямыми зубьями
то же:
1. с косыми зубьями;
2. шевронные
червячные с цилиндричес- ким червяком
|
|
| Соединение детали и вала, свободное при вращении
|
|
| Соединение валов:
глухое
глухое с предохранением от перегрузки
эластичное
шарнирное
зубчатой муфтой
предохранительной муфтой
|
|
| Передачи:
зубчатые конические (общее обозначение)
|
|
6
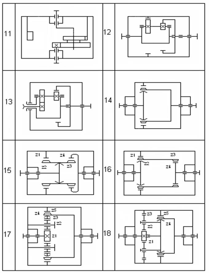
Рис. 2. Варианты кинематических схем редукторов (начало)
7

Рис. 2. Варианты кинематических схем редукторов (окончание)
8
|
 
Срок службы – 5 лет Кгод
= 0,5; Ксут
= 0,33
|
 
Срок службы – 5 лет Кгод
= 0,6; Ксут
= 0,5
|
|
 
Срок службы – 5 лет Кгод
= 0,7; Ксут
= 0,75
|
 
Срок службы – 5 лет Кгод
= 0,8; Ксут
= 0,6
|
Рис. 3. Варианты исполнительных механизмов конвейера и графики нагрузки
9
10
10
Задание на курсовой проект по деталям машин
Шифр КП.01.Д8.02.04
Студенту Ивановой И.Г.
факультет ВМТ
гр. ВМТ-411

Спроектировать привод ленточного конвейера
Кинематическая схема График нагрузки
Исходные данные
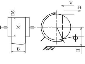
1. Окружное усилие на барабане – Ft
, кН 1,8
2. Скорость ленты конвейера – V , м/с 0,6
3. Диаметр барабана – Dб
, мм 250
4. Ширина ленты – В , мм 400
5. Высота установки ведущего вала – H , мм 350
6. Угол обхвата барабана – α , рад 3,5
Сервис онлайн-записи на собственном Telegram-боте
Попробуйте сервис онлайн-записи VisitTime на основе вашего собственного Telegram-бота:
— Разгрузит мастера, специалиста или компанию;
— Позволит гибко управлять расписанием и загрузкой;
— Разошлет оповещения о новых услугах или акциях;
— Позволит принять оплату на карту/кошелек/счет;
— Позволит записываться на групповые и персональные посещения;
— Поможет получить от клиента отзывы о визите к вам;
— Включает в себя сервис чаевых.
Для новых пользователей первый месяц бесплатно.
Зарегистрироваться в сервисе
Разработать
1. Сборочный чертеж ведущего вала (срок исполнения 15.03.99)
2. Сборочный чертеж редуктора (срок исполнения 20.04.99)
3. Сборочный чертеж привода (срок исполнения 03.05.99)
4. Рабочие чертежи деталей (срок исполнения 10.05.99)
Проект предоставить к защите 13.05.99
Задание получил 12.02.99
разработчик И.Г. Иванова
(подпись)
Руководитель разработки И.Н. Попов
ст. преподаватель (подпись)
11
Задание на курсовой проект по деталям машин
Шифр КП.15.Д2.21.06
Студенту Иванову В.П.
факультет ВТ
гр. ВТ-411
Спроектировать привод цепного конвейера

Кинематическая схема График нагрузки

Исходные данные
1. Окружное усилие на звездочке – Ft
, кН 4
2. Скорость цепи конвейера – V , м/с 1,1
3. Шаг цепи по ГОСТ 588-81 – P , мм 100
4. Число зубьев ведущей звездочки – Z 8
5. Высота установки ведущего вала – H , мм 300
6. Установочный размер ИМ – L , мм 350
Разработать
1. Сборочный чертеж редуктора (срок исполнения 30.03.99)
2. Сборочный чертеж ведущего вала (срок исполнения 20.04.99)
3. Сборочный чертеж привода (срок исполнения 03.05.99)
4. Рабочие чертежи деталей (срок исполнения 10.05.99)
Проект предоставить к защите 15.05.99
Задание получил 12.02.99
разработчик В.П.Иванов
(подпись)
Руководитель разработки И.Н.Попов
ст. преподаватель (подпись)
12
Например:
КП.15.Д1.34. КП.15.Д3.12.
 
Составляя кинематические схемы, нужно помнить, что при передаче тягового усилия Ft зацеплением с помощью тяговых цепей (цепные конвейеры) в приводе необходимо предусмотреть предохранительное устройство в виде предохранительной муфты предельного момента. Например, соединение приводной звездочки со ступицей можно выполнить через срезной штифт.
Кинематическая схема и график нагрузки после согласования с руководителем проектирования вычерчивается на бланке задания. Здесь же приводятся исходные данные, которые в соответствии с заданным вариантом выписываются из табл. 2 или табл. 3. В этих таблицах в графе "шифр" указаны рекомендуемые для каждого варианта сочетания номеров общей схемы привода и схем редукторов (на бланк задания не заносится).
Выше показаны примеры оформления бланков заданий. Кинематическая схема привода в произвольном масштабе вычерчивается также на чертеже общего вида.
2. Определение недостающих геометрических размеров исполнительного механизма
На этапе предварительного расчета определяются недостающие размеры (не указанные в исходных данных), необходимые для выполнения чертежа вала ИМ.
Если в качестве ИМ задан вал приводного барабана ленточного конвейера, то дополнительно определяется длина барабана в миллиметрах:
Вб = В + (50... 100), (1)
где В – ширина ленты транспортера, мм (задана в исходных данных).
Если ИМ – вал цепного конвейера, то на данном этапе ограничиваются расчётом диаметра делительной окружности приводной звёздочки:
(2)
где DЗ
– диаметр делительной окружности, мм; Р – шаг тяговой цепи, мм; Z – число зубьев звёздочки.
3. Определение потребной мощности и выбор электродвигателя
Расчётная мощность электродвигателя в киловаттах определяется по зависимости
13
(3)
где ТЕ
– постоянный вращающий момент на валу ИМ, эквивалентный переменому
моменту, заданному графиком нагрузки, кНм;
ω – угловая скорость вращения вала ИМ конвейера, рад/с;
– общий КПД привода.
Эквивалентный вращающий момент рассчитывается следующим образом:
(4)
где Тi, ti – ступени нагрузки (момента) и соответствующее ей время работы по
графику нагрузки;
t – общее время работы под нагрузкой;
Т – номинальный вращающий момент на ИМ, кНм.
Номинальный момент находится по формуле
(5)
где Ft – окружное усилие на рабочем элементе Им, кН;
D – диаметр барабана (DБ
) или звёздочки (DЗ
), мм.
Угловая скорость вращения вала ИМ определяется по формуле
(6)
где V - скорость тягового элемента конвейера, м/с.
Общий КПД привода находится как произведение КПД отдельных звеньев кинематической цепи:

Значения КПД отдельных звеньев кинематической цепи можно принимать по табл. 4. КПД планетарных и волновых редукторов принимаются по рекомендациям специальной литературы [1 и др.].
14
Таблица 4.
Коэффициент полезного действия (КПД) отдельных звеньев кинематической цепи
| Тип звена
|
Обозначение
|
КПД
|
| Передача зубчатая:
цилиндрическая закрытая цилиндрическая открытая
коническая закрытая
|



|
0,97 - 0,99
|
| 0,90 - 0,95
|
| 0,95 - 0,97
|
| Переда червячная при передаточном отношении:
свыше 30
от 14 до 30
от 8 до 14
|

|
0,70 - 0,80
0,75 - 0,85
0,80 - 0,90
|
| Передача ременная
(все типы):
|

|
0,94 - 0,96
|
| Передача цепная
|

|
0,93 - 0,95
|
| Муфта соединительная
|

|
0,98
|
| Подшипники качения (пара)
|

|
0,99
|
Зависимость (3) является не единственной для определения расчетной мощности двигателя. Так, для расчета РР можно использовать формулу

где FtE
- эквивалентное окружное усилие, кН. Оно определяется по зависимости, аналогичной (4) , в которой Т заменяется на Ft , а
Кроме того, для этих же целей можно использовать зависимость, вытекающую из формулы (3) с учетом (9):
15
Для однозначного выбора электродвигателя одной расчетной мощности недостаточно. Необходимо также знать расчетную частоту вращения вала электродвигателя или возможный диапазон ее изменения:
(8)
где nэmax
, nэmin
– соответственно максимальная и минимальная (для заданной кинематической схемы привода) расчетная частота вращения вала электродвигателя, об/мин; nим
– частота вращения вала ИМ, об/мин; Uom
ax
,
Uomin
– соответственно максимальное и минимальное общее передаточное отношение кинематической схемы привода.
(9)
где ω – угловая скорость вала ИМ, рассчитывается по формуле (6).
Общее передаточное отношение привода определяется как произведение пере-даточных отношений отдельных ступеней передач, входящих в кинематическую схему:
(10)
где Uimax
.Uim
in
– соответственно максимальное и минимальное передаточное отношение i- й ступени передач (определяется по табл. 5 ). Из таблиц характеристик стандартных электродвигателей единой серии АИР (см. п. 6.) выбираем электродвигатель по условиям
(11)
где Ртаб
nтаб
– табличные значения соответственно мощности, кВт и частоты вращения вала, об/мин.
Если выбирается стандартный редуктор, то минимальное и максимальное передаточные отношения редуктора выбираются по соответствующим таблицам приложения.
16
Таблица 5
Рекомендуемые значения передаточных отношений отдельных ступеней передач
| Тип передачи
|
Твердость зубьев
|
Передаточное отношение
|
| Uрек
|
Uпред
|
| Зубчатая цилиндрическая тихоходная ступень (во всех редукторах)
|
<<HRC 56
|
2.5 - 5.0
|
6.3
|
| >HRC 56
|
2.0 – 4.0
|
5.6
|
| Зубчатая цилиндрическая быстроходная ступень в редукторах с развернутой схемой
|
<<HRC 56
|
3.15 – 5.0
|
8.0
|
| >HRC 56
|
2.5 – 5.0
|
6.3
|
| Зубчатая цилиндрическая быстроходная ступень в соосном редукторе
|
<<HRC 56
|
4.0 – 6.3
|
9.0
|
| >HRC 56
|
3.15 – 5.0
|
8.0
|
| Зубчатая цилиндрическая открытая передача
|
<<HB 350
|
4.0 – 8.0
|
12.5
|
| Зубчатая коническая передача
|
<<HB 350
|
1.0 – 4.0
|
6.3
|
| >HRC 40
|
1.0 – 4.0
|
5.0
|
| Червячная передача
|
-
|
10 – 50
|
80,0
|
| Цепная передача
|
-
|
1,5 – 4,0
|
10,0
|
| Ременная передача
|
-
|
2,0 – 4,0
|
8,0
|
| Планетарная по рис. 2:
|
| схема 10
|
-
|
3,0 – 9,0
|
-
|
| схема 11
|
-
|
7,0 – 16,0
|
-
|
| схема 12
|
-
|
8,0 – 30,0
|
-
|
| схема 13
|
-
|
20 - 500
|
-
|
| Волновая по рис. 2:
|
| схема 14
|
-
|
80 – 300
|
400,0
|
| схема 15
|
Z3
= Z4
|
70 – 200
|
-
|
| Z3
< Z4
|

|
-
|
| схема 16
|
Z3
= Z4
|
70 – 200
|
-
|
| Z3
> Z4
|
24 – 200
|
-
|
Если скоростной диапазон достаточно большой, т.е по скоростной характеристике можно выбрать несколько двигателей, окончательное решение принимается с учетом следующих соображений. Быстроходные двигатели легче и дешевле тихоходных, поэтому предпочтительнее. Однако выбор быстроходного двигателя приводит к увеличению общего передаточного отношения редуктора и, как правило, к увеличению его габаритов, массы и стоимости. Если позволяет скоростной диапазон, рекомендуется выбирать два двигателя с различной скоростной характеристикой и последующий расчет вести параллельно. В конце расчета производится анализ вариантов по кинематическим, технико-экономическим и другим признакам и выбирается окончательный вариант.
17
В случае выбора стандартного редуктора окончательный вариант значения частоты вращения вала электродвигателя определяют по минимальной погрешности величины передаточного отношения выбранного редуктора от ее расчетного значения.
Далее производится проверка выбранного двигателя на перегрузку [4]. Она преследует цель предотвратить "опрокидывание" (остановку двигателя под нагрузкой) при резком увеличении нагрузки. Проверку производят при возможных неблагоприятных условиях эксплуатации, когда напряжение в электросети понижено на 10 % (что соответствует уменьшению движущего момента на 19 %), а нагрузка достигает максимального значения:
где Pтаб
– номинальная мощность двигателя по каталогу, кВт; Tmax
– максималь-ный момент при эксплуатации (по графику нагрузки), кНм; nтаб
– асинхронная частота вращения вала электродвигателя по каталогу, об/мин; ψn
– кратность пускового момента по каталогу на электродвигатель (см. п.6). Если условие (12) не выполняется, то следует выбрать двигатель большей мощности.
В пояснительной записке приводится полное обозначение выбранного двигателя (см. п.6), эскиз двигателя с указанием основных габаритных и присоединительных размеров и его основных технических данных.
18
ПРИМЕР
Задание КП.15.Д4.34.21.
Исходные данные: Ft = 3,0 кН; V = 1,0 м/с; Dб = 500 мм;
а = 1,25 π; В = 800 мм; Н = 600 мм.
Кинематическая схема График нагрузки
 
Расчет:
Номинальный момент на валу ИМ. Зависимость (5):

Расчет эквивалентного вращающего момента.
Согласно приведенному графику нагрузки по зависимости (4) получаем
 
Угловая скорость вращения вала ИМ. Зависимость (6):
Расчет КПД привода. Согласно кинематической схеме (рис. 6) и зависимости (7), а также с учетом данных табл. 4 получаем

Расчетная мощность электродвигателя. Зависимость (3):

19
Частота вращения вала ИМ. Зависимость (9):

Возможный диапазон общего передаточного отношения кинематической схемы привода. Зависимость (10), табл. 5 (твердость зубьев NRC < 56), рис. 6

Возможный диапазон асинхронной частоты вращения вала электродвигателя. Зависимость (8):
В соответствии с расчетной мощностью и полученным диапазоном скоростей, а также рекомендацией на стр. 16 из табл. п. 6. выбираем два электродвигателя:
4А90 L 2УЗ РТаб1
= 3,0 кВт, nтаб1
=2840 ,
4А100 S 4УЗ РТаб2
-=3,0 кВт, nтаб2
=1435 .
Если выбирается стандартный двухступенчатый редуктор, то .
Тогда
Для данного примера в этом случае подходят все двигатели c мощностью 3,0 кВт.
4. Определение передаточного отношения привода и его разбивка
по ступеням передач.
Общее передаточное отношение привода определяется по формуле
(13)
С другой стороны, (см. выше) оно может быть получено перемножением передаточных отношений отдельных ступеней передач, то есть
, (14)
где Ui – передаточное отношение отдельной i-й ступени передач,
n – число ступеней передач по кинематической схеме.
Равенство (14) обеспечивается путем подбора Ui с использованием рекомендаций табл. 5.
Если по кинематической схеме передач редуктора имеется открытая передача (зубчатая, цепная или ременная), то, принимая по табл. 5 передаточное отношение
отношение открытой передачи, находят передаточное отношение редуктора:

(15)
где Uоп
– передаточное отношение отрытой передачи.
20
Если открытой передачи в приводе нет (схема 1, рис. 1), то .
Примем обозначения передаточных отношений: Uоз
– открытая зубчатая передача; Uц
– цепная передача; Uрм
– ременная передача.
После определения общего передаточного отношения редуктора производится его разбивка по отдельным ступеням передач. В случае стандартного редуктора разбивка по ступеням не производится, а .
Передаточные отношения одноступенчатых цилиндрических и конических редукторов, проектируемых для серийного производства, выбираются из рядов:
| 1-й ряд
|
2,0
|
2,5
|
3,15
|
4,0
|
5,0
|
6,3
|
8
|
10
|
12,5
|
| 2-й ряд
|
2,24
|
2,8
|
3,55
|
4,5
|
5,6
|
7,1
|
9
|
11,2
|
-
|
Предпочтительнее 1-й ряд. Для одноступенчатых редукторов (за исключением червячных и волновых) не рекомендуется брать более:
Umax = 6,3 - для конических передач;
Umax = 8 - для цилиндрических передач;
Umax = 12,5 - для планетарных передач.
При больших значениях Up принимают число ступеней передач больше единицы или, если это возможно, применяют более тихоходный двигатель.
Передаточное отношение тихоходной – Uт и быстроходной – Uб ступеней двух- ступенчатых редукторов можно определить по рекомендациям П.Ф. Дунаева [2].

Для редуктора по схеме 3; 6; 7 (рис. 2) (16)
Для редуктора по схеме 4 (17)

Для редуктора по схеме 5 (18)

Для редуктора по схеме 8 (19)
Для всех схем
, (20)
Точность разбивки общего передаточного отношения проверяется следующим условием:
(21)
21
Если условие (21) выполняется, то переходят к составлению таблицы исходных данных.
Для схем планетарных и волновых редукторов передаточные отношения выбираются по рекомендациям специальной литературы [1, 3, 5 и др.].
ПРИМЕР
В предыдущем примере nим
= 38,2 об/мин;
nтаб
= 2840 об/мин, nтаб
= 1435 об/мин.
Определяем общее передаточное отношение привода для двух вариантов электро-двигателей по зависимости (13):
 

Определяем общее передаточное число редуктора.
Принимаем по табл. 5 передаточное отношение цепной передачи равным 2,5, тогда передаточное отношение редуктора
 

Делаем разбивку передаточного отношения редуктора по ступеням передач.
Так как редуктор выполнен по схеме 3, то разбивку производим с использованием рекомендаций, изложенных выше. Используя зависимости (16), (20) получим


Учитывая рекомендации по назначению передаточных отношений ступеней редуктора (табл. 5), из двух вариантов принимаем второй, так как для первого варианта Uб1
> Uрек
. С учетом стандартного ряда передаточных отношений (см. выше) для принятого варианта разбивки назначаем
22

По зависимости (21) проверяем точность разбивки передаточных отношений:

что больше допустимой нормы.
Поэтому производим корректировку передаточных отношений, а именно принимаем Uц
=2,6 вместо 2,5. Остальные значения передаточных отношений оставляем без изменения, тогда

Таким образом, условие (21) выполняется. Окончательно принимаем:
Uб
= 4,5; Uт
= 3,15; Uц
= 2,6; электродвигатель 4А100 S4 УЗ исполнение M100. Pтаб
= 3.0 кВт, nтаб
= 1435 об/мин.
Проверку выбранного электродвигателя на перегрузку производим по условию (12)

где Тмах
= 1,3Т (см. график нагрузки);
Т = 0,75; Тмах
= 1,3·0,75 = 0,975 кНм;
nТАБ
= 1435 об/мин; UО
= 37,565;
= 0,850; для выбранного электродвигателя ψn
= 2,0,
тогда ,
а т.к. РТАБ
= 3,0 кВт, то условие (12) выполняется, т.е. двигатель не будет перегружен.
Вычерчиваем эскиз выбранного электродвигателя с указанием его основных характеристик.
23

| b1
|
L30
|
h31
|
d30
|
h
|
d1
|
d10
|
L1
|
L10
|
L31
|
b10
|
h10
|
h1
|
| 8
|
365
|
265
|
235
|
100
|
28
|
12
|
60
|
112
|
63
|
160
|
12
|
7
|
Мощность РТАБ
= 3,0 кВт; частота вращения 1 435 об/мин; кратность пускового момента = ТПУСК
/Т = 2,0.
5. Составление таблицы исходных данных
Предварительно на кинематической схеме привода (рис. 6) нумеруются валы по порядку, начиняя с вала, который обычно через упругую муфту или через передачу (обычно ременную) связан с валом электродвигателя. Далее наносятся обозначения передаточных отношений отдельных ступеней передач и КПД элементов кинематической цепи (рис. 6). Подстрочный индекс передаточного отношения состоит из двух цифр. Первая цифра соответствует номеру вала ведущего элемента, а вторая – номеру зала ведомого элемента. Затем производится расчет кинематических и силовых характеристик каждого вала. Расчет этот оформляется в виде таблицы исходных данных.
При расчете мощности на каждом валу учитываются потери (КПД) на участке кинематической цепи от электродвигателя до рассматриваемого вала (если считается P1
) и от предыдущего вала до рассматриваемого вала (если считается Р2
, Р3
... и т.д.). Кроме того, при расчете P1
за мощность электродвигателя принимается номинальная расчетная (РРН
), полученная по формуле
(22)
После составления таблицы исходных данных производится проверка правильности расчетов. Должны выполняться следующие два примерных равенства:
n4
≈ nИ
M
, Т4
≈ Т. (23)
В левой части равенства стоят данные последней строки таблицы, а справа – соответствующие им характеристики исполнительного механизма, рассчитанные по зависимостям (9) и (5).
24
ПРИМЕР
Для рассмотренного выше примера имеем
.
Тогда таблица исходных данных будет выглядеть так:
| N валов
|
ni
, об/мин
|
Pi
, кВт
|
Ti
, Н·м
|
| 1
|

|

|

|
| 2
|

|
 
|

|
| 3
|
 
|

|
 
|
| 4
|

|

|

|
25
ПРОВЕРКА
n4
= 38,936 об/мин; nим
= 38,2 об/мин;
T4
= 735,658 Н·м; T = 750 Н·м.
Расхождения в скоростях и моментах 2 %, что допустимо (предел 5 %).
В случае использования в курсовом проекте стандартного редуктора таблица исходных данных будет содержать всего три строки, 2-я и 3-я строки будут объединены, т. к. .
Таблица исходных данных позволяет начать проектирование с любого элемента кинематической схемы привода. Так, для рассматриваемого примера по данным первой строки (вал N 1) производится подбор упругой муфты и расчет гюрзой (быстроходной) ступени передач редуктора. По данным второй строки (ват N 2) рассчитывается вторая (тихоходная) ступень редуктора. По данным третьей строки (зал N 3) – цепная передача. По данным четвертой строки производится проектирование ИМ.
В отличие от рассмотренного примера (цилиндрический редуктор) червячная и волновая передачи рассчитываются по вращающему моменту не на ведущем, а на ведомом валу. При расчете этих передач исходные данные из таблицы берутся на строку ниже.
26
6. ПРИЛОЖЕНИЯ
Таблица 6
Двигатели закрытые обдуваемые единой серии АИР (тип/асинхронная частота вращения, об/мин)
| Мощ-
ность Р, кВт
|
Синхронная частота, об/мин
|
| 3000
|

|
1500
|

|
1000
|

|
750
|

|
| 0,25
0,37
0,55
0,75
1,1
1,5
2,2
3
4
5,5
7,5
11
15
18,5
22
30
|
–
–
–
71А2/2840
71В2/2810
80А2/2850
80В2/2850
90L2/2840
100S2/2880
100L2/2880
112M2/2900
132M2/2900
160S2/2940
160M2/2940
180S2/2945
180M2/2945
|
–
–
–
2,0
2,0
2,0
2,0
2,0
2,0
2,0
2,0
1,6
1,4
1,4
1,4
1,4
|
–
–
71А4/1390
71В1/1390
80А4/1420
80В4/1415
90L4/1425
100S4/1435
100L4/1430
112M4/1445
132S4/1455
132M4/1460
160S4/1465
160M4/1465
180S4/1470
180M4/1470
|
–
–
2,0
2,0
2,0
2,0
2,0
2,0
2,0
2,0
2,0
2,0
1,4
1,4
1,4
1,4
|
–
71A6/910
71B6/900
80A6/915
80B6/920
90L6/935
100L6/950
112MA6/955
112MB6/950
132S6/965
132M6/970
160S6/975
160M6/975
180M6/975
–
–
|
–
2,0
2,0
2,0
2,0
2,0
2,0
2,0
2,0
2,0
2,0
1,2
1,2
1,2
–
–
|
71B3/680
80A8/675
80B8/700
90LA8/700
90LB8/700
100L8/700
112MA8/700
112MB8/700
132S8/720
132M8/720
160S8/730
160M8/730
180M8/730
–
–
–
|
1,7
1,7
1,7
1,7
1,7
1,7
2,2
2,2
2,2
2,2
2,2
2,2
2,0
–
–
–
|
27

Электродвигатели серии АИР (основные размеры, мм)
28
| Исполнение
|
IM2081 и IM3081
|
d25
|
130
|
180
|
230
|
250
|
300
|
| d24
|
200
|
250
|
300
|
350
|
400
|
| d22
|
12
|
15
|
19
|
| d20
|
165
|
215
|
265
|
300
|
350
|
| L21
|
10
|
12
|
14
|
16
|
18
|
15
|
18
|
| L20
|
3,5
|
4
|
5
|
| IM1081 и IM2081
|
h31
|
201
|
218
|
243
|
263
|
310
|
350
|
430
|
470
|
| h10
|
9
|
10
|
11
|
12
|
13
|
18
|
20
|
| h
|
71
|
80
|
90
|
100
|
112
|
132
|
160
|
180
|
| b10
|
112
|
125
|
140
|
160
|
190
|
216
|
254
|
279
|
| d10
|
7
|
10
|
12
|
15
|
| L31
|
45
|
50
|
56
|
63
|
70
|
89
|
108
|
121
|
| L10
|
90
|
100
|
125
|
112
|
140
|
178
|
210
|
203
|
241
|
| IM1081, IM2081, IM3081
|
h1
|
6
|
7
|
8
|
9
|
8
|
9
|
9
|
10
|
9
|
10
|
| b1
|
6
|
8
|
10
|
12
|
14
|
12
|
14
|
14
|
16
|
14
|
16
|
| d1
|
19
|
22
|
24
|
28
|
32
|
38
|
42
|
48
|
42
|
48
|
48
|
55
|
48
|
55
|
| L30
|
285
|
300
|
320
|
350
|
362
|
392
|
452
|
480
|
530
|
624
|
667
|
662
|
702
|
| L1
|
40
|
50
|
60
|
80
|
110
|
| IM1081
|
d30
|
170
|
186
|
208
|
235
|
260
|
302
|
358
|
410
|
| Число полюсов
|
2, 4,
6, 8
|
2
|
4, 6, 8
|
2
|
4, 6, 8
|
2
|
4, 6, 8
|
2
|
4, 6, 8
|
| Тип двигателя
|
71A, B
|
80A
|
80B
|
90L
|
100S
|
100L
|
112M
|
132S
|
132M
|
160S
|
160M
|
180S
|
180M
|
| Таблица 7
Двигатели. Основные размеры, мм
|
29
ЦИЛИНДРИЧЕСКИЕ РЕДУКТОРЫ
ЦИЛИНДРИЧЕСКИЕ ОДНОСТУПЕНЧАТЫЕ РЕДУКТОРЫ ТИПОРАЗМЕРОВ
ЦУ-100, ЦУ-160, ЦУ-200, ЦУ-250 ( ПО ГОСТ 21426-75)
Основные параметры редукторов
| Типо-размер редук-тора
|
Меж-осевое рас-стоя-ние, мм
|
Номинальные передаточные числа
|
Номинальный крутящий момент на тихоходном валу, Н.
м, не менее
|
Номинальная радиальная нагрузка на валу, не менее
|
Масса, кг,
не более
|
| 1-й ряд
|
2-й ряд
|
быстро-ходном
|
тихо-ходном
|
| ЦУ-100
|
100
|
2,0; 2,5;
3,15; 4,0;
5,0; 6,3
|
2,24; 2,8; 3,55;
4,5; 5,6
|
250
|
50
|
200
|
27
|
| ЦУ-160
|
160
|
1000
|
100
|
400
|
75
|
| ЦУ-200
|
200
|
2000
|
200
|
560
|
135
|
| ЦУ-250
|
250
|
4000
|
300
|
800
|
250
|
1-й ряд значений u следует предпочитать 2-му.
Фактические значения передаточных отношений не должны отличаться от номинальных более чем на 2,5 % при u £ 4 и на 4 % при u > 4.
Пример обозначения
цилиндрического одноступенчатого редуктора с межосевым расстоянием 200 мм, номинальным передаточным отношением 2,5, вариантом сборки 12, климатического исполнения У и категории размещения 2:
Редуктор ЦУ-200-2,5-12У2 ГОСТ 21426-75
Габаритные и присоединительные размеры редукторов, мм

30

Концы валов конические типа 1, исполнения 1 по ГОСТ 12081-72. На концах валов должны быть гайки по ГОСТ 5915-70, ГОСТ 5916-70, ГОСТ-10605-72 или ГОСТ 1060772 и стопорные шайбы – по ГОСТ 13465-77.
ЦИЛИНДРИЧЕСКИЕ ДВУХСТУПЕНЧАТЫЕ РЕДУКТОРЫ
ТИПОРАЗМЕРОВ: Ц2У-100 – Ц2У-250 (ПО ГОСТ 20758-75)
Основные параметры редукторов
| Типораз-мер ре-дуктора
|
Межосевое расстояние, мм
|
Номиналь-ные пере-даточные отношения
|
Номинальный крутящий мо-мент на тихо-ходном валу, Н*м
|
Номинальная радиальная нагрузка на валу, не менее
|
Масса, кг,
не более
|
| тихо-ходной ступени
аw
t
|
быстро-ходной ступени
аw
d
|
Быстроходном
|
тихо-ходном
|
| Ц2У-100
Ц2У-125
|
100
125
|
80
80
|
8; 10; 12,5; 16
18; 20; 22,4; 25
28; 31,5; 35,5; 40
|
250
500
|
25
50
|
400
560
|
35
53
|
| Ц2У-160
|
160
|
100
|
1000
|
100
|
800
|
95
|
| Ц2У-200
Ц2У-250
|
200
250
|
125
160
|
2000
4000
|
200
300
|
1120
1600
|
170
320
|
Передаточные отношения 8; 10; 12,5; 16; 20; 25; 31,5; 40 являются предпочтительными.
Фактические значения передаточных отношений не должны отличаться от номинальных более чем на ± 4%.
Номинальную радиальную нагрузку следует считать приложенной в середине посадочной части выходного конца вала.
Значения номинальной нагрузки указаны для длительного режима работы редукторов с частотой вращения быстроходного вала не более 1500 об/мин.
Пример обозначения
цилиндрического двухступенчатого редуктора с межосевым расстоянием тихоходной ступени 200 мм, номинальным передаточным отношением 25, вариантом сборки 12, коническим концом выходного вала (К), климатического исполнения У и категории размещения 2:Редуктор Ц2У-200-25-12КУ2
31
Габаритные и присоединительные размеры редукторов, мм
Концы валов конические – по ГОСТ 12081-72.
На концах валов должнs быть гайки по ГОСТ 5915-70 или ГОСТ 5916-70, ша- бы стопорные – поГОСТ 13465-77.
| Типораз-мер редук-тора
|
L
не бо-лее
|
L1
|
l
не бо-
лее
|
l1
|
l2
|
l3
|
H
не бо-лее
|
H1
|
H
не
бо-лее
|
A
|
A1
|
B
не
бо-лее
|
d
|
d1
|
d2
|
| Ц2У-100
|
387
|
325
|
136
|
85
|
136
|
165
|
230
|
112
|
22
|
290
|
109
|
160
|
35
|
20
|
15
|
| Ц2У-125
|
450
|
375
|
160
|
106
|
145
|
206
|
272
|
132
|
25
|
335
|
125
|
180
|
45
|
20
|
19
|
| Ц2У-160
|
560
|
475
|
200
|
136
|
170
|
224
|
345
|
170
|
28
|
425
|
140
|
212
|
55
|
25
|
24
|
| Ц2У-200
|
690
|
580
|
243
|
165
|
212
|
280
|
425
|
212
|
36
|
515
|
165
|
250
|
70
|
30
|
24
|
| Ц2У-250
|
825
|
730
|
290
|
212
|
265
|
335
|
530
|
265
|
40
|
670
|
218
|
300
|
90
|
40
|
28
|
ЧЕРВЯЧНЫЕ РЕДУКТОРЫ
ЧЕРВЯЧНЫЕ ЦИЛИНДРИЧЕСКИЕ РЕДУКТОРЫ ОБЩЕГО НАЗНАЧЕНИЯ РЧУ
Пример обозначения
универсального червячного редуктора с межосевым расстоянием А=160 мм, передаточным отношением u=40, выполняемым по схеме сборки 4 с верхним червяком (исполнение 2 по расположению червячной пары), без лап (исполнение 1 по способу крепления):
РЧУ-160-40-4-2-1 ГОСТ 13563-68
То же, с нижним червяком и с лапами:
РЧУ-160-40-4-1-2 ГОСТ 13563-68
32
Габаритные и присоединительные размеры, мм
| Обоз-начение редукто-ров
|
А
|
А1
|
А2
|
А3
|
А4
|
В
|
В1
|
В2
|
B3
|
B4
|
d
|
d
1
, (отклоне-
ние по Н8)
|
d
2
,
не менее
|
H
|
H1
|
Н2
|
| РЧУ-40
|
40
|
105
|
150
|
140
|
35
|
78
|
120
|
100
|
164
|
4
|
13
|
16
|
10,5
|
180
|
72
|
89,5
|
| РЧУ-50
|
50
|
125
|
160
|
145
|
35
|
86
|
125
|
105
|
180
|
4
|
13
|
16
|
10,5
|
200
|
72
|
99,5
|
| РЧУ-63
|
63
|
150
|
180
|
165
|
42
|
100
|
145
|
125
|
197
|
5
|
13
|
16
|
10,5
|
225
|
82
|
115
|
| РЧУ-80
|
80
|
180
|
225
|
185
|
50
|
117
|
164
|
140
|
212
|
5
|
15
|
18
|
12,5
|
267
|
92
|
132
|
| РЧУ-100
|
100
|
220
|
270
|
230
|
55
|
140
|
200
|
175
|
265
|
5
|
17
|
18
|
14
|
310
|
95
|
150
|
| РЧУ-125
|
125
|
280
|
350
|
280
|
75
|
190
|
230
|
200
|
325
|
7
|
22
|
25
|
18
|
385
|
125
|
190
|
| РЧУ 160
|
160
|
360
|
450
|
335
|
95
|
245
|
280
|
245
|
425
|
9
|
22
|
30
|
22
|
490
|
160
|
245
|
Размеры B
1
и Н3
– справочные.
| Обоз-начение редукто-ров
|
Н3
, не более
|
L
|
L1
|
L2
|
h
|
h1
|
h2
|
Масса редукто-
ра (без масла)
с полым валом
без лап, кг,
не более
|
Масса
лап,
кг, не
более
|
Масса тихоходного
вала, кг, не более
|
| Предельные отклонения по
h16-H16
|
не менее
|
с одним выход-ным концом
|
с двумя
выход-ны-
ми кон-
цами
|
| Корпус
из алю-миниево-
го сплава
|
Корпус
из
чугуна
|
| РЧУ-40
|
55
|
115
|
90
|
180
|
115
|
90
|
145
|
5,3
|
7,0
|
0,6
|
0,3
|
0,4
|
| РЧУ-50
|
55
|
125
|
100
|
190
|
150
|
90
|
165
|
6,5
|
8,5
|
0,8
|
0,6
|
0,7
|
| РЧУ-63
|
65
|
150
|
100
|
220
|
155
|
115
|
200
|
10,3
|
16,7
|
1,1
|
0,8
|
1,0
|
| РЧУ-80
|
75
|
180
|
120
|
260
|
190
|
135
|
240
|
14,2
|
23,4
|
1,5
|
1,2
|
1,4
|
| РЧУ-100
|
85
|
220
|
180
|
310
|
290
|
145
|
270
|
26,5
|
46,0
|
1,7
|
3,5
|
4,4
|
| РЧУ-125
|
100
|
260
|
200
|
400
|
330
|
175
|
335
|
49,0
|
82,0
|
4,8
|
6,0
|
7,4
|
| РЧУ 160
|
130
|
335
|
250
|
490
|
420
|
220
|
420
|
76,5
|
135
|
12,8
|
10,7
|
13,7
|
Размеры h
, h
1
и h
2
определяют наименьшее расстояние, необходимое для извлечения масломерной иглы
33
Концы быстроходных валов, мм
|
|
Обозна-
чение
редук-
торов
|
d
|
d
1
|
d
2
|
l
|
l
1
|
b
|
t
|
h
|
| РЧУ-40
|
16
|
М10*1,25
|
26
|
40
|
30
|
5
|
4.3
|
5
|
| РЧУ-50
|
16
|
М10*1,25
|
26
|
40
|
30
|
5
|
4,3
|
5
|
| РЧУ-63
|
22
|
М12*1,25
|
32
|
50
|
38
|
6
|
6,6
|
6
|
| РЧУ-80
|
25
|
М16*1,5
|
40
|
60
|
45
|
8
|
7,5
|
7
|
| РЧУ-100
|
32
|
М20*1,5
|
45
|
80
|
60
|
10
|
10,1
|
8
|
| РЧУ-125
|
36
|
М20*1,5
|
45
|
80
|
60
|
10
|
12,1
|
8
|
| РЧУ-160
|
40
|
М24*2
|
50
|
110
|
85
|
12
|
13,8
|
8
|
Резьба метрическая – по ГОСТ 9150-59; поле допуска для болта 8g, для гайки 7Н – по ГОСТ 16093-70.
Размеры h
h
1
и h
2
определяют наименьшее расстояние, необходимое для извлечения масломерной иглы.
Концы тихоходных валов, мм
| 
|
| Обозначение
редукторов
|
Вал исполнений 2, 3, 4 по схеме сборки
|
Соединение
|
| d
(пред.
откл.
по m6)
|
d
3
|
l
|
l
3
, не менее
|
А
|
Шпоночное по
ГОСТ 8788-68 и
ГОСТ 10748-68
|
Шлицевое
по ГОСТ
6033-51
|
| b
|
h
|
d - t
|
Эв. D×m×z
|
| РЧУ – 40
|
18
|
М4
|
28
|
15
|
-
|
5
|
6
|
14,5
|
22 ×1,5×14
|
| РЧУ – 50
|
22
|
М5
|
36
|
18
|
-
|
6
|
6
|
18,5
|
28×1,5×18
|
| РЧУ – 63
|
25
|
М6
|
42
|
24
|
-
|
8
|
7
|
21,0
|
30×1,5×18
|
| РЧУ – 80
|
32
|
М8×1
|
58
|
30
|
-
|
10
|
8
|
27,0
|
38×2×18
|
| РЧУ – 100
|
40
|
М8×1
|
82
|
16
|
20
|
12*
|
8
|
35,0
|
50×2×24
|
| РЧУ – 125
|
50
|
М10×1,25
|
82
|
20
|
32
|
14*
|
12
|
42,5
|
60×2,5×22
|
| РЧУ – 160
|
60
|
М10×1,25
|
105
|
20
|
32
|
18*
|
16
|
50,0
|
75×2,5×28
|
*
По ГОСТ 10748-68. Размеры l
и l
1
– справочные.
34
Исполнения редукторов
По схеме сборки:
Исполнение 1 Исп. 2 Исп. 3 Исп. 4
Б – конец быстроходного вала; Т – конец тихоходного вала.
По расположению червячной пары:
Исполнение 1 Исполнение 2 Исполнение 3 Исполнение 4
Ч – червяк; К – колесо
Допускаемые нагрузки редукторов при непрерывной
работе до 12 ч в сутки
(по механической прочности передач)
А – межосевое расстояние редуктора, мм; u – номинальное передаточное отношение редуктора; n1
– частота вращения червяка, об/мин; N1
– мощность на валу червяка, кВт; М2
– момент на валу червячного колеса, Н .
м.
| A
|
u*
|
n1
|
| 750
|
1000
|
1500
|
| N1
|
M2
|
N1
|
M2
|
N1
|
М2
|
| 40
|
8,0
10,0
12,5
16,0
20,0
25,0
31,5
40,0
50,0
63,0
|
0,35
0,30
0,20
0,20
0,15
0,10
0,10
0,10
0,10
0,05
|
31
31
27
31
31
27
31
31
29
275
|
0,45
0,40
0,25
0,25
0,20
0,15
0,15
0,15
0,10
0,10
|
30
30
26
31
31
27
31
31
28
275
|
0,60
0,50
0,35
0,35
0,30
0,20
0,20
0,20
0,15
0,10
|
27
27
25
28
29
25
28
28
27
26
|
   
35
| A
|
u*
|
n1
|
| 750
|
1000
|
1500
|
| N1
|
M2
|
N1
|
M2
|
N1
|
М2
|
| 50
|
8,0
10,0
12,5
16,0
20,0
25,0
31,5
40,0
50,0
63,0
80,0
|
0,70
0,50
0,40
0,40
0,30
0,25
0,20
0,15
0,15
0,10
0,10
|
60
55
54
60
55
54
60
55
54
53
41
|
0,85
0,65
0,55
0,45
0,35
0,30
0,30
0,20
0,20
0,15
0,10
|
56
53
54
56
54
55
56
54
55
52
40
|
1,10
0,85
0,70
0,60
0,50
0,40
0,35
0,30
0,25
0,20
0,15
|
50
48
48
51
49
49
51
49
49
49
38
|
| 63
|
8,0
10,0
12,5
16,0
20,0
25,0
31,5
40,0
50,0
63,0
80,0
|
1,25
1,00
0,80
0,70
0,55
0,45
0,40
0,30
0,30
0,20
0,15
|
115
109
112
118
110
112
118
110
112
102
84
|
1,60
1,20
1,00
0,90
0,70
0,60
0,50
0,40
0,35
0,30
0,20
|
105
102
104
109
103
105
109
103
105
103
87
|
2,10
1,60
1,35
1,15
0,90
0,75
0,70
0,50
0,45
0,40
0,25
|
98
93
95
98
94
95
100
94
97
95
82
|
| 80
|
8,0
10,0
12,5
16,0
20,0
25,0
31,5
40,0
50,0
63,0
80,0
|
2,50
2,00
1,60
1,35
1,10
0,90
0,80
0,70
0,55
0,40
0,30
|
225
223
224
229
225
226
229
225
227
220
172
|
3,10
2,30
2,00
1,05
1,35
1,10
1,00
0,80
0,65
0,60
0,40
|
211
206
209
214
210
212
214
211
211
211
164
|
4,10
3,20
2,60
2,20
1,75
1,45
1,25
1,05
0,85
0,75
0,55
|
189
185
188
191
189
192
192
191
193
193
159
|
| 100
|
8,0
|
4,40
|
412
|
5,50
|
392
|
6,80
|
324
|
| 10,0
|
3,40
|
388
|
4,12
|
363
|
5,60
|
330
|
| 12,5
16,0
20,0
25,0
31,5
40,0
50,0
63,0
80,0
|
2,90
2,40
1,90
1,60
1,40
1,10
0,90
0,80
0,45
|
412
422
398
412
422
398
412
382
332
|
3,50
3,00
2,30
1,90
1,80
1,30
1,10
1,10
0,70
|
383
395
372
386
399
372
394
355
318
|
4,80
3,65
3,00
2,50
2,10
1,70
1,50
1,10
0,90
|
348
328
334
351
343
333
354
324
305
|
| 125
|
8,0
10,0
|
8,0
6,3
|
745
724
|
9,90
7,70
|
701
672
|
12,0
9,2
|
573
548
|
| 12,5
16,0
|
5,1
4,3
|
724
760
|
6,30
5,40
|
675
709
|
7,5
6,4
|
551
582
|
| 20,0
25,0
31,5
40,0
50,0
63,0
80,0
|
3,4
2,8
2,4
1,9
1,6
1,2
0,9
|
735
730
763
730
730
674
573
|
4,10
3,40
3,05
2,40
2,00
1,50
1,15
|
676
681
709
681
681
640
561
|
5,0
4,1
3,6
2,8
2,3
1,9
1,5
|
559
562
587
559
562
566
515
|
36
| A
|
u*
|
n1
|
| 750
|
1000
|
1500
|
| N1
|
M2
|
N1
|
M2
|
N1
|
М2
|
| 160
|
8,0
10,0
12,5
16,0
20,0
25,0
31,5
40,0
50,0
|
16,1
12,6
10,4
8,6
7,0
5,9
4,8
4,1
3,4
|
1500
1475
1500
1525
1500
1525
1525
1520
1530
|
17,8
14,2
11,6
9,50
7,70
6,40
5,50
4,80
3,70
|
1274
1253
1280
1280
1278
1290
1295
1395
1305
|
20,4
18,5
15,5
11,4
10,4
8,5
6,5
5,8
4,8
|
985
1135
1150
1050
1160
117
1075
1160
1170
|
| 63,0
80
|
2,3
1,8
|
1305
1200
|
2,90
2,20
|
1224
1160
|
3,3
3,0
|
1000
1110
|
*
Фактические значения u
не должны отличаться от номинальных более чем на 5 %.
Допускаемые нагрузки, ограничиваемые термической мощностью редукторов, при непрерывной работе до 12 ч в сутки
| A
|
u
|
n1
|
| 750
|
1000
|
1500
|
| N1Т
|
M2Т
|
N1Т
|
M2Т
|
N1Т
|
М2Т
|
| 100
|
8,0
10,0
12,5
16,0
20,0
25,0
31,5
40,0
50,0
63,0
80,0
|
4,20
3,50
3,50
2,60
2,00
2,00
1,55
1,45
1,45
1,10
1,10
|
392
400
600
457
420
516
467
522
660
525
812
|
4,80
4,30
4,30
3,00
2,50
2,40
1,65
1,60
1,60
1,20
1,15
|
342
376
471
395
404
488
365
448
562
433
524
|
5,55
4,95
4,95
3,65
3,00
3,00
2,05
1,85
1,80
1,35
1,30
|
263
292
360
328
334
421
334
363
420
408
448
|
| 125
|
8,0
10,0
12,5
16,0
20,0
25,0
31,5
40,0
50,0
63,0
80,0
|
6,70
6,10
5,60
4,45
3,95
3,50
2,60
2,30
2,15
1,95
1,65
|
624
700
795
790
850
917
827
882
986
1110
1060
|
7,60
6,80
6,20
4,55
4,25
3,80
3,05
2,60
2,45
2,30
1,90
|
540
594
665
598
700
758
709
745
832
972
932
|
8,75
8,75
7,00
5,50
5,00
4,35
3,60
3,15
2,80
2,60
2,10
|
418
521
515
491
559
600
587
628
685
775
728
|
| 160
|
8,0
10,0
12,5
16,0
20,0
25,0
31,5
40,0
50,0
63,0
80,0
|
10,30
9,30
7,75
6,20
5,15
4,65
4,20
3,30
3,10
2,90
2,60
|
960
1090
1120
1100
1110
1205
1340
1220
1395
1645
1730
|
12,40
11,00
9,90
7,60
6,20
5,80
4,70
3,95
3,50
3,40
3,10
|
890
970
1100
1030
1020
1170
1110
1150
1240
1435
1635
|
15,00
13,20
11,70
9,60
7,50
7,00
5,55
4,80
3,90
4,05
3,60
|
725
810
870
850
840
960
915
960
950
1230
1340
|
37
КОНИЧЕСКО-ЦИЛИНДРИЧЕСКИЕ РЕДУКТОРЫ
РЕДУКТОРЫ ОБЩЕГО НАЗНАЧЕНИЯ ТИПОВ КЦ1
Габаритные и присоединительные размеры, мм
Б – быстроходный вал; Т – тихоходный вал; М – масломерная игла
| Типо- размер
|
А
|
А1
|
А2
|
А3
|
А4
|
А5
|
L
|
L1
|
H
|
H1
|
| КЦ1-200
|
200
|
85
|
–
|
–
|
375
|
250
|
900
|
480
|
435
|
225
|
| КЦ1-250
|
250
|
120
|
–
|
–
|
480
|
325
|
1170
|
600
|
515
|
265
|
| КЦ1-300
|
300
|
120
|
280
|
–
|
545
|
350
|
1274
|
680
|
607
|
315
|
| КЦ1-400
|
400
|
212
|
335
|
335
|
810
|
450
|
1703
|
930
|
705
|
320
|
| КЦ1-500
|
500
|
250
|
390
|
390
|
990
|
550
|
2085
|
1160
|
877
|
400
|
| Типо- размер
|
В
|
В1
|
l
|
l1
|
h
|
S
|
Отверстия
|
Масса, кг,
не более
|
| d
|
число
|
| КЦ1-200
|
200
|
–
|
110
|
–
|
–
|
20
|
17
|
4
|
186
|
| КЦ1-250
|
275
|
–
|
160
|
–
|
–
|
25
|
22
|
4
|
391
|
| КЦ1-300
|
450
|
–
|
170
|
–
|
–
|
25
|
22
|
6
|
474
|
| КЦ1-400
|
526
|
334
|
272
|
530
|
95
|
35
|
26
|
8
|
980
|
| КЦ1-500
|
630
|
450
|
340
|
620
|
100
|
40
|
33
|
8
|
1740
|
Пример обозначения
редуктора КЦ1-200, с исполнением по передаточному отношению II, сборки 2, с цилиндрическим концом тихоходного вала формы Ц, климатического исполнения У и категории 2:
КЦ1-200-II-2-ЦУ2
38
Концы быстроходных и тихоходных валов, мм
| 
|
| Типораз-мер
|
d1
|
d2
|
l2
|
l3
|
L2
|
b
|
t
|
d3
(пред.
откл.по H)
|
l4
|
L3
|
b1
|
t1
|
| КЦ1-200
|
40
|
75
|
85
|
350
|
460
|
12
|
21
|
45
|
80
|
247
|
14
|
48,5
|
| КЦ1-250
|
50
|
85
|
85
|
515
|
625
|
14
|
26,5
|
55
|
110
|
319,5
|
16
|
59
|
| КЦ1-300
|
50
|
85
|
85
|
515
|
625
|
14
|
26,5
|
70
|
140
|
385
|
20
|
74,5
|
| КЦ1-400
|
60
|
110
|
108
|
708
|
848
|
18
|
31,5
|
90
|
170
|
452
|
25
|
95
|
| КЦ1-500
|
90
|
150
|
138
|
860
|
1030
|
25
|
47
|
110
|
210
|
544
|
28
|
116
|
Исполнение редукторов по передаточным отношениям
| Исполнение
|
I
|
II
|
III
|
IV
|
V
|
| Номинальное передаточное отношение
|
28
|
20
|
14
|
10
|
6,3
|
Исполнение редукторов по сборкам
Редукторы имеют три исполнения: 1, 2, 3. Редуктор со сборкой 3 имеет оба конца тихоходного вала одинаковой формы Ц.

Допускаемые моменты Мт
на тихоходных валах в Н .
м
при 1000 об/мин быстроходного вала
| Типоразмер
|
Исполнение
|
| I
|
II
|
III
|
IV
|
V
|
| КЦ1-200
|
530
|
660
|
760
|
750
|
490
|
| КЦ1-250
|
1010
|
1270
|
1430
|
1540
|
1210
|
| КЦ1-300
|
1770
|
2120
|
2390
|
1860
|
1210
|
| КЦ1-400
|
4000
|
4780
|
5360
|
5310
|
3460
|
| КЦ1-500
|
7560
|
9030
|
9960
|
9120
|
5930
|
39
Допускаемые консольные нагрузки Рт на тихоходных валах
в Н при 1000 об/мин быстроходного вала
Место приложения консольной нагрузки – середина шейки или гнезда тихоходного вала.
| Типоразмер
|
Форма кон-
ца вала
|
Исполнение
|
| I
|
II
|
III
|
IV
|
V
|
| КЦ1-200
|
Ц
М
|
6450
8400
|
6150
6900
|
5700
5600
|
5650
4750
|
5950
4550
|
| КЦ1-250
|
Ц
М
|
8850
11000
|
8200
9500
|
7500
8000
|
6900
6800
|
6500
5900
|
| КЦ1-300
|
Ц
М
|
13000
19300
|
12500
17000
|
11500
14500
|
13000
13500
|
13500
12000
|
| КЦ1-400
|
Ц
М
|
21000
60500
|
19500
36500
|
18200
47000
|
18500
41500
|
21500
37000
|
| КЦ1-500
|
Ц
М
|
30000
84000
|
28000
74000
|
25000
65000
|
26000
58000
|
31500
51500
|
ПРИЛОЖЕНИЕ 3
Конические концы валов с конусностью 1:10
по ГОСТ 12081-72
Размеры, мм
40
Концы валов предназначены для посадки деталей, передающих крутящий момент (шкивы, зубчатые колёса и т.п.) в машинах, механизмах и приборах.
Концы валов изготовляют двух типов: 1 – с наружной резьбой, 2 – с внутренней резьбой; двух исполнений: 1 – длинные, 2 – короткие.
| Номиналь-ный диаметр d1
|
l1
|
l2
|
d2
|
b
|
h
|
t
|
d3
|
| I ряд
|
II ряд
|
Исполнение
|
| 1
|
2
|
1
|
2
|
1
|
2
|
| 10
11
|
–
–
|
23
|
–
|
15
|
–
|
9,25
10,25
|
–
–
|
–
2
|
–
2
|
–
1,2
|
М6
|
| 12
14
|
–
–
|
30
|
–
|
18
|
–
|
11,10
13,10
|
–
–
|
2
3
|
2
3
|
1,2
1,8
|
М8*1
|
| 16
18
–
|
–
–
19
|
40
|
28
|
28
|
16
|
14,60
16,60
17,60
|
15,2
17,2
18,2
|
3
4
4
|
3
4
4
|
1,8
2,5
2,5
|
М10*1,25
|
| 20
22
–
|
–
–
24
|
50
|
36
|
36
|
22
|
18,20
20,20
22,20
|
18,9
20,9
22,9
|
4
4
5
|
4
4
5
|
2,5
2,5
3,0
|
М12*1,25
|
| 25
28
|
–
|
60
|
42
|
42
|
24
|
22,90
25,90
|
23,8
26,8
|
5
|
5
|
3,0
|
М16*1,5
|
| –
32
–
36
–
|
30
–
35
–
38
|
80
|
58
|
58
|
36
|
27,10
29,10
32,10
33,10
35,10
|
28,2
30,2
33,2
34,2
36,2
|
5
6
6
6
6
|
5
6
6
6
6
|
3,0
3,5
3,5
3,5
3,5
|
М20*1,5
М20*1,5
М20*1,5
М20*1,5
М24*2
|
| 40
–
45
–
50
–
56
|
–
42
–
48
–
55
–
|
110
|
82
|
82
|
54
|
35,90
37,90
40,90
43,90
45,90
50,90
51,90
|
37,3
39,3
42,3
45,3
47,3
52,3
53,3
|
10
10
12
12
12
14
14
|
8
8
8
8
8
9
9
|
5,0
5,0
5,0
5,0
5,0
5,5
5,5
|
М24*2
М24*2
М30*2
М30*2
М36*2
М36*2
М36*2
|
| –
63
–
|
60
–
65
|
140
|
105
|
105
|
70
|
54,75
57,75
59,75
|
56,5
59,5
61,5
|
16
|
10
|
6,0
|
М42*3
|
| –
71
–
|
70
–
75
|
64,75
65,75
69,75
|
66,5
67,5
71,5
|
18
|
11
|
7,0
|
М48*3
|
| 80
–
|
–
85
|
170
|
130
|
130
|
90
|
73,50
78,50
|
75,5
80,5
|
20
|
12
|
7,5
|
М56*4
|
| 90
–
|
–
95
|
83,50
88,50
|
85,5
90,5
|
22
|
14
|
9,0
|
М64*4
|
41
Шестигранные гайки нормальной точности
Размеры, мм
Пример обозначения
гайки исполнения 1, диаметром резьбы d = 12 мм, с крупным шагом резьбы с полем допуска 7Н, класса прочности 5, без покрытия:
Гайка М12.5 ГОСТ 5915-70
то же, исполнения 2, с мелким шагом резьбы с полем допуска 6Н, класса прочности 12, из стали 40Х, с покрытием 01 толщиной 6 мкм:
Гайка 2М12*1,25.6Н.12.40Х.016 ГОСТ 15522-70
| Резьба d
|
2
|
2,5
|
3
|
4
|
5
|
6
|
8
|
10
|
12
|
16
|
20
|
24
|
30
|
36
|
42
|
48
|
| Шаг
резь-бы
|
Круп-ный
мелкий
|
0,4
–
|
0,45
–
|
0,5
–
|
0,7
0,5
|
0,8
0,5
|
1,0
0,75
|
1,25
1,0
|
1,5
1,25
|
1,75
1,25
|
2
1,5
|
2,5
1,5
|
3
2
|
3,5
2
|
4
3
|
4,5
3
|
5
3
|
| S
отклонение
|
4
|
5
|
5,5
|
7
|
8
|
10
|
13
|
17
|
19
|
24
|
30
|
36
|
46
|
55
|
65
|
75
|
| -0,3
|
-0,36
|
-0,43
|
-0,52
|
-1,0
|
-1,2
|
| S1
отклонение
|
–
|
–
|
–
|
–
|
–
|
–
|
12
|
14
|
17
|
22
|
27
|
32
|
41
|
50
|
60
|
70
|
| -0,43
|
-0,52
|
-1,0
|
-1,2
|
| D
|
4,4
|
5,5
|
6
|
7,7
|
8,8
|
10,9
|
14,2
|
18,7
|
20,9
|
26,5
|
33,3
|
39,6
|
50,9
|
60,8
|
72,1
|
83,4
|
| D1
|
–
|
–
|
–
|
–
|
–
|
–
|
13,1
|
15,3
|
18,7
|
24,3
|
29,9
|
35
|
45,2
|
55,4
|
66,4
|
77,7
|
| H
отклонение
|
–
|
–
|
–
|
–
|
–
|
5
|
6,5
|
8
|
10
|
13
|
16
|
19
|
24
|
29
|
34
|
38
|
| -0,75
|
-0,90
|
-1,10
|
-1,30
|
-1,68
|
| Н1
отклонение
|
1,2
|
1,6
|
2,0
|
2,5
|
3
|
4
|
5
|
6
|
7
|
8
|
9
|
10
|
12
|
14
|
16
|
18
|
| -0,4
|
-0,75
|
-0,90
|
-1,1
|
42
Шайбы стопорные с носком по ГОСТ 13465-77

Пример обозначения
стопорной шайбы с диаметром резьбы 10 мм, из материала группы 01, с покрытием 01 толщиной 6 мкм:
Шайба 10.01.016 ГОСТ 13463-77
то же с предельным отклонением по В12
, из материала группы 01, с покрытием 05:
Шайба 10.В12
.01.05 ГОСТ 13465-77
| Диаметр резьбы
|
d1
(пред.
откл.
по Н12
)
|
D
|
H
|
L1
(пред. откл. по js
15)
|
S
|
r
|
r1
|
D
|
L
|
L2
|
В1
(пред. откл. по h14)
|
R
|
Масса 1000 шт,
кг
|
| Пред. откл.
по h14
|
Пред. откл.
по js
15
|
| 3
4
5
|
3,2
4,3
5,3
|
5,5
7
8
|
4
5
6
|
5
6
7,5
|
0,5
|
0,5
|
0,5
|
0,25
0,3
0,3
|
7,5
8,5
10
|
4,5
5,5
7
|
2,4
2,4
3,4
|
1
|
0,124
0,166
0,232
|
| 6
8
10
|
6,4
8,4
10,5
|
10
14
17
|
7,5
9
10
|
9
11
13
|
0,8
1,0
1,0
|
0,5
0,5
1,2
|
0,5
1
1
|
0,3
|
11,5
12,5
14
|
7,5
8,5
10
|
3,4
3,4
4,4
|
0,524
1,061
1,468
|
| 12
(14)
16
|
13
15
17
|
19
22
24
|
12
12
15
|
15
17
20
|
1,0
|
1,2
|
2
|
0,4
|
16
18
20
|
12
12
15
|
4,4
4,4
5,4
|
1,6
|
1,667
2,051
2,579
|
| (18)
20
(22)
|
19
21
23
|
27
30
32
|
18
18
20
|
22
24
25
|
1,0
|
1,2
1,2
1,6
|
2
2
3
|
24
24
26
|
18
18
20
|
6
6
7
|
3,363
3,888
4,307
|
| 24
(27)
30
|
25
28
31
|
36
41
46
|
20
24
26
|
28
30
32
|
1,0
1,6
1,6
|
1,6
|
3
|
26
28
32
|
20
22
25
|
7
8
11
|
1,6
2
2
|
5,359
11,03
13,76
|
| 36
42
48
|
37
43
50
|
55
65
75
|
30
36
40
|
38
42
50
|
1,6
|
2
|
4
|
0,5
|
38
44
50
|
30
36
40
|
11
11
12
|
2
|
19,76
27,17
40,23
|
43
БИБЛИОГРАФИЧЕСКИЙ СПИСОК
1. Планетарные передачи: Справочник / Под ред. В.Н.Кудрявцева и Ю.Н.Кудря–шева. Л.: Машиностроение, 1977. 536 с.
2. Дунаев П.О., Леликов О.П. Конструирование узлов и деталей машин. М.: Высш. школа, 1985. 416 с.
3. Приводы машин: Справочник / Под общ. ред. В.В. Длоугого. Л.: Машино– строение, 1982. 383 с.
4. Курсовое проектирование деталей машин / Под общ. ред. В.Н. Кудрявцева. Л.: Машиностроение, 1983. 400 с.
5. Иванов М.Н. Волновые зубчатые передачи. М.: Высш. школа, 1981. 184с.
6. Анурьев В.И.Справочник конструктора–машиностроителя.– В 3 т. – М.: Маши-ностроение, 2001.

44
|