| МОСКОВСКИЙ ЭНРГЕТИЧЕСКИЙ ИНСТИТУТ
(ТЕХНИЧЕСКИЙ УНИВЕРСИТЕТ)
Кафедра «Электротехнические комплексы автономных объектов»
ЛАБОРАТОРНАЯ РАБОТА 3
Источник переменного тока на базе синхронного генератора с возбуждением от постоянных магнитов
Методические указания по подготовке к выполнению и выполнению лабораторной работы
Описание лабораторного стенда,
указания к технологии выполнения
лабораторной работы,
методический материал к обработке результатов
экспериментальных исследований и
подготовке к защите лабораторной работы
Описание составил профессор И.М. Беседин
Москва 2004 г.
Цель работы
. Исследование функциональных свойств источника электроэнергии переменного тока, структурно реализованного в виде синхронного генератора с возбуждением от постоянных магнитов и регулятора напряжения. Исследование элементов структуры регулятора напряжения и особенностей его взаимодействия с объектом регулирования.
Объект исследования
. Объектом исследования в лабораторной работе является источник электроэнергии переменного тока, представленный функционально связанными структурными элементами: синхронным генератором с возбуждением от постоянных магнитов (силовой элемент структуры) и регулятором напряжения (устройство управления одним из показателей качества электроэнергии). Структура источника переменного тока является типовой для самолетных систем электроснабжения, а способ возбуждения синхронного генератора не является определяющим признаком при исследовании функциональных свойств источника.
В общем случае, при обосновании структуры источника переменного тока следует принять во внимание, что и в варианте источника переменного тока постоянной частоты, и варианте источника переменного тока переменной частоты силовым элементом структуры источника будет электромеханический преобразователь, а в части выбора устройства управления уровнем напряжения источника имеется определенная свобода для разработчика.
Учтем, что отдельные исследования и технические разработки по использованию на летательных аппаратах разновидностей электромеханических преобразователей в генераторном режиме работы не позволяют сделать вывод, что они в ближайшее время будут реально конкурировать с синхронным электромеханическим преобразователем в системах генерирования переменного тока. Поэтому в лабораторной работе внимание студентов сосредотачивается на особенностях использования именно синхронного генератора в структуре источника переменного тока.
Забиваем Сайты В ТОП КУВАЛДОЙ - Уникальные возможности от SeoHammer
Каждая ссылка анализируется по трем пакетам оценки: SEO, Трафик и SMM.
SeoHammer делает продвижение сайта прозрачным и простым занятием.
Ссылки, вечные ссылки, статьи, упоминания, пресс-релизы - используйте по максимуму потенциал SeoHammer для продвижения вашего сайта.
Что умеет делать SeoHammer
— Продвижение в один клик, интеллектуальный подбор запросов, покупка самых лучших ссылок с высокой степенью качества у лучших бирж ссылок.
— Регулярная проверка качества ссылок по более чем 100 показателям и ежедневный пересчет показателей качества проекта.
— Все известные форматы ссылок: арендные ссылки, вечные ссылки, публикации (упоминания, мнения, отзывы, статьи, пресс-релизы).
— SeoHammer покажет, где рост или падение, а также запросы, на которые нужно обратить внимание.
SeoHammer еще предоставляет технологию Буст, она ускоряет продвижение в десятки раз,
а первые результаты появляются уже в течение первых 7 дней.
Зарегистрироваться и Начать продвижение
Решение вопроса о необходимости введения в структуру источника электроэнергии регулятора напряжения определяется двумя обстоятельствами. В автономном режиме работы источника регулятор напряжения необходим в том случае, если в заданном диапазоне изменения нагрузки генератора его напряжение выходит за допусковую зону, определяемую нормой эксплуатации потребителей электроэнергии. То есть, если генератор как источник электроэнергии сильно отличается по качеству напряжения от характеристики идеального источника ЭДС. При использовании генератора в режиме параллельной работы с другими источниками переменного тока необходимость использования регулятора напряжения возникает лишь в том случае, если этого требует выбранный метод параллельной работы. С учетом отмеченных обстоятельств ниже дается анализ основных факторов, определяющих степень отличия свойств синхронного генератора от идеального источника ЭДС. Опорным элементом анализа является математическая модель синхронного генератора (лабораторная работа 1).
Основной характеристикой электромеханического преобразователя, используемого в генераторном режиме работы, является его внешняя (нагрузочная) характеристика. Внешняя характеристика показывает взаимосвязь между напряжением на нагрузке и током генератора при изменении сопротивления нагрузки. Характеристика снимается в автономном режиме работы генератора, при этом поддерживаются постоянными частота вращения вала генератора ( ) и коэффициент мощности нагрузки ( ). Характер изменения внешней характеристики в координатах должен свидетельствовать о способности генератора к отдаче расчетной мощности в рамках заданных границ по току и напряжению. Кроме того, наблюдаемая по внешней характеристике степень изменения напряжения на нагрузке в расчетном диапазоне изменения тока генератора, помогает решить вопрос и о необходимости использования в структуре источника регулятора напряжения, и о предпочтительном способе регулирования напряжения. На форму внешней характеристики генератора оказывают влияние три фактора: способ возбуждения генератора, величина внутреннего сопротивления генератора и характер (коэффициент мощности) нагрузки. Учитывая, что идеальной внешней характеристикой генератора как источника электроэнергии является внешняя характеристика источника ЭДС, рассмотрим степень влияния названных факторов на возможность достижения названного идеала.
Сервис онлайн-записи на собственном Telegram-боте
Попробуйте сервис онлайн-записи VisitTime на основе вашего собственного Telegram-бота:
— Разгрузит мастера, специалиста или компанию;
— Позволит гибко управлять расписанием и загрузкой;
— Разошлет оповещения о новых услугах или акциях;
— Позволит принять оплату на карту/кошелек/счет;
— Позволит записываться на групповые и персональные посещения;
— Поможет получить от клиента отзывы о визите к вам;
— Включает в себя сервис чаевых.
Для новых пользователей первый месяц бесплатно.
Зарегистрироваться в сервисе
На рисунке 3.1 представлены схемы современных систем возбуждения электромеханических преобразователей. Системы возбуждения показаны применительно к генераторному режиму использования преобразователя и являются инвариантными относительно типа электромеханического преобразователя.
    
Рисунок 3.1 Способы возбуждения электромеханических преобразователей
Как следует из схем, представленных на рисунке 3.1, для создания магнитного поля в электромеханическом преобразователе можно использовать индукторы двух типов. Наиболее распространенным способом возбуждения магнитного поля является способ, связанный с использованием в структуре индуктора системы катушек с током. Этот способ получил название электромагнитного возбуждения. Другой способ связан с включением в структуру индуктора системы предварительно намагниченных постоянных магнитов. Генераторы, в структуре индукторов которых используются постоянные магниты, получили название генераторов с возбуждением от постоянных магнитов (реже – магнитоэлектрических генераторов). При электромагнитном способе возбуждения генератора электропитание его обмотки возбуждения можно осуществить двумя способами. Если для питания обмотки возбуждения генератора используется независимый источник, то способ возбуждения называется независимым, а генератор называется генератором с независимым возбуждением. При совмещении источников питания нагрузки и обмотки возбуждения имеет место система самовозбуждения, а генератор получает название генератора с самовозбуждением.
Влияние способа возбуждения генератора на вид его внешней характеристики показано на рисунке 3.1 применительно к идентичным по мощности генераторам. Наибольшее различие во внешних характеристиках наблюдается у генераторов с электромагнитным возбуждением. При одинаковой мощности генераторов с электромагнитным возбуждением, ток короткого замыкания генератора с независимым возбуждением будет наибольшим током генератора, в то время как ток короткого замыкания генератора с самовозбуждением не превосходит номинального тока генератора. Малая величина тока короткого замыкания в генераторе с самовозбуждением объясняется тем, что в его формировании участвует только ЭДС, определяемая магнитным потоком остаточной намагниченности полюсной системы генератора. При использовании для возбуждения генератора системы постоянных магнитов, остаточная намагниченность полюсов индуктора становится основным источником магнитного поля в магнитной системе генератора. Поэтому внешняя характеристика генератора с возбуждением от постоянных магнитов (по виду) может занимать любое промежуточное положение между внешними характеристиками генераторов с электромагнитным возбуждением.
На рисунке 3.2 двумя фрагментами представлены процесс самовозбуждения генератора с электромагнитным возбуждением и процедура формирования внешней характеристики генератора с самовозбуждением.
Возможность возбуждения магнитного потока в магнитной системе генератора, обмотка возбуждения которого подключена непосредственно на напряжение генератора (через выпрямитель в случае генератора переменного тока) обычно связывают с наличием остаточного магнитного потока, обусловленного использованием в генераторе ферромагнитных материалов. Ферромагнитные материалы, входящие в конструкцию индуктора генератора, хотя и относятся к магнитно-мягким материалам (с малой величиной коэрцитивной силы), способны поддерживать магнитный поток в магнитной системе генератора даже после снятия напряжения с обмотки возбуждения. Применительно к магнитным системам это явление называют остаточной намагниченностью.
Анализ процесса самовозбуждения генератора рассмотрим, опираясь на характеристику холостого хода генератора и постоянное значение сопротивления обмотки возбуждения.
При очередном цикле использования генератора по назначению, если частота вращения вала генератора становится отличной от нуля, в его рабочей обмотке возникает ЭДС, пропорциональная величине магнитного потока остаточной намагниченности и частоте вращения вала. Эта ЭДС на рисунке 3.2 показана как . При величине сопротивления обмотки возбуждения, показанной на рисунке 3.2 линией , в обмотке возбуждения возникнет ток . При МДС обмотки возбуждения произойдет увеличение ЭДС в обмотке якоря до значения по характеристике холостого хода генератора. При , в обмотке возбуждения генератора возникнет ток , что приведет к дальнейшему увеличению ЭДС в рабочей обмотке генератора до значения . Очевидно, что процесс нарастания тока в обмотке возбуждения генератора и пропорционального нарастания ЭДС в рабочей обмотке генератора может закончиться только в точке пересечения линии с характеристикой холостого хода генератора.

Рисунок 3.2. Внешняя характеристика генератора с самовозбуждением
Особенности формирования внешней характеристики генератора с самовозбуждением рассмотрим в предположении, что нам известна внешняя характеристика генератора с независимым, электромагнитным возбуждением. Поскольку форма внешней характеристики генератора с независимым возбуждением не влияет на процедуру построения внешней характеристики генератора с самовозбуждением, представим ее в виде прямой линии, соединяющей точку ЭДС генератора и точку его тока короткого замыкания. При построении внешней характеристики генератора с самовозбуждением будем предполагать, что имеем дело с генератором, схем которого представлена на рисунке 3.2. Особенностью представленного на схеме генератора является возможность (переключением ключа ) изменения способа его возбуждения. Если ключ находится в положении НВ, то имеет место независимое возбуждение генератора с возможностью установки произвольного тока в обмотке возбуждения с помощью реостата . При перемещении ключа в положение СВ получим генератор с системой самовозбуждения. Очевидно, что при выборе ЭДС независимого источника питания в виде , и в режиме независимого возбуждения генератора (при =0), и в режиме самовозбуждения мы получим при .
При определении положения других точек внешней характеристики генератора с самовозбуждением примем в виде аксиомы положение о том, что при равенстве напряжений на обмотке возбуждения и произвольном значении сопротивления нагрузки генератора (кроме сопротивления нагрузки ) режимы работы и генератора с независимым возбуждением, и генератора с самовозбуждением будут идентичными.
С учетом данного замечания и при принятом выше допущении о способе представления внешней характеристики генератора с независимым возбуждением точки внешней характеристики генератора с самовозбуждением можно определить, придерживаясь следующей методики.
Допустим, что в случае самовозбуждения генератора на сопротивлении нагрузки зафиксировано напряжение (рисунок 3.2). Очевидно, что при этом к обмотке возбуждения генератора будет приложено напряжение , и в обмотке будет протекать ток . Воспроизведем это состояние обмотки возбуждения генератора в режиме его независимого возбуждения. Для этого на схеме рисунка 3.2 необходимо переключить ключ в положение НВ и с помощью реостата установить ток в обмотке возбуждения генератора. В режиме независимого возбуждения генератора, при , внешней характеристикой генератора будет прямая линия, соединяющая точки и . Тогда точка 1 в координатах (точка пересечения внешней характеристики генератора независимого возбуждения с линией ) будет определять режим работы генератора при независимо от способа его возбуждения. Другими словами, если не менять положения движка реостата и величины сопротивления , то переключение ключа из положения НВ в положение СВ и наоборот не приведет к изменению режима работы генератора.
Воспроизводя приведенную выше логику, можно построить произвольную точку внешней характеристики генератора с самовозбуждением при и соответственно при . На рисунке 3.2, кроме точки 1, показаны точки внешней характеристики генератора с самовозбуждением, построенные при и .
Соединяя точки , 3, 2, 1, (жирная линия на рисунке 3,2). Получим вид внешней характеристики генератора с самовозбуждением. Отметим, что рассмотренный способ построения внешней характеристики генератора с самовозбуждением не изменится, если для представления внешней характеристики генератора с независимым возбуждением воспользоваться ее реальной моделью, полученной при выполнении лабораторной работы 1.
Вывод, который следует сделать из анализа влияния способа возбуждения генератора на его свойства как источника ЭДС, очевиден. Если при номинальных режимных параметрах по уровню напряжения и величине тока в точке номинальной мощности нас не устраивает генератор с независимым возбуждением как источник ЭДС, то тем очевиднее это положение относится к генератору с самовозбуждением.
Рассмотрим возможность пересмотра этого вывода средствами изменения конструктивных параметров генератора, определяющих величину его внутреннего сопротивления как реального источника ЭДС.
Влияние внутреннего сопротивления генератора на вид его внешней характеристики рассмотрим применительно к синхронному генератору с независимым возбуждением и явно выраженной полюсной системой. Такой подход целесообразен по двум причинам. Первая причина определяется тем, что внешняя характеристика генератора с независимым возбуждением является опорной характеристикой при построении внешней характеристики генератора с самовозбуждением. Вторая причина базируется на наличии в нашем активе модели внешней характеристики генератора с независимым возбуждением, точность работы которой проверена при выполнении исследований по заданию лабораторной работы 1.
Как известно, любой реальный источник ЭДС отличается от идеального наличием внутреннего сопротивления . Если воспринимать внутреннее сопротивление синхронного генератора как параметр, определяющий различие между ЭДС генератора и напряжением на нагрузке, то в соответствии с математической моделью генератора величина внутреннего сопротивления проявляется как функциональная связь между тремя параметрами генератора.
(3.1) Все, указанные в выражении (3.1) параметры – активное сопротивление фазы, полное индуктивное сопротивление по продольной оси и полное индуктивное сопротивление по поперечной оси, зависят от конструктивного исполнения генератора и способа его возбуждения. Если рассматривать указанные параметры в относительных единицах, то можно отметить, что величина является инвариантной относительно способа возбуждения генератора. Различие синхронных генераторов определяется соотношением их реактивностей по продольной и поперечной осям. В технической литературе принято различать:
- синхронные генераторы с не явно выраженными полюсами (турбогенераторы) при и электромагнитном возбуждении,
- синхронные генераторы с явно выраженными полюсами при и электромагнитном возбуждении,
- синхронные генераторы с возбуждением от постоянных магнитов, для которых характерно соотношение .
Оценить влияние различия в величинах реактивностей по продольной и поперечной осям генераторов и их соотношений относительно друг друга на вид внешних характеристик можно с помощью модели внешней характеристики генератора.
Для наглядности последующих выкладок воспользуемся упрощенной моделью внешней характеристики синхронного генератора, которая соответствует автономному режиму работы генератора на активную нагрузку ( ). Будем считать также, что активная составляющая сопротивления фазы генератора пренебрежимо мала ( ). При таких допущениях уравнение внешней характеристики генератора принимает вид
. (3.2) Если преобразовать систему уравнений (3.2) к виду
(3.3) и, пренебрегая величиной активной составляющей сопротивления обмотки якоря , исследовать на наличие экстремума величину напряжения генератора при изменении сопротивления нагрузки, то получим
. (3.4) С учетом монотонного изменения знаменателя дроби (3.4) при и получим уравнение вида
, решая которое относительно величины , получим
. (3.5)
Структура формулы (3.5) показывает, что при внешняя характеристика синхронного генератора в автономном режиме работы на активную нагрузку всегда будет монотонно падающей. Как указывалось выше, такое соотношение реактивностей по продольной и поперечной осям генератора характерно для синхронных генераторов с электромагнитным возбуждением. В синхронном генераторе с возбуждением от постоянных магнитов магнитная проводимость по продольной оси генератора мала, поэтому существование неравенства является вполне реальным явлением. Это обстоятельство открывает возможность разработки источников переменного тока с параметрическим способом стабилизации напряжения. Естественно, что их использование допустимо лишь в автономном режиме работы.
На рисунке 3.3 представлены построенные по уравнениям системы (3.2) внешние характеристики синхронных генераторов. Параметром различия генераторов выбрано соотношение их реактивностей по продольной и поперечной осям. Графики внешних характеристик представлены в относительных единицах, при общепринятых базовых величинах . За основной вариант синхронного генератора принята конструкция с явно выраженными полюсами, для которой, и для промышленных генераторов, и авиационных генераторов, характерными величинами реактивностей являются 

Рисунок 3.3. Внешние характеристики генераторов при
Если, как это сделано при построении графиков на рисунке 3.3, инвариантной точкой для всех генераторов принять точку номинального режима работы ( ), то можно установить, что различие между ЭДС и номинальным напряжением генератора как источника электропитания определяется в основном величиной индуктивного сопротивления по продольной оси. Оценивая теоретические возможности по созданию источника переменного тока с параметрической стабилизацией напряжения в пределах допусковой зоны, можно утверждать, что решение может существовать в рамках явно выраженной полюсной системы генератора. Причем, если при явно выраженных полюсах индуктора будет найден эффективный способ управления величиной магнитного сопротивления, определяющего величину магнитного потока от продольной составляющей МДС реакции якоря. Как видно из графиков, соответствующих соотношению , наилучшие результаты по точности параметрической стабилизации напряжения генератора получаются только положительной величине комплекса под знаком радикала в формуле (3.5). При этом оптимизации подлежит только положение величины сопротивления из формулы (3.5) в диапазоне .
Таким образом, если в синхронном генераторе с явно выраженными полюсами и полюсными наконечниками имеется возможность управлять величиной индуктивного сопротивления по продольной оси, то нет теоретических препятствий для создания на его основе источника ЭДС.
Не останавливаясь на конструктивных способах создания на базе синхронного генератора источника переменного тока, близкого по параметрам к источнику ЭДС, рассмотрим более известный способ решения этой задачи. Способ базируется на изменении структуры источника.
Математическая модель синхронного генератора допускает возможность создания режима источника ЭДС на шинах подключения потребителей за счет изменения величины и коэффициента мощности нагрузки, подключенной непосредственно к генератору.
О степени влияния коэффициента мощности нагрузки на величину и характер внутреннего сопротивления генератора можно судить по графикам, представленным на рисунке 3.4. Графики построены в относительных единицах с использованием математической модели синхронного генератора в виде системы уравнений
. (3.6) Угол фазового сдвига между током и напряжением генератора выбран из расчета получения при смешанной (активно-реактивной) нагрузке генератора. Области смешанных нагрузок генератора на рисунке 3.4 разделены внешней характеристикой, построенной для случая чисто активной нагрузки ( ). Парное ( и ) расположение внешних характеристик представлено для оценки степени влияния активной составляющей сопротивления фазы.
При построении всех графиков, представленных на рисунке 3.4, реактивные сопротивления по продольной и поперечной осям приняты величинами постоянными и равными соответственно и Тогда, при ЭДС , по графикам, можно получить полные сведения о возможности создания источника ЭДС на базе синхронного генератора с явно выраженными полюсами.
Анализ рассматриваемых внешних характеристик показывает, что в синхронном генераторе нельзя добиться естественной стабилизации напряжения ни при одном из фазовых сдвигов из интервала ( ). Однако особенности

Рисунок 3.4. Влияние характера нагрузки на вид внешней характеристики генератора
расположения внешних характеристик относительно номинального уровня напряжения показывают возможность придания генератору свойств источника ЭДС изменением коэффициента мощности нагрузки генератора. На рисунке 3.5 представлено техническое решение этого положения.

Рисунок 3.5. Стабилизированный по напряжению источник питания
Будем считать, что нагрузка, подключаемая на шины распределительного устройства, имеет чисто активный характер. Тогда, без изменения схемы подключения нагрузки к генератору, мы будем иметь дело с внешней характеристикой генератора, представленной на рисунке 3.4. Если, как это показано на рисунке 3.5, между зажимами генератора и точками подключения нагрузки включить конденсаторы постоянной емкости, то относительно нагрузки источник электропитания получит новые свойства. Относительно напряжения на нагрузке ( ) математическую модель внешней характеристики источника переменного тока можно представить в виде системы уравнений
(3.7) Если сравнить системы уравнений (3.2) и (3.7), то можно установить, что источник переменного тока, схема которого представлена на рисунке 3.5, можно рассматривать как эквивалентный синхронный генератор, в котором реактивности вычисляются как эквивалентные параметры
. (3.8) При указанных обстоятельствах источник электропитания, близкий по свойствам к источнику ЭДС можно сформировать или уменьшением знаменателя в уравнении (3.8), или изменением соотношения эквивалентных реактивностей генератора, что отражено на рисунке 3.6.

Рисунок 3.6. Стабилизатор напряжения с конденсатором, включенным
последовательно с сопротивлением нагрузки.
Предпочтительность использования второго способа решения поставленной задачи очевидна, так как при его использовании желаемый эффект достигается установкой конденсаторов меньшей емкости.
В технической литературе рассматривается и структура источника с подключением конденсаторов постоянной емкости параллельно сопротивлению нагрузки. Схема такого источника представлена на рисунке 3.7.

Рисунок 3.7. Источник с конденсаторами постоянной емкости,
включенными параллельно сопротивлениям нагрузки
О возможности приближения свойств подобной структуры источника к свойствам источника ЭДС можно судить, преобразовав сопротивление на зажимах генератора к виду, используемому в математической модели генератора. Если учесть, что результат преобразования параллельно соединенных конденсатора и активного сопротивления к последовательно соединенным, составляющим эквивалентного комплексного сопротивления имеет вид
, , (3.9) то применительно к рассматриваемому случаю математическая модель внешней характеристики генератора примет вид
. (3.10)
Как видно из соотношений, представленных формулами (3.9), при параллельном подключении к нагрузке конденсаторов постоянной емкости емкостная составляющая сопротивления генератора уже не может рассматриваться как параметр в системе уравнений (3.10). Изменение емкостной составляющей ( ) сопротивления нагрузки генератора при изменении сопротивления нагрузки ( ) приводит к существенному увеличению емкости конденсаторов при приемлемой точности стабилизации напряжения источника. Расчеты, выполненные по математической модели, представленной системой уравнений (3.10), проиллюстрированы графиками на рисунке 3.8.

Рисунок 3.8. Стабилизатор напряжения с конденсаторами,
включенными параллельно сопротивлению нагрузки
Из сравнения графиков, представленных на рисунках 3.6 и 3.8 можно сделать вывод, что при одинаковой точности стабилизации напряжения на сопротивлении нагрузки, емкость конденсаторов при их подключении по схеме, представленной на рисунке 3.7. получается почти на порядок большей, чем при использовании конденсаторов по схеме, представленной на рисунке 3.5. Кроме того, из сопоставления величин тока генератора и тока нагрузки (рисунок 3.8) можно сделать вывод, что при параллельном подключении конденсаторов эффект стабилизации получается только за счет наличия в рассматриваемой схеме балластной реактивной нагрузки, сопротивление которой много меньше сопротивления нагрузи. Естественно, этот вывод справедлив для интервала изменения сопротивления нагрузки в виде .
Таким образом, представленный обзор показывает, что математическая модель синхронного генератора не ставит принципиальных препятствий в проблеме создания в рамках конструкции генератора источника питания с параметрической стабилизацией напряжения на нагрузке. При этом, если не удается решить поставленную задачу управлением внутренними параметрами генератора ( ), то более предпочтительным способом добиться желаемого результата будет способ, связанный с введением в структуру источника конденсаторов постоянной емкости. Простота структуры источников с параметрической стабилизацией напряжения и их надежность в эксплуатации являются главными предпосылками их использования в качестве автономных источников питания. В рамках основной модели синхронного генератора и рассмотренных выше ее разновидностей можно оценить (при необходимости) влияние изменения частоты синхронного генератора на параметры используемого в структуре источника конденсатора постоянной емкости.
На рисунке 3.9, применительно к генератору с параметрами в относительных единицах , представлены графики изменения напряжения на нагрузке для двух способов включения конденсаторов постоянной емкости в структуру источника. Графики даны для трех опорных точек по частоте переменного тока – номинальной частоты и для двух граничных частот из допускового диапазона и .

Рисунок 3.9. Влияние изменения частоты генератора переменного тока на
уровень напряжения на нагрузке
Анализ графиков, представленных на рисунке 3.9, показывает, что при невысоких требованиях к стабильности напряжения на нагрузке нет технических препятствий для создания источника переменного тока с параметрической стабилизацией напряжения. Причем, параметрическая стабилизация напряжения источника может быть достигнута или средствами управления величиной внутреннего сопротивления генератора, или средствами управления коэффициентом мощности нагрузки генератора.
Возможность технического использования источника переменного тока с параметрической стабилизацией напряжения должна базироваться на сравнении его технических и эксплуатационных характеристик с функционально однотипными источниками. Альтернативным источником в рассматриваемом случае является синхронный генератор с управляемым магнитным потоком. Принцип создания источника переменного тока на базе синхронного генератора с управляемым магнитным потоком показан на рисунке 3.10 применительно к генератору с независимым электромагнитным возбуждением.

Рисунок 3.10. Источник с управляемым магнитным потоком
Как следует из построений, представленных на рисунке 3.10, если при произвольном сопротивлении нагрузки подбирать ЭДС холостого хода генератора ( ) так, чтобы точка пересечения внешней характеристики генератора с линией нагрузке приходилась на номинальное напряжение, то при генератор переменного тока будет обладать свойствами источника ЭДС. Если учесть, что ЭДС, наведенная в рабочей обмотке генератора равна , а частота вращения вала генератора или остается постоянной, или жестко задается режимом работы привода, то следует признать, что управление величиной ЭДС возможно исключительно средствами изменения магнитного потока. Этот вывод позволяет считать универсальной регулировочной характеристикой генератора (характеристикой, не зависящей от способа возбуждения генератора) функциональную связь величины магнитного потока с током нагрузки генератора.

Рисунок 3.11. Универсальная регулировочная характеристика генератора
На рисунке 3.11 представлено семейство универсальных, регулировочных характеристик синхронного генератора применительно к наиболее распространенному случаю работы генератора на активно-индуктивную нагрузку.
Графики, представленные на рисунке 3.11, позволяют сделать два важных вывода относительно возможности создания источника переменного тока на базе синхронного генератора с управляемым магнитным потоком:
- во-первых, при проектировании подобного генератора должна быть предусмотрена как возможность изменения магнитного потока, так и необходимая глубина (кратность) его изменения;
- во-вторых, в конструкции генератора должно быть предусмотрено устройство управления магнитным потоком, технически реализующим требуемый вид регулировочной характеристики.
На рисунке 3.12 представлена развертка магнитной системы явнополюсного синхронного генератора и схема замещения, наиболее часто используемая для расчета параметров генератора. Степень дискретности представления участков магнитной цепи генератора, определяемая магнитными сопротивлениями , , , , , как правило бывает достаточной для выполнения проектных расчетов.
В классическом варианте исполнения синхронного генератора, с секционированной или кольцевой обмоткой возбуждения, управление магнитным потоком, сцепленным с рабочей обмоткой генератора, производится изменением МДС обмотки возбуждения.

Рисунок 3.12. Развертка магнитной системы генератора
Если в синхронном генераторе для создания магнитного потока используются постоянные магниты, то устройство управления магнитным потоком, сцепленным с рабочей обмоткой, может иметь два варианта исполнения. Первый вариант реализуется в виде дополнительной, кольцевой обмотки, охватывающей спинку сердечника якоря. Эта обмотка называется обмоткой подмагничивания спинки якоря, а ее свойства подобно были исследованы при выполнении лабораторной работы 1. Второй вариант устройства управления магнитным потоком реализуется в виде управляемого магнитного шунта. Конструктивно, управляемый магнитный шунт выполняется в виде магнитной системы с обмоткой. Магнитный шунт располагается вблизи полюсных наконечников (с зазором), что приводит к появлению в магнитной системе индуктора дополнительного потока рассеяния . Если управлять величиной магнитного потока путем изменения МДС , то при правильном согласовании МДС и можно получить требуемый закон изменения полезного магнитного потока.
На рисунке 3.13 представлены регулировочные характеристики синхронных генераторов с различными системами управления магнитным потоком.

Рисунок 3.13. Регулировочные характеристики генераторов
Если при проектировании генератора обеспечена требуемая кратность изменения рабочей составляющей магнитного потока, то последующая задача, связанная со стабилизацией напряжения на нагрузке решается с помощью регулятора напряжения. Схемотехнически, большинство современных регуляторов напряжения выполняется по типовой структуре, представленной на рисунке 3.14.

Рисунок 3.14. Обобщенная структура регулятора напряжения
Устройство управления магнитным потоком генератора в структурной схеме регулятора представлено обмоткой управления ОУГ. Требуемый закон изменения тока в обмотке управления ОУГ (реализацию регулировочной характеристики) обеспечивает силовой ключ VT. При постоянной величине напряжения Uу, изменение тока в обмотке управления (в соответствии с регулировочной характеристикой) производится изменением относительного времени открытого состояния силового ключа VT. Статическая характеристика регулятора напряжения формируется за счет согласования параметров измерительного органа ИО и компаратора, состоящего из генератора пилообразного напряжения ГПН и операционного усилителя ОУ. Согласующее устройство СУ усиливает (при необходимости) выходной сигнал операционного усилителя и обеспечивает требуемую логику работы силового ключа. Функциональный преобразователь ФПР служит для приведения регулируемого напряжения к виду, удобному для использования на входе измерительного органа. При широтно-импульсном принципе регулирования напряжения блок РУ выполняет функцию рекуператора электроэнергии. Схема корректирующего устройства КУ определяется требованиями по динамическим характеристикам регулятора и иго устойчивости. Опорное напряжение Uоп, относительно которого оценивается отклонение текущего значения напряжения генератора, формируется или то специального источника, или настройкой измерительного органа.
Исторически и по своим функциональным свойствам, все разновидности современных самолетных регуляторов напряжения опираются на единый прототип. Таким прототипом для современных регуляторов является простейший вибрационный регулятор
напряжения, который долгое время использовался на самолетах с ограниченной мощностью первичных источников постоянного тока. Схема вибрационного регулятора напряжения представлена на рисунке 3.15.

Рисунок 3.15. Вибрационный регулятор напряжения
Конструктивно, вибрационный регулятор напряжения является электромагнитным реле с парой нормально замкнутых контактов. При наличии тока в обмотке , расположенной на полюсе электромагнита, на подвижный, ферромагнитный якорь будет действовать электромагнитная сила, величина которой равна
. (3.11) В предположении, что магнитная система электромагнита остается линейной в пределах изменения существующего в ней магнитного потока, формулу (3.11) можно представить в виде
. (3.12) Уравнение (3.12) показывает, что для электромагнита всегда можно построить семейство характеристик , различающихся величиной параметра . Две характеристики из названного семейства представлены на рисунке 3.15. Из конструкции электромагнита можно установить, что состояние его контактной пары (замкнутое или разомкнутое) зависит от текущего соотношения между электромагнитной силой и механической силой возвратной пружины. Учтем, что при постоянном коэффициенте упругости возвратной пружины, ее механическая характеристика остается линейной. В этом случае можно установить, что момент срабатывания реле будет соответствовать минимальному усилию пружины, а момент отпускания реле (момент возврата реле в исходное состояние) – максимальному усилию пружины. Настройка вибрационного регулятора напряжения состоит в согласовании взаимного расположения механической характеристики возвратной пружины и характеристики электромагнитной силы в пределах интервала изменения рабочего зазора межу якорем и полюсом электромагнита. Настроим электромагнит вибрационного регулятора на ток срабатывания и ток отпускания в соответствии с уравнениями
, . (3.13) Тогда, в пределах изменения рабочего зазора реле и при соблюдении равенств и , взаимное расположение механической характеристики пружины и характеристик электромагнитных сил будет соответствовать графикам, представленным на рисунке 3.15.
При нулевом значении тока в обмотке электромагнита, его контакты находятся в замкнутом состоянии, а усилие возвратной пружины будет минимальным (точка 1). Если ток в обмотке электромагнита сделать равным ( ), что эквивалентно равенству вида , якорь электромагнита начнет двигаться в направлении полюса электромагнита. При постоянном значении тока в обмотке электромагнита движение якоря будет ускоренным. Это можно установить из сравнения взаимного расположения силы пружины и электромагнитной силы на участке перемещения якоря от точки до точки . В точке 2 ( ) движение якоря прекратится, а контактное давление будет обеспечено избытком электромагнитной силы над силой пружины. Для возврата якоря электромагнита в исходное состояние (в точку 1) необходимо уменьшить величину тока в обмотке . Установим ток в обмотке электромагнита равным ( ), что эквивалентно равенству вида . В этом режиме питания обмотки якорь электромагнита начнет перемещаться в направлении своего исходного состояния. Возврат якоря в исходное состояние также будет ускоренным, что следует из сравнения взаимного расположения силы пружины и электромагнитной силы на участке перемещения якоря от точки до точки . Если величина тока в обмотке электромагнита не выходит из интервала ( ;0), то якорь электромагнита будет находиться в исходном состоянии.
Применим полученные сведения о свойствах вибрационного регулятора к анализу величины и формы напряжения на нагрузке при воздействии на генератор возмущающих факторов, предусмотренных нормальным процессом его эксплуатации. При этом будем считать, что в вибрационном регуляторе приняты меры по стабилизации величины сопротивления обмотки электромагнита. Только в этом случае две пары величин и можно рассматривать как эквивалентные друг другу величины.
На рисунке 3.16 представлены две характеристики, показывающие характер изменения ЭДС генератора от частоты вращения его вала. Первая из характеристик получена при сопротивлении цепи возбуждения генератора, равном (при принудительном удерживании контактной пары реле в замкнутом состоянии). Вторая – при сопротивлении цепи возбуждения, равном (при принудительном удерживании контактной пары реле в разомкнутом состоянии). Если схема взаимодействия вибрационного регулятора напряжения с генератором соответствует рисунку 3.15, то при частоте вращении вала контакты реле будут находиться в замкнутом состоянии, а при частоте вращения вала - в разомкнутом. При любой иной частоте вращения вала, не выходящей за пределы интервала , якорь электромагнитного реле не будет иметь устойчивого состояния по пространственной координате в рабочем зазоре. Рассмотрим для примера состояние системы «генератор – регулятор» в режиме работы, соответствующей частоте вращения вала (рисунок 3.16). Нас будет интересовать величина напряжения генератора.

Рисунок 3.16. Величина и форма напряжения на нагрузке
Если электромагнитные процессы в реле регулятора и в генераторе рассматривать как мгновенные, то величина напряжения генератора будет неопределенной, так как единовременно может соответствовать любому значению напряжения из интервала . В реальных условиях (при конечной инерционности электромагнитных процессов в электромагните и генераторе) неопределенность в величине напряжения генератора снимается. В дальнейшем будем предполагать, что электромагнит является безинерционным элементом системы регулирования (идеальным ключом), а инерционность свойственна только электромагнитным процессам в генераторе. Предположим, что в некоторый момент времени ЭДС генератора равна и последовательно с обмоткой возбуждения генератора мгновенно подключается добавочное сопротивление . В силу конечной индуктивности обмотки возбуждения, напряжение не может мгновенно снизиться до величины , следовательно, начнется процесс постепенного снижения напряжения генератора в соответствии с увеличившимся сопротивлением его цепи возбуждения. Поскольку предельным значением уменьшающегося во времени напряжения генератора следует признать величину ЭДС , то, по истечении временного интервала (рисунок 3.16, ), при величине напряжения , электромагнитное реле мгновенно вернется в исходное состояние. Это значит, что мгновенно будет зашунтировано добавочное сопротивление в цепи возбуждения генератора, и процесс снижения напряжения генератора прекратится. С порога напряжения, равного , начнется процесс повышения напряжения генератора. Процесс повышения напряжения будет существовать на отрезе времени , если выполняется неравенство вида . При повышении напряжения генератора до уровня контакты электромагнитного реле разомкнутся, и добавочное сопротивление окажется вновь включенным последовательно с обмоткой возбуждения. Рассмотренный процесс изменения мгновенного напряжения генератора в интервале будет периодическим с периодом, равным .
Таким образом, если при постоянной частоте вращения вала генератора между параметрами генератора и электромагнитного реле существует соотношение вида
, (3.14) то к устойчивому показателю данного режима работы следует отнести частоту вибрации якоря электромагнита с периодом .
Постоянство частоты вибрации якоря электромагнитного реле, наблюдаемое при постоянной частоте вращения вала генератора, не сохраняется при изменении скоростного режима работы генератора. Это связано со свойством экспоненциального закона изменения тока в обмотке возбуждения генератора. Как известно, модуль скорости изменения во времени экспоненциального процесса уменьшается при его приближении к асимптоте. В вибрационном регуляторе увеличивается время нарастания тока (время увеличения мгновенного напряжения генератора) вблизи минимальной частоты вращения вала, при которой сближаются значения напряжения и ЭДС генератора. Вблизи максимальной частоты вращения вала генератора будет увеличиваться время спадания тока в обмотке возбуждения генератора (время спадания напряжения генератора) из-за сближения значений напряжения и ЭДС генератора. Отмеченные особенности в изменении частоты вибрации якоря электромагнита при частотах и показаны на графиках рисунка 3.16. На том же рисунке показана (качественно, в интервале частот ) закономерность изменения периода пульсации напряжения на зажимах генератора.
Применительно к электромеханическому источнику электроэнергии, работающему при переменной частоте вращения вала привода, принято выделять частоту из интервала частот ( ). Частота называется минимальной частотой отдачи генератором расчетной (номинальной, максимальной) мощности. В координатах ( ) положение частоты можно определить, построив график при расчетном (номинальном, минимальном) сопротивлении нагрузки генератора . Частота делит частотный диапазон работы генератора на две зоны. В интервале частот осуществим любой из нагрузочных режимов работы генератора, от режима холостого хода ( ) до режима максимальной нагрузки ( ). В интервале частот могут происходить сбои в работе регулятора напряжения из-за несоответствия друг другу частоты вращения вала генератора и подключенного на зажимы генератора сопротивления нагрузки.
Если рассматривать только частотный диапазон устойчивой работы системы «генератор – регулятор», то с учетом формул (3.13) получим
,
,
. (3.15) Формула (3.15) показывает, что в диапазоне частот устойчивого взаимодействия генератора с регулятором напряжение на нагрузке генератора не зависит от возмущений и остается постоянным. Естественно, справедливость этого вывода определяется величиной ошибки, возникающей от замены участков экспонент в форме мгновенного напряжения генератора прямыми линиями.
Не останавливаясь на особенностях способов улучшения рабочих характеристик вибрационного регулятора напряжения, представленных на рисунке 3.15 схемами регуляторов с ускоряющим сопротивлением и с комбинацией ускоряющего и выравнивающего сопротивлений, обратим внимание только на следующие, принципиальные его особенности:
- по принципу действия, вибрационный регулятор опирается на широтно-импульсный способ регулирования напряжения, который является наиболее распространенным принципом действия наиболее совершенных современных регуляторов, в том числе и регуляторов напряжения;
- в вибрационном регуляторе, в чрезвычайно простом техническом варианте, реализован астатический принцип регулирования напряжения.
Последующие поколения регуляторов напряжения, фактически, развивались по пути преодоления недостатков вибрационного регулятора, которые проявились в виде:
- ограничения на степень сближения характеристик электромагнитных сил и , а также жесткости возвратной пружины, связанного с обеспечением условий гашения электрической дуги при разрыве контактной пары и исключением дребезга контактов в момент их возврата в исходное состояние;
- ограничения на величину тока возбуждения генератора ( ), связанного с необходимостью обеспечения нормального теплового режима контактной пары при приемлемых ее габаритных размерах;
- переменного периода пульсаций напряжения на нагрузке генератора;
- наличие подвижных элементов;
- недостаточной стабильности рабочих характеристик регулятора, вызванных механическим износом поверхностей контактной пары, изменением коэффициента упругости возвратной пружины, износом контактных поверхностей якоря и магнитопровода.
Первым удачным техническим решением, связанным с преодолением недостатков вибрационного регулятора, следует считать запуск в эксплуатацию угольного регулятора
напряжения. Этот тип регулятора по настоящее время является основным типом регулятора напряжения в системах электроснабжения постоянного тока. Как и вибрационном регуляторе напряжения, основным структурным элементом угольного регулятора является электромагнитное реле. Но в отличие от двух устойчивых положений якоря электромагнита, используемых в вибрационном регуляторе для реализации его рабочих свойств, рабочий процесс угольного регулятора основан на использовании всего диапазона перемещения якоря электромагнита.
Основные элементы конструкции угольного регулятора напряжения, диаграмма силового взаимодействия его элементов и схема взаимодействия регулятора с генератором постоянного тока представлены на рисунке 3.17.

Рисунок 3.17. Конструкция угольного регулятора и схема его включения
Принцип, положенный в основу стабилизации положения якоря электромагнита в произвольной точке рабочего зазора показан на рисунке 3.17, а). Допустим, как это показано на рисунке, возвратная пружина электромагнита выполнена с изменяющимся коэффициентом упругости, и на каждом из участков изменения рабочего зазора ( например, на участке АВ) существует общая точка (например, точка С) для характеристики электромагнитной силы и силы пружины. Свяжем перемещение ползунка реостата и величину напряжения на обмотке электромагнита с перемещением якоря в рабочем зазоре. Тогда, если в точке С согласовать положение движка реостата с величиной напряжения , при котором снималась зависимость , то будут созданы условия или для стабилизации положения якоря в точке С, или вблизи точки С. Для подтверждения этого положения рассмотрим ход рабочего процесса в электромагните с момента подключения реостата к источнику . В момент подключения величина рабочего зазора максимальна, и на обмотку электромагнита подано напряжение . Так как при указанных обстоятельствах сила электромагните превышает силу возвратной пружины, то якорь начнет перемещение в сторону полюса электромагнита, и, одновременно, в процессе перемещения якоря, будет снижаться напряжение, приложенное к обмотке электромагнита. По мере перемещения якоря к точке С ускорение его движения будет уменьшаться и в точке С примет нулевое значение. Дальнейшее состояние якоря электромагнита будет зависеть от его механической инерционности. При малой инерционности якоря процесс его движения прекратится в точке С. При повышенной инерционности якоря процесс его перемещения может прекратиться в любой из точек на участке СВ характеристики возвратной пружины. Точка В является предельным положением якоря электромагнита применительно к рассматриваемому процессу, так как излом характеристики возвратной пружины в точке В приводит к перемене знака ускорения, действующего на якорь.
Таким образом, за счет использования обратной связи по напряжению, подаваемому на обмотку электромагнита можно добиться стабилизации положения якоря электромагнита в произвольной точке рабочего зазора. Применительно к схеме, представленной на рисунке 3.17, а), каждая из выбранных точек равновесия требует предварительного согласования по положению ползунка реостата и соответствию характеристики электромагнитной силы напряжению, которое подается на обмотку электромагнита.
В угольном регуляторе напряжения функцию реостата выполняет переменное сопротивление, включенное последовательно с обмоткой возбуждения генератора. Переменное сопротивление выполнено в виде набора (столба) угольных шайб. Установлено, сопротивление «угольного столба» зависит от его геометрических размеров (размеров единичной угольной шайбы и числа шайб в угольном столбе) и степени сжатия шайб между собой в общей конструкции угольного столба. Из конструкции угольного регулятора, представленной на рисунке 3.17, видно, что его основным структурным элементом является электромагнит. Электромагнит имеет броневое исполнение (на рисунке 3.17 показаны основные элементы конструкции электромагнита: магнитопровод, полюс, дисковый якорь, обмотка и возвратная пружина). На магнитопроводе электромагнита жестко закреплен радиатор с внутренней цилиндрической полостью. Набранный из угольных шайб угольный столб располагается внутри цилиндрической полости радиатора и изолирован от поверхности радиатора. Изолятором обычно служит цилиндрическая, полая, пластмассовая втулка (на рисунке не показана). Нижняя и верхняя угольные шайбы армированы металлическими, контактными шайбами, одна из которых имеет электрический контакт с обмоткой возбуждения, другая – с плюсовым зажимом генератора. Настройка регулятора производится с помощью двух регулировочных винтов, один из которых (нижний на рисунке 3.17) совмещен с полюсом электромагнита. Конструкция угольного регулятора обеспечивает его работоспособность при любом его пространственном положении.
Как следует из схемы объединения генератора с угольным регулятором, стабилизация положения якоря электромагнита в произвольной точке рабочего зазора (степень сдавливания угольного столба) обеспечивается наличием обратной связи между положением якоря и напряжением генератора (напряжением, приложенным к обмотке электромагнита). Преимущество подобного способа организации обратной связи состоит в том, что при таком способе ее организации открывается возможность стабилизации положения якоря в произвольной точке рабочего зазора при стационарном положении характеристики электромагнитной силы.
Рабочий диапазон изменения сопротивления угольного столба определяют два предельных положения якоря электромагнита. При нулевом значении тока в обмотке электромагнита (максимальная величина рабочего зазор) угольный столб сжат возвратной пружиной и его сопротивление будет минимальным. В этом положении якоря усилие пружины уравновешивается силой реакции угольного столба . Если в обмотку электромагнита подать ток, величина которого достаточна для выполнения соотношения , то величина рабочего зазора в электромагните станет минимальной. Обычно минимальная величина рабочего зазора ограничивается немагнитной прокладкой, наличие которой исключает явление «залипания якоря» при работе электромагнита. При минимальном зазоре угольный столб растянут, и величина его сопротивления будет иметь максимальное значение. При анализе стационарного состояния якоря электромагнита в любом промежуточном положении ( ) кроме электромагнитной силы и силы возвратной пружины необходимо учитывать силу реакции угольного столба ( ). Направление сил, действующих на якорь электромагнита, показано на рисунке 3.17, б). Обычно силу возвратной пружины и силу реакции угольного столба с учетом их взаимной направленности заменяют силой , величина которой определяется уравнением . Силу называют механической силой электромагнита.
Таким образом, в соответствии с рисунком 3.17, статическое положение якоря в произвольной точке ( ) рабочего зазора электромагнита определяется равенством двух сил, действующих на якорь – электромагнитной силы и силы механической.
Для обеспечения требуемых свойств системы «генератор – угольный регулятор напряжения» подбирают характеристику возвратной пружины так, чтобы было обеспечено совпадения электромагнитной силы и силы механической на определенном интервале ( ) изменения рабочего зазора. Технически, эта возможность реализуется в виде особой конструкции возвратной пружины. При нелинейном характере изменения электромагнитной силы ее совпадение с силой механической возможно только при нелинейности коэффициента упругости возвратной пружины. Эта нелинейность коэффициента упругости возвратной пружины получена за счет ее особой конструкции. Возвратная пружина в угольном регуляторе выполняется в виде системы упругих металлических лепестков, которые последовательно вступают в работу при изменении величины рабочего зазора. Если в интервале изменения рабочего зазора достигнуто равенство электромагнитной и механической сил, то при стабилизированной величине сопротивления обмотки электромагнита открывается возможность изменения величины сопротивления угольного столба при постоянном значении напряжения генератора. Это означает, что в интервале изменения рабочего зазора угольный регулятор будет регулятором астатическим.
На рисунке 3.18 представлены скоростные характеристики генератора постоянного тока, работающего в комплекте с угольным регулятором напряжения, на полюсе которого расположена единственная (основная) обмотка.
Для сравнения эффективности использования угольного регулятора напряжения скоростные характеристики генератора представлены для двух режимов взаимодействия регулятора с генератором. Графики 1 и 2 соответствуют режиму работы генератора при отключенной обмотке электромагнита. В этом режиме, независимо от частоты вращения вала генератора и его нагрузки, угольный столб регулятора будет находиться в сжатом состоянии, а сопротивление угольного столба будет минимальным. График 1 соответствует режиму холостого хода генератора, график 2 показывает взаимосвязь между напряжением генератора и частотой вращения его вала при постоянном сопротивлении нагрузки , подключенной на зажимы генератора.
В нормальном режиме использования регулятора напряжения по основной обмотке его электромагнита протекает ток, величина которого пропорциональна напряжению генератора. Следовательно, при любой частоте вращения вала генератора , на якорь электромагнита, кроме силы пружины и силы реакции угольного столба, будет воздействовать и электромагнитная сила, созданная МДС обмотки электромагнита. Поскольку электромагнитная сила стремится уменьшить величину рабочего зазора, то скоростные характеристики генератора, соответствующие рассматриваемому режиму использования угольного регулятора, будут располагаться ниже ранее полученных характеристик 1 и 2. Это произойдет из-за увеличения сопротивления цепи возбуждения генератора, равного . Новые скоростные характеристики генератора представлены на рисунке графиками 3 и 4.

Рисунок 3.18. Скоростные характеристики генератора
Из графиков, представленных на рисунке 3.18 можно сделать вывод, что протяженность зоны ( ), в которой на нагрузке генератора поддерживается номинальный уровень напряжения, зависит от величины нагрузки генератора. В режиме холостого хода эта зона имеет максимальную протяженность, при максимальной нагрузке генератора – минимальную. В скоростном диапазоне напряжение генератора остается постоянным и равным номинальному значению независимо от скорости вращения вала генератора и величины нагрузки, подключенной на его зажимы. Для обеспечения названных свойств источника электроэнергии необходимо, чтобы конструкция угольного столба допускала изменение его сопротивления в интервале .
Полная схема угольного регулятора, позволяющая реализовать его положительные свойства в реальных условиях эксплуатации, представлена на рисунке 3.19.
Как было установлено при анализе схемы угольного регулятора с единственной обмоткой на полюсе электромагнита, его положительные свойства проявляются только в том случае, если приняты меры по выполнению равенства
. (3.16) Из содержания формулы (3.16) можно установить, что основным, дестабилизирующим уровень регулируемого напряжения фактором, является изменение температуры, свойственное области эксплуатации угольного регулятора. В регуляторе напряжения, схема которого представлена на рисунке 3.19, задача по стабилизации зависящей от напряжения генератора МДС решается введением заменой единственной обмотки эквивалентной электрической системой, состоящей из двух обмоток и сопротивления. Если, по направлению МДС, основную обмотку регулятора и обмотку температурной компенсации включить встречно и последовательно с сопротивлением основной
обмотки включить сопротивление с нулевым температурным коэффициентом, то можно вычислить величину эквивалентной МДС электромагнита в виде

Рисунок 3.19 Техническая схема источника постоянного тока
с угольным регулятором напряжения
. (3.17)
Формула (3.17) показывает, что с помощью рассмотренного способа не удается достигнуть полной компенсации температурного дестабилизирующего фактора на уровень регулируемого напряжения. Его техническое использование можно рассматривать как компромиссное решение по достижению приемлемости степени ухода регулируемого напряжения из-за изменения температуры окружающей среды и массы регулятора напряжения.
Вторым схемным решением, улучшающим скоростную характеристику генератора, является введение в техническую схему угольного регулятора (рисунок 3.19) выравнивающей обмотки . При правильном подборе сопротивлений резисторов и , разрешенное направление тока, протекающего по выравнивающей обмотке, сохраняется только при малой частоте вращения вала и большой нагрузке генератора (при малом сопротивлении угольного столба). При встречном (как это видно их схемы, представленной на рисунке 3.19) направлении взаимодействия МДС выравнивающей обмотки и эквивалентной МДС получается задержка в перемещении якоря электромагнита в рабочем зазоре. Если, с помощью диода , ограничить зону активного использования обмотки диапазоном малых частот вращения вала , то скоростная характеристика генератора займет новое положение. Новое положение скоростных характеристик генератора, при наличии в схеме угольного регулятора напряжения выравнивающей обмотки, показано на рисунке 3.19 графиками 5 (для режима холостого хода) и 6 (для режима работы генератора с расчетной нагрузкой). Этот способ коррекции скоростной характеристики генератора позволяет уменьшить частоту вращения вала , при которой генератор способен отдать расчетную мощность.
Для улучшения динамических свойств угольного регулятора в его технической схеме предусмотрены два стабилизирующих устройства – стабилизирующее сопротивление и стабилизирующий трансформатор . С помощью сопротивления в угольном регуляторе реализована жесткая, отрицательная обратная связь, которая препятствует развитию интенсивных переходных процессов при коммутации значительных нагрузок на высоких частотах вращения вала генератора. Стабилизирующий эффект жесткой, отрицательной обратной связи проявляется в виде перераспределения тока узла между основной обмоткой регулятора и обмоткой возбуждения генератора. Поскольку использование жесткой обратной связи всегда сопровождается появлением статизма в характеристике объекта регулирования (в данном случае – появлением статизма в скоростной характеристике генератора), то ее следует отключать в рабочих режимах, в которых она не является достаточно эффективной. На низких частотах вращения вала и при больших нагрузках генератора (при малом сопротивлении угольного столба) устойчивость переходных процессов обеспечивается устройством гибкой обратной связи. Это устройство выполнено в виде трансформатора . Первичная обмотка трансформатора гибкой обратной связи включается параллельно обмотке возбуждения генератора, а вторичная обмотка – последовательно с основной обмоткой электромагнита. При согласовании полярности обмоток трансформатора с направлениями токов в обмотке возбуждения и основной обмотке регулятора, производная изменения тока возбуждения генератора всегда, через наведенную во вторичной обмотке ЭДС будет препятствовать изменению тока в основной обмотке регулятора.
Преодолевая недостатки вибрационного регулятора напряжения, проявляющиеся в виде пульсации напряжения на нагрузке и ограниченности величины тока возбуждения генератора, угольный регулятор уступает вибрационному регулятору в быстродействии. Этот недостаток угольного регулятора связан со значительной массой якоря его электромагнита. Дальнейший процесс совершенствования схем регуляторов напряжения шел по пути отказа от использования в регуляторе подвижных узлов и опорой на перспективную элементную базу.
Первым серийным регулятором напряжения, не содержащим подвижных узлов и предназначенным для использования в комплекте с мощными генераторами переменного тока, следует признать регулятор с силовым узлом в виде магнитного усилителя
.
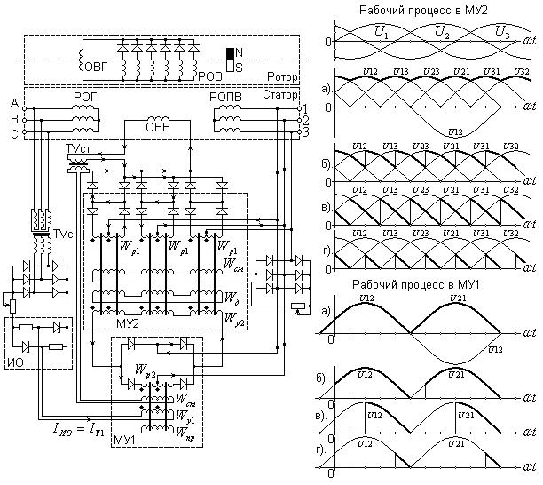
Схема регулятора напряжения, основанная на использовании магнитных усилителей, и алгоритм его взаимодействия с трехкаскадным, бесконтактным генератором переменного тока представлена на рисунке 3.20.
В регуляторе напряжения, схема которого представлена на рисунке 3.20, изменена не только элементная база, но и схемное исполнение его структурных узлов.
Текущее режимное состояние генератор фиксируется в виде электрического сигнала измерительного органа (ИО), выполненного в виде четырехплечевой мостовой схемы. На одну диагональ моста подается регулируемое напряжение генератора, с другой диагонали моста снимается сигнал, пропорциональный величине текущего значения напряжения генератора. Как правило, в качестве рабочего сигнала измерительного органа регулятора напряжения используется электрический сигнал, полярность которого показана направлением тока измерительного органа .
Усилитель регулятора напряжения выполнен в виде каскадного соединения двух магнитных усилителей с самонасыщением МУ1 и МУ2.
Первый каскад усилителя (МУ1) выполнен однофазным (аналог усилителя, известного по лабораторной работе 2), с выходом на постоянном токе. Такие усилители, при показанном на рисунке 3.20 способе питания секций рабочей обмотки, называются быстродействующими. В быстродействующем магнитном усилителе рабочий и управляющий полупериоды в процессе перемагничивания их сердечников являются независимыми. Нарушение режима быстродействия такого усилителя проявляется в виде отставания по фазе тока в секции рабочей обмотки усилителя от напряжения питания, что происходит при активно-индуктивном характере нагрузки. Сохранить режим быстродействия усилителя при наличии конечной индуктивности обмотки управления позволяет мостовая схема выпрямителя. Из схемы МУ1, можно установить, что пара диодов, шунтирующих сопротивление нагрузки (сопротивление обмотки ) магнитного усилителя, обеспечивает циркуляцию тока нагрузки за пределами каждой секции рабочей обмотки к концу рабочего полупериода его напряжения питания.

Рисунок 03.20. Регулятор напряжения на магнитных усилителях
Особенности формирования напряжения на нагрузочном сопротивлении магнитного усилителя МУ1 (на обмотке управления магнитного усилителя МУ2) представлены на рисунке 3.20 диаграммами а), б), в), г). В стационарном режиме работы усилителя, при нулевом значении тока в обмотке управления , оба сердечника усилителя насыщены и к обмотке управления приложено напряжение, соответствующее диаграмме а). На схеме магнитного усилителя МУ1 направление тока в нагрузке и в секции рабочей обмотки показано применительно к положительной полуволне напряжения питания. При увеличении модуля тока в обмотке управления каждая полуволна напряжения питания магнитного усилителя моментом насыщения сердечников будет разделена на две составляющие. Вольт-секундная площадь первой составляющей полуволны напряжения питания соответствует приращению магнитного потока (индукции) в сердечнике от значения, определяемого МДС обмотки управления, до значения магнитного потока (индукции), определяемого насыщенным состоянием сердечника. На этом интервале времени индуктивное сопротивление секции рабочей обмотки магнитного усилителя велико (равно бесконечности при прямоугольной форме петли гистерезиса), и напряжение питания полностью приложении к секции рабочей обмотки. По достижении точки насыщения сердечника, индуктивное сопротивление секции рабочей обмотки резко уменьшается (становится равным нулю при прямоугольной петле гистерезиса), и напряжение питания будет приложено к нагрузочному сопротивлению усилителя. Диаграммы б), в), г) на рисунке 3.20 показывают деформацию формы напряжения на нагрузке МУ1 при дискретном увеличении модуля тока в обмотке управления .
В структуре трехфазного магнитного усилителя МУ2 задействованы три однотипных магнитных усилителя (аналога магнитному усилителю МУ1). К общим точкам секций рабочих обмоток этих усилителей подведено напряжение фаз трехфазного источника питания, а их обмотки управления соединены последовательно и являются нагрузочным сопротивлением для магнитного усилителя МУ1. Контур тока в секциях рабочих обмоток МУ2 и его нагрузочном сопротивлении (в обмотке возбуждения возбудителя), применительно к интервалу изменения напряжения трехфазного источника питания, показан на рисунке 3.20 стрелками.
При нулевом значении тока в обмотке управления трехфазного магнитного усилителя МУ2 к его нагрузочному сопротивлению будет приложено максимальное напряжение, определяемое мостовой трехфазной схемой выпрямителя. Это положение вытекает из принципа действия магнитного усилителя с самонасыщением. В стационарном режиме работы и нулевом токе в обмотке управления все сердечники трехфазного магнитного усилителя находятся в насыщенном состоянии и при оценке формы и величины напряжения, приложенного к нагрузке такого усилителя, индуктивным сопротивлением секций рабочих обмоток можно пренебречь. Этот режим работы магнитного усилителя МУ2 отличается от подобного режима магнитного усилителя МУ1 лишь тем, что каждая полуволна линейного напряжения трехфазного источника питания приложена к двум, последовательно соединенным, секциям рабочих обмоток. Поэтому величина ее вольт-секундной площади должна быть достаточной для перевода в насыщенное состояние пары сердечников. В этом можно убедиться при обходе контура тока, показанного стрелками на рисунке 3.20. На диаграммах, отражающих возможные режимные состояния магнитного усилителя МУ2, состояние насыщения всех сердечников магнитного усилителя показано диаграммой а).
При дискретном увеличении модуля тока в обмотке управления форма (средняя величина) напряжения на нагрузочном сопротивлении МУ2 будет изменяться, что отражено на диаграммах рабочего процесса в усилителе, представленных на рисунке 3.20. Следует отметить, что в трехфазном магнитном усилителе с самонасыщением стабильность магнитного состояния сердечников к началу рабочего полупериода питания секции его рабочей обмотки происходит за три цикла на периоде изменения напряжения источника питания. В однофазном магнитном усилителе с самонасыщением возврат магнитного состояния сердечника в расчетную точку обеспечивается полуволной напряжения питания, следующей за рабочей полуволной за счет трансформаторной связи рабочей обмотки и обмотки управления. В трехфазном магнитном усилителе эта операция (возврат магнитного состояния сердечника в расчетную точку) выполняется на интервале поступления на секцию рабочей обмотки трех импульсов напряжения. Эти импульсы напряжения формируются за счет трансформаторной связи обмотки управления с секциями рабочих обмоток на интервалах времени, соответствующих рабочему полупериоду питания смежной секции рабочей обмотки.
Особенности взаимодействия структурных блоков регулятора напряжения на магнитных усилителях представлены на рисунке 3.21.

Рисунок 3.21. Логика взаимодействия структурных блоков
регулятора напряжения на магнитных усилителях
Рассматриваемый регулятор напряжения относится к типу статических регуляторов, поэтому его настройка может быть произведена на любую режимную точку работы генератора. На рисунке 3.21 режимом настройки регулятора напряжения (режимом, в котором напряжение генератора равно напряжению настройки ) выбран режим холостого хода генератора. При величине напряжения на входе измерительного органа, равном напряжению настройки генератора , величина тока на выходе измерительного органа будет иметь наибольшее значение. С учетом пропорциональной зависимости между током на выходе измерительного органа и током в обмотке управления магнитного усилителя МУ1 можно утверждать, что в режиме холостого хода генератора МДС будет иметь наибольшее значение, а выходной ток МУ1 будет минимальным. При указанной на рисунке 3.20 схеме каскадного соединения магнитных усилителей МУ1 и МУ2 минимальный ток на выходе МУ1 (минимальная МДС обмотки управления магнитного усилителя МУ2) будет соответствовать максимальному значению тока на выходе магнитного усилителя МУ2 (максимальному току в обмотке возбуждения возбудителя). Для преодоления этого несоответствия в логике взаимодействия усилительного каскада в схему магнитного усилителя МУ2 введена обмотка смещения, МДС которой направлена встречно МДС обмотки управления . При наличии обмотки смещения, величина МДС, определяющая магнитное состояние каждого из сердечников магнитного усилителя, формируется как разность , что восстанавливает требуемую логику работы регулятора напряжения, при которой режиму холостого хода генератора должен соответствовать минимальный ток в обмотке возбуждения возбудителя.
Как видно из диаграмм напряжений, представленных на рисунке 3.20, в регуляторе напряжения на магнитных усилителях использован тот же, широтно-импульсный способ управления напряжением, который является главным отличительным признаком вибрационного регулятора. Различие в работе модуляторов ширины импульсов этих регуляторов заключается в процедуре формирования временного периода работы модулятора и форме напряжения, подаваемого на обмотку возбуждения генератора. Если в вибрационном регуляторе временной период работы модулятора зависит и от нагрузки генератора, и от частоты вращения его вала, то временной период работы модулятора в регуляторе на магнитных усилителях определяется только частой вращения вала генератора. При использовании вибрационного регулятора амплитуда пульсации напряжения генератора определяется разностью напряжений срабатывания и отпускания электромагнитного реле регулятора. Влияние на форму напряжения генератора пульсаций тока возбуждения, связанных с использованием широтно-импульсного способа регулирования значительно меньше при использовании регулятора на магнитных усилителях. При использовании регулятора на магнитных усилителях, пульсации тока возбуждения в значительной мере демпфируются индуктивностью обмотки возбуждения.
Успехи, достигнутые в совершенствовании элементной базы силовой электроники, дают основание для широкого использования полупроводниковых электротехнических устройств на летательных аппаратах. В настоящее время интенсивно используются в самолетных устройствах автоматического управления и защиты, менее интенсивно используется полупроводниковая техника при разработке силовых устройств авиационного электрооборудования.
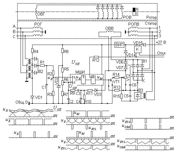
На рисунке 3.22 представлена схема серийного полупроводникового регулятора
, предназначенного для использования в комплекте с мощными генераторами постоянного и переменного тока. Для примера, на схеме указан трехкаскадный, бесконтактный генератор переменного тока.
Как можно установить из функциональной схемы взаимодействия генератора с регулятором стабилизация напряжения генератора осуществляется посредством управления величиной тока, протекающего по обмотке возбуждения возбудителя. Источником питания обмотки возбуждения возбудителя является подвозбудитель, переменное, трехфазное напряжение которого приводится в соответствие с потребностью обмотки возбуждения возбудителя с помощью мостового выпрямителя В1. При замкнутом состоянии контактов контактора К (разрешение на срабатывание контактора дается от устройства защиты от снижения частоты) требуемая величина тока в обмотке возбуждения возбудителя может быть установлена подбором соответствующего режима работы силового транзистора . При использовании транзисторов в регуляторах предпочтение отдается схемным решениям, в которых транзистор работает в режиме ключа. Этот режим работы транзистора менее подвержен влиянию помех и более стабилен при изменении температуры.
Текущий рабочий режим транзистора определяется полярностью электрического сигнала на переходе эмиттер-база, который формируется в результате взаимодействием двух, встречно включенных, источников постоянного тока. Первым из названных источников является выпрямитель В3. Этот источник создает на базе транзистора запирающий сигнал . Вторым источником (источником открывающего транзистор напряжения) является трехфазный, однополупериодный выпрямитель с анодом в виде общей (нулевой) точки рабочей обмотки подвозбудителя и катодом, функцию которого выполняет нижняя группа диодов выпрямителя В1. При замкнутом состоянии контактов контактора К, этот источник создает на базе транзистора отпирающий сигнал . Электрический сигнал вскрывает транзистор (контур тока включает резистор и показан стрелками), что при соотношении напряжений > приведет к вскрытию и транзистора (контур базового тока включает резистор и показан стрелками). При вскрытом транзисторе к обмотке возбуждения возбудителя будет приложено полное, выходное напряжение выпрямителя В1 и, следовательно, ток, протекающий по этой обмотке, будет наибольшим. Отметим, что режим работы транзистора (режим насыщения или режим отсечки) зависит от режимного состояния транзистора . Следовательно, управляя режимом работы транзистора , можно изменять и режим работы транзистора .
Таким образом можно констатировать, что источник электропитания, образованный на основе подвозбудителя и выпрямителя В1, обеспечивает открытое состояние транзисторов , и режим протекания максимального тока в обмотке возбуждения возбудителя (в обмотке возбуждения генератора).

Рисунок 3.22. Полупроводниковый регулятор напряжения
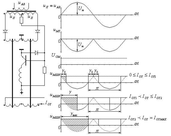
Для приведения в соответствие величины тока, протекающего по обмотке возбуждения возбудителя, с величиной тока, определяемой регулировочной характеристикой генератора, в рассматриваемом регуляторе использован широтно-импульсный способ управления временем открытого состояния транзистора (транзистора ). Модулятор ширины импульсов (МШИ) выполнен в виде микросхемы, в которой функционально объединены компаратор (дифференциальный усилитель), триггер Шмитта и усилитель, обеспечивающий согласование выходного сигнала МШИ с базовой цепью транзистора . Поскольку транзистор находится в открытом состоянии при наличии сигнала , то изменить состояние этого транзистора можно только при условии, что выходной сигнал МШИ будет положительным относительно общей «земли» и превышающем по модулю сигнал . Форма и величина этого сигнала ( ) зависит от параметров вторичного источника электропитания (ВИП) и организации взаимодействия напряжений двух источников – напряжения (напряжения источника, вскрывающего транзисторы , ) и напряжения (напряжения на выходе модулятора ширины импульсов).
Для реализации логики работы регулятора напряжения (уменьшения тока в обмотке возбуждения возбудителя при увеличении напряжения генератора и увеличения тока в обмотке возбуждения возбудителя при снижении напряжения генератора) на входные цепи компаратора подаются два сигнала – опорный и сигнал, пропорциональный текущему значению напряжения генератора. Опорный сигнал ( ) формируется цепочкой резисторов и стабилитроном от сервисного источника вторичного электропитания (ВИП). Сигнал, пропорциональный текущему значению напряжения генератора ( ), формируется в виде выходного напряжения трехфазного, однополупериодного выпрямителя В4. Пульсация этого напряжения, приближенная с помощью конденсатора и системы резисторов к форме «пилы» ( ), подается на второй вход компаратора. На интервалах времени, на которых выполняется неравенство , на выходе компаратора (на выходе МШИ) будет присутствовать сигнал , прямоугольной формы и положительный относительно общей «земли». Если для напряжений и выполняется соотношение > , транзистор будет закрыт. При этом будет закрыт и транзистор , а полное напряжение выпрямителя В1 будет приложено к переходу эмиттер-коллектор транзистора .
Таким образом, при соотношении амплитуд напряжений и в виде интервал времени существования напряжения на выходе модулятора ширины импульсов можно рассматривать как время закрытого состояния транзистора .
Настройка регулятора напряжения состоит в выборе правильного расположения напряжения «пилы» относительно опорного напряжения в выбранном режиме работы генератора. Например, как это чаще всего бывает, если для настройки генератора выбран режим холостого хода генератора, то взаимное расположение напряжения «пилы» и опорного напряжения относительно общего «нуля» схемы регулятора должно соответствовать диаграмме на рисунке 3.22 (верхняя «пила»). В этом случае длительность импульса напряжения на выходе компаратора, а, следовательно, и на выходе МШИ, будет наибольшей. Если при этом средняя величина напряжения на обмотке возбуждения возбудителя обеспечивает расчетное значение тока возбуждения, то настройка закончена. Если ток возбуждения не соответствует расчетному значению, то используется подрегулировка величины опорного напряжения с помощью подстроечного резистора . При таком подходе к настройке регулятора напряжения (номинальное напряжение в режиме холостого хода генератора), увеличение нагрузки приведет к снижению уровня «пилы» относительно опорного напряжения и, следовательно, к увеличению ток в обмотке возбуждения генератора.
Регуляторы напряжения, представленные на рисунках 3.21 и 3.22 обеспечивают режим автономного возбуждения генераторов, что является их отличительно особенностью.
Следует отметить, что элементная база и регулятора напряжения на магнитных усилителях, и полупроводникового регулятора напряжения допускают реализацию как непрерывного закона изменения напряжения на обмотке возбуждения генератора (по типу угольного регулятора), так и дискретного закона изменения величины напряжения на обмотке возбуждения (по типу вибрационного регулятора). Предпочтение, отданное дискретному принципу управления (широтно-импульсному принципу управления), базируется на том, что при использовании импульсных регуляторов удается получить более экономичные технические решения.
Объектом исследования в лабораторной работе является регулятор напряжения (рисунок 3.23), в схеме которого присутствуют элементы и регулятора на магнитных усилителях, и элементы полупроводникового регулятора. При анализе структуры регулятора и взаимодействия его основных звеньев следует учесть, что исследуемый регулятор предназначен для стабилизации напряжения синхронного генератора с возбуждением от постоянных магнитов. Этот генератор является структурным агрегатом электромеханического преобразователя напряжения сети постоянного тока в переменное, стабилизированное по частоте и уровню напряжение переменного тока. Вторичные источники электропитания на основе электромеханических преобразователей используются в самолетных системах электроснабжения для питания групп потребителей, для которых параметры электроэнергии первичных источников переменного тока не являются удовлетворительными. Два возмущения (возмущение, связанное и изменением напряжения сети постоянного тока, и возмущение, связанное с изменением нагрузки генератора) отрабатываются в электромеханическом преобразователе регуляторами частоты и напряжения.

Рисунок 3.23. Регулятор напряжения источника вторичного электропитания
Для компенсации влияния указанных возмущений принцип на уровень напряжения на нагрузке генератора используется принцип управления током в обмотке подмагничивания спинки якоря (ОУГ) в соответствии с регулировочной характеристикой генератора. Управление величиной тока в обмотке ОУГ осуществляется импульсным методом, за счет изменения режима работы силового транзистора , включенного последовательно с обмоткой управления. Как и в схеме полупроводникового регулятора (рисунок 3.22) режим работы силового транзистора выбран ключевым, с широтно-импульсным управлением соотношением его времени насыщенного (открытого) состояния и времени отсечки (закрытого состояния). С целью уменьшения мощности сигнала управления силовой транзистор включен как оконечный каскад составного транзистора, состоящего из функционально объединенных транзисторов , и . Принцип соединения транзисторов в усилителе регулятора, показанный на рисунке 3.23, получил название «схема Дарлингтона». Источником питания силовой цепи регулятора напряжения является бортовая сеть постоянного тока. Предпочтение использованию именно этого источника питания отдано с учетом того, что сеть постоянного тока является первичным источником энергии для электромеханического преобразователя. Как и в схеме регулятора, представленного на рисунке 3.22, от источника питания обмотки управления генератора (сети постоянного тока) формируется сигнал ( ) перевода транзисторов усилителя в открытое состояние. Величина этого сигнала согласуется с параметрами транзисторов путем подбора сопротивлений резисторов , , , . Таким образом, с подключением преобразователя к сети постоянного тока, одновременно наступает режим насыщения составного транзистора, и величина тока в обмотке управления генератора будет определяться только напряжением сети и сопротивлением обмотки.
Широтно-импульсный режим управления током в обмотке управления генератора создается путем алгебраического суммирования на базовых цепях составного транзистора двух электрических сигналов. Первый из них (отпирающий ) создается сетью постоянного тока. Вторым сигналом (запирающим ) является выходной сигнал магнитного усилителя с самонасыщением. Контур тока, созданный выходным напряжением магнитного усилителя показан на рисунке 3.23 стрелками для положительной полуволны переменного напряжения источника питания секций рабочей обмотки магнитного усилителя. Очевидно, при наличии двух, противоположных по полярности, сигналов на базовых переходах составного транзистора его состояние (открытое или закрытое) будет определяться соотношением амплитуд этих сигналов. Если амплитуда выходного сигнала магнитного усилителя меньше величины напряжения смещения, созданного на базовых переходах составного транзистора напряжением сети, то транзистор буде все время находиться в открытом состоянии. Следовательно, амплитуда выходного сигнала магнитного усилителя должна быть, во-первых – больше напряжения смещения, во-вторых – быть достаточной для обеспечения требуемой кратности изменения тока в обмотке управления генератора (диаграммы на рисунке 3.23).
Как установлено (лабораторная работа 2), при нулевом токе в обмотке управления магнитного усилителя с самонасыщением его ферромагнитные сердечники будут насыщенными, а индуктивные сопротивления секций рабочей обмотки – пренебрежимо малыми. В этом режиме к обмотке управления генератора будет приложено средневыпрямленное, двухполупериодное напряжение источника питания магнитного усилителя (на рисунке 3.23 – линейное напряжение генератора). При выполнении условия , угол соответствует интервалу открытого состояния составного транзистора. Из диаграмм, представленных на рисунке 3.23, следует, что при изменении угла (угла насыщения ферромагнитных сердечников магнитного усилителя) в интервалах ( ) и ( ) напряжение, приложенное к обмотке управления генератора будет оставаться постоянным. На первом из указанных интервалов величина напряжению будет иметь минимальное значение, на втором – максимальное (равное напряжению сети постоянного тока). Управление величиной напряжения, приложенного к обмотке управления генератора (ОУГ) возможно только в интервале изменения угла насыщения , равном .
Соответствие между текущим значением напряжения генератора и величиной угла (углом насыщения ферромагнитных сердечников магнитного усилителя) в регуляторе напряжения достигается путем согласования параметров измерительного органа с величиной тока в обмотке управления магнитного усилителя. Измерительный орган регулятора напряжения выполнен в виде мостовой схемы, плечам которой являются резисторы и стабилитрон . Для управления режимом работы магнитного усилителя используется область отрицательных значений выходного сигнала измерительного органа.
На рисунке 3.24 показана логика взаимодействия основных функциональных звеньев регулятора напряжения.

Рисунок 3.24. Схема функционального взаимодействия звеньев регулятора
Исследуемый в лабораторной работе регулятор напряжения относится к типу статических регуляторов, поэтому его настройка может быть произведена на любую, но единственную режимную точку работы генератора. На рисунке3.24 точкой настройки регулятора показан режим холостого хода генератора. В точке настойки (на всех графиках – точка «а») напряжение генератора равно номинальному значению, величина тока в обмотке подмагничивания спинки якоря будет максимальной и равной расчетному (экспериментальному) значению по регулировочной характеристике генератора. Вид расчетной (экспериментальной) регулировочной характеристики генератора показан линией «а, а» в координатах ( ). Внешняя характеристика генератора и его регулировочная характеристика (линии «а, b, с» на рисунке 2.24) при работе генератора в комплекте с регулятором напряжения отличаются от расчетных характеристик. Это различие характеристик является принципиальным и связано с законом изменения выходной характеристики измерительного органа регулятора напряжения.
Рабочее задание
Э3.1. Снять внешние характеристики генератора при двух режимах настройки номинального напряжения – по режиму холостого хода генератора и по режиму его номинальной нагрузки.
Э3.2. Снять характеристику измерительного органа регулятора напряжения.
Э3.3. Снять характеристику модулятора ширины импульсов.
Э3.4. Снять характеристику транзисторного усилителя.
Э3.5. Снять внешнюю характеристику источнику источника переменного тока в замкнутой системе регулирования напряжения.
Описание лабораторной установки
Структура и функциональная схема взаимодействия силовых агрегатов и регулировочной аппаратуры лабораторной установки представлены на рисунке 3.25.

Рисунок 3.00. Схема лабораторной установки
Примечание
: на фрагменте схемы стенда приняты те же обозначения, что и на лабораторном стенде.
Силовые агрегаты лабораторного стенда: привод - электродвигатель постоянного тока смешанного возбуждения и трехфазный генератор переменного тока соединены жестким валом, что позволяет однозначно связать частоту вращения вала привода и частоту переменного тока генератора. Переменная симметричная нагрузка генератора представлена четырьмя группами резисторов, каждая из которых может подключаться к шинам генератора собственным тумблером. Источником первичной энергии для силовых агрегатов стенда является сеть постоянного тока (сетевой выпрямитель ВУ-42/70Б), показанная на схеме в виде источника G.
Требуемый по экспериментам режим работы привода воспроизводится в лабораторной работе с помощью регулятора частоты (лабораторная работа 2).
Для создания требуемых входных воздействий на звенья регулятора напряжения используются:
- сервисный источник для получения изменяющегося по уровню напряжения на входе измерительного органа;
- сервисный источник для исследования характеристик магнитного усилителя с самонасыщением и модулятора ширины импульсов;
- источник постоянного тока для питания привода и обмотки управления генератора (усилительного каскада регулятора напряжения).
Указания к проведению лабораторных исследований
Выполнение любой лабораторной работы на универсальном лабораторном стенде начинается с активизации стенда включением выключателя сети ВС. Если поле включения ВС, на верхней панели стенда, в табло индикатора частоты появляется символ «000», то это свидетельствует, что оборудование стенда готово к работе и можно начинать экспериментальные исследовании.
Исследования по п. Э3.1 рабочего задания
Внешние характеристики генератора при разном выборе опорной точки (точки настройки) снимаются с целью проверки точности работы математической модели синхронного генератора (лабораторная работа 1) и выхода на понимание необходимости использования в структуре исследуемого источника переменного тока регулятора напряжения.
Для подготовки стенда к эксперименту необходимо:
- включить тумблеры (готовность к работе привода генератора с регулятором частоты),
- включить тумблер (подключение обмотки управления генератора к источнику питания ),
- измерительные концы вольтметра В7-22А подключить на фазу генератора,
- с помощью любой из клавиш А, В, С установить амперметр РА в любую из фаз генератора.
После проверки правильности настройки вольтметра В7-22А (режим переменного тока, шкала 200) тумблером произвести запуск силовых агрегатов стенда.
Настройка генератора на первом этапе исследований состоит в установке с помощью ручки величины ЭДС генератора, равной 20,8 В по шкале вольтметра В7-22А. После указанной настройки снимается внешняя характеристика генератора при ступенчатом изменении его нагрузки. Ступенчатая нагрузка создается последовательным включением тумблеров после предварительного включения тумблера .
После выполнения первого этапа исследований, не трогая тумблер и оставив включенными тумблеры , перейти к выполнению второго этапа исследований.
На втором этапе исследований следует изменить только настройку напряжения генератора. Настройка производится ручкой , с помощью которой следует установить (по вольтметру В7-22А) напряжение 20.8 В при максимальной нагрузке генератора. Поле указанной подготовки стенда эксперимент выполняется при ступенчатой разгрузке генератора последовательным отключением тумблеров .
Результаты экспериментальных исследований заносятся в таблицу вида
Таблица Э3.1
| Настройка ЭДС генератора 20.8 В по режиму холостого хода
|
| Напряжение фазы В
|
В7-22А
|
|
|
|
|
|
| Ток фазы А
|
РА
|
|
|
|
|
|
| Настройка напряжения генератора 20.8 В по режиму максимальной нагрузки
|
| Напряжение фазы В
|
В7-22А
|
|
|
|
|
|
| Ток фазы А
|
РА
|
|
|
|
|
|
По окончании эксперимента следует тумблером произвести останов силовых агрегатов стенда и не изменяя положения остальных, включенных тумблеров и клавиш стенда приступить к подготовке стенда к следующему эксперименту.
Исследования по п. Э3.2 рабочего задания
Убедившись, что после выполнения предыдущего этапа исследований тумблеры , тумблер и клавиша под амперметром РА остались во включенном состоянии, а вольтметр В7-22А стенда остается подключенным на фазное напряжение генератора, следует продолжить подготовку стенда к последующему эксперименту.
Для исследования характеристики измерительного органа регулятора напряжения следует дополнительно:
- включить на стенде тумблер (на вход измерительного органа регулятора подается сигнал от преобразователя трехфазной системы напряжения генератора),
- «утопить» клавиши 7 и 8 (микроамперметр вводится в выходную цепь измерительного органа),
- тумблером ВС на соседнем стенде активизировать его оборудование и, воспользовавшись длинными измерительными концами, подключить вольтметр В7-22А этого стенда к измерительным гнездам и лабораторного стенда. Настройка вольтметра В7-22А соседнего стенда должна быть произведена на измерение напряжения постоянного тока на шкале 200.
После выполнения названных подготовительных операций следует произвести запуск силовых агрегатов стенда тумблером , после чего ручкой следует установить минимальное напряжение на входе измерительного органа.
Деле эксперимент проводится при постепенном увеличении (с помощью ручки ) напряжения генератора. Учитывая, что для регистрации экспериментальных данных в лабораторной работе используются стрелочные и цифровые измерительные приборы, отдельные экспериментальные точки следует формировать по целочисленным показаниям стрелочных приборов. При выполнении данного эксперимента экспериментальные точки следует формировать как целочисленные значения тока в выходной цени измерительного органа (по показаниям микроамперметра , с шагом 1 mA).
Совокупность экспериментальных данных заносится в таблицу вида
Таблица Э3.2
| Параметр
|
Прибор
|
Экспериментальные данные
|
| Ток mA
|

|
|
|
|
|
|
|
|
|
|
|
| Напряжение В
|
В7-22А*
|
|
|
|
|
|
|
|
|
|
|
| Напряжение В
|
В7-22»
|
|
|
|
|
|
|
|
|
|
|
Примечание. В7-22А* - вольтметр, расположенный на соседнем стенде
По окончании эксперимента тумблером следует остановить силовые агрегаты стенда, после чего вернуть все тумблеры и клавиши стенда в исходное состояние.
Исследования по п. Э3.3 рабочего задания
Подготовка стенда к экспериментальным исследованиям производится в два этапа.
На первом этапе подготовки следует:
- подключить (с соблюдением полярности) измерительные концы вольтметра В7-22А к гнездам стенда и установить клавишами на лицевой панели вольтметра режим измерения напряжения постоянного тока по шкале 20,
- включить осциллограф (желтая кнопка на лицевой панели), перевести его в режим индикации процесса с постоянной составляющей (двухцветной кнопкой на лицевой панели) и, подключив измерительные концы осциллографа к гнездам стенда, расположить луч осциллографа по центру сетки экрана,
- включить тумблер и установить ручкой ток 0.8 А по шкале амперметра ,
- произвести настройку осциллографа на правильность индикации формы выходного сигнала модулятора ширины импульсов.
Настройка осциллографа производится путем наблюдения за изменением положения луча на экране осциллографа при запуске силовых агрегатов стенда тумблером .
Если при запуске силовых агрегатов стенда луч на экране осциллографа переместится вверх на 1-1.5 больших деления, то настройку осциллографа следует считать законченной.
При малом смещении луча осциллографа следует органами настройки (выключателем на измерительном шнуре осциллографа и ручкой шкалы «В/Деление») добиться требуемого смешения вверх луча осциллографа. После выполнения указанной подстройки осциллографа следует тумблером произвести останов силовых агрегатов стенда и, убедившись, что при остановке силовых агрегатов луч осциллографа вернулся в центр сетки на экране осциллографа, произвести повторный запуск силовых агрегатов. При повторном запуске луч на экране осциллографа должен переместиться вверх на 1-1.5 больших деления сетки экрана осциллографа.
Добившись требуемого (по величине и направлению) отклонения луча осциллографа при запуске силовых агрегатов стенда, следует считать настройку осциллографа законченной. По завершении настройки осциллографа следует внести в протокол исследований показание вольтметра В7-22А при замкнутом состоянии тумблера ( - величина сигнала смещения, переводящего транзистор усилителя в открытое состояние). После этого, тумблером , следует произвести останов силовых агрегатов стенда и приступить к выполнению второго этапа подготовки стенда.
Внимание! В процессе последующих экспериментальных исследований недопустимо изменение режимных параметров осциллографа с помощью органов управления, расположенных на его лицевой панели. Разрешается только управление стабильностью «картинки» на экране осциллографа с помощь ручки «Уровень».
На втором этапе подготовки стенда, сохранив настройку и места подключения вольтметра В7-22А и осциллографа, следует:
- вернуть в исходное положение (отключить) тумблер ,
- включить тумблеры ,
- «утопить» клавиши 2 и 7 (разрывается цепь обмотки управления и включается микроамперметр последовательно с обмоткой управления ),
- включить тумблер (обмотка управления подключается к источнику питания ) и ручкой установить нулевое значение тока в обмотке управления (по микроамперметру ).
Выполнив указанные подготовительные операции, тумблером следует запустить силовые агрегаты стенда. После запуска необходимо внести в протокол показание вольтметра В7-22А ( ), обращая внимание на знак полученного напряжения, и вычислить амплитуду ( ) пульсирующего, выходного напряжения магнитного усилителя по формул
.
Далее, эксперимент выполняется при последовательном увеличении модуля тока (по отрицательной части шкалы микроамперметра ) в обмотке управления магнитного усилителя с фиксацией в каждой экспериментальной точке показаний вольтметра В7-22А. При записи показаний вольтметра В7-22А следует обращать внимание на знак напряжения в каждой экспериментальной точке и число экспериментальных точек, которое должно быть достаточным для адекватного, графического отражения характера изменения выходного напряжения модулятора ширины импульсов от величины тока в обмотке управления. Рекомендуется получить не менее трех экспериментальных точек для интервала показаний вольтметра В7-22А и не менее трех экспериментальных точек для интервала изменения напряжения .
Результаты экспериментальных исследований заносятся в таблицу вида
Таблица Э3.3
| Параметр
|
Прибор
|
Экспериментальные данные
|
| Ток ( ) в обмотке упр. А
|

|
|
|
|
|
|
|
|
| Напряжение ( ) В
|
В7-22А
|
|
|
|
0
|
|
|
|
По окончании эксперимента следует вернуться к нулевому значению тока по амперметру и, не выключая силовых агрегатов стенда, приступить к подготовке стенда к очередному эксперименту.
Исследования по п. Э3.4 рабочего задания
Для подготовки стенда к экспериментальному исследованию характеристики полупроводникового усилителя следует:
- перенести (соблюдением полярности) измерительные концы вольтметра В7-22А и осциллографа из измерительных гнезд в измерительные гнезда стенда для наблюдения формы и измерения среднего значения напряжения на обмотке управления генератора (обмотке подмагничивания спинки якоря),
- перевести вольтметр В7-22А* соседнего стенда в режим измерения напряжения постоянного тока на шкале 20 и подключить его измерительные концы (длинные) к измерительным гнездам лабораторного стенда с соблюдением полярности.
После выполнения указанных подготовительных операций эксперимент проводится при однонаправленном изменении тока в обмотке управления МШИ (по показаниям микроамперметра ) с фиксацией величины и формы напряжения на обмотке управления генератора (по показаниям вольтметра В7-22А лабораторного стенда и осциллографа). При проведении экспериментальных исследований рекомендуется формировать отдельные экспериментальные точки по показаниям вольтметра В7-22А* соседнего стенда, которые должны соответствовать значениям напряжения, представленным в третьей строке таблицы Э3.3.
Результаты экспериментальных исследований заносятся в таблицу вида
Таблица Э3.4
| Параметр
|
Прибор
|
Экспериментальные данные
|
| Ток ( ) в обмотке управления МШИ mА
|

|
0
|
|
|
|
|
|
|
| Напряжение ( ) В
|
В7-22А*
|
|
|
|
0
|
|
|
|
| Напряжение ( ) В
|
В7-22А
|
|
|
|
|
|
|
|
По окончании эксперимента следует тумблером произвести останов силовых агрегатов стенда. После чего вернуть в исходное положение (выключить) тумблер .
Исследования по п. Э3.5 рабочего задания
Для подготовки стенда к исследованию внешней характеристики источника питания в замкнутой системе регулирования напряжения следует:
- убедившись, что тумблеры находятся во включенном состоянии, включить тумблеры на лабораторном стенде,
- освободить гнезда лабораторного стенда от измерительных концов (длинных) вольтметра В7-22А соседнего стенда,
- перевести вольтметр В7-22А лабораторного стенда в режим измерения напряжения переменного тока на шкале 200 и с соблюдением полярности разместить его измерительные концы в гнездах фазного напряжения,
- освободить измерительные концы осциллографа из гнезд ,
- клавишей А, В или С включить амперметр в фазу генератора,
- «утопить» клавиши 7 и 8 (включили микроамперметр последовательно с обмоткой управления ).
Выполнив указанные подготовительные операции, тумблером запустить силовые агрегаты лабораторного стенда. Далее отдельные экспериментальные точки формируются последовательной ступенчатой загрузкой источника с помощью системы тумблеров после предварительного включения тумблера .
Результаты экспериментальных исследований заносятся в таблицу вида
Таблица Э3.5
| Параметр
|
Прибор
|
Экспериментальные данные
|
| Ток фазы А
|

|
|
|
|
|
|
| Напряжение фазы В
|
В7-22А
|
|
|
|
|
|
| Ток обмотки управления генератора ( ) А
|

|
|
|
|
|
|
| Ток обмотки управления МШИ ( ) mA
|

|
|
|
|
|
|
Для двух режимов работы источника переменного тока – режима холостого хода и режима максимальной нагрузки построить диаграммы взаимного расположения мгновенных значений:
- фазного напряжения генератора (форма определяется по осциллограмме, снимаемой с измерительных гнезд ),
- тока в обмотке управления модулятора ширины импульсов (среднее значение тока определяется по микроамперметру , форма тока устанавливается по схеме измерительного органа регулятора напряжения),
- напряжения управления транзисторным ключом (форма напряжения определяется по осциллограмме, снимаемой с измерительных гнезд ),
- напряжения на обмотке управления генератора (форма напряжения определяется по осциллограмме, снимаемой с измерительных гнезд )
- напряжения на транзисторном ключе (форма напряжения определяется по осциллограмме, снимаемой с измерительных гнезд ).
При построении диаграмм следует строго соблюдать их взаимное расположение. За опорный сигнал при построении шкалы времени в диаграммах принимается форма напряжения источника переменного тока.
Обработка результатов экспериментальных исследований
При подготовке к защите лабораторной работы студент обязан дополнить протокол экспериментальных исследований необходимыми расчетными данными и графической интерпретацией исследованных в работе процессов. Если расчеты выполняются с целью проверки точности математических моделей, то расчетные сведения вносятся отдельной строкой в соответствующую таблицу с экспериментальными данными. Графическая иллюстрация результатов расчетных и экспериментальных исследований должна быть четкой и допускать возможность использования отдельных точек на графиках для последующих расчетов.
Обработка результатов исследований по п. Э3.1 задания
.
Таблица Э3.1 дополняется расчетными данными, отражающими характер изменения внешних характеристик генератора, вычисленных с использованием математической модели. Параметры математической модели внешней характеристики берутся по данным лабораторной работы 1. Далее, графики внешних характеристик (теоретических и экспериментальных) генератора строятся в единой системе координат. Для сопоставления взаимного соответствия теории и эксперимента целесообразно расчетные внешние характеристики генератора представить сплошными линиями, а экспериментальные даны – точками. По завершении графической работы следует дать оценку степени соответствия теории и экспериментальных данных.
Обработка результатов исследований по п. Э3.2 задания
.
По экспериментальным данным таблицы Э3.2 следует построить график характеристики измерительного органа регулятора напряжения. Характеристика измерительного органа представляется в виде зависимости от .
При анализе характеристики измерительного органа регулятора напряжения следует обратить внимание на два момента: во-первых – на содержание термина «регулируемое напряжение», во-вторых – на универсальность структуры измерительного органа.
Регулируемым напряжением всегда является напряжение, подаваемое на вход измерительного органа. Применительно к генераторам постоянного тока термины «регулируемое напряжение» и «напряжение генератора» являются равносильными. Понятие «регулируемое напряжение трехфазного генератора» нельзя отнести конкретно ни к одному из фазных или линейных напряжений генератора. В системах электроснабжения переменного тока регулируемым напряжением всегда является преобразованное напряжение, и чем ближе взаимное соответствие межу преобразованным напряжением и переменным напряжением генератора, тем более эффективно выполняет свои функции регулятор напряжения.
На рисунках 3.26-3.28 представлены основные схемы преобразователей, сводящих систему напряжений трехфазного генератора переменного тока к единственному, регулируемому напряжению.
Наиболее распространенной схемой преобразователя с линейной зависимостью между переменным напряжением генератора и регулируемым напряжением является схема трехфазного выпрямителя (рисунок 3.26). При синусоидальном напряжении генератора и ограниченной мощности выпрямителей с достаточной степенью точности выполняются соотношения:
при использовании в преобразователе схемы трехфазного, однополупериодного выпрямителя и
при использовании в качестве преобразователя мостовой, трехфазной схемы выпрямителя.
В пределах стабильности характеристики фильтра, который может быть расположен или перед входным сопротивлением ( ) измерительного органа, или на выходе измерительного органа можно с достаточной степенью точности считать, что напряжения и пропорциональны друг другу.

Рисунок 3.26. Схема формирования напряжения регулирования, пропорционального величине средневыпрямленного напряжения
Следовательно, при симметричной нагрузке генератора, удерживание регулятором в заданных пределах напряжения будет равносильно выполнению требования по поддержке в заданных пределах напряжения генератора переменного тока. При нарушении симметрии нагрузки, подключенной к генератору, эффективность использования рассматриваемого преобразователя будет снижаться.
Схема преобразователя, представленная на рисунке 3.27, при несимметричной нагрузке генератора позволяет предотвратить появление повышенного напряжения на любой из фаз трехфазного генератора.

Рисунок 3.27. Схема формирования напряжения регулирования, пропорционального максимуму из трех фазных напряжений
Если, как это показано на схеме преобразователя, из фазных напряжений генератора с помощью выпрямителей сформировать напряжения и с помощью фильтров сгладить пульсации выпрямленных напряжений до уровня амплитуд соответствующих фазных напряжений генератора, то тройка диодов пропустит на вход измерительного органа (к входному сопротивлению измерительного органа) только максимальное из трех фазных напряжений. Отметим, что при использовании рассматриваемого преобразователя увеличивается опасность длительного режима работы однофазных потребителей при пониженном значении напряжения питания.
Менее очевидны функциональные свойства схемы преобразователя, представленной на рисунке 3.28. Схема обеспечивает формирование регулируемого напряжения, пропорционального величине напряжения прямой последовательности при несимметричной нагрузке генератора.

Рисунок 3.28. Схема формирования напряжения регулирования, пропорционального величине напряжения прямой последовательности
Как известно, любой вектор фазного напряжения трехфазной несимметричной системы векторов можно представить в виде геометрической суммы трех векторов – вектора прямой последовательности, вектора обратной последовательности и вектора нулевой последовательности
. (3.18)
Если представленную систему уравнений (3.18) решить относительно напряжений прямой, обратной и нулевой последовательности
и принять во внимание соотношения
,
, то можно составить уравнение вида
. (3.19)
Из полученного уравнения видно, что интересующая нас величина напряжения прямой последовательности может быть получена через операции над векторами линейных напряжений и . Сущность этих операций поясняется векторной диаграммой, представленной на рисунке 3.28.
Если в тройке несимметричных векторов линейных напряжений , и выделить середины соответственно точками , и , то на векторной диаграмме можно увидеть выполнение равенств и . Следовательно, вектор напряжения , полученный в виде будет пропорционален величине напряжения прямой последовательности.
Для понимания схемного принципа выделения напряжения, пропорционального напряжению прямой последовательности примем во внимания построения, выполненные на векторной диаграмме рисунка 3.28. Если на векторе каждого из тройки несимметричных линейных напряжений генератора построить полуокружности с диаметрами, равными модулям линейных напряжений, и в пределах каждой из полуокружностей построить равносторонние треугольники , и , то получим тройку векторов напряжений , и , равных по модулю и сдвинутых друг относительно друга на 120 градусов.
О равенстве модулей векторов напряжений и можно сделать вывод из равенства треугольников и , в которых существует равенство двух сторон ( и - по построению) и угла, заключенного меду этими сторонами. Действительно, из соотношений для углов , , следует равенство углов и, как следствие равенство отрезков и .
О равенстве модулей векторов напряжений и можно сделать вывод из равенства треугольников и , в которых существует равенство двух сторон ( и - по построению) и угла, заключенного меду этими сторонами. Действительно, из соотношений для углов , , следует равенство углов и, как следствие равенство отрезков и .
О равенстве модулей векторов напряжений и можно сделать вывод из равенства треугольников и , в которых существует равенство двух сторон ( и - по построению) и угла, заключенного меду этими сторонами. Действительно, из соотношений для углов , , следует равенство углов и, как следствие равенство отрезков и .
Для определения фазового сдвига меду векторами напряжений , и воспользуемся параллельным переносом вектора в точку (линия ) и вектора в точку (линия ). С учетом указанных, дополнительных построений можно установить, что величина фазового сдвига между векторами напряжений и равна углу, заключенному между векторами и . Принимая во внимание, что в уравнении

(углы с параллельными сторонами),
(углы с перекрещивающимися сторонами),
(равенство треугольников и ), получим .
Найдем фазовый сдвиг между векторами и . Искомый сдвиг равен углу , величина которого определяется суммой углов в виде . Учитывая, что (углы с параллельными сторонами), (углы с параллельными сторонами), а (из равенства треугольников и ), получим .
Таким образом, доказано, что вектора , и равны по величине и сдвинуты по фазе друг относительно друга на фазовый угол .
Для определения принадлежности тройки симметричных векторов , и определенной последовательности (прямой или обратной) сравним два треугольника и . По построению, в этих треугольниках по две одинаковые стороны - и (по построению) и, кроме того, равны углы, заключенные между этими сторонами. Из построения диаграммы следует очевидное равенство . В треугольнике величина угла вычисляется по формуле . Равенство углов в рассматриваемых треугольниках свидетельствует об их равенстве и, следовательно, о принадлежности вектора к тройке векторов прямой последовательности.
Схемно-технический способ формирования электрического сигнала, пропорционального величине напряжения прямой последовательности представлен на рисунке 3.28. Для его реализации на каждое из линейных напряжений генератора следует включить две резистивные цепочки. Первая из них выполнена на двух резисторах с равными сопротивлениями. С помощью этой цепочки формируются электрические потенциалы, которые соответствуют точкам векторной диаграммы. Вторая цепочка состоит из резистора и конденсатора . Если параметры активной и реактивной составляющих сопротивления этой цепочки выбирать с соблюдением равенства , то электрические потенциалы точек схемы будут соответствовать потенциалам одноименных почек векторной диаграммы.
При равенстве напряжений тройки векторов прямой последовательности можно, как это показано на рисунке 3.28, воспользоваться одним из напряжений прямой последовательности для формирования входного сигнала измерительного органа. Использование других напряжений прямой последовательности целесообразно или для резервирования преобразователя напряжения, или для снижения величины пульсаций входного сигнала измерительного органа.
Отметим, что сведение регулируемого напряжения генератора переменного тока к пропорциональной величине напряжения постоянного тока позволяет построить схему измерительного органа регулятора напряжения, инвариантную к типу генератора. Это обстоятельство способствует унификации структуры регулятора напряжения, что очень важно для создания надежных устройств управления.
Независимо от типа регулятора напряжения входное напряжение измерительного органа (регулируемое напряжение) всегда существует в виде
. Если для обозначения текущего значения входного напряжения измерительного органа регулятора использовать единый символ , то для всех режимов работы регулируемого генератора должно выполняться соотношение
. Любые отклонения напряжения за указанные допусковые границы анализируются устройствами защиты, задачей регулятора напряжения является удерживание регулируемого напряжения в заданных границах при предписанных условиями эксплуатации режимах работы генератора.
Непосредственной задачей измерительного органа является преобразование входного напряжения к виду электрического сигнала, удобному для использования в смежном структурном звене регулятора напряжения. Если вход смежного структурного звена представить сопротивлением , то выходной сигнал измерительного органа должен формироваться или в виде определенного диапазона изменения тока в нагрузке , или в виде определенного диапазона изменения напряжения на нагрузочном сопротивлении .
Применительно к настоящей лабораторной работе, задачей измерительного органа является преобразование входного напряжения в определенный закон изменения тока в обмотке управления магнитного усилителя с самонасыщением.
На рисунке 3.29 представлены наиболее экономичные варианты функциональной схемы измерительного органа. В варианте «а» обмотка управления магнитного усилителя подключена непосредственно на регулируемое напряжение , а ток в обмотке управления может изменяться в границах ( ). Если граничные значения тока управления , не соответствуют нормальному режиму работы магнитного усилителя, то их можно изменить, включив обмотку управления по схеме «b». Действительно, варьируя величиной ЭДС эталонного источника (меняя соотношение между величинами напряжений и ) можно получить любой вариант расположения выходной характеристики измерительного органа относительно уровня регулируемого напряжения.

Рисунок 3.29. Функциональная схема измерительного органа
Создание эталонного источника питания не вызывает затруднений, если объектом регулирования является генератор переменного тока или вентильный генератор. Для этого можно использовать дополнительную обмотку в каждом из трансформаторов, с помощью которых формируется величина регулируемого напряжения. Если объектом регулирования является коллекторный генератор постоянного тока, то источник эталонной ЭДС будет иметь более сложную структуру.
Универсальность схеме измерительного органа придает использование в ней нелинейных элементов для процедуры формирования величины эталонного напряжения.
Возможные схемные варианты измерительного органа регулятора напряжения представлены на рисунке 3.30.

Рисунок 3.30. Технические схемы измерительных органов
Рассмотрим особенности выбора элементов измерительного органа применительно к схеме (рисунок 3.30, ), использованной в лабораторной работе.
В рамках статического режима работы функциональные свойства измерительного органа определяются тремя параметрами:
- величиной напряжения настройки регулятора, которое может быть любым, но единственным из диапазона ;
- величиной тока в обмотке управления магнитного усилителя, соответствующего режиму настройки регулятора напряжения;
- коэффициентом крутизны выходной характеристики измерительного органа , величина которого должна обеспечить выполнение неравенства при всех, предусмотренных особенностями эксплуатации, режимах работы генератора.
Допустим, что настройка регулятора напряжения лабораторного генератора произведена в режиме холостого хода генератора. Определены величины и . В этом случае, при заданной величине изменения напряжения генератора , можно определить минимальную величину тока в обмотке управления магнитного усилителя и требуемый коэффициент крутизны выходной характеристики измерительного органа.
При перечисленных исходных данных закон изменения тока в обмотке управления магнитного усилителя получим из уравнения
в виде
. (3.20)
При произвольном выборе параметров стабилитрона ( и ) найдем уравнение выходной характеристики измерительного органа с учетом параметров его электрической схемы. Для направления токов в элементах измерительного органа, соответствующих его рабочему режиму, можно из уравнения
определить токи
и . (3.21) Далее, из уравнения
с учетом (3.21) получим уравнение
, из которого, после преобразования
, получим искомое уравнение выходной характеристики в виде
. (3.22) Чтобы требуемая, линейная характеристика измерительного органа (3.20) была тождественна характеристике (3.22) достаточно их совпадения в двух точках.
По характеристике (3.20) ток в обмотке управления принимает нулевое значение при величине напряжения на входе измерительного органа, равном
. Подставляя это значение напряжения в уравнение (3.22), получим
, откуда находим соотношение между сопротивлениями резисторов и в виде
. (3.23)
Вторым параметром тождественности между уравнениями (3.20) и (3.22) возьмем совпадение коэффициентов крутизны, то есть в идее равенства
, откуда найдем величину сопротивления
. (3.24)
Сопротивление резистора найдем из уравнения (3.23)
. (3.25)
Для нахождения величины сопротивления воспользуемся режимом работы измерительного органа, соответствующим точке вскрытия стабилитрона . Для этого режима находим:
- из уравнения - величину тока
, (3.26)
- из уравнения - величину тока
. (3.27)
Если в уравнение
подставить значения токов и , то получим уравнение
, после преобразования которого получим взаимосвязь между двумя неизвестными величинами и в виде
. (3.28)
Второе уравнение, связывающее переменные величины и получим с учетом буквенных обозначений, принятых на рисунке 3.30. Из анализа вида выходной характеристики измерительного органа можно установить:
- величину напряжения
,
- величину тока в обмотке управления магнитного усилителя, соответствующую точке вскрытия стабилитрона
,
- величину тока в момент вскрытия стабилитрона
. (3.29) Если учесть, что величина напряжения на входе измерительного органа в рассматриваемом режиме равна , то искомое второе уравнение получим в виде
.
Выполнив преобразования
,
, получим уравнение
. (3.30)
Преобразовав уравнение (3.28) к виду
,
а уравнение (3.30) – к виду

После преобразования получим уравнение
= . (3.31) В этом уравнении неизвестной величиной является только сопротивление резистора . Группируя члены уравнения (3.31) в виде
, получим значение сопротивления резистора как
. (3.32)
Таким образом, при требуемых параметрах ( , , , ) измерительного органа, система уравнений
(3.33)
позволяет определить параметры его схемы при заданном значении сопротивления ( ) обмотки управления и произвольном выборе параметров ( ) стабилитрона.
Обработка результатов исследований по п. Э3.3 задания
.
Экспериментальные данные, содержащиеся в таблице Э3.3, должны быть дополнены расчетом зависимости угла насыщения магнитного усилителя от тока в обмотке управления. Далее, экспериментальные и расчетные данные представляются в единой системе координат, в виде графиков и .
При расчете зависимости исходной экспериментальной величиной является напряжение на выходе модулятора ширины импульсов (напряжение на базовой цепи составного транзистора). Структура этого напряжения представлена на диаграммах рисунка 331. На всех диаграммах нулевой потенциал напряжений соответствует оси абсцисс, а положительное напряжение – открытому состоянию составного транзистора.

Рисунок 3.31. Выходное напряжение модулятора ширины импульсов
На рабочую обмотку магнитного усилителя, состоящую из двух одинаковых секций подается переменное напряжение ( ) синусоидальной формы и пропорциональное величине линейного напряжения генератора. Предпочтение, отданное линейному напряжению, объясняется тем, что оно менее его форма менее подвержена искажению по сравнению с формой фазного напряжения (лабораторная работа1).
Относительно нагрузки магнитного усилителя (базового перехода составного транзистора) силовая часть магнитного усилителя с самонасыщением повторяет структуру двухполупериодного выпрямителя со средней точкой. Отличие схемы магнитного усилителя с самонасыщением от выпрямителя состоит в том, что в схеме магнитного усилителя последовательно с каждым из диодов включено регулируемое индуктивное сопротивление. Если величина каждого из указанных индуктивных сопротивлений равна нулю (режим работы магнитного усилителя с нулевой величиной тока в обмотке управления), то форма напряжения на сопротивлении базового перехода составного транзистора будет идентичной форме напряжения ( ) двухполупериодного выпрямителя со средней точкой. Проводящее направление каждого из диодов и тип составного транзистора показывают, что это пульсирующее напряжение будет запирающим для транзистора.
Отпирающим напряжением для составного транзистора является напряжение смещения , величина которого при известном напряжении питания полупроводникового усилителя подбирается с помощью делителя, состоящего из резистора и сопротивления базового перехода составного транзистора.
Алгебраическая сумма напряжения смещения ( ) и выходного напряжения магнитного усилителя ( ) определяет форму выходного напряжения ( ) модулятора ширины импульсов (форму напряжения на сопротивлении базового перехода составного транзистора). Если, как это было сделано при экспериментальных исследованиях, определить величину напряжения и с помощью вольтметра постоянного тока установить величину напряжения , то взаимосвязь между этими напряжениями должна соответствовать соотношению
. (3.34) Это соотношение используется для определения амплитуды напряжения питания рабочей обмотки магнитного усилителя.
Из трех диаграмм напряжений, соответствующих разным значениям тока в обмотке управления магнитного усилителя, можно установить, что при выбранном способе формирования управляющего напряжения на базе составного транзистора в регуляторе будет существовать зона нечувствительности. Если для задания момента насыщения каждого из ферромагнитных сердечников магнитного усилителя использовать угол ( ), то на интервале изменения угла , на котором выполняется неравенство , изменение тока в обмотке управления ( ) не будет оказывать влияния на режимное состояние составного транзистора. Регулятор может выполнять свои функции только в интервале изменения тока управления , который соответствует интервалу изменения угла , равному
. (3.35)
Для определения значений угла , соответствующих рабочему участку выходной характеристики магнитного усилителя можно воспользоваться очевидным уравнением
. (3.36) Из уравнения (3.36) получим формулу для расчета угла насыщения сердечников магнитного усилителя в виде
. (3.37)
На диаграммах рисунка 3.31 штриховкой показаны вольт-секундные площади, которые соответствуют граничным и одной из промежуточных точек рабочего диапазона изменения тока в обмотке управления магнитного усилителя.
Обработка результатов исследований по п. Э3.4 задания
.
По экспериментальным данным таблицы Э3.4 строится график зависимости напряжения, приложенного к обмотке управления генератора, от тока в обмотке управления магнитного усилителя. Рядом с указанным графиком следует расположить график, показывающий взаимосвязь среднего напряжения, приложенного к обмотке управления генератора и угла насыщения сердечников магнитного усилителя. График необходим для сопоставления расчетных и экспериментальных данных по виду и точности закона изменения среднего напряжения на обмотке подмагничивания спинки якоря. Особенности формирования напряжения на обмотке управления генератора при принятой в регуляторе напряжения структуре модулятора ширины импульсов, представлены на рисунке 3.32 в виде временных диаграмм напряжений.

Рисунок 3.32. Напряжение на обмотке управления генератора
(на обмотке подмагничивания спинки якоря)
Из диаграмм напряжений можно установить, что изменение среднего напряжения, приложенного к обмотке управления генератора, имеет характерные особенности, связанные с принятой структурой модулятора ширины импульсов. Следует обратить внимание, что в интервалах изменения угла насыщения и напряжение, приложенное к базовому переходу составного транзистора, изменяется по линейному закону. Поэтому форму напряжения, приложенного к обмотке управления генератора (импульсы с крутыми фронтами), можно принять с некоторыми оговорками. При построении диаграмм напряжений, представленных на рисунке 3.32, условно принято, что режимы насыщения и отсечки составного транзистора сменяют друг друга мгновенно и одновременно с изменением знака напряжения на его базовом переходе. При таком допущении величина среднего напряжения на обмотке управления генератора определяется как
. (3.38)
Обработка результатов исследований по п. Э3.5 задания
.
По экспериментальным данным таблицы Э3.5 необходимо построить графики внешней характеристики генератора и его регулировочной характеристики , полученные в замкнутой системе регулирования. В координатную сетку каждого из указанных графиков вносятся соответственно естественная внешняя характеристика генератора и его регулировочная характеристики, полученные по экспериментальным данным лабораторной работы 1.
Экспериментальные данные по току в обмотке управления магнитного усилителя (граничные значения) выносятся на график выходной характеристики измерительного органа с целью определения протяженности ее рабочего участка.
Документ, выносимый на защиту лабораторной работы
Документ, выносимый бригадой студентов на защиту, оформляется в виде отчета по лабораторной работе. Отчет оформляется в единственном экземпляре и состоит из четырех частей.
Титульного листа
. На титульном листе указываются название кафедры и лаборатории, название лабораторной работы, фамилии, инициалы и учебная группа студентов бригады.
Схемы лабораторного стенда
. Схема лабораторного стенда берется из описания лабораторной работы.
Таблиц с экспериментальными данными
. Форма таблиц приводится в описании лабораторной работы. При подготовке отчета для каждой из таблиц указывается название экспериментального исследования (название берется из раздела «Рабочее задание») и дается схема эксперимента. В схеме эксперимента для обозначения силовых агрегатов, регулирующей аппаратуры и измерительных приборов целесообразно использовать символику, аналогичную символике оборудования в схеме лабораторного стенда.
Графической иллюстрации исследований
. Объем графического материала определяется содержанием раздела «Обработка экспериментальных исследований» и представляется в отчете в произвольной форме, но выбранная студентами форма должна обеспечивать как однозначную трактовку характера исследуемого процесса, так и количественное различие отдельных экспериментальных точек процесса. Графический материал отчета можно расположить или в конце отчета (в виде приложения), или – поле каждой их таблиц с экспериментальными данными. Независимо от места расположения иллюстраций в отчете, каждая из иллюстраций должна иметь название и, кроме того, индексацию и символику по координатным осям.
Титульный лист подписывается каждым из студентов лабораторной бригады и при положительном результате защиты лабораторной работы – преподавателем, работающим с бригадой.
Протоколы по всем выполненным и защищенным лабораторным работам сохраняются бригадой студентов и должны предъявляться по требованию преподавателя или при выполнении очередной лабораторной работы, или во время защиты лабораторных работ.
Контрольные вопросы для самопроверки
1. Назвать и пояснить конструкцию устройства управления магнитным потоком (управления величиной ЭДС) в генераторе переменного тока, который используется в лабораторной установке.
2. Назвать основные структурные узлы регулятора напряжения и пояснить их принципиальные особенности.
3. Пояснить назначение измерительного органа в структуре регулятора напряжения, порядок формирования его входного сигнала и рабочего участка на выходной характеристике.
4. Пояснить назначение модулятора ширины импульсов в структуре регулятора напряжения, дать анализ достоинств и недостатков схемы модулятора ширины импульсов на основе магнитного усилителя с самонасыщением.
5. Пояснить принцип формирования требуемой по режиму работы генератора величины напряжения на обмотке подмагничивания спинки якоря. Оценить достоинства и недостатки принятого в лабораторной работе принципа управления МДС обмотки подмагничивания спинки якоря.
6. Дать анализ причины различия регулировочной характеристики генератора, полученной при выполнении лабораторной работы1, и регулировочной характеристики генератора, реализуемой с помощью лабораторного регулятора напряжения
Литература
1. Под редакцией профессора Н.Т. Коробана. Электроснабжение летательных аппаратов. - М. : Машиностроение, 1975, -536 с. (стр. 154 – 178).
2 В.А. Балагуров, Ф.Ф. Галтеев. Электрические генераторы с постоянными магнитами. – М. : Энергоатомиздат, 1988, -280 с. : ил. (стр. 56 – 93, 108 – 110).
3. Бунаков В.Л.,Гаспаров Р.Г. Полупроводниковые регуляторы напряжения и частоты электрических машин. – М.-Л. : Энергия, 1966, -120 с. : ил.
|