| УДК 621.311
ФИЛИАЛ ОАО "ИНЖЕНЕРНЫЙ ЦЕНТР ЕЭС" - "ФИРМА ОРГРЭС"
МЕТОДИЧЕСКИЕ УКАЗАНИЯ
ПО ЭКСПЛУАТАЦИИ ГАЗОВОГО ХОЗЯЙСТВА ТЕПЛОВЫХ ЭЛЕКТРОСТАНЦИЙ
СО 34.20.514-2005
Разработано Филиалом ОАО "Инженерный центр ЕЭС" - "Фирма ОРГРЭС" Исполнители А.Н. Попов, Т.П. Штань, Д.А. Попов
Утверждено главным инженером Филиала ОАО "Инженерный центр ЕЭС" - "Фирма ОРГРЭС" В.А. Купченко 23.03.2005 г.
Рекомендовано начальником Управления по надзору за общепромышленными опасными объектами Ростехнадзора Б.А. Красных 22.03.2005 г. № 11-10/760
Введение
Настоящие Методические указания устанавливают требования к организации ТО и ремонта объектов газового хозяйства, технологической последовательности выполнения различных операций по подготовке и пуску газа, проведению предпусковой проверки герметичности затворов запорных устройств, растопке котлов на газе из различных состояний, останову и выводу в резерв или в ремонт газового оборудования, а также снятию или установке заглушек на газопроводах.
В Методических указаниях рассмотрены режимы работы газового оборудования, приведен объем, сроки проведения ТО и ремонта ГРП (ГРУ), газового оборудования, внутренних и наружных газопроводов, даны описания возможных аварийных ситуаций и приведены меры по их локализации и ликвидации, а также основные меры безопасности при проведении газоопасных работ и при эксплуатации систем газоснабжения.
В настоящей работе даются указания по разработке производственных инструкций по эксплуатации, а также приведены требования к должностям лицам и обслуживающему персоналу.
Методические указания учитывают требования Федерального закона "О промышленной безопасности опасных производственных объектов" [1], а также других действующих НД, Требования настоящих Методических указаний распространяются на систему газоснабжения ТЭС, производственных, отопительно-производственных котельных, работающих на природном газе, и не распространяются на систему газоснабжения газотурбинных и парогазовых установок.
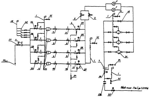
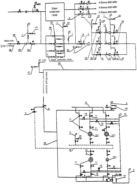
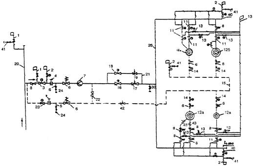
В приложениях Г и Ж Методических указаний приведен Перечень измерений, защит, блокировок и сигнализации, предусматриваемых на котлах из условий обеспечения взрывобезопасности, а также дается краткое техническое описание систем газоснабжения ТЭС.
Забиваем Сайты В ТОП КУВАЛДОЙ - Уникальные возможности от SeoHammer
Каждая ссылка анализируется по трем пакетам оценки: SEO, Трафик и SMM.
SeoHammer делает продвижение сайта прозрачным и простым занятием.
Ссылки, вечные ссылки, статьи, упоминания, пресс-релизы - используйте по максимуму потенциал SeoHammer для продвижения вашего сайта.
Что умеет делать SeoHammer
— Продвижение в один клик, интеллектуальный подбор запросов, покупка самых лучших ссылок с высокой степенью качества у лучших бирж ссылок.
— Регулярная проверка качества ссылок по более чем 100 показателям и ежедневный пересчет показателей качества проекта.
— Все известные форматы ссылок: арендные ссылки, вечные ссылки, публикации (упоминания, мнения, отзывы, статьи, пресс-релизы).
— SeoHammer покажет, где рост или падение, а также запросы, на которые нужно обратить внимание.
SeoHammer еще предоставляет технологию Буст, она ускоряет продвижение в десятки раз,
а первые результаты появляются уже в течение первых 7 дней.
Зарегистрироваться и Начать продвижение
Настоящие Методические указания предназначены для эксплуатационного персонала действующих ТЭС и котельных, занятого ТО и ремонтом газового оборудования и газопроводов систем газоснабжения, и ИТР, отвечающих за организацию эксплуатации систем газоснабжения и газопотребления. Настоящие Методические указания рекомендуются для эксплуатационного персонала, занятого ТО систем газоснабжения, персонала газовых служб (мастерского участка), а также специалистов, ответственных за безопасную эксплуатацию систем газоснабжения и осуществляющих производственный контроль по требованиям промышленной безопасности на объектах систем газоснабжения и газопотребления.
Перечень принятых сокращений приведен в приложении А, основных терминов - в приложении Б.
С выходом настоящих Методических указаний утрачивает силу "Типовая инструкция по эксплуатации газового хозяйства тепловых электростанций: РД 34.20.514-92" (М.: СПО ОРГРЭС, 1994).
1 ОБЩИЕ УКАЗАНИЯ
1.1 Указания по обеспечению промышленной безопасности и взрывопожаробезопасных условий при эксплуатации объектов газового хозяйства
1.1.1 В соответствии со статьей 2 Федерального закона "О промышленной безопасности опасных производственных объектов" № 116-ФЗ [1] системы газоснабжения относятся к ОПО и подлежат регистрации в государственном реестре ОПО в установленном порядке. Регистрация должна проводиться в соответствии с требованиями Правил [4]. При регистрации должны учитываться требования Положения [5].
1.1.2 В соответствии со статьей 6 Федерального закона [1] деятельность организаций по эксплуатации ОПО систем газоснабжения тепловых электростанций и котельных, проведению экспертизы промышленной безопасности проектной документации, технических устройств, зданий и сооружений объектов систем газоснабжения должна осуществляться на основании лицензий, выданных в соответствии с действующим законодательством.
1.1.3 В соответствии со статьей 12 Федерального закона [1] по каждому факту возникновения аварии на объектах систем газоснабжения должно проводиться техническое расследование ее причин.
1.1.4 Расследование несчастных случаев и аварий на объектах систем газоснабжения должно проводиться в соответствии с [6] и [7].
При расследовании должны также учитываться ведомственные НД по расследованию аварийных ситуаций (инцидентов) на ТЭС [51] и положения распорядительных документов по эксплуатации энергосистем, утвержденных ОАО РАО "ЕЭС России".
Сервис онлайн-записи на собственном Telegram-боте
Попробуйте сервис онлайн-записи VisitTime на основе вашего собственного Telegram-бота:
— Разгрузит мастера, специалиста или компанию;
— Позволит гибко управлять расписанием и загрузкой;
— Разошлет оповещения о новых услугах или акциях;
— Позволит принять оплату на карту/кошелек/счет;
— Позволит записываться на групповые и персональные посещения;
— Поможет получить от клиента отзывы о визите к вам;
— Включает в себя сервис чаевых.
Для новых пользователей первый месяц бесплатно.
Зарегистрироваться в сервисе
1.1.5 На энергопредприятии, эксплуатирующем объекты систем газоснабжения, должны быть:
- разработана и внедрена система управления промышленной безопасности в соответствии с положениями Федерального закона [1], других федеральных законов и иных нормативных правовых актов Российской Федерации, а также НД в области промышленной безопасности;
- обеспечен производственный контроль по требованиям промышленной безопасности;
- обеспечено выполнение комплекса мероприятий, включая систему ТО и ремонта, обеспечивающих содержание оборудования и систем газоснабжения в исправном состоянии, а также соблюдение требовании ПТЭ [53];
- заключен договор страхования риска ответственности за причинение Вреда при эксплуатации ОПО;
- организованы подготовка (обучение) и аттестация производственного персонала в области промышленной безопасности;
- организовано проведение проверок технического состояния заземляющих устройств электроустановок и оборудования, средств молниезащиты в установленные ПУЭ [25] сроки;
- обеспечено выполнение распоряжений и предписаний федерального органа исполнительной власти, специально уполномоченного в области промышленной безопасности, его территориальных органов и должностных лиц, отдаваемых ими в соответствии с полномочиями;
- обеспечена защита объектов систем газоснабжения (ГРП, ГРУ) от проникновения и несанкционированных действий посторонних лиц;
- обеспечено своевременное предоставление информации в установленном порядке федеральным органам исполнительной власти, специально уполномоченным в области промышленной безопасности, их территориальным органам, а также иным органам государственной власти, органам местного самоуправления и населению о произошедшей на ОПО аварии;
- разработаны мероприятия по локализации и ликвидации последствий аварий (инцидентов) и оказано содействие государственным органам в расследовании их причин;
- своевременно организовано техническое расследование причин аварий с принятием мер к их устранению, профилактике и учету аварий и инцидентов;
- обеспечено своевременное предоставление в федеральный орган исполнительной власти, специально уполномоченный в области промышленной безопасности, его территориальный орган информации о количестве аварий и инцидентов, причинах их возникновения и принятых мерах.
Ответственность за организацию и осуществление производственного контроля возлагается на первого руководителя энергопредприятия и лица, на которых возложены такие обязанности в соответствии с законодательством Российской Федерации.
1.1.6 В соответствии со статьей 17 Федерального закона [1] лица, виновные в нарушении требований промышленной безопасности, несут ответственность в соответствии с законодательством Российской Федерации.
1.2 Указания к производственным инструкциям
1.2.1 На энергопредприятиях должны быть разработаны местные производственные инструкции с учетом особенностей проектной документации, инструкций заводов-изготовителей газового оборудования и газоиспользующих агрегатов и конкретных условий производства. К местным производственным инструкциям должны прилагаться технологические схемы с обозначением мест установки технологического оборудования и запорной арматуры, средств измерений, регулирующих и предохранительных устройств, а также мест присоединения продувочных газопроводов, трубопроводов безопасности и продувочных агентов (сжатого воздуха, азота) и т.п.
1.2.2 Местные производственные инструкции должны составляться на оборудование, прошедшее пусконаладочные работы. Наладочные работы на газоиспользующем оборудовании проводятся наладочными организациями или наладочными службами предприятий, зарегистрированными в территориальных инспекциях (отделениях) Ростехнадзора, в зоне деятельности которых они расположены.
1.2.3 Должностные инструкции должны определять права и обязанности руководителей и специалистов, занятых технической эксплуатацией газового хозяйства.
1.2.4 В производственных инструкциях должны содержаться требования к технологической последовательности выполнения различных операций, методам и объемам проверки качества выполняемых работ.
1.2.5 Для вновь пускаемых газовых хозяйств до включения оборудования в эксплуатацию должны быть составлены временные производственные инструкции, подлежащие пересмотру после завершения пусконаладочных работ и режимно-наладочных испытаний с учетом результатов наладки и испытаний.
1.2.6 Местные производственные инструкции составляются или согласовываются (при разработке сторонними организациями) лицом, ответственным за безопасную эксплуатацию газового хозяйства энергопредприятия, и утверждаются техническим руководителем (директором)* ТЭС.
_____________
* Для ТЭС мощностью до 25 тыс. кВт.
1.2.7 Производственные инструкции и технические схемы по газовому хозяйству должны пересматриваться и переутверждаться только при реконструкции, техническом перевооружении или при изменении технологического процесса до включения оборудования в работу. Периодический пересмотр производственных инструкций и технологических схем не требуется.
Информация об изменениях в схемах или инструкциях должна доводиться до сведения всех работников (с записью в журнале распоряжений), для которых обязательно знание инструкции или этих схем.
1.3 Указания для должностных лиц и обслуживающего персонала
1.3.1 Руководители предприятий и специалисты, выполняющие работы по техническому надзору за объектами газового хозяйства, наладке газового оборудования и газоиспользующих установок, систем автоматизации, защит и сигнализации, а также по эксплуатации объектов газового хозяйства, дымоотводящих и вентиляционных устройств, должны пройти необходимую подготовку и аттестацию (проверку знаний требований промышленной безопасности Правил [17] и других НД в объеме, соответствующем должностным обязанностям и установленной компетенции.
1.3.2 Порядок проведения аттестации должен соответствовать Положению [54].
1.3.3 Рабочие должны пройти обучение и проверку знаний по безопасным методам и приемам выполнения работ в объеме требований инструкций, отнесенных к их трудовым обязанностям.
1.3.4 Сварщики перед допуском к сварке газопроводов и специалисты сварочного производства, осуществляющие руководство и технический контроль за проведением сварочных работ, должны быть аттестованы в соответствии с требованиями ПБ 03-273-99 [16].
1.3.5 Предаттестационная подготовка (обучение безопасным методам и приемам работ) сварщиков стальных газопроводов, рабочих, занятых обслуживанием газоиспользующих установок, а также лиц, выполняющих газоопасные работы, может проводиться в установленном порядке в аккредитованных организациях, занимающихся подготовкой кадров в области газового хозяйства или в специально создаваемых энергопредприятиями курсах по программам, согласованным с территориальными органами Ростехнадзора.
1.3.6 Обучение должно вестись по учебным планам и программам, согласованным с территориальными органами Ростехнадзора.
1.3.7 Практические навыки при обучении газоопасным работам должны отрабатываться на учебных полигонах (в специально оборудованных учебных мастерских), действующих газопроводах и газооборудовании или соответствующих рабочих местах во время прохождения стажировки по согласованию с территориальными органами Ростехнадзора.
1.3.8 К выполнению газоопасных работ допускаются руководители, специалисты и рабочие обученные технологии проведения газоопасных работ, правилами пользования средствами индивидуальной защиты (противогазами и спасательными поясами), способам оказания первой (доврачебной) помощи, аттестованные и прошедшие проверку знаний в области промышленной безопасности в объеме, соответствующем должностным обязанностям.
1.3.9 Первичная проверка знаний правил безопасности, безопасных методов и приемов выполнения работ в газовом хозяйстве лиц, указанных в пунктах 1.3.1; 1.3.3 и 1.3.8, а также председателей и членов постоянно действующих экзаменационных комиссий должна проводиться с участием инспектора газового надзора.
1.3.10 Проверка знаний по выполнению газоопасных работ может проводиться одновременно с проверкой знаний правил безопасности. В этом случае оформляется общий протокол, в который кроме результатов проверки знаний правил безопасности вносится заключение комиссии о возможности допуска экзаменующихся к выполнению газоопасных работ.
1.3.11 Председатели и члены постоянно действующих экзаменационных комиссий, лица, указанные в пункте 1.3.1, должны проходить проверку знаний правил безопасности в постоянно действующих комиссиях предприятий и организаций, учебно-курсовых комбинатах или территориальных органах Ростехнадзора.
1.3.12 Повторная проверка знаний лиц, перечисленных в пунктах 1.3.3 и 1.3.8, должна проводиться в постоянно действующих комиссиях предприятий и организаций.
1.3.13 Повторная проверка знаний Правил. [17] руководителей и специалистов проводится через 3 года, знаний безопасных методов труда и приемов выполнения работ в газовом хозяйстве рабочих - через 12 мес. Необходимость участия инспектора в повторной проверке знаний решается территориальным органом Ростехнадзора. О дате проведения экзамена ответственные лица обязаны уведомить территориальный орган Ростехнадзора не позднее чем за 5 дн.
1.3.14 Результаты проверки знаний оформляются протоколом с указанием вида работ, к которому допускается лицо, прошедшее проверку знаний.
На основании протокола первичной проверки знаний обучающемуся выдается удостоверение за подписью председателя комиссии и инспектора регионального органа Ростехнадзора. Сведения о последующей проверке знаний заносятся в удостоверение за подписью председателя экзаменационной комиссии.
Инженерно-технические работники, специалисты и рабочие, не прошедшие проверку знаний или получившие неудовлетворительную оценку, не допускаются к выполнению работ на объектах газового хозяйства.
Лица, допустившие нарушение правил и инструкций по безопасному ведению работ, должны проходить внеочередную проверку знаний.
Инженерно-технические работники, специалисты при переходе на другую работу, отличающуюся от предыдущей по условиям и характеру требований Правил [17], должны сдать экзамены на знание этих Правил.
Рабочие перед допуском их к работе, отличающейся от предыдущей, должны пройти обучение и сдать экзамены.
1.3.15 Каждый работающий перед допуском к самостоятельному выполнению газоопасных работ должен после проверки знаний в учебном заведении (см. пункт 1.3.5 настоящих Методических указаний) пройти проверку знаний производственных и должностной инструкций и технологических схем на энергопредприятии, стажировку под наблюдением опытного работника в течение первых 10 рабочих смен и дублирование (для оперативного персонала, осуществляющего эксплуатацию оборудования газового хозяйства).
Допуск к стажировке и самостоятельному выполнению работ оформляется для ИТР решением (приказом) по энергопредприятию, для рабочих - распоряжением по цеху (газовой службе энергопредприятия).
Перед допуском к первому обходу трассы газопроводов рабочие должны быть ознакомлены с трассой газопроводов на местности.
1.3.16 На энергопредприятии приказом (решением правления) из числа руководителей или специалистов (заместитель технического руководителя по эксплуатации; начальник ПТО; лицо, исполняющее функции начальника ПТО), прошедших в установленном порядке проверку знаний Правил [17], должно назначаться лицо, ответственное за безопасную эксплуатацию газового хозяйства энергопредприятия, и его заместитель.
Заместителем лица, ответственного за безопасную эксплуатацию газового хозяйства энергопредприятия, может назначаться начальник КТЦ (котельной) или его заместитель по котельному отделению.
На период отсутствия на энергопредприятии лица, ответственного за безопасную эксплуатацию газового хозяйства энергопредприятия (отпуск, командировка, болезнь и т.п.), ответственность за безопасную эксплуатацию газового хозяйства возлагается на его заместителя.
1.3.17 На тех энергопредприятиях, где газ используется в нескольких цехах (участках), кроме лица, ответственного за безопасную эксплуатацию газового хозяйства энергопредприятия, по решению администрации могут назначаться ответственные лица по отдельным цехам (участкам). В этих случаях заместителем лица, ответственного за безопасную эксплуатацию газового хозяйства энергопредприятия, назначается по решению администрации лицо, ответственное за газовое хозяйства какого-либо цеха (участка).
1.3.18 Обязанности лица, ответственного за безопасную эксплуатацию газового хозяйства энергопредприятия, устанавливаются должностной инструкцией, в которой должны быть отражены следующие положения:
- организация и обеспечение безопасного режима газоснабжения;
- разработка инструкций, плана локализации и ликвидации аварий в газовом хозяйстве, плана взаимодействия служб различного назначения;
- участие в комиссиях по проверке знаний правил, норм и инструкций по газовому хозяйству работников энергопредприятия, проверка соблюдения установленного порядка допуска специалистов и рабочих к самостоятельной работе;
- проведение регулярного контроля за безаварийной и безопасной эксплуатацией и ремонтом газопроводов и газового оборудования, проверка правильности ведения технической документации при эксплуатации и ремонте;
- оказание помощи в работе лицам, ответственным за безопасную эксплуатацию газового хозяйства цехов (участков), контроль за их деятельностью;
- разработка планов мероприятий и программ по замене и модернизации устаревшего оборудования;
- контроль за обеспечением эксплуатационного персонала энергопредприятия средствами защиты;
- контроль за выполнением предписаний органов Ростехнадзора;
- контроль за выполнением утвержденных норм расхода газа на единицу продукции;
- организация и контроль за проведением режимно-наладочных работ на газоиспользующих установках;
- разработка или согласование (при разработке персоналом газовой службы или других подразделений энергопредприятия) технологических карт проведения ремонта установленных в системе газоснабжения энергопредприятия запорной, регулирующей и предохранительной арматуры, электроприводов к ней, средств измерения и контроля, ЗЗУ, приборов контроля факела горелок и топок котлов;
- разработка или согласование (при разработке персоналом газовой службы или других подразделений энергопредприятия) перечня газоопасных работ, выполняемых без руководства специалистов и без оформления наряда-допуска по утвержденным Для каждого вида работ производственным инструкциям и инструкциям по безопасным методам работ;
- организация газовой службы на энергопредприятии и разработка Положения о газовой службе;
- организация контроля за количеством и качеством поступающего газа;
- контроль за обеспечением газовой службы энергопредприятия необходимыми материалами, инструментами, приборами и оборудованием;
- согласование при разработке персоналом газовой службы энергопредприятия или газоснабжающей (газосбытовой) организации маршрутных карт обхода подземных газопроводов. Маршрутные карты должны в течение года уточняться;
- организация и проведение противоаварийных тренировок со специалистами и рабочими; ,
- участие в обследованиях, проводимых органом Ростехнадзора;
- участие в комиссиях по приемке в эксплуатацию вновь вводимого или реконструированного газового оборудования, газоиспользующих установок и участков газопроводов;
- контроль за выполнением мероприятий по устранению нарушений, выявленных всеми ступенями ведомственного контроля за состоянием газового хозяйства;
- участие в рассмотрении проектов реконструкции газового хозяйства энергопредприятия или отдельных цехов (участков);
- разработка или согласование (при разработке персоналом газовой службы) графиков ТО и ремонта оборудования газового хозяйства (для энергопредприятий, осуществляющих эксплуатацию газового хозяйства своими силами);
- проверка выполнения графиков ТО и ремонта оборудования газового хозяйства;
- разработка планов организационно-технических мероприятий по повышению эффективности использования топливно-энергетических ресурсов в целях внедрения современных средств автоматизации и утилизирующих устройств, прошедших испытания и рекомендованных к применению;
- информирование газоснабжающей (газосбытовой) организации об изменении режимов газоснабжения энергопредприятия, порядке проведения совместных мероприятий по защите газопроводов от электрохимической коррозии, о намечаемых сроках ремонта газового хозяйства, связанных с изменением режима газоснабжения энергопредприятия;
- информирование местного органа Ростехнадзора об авариях, взрывах и несчастных случаях, произошедших на газовом хозяйстве энергопредприятия.
1.3.19 Лицу, ответственному за безопасную эксплуатацию газового хозяйства энергопредприятия, предоставляется право:
- осуществлять связь с газосбытовой или газоснабжающей организацией, а также с предприятиями, выполняющими работы по ТО и ремонту по договору;
- требовать отстранения от обслуживания газового оборудования и выполнения газоопасных работ лиц, не прошедших проверку знаний или показавших неудовлетворительные знания правил, норм и инструкций;
- представлять руководству энергопредприятия предложения о привлечении к ответственности лиц, нарушающих требования правил и инструкций;
- не допускать ввода в эксплуатацию газопотребляющих установок (котлов), не отвечающих требованиям ПБСГГ [17];
- приостанавливать работу газопроводов и газового оборудования, опасных в дальнейшей эксплуатации, а также самовольно введенных в работу;
- участвовать в подборе лиц, ответственных за безопасную эксплуатацию газового хозяйства цехов, специалистов и рабочих газовой службы;
- выдавать руководителям цехов (участков), начальнику газовой службы обязательные для исполнения указания по устранению нарушений требований правил, норм и инструкций;
- представлять руководству энергопредприятия предложения о премировании работников, занятых эксплуатацией газового хозяйства энергопредприятия, качественно выполняющих поручаемые им работы.
1.4 Объем исполнительной и технической документации
1.4.1 На каждый наружный газопровод, электрозащитную установку, ГРП (ГРУ) должен быть составлен эксплуатационный паспорт, содержащий основные технические характеристики, а также данные о проведенных ремонтах.
1.4.2 На энергопредприятии должно быть организовано хранение проектной и приемо-сдаточной документации на строительство находящихся в эксплуатации газопроводов и газового оборудования (объектов).
Передача на хранение указанных документов допускается только газосбытовой или газоснабжающей организацией (предприятием газового хозяйства) в случае выполнения ими ТО и ремонта.
1.4.3 Для организации эксплуатации газового хозяйства должна быть подготовлена следующая документация:
- приказ о создании газовой службы (мастерского участка) - для энергопредприятий, осуществляющих эксплуатацию газового хозяйства своими силами;
- приказ о создании постоянно действующей комиссии по проверке знаний правил, инструкций и положений по безопасным методам и приемам работ лиц, занятых эксплуатацией газового хозяйства энергопредприятия;
- приказы о назначении из числа руководящих ИТР ТЭС лица, ответственного за безопасную эксплуатацию газового хозяйства энергопредприятия, и его заместителя;
- приказы о назначении по отдельным цехам электростанций ответственных лиц из числа ИТР с указанием конкретного газового оборудования, за которое отвечает ответственное лицо;
- приказ о назначении лиц, имеющих право выдачи нарядов на проведение газоопасных работ;
- приказ о назначении лиц, допущенных к руководству и выполнению газоопасных работ;
- должностные и производственные инструкции для работников, занятых эксплуатацией газового оборудования, газопроводов и котлов, в том числе инструкция по переводу оборудования котельной с газообразного топлива на сжигание другого вида топлива (мазута, угля). Производственные инструкции должны включать разделы по охране (безопасности) труда и пожарной безопасности,
- инструкции на установку и снятие заглушек на газопроводах;
- перечень газоопасных работ, выполняемых без руководства специалистов и без оформления нарядов-допусков по утвержденным для каждого вида работ производственным инструкциям и инструкциям по безопасным методам работ;
- план локализации и ликвидации аварий в газовом хозяйстве;
- план взаимодействия служб различного назначения;
- график аварийного газоснабжения в случае аварии на магистральных газопроводах, разработанный совместно с газоснабжающей (газосбытовой) организацией;
- договор на подачу и приемку газа на электростанцию (в котельную);
- документация по аттестации узлов учета газа для учетно-расчетных операций и для целей технологического контроля;
- исполнительный рабочий план (схема) подземного газопровода с указанием мест расположения сварных стыков, запорной арматуры, контрольных трубок, контрольно-измерительных пунктов и профиля трассы;
- маршрутные карты с указаниями схемы трасс газопроводов и местоположения газовых сооружений, подвалов зданий и колодцев всех сопутствующих газопроводам подземных сооружений и коллекторов, расположенных на расстоянии до 50 м по обе стороны от газопровода и подлежащих проверке на загазованность при обходе;
- паспорта на наружные (подземные и надземные) газопроводы и ГРП, электрозащитную установку, составленные строительно-монтажной организацией или подразделениями электростанций, в чьем ведении они находятся, а также паспорта заводов-изготовителей на регуляторы давления, предохранительные и предохранительно-запорные клапаны, запорно-отключающую арматуру, газогорелочные устройства;
- планы и графики проведения ТО и ремонта газопроводов и газового оборудования, а также ремонтно-наладочных работ на газоиспользующих установках с указанием сроков;
- технологические карты проведения ремонта установленных в системе газоснабжения запорной, регулирующей и предохранительной арматуры, электроприводов к ней, средств измерений и контроля, ЗЗУ и ЗУ, приборов контроля факела горелок и топок котлов;
- перечень газоопасных работ, в котором раздельно должны быть указаны работы, проводимые с оформлением наряда, без наряда, но с регистрацией в журнале, а также работы, вызванные необходимостью ликвидации возможных аварийных ситуаций;
- перечень мест, опасных в отношении загазованности;
- перечень лиц, допущенных к проведению осмотров и ТО газопроводов и оборудования ГРП и газоиспользующих установок;
- протоколы комиссии по проверке знаний Правил [17] руководителей, специалистов и рабочих, занимающихся эксплуатацией газового хозяйства, в объеме выполняемой ими работы;
- проектная и приемо-сдаточная документация, в том числе копия разрешения на использование газа установкой или подтверждение его наличия;
разрешение территориальной инспекции Управления по технологическому и экологическому надзору Ростехнадзора на пуск газа на газоиспользующие установки для проведения наладочных работ;
режимные карты на газоиспользующие установки;
паспорт на каждую газоиспользующую установку с указанием в нем расчетных норм расхода топлива;
разрешение территориальной инспекции Управления по технологическому и экологическому надзору Ростехнадзора на пуск газа на газоиспользующие установки для ввода их в промышленную эксплуатацию;
заключение о наличии и влиянии на газопроводы блуждающих токов;
согласованные с проектной организацией ведомости отклонений от проекта с обоснованием;
акты испытания арматуры;
акт приемки и наладки электрохимической защиты газопроводов от коррозии; акты на скрытые работы;
сертификаты на трубы газопроводов, на электроды для сварки газопроводов;
акты испытаний газового оборудования и газопроводов на прочность и герметичность;
акты специализированной организации о проверке технического состояния дымоотводящих и вентиляционных устройств;
акты приемки в эксплуатацию газопроводов в пределах котельной и актов с приложением технической документации;
акт приемки оборудования и здания ГРП в эксплуатацию с приложением технической документации;
акт приемки в эксплуатацию газопроводов по эстакаде от ГРП до котельной с приложением технической документации;
копии удостоверений сварщиков, проводивших сварочные работы при монтаже газопроводов;
протокол о проверке качества сварных стыков газопроводов физическими методами контроля;
копия протокола механических испытаний сварных стыков стального газопровода;
копия протокола металлографических исследований контрольных образцов;
исполнительные схемы трубопроводов; акты первичного пуска газа, наладки газового оборудования и приборов автоматики;
наряды-допуски на проведение газоопасных работ на первичный пуск газа на объекты газового хозяйства;
акт приемки качества звукопоглощающей изоляции газопроводов;
протоколы испытаний и технические данные газоиспользующего оборудования и газогорелочных устройств, полученные от заводов-изготовителей, и заводские инструкции по монтажу и эксплуатации оборудования;
- эксплуатационно-техническая документация*, журналы учета:
проведения инструктажей по технике безопасности;
проверки знаний персонала Правил [17];
проверки средств автоматики, сигнализации и защиты;
проверки средств измерений;
выдачи нарядов на газоопасные работы (наряды, возвращенные после выполнения работ, хранятся в течение года);
проведения учебно-тренировочных занятий по инструкциям и планам ликвидации возможных аварий при эксплуатации газового хозяйства;
дефектов газопроводов и газового оборудования;
обходов оборудования ГРП и надземных газопроводов;
обходов подземных газопроводов;
анализов загазованности подземных сооружений, подвалов и первых этажей зданий;
эксплуатационный (оперативный) журнал работы оборудования ГРП;
журналы ведомственного контроля за соблюдением требований Правил [17].
_____________
* Перечень эксплуатационно-технической документации газового хозяйства определяется н зависимости от местных условий эксплуатации н утверждается техническим руководителем энергопредприятия.
1.4.4 Место и порядок хранения исполнительной, проектной, приемо-сдаточной и эксплуатационно-технической документации определяются директором энергопредприятия и оформляются приказом по энергопредприятию (решением правления).
1.5 Организация технического обслуживания и ремонта
1.5.1 На каждом энергопредприятии должен выполняться комплекс мероприятий, включая систему ТО и ремонта, обеспечивающий содержание газового хозяйства в исправном состоянии и соблюдение требований по безопасной эксплуатации газопроводов, оборудования и газоиспользующих установок (котлов).
Обеспечение выполнения комплекса мероприятий возлагается на первого руководителя энергопредприятия.
1.5.2 Техническое обслуживание и ремонт объектов газового хозяйства должны выполняться в объеме и сроки, установленные Правилами [17] и другими НД на оборудование и газоиспользующие установки.
1.5.3 К ТО и ремонту газопроводов и газового оборудования могут привлекаться предприятия газового хозяйства (газосбытовые или газоснабжающие организации) или другие специализированные организации.
1.5.4 Передача предприятием-владельцем работ по ТО и ремонту предприятиям газового хозяйства или специализированным организациям должна оформляться специальным договором, заключенным между заинтересованными сторонами.
1.5.5 В договоре должны быть четко определены границы и объемы работ по ТО и ремонту, регламентированы обязательства заинтересованных сторон в обеспечении условий безопасной эксплуатации газового хозяйства.
1.5.6 Графики ТО и ремонта объектов газового хозяйства утверждаются техническим руководителем (главным инженером) предприятия - владельца.
1.5.7 Па энергопредприятиях, осуществляющих эксплуатацию газового хозяйства своими силами, должна быть организована газовая служба или участок по обслуживанию и ремонту оборудования газового хозяйства энергопредприятия под руководством мастера ЦЦР (мастерский участок).
Задачи газовой службы, структура и численность ее устанавливаются "Положением о газовой службе", утвержденным руководителем энергопредприятия и согласованным с региональным органом Ростехнадзора.
"Положение о газовой службе" разрабатывается на основе отраслевого НД с учетом особенностей газоснабжения энергопредприятия.
1.5.8 На каждом энергопредприятии должно быть разработано и утверждено "Положение по организации и проведению ведомственного контроля за безопасной эксплуатацией газового хозяйства предприятия", которое должно предусматривать:
- периодичность и объем проводимых проверок;
- порядок выявления и устранения нарушений;
- оценку состояния газопроводов и газового оборудования;
- проверку деятельности руководителей служб цехов и других подразделений по обеспечению ими условий для соблюдения на рабочих местах требований инструкций и правил.
Организация ведомственного контроля возлагается на технического руководителя энергопредприятия.
1.5.9 Эксплуатация газового хозяйства включает:
- техническое обслуживание;
- плановые ремонтные работы (текущий и капитальный ремонт);
- аварийно-восстановительные работы (при необходимости);
- включение и отключение оборудования, работающего сезонно.
1.5.10 Контрольная опрессовка наружных газопроводов, ГРП и внутренних газопроводов котла воздухом, установка и снятие заглушек на газопроводах производятся персоналом газовой службы энергопредприятия (мастерский участок при ЦЦР) по наряду-допуску на производство газоопасных работ.
Работа должна производиться лицами, имеющими удостоверение на право проведения газоопасных работ на данном энергопредприятии.
1.5.11 Предпусковая проверка герметичности затвора запорных устройств перед горелками котла газом производится оперативным персоналом КТЦ (котельной) под руководством начальника смены КТЦ (котельной).
1.5.12 Переключение газового оборудования, вывод его в ремонт и резерв, а также ввод оборудования после проведения на нем ремонта осуществляются по указанию НСС оперативным персоналом КТЦ (котельной) под руководством начальника смены КТЦ (котельной) или другого лица, назначенного начальником смены (старшего машиниста котла, энергоблока) с участием (при необходимости) оперативного персонала цеха ТЛИ и электроцеха.
1.5.13 Техническое обслуживающие газопроводов и газового оборудования осуществляется оперативным персоналом цехов электростанций, при этом:
1.5.13.1 Контрольный осмотр подземных газопроводов, находящихся вне территории ТЭС, осуществляет персонал газовой службы предприятия или газоснабжающей (газосбытовой) организации (горгаза, промгаза) по договорам.
1.5.13.2 Контрольный осмотр подземных и надземных газопроводов, находящихся на территории ТЭС, осуществляет персонал газовой службы энергопредприятия или КТЦ (котельной).
1.5.13.3 Контрольный осмотр оборудования ГРП и внутренних газопроводов котлов, использующих газовое топливо, осуществляет дежурный персонал КТЦ (котельной).
1.5.13.4 Контроль за состоянием и применением средств измерений, релейной защиты и автоматического регулирования, МЭО, калориметрических установок, а также их ремонт осуществляет персонал цеха (участка) ТАИ.
1.5.13.5 Техническое обслуживание и ППР установки по электрохимической защите от коррозии газопроводов осуществляет персонал электроцеха или специализированной организации по договору. 13 последнем случае электроцех осуществляет контроль за ведением ТО и ППР.
1.5.13.6 Текущее ТО оборудования газового хозяйства осуществляет дежурный персонал цехов предприятия.
1.5.13.7 Регламентированное ТО оборудования газового хозяйства осуществляет персонал газовой службы энергопредприятия (мастерского участка ЦЦР или ремонтно-строительной группы).
1.5.14 Контроль за состоянием и содержанием средств индивидуальной защиты в цехах осуществляет инспектор (старший инспектор) техники безопасности.
1.5.15 Контроль за качеством поступающего газа путем отбора проб газа и его анализа осуществляет химический цех (химическая лаборатория).
1.5.16 Проверку загазованности помещений ГРП при контрольном осмотре осуществляет дежурный персонал КГЦ или химического цеха (химической лаборатории).
1.5.17 Проверку загазованности помещений котельной при РТО осуществляет персонал газовой службы предприятия (мастерского участка ЦЦР) или химического цеха (химической лаборатории).
1.5.18 Анализ газовоздушной среды при продувке газопроводов газом или сжатым воздухом при пуске газа, выводах на консервацию или ППР осуществляет персонал химического цеха (химической лаборатории).
1.5.19 Учет количества поступающего и расходуемого газа осуществляет группа учета ПТО.
1.5.20 Ведомственный контроль за метрологическим обеспечением средств измерений по определению качества и количества газа осуществляет метрологическая служба энергоуправления или подразделения, выполняющие ее функции.
1.5.21 Все виды ремонта механической части оборудования газового хозяйства, а также работы, связанные с реконструкцией или модернизацией газопроводов и оборудования газового хозяйства, осуществляют специализированные предприятия или ЦЦР электростанции (газовая служба предприятия).
1.5.22 Контроль за выполнением работ по капитальному ремонту и последующая приемка работ осуществляются организацией, эксплуатирующей газопровод. Приемка в эксплуатацию оборудования после капитального ремонта производится без участия инспектора газового надзора.
1.5.23 Порядок организации ремонта взрывозащищенного оборудования, объем и периодичность выполняемых при этом работ должны соответствовать требованиям РД 16.407-89 [48].
1.5.24 Аварийно-восстановительные работы относятся к неплановым работам, необходимость в которых возникает вследствие нарушений целостности газопровода или сооружений на нем, создавших аварийную ситуацию. Аварийно-восстановительные работы осуществляет ЦЦР электростанций (газовая служба энергопредприятий) или специализированное подразделение газоснабжающей (газосбытовой) организации по договорам.
1.5.25 Деятельность аварийных бригад по локализации и ликвидации аварийных ситуаций должна определяться планом ликвидации и локализации аварий и планом взаимодействия служб различного назначения (гражданской обороны, пожарной охраны, скорой помощи и т.н.), которые должны быть разработаны каждым энергопредприятием с учетом местных условий в соответствии с Правилами [17]. Ответственность за составление планов, своевременность внесения в них дополнений и изменений, пересмотр и переутверждение их (не реже одного раза в 3 года) несет технический руководитель энергопредприятия.
1.5.26 По планам локализации и ликвидации аварий по каждой теме для каждой смены должны не реже 1 раза в 6 мес. проводиться тренировочные занятия с последующей оценкой действий персонала.
Тренировочные занятия должны, проводиться в соответствии с требованиями ПТЭ [53].
1.5.27 Распределение обязанностей между оперативным персоналом при ликвидации аварии, переключениях, пуске и останове газового оборудования должно быть регламентировано местными инструкциями.
1.5.28 Тренировочные занятия по планам взаимодействия служб различных назначений должны проводиться не реже одного раза в год.
1.5.29 Проведенные тренировочные занятия должны регистрироваться в специальном журнале.
1.6 Режимы работы
1.6.1 Газопроводы и газовое оборудование газоиспользующих установок (котлов) могут находиться в следующих режимах:
- в рабочем
- при работе котла на газе или на другом виде топлива (жидком, твердом);
- в резерве
- при нахождении котла в резерве;
- в ремонте
- при проведении любых видов ремонтных работ на газопроводах котла или внутри котла;
- в консервации
- при останове котла (сезонная работа котла).
1.6.1.1 В рабочем режиме
на газопроводах котла должны быть;
- открыто запорное устройство на вводе газопровода запального газа к котлу;
- открыты запорные устройства на газопроводе ввода к котлу (для энергоблоков мощностью менее 800 МВт);
- закрыты запорные устройства на продувочных газопроводах;
- открыты ПЗК на общем газопроводе котла и на газопроводе запального газа (при работе котла на газе);
- открыты оба запорные устройства на газопроводе перед горелкой и закрыто запорное устройство на трубопроводе безопасности (при работе горелки на газе);
- закрыты оба запорные устройства перед горелкой, ПЗК и запорное устройство на газопроводе запального газа перед ЗЗУ или ЗУ и открыто запорное устройство на трубопроводе безопасности перед горелкой (при неработающей горелке на газе);
- закрыты ПЗК на общем газопроводе котла, закрыты оба запорные устройства на газопроводе перед каждой горелкой и открыты запорные устройства на трубопроводах безопасности перед каждой горелкой (при работе котла на другом виде топлива);
- закрыты запорные устройства на штуцерах подвода сжатого воздуха или инертного газа, а также на линиях отбора проб газа и дренажных;
- после запорных устройств на штуцерах подвода сжатого воздуха установлены заглушки.
При работе котла на другом виде топлива (жидком или твердом) допускается избыточное давление газа в газопроводах котла.
1.6.1.2 В режиме резерва
на газопроводах котла должны быть:
- закрыто запорное устройство (с электроприводом) на газопроводе к котлу и на газопроводе запального газа к котлу;
- закрыты запорные устройства на газопроводе перед каждой горелкой, на штуцерах подвода сжатого воздуха или инертного газа, а также на "линиях отбора проб газа и дренажных;
- закрыты ПЗК на общем газопроводе к котлу и на газопроводе запального газа;
- открыты запорные устройства на продувочных газопроводах и трубопроводах безопасности.
После запорных устройств на штуцерах подвода сжатого воздуха установлены заглушки.
Заглушки за запорными устройствами на газопроводе к котлу и газопроводе запального газа не устанавливаются.
Продолжительность нахождения газопроводов котла в резерве определяется временем нахождения котельной установки в резерве.
1.6.1.3 В режиме ремонта или консервации газопроводы
котла должны быть освобождены от газа, продуты сжатым воздухом или инертным газом, должны быть закрыты ПЗК на общем газопроводе котла и газопроводе запального газа, закрыты запорные устройства на газопроводах перед каждой горелкой, газопроводе к котлу и на газопроводе запального газа (с их электроприводов снято напряжение, а их приводы закрыты на цепи с замками), на штуцерах подвода сжатого воздуха или инертного газа, а также на линиях отбора проб газа и дренажных; открыты запорные устройства на продувочных газопроводах и трубопроводах безопасности.
За запорным устройством на газопроводе запального газа и газопроводе к котлу при газоснабжении его от общестанционного ГРП должны быть установлены заглушки.
1.6.2 Газовое оборудование ГРП энергопредприятий в зависимости от классификации потребителей может находиться в следующих режимах:
- рабочем
- при работе котла или котлов на газе;
- резерве
- при нахождении котлов (котельной) в режиме резерва;
- ремонте
- при проведении ремонтных работ на оборудовании ГРП, связанных с разборкой запорной арматуры, не обеспечивающей герметичность закрытия;
- консервации
- при сезонной подаче газа на энергопредприятие.
1.6.2.1 В рабочем и резервных режимах должны быть:
- включена в работу установка электрохимической защиты подземных газопроводов (при ее наличии);
- включены средства технологической сигнализации защиты и блокировки оборудования ГРП в объеме, предусмотренном проектом;
- установлены заглушки после запорных устройств на патрубках подвода сжатого воздуха к газопроводам;
- закрыты запорные устройства на продувочных газопроводах ГРП и котельной;
- установлены токопроводящие соединения (перемычки) на газопроводах котлов и ГРП;
- открыты вентили средств измерений (манометры, расходомеры) и арматура перед ПСК;
- закрыты запорные устройства на байпасном газопроводе ГРП (при его наличии), а их приводы закреплены цепями на замки. После первого (по ходу газа) запорного устройства установлена заглушка. Подача газа по байпасному газопроводу ГРП без установки на нем регулирующего клапана не разрешается;
- запорные устройства на байпасном газопроводе и перед ПСК должны быть опломбированы.
1.6.2.2 В рабочем режиме
ключи блокировки запорных устройств на входе в рабочие редуцирующие установки находятся в положении "Работа", а регулирующие клапаны на редуцирующих установках находятся в режиме автоматического управления по поддержанию заданного давления газа на выходе из ГРП. Ключ блокировки запорного устройства на входе в резервную редуцирующую установку находится в положении "Резерв". Запорные устройства на выходе из редуцирующих установок, находящихся в рабочем положении или в резерве, должны находиться в открытом положении. Колебание давления газа на выходе из ГРП не должно превышать 10% рабочего давления.
Количество находящихся в работе редуцирующих установок определяется их производительностью и нагрузкой котельной и устанавливается местной инструкцией.
В помещениях ГРП (помещениях регуляторного зала и щита управления) не должен постоянно находиться эксплуатационный персонал. .
Регулирование давления газа на ГРП и управление запорной арматурой редуцирующих ниток должны осуществляться автоматически с выводом светозвуковой сигнализации о нарушениях в работе оборудования общестанционного ГРП для блочных ТЭС на один из БЩУ, а для ТЭС с поперечными связями - на один из щитов управлении котла или группы котлов (ГрЩУ). Обслуживание оборудования ГРП должно осуществляться периодическим осмотром оборудования ГРП и газопроводов и постоянным контролем за обеспечением режима нормальной работы ГРП по показаниям средств измерений, вынесенных на щиты управления главного корпуса.
1.6.2.3 В режиме резерва
запорная и регулирующая арматура ГРП находится на дистанционном управлении, при этом:
- закрыта входная задвижка на газопроводе высокого давления к ГРП и с ее электропривода снято напряжение;
- закрыты на всех редуцирующих установках входные задвижки и регулирующие клапаны, имеющие в качестве приводов электрические исполнительные механизмы.
Газопроводы в ГРП заполнены газом, запорные устройства на продувочных газопроводах закрыты.
1.6.2.4 В режиме ремонта или консервации
газовое оборудование и газопроводы ГРП должны быть освобождены от газа, продуты сжатым воздухом или инертным газом, при этом:
- закрыта задвижка (кран) на газопроводе от ГРС перед вводом его на территорию ТЭС;
- закрыта входная задвижка на газопроводе к ГРП и за ней установлена заглушка;
- установлены проектные токопроводящие соединения (перемычки) на фланцевых соединениях оборудования на наружных газопроводах;
- с электроприводов вводной и входной задвижек ГРП снято напряжение, а их приводы закрыты на цепи с замками.
2 УКАЗАНИЯ МЕР БЕЗОПАСНОСТИ
2.1 При эксплуатации сметем газоснабжения
2.1.1 Курение и использование открытого огня в помещениях ГРП -категорически не допускается, о чем на видном месте снаружи и внутри помещения должны быть вывешены предупредительные надписи: "Огнеопасно", "Не курить", "Не разводить огня".
2.1.2 Не допускается вход посторонних в помещения и на территорию ГРП.
2.1.3 Курение и использование открытого огня при проверке загазованности колодцев, коллекторов и подводов зданий, а также для отогрева газопроводов не допускаются.
2.1.4 Не допускается производить анализ загазованности воздуха в помещениях, коллекторах и колодцах газоанализатором в невзрывозащищенном исполнении. При использовании таких газоанализаторов в указанных местах разрешается брать пробу воздуха, а анализ ее следует производить за их пределами.
2.1.5 Не допускается при отборе проб воздуха и обходе трассы спускаться в газовые колодцы, а также в колодцы других подземных сооружений.
2.1.6 При расположении наружных газопроводов в пределах высоты первого этажа зданий осмотр их, замена запорной арматуры, перенабивка сальников и другие ремонтные работы могут производиться с поверхности земли или с приставной лестницы. Нижние концы лестниц должны иметь шипы или резиновые наконечники, препятствующие скольжению.
При расположении газопроводов выше первого этажа указанные работы (кроме осмотра газопроводов) выполняются с использованием передвижных инвентарных подмостей.
2.1.7 До начала огневых работ или газовой резки в помещениях, где расположены газопроводы, а также в колодцах, коллекторах и других подобных сооружениях должна производиться проверка воздуха на загазованность. В помещениях, не относящихся по требованиям ПУЭ [25] к взрывоопасным, проверка воздуха на загазованность может не проводиться.
Отбор проб воздуха должен производиться на уровне 0,4-0,7 м от потолка.
Проверка загазованности воздуха должна производиться специальным прибором - газоанализатором во взрывозащищенном исполнении.
В течение всего времени проведения огневых работ помещение должно хорошо проветриваться.
2.1.8 Проведение огневых работ в загазованной среде с содержанием газа 1/5 нижнего предела его воспламеняемости и более не допускается.
2.1.9 В местах, опасных в отношении загазованности, и при газоопасных работах должен применяться инструмент, не дающий искр (из цветных металлов или сплавов). Применение электродрелей и других электрических инструментов, при работе которых возникает искрение, не допускается. Рабочее место должно быть организовано таким образом, чтобы исключить падение на пол газопровода, настила различных деталей и инструментов.
2.1.10 В местах, опасных в отношении загазованности, и при газоопасных работах в качестве переносного источника света разрешается пользоваться только исправным взрывобезопасным светильником.
2.1.11 Проверка герметичности соединений газопроводов, арматуры и приборов, а также отыскание мест утечек газа должны производиться с применением мыльной эмульсии или специального прибора. Применение огня в этих целях не допускается.
2.1.12 Ремонт электрооборудования в газоопасных местах и замена перегоревших ламп должны производиться при снятом напряжении.
2.1.13 Хранение в помещении ГРП обтирочных, горючих и других материалов не допускается.
2.1.14 Для тушения загорания должны быть предусмотрены первичные средства пожаротушения:
- углекислотные огнетушители для тушения электрооборудования и проводки;
- пенные огнетушители для тушения загорания в местах, где можно создать накопление пены и тем самым прекратить доступ воздуха к месту горения;
- песок для тушения горящих вспомогательных материалов (масла, досок и др.) и тушения загорания газа при небольших утечках.
2.1.15 Не допускается вносить в топку пламя или другие запальные средства без вентиляции топки газоходов и воздуховодов с помощью тягодутьевых механизмов. Вентиляция должна производиться в течение не менее 10 мин. Определять герметичность затвора запорных устройств перед горелками котла путем внесения в топку котла открытого пламени или других запальных средств не допускается.
2.1.16 До розжига горелок должен быть проведен инструктаж по правилам безопасности персонала, участвующего в растопке, а также лаборантов химического цеха. О проведении инструктажа делается запись в оперативном журнале машиниста котла.
2.1.17 Непосредственно перед розжигом котла следует установить, соответствует ли давление газа перед горелками, давление воздуха и разрежение в топке требованиям инструкции по эксплуатации котла.
2.1.18 При растопке не допускается стоять напротив гляделок и растопочных лючков. У работающих котлов гляделки следует открывать осторожно и смотреть через них только при отсутствии выбивания газа.
2.1.19 При разрыве или нарушении герметичности газопровода котельной следует немедленно отключить поврежденный участок со сторон подвода газа задвижками с обязательной установкой за ними заглушек, одновременным открытием окон и дверей создать усиленную вентиляцию помещений.
2.1.20 В зоне распространения газа при нарушении герметичности газопровода должны быть прекращены все работы, а люди из нее немедленно выведены. Не допускается включать-отключать освещение и электрооборудование, применять открытый огонь, курить и производить другие действия, способные вызвать загорание газовоздушной смеси.
2.1.21 Перед допуском к работе внутри топки, газоходов, воздуховодов котла необходимо:
- убедиться в закрытии запорных устройств на газопроводе перед горелками, открытии запорных устройств на трубопроводах безопасности и продувочных газопроводах;
- убедиться в закрытии запорных устройств на вводе газопровода запального газа к котлу, ПЗК и запорных устройств на подводе газа к ЗЗУ и ЗУ горелок;
- убедиться в закрытии запорных устройств на газопроводе к котлу (схемы электроприводов электрифицированных запорных устройств должны быть разобраны, а их приводы заперты на цепи с замками);
- убедиться в установке заглушек на общем газопроводе к котлу и на газопроводе запального газа;
- взять пробу из газопроводов и убедиться в том, что газопроводы котла и запального газа продуты сжатым воздухом или инертным газом;
- взять пробу воздуха в топке, газоходе или воздуховоде для анализа на отсутствие газа и при необходимости провентилировать топку и газоходы в течение не менее 10 мин.
2.1.22 Полы в помещениях ГРП должны настилаться из несгораемых и не дающих искр материалов. Двери должны быть обиты несгораемыми материалами и открываться наружу.
2.1.23 На щите управления ГРП должна иметься аптечка с необходимыми медикаментами и перевязочными средствами.
2.1.24 Помещение ГРП должно оборудоваться автоматическими сигнализаторами на загазованность воздуха с выводом сигнализации на щит управления главного корпуса.
2.1.25 Помещение ГРП должно закрываться на замок, ключи от которого должны храниться у начальника смены КТЦ и выдаваться под расписку лицам, перечень которых утвержден техническим руководителем ГЭС.
2.1.26 Вдоль трассы подземного газопровода с обеих сторон должны быть выделены полосы шириной по 2 м, в пределах которых не допускается складирование материалов и оборудования.
2.1.27 У входа в помещения ГРП должны быть установлены таблички (или сделана надпись) о категории их взрывоопасности (пожароопасности).
2.1.28 Работа по регулировке и ремонту систем автоматизации, защит и сигнализации в условиях загазованности не допускается.
2.2 При проведении газоопасных работ
2.2.1 К газоопасным работам в системе газоснабжения ТЭС относятся:
2.2.1.1 Присоединение вновь построенных газопроводов к действующей газовой сети.
2.2.1.2 Пуск газа в газопроводы и другие объекты систем газоснабжения при вводе в эксплуатацию, после ремонта и их консервации, а также производство пусконаладочных работ.
2.2.1.3 Ремонт и техническое обслуживание действующих (находящихся "под газом") внутренних и наружных газопроводов, оборудования ГРП (ГРУ), газоиспользующих установок.
2.2.1.4 Удаление закупорок на действующих газопроводах, установка и снятие заглушек на газопроводах, находящихся под газом, а также отсоединение от газопроводов агрегатов газового оборудования и отдельных узлов.
2.2.1.5 Отключение от действующей газовой сети и продувка газопроводов, консервация и расконсервация газопроводов и оборудования сезонного действия.
2.2.1.6 Ремонт, осмотр и проветривание колодцев и откачка газового конденсата и конденсатосборников.
2.2.1.7 Раскопка фунта в местах утечки газа до их устранения.
2.2.1.8 Все виды ремонта, связанные с выполнением огневых и сварочных работ на действующих газопроводах и ГРП.
2.2.2 На проведение газоопасных работ должен выдаваться наряд-допуск, а на пуск газа на все объекты газового хозяйства (в том числе первичный пуск), пуск после режима консервации должен быть дополнительно составлен специальный план организации работ по пуску газа, утвержденный техническим руководителем.
В специальном плане указываются строгая технологическая последовательность проведения работ, расстановка людей, потребность в механизмах и приспособлениях, предусматриваются мероприятия по безопасности проведения работ.
В плане должна быть предусмотрена выписка отдельных нарядов на все виды газоопасных работ, выполняемых при пуске газа, проведение контрольной опрессовки газопроводов и газового оборудования воздухом и определены лица, ответственные за проведение каждой работы, а также указано лицо, осуществляющее координацию и общее руководство работами по пуску газа.
Каждому ответственному лицу выдается отдельный наряд-допуск на проведение газоопасной работы в соответствии с планом работ.
К плану работ и наряду-допуску прилагается исполнительный чертеж или выкопировка из него с указанием места и характера производимой работы.
Перед началом газоопасных работ лицо, ответственное за их проведение, должно проверить соответствие исполнительного чертеже или выкопировки фактическому расположению объекта на месте.
В процессе проведения газоопасной работы все распоряжения должны даваться лицом, ответственным за работу. Другие должностные лица и руководители, присутствующие при проведении работы, могут давать указания рабочим только через ответственного за проведение данной работы.
2.2.3 Первичный пуск газа следует осуществлять с привлечением специализированной пусконаладочной организации, имеющей допуск к проведению режимно-наладочных работ, в присутствии представителей строительно-монтажной организации и местной газоснабжающей (газосбытовой) организации.
2.2.4 Лица, имеющие право выдачи нарядов допусков, определяются приказом по предприятию, осуществляющему эксплуатацию системы газоснабжения, и назначаются из числа руководящих работников и специалистов, сдавших экзамен в соответствии с требованиями ПБСГГ [17].
2.2.5 Периодически повторяющиеся газоопасные работы, выполняемые в аналогичных условиях, как правило, постоянным составом работающих, могут проводиться без оформления наряда-допуска по утвержденным для каждого вида работ производственным инструкциям и инструкциям по безопасным методам работ. К таким относятся работы, перечисленные в пункте 2.2.1.6, а также ТО запорной арматуры, компенсаторов, газопроводов и газового оборудования без отключения газа. Указанные работы должны регистрироваться в специальном журнале учета газоопасных работ. Журнал должен быть пронумерован и скреплен печатью, страницы журнала должны быть пронумерованы.
2.2.6 Газоопасные работы должны выполняться под руководством руководителя или специалиста, за исключением работ по осмотру, ремонту и проветриванию колодцев, проверке и удалению воды и конденсата из конденсатосборников, а также ТО внутренних газопроводов и газоиспользующих установок.
Руководство указанными работами допускается поручать наиболее квалифицированному рабочему.
2.2.7 Первичный пуск газа в ГРП (газопроводы котла) должен производиться под руководством лица, ответственного за безопасную эксплуатацию газового хозяйства энергопредприятия (котельной).
Результаты контрольной опрессовки и окончание работ по первичному пуску газа отмечаются в наряде-допуске, который должен быть приложен к исполнительной документации данного объекта и храниться вместе с ней.
2.2.8 Газоопасные работы должны выполняться бригадой в составе не менее двух рабочих.
Ремонтные работы в колодцах, туннелях, траншеях и котлованах глубиной более 1 м, коллекторах должны производиться бригадой в составе не менее чем из трех рабочих.
2.2.9 Работы по локализации и ликвидации аварий производятся без наряда-допуска до устранения прямой угрозы жизни людей и повреждения материальных ценностей. После устранения угрозы работы по приведению газопроводов и газового оборудования в технически исправное состояние должны производиться по наряду-допуску.
В том случае, когда аварии от начала до конца ликвидируются аварийной службой, составление наряда-допуска не требуется.
2.2.10 Наряды-допуски на газоопасные работы должны выдаваться заблаговременно для проведения необходимой подготовки к работе. В наряде-допуске указывается срок его действия, время начала и окончания работы. При невозможности окончания работы в указанный срок наряд-допуск может быть продлен лицом, выдавшим его.
Наряды-допуски должны регистрироваться в специальном журнале.
Ответственный, получая наряд-допуск и возвращая его по окончании работы, должен расписаться в журнале.
2.2.11 Наряды-допуски должны храниться не менее 1 года. Наряды-допуски, выдаваемые на первичный пуск газа, производство ремонтных работ на подземных газопроводах с применением сварки, хранятся постоянно в исполнительно-технической документации на данный объект.
2.2.12 Если газоопасные работы, выполняемые по наряду-допуску, производятся в течение более одного дня, ответственный за их выполнение обязан ежедневно докладывать о ходе работ лицу, выдавшему наряд-допуск на эту работу.
2.2.13 Перед началом газоопасной работы ответственный за ее проведение обязан проинструктировать всех рабочих о необходимых мерах безопасности. После этого каждый рабочий, получивший инструктаж, должен расписаться в наряде-допуске.
2.2.14 Газоопасные работы должны выполняться, как правило, в дневное время. Работы по локализации и ликвидации аварий выполняются в любое время.
В районах северной климатической зоны газоопасные работы могут производиться в ночное время.
2.2.15 Каждый, работающий по наряду-допуску, должен иметь шланговый противогаз. Применение фильтрующих и кислородно-изолирующих противогазов на энергопредприятиях не допускается.
Необходимость наличия противогазов у работников при выполнении ими работ определяется нарядом-допуском на эти работы.
2.2.16 Перед выдачей спасательных поясов, карабинов и веревок должен производиться их наружный осмотр.
Каждый пояс и веревка должны иметь инвентарный номер. Спасательные веревки, пояса и карабины должны испытываться в соответствии с требованиями Правил техники безопасности.
2.2.17 Ответственным за обеспечение рабочих средствами индивидуальной защиты и исправность этих средств является специалист, руководящий газоопасной работой, а при выполнении работ, которые согласно пункту 2.2.6 настоящих Методических указаний могут производиться без руководства специалиста, - лицо, выдавшее наряд.
Обеспеченность средствами индивидуальной защиты и исправность их определяются при выдаче наряда-допуска.
При организации рабочего места руководитель работы обязан обеспечить возможность быстрого вывода рабочих из опасной зоны.
2.2.18 Рабочие и специалисты, выполняющие газоопасные работы в колодцах, помещениях ГРП, должны быть в обуви без стальных подковок и гвоздей.
2.2.19 В колодцах и котлованах с неотключенным газопроводом разрешается одновременное нахождение не более двух человек, при этом работы должны выполняться в спасательных поясах, а на случай возможного выхода газа - в противогазах.
2.2.20 Вскрытие и замена установленного на наружных и внутренних газопроводах оборудования и арматуры должны производиться на отключенном участке газопровода. На отключающих устройствах должны устанавливаться заглушки. В колодцах, имеющих перекрытия, туннелях, коллекторах, технических подпольях, ГРП не допускается применение сварки и газовой резки на действующих газопроводах без отключения и продувки их воздухом или инертным газом.
При отключении газопроводов после запорных устройств должны устанавливаться заглушки.
2.2.21 Заглушки, устанавливаемые на газопроводах, должны соответствовать максимальному давлению газа в газопроводе. Они должны иметь хвостовики, выступающие за пределы фланцев. На хвостовиках заглушек должно быть выбито клеймо с указанием давления газа и диаметра газопровода.
2.2.22 Замена прокладок фланцевых соединений допускается только на наружных газопроводах, при этом давление газа в газопроводе должно быть не более 0,40-1,50 кПа (40-150 мм вод. ст.).
2.2.23 Набивка сальников запорной арматуры, разборка резьбовых соединений допускаются только на наружных газопроводах среднего и высокого давления, при этом давление газа должно быть не более 0,1 МПа (1,0 кгс/см2
).
2.2.24 Замена прокладок, "набивка сальников и разборка фланцевых, резьбовых соединений и арматуры на внутренних газопроводах любого-давления должны производиться на отключенном и заглушенном участке газопровода.
2.2.25 Накладывать бандаж или хомут на газопроводах системы газоснабжения ТЭС не разрешается.
3 ПРИЕМКА В ЭКСПЛУАТАЦИЮ
3.1 Газовые хозяйства энергопредприятий перед началом работ по их сооружению, монтажу и наладке должны быть идентифицированы и зарегистрированы в территориальных органах Ростехнадзора. Для идентификации и регистрации газового хозяйства заказчик должен обратиться в территориальный орган Ростехнадзора с письмом, в котором указываются: наименование и адрес объекта, наименование строительно-монтажной организации. К письму должны быть приложены проектная документация, копия приказа о назначений лица, ответственного за технический надзор, и протокола проверки знаний лица, осуществляющего технический надзор за строительством, а также заключение экспертизы промышленной безопасности по проектной документации.
Проектная документация на устройство и строительство систем газоснабжения должна соответствовать требованиям действующих на момент проектирования НД и разрабатываться, Как правило, специализированными проектными организациями. Проектная документация должна пройти экспертизу промышленной безопасности. Оформления экспертиз промышленной безопасности по идентификации опасных производственных объектов и проектной документации осуществляются в порядке, установленном Управлением по надзору за общепромышленными опасными объектами Ростехнадзора. Заключение экспертизы проектной документации должно быть оформлено в соответствии с требованиями РД 12-608-03 [21].
Примечание - Проектная документация на монтаж бытовых газовых плит, лабораторных горелок и других мелких газовых приборов, не требующих организационного отвода продуктом сгорания п дымоходы, может быть представлена эскизом, составленным предприятием газового хозяйства, или по его разрешению специализированной строительно-монтажной организацией.
О начале строительства строительно-монтажные организации должны уведомить территориальный орган Ростехнадзора.
Сварочные, изоляционные и другие строительно-монтажные работы при сооружении систем газоснабжения должны проводиться в соответствии с требованиями СНиП 3.05.02-88 [57]. Строительство объектов систем газоснабжения должны осуществлять специализированные строительно-монтажные организации, зарегистрированные в территориальных органах Ростехнадзора.
Допускается выполнение работ по реконструкции объектов газового хозяйства неспециализированными организациями или кооперативами при наличии у них разрешения (лицензии) территориального органа Ростехнадзора.
Заказчик должен, осуществлять технический надзор за строительством объектов газового хозяйства, ответственным за технический надзор приказом по энергопредприятию назначается лицо, прошедшее проверку знаний в соответствии с требованиями Правил [17].
Контроль качества строительно-монтажных работ должен производиться согласно требованиям СНиП 3.01.01-85 [56] и СНиП 3.05.02-88 [57].
При техническом надзоре за строительством объектов газового хозяйства проверяется:
- ведение на объекте журнала производства работ;
- наличие сертификатов (паспортов) на трубы, сварочные и изоляционные материалы, арматуру и другие изделия, применяемые при строительстве и монтаже газопроводов и газового оборудования, соответствие применяемых материалов требованиям Правил [17], ГОСТ 9.602.89 [39] и соответствующим главам СНиП 3.05.02-88 [57];
- соответствие проекту и требованиям Правил [17] трассы газопровода (разрывы от зданий и сооружений, глубина заложения), состояние постели, подсыпки, характер грунта, плотность трамбования, уклон газопровода и соблюдение проектных отметок, согласование с проектной организацией отступлений от проекта;
- качество сварки по внешнему виду;
- правильность монтажа запорной арматуры, компенсаторов, конденсатосборников, контрольных пунктов, изолирующих фланцев и т.д.; размещение ГРП (ГРУ) и соответствие помещения (здания) ГРП (ГРУ) требованиям Правил [17];
- монтаж внутренних газопроводов, горелок, средств измерения приборов автоматики, предохранительных клапанов; соответствие применяемых материалов и оборудования проекту и требованиям Правил [17]; осуществление проверки материалов и оборудования перед их монтажом; наличие документа, подтверждающего проведение ревизии запорной арматуры перед ее установкой; согласование с проектной организацией отступлений, связанных с применением другого оборудования, материалов;
- выполнение строительно-монтажной организацией контроля качества сварочных работ и проверки качества применяемых материалов, пооперационного контроля в процессе сборки и сварки и приемка готовых стыков по внешнему виду; выполнение проверки физическими методами контроля и механических испытаний (сварка и испытания пробных и контрольных стыков); проведение контрольно-сопоставимых проверок путем просвечивания гамма-лучами или рентгенографией сварных стыков, прошедших контроль магнитографическим способом, как это предусмотрено СНиП 3.05.02-88 [57];
- соответствие нумерации просвеченных стыков, указанных в заключениях на просвечивание, нумерации стыков на Исполнительных схемах сварных стыков;
- организация контроля за качеством и исправностью изоляционного покрытия газопровода; соответствие изоляции труб проектной и ГОСТ 9.602-89 [39] (толщина, сплошность изоляционного покрытия и адгезия покрытия);
- применение приборного метода для определения качества изоляции труб до укладки их в траншею, после присыпки и полной засыпки грунтом, соблюдение сроков госповерки приборов;
- организация ремонта повреждений участков изоляции и изоляции стыков;
- обеспечение перевозки, погрузки, разгрузки, складирования труб и сохранность изоляционных покрытий, а также арматуры, заготовок и других материалов;
- своевременность составления исполнительно-технической документации на подготовленные к сдаче объекты и ее качество (на кальке - план, профиль газопровода и схема сварных стыков по одному экземпляру и на синьках - не менее трех экземпляров);
- осуществление электроизмерения потенциалов блуждающих токов на газопроводах после окончания строительства до сдачи их в эксплуатацию (наличие в документации на подземные газопроводы акта (справки) предприятия "Подземметаллзащита" о проведенных измерениях электропотенциалов); наличие защиты подземных газопроводов, подверженных разрушению блуждающими токами, наличие в исполнительной документации записи главного инженера строительно-монтажной организации о соответствии выполненных работ проекту с учетом согласованных изменений и отступлений от проекта и требований Правил [17] и СНиП; наличие в документах справки (акта), подтверждающей выполнение работ по уплотнению мест вводов подземных коммуникаций в подвалы зданий;
- соблюдение требований ГОСТ Р 15.201-2000 [58] и ГОСТ 3.1119-83 [59] при поставке нестандартного газового оборудования (фильтров, шумоглушителей, ПЗК и регулирующих клапанов).
3.2 Законченные строительством объекты газового хозяйства энергопредприятий принимаются в эксплуатацию (под пусконаладочные работы) рабочими приемочными комиссиями в соответствии с требованиями СНиП 3.01.04-87 [55], ПБСГТ [17], [12] при участии в комиссиях представителей территориальных органов Ростехнадзора. Заказчик обязан не позднее чем за 5 дн уведомить территориальные органы Ростехнадзора о дате и месте работы приемочной комиссии.
3.3 Приемочной комиссии должны быть предоставлены следующие, документы: .
- исполнительная документация на строительство и испытания объектов газового хозяйства согласно указаниям СНиП 3.05.02-88 [57];
- заключение экспертизы промышленной безопасности проектной документации на строительство, расширение, реконструкцию, техническое перевооружение, консервацию и ликвидацию ОПО газоснабжения;
- копия приказа о назначении лица, ответственного за безопасную эксплуатацию газового хозяйства;
- "Положение о газовой службе предприятия" или договор с предприятием газового хозяйства или другой специализированной организацией о техническом обслуживании и ремонте газопроводов и газового оборудования;
- протоколы проверки знаний правил, норм и инструкций специалистов и рабочих;
- производственные и должностные инструкции и технологические схемы газового хозяйства;
- План локализации и ликвидации возможных аварий, включая меры взаимодействия с предприятиями газового хозяйства;
- акт специализированной организации о проверке технического состояния дымоотводящих и вентиляционных устройств.
3.4 Приемка в эксплуатацию объектов, не законченных строительством, а также подземных стальных газопроводов, не обеспеченных (согласно проекту) электрохимической защитой, не допускается.
При приемке объекта комиссия должна проверить техническую документацию, осмотреть всю смонтированную газовую систему для определения соответствия ее проекту и выявления дефектов монтажа. Помимо этого должно быть проверено соответствие проекту дымоотводящих и вентиляционных устройств, примененного электросилового и осветительного оборудования.
Комиссии предоставляется право проверять любые участки газопроводов разборкой, просвечиванием или вырезкой стыков из газопроводов для проведения механических испытаний, а также проводить повторное испытание газопроводов.
3.5 Разрешение на пуск газа на газоиспользующие установки для проведения пусконаладочных работ выдается территориальной инспекцией Управления по технологическому и экологическому надзору Ростехнадзора после проверки инспектором готовности оборудования к приему газа и выдачи им соответствующего разрешения.
3.6 Для определения возможности пуска газа на газоиспользующую установку для проведения пусконаладочных работ инспектору Управления по технологическому и экологическому надзору Ростехнадзора должна быть представлена следующая документация:
- копия разрешения на использование газа установкой или подтверждение вышестоящей организации о его наличии;
- материалы рабочего проекта, зарегистрированного в территориальной инспекции Управления по технологическому и экологическому надзору Ростехнадзора;
- согласованная с проектной организацией ведомость отступлений от проекта с их обоснованием;
- исполнительно-техническая документация - чертежи, схемы, паспорта на газоиспользующее оборудование, газогорелочные устройства, средства измерения и автоматику (с отметкой о проведении госповерок), приборы теплохимического контроля и учета расхода газа и тепловой энергии, расчеты сужающих устройств;
- протоколы испытаний и технические данные на газоиспользующее и теплоутилизационное оборудование и газо-горелочные устройства, полученные от заводов-изготовителей, и заводские инструкции по монтажу и эксплуатации оборудования;
- акты рабочей комиссии о приемке оборудования после индивидуальных испытаний;
- фондовое извещение о выделении энергопредприятию основного и резервного видов топлива в количестве, достаточном для проведения режимно-наладочных работ и эффективной эксплуатации газоиспользующих установок;
- заключение экспертизы промышленной безопасности проектной документации системы газоснабжения;
- договор на проведение режимно-наладочных работ с наладочной организацией, имеющей допуск к проведению указанных работ;
- акт приемки системы газоснабжения в эксплуатацию (под пусконаладочные работы газоиспользующего оборудования);
- протоколы комиссий по проверке знаний обслуживающего персонала в части эксплуатации газоиспользующих установок;
- копия приказа о назначении лица, ответственного за безопасную эксплуатацию газового хозяйства энергопредприятия.
3.7 На период проведения пусконаладочных работ газового оборудования и автоматики безопасности ответственным за безопасное их проведение является руководитель пусконаладочной бригады, все работы выполняются только по его указанию. Наладка газового оборудования ГРП и газоиспользующих установок до ввода в промышленную эксплуатацию производится по наряду-допуску на газоопасные работы.
Командированному персоналу наряды-допуски на газоопасные работы выдаются на весь срок командировки. Производство работ контролирует лицо, назначенное организацией, производящей работы.
3.8 После комплексного опробования всего оборудования и работы всего технологического цикла объекта (газоиспользующей установки) пусконаладочные работы считаются законченными и объект сдается пусконаладочной бригадой комиссии с оформлением соответствующего акта.
По результатам работ наладочной организацией в течение 1 мес после завершения работ составляется технический отчет о проведенной наладке газоиспользующего оборудования, средств автоматического регулирования и безопасности, а также режимные карты и графики работы оборудования.
3.9 Разрешение на ввод в промышленную эксплуатацию газоиспользующих установок выдается территориальной инспекцией Управления по технологическому и экологическому надзору Ростехнадзора в установленном порядке после представления наладочной организацией и организацией-заказчиком отчета о проведенной наладке и производственной инструкции по эксплуатации газоиспользующей установки, учитывающей результаты наладочных работ.
3.10 Регистрация ОПО системы газопотребления ТЭС, районных тепловых котельных и котельных в территориальных органах Ростехнадзора осуществляется на основании их идентификации после окончания строительно-монтажных работ и приемки объектов в эксплуатацию.
3.11 Для регистрации систем объектов газопотребления организация-владелец представляет:
- акт приемки в эксплуатацию объектов газопотребления;
- лицензию на право эксплуатации объектов газопотребления.
4 ПУСК ГАЗА
4.1 Подготовка к пуску газа после ремонта или при расконсервации
4.1.1 Снятие заглушек на газопроводах ГРП при выводе газового оборудования ГРП из ремонта или из консервации разрешается после:
- проведения ТО или ППР газопроводов и газового оборудования ГРП;
- проверки работы технологических защит, блокировок и сигнализации, предусмотренных на ГРП;
- осмотра газопроводов и газового оборудования ГРП;
- контрольной опрессовки ГРП и наружных газопроводов сжатым воздухом.
Примечание - Подземные и надземные (наружные) газопроводы независимо от расчетного давления подлежат контрольной опрессовке воздухом под давлением 0,02 МПа (2000 мм вод. ст).
Скорость падения давления не должна превышать 100 Па/ч (10 мм вод. ст/ч).
Оборудование и газопроводы ГРП должны подвергаться контрольной опрессовке воздухом под давлением 0,01 МПа (1000 мм вод. ст.). Скорость падения давления не должна превышать 600 Па/ч (60 мм под. ст/ч). При значениях падения давления, превышающих допустимые нормы, пуск газа и снятие заглушек на газопроводах не разрешаются до устранения причин сверхнормативного падения давления и проведения повторной контрольной опрессовки.
Результаты контрольной опрессовки должны записываться в наряде газоопасных работ.
Если осмотренные и подвергшиеся контрольной опрессовке участки газопроводов не были заполнены газом, то при возобновлении работ по пуску газа осмотр и опрессовка пускаемого участка должны быть произведены повторно.
4.1.2 Включение газового хозяйства (пуск газа) и его отключение (консервация) на энергопредприятиях, использующих газ в качестве сезонного (буферного) топлива, розжиг горелок котла производится персоналом цехов (подразделений), осуществляющим эксплуатацию оборудования газового хозяйства и котельной под руководством ИТР энергопредприятия, назначенного распоряжением руководителя энергопредприятия ответственным лицом за выполнение вышеперечисленных работ.
4.1.3 До пуска газа на ГЭС ответственный за пуск обязан:
- предупредить персонал газоснабжающей организации о намеченном сроке пуска газа и согласовать последовательность выполнения совместных действий по пуску газа на электростанцию,
- проинструктировать всех рабочих пусковой бригады о необходимых Мерах безопасности при выполнении работы;
- проверить закрытие нарядов на производство ремонтных работ*;
_____________
* Пуск газа во вновь смонтированные газопроводы или после проведения на них сварочных работ Должен выполняться только при наличии актов проведенных испытаний на прочность и плотность в соответствии с требованиями РД 12-529-03 |[7].
- проверить наличие и исправность у слесарей пусковой бригады инструмента и материалов (приложение Б), необходимых для проведения работ по пуску газа, и наличие в наряде подписей членов бригады о проведенном инструктаже;
- получить подтверждение, что электрохимическая защита подземных газопроводов отключена.
4.1.4 Оперативный персонал, участвующий в пуске газа, обязан:
4.1.4.1 Осмотреть газопроводы оборудования ГРП и газопроводы котельной и проверить:
- наличие (отсутствие) механических повреждений на газовом оборудовании, газопроводах и сооружениях;
- чистоту помещения регуляторного зала и щита управления ГРП;
- исправность системы освещения ГРП и телефонной связи;
- исправность ограждения и чистоту территории ГРП;
- наличие и исправность противопожарного инвентаря и предупреждающих знаков;
- наличие и состояние средств измерений.
Примечание - Не допускаются к применению средства измерений, у которых отсутствует пломба или клеймо, просрочен срок поверки, имеются повреждения, стрелка при отключении не возвращается к нулевому делению шкалы на значение, превышающее половину допустимой погрешности для данного прибора. На циферблате или корпусе показывающих манометров должно быть краской обозначено значение шкалы, соответствующее максимальному рабочему давлению.
- состояние запорной арматуры, опорных конструкций; наличие крепежа на фланцевых соединениях газового оборудования и газопроводов и отсутствие на них заглушек (за исключением заглушек после входной задвижки, на байпасной линии, на линии подачи сжатого воздуха);
- закрыты ли запорные устройства на газопроводах к котлам;
- наличие за запорными устройствами на газопроводах к котлам заглушек (для ТЭС с поперечными связями и энергоблоков мощностью менее 800 МВт);
- наличие и состояние заземления и стационарных токопроводящих соединений на фланцах оборудования и газопроводов;
- состояние и положение арматуры ПСК (запорные устройства перед предохранительными клапанами должны находиться в открытом положении под пломбой);
- состояние трубопроводов регулирующей среды и соединений их с МИМ регулирующих клапанов. Если в качестве привода для регулирующих клапанов применяются электрические исполнительные механизмы, то проверяется исправность тяг, соединяющих рычаги исполнительных механизмов и регулирующих органов, и наличие уплотнения в месте их прохода через стены здания ГРП для обеспечения герметичности. При этом футляры должны быть заполнены асбестовой пушонкой и снабжены с обеих сторон сальниками, заполненными асбестовым шнуром;
- наличие смазки (приложение В) на трущихся поверхностях МИМ (МЭО) и регулирующих клапанов;
- положение арматуры на трубопроводах подачи сжатого воздуха в газопроводы (они должны быть закрыты, во фланцевых соединениях со стороны подачи воздуха установлены заглушки, а на месте съемной катушки со стороны подачи воздуха после вентиля установлена заглушка);
- состояние и работоспособность приборов, обеспечивающих непрерывный контроль содержания газа в воздухе помещения регуляторного зала ГРП и сигнализирующих об опасной концентрации газа в этом помещении*.
_____________
* Проверка сигнализатора загазованности на соответствие установленным параметрам должна выполняться с помощью контрольной газовой смеси. Проверка работы сигнализатора путем преднамеренного загазования помещения не допускается.
4.1.4.2 Сменить диаграммы, залить чернила в пишущие узлы регистрирующих приборов и подготовить приборы к работе в соответствии с инструкцией по их эксплуатации.
4.1.4.3 Снять установленные на электроприводах арматуры цепи и плакаты и собрать электрические схемы электроприводов и дистанционного управления запорной арматурой и клапанами ГРП. Подать напряжение на средства измерения и устройства защиты, блокировки, авторегуляторы и сигнализацию, а также на электроприводы регулирующей и запорной арматуры.
4.1.4.4 Включить все средства измерения и отметить время включения регистрирующих приборов на диаграммах. Опробовать дистанционное управление оперативной арматуры газопроводов с контролем сигнализации их положения.
4.1.4.5 Проверить работу технологических защит, блокировок и сигнализации в соответствии с местной инструкцией по эксплуатации средств автоматики ГРП. В оперативном журнале ГРП записать результаты проверки.
4.1.4.6 Произвести настройку (проверку работоспособности) регуляторов регулирующих клапанов в соответствии с указаниями местных инструкций по эксплуатации регуляторов ГРП. Установить ключ-переключатель регулирующих клапанов в положение "Ручное" и закрыть регулирующие клапаны.
Примечание - Пункты 4.1.4.2-4.1.4.6 выполняются персоналом цеха ТАИ совместно с персоналом КТЦ.
4.1.4.7 Открыть двери в помещение регуляторного зала ГРП и вентилировать его в течение всего времени продувки газом газопроводов ГРП.
4.1.5 Пуск газа в газопроводы котла, выводимые из режима консервации, должен выполняться после производства на них непланового ТО и при наличии записей ответственных лиц в оперативном журнале начальника смены КТЦ (котельной) о готовности котла к растопке и эксплуатации на газе.
4.1.6 Снятие заглушек на газопроводах котла должно выполняться по наряду-допуску на производство газоопасных работ, которым должно быть предусмотрено проведение контрольной опрессовки газопроводов котла воздухом при давлении 0,01 МПа (1000 мм вод. ст.). Скорость падения давления не должна превышать 0,60 кПа/ч (60 мм вод. ст/ч).
Примечание -
При пуске газа на котел при расконсервации газового хозяйства (при сезонной подаче газа на предприятие) снятие заглушек па газопроводах котла может производиться при положительном результате контрольной опрессовки газопроводов котла до пуска газа на ГРП. При этом входная газовая задвижка на газопроводе к котлу должна быть закрыта до окончания продувки наружных газопроводов котельной и предварительно должны быть выполнены положения пункта 4.1.7 настоящих Методических указаний.
4.1.7 Оперативный персонал, участвующий в пуске газа на котел, обязан:
4.1.7.1 Проверить положение арматуры на газопроводах котла. При этом убедиться в том, что положение арматуры соответствует требованиям пункта 1.6.1.3 настоящих Методических указаний.
4.1.7.2 Произвести осмотр газопроводов, газовоздухопроводов и вспомогательного оборудования котла и убедиться в:
- исправности опор и. подвесок газовоздухопроводов котла;
- наличии, исправности и готовности к работе горелок котла и их ЗЗУ и ЗУ;
- исправности арматуры; при этом обратить внимание на наличие всех крепежных болтов в крышках и фланцевых соединениях, достаточность сальниковой набивки и наличие запаса для подтяжки сальников;
- исправности приводов к шиберам, клапанам и запорной арматуре, легкости управления шиберами вручную по месту;
- наличии заземления газопроводов и токопроводящих перемычек во фланцевых соединениях и надежности соединения;
- соответствии местных указателей положения шиберов "Открыто" и "Закрыто"; проверить рабочий диапазон перемещения шиберов и клапанов; установить штурвалы КДУ и МЭО приводов шиберов и задвижек в рабочее положение, обеспечивающее дистанционное управление от электропривода;
- исправности тягодутьевых машин и готовности их к работе;
- наличии и исправности средств пожаротушения;
- исправности основного и аварийного освещения;
- исправности средств связи с мест обслуживания оборудования.
4.1.7.3 Собрать электрические схемы электродвигателей механизмов и дистанционного управления арматурой, шиберами и клапанами. Подать напряжение на средства измерения и устройства защиты, блокировки, авторегуляторы и сигнализацию.
4.1.7.4 Включить все средства измерения и отметить время включения регистрирующих приборов на диаграммах. Опробовать дистанционное управление оперативной арматурой газопроводов и шиберами газовоздухопроводов котла с контролем сигнализации их положения.
4.1.7.5 Перед пуском котла из режима консервации или из резерва продолжительностью более 3 сут:
- проверить исправность и готовность к включению тягодутьевых механизмов котла, его вспомогательного оборудования, средств измерения и дистанционного управления арматурой и механизмами, авторегуляторов;
- осуществить проверку настройки и срабатывания ПЗК;
- проверить работоспособность защит, блокировок и сигнализации, а также средств оперативной связи.
При пуске котла из резерва продолжительностью менее 3 сут проверке подлежат оборудование, механизмы, устройства защиты, блокировок, средства измерения, на которых производился ремонт.
Выявленные неисправности должны быть устранены.
При неисправности защит и блокировок подача газа в газопроводы котла не допускается.
4.1.7.6 Собрать схему газовоздушного тракта котла для вентиляции топки и газовоздухопроводов, включая трубопроводы рециркуляции топочных газов и "теплого ящика", для чего:
- открыть все шиберы на газовоздушном тракте котла и "теплом ящике";
- закрыть направляющие аппараты тягодутьевых машин.
4.1.7.7 Собрать схемы технического водоснабжения, пожаротушения в соответствии с местными инструкциями.
4.1.7.8 Подготовить к включению тягодутьевое оборудование котла в соответствии с инструкциями.
4.1.7.9 Обо всех неисправностях, выявленных при осмотре газопроводов и оборудования ГРП и котельной, сообщить ответственному за пуск газа.
4.1.7.10 Допустить персонал газовой службы (мастерского участка) к снятию заглушек на газопроводах котла в соответствии с пунктом 4.1.6 настоящих Методических указаний.
4.2 Продувка (заполнение) газопроводов ГРП и котельной
4.2.1 При пуске газа выпуск газовоздушной смеси должен производиться через продувочные газопроводы, установленные в ГРП и в конечных точках продуваемых участков газопроводов. Запорные устройства, установленные на продувочных газопроводах, должны открываться в последовательности, указанной планом организации работ.
Заполнение газопроводов (продувку газопроводов и газового оборудования) газом необходимо осуществлять последовательно: до ГРП, в ГРП, до котельной, до горелок котла, до запальных устройств котла.
Каждая операция производится самостоятельно.
Примечание - Заполнение газопроводов котла при его газоснабжении от блочного ГРП производится одновременно с заполнением наружных газопроводов от ГРП до котельной. Приступать к работе по снятию заглушки, установленной за входной задвижкой ГРП, следует после окончания продувки газопровода высокого давления от ГРС газом и при положительных результатах контрольной опрессовки.
Продувку газопроводов высокого и среднего давления следует осуществлять газом с давлением не более 0,1 МПа (1 кгс/см2
), газопроводов низкого давления - газом с давлением, не превышающим рабочее.
Во время продувки не допускается в радиусе 10 м от места выпуска газовоздушной смеси применение открытого огня, курение и другие действия, способные вызвать загорание газовоздушной смеси.
Продувку газопроводов ГРП (котла) газом следует производить в режиме ручного (дистанционного) управления регулирующими клапанами ГРП (котла). При продувке газопроводов газом необходимо наблюдать за давлением газа по приборам, не допуская повышения давления газа сверх рабочего. Продувку газопроводов рекомендуется производить через один или два фильтра очистки газа. Другие фильтры должны быть заполнены газом и находиться в резерве, т.е. входные задвижки на них открыты, а выходные - закрыты. Продувке газом подлежат все газопроводы и газовое оборудование ГРП, принятое в эксплуатацию.
4.2.2 Время окончания продувки регламентируется содержанием кислорода, которое определяется анализом или сжиганием отбираемых проб. Отбор проб производится согласно ГОСТ 18917-82 [60]. Содержание кислорода в газе не должно превышать 1%, а сгорание газа должно происходить спокойно, без хлопков. После окончания продувки Вентиль продувочного газопровода на продуваемом участке газопровода необходимо закрыть.
4.2.3 Заполнение газопроводов котла газом должно производиться при включенных в работу дымососах, дутьевых вентиляторах, дымососах рециркуляции в последовательности, указанной в местной инструкции по эксплуатации котельной установки.
4.2.4 Продувать газопроводы котла через трубопроводы безопасности и горелочные устройства котла не допускается.
4.2.5 После окончания продувки участков газопроводов газом необходимо при рабочем давлении газа в газопроводах проверить герметичность всех соединений (сварных, резьбовых, фланцевых и сальниковых уплотнений) газопроводов, газового оборудования и арматуры в ГРП и котельной мыльной эмульсией или специальными приборами. Одновременно с этим проверяются на загазованность газовые колодцы, контрольные пункты, установленные на подземных газопроводах, а также другие сооружения, расположенные на расстоянии до 15 м по обе стороны от оси газопровода. Результаты проверок заносятся в оперативные журналы ГРП, котлов и журнал обходов подземных газопроводов.
4.2.6 После окончания продувки газопроводов ГРП и общего газопровода котельной следует:
- установить ручным задатчиком положение, необходимое для поддержания требуемого давления газа на выходе из ГРП;
- установить ключ-переключатель всех регулирующих клапанов в положение "Автомат", т.е. поставить регулирующие клапаны в автоматический режим регулирования;
- открыть полностью входную и выходную задвижки на ГРП;
- установить ключи управления задвижками рабочих редуцирующих установок в положение "Работа", а задвижкой резервной редуцирующей установки - в положение "Резерв" (количество редуцирующих установок, включаемых в работу, определяется их производительностью и расходом газа в котельную и устанавливается положениями местной инструкции по эксплуатации ГРП);
- проверить по показаниям средств измерения работу регулирующих клапанов, давление газа на входе в ГРП и на выходе из него;
- включить установку электрохимической защиты подземных газопроводов в работу;
- сделать записи о пуске газа в оперативном журнале ГРП и машиниста котла, а также в наряде на газоопасные работы.
4.2.7 До окончания операций по розжигу первой растопочной горелки котла на газе запорное устройство растопочного продувочного газопровода на газопроводе котла должно находиться в открытом положении.
Примечание - Количество горелок, после розжига которых закрывается запорное устройство на растопочном продувочном газопроводе, определяется местной инструкцией по эксплуатации котла исходя из местных условий.
5 РАСТОПКА КОТЛА ИЗ ХОЛОДНОГО РЕЗЕРВА
Порядок действий следующий:
5.1 Перед растопкой котла из холодного резерва необходимо провести предпусковую проверку герметичности затвора запорных устройств перед горелками и ПЗК газом.
Порядок, проведения предпусковой проверки (приложение Д) устанавливается производственной инструкцией по эксплуатации котла.
5.2 Непосредственно перед растопкой котла (из любого состояния) должны быть провентилированы топка, газоходы (в том числе рециркуляционные), "теплый ящик", а также воздуховоды в течение не менее 10 мин при открытых шиберах газовоздушного тракта и при расходе воздуха не менее 25% номинального.
5.3 Вентиляция котлов, работающих под наддувом, а также водогрейных котлов при отсутствии дымососов должна осуществляться дутьевыми вентиляторами и дымососами рециркуляции.
5.4 Растопка котлов с уравновешенной тягой должна вестись при включенных дымососах и дутьевых вентиляторах, а растопка котлов, работающих под наддувом, - при включенных дутьевых вентиляторах.
5.5 В соответствии с указаниями инструкции по пуску котла следует произвести сборку схемы пароводяного тракта котла и паропроводов, установить растопочный расход питательной воды для прямоточного котла или минимальный растопочный уровень в барабане барабанного котла.
5.6 Растопка котла, на котором определена группа растопочных горелок, должна начинаться с розжига этих горелок, для чего следует подготовить к розжигу растопочные горелки как со щита управления, так и по месту. Растопочные горелки должны быть оснащены ЗЗУ с управлением дистанционно и по месту. Остальные горелки допускается оснащать ЗУ, управляемыми дистанционно и по месту.
5.7 После окончания вентиляции газовоздушного тракта котла надо собрать схему газовоздухопроводов котла, прикрыть примерно до 30% воздушные шиберы горелок, не участвующих в начале растопки котла.
5.8 После окончания продувки газопроводов котла (и проведения предпусковой проверки на герметичность затвора запорных устройств перед горелками) воздействием на основной регулирующий клапан (или клапан малого расхода, если он предусмотрен проектом) следует установить необходимое давление газа для обеспечения растопочными горелками начального расхода газа на котел, включить регулятор поддержания заданного давления (или расхода) газа.
5.9 При устойчивом расходе питательной воды прямоточного котла или при наличии минимального уровня в барабане барабанного котла следует произвести розжиг горелок котла, при этом:
5.9.1 Убедиться в том, что защиты, не препятствующие пуску оборудования котла, включены; переключатель топлива установить в положение "Газ".
5.9.2 При автоматическом розжиге произвести розжиг горелок со щита управления в соответствии с заданным алгоритмом и по месту контролировать розжиг и работу горелок.
5.9.3 При дистанционном (со щита управления) или ручном (по месту) розжиге горелки произвести следующие операции:
- установить разрежение в верху топки на уровне 10-30 Па (1-3 мм вод. ст.);
- прикрыть шиберы воздуха на разжигаемой горелке для предупреждения отрыва факела потоком воздуха;
- открыть запорный вентиль перед ЗЗУ разжигаемой горелки;
- включить ЗЗУ разжигаемой горелки, убедиться визуально в загорании и устойчивом горении факела ЗЗУ;
- открыть первую по ходу газа задвижку перед горелкой;
- приоткрыть вторую по ходу газа задвижку, убедиться в загорании газа (наличии факела) и в устойчивом горении пламени горелки;
- закрыть запорное устройство на трубопроводе безопасности;
- постепенно открыть шибер на подводе воздуха к горелке;
- открыть полностью вторую задвижку перед горелкой;
- восстановить разрежение в верху топки.
В такой же последовательности зажечь остальные растопочные горелки.
5.9.4 При невоспламенении или погасании любой растопочной горелки необходимо немедленно прекратить подачу газа к котлу и ко всем растопочным горелкам, отключить ЗЗУ и провентилировать горелки, топку и газоходы не менее 10 мин при расходе воздуха не менее 25% номинального. После устранения причины невоспламенения газа или погасания факела можно приступить к повторной растопке.
Розжиг остальных (нерастопочных) горелок (до включения защиты по погасанию общего факела) должен производиться только при всех работающих растопочных горелках.
5.9.5 Если в процессе растопки котла (при всех работающих растопочных горелках) не загорится или погаснет одна из остальных (нерастопочных) горелок, необходимо закрыть подачу газа на эту горелку, отключить ее ЗУ, устранить причину погасания горелки и, продув ее воздухом, приступить к повторному розжигу.
5.9.6 Растопка котла, все горелки которого оснащены ПЗК и ЗЗУ; может начинаться с розжига любой горелки в последовательности, указанной в инструкции по эксплуатации котла. При погасании горелки должна быть немедленно прекращена подача газа к этой горелке, отключено ее ЗЗУ и проведена вентиляция горелочного устройства при полном открытии запорного устройства на воздуховоде к нему.
Растопка котла должна продолжаться розжигом последующих горелок. Повторный розжиг отключенной горелки должен производиться после устранения причин ее погасания.
При невоспламенении или погасании растапливаемых последовательно первой и второй горелок должна быть прекращена подача газа к котлу и проведена вентиляция топки и газоходов котла в течение не менее 10 мин при расходе воздуха не менее 25% номинального, после чего растопка котла может быть возобновлена.
При погасании во время растопки всех включенных горелок (при нагрузке котла менее 30%) должна быть немедленно прекращена подача газа на котел и ко всем отключенным горелочным устройствам, отключены их ЗЗУ и проведена вентиляция топки и газоходов котла в течение не менее 10 мин при расходе воздуха не менее 25% номинального. После устранения причин погасания факела и вентиляции отключенных горелочных устройств можно приступать к повторной растопке котла.
5.9.7 В случае погасания общего факела в топке должна быть немедленно прекращена подача газа к котлу, горелкам котла, открыты запорные устройства на трубопроводах безопасности и отключены ЗЗУ и ЗУ. Только после выявления причины погасания факела, ее устранения и проведения вентиляции горелок, топки и газоходов в течение не менее 10 мин при расходе воздуха не менее 25% номинального можно приступить к повторной растопке котла.
5.9.8 Отключать ЗУ горелки разрешается производить после установления устойчивого горения и стабилизации факела горелки.
Количество включенных горелок и расход (давление) газа на котел определяются режимной картой работы котла (инструкцией).
5.9.9 После розжига первой растопочной горелки (см. пункт 4.2.7 настоящих Методических указаний) закрыть запорное устройство на растопочном продувочном газопроводе котла.
Установить разрежение в верху топки на уровне 10-30 Па (1-3 мм вод. ст.), включить регулятор разрежения.
5.9.10 С момента розжига горелок необходимо следить за:
- давлением газа, не допуская его уменьшения или повышения сверх допустимых значений, принятых для данного типа котла;
- режимом горения, поддерживая расход воздуха согласно указаниям режимной карты (инструкции);
- работоспособностью систем контроля, дистанционного управления и авторегулирования, защит, блокировок и сигнализации;
- плотностью газопроводов котла, определяя места утечек газа по звуку, запаху или нанесением на места возможных утечек мыльной эмульсии. При обнаружении утечек газа немедленно сообщить об этом руководителю цеха (котельной) и принять меры к устранению утечек и вентиляции помещения.
5.9.11 Согласно указаниям графика-задания (или местной инструкции по растопке котла) произвести дальнейшую нагрузку котла, подключая дополнительно горелки.
5.9.12 После розжига всех растопочных горелок или достижения 30%-ного номинального расхода газа включить защиту (если она не вводится автоматически) по погасанию факела в топке, предварительно убедившись в работоспособности датчиков и наличии показаний факела по каждому из задействованных комплектов.
5.9.13 После исчерпания регулировочного диапазона растопочного клапана перевести регулирование расхода газа на основной клапан, для чего следует открыть запорное устройство перед основным клапаном, снять воздействие регулятора на растопочный клапан, включить регулятор основного клапана, постепенно закрыть растопочный регулирующий клапан.
5.9.14 Продолжить нагружение котла до номинального или заданного значения.
При ручном управлении тепловой нагрузкой котла операции производить в следующем порядке:
- для увеличения нагрузки постепенно увеличить сначала подачу воздуха, затем газа и отрегулировать тягу;
- для уменьшения нагрузки постепенно уменьшить сначала подачу газа, затем воздуха и отрегулировать тягу.
5.9.15 При достижении нагрузки на котле, достаточной для обеспечения условий работы защит, препятствующих пуску, включить эти защиты.
6 РАСТОПКА КОТЛА ИЗ НЕОСТЫВШЕГО СОСТОЯНИЯ
Порядок действий следующий:
6.1 Убедиться в нормальной работе оборудования, которое не отключалось после погашения котла.
6.2 Выполнить необходимые подготовительные операции и розжиг горелок в соответствии с пунктами 4.1.7.5-4.1.7.8 и 5.7-5.9.3 настоящих Методических указаний.
6.3 При растопке котла из неостывшего состояния при сохранившемся избыточном давлении в пароводяном тракте, чтобы не охлаждать топку котла, включение тягодутьевого оборудования и вентиляции газовоздушного тракта котла производить не ранее чем за 15 мин до розжига горелок. Продувку газопроводов в пределах котла следует выполнять во время вентиляции топки.
Операции по предпусковой проверке герметичности затвора запорных устройств перед горелками газом при растопке котла из неостывшего состояния не проводятся.
6.4 Кроме растопочных горелок при розжиге подготовить дополнительно необходимое количество горелок для взятия начального (стартового) расхода газа, значение которого зависит от теплового состояния котла.
6.5 Дальнейшее нагружение котла производить в соответствии с пунктами 5.9.10-5.9.15 настоящих Методических указаний и требованиями графиков-заданий или инструкции по растопке котла.
7 ТЕХНИЧЕСКОЕ ОБСЛУЖИВАНИЕ
7.1 Общие положения
Для поддержания газового хозяйства энергопредприятия (приложение Ж) в технически исправном состоянии должны выполняться следующие виды его ТО:
- контрольный осмотр технического состояния;
- текущее ТО;
- регламентированное ТО.
7.2 Контрольный осмотр технического состояния
7.2.1 Контрольный осмотр (таблица 1) технического состояния подземных и надземных газопроводов и сооружений на них производится при обходе трасс газопроводов по графику. Периодичность обхода трасс подземных газопроводов должна устанавливаться техническим руководителем эксплуатирующей организации дифференцированно в зависимости от технического состояния газопроводов, продолжительности их эксплуатации, опасности коррозии, давления газа, характера местности и плотности ее застройки, времени года.
Таблица 1
Сроки контрольных осмотров наружных подземных газопроводов
| Газопроводы
|
Периодичность обхода трасс
|
| Газопроводы низкого давления
|
Газопроводы высокого и среднего давления
|
| В застроенной части города (населенного пункта)
|
В незастроенной части города (населенного пункта)
|
| 1. Вновь построенные
|
Непосредственно в день пуска и на следующий день после пуска
|
| 2. Эксплуатируемые в нормальных условиях и находящиеся в удовлетворительном техническом состоянии
|
Устанавливается техническим руководителем эксплуатирующей организации
|
| 3. Со сроком службы более 25 лет, на которых с начала эксплуатации зафиксированы случаи сквозных коррозионных повреждений или разрывы сварных стыков
|
Не реже 1 раза в неделю
|
Не реже 2 раз в неделю
|
Не реже 1 раза в неделю
|
| 4. Проложенные в зоне действия блуждающих токов, грунтах с высокой коррозионной активностью и не обеспеченные минимальным защитным электропотенциалом
|
То же
|
То же
|
То же
|
| 5. Подлежащие ремонту после технического обследования
|
-"-
|
-"-
|
-"-
|
| 6. Имеющие положительные и знакопеременные значения электропотенциалов
|
-"-
|
-"-
|
-"-
|
| 7. Имеющие дефекты защитных покрытий и необеспеченные минимальным защитным электропотенциалом
|
-"-
|
-"-
|
-"-
|
| 8. Находящиеся в неудовлетворительном техническом состоянии, подлежащие замене
|
Не реже 1 раза в неделю
|
Не реже 2 раз в неделю
|
Не реже 1 раза в неделю
|
| 9. Находящиеся в радиусе 15 м от места производства строительных работ
|
Ежедневно, до устранения производства строительных работ в указанной зоне
|
| 10. Неукрепленные береговые части переходов через водные преграды и овраги в период весеннего паводка
|
Ежедневно, до устранения угрозы повреждения
|
| Примечание - Обход газопроводов в незастроенной части города (поселка), обеспеченных электрохимической защитой, в первый год после ввода в эксплуатацию, а также в течение года после проверки технического состояния и устранения выявленных дефектов может производиться 1 раз в месяц.
|
7.2.2 Обход трасс подземных газопроводов должен производиться бригадой в составе не менее 2 чел. Рабочим, производящим обход подземных газопроводов, должны вручаться под расписку маршрутные карты.
Обход трасс в незастроенной части города, а также при отсутствии в 15-метровой части газопроводов колодцев и других подземных коммуникаций допускается производить одному рабочему.
7.2.3 Обход трасс надземных газопроводов и сооружений должен производиться по графику, но не реже 1 раза в 3 мес.
7.2.4 При обходе надземных газопроводов выявляются утечки газа, повреждения отключающих устройств, нарушения крепления и провисание труб, а также состояние и работа компенсирующих устройств, правильность работы опор.
7.2.5 При обходе подземных газопроводов должны выполняться следующие работы:
- осмотр трасс газопроводов и выявление утечек газа по внешним признакам;
- проверка на загазованность газоанализатором или газоискателем всех газовых колодцев и контрольных трубок, а также колодцев и камер других подземных коммуникаций, подвалов зданий, коллекторов, расположенных на расстоянии 15 м по обе стороны от газопровода;
- проверка сохранности, состояния настенных указателей и ориентиров газовых сооружений,
- очистка крышек газовых колодцев и коверов от снега, льда и загрязнений;
- визуальная проверка состояния местности по трассе газопровода с целью выявления обрушения грунта, размыва его талыми или дождевыми водами;
- контроль за выполнением условий работ на расстоянии 15 м в обе стороны от газопровода.
7.2.6 При обнаружении газа по трассе газопровода рабочие, осуществляющие обход, обязаны немедленно известить АДС газоснабжающего предприятия и принять меры к дополнительной проверке газоанализатором и проветриванию загазованных подвалов, первых этажей зданий, колодцев, камер, находящихся на расстоянии 50 м от газопровода. До приезда аварийной бригады люди, находящиеся в здании, должны быть предупреждены о недопустимости курения, пользования огнем и электроприборами.
7.2.7 Результаты обхода газопроводов должны отражаться рабочими в специальном журнале. В случае выявления неисправностей (утечек газа, обрушения грунта, нарушения крепления и провисания газопроводов и т.п.) мастеру газовой службы должен вручаться рапорт.
7.2.8 Подземные стальные газопроводы должны подвергаться диагностированию технического состояния (техническому обследованию) с помощью специальных приборов согласно графику, но не реже 1 раза в 5 лет после достижения нормативного срока службы. Нормативный срок службы газопровода устанавливается проектной организацией. Газопроводы, включенные в план капитального ремонта или замены, должны обследоваться не реже 1 раза в год.
7.2.9 Внеочередные целевые технические обследования стальных газопроводов должны производиться при обнаружении неплотности или разрыва сварных стыков, сквозного коррозионного повреждения, а также при перерывах в работе электрозащитных установок в течение года:
- более 1 мес. - в зонах опасного действия блуждающих токов;
- более б мес. - в остальных случаях, если защита газопровода не обеспечена другими установками.
7.2.10 При диагностировании технического состояния стальных подземных газопроводов должны проверяться их герметичность, качество сварных стыков, подверженность коррозионной опасности, состояние защитного покрытия и металла трубы.
Порядок диагностирования определяется РД 12-411-01 [20]. Анализ результатов диагностирования осуществляется комиссией с оформлением актов, в которых с учетом выявленных дефектов и оценки технического состояния дается заключение о возможности дальнейшей эксплуатации газопровода, необходимости и сроках проведения его ремонта или замены. Отчет (заключение по результатам диагностирования) оформляется установленным порядком и прикладывается к техническому эксплуатационному паспорту подземного газопровода.
7.2.11 Контрольный осмотр технического состояния оборудования и территории ГРП (ГРУ) должен производиться по графику, в сроки, установленные техническим руководителем энергопредприятия и обеспечивающие безопасность и надежность эксплуатации.
При осмотре технического состояния ГРП (ГРУ) должны выполняться:
- проверка по приборам давления газа до и после регулятора*, перепада давления на фильтре**, температуры воздуха в помещении;
_____________
* Неисправность регуляторов, вызывающая колебание давления газа, превышающее 10% рабочего давления, неполадки в работе предохранительных клапанов, а также утечки газа должны устраняться в аварийном порядке, т.е. немедленно, с предварительным уведомлением начальника смены цеха (станции).
** При сопротивлении фильтров до значений, указанных заводом-изготовителем (для визциновых фильтров от 70 до 100 кПа, или 70-100 мм вод. ст.), они должны быть отключены для очистки.
- контроль за состоянием и положением арматуры (регулирующей и запорно-предохранительной) и их соединением с приводом;
- проверка загазованности помещения регуляторного зала с помощью прибора (или мыльной эмульсией при отыскании утечки газа);
- проверка герметичности мест прохода сочленений (тяг) приводных механизмов с регулирующими клапанами (визуально);
- проверка состояния и работы электроосвещения, вентиляции, системы отопления, визуальное выявление трещин и неплотностей стен, разделяющих основное и вспомогательное помещения;
- внешний и внутренний осмотр здания; при необходимости - очистка помещений и оборудования от загрязнения.
Осмотр технического состояния ГРП, расположенных в отдельно стоящих зданиях, встроенных и пристроенных к зданиям, а также ГРУ, размещенных в отдельных помещениях, должен производиться двумя рабочими (старшим машинистом котельной, дежурным слесарем). Осмотр ГРУ, расположенных непосредственно в помещениях, где используется газ, или ГРП, на которых предусмотрено круглосуточное дежурство персонала, допускается производить одному рабочему.
Показания приборов и результаты осмотра должны быть занесены в эксплуатационный журнал ГРП (ГРУ).
Обо всех замеченных недостатках или неисправностях необходимо немедленно довести до сведения начальника смены КТЦ (котельной) и ПСС.
7.3 Текущее техническое обслуживание
7.3.1 При ТТО ГРП производится:
- смена картограмм (диаграмм) регистрирующих приборов, прочистка и заправка перьев, завод часового механизма (в сроки, указанные заводами-изготовителями);
- установка пера на нуль (не реже 1 раза в 15 дн);
- очистка приборов от пыли, грязи и посторонних предметов (ежедневно);
- проверка параметров срабатывания ПСК (не реже 1 раза в 2 мес). Предохранительные сбросные клапаны должны обеспечивать сброс газа при повышении максимального рабочего давления газа после регулятора не более чем на 15%;
- занесение сведений о проделанной работе в журнал ГРП.
7.4 Регламентированное техническое обслуживание
7.4.1 При РТО ГРП (ГРУ) должны выполняться:
- проверка хода и герметичности затвора запорной арматуры и предохранительных клапанов;
- продувка соединительных (импульсных) линий;
- проверка плотности всех соединений и арматуры, в том числе мембран регуляторов с помощью мыльной эмульсии или течеискателем;
- осмотр, очистка фильтров. Разборка и очистка кассеты фильтров должны производиться вне помещения ГРП (ГРУ) в местах, удаленных от легковоспламеняющихся веществ и материалов не менее чем на 5 м;
- проверка параметров срабатывания ПЗК. При проверке параметров настройки и срабатывания ПЗК и ПСК не должно изменяться давление газа после регуляторов;
- проверка параметров настройки ПЗК и ПСК. Верхний предел срабатывания ПЗК не должен превышать максимальное рабочее давление газа после регулятора более чем на 25%;
- техническое обслуживание взрывозащищенного электрооборудования в объеме требований инструкций заводом-изготовителем;
- смазка трущихся частей и перенабивка сальников.
7.4.2 Регламентированное техническое обслуживание ГРП (ГРУ) должно производиться по графику, но не реже 1 раза в 6 мес. Техническое обслуживание взрывозащищенного электрооборудования выполняется в сроки, установленные заводом-изготовителем.
Сведения о проделанной работе должны заноситься в оперативный журнал.
7.4.3 При РТО газового оборудования и газопроводов котла должны выполняться:
- проверка герметичности всех соединений газовой аппаратуры, арматуры, газопроводов и приборов с помощью мыльной эмульсии или течеискателем;
- осмотр и проверка исправности запорной арматуры. Перечисленные работы могут выполняться на действующем оборудовании.
7.4.4 Проверка срабатывания ПЗК на общем газопроводе котла производится перед пуском котла на газе после простоя более 3 суток и перед плановым переводом котла на сжигание газа. Во время работы котла на газе должен вестись непрерывный контроль за исправностью цепи управления электромагнитом ПЗК. Питание электромагнита ПЗК должно осуществляться от аккумуляторной батареи или от батареи предварительно заряженных конденсаторов.
7.4.5. Регламентированное техническое обслуживание газового оборудования и газопроводов котла должно производиться по графику, но не реже 1 раза в месяц. Сведения о проделанной работе должны заноситься в эксплуатационные журналы машиниста котла (НС КТЦ).
8 ОТКЛЮЧЕНИЕ ОБОРУДОВАНИЯ
8.1 Вывод в резерв оборудования ГРП
8.1.1 Вывод в резерв одной из двух находящихся в работе редуцирующих установок (в случае перевода части котлов на сжигание другого вида топлива или снижения нагрузки) необходимо производить в следующем порядке:
- перевести ключ блокировки запорного устройства на входе в рабочую редуцирующую установку, выводимую в резерв, в положение "Нейтральное", а ее регулирующие клапаны - в ручной режим регулирования, т.е. поставить их ключ-переключатель в положение "Ручное";
- оставить на АВР резервную редуцирующую установку, т.е.; ключ блокировки запорного устройства на входе должен находиться в положении "Резерв";
- постепенно, следя за давлением газа на выходе из ГРП, закрыть регулирующие клапаны на выводимой в резерв редуцирующей установке, после чего закрыть ее запорное устройство на входе;
- проверить работу оборудования ГРП (давление, степень открытия регулирующих клапанов, расход) и сделать запись в оперативном журнале ГРП о выполненной работе.
8.1.2 Вывод в резерв ГРП (при наличии одного ГРП на ТЭС) производить в следующем порядке:
- предупредить персонал ГРС о временном прекращении приема газа ТЭС;
- перевести работающие котлы (котельную) на сжигание резервного вида топлива; при этом закрыть ПЗК на котлах;
- закрыть запорные устройства на каждой горелке котла;
- закрыть запорные устройства на газопроводах к котлам;
- открыть запорные устройства на трубопроводах безопасности у горелок котлов;
- открыть запорные устройства на продувочных газопроводах газопроводов котлов;
- закрыть запорное устройство на входе газопровода в ГРП;
- установить все ключи блокировки запорных устройств на входе в редуцирующие установки в положение "Нейтральное";
- ключи-переключатели всех регулирующих клапанов ГРП, имеющих электропривод, перевести в положение "Ручное";
- закрыть дистанционно открытые запорные устройства на входе и регулирующие клапаны редуцирующих установок. Положение электрифицированных задвижек оборудования ГРП ("Открыто", "Закрыто") проверяется по месту, а также по световым указателям, а положение регулирующих клапанов - по их УП (на щите управления энергоблока, котла или групповом).
8.2 Останов котла
8.2.1 Останов котла производится немедленно (в аварийных случаях) или в плановом порядке (вывод в резерв или в ремонт).
8.2.2 Немедленный останов котла производится при срабатывании защит, действующих на останов котла, или отключении его оператором с помощью ключа "Останов" в следующем порядке.
8.2.2.1 Защитой, действующей на отключение подачи газа на котел, выполняются следующие операции:
- закрывается ПЗК на общем газопроводе котла;
- закрывается ПЗК на общем газопроводе запального газа;
- закрываются запорное устройство с электроприводом на газопроводе к котлу и запорное устройство на вводе газопровода запального газа к котлу;
- закрываются запорные устройства перед всеми горелками котла (при оснащении каждого запорного устройства электроприводом), а также перед ЗЗУ и ЗУ, в том числе импульсные клапаны перед ЗЗУ и ЗУ на газопроводе запального газа;
- открываются запорные устройства на трубопроводах безопасности перед каждой горелкой (при оснащении каждого запорного устройства перед горелкой электроприводом) или на продувочных газопроводах, подключенные к схеме действия защит (в случае отсутствия воздействия защиты на запорные устройства трубопроводов безопасности);
- отключаются ЗЗУ и ЗУ;
- срабатывает реле останова котла.
8.2.2.2 Если одно из двух запорных устройств перед горелками имеет ручной привод, то дополнительно к действиям защиты необходимо:
- понизить до нуля давление в газопроводе котла путем открытия запорных устройств на продувочных газопроводах, установленных на тупиковых участках газопроводов основных горелок и ЗЗУ;
- закрыть по месту запорные устройства с ручным приводом перед каждой горелкой котла и открыть запорные устройства на трубопроводе безопасности.
8.2.2.3 Остановить дымососы газовой рециркуляции (если они установлены), закрыть шиберы перед и за ними.
8.2.2.4 Отключить регуляторы направляющих аппаратов дутьевых вентиляторов.
В схемах с индивидуальными вентиляторами отключить все вентиляторы, кроме вентиляторов растопочных горелок, после отключения подачи газа.
8.2.2.5 Поднять плиты радиальных уплотнений регенеративных воздухоподогревателей (если они установлены).
8.2.3 При плановом останове уменьшить постепенно расход газа до допустимого для данного котла значения, поддерживая расход воздуха на горелки, и разрежение в верху топки согласно указаниям режимной карты, после чего:
- либо ключом "Останов" остановить котел; при этом следует проследить за правильностью действия защит; в случае отказа защиты следует выполнить необходимые операции вручную согласно пунктам 8.2.2.1-8.2.2.5;
- либо последовательно, в порядке, указанном в местной инструкции, отключить горелки путем закрытия запорных устройств перед ними. После закрытия обоих запорных устройств перед горелкой открыть запорное устройство на трубопроводе безопасности этой горелки. При отключении корректируются подача воздуха и разрежение согласно пункту 5.9.14 настоящих Методических указаний.
После погасания всех горелок необходимо закрыть ПЗК и запорное устройство на газопроводе к котлу, а также запорное устройство на газопроводе запального газа к ЗЗУ; дополнительно выполнить операции по пунктам 8.2.2.3-8.2.2.5. При необходимости открыть запорные устройства на продувочных газопроводах, установленные на тупиковых участках газопроводов, к основным горелкам и ЗЗУ.
8.2.4 После отключения горелок визуально убедиться в полном погасании факела в топке.
8.2.5 Выполнить вентиляцию топки, "теплого ящика" и газовоздухопроводов в течение не менее 10 мин, после чего остановить вентиляторы, а затем дымососы. После отключения закрыть их направляющие аппараты и шиберы газовоздушного тракта котла.
8.2.6 Отключить защиты, вводимые оператором с щита управления. Убедиться в их отключении по световой сигнализации.
8.2.7 Убедиться по световой сигнализации в оперативном контуре о выводе защит, включающихся автоматически при растопке котла.
8.3 Вывод на консервацию
8.3.1 Вывод на консервацию всего газового хозяйства энергопредприятия должен производиться по наряду-допуску на газоопасные работы в следующем порядке:
8.3.1.1 Предупредить персонал газоснабжающей (газосбытовой) организации о намечаемом прекращении приема газа энергопредприятием.
8.3.1.2 Перевести котельную на сжигание другого вида топлива (в случае необходимости).
8.3.1.3 Подготовить систему подачи сжатого воздуха на продувку газопроводов ГРП и котельной (котлов).
8.3.1.4 Перевести ключи блокировки запорных устройств на редуцирующих установках ГРП в положение "Нейтральное", а регулирующие клапаны - в ручной режим управления.
8.3.1.5 Закрыть запорное устройство на вводе газопровода на территорию ГРП и запорное устройство на входе в ГРП; снять напряжение с их электроприводов, разобрать их электросхемы, а приводы закрыть на цепи с замками и повесить плакаты "Не открывать - работают люди".
8.3.1.6 Открыть запорные устройства на продувочных газопроводах, установленные на ГРП и конечных (тупиковых) участках газопроводов котельной и котлов. При этом необходимо убедиться по показаниям приборов, что давление газа и газопроводах упало до нуля.
8.3.1.7 Установить по наряду-допуску на газоопасные работы заглушку за запорным устройством на входе в ГРП в соответствии с требованиями, изложенными в приложении И настоящих Методических указаний.
8.3.1.8 Снять заглушку на трубопроводе подачи сжатого воздуха к ГРП и установить съемный участок.
8.3.1.9.Сннть заглушки на штуцере подачи сжатого воздуха в газопроводы ГРП.
8.3.1.10 Продуть сжатым воздухом оборудование и газопроводы ГРП и котельной (котлов). При продувке контролировать давление в газопроводах, не допуская повышения его сверх рабочего. Продолжительность продувки воздухом участков газопроводов и оборудования определяется по результатам анализа: остаточное содержание газа в продувочном воздухе не должно превышать 1/5 нижнего предела воспламеняемости газа (для природного газа не более 1% по объему). Помещение регуляторного зала ГРП при продувке должно непрерывно проветриваться.
8.3.1.11 Закрыть все регулирующие клапаны на редуцирующих установках ГРП и электрифицированную арматуру на ГРП и котельной.
8.3.1.12 Установить заглушки на газопроводе к котлу (котлам) и на газопроводе запального газа (при отводе газопровода запального газа на котел до запорного устройства на газопроводе ввода к котлу).
8.3.1.13 Снять напряжение с электрифицированной арматуры ГРП и котельной (котла), а с цепей управления электроприводов снять предохранители. На запорных устройствах вывесить знаки безопасности "Не открывать - работают люди".
8.3.1.14 Запорные устройства на продувочных газопроводах, на оборудовании и газопроводах ГРП и котельной и трубопроводах безопасности при консервации или выводе в ремонт остаются в открытом положении, на них вывешиваются знаки безопасности "Не закрывать - работают люди".
8.3.1.15 Сделать запись в оперативном журнале ГРП (котле) о проделанной работе.
8.3.2 Вывод на консервацию (в ремонт) ГРП (при наличии на предприятии двух и более общестанционных ГРП) должен производиться по наряду-допуску на газоопасные работы в следующем порядке:
8.3.2.1 Проверить работу оборудования ГРП, который намечено оставить в работе, проверить общестанционную систему газоснабжения, открыть (при необходимости) секционные задвижки.
8.3.2.2 Выполнить указания пунктов 8.3.1.1-8.3.1.5 настоящих Методических указаний.
8.3.2.3 Закрыть запорное устройство на выходе от ГРП, снять напряжение с его электропривода, разобрать его электрическую схему, а привод запереть на день с замком и повесить плакат "Не открывать - работают люди".
8.3.2.4 Выполнить указания пунктов 8.3.1.6-8.3.1.9 настоящих Методических указаний.
8:3.2.5 Установить по наряду-допуску на газоопасные работы заглушку перед запорным устройством (по ходу газа) на выходе из ГРП.
8.3.2.6 Выполнить пункты 8.3.1.10-8.3.1.15 настоящих Методических указаний (только на газопроводах ГРП).
8.3.3 Вывод в ремонт (на консервацию) газопроводов котла после останова котла согласно разделу 8.2 настоящих Методических указаний необходимо производить в следующем порядке:
8.3.3.1 Оградить места производства работ по установке заглушек на газопроводах котла и вывесить плакаты "Проход запрещен" и "Огнеопасно".
8.3.3.2 Подготовить систему продувки газопроводов котла сжатым воздухом.
8.3.3.3 Проверить, закрыты ли запорные устройства на газопроводе к котлу и на газопроводе запального газа.
8.3.3.4 Проверить, закрыты ли запорные устройства перед горелками и открыты ли запорные устройства на трубопроводах безопасности.
8.3.3.5 Разобрать электросхемы электрифицированной арматуры на газопроводах котла (кроме арматуры на продувочных газопроводах).
8.3.3.6 Проверить, открыты ли запорные устройства на продувочных газопроводах на отключенном участке газопровода котла, и убедиться по показаниям манометра перед горелками, что давление и газопроводе упало до нуля.
8.3.3.7 Проверить герметичность закрытия запорного устройства на газопроводе к котлу, для чего закрыть запорные устройства на продувочных газопроводах и убедиться по показаниям манометра перед горелками в том, что давление газа в отключенном участке газопровода котла не повышается.
8.3.3.8 Закрыть привод запорного устройства на газопроводе к котлу цепью на замок и вывесить плакат "Не открывать - работают люди",
8.3.3.9 Открыть запорные устройства на продувочных газопроводах на отключенном участке газопровода котла, разобрать электросхемы электрифицированной арматуры на продувочных газопроводах.
8.3.3.10 Закрепить приводы запорных устройств на продувочных газопроводах цепями с замками и вывесить плакаты "Не закрывать - работают люди".
8.3.3.11 Продуть отключенный участок газопровода котла воздухом, для чего:
- снять заглушку на воздушной линии;
- подать сжатый воздух в газопровод, открыв запорное устройство на продувочном штуцере, при этом давление воздуха не должно превышать рабочего давления газа в коллекторе за ГРП.
8.3.3.12 Взять первичные пробы воздуха из продуваемого участка газопровода. Анализ делает дежурный лаборант химического цеха (в соответствии со списком лиц, имеющих право производства работ на газовом оборудовании). Продолжительность продувки определяется остаточным содержанием газа в продувочном воздухе: оно не должно превышать 1/5 нижнего предела воспламеняемости газа (для природного газа не более 1%).
8.3.3.13 Через 10-15 мин взять повторную пробу воздуха. Сравнить результаты двух анализов. Если анализы показали отсутствие взрывоопасной концентрации газовоздушной смеси, лаборант делает в наряде-допуске отметку о полученных результатах.
8.3.3.14 При получении подтверждения от химического цеха о положительных результатах обоих анализов установить заглушку после запорного устройства на газопроводе к котлу в соответствии с приложением и настоящих Методических указаний.
Если результаты анализов указывают на негерметичность закрытия входной задвижки котла, следует отключить выводимый в ремонт участок газопровода арматурой, предшествующей неисправной задвижке (при наличии таковой), в противном случае возможность установки заглушки определяется решением технического руководителя ГЭС (директора котельной).
8.3.3.15 Допускающий вместе с ответственным руководителем и производителем работ по наряду проверяет непосредственно на рабочем месте выполнение мер безопасности, указанных в наряде, при необходимости принимает дополнительные меры для безопасного производства работ.
8.3.3.16 Сделать записи в оперативном журнале начальника смены КТЦ (БЩУ) о проделанной работе.
8.4 Вывод в ремонт
8.4.1 Вывод в ремонт редуцирующей установки ГРП или фильтра очистки необходимо производить в следующем порядке:
- ввести в эксплуатацию резервное оборудование (редуцирующую установку, фильтр очистки) и убедиться в его нормальной работе;
- закрыть запорные устройства на входе и выходе неисправного или требующего очистки оборудования;
- открыть запорные устройства на продувочных газопроводах на оборудовании, выводимом в ремонт;
- подготовить систему подачи сжатого воздуха в ГРП, снять установленные заглушки на трубопроводе подачи воздуха к выводимому в ремонт оборудованию;
- проверить герметичность закрытия запорных устройств на входе и выходе от неисправного или требующего очистки оборудования;
- продуть сжатым воздухом до вытеснения всего газа оборудование, выводимое в ремонт, совместно с газопроводами;
- установить токопроводящие перемычки (для оборудования вне помещения) и заглушки по наряду на газоопасные работы во фланцах запорных устройств после запорного устройства на входе и перед запорным устройством на выходе редуцирующей установки (фильтра), выводимой в ремонт.
8.4.2 После окончания ремонта на газопроводах и газовом оборудовании необходимо провести испытания их на прочность и герметичность воздухом в соответствии с указаниями СНиП 3.05.02-88 [57], выполнить контрольную опрессовку перед пуском газа, продуть газопроводь1 газом и включить (при необходимости) в работу. После заполнения газопроводов (газового оборудования) газом проверить герметичность всех соединений вводимого участка газопровода (оборудования) мыльной эмульсией или течеискателем. Отремонтированные газопроводы и газовое оборудование должны вводиться в эксплуатацию в присутствии ремонтного персонала.
Испытания газопроводов и ГРП на прочность производятся после капитального ремонта или после проведения сварочных работ на газопроводах. Результаты испытаний на прочность и герметичность должны заноситься в паспорта и оформляться соответствующими подписями. Ввод оборудования и газопроводов, не выдержавших испытаний, не разрешается. Испытания на прочность и герметичность газопроводов проводятся персоналом ремонтной организации в присутствии представителя эксплуатации (мастерского участка).
8.5 Аварийное отключение
Аварийное отключение газового хозяйства ТЭС производится в случаях разрыва сварочных соединений газопроводов или повреждения арматуры оборудования, при которых происходит утечка газа, и невозможности отключения поврежденного участка газопровода от действующего оборудования, а также при пожаре в котельной или на территории ГРП, непосредственно угрожающем газопроводам. При аварийном отключении газового хозяйства ТЭС следует по указанию НСС закрыть запорное устройство на вводе газопровода высокого давления на территорию ТЭС и запорное устройство на входе в ГРП и руководствоваться планом локализации и ликвидации возможных аварий в газовом хозяйстве и рекомендациями приложения Е настоящих Методических указаний.
9 ТЕКУЩИЙ РЕМОНТ ОБОРУДОВАНИЯ
9.1 Газопроводы
9.1.1 При текущем ремонте газопроводов должны выполняться следующие основные работы:
- устранение провеса, восстановление или замена креплений надземных газопроводов;
- окраска надземных газопроводов, задвижек, кранов, люков, колодцев и коверов;
- проверка состояния люков, крышек колодцев, коверов и устранение перекосов, оседаний и других неисправностей;
- ремонт арматуры (задвижек, вентилей, кранов);
- проверка герметичности резьбовых соединений конденсатосборников;
- устранение дефектов, выявленных при ТО.
9.1.2 Текущий ремонт должен выполняться по графику, утвержденному техническим руководителем ТЭС, но не реже 1 раза в год.
Окраска надземных газопроводов и оборудования должна производиться по мере необходимости, но не реже 1 раза в пять лет.
9.1.3 Текущий ремонт запорной арматуры включает в себя следующие работы:
- очистку арматуры от грязи;
- окраску (при необходимости);
- разгон червяка задвижки и его смазку;
- проверку и набивку сальника;
- проверку исправности и ремонт приводного устройства задвижек;
- проверку герметичности всех сварных, резьбовых и фланцевых соединений мыльной эмульсией или прибором;
- смену износившихся и поврежденных болтов и прокладок.
9.2 Газорегуляторный пункт
9.2.1 При текущем ремонте оборудования ГРП должны выполняться следующие основные работы:
- разборка регуляторов давления*, предохранительных клапанов с очисткой их от коррозии и загрязнений, проверкой плотности прилегания клапанов к седлу, смазкой трущихся деталей; замена или ремонт изношенных частей и деталей с проверкой надежности крепления конструкционных узлов, не подлежащих разборке;
_____________
* Запорные устройства на редуцирующих установках при разборке оборудования должны быть в закрытом положении. На границах отключенного участка после запорных устройств должны быть установлены заглушки. При герметичности запорных устройств на границах отключаемого участка к ГРП заглушки могут не устанавливаться.
- разборка запорной арматуры*, не обеспечивающей герметичность закрытия;
_____________
* Запорные устройства на редуцирующих установках при разборке оборудования должны быть в закрытом положении. На границах отключенного участка после запорных устройств должны быть установлены заглушки. При герметичности запорных устройств на границах отключаемого участка к ГРП заглушки могут не устанавливаться.
- работы, перечисленные в пунктах 7.2.11 и 7.3.1 настоящих Методических указаний. Текущий ремонт должен выполняться не реже 1 раза в год по графику, утвержденному техническим руководителем ТЭС.
9.2.2 Регламентированное ТО и текущий ремонт оборудования ГРП (ГРУ) должна производить бригада слесарей под руководством специалиста или руководителя в общем составе не менее 3 чел. Указанные работы должны выполняться по наряду-допуску.
9.2.3 После окончания ремонтных работ должна быть проведена проверка параметров настройки и срабатывания ПЗК и ПСК.
9.2.4 После проверки и настройки оборудования и устранения всех неполадок должна проверяться герметичность всех соединений. В случае обнаружения утечек должны быть приняты меры к их устранению.
9.2.5 При текущем ремонте зданий ГРП должны выполняться следующие работы:
- ремонт строительных конструкций;
- ремонт системы отопления (один раз в год перед отопительным сезоном).
10 КАПИТАЛЬНЫЙ РЕМОНТ
10.1 К капитальному ремонту газопроводов относится работа по замене изношенных конструкций узлов и деталей.
10.2 Для всех газопроводов, отобранных для капитального ремонта, должна быть составлена сметная документация.
Для объектов со сложной технологией ремонтных работ должны составляться планы производства работ, в которых определяются методы и сроки выполнения работ, потребность в рабочей силе, материалах, арматуре, деталях и строительных материалах.
10.3 В состав капитального ремонта наружных газопроводов входят следующие основные работы:
- ремонт и замена участков труб, пришедших в негодность;
- замена изоляции вместе с трубами или без них на отдельных участках трубопровода;
- замена неисправных кранов и задвижек;
- разборка задвижек и кранов, замена износившихся узлов и деталей;
- демонтаж или замена конденсатосборников, ремонт или замена коверов.
10.4 При перекладке участка газопроводов составляется проектная и исполнительно-техническая документация в соответствии с требованиями, предъявляемыми к новому строительству.
В случаях, когда трассы газопроводов не изменяются, составляется только исполнительно-техническая документация.
10.5 К капитальному ремонту ГРП (ГРУ) относятся следующие работы:
- ремонт и замена устаревшего и изношенного оборудования или отдельных его частей;
- ремонт здания ГРП.
10.6 Результаты работ по капитальному ремонту должны заноситься в паспорт газопровода (ГРП).
10.7 Капитальный ремонт газопроводов и оборудования ГРП производится по мере необходимости по результатам технического диагностирования ГРП. Техническое диагностирование ГРП проводится в соответствии с требованиями РД 153-39.1-059-00 [22].
11 НЕИСПРАВНОСТИ В РАБОТЕ ОБОРУДОВАНИЯ И ДЕЙСТВИЯ ПЕРСОНАЛА ПО ИХ ЛОКАЛИЗАЦИИ И ЛИКВИДАЦИИ
11.1 Общие положения
11.1.1 Неисправностью в работе оборудования газового хозяйства считается нарушение плотности газопроводов и газового оборудования (разрыв арматуры и сварных соединений газопроводов, утечка газа через неплотности фланцевых соединений оборудования и арматуры и нарушение в работе газового оборудования - водяная, снежно-ледяная, смоляная, нафталиновая, кристаллогидратная закупорки фильтров, арматуры и газопроводов), резкое повышение (понижение) давления газа на входе в ГРП и выходе из него и т.п.
Основной причиной образования снежно-ледяных и кристаллогидратных пробок в газопроводах является конденсация влаги при дросселировании давления газа. Среднее значение дроссельного эффекта для природного газа составляет 5,5 °C/МПа, т.е. при понижении давления газа на 1 МПа (10 кгс/см2
) температура газа понижается в среднем на 5,5 °С.
Для исключения гидрообразований при дросселировании необходимо повысить температуру газа выше точки росы, определенной при давлении газа после регуляторов. Практически для исключения образования гидратных пробок в газопроводах при транспортировке природного газа с входным давлением до 1,2 МПа (12 кгс/см2
) температура газа на входе в ГРП должна быть не ниже 4-6 °C в зависимости от относительной плотности (4 °С для плотности 0,6 кгс/м3
, 6 °С для плотности 0,8 кгс/м3
).
11.1.2 Нарушения и неисправности в работе оборудования при несвоевременном принятии мер к их устранению могут создать угрозу безопасности персонала, сохранности оборудования и бесперебойной работы ТЭС и привести к аварии.
11.1.3 При нарушениях в работе оборудования (срабатывании звуковой и световой сигнализации) оперативный персонал обязан:
- тщательно проверить параметры работы оборудования и на основании показаний приборов и внешних признаков составить четкое представление о происшедшем нарушении режима работы ГРП;
- сообщить начальнику смены КТЦ или НСС о случившемся;
- установить характер и место повреждения оборудования;
- немедленно принять меры к устранению опасности для жизни людей и обеспечению сохранности оборудования;
- включить резервное и отключить поврежденное оборудование;
- убедиться в нормальной работе включенного резервного оборудования;
- принять меры к восстановлению нормальной работы поврежденного оборудования.
11.1.4 Ликвидация нарушений и неисправностей в газовом хозяйстве производится оперативным персоналом цехов под руководством НСС. Во время ликвидации аварий оперативный персонал должен действовать согласно разработанному и утвержденному техническим руководителем ТЭС плану (мероприятиям) локализации и ликвидации аварий в газовом хозяйстве энергопредприятия.
Во время ликвидации аварии не допускается проведение ремонтных работ или испытаний оборудования.
11.1.5 При несчастных случаях должна быть немедленно оказана медицинская помощь пострадавшему в соответствии с правилами оказания первой помощи. При этом необходимо организовать вызов медицинского персонала и сообщить о случившемся начальнику смены КТЦ и НСС.
11.1.6 В оперативном журнале начальника смены КГЦ (котельной) должна быть зафиксирована авария с указанием времени начала, характера протекания и действий персонала по ее ликвидации, а также точного времени отдельных событий (включения, отключения оборудования, срабатывания блокировок, защит и др.).
11.1.7 О каждом несчастном случае, связанном с использованием газа, а также об авариях на объектах газового хозяйства администрация ТЭС должна немедленно сообщить местному органу Ростехнадзора.
11.2 Локализация и ликвидация аварий
11.2.1 Оперативный персонал ТЭС обязан немедленно сообщить начальнику смены цеха (электростанции) об утечке газа из газопровода или газового оборудования (ввода в ГРП, наружных газопроводов, газопроводов в пределах пиковых водогрейных и энергетических котлов).
11.2.2 Начальник смены цеха обязан немедленно сообщить НСС о случившемся, проверить полученную информацию и действовать согласно плану локализации и ликвидации аварий в газовом хозяйстве.
11.2.3 Начальник смены станции должен сообщить о случившемся руководству ТЭС, КТЦ, ЦЦР:
- в рабочее время - по прямому аварийному телефону;
- в вечернее и ночное время - по домашним телефонам.
11.2.4 Начальник смены станции обязан вызвать ремонтную группу газовой службы (мастерского участка ЦЦР) на ликвидацию аварии, сообщить об аварии в аварийную службу газоснабжающей организации и диспетчеру вышестоящей организации и в случае необходимости вызвать персонал аварийной службы газоснабжающей организации. Ликвидация аварий производится без наряда-допуска.
11.2.5 Для производства аварийно-восстановительных работ перед допуском оперативный персонал должен выполнить следующее:
- закрыть запорные устройства (на входе и выходе) на участке газопровода, требующем выполнения восстановительных работ;
- снять напряжение с электроприводов задвижек (регулирующих клапанов) на отключенном участке и вывесить плакаты "Не включать - работают люди";
- отключить электрозащиту подземных газопроводов;
- оградить место производства работ и подъездные пути к нему, вывесить плакаты: "Проход закрыт", "Опасная зона", "Осторожно - газ. Огонь не применять", "Огнеопасно", "Работать здесь";
- закрепить приводы задвижек цепями и запереть их замками, вывесить плакаты "Не открывать - работают люди";
- подготовить систему подачи сжатого воздуха к оборудованию или газопроводам отключенного участка;
- продуть при необходимости газопровод через продувочные газопроводы и взять пробу на анализ газовоздушной смеси от поврежденного участка газопровода;
- допустить ремонтный персонал к устранению повреждения и к установке заглушки (или заглушек) согласно наряду-допуску и плану проведения ремонтных работ и выкопировки или исполнительному чертежу с указанием места и характера проводимой работы.
11.2.6 Возможные аварийные ситуации в газовом хозяйстве и действия персонала по их локализации и ликвидации приведены в приложении Е настоящих Методических указаний.
Приложение А
(Справочное)
ПЕРЕЧЕНЬ ПРИНЯТЫХ СОКРАЩЕНИЙ
| АВР
|
-
|
автоматический ввод резерва
|
| АДС
|
-
|
аварийно-диспетчерская служба
|
| БЩУ
|
-
|
блочный щит управления
|
| ГРП
|
-
|
газорегуляторный пункт
|
| ВОХР
|
-
|
военизированная охрана
|
| ГРС
|
-
|
газораспределительная станция
|
| ГрЩУ
|
-
|
групповой щит управления
|
| ГРЭС
|
-
|
государственная районная электростанция
|
| ГРУ
|
-
|
газорегуляторная установка
|
| ЗЗУ
|
-
|
запально-защитное устройство
|
| ЗУ
|
-
|
запальное устройство
|
| ИТР
|
-
|
инженерно-технические работники
|
| КДУ
|
-
|
колонка дистанционного управления
|
| КТЦ
|
-
|
котлотурбинный цех
|
| МЩУ
|
-
|
местный щит управления
|
| МИМ
|
-
|
мембранный исполнительный механизм
|
| МЭО
|
-
|
механизм электрический однооборотный
|
| НД
|
-
|
нормативные документы
|
| НЕС
|
-
|
начальник смены станции
|
| ОПО
|
-
|
опасный производственный объект
|
| ПБСГГ
|
-
|
Правила безопасности систем газораспределения и газопотребления
|
| ПДК
|
-
|
предельно допустимая концентрация
|
| ПЗ
|
-
|
переключатель защиты
|
| ПЗК
|
-
|
предохранительный запорный клапан
|
| ППГ
|
-
|
правила подачи газа
|
| ППР
|
-
|
планово-предупредительный ремонт
|
| ПРП
|
-
|
производственно-ремонтное предприятие
|
| ПСК
|
-
|
предохранительный сбросной клапан
|
| ПТБ
|
-
|
Правила техники безопасности при эксплуатации тепломеханического оборудования электростанций и тепловых сетей
|
| ПТО
|
-
|
производственно-технический отдел
|
| ПТЭ
|
-
|
Правила технической эксплуатации электрических станций и сетей Российской Федерации
|
| ПУЭ
|
-
|
Правила устройстна электроустановок
|
| Ростехнадзор
|
-
|
Федеральная служба по экологическому, технологическому и атомному надзору (быв. Госгортехнадзор и Энергонадзор России)
|
| РТО
|
-
|
регламентированное техническое обслуживание
|
| ТАИ
|
-
|
тепловая автоматика и измерения
|
| ТО
|
-
|
техническое обслуживание
|
| ТТО
|
-
|
текущее техническое обслуживание
|
| ТЭС
|
-
|
тепловая электростанция
|
| ТЭЦ
|
-
|
теплоэлектроцентраль
|
| УП
|
-
|
указатель положения
|
| ЦЦР
|
-
|
цех централизованного ремонта
|
Приложение Б
(Справочное)
ПЕРЕЧЕНЬ ОСНОВНЫХ ТЕРМИНОВ
Дежурный регулирующий клапан
- клапан, находящийся в резерве и служащий для понижения давления газа на выходе из ГРП (при одноступенчатой схеме регулирования) в случае неисправности рабочего клапана. Дежурный регулирующий клапан предусматривается только при наличии двух регулирующих клапанов на каждой редуцирующей установке. Параметры настройки дежурного регулирующего клапана отличны от параметров рабочего регулирующего клапана. Он включается в работу при повышении давления газа на выходе из ГРП сверх значений 1-го предела
Рабочая редуцирующая установка
- линия газопровода ГРП, на которой понижается давление газа до заданного значения с помощью регулирующих клапанов (клапана), находящихся в автоматическом режиме регулирования. Входная и выходная задвижки ее открыты
Рабочий регулирующий клапан
- клапан, поддерживающий заданное значение давления газа на выходе из ГРП
Растопочный продувочный газопровод
- один из продувочных газопроводов котла, предназначенный для поддержания требуемого давления газа в газопроводах котла при розжиге растопочных горелок. При розжиге растопочных горелок растопочный газопровод открыт., его вентиль закрывается после розжига первой растопочной горелки. Диаметр растопочного продувочного газопровода рассчитывается исходя из обеспечения условий возможности поддержания регулирующим клапаном, в том числе растопочным, начального давления газа при розжиге растопочных горелок
Регулирующий клапан
- арматура, позволяющая регулировать давление (изменять расход) путем изменения проходного сечения клапана
Редуцирующая установка
- линия газопровода ГРП, служащая для регулирования давления газа и оснащенная регулирующим клапаном, запорной арматурой и приборами для измерения давления газа
Резервная редуцирующая установка
- линия газопровода ГРП, находящаяся в автоматическом резерве. Газ через нее не поступает, ее входная задвижка закрыта и находится на АВР, а выходная задвижка открыта. Регулирующие клапаны находятся в автоматическом режиме регулирования. Включается в работу параллельно с рабочей установкой при падении давления ниже значений 1-го предела, а также при повышении давления газа сверх значений 2-го предела. В последнем случае рабочие редуцирующие установки автоматически отключаются, т.е. закрываются их входные задвижки и регулирование давления газа осуществляется только резервной установкой
Трубопровод безопасности
- трубопровод с запорным устройством, расположенным перед последним по ходу газа к горелке запорным устройством. Трубопровод безопасности предназначен для снижения вероятности пропуска газа в топку котла, при нахождении газопроводов котла в режиме резерва. Запорное устройство, размещенное на трубопроводе безопасности, в рабочем режиме закрыто, во всех других режимах (ремонт, консервация, резерв, аварийное отключение) оно должно находиться в открытом положении. В качестве запорного устройства на трубопроводе безопасности допускается применение задвижки с электроприводом, вентиля с электроприводом или ПЗК. Это запорное устройство задействовано в схемах технологических защит и блокировок котла
Продувочный газопровод
- трубопровод с запорным устройством, расположенный п конечных и тупиковых участках газопроводов, до и после секционных задвижек, на фильтрах очистки газа и приборах прямого действия. Продувочный газопровод предназначен для выпуска газовоздушной среды при продувке газом или воздухом. На продувочном газопроводе должны быть вварены патрубки с вентилями (кранами) и штуцерами на высоте 1,5 м от поверхности земли (площадки) для отбора проб газа. Диаметр продувочного газопровода должен определяться расчетом с учетом обеспечения 15-кратного часового обмена объема продуваемого участка для внутреннего газопровода и 3-кратного - для наружного газопровода, при этом он должен быть диаметром не менее 20 мм. Запорное устройство, расположенное на продувочном газопроводе и задействованное в схемах технологических защит и блокировок, должно оборудоваться задвижкой или вентилем с электроприводом или ПЗК. Запорное устройство, расположенное на продувочном газопроводе и не задействованное в схемах защит и блокировок, может оборудоваться ручным приводом.
Объединение продувочных газопроводов с трубопроводами безопасности, а также газопроводов одного назначения, но с разным давлением газа или разделенных между собой с помощью заглушек не допускается
Горелка котла
- устройство, обеспечивающее устойчивое сгорание топлива и возможность регулирования процесса горения. На газопроводе подачи газа к горелке предусматривается установка двух последовательно установленных запорных устройств, каждое из которых снабжается электроприводом, а для вновь вводимых котлов - ПЗК. Между запорными устройствами предусматривается врезка трубопровода безопасности. Горелка должна оборудоваться ЗУ
Растопочная горелка
- горелка котла
, оборудованная автоматически действующими устройствами: устройством дистанционного розжига, системой контроля пламени, устройством контроля давления топлива и воздуха для горения, средствами управления, регулирования и сигнализации, ЗЗУ. На газопроводе подвода газа к растопочной горелке предусматривается установка одного или двух ПЗК, а для вновь вводимых котлов -дополнительно регулирующего клапана. При установке одного ПЗК на подводе газа к растопочной горелке в качестве второго запорного устройства предусматривается установка задвижки, оборудованной электроприводом. Последовательность установки ПЗК и задвижки с электроприводом определяется проектом.
Приложение В
(Рекомендуемое)
ПЕРЕЧЕНЬ
НЕОБХОДИМЫХ ИНСТРУМЕНТОВ, ПРИБОРОВ, ПРИСПОСОБЛЕНИЙ И МАТЕРИАЛОВ ДЛЯ ПРОВЕДЕНИЯ ГАЗООПАСНЫХ РАБОТ ПО ПУСКУ ГАЗА
В.1 Манометры U-образные, заполняемые водой (ТУ 92-891.025-91), U-образные с ртутным заполнением, образцовые (ТУ 25-05-1664-74) пружинные контрольные с соответствующей шкалой.
В.2 Шланговые противогазы ПШ-1 (на каждого члена бригады).
В.3 Брезентовые костюмы, рукавицы, защитные каски, резиновые сапоги (галоши), перчатки диэлектрические, резиновые шланги диаметром 8-25 мм.
В.4 Газоанализатор ПГФ 2М-И1 А.
В.5 Набор гаечных ключей и газовые ключи № 1-4, плоскогубцы комбинированные, отвертки, напильники и другой слесарный инструмент.
В.6 Лестница, ведро, спирт, мыло, кусок поролона, веревка из льняных волокон (ГОСТ 1868-88 [61]).
В.7 Фонари карманные светосигнальные.
В.8 Асбестовая ткань (ГОСТ 6102-94 [62]), глина, мешковина, гофрированные шланги.
В.9 Смазка НК-50 или ГЛЗ-41, тавот, солидол (ГОСТ 4366-76 [63]).
В.10 Лен трепаный, олифа натуральная (ГОСТ 7931-76 [64]), сурик железный, белила цинковые (ОСТ 6-10-458-77).
В.11 Паронитовые прокладки* (ГОСТ 481 80 [65]).
_____________
* Паронитовые прокладки перед установкой должны быть тщательно пропитаны маслом. Пропитывание прокладок белилами или масляными красками, а также применение их в несколько слоев не допускаются.
В.12 Сальниковая набивка (ГОСТ 5152-84 [66]).
В.13 Пробки, болты (ГОСТ 7798-70 [67]), гайки (ГОСТ 5915-70 [68]), шайбы (ГОСТ 11371-78 [69]), шунтирующие перемычки.
В.14 Предупредительные и запрещающие знаки, ограждения (ГОСТ 10807-78 [70], ГОСТ Р 12.4.026-2001 [71]).
В.15 Средства и медикаменты первой доврачебной помощи.
В.16 Противопожарные средства (асбестовая ткань или кошма, ведра пожарный, углекислотные огнетушители ОУ-2 илиОУ-5).
Приложение Г
(Рекомендуемое)
ПЕРЕЧЕНЬ
ИЗМЕРЕНИЙ, ЗАЩИТ, БЛОКИРОВОК И СИГНАЛИЗАЦИИ, ПРЕДУСМАТРИВАЕМЫХ НА ГАЗОИСПОЛЬЗУЮЩИХ УСТАНОВКАХ (КОТЛАХ) ИЗ УСЛОВИЙ ОБЕСПЕЧЕНИЯ ВЗРЫВОБЕЗОПАСНОСТИ
Г.1 На газифицированных котельных установках должно быть обеспечено измерение следующих параметров:
- давления газа в газопроводе котла до и после регулирующего клапана;
- перепада давления между воздухом в шатре и дымовыми газами топки для газоплотных котлов, работающих под наддувом;
- давления воздуха в общем коробе или в воздуховодах по сторонам котла (кроме котлов, работающих под наддувом);
- перепада давления между воздухом в общем коробе или воздуховодах по сторонам котла и дымовым газом в верхней части топки для котлов, работающих под наддувом;
- разрежения или давления дымовых газов в верху топки;
- давления воздуха в шатре.
Г.2 Газифицированные котельные установки должны быть оснащены следующими технологическими защитами:
Г.2.1 Действующими на останов котла с отключением подачи газа на котел при:
- погасании факела в топке;
- отключении всех дымососов (для котлов с уравновешенной тягой);
- отключении всех дутьевых вентиляторов;
- понижении давления газа после регулирующего клапана ниже заданных значений.
Г.2.2 Действующими на отключение подачи газа на горелку при оснащении всех горелок котла ПЗК и ЗЗУ по невоспламенению или погасанию факела этой горелки.
Г.2.3 Действующими на отключение подачи газа на котел при:
- невоспламенении или погасании факела растопочной горелки в процессе розжига котла;
- понижении давления газа после регулирующего клапана ниже заданных значений (при сжигании газа как вспомогательного топлива одновременно с другими видами топлива)
Г.2.4 Действующими на снижение нагрузки котла до 50% при отключении:
- одного из двух дымососов;
- одного из двух дутьевых вентиляторов;
- одного из двух регенеративных воздухоподогревателей.
Г.3 Газифицированная котельная установка должна быть оснащена блокировками, не допускающими:
- открытие запорного устройства на газопроводе к котельной установке при открытом положении хотя бы одного запорного устройства на газопроводах перед каждой горелкой;
- включение ЗЗУ и подачу газа к горелкам без предварительной вентиляции топки котла в течение не менее 10 мин;
- розжиг горелок, не оснащенных ПЗК, пока все растопочные горелки не будут включены в работу;
- подачу газа в горелку в случае закрытия воздушного шибера (клапана) перед горелками или отключении вентилятора, работающего на эту горелку;
- подачу газа в растопочную горелку и горелку, оснащенную ПЗК, при отсутствии растопочного факела на ее ЗЗУ;
- подачу газа в горелку, на оснащенную ПЗК, при отсутствии растопочного факела на ее запальном устройстве;
- открытие (закрытие) запорного устройства трубопровода, безопасность при открытом (закрытом) положении обоих запорных устройств перед горелкой (для вновь вводимых котлов).
Г.4 На котельных установках должна быть предусмотрена сигнализация, оповещающая о:
- понижении или повышении давления газа после регулирующего клапана относительно заданных значений;
- понижении давления воздуха в общем коробе или в воздуховодах относительно заданного значения (кроме котлов, работающих под наддувом);
- наличии факела на горелках котла, оснащенных ЗЗУ;
- наличии растопочного факела ЗЗУ;
- наличии растопочного факела ЗУ;
- погасании факела в топке котла;
- срабатывании защит, предусмотренных в пункте Г.2.
Г.5 Выполнение блокировок и защит на останов котла и перевод его На пониженную нагрузку должны осуществляться по техническим условиям, согласованным с заводом-изготовителем котельной установки или ведомственной НД, согласованной с заводом-изготовителем.
Г.6 Ввод и вывод защит и блокировок, препятствующих пуску или останову котла, должны осуществляться: для защит по погасанию общего факела и факела растопочной горелки - автоматически, для остальных защит и блокировок - либо автоматически, либо существующими в схемах защит средствами ввода-вывода.
Вывод из работы устройств технологической защиты блокировок и сигнализации на работающем оборудовании разрешается только в случаях:
- необходимости отключения защиты, обусловленной производственной инструкцией по эксплуатации котла;
- очевидной неисправности или отказа.
Отключение должно выполняться с разрешения НСС и с обязательным уведомлением технического руководителя (главного инженера) или начальника котельной.
Ремонтные и наладочные работы в цепях включенных защит, блокировок и сигнализации без получения разрешения не допускаются.
Г.7 Защита при невоспламенении или погасании факела любой растопочной горелки при растопке котла выполняется отдельно для газа и для мазута,
Факел горелки контролируется индивидуальным прибором для каждого вида сжигаемого топлива или общим прибором на все виды топлива.
Защита срабатывает при погасании факела горелки или невоспламенении топлива в процессе его розжига. Контроль факела начинается через промежуток времени до 9 с после начала открытия запорного устройства на подводе газа к горелке и продолжается до тех пор, пока защита введена.
Для всех котлов, кроме пылеугольных котлов ЗиО, защита вводится автоматически при давлении газа перед котлом, превышающим установку защиты по понижению давления газа после регулирующего клапана, после начала открытия задвижки на подводе газа к любой растопочной горелке. Защита выводится либо при закрытии задвижки или ПЗК на газопроводе ввода к котлу, либо при вводе защиты "Погасание факела в топке".
Для пылеугольных котлов ЗиО защита вводится и выводится специальным ключом.
Защита действует на отключение всех ЗУ, на немедленное закрытие ПЗК и запорного устройства на газопроводе к котлу, на подводе газа к запальным устройствам и ко всем горелкам, а также при погасании газового факела - на открытие трубопроводов безопасности (если на газопроводе к каждой горелке: установлены но две задвижки с электроприводом).
Г.8 Защита, при погасании факела в топке срабатывает, если все приборы, контролирующие общий факел в гонке (секции топки), зафиксируют его погасание, и действует на останов котла.
Факел в топке (секции топки) контролируется для энергетических котлов не менее чем двумя комплектами приборов, для водогрейных котлов - одним комплектом.
Защита вводится автоматически при появлении сигналов о наличии факела от приборов контроля общего факела и в случае, если открыты задвижки на одном виде топлива ко всем растопочным горелкам.
Защита выводится с выдержкой времени до 3 мин от момента срабатывания выходных реле защит, действующих на останов котла.
Г.9 Защита по понижению давления газа после регулирующего клапана выполняется для энергетических котлов по схеме "два из двух", на водогрейных котлах - с одним датчиком.
Давление контролируется до отвода к горелкам.
На газовых котлах защита действует на останов котла.
На котлах, сжигающих два вида топлива, защита действует на закрытие ПЗК и запорного устройства на газопроводе к котлу, на закрытие запорных устройств на подводе газа к горелкам (при наличии двух электрифицированных запорных устройств на подводе газа к горелке, а также если есть условия ввода защиты, - на останов котла).
Действие защиты на останов котла вводится на:
- газовых котлах - если давление газа за регулирующим клапаном выше уставки предупредительной сигнализации и начало открываться запорное устройство на подводе газа к любой растопочной горелке;
- пылегазовых котлах - те же условия, что и для газовых котлов, с дополнением, что переключатель топлива переведен в положение "Газ";
- газомазутных котлах - если давление газа за регулирующим клапаном выше уставки предупредительной сигнализации, расход мазута менее 35% номинального и начало открываться запорное устройство на подводе газа к любой растопочной горелке.
Действие защиты на останов котла выводится на:
- газовых котлах - при срабатывании основного регулирующего клапана или защиты "Невоспламенение" (см. пункт Г.7);
- пылегазовых котлах - при срабатывании основного регулирующего клапана или защиты "Невоспламенение" или при переводе переключателя топлива из положения "Газ" в другое;
- газомазутных котлах - при срабатывании основного регулирующего клапана или защиты по "Невоспламенению" или при расходе мазута больше 35% номинального.
Действие защиты по прекращению подачи газа на котел вводится для:
- газовых и пылегазовых котлов - аналогично действию защиты на останов котла;
- газомазутных котлов - если давление газа за регулирующим клапаном выше уставки предупредительной сигнализации, расход мазута больше 35% номинального и начало открываться запорное устройство на подводе газа к любой растопочной горелке.
Приложение Д
(Рекомендуемое)
ПОРЯДОК ПРОВЕДЕНИЯ ПРЕДПУСКОВОЙ ПРОВЕРКИ ГЕРМЕТИЧНОСТИ ЗАТВОРОВ ЗАПОРНЫХ УСТРОЙСТВ ПЕРЕД ГОРЕЛКАМИ И ПЗК ГАЗОМ
Д.1 Проверка производится перед пуском котла из холодного состояния после окончания продувки газопроводов котла газом.
Д.2 Проверке на герметичность подлежат:
- затворы первых запорных устройств на газопроводах перед горелками при открытых запорных устройствах на трубопроводах безопасности и закрытых вторых запорных устройствах на газопроводах перед горелками;
- затвор ПЗК.
Д.3 Проверка должна производиться при включенных в работу дымососах, дутьевых вентиляторах, дымососах рециркуляции в следующем порядке:
- проверить положение запорных устройств на газопроводах перед горелками (они должны быть закрыты) и на трубопроводах безопасности (они должны быть открыты);
- проверить положение ПЗК (он должен находиться в открытом положении);
- проверить положение регулирующего клапана (он должен находиться в открытом положении);
- проверить положение запорных устройств на газопроводе к котлу (они должны быть открыты);
- проверить положение запорных устройств на продувочных газопроводах (они должны быть закрыты, на растопочном продувочном газопроводе - открыты);
- проверить давление газа в газопроводах котла (оно должно быть равным давлению в распределительном газопроводе (котельной);
- закрыть входную задвижку (с электроприводом) на газопроводе к котлу;
- установить давление газа в газопроводе котла, равное значению 80-70% давления газа в распределительном газопроводе (котельной), после чего закрыть запорное устройство на растопочном продувочном газопроводе;
- проверить герметичность затвора запорных устройств перед горелками, при установленном давлении газа в газопроводах котла, наблюдая в течение не менее 5 мин за изменением давления газа в газопроводе котла по штатному манометру, установленному после регулирующего клапана. При отсутствии повышения или понижения давления газа в газопроводе котла установить давление газа в нем, равное 60-50% давления газа в распределительном газопроводе открытием запорного устройства на растопочном продувочном газопроводе (для выявления возможности одинакового пропуска газа через входную задвижку на газопроводе к котлу с одной стороны и запорные устройства перед горелками и продувочными газопроводами с другой стороны;
- проверить герметичность затвора запорных устройств перед горелками при давлении газа 60-50%, наблюдая в течение не менее 5 мин за изменением давления газа в газопроводах котла.
Герметичность затворов запорных устройств перед горелками считается удовлетворительной при отсутствии видимого падения дан лопни по манометру в течение контролируемого времени (но не менее 5 мин).
Повышение давления газа выше первоначально установленных значений (80-50% давления в распределительном газопроводе) свидетельствует о негерметичности затвора входной задвижки на газопроводе. В этом случае необходимо закрыть запорное устройство с ручным приводом на газопроводе к котлу (при его наличии) и повторить проверку герметичности затворов запорных устройств на газопроводах перед горелками.
При повышении давления газа при закрытых обоих запорных устройствах на газопроводе к котлу или при отсутствии второго запорного устройства на нем следует прослушать поочередно газопроводы перед горелками и трубопроводы безопасности с помощью стетоскопа ("слухача") и проверить на ощупь температуру стенок газопроводов за арматурой.
Наличие понижения температуры свидетельствует о негерметичности затвора проверяемой арматуры.
При отсутствии шума, вызываемого протечкой газа через негерметичный затвор запорных устройств перед горелками, или понижения температуры стенок газопроводов герметичность затвора запорных устройств перед горелками считается также удовлетворительной.
При удовлетворительной герметичности затворов запорных устройств перед горелками следует проверить герметичность затвора ПЗК на газопроводе котла, для чего:
- закрыть ПЗК;
- понизить давление газа в газопроводах после ПЗК до значения, равного 30-40% давления в распределительном газопроводе, с помощью продувочных газопроводов и проконтролировать в течение не менее 5 мин давление газа в газопроводах котла до и после ПЗК.
Повышение давления газа в газопроводах котла после ПЗК выше первоначально установленного (30-40% давления п распределительном газопроводе) свидетельствует о негерметичности затвора ПЗК.
Д.4 При видимом падении давления газа в газопроводах котла необходимо проверить наружную плотность фланцевых и резьбовых соединений, а также сальниковых уплотнений арматуры с помощью мыльной эмульсии или течеискателем. Прослушать поочередно газопроводы на подводе к каждой горелке, трубопроводы безопасности и продувочные газопроводы с помощью стетоскопа, а также поочередно проверить на ощупь отсутствие понижения температуры стенок газопроводов за проверяемой арматурой.
Д.5 Растапливать котел при обнаружении негерметичности затворов запорных устройств перед горелками или ПЗК, а также при негерметичности фланцевых и резьбовых соединений, сальниковых уплотнений арматуры не допускается.
Д.6 После устранения причин негерметичности затворов запорных устройств перед горелками или ПЗК необходимо провести повторную проверку герметичности в соответствии с пунктом Д.3.
Приложение Е
(Справочное)
ВОЗМОЖНЫЕ АВАРИЙНЫЕ СИТУАЦИИ В ГАЗОВОМ ХОЗЯЙСТВЕ И ДЕЙСТВИЯ ПЕРСОНАЛА ПО ИХ ЛОКАЛИЗАЦИИ И ЛИКВИДАЦИИ
Е.1 Нарушение целостности подземного газопровода, разрыв сварного соединения на территории ТЭС до задвижки на вводе газа в ГРП.
Е.1.1 Признаки:
- появление запаха газа в помещениях и на территории ТЭС;
- загазованность в колодцах на расстоянии 15 м от трассы газопровода;
- появление бурых пятен на снегу по трассе газопровода в зимнее время;
- пожелтение травы, появление пузырьков на поверхности воды в летнее время.
Е. 1.2 Действия оперативного персонала:
Е.1.2.1 Немедленно сообщить начальнику смены станции (КТЦ) о появлении признаков утечки газа.
Е.1.2.2 Начальник смены станции обязан:
- дать указания начальникам смен КТЦ и химического цеха о срочной проверке полученной информации об утечке газа;
- после Получения подтверждения об утечке газа из подземного газопровода до ГРП немедленно:
вызвать аварийную службу газоснабжающей (газосбытовой) организации (по телефону) для закрытия пробковых кранов на газовой магистрали к ТЭС и отключения электрозащиты подземного газопровода;
сообщить о случившемся руководству ТЭС, ответственному за газовое хозяйство, заместителям технического руководителя (главного инженера) по эксплуатации и ремонту, руководству КТЦ, начальнику корпуса ВОХР, в диспетчерские службы газоснабжающей (газосбытовой) организации, вышестоящие организации);
вызвать ремонтную бригаду мастерского участка ЦЦР;
принять экстренные меры к предупреждению персонала других цехов и служб, строительных и подрядных организаций, работающих в зоне возможной загазованности территории, о возможной опасности для жизни людей;
дать указание об ограждении места утечки газа из газопровода и выставить наблюдающего на подъездных дорогах к трассе газопровода для исключения проезда транспорта и прохода посторонних людей;
дать указание начальнику смены химического цеха о срочной проверке загазованности в зоне утечки, подземных коммуникациях и помещениях в радиусе 50 м от места утечки;
принять меры к обеспечению взрывопожаробезопасности в загазованных помещениях, колодцах (проветрить помещения, колодцы, запретить курить, зажигать спички, включать и выключать электролампы и электроприборы, пользоваться нагревательными приборами с открытым пламенем) и эвакуации людей из загазованной зоны (помещений);
принять меры к переводу котельной на сжигание другого вида топлива или к включению в работу резервного ГРП (при наличии двух и более газовых магистралей (вводов) на ГЭС);
при обнаружении концентрации газа в подвалах зданий и коммуникациях ТЭС более 1% по объему дать указание диспетчерской службе газоснабжающей организации о немедленном прекращении подачи газа по неисправному газопроводу на ТЭС;
при концентрации газа в подвалах зданий и коммуникациях ТЭС менее 1% по согласованию с руководством ТЭС дать указание либо диспетчерской службе газоснабжающей организации о немедленном прекращении подачи газа по неисправному газопроводу, либо диспетчерской службе газоснабжающей организации о понижении давления газа в газопроводе. В последнем случае принять меры к организации работ по определению места неисправности газопровода и проведению непрерывного контроля за изменением концентрации газа в загазованной зоне (подвалах и помещениях) ТЭС. При нахождении места утечки газа или повышении концентрации газа в зданиях и коммуникациях ТЭС до 1% по объему и более дать указание о прекращении подачи газа на ТЭС по неисправному газопроводу.
Е.2 Разрыв сварного соединения газопровода или появление неплотности во фланцах или сальниках за вводной задвижкой на открытой территории ГРП.
Е.2.1 Признаки: появление запаха газа в помещениях и на территории ГРП; шум истечения газа.
Е.2.2 Действия оперативного персонала:
Е.2.2.1 Немедленно сообщить начальнику смены станции (КТЦ) о месте аварии.
Е.2.2.2 Начальник смены станции срочно сообщает о случившемся руководству ТЭС, ответственному за газовое хозяйство, заместителям технического руководителя (главного инженера) по эксплуатации и ремонту, руководству КТЦ.
Е.2.2.3 Начальник смены КТЦ срочно приостанавливает огневые работы в опасной зоне (если они проводятся) и выставляет наблюдающего для исключения проезда транспорта и прохода людей в опасную зону.
Е.2.2.4 Начальник смены станции принимает меры к сокращению расхода газа и переводу котлов на работу на другом виде топлива и дает указание о закрытии вводной задвижки на ГРП или отключении поврежденного газопровода. О снижении расхода газа сообщается в диспетчерскую службу газоснабжающей организации. Отключение поврежденного участка ГРП или всего оборудования ГРП производится согласно разделу 8.3 настоящих Методических указаний.
Е.2.2.5 Начальник смены станции сообщает дежурному вышестоящей организации о случившемся и вызывает аварийную службу газоснабжающей организации, если требуется закрытие задвижки (крана) на газопроводе от ГРС до ввода на территорию ТЭС.
Е.2.2.6 Начальник смены станции вызывает ремонтный персонал газовой службы (ЦЦР), дает указание начальнику смены КТЦ допустить ремонтный персонал для установки заглушек и устранения повреждения по наряду-допуску.
Примечание - Отключение поврежденных участков газопровода вручную производится бригадой в составе не менее 3 рабочих. Работа выполняется в противогазах по пункту 2.2.15 настоящих Методических указаний после пробного инструктажа о приемах работы, технике безопасности при выполнении работ в загазованной среде.
Е.3 Разрыв сварных соединений газопроводов, трещина в корпусе задвижки, поломка нажимной буксы сальника или появление неплотности (нарушение герметичности) в сальниках и во фланцевых соединениях газового оборудования или арматуры в помещении ГРП.
Е.3.1 Признаки:
- появление запаха газа в помещении ГРП;
- срабатывание сигнализации о повышенной концентрации газа в помещении регуляторного зала ГРП.
Е.3.2 Действия оперативного персонала:
Е.3.2.1 Немедленно сообщить начальнику смены КТЦ и НСС о случившемся.
Е.3.2.2 Начальник смены станции сообщает о случившемся руководству ТЭС, ответственному за газовое хозяйство, заместителям технического руководителя (главного инженера) по эксплуатации и ремонту, руководству КТЦ.
Е.3.2.3 Начальник смены станции через начальника смены КТЦ дает указание старшему машинисту котельной (энергоблока) и дежурному слесарю КТЦ об усиленном проветривании помещений ГРП, о выявлении мест утечек, проверке загазованности колодцев, подвалов, зданий в радиусе 50 м от ГРП, об отключении газопровода или поврежденного оборудования и выводе его в резерв.
Начальник смены станции в своих действиях руководствуется существующими до момента аварийной ситуации режимом работы ГРП и принимает меры к обеспечению газоснабжения котельной от резервного ГРП либо к переводу котлов на работу на другом виде топлива.
Е.3.2.4 Отключение поврежденного участка газопроводов или оборудования производится согласно разделу 8.3 с соблюдением требований раздела 2 настоящих Методических указаний.
Е.3.3 Если после отключения поврежденного участка удается сохранить необходимый расход газа на ТЭС, восстановительные работы организуются в плановом порядке в дневное время. В этом случае аварийный вызов бригады газовой службы (мастерского участка ЦЦР) не требуется.
Е.3.4 Если расход газа на ТЭС изменяется, необходимо сообщить об этом диспетчерской службе газоснабжающей организации и дежурному вышестоящей организации.
Е.4 Образование снежно-ледяных и кристаллогидратных пробок в газопроводах, конденсатосборниках и фильтрах.
Е.4.1 Признаки:
- резкое падение давления газа на входе в ГРП;
- понижение давления газа в газопроводах к котлам;
- включение резервной редуцирующей установки. Е.4.2 Действия оперативного персонала:
Е.4.2.1 Сообщить НСС о резком понижении давления газа на входе в ГРП и выходе из него.
Е.4.2.2 Убедиться, что понижение давления газа не произошло по другим причинам (появление неплотностей, разрывов и т.п.).
Е.4.2.3 Начальник смены станции должен немедленно:
- сообщить о случившемся руководству ТЭС, ответственному за газовое хозяйство, диспетчерской службе газоснабжающей организации;
- принять меры к переводу котла на работу на другом виде топлива;
- вызвать ремонтную бригаду газовой службы (мастерского участка ЦЦР);
- принять меры к обеспечению аварийно-восстановительных работ на газопроводах.
Е.4.2.4 Для ликвидации образующихся во время эксплуатации закупорок газопроводов могут применяться:
- заливка растворителя в газопровод;
- продувка газом или воздухом;
- прочистка газопровода стальной проволокой или ершом.
Е.4.2.5 Работы по ликвидации закупорок могут производиться аварийной службой газоснабжающей организации (при наличии договора на проведение этих работ).
Е.5 Утечка газа из-за разрыва сварных соединений газопроводов котла, свища в газопроводе котла, поломки нажимной буксы сальника или появления трещин в корпусе арматуры, а также нарушения герметичности во фланцевых соединениях газового оборудования или арматуры в пределах котла (после входной газовой задвижки котла).
Е.5.1 Признаки:
- появление запаха газа в котельной;
- шум истечения газа через неплотность наружу.
Е.5.2 Действия оперативного персонала:
Е.5.2.1 Немедленно сообщить о случившемся НСС, руководству ТЭС, ответственному за газовое хозяйство.
Е.5.2.2 Немедленно отключить поврежденный участок газопровода котла и остановить котел.
Е.5.2.3 Выставить предупредительные знаки у входа в помещения котельной, оградить места утечки газа и организовать наружное наблюдение.
Е.5.2.4 Усилить вентиляцию помещения котельной путем открытия окон и дверей, постоянно контролируя концентрацию газа в помещениях котельной, на лестничных клетках, в подвалах в радиусе 50 м от места утечки газа.
Е.5.2.5 Принять меры к обеспечению работы котла на другом виде топлива.
Е.5.2.6 Вызвать ремонтную бригаду газовой службы (мастерского участка ЦЦР).
Е.5.2.7 Принять меры к обеспечению аварийно-восстановительных работ на поврежденном участке газопровода.
Приложение Ж
(Справочное)
КРАТКОЕ ТЕХНИЧЕСКОЕ ОПИСАНИЕ СИСТЕМЫ ГАЗОСНАБЖЕНИЯ ТЭС
Газоснабжение газоиспользующих установок для энергоблоков мощностью менее 800 МВт и ТЭЦ осуществляется от общестанционного ГРП. Общестанционный ГРП сооружается для ТЭС общей мощностью 1600 МВт включительно. На рисунке Ж.1, а приведена принципиальная типовая схема общестанционного ГРП.
Для энергоблоков мощностью 800 МВт и более газоснабжение осуществляется от блочного ГРП.
На рисунке Ж.1, б приведена типовая схема газоснабжения энергоблока мощностью 800 МВт и более от блочного ГРП.
Все элементы газопроводов ГРП и на участке от ГРП до ПЗК котлов (см. поз. 6 рисунков Ж.1, б
, в
) рассчитываются и применяются исходя из рабочего давления газа до ГРП. Время срабатывания ПЗК - не более 1 с. Клапаны должны иметь дистанционное и местное управление на открытие. Привод - электромагнитный. Исполнение - взрывозащищенное. Род тока - постоянный и переменный (на открытие), напряжение переменного тока 220 В.
На рисунке Ж.1, в приведена схема газопроводов котла с различными вариантами подвода газа к горелкам.
Вся арматура, применяемая в системе газоснабжения ТЭС, должна быть стальной, герметичности класса В.
Для систем газоснабжения водогрейных котлов с давлением газа до ГРП не выше 0,3 МПа (3 кгс/см2
) допускается применение запорной арматуры из цветных металлов.
Способ присоединения арматуры (на сварке или на фланцах) определяется проектом.
В тех ГРП, на которых регулирующие клапаны оборудованы электроприводом., а газопроводы и газовое оборудование ГРП и на участке от ГРП до ПЗК котлов не рассчитаны на рабочее давление газа до ГРП, устанавливаются ПЗК в количестве не менее двух. Верхний предел срабатывания ПЗК не должен превышать максимальное рабочее давление газа после регулятора более чем на 25%. Колебание давления газа на выходе от ГРП не должно превышать 10% рабочего давления.
Защита должна действовать на закрытие каждого ПЗК от независимых приборов по схеме "Два из двух" или "Два из трех" в зависимости от конкретных условий размещения ГРП.
В системе газоснабжения энергоблоков от блочных ГРП предусматривается установка двух ПЗК (см. поз. 6 рисунка Ж.1, б
) - один на ГРП, другой на газопроводах котла, срабатывающих одновременно от воздействия технологических защит котла, действующих на прекращение подачи газа на котел или на его останов.
Питание электромагнита ПЗК (см. поз. 6 рисунка Ж. 1, б
) осуществляется от аккумуляторной батареи или от батареи предварительно заряженных конденсаторов.
Схема управления электромагнитом ПЗК должна быть оснащена устройством непрерывного контроля за исправностью цепи постоянного тока.
В ГРП с входным давлением газа свыше 0,6 МПа (6 кгс/см2
) предусматривается не менее двух редуцирующих установок (одна резервная). Для тех ТЭС, для которых газ является основным видом топлива, при общем количестве редуцирующих установок четыре и более эти установки следует размещать в двух регуляторных залах, разделенных между собой вспомогательным помещением.
Помимо расчетного количества рабочих редуцирующих установок в общестанционном ГРП предусматривается одна резервная и одна установка малого расхода. Байпасный газопровод редуцирующих установок не предусматривается. При необходимости установка малого расхода может быть использована как дополнительная резервная.
Для энергоблоков мощностью 800 МВт и более (см. рисунок Ж. 1, б) допускается не устанавливать на ГРП регуляторы поддержания давления газа (см. поз. 9 рисунка Ж.1, а
), а их функции выполняют регуляторы расхода газа на котел, установленные на блочном ГРП (см. поз. 17 и 19 рисунка Ж.1, б
). При этом в блочном ГРП предусматривается три параллельные линии редуцирования, в том числе одна рабочая, одна резервная и одна - малого расхода. Пропускная способность каждой рабочей и резервной линий обеспечивает номинальную нагрузку энергоблока, а линии малого расхода от 5 до 30% номинального расхода газа на котел.

а)
Рисунок Ж.1 - Типовая схема газопроводов
а
- общестанционного ГРП; б
- газомазутного энергоблока мощностью 800 МВт
и более от блочного ГРП; в - котла
Обозначения рис. см. ниже.

б)

в)
1
- продувочный трубопровод, оборудованный запорным устройством с ручным приводом;
2
- продувочный трубопровод, оборудованный запорным устройством с электроприводом, управляемым вручную и дистанционно с БЩУ (ГрЩУ) или по месту; 3
- запорное устройство с электроприводом на газопроводе к котлу, управляемое вручную, дистанционно с БЩУ (ГрЩУ) или по месту (участвует в блокировках и защитах котла); 4
- фланцевое соединение для установки заглушки с приспособлениями для разжима и токопроводящей перемычкой;
5
- штуцер для подачи сжатого воздуха или инертного газа; 6 - ПЗК, управляемый вручную и дистанционно по месту (участвует в блокировках и защитах котла); 7
- расходомерное устройство; 8
- запорное устройство с ручным приводом на газопроводе к котлу (ремонтная задвижка); 9
- основной регулирующий клапан, управляемый вручную и дистанционно с БЩУ (ГрЩУ) или МЩУ, ГРП (предназначен для поддержания заданного значения давления газа после ГРП в рабочем режиме); 10
- растопочный регулирующий клапан (малого расхода), управляемый вручную, дистанционно с БЩУ (ГрЩУ) и с МЩУ ГРП (предназначен для поддержания заданного значения давления газа - после ГРП при малых расходах газа на котельную); 11
- запорное устройство с электроприводом на подводе газа к горелке котла, управляемое вручную, дистанционно с БЩУ (ГрЩУ) и по месту (участвует в блокировках и защитах котла); 12
, а
- двухпоточная горелка с раздельным подводом газа к каждому каналу;
12
, б
- двухпоточная горелка с общим подводом газа; 12
, в
- однопоточная горелка;
13
- запорное устройство с электроприводом, установленное на трубопроводе безопасности, управляемое вручную, дистанционно с БЩУ (ГрЩУ) и по месту (участвует в блокировках и защитах котла); 14
- запорное устройство с электроприводом на подводе газа к запальному устройству горелки, управляемое вручную, дистанционно с БЩУ (ГрЩУ) (участвует в блокировках котла): 15
- запальный газопровод котла; 16
- запорное устройство с электроприводом, управляемое вручную, дистанционно с БЩУ (ГрЩУ) (участвует в блокировках котла); 17
- основной регулирующий клапан (регулятор) расхода газа, управляемый вручную и дистанционно с БЩУ (ГрЩУ), предназначен для поддержания требуемой тепловой нагрузки котла при его работе; 18
- запорное устройство с электроприводом на газопроводе малого расхода, управляемое вручную и дистанционно с БЩУ (ГрЩУ) (участвует в блокировках котла); 19
- растопочный регулирующий клапан (регулятор) расхода, управляемый вручную и дистанционно с БЩУ (ГрЩУ), предназначен для поддержания требуемой тепловой нагрузки котла при растопке (участвует в блокировках котла); 20
- распределительный газопровод (газопровод котельной); 21
- газопровод малого расхода; 22
- запорное устройство с ручным приводом на газопроводе запального газа (ремонтная задвижка), (предусматривается только для газовых котлов); 23
- запорное устройство с электроприводом на газопроводе запального газа, управляемое вручную и дистанционно с БЩУ (ГрЩУ), предусматривается для котлов, предназначенных для сжигания разных видов топлива (участвует в блокировках котла); 24
- резьбовая заглушка; 25
- внутренний газопровод котла; 26
- запорное устройство с электроприводом на входе в основную редуцирующую линию, управляемое вручную и дистанционно с БЩУ (ГрЩУ) или МЩУ ГРП (участвует в блокировках ГРП); 27
- запорное устройство с электроприводом на входе в пусковую редуцирующую линию (малого расхода), управляемое вручную и дистанционно с БЩУ (ГрЩУ) или МЩУ ГРП (участвует в блокировках ГРП); 28
- запорное устройство с электроприводом на газопроводе от ГРС перед вводом на территорию ГЭС, управляемое вручную и дистанционно с МЩУ ГРП или БЩУ (ГрЩУ);
29
- изолирующие фланцы; 30
- запорное устройство с электроприводом на входе газа на территорию ГРП, управляемое вручную - по месту и дистанционно с БЩУ (ГрЩУ) и МЩУ ГРП; 31
- фильтр очистки газа; 32
- запорное устройство с электроприводом на выходе из основной редуцирующей линии, управляемое вручную и дистанционно с БЩУ (ГрЩУ) или МЩУ ГРП; 33
- запорное устройство с электроприводом на выходе из пусковой редуцирующей линии (малого расхода), управляемое вручную и дистанционно с БЩУ (ГрЩУ) или МЩУ ГРП; 34
-шумоглушитель; 35
- ПСК; 36
- сбросной трубопровод от ПСК; 37
- запорное устройство с электроприводом на выходном газопроводе от ГРП, управляемое вручную и дистанционно с БЩУ (ГрЩУ) или МЩУ ГРП; 38
- байпасный газопровод фильтров очистки газа; 39
- дренаж газопроводов; 40
- растопочный продувочный газопровод, оборудованный запорным устройством с электроприводом, управляемым вручную и дистанционно с БЩУ (ГрЩУ), участвует в блокировках котла; 41
- запорное устройство с ручным приводом и резьбовой заглушкой, предназначенное для отбора проб из продувочного газопровода; 42
- регулирующий клапан на трубопроводе запального газа, управляемый по .месту и дистанционно;
43
- индивидуальный регулирующий клапан перед горелкой.
Примечание - Варианты подвода газа к горелочному устройству на рисунке Ж.1, в
равноправны.
В ГРП предусматривается автоматическое регулирование давлении газа. Регулирование давления газа одноступенчатое. На каждой редуцирующей установке общестанционного ГРП предусматривается последовательная установка двух регулирующих клапанов, один из которых является рабочим, другой - дежурным. Допускается установка двух регулирующих клапанов при двухступенчатом регулировании, т.е. понижение давления производятся обоими регулирующими клапанами, установленными последовательно на каждой линии редуцирования. Допускается также установка одного регулирующего клапана на каждой линии редуцирования. Выбор количества регулирующих клапанов на линиях редуцирования определяется проектной организацией в зависимости от типа устанавливаемого регулирующего устройства, давления поступающего газа на входе, конечного давления на выходе, диаметра выходных трубопроводов, длины газопроводов и т.п.
В рабочем режиме на ГРП включены в работу две рабочие редуцирующие установки рабочие, регулирующие клапаны которых настроены на поддержание разного давления газа на выходе из ГРП. Рабочий клапан на одной редуцирующей установке, находящейся в работе, настроен на давление несколько меньшее, чем то, на которое настроен рабочий клапан другой рабочей редуцирующей установки, поэтому в нормальном режиме он закрыт и редуцирование осуществляется на одной установке. При понижении давления до уставки, на которую настроен рабочий клапан этой установки, он включается в параллельную работу с другой рабочей редуцирующей установкой и редуцирование давления газа происходит на двух установках.
Дежурные клапаны на каждой установке настроены на давление, несколько превышающее номинальное, поэтому в нормальном режиме они открыты. При повышении давления до уставки, на которую настроены дежурные клапаны, они вступают в работу и предотвращают недопустимое повышение давления на выходе из ГРП, поддерживая его постоянным в заданных значениях.
При дальнейшем росте давления газа на выходе из ГРП (неисправность МЭО, клапанов, тяг, сочленений и т.п.) в работу включается резервная редуцирующая установка, поставленная на АВР, и подается светозвуковой сигнал. На резервной редуцирующей установке регулирующие клапаны настроены по тем же уставкам, что и на основной рабочей установке. В этом случае закрываются входные задвижки на рабочих редуцирующих установках и открывается входная задвижка на той резервной установке (выходные задвижки на всех редуцирующих установках открыты), на которой дежурные и рабочие клапаны закрыты. При понижении давления сначала открывается дежурный клапан, а затем рабочий клапан резервной установки, который поддерживает давление газа на выходе из ГРП в заданных значениях.
При необходимости оперативный персонал после выяснения и устранения причин срабатывания АВР на ГРП подключает в работу вторую редуцирующую установку и устанавливает на АВР третью установку.
В ГРП предусматривается не менее двух (один резервный) ПСК (см. поз. 35 рисунка Ж.1), которые должны обеспечивать сброс газа в размере 10-15% максимальной производительности ГРП при превышении максимального рабочего давления после регулятора (см. поз. 9 и 10 рисунка Ж.1) не более чем на 15%.
Допускается не предусматривать установку ПСК в ГРП с расчетным количеством газа 100000 м3
/ч и более при размещении их вблизи воздухозаборных шахт производственных помещений. В этих случаях все газопроводы и оборудование, устанавливаемое за регулятором давления до отключающих устройств перед горелками (см. поз. 11 рисунка Ж.1) включительно, должны быть рассчитаны и приняты, исходя из рабочего давления газа до ГРП.
Сбросные трубопроводы от ПСК (см. поз. 36 рисунка Ж.1) располагаются со стороны здания ГРП, противоположной воздухозаборным устройствам систем вентиляции. Расстояние от конечных участков сбросных трубопроводов до мест забора воздуха для приточной вентиляции должно быть не менее 10 м по горизонтали и 6 м по вертикали.
Если расстояние от сбросных газопроводов ПСК по горизонтали до светоаэрационного фонаря самого высокого соседнего здания меньше 20 м, сбросные газопроводы должны быть выведены на 2 м выше фонаря этого здания.
Продувочные газопроводы (см. поз. 1 и 2 рисунка Ж.1) выводятся наружу в месте, обеспечивающем безопасные условия для рассеивания газа, но не менее чем на 1 м выше карниза здания (дефлекторов ГРП) и не менее чем на 5 м - уровня земли.
Во всех помещениях ГРП предусматриваются естественное и искусственное освещение и постоянно действующая естественная вентиляция, обеспечивающая трехкратный (не менее) воздухообмен за 1 ч.
Выходная задвижка (см. поз. 37 рисунка Ж.1) и заглушка (см. поз. 4) на общем газопроводе после ГРП предусматриваются в случае сооружения на ТЭС двух общестанционных ГРП и более, соединенных общим коллектором со стороны котельной.
Газопровод малого расхода (см. поз. 18 и 19 рисунка Ж.1, в) не предусматривается для котлов, тепловая нагрузка которых регулируется количеством включенных горелок.
Газопроводы котла имеют систему продувочных газопроводов с запорными устройствами и штуцерами для отбора проб, в том числе растопочный продувочный газопровод (см. поз. 40 рисунка Ж.1).
На каждом продувочном газопроводе, арматура которого задействована в схемах функциональных групп управления или автоматических системах управления технологических процессов, а также в схемах защит и блокировок котла или систем газоснабжения ТЭС устанавливается запорное устройство с электроприводом, (см. поз. 2 рисунка Ж.1).
Продувочные газопроводы предусматриваются в конце каждого тупикового участка газопровода или перед запорным устройством последней по ходу газа горелки (при отсутствии тупиковых участков на газопроводах), на газопроводе до первого запорного устройства перед каждой горелкой при его длине до первого запорного устройства более 2 м.
Диаметр продувочного газопровода определяется расчетом с учетом обеспечения 15-кратного обмена объема продуваемого участка газопровода за 1 ч, при этом он должен быть диаметром не менее 20 мм.
Диаметр растопочного продувочного газопровода (см. поз. 40 рисунка Ж.1) выбирается из условий обеспечения возможности поддержания растопочным регулирующим клапаном (см. поз. 19 рисунка Ж.1) начального давления газа при розжиге растопочных горелок.
Помещения регуляторного зала оснащаются автоматическими сигнализаторами загазованности воздуха. Количество сигнализаторов и места их установки определяются проектом.
Оснащение автоматическими сигнализаторами загазованности воздуха помещения котельного отделения (котельной) не требуется.
Помещение котельного отделения (котельной) имеет естественную и принудительную вентиляцию, обеспечивающую проветривание мест возможного скопления горючих газов.
Стены внутри котельной должны быть гладкими и окрашиваться в светлый тон.
Наружные стены здания котельного отделения главного корпуса ТЭС и котельной должны иметь окна для погашения взрывного давления и для отвода из помещения газов, образующихся при взрыве. Остекление составляет не менее 30% площади поверхности одной из наружных стен с наибольшей площадью. Применение для этой цели армированного стекла и стеклоблоков не допускается.
Конструкция топки котла и компоновка на ней горелочных устройств должны обеспечивать устойчивость процесса горения и его контроль и исключать возможность образования застойных и плохо вентилируемых зон.
Арматура газопроводов должна быть доступна для осмотра, ремонта и управления с пола помещений или со специальных площадок, а места ее установки - освещены.
Газоходы для отвода продуктов сгорания котельных установок и газоходы системы рециркуляции продуктов сгораний в топку не должны иметь невентилируемых участков, в которых могли бы задерживаться и скапливаться газообразные горючие вещества.
Конструкция воздушного тракта котельной установки от воздухоподогревателя до горелочных устройств должна обеспечивать возможность вентиляции его продувкой в топку.
"Теплый ящик", в котором размещаются коллекторы, должен иметь устройство для вентиляции.
На котельных установках электростанций и котельных должны устанавливаться газовые горелки, которые, должны быть аттестованы и иметь паспорта заводов-изготовителей.
Горелки должны устойчиво работать без отрыва пламени и проскока его внутрь горелки во всем необходимом диапазоне регулирования тепловой нагрузки котла.
Прокладка газопроводов в пределах котельной установки должна быть открытой. По всей длине газопровода должен быть обеспечен доступ для регуляторного контроля и осмотра.
Газопроводы в пределах котельной должны прокладываться с уклоном по ходу газа. Уклон должен быть не менее 0,003. В отдельных случаях допускается прокладка газопроводов с уклоном против хода газа.
Температура воздуха в помещениях, где расположено газовое оборудование и средства измерения, не должна быть ниже минимального значения, указанного в паспортах заводов-изготовителей, при этом она должна быть не ниже 5 °С. Помещения ГРП и котельной должны быть укомплектованы первичными средствами пожаротушения в соответствии с требованиями ПБСГГ [17].
Подача газа по обводному газопроводу ГРП, не оснащенному регулирующим клапаном, не допускается.
Управление регулирующей и запорной арматурой с электроприводом общестанционного ГРП для блочных ТЭС предусматривается с одного из БЫТУ, а для ТЭС с поперечными связями - со щита управления одного из котлов или группы котлов (ГрЩУ) при сохранении возможности управления со щита ГРП.
Указатель положения регулирующей и запорной арматуры общестанционного ГРП предусматривается на соответствующем щите управления в главном корпусе и щите управления ГРП. На щит управления в главном корпусе выносятся информация по давлению газа до и после ГРП, расход газа на ТЭС (показывающий прибор) и сигнализация по повышению (понижению) давления газа до и после ГРП, увеличению загазованности в регуляторном зале и помещении щита управления ГРП.
На щит управления котла (БЩУ) выносится информация по расходу газа на котел (показывающий и регистрирующий прибор), давлению газа до регулирующего клапана котла (регистрирующий прибор), давлению газа после регулирующего клапана котла (показывающий прибор - при необходимости) и сигнализация по понижению и повышению давления газа после регулирующего клапана котла,
На щит управления ГРП выносятся информация по давлению газа до и после ГРП (показывающий и регистрирующий приборы), общему расходу газа на ТЭС (показывающий и регистрирующий приборы), температуре газа до или после расходомера (показывающий и регистрирующий приборы), загазованности в регуляторном зале и щите управления ГРП (показывающий прибор) и сигнализация по увеличению загазованности в регуляторном зале и щите управления ГРП.
На щит управления энергоблоков 800 МВт и более (при блочном ГРП) выносятся указатели положения и управление регулирующей и запорной арматурой ГРП, информация по расходу газа на энергоблок (показывающий и регистрирующий приборы), давлению газа до и после ГРП (показывающие и регистрирующие приборы), температуре газа до или после расходомера (показывающий и регистрирующий прибор) и сигнализация по повышению и понижению давления газа до и после ГРП, увеличению загазованности в регуляторном зале, узле очистки газа и на щите управления ГРП.
Приложение И
(Рекомендуемое)
ОРГАНИЗАЦИЯ ВЫПОЛНЕНИЯ РАБОТ ПО УСТАНОВКЕ И СНЯТИЮ ЗАГЛУШЕК НА ГАЗОПРОВОДАХ
Работы по установке и снятию заглушек на действующих газопроводах являются газоопасными и должны производиться по нарядам-допускам на газоопасные работы.
Указанные работы должны выполняться бригадой в составе не менее двух рабочих под руководством руководителя или специалиста. Каждый член бригады (включая руководителя) должен быть аттестован на право проведения газоопасных работ. Работы должны выполняться, как правило, в дневное время.
Заглушки должны устанавливаться на границах отключенного участка после отключающих устройств в их фланцевых соединениях или в специально предусмотренных проектом фланцевых соединениях для установки заглушек, снабженных разжимным устройством. Заглушки должны отвечать требованиям пункта 2.2.21 настоящих Методических указаний.
Каждый работающий при установке или снятии заглушек на наружных газопроводах должен иметь исправный шланговый противогаз. Ответственным за исправность средств индивидуальной защиты при проведении газоопасной работы является специалист, руководящий газоопасной работой.
Необходимость наличия противогазов у работников при выполнении ими работ на внутренних газопроводах определяется нарядом-допуском на эти работы.
Установка заглушек на наружных газопроводах производится после отключения участка газопроводов от действующих газопроводов до их продувки воздухом или инертным газом.
Отключение участка газопроводов производится путем закрытия отключающих устройств со стороны действующего газопровода, т.е. газопровода, находящегося под давлением газа.
Установка заглушек на внутренних газопроводах (котельной, ГРП) должна производиться после отключения участка газопровода от действующих газопроводов путем закрытия запорных устройств на нем со стороны действующего газопровода и продувки отключенного участка сжатым воздухом или инертным газом в соответствии с пунктами В.3.3.11-0.3.3.14 настоящих Методических указаний.
Снятие (удаление) заглушек на газопроводах должно производиться после проведения осмотра целостности газопроводов и исправности газового оборудования, а также при получении положительных результатов проведения контрольной опрессовки газопроводов воздухом.
Результаты контрольной опрессовки должны заноситься в наряд-допуск.
Контрольная опрессовка внутренних газопроводов котлов, а также газового оборудования и газопроводов ГРП должна производиться давлением 0,01 МПа (1000 мм вод. ст.). Падение давления не должно превышать 0,60 кПа (60 мм вод. ст.) за 1 ч.
Наружные газопроводы всех давлений подлежат контрольной опрессовке давлением 0,02 МПа (2000 мм вод. ст.). Падение давления не должно превышать 0,1 кПа (10 мм вод. ст.) за 1 ч.
Перед началом работ по установке или снятию заглушек должна быть установлена на разъединяемых участках газопровода токопроводящая перемычка (если не предусмотрена проектом стационарная перемычка) в целях предотвращения искрообразования.
Выполнение работ по установке заглушек в загазованном помещении, т.е. при содержании природного газа в воздухе помещения 1% и более, силами неспециализированной бригады газовой службы (мастерского участка) или других подразделений электростанции не допускается.
Указанную работу при необходимости ее выполнения (негерметичность затвора запорной арматуры и отсутствие возможности перевода работы всех котлов на другой вид топлива или их останов) следует производить силами аварийной бригады газовой службы предприятия или (при ее отсутствии) силами АДС предприятия газового хозяйства.
При производстве работ по установке заглушек в загазованном помещении (например, в регуляторном зале ГРП) снаружи помещения должен находиться человек для наблюдения за работающими в помещении. Этот или другой человек обязан также следить за тем, чтобы вблизи не было источников огня, и не допускать любых лиц, не входящих в состав бригады, в зону проведения работ (на территорию ГРП). Указанные работы могут выполняться без нарядов-допусков, под руководством руководителя или специалиста. В составе бригады должно быть не менее трех человек. Работы должны выполняться в противогазах. Необходимость наличия на работающих спасательных поясов определяется требованиями Плана локализации и ликвидации аварий, разработанными с учетом местных условий.
Перед началом проведения работ по установке или снятию заглушки на газопроводе ответственный за ее проведение обязан проинструктировать всех рабочих о необходимых мерах безопасности, после этого каждый рабочий, получивший инструктаж, должен расписаться в наряде-допуске.
Перед началом работ следует также:
- проверить исправность шланговых противогазов (если при плотном нажатии рукой конца гофрированной трубки дышать невозможно, противогаз исправен, если дышать можно - противогаз к применению непригоден), проверить наличие инструмента, его исправность и комплектность, а также оснащенность материально-техническими средствами;
- проверить положение отключающей арматуры со стороны действующих газопроводов (она должна быть в закрытом положении, с ее электроприводов снято напряжение, а с цепей управления электроприводов - предохранители; отключающая арматура должна быть обвязана цепями или заблокирована другими приспособлениями и заперта на замки, на ней должны быть вывешены знаки безопасности "Не открывать - работают люди");
- убедиться в том, что давление газа в газопроводе на отключенном участке отсутствует (по показаниям манометра, находящегося на расстоянии не более 100 м от места проведения работ);
- убедиться в том, что запорные устройства на продувочных газопроводах на отключенном участке открыты;
- убедиться в том, что в зоне радиусом 10 м от места установки заглушки не ведутся огневые или сварные работы, а в огражденной зоне проведения работ не находятся посторонние лица;
- проверить состояние и положение воздухозаборных патрубков шланговых противогазов, они должны располагаться с наветренной стороны от места установки заглушки и должны быть закреплены. При отсутствии принудительной подачи воздуха вентиляторами длина шланга не должна превышать 15 м. Шланг не должен иметь резких перегибов и чем-либо защемляться.
При проведении работы фланцевые соединения следует раскрывать осторожно, не допуская выпадения из фланцев металлических прокладок и других материалов.
При использовании инструмента из черного металла его рабочая часть должна обильно смазываться солидолом или другой смазкой во избежание возможности искрообразования. Болты следует затягивать постепенно, поочередно с диаметрально противоположных сторон. Перед установкой паронитовой прокладки она должна быть тщательно пропитана маслом. Пропитывание прокладок белилами или масляными красками, а также применение их в несколько слоев не допускаются.
После окончания работ по установке заглушки на наружных газопроводах необходимо продуть отключенный участок газопровода сжатым воздухом или инертным газом до полного вытеснения газа. Окончание продувки определяется анализом. Остаточная объемная доля газа в продувочном воздухе не должна превышать 1/5 нижнего предела воспламеняемости газа (для природного газа 1%).
После окончания работ по снятию заглушки и пуска газа к газопроводы необходимо убедиться в герметичности фланцевых соединений.
Список использованной литературы
1. Федеральный закон "О промышленной безопасности опасных производственных объектов" № 116-ФЗ с Изм. от 10.01.03.
2. Общие правила промышленной безопасности для организаций, осуществляющих деятельность в области промышленной безопасности: ПБ 03-517-02 / Утв. Постановлением Госгортехнадзора России от 18.10.2002 № 61-А.
3. Правила применения технических устройств на опасных производственных объектах /Утв. Постановлением Правительства Российской Федерации от 25.12.1998 г. № 1540.
4. Правила регистрации объектов в государственном реестре опасных производственных объектов / Утв. Постановлением Правительства Российской Федерации от 24.11.98 г. № 1371.
5. Положение о регистрации объектов в государственном реестре опасных производственных объектов и ведении государственного реестра: РД 03-294-99: / Утв. Постановлением Госгортехнадзора России от 03.06.99 № 39, зарегистрировано Минюстом России 05.07.99, рег. № 1822.
6. Положение о расследовании и учете несчастных случаев на производстве: / Утв. Постановлением Правительства Российской Федерации от 11.03.99 г. № 279.
7. Положение о порядке технического расследования причин аварий на опасных производственных объектах: РД 03-293-99: / Утв. Постановлением Госгортехнадзора России от 08.06.99 г., зарегистрировано Минюстом России 02.07.99 г., рег. № 1819.
8. Правила проведения экспертизы промышленной безопасности: ПБ 03-246-00: / Утв. Постановлением Госгортехнадзора России от 06.11.98 № 164, зарегистрированы Минюстом России 08.12.98 № 1656 с Изм. № 1 от 01.08.2002 г.: ПБИ 03-490(246)-02.
9. Правила технической эксплуатации и требований безопасности труда в газовом хозяйстве Российской Федерации. – С-Пб.: Недра, 1992 с Изм. № 1 от 1994 г.
10. Правила устройства и безопасной эксплуатации технологических трубопроводов: ПБ 03-585-03: / Утв. Постановлением Госгортехнадзора России от 10.06.03 № 80, зарегистрированы Минюстом России 19.06.03, рег. № 4738.
11. Правила устройства и безопасной эксплуатации паровых и водогрейных котлов: ПБ 10-574-03: /Утв. Постановлением Госгортехнадзора России от 11.06.03 № 68, зарегистрированы Минюстом России 18.06.03, рег. № 4703.- М.: ПИО ОБТ, 2003.
12. Правила пользования газом и предоставления услуг по газоснабжению в Российской Федерации: / Утв. Постановлением Правительства Российской Федерации от 17.05.2002 г.
13. Правила поставки газа в Российской Федерации: / Утв. Постановлением Правительства Российской Федерации от 05.02.98 № 162.
14. Правила устройства и безопасной эксплуатации сосудов, работающих под давлением: ПБ 03-576-03.
15. Правила аттестации персонала в области неразрушающего контроля: ПБ 03-440-02: /Утв. постановлением Госгортехнадзора России от 23.01.02 № 3.
16. Правила аттестации сварщиков и специалистов сварочного производства: ПБ 03-273-99: / Утв. Постановлением Госгортехнадзора России от 30.10.99 № 63, зарегистрированы Минюстом России 04.03.99 г., рег. № 1721.
17. Правила безопасности систем газораспределения и газопотребления: РД 12-529-03: / Утв. Постановлением Госгортехнадзора России от 18.03.03 № 9, зарегистрированы Минюстом России 04.04.03, рег. № 4376.
18. Инструкция по контролю за содержанием окиси углерода в помещениях котельных: РД 12-341-00: / Утв. Постановлением Госгортехнадзора России от 01.02.2000 № 1 с Изм. № 1 (РДИ 12-452(341)-02.
19. Инструкция о порядке выдачи Госгортехнадзором России разрешений на выпуск и применение оборудования для газового хозяйства Российской Федерации: РД 12-88-95: / Утв. Постановлением Госгортехнадзора России от 14.02.1995 г. № 8, зарегистрирована в Минюсте России 15.06.95 г., рег. № 872 с Изм. № 1 (РДИ 12-450(88)-02).
20. Инструкция по диагностированию технического состояния подземных стальных газопроводов: РД 12-411-01: / Утв. Постановлением Госгортехнадзора России от 09.07.01 № 28.
21. Положение по проведению экспертизы промышленной безопасности на объектах газоснабжения: РД 12-608-03: / Утв. Постановлении Госгортехнадзора России от 05.06.03, зарегистрировано в Минюсте России 16.06.03, рег. № 4686.
22. Методика технического диагностирования газорегуляторных пунктов: РД 153-39.1-059-00: / Принята и введена в действие Приказом Минэнерго России от 19.12.2000 г. № 157.
23. Правила пожарной безопасности для энергетических предприятий: РД 153-34.0-03.301-00. - М.: ЗАО "Энергетические технологии", 2000.
24. Правила устройства и безопасной эксплуатации трубопроводов пара и горячей воды: ПБ 10-573-03.- М.: ПИО ОБТ, 2003.
25. Правила устройства электроустановок: ПУЭ-98. - М.: Энергосервис, 2003.
26. Правила пожарной безопасности в Российской Федерации: ППБ 01-93- М.: ВНИИПО МВД России, 1998.
27. Правила технической эксплуатации электроустановок потребителей: / Утв. Минэнерго России от 13.01.03 № 6.
28. Правила техники безопасности при эксплуатации тепломеханического оборудования электрических станций и тепловых сетей: РД 34.03.201-97,- М.: ЭНАС, 1997 с Изм. № 1/2000.- М.: ЗАО "Энергосервис", 2000.
29. Нормы технологического проектирования тепловых электрических станций: ВНТП-81 (ВСН-29-81).- М.: Минэнерго СССР, 1981.
30. Определение категорий помещений и зданий и наружных установок по взрывопожарной п пожарной опасности: НПБ 105-03. – М.: 2003.
31. Технические условия на выполнение технологических защит и блокировок при использовании мазута и природного газа в котельных установках и соответствии с требованиями взрывобезопасности: СО 34.35.108-2001 (РД 153-34.1-35.108-2001).- М.: СПО ОРГРЭС, 2001.
32. Технические требования на систему автоматизированного управления горелками газомазутного котла, способствующую повышению взрывобезопасности при розжиге горелок: СО 34.35.677-2003. - М.: ЦПТИ ОРГРЭС, 2004.
33. Технические условия на выполнение технологических защит и блокировок в соответствии с "Правилами безопасности п газовом хозяйстве" для котлов, у которых на линии подвода газа к горелкам установлены газовые блоки фирмы ЗАО "АМАКС": СО 34.35.138-00 (РД 153-34.1-35.138-00). - М.: СПО ОРГРЭС, 2000.
34. Проектирование и строительство газопроводов из металлических труб: СП 42-102-2004.
35. Эксплуатация газопроводов из металлических труб: СП 42-103-2004.
36. СНиП 2.01.02-85. Противопожарные нормы.
37. СНиП 2.04.09-84. Пожарная автоматика зданий и сооружений.
38. ПР 50.2.002-94. Государственный надзор и ведомственный контроль за средствами измерений. Основные положения.
39. ГОСТ 9.602-89. ЕСЗКС. Сооружения подземные. Общие требования к защите от коррозии.
40. ГОСТ 12.1.004-91. ССБТ. Пожарная безопасность. Общие требования.
41. ГОСТ 9544-93. Арматура трубопроводная запорная. Нормы герметичности затворов.
42. ГОСТ 12.1.010-76. ССБТ. Взрывобезопасность. Общие требования.
43. ГОСТ 12.1.019-79. ССБТ. Электробезопасность. Общие требования и номенклатура видов защиты.
44. ГОСТ 12.1.030-81. ССБТ. Электробезопасность. Защитное заземление, зануление.
45. ГОСТ 12.0.004-90. ССБТ. Организация обучения безопасности труда. Общие положения.
46. ГОСТ Р 51330.0-99. Электрооборудование взрывозащищенное. Классификация. Маркировка.
47. ГОСТ 12.2.021-76. ССБТ. Электрооборудование взрывозащищенное. Порядок согласования технической документации, проведение испытаний, выдача заключений и свидетельств.
48. Электрооборудование взрывозащищенное. Ремонт: РД 16.407-89.
49. Типовая инструкция по организации безопасного проведения огневых работ на взрывоопасных и пожароопасных объектах: РД 09-464-00: / Утв. Постановлением Госгортехнадзора России от 23.06.2000 г. № 38.
50. Методические указания по объему технологических измерений, сигнализации и автоматического регулирования на тепловых электростанциях: СО 153-34.35.101-88 (РД 34.35.101-88).- М.: ЦПТИ ОРГРЭС, 2004.
51. Инструкция по расследованию и учету технологических нарушений в работе энергосистем, электростанций и котельных, электрических и тепловых сетей: СО 153-34.20.801-00 (РД 153-34.0-20.801-00).- М.: ЗАО "Энергосервис", 2001.
52. Инструкция по продлению срока службы трубопроводов II, III и IV категорий: СО 153-34.17.464-2003. - М: ЦПГИ ОРГРЭС, 2004.
53. Правила технической эксплуатации электрических станций и сетей Российской федерации (ПТЭ).- М.: СПО ОРГРЭС, 2003.
54. Положение о порядке подготовки и аттестации работников организаций, осуществляющих деятельность в области промышленной безопасности опасных производственных объектов, подконтрольных Госгортехнадзору России: / Утв. Постановлением Госгортехнадзора России от 30.04.2002 г. № 21, зарегистрировано в Минюсте России 31.05.2002 г. № 3489.
55. СНиП 3.01.04-07. Приемка в эксплуатацию законченных строительных объектов. Основные положения.
56. СНиП 3.01.01-85. Организация строительного производства.
57. СНиП 3.05.02-88. Газоснабжение.
58. ГОСТ Р 15.201-2000. Система разработки и постановки продукции на производство. Продукция производственно-технического назначения. Порядок разработки и постановки продукции на производство.
59. ГОСТ 3.1119-83. ЕСТД. Общие требования к комплектности и оформлению комплектов документов на единичные технологические процессы.
60. ГОСТ 18917-82. Газ горючий природный. Метод отбора проб.
61. ГОСТ 1868-88. Веревки технические и хозяйственные. Технические условия.
62. ГОСТ 6102-94. Ткани асбестовые. Общие технические требования.
63. ГОСТ 4366-76. Смазка солидол синтетический. Технические условия.
64. ГОСТ 7931-76. Олифа натуральная. Технические условия.
65. ГОСТ 481-80. Паронит и прокладки из него. Технические условия.
66. ГОСТ 5152-84. Набивки сальниковые. Технические условия.
67. ГОСТ 7798-70. Болты с шестигранной головкой класса точности В. Конструкция и размеры.
68. ГОСТ 5915-70. Гайки шестигранные класса точности В. Конструкция и размеры.
69. ГОСТ 11371-78. Шайбы. Технические условия.
70. ГОСТ 10807-78. Знаки дорожные. Общие технические условия.
71. ГОСТ Р 12.4.026-2001. ССБТ. Цвета сигнальные, знаки безопасности и разметка сигнальная. Назначение и правила применения. Общие технические требования и характеристики. Методы испытаний.
72. Методика выполнения измерений расхода природного газа, подаваемого в котел, на ТЭС: СО 34.11.315-99 (РД 153-34.1-11.315-99).- М.: СПО ОРГРЭС, 2000.
73. Газ природный. Методика выполнения измерений показателей качества газообразного топлива, поставляемого на тепловые электростанции: СО 34.11.320-00 (РД 153-34.1-11.320-00).-М.: Рот. АООТ "ВТИ", 2002.
74. Методика выполнения измерений давления газообразного топлива, поставляемого на ТЭС: СО 34.11.336-96 (РД 34.11.336-96).- М.: СПО ОРГРЭС, 1998.
75. Методика выполнения измерений температуры газообразного топлива, поставляемого на ТЭС: СО 34.11.337-97 (РД 153-34.0-11.337-97).-М.: СПО ОРГРЭС, 1999.
76. Инструкция по организации противопожарных тренировок на энергетических предприятиях и в организациях Минэнерго СССР: И 34-00-012-84 (СО 153-34.12.202).- М.: СПО Союзтехэнерго, 1984.
77. Инструкция по проектированию противопожарной защиты энергетических предприятий: СО 34.49.101-2003 (РД 153-34.0-49.101-2003).-М.: ЗАО "Энергетические технологии", 2003.
78. Типовая инструкция по эксплуатации автоматических установок пожарной сигнализации на энергетических предприятиях: СО 34.49.504-96 (РД 34.49.504-96).- М.: СПО ОРГРЭС, 1996.
79. Положение о производственном контроле за соблюдением требований промышленной безопасности на опасных производственных объектах РАО "ЕЭС России": СО 34.03.125-2002 (РД 153-34.0-03.125-2002).- М.: РАО "ЕЭС России", 2002.
80. Инструкция о мерах пожарной безопасности при проведении огневых работ на энергетических предприятиях: СО 153-34.03.305-2003: / Утв. Приказом Минэнерго России от 30.06.2003 № 263.- М.: ЦПТИ ОРГРЭС, 2004.
81. Перечень помещений и зданий энергетических объектов РАО "ЕЭС России" с указанием категорий по взрывопожарной и пожарной опасности: СО 34.03.350-90 (РД 34.03.350-98).-М.: РАО "ЕЭС России", 1997.
82. Временное положение по психофизическому обследованию надежности профессиональной деятельности и сохранению здоровья персонала энергетических предприятий: СО 34.03.503-00 (РД 153-34.0-03.503-00).- М.: РАО "ЕЭС России", 2000.
83. Методические указания "Организация контроля газового состава продуктов сгорания стационарных паровых и водогрейных котлов": СО 34.02.320-2003.- М.: СПО ОРГРЭС, 2003.
СОДЕРЖАНИЕ
ВВЕДЕНИЕ
1 ОБЩИЕ УКАЗАНИЯ
1.1 Указания по обеспечению промышленной безопасности и взрывопожаробезопасных условий при эксплуатации объектов газового хозяйства
1.2 Указания к производственным инструкциям
1.3 Указания для должностных лиц и обслуживающего персонала
1.4 Объем исполнительной и технической документации
1.5 Организация технического обслуживания и ремонта
1.6 Режимы работы
2 УКАЗАНИЯ МЕР БЕЗОПАСНОСТИ
2.1 При эксплуатации систем газоснабжения
2.2 При проведении газоопасных работ
3 ПРИЕМКА В ЭКСПЛУАТАЦИЮ
4 ПУСК ГАЗА
4.1 Подготовка к пуску газа после ремонта или при расконсервации
4.2 Продувка (заполнение) газопроводов ГРП и котельной
5 РАСТОПКА КОТЛА ИЗ ХОЛОДНОГО РЕЗЕРВА
6 РАСТОПКА КОТЛА ИЗ НЕОСТЫВШЕГО СОСТОЯНИЯ
7 ТЕХНИЧЕСКОЕ ОБСЛУЖИВАНИЕ
7.1 Общие положения
7.2 Контрольный осмотр технического состояния
7.3 Текущее техническое обслуживание
7.4 Регламентированное техническое обслуживание
8 ОТКЛЮЧЕНИЕ ОБОРУДОВАНИЯ
8.1 Выводе резерв оборудования ГРП
8.2 Останов котла
8.3 Вывод на консервацию
8.4 Вывод в ремонт
8.5 Аварийное отключение
9 ТЕКУЩИЙ РЕМОНТ ОБОРУДОВАНИЯ
9.1 Газопроводы
9.2 Газорегуляторный пункт
10 КАПИТАЛЬНЫЙ РЕМОНТ
11 НЕИСПРАВНОСТИ В РАБОТЕ ОБОРУДОВАНИЯ И ДЕЙСТВИЯ ПЕРСОНАЛА ПО ИХ ЛОКАЛИЗАЦИИ И ЛИКВИДАЦИИ
11.1 Общие положения
11.2 Локализация и ликвидация аварий
Приложение А Перечень принятых сокращений
Приложение Б Перечень основных терминов
Приложение В Перечень необходимых инструментов, приборов, приспособлений и материалов для проведения газоопасных работ по пуску газа
Приложение Г Перечень измерений, защит, блокировок и сигнализации, предусматриваемых на газоиспользующих установках (котлах) из условий обеспечения взрывобезопасности
Приложение Д Порядок проведения предпусковой проверки герметичности затворов запорных устройств перед горелками и ПЗК газом
Приложение Е Возможные аварийные ситуации в газовом хозяйстве и действия персонала по их локализации и ликвидации
Приложение Ж Краткое техническое описание системы газоснабжения ТЭС
Приложение И Организация выполнения работ по установке и снятию заглушек на газопроводах
Список использованной литературы
|