| Негосударственное образовательное учреждение
высшего профессионального образования
Московский институт
энергобезопасности и энергосбережения
Кафедра
Электротехники и электроники
ТЕОРЕТИЧЕСКИЕ ОСНОВЫ ЭЛЕКТРОТЕХНИКИ
(3 курс, 6 семестр)
Методические указания
к дисциплине и задания к контрольным работам
для студентов заочной формы обучения по специальности 140211 «Электроснабжение»
Учебно-методический комплекс
Часть 2.
Москва 20
10
Теоретические основы электротехники. Часть 3. Методические указания и контрольные задания для студентов заочного отделения. – М.:МИЭЭ, 20010. 67с.
Настоящие методические указания предназначены для студентов заочной формы обучения, обучающихся по специальности Электроэнергетика, изучающих дисциплины «Теоретические основы электротехники» часть 3. Целью данной работы является оказание помощи студентам при самостоятельной подготовке и выполнении контрольных работ. Пособие включает учебный план, краткое изложение теоретического материала, необходимого для решения домашней задачи и задание на расчетно-графическую работу. Приведены примеры решения задач, а так же контрольные вопросы, включая вопросы для подготовки к экзамену и список литературы.
Методические указания рассмотрены и одобрены на заседании кафедры Электротехники и электроники МИЭЭ 10 марта 2010 г.
Авторы: к.т.н., доц. Арбузов В.Н., к.т.н., с.н.с. Черемухин В.Е.
Вычитка и корректура авторов.
Оглавление
1. ВВЕДЕНИЕ.. 4
2. ТРЕБОВАНИЯ К УРОВНЮ ОСВОЕНИЯ ДИСЦИПЛИНЫ... 4
3. ПЛАН РАСПРЕДЕЛЕНИЯ ВРЕМЕНИ.. 5
4. СОДЕРЖАНИЕ ДИСЦИПЛИНЫ... 6
Лекция 1. Длинные линии. 6
Лекция 2. Основы теории электромагнитного поля. 7
Для самостоятельного изучения. 8
5. ТЕМЫ ПРАКТИЧЕСКИХ ЗАНЯТИЙ.. 9
6. ТЕМЫ КОНТРОЛЬНЫХ РАБОТ.. 9
6.1. Методические указания по выполнению домашних заданий.. 9
6.1.1. Требования к выполнению и оформлению расчетно-графических работ. 9
6.2. Расчет полей линий электропередачи. Краткие теоретические сведения, методы и примеры расчета 11
6.2.1. Длинные линии. Режимы работы.. 11
6.2.1.1. Параметры линии. 12
6.2.1.2. Входное сопротивления линии. 12
6.2.1.3. Напряжение на входе линии, токи в начале и конце линии, потеря напряжения в линии 14
6.2.1.4. Активная мощность в начале линии и КПД передачи. 15
Забиваем Сайты В ТОП КУВАЛДОЙ - Уникальные возможности от SeoHammer
Каждая ссылка анализируется по трем пакетам оценки: SEO, Трафик и SMM.
SeoHammer делает продвижение сайта прозрачным и простым занятием.
Ссылки, вечные ссылки, статьи, упоминания, пресс-релизы - используйте по максимуму потенциал SeoHammer для продвижения вашего сайта.
Что умеет делать SeoHammer
— Продвижение в один клик, интеллектуальный подбор запросов, покупка самых лучших ссылок с высокой степенью качества у лучших бирж ссылок.
— Регулярная проверка качества ссылок по более чем 100 показателям и ежедневный пересчет показателей качества проекта.
— Все известные форматы ссылок: арендные ссылки, вечные ссылки, публикации (упоминания, мнения, отзывы, статьи, пресс-релизы).
— SeoHammer покажет, где рост или падение, а также запросы, на которые нужно обратить внимание.
SeoHammer еще предоставляет технологию Буст, она ускоряет продвижение в десятки раз,
а первые результаты появляются уже в течение первых 7 дней.
Зарегистрироваться и Начать продвижение
6.2.1.5. Режим согласованной нагрузки. 15
6.2.2. Расчет электрических полей. 16
6.2.2.3.2. Описание новой задачи.. 26
6.2.2.3.3. Создание модели.. 29
6.3. Задания на выполнение домашней работы.. 57
Задача 1. Расчет длинной линии. 57
Задача 2. Расчет электростатических полей. 58
7. РЕКОМЕНДУЕМАЯ ЛИТЕРАТУРА.. 69
7.1. Основная литература.. 69
7.2. Дополнительная литература.. 69
7.3. Описания лабораторных работ. 69
8. ВОПРОСЫ ДЛЯ ПОДГОТОВКИ К ЭКЗАМЕНУ.. 69
1. ВВЕДЕНИЕ
Целями и задачами изучения третьей части дисциплины «Теоретические основы электротехники» являются:
- изучение установившихся процессов происходящих в однородной линии с распределенными параметрами;
- изучение переходных процессов, происходящих в электрических цепях, содержащих линии с распределенными параметрами;
- изучение основ теории стационарных электрических и магнитных полей;
- изучение основ теории электромагнитного поля.
2.
ТРЕБОВАНИЯ К УРОВНЮ ОСВОЕНИЯ ДИСЦИПЛИНЫ
В результате изучения третьей части дисциплины «Теоретические основы электротехники» студент должен:
знать:
- явления, происходящие в линиях с распределенными параметрами;
- законы электромагнитного поля, уравнения Максвелла;
- граничные условия на поверхности раздела двух сред;
- методы расчета стационарных электрических и магнитных полей;
- методы расчета распространения плоских волн в диэлектриках и проводящих средах.
уметь:
- рассчитывать напряжения и токи вдоль линии с распределенными параметрами;
- рассчитывать напряженности полей при различных конструкциях источников поля;
- определять потенциалы полей в заданных точках.
иметь практические навыки:
- в моделировании длинных линий.
3. ПЛАН РАСПРЕДЕЛЕНИЯ ВРЕМЕНИ
Распределение времени по видам занятий
| Семестр
|
Лекции (час)
|
Лабораторные работы (час)
|
Практические занятия (час)
|
Контрольные работы (домашние задания)
|
Рекомендуемое время на самостоятельную работу (час)
|
Вид контроля
|
| VI
|
8
|
4
|
нет
|
1
|
24
|
Экзамен
|
Распределение времени по темам лекций
| Лекция
|
Тема
|
Часы
|
| 1
|
Тема 1
|
4
|
| 2
|
Тема 2
|
4
|
| Итого
|
|
8
|
Распределение времени по лабораторным работам
| Посещение
|
Лабораторная работа
|
Часы
|
| 1
|
№ 21
|
4
|
| Итого
|
|
4
|
4.
СОДЕРЖАНИЕ ДИСЦИПЛИНЫ
Основные определения. Дифференциальные уравнения однородной линии. Уравнение линии при синусоидальных токах и напряжениях. Решение уравнений при установившемся синусоидальном процессе. Постоянная распространения и волновое сопротивление. Формулы для определения напряжения и тока в любой точке линии. Линии с потерями и без. Бегущие, стоячие и смешанные волны. Согласованная нагрузка. Падающая и отраженные волны. Коэффициент отражения. Входное сопротивление линии при различных нагрузках. Схемы замещения линии. Переходные процессы в электрических цепях, содержащих линии с распределенными параметрами. Электромагнитные процессы при движении прямоугольной волны по линии.
Сервис онлайн-записи на собственном Telegram-боте
Попробуйте сервис онлайн-записи VisitTime на основе вашего собственного Telegram-бота:
— Разгрузит мастера, специалиста или компанию;
— Позволит гибко управлять расписанием и загрузкой;
— Разошлет оповещения о новых услугах или акциях;
— Позволит принять оплату на карту/кошелек/счет;
— Позволит записываться на групповые и персональные посещения;
— Поможет получить от клиента отзывы о визите к вам;
— Включает в себя сервис чаевых.
Для новых пользователей первый месяц бесплатно.
Зарегистрироваться в сервисе
Вопросы для самопроверки:
1. Дайте определение длинной линии. Может ли линия электропередачи длиной 100 км считаться длинной линией?
2. На основании каких законов получено телеграфное уравнение?
3. Какие величины связывает телеграфное уравнение?
4. Что такое погонные параметры линии?
5. Как найти волновое сопротивление линии?
6. Что такое фазовая скорость?
7. Какие волны существуют в линии?
8. Как изменяется входное сопротивление линии разомкнутой (замкнутой) на конце от длины линии.
9. Какие особенности имеет согласованный режим работы линии.
10. Каким образом можно смоделировать электрические процессы, происходящие в длинной линии?
11. Линия без потерь с волновым сопротивлением 100 Ом, разомкнутая на конце, в момент t
=0 подключается к источнику постоянного тока с напряжением U
=100В и внутренним сопротивлением 100 Ом. Как будет изменяться напряжение на входе и выходе линии.
Векторы электромагнитного поля. Классификация электромагнитных полей. Характеристики сред. Дифференциальная и интегральная формы уравнений Максвелла. Потенциальное и вихревое поле.
Электростатическое поле. Уравнение электрического поля. Уравнения Пуассона и Лапласа. Граничные условия на поверхности раздела двух сред.
Вопросы для самопроверки:
1. Какими величинами можно охарактеризовать электромагнитное поле?
2. Как связаны между собой электрическое смещение и напряженность электрического поля, магнитная индукция и напряженность магнитного поля?
3. Запишите уравнение Максвелла в интегральной форме. Как получить уравнения в дифференциальной форме?
4. Что такое электростатическое поле? Чем оно отличается от электромагнитного?
5. Как выглядит уравнение Пуассона? Какие величины оно связывает?
6. Решение уравнения Пуассона содержит две составляющие. Как интерпретировать такое решение?
7. Вектор напряженности электрического поля в воздухе равен 1В/м, и направлен под углом 45° к поверхности диэлектрика. Как найти напряженность в диэлектрике при известной величине диэлектрической проницаемости диэлектрика.
Поле заряженных осей. Поле и емкость линии. Метод изображений. Стационарные электрические и магнитные поля.
Уравнение поля. Законы Кирхгофа, Ома Джоуля-Ленца в дифференциальной форме. Уравнение Лапласа. Граничные условия. Скалярный и векторный магнитные потенциалы. Аналогия электростатических и стационарных магнитных полей. Индуктивность и взаимная индуктивность линий. Магнитное экранирование.
Переменное электромагнитное поле. Уравнения Максвелла в комплексной форме. Теорема Умова-Пойнтинга. Вектор Пойнтинга. Плоские электромагнитные волны в диэлектрике и в проводящей среде. Параметры волны. Поверхностный электрический и магнитные эффекты. Эффект близости.
Вопросы для самопроверки:
1. Как определить напряженность электростатического поля цилиндрического конденсатора?
2. . Как определить емкость линии, представляющей собой проводник, расположенный над прямоугольной металлической полосой.
3. Какой толщины нужно выбрать магнитный экран для сетевого трансформатора, чтобы уменьшить напряженность магнитного поля в e
раз. Магнитная проницаемость материала экрана предполагается известной.
4. Как выглядит система уравнений Максвелла в комплексной форме? В чем состоит преимущество в такой записи?
5. Что собой представляет плоская электромагнитная волна?
6. Какую физическую величину характеризует вектор Пойнтинга.
7. Как можно объяснить затухание электромагнитной волны в вакууме и реальном диэлектрике?
8. Как объяснить увеличение активного сопротивления в проводнике при увеличении частоты электрического тока, протекающего в нем.
Примечание.
Узким шрифтом выделены разделы для самостоятельной проработки.
5. ТЕМЫ ПРАКТИЧЕСКИХ ЗАНЯТИЙ
Практические занятия не предусмотрены
6. ТЕМЫ КОНТРОЛЬНЫХ РАБОТ
Одна контрольная работа, включающая две задачи:
1. Расчет длинной линии
2. Расчет электростатического поля, возбуждаемого электродами.
Контрольная работа включает в себя две задачи.
В первой задаче рассчитываются характеристики длинной линии в различных режимах работы. Вторая, посвящена расчету электрического поля заряженных проводников в близи проводящих поверхностей.
1) Расчетно-графическая работа оформляется с использованием компьютерных технологий. Листы должны быть сброшюрованы и пронумерованы. На обложке должны быть написаны: номер группы студента, фамилия, имя и отчество студента, номер и вариант расчетно-графической работы. Допускается оформление выполненной работы в рукописном виде в отдельной тетради в клетку. При оформлении в рукописном виде текст, формулы и числовые выкладки должны быть написаны четко и аккуратно без помарок.
2) На каждой странице должны быть оставлены поля шириной не менее 3 см для замечаний рецензента.
3) При выполнении работы следует руководствоваться материалами ГОСТ, которые устанавливают стандарт на условные и буквенные обозначения основных электрических и магнитных величин. При оформлении в рукописном виде все чертежи и рисунки выполняются с помощью чертежных инструментов.
4) Графики должны быть наглядными, что достигается выбором масштабов и диапазонов изменения иллюстрируемых переменных. Оси абсцисс и ординат вычерчивают сплошными толстыми линиями. Стрелки на концах осей не ставятся. Масштабы шкал по осям следует выбирать равномерными, начиная с нуля, с использованием всей площади графика. Цифры шкал наносят слева от оси ординат и под осью абсцисс. Если на графике небольшое число кривых, то их вычерчивают разными линиями (сплошной, штриховой, штрих-пунктирной и т.п.). При большом числе кривые нумеруют. Для показа на графике расчетных точек рекомендуется применять по выбору следующие знаки: ∆,□,◊,○. Буквенное обозначение наименования шкалы и единицу измерения величины пишут над числами шкалы оси ординат и под осью абсцисс, справа, вместо последнего числа шкалы. Надписи не должны выходить за пределы графика. Количество знаков цифр в числах должно быть минимальным, для чего целесообразно ввести у наименования шкалы постоянный множитель . Если шкалы на осях начинаются с нуля, то нуль на их пересечении ставится один раз. Во всех других случаях ставят оба значения.
5) В конце контрольной работы надо поставить дату выполнения работы и подписаться.
6) Если контрольная работа не зачтена или зачтена при условии внесения исправлений, то все необходимые поправки необходимо делать в разделе “Работа над ошибками”. Нельзя вносить какие-либо исправления в текст, расчеты и графики уже просмотренные преподавателем.
При анализе систем передачи электрической энергии с промышленной частотой 50 Гц, обычно учитывается только потери за счет активного сопротивления линии. Это справедливо для кротких линий, с длиной менее 200-300 км. С увеличением длины линии начинает сказываться индуктивности проводов, емкость между проводами, и даже сопротивление между проводами. Влияние последнего особенно заметно при напряжениях свыше 35 кВ.
Если длина линии приближается к 1000 км, влияние названных параметров начинает сказываться на столько, что возникают дополнительные эффекты, связанные с перераспределением токов, и соответствующим изменением напряжений вдоль линии. Существенное влияние на перераспределение токов, а в конечном итоге на передачу энергии, начинает оказывать характер и величина сопротивления нагрузки.
В характеристике режимов электропередачи высокого напряжения серьезное место занимают емкость линии и напряженность электрического поля вблизи поверхности провода. Первая в существенной степени определяет величину емкостного тока в нормальном и аварийном режимах, а вторая позволяет судить об условиях возникновения коронного разряда, сопровождающегося утечкой тока и возрастанием потерь электрической энергии. Коронный разряд возникает, когда напряженность электрического поля достигает величины, при которой начинается ионизация воздуха. Анализ этих факторов осуществляется методами теории электростатического поля.
К первичными параметрами линии относятся:
R
1
– продольное активное сопротивление единицы длины линии, Ом/км;
L
1
– индуктивность единицы длины линии, Гн/км;
G
1
– поперечная активная проводимость единицы длины линии, См/км;
C
1
– емкость единицы длины линии, Ф/км;
Вторичными параметрами длинной линии называются волновое сопротивление Z
в
и коэффициент распространения γ
, определяемые по формулам
, (6.1)
, (6.2)
где
ω – циклическая частота, рад/с, ω=2π
f
Напряжение и ток в начале и конце линии связаны соотношениями:
, (6.3)
, (6.4)
где ch
(γl
) и sh
(γl
) – гиперболические косинус и синус:


Под входным сопротивлением длинной линии понимают отношение напряжения к току на входе линии, т.е.

или (6.5)
Говоря иначе, это сосредоточенное сопротивление, которым при расчете можно заменить линию вместе с приемником, расположенным в конце линии.
При холостом ходе, т.е. при , входное сопротивление
(6.6)
При коротком замыкании на выходе линии, т.е. при ,
(6.7)
В трехфазной линии электропередачи можно выделить любые два линейных провода, которые можно рассматривать как двухпроводную линию. Фазное напряжение и ток в конце линии определяются по формулам:
, (6.8)
где P
2
– мощность приходящаяся на одну фазу.
Будем считать фазное напряжение в конце линии вещественным числом . Тогда комплексное значение тока в конце линии будет равно
(6.9)
т.е. действующее значение тока
,
при угле сдвига фазы .
Потеря напряжения в линии определяется как разность величин напряжений в начале и конце линии
ΔU
= U
1Л
– U
2Л
(6.10)
или в процентах
. (6.11)
6.2.1.4. Активная мощность в начале линии и КПД передачи
Активная мощность в начале линии равна
, (6.12)
где φ
1
– угол сдвига фаз между напряжением и током в начале линии.
КПД передачи определяется отношением активных мощностей в конце и начале линии
. (6.13)
Согласованной называется такая нагрузка, сопротивление которой равно волновому сопротивлению линии, т.е. Z
н
= Z
в
. В этом случае отраженная волна отсутствует, токи и напряжения в начале и конце линии связанные соотношениями (6.3) и (6.4) преобразуются в


Мощность, передаваемая по согласованной линии, называется натуральной мощностью. Ее величина, приходящаяся на одну фазу
P
2
=U
2
I
2
cos
φв
, (6.14)
где φв
– аргумент комплексного волнового сопротивления.
КПД передачи натуральной мощности в согласованном режиме равен
. (6.15)
Уравнения электромагнитного поля в интегральной форме имеют вид
(6.16)
В дифференциальной форме соответственно:
(6.17)
Соотношения между напряженностями и индукциями:
(6.18)
(6.19)
В прямоугольной системе координат

(6.20)
В цилиндрической системе координат

(6.21)
Аналогичные равенства можно записать для векторов и .
Поле вектора , удовлетворяющее уравнению , является безвихревым или потенциальным. При , поле является соленоидальным.
Для электростатических полей
, обусловленных действием неподвижных электрических зарядов, справедливы уравнения:
или (6.22)
или (6.23)
где l
- контур интегрирования; S
- поверхность интегрирования; ρ – объёмная плотность свободных зарядов; Q - сумма свободных зарядов. Поля подобного типа являются безвихревыми, что позволяет исследовать их путём введения потенциальной функции ϕ, которая связанным с напряженностью соотношением:
.
(6.24)
Вектора напряженности электрического поля и электрической
индукции
для большинства задач определены линейным соотношением:
(6.25)
где ε = 8,854⋅10−12
Ф/м – электрическая постоянная, ε − относительная диэлектрическая проницаемость среды.
В однородной среде (ε = const) для потенциала справедливо уравнение Пуассона
(6.26)
и, в частности, где отсутствуют свободные заряды, уравнение Лапласа
(6.27)
Граничные условия
Граничные условия определяют поведение векторов поля (нормальных и тангенциальных составляющих) на границе раздела двух сред, с разными электрическими параметрами (ε,μ). Для электрических полей в любых средах имеют место следующие граничные условия, которые являются прямым следствием системы уравнений Максвелла:
или φ1
= φ2
(6.28)
(6.29)
Здесь τ
означает тангенциальную составляющую проекции вектора к границе раздела двух сред, а n
– нормальную составляющую. При этом предполагается, что нормаль к поверхности раздела сред n
направлена из первой среды во вторую. Символом σ обозначают поверхностную плотность свободных зарядов, которая имеет размерность Кл/м2
, совпадающую с размерностью вектора электрической индукции D
.
Граничные условия для диэлектриков
На границе раздела двух диэлектриков свободный поверхностный заряд σ = 0. Следовательно,
или
(6.30)
Под действием электрического поля в диэлектрике происходит явление, которое называется поляризацией, т.е. деформация и переориентация электрически нейтральных молекул вещества. Это приводит к появлению дополнительного электрического поля, и в конечном итоге, к снижению напряженности поля внутри диэлектрика. Каждый диэлектрик поляризуется по-своему. Поэтому, кроме векторов и
в диэлектриках рассматривают вектор поляризации вещества , который связан с основными векторами поля выражением:
или
, (6.31)
где κ=ε
−1 - диэлектрическая восприимчивость диэлектрика
.
Вектор поляризации, как это следует из (6.31), это вектор электрической индукции в диэлектрике.
На границе раздела диэлектриков возникает связный электрический заряд σсвязн
, который с учётом выражения (6.31) определяется условием:
. (6.32)
Граничные условия на поверхности раздела диэлектрик – проводник
В технических устройствах в качестве источников поля используют систему заряженных поводящих тел (электродов), несущих на себе независимый заряд или заряд, обусловленный дополнительными источниками питания.
Электростатическое поле может создаваться точечными зарядами величиной Q
, зарядами распределенными по поверхности с плотностью - σ, линейно распределенными зарядами с плотностью – τ, а также системой состоящей из названных возбудителей поля.
При решении задач электростатики предполагается, что движения свободных зарядов внутри проводника нет. Поэтому весь заряд электрода Q
распределяется только по поверхности (σ≠0), а поле внутри проводника становится равным нулю (D
=0; E
=0). Тогда граничные условия (6.28, 6.29) на поверхности проводника примут вид:
E
τ2
=0 D
τ2
=0 ,
D=
Dn
2
=
σ
(6.33)
т.е. на поверхности проводящего тела вектор электрической индукции изменяется скачком на величину поверхностной плотности свободного заряда в данной точке, а направление вектора совпадает с направлением внешней нормали к поверхности проводника n
.
Условие (6.33) с учетом (6.24) принимает вид
(6.34)
и его называют граничным условием Неймана
, записанным в дифференциальной форме. То же граничное условие в интегральной форме
(6.35)
где под Q
понимают суммарный заряд электрода.
Поверхность электрода является эквипотенциальной поверхностью
, что записывают в виде
φs
= const
(6.36)
и называют граничным условием Дирихле
.
Прямая задача электростатики
Во многих случаях приходится решать сложные задачи, из которых наиболее типичными являются следующие:
1. Нахождение поля при неизвестном местоположении исходных зарядов, но заданном электрическом потенциале на границах области. В инженерной практике потенциалы электродов обычно задаются источниками питания и могут быть измерены или вычислены.
2. Нахождение потенциала электрического поля, создаваемого заданным распределением объёмных электрических зарядов ρ (x
, y
, z
) в пространстве. Прямой метод вычисления потенциала электрического поля φ(x
, y
, z
) в этих задачах состоит в решении уравнения Пуассона (6.36), которое в декартовой системе координат принимает вид
(6.37)
или уравнения Лапласа (1.5):
(6.38)
Для получения единственного решения уравнения (6.37) или (6.38) необходимо дополнить их граничными условиями. Различают три типа граничных условий:
1. Граничное условие Дирихле
: значение φ задано на некоторой замкнутой области. Обычно это проводящая поверхность или поверхность электрода, потенциал которой постоянен (см. 1.14).
2.
Граничное условие Неймана
: на границе области задана нормальная производная функции потенциала φ (см. 6.34 или 6.35). Это граничное условие определено поверхностной плотностью заряда σ, которое также поддаётся анализу для широкого круга задач. К граничным условиям Неймана следует также отнести задание точечных - q
и линейных – τ зарядов.
3.
Смешанная краевая задача (на границе задается линейная комбинация потенциала
φ и его нормальной производной).
Целью расчёта является нахождение потенциала φ и напряженности поля E
по заданному расположению и форме заряженных тел – электродов – и граничным условиям. Такая задача называется прямой задачей
. Если плотность заряда в каждой точке пространства известна, то потенциал как функция положения определяется уравнением Пуассона. Если же требуется найти поле в диэлектрике, содержащем заряженные проводящие тела, то ищут решение уравнения Лапласа, т.е. решают прямую задачу электростатики в постановке Неймана или Дирихле. При этом совокупность всех проводящих тел образуют границу области существования поля. Эта задача имеет единственное решение
, если найденная потенциальная функция удовлетворяет уравнению Лапласа и заданным граничным условиям.
Теорема единственности
Уравнение Лапласа как уравнение в частных производных допускает бесчисленное множество линейно независимых частных решений; в этом находит свое математическое отражение бесконечное разнообразие полей, которые могут быть возбуждены заряженными проводниками. Обычно требуется определить поле, если известны форма и расположение проводников и диэлектриков и неоднородные граничные условия:
а) потенциалы проводников,
б) суммарный заряд каждого проводника, потенциал которого не известен.
При этом необходимо иметь критерий, который позволил бы отобрать из всевозможных решений уравнения Лапласа то решение, которое соответствует именно данной задаче. Такой критерий устанавливается теоремой единственности
: решение, удовлетворяющее уравнениям поля и граничным условиям данной задачи, является единственным.
Из теоремы единственности вытекают два следствия, имеющие важное прикладное значение.
Следствие 1.
Электростатическое поле (и соответствующее ему решение) в некотором объеме, ограниченном равнопотенциальными поверхностями, не изменится, если эти поверхности станут проводящими, т. е. превратятся в границы проводников, которым сообщены соответствующие потенциалы.
Следствие 2.
Электростатическое поле по одну сторону поверхности S (необязательно равнопотенциальной) не изменится, если по другую сторону этой поверхности изменить параметры среды и распределение зарядов так, чтобы сохранились граничные условия на поверхности S.
Вновь распределенные заряды называются изображениями
преобразованных зарядов, а основанный на таком преобразовании метод расчета называется методом изображений.
Оба следствия позволяют значительно расширить область применения интегральных форм уравнений электростатики для расчета полей.
6.2.2.
3 Пример решения задачи
Практический интерес представляют задачи, в которых электрическое поле создается несколькими проводниками с разными потенциалами, находящимися в диэлектриках с различными диэлектрическими проницаемостями. Нахождение аналитического решения уравнения Лапласа для таких задач связано с большими трудностями. Как правило, подобные задачи решаются численными методами. Расчет электрических полей в расчетно-графической работе рекомендуется проводить с помощью специализированного программного комплекса ELCUT. Данный программный продукт позволяет провести моделирование конструкции и численными методами рассчитать параметры электрического поля в любой точке заданной области. Решение задачи иллюстрируется цветной картиной поля.
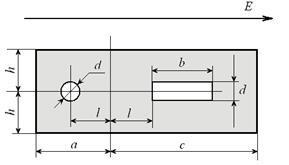
Рассмотрим процесс решения задачи на примере двухпроводной линии, рис.6.1. В этой линии один проводник имеет круглое сечение другой прямоугольное. Линия находится внутри диэлектрика прямоугольного сечения, и вся эта конструкция находится в воздушном пространстве с электрическим полем напряженностью Е, направленной слева на право.
Геометрические размеры проводников:
d
=1см, b
=3см, l
=2,5см, a
=5 см, c
=8 см, h
=2,5 см.
Относительная диэлектрическая проницаемость:
- воздуха ε=1.
- диэлектрика ε=4.
Напряженность поля E=5 кВ/м.
Требуется построить картину поля.

Рис.6.1. Двухпроводная линия в диэлектрике
6.
2.2.
3
.
1. Работа с меню
После запуска ELCUT появляется окно, в котором предлагается просмотреть примеры решения некоторых задач. После его закрытия появляется форма (рис.6.2), в верхней части которой расположены главное меню, ниже панель с копками инструментов, которые позволяют ускорить работу.

Рис.6.2. Главное меню и кнопки программы ELCUT.
При наведении указателя мыши на кнопку появляется подсказка о назначении этой кнопки.
В правой части формы находится справочное окно с подсказками. Подсказки, а точнее справочные материалы сопровождаю процесс работы с системой, автоматически вводя нужный раздел справки. При желании окно можно закрыть, щелкнув по крестику расположенному в правом верхнем углу. После отключения справки вернуть ее обратно можно с помощью клавиш Ctrl
+
F
1
, или нажатием кнопки на панели инструментов.
После первого запуска программы левая и центральная части формы не заполнены. По мере выполнения задачи они постепенно будут заполняться.
Главное меню содержит разделы: Файл, Правка, Вид, Сервис, Окна и «?»
. Каждый раздел имеет соответствующие пункты. Выбор пункта меню осуществляется с помощью мыши или «горячих» клавиш. Сочетание «горячих» клавиш и их назначение приводится в виде подсказки в меню.
6.2.2.3.2.
Описание новой задачи
Описание новой задачи начинается с меню Файл/Создать задачу…(Ctrl+N)
. Также можно использовать кнопку , которая расположена на инструментальной панели.
В новой форме «Создание задачи» (рис. 6.3) задайте имя файла задачи (в данном случае это «electro1») и укажите путь к папке хранения задачи (окно создать в папке). По умолчанию это C
:\
Documents
and
Settings
\
user
1.
Его можно не менять.
После выполнения указанных действий нажмите кнопку Далее>
.
В случае возникновения вопросов можно воспользоваться кнопкой Справка
. В окне справки можно получить подробные пояснения.

Рис.6.3. Форма «создание задачи»
Новая форма со старым заголовком «Создание задачи» позволяет выбрать тип задачи, единицы длины, указать точность расчета, имена файлов, в которых хранится геометрическая модель, и электрические свойства материалов, рис.6.3.
Тип задачи определяется с помощью выпадающего списка. По умолчанию это «Электростатическое поле», поэтому менять тип задачи не следует.
В рассматриваемой задаче можно выделить ось симметрии, которая проходит через середины проводников. Поэтому в разделе Класс модели
для рассматриваемой задачи подходит класс Осесимметричная
, однако, большая часть задач домашнего задания не относится к этому классу, поэтому здесь выбран класс Плоская
.
В поле LZ
для плоско-параллельной задачи указывается длина в направлении оси Z (перпендикулярно плоскости модели). Для плоской задачи она должна быть значительно больше, чем габаритные размеры. По умолчанию осевая длина принимается равной одному метру. В данном случае этого вполне достаточно.

Рис.6.4. Форма «Создание задачи»
В разделе Расчет
нужно выбрать подходящую степень точности. Большая точность потребует больше времени для решения. Для рассматриваемой задачи вполне подойдет Обычный
расчет.
В разделе Файлы нужно указать имена двух файлов. В окне Геометрия
имя файла с описанием геометрической модели. В окне Свойства
имя файла с описанием электрических параметров материалов.
Никаких справочников до настоящего времени не создано, поэтому окно Справочник свойств
заполнять не нужно.
Нажмите кнопку Далее>
, после чего появится новая форма Выбор системы координат
(рис.6.5). Форма содержит две группы кнопок: Единицы длины
и Система координат
. Для рассматриваемой задачи целесообразно принять «сантиметры» и «Декартовы координаты» (рис. 6.5). Щелчок по кнопке Готово
означает завершение диалога.

Рис.6.5. Окно выбора единиц измерения линейных координат задачи ELCUT
Окно Выбор системы координат
закрывается, одновременно на основной форме появляется окно с «деревом» задачи. По умолчанию оно располагается в левой части главного окна ELCUT (рис. 6.6).

Рис.6.6. Форма с «деревом» задачи и окном для чертежа геометрической модели
Рекомендуется сразу сохранить созданное описание новой задачи. Для этого нужно пройти меню Файл/Сохранить все файлы задачи
. ELCUT запишет файл с расширением pbm
в выбранное ранее место на диске или другом носителе.
Создание модели начинается с описания геометрических форм проводников возбуждающих поле и диэлектриков, разделяющих их. Говоря иначе, чертеж, изображенный на рис.6.1, следует перенести в окно формы.
Прежде всего, нужно определить размеры расчетной области. Как известно, распространение электромагнитного поля в свободном пространстве неограниченно. Естественно, что решить задачу для бесконечного пространства численными методами невозможно. Учитывая, что напряженность электрического поля быстро падает с увеличением расстояния от источника, вполне достаточно, чтобы границы решения задачи имели линейные размеры, превышающие размеры источника поля в 3-5 раз. Ограниченное пространство, для которого производится расчет поля, называется расчетной областью. Расчетная область может быть выделена любой геометрической фигурой: квадратом, прямоугольником или окружностью (в зависимости от геометрических форм объектов). Фигура расчетной области строится из отрезков линий, чаще всего прямых. Эти линии принято называть ребрами. Концы ребер называются вершинами.
В соответствии с условиями рассматриваемой задачи расстояние между проводниками составляет 5 см, в качестве расчетной области выбираем квадрат высотой 30 см и шириной 30 см, и границами (-15 см ≤ х ≤ 15 см, -15 ≤ y ≤ 15 см). Теперь нужно подготовить место для построения этого квадрата так, чтобы он занял наибольшую часть окна модели. С этой целью следует провести следующие операции:
1. Убедитесь, что на панели инструментов присутствуют кнопки Крупнее
, Мельче
, Показать все
. Если этих кнопок нет, то войдите в меню Задача/Геометрическая модель
, после чего кнопки появятся.
2. Установите начало координат в центр окна, для чего воспользуйтесь полосами прокрутки справа и снизу окна.
3. Подведите курсор к любому углу окна. В правом нижнем углу будут указаны координаты курсора. Если размеры расчетной области не укладываются в окно с сеткой, или расчетная область слишком мала по сравнению с ним, тогда следует воспользоваться кнопками Крупнее
, Мельче
.

Рис.6.7. Окно с координатами курсора
Копка Мельче
позволяет увеличить место для предполагаемого чертежа, т.е. увеличить масштаб. Кнопка Крупнее
превратит курсор в лупу. Если теперь подвести лупу к какой-нибудь точке чертежа и щелкнуть левой копкой мыши, то масштаб чертежа уменьшится (фигуры станут крупнее), а упомянутая точка окажется в центре чертежа.
Следует заметить, что клавиши: CTRL+
эквивалентно щелчку в центре окна модели. Клавиши: CTRL-
действует в противоположном направлении.
Кнопка Показать всё
позволяет получить окно с максимальным масштабом для ранее принятых единиц длины (рис.6.5).
Для того, чтобы вернуть вид курсора щелкните по кнопке Выделение объектов
.
Площадь окна чертежа можно увеличить за счет изменения размеров боковых окон, в данном случае это electro
1
, Свойства
electro
1
и Справка
. Для этого нужно подвести курсор к границам окон - на рис.6.8 они указаны стрелками. Как только курсор сменит вид на две параллельные вертикальные полоски: , щелкните левой кнопкой мыши, и удерживая ее перенесите границу окна в новое положение.

Рис.6.8. Окно с расчетной областью
4. После того как подобрана необходимая площадь чертежа можно перейти к построению расчетной области. Для этого убедитесь, что на панели инструментов в окне выбора линий установлена «Прямая линия (0о
)» , рис.6.9.

Рис.6.9. Окно с типами линий
щелкните по кнопке Переместите указатель мыши в точку (–15,15), следите за ее координатами в правом нижнем углу окна. Необязательно попасть точно в указанную точку, достаточно щелкнуть мышью поблизости от точки левее и выше ее.
5. Щелкните левой кнопкой мыши и перетащите её в точку (15,15).
6. Проделайте те же операции для построения остальных ребер.
Если вы сделали ошибку, т.е. ввели ненужные вершины и ребра, то их можно удалить позднее.
Чтобы упростить создание объектов, можно использовать Сетку привязки
. Щелкните правой кнопкой мыши по окну модели. В появившемся контекстном меню выберите пункт Сетка привязки
, рис.6.10. После этого откроется форма с окнами, рис.6.11 можно ввести шаг сетки.
Сетка привязки позволяет расположить элементы модели с необходимой точностью. Однако не стремитесь сделать её излишне высокой. В нашей задаче вполне приемлемая точность 0,5 см. Это значит, что размеры всех объектов, а так же расстояние между ними будет кратно 0,5 см.
Иногда после нажатия кнопки OK
формы Сетка привязки
(рис.6.11) сетка исчезает. Это говорит о неверном выборе масштаба. В этом случае следует воспользоваться кнопкой Крупнее
главной формы системы.

Рис.6.10. Контекстное меню
Для установки шага сетки в поле По горизонтали
(рис.6.11) введите 0.5 (обратите внимание, что при вводе используется десятичная точка). Если флажок Не квадратные ячейки
снят, то такое же значение появится в поле По вертикали
.

Рис.6.11. Параметры сетки привязки
Отсчет координат ведется от точки, которая, по умолчанию, имеет координаты (0,0). Менять ее положение в данной задаче не имеет смысла, поэтому окна Позиция начальной точки
оставим без изменения. Щелчок по кнопке OK
, завершит диалог.
Указанный способ построения вершин хотя и прост, но порой требует кропотливого труда. Возможно, что для кого-то проще покажется другой способ. Добавить вершины можно из меню Правка/Добавить вершины
. После того как появится окно (это окно можно также вызвать из контекстного меню), рис. 6.12, нужно ввести в него координаты соответствующей вершины и нажать кнопку Добавить
. После того, как все вершины будут введены, окно следует закрыть.

Рис.6.12. Окно для добавления вершин.
Если Вы случайно создали лишние рёбра или вершины, их можно удалить сейчас. Для этого:
1. Удерживая клавишу CTRL
выделите щелчком мыши удаляемые объекты. Если Вы выделили ненужный объект, щелкните его мышью еще раз, чтобы снять выделение. Отпустите клавишу CTRL
.
2. Нажмите клавишу DEL
(или выберите команду Удалить выделенное
из меню Правка
или контекстного меню). Удаляемые объекты немедленно исчезнут с экрана
В задачах расчета полей системы заряженных проводов их толщиной обычно можно пренебречь, так как сечение проводов много меньше, чем расстояния между ними. Когда геометрические размеры проводников присутствующих в поле сопоставимы с размерами всей модели, упростить задачу подобным образом нельзя. На примере рассматриваемой задачи покажем, как создавать в ELCUT элементы конструкции с учетом формы их сечений.
Построим сначала проводник круглого сечения. Для этого следует воспользоваться меню Правка/Добавить фигуру
или горячими клавишами Ctr
+
Alt
+
S
. В результате появится форма Добавить фигуру
, рис. 6.13,а. В верхнем окне расположен выпадающий список из которого следует выбрать нужную фигуру. В окна, которые находятся в нижней части формы нужно внести размеры и координаты центра фигуры.
| 
|

|
| а)
|
б)
|
Рис.6.13. Окно добавления простых фигур
После построения геометрической модели нужно построить модель второго проводника и диэлектрика. Для этого в форме Добавить фигуру
в окне Фигура
нужно выбрать Прямоугольник
и казать соответствующие размеры, рис 6.1.3,б. В результате должна получиться модель, изображенная на рис 6.14.

Рис.6.14. Геометрическая модель
Если элемент конструкции имеет форму отличную от тех, которые приведены в списке формы, тогда его геометрическую модель можно построить из отрезков прямых и окружностей. Для этого в выпадающем списке, который расположен в верхней части поля чертежа (рис.1.15) укажите наиболее подходящий вид линии. Войдите в меню Правка
и укажите Режим вставки.
То же самое можно сделать из контекстного меню командой Вставка вершин/ребер
, либо с помощью клавиши Insert. Наконец, можно воспользоваться кнопкой Вставлять вершины и ребра
на панели инструментов, чтобы перейти в Режим вставки
.

Рис.6.15. Выпадающий список
В Режиме вставки
курсор превращается в перекрестие с красной точкой вблизи пересечения. Щелкая левой кнопкой мыши и перемещая ее можно построить чертеж достаточно сложной фигуры.
Иногда после ввода ребра с круглым контуром, система автоматически видоизменяет контур ребра на многогранный. Это связано с тем, что автоматически заданный шаг дискретизации в вершинах ребра слишком велик и его следует уменьшить. Для этого, в режиме выделения объектов следует щелкнуть левой кнопкой мыши на одной вершине фигуры, затем, удерживая клавишу Ctrl
, на второй. Далее отпустив клавишу Ctrl
, нажать комбинацию клавиш Alt+Enter
. В появившемся окне Свойства выделенных объектов изменить
в графе Шаг дискретизации
с Автоматический
на Задан
и ввести новую величину шага дискретизации. После нажатия на OK
, диалог завершается. После чего форма фигуры видоизменяется на желаемую, а вокруг каждой из двух вершины возникает дополнительная окружность, которая позволяет приблизительно оценить шаг дискретизации. Чем больше шаг дискретизации, тем больше радиус дополнительных окружностей и тем меньше расчетная точность картины поля вблизи этих вершин.
Геометрическая модель полностью завершена. Её следует сохранить, для этого следует нажать комбинацию клавиш Ctrl+S
, либо через меню Файл
. ELCUT сохранит геометрическую модель с расширением *.mod.
В дальнейшем нам будет встречаться понятие
Блок. Блок
это подобласть геометрической модели, возможно многосвязная. Блоки ограничены ребрами, которые создаются в процессе описания модели. В данном случае блоками являются область задачи, ограниченная квадратом ABCD, область воздушного пространства, охватывающего диэлектрик с заключенными в него проводниками и сами проводники.
После того как геометрия модели создана, следует дать имена геометрическим объектам, или как принято говорить в ELCUT, определить метки и присвоить их элементам модели. Метки необходимы для того, чтобы пользователь мог обращаться к конкретному элементу модели для описания свойств его материала, или описания источников поля, а также для задания граничных условий. Кроме того, программа расчета поля использует метки при решении задачи. Длина метки, т.е. имени, ограничена 16 символами.
В рассматриваемой задаче содержатся три материала с различными свойствами: воздух, диэлектрик и проводники. Выберем следующие имена меток Воздух
(для пространства окружающего конструкцию), Диэлектрик
(для материала в котором расположены проводники), Провод
(для проводника с круглым сечением), Шина
(для проводника с прямоугольным сечением). Чтобы присвоить метки блокам проделайте следующее:
1. Щелкните мышью внутри расчетной области, рис 6.14, но снаружи блока Диэлектрик
. Блок станет выделенным заливкой красного цвета (на рис 6.16. – черным).

Рис. 6.16. Выделение блока «Воздух».
2. Откройте левой кнопкой меню Правка/Свойства
.
3. После появления формы Свойства выделенных объектов, рис.6.17, в окно Метка
поместите имя метки, в данном случае Воздух
.
На этом нажатием кнопки ОК
следует закончить диалог.
Точно так же нужно поступить с блоком Диэлектрик
. Блокам Провод
и Шина
метки можно не присваивать. Объясняется это тем, что эти блоки представляют собой проводники. Как известно электростатическое поле внутри проводников отсутствует, т.е. рассчитывать его нет смысла, а раз так, то обращения к этим объектам при вычислении параметров поля нет.

Рис.6.17. Присвоение меток
Обратите внимание, что в окне описания задачи в разделе Метки блоков
появились созданные метки, рис. 6.18. Рядом с ними находятся значки, показывающие, что свойства метки до конца не определены. Действительно, пока не указаны физические свойства блока Воздух
, а также шаг разбиения этого блока на отдельные элементы. Это необходимо для численного решения задачи.
Ниже будет показан иной способ присвоения меток.

Рис.6.18. Присвоение меток
В процессе работы над моделью иногда требуется удалить созданные ранее метки. Это можно сделать двумя способами:
· Щелкнуть метку правой кнопкой мыши и затем выбрать Вырезать в контекстном меню.
· Выделить метку и в меню Правка указать позицию Вырезать.
Эти рекомендации приведены в инструкции по работе с ELCUT. В ранних версиях программы они работают. В версии 5.7 обычно приходится удалять объект, а только потом его метку.
Кроме меток блоков нужно присвоить метки ребрам а, в общем случае, и вершинам. Метки рёбер используются для задания граничных условий на внешних и внутренних границах области. В нашем случае нужно задать граничные условия для ребер. Сделать это можно точно так, как и ранее, но можно поступить немного иначе.
Чтобы присвоить метки рёбрам:
1. Щелкните ребро DA
(рис.6.8). Правой кнопкой вызовете контекстное меню, а в нем выберете Свойства (
Alt
+
Enter
)
(рис.6.19,а) и пометьте его как Лево
, (рис.6.19,б).
| 
|

|
| а)
|
б)
|
Рис.6.19. Контекстное меню и форма свойств объекта
2. Точно так же присвойте метки правому ребру области задач. Назовите его, например, Право
. Правое и левое ребро, в дальнейшем, будет рассматриваться как конденсатор, создающий электрическое поле с напряженностью E
. Верхнее и нижнее ребро области в решении не участвуют, и, поэтому, соответствующие им метки можно не создавать.
3. Присвойте метки верхнему и нижнему ребру провода. Для этого удерживая на клавиатуре кнопку Ctrl щелкните по верхней части провода. Это приведет к выделению верхней полуокружности. Не отпуская кнопки Ctrl, дважды щелкните по нижней полуокружности. Двойной щелчок должен выполняться быстро, иначе первый щелчок выделит нижнюю полуокружность, а второй отменит это выделение. Если все будет сделано верно, то появится форма для ввода метки – рис.6.20.
4. Таким же образом можно выделить несколько ребер шины и присвоить им метку.

Рис.6.20. Контекстное меню и форма свойств объекта
После того, как указанные метки будут созданы к дереву задачи, рис.6.21, добавятся метки с флажками, означающими, что описание меток не закончено.
Перейдем к определению физических свойств объектов модели. Начнем с объекта Воздух.
Для задания физических свойств, дважды щелкнем в окне описания задачи по метке Воздух.
В появившемся окне Свойства метки воздух
(рис 6.25) введите диэлектрическую проницаемость воздуха (εx
=1) и плотность электрического заряда в воздухе (для данной задачи ρ=0). Поскольку воздух это изотропный диэлектрик, то его относительная диэлектрическая проницаемость в разных направлениях является постоянной величиной, что ELCUT отразит автоматическим появлением εy
=1. Рассматриваемую задачу удобно решать в Декартовой системе координат, поэтому оставим раздел Координаты
без изменения.

Рис. 6.21. Метки модели
Рис. 6.22 Окно для задания физических свойств объекта с меткой «воздух»
То же самое поделаем для блока Диэлектрик
. Разница заключается только в том, что для него εx
=4.
Обратите внимание, что значки стоящие рядом с именами меток, в окне описания задачи, изменились, рис.6.22. Это говорит о том, что физические свойства метки определены.

Рис. 6.22. Изменение значков меток после определении физических свойств блоков.
Для того, чтобы смоделировать эквивалентное поле, создаваемое по условию задачи внешним источником, будем считать, что оно создается эквивалентным конденсатором образованным ребрами DA и DC. Определим эквивалентную плотность зарядов на этих ребрах. Для этого на ребре с меткой Лево
задается граничное условие Неймана. Определим σ - плотность зарядов на поверхности тучи по формуле:
σ =εε0
E
0
= 8,854 10−12
5000 =4,427 10−8
Кл / м2
.
Дважды щелкнув левой кнопкой мыши на соответствующем элементе дерева задачи, открываем окно Свойства метки – Лево
, рис. 6.23. Устанавливаем флажок Поверхностный заряд
. Щелкнув левой кнопкой мыши в графу, вводим с клавиатуры соответствующее число (рис. 6.23). При вводе необходимо вводить числа через точку, иначе система выдаст сообщение об ошибке. После этого диалог для данной задачи завершается.

Рис. 6.23. Ввод значения плотности заряда.
Для метки Право
, введем заряд той же величины, но с обратным знаком.
Для метки Провод
в окне Потенциал
U
запишем 10000В. Заметьте, что если модель создана несколькими ребрами, то для каждого из них нужно задавать потенциал. Если для ребер создана одна метку (как это сделано в рассматриваемом примере), то потенциал можно задавать один раз

Рис. 6.24. Присвоение величины напряжения ребру провода
Потенциал метки Шина
установим равным нулю.
Обратите внимание на изменение флажков меток ребер. Их вид говорят о том, что метки полностью определены.

Рис. 6.25. Изменение флажков меток.
После того как метки созданы нужно приступить к созданию сетки. Сетка образована узлами. Линии, соединяющие узлы делят всю область задачи на отдельные участки, поле в которых можно считать независящим от координат. Для каждой ячейки программа определяет параметры поля. Конечно, чем больше число узлов, тем выше точность решения. В студенческой версии ECUT количество узлов сетки ограничено числом 255. Это значит, что для задач имеющих сложную модель придется ограничиться приближенным решением.

Рис. 6.26. Создание сетки
Электрическое поле в проводниках отсутствует, поэтому решение задачи целесообразно проводить только для диэлектриков, это позволит сэкономить число ячеек сетки. Для того, чтобы создать сетку выделим блок Воздух
, и в контекстном меню Построить сетку/В выделенных блоках
, рис.6.26. Такую же процедуру попробуем провести с блоком диэлектрик. В данном случае она завершится появлением окна, говорящим о недостаточном количестве узлов, рис. 6.27.

Рис. 6.27. Создание сетки
Шаг узлов программа создала автоматически. Выходом их создавшегося положения является увеличение шага улов. Чтобы свести ошибки к минимуму поступим следующим образом: увеличим шаг узлов там, где поле практически не зависит от координат. Прежде всего, это ребра Лево
и Право
.
Выделим ребро Лево
. В контекстном меню выберем Свойства
. В появившемся окне в разделе Шаг дискретизации
укажем Задан
, и установим его равным 5, рис. 6.33. Аналогичное действие проделаем для ребра Право
.

Рис. 6.28. Окно для изменения шага узлов
В узлах ребер появятся окружности с радиусом равным шагу дискретизации, рис. 2.35. Теперь можно построить сетку в блоках Воздух
и Диэлектрик
в соответствии с описанным ранее методом.

Рис.6.29. Создание сетки
Теперь все готово к численному решению задачи. Для того что бы приступить к решению следует нажать кнопку , расположенную на панели задачи (рис.6.30.а) или воспользуйтесь контекстным меню. После этого появится сообщение, рис 6.30.б. После двукратного щелчка по кнопке ДА
появится картина поля, точнее множество эквипотенциальных линий, рис. 6.31.
Если при построении модели были допущены ошибки, то они будут выявлены и на экране появится соответствующее предупреждение. Большинство из них легко устранимы. Однако есть такие, источник которых трудно определить. Например, при
| 
|

|
| а)
|
б)
|
Рис.6.30. Сохранение файла задачи перед ее решением
построении геометрической модели может получиться так, что новая геометрическая фигура, построенная из ребер, захватывает, или находится полностью внутри уже построенного блока. В рассмот-

Рис.6.31. Результаты расчета.
ренной задаче в такой ситуации оказались провод и шина. После присвоения меток их внутренние части могут принадлежать блокам воздух или диэлектрик. В этом случае система будет требовать построение сетки внутри этих фигур, рис.3.32.

Рис.6.32. Сообщение о скрытой ошибке
Чтобы исключить внутреннюю часть фигуры из блока нужно дважды щелкнуть по этой части, после чего появится форма Свойства выделенных объектов
, в которой в выпадающем списке Метка
нужно выбрать (нет), рис.6.33.

Рис.6.33. Удаление внутренней части фигуры из блока
Возвращаясь к рассматриваемой задаче, следует сказать, что на получении эквипотенциальных линий решение задачи не прекращается. Начинается процесс анализа решения. Прежде всего, следует оценить на сколько ограничения на шаг сетки повлияли на вид картины поля. С этой целью следует изменить исходные данные, т.е. вернуться к описанию задачи. Для этого служит кнопка Открыть модель
, расположенная на панели задачи, рис.6.34.а.
| 
|

|
| а) Панель задачи
|
б) Изменение шага сетки
|
Рис.6.34. Изменение шага сетки у проводников
Откроем модель и уменьшим шаг сетки на поверхности проводников. Дело в том, что именно у поверхности проводников происходит изменение направления поля. Уменьшение шага сетки до 0.5 на метках: Провод,
Шина
практически не меняет картину поля, рис.6.35. Это говорит о том, что несмотря на ограничение числа узлов сетки, решение найдено достаточно точно.
Решение задачи можно отразить не только в виде множества эквипотенциалей, но и в виде силовых линий напряженности и электрического смещения. Для этого следует войти в меню Вид/Свойства картины поля
. В открывшемся окне установите нужные флажки, в соответствии с желаемым видом решения, например, в соответствии с рис. 6.36.
Завершение диалога (щелчок по кнопке ОК
) приведет к появлению соответствующего графического отображения электрического поля.
Обратите внимание, что цвета эквипотенциальных областей различны. Это говорит о том, что потенциалы в этих областях изменяются. Уменьшение потенциала отображается полосами более темного цвета.

Рис. 6.35. Картина поля при уменьшенном шаге узлов на поверхности проводников.
Длины векторов по поверхности рисунка поля так же отличаются. Таким образом, ELCUT
информирует о величине напряженности поля.
Система ELCUT
позволяет не только изобразить картину поля, но и провести измерения величин, характеризующих электростатическое поле. Для этого нужно в верхней части формы Результаты расчета
(рис.6.35) щелкнуть по кнопке с изображением стрелочного измерительного прибора - . В появившемся меню выбрать Локальные значения->Укажите точку
, после чего курсор приобретет вид измерительного прибора с перекрестием.

Рис.6.36. Выбор способов графического отображения параметров электрического поля

Рис.6.37. Выбор способа измерения величин,
характеризующих электростатическое поле
В домашнем задании требуется построить график изменения одной из величин, например, потенциала вдоль горизонтальной оси, проходящей через середину проводников. Точно выполнение такого задания невозможно, в силу того, что координаты курсора

Рис.6.38. Измерение величин, характеризующих поле
становятся известными после щелка левой кнопки мыши. Для выполнения задания рекомендуется приложить к экрану край прозрачной бумаги, сориентировав его в соответствии с расположением оси.
Расчетно-графическая работа состоит из двух задач:
1. Расчет длинной линии;
2. Расчет электростатического поля возбуждаемого электродами различной формы.
Задача 1
. Расчет длинной линии
К трехфазной линии электропередачи длиной l
подключена нагрузка с активной мощностью Р2
и коэффициентом мощности cosφн
. Линейное напряжение на зажимах нагрузки U2Л
. Первичные параметры линии R0
, L0
, G0
, C0
. Частота переменного тока f
= 50 Гц.
Требуется:
1. Определить вторичные параметры линии, затухание и фазовый сдвиг;
2. Найти входное сопротивление линии в режиме нагрузки, при холостом ходе и коротком замыкании;
3. Рассчитать напряжение на входе линии, токи в начале и конце линии, потерю напряжения в линии;
4. Найти активную мощность в начале линии и КПД передачи;
5. построить векторные диаграммы тока и напряжения в начале и конце линии;
6. для режима согласованной нагрузки определить напряжение в начале линии, а также ток в начале и в конце линии. Построить векторные диаграммы тока и напряжения в начале и конце линии;
7. Определить величину натуральной мощности и найти КПД её передачи.
Данные для расчета выбираются из таблицы 6.1. Вариант задания определяется по двум последним цифрам шифра студента mn.
Исходные данные для решения задачи 1 Таблица 6.1
| m
|
R0
,
Ом/км
|
G0
10-8
, См/км
|
L0
10-3
, Гн/км
|
C0
10-9
, Ф/км
|
cosφн
|
n
|
U2Л
, кВ
|
P2
, МВт
|
l
,
км
|
| 1
|
0,135
|
6,20
|
1,28
|
8,71
|
0,880
|
1
|
220
|
65
|
1400
|
| 2
|
0,140
|
10,00
|
1,33
|
8,38
|
0,870
|
2
|
110
|
15
|
1200
|
| 3
|
0,131
|
18,30
|
1,30
|
8,58
|
0,910
|
3
|
110
|
20
|
1000
|
| 4
|
0,125
|
3,80
|
1,27
|
8,78
|
0,920
|
4
|
220
|
72
|
2500
|
| 5
|
0,118
|
12,10
|
1,32
|
8,45
|
0,925
|
5
|
330
|
165
|
1600
|
| 6
|
0,123
|
8,26
|
1,35
|
8,26
|
0,900
|
6
|
220
|
75
|
2300
|
| 7
|
0,133
|
5,65
|
1,31
|
8,51
|
0,915
|
7
|
110
|
18
|
2100
|
| 8
|
0,138
|
10,40
|
1,36
|
8,20
|
0,930
|
8
|
330
|
175
|
1800
|
| 9
|
0,128
|
9,15
|
1,34
|
8,32
|
0,920
|
9
|
330
|
160
|
2700
|
| 0
|
0,112
|
10,50
|
1,29
|
8,64
|
0,890
|
0
|
220
|
78
|
3300
|
Электростатическое поле возбуждается электродами, конструкции которых определены в соответствующих заданиях. Номер задания определяется по последней цифре шифра студента. Номер варианта задания по предпоследней цифре. При выполнении задания, относительную диэлектрическую проницаемость воздуха принять равной 1.
Задание № 1.
Внутри цилиндрической, металлической оболочки кабеля,
с внутренним радиусом R
2
, параллельно оси проходит провод с радиусом R
1
.
Пространство между проводниками внутри кабеля заполнено диэлектриком с диэлектрической проницаемостью e. Расстояние между осями проводников d.
Разность потенциалов U
. Кабель находится между двумя плоскостями, напряжение между которыми U0
.
Найти погонную емкость между проводом и оболочкой, плотность заряда на поверхности провода и напряженность поля вдоль кратчайшей линии, проходящей через оси центрального провода и цилиндра. Построить картину поля.

Рис.6.39.
Таблица 6.2.
| №
п.п.
|
R
1
|
R
2
|
d
|
L
1
|
L
2
|
U0
|
U
|
e
|
| мм
|
мм
|
мм
|
мм
|
мм
|
В
|
В
|
| 0
|
20
|
40
|
10
|
80
|
80
|
10000
|
1000
|
2,5
|
| 1
|
30
|
60
|
20
|
100
|
1000
|
10000
|
5000
|
3
|
| 2
|
10
|
20
|
0
|
100
|
1000
|
500
|
500
|
3
|
| 3
|
15
|
40
|
10
|
80
|
100
|
5000
|
10000
|
2,5
|
| 4
|
20
|
50
|
20
|
80
|
1000
|
1000
|
10000
|
2
|
| 5
|
10
|
50
|
20
|
100
|
500
|
1000
|
5000
|
2
|
| 6
|
10
|
40
|
10
|
100
|
1000
|
1000
|
1000
|
3
|
| 7
|
20
|
50
|
15
|
100
|
500
|
1000
|
5000
|
3
|
| 8
|
5
|
40
|
15
|
80
|
150
|
1000
|
500
|
3,5
|
| 9
|
20
|
40
|
10
|
120
|
1000
|
5000
|
10000
|
3
|
Задание
№
2.
Два провода круглого сечения с потенциалами φ1
и φ2
разделены тонким проводящим листом, толщиной которого можно пренебречь. Потенциал листа φ=0. Радиусы проводов и их расстояние от проводящей поверхности приведены в таблице.
1. Рассчитать и построить распределение потенциала вдоль оси х
при y
=0;
2. Рассчитать и построить распределение плотности заряда σ на поверхности проводящей плоскости;
3. Определить частичные емкости проводов.

Рис.6.40.
Таблица 6.3.
| №
|
R
1
|
R
2
|
d
|
s
1
|
φ1
|
φ2
|
| см
|
см
|
см
|
см
|
В
|
В
|
| 0
|
1
|
2
|
100
|
50
|
1000
|
-1000
|
| 1
|
2
|
3
|
100
|
20
|
2000
|
-1000
|
| 2
|
3
|
5
|
100
|
30
|
3000
|
-5000
|
| 3
|
4
|
7
|
200
|
50
|
4000
|
-4000
|
| 4
|
5
|
8
|
200
|
100
|
5000
|
-5000
|
| 5
|
6
|
8
|
200
|
150
|
6000
|
-4000
|
| 6
|
7
|
10
|
100
|
40
|
7000
|
3000
|
| 7
|
8
|
10
|
100
|
30
|
8000
|
-8000
|
| 8
|
9
|
10
|
200
|
80
|
9000
|
-1000
|
| 9
|
10
|
10
|
100
|
20
|
10000
|
5000
|
Задание
№ 3.
Два провода одинакового радиуса r0
проходят вдоль земли. Напряжение между проводами равно U. Потенциал левого провода
1. Рассчитать и построить распределение потенциала вдоль оси x
при y
=h
1
.
2. Рассчитать и построить распределение плотности заряда σ на поверхности проводящей плоскости;
3. Определить частичные емкости проводов.

Рис.6.41.
Таблица 6.4.
| №
|
r
0
|
D
|
h
1
|
h
2
|
φ1
|
U
|
| см
|
м
|
м
|
м
|
кВ
|
кВ
|
| 0
|
1
|
0,5
|
3
|
5
|
10
|
10
|
| 1
|
2
|
1
|
4
|
6
|
20
|
10
|
| 2
|
3
|
1
|
5
|
6
|
30
|
110
|
| 3
|
4
|
1
|
6
|
8
|
40
|
110
|
| 4
|
5
|
2
|
7
|
10
|
50
|
35
|
| 5
|
6
|
2
|
8
|
6
|
110
|
110
|
| 6
|
7
|
3
|
9
|
10
|
3
|
35
|
| 7
|
8
|
5
|
10
|
12
|
8000
|
10
|
| 8
|
9
|
5
|
11
|
10
|
9000
|
110
|
| 9
|
10
|
10
|
12
|
10
|
10000
|
110
|
Задание №4
Две проводящие плоскости образуют двугранный угол, равный 90°.
Область, расположенная внутри это угла, заполнена диэлектриком с диэлектрической проницаемостью e. Через точку т
параллельно проводящим граням проходит прямой тонкий бесконечно длинный провод. Напряжение провода относительно проводящих граней плоскости U.
1. Рассчитать и построить распределение потенциала вдоль оси х
при y
=0;
2. Рассчитать и построить распределение плотности заряда σ на поверхности проводящей плоскости;
3. Определить частичные емкости проводов.
4. Определить линейную плотность заряда которого на проводе.

Рис.6.42.
Таблица 6.5.
| №п/п
|
r
|
a
|
U
|
e
|
| см
|
см
|
В
|
-
|
| 0
|
20
|
10
|
500
|
2
|
| 1
|
30
|
10
|
700
|
3
|
| 2
|
40
|
20
|
1000
|
4
|
| 3
|
50
|
20
|
1500
|
5
|
| 4
|
60
|
30
|
2000
|
6
|
| 5
|
70
|
30
|
3000
|
7
|
| 6
|
80
|
40
|
4000
|
8
|
| 7
|
90
|
40
|
5000
|
9
|
| 8
|
100
|
50
|
8000
|
10
|
| 9
|
110
|
60
|
10000
|
11
|
Задание
№5.
Две параллельные безграничные проводящие плоскости отделены друг от друга двумя слоями изоляции толщиной d
с диэлектрической проницаемостью ε1
и ε2
. Параллельно проводящим поверхностям расположен тонкий прямолинейный проводник. Напряжение между плоскостями U, причем потенциал правой плоскости принят за 0. Напряжение проводника, относительно правой плоскости U0
1. Рассчитать и построить распределение потенциала вдоль оси х
при y
=0;
2. Рассчитать и построить распределение плотности заряда σ на поверхности проводящей плоскости;
3. Определить частичные емкости проводов.
4. Определить линейную плотность заряда которого на проводе.

Рис.6.43.
Таблица 6.6.
| №п/п
|
h
|
d
|
U
|
U0
|
e1
|
e2
|
| см
|
см
|
В
|
В
|
-
|
-
|
| 0
|
20
|
10
|
500
|
1000
|
2
|
4
|
| 1
|
30
|
10
|
700
|
10000
|
3
|
6
|
| 2
|
40
|
20
|
1000
|
5000
|
4
|
2
|
| 3
|
50
|
20
|
1500
|
5000
|
5
|
10
|
| 4
|
60
|
30
|
2000
|
500
|
6
|
2
|
| 5
|
70
|
30
|
3000
|
5000
|
7
|
2
|
| 6
|
80
|
40
|
4000
|
1000
|
8
|
2
|
| 7
|
90
|
40
|
5000
|
1000
|
9
|
2
|
| 8
|
100
|
50
|
8000
|
1000
|
10
|
2
|
| 9
|
110
|
60
|
10000
|
1000
|
11
|
2
|
Задание № 6.
Внутри полого цилиндра (см. рис.) радиусом R2
параллельно его оси протянута двухпроводная линия с проводом радиуса R
1
.
Расстояние между осями цилиндра и проводом d.
Разность потенциалов U
. Найти емкость между проводами, проволокой и цилиндром, плотность заряда на поверхности проволоки и напряженность поля вдоль кратчайшей линии, проходящей через оси проволоки и цилиндра. Диэлектрическая проницаемость среды внутри цилиндра равна ε.

Рис.6.44.
Таблица 6.7.
| №п/п
|
R
1
|
R
2
|
d
|
U
|
e
|
| мм
|
мм
|
мм
|
В
|
-
|
| 0
|
2
|
10
|
4
|
1000
|
6
|
| 1
|
3
|
20
|
7
|
2000
|
5
|
| 2
|
4
|
30
|
10
|
3000
|
4
|
| 3
|
5
|
40
|
15
|
4000
|
5
|
| 4
|
6
|
50
|
20
|
5000
|
6
|
| 5
|
7
|
40
|
20
|
6000
|
2
|
| 6
|
8
|
50
|
20
|
7000
|
3
|
| 7
|
9
|
60
|
20
|
8000
|
2
|
| 8
|
10
|
50
|
20
|
9000
|
3
|
| 9
|
11
|
60
|
20
|
10000
|
2
|
Задание
№7.
Два тонких бесконечно длинных провода расположены на изоляторах вдоль проводящей стены.
Окружающей средой является воздух. Первый провод присоединен к положительному полюсу источника ЭДС, второй к отрицательному. Напряжение между проводами U
. Рассчитать и построить распределение потенциала вдоль оси х
при y
=h
;
1. Рассчитать и построить распределение плотности заряда σ на поверхности проводящей плоскости;
2. Определить частичные емкости проводов.
3. Определить линейную плотность заряда которого на проводе.

Рис.6.45.
Таблица 6.46.
| №п/п
|
d
1
|
d
2
|
h
|
D
|
U
|
| м
|
м
|
м
|
м
|
В
|
| 0
|
0,5
|
0,5
|
0,5
|
0,25
|
1000
|
| 1
|
0,5
|
0,75
|
1,25
|
0,3
|
2000
|
| 2
|
0,75
|
0,5
|
0,75
|
0,35
|
3000
|
| 3
|
1,0
|
0,5
|
1,5
|
0,45
|
4000
|
| 4
|
1,25
|
0,5
|
2,0
|
0,5
|
5000
|
| 5
|
1,5
|
0,5
|
2,0
|
0,55
|
6000
|
| 6
|
1,75
|
0,75
|
2,0
|
0,6
|
7000
|
| 7
|
0,75
|
0,75
|
1,5
|
0,65
|
8000
|
| 8
|
2,0
|
0,5
|
1,5
|
0,7
|
9000
|
| 9
|
1,5
|
0,5
|
1,5
|
0,75
|
10000
|
Задание
№8.
Трехжильный экранированный кабель с симметричным расположением жил с внутренним радиусом экрана R
1
. находится в земле. Первая жила присоединена к положительному полюсу источника, у которого E
, а отрицательный полюс заземлен. Вторая жила в результате аварии замкнута на экран, а третья — изолирована. Определить заряды на единицу длины и потенциалы всех жил.

Рис.6.46.
Таблица 6.7.
| №п/п
|
R
1
|
R
2
|
R3
|
E
|
| м
|
м
|
м
|
В
|
| 0
|
0,5
|
0,5
|
0,5
|
1000
|
| 1
|
0,5
|
0,75
|
1,25
|
2000
|
| 2
|
0,75
|
0,5
|
0,75
|
3000
|
| 3
|
1,0
|
0,5
|
1,5
|
4000
|
| 4
|
1,25
|
0,5
|
2,0
|
5000
|
| 5
|
1,5
|
0,5
|
2,0
|
6000
|
| 6
|
1,75
|
0,75
|
2,0
|
7000
|
| 7
|
0,75
|
0,75
|
1,5
|
8000
|
| 8
|
2,0
|
0,5
|
1,5
|
9000
|
| 9
|
1,5
|
0,5
|
1,5
|
10000
|
Задание
№9.
Внутри цилиндрического кабеля с внутренним радиусом оболочки R
1
параллельно его оси проходит провод радиусом R
2
. Расстояние между осями d
. Разность потенциалов U
. Найти:
1. Емкость между проводом и цилиндром;
2. Плотность заряда на поверхности провода;
3. Напряженность поля вдоль кратчайшей линии, проходящей через оси провода и цилиндра.

Рис.6.47.
Таблица 6.7.
| №п/п
|
R
1
|
R
2
|
d
|
e
|
E
|
| см
|
см
|
см
|
-
|
В
|
| 0
|
5
|
1
|
1
|
2
|
1000
|
| 1
|
5
|
0,5
|
1
|
2,5
|
2000
|
| 2
|
7,5
|
1,5
|
1
|
2,5
|
3000
|
| 3
|
10
|
1,5
|
2
|
2,5
|
4000
|
| 4
|
8
|
1,5
|
2
|
3,0
|
5000
|
| 5
|
6
|
0,5
|
1
|
3,0
|
6000
|
| 6
|
7,5
|
1
|
2
|
4,0
|
7000
|
| 7
|
7,5
|
2
|
3
|
3,5
|
8000
|
| 8
|
8
|
2,5
|
3
|
4,5
|
9000
|
| 9
|
10
|
2,5
|
3
|
5
|
10000
|
Задание №0
Один провод двухпроводной линии находится в среде с диэлектрической проницаемостью ε1
, а второй в среде с диэлектрической проницаемостью ε2
. Потенциалы проводов φ1
и φ2
. Нижний провод находится на расстоянии H от земли. Верхний на d выше нижнего. Граница сред проходит на равном расстоянии от проводов.
Геометрические параметры системы h
= 0,5 м, d
= 0,3 м; H
= 0,65 м; радиус проводов r
0
= 10 мм.

Рис. 6.48
Таблица 6.11
| №п/п
|
h
|
d
|
H
|
φ
1
|
φ
2
|
e1
|
e2
|
| м
|
м
|
|
В
|
В
|
-
|
-
|
| 0
|
0,5
|
0,3
|
0,6
|
500
|
1000
|
2
|
4
|
| 1
|
1,0
|
0,2
|
0,7
|
0
|
1000
|
3
|
6
|
| 2
|
0,9
|
0,4
|
0,8
|
1000
|
5000
|
4
|
2
|
| 3
|
0,8
|
0,5
|
0,9
|
500
|
5000
|
5
|
8
|
| 4
|
0,6
|
0,3
|
1,0
|
0
|
500
|
3
|
2
|
| 5
|
0,7
|
0,5
|
1,1
|
300
|
5000
|
6
|
2
|
| 6
|
0,4
|
0,6
|
1,2
|
400
|
1000
|
5
|
4
|
| 7
|
1,1
|
0,4
|
1,3
|
5000
|
1000
|
4
|
6
|
| 8
|
1,2
|
0,3
|
1,4
|
8000
|
1000
|
3
|
7
|
| 9
|
1,3
|
0,2
|
1,5
|
10000
|
1000
|
2
|
8
|
7. РЕКОМЕНДУЕМАЯ ЛИТЕРАТУРА
1. Бессонов Л.А. Теоретические основы электротехники. Электрические цепи: Учебник М. Гардарики, 2006.
2. Демирчан К.С, Нейман Л.Р, Коровкин Н.В., Чечурин В.Л. Теоретические основы электротехники., т.1,2. М-СПб., Питер, 2004.
1. Борисов П.А., Осипов Ю.М. Потенциальные электрические поля. Учебное пособие по курсам ТОЭ (часть вторая) – Теория электромагнитного поля. Электромагнитные поля и волны. – СПб: СПб ГУИТМО, 2006 – 108 c
2. Коровкин Н.В., Селина Е.Е. Чечурин В.Л. Теоретические основы электротехники; Сборник задач. – СПб.: Питер, 2004.
3. Касаткин А.С., Немцов М.В. Электротехника. М., Академия, 2003.
1. Арбузов В.Н. Лабораторный практикум по курсу ТОЭ, часть III. – М.: изд-во МИЭЭ 2010.
8. ВОПРОСЫ ДЛЯ ПОДГОТОВКИ К
ЭКЗАМЕНУ
1. Двухпроводная линия без потерь длиной 3l/4 разомкнута на конце. Найти входное сопротивление линии.
2. Двухпроводная линия с потерями длиной 3l/4 разомкнута на конце. Найти входное сопротивление линии.
3. Когда возникает отраженная волна в двухпроводной линии?
4. Как найти КПД длинной линии?
5. Какая из функций , или является векторной?
6. Является ли безвихревым поле, единственная составляющая напряженности Ех
прямоугольной системы координат которого есть функция только координаты х
?
7. Плотность какого заряда входит в правую часть уравнения : свободного или связанного?
8. При каких условиях справедливо выражение ?
9. Является ли вихревым электрическое поле, напряженность которого , задана выражением:
а) ; б) ;
в) ; г) 
д) е) 
10. Бесконечно длинная стальная пластина, ширина d
которой значительно превышает ее толщину h
расположена в плоскости xz
, нормальной к линиям индукции однородного магнитного поля. Определите плотность тока Jz
(x
) по ширине пластины при условии, что магнитная индукция, вызванная индуцированным в пластине током, значительно меньше Bm
. Удельная электрическая проводимость стали равна 106
См/м. Рассчитайте ток в пластине при d
=5 см, h
=2 мм, Bm
=0,001 Тл,
11. В чем причина возникновения скачка нормальной составляющей напряженности: а) электрического, б) магнитного поля?
12. Какие из составляющих векторов могут претерпевать разрыв на поверхности двух сред с различными электрическими и магнитными свойствами.
13. Как определить глубину проникновения электромагнитной волны в металл?
14. Как определить глубину проникновения электромагнитной волны в диэлектрик?
Формат 60×90 1/16. Тираж 100.
Производственно-торговая фирма Московского института энергобезопасности и энергосбережения.
105043, Москва, ул. 4-я Парковая, д. 27, тел. 965-3790, 652-2412,
факс 965-3846.
www.mieen.ru, e-mail: ptf@mieen.ru
|