| Реферат на тему «ПЛИС» (программируемые логические интегральные микросхемы)
1. Что такое ПЛИС? Зачем она нужна?
Программи́руемая логи́ческая интегра́льная схе́ма
(ПЛИС
, англ. programmable
logic
device
, PLD) — электронный компонент, используемый для создания цифровых интегральных схем. В отличие от обычных цифровых микросхем, логика работы ПЛИС не определяется при изготовлении, а задаётся посредством программирования (проектирования). Для программирования используются программаторы и отладочные среды, позволяющие задать желаемую структуру цифрового устройства в виде принципиальной электрической схемы или программы на специальных языках описания аппаратуры Verilog, VHDL, AHDL и др. Альтернативой ПЛИС являются: базовые матричные кристаллы, требующие заводского производственного процесса для программирования; ASIC — специализированные заказные БИС (большие интегральные схемы), которые при мелкосерийном и единичном производстве существенно дороже; специализированные компьютеры, процессоры (например, цифровой сигнальный процессор) или микроконтроллеры, которые из-за программного способа реализации алгоритмов медленнее ПЛИС. Некоторые производители ПЛИС предлагают программные процессоры для своих ПЛИС, которые могут быть модифицированы под конкретную задачу, а затем встроены в ПЛИС. Тем самым обеспечивается уменьшение места на печатной плате и упрощение проектирования самой ПЛИС.
Программируемые логические интегральные схемы (ПЛИС) появились полтора десятилетия назад как альтернатива программируемым логическим матрицам (ПЛМ). От последних ПЛИС отличаются как по архитектуре, так и по технологии изготовления. ПЛМ представляет собой матрицу многовходовых (несколько десятков входов) логических элементов с триггерами, в которых перемычками программируются конституенты единиц дизъюнктивных нормальных форм функций этих элементов. Вначале перемычки выполнялись в виде пережигаемых тонких проводничков. Теперь перемычки выполняются в виде МОП-транзистора с плавающим затвором, как в электрически перепрограммируемом ПЗУ, т.е. ПЛМ изготовляются по технологии флэш-памяти. Большие ПЛМ (CPLD) отличаются только тем, что несколько ПЛМ собраны на одном кристалле и объединены программируемым полем связей.
Забиваем Сайты В ТОП КУВАЛДОЙ - Уникальные возможности от SeoHammer
Каждая ссылка анализируется по трем пакетам оценки: SEO, Трафик и SMM.
SeoHammer делает продвижение сайта прозрачным и простым занятием.
Ссылки, вечные ссылки, статьи, упоминания, пресс-релизы - используйте по максимуму потенциал SeoHammer для продвижения вашего сайта.
Что умеет делать SeoHammer
— Продвижение в один клик, интеллектуальный подбор запросов, покупка самых лучших ссылок с высокой степенью качества у лучших бирж ссылок.
— Регулярная проверка качества ссылок по более чем 100 показателям и ежедневный пересчет показателей качества проекта.
— Все известные форматы ссылок: арендные ссылки, вечные ссылки, публикации (упоминания, мнения, отзывы, статьи, пресс-релизы).
— SeoHammer покажет, где рост или падение, а также запросы, на которые нужно обратить внимание.
SeoHammer еще предоставляет технологию Буст, она ускоряет продвижение в десятки раз,
а первые результаты появляются уже в течение первых 7 дней.
Зарегистрироваться и Начать продвижение
ПЛИС представляет собой матрицу маловходовых (от двух до пяти входов) логических элементов, триггеров, отрезков линий связи, соединяемых перемычками из полевых транзисторов. Судя по английскому названию - Field Programmable Gate Array (FPGA) - ПЛИС программируются изменением уровня электрического поля (field) в затворах этих транзисторов. В отличие, например, от LPGA - Laser Programmable Gate Array. Затворы всех "программирующих" полевых транзисторов подключены к выходам триггеров одного длинного сдвигового регистра, который заполняется при программировании ПЛИС. Некоторые из участков этого регистра могут также выполнять роль ячеек ПЗУ. Прошивка обычно хранится в ПЗУ, стоящем рядом с ПЛИС и после включения питания или по сигналу сброса она автоматически переписывается в программирующий сдвиговый регистр ПЛИС. Этот процесс называется конфигурированием ПЛИС. Так как основу ПЛИС составляют триггеры, хранящие прошивку, то ПЛИС изготавливаются по технологии микросхем статического ОЗУ.
По сравнению с CPLD, ПЛИС выигрывают, во-первых, в неограниченном количестве перепрограммирований, во-вторых, в логической емкости, в том числе в удельной емкости вентилей на цент, в-третьих, в малом энергопотреблении.
Как правило, ПЛИС имеют на два - три порядка большую емкость в числе эквивалентных логических вентилей, чем CPLD и также как статическое ОЗУ, почти не потребляют энергии при отсутствии переключений. Кроме того, у ПЛИС на порядок выше надежность (ниже интенсивность отказов), чем у CPLD.
К недостаткам относят необходимость внешнего ПЗУ прошивки, генератора синхросерии. Но 8-выводовое ПЗУ занимает на плате значительно меньше места, чем сама ПЛИС с многими сотнями выводов. То же касается генератора синхросерии.
Много сомнений у пользователей возникает с защитой проекта от копирования. Действительно, прошивка ПЛИС хранится во внешнем ПЗУ, содержимое которого просто копируется. Но изменить или расшифровать прошивку, например, для скрытия авторства или восстановления схемы, практически невозможно, так как семантика битов в файле прошивки - секрет фирмы, а неосторожное изменение ее может вывести ПЛИС из строя. Если требуется защита, то загрузку программы выполняют с помощью внешней CPLD, автомат в которой обеспечивает защиту проекта. В ПЛИС новых поколений предусматривается шифрование прошивки, например, с помощью встроенного шифрователя DES с обеспечением сохранения ключа с помощью батарейки.
Сервис онлайн-записи на собственном Telegram-боте
Попробуйте сервис онлайн-записи VisitTime на основе вашего собственного Telegram-бота:
— Разгрузит мастера, специалиста или компанию;
— Позволит гибко управлять расписанием и загрузкой;
— Разошлет оповещения о новых услугах или акциях;
— Позволит принять оплату на карту/кошелек/счет;
— Позволит записываться на групповые и персональные посещения;
— Поможет получить от клиента отзывы о визите к вам;
— Включает в себя сервис чаевых.
Для новых пользователей первый месяц бесплатно.
Зарегистрироваться в сервисе
Программируемые логические интегральные схемы – ПЛИС являются одними из самых перспективных элементов цифровой схемотехники. ПЛИС представляет собой кристалл, на котором расположено большое количество простых логических элементов. Изначально эти элементы не соединены между собой. Соединение элементов (превращение разрозненных элементов в электрическую схему) осуществляется с помощью электронных ключей, расположенных в этом же кристалле. Электронные ключи управляются специальной памятью, в ячейки которой заносится код конфигурации цифровой схемы. Таким образом, записав в память ПЛИС определенные коды, можно собрать цифровое устройство любой степени сложности (это зависит от количества элементов на кристалле и параметров ПЛИС). В отличие от микропроцессоров, в ПЛИС можно организовать алгоритмы цифровой обработки на аппаратном (схемном) уровне. При этом быстродействие цифровой обработки резко возрастает. Достоинствами технологии проектирования устройств на основе ПЛИС являются:
· минимальное время разработки схемы (нужно лишь занести в память ПЛИС конфигурационный код);
· в отличие от обычных элементов цифровой схемотехники здесь отпадает необходимость в разработке и изготовлении сложных печатных плат;
· быстрое преобразование одной конфигурации цифровой схемы в другую (замена кода конфигурации схемы в памяти);
· для создания устройств на основе ПЛИС не требуется сложное технологическое производство. ПЛИС конфигурируется с помощью персонального компьютера на столе разработчика. Потому иногда эту технологию называют «фабрикой на столе».
Типичные области применения ПЛИС: цифровая обработка сигналов, пользовательская электроника, системы сбора данных, системы управления, телекоммуникационное оборудование, оборудование для систем беспроводной связи, компьютерное оборудование общего назначения.
Стремясь к достижению высоких технических характеристик и потребительских качеств своей продукции, разработчики электронных устройств используют специализированные ИС (СПИС). Их применение обеспечивает следующие преимущества: - уменьшение габаритов устройства. Применение СПИС позволяет снизить количество ИС, уменьшить размеры печатных плат и тем самым сократить габариты всего устройства; - повышение технических характеристик. Уменьшение количества ИС приводит к повышению системного быстродействия и сокращению потребляемой мощности; - повышение надежности. Так как вероятность ошибки или поломки устройства прямо пропорциональна количеству ИС, надежность устройств, использующих СПИС, значительно возрастает; - обеспечение защиты разработки. Так как скопировать устройство, содержащее СПИС, значительно сложнее (а иногда практически невозможно), чем устройство на стандартных компонентах, применение СПИС позволяет обеспечить авторские права разработчика; - повышение гибкости модификации. Так как модификация СПИС не требует, как правило, переработки остальных узлов, переразводки печатных плат и т.д., возможности отладки и модификации устройства значительно повышаются.
В большинстве случаев в литературе выделяют следующие классы СПИС (ASIC) [3]: - программируемые пользователем ИС – ПЛИС (PLD).
- масочно-программируемые ИС – базовые матричные кристаллы (БМК) или вентильные матрицы (Gate Arrays).
- ИС на стандартных ячейках (Standard Cells).
- полностью заказные ИС (Full Custom).
ПЛИС и БМК относятся к категории полузаказных ИС, поскольку внутрисхемная топология частично формируется при производстве самих ИС, а частично программируется в соответствии с требованиями потребителя. Остальные СПИС являются заказными, т.к. вся топология схемы с учетом требуемых функций разрабатывается при производстве кристаллов. Классификация СПИС приведена на рис.1., из которой видно, какое направление и раздел СПИС занимает ПЛИС:

Рис.1. Классификация СПИС
2. Принцип работы, структура ПЛИС, скоростные характеристики, в каких корпусах выпускается, примеры устройств, фирмы реализации, рынок (объем выпуска), тенденции.
В настоящее время выпускаются следующие серии ПЛИС FPGA:
· Серия Virtex
· Серия Spartan
· Серия ХС4000
· Серия ХС5200
· Серия ХС3000
ПЛИС типа FPGA фирмы Xilinx выполненны по SRAM кМОП технологии. Характеризуются высокой гибкостью структуры и изобилием на кристалле триггеров. При этом логика реализуется посредством так называемых LUT – таблиц (Look Up Table) Xilinx, а внутренние межсоединения – посредством разветвлённой иерархии металлических линий, коммутируемых специальными быстродействующими транзисторами.
Отличительными системными особенностями являются:
· внутренние буфера с возможностью переключения в высокоомное состояние и тем самым позволяющие организовать системные двунаправленные шины
· индивидуальный контроль высокоомного состояния и времени нарастания фронта выходного сигнала по каждому внешнему выводу
· наличие общего сброса/установки всех триггеров ПЛИС
· множество глобальных линий с низкими задержками распространения сигнала
· наличие внутреннего распределённого ОЗУ Xilinx, реализующегося посредством тех же LUT – таблиц (серии Spartan, Virtex, XC4000).
· наличие внутреннего блочного ОЗУ, один блок имеет ёмкость 4 кбит (семейства Virtex, Virtex-E, Spartan-II, Spartan-IIE) или 18 кбит (семейства Virtex-II и Virtex-IIPro), всего блоков до 556 на кристалл
· наличие встроенных блоков умножителей 18х18 (семейства Virtex-II и Virtex-IIPro), всего блоков до 556 на кристалл
· наличие встроенных блоков процессоров PowerPC-405 (семейство Virtex-IIPro), до 4 процессоров на кристалл
· наличие высокоскоростных трансиверов(семейство Virtex-IIPro), до 24 со скоростью передачи данных 3.125 ГБит/с каждый
Процесс конфигурации
Конфигурационная последовательность (bitstream) может быть загружена в прибор непосредственно в системе и перегружена неограниченное число раз. Инициализация ПЛИС производится автоматически (из загрузочного ПЗУ Xilinx) при подаче напряжения питания или принудительно по специальному сигналу. В зависимости от ёмкости ПЛИС процесс инициализации занимает от 20 до 900 мс, в течение которых выводы ПЛИС находятся в высокоомном состоянии (подтянуты к логической единице).
Потребление энергии
Статическое потребление энергии достаточно мало и для некоторых серий составляет единицы микроватт. Динамическое же потребление пропорционально возрастает с частотой функционирования проекта и зависит от степени заполнения кристалла, характера логической структуры проекта на кристалле, параметров режима внешних выводов ПЛИС и т. д.
Корпуса Для каждого отдельно взятого семейства ПЛИС Xilinx существует преемственность кристаллов по типу корпуса и, соответственно, цоколёвке, то есть в одни и те же корпуса упаковываются ПЛИС различного логического объёма. Например, в корпусе PQ/HQ240 имеются ПЛИС с ёмкостью от 13тыс. (XC4013XLA) до 85 тыс. вентилей (XC4085XLA), что позволяет разработчику, задавшись на этапе проектирования печатной платы определённым типом корпуса, в дальнейшем устанавливать ПЛИС наиболее подходящего размера.
ПЛИС Actel – основа при реализации «SoC» бортовой аппаратуры
Сегодня в России, как и во всем мире, подходы к созданию электронных устройств и систем, работающих в тяжелых условиях эксплуатации, существенно меняются. Основная тенденция – переориентация на специализированные изделия с сокращенным циклом проектирования и производства, что позволяет достигать максимальной эффективности при выполнении конкретных задач управления, контроля и сбора информации.
На передний план выходит концепция построения «системы на кристалле» (System on Chip – SoC). Наиболее серьёзное препятствие для ее реализации – это, безусловно, высокая стоимость изготовления СБИС такого типа. Их разработка, отладка и освоение производства требуют значительных затрат, поэтому ощутимый экономический эффект можно получить только при выпуске больших партий этих изделий – как правило в сотни тысяч устройств. Однако сегодня для построения «системы на кристалле» появилась экономически эффективная альтернатива СБИС – программируемые логические интегральные схемы (ПЛИС). Новые поколения этих микросхем способны конкурировать со СБИС как по числу вентилей, быстродействию и надежности, так и по функциональности. Более того, сейчас на рынок выпущены матрицы, не требующие внешних средств для хранения и загрузки конфигурации и готовые к работе с момента подачи питания, что до сих пор считалось исключительным преимуществом СБИС.
Внедрение концепции «системы на кристалле» признано одним из приоритетных направлений развития отечественной электроники, определяющим, по сути, технологию построения будущих поколений бортовой аппаратуры. «Система на кристалле» имеет три принципиальные особенности: o в одной микросхеме технологической платформы (как правило, СБИС или ПЛИС сверхвысокой степени интеграции) реализован функционально законченный набор модулей управления и обработки данных;
- встроенный микропроцессор ориентирован преимущественно на выполнение задач управления, а не обработки данных;
- поток данных в системе организован непосредственно между контроллерами, а не через микропроцессорную шину.
Среди основных достоинств правильно спроектированной «системы на кристалле» следует выделить максимальную эффективность в решении прикладных задач. Это обусловлено глубокой оптимизацией внутренней структуры и отсутствием избыточности, характерной для систем, построенных на основе универсальных компонентов. А высокая оптимизация определяет высокую экономическую эффективность подобных решений как за счет прямой экономии (снижение числа компонент на плате, уменьшение площади печатной платы и пр.), так и за счет косвенной экономии (меньшего энергопотребления, повышения надежности, производительности, уменьшения объема аппаратной отладки и пр.).
Реализованная на базе высоконадежной и высокоскоростной ПЛИС «система на кристалле» помимо всех достоинств, присущих решениям на основе СБИС, имеет важные дополнительные преимущества:
- значительное сокращение расходов на изготовление микросхем и экономический эффект при реализации проектов малой и средней серийности (до десятков тысяч штук); - существенное сокращение сроков выпуска новых изделий на рынок (time to market); - гибкая конфигурируемость системы в соответствии с текущими нуждами конкретного проекта и задачами упрощения модификации; – повышенная надежность изделия благодаря 100%-ному тестированию производителем регулярной структуры платформы;
- возможность высокоэффективной внутрикристальной отладки;
- возможность прототипирования изделий для особых условий эксплуатации на основе функционально идентичных, но более дешевых коммерческих исполнений платформы. Один из самых успешных разработчиков и производителей в области новых технологий ПЛИС высокой надежности, используемых в тяжелых условиях эксплуатации, – Actel Corp. (www.actel.ru), специализирующаяся с 1985 года на производстве ПЛИС как для военных и авиационно-космических приложений, так и для нужд промышленности и потребительского рынка. Компания прочно занимает место в первой тройке мировых производителей ПЛИС общего назначения и уже много лет лидирует на рынке радиационно стойких ПЛИС, выпуская до 80% мирового объема этих изделий для бортового оборудования космических аппаратов. Actel непрерывно вкладывает значительные средства в совершенствование своих технологий. Наивысшие приоритеты развития сегодня – это надежность, которая всегда отличала продукцию корпорации, и обеспечение комплексной интеграции цифровой электроники на одном кристалле ПЛИС.
Сегодня Actel предлагает три основные группы изделий:
- многократно программируемые ПЛИС на основе Flash-технологии; - однократно программируемые ПЛИС на основе технологии прожигаемых перемычек (Antifuse); - радиационно стойкие ПЛИС с уникальными характеристиками на основе технологии Antifuse. Как однократно, так и многократно программируемые ПЛИС компании Actel последних поколений благодаря своей уникальной архитектуре и функциональности, приближенной к СБИС, а также высоким показателям надежности идеально подходят для построения «систем на кристалле».
Основное отличие ПЛИС компании от традиционных матриц на основе ячеек СОЗУ – это способ хранения конфигурации. Элементы памяти (перемычки в семействах Antifuse и флэш-ключи в семействах Flash) ПЛИС Actel распределены по всей площади кристалла и являются одновременно ключами, задающими конфигурацию. Такое технологическое решение позволяет избавиться от потенциально ненадежной коммутационной матрицы (ГКМ) на основе ячеек СОЗУ, не защищенных от высокоэнергетических частиц, воздействующих на электронные устройства даже на уровне моря, а также отказаться от всех элементов, участвующих в процессе загрузки конфигурации. На сегодняшний день аналогов этой технологии нет.
Рассмотрим современные семейства ПЛИС, предлагаемые компанией Actel. Новые семейства однократно программируемых ПЛИС, выполненных по технологии Antifuse, характеризуются следующими особенностями:
- рекордной надежностью – FIT, или число отказов/сбоев на 109 ч наработки не более 10; - чрезвычайно низким энергопотреблением;
- большой логической емкостью – до 4 млн. системных вентилей;
- рекордной системной производительностью – свыше 500 МГц;
- отсутствием процесса загрузки конфигурации и готовностью к работе с момента подачи питания; - защищенностью от воздействия высокоэнергетических частиц (даже у коммерческих изделий) – свыше 60 МэВ/см2 и высокой радиационной стойкостью – накопленная доза (TID) более 300 крад;
- отсутствием возможности несанкционированного считывания конфигурации – конфигурация защищена технологией FuseLock, при запуске нет конфигурационной последовательности (bit-stream);
- доступом специализированного логического анализатора к любому элементу работающей схемы без затрат трассировочных ресурсов самой ПЛИС;
- широким выбором поддерживаемых стандартов ввода-вывода -LVDS, HSTL1, SSTL2/3, GTL+, LVTTL, LVCMOS, LVPECL;
- полной совместимостью по корпусам изделий различной емкости и в различном исполнении: от коммерческих до выполненных в соответствии со стандартом MIL-STO-883B и радиационно стойких;
- высокой экономической эффективностью.
ПЛИС, выполненные по технологии Antifuse, объединяют в себе достоинства традиционной программируемой логики и базовых матричных кристаллов (БМК) и позволяют потребителю производить БМК непосредственно «у себя на столе». Но неопытных разработчиков иногда отпугивают трудности применения однократно программируемых матриц, которые невозможно проектировать по популярному циклическому маршруту «написал-прошил-посмотрел». Для подобного стиля работы Actel предлагает многократно программируемые матрицы. При этом следует отметить, что все изделия Actel изначально ориентированы на применение классического маршрута проектирования СБИС на языках описания оборудования высокого уровня (HDL).
Выпускаемые компанией Actel многократно программируемые матрицы на основе Flash-технологии имеют следующие достоинства:
- возможность перепрограммирования непосредственно в системе (ISP);
- логическая емкость до 1 млн. системных вентилей;
- малое энергопотребление;
- высокая системная производительность – до 350 МГц;
- готовность к работе с момента подачи питания – отсутствует процесс загрузки конфигурации; - высокая радиационная стойкость – накопленная доза до 100 крад и устойчивость к воздействию высокоэнертегических частиц свыше 60 МэВ/см2 (для микросхем в исполнении MIL-STD-883B); - отсутствие возможности несанкционированного считывания конфигурации – конфигурация защищается технологией FlashLock, конфигурационная последовательность при запуске отсутствует; - богатый выбор поддерживаемых стандартов ввода-вывода;
- полная совместимость по корпусам изделий различной емкости и в различном исполнении. К выпуску готовится новое поколение многократно программируемых ПЛИС емкостью до 3 млн. системных вентилей с улучшенной архитектурой ячейки, расширенным набором интерфейсов ввода-вывода и с блоками флэш-памяти для хранения программ или данных микропроцессоров, встроенных в «систему на кристалле». Современный маршрут проектирования интегральных систем состоит из трех основных этапов: ввода (описания) проекта, его синтеза в выбранном базисе и, наконец, трассировки и размещения на кристалле. Неотъемлемая часть маршрута проектирования – комплексная верификация дизайна с помощью средств симуляции после каждого из основных его этапов: до синтеза, после синтеза и после размещения на кристалле. Если спецификация проекта (включая построение testbench) разработана с должным качеством и последовательно реализована в RTL, можно практически полностью выявить и устранить ошибки дизайна еще до программирования кристалла. Такой подход, конечно, выдвигает высокие требования к организации проектной группы и самодисциплины всех ее инженеров и менеджеров. Однако результаты работы, выраженные в качестве конечного изделия, безусловно, окупают организационные затраты. Поскольку проекты разработки «систем на кристалле» по своей сложности значительно превосходят «обычные» проекты создания связующих логических схем на ПЛИС, роль средств управления группой разработчиков становится не менее важной, чем роль комплексов программных средств разработки ПЛИС и СБИС (EDA), например FPGA Advantage фирмы Mentor Graphics.
Коротко рассмотрим основные требования к организации проектного менеджмента при создании систем на кристалле. Современная система управления разработкой, построенная в соответствии с требованиями международных стандартов качества ISO, должна пердусматривать проведение проектных форумов для обсуждения технических деталей проекта в режиме реального времени. Кроме того, в нее должны входить подсистемы отладки проектов (issue tracking), хранения исходных данных проекта (knowledge base), контроля версий (version control) и планирования для прогноза сроков выполнения этапов проекта и оперативной корректировки планов. При этом значительно возрастают требования к руководителю проекта, который должен оперативно управлять работой группы в реальном времени. Одна из компаний, успешно разрабатывающих системные решения на основе новых поколений ПЛИС высокой интеграции фирмы Actel, – петербургское СКБ Интегральных Систем (www.asicdesign.ru), имеющее статус официального технического центра Actel в России. На платформе ПЛИС ProASICplus в СКВ ИС создан комплекс программно-аппаратных решений СнК186 для построения бортовых регистраторов высокоскоростных данных. Структура устройства, представляющего собой бортовой управляющий вычислительный комплекс (БУВК) автономного робота с подсистемой сбора и хранения потоковых данных (160 Мбит/с), реализована на одной печатной плате с «системой на кристалле» на основе ПЛИС APA750-PQ208I емкостью 750 тыс. системных вентилей. В состав системы входят: процессорное ядро Турбо186, контроллер USB 2.0 с производительностью 480 Мбит/с, контроллер IDE ATA5 для внешнего накопителя, контроллер телеметрической информации и аппаратный компрессор данных «без потерь». Плата с потреблением около 1 Вт и габаритами 100×200 мм позволила заменить громоздкий бортовой промышленный компьютер, существенно улучшив эксплуатационные характеристики и параметр FIT системы в целом. Очевидно, что подобные решения находят применение в большом числе бортовых приложений в самых различных областях, где важны габариты и энергопотребление устройства, а к надежности системы предъявляются повышенные требования. Благодаря широкому применению технологии «система на кристалле» на основе оптимальной платформы ПЛИС такие решения позволят выйти на новый технологический уровень и будут способствовать модернизации промышленности.
КЛАССИФИКАЦИЯ ПЛИС
Микросхемы, программируемые пользователями, открыли новую страницу в истории современной микроэлектроники и вычислительной техники. Они сделали БИС/СБИС, предназначенные для решения специализированных задач, стандартной продукцией электронной промышленности со всеми вытекающими из этого положительными следствиями: массовое производство, снижение стоимости микросхем, сроков разработки и выхода на рынок продукции на их основе. ПЛИС можно классифицировать по многим признакам, в первую очередь:
- по уровню интеграции и связанной с ним логической сложности; - по архитектуре (типу функциональных блоков, характеру системы межсоединений); - по числу допустимых циклов программирования;
- по типу памяти конфигурации («теневой»памяти);
- по степени зависимости задержек сигналов от путей их распространения; - по системным свойствам;
- по схемотехнологии (КМОП, ТТЛШ и др.);
- по однородности или гибридности (по признаку наличия или отсутствия в микросхеме областей с различными по методам проектирования схемами, такими как ПЛИС, БМК, схемы на стандартных ячейках).
Все перечисленные признаки имеют значение и отображают ту или иную сторону возможных классификаций. Выделяя основные признаки и укрупняя их, рассмотрим классификацию по трем, в том числе двум комплексным, признакам: - по архитектуре;
- по уровню интеграции и однородности/гибридности;
- по числу допустимых циклов программирования и связанному с этим типу памяти конфигурации.
В классификации по первому признаку (рис. 2, а) ПЛИС разделены на 4 класса. Первый из классов — SPLD, Simple Programmable Logic Devices, т. е. простые программируемые логические устройства. По архитектуре эти ПЛИС делятся на подклассы программируемых логических матриц ПЛМ (PLA, Programmable Logic Arrays) и программируемой матричной логики ПМЛ (PAL, Programmable Arrays Logic, или GAL, Generic Array Logic).
Оба эти подкласса микросхем реализуют дизъюнктивные нормальные формы (ДНФ) переключательных функций, а их основными блоками являются две матрицы: матрица элементов И и матрица элементов ИЛИ, включенные последовательно. Такова структурная модель ПЛМ и ПМЛ. Технически они могут быть выполнены и как последовательность двух матриц элементов ИЛИ-НЕ, но варианты с последовательностью матриц И-ИЛИ и с последовательностью матриц ИЛИ-НЕ — ИЛИ-НЕ функционально эквивалентны, т. к. второй вариант согласно правилу де Моргана тоже реализует ДНФ, но для инверсных значений переменных. На входы первой матрицы поступают n входных переменных в виде как прямых, так и инверсных значений, так что матрица имеет 2n входных линий. Таким образом, отпадает необходимость специально инвертировать входные переменные и на промежуточных шинах можно реализовать любую конъюнкцию входных переменных и их инверсий, а также переменных обратных связей. На выходах матрицы И формируются конъюнктивные термы, ранг которых не выше n. В дальнейшем для краткости конъюнктивные термы называются просто термами.

Рис.2. Классификация ПЛИС (а – по архитектуре, б – по уровню интеграции)
Выработанные термы поступают на вход матрицы ИЛИ. Эти матрицы для ПЛМ и ПМЛ различны. В ПЛМ матрица ИЛИ программируется, а в ПМЛ она фиксирована. Программируемая матрица ИЛИ микросхем ПЛМ составлена из дизъюнкторов, имеющих по q входов. На входы каждого дизъюнктора при программировании можно подать любую комбинацию имеющихся термов, причем термы можно использовать многократно (т. е. один и тот же терм может быть использован для подачи на входы нескольких дизъюнкторов). Число дизъюнкторов в матрице ИЛИ определяет число выходов ПЛМ. Из изложенного видно, что ПЛМ позволяет реализовать систему из m переключательных функций, зависящих не более чем от n переменных и содержащих не более чем q термов. В ПМЛ выработанные матрицей И термы поступают на фиксированную (непрограммируемую) матрицу элементов ИЛИ. Это означает жесткое заранее заданное распределение имеющихся термов между отдельными дизъюнкторами. ПЛМ обладают большей функциональной гибкостью, все воспроизводимые ими функции могут быть комбинациями любого числа термов, формируемых матрицей И. Это полезно при реализации систем переключательных функций, имеющих большие взаимные пересечения по термам. Такие системы свойственны, например, задачам формирования сигналов управления машинными циклами процессоров. Для широко распространенных в практике задач построения «произвольной логики» большое пересечение функций по термам не типично. Для них программируемость матрицы ИЛИ используется мало и становится излишней роскошью, неоправданно усложняющей микросхему. Поэтому микросхемы ПМЛ распространены больше, чем ПЛМ, и к их числу относится большинство SPLD. Обобщённая структура «классической» ПМЛ представлена на рис.3.

Рис.3. Обобщённая структура «классической» ПМЛ
«Классические» ПМЛ также позволяют программировать высокоимпедансное (третье) состояние выходного буфера, что делает возможным двунаправленный вывод использовать как вход. Кроме того, индивидуальное управление с помощью отдельного терма третьим состоянием выходного буфера позволяет двунаправленный вывод в один момент времени использовать как выход, а в другой момент – как вход или отключать от внешней шины, например, для уменьшения нагрузки.
Возможность ПМЛ передачи значения выходного сигнала по цепи обратной связи на вход матрицы И позволяет в одном устройстве строить многоуровневые каскадные схемы. Однако следует избегать случаев, когда значение некоторой функции является аргументом этой же функции, так как в подобной ситуации схема перестаёт быть комбинационной и переходит в класс последовательностных схем, а отсутствие в циклах элементов задержки приводит к непредсказуемости поведения схемы.
Обобщенная структура универсальных ПМЛ (рис.4.) включает n входов, программируемую матрицу И, m выходных макроячеек (MC) с одной обратной связью и m2 макроячеек (MCF) с двумя обратными связями. Архитектура макроячейки с двумя обратными связями показана на рис. 5.
В макроячейках с одной обратной связью отсутствует цепь от входа выходного буфера к входу матрицы И. С каждой макроячейкой универсальных ПМЛ связано различное число промежуточных шин, что позволяет более рационально их использовать: простые функции назначать для реализации на выходы, связанные с небольшим числом промежуточных шин, а сложные – назначать на выходы, связанные с большим числом промежуточных шин. Кроме того, каждая макроячейка допускает программирование логического уровня выходного сигнала благодаря наличию в архитектуре макроячейки вентиля Исключающее ИЛИ с программируемой связью одного входа с «землёй».
Поэтому из двух функций yi или ¯yi для реализации можно выбрать наиболее подходящую (например, которая требует для реализации меньше промежуточных шин), а необходимый вид функции на выходе ПМЛ образуется путём программирования логического уровня выходного сигнала.

Рис. 4. Обобщённая структура универсальных ПМЛ
Макроячейки с двумя обратными связями допускают одновременное использование в двух целях: для реализации промежуточных функций и для приёма входных переменных.

Рис. 5. Обобщённая структура выходной макроячейки универсальных ПМЛ с двумя обратными связями
Cложные программируемые логические схемы CPLD (Complex Programmable Logic Devices) (сложные программируемые логические устройства) содержат относительно крупные программируемые логические блоки — макроячейки соединённые с внешними выводами и внутренними шинами. Функциональность CPLD кодируется в энергонезависимой памяти, поэтому нет необходимости их перепрограммировать при включении.
Несколько блоков, подобных ПМЛ, объединяются средствами программируемой коммутационной матрицы (рис.6.). В CPLD могут входить сотни блоков и десятки и сотни тысяч эквивалентных вентилей. Архитектуры CPLD разрабатываются фирмами Altera, Atmel, Lattice Semiconductor, Cypress Semiconductor, Xilinx и др. Воздействуя на программируемые соединения коммутационной матрицы и ПМЛ, входящих в состав CPLD, можно реализовать требуемую схему.
Архитектура функциональных блоков здесь во многом подобна архитектуре универсальных ПМЛ. Отличия заключаются в том, что все выходные макроячейки имеют две обратные связи, а промежуточные шины макроячейкам назначаются с помощью распределителя (allocator). Некоторые макроячейки CPLD не имеют связи с внешним выводом. Такие макроячейки называются скрытыми. Скрытые макроячейки имеют только одну обратную связь.

Рис. 6. Обобщённая структура функционального блока CPLD и его взаимодействие с матрицей переключений
Каждый функциональный блок CPLD будем характеризовать числом входов n; выходных макроячеек m; общим числом макроячеек r, из которых r-m являются скрытыми; суммарным числом промежуточных шин функционального блока q и максимальным числом промежуточных шин qmax, которые могут быть подсоединены к одной макроячейке. Кроме того, общая структура CPLD характеризуется числом E функциональных блоков и числом dI «чистых» входов. Отметим некоторые особенности синтеза комбинационных схем на CPLD, обусловленные их архитектурными свойствами:
· число подсоединяемых к макроячейке промежуточных шин не фиксировано, как для ПМЛ, а определяется для каждой макроячейки индивидуально;
· в некоторых CPLD промежуточные шины между макроячейками распределяются кластерами и для реализации любой функции (даже очень простой) необходимо не менее qCL промежуточных шин, где qCL – число промежуточных шин в одном кластере;
· для реализации промежуточных функций могут использоваться ресурсы скрытых макроячеек, а также выходных макроячеек, выводы которых используются в качестве входов;
· каждый функциональный блок имеет фиксированное число входов n, по которым могут поступать значения аргументов (в ПМЛ число входов может изменяться за счёт использования двунаправленных выводов в качестве входов);
· общее число аргументов СБФ, реализуемой на CPLD, может быть достаточно большим (dI + m·E – N), в то время как число аргументов СБФ, реализуемой одним функциональным блоком, ограничено параметром n, имеющим значение от 16 до 36;
· все значения аргументов и промежуточных функций поступают на входы функциональных блоков только через матрицу переключений, поэтому при частом дублировании входных переменных различных функциональных блоков возникает опасность быстрого истощения ресурсов матрицы переключений.
В качестве примера можно рассмотреть архитектуру микросхем семейства MAX 7000 фирмы Altera [5].
Архитектура MAX 7000 включает следующие элементы:
· логические блоки (LAB, Logic array blocks)
· макроячейки (МЯ, Macrocells)
· логические расширители, разделяемый и параллельный (Expander product terms)
· программируемая матрица соединений (PIA, Programmable interconnect array)
· блоки управления вводом/выводом (БВВ, I/O control blocks)
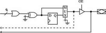
В структуру ПЛИС MAX 7000 входят четыре специализированных входа. Эти входы могут быть использованы как входы общего назначения для обработки “быстрых” сигналов. Через эти входы на каждую МЯ могут быть поданы глобальные управляющие сигналы (синхронизация, сброс, переход в третье состояние). На рис.7 представлена функциональная схема ПЛИС. Архитектура ПЛИС MAX 7000 основана на логических блоках, состоящих из 16 макроячеек. Логические блоки соединяются вместе при помощи программируемой матрицы соединений (PIA).

Рис.7 Функциональная схема ПЛИС MAX 7000
К каждому логическому блоку подводятся следующие сигналы:
· 36 сигналов от PIA, используемых в качестве логических входов;
· глобальные управляющие сигналы;
· непосредственные цепи от входных буферов к регистрам, обеспечивающие высокое быстродействие.
Макроячейка содержит три функциональных блока:
· локальная программируемая матрица (Logic Array);
· матрица распределения термов (Product Term Select Matrix);
· программируемый регистр (Programmable register).
На рис.8 приведена структурная схема МЯ. Комбинационная логика реализуется на локальной программируемой матрице, которая передает пять основных термов в матрицу распределения термов. Матрица распределения термов позволяет реализовать комбинационную функцию путем выполнения операций “исключающее или”, “ИЛИ” над логическими произведениями. Кроме этого, матрица распределения может передать термы на регистры. Для расширения функциональных возможностей доступны две логические схемы:
· разделяемый логический расширитель. Инвертирует терм и передает назад на локальную программируемую матрицу;
· параллельный логический расширитель. Передает термы из предыдущих МЯ в последующие.

Рис.8 Структурная схема макроячейки.
Комбинационная логика реализуется на локальной программируемой матрице, которая передает пять основных термов в матрицу распределения термов. Матрица распределения термов позволяет реализовать комбинационную функцию путем выполнения операций “исключающее или”, “ИЛИ” над логическими произведениями. Кроме этого, матрица распределения может передать термы на регистры. САПР фирмы Altera способны автоматически оптимизировать процесс распределения термов в соответствии с требованиями проекта. Для каждого регистра может быть выбран один из трех способов тактирования:
· тактирование глобальным синхросигналом. Это самый быстрый вариант;
· тактирование глобальным сигналом с применением локального сигнала разрешения тактирования;
· тактирование сигналом от локальной программируемой матрицы.
В MAX7000доступны два глобальных тактовых сигнала выводы GCLK1 или GCLK2. Для каждого регистра имеется возможность асинхронного сброса и установки. Матрица распределения термов обеспечивает управление этими операциями. Возможно индивидуальное управление сбросом каждого регистра при помощи глобального тактирующего сигнала GCLRn. Хотя большинство логических функций могут быть реализованы пятью термами, доступными в каждой МЯ. Возможна ситуация, при которой пяти переменных будет недостаточно. Для решения подобной проблемы предназначен специальный механизм – логические расширители. Этот механизм позволяет использовать термы любых МЯ, находящихся в данном логическом блоке. Логические расширители помогают добиться максимального быстродействия при минимальных затратах. Каждый логический блок содержит 16 разделяемых расширителей, которые могут быть рассмотрены как емкость неподключенных термов (один от каждой макроячейки). Терм инвертируется и возвращается обратно в локальную программируемую матрицу. Инвертированный терм может использоваться любой МЯ данного логического блока. Временная задержка, вызванная использованием расширителя обозначается TSEXP. Схема расширителя изображена на рис.9:

Рис.9 Разделяемый расширитель
Расширитель реализует логические функции, состоящие из термов соседних МЯ. Таким образом, МЯ связываются в цепочку. Расширитель позволяет использовать до 20 термов. Пять термов берутся непосредственно из данной МЯ, остальные 15 из соседних МЯ данного логического блока. Дополнительная временная задержка, вносимая расширителем, обозначается tPEXP. Последовательно в цепочку можно соединить до 8 МЯ. Схема параллельного логического расширителя представлена на рис.10.

Рис.10 Параллельный расширитель
Программируемая матрица соединений (PIA) реализует все внутренние связи. С этой шиной соединены все источники и приемники сигналов. Все специальные сигналы, выводы ввода/вывода, сигналы МЯ. На рис.11 показано как сигналы PIA подводятся к логическим блокам (LAB).

Рис.11 Схема передачи сигналов из программируемой матрицы соединений в логические блоки.
Блок управления вводом/выводом позволяет индивидуально конфигурировать каждый вывод ПЛИС. Вывод ПЛИС может быть настроен на ввод, вывод, двунаправленную передачу данных. Все выводы ПЛИС могут быть выводами буфера с третьим состоянием, который может управляться глобальным сигналом. Кроме того, возможен режим работы с открытым коллектором. На рис.6 показана схема блока управления.

Рис.12 Блок управления вводом/выводом
ПЛИС семейства MAX 7000 соответствуют промышленному стандарту 4-pin Joint Test Action Group (JTAG) IEEE Std. 1149.1-1990). Программирование в системе. (In-System Programmability ISP) быстро и эффективно позволяет изменять конфигурацию ПЛИС как в стадии тестирования проекта, как и в течение эксплуатации. Перепрограммирование может быть выполнено непосредственно в системе, для этого необходим только один уровень напряжения 5В. Пока идет программирование, выводы микросхемы переводятся в третье состояние, для избежания конфликта с системой. Сопротивление внутренних “подтягивающих” резисторов 50 кОм.
Для программирования используется специальный загрузочный кабель Altera MasterBlaster, ByteBlaster или ByteBlasterMV. Программирование ПЛИС в системе позволяет снизить вероятность повреждения при эксплуатации устройства. Кроме того, модернизация устройства может быть выполнена в полевых условиях, например, с помощью модема. Для программирования ПЛИС во встраиваемых приложениях может быть использован Jam Standard Test and Programming Language (STAPL).
ПЛИС MAX 7000 могут работать в режиме энергосбережения. Этот режим позволяет сократить энергозатраты на 50% и более. Большинство логических функций не используют значительную часть вентилей – этот факт используется для реализации данного режима. Разработчик может для каждой МЯ выбрать режим высокого быстродействия или энергосбережения (устанавливается или снимается TurboBit). МЯ, работающие в режиме экономии электроэнергии, характеризуются дополнительной временной задержкой tLPA, задержка добавляется к параметрам tLAD, tLAC, tIC, tEN, tSEXP, tACL, tCPPW. Большинство ПЛИС семейства MAX 7000 поддерживают интерфейс MultiVolt I/O, который обеспечивает работу микросхемы в устройствах с разным уровнем питания. На выводы VCCINT всегда должно быть подано напряжение 5В. При уровне напряжения на выводе VCCINT 5В порог входного напряжения соответствует уровню 5В, однако совместим и с логикой 3,3 В.
На выводы VCCIO может быть подано напряжение питания 3,3В или 5В, в зависимости от требований к выходному каскаду. Когда на выводы VCCIO подано напряжение 5В, уровень выходного каскада соответствует системам 5В. Если подано 3,3В, выходной сигнал соответствует логике 3,3 В, однако совместим и с 5В. Выводы ПЛИС MAX 7000 могут быть настроены как выводы с открытым коллектором. Для выходных буферов ПЛИС существует возможность регулирования уровня шумов. Низкий уровень шумов может быть достигнут за счет снижения быстродействия. И наоборот, повышение быстродействия приводит к росту уровня шума. Это достигается посредством настроек Slew Rate Control. Все микросхемы серии MAX 7000 содержат программируемый бит секретности, который контролирует доступ к “зашитым” в микросхему данным. Если этот бит установлен, прошивка не может быть считана. Такой способ обеспечивает высокую степень защищенности проекта, т.к. информация, находящаяся в ячейках EEPROM, не видима. Бит защиты может быть сброшен только при перепрограммировании ПЛИС.
Микросхемы программируемых пользователями вентильных матриц FPGA (Field Programmable Gate Arrays)
Содержат блоки умножения – суммирования (DSP), которые широко применяются при обработке сигналов, а также логические элементы (как правило на базе таблиц перекодировки (таблиц истинности)) и их блоки коммутации. FPGA обычно используются для обработки сигналов, имеют больше логических элементов и более гибкую архитектуру, чем CPLD. Программа для FPGA хранится в распределённой памяти, которая может быть выполнена как на основе энергозависимых ячеек статического ОЗУ (подобные микросхемы производят, например, фирмы Xilinx и Altera) – в этом случае программа не сохраняется при исчезновении электропитания микросхемы, так и на основе энергонезависимых ячеек Flash-памяти или перемычек antifuse (такие микросхемы производит фирма Actel и Lattice Semiconductor) – в этих случаях программа сохраняется при исчезновении электропитания. Если программа хранится в энергозависимой памяти, то при каждом включении питания микросхемы необходимо заново конфигурировать её при помощи начального загрузчика, который может быть встроен и в саму FPGA. Альтернативой ПЛИС FPGA являются более медленные цифровые процессоры обработки сигналов. FPGA применяются также, как ускорители универсальных процессоров в суперкомпьютерах (например: Cray -XD1, SGI – Проект RASC).
В своей основе состоят из большого числа конфигурируемых логических блоков (ЛБ), расположенных по строкам и столбцам в виде матрицы, и трассировочных ресурсов, обеспечивающих их межсоединения. В архитектуре FPGA явно прослеживается большое сходство с архитектурой MPGA. Разница в том, что FPGA, поступающая в распоряжение потребителя, имеет уже готовые, стандартные, хотя и не запрограммированные, трассировочные ресурсы, не зависящие от конкретного потребителя. Получение конкретного проекта на базе FPGA, как и на основе других ПЛИС, реализуется воздействием на программируемые межсоединения, в ходе которого обеспечивается замкнутое состояние одних участков и разомкнутое — других. Обращаться к изготовителю FPGA при этом не требуется. Архитектуры FPGA разрабатываются фирмами Xilinx, Actel, Altera, Atmel, Agere Systems (ранее Lucent Technologies), QuickLogic и др. В качестве примера можно рассмотреть архитектуру микросхем семейства Flex 10K фирмы Altera [5]. Фирма Altera пошла по пути развития FPGA-архитектур и предложила в семействе FLEX10K так называемую двухуровневую архитектуру матрицы соединений (рис. 13). Глобальная матрица соединений представлена группами горизонтальных и вертикальных соединений, реализующих межблочные связи (FastTrack межсоединения – непрерывная структура, обеспечивающая быстрые и предсказуемые задержки). Возможна эмуляция третьего состояния, позволяющая реализовывать внутренние шины с третьем состоянием. Кроме того, по этим каналам мпередается до шести общих тактовых сигналов и четыре общих сигнала сброс.
На рисунке представлены блоки элементов ввода/вывода (I/O Elements), логические блоки (LAB) и блоки встроенной памяти (EAB). Внутри логических блоков связи между логическими элементами (LE) реализуются с помощью локальной программируемой матрицы соединений. СБИС данного семейства имеют в целом сходную внутреннюю архитектуру, в основе которой лежит логический элемент.

Рис.13 Блок схема ПЛИС FLEX10K
LE содержит четырехвходовую таблицу перекодировок (LUT), обеспечивающую реализацию логических функций, синхронный триггер и некоторую дополнительную логику (рис.14). Цепи переноса (Carry-In и Carry-Out) позволяют быстро выполнять арифметические функции сложения, счета и сравнения (автоматически используются программным обеспечением и мегафункциями) (рис.15). Цепи каскадирования (Cascade-In и Cascade-Out) позволяют реализовывать высокоскоростные логические функции И или ИЛИ с большим количеством переменных (автоматически используются программным обеспечением и мегафункциями (рис.16).
 Рис.14 Функциональная схема LE
 Рис.15 Цепи переноса Carry-In и Carry-Out)

Рис.16 Цепи каскадирования Cascade-In и Cascade-Out
LE объединяются в группы – логические блоки (LAB). Каждый из блоков содержит восемь LE (рис.17). Внутри логических блоков LE соединяются посредством локальной программируемой матрицы соединений, позволяющей соединять любой LE с любым. Логические блоки связаны между собой и с элементами ввода/вывода посредством глобальной программируемой матрицы соединений. Локальная и глобальная матрицы соединений имеют непрерывную структуру, где для каждого соединения выделяется непрерывный канал. Двухуровневая архитектура и использование непрерывной структуры соединений на каждом уровне иерархии обеспечивают:
· высокое быстродействие реализуемых устройств;
· возможность точного предсказания задержки распространения сигналов;
· высокую скорость автоматической разводки СБИС;
· возможность размещения выводов СБИС в соответствии с требованиями разработчика.
 Рис. 17 Организация логического блока
Каждый элемент ввода-вывода содержит: триггеры, позволяющие реализовать временное хранение принимаемого и передаваемого бит данных; буфер, работающий в режимах: ввод, вывод, двунаправленный, выход с открытым коллектором, и обеспечивающий возможность управления его скоростью переключения (рис.18). Программируемая скорость изменения фронта выходного сигнала позволяет уменьшать шумы при переключении. Кроме того, микросхемы FLEX 10KA имеют на контактах подтягивающие clamp диоды для 3,3В PCI совместимости. Архитектура FLEX 10K поддерживает MultiVolt I/O интерфейс, который позволяет микросхемам FLEX 10K в любых корпусах взаимодействовать с системами с различным напряжением питания. Микросхемы имеют наборы контактов питания для внутреннего ядра и входных буферов (VCCINT) и для выходных драйверов (VCCIO). При синтезе конечных автоматов на FLEX10K входные буферы ПЛИС могут использоватьтся в качестве элементов памяти конечных автоматов. Конечные автоматы типа Мили, допускающие такую реализацию, получили название автоматов класса E, а конечные автоматы типа Мура – автоматов класса F. Такой подход позволяет уменьшить число используемых макроячеек ПЛИС, в среднем, в 3,5 раза, а для отдельных реализаций – в 8–9 раз.
 Рис. 18 Функциональная схема элемента ввода – вывода
Отличительной особенностью семейства FLEX 10K является наличие модулей памяти общей емкостью до 24 кбит, использование которой не ведет к уменьшению доступных разработчику логических ресурсов (логических элементов). Каждый блок памяти (рис.19) представляет собой ОЗУ емкостью 2048 (4096) бит и состоит из локальной матрицы соединений, собственно модуля памяти, синхронных буферных регистров, а также программируемых мультиплексоров.
Сигналы на вход локальной матрицы соединений блока памяти поступают со строки глобальной матрицы соединений . Тактовые и управляющие сигналы поступают с глобальной шины управляющих сигналов.
Выход блока памяти может быть скоммутирован как на строку, так и на столбец глобальной матрицы соединений.
Наличие синхронных буферных регистров и программируемых мультиплексоров позволяет конфигурировать блок памяти как ЗУ с организацией 256х8, 512х4, 1024х2, 2048х1. Кроме того, он может быть использован или как ПЗУ, или как FIFO. Наличие блока памяти дает возможность табличной реализации таких элементов устройств ЦОС, как перемножители, АЛУ, сумматоры и т.п., имеющих быстродействие до 100 МГц (конечно при самых благоприятных условиях, реально быстродействие арифметических устройств, реализованных на базе блока памяти, составляет 10 – 50 МГц)
Все ПЛИС семейства FLEX10K совместимы по уровням с шиной PCI, имеют возможность как последовательной, так и параллельной загрузки, полностью поддерживают стандарт JTAG.

Рис. 19 Функциональная схема блока памяти
В течение первых лет развития ПЛИС они были представлены архитектурами CPLD и FPGA в «чистом» виде. Каждая из этих архитектур имеет свои достоинства и недостатки. Стремление к сочетанию достоинств CPLD и FPGA и рост уровня интеграции БИС/СБИС привели к появлению ПЛИС с комбинированной архитектурой. Класс ПЛИС с комбинированной архитектурой не имеет таких четких границ, как классы CPLD и FPGA, отличается большим разнообразием вариантов и различной степенью близости к тому или иному классическому типу ПЛИС. Не имеет он и общепринятого названия. Тем не менее, представляется целесообразным рассматривать ПЛИС с комбинированной архитектурой как отдельный класс, поскольку принадлежащие к нему схемы трудно квалифицировать как FPGA или CPLD, что подтверждается и разнобоем в названиях, используемых для таких схем различными фирмами.
Примером первых ПЛИС с комбинированной архитектурой могут служить микросхемы семейств APEX фирмы Altera (FLEX, Flexible Logic Element matriX).Архитектура APEX20K сочетает в себе как достоинства FPGA ПЛИС с их таблицами перекодировок, входящими в состав логического элемента, так и логику вычисления совершенных дизъюнктивных нормальных форм, характерную для ПЛИС CPLD , а также встроенные модули памяти (рис.20). Сходной архитектурой обладает и семейство Virtex фирмы Xilinx.
 Рис. 20. Архитектура ПЛИС APEX20K.
Фактическое существование ПЛИС с комбинированной архитектурой и отсутствие для них общепринятого обобщающего названия вносят ощутимые неудобства в процесс составления классификации ПЛИС. Зачастую ПЛИС с комбинированной архитектурой представляются производителем под каким-либо конкретным именем, в котором не упоминаются ни CPLD, ни FPGA. Таких имен много, и на их основе не провести какую-либо классификацию. Общепризнанной окажется та терминология, которая исходит от крупнейших фирм-производителей микросхем этого типа. В то же время отнесение той или иной микросхемы в соответствующий раздел описания или справочной таблицы требует определенности в трактовке ее типа. Поэтому здесь наряду с узким применяется и широкое толкование термина FPGA. При этом выделяются «классические» FPGA с их канонической архитектурой, а ПЛИС комбинированной архитектуры при необходимости (главным образом, при описании справочных данных) относятся к FPGA в широком смысле этого понятия. Обоснованием такого подхода служит то, что в комбинированных архитектурах черты FPGA обычно проявляются более выражение, чем черты CPLD. Сказанное выше отображается на рис. 2, а объединением классических FPGA и ПЛИС с комбинированными архитектурами общим прямоугольником из штриховых линий. Термин SOPC (System On Programmable Chip), т.е. «система на программируемом кристалле» относится к ПЛИС наибольшего уровня интеграции, содержащим сотни тысяч или даже миллионы эквивалентных вентилей [3]. Такой высокий уровень интеграции достигается только с помощью самых современных технологических процессов (малые топологические нормы проектирования, многослойность систем металлизации и т.д.). На основе прогрессивных технологических процессов обеспечивается одновременно высокий уровень интеграции и высокое быстродействие БИС/СБИС. В результате становится возможной интеграция на одном кристалле целой высокопроизводительной системы. Классификация по уровню интеграции (рис. 2, б) дана кратко и отражает, главным образом, ситуацию последних годов — бурный рост уровня интеграции ПЛИС и выделение из них класса «системы на кристалле». В силу связи между уровнем интеграции и архитектурой, классификация не является строгой, и в ней имеется некоторое смешение двух признаков, однако она принята в показанном виде ради соответствия практически сложившимся понятиям. ПЛИС с широким диапазоном изменения уровня интеграции (от простых до содержащих сотни тысяч вентилей) отнесены к «досистемным» в том смысле, что для них не рассматривались вопросы создания целых систем на одном кристалле. Класс SOPC делится на подклассы однородных и блочных систем на кристалле. В однородных SOPC различные блоки системы реализуются одними и теми же аппаратными средствами, благодаря программируемости этих средств. При разработке систем используются так называемые «единицы интеллектуальной собственности» IP (Intellectual Properties), т. е. заранее реализованные параметризируемые мегафункции для создания тех или иных частей системы. Все блоки системы при этом являются полностью синтезируемыми, перемещаемыми и могут располагаться в разных областях кристалла. Создание IP стало важной сферой деятельности многих фирм, предлагающих на рынке широкий спектр разнообразных решений. Заметим, что приобретение IP обычно требует немалых затрат. Используя IP, проектировщик размещает на кристалле нужные ему блоки, которые будем называть soft-ядрами (Softcores). Блочные SOPC имеют аппаратные ядра, т. е. специализированные области кристалла, выделенные для определенных функций. В этих областях создаются блоки неизменной структуры, спроектированные по методологии ASIC (как области типа БМК или схем со стандартными ячейками), оптимизированные для заданной функции и не имеющие средств ее программирования. Такие блоки будем называть hard-ядрами (Hardcores). Реализация функций специализированными аппаратными ядрами требует значительно меньшей площади кристалла в сравнении с реализациями на единых программируемых средствах и улучшает другие характеристики схемы, в первую очередь, быстродействие блоков, но уменьшает универсальность ПЛИС. Снижение универсальности сужает круг потребителей ПЛИС, т. е. тиражность их производства, что, в противовес факторам, удешевляющим схему, ведет к их удорожанию. Преобладание того или иного из указанных факторов зависит от конкретной ситуации. Сейчас на рынке появилось большое число различных SOPC, и среди них наметились свои подклассы и проблемные ориентации. Не пытаясь детально классифицировать все варианты, целесообразно разделить блочные SOPC хотя бы на две группы: имеющие аппаратные ядра процессоров и не имеющие их. Первые представляют БИС/СБИС по-настоящему универсальные, т. к. содержат полный комплект блоков, характерных для микропроцессорной системы (имеется в виду цифровая часть системы, но следует отметить, что у некоторых SOPC есть и аналоговые блоки для ввода, предварительной обработки и последующей оцифровки аналоговых сигналов). Вторые специализированы и ориентированы на те или иные конкретные приложения. Но и здесь нужно отметить наличие у некоторых SOPC второго типа интерфейсных средств для сопряжения с процессором и ОЗУ различных типов, что облегчает построение целостных систем с применением таких SOPC. Примером таких ПЛИС могут служить микросхемы семейств Cyclone III и Stratix III фирмы Altera. Семейство Cyclone III сочетает высокую функциональность, низкое энергопотребление и низкую стоимость. Применение современного технологического процесса 65 нм и программного обеспечения Quartus II, позволяет снизить энергопотребление более чем на 50% по сравнению с предыдущим семейством Cyclone II. Основные ресурсы семейства Cyclone III представлены на рис. 21.

Рис. 21 Ресурсы CycloneIIIи их размещение на кристале
Объем ресурсов (до 120K ЛЭ, до 4Мбит встроенной памяти, до 288 встроенных умножителей, до 535 линий ввода-вывода) – говорит о высокой функциональности семейства. Архитектура Cyclone III поддерживает встраиваемый программный процессор NIOS II, производительностью свыше 160 DMIPS. Схемы ФАПЧ (Phase-Locked Loops) используются для гибкого управления синхроимпульсами на системном уровне. Аналогичные схемные решения до этого применялись только в высококачественных дискретных устройствах PLL. Устройства Cyclone III построены так, что они имеют на кристалле до 4 блоков PLL и до 10 системных цепей синхрочастот, для того, чтобы удовлетворить требованиям системы, проектируемой пользователем. Они могут использзоваться как для формирования сигналов синхронизации быстродействующих дифференциальных интерфейсов ввода – вывода, так и для тактирования общего назначения. Рис. 22 иллюстрирует особенности PLL для Cyclone III.

Рис. 22. PLL для Cyclone III
Блоки встроенной памяти M9K по 9 кбит могут использоваться для построения обычных ОЗУ, двухвходовых ОЗУ, ПЗУ, FIFO и регистров сдвига для реализации фильтров с БИХ и КИХ. Каждый блок может быть разбит на два в нужной пропорции. Суммарное число блоков M9K может быть до 432. Основные характеристики блока встроенной памяти M9K представлены на рис. 23.

Рис. 23. Характеристики блока встроенной памяти M9K
Встроенные блоки умножителей 18х18 (рис. 24) являются эффективным средством для реализации функций цифровой обработки сигналов с тактовой частотой до 260 МГц. При необходимости каждый из них может быть разбит на два 9х9. наличие в их составе элементов регистровой памяти позволяет конвейеризировать вычисления.

Рис. 24. Встроенный умножитель ПЛИС III
Логические блоки содержат по 16 логических элементов, связанных локальной матрицей соединений. В локальной шине управления две линии тактирования на блок. Суммарное число блоков может быть до 7443, а число логических элементов до 119088. Логический элемент – самый маленький блок логики в архитектуре Cyclone III. Каждый LE (рис. 25), как и в предыдущих сериях устройств содержит четырехвходовую таблицу – LUT, которая является функциональным генератором, и может реализовать любую функцию от четырех переменных. Кроме того, каждый LE содержит программируемый регистр и цепочку переноса. Каждый LE передает свои сигналы по всем линиям связи: локальной линии, по строке, по столбцу, по цепочке LUT, по цепочке регистров, и по прямым связям. Программируемый регистр каждого LE’s может быть сконфигурирован для работы в режиме D, T, JK, или SR. Каждый регистр имеет вход данных, асинхронные входы для сброса, входы синхрочастоты и входы разрешения синхрочастоты. Глобальные сигналы, входы ввода – вывода общего назначения, или любая внутренняя логика могут управлять синхрочастотой и сигналом сброса. Входами разрешения синхрочастоты и сброса могут управлять как входы ввода – вывода общего назначения так и внутренняя логика. Каждый LE имеет три выхода, которые управляют локальный линией связи, линией связи по строке, и по столбцу. LUT или выход регистра могут управлять этими тремя выходами независимо. То есть LUT может управлять одним выходом, в то время как регистр управляет другим выходом. Эта особенность, называемая упаковкой регистра, улучшает использование устройства, потому что устройство может использовать регистр и LUT для различных несвязанных функций. Другой специальный упаковочный режим позволяет выходу регистра подавать сигналы назад в LUT. Это обеспечивает улучшение размещения проекта на кристалле.
 Рис.25. Логический элемент ПЛИС Cyclone III
Устройства Cyclone III поддерживают 12 стандартов ввода-вывода. В том числе формат передачи данных True-LVDS, для связи по интерфейсам LVDS, LVPECL, PCI Express для дифференциальных стандартов ввода – вывода, а также и для дифференциальных сигналов по HSTL и SSTL. Семейство Cyclone III имеет до 169 быстродействующих дифференциальных входов и 169 каналов дифференциальных выходов, в том числе до 77 каналов, оптимизированных для операций с 875-Mbps. На рис.26 изображены дифференциальные LVDS буферы, используемые как для передачи данных, так и для синхронизации.
Рис.26. Дифференциальные LVDS буфферы.
Некоторые банки ввода/вывода содержат выделенную цепь для подключения внешней памяти. Эта цепь облегчает передачу данных внешним устройствам памяти, включая устройства DDR SDRAM и FCRAM. Максимальная скорость передачи данных достигает 266 Мбит/с (при тактовой частотой 133 МГц).
Устройства Cyclone способны работать с различными видами внешней памяти. Это новые стандарты памяти DDR SDRAM, FCRAM, и уже традиционные SDR SDRAM. Обмен данными осуществляется через выделенный интерфейс, который гарантирует быструю, надежную передачу данных со скоростями до 266 Мбит/с. При использовании имеющихся, оптимизированных функций контроллеров, разработчики могут реализовать интерфейсы DDR SDRAM и FCRAM в считанные минуты.
Устройства DDR SDRAM стали популярны благодаря низкому потреблению энергии, относительно небольшой стоимости и способности быстрой передачи данных. Передача данных происходит по обоим фронтам тактового сигнала, максимально увеличивая скорость передачи данных и удваивая эффективность по сравнению с более медленной архитектурой SDR. Устройства DDR SDRAM проникли на рынок через компьютерную область и теперь широко используются в широком диапазоне применений, от сетевых и коммуникационных приложений до домашних развлекательных приложений.
Устройства FCRAM похожие на SRAM устройства с малой задержкой, основанные на той же архитектуре, что и SRAM. Подобно SDRAM, устройства FCRAM поддерживают передачу данных по обоим фронтам системного тактового сигнала. Большая производительность этих устройств напрямую связана с собственными конвейерными и предзарядными операциями, которые существенно снижают время доступа по сравнению с архитектурой SDRAM. В быстродействующих цифровых проектах, из-за увеличенных системных скоростей и сокращению длительности фронтов синхросигналов, предъявляются повышенные требования к передаче сигналов без искажения формы. Проектировщики должны соответствующим образом согласовать как однопроводные линии связи, так и дифференциальные линии связи, чтобы избежать искажений сигналов при передаче. Традиционно, проектировщики используют резисторы согласования (терминирования), расположенные на печатной плате, для того, чтобы достигнуть надлежащего согласования сигнала. Однако, эти резисторы занимают существенное место на печатной плате и могут все же вызывать отражения сигнала. Эти отражения обычно происходят, когда резистор согласования находится слишком далеко от того места на линии передачи, где она заканчивается. Технология терминирования в устройствах Cyclone III представляет собой размещенные на кристалле резисторы терминирования, которые могут образовывать схему последовательного, параллельного, и дифференциального терминирования и согласования импеданса драйвера. Соответствующий импеданс драйвера необходим для максимальной системной эффективности, так как он позволяет добиться сокращения отражений сигнала и улучшает форму сигнала при работе на длинную линию связи (как показано на рис. 26). Два внешних задающих резистора (Rup и Rdn) используются как опорные резисторы, для одного банка VCCIO. Резистор Rup – подтянут к питанию, связанному с VCCIO, а резистор Rdn – связан с GND. Технология терминирования контролирует значение этих двух опорных резисторов и использует полученное значение, чтобы корректировать внутреннюю схему терминирования к тому же самому импедансу, что показано на рис. 27.. Кроме того, схема технологии терминирования дает компенсацию по напряжению питания, температуре, и т.д. Эта схема непрерывно калибрует внутренние резисторы терминирования во время нормальной работы устройства. Технология терминирования поддерживает один тип стандарта ввода – вывода для одного банка ввода – вывода.

Рис. 26. Технология терминирования улучшает форму сигнала.
Терминирование на кристалле также освобождает место на печатной плате и упрощает конструирование печатной платы, минимизируя число внешних резисторов, которые должны быть размещены на плате, по сравнено с другими методами терминированияЧтобы обеспечивать постоянную калибровку внутренних значений резистора, технология терминирования использует два внешних эталонных резистора на каждый банк ввода – вывода и контролирует значение этих резисторов.
 Рис. 27. Технология терминирования без и с калибровкой
Системные свойства микросхем программируемой логики
ПЛИС рассматриваются в настоящее время как наиболее перспективная элементная база для построения цифровой аппаратуры разнообразного назначения. Появляются и новые возможности реализации на программируемых микросхемах аналоговых и аналого-цифровых устройств. Перспективность ПЛИС базируется на ряде их достоинств, к числу которых можно отнести перечисленные ниже, справедливые для ПЛИС вообще, безотносительно к их конкретным разновидностям:
– универсальность и связанный с нею высокий спрос со стороны потребителей, что обеспечивает массовое производство.
– низкая стоимость, обусловленная массовым производством и высоким процентом выхода годных микросхем при их производстве вследствие достаточно регулярной структуры. – высокое быстродействие и надежность как следствие реализации на базе передовых технологий и интеграции сложных устройств на одном кристалле. – разнообразие конструктивного исполнения, поскольку обычно одни и те же кристаллы поставляются в разных корпусах.
– разнообразие в выборе напряжений питания и параметров сигналов ввода/вывода, а также режимов снижения мощности, что особенно важно для портативной аппаратуры с автономным питанием. – наличие разнообразных, хорошо развитых и эффективных программных средств автоматизированного проектирования, малое время проектирования и отладки проектов, а также выхода продукции на рынок.
– простота модификации проектов на любых стадиях их разработки. Для новейших вариантов ПЛИС с динамическим репрограммированием структур, кроме важных с общих позиций свойств, следует назвать и дополнительную специфическую черту: возможность построения на базе динамически репрограммируемых микросхем новых классов аппаратуры с многофункциональным использованием блоков.
Программируемые логические интегральные схемы становятся в последнее время все более распространенной и привычной элементной базой для разработчиков цифровых устройств. Последние годы характеризуются резким ростом плотности упаковки элементов на кристалле, многие ведущие производители либо начали серийное производство, либо анонсировали ПЛИС с эквивалентной емкостью более 1 миллиона логических вентилей. Цены на ПЛИС неуклонно падают. Так, еще год - полтора назад ПЛИС емкостью 100 000 вентилей стоила в Москве в зависимости от производителя, приемки, быстродействия от 1500 до 3000 у.е., то сейчас такая микросхема стоит от 50 до 350 у.е., то есть цены упали практически на порядок и эта тенденция устойчива. Что касается ПЛИС емкостью 10 000 – 30 000 логических вентилей, то появились микросхемы стоимостью менее 10 у.е.
В таблице 1 приведена динамика развития рынка ПЛИС [21].
Таблица 1. Объем рынка ПЛИС, млн $
| Область продаж
|
1994
|
1995
|
1996
|
1997
|
1998
|
1999
|
| Военно- промышленная и космическая
|
43
|
68
|
92
|
119
|
150
|
188
|
| Гражданская
|
684
|
1125
|
1598
|
2146
|
2823
|
3678
|
| Итого
|
727
|
1193
|
1690
|
2265
|
2973
|
3866
|
Такое состояние рынка с одной стороны не может не радовать разработчиков, с другой стороны появляется ряд вопросов, связанных с тем, какую элементную базу и как использовать в новых разработках, а также при проведении модернизации существующих систем.
С появлением новых производителей появились и новые архитектуры. ИС ПМЛ имеют архитектуру, весьма удобную для реализации цифровых автоматов. Развитие этой архитектуры – CPLD (Complex Programmable Logic Devices)
- ПЛИС, содержащие несколько логических блоков (ЛБ), объединенных коммутационной матрицей. Каждый ЛБ представляет собой структуру типа ПМЛ, т.е. программируемую матрицу "И" и фиксированную матрицу "ИЛИ". ПЛИС типа CPLD, как правило, имеют довольно высокую степень интеграции (до 10000 эквивалентных вентилей, до 256 макроячеек). К этому классу относятся ПЛИС семейства MAX5000 и MAX7000 фирмы ALTERA, схемы XC7000 и XC9500 фирмы XILINX, а также большое число микросхем других производителей (Atmel, Vantis, Lucent и др.). Рассмотрим эту архитектуру на примере ПЛИС семейства MAX3000 фирмы Altera.. Их архитектура близка к архитектуре семейства MAX7000, однако имеется ряд небольших отличий. В таблице 2 приведены основные параметры ПЛИС MAX3000.
Таблица 2. Основные параметры ПЛИС MAX3000
| |
EPM3032A
|
EPM3064A
|
EPM3128A
|
EPM3256A
|
| Логическая емкость, эквивалентных вентилей
|
600
|
1250
|
2500
|
5000
|
| Число макроячеек
|
32
|
64
|
128
|
256
|
| Число логических блоков
|
2
|
4
|
8
|
16
|
| Число программируемых пользователем выводов
|
34
|
66
|
96
|
158
|
| Задержка распространения сигнала вход-выход, tPD
, нс
|
4.5
|
4.5
|
5
|
6
|
| Время установки глобального тактового сигнала, tSU
, нс
|
3.0
|
3.0
|
3.2
|
3.7
|
| Задержка глобального тактового сигнала до выхода, tCO1
, нс
|
2.8
|
2.8
|
3.0
|
3.3
|
| Максимальная глобальная тактовая частота, fCNT
, МГц
|
192.3
|
192.3
|
181.8
|
156.3
|
Микросхемы семейства MAX3000 выполнены по CMOS EPROM технологии, при соблюдении технологических норм 0.35 мкм, что позволило существенно удешевить их по сравнению с семейством MAX7000S. Все ПЛИС MAX3000 поддерживают технологию программирования в системе (ISP, In-system programmability)
и периферийного сканирования (boundary scan)
в соответствии со стандартом IEEE Std. 1149.1 JTAG. Элементы ввода-вывода (ЭВВ) позволяют работать в системах с уровнями сигналов 5В, 3.3В, 2.5В. Матрица соединений имеет непрерывную структуру, что позволяет реализовать время задержки распространения сигнала не более 4.5 нс. ПЛИС MAX3000 имеют возможность аппаратной эмуляции выходов с открытым коллектором (open - drains pin
) и удовлетворяют требованиям стандарта PCI по уровням сигналов. Имеется возможность индивидуального программирования цепей сброса, установки и тактирования триггеров, входящих в макроячейку. Предусмотрен режим пониженного энергопотребления. Программируемый логический расширитель позволяет реализовать на одной макроячейке функции до 32 переменных. Имеется возможность задания бита секретности (security bit)
для защиты от несанкционированного тиражирования разработки.
Приборы программируемой логики, яркими представителями которых являются ПЛИС (Программируемые Логические Интегральные Схемы) применяются на протяжении нескольких десятилетий для построения разнообразных интерфейсных узлов, устройств управления и контроля и т.д. Однако, если еще 5 лет назад ПЛИС занимали весьма скромную нишу на рынке электронных компонентов -(в первую очередь из-за небольшого быстродействия и малого количества эквивалентных логических вентилей), то сейчас ситуация изменилась кардинально. Раньше о ПЛИС говорили, в основном, как об «игрушках», недостойных внимания серьезных разработчиков, но с появлением быстродействующих ПЛИС сверхвысокой интеграции, работающих на высоких тактовых частотах, их ниша на мировом рынке значительно расширилась. Современные образцы ПЛИС, выполненные по 0,22-микронной технологии, способны работать на частотах до 300 МГц и реализуют до 3 млн. эквивалентных логических вентилей. Компания Xilinx, один из мировых лидеров в данной области, уже объявила о выпуске ПЛИС в 10 млн. (!) логических вентилей. Столь резкое увеличение мощности ПЛИС позволяет использовать их не только для реализации простых контроллеров и интерфейсных узлов, но и для цифровой обработки сигналов, сложных интеллектуальных контроллеров и нейрочипов. Появление быстродействующих ПЛИС со сверхнизким уровнем энергопотребления открывает широкие возможности по их использованию в системах мобильной связи (в частности, непосредственно в сотовых телефонах и пейджерах), в портативных проигрывателях (например, в МР3-проигрывателях) и т.д.
По целому ряду причин особый интерес вызывает использование ПЛИС для реализации нейрочипов. Приведем эти причины. Во-первых, разработка проектов на ПЛИС оказывается достаточно быстрой, занимая всего несколько месяцев. Во-вторых, ПЛИС на сегодняшний день обладают огромными ресурсами, которые могут быть эффективно использованы при реализации нейрочипов. И, самое главное, нейрочипы - это та область микропроцессорной техники, в которой в настоящее время нет подавляющего лидерства США и Японии, и нишу нейрочипов могут занять другие страны мира, в том числе и Россия.
ЛИТЕРАТУРА
1. Антонов А.П. Язык описания цифровых устройств. ALTERA HDL. Практический курс.-М.: ИП Радио Софт, 2002.- 224.
2. Бибило П.Н. Основы VHDL языка. Изд. Соломон-Р ,- М.: 2000.-200 с.
3. Грушвицкий Р.И., Мурсаев А.Х., Угрюмов Е.П. Проектирование систем на микросхемах программируемой логики.-СПб.: БХВ-Петербург,2002.-608 с.
4. Зобенко А. А., Филиппов А. С., Комолов Д. А., Мяльк Р. А.. Системы автоматизированного проектирования фирмы Altera MAX+plus II и Quartus II. Краткое описание и самоучитель. – издательство «РадиоСофт» · 2002 г. · 360 с.
5. Стешенко В.Б. ПЛИС фирмы “ALTERA”: элементая база, система проектирования и языки описания аппаратуры.- М.: Издательский дом, ДОДЕКА – XXI ,- 2002.- 576 с.
6. Исследование цифровых устройств на основе (ПЛИС) в среде Quartus II:
http://www.leso.sibsutis.ru/index.php?act=metod&target=metod_leso2_1
7. Компания «ГАММА»: http://www.icgamma.ru/linecard/altera/kits/quartus2
8. «Инлайн Груп» – официальный дистрибьютор фирмы Xilinx:
http://www.plis.ru/page.php?id=12
9. Сайт статей посвященный проектированию цифровых устройств:
http://www.iclothes.ru/State_3.html
10. Сайт статей посвященный проектированию цифровых устройств:
http://www.iclothes.ru/State_7.html
11. Лаборатория Параллельных информационных технологий:
http://www.parallel.ru/FPGA/cpld.html
12. Интернет-ресурс для расчета потребляемой мощности ПЛИС Xilinx Web Power Tools: www.xilinx.com/products/design_resources/power_central/index.htm
13. Таблицы выбора ИС питания: www.semtech.com/pc/downloadDocument.do?id=654 (файл FPGAX-SG. pdf)
14. В. Стешенко. Школа разработки аппаратуры цифровой обработки сигналов на ПЛИС
15. C. Шипулин, Д. Губанов, В. Стешенко, В. Храпов. Тенденции развития ПЛИС и их применение для цифровой обработки сигналов Электронные компоненты
16. С. Шипулин, Д. Губанов, В. Стешенко, В. Храпов. ПЛИС — элементная база систем управления и обработки сигналов XXI века Электронные компоненты
17. Основные производители современных ПЛИС-компьютеров и комплектующих к ним
18. ПЛИС и ПАИС Компоненты и технологии
19. 2.2. Выбор ПЛИС для реализации проекта
20. Угрюмов Е. П. Программируемые логические матрицы, программируемая матричная логика, базовые матричные кристаллы / Цифровая схемотехника. Учеб. пособие для вузов. Изд.2, БХВ-Петербург, 2004. С. 357.
21. В. Соловьев, А. Климович. Введение в проектирование комбинационных схем на ПЛИС
22. ПЛИС Actel — основа при реализации SoC бортовой аппаратуры
23. ПЛИС FPGA
24. Платформы. Технология ПЛИС и ее применение для создания нейрочипов
|