| РОССИЙСКОЕ ОТКРЫТОЕ АКЦИОНЕРНОЕ ОБЩЕСТВО
ЭНЕРГЕТИКИ И ЭЛЕКТРИФИКАЦИИ "ЕЭС РОССИИ"
ДЕПАРТАМЕНТ НАУЧНО-ТЕХНИЧЕСКОЙ ПОЛИТИКИ И РАЗВИТИЯ
МЕТОДИЧЕСКИЕ УКАЗАНИЯ
ПО ТЕХНИЧЕСКОМУ ОБСЛУЖИВАНИЮ МИКРОПРОЦЕССОРНЫХ АРВ
И СИСТЕМ УПРАВЛЕНИЯ СИЛОВЫХ ПРЕОБРАЗОВАТЕЛЕЙ
СИСТЕМ ВОЗБУЖДЕНИЯ ГЕНЕРАТОРОВ
СО 34.45.629-2002
УДК 621.311
Вводится в действие с 1 сентября 2003 г.
Разработано
Открытым акционерным обществом "Фирма по наладке, совершенствованию технологии и эксплуатации электрических станций и сетей ОРГРЭС", Государственным унитарным предприятием "Всероссийский электротехнический институт им. В.И. Ленина", Открытым акционерным обществом "Электросила"
Исполнители
И.Ф. ПЕРЕЛЬМАН
(ОАО "Фирма ОРГРЭС"), А.В. ФАДЕЕВ
(ГУП ВЭИ), А Г. ЛОГИНОВ
(ОАО "Электросила")
Утверждено
Департаментом научно-технической политики и развития РАО "ЕЭС России" 23.12.02
Заместитель начальника А.В. БОБЫЛЕВ
Срок первой проверки СО - 2007 г., периодичность проверки - один раз в 5 лет.
Методические указания содержат описание назначения, основных технических характеристик, принципов работы и схемы аппаратных средств новых микропроцессорных регуляторов возбуждения АРВ-М. Приводятся методы технического обслуживания АРВ-М с помощью сенсорного дисплея в секции управления и регулирования (СУР) системы возбуждения (СВ) и местного пульта управления (ПУ) регулятора. Даются указания по срокам и объему периодических технических проверок АРВ на работающем генераторе и при плановых профилактическо-ремонтных работах (категории T1, T, К — первой, текущей, полной проверок), выполняемых персоналом электроцеха. Даются указания оперативному персоналу по порядку возбуждения с АРВ-М, обслуживания в процессе нормальной эксплуатации и при возникновении неисправностей и отказов, по технике безопасности.
ВВЕДЕНИЕ
В середине 90-х годов началась разработка и внедрение микропроцессорных автоматических регуляторов возбуждения с использованием современных микропроцессоров (АРВ-СДМ с использованием микропроцессоров типа В7
введены на ряде генераторов Заинской ГРЭС в 1984—1985 гг., но распространения не получили из-за неудовлетворительных характеристик системы питания). В настоящих Методических указаниях даны описание структурных схем и методы обслуживания АРВ-М, разработанного совместно ГУП ВЭИ и ОАО "Электросила" на базе микропроцессора C
167CR
-
LM
, входящего в состав модуля контроллера Е
167-3UM
фирмы Siemens
.
Забиваем Сайты В ТОП КУВАЛДОЙ - Уникальные возможности от SeoHammer
Каждая ссылка анализируется по трем пакетам оценки: SEO, Трафик и SMM.
SeoHammer делает продвижение сайта прозрачным и простым занятием.
Ссылки, вечные ссылки, статьи, упоминания, пресс-релизы - используйте по максимуму потенциал SeoHammer для продвижения вашего сайта.
Что умеет делать SeoHammer
— Продвижение в один клик, интеллектуальный подбор запросов, покупка самых лучших ссылок с высокой степенью качества у лучших бирж ссылок.
— Регулярная проверка качества ссылок по более чем 100 показателям и ежедневный пересчет показателей качества проекта.
— Все известные форматы ссылок: арендные ссылки, вечные ссылки, публикации (упоминания, мнения, отзывы, статьи, пресс-релизы).
— SeoHammer покажет, где рост или падение, а также запросы, на которые нужно обратить внимание.
SeoHammer еще предоставляет технологию Буст, она ускоряет продвижение в десятки раз,
а первые результаты появляются уже в течение первых 7 дней.
Зарегистрироваться и Начать продвижение
К настоящему времени регуляторы АРВ-М после испытаний на электродинамических моделях МЭИ и НИИПТ поставлены и в большинстве случаев введены в работу приблизительно на 20 электростанциях.
Ввиду структурной гибкости нового регулятора и выпускаемых ОАО "Электросила" новых СВ разработано несколько модификаций СВ с применением АРВ-М. Новый регулятор применен в:
- двухканальной одногрупповой системе тиристорного самовозбуждения СТС-2П (АРВ1-ТП1, АРВ2-ТП2 - резервируются регуляторы и ТП; каналы одинаковые);
- системе независимого тиристорного возбуждения;
- одноканальной одногрупповой системе тиристорного самовозбуждения СТС-1П с двумя резервирующими друг друга одинаковыми АРВ (с избыточным количеством тиристорных мостов или без избыточных мостов, но с запасом по току и напряжению тиристоров);
- одноканальной одногрупповой системе тиристорного самовозбуждения с одним АРВ, выполняющим функцию регулирования напряжения, и другим резервным РТР;
- качестве ручных регуляторов тока РТР-М, используемых как резервные регуляторы для зарубежных поставок;
- бесщеточной СВ генератора мощностью 1000 МВт (двухканальная СВ возбудителя) и т.д.
При этом аппаратные средства практически не меняются, а выбор варианта производится настройкой программного обеспечения.
Для большей общности материала рассматривается применение регуляторов в двухканальной схеме. При составлении настоящих Методических указаний использовались материалы разработчиков АРВ-М (ОАО "Электросила" и ГУП ВЭИ) и нормативные документы по обслуживанию СВ.
Отличием АРВ-М от аналоговых регуляторов предыдущих поколений являются:
- расширенный объем функций, заключающийся в том, что регулятор не только используется для регулирования возбуждения и ограничения режимных параметров генератора и СВ, но и осуществляет фазоимпульсное управление тиристорами (на выходе 6 импульсов, поступающих на импульсные трансформаторы и тиристоры мостов). Регулятор управляет коммутационными аппаратами при начальном возбуждении, осуществляет защиту при КЗ на стороне постоянного тока, потере плеча тиристорного моста, осуществляет инвертирование и т.д.;
Сервис онлайн-записи на собственном Telegram-боте
Попробуйте сервис онлайн-записи VisitTime на основе вашего собственного Telegram-бота:
— Разгрузит мастера, специалиста или компанию;
— Позволит гибко управлять расписанием и загрузкой;
— Разошлет оповещения о новых услугах или акциях;
— Позволит принять оплату на карту/кошелек/счет;
— Позволит записываться на групповые и персональные посещения;
— Поможет получить от клиента отзывы о визите к вам;
— Включает в себя сервис чаевых.
Для новых пользователей первый месяц бесплатно.
Зарегистрироваться в сервисе
- упрощение наладки и эксплуатации СВ, так как предусмотрены специальные режимы для настройки АРВ-М и эксплуатационных проверок. Параметры для настройки АРВ-М, состояние входных и выходных дискретных сигналов АРВ-М, а также дневник событий и другая информация, необходимая для наладки и эксплуатации, выводятся на сенсорный дисплей, обеспечивающий связь с оператором; для наладки не требуется пользование паяльником;
- уменьшение релейно-контакторной аппаратуры и упрощение аппаратных средств регулятора; уменьшение массы и габаритов АРВ-М; повышение надежности за счет применения современного микроконтроллера, обладающего высокой производительностью и широким спектром периферийных устройств; сокращение количества и номенклатуры комплектующих изделий;
- цифровой способ обработки информации, обеспечивающий высокую точность, стабильность и достоверность настраиваемых статических и динамических характеристик, возможность их настройки без изменения параметров аппаратуры, реализацию сложных алгоритмов управления. Этот способ ускоряет внедрение новых АРВ, их доработку. Следует учесть, что для доработки АРВ-СД потребовалось более 10 лет (например, неправильная настройка стабилизации питания БЧЗ, измерительных органов БЧЗ и первого каскада УМС, неправильная настройка СУТ и т.д. не позволяли использовать принцип стабилизации "по частоте напряжения"), регулятора АРВ-СДП1 — порядка 5-6 лет. В новых АРВ-М правильность настройки определяется при проектировании и испытаниях на динамических моделях — неправильная формула или число проявляется сразу;
- контроль и диагностика датчиков и всех элементов АРВ-М и СВ, обеспечение резервирования;
- обеспечение связи с АСУ ТП высшего уровня по цифровому интерфейсу;
- снижение себестоимости.
Существенным для новых АРВ-М является требование высокой помехоустойчивости, отсутствия "зависаний" и т.д. (пока таких случаев не было). По согласованию с разработчиками в дальнейшем может быть выполнен автоматический перезапуск в течение 1 с в случае "зависания". За это время возбуждение потеряно не будет (вариант с одним АРВ-М).
Методические указания предназначены для персонала электростанций и наладочных организаций, занимающихся обслуживанием и наладкой СВ.
В настоящих Методических указаниях приняты следующие обозначения, сокращения, термины и единицы измерения:
Обозначения элементов аппаратуры регулятора:
АРВ
— автоматический регулятор возбуждения;
АРВ-М
— микропроцессорный автоматический регулятор возбуждения;
АРВ1
, АРВ2
— кассеты регуляторов. АРВ1 управляет тиристорным преобразователем первого канала, АРВ2 - второго канала (при двухканальной системе);
Е
167-3UM
— ячейка контроллера (Controller cell
);
CVT
— блок преобразования токов и напряжений (Current
and
Voltage
Transducers
);
PAS
— ячейка обработки аналоговых сигналов (Processing
Analog
Signals
cell
);
DI
-АТ96
— ячейка цифрового ввода (Digital
Input
cell
);
ТС
— ячейка управления тиристорным преобразователем (Thyristors
Control
cell
);
DO
-AT96
— ячейка цифрового вывода (Digital Output cell
);
MR
— ячейка контроля регулятора (Monitoring Regulator cell
);
CC
— ячейка перекрестных связей (Cross Communication cell
);
LC
— пульт местного управления регулятора (Local Control panel
);
PS
— блок питания (Power Supply unit
);
BB
-
AT
96
— объединительная плата АТ96 (Backplate
Bas
AT96);
АЦП (
ADC
)
— аналого-цифровой преобразователь;
ЦАП (
DAS
)
— цифроаналоговый преобразователь;
LEM
-
U
— измерительный преобразователь напряжения;
LEM
-
I
— измерительный преобразователь тока.
Обозначения элементов системы возбуждения:
АГП (
QE
1
)
— автомат гашения поля;
СВ
— система возбуждения;
СИФУ
— система фазоимпульсного управления (ТП);
СУР
— секция управления и регулирования;
СУТ
— система управления тиристорами;
ТП
— тиристорный преобразователь.
Обозначения переменных:
U
g
—напряжение генератора;,
F
g
— частота напряжения;
Р
g
, Q
g
— активная, реактивная мощность генератора;
cos
j
, cosPhi
—
косинус угла нагрузки;
I
g
, Ip
, Iq
— ток генератора, его активная и реактивная составляющая;
Uf
, If
— напряжение, ток ротора;
Ubar
— напряжение сети;
Usyn
(
Uv
)
, Fsyn
— напряжение и частота синхронизации СУТ;
a
(а
lfa
)
— угол управления ТП;
Iv
— ток ТП на стороне переменного тока;
Ie
— выпрямленный ток ТП (ток ротора If
или ток возбуждения возбудителя в бесщеточной СВ);
Phase
Ubc
— фаза напряжения генератора Ubc
относительно Uab
(используется для контроля датчиков напряжения и частоты генератора).
Единицы измерений:
ри
—
относительная единица, равная номинальному значению соответствующего параметра: при номинальном режиме Р
g
= 1, Q
g
= 1, I
g
= 1, I
р
= 1, Iq
= 1.
Терминология состояния регулятора:
Режим
on
-
line
— регулятор управляет возбуждением генератора, угол управления ТП соответствует выходному сигналу АРВ. Выходные дискретные сигналы ячейки DO
-AT96 управляют выходными реле СУР.
Режим
off
-
line
— импульсы управления ТП и выходные дискретные сигналы ячейки DO
-AT96 блокированы. Возможно (в одноканальной схеме), угол управления ТП формируется другим регулятором, а канал регулирования, работающий в режиме off
-
line
,
переводится в режим слежения.
Основной регулятор
— регулятор, работающий в данный момент времени в режиме on
-
line
. Основным регулятором может быть как АРВ1, так иАРВ2.
Резервный регулятор
— регулятор, работающий в данный момент времени в горячем резерве, в режиме off
-
line
.
Автоматическое управление
— режим регулирования напряжения генератора.
Ручное управление
, ручной регулятор
— режим регулирования тока возбуждения (тока ротора).
Катастрофический отказ
— нарушение в работе аппаратуры канала, при котором регулятор или ТП не могут управлять возбуждением. Выходы регулятора блокированы, импульсы управления ТП сняты.
Частичный отказ
— нарушение в работе аппаратуры, при котором АРВ-М не может выполнять функции автоматического управления и автоматически переводится в режим ручного управления.
Условный отказ
— переход на резервный канал производится, если он исправен (нет катастрофического или частичного отказа). При неисправности резервного канала переход не происходит и в работе остается основной канал.
Неисправность
— нарушение в работе аппаратуры, при котором регулятор может выполнять функции управления, но в ряде случаев в ограниченном объеме.
Принятые обозначения элементов расчетных схем:
x
1
и х
2
— вход и выход расчетного узла;
ADD
— сложение: у
=x
1 + х
2;
SUB
— вычитание: у
= х
1 - х
2;
MUL
— умножение: у
= x
1 ´ х
2;
DIV
— деление: у
= x
1/x
2;
">"
— больше: у
= 1, если х
1 > х
2;
"<"
— меньше: у =
1, если x
1 < х
2;
"="
— равно: у
= 1, если x
1 = х
2;
"&"
— логическая операция "И";
"!"
— логическая операция "ИЛИ";
"
"
"
— логическая операция "Исключающее ИЛИ";
"
Å
"
— логическая операция "НЕ";
ABS
— абсолютное значение у
= | x
|;
RS
-триггер
; вход R
более приоритетный;
SR
-триггер
; вход S более приоритетный;
S
T
/2
- синхронный суммирующий фильтр с периодом расчета 15° (15 эл. град); вычисляет среднее значение переменной на полупериоде основной частоты;
FTR
— фильтрация;
ITG
— интегрирование;
Т
—
триггер;
"
Derive
"
—
дифференцирование.
В тексте Методических указаний приняты также следующие сокращения:
АСУ ТП
— автоматическая система управления технологическим процессом;
АФЧХ
— амплитудно-фазочастотная характеристика;
б/к
— блок-контакт;
БКТ
— блок контроля температуры;
БЧЗ
— блок частоты и защиты;
ИП
— источник питания;
КЗ
— короткое замыкание;
КНВ
— контактор начального возбуждения;
КШР
— контактор, шунтирующий ротор (на сопротивление);
ННВ
— неуспешное начальное возбуждение;
ОКР
— общий канал регулирования;
ОМВ
— ограничитель минимального возбуждения;
ОПР
— ограничитель перегрузки ротора;
ОПС
— ограничитель перегрузки статора;
ПИ
— пропорционально-интегральное (регулирование);
ПИД
— пропорционально-интегрально-дифференциальный (закон);
ПУ
— пульт управления;
РГП
— реле гашения поля;
РЗР
— реле защиты ротора;
РТР
— регулятор тока ротора;
СН
— собственные нужды;
СТС
— система тиристорного самовозбуждения;
ТВ
- тиристорный возбудитель;
ТК
— технологический контроллер;
ТН
— трансформатор напряжения;
ТСН
— трансформатор собственных нужд;
ТТ
— трансформатор тока;
УМС
— усилитель магнитный суммирующий;
XX
— холостой ход;
ШТН
— шкаф трансформаторов напряжения (статора);
ШТТ
— шкаф трансформаторов тока;
ЭТЛ
— электротехническая лаборатория.
1 НАЗНАЧЕНИЕ И ОСНОВНЫЕ ТЕХНИЧЕСКИЕ ХАРАКТЕРИСТИКИ АРВ-М
1.1 Назначение регулятора
Функции, выполняемые регулятором, объединяются в следующие группы:
— основные функции регулирования возбуждения и ограничения режимных параметров СВ и генератора;
— технологические функции;
— фазоимпульсное управление и защита ТП канала;
— контроль аппаратуры канала и диагностика отказов;
— сервисные функции.
1.1.1 Функции регулирования возбуждения
Основным назначением регулятора является поддержание напряжения на шинах электростанции в соответствии с заданной уставкой, заданной точностью и статизмом по реактивному току статора. Применен ПИД закон регулирования напряжения. Поэтому при установившемся режиме напряжение в заданной точке регулирования поддерживается неизменным (астатически), равным заданной уставке. При возникновении электромеханических колебаний в результате уменьшения коэффициента передачи K
0U
в диапазоне частот этих колебаний улучшается устойчивость. Для повышения пределов устойчивости, демпфирования послеаварийных колебаний применяются стабилизирующие каналы по отклонению и производной частоты (системный стабилизатор PSS
).
Для стабилизации внутреннего движения применяется особенно эффективная в режиме недовозбуждения обратная связь по производной тока ротора.
При работе генератора на XX применяется ПИ регулирование напряжения.
Для повышения устойчивости при КЗ с понижением напряжения статора более чем на 10—15%, устранения при этом ложной работы стабилизирующих каналов выполняется полная форсировка возбуждения ("релейная форсировка"). Эта форсировка снимается через 2—3 периода после отключения КЗ (после отключения КЗ на 2—3 периода выводятся из действия стабилизирующие каналы по отклонению и производной частоты, на 0,5—1,0 с — обратная связь по производной тока ротора и производной напряжения статора). При работе в сети по команде оператора может быть выполнен переход на регулирование реактивной мощности Q
или cos
j. При этом регулятор продолжает находиться в режиме поддержания напряжения, а поддержание постоянными Q
или cos
j осуществляется воздействием этих медленнодействующих регуляторов на уставку регулятора напряжения, ее коррекцией.
В составе АРВ-М кроме АРВ имеется ручной ПИ регулятор — РТР. Переход на него осуществляется по команде оператора или при частичном отказе автоматического регулирования напряжения. Длительная работа на РТР не рекомендуется, так как ввиду прекращения регулирования напряжения и отключения PSS
при переходных процессах снижается устойчивость регулирования.
1.1.2 функции ограничения режимных параметров СВ и генератора
При работе в режиме автоматического регулирования возбуждения для поддержания напряжения при различных ситуациях в энергосистеме регулятор может изменять ток ротора в широком диапазоне.
При КЗ и форсировке возбуждения регулятор с задержкой 20 мс ограничивает ток ротора до 2I
рот.ном (в системах бесщеточного возбуждения в регуляторе предусматривается также ограничение напряжения ротора). При неисправностях в СВ выполняется мгновенное ограничение тока ротора до значения, соответствующего току ротора при P
ном и cos
j = 1 либо до другого значения, заданного заводом — изготовителем СВ.
При понижении напряжения в энергосистеме и длительных перегрузках по току ротора и (или) статора регулятор осуществляет ограничение токов со временем, зависящим от кратности перегрузки (ограничение перегрузки).
При повышении напряжения в энергосистеме, уменьшении тока ротора и переходе генератора в режим недовозбуждения в соответствии с заводскими характеристиками (зависимости от Р
и U
), каналом ограничения минимального возбуждения регулятора выполняется ограничение потребляемой реактивной мощности.
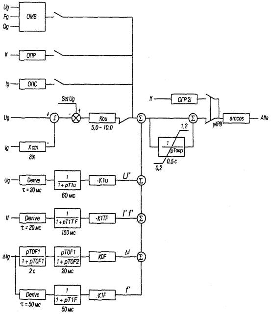
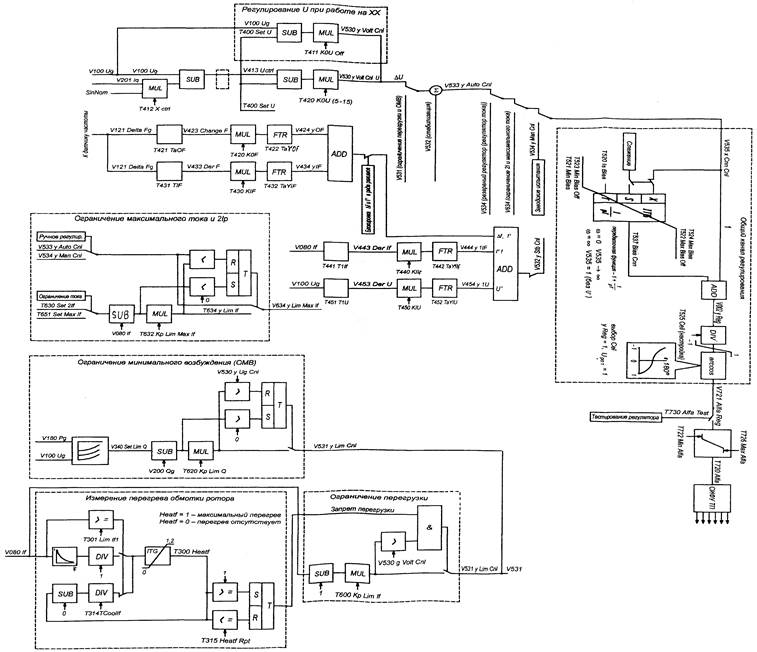
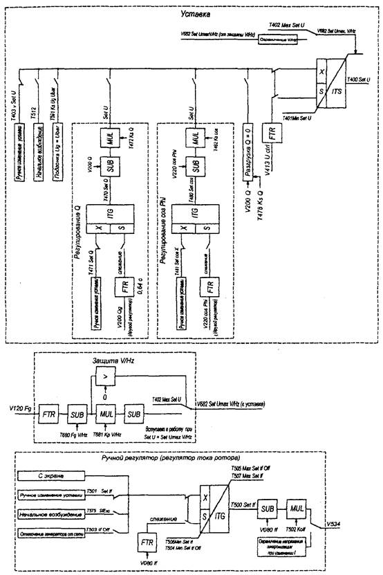
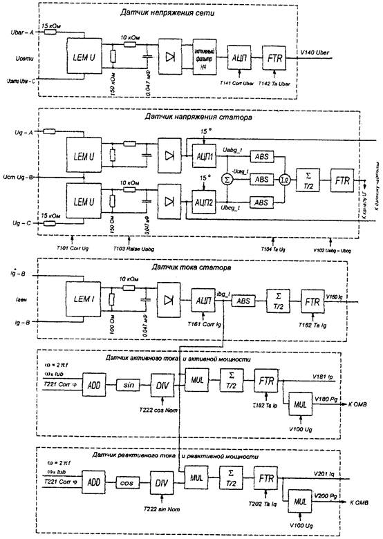
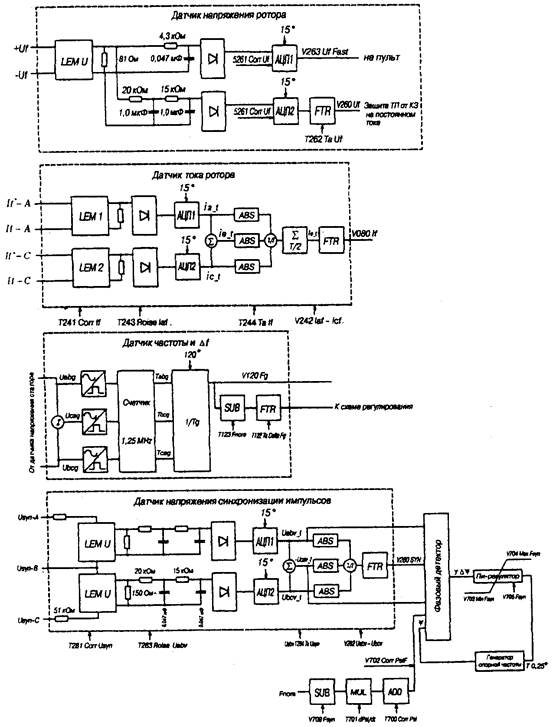
Принципиальные структурные схемы АРВ-М приведены на рисунках 1 и 2, общая принципиальная расчетная схема — на рисунках 3.1—3.4. Характеристики ограничения перегрузки и ограничения минимального возбуждения даны на рисунках 4 и 5.

Рисунок 1 — Общая структурная схема регулирующего воздействия в АРВ-М

Рисунок 2 - Структурная схема канала напряжения, стабилизирующих каналов, ограничителей АРВ-М

Рисунок 3.1 - Расчетная схема каналов регулирования, PSS
, ограничителей, цепей синхронизации СИФУ

Рисунок 3.2 - Расчетная схема уставки АРВ-М, регуляторов Q
и cos
Phi
,
ручного регулятора тока

Рисунок 3.3 — Расчетная схема цифровых датчиков Ubar
, U
g
,
I
g
, Р
g
и Ip
,
Q
g
и Iq

Рисунок 3.4 - Расчетная схема цифровых датчиков Uf
,
If
,
F
,
Usyn

Рисунок 4 - Зависимость допустимого времени перегрузки от кратности тока ротора

Рисунок 5 - Характеристики ограничения минимального возбуждения
1.1.3 Технологические функции
К технологическим функциям относятся процессы, происходящие при команде оператора либо при действии автоматики:
- возбуждение и гашение поля;
- подгонка напряжения генератора к напряжению сети перед включением генератора в сеть методом точной синхронизации;
- разгрузка генератора по реактивной мощности при отключении генератора (Q
→ 0)
- слежение выхода отключенного АРВ за выходом работающего с обеспечением бестолчкового перехода с АРВ1 на АРВ2 и обратно (двухканальная схема);
- аналогично слежение ручного регулятора (регулятора тока) за током ротора генератора, работающего с основным регулятором; регуляторов Q
и cos
j за реактивной мощностью или cos
j работающего генератора с целью бестолчкового перехода на эти регуляторы.
1.1.4 Фазоимпульсное управление и защита ТП канала
Регулятором выполняются следующие функции СИФУ:
- формирование шести импульсов управления, фаза которых относительно напряжения питания ТП зависит от напряжения выхода работающего регулятора (цифровое значение);
- синхронизация импульсов управления с напряжением питания ТП,
- ограничение диапазона изменения угла управления минимальными и максимальными значениями; выполнение зависимости максимального угла от тока ротора для обеспечения надежной работы ТП в режиме инвертирования;
- формирование угла управления заданной длительности в зависимости от тока ротора (при малых токах - ширина импульса 120°; при увеличении тока выше заданного уровня импульс управления каждого плеча ТП состоит из двух сдвоенных импульсов, следующих с интервалом 60° каждый шириной по 0,7 — 0,9 мс).
Регулятор обеспечивает защиту СВ от:
- КЗ на стороне постоянного тока ТП;
- повреждения ввиду перегрева блочного трансформатора и генератора при понижении частоты (увеличиваются токи намагничивания) защита U
/
Hz
. При понижении частоты пропорционально уменьшается максимальная уставка регулятора по напряжению;
- понижения и повышения частоты напряжения синхронизации СИФУ при работе ручного РТР. В этом случае канал напряжения отключается и защита U
/Hz
не работает; может быть снято и питание от ТН статора. Защита ограничивает повышение или понижение напряжения синхронизации (косвенно - напряжение статора); при частотах 40 и 90 Гц (для гидрогенераторов) осуществляется гашение поля генератора. Ограничение выполняется ввиду того, что при неизменном токе ротора изменение значения напряжения синхронизации пропорционально изменению частоты;
— непроводимости плеча ТП, несимметричного режима ТП (при необходимости осуществляется переход на другой канал, гашение поля или ограничение тока ротора; формируется диагностическая информация).
1.1.5 Контроль аппаратуры канала и диагностика отказов
С помощью специальных программ и аппаратных средств контроля, предусмотренных архитектурой микроконтроллера, обеспечивается контроль:
— входных дискретных сигналов и цифровых датчиков режимных параметров;
— уровней ИП регулятора;
— длительности выполнения основного цикла программы (5 мс).
На входы регулятора поступают дискретные сигналы о состоянии аппаратуры канала, сигналы управления.
На основании анализа этой информации на выходе регулятора формируются управляющие сигналы, сигналы неисправности или (и) отказа канала и принимается решение о необходимости перевода на другой канал или ручной регулятор. Одновременно формируется диагностическая информация, облегчающая поиск неисправностей.
1.1.6 Сервисные функции
О выводе диагностической информации на местный пульт АРВ-М и на дисплей СВ, порядке поиска неисправностей, а также использования дисплея для индикации состояния СВ, изменения настроек в заданных пределах, ведения дневника событий и т.д. изложено в разделе 3 настоящих Методических указаний.
О применении для облегчения наладочных работ тестового режима работы регулятора, режима заводской настройки и применении программного генератора для определения переходных и частотных характеристик системы регулирования возбуждения см. разделы 3 — 5 настоящего РД.
1.2 Технические данные АРВ-М
Технические данные АРВ-М представлены в таблице 1.
Таблица 1- Основные характеристики АРВ-М
| Наименование
|
Значение параметра
|
| Цепи измерения напряжения генератора:
|
| номинальное линейное напряжение, В
|
3´100
|
| потребляемая мощность на фазу, Вт, не более
|
2
|
| Цепи измерения сети:
|
| номинальное линейное напряжение, В
|
100
|
| потребляемая мощность на фазу, Вт, не более
|
2
|
| Цепи измерения тока генератора:
|
| номинальный ток, А
|
5
|
| потребляемая мощность, Вт, не более
|
0,2
|
| Цепи измерения тока питания ТП (тока ротора):
|
| номинальный ток, А
|
2´5
|
| потребляемая мощность на фазу, Вт, не более
|
0,2
|
| Цепи измерения напряжения синхронизации СИФУ:
|
| номинальное линейное напряжение, В
|
380
|
| допустимый диапазон изменения, В
|
20...495
|
| потребляемая мощность, Вт, не более
|
3
|
| Испытательное напряжение измерительных цепей, В
|
2500
|
| Номинальная частота переменного тока, Гц
|
50
|
| Цепи входных дискретных сигналов:
|
| максимальное количество оптоизолированных каналов
|
48
|
| номинальное входное напряжение, В
|
24
|
| номинальный входной ток, мА
|
10
|
| испытательное напряжение, В
|
500
|
| Цепи выходных дискретных сигналов:
|
| максимальное количество сигналов
|
32
|
| напряжение при закрытом состоянии выходного транзистора, В, не более
|
30
|
| ток при открытом состоянии выходного транзистора, мА, не более
|
150
|
| Цепи управления ТП:
|
| количество оптоизолированных каналов
|
6
|
| напряжение при закрытом состоянии выходного транзистора, В, не более
|
30
|
| ток при открытом состоянии выходного транзистора, мА, не более
|
150
|
| испытательное напряжение, В
|
500
|
| Цепи выходных аналоговых сигналов:
|
| количество сигналов
|
4
|
| диапазон выходного напряжения, В
|
-10...+10
|
| Диапазоны изменения коэффициентов регулирования по каналам:
|
| отклонения напряжения в диапазоне частот электромеханических колебаний, pu
Uf
/
pu
U
g
|
2...50 (используется 5...15)
|
| изменения частоты, pu
Uf
/Гц
|
0...15
|
| производной частоты, pu
Uf
/Гц/с
|
0...5
|
| производной напряжения, ри
Uf
/ри
U
g
/c
|
0....10
|
| производной тока ротора, ри
Uf
/ри
If
/с
|
0...5
|
| Диапазон изменения уставки напряжения генератора, ри
|
0,8...1,1
|
| Скорость изменения уставки напряжения генератора, %/с
|
0,2....5
|
| Статизм регулирования напряжения по реактивному току, %
|
-15...+15
|
| Статическая точность поддержания тока ротора в режимах ограничения, ри
|
0,02
|
| Статическая точность поддержания реактивной мощности при ограничении минимального возбуждения, pu
|
0,02
|
| Максимальный диапазон изменения угла управления ТП, эл. град
|
0...170°
|
| Длительность импульсов управления тиристорами в режиме малого тока ротора, эл. град
|
120°
|
| Длительность сдвоенных импульсов управления при токе ротора, превышающем определенное значение, мс
|
0,7...0,9
|
2 ОПИСАНИЕ СТРУКТУРНОЙ СХЕМЫ АППАРАТНЫХ СРЕДСТВ АРВ-М. КОНСТРУКЦИЯ АРВ-М
2.1 Общие положения
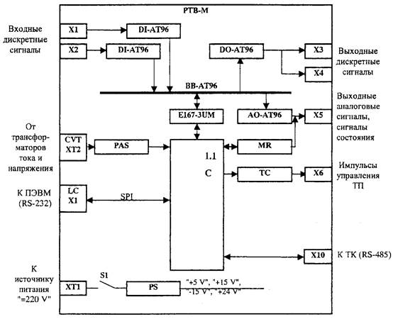
Структурная схема аппаратных средств АРВ-М, изображенная на рисунке 6, позволяет реализовать все функции регулирования, ограничений, управления, диагностики и контроля, сервисные услуги. Может быть выполнено изменение этих законов, их совершенствование без изменения аппаратных средств.

Рисунок 6 - Структурная схема аппаратных средств АРВ-М
2.2 Основные узлы структурной схемы аппаратных средств АРВ-М
Регулятор состоит из ряда узлов:
2.2.1 Ячейка контроллера Е167-3
UM
(позиция ячейки А5), являющаяся ядром регулятора, в состав которой входят: микроконтроллер SAB
-
C
167-CR
-
LM
фирмы Siemens
;
узел флеш-памяти объемом 1 Мбайт; узел оперативной памяти объемом 256 Кбайт; два 12-разрядных 8-канальных АЦП с временем преобразования 2 мкс. Диапазон входных напряжений АЦП -5...+5 В; оптоизолированный асинхронный последовательный порт RS
-232, используемый для связи с сенсорным дисплеем; оптоизолированный асинхронный последовательный порт RS
-
485 (в данной конфигурации не используется); оптоизолированный порт интерфейса CAN
, используемый для обмена информацией с резервным регулятором; быстродействующий синхронный последовательный порт интерфейса SPI
, используемый для связи с местным ПУ регулятора; 8-разрядный параллельный входной порт; 8-разрядный параллельный выходной порт; узел системной шины АТ96.
2.2.2 Блок преобразования токов и напряжений
CVT
нужен для подключения к регулятору цепей от ИТТ и ИТН, гальванического разделения цепей, подавления высокочастотных помех и предварительного масштабирования сигналов.
В цепях напряжения используются преобразователи LV
25-P
(схемное изображение LEM
-
U
), в цепях тока — преобразователи LA
25-NP
(схемное изображение LEM
-
I
) фирмы LEM
,
имеющие высокую точность, надежность и быстродействие при малых размерах, работающие на принципе датчика Холла.
В первичные цепи LEM
-
U
включены согласующие резисторы, значение которых определяется допустимыми линейными диапазонами цифровых датчиков. Коэффициент передачи LEM
-
U
— 2,5.
Номинальный ток LEM
-
I
зависит от схемы соединения витков первичных обмоток и установлен равным 8,33 А. Коэффициент передачи LEM
-
I
— 0,003.
После LEM
для сглаживания напряжений и тока статора, токов в цепях питания ТП (датчик тока ротора) предусмотрены RC
-фильтры первого порядка. Для сглаживания напряжений синхронизации СИФУ, искаженных коммутационными провалами, предусмотрены RC
-фильтры второго порядка.
Измерительный преобразователь для напряжения ротора из соображений техники безопасности установлен в силовой секции, а нагрузочный резистор и RC
-фильтр, сглаживающий напряжение ротора — в блоке CVT
. Питание этого преобразователя производится от ИП регулятора.
На блок CVT
питание подается с клеммника (ряда зажимов) Х
Т2 АРВ (таблица 2).
Таблица 2 - Сигналы от ТТ и ТН и другие напряжения, подаваемые на клеммник Х
T2
| Контакт
|
Сигнал
|
Функция
|
| 1, 2
|
I
g
-В*
, I
g
-В
|
От ТТ фазы B
генератора; начало, конец
|
| 3, 4
|
Резерв
|
-
|
| 5, 6
|
If
-A
*, If-A
|
От ТТ фазы А
ТП; начало, конец
|
| 7, 8
|
If-C*
, If-C
|
От ТТ фазы С
ТП; начало, конец
|
| 9, 10
|
Резерв
|
-
|
| 11, 12
|
Резерв
|
-
|
| 13, 14, 15
|
U
g
-
A
, U
g
-
B
, U
g
-
C
|
От ТН генератора, фазы A
, В
, С
|
| 16, 17
|
Ubar-A
, Ubar-
С
|
От ТН сети, фазы А
, С
|
| 18, 19, 20
|
Usyn-A
, Usyn-B
, Usyn-C
|
Напряжение синхронизации ТП (питание СИФУ), фазы A
, В
, С
|
| 21
|
Uf
|
Выход датчика напряжения ротора (преобразователя LE
М
)
|
| 22
|
+15 V
пит. датч. Uf
|
Положительный полюс ИП датчика напряжения ротора
|
| 23
|
-15 V
|
Отрицательный полюс ИП датчика напряжения ротора
|
2.2.3 В ячейке обработки аналоговых сигналов
PAS
, на входы которой поступают выходные сигналы от CVT
, установлены операционные усилители, включенные по схеме повторителей напряжения. Напряжения, сформированные в PAS
, поступают на входы АЦП контроллера. Для измерения этих напряжений предусмотрены контрольные гнезда "
Iae
"
, "
Ice
"
, "
Uabv
"
, "
Ubcv
"
, "
Uf
"
, "
Uft
"
, "
Uab
g
"
, "
Ubc
g
"
, "
Uca
g
"
, "
Ib
g
", "
Ubar
".
На них по отношению к гнезду 29, 30 (0 V
— ноль ИП) подаются напряжения, пропорциональные соответственно токам Ifv
-
A
, Ifv
-
C
ТП, сглаженным напряжениям синхронизации Usyn
-
AB
и Usyn
-
BC
,
среднему Uf
и мгновенному значению Uft
напряжения ротора, напряжениям АВ
, ВС
, СА
генератора, току фазы В
генератора, напряжению АС
сети. Кроме того, на гнезда подаются импульсы, передние фронты которых совпадают с переходом в область положительных значений напряжений Uab
g
, Ubc
g
, Uca
g
.
2.2.4 Ячейки цифрового ввода
DI
-АТ96
(позиции ячеек A1, A2) обеспечивают ввод по 16 дискретных сигналов с оптронной гальванической развязкой; испытательное напряжение 500 В. Источником сигнала может быть транзистор с открытым коллектором либо контакт реле. Питание входных цепей ячейки осуществляется от гальванически развязанного источника "24 V", установленного в ячейке MR
.
Микроконтроллер осуществляет ввод положения сигналов по шине АТ96. Сигналы состояния генератора и СВ поступают на входы трех 16-канальных ячеек DI
-AT96 с разъемов X
1, Х
2, X
11. Для выявления неидентичности состояния входных дискретных сигналов, поступающих от одного источника на входы АРВ1 и АРВ2, предусмотрен обмен информацией между ними по интерфейсу CAN
.
2.2.5 Ячейка управления ТП ТС
(позиция ячейки А7) служит для формирования шести оптоизолированных импульсов управления мостовым ТП. Выходные транзисторы ячейки включены по схеме с открытым коллектором. Проводящему состоянию транзистора соответствует наличие импульсов управления.
Ячейка ТС содержит последовательный сдвиговый регистр, на шести выходах которого формируются указанные импульсы. На входы регистра от микроконтроллера поступают два сигнала. Сигнал данных определяет текущее состояние импульса управления первым тиристором. Сигнал записи определяет момент формирования очередного импульса.
Микроконтроллер управляет также длительностью импульсов управления. В режимах, при которых отсутствует ток возбуждения или возможен прерывистый ток, длительность импульса равна 120° [равна интервалу между импульсами, поступающими на i
-й и (i
+ 2)-й тиристоры]. При увеличении тока возбуждения формируются сдвоенные импульсы с интервалом 60°. Длительность этих импульсов (от 0,6 до 1,1 мс) определяется настройкой одновибратора ячейки ТС. Предусмотрен входной сигнал блокирования импульсов, по которому все выходные транзисторы переводятся в непроводящее состояние. В ячейке ТС установлен светодиод, который светится, если выходные импульсы разрешены.
На контрольные гнезда 3, 4 ячейки ТС по отношению к гнездам 2, 4, 6 (0 V
— ноль ИП) поступают: импульс Imp
1 длительностью 120°, фиксирующий момент формирования импульса управления первым тиристором, и импульс Imp
4 (то же для четвертого тиристора).
2.2.6 Ячейка цифрового вывода
DO
-
AT
96
(позиция ячейки A3) служит для вывода 32 дискретных сигналов. Выходные транзисторы включены по схеме с открытым коллектором и управляют выходными реле на 24 V, установленными в секции управления и регулирования. Питание реле производится от ИП регулятора. При работе регулятора в режиме off
-
line
все выходные сигналы ячейки блокируются. Микроконтроллер управляет состоянием выходных сигналов по шине АТ96.
2.2.7 Ячейка аналогового вывода АО
-АТ96
(позиция ячейки А4) служит для вывода аналоговых сигналов, управляющих стрелочными приборами для измерения U
g
(Usyn
— в режиме заводских испытаний), Uf
, If
, I
g
, установленных в СУР. В ячейке установлены два четырехканальных 12-разрядных ЦАП с диапазоном выходного напряжения от минус 10 до плюс 10 V
. Микроконтроллер управляет состоянием выходных сигналов по шине АТ96. Для измерения указанных величин на ячейке предусмотрены соответствующие гнезда.
2.2.8 Ячейка контроля регулятора М
R
(позиция ячейки А9) обеспечивает контроль уровней напряжений ИП, контроль длительности выполнения основного цикла программы (5 мс) и формирует сигналы состояния регулятора, которые устанавливаются в результате логической обработки информации, поступающей от контроллера. Сигналы состояния поступают на разъем Х5 регулятора и в контроллер.
В ячейке установлен гальванически развязанный ИП "24 V
/24 V
1" для питания входных цепей ячеек DI
-АТ96.
2.2.9 Ячейка перекрестных связей СС
(позиция ячейки А6) служит для организации электрических соединений между контроллером и периферийными ячейками. В ячейке установлены разъемы, к которым подключаются плоские кабели от контроллера и указанных ячеек. В ячейке установлен микропереключатель, который служит для задания конфигурации программного обеспечения конкретного регулятора (АРВ1 или АРВ2).
На ячейке имеются контрольные гнезда, на которые по отношению к гнездам 9, 10 (0 V
—
ноль ИП) подаются сигналы: Ф — меандр с периодом 0,25° напряжения синхронизации; PSI
—
импульс с периодом 15° напряжения синхронизации (длительность уровня "0" — время работы программы синхронизации); WR
— импульсы с периодом 60° напряжения синхронизации (срезы импульсов соответствуют моментам формирования импульсов управления тиристорами); Imp
5
mc
— импульсы с периодом 5 мс (длительность уровня " 1" — время работы программы регулирующего воздействия), а также сигналы интерфейсов CAN
, RS
-485, передатчика и приемника интерфейса RS
-232.
2.2.10 Объединительная плата ВВ-АТ96
содержит разъемы, в которые устанавливаются ячейки E
167-3U
М
, DI
-AT96, DO
-AT96, АО-
АТ96. Одноименные контакты этих разъемов объединены печатными проводниками. Внутренние слои четырехслойной печатной платы подключены к выводам + 5 V
и 0 V
блока PS
.
2.2.11 Блок питания
PS
обеспечивает питание аппаратуры регулятора от источника NFS
80-7606 фирмы Artesyn
. Источник питается от сети переменного напряжения 220 В и от сети постоянного напряжения 220 В (источник надежного питания). На выходах PS
формируются стабилизированные напряжения "+5 V
", "+15 V
", "-15 V
", "+24 V
". Для питания цепей входных дискретных сигналов используется гальванически изолированный источник "24 V
/24 V
1", установленный в ячейке MR
.
На блок PS
питание подается через выключатель S
1 с клеммника ХТ1 АРВ-М (таблица 3).
Таблица 3- Цепи питания, подаваемые на клеммник ХТ1
| Контакт
|
Сигнал
|
Назначение
|
| 1
|
+220 V
|
Положительный полюс источника бесперебойного питания
|
| 2
|
-220 V
|
Отрицательный полюс источника бесперебойного питания
|
| 3
|
^
|
Корпус, защитное заземление
|
2.2.12 Местный ПУ регулятора
LC
(позиция ячейки А11) установлен в нижней части кассеты и содержит семисегментный индикатор "ОШИБКА"; светодиоды "ВКЛ", "ГОТОВ", "ТЕСТ", "РАБОТА"; гнезда ЦАП1-ЦАП4, ^; переключатели "ТЕСТ", "ИМП", "РЕЛЕ", "БЛОК"; кнопку "СБРОС". Сведения о назначении элементов LC
приведены в разделе 4.
2.2.13 Конструктивно аппаратура регулятора размещается
в кассете фирмы RITTAL габарита 4U
конструктива "Евромеханика". В верхней части кассеты, закрытой фальш-панелью, размещены электронные ячейки габарита 3U
. Для организации связи между контроллером E
167-3UM
и ячейками цифрового ввода DI
-AT96, а также с ячейкой аналогового вывода АО
-АТ96 установлена объединительная плата ВВ-АТ96.
В нижней части кассеты установлен местный ПУ регулятора LC
габарита 1U
.
На задней стенке кассеты в верхней ее части установлен блок преобразователей токов и напряжений CVT
с клеммами для подключения цепей от ТН и ТТ. В нижней части кассеты установлен клеммник Х
T
1 для подключения цепей питания и заземления, выключатель питания S
1, а также разъемы X
1-X
12 для подключения внешних цепей.
Кассеты АРВ1 и АРВ2 устанавливаются в СУР СВ.
2.2.14 Для проверочных работ на ячейках
A
О
-АТ96, СС
, ТС
,
PAS
предусмотрены указанные выше контрольные гнезда, подключенные к контрольным точкам через резисторы 5,1 кОм.
2.2.15 В случае замены ячейки
(А1
¸
А11)
в процессе эксплуатации в новой ячейке должны быть установлены такие же, как на заменяемой ячейке, джамперы (перемычки); переключатели должны быть установлены в такое же положение [3].
2.2.16 Приведенная структурная схема
аппаратных средств позволяет выполнить все описанные в разделе 1.1 настоящих Методических указаний функции АРВ-М.
2.3 Выполнение узлами структурной схемы функций регулирования возбуждения и ограничения режимных параметров
В соответствии со структурной схемой аппаратных средств функции регулирования возбуждения и ограничения режимных параметров СВ и генератора осуществляются при подаче в АРВ-М режимных параметров U
g
-
А
, U
g
- В
, U
g
- С
, I
g
- В
, If
-
A
, If
- С
(питание ТП), Uf
, Usyn
(
Uv
)
- А
, Usyn
(
Uv
)
— В
; Usyn
(
Uv
) — С
. Эти параметры подаются от ТТ и ТН, от напряжения 380 В ТСН СВ, от напряжения ротора на блок CVT
(преобразователь LEM
для Uf
расположен не в CVT
,
а в силовой секции СВ — см. п. 2.2.2 настоящих Методических указаний). После CVT
, где происходит гальваническое разделение этих сигналов в преобразователях типа LEM
и их фильтрация, сигналы выпрямляются в блоке PAS
и поступают на входы АЦП процессора, где преобразуются в цифровые значения (резисторы в первичных и вторичных цепях LEM
блока CVT
обеспечивают допустимый линейный диапазон на входе ЦАП ±5 В).
Сочетание CVT
, PAS
и АЦП образует цифровые датчики напряжения статора, тока статора, тока ротора, напряжения синхронизации СИФУ, напряжения ротора и напряжения сети. На рисунках 3.3, 3.4 и в приложении А поясняются принципы работы датчиков, указаны номера параметров, выводимых на ПУ. Переменные, неизменяемые с экрана, имеют номера с префиксом V
(Variable
). Так, напряжение статора на выходе цифрового датчика обозначается V100 U
g
. Настройкам присвоены номера с префиксом T
(Tuning
); программным переключателям — Sw
(Switch
); битовым параметрам — В
(Bit
). Коэффициенты коррекции датчиков имеют префикс S
(Scale
), хотя на многих схемах обозначаются так же, как и настройка — T
. Датчики токов и напряжений выводятся на ПУ в относительных единицах (pu
). Единичным значениям соответствуют номинальные значения параметров.
Существенным является то, что, подавая на АРВ номинальное значение переменной (например, вторичное напряжение статора 100 В) воздействием с экрана на настройку, имеющую свой код, можно и необходимо установить на выходе цифрового датчика единицу. С экрана обеспечивается также симметрирование фаз напряжений и токов.
Помимо цифровых датчиков напряжения и тока статора, тока и напряжения ротора, напряжения синхронизации и напряжения сети с использованием имеющихся в этих датчиках преобразователей типа LEM
выполнены также цифровые датчики частоты напряжения и отклонения частоты, активной мощности и активного тока статора, реактивной мощности и реактивного тока статора (см. приложение А).
После выполнения преобразований в цифровых датчиках и подачи цифровых значений с выходов этих датчиков на соответствующие расчетные каналы все законы регулирования и ограничений выполняются процессором путем расчетов в расчетных ячейках MUL
(умножение), ADD
(сложение), DIV
(деление), FTR
(фильтрация), ITC
(интегрирование), ABS
(абсолютная величина), Derive
(дифференцирование), T
(триггер), S
T
/2 (синхронный суммирующий фильтр с периодом расчета 15°) и т.д. Законы регулирования и ограничения параметров кратко описаны в разделе 1.1 настоящих Методических указаний. Подробные схемы расчетных операций, обеспечивающих законы регулирования, приведены в приложении А и на рисунках 3.1 —3.4.
Для примера приводится описание только канала напряжения.
Из подаваемого на АРВ после электронного датчика напряжения значения величины V
100U
g
, пропорциональной напряжению статора U
g
(см. рисунок 3.1), в расчетном блоке SUB
вычитается значение, пропорциональное произведению реактивного тока статора Iq
на индуктивное сопротивление Xctrl
(изменяется с помощью параметра Т412, выводимого при необходимости на экран; умножение Iq
на Xctrl
выполняется в блоке MUL
). Произведение Iq
Xctrl
равно по значению 0,7—0,8 индуктивного сопротивления (е
k
%) блочного трансформатора. Уменьшение V100U
g
обеспечивает частичную компенсацию е
k
% блочного трансформатора с целью обеспечения на шинах электростанции статизма порядка 3—4% (при параллельной работе генераторов на шины станции без блочных трансформаторов произведение Iq
´ Xctrl
суммируется с U
g
и точка регулирования перемещается "вглубь" генератора). Далее полученное уменьшенное цифровое значение V
413 Ucontrl
сравнивается в расчетной ячейке SUB
с уставкой регулятора напряжения Set
U
g
, значение которого определяется оператором при ручном управлении (больше, меньше) в нормальном режиме работы автоматикой (расчетными схемами): программного пуска при начальном возбуждении, точной синхронизации (U
g
= Ubar
), останова агрегата с разгрузкой по реактивной мощности (Q
→
0), а также работой регуляторов поддержания Q
и cos
j (см. рисунок 3.2).
Разность U
g
и Set
U
g
, обозначаемая как DU
, умножается на коэффициент усиления канала напряжения K
0U
(изменяется с помощью параметра Т410 K
0U
, выводимого при необходимости на экран) и подается на общий ПИ канал регулирования ОКР. На вход ОКР (V
535 ´ Cmn
Cnl
) при работе регулятора в автоматическом режиме поступает сумма сигналов канала напряжения DU
и канала системной стабилизации. При работе ограничения перегрузки, максимального и минимального возбуждения; ручного управления; возбуждения при заводских испытаниях сигнал соответствующего канала замещает сигнал канала напряжения (при ограничении перегрузки и минимального возбуждения на вход ОКР также включен канал системной стабилизации; в остальных случаях этот канал отключается вместе с каналом напряжения). Такой принцип "селективности" помогает исключить противодействие каналов друг другу, резко улучшить качество переходных процессов при ограничениях.
При малых частотах (установившийся режим, режим изменения уставки и т.д.) коэффициент усиления ОКР близок к ¥ и напряжение в точке регулирования поддерживается астатически. При возникновении электромеханических колебаний с частотой 0,3 — 2 Гц коэффициент усиления ОКР плавно уменьшается до единицы и суммарный коэффициент разомкнутой системы регулирования становится равным выбранному выше коэффициенту усиления канала K
0U
.
В АРВ-М значение расчетного напряжения выхода регулятора yRe
g
, определяемое воздействием со стороны энергосистемы, пересчитывается в соответствии с формулой Alfa
Re
g
= arccos
(yReg
/
Ceil
), т.е. каждому значению напряжения выхода соответствует пересчитываемый по этой формуле угол управления ТП. Настройка Т525 Ceil
выбирается так, чтобы при номинальном напряжении ротора выход регулятора yRe
g
был бы равен единице. Эта арккосинусоидальная зависимость позволяет получить линейную зависимость Uf
= f
(yRe
g
), так как зависимость Uf
от угла управления ТП является косинусоидальной функцией. Выходное значение 720А
lf
а
(текущее значение угла a для первого плеча ТП) через ячейку СС поступает на ячейку ТС, в которой образуется 6 сдвинутых на 60° оптоизолированных импульсов управления. Через разъем Х
6 импульсы поступают на кассету выходных импульсных формирователей СУР, откуда подаются на тиристоры соответствующих плеч ТП, обеспечивая регулирование возбуждения при изменении напряжения в сети.
2.4 Выполнение узлами структурной схемы технологических функций
В соответствии со структурной схемой аппаратных средств технологические функции АРВ-М (команды оператора или автоматики на возбуждение, гашение, переключение каналов, подгонку напряжения генератора к напряжению сети, разгрузку генератора по реактивной мощности при отключении генератора, Q
→
0), а также функции защит СВ (см. раздел 1.1.4) и защит генератора осуществляются при подаче дискретных сигналов на разъемы X
1, Х
2, Х
11 (см. рисунок 6). Предусмотрена подача входных сигналов не через разъемы X
1, X
2, X
11, а от АСУ ТП, через интерфейс RS
-485 и разъем Х
10 (в настоящее время не используется).
Сигналы состояния СВ и команды на выполнение регулятором функций управления с разъемов X
1, Х
2, X
11, как сказано выше, поступают на входы трех 16-канальных ячеек дискретного ввода DI
-AT96. Входные дискретные сигналы подвергаются логическому анализу на непротиворечивость и соответствие состоянию генератора и СВ. Для выявления неидентичности состояния дискретных сигналов, поступающих от одного источника на входы регуляторов АРВ1 и АРВ2, предусмотрен обмен информацией между ними по интерфейсу CAN
.
Входные дискретные сигналы АРВ предварительно подаются сухими контактами на клеммник Х
Т3 СУР (при замыкании и размыкании контактов значительная часть сигналов подается импульсом не менее 1 с). Контролируется поступление сигналов по свечению светодиодов в соответствующих оптопарных модулях UH
или по состоянию реле KL
в СУР.
Выходные дискретные сигналы поступают от 32-канальных ячеек дискретного вывода DO
-AT96 (см. рисунок 6) к разъемам Х
3, Х
4. Выходные транзисторы этой ячейки управляют реле, установленными в секции управления и регулирования СУР. Если регулятор отключен или находится в горячем резерве, то его дискретные сигналы, формируемые ячейкой DO
-AT96, блокированы.
Сигналы состояния регулятора, формируемые ячейкой MR
, выводятся на разъем Х
5. Эти сигналы не блокируются при любом состоянии регулятора. Дублированные сигналы "Канал в работе" (Х
5:5, Х
5:18), "Готовность к возбуждению" (Х
5:7, Х
5:20), "Неисправность" (Х
5:7, Х
5:20) и "Отказ канала" (Х
5:8, Х
5:21) формируются отдельными транзисторами, включенными по управлению параллельно, что позволяет их использовать в различных цепях СУР. Сигналы "Неисправность" и "Отказ канала" управляют реле с нормально замкнутыми контактами. Про их отображение на экране см. раздел 3 настоящих Методических указаний.
Выходные дискретные сигналы АРВ выводятся на клеммник Х
Т4 СУР и формируются переходными контактами выходных реле. Релейный модуль К имеет световую индикацию, по которой можно контролировать наличие сигнала.
Перечень входных и выходных дискретных сигналов АРВ-М с необходимыми пояснениями, а также присоединения к разъемам Х
5-Х
11 приведены в приложении Б.
2.5 Выполнение функций контроля, диагностики, сервиса
В соответствии со структурной схемой аппаратных средств (см. рисунок 6) контроль аппаратуры канала и диагностика отказов (см. раздел 1.1.5), а также сервисные функции (см. раздел 1.1.6) осуществляются путем передачи информации от АРВ-М к местному ПУ регулятора LC
с помощью интерфейсной связи SPI
и информации от АРВ-М к местному ПУ (ПЭВМ) в СУР с помощью интерфейсной связи RS
-232.
3 МЕТОДЫ ОБСЛУЖИВАНИЯ АРВ-М В СОСТАВЕ СУР ДВУХКАНАЛЬНОЙ СТС ОАО "ЭЛЕКТРОСИЛА" С ПОМОЩЬЮ МЕСТНОГО ПУ СУР
3.1 Секция управления и регулирования
, входящая в состав единого щита возбуждения, обеспечивает совместно с другим оборудованием СВ все функции СВ: технологические, регулирования, ограничения режимных параметров генератора и СВ, управления и защиты ТП, контроля и диагностики отказов, сервисные. При этом все функции осуществляются микропроцессорами регуляторов (рабочим АРВ1 и резервным АРВ2) и ТК как по отдельности, так и совместно. Функции регулирования и ограничения режимных параметров генератора и СВ выполняют микропроцессоры АРВ-М; технологические функции, функции управления и защиты ТП, контроля аппаратуры и диагностики отказов, сервисные функции СВ выполняют совместно микропроцессоры АРВ-М и ТК.
На рисунках 7 и 8 показаны шкаф СУР (вид спереди с открытой передней дверью) и внешний вид местного ПУ СУР. Шкаф СУР состоит из двух цифровых регуляторов (АРВ-М), местного ПУ, кассеты питания, двух кассет выходных формирователей, вспомогательного оборудования. Местный ПУ содержит ТК с платами расширения и дисплей для осуществления функций контроля и отображения информации о состоянии СВ и генератора, заданных и текущих параметров возбуждения; органы управления и сигнализации для местного управления СВ; контрольно-измерительные приборы (питание от АРВ-М).
На ПУ с помощью светодиодов осуществляется сигнализация неисправности каналов ("Неисправность канала 1", "Неисправность канала 2"), общая сигнализация неисправности СВ ("Неисправность системы возбуждения", т.е. в том числе и элементов, общих для обоих каналов). Сигнал о неисправности канала 1 свидетельствует о неисправности АРВ1, вторичных ИП с индексом 1, тиристорных мостов первого канала. Подробнее неисправности первого и второго каналов и обобщенный сигнал о неисправности СВ расшифровываются на экране дисплея ПУ, а также на местном пульте АРВ-М.
С помощью ключей ПУ, сигнализация положения которых также выполняется с помощью светодиодов, осуществляется выбор работы каналов ("Канал 1", "Канал 2"); местного и дистанционного управления ("Дистанц.", "Местное"); автоматического или ручного режима работы системы ("Авт." или "Ручн."), режимов поддержания постоянными Q
или cos
j ("Q
" или "cos
j"), режима гашения и возбуждения ("Гашение" или "Возбужд."). С помощью ключа на пульте также осуществляется увеличение или уменьшение уставки возбуждения ("Меньше", "Больше"), а соответствующими светодиодами осуществляется фиксация конечных положений уставки ("MIN
", "МАХ
"). При выбранном дистанционном режиме работы заблокировано действие ключей ПУ, в местном режиме работы на входном клеммнике заблокированы дистанционные сигналы, поступающие на АРВ.

Рисунок 7 - Шкаф СУР. Вид спереди с открытой дверью
Из рисунка 8 также очевидны показания контрольно-измерительных приборов в процентах от номинальных значений (напряжения Uf
и тока If
ротора, напряжения U
g
и тока I
g
статора; сигналы на приборы подаются от ЦАП АРВ-М через разъем Х
5 регулятора).
Описания кассеты контроля выпрямителя, кассеты выходных формирователей импульсов, кассеты питания, а также входных и выходных сигналов СУР приводятся в заводской инструкции и используются в настоящих Методических указаниях только в части, касающейся АРВ-М (входные и выходные сигналы АРВ-М приведены в приложении В).

Рисунок 8 — Внешний вид ПУ
3.2 Основным средством общения с персоналом
, обслуживающим СВ (интерфейс оператора), является расположенный на местном ПУ (см. рисунок 8) сенсорный дисплей, у которого экран совмещен с программируемой клавиатурой. Отображение информации базируется на системе экранов, вызов которых на дисплей производится различными способами.
Экраны состоят из полей, индикаторов и кнопок.
Кнопка
представляет собой прямоугольник с утолщенными нижней и правой границами и обозначением внутри прямоугольника. Кнопки подразделяются на обычные и подсвечиваемые. Подсвечиваемые кнопки изображают обычно негативную информацию, свидетельствуют о том, что их надо нажать для получения дальнейшей информации.
Индикаторы
подразделяются на индикаторы уровня и индикаторы состояния. Индикаторы уровня отображают обозначение параметра, его численное значение и графическое представление его величины. Индикаторы состояния представляют собой текст или значок, изображаемый или неизображаемый в зависимости от состояния системы.
Поле
— это элемент экрана, на котором постоянно присутствует информация. Поля представляют собой участки экрана, обведенные линией одинарной толщины, и не являются кнопками.
3.3 Основным экраном
является экран состояния СВ и генератора (рисунок 9). Он появляется на дисплее сразу после подачи питания на СУР, через некоторое время исчезает, вызывается при необходимости при нажатии на любую точку экрана. Технологический контроллер по последовательному интерфейсу от каждого регулятора принимает блок информации для вывода на дисплей сообщений о неисправностях регуляторов АРВ1 и АРВ2. Этот же ТК фиксирует и отображает в виде сообщений все неисправности в СВ. Экран состоит (см. выше) из полей, индикаторов состояния и уровня, обычных и подсвечиваемых кнопок.

Рисунок 9 - Экран состояния СВ и генератора
Поле основного экрана состояния СВ и генератора включает в себя "Канал 1" и "Канал 2". Поле работающего, активного канала подсвечивается: "Авт. рег. U
g
", "Ручн. рег. If
", "Авт. рег. Q
", "Авт. рег. cos
j". При отключении системного стабилизатора на поле возникает индикатор "PSS
откл."; при неготовности канала после подачи питания на СУР, перед возбуждением появляется подсвечиваемая кнопка "Не готов". Разрешение переключения каналов изображается на поле разомкнутым (разрешено) и замкнутым (не разрешено) замком. Состояние генератора ("В сети", "Возбужден", "Не возбужден") и индикаторы состояния ("Перегрузка", "ОПР", "ОПС", "ОМВ") появляются в соседнем участке поля. В верхней части экрана имеются индикаторы уровня Uf
, If
, P
, Q
, cos
j.
На экране имеются обычные кнопки ("Дата", "Время", "Меню", "История", "ННВ") и подсвечиваемые кнопки ("Неисправность возбуждения", "Не готов"). При нажатии на кнопки вызывается соответственно экран коррекции даты, экран коррекции времени, экран главного меню, экран истории событий, экран сообщений о неисправностях первого уровня, экран просмотра причин неготовности.
3.4 Информация о неисправностях
разбита на несколько уровней детализации.
Расшифровка неисправностей и неготовности, их отображение и разделение на первый, второй, третий и четвертый уровни детализации приведены в приложении В.
Поиск неисправности начинается путем нажатия на подсвечиваемую кнопку основного экрана состояния СВ и генератора "Неисправность возбуждения
" (аналогично при подсвечивании кнопки "Не готов
" или появлении кнопки "ННВ
" после нажатия на эти кнопки выясняется причина неготовности или неуспешного начального пуска). При этом вызывается экран сообщений о неисправностях первого уровня (рисунок 10). Он представляет собой блок-схему СВ из кнопок и индикаторов (индикаторы — низший уровень, когда для дальнейшей расшифровки других экранов не требуется). При неисправности на блок-схеме подсвечивается соответствующая кнопка, нажатием на которую вызывается экран второго уровня либо соответствующий индикатор с поясняющей надписью. На этой блок-схеме имеется кнопка "Сброс" для квитирования неисправности после ее устранения.
Если неисправен АРВ1 или АРВ2 либо ряд других узлов СВ, то нажатием на соответствующую подсвечиваемую кнопку экрана первого уровня вызываются экраны второго и третьего уровней, на которых расшифровываются неисправности (см. таблицу В.1 приложения В). Сообщение о неисправностях, для уточнения которых не требуются экраны других уровней, приведены в таблице В.2, сообщения о неготовности — в таблице В.3, о неуспешном возбуждении — в таблице В.4 приложения В.

Рисунок 10 - Отображение сообщений о неисправностях первого уровня
В текстовом виде отображаются сообщения второго и ряд сообщений третьего уровня, сообщения о неготовности и неуспешном возбуждении. Все возможные текстовые сообщения пронумеровываются (слева от каждого сообщения изображена кнопка с порядковым номером). При наличии неисправности подсвечивается соответствующая кнопка (если на экране помещаются не все сообщения данного уровня, то кнопкой "¯" вызываются следующие страницы, возврат в предыдущую страницу производится кнопкой ""). Возврат к предыдущему уровню осуществляется кнопкой "Возврат".
В графическом виде изображаются сообщения о координатах неисправных элементов, координатах сигналов на входе АРВ, не соответствующих режиму.
Так, в таблице В.5 приложения В показаны разъемы кассет АРВ1 и АРВ2, на которые поступают входные дискретные сигналы. Если эти сигналы не соответствуют режиму генератора, то соответствующие контакты разъемов подсвечиваются (например, контакт 4 разъема X
1 в таблице В.5). Графически изображаются неисправные тиристорные мосты, тиристоры, R-C-цепи, предохранители. На всех этих экранах имеется кнопка "Возврат" для выхода в предыдущий уровень. Таблицы В.1-В.5 приложения В позволяют определить все неисправности в АРВ-М и других узлах возбуждения.
Для анализа возникновения неисправностей или аварий предусмотрен экран просмотра истории событий. В меню этого экрана выходят при нажатии кнопки "История" на экране состояния СВ и генератора (см. рисунок 9).
3.5 Сенсорный дисплей ПУ
(см. рисунки 7 и 8) помимо определения всех причин неисправностей, отказов и неготовности оборудования (см. п. 3.4 настоящих Методических указаний) позволяет выполнять "с экрана" наладку и настройку АРВ, проверку цепей управления при наладке, настройку других функциональных узлов СВ; эксплуатационные проверки АРВ-М, ТП и других узлов силовой схемы, а также выбор структурных и принципиальных схем СВ (проектирование).
Для этого, как уже упоминалось, предусмотрена система сервисных экранов (экранов, совмещенных с программируемой клавиатурой, вызываемых на дисплей).
Эти экраны используются для:
— настройки
коэффициентов и уставок АРВ1 или АРВ2, проверки схем соединения цепей регулирования возбуждения, правильности подачи сигналов на АРВ-М, проверки цепей управления, вывода на осциллограф значений различных параметров АРВ-М, СВ, генератора и других проверочных и наладочных работ;
— просмотра
токов в тиристорах (при несимметричном распределении появляется сигнал), проверки работы вентиляторов охлаждения тиристоров, исправности RC
-цепей; сброса сигнализации в АРВ-М (эксплуатационные проверки);
— выбора режима
управления через дискретные входы или по последовательному интерфейсу при наличии на электростанции АСУ верхнего уровня;
— выбора действия
выходных сигналов СВ при неисправностях (ограничение режима, отключение АГП или формирование выходного сигнала "Аварийный останов"), т.е. выполнения проектных работ.
3.5.1 Вход в главное меню
сервисных экранов (рисунок 11) осуществляется нажатием кнопки "Меню
" на экране состояния СВ и генератора (см. рисунок 9). Нажатием на кнопки экрана главного меню сервисных экранов "Настройка АРВ1" или "Настройка АРВ2" осуществляется вызов экрана режима, на котором изображены режимные параметры генератора и СВ, измеряемые регулятором. На экране режима есть кнопки "Меню
" — для перехода в экран меню регулятора и "Возврат" — для перехода в главный экран состояния СВ (см. рисунок 9).
Параметры, выводимые на экран режима, приведены ниже в таблице 4.
Пример реального изображения экрана режимных параметров, вызываемого кнопками "Настройка АРВ1" или "Настройка АРВ2", приведен в таблице 5.

Рисунок 11 — Экран главного меню
Таблица 4 -Экран режимных параметров генератора и СВ
| Обозначение
|
Единица измерения
|
Наименование
|
| Set
U
|
pu
|
При регулировании напряжения
|
| Set Q
|
pu
|
При регулировании реактивной мощности
|
| Set Cos
|
pu
|
При регулировании cosj со знаком реактивной мощности
|
| Set If
|
pu
|
При ручном регулировании тока ротора
|
| U
g
|
pu
|
Напряжение генератора
|
| If
|
pu
|
Ток ротора
|
| Q
g
|
pu
|
Реактивная мощность
|
| CosPhi
|
pu
|
Cosj со знаком реактивной мощности
|
| Usyn
|
pu
|
Напряжение синхронизации СИФУ
|
| Alfa
|
g
rad
|
Угол управления ТП
|
| F
g
|
Hz
|
Частота напряжения генератора
|
| Uf
|
pu
|
Напряжение возбуждения
|
| P
g
|
pu
|
Активная мощность
|
| I
g
|
pu
|
Ток статора
|
| Fsyn
|
Hz
|
Частота напряжения синхронизации
|
| Ubar
|
pu
|
Напряжение сети
|
Пример реального изображения
Таблица 5- Реальное изображение экрана режимных параметров при работе в режиме ручного регулятора

Нажатием на кнопку "Меню" экрана режимных параметров переходят в экран меню регулятора.
3.5.2 Экран меню регулятора
имеет кнопки для перехода в другие экраны, изображенные на рисунке 12:
— MAIN
— экран режима СВ;
— TUNE
— экраны настроек и переменных;
— DAC
— экран управления выводом переменных на ЦАП.
На каждом из перечисленных экранов имеется кнопка "Меню", при нажатии на которую происходит выход в меню регулятора, и "Возврат" — для перехода в главный экран состояния СВ.
Рисунок 12 - Сенсорные экраны для проверки и настройки АРВ:
а
— экран переменной; б
— экран настройки; в
— экран коррекции датчика;
г
— экран битовой переменной; д
— экран ЦАП
3.5.3 Экраны "
MAIN
"
, "
TUNE
"
, "
DAC
предназначены для настройки регулятора.
Выводимым на них параметрам присвоены номера от 000 до 999 (п. А.1 приложения А).
Принята следующая классификация этих параметров:
Переменная
- параметр, значение которого не может изменяться с экрана.
Настройка
- параметр, значение которого может быть изменено с пульта в заданном диапазоне. Исходные значения настроек, устанавливаемых после включения питания регулятора (СУР), хранятся в энергонезависимой памяти. После изменения с экрана настройка может быть сохранена в этой памяти. Тогда после включения питания она будет исходной. Частным случаем настройки является программный переключатель (Switcy
), принимающий значения 0 или 1.
Коррекция датчика
, похожая на настройку, также хранится в энергонезависимой памяти, но соответствующий экран отличается ограниченным набором кнопок для ее изменения. Коррекция аналогового датчика — это коэффициент, на который умножается результат аналого-цифрового преобразования.
Битовая переменная
. Выводится на экран в виде восьми двоичных разрядов и в оговоренных случаях может поразрядно меняться с помощью клавиатуры. Примером битовой переменной является состояние дискретных сигналов, поступающих на вход регулятора.
Пустой параметр
, т.е. параметр с резервным номером. Если этот параметр является активным, то его наименование на экран не выводится.
Скрытый параметр
. Параметр не относится к данному проекту АРВ-М При необходимости его визуализации и дальнейшего использования разработчиком или квалифицированным наладчиком переключатель Sw
998 AllView
следует установить равным единице.
Каждому из указанных параметров соответствует свой экран.
3.5.4 Экран "
MAIN
"
отображает все измеряемые АРВ режимные параметры генератора.
3.5.5 При нажатии кнопки "
TUNE
"
, если активным параметром является переменная или пустой параметр, экран имеет вид, изображенный на рисунке 12, а
(экран переменной
).
Экран имеет в верхнем левом углу расположенные вертикально четыре кнопки. При нажатии на первую кнопку происходит ее активизация, что проявляется появлением внутри кнопки значка "*".
Задание требуемой переменной (см. приложение А) осуществляется с помощью цифровых кнопок, расположенных в правой части экрана. Вводимый номер отображается внутри кнопки, содержащей значок "*". Справа от кнопки на поле экрана появляется название переменной и ее значение в относительных единицах.
Аналогично активизируется вторая кнопка (значок "*" перескочит на нее), выбирается в этой кнопке вторая переменная, а во второй строке появляются название и значение второй переменной. Таким образом, можно выбрать и одновременно наблюдать четыре переменные. Место, в которое выводится значение переменных, обведено пунктиром. Номер переменной можно вводить не только цифрами, но и вводом следующего активного параметра с помощью кнопок "", "¯".
В качестве примера приведено отображение переменной U
g
(напряжение статора) с номером 100.
Для выхода в экран состояния системы возбуждения нужно нажать кнопку "Возвр".
Для выхода в меню АРВ-М надо нажать кнопку "Меню
".
3.5.6 Если активным параметром является настройка коэффициентов усиления либо программный переключатель, то экран имеет вид, изображенный на рисунке 12, б
(также предварительно нажата кнопка "TUNE
"). Это экран настройки
. В качестве примера приведен коэффициент усиления по каналу напряжения при частотах электромеханических колебаний в энергосистеме K
0U
, значение которого может изменяться специальными дополнительными кнопками в нижней части экрана. Дополнительно на экран выводятся следующие кнопки:
— "+1000...+0,001
" - для увеличения настройки на соответствующее значение (при достижении настройкой максимального значения выводится символ <);
— "-1000....-0,001
" — для уменьшения настройки на соответствующее значение (при достижении настройкой минимального значения выводится символ >);
— "= 0
" — для присвоения настройке нулевого значения (или минимального значения при положительном минимуме);
— "= М
" — для возврата настройки к исходному значению, хранимому в энергонезависимой памяти;
— "Fix
" — для запоминания всех настроек и коррекции датчиков (см. ниже) в энергонезависимой флэш-памяти для использования их в дальнейшем в качестве исходных (продолжительность операции составляет около 1с).
После завершения программирования флэш-памяти номер версии настроек V002 Ver
Tunes
увеличивается на единицу и автоматически выводится на экран в строку, следующую за строкой с активным параметром.
3.5.7 Если активным параметром является параметр коррекции датчика, то экран имеет вид, изображенный на рисунке 12, в (также предварительно нажата кнопка "TUNE
"). Это - экран коррекции датчика
. Экран похож на экран настройки, но количество кнопок для коррекции датчика уменьшено (изображение экрана определяется в данном случае подаваемой на него величиной). Для коррекции выводится сначала код переменной, а затем код коррекции датчика этой переменной. Значение коэффициента коррекции, изображаемое на поле экрана справа от кода, изменяется и фиксируется аналогично изложенному выше.
3.5.8 Если активной является битовая переменная, то экран имеет вид, изображенный на рисунке 12, г
(для вызова экрана также предварительно нажата кнопка "TUNE
"). Это - экран битовой переменной
. Пользоваться экраном можно только при работе регулятора в режиме тестирования, т.е. при наладке (проверке действия схем) в исключительно оговоренных случаях. Практически этим экраном можно будет пользоваться после разработки инструкции по наладке.
Дополнительно к постоянной части экрана выводятся кнопки "0...7
" для набора нового значения битовой переменной. На изображения этих кнопок выводятся двоичные значения соответствующих разрядов. При нажатии на кнопку изменяется значение соответствующего разряда "0 « 1". Кроме того, выводятся:
— кнопка "= 0
" — для задания нового значения переменной, равного нулю;
— кнопка "= М
" — для задания набора, равного исходному значению переменной;
— кнопка "WR
" — для присвоения переменной нового значения.
Фактически этот экран предназначен для проверки цепей входных и выходных дискретных сигналов, подключенных к разъемам X
I -Х
4 АРВ-М. Например, надо проверить, что подается команда на включение канала 1 (X
1:4, B
890
DI
1
L
:6
). Согласно заводской таблице эти цепи подключены к разъему X
1:4, соответствует этим цепям разряд 890 DI
1L
:6. Активизируем первую кнопку и набираем код 890. Рядом на поле появляется часть обозначения разряда DI
1L
, а около этого обозначения высвечиваются цифры, соответствующие входному сигналу (или его отсутствию). Приводим в сработанное положение реле команды перехода на канал 1, т.е. подаем сигнал на разъем X
1:4. Изменение одной из цифр рядом с обозначением разряда DI
1
L
(с 0 на 1 или наоборот) будет свидетельствовать о поступлении сигнала на вход АРВ-М. Таким образом при кодах входных дискретных сигналов 890, 891, 892, 893 можно проверить цепи управления и автоматики. При этих операциях по проверке входных сигналов не допускается нажатие на кнопки "0....7
" для поразрядного набора нового значения переменной.
При кодах выходных дискретных сигналов 920, 921, 922, 923 для проверки цепей также активизируется первая кнопка, набирается код и на поле появляется часть разряда, а рядом цифры, соответствующие выходному сигналу. Нажатием на одну из кнопок поразрядного набора под обозначениями "0...7
" с последующим нажатием на кнопку "WR
" выполняем одну из операций (например, включение КНВ, Х
3:3, B
920
D
01
L
:4
, т.е. для проверки нажимаем на кнопку "4"). При этом под кнопкой поразрядного набора появляется "1 (0 « 1)" и происходит включение контактора. Работает местная сигнализация, сигнализация на БЩУ и т.д.
3.5.9 При нажатии на экране меню регулятора кнопки "DAC
" появляется экран ЦАП
(см. рисунок 12, д
).
В состав микроконтроллера АРВ-М входят четыре 12-разрядных ЦАП, имеющие диапазон выходного напряжения от минус 5 до плюс 5 В. Квант выходного напряжения составляет 10/4096 - 2,44 мВ. Выходы этих преобразователей подключены к гнездам "ЦАП1-ЦАП4
" местного регулятора через защитные резисторы 5,1 кОм.
С помощью этого экрана на входы ЦАП подаются переменные, вычисляемые программой регулятора. Подключив осциллограф к этим гнездам, можно наблюдать изменение переменных в реальном времени.
Для пользования экраном сначала нажимаем на кнопку "DAC
1
", чем назначаем (активизируем) ЦАП1, что проявляется появлением символа "*". Кнопке "DAC
1
" соответствует на поле строка справа от нее. На это поле нажатием на расположенные в правом углу экрана кнопки 1 - 9 выводим номер переменной, которую собираемся осциллографировать (например, 100). В этой же строчке в виде десятичного числа автоматически выводится код ячейки памяти, в которой хранится переменная. Для большинства переменных номинальному значению (pu
) соответствует код 1000. Признаком номера переменной является символ "#". При выборе битовой переменной отображаются номер разряда и его значение (от 0 до 7). Единичному значению разряда соответствует напряжение, равное 0,5 В.
Строка "INPUT
" служит для ввода номера переменной в поле "Число".
Для масштабирования переменных предусмотрен сдвиг их кода перед записью в регистр ЦАП влево (<<) или вправо (>>) на заданное количество разрядов. Ниже приведены масштабы в зависимости от числа и направления сдвигов при условии, что 1 pu
соответствует код 1000 (таблица 6).
Таблица 6 - Масштабирование переменных при работе с экраном ЦАП
| Число сдвигов
|
0
|
1
|
2
|
3
|
4
|
| Масштаб при сдвиге >>, VI
ри
|
2,44
|
1,22
|
0,61
|
0,31
|
0,15
|
| Масштаб при сдвиге <<, VI
pu
|
2,44
|
4,88
|
9,76
|
19,53
|
39,06
|
Число сдвигов изображается в одной строчке с номером переменной в виде десятичного кода. После появления номера переменной в стоке "INPUT
" следует нажать кнопку "Р
" (задание номера переменной, равного трем последним цифрам введенного числа).
Кнопки "0....
F
" и кнопка "М
" используются только программистом.
Для смещения изображения переменной вверх или вниз на экране осциллографа предусматриваются кнопки:
— « » — для увеличения смещения напряжения ЦАП на 0,5 В;
— « » — для уменьшения смещения напряжения ЦАП на 0,5 В;
— « » — для автоматического выбора смещения, центрирующего луч на экране осциллографа;
— « » — для исключения смещения.
При первом выводе переменной на ЦАП (при замыкании кнопки "Р
") автоматически вводится смещение, равное значению этой переменной, т.е. луч осциллографа центрируется.
Период вывода переменных на ЦАП задается следующими программными переключателями:
— Sw
820 DAC
5ms
— вывод с периодом 5 мс, синхронизированный с программой вычисления регулирующего воздействия (устанавливается по умолчанию);
— Sw
821 DAC
sync
—
выводе периодом 15° напряжения синхронизации.
Выбор положения переключателей производится с экрана настройки (на этом экране используются кнопки " = М" и " + 1").
Аналогично последовательно выводятся на ЦАП и осциллограф другие переменные значения, вычисляемые программой регулятора: сначала на DAC
1
, затем на DAC
2
и т.д.
4 МЕТОДЫ ОБСЛУЖИВАНИЯ АРВ-М С ПОМОЩЬЮ МЕСТНОГО ПУ РЕГУЛЯТОРА
LC
4.1 Кроме сенсорного экрана на СУР диагностическая информация выводится
на местный ПУ регулятора LC
в нижней части кассеты регулятора.
На LC
установлены:
— семисегментный индикатор "ОШИБКА
" — для вывода диагностической информации;
— переключатели "ТЕСТ
", "ИМП
", "РЕЛЕ
", "БЛОК
" — для управления состоянием регулятора;
— светодиоды "ВКЛ
", "ГОТОВ
", "ТЕСТ
", "РАБОТА
" - для отображения состояния регулятора;
— разъем "RS
-232
" — для подключения персонального компьютера;
— гнезда "ЦАП1...ЦАП4
", "^
" — для подключения осциллографа к выводам ЦАП; с помощью ПУ в СУР на входы этих преобразователей могут быть поданы различные переменные, вычисляемые при выполнении программы (см. раздел 3 настоящих Методических указаний);
— кнопка "СБРОС
" — для перезапуска программы. При ее замыкании регулятор блокирует выходные сигналы на время от 1 до 2 с и устанавливает исходные значения настроек, хранимых в энергонезависимой памяти. Для защиты от несанкционированного вмешательства эта кнопка установлена внутри пульта.
4.2 На семисегментный индикатор "ОШИБКА" выводятся
коды диагностической информации шести видов:
— "Ann
" — предупредительная сигнализация с номером пп (
Alarm
);
— "b
пп
" — катастрофический отказ (Break
);
— "Cnn
" — условный отказ;
— "Fnn
" — частичный отказ;
— "Lnn
" — ограничение режима (Limit
);
— "Unn
" — неготовность к возбуждению (Unready
).
Код информации на индикаторе выводится последовательным миганием буквы (A
, b
, L
, U
) и двух цифр. Так, сообщение А04 будет видно как последовательное мигание А, 0, 4
Неисправности А01-А08 не препятствуют начальному возбуждению. При неисправностях с остальными кодами возбуждение запрещено. Значения неисправностей, соответствующих указанным обозначениям, различаются для различных СВ (тиристорной, бесщеточной и т.д.).
Пример таблицы сигналов отказа, ограничения, неготовности, выводимых на семисегментный индикатор для одной из СВ, приведен в приложении Г.
4.3 Работа АРВ-М может быть оценена
по светодиодам на LC
.
Если светодиод "ВКЛ
" светится, то регулятор управляет возбуждением генератора; если светится светодиод "ГОТОВ
", то регулятор исправен. Светодиод "ТЕСТ
" светится, если регулятор работает в тестовом режиме. Если этот светодиод мигает, то регулятор работает в режиме заводских испытаний.
Мигание светодиода "РАБОТА
" с частотой 1 Гц свидетельствует о нормальной работе процессора.
4.4 Переключатели "ТЕСТ", "ИМП", "РЕЛЕ", "БЛОК" пульта
LC
используются
для режима проверки и настройки АРВ-М и для режима заводских испытаний, который может быть использован для эксплуатационных проверок.
4.4.1 Переключатель "ТЕСТ
", установленный в верхнее положение перед включением питания или перед замыканием кнопки "СБРОС
", переводит регулятор в режим тестирования или в режим заводских испытаний. При этом:
— если переключатель "БЛОК
" установлен в верхнее положение, а переключатели "ИМП
" и "РЕЛЕ
" в нижнем положении, то регулятор настроен на работу в режиме тестирования (переключатели "ТЕСТ
" и "БЛОК
" — в верхнем положении; "ИМП
" и "РЕЛЕ
" — в нижнем);
— если переключатели "БЛОК
", "ИМП
" и "РЕЛЕ
" установлены в нижнее положение, то регулятор будет настроен на работу в режиме заводских испытаний ("ТЕСТ
" — в верхнем положении). При других положениях переключателей регулятор будет настроен на работу в обычном режиме.
Переключатель "ИМП
" (нижнее положение) служит для разрешения (деблокирования) импульсов управления в режиме тестирования. В этом режиме: при отсутствии напряжения синхронизации период следования импульсов будет соответствовать номинальной частоте; при поданном напряжении синхронизации и исправности цепей синхронизации с этим напряжением импульсы будут синхронизированы; при неисправных цепях синхронизации импульсы будут блокированы и на семисегментный индикатор выводится диагностическая информация. Не следует одновременно разрешать импульсы на обоих регуляторах. В других режимах работы регулятора переключатель "ИМП
" не действует.
Переключатель "РЕЛЕ
" (верхнее положение) при работе в режиме тестирования служит для разрешения выходных дискретных сигналов ячейки DO
-AT96, управляющих реле, установленных в СУР. Не следует одновременно разрешать выходные дискретные сигналы на обоих регуляторах. В других режимах работы АРВ-М этот переключатель не действует.
Переключатель "БЛОК
" при установке его в верхнее положение и работе в обычном режиме или режиме заводских испытаний блокирует выходные дискретные сигналы и импульсы управления тиристорами (имитация катастрофического отказа). Управление передается резервному регулятору. В режиме тестирования регулятора этот переключатель не действует.
4.4.2 При режиме тестирования (см. п. 4.4.1 настоящих Методических указаний) выполняются работы по проверке и настройке аппаратуры АРВ-М и СВ. При этом о работе тестирования свидетельствует свечение светодиода "ТЕСТ". Рекомендуется при проверках перевести в режим тестирования оба регулятора либо снять питание с другого регулятора.
Проверки производятся при остановленном генераторе.
В режиме тестирования может проверяться следующий объем функций АРВ-М:
— ввод дискретных сигналов; состояние входных дискретных сигналов может быть выведено на экран (параметры В890....В895); проверка схемы подачи и прохождения этих сигналов на АРВ-М от их источников — например, от ключа управления на БЩУ (см. раздел 3 настоящих Методических указаний);
— проверка и предварительная настройка цифровых датчиков режимных параметров (соответственно должны подаваться на входы от посторонних источников напряжения и токи);
— вывод дискретных сигналов, формируемых ячейкой "DO
-AT96". При переводе переключателя "РЕЛЕ" в верхнее положение сигналы поступают на выходные реле СУР. Состояние выходных дискретных сигналов (параметры 920...923) можно задавать с пульта СУР, что позволяет проверить прохождение сигналов от регулятора до их приемников (например, до КНВ). Не следует одновременно включать переключатель "РЕЛЕ" на обоих регуляторах. При работе следует соблюдать осторожность, так как при переключателе "РЕЛЕ" в верхнем положении сигналы будут поступать на выходные реле стойки СУР;
— формирование импульсов управления тиристорами при переводе переключателя "ИМП" в верхнее положение (импульсы при этом поступают на блоки выходных усилителей СУР и далее на тиристоры). Не следует одновременно на обоих регуляторах включать переключатели "ИМП". Формирование импульсов производится независимо от наличия напряжения синхронизации, что позволяет контролировать прохождение импульсов до тиристоров при снятом напряжении синхронизации (период следования импульсов при этом соответствует номинальной частоте);
— контроль чередования фаз и защиты от исчезновения фазы при поданном напряжении синхронизации; если выявляется неисправность цепей синхронизации, то импульсы блокируются, а на пульт LC
выводится диагностическая информация;
— изменение утла управления производится с экрана (параметр "
Alfa
Test
"
), командами "Больше" (Х
1:20) и "Меньше" (Х
1:8) со скоростью "
v
Alfa
Test
"
, командой "Возбуждение" (X
1:1) для установки "Alfa
Test
= 90°" и командой "Гашение" (X
1:15) для установки "Alfa
Test
= 135°". В схеме тестирования для изменения параметра "
Alfa
Test
"
использован интегратор.
В режиме тестирования регулятора удобно выполнять настройку смещения фазы 7700 Corr
Psi
генератора опорной частоты СИФУ, а также проверять управляемость ТП.
Следует иметь в виду, что в режиме тестирования регулятор формирует сигнал "ОТКАЗ" канала (Х
5:8, 11), а при отказе двух каналов выполняется отключение АГП. Для предотвращения этого следует разорвать цепь отключения АГП (например, удалить выходное реле).
4.4.3 Признаком работы в режиме заводских испытаний (см. п. 4.4.1 настоящих Методических указаний) является мигание светодиода "
TEST
"
.
В режиме заводских испытаний конфигурация регулятора меняется следующим образом:
— включается ручной регулятор тока возбуждения (все остальные каналы регулирования, в том числе и ограничение тока до двукратного значения, отключаются); диапазон изменения уставки тока ротора расширяется;
— по команде "Возбуждение" (X
1: 1) начальная уставка равна нулю;
— вносятся некоторые изменения в настройку с тем, чтобы ТП устойчиво работал и на активную нагрузку;
— регулятор настраивается на работу в схеме независимого возбуждения; при системе самовозбуждения на ТП должно быть подано напряжение от постороннего источника;
— не производится управление АГП от АРВ;
— готовность к возбуждению (Х
5:6) формируется при наличии напряжения синхронизации, включенном состоянии АГП, отсутствии сигналов аварийного отключения АГП (Х
1:3) и инвертирования (Х
1:15); остальные сигналы игнорируются;
— на стрелочный прибор вместо напряжения генератора выводится напряжение синхронизации СИФУ.
В режим испытаний должны переводиться оба регулятора (иначе появится признак отказа "b
03") либо со второго регулятора должно быть снято питание.
Предусмотренный режим заводских испытаний может быть использован в процессе эксплуатации для снятия характеристик XX и КЗ генератора или энергоблока, проверки релейной защиты в этих режимах и ТП.
5 ПРИМЕНЕНИЕ ГЕНЕРАТОРА КОНТРОЛЬНЫХ СИГНАЛОВ
Для снятия переходных и частотных характеристик системы регулирования возбуждения и проверки каналов производных в составе АРВ-М предусмотрен программный генератор контрольных импульсов (облегчение наладочных работ).
Программными переключателями с экрана может быть включен импульс заданной длительности и амплитуды, синусоидальный сигнал с заданной амплитудой и частотой, пилообразный сигнал с заданной амплитудой и скоростью изменения сигнала.
Амплитуды сигналов, длительность импульса, частота синусоидального сигнала, скорость изменения пилообразного сигнала меняются с экрана.
Подключение выхода генератора "
yTest
"
к каналу регулирования напряжения, на вход каналов производных, к каналу регулирования тока возбуждения выполняется с помощью программных переключателей. Коды указанных операций приведены в приложении А.
6 ОБЩИЕ ПОЛОЖЕНИЯ ПО ТЕХНИЧЕСКОМУ ОБСЛУЖИВАНИЮ АРВ-М И СВ
6.1 Наладка и первый ввод (реконструкция) АРВ-М и СВ
, как правило, осуществляются специализированной наладочной организацией или (и) сервисными группами предприятия-изготовителя; после ввода АРВ-М и СВ техническое обслуживание и ремонт осуществляются персоналом электростанции.
6.2 Техническое обслуживание и ремонт
осуществляются персоналом электроцеха электростанции (в ряде случаев и цехом ТАИ — проверка датчиков температуры и давления, расходомеров и т.д., что не относится к вопросу обслуживания АРВ-М).
6.3 В электроцехе работы по техническому обслуживанию
между персоналом электроцеха распределяются следующим образом
:
— персонал ЭТЛ, являющейся головным подразделением, непосредственно выполняет проверки основных функциональных узлов СВ, в частности АРВ-М, и определяет контроль за порядком, объемом и последовательностью всех видов технического обслуживания;
— оперативный персонал электроцеха (участок эксплуатации электроцеха) осуществляет систематические техосмотры, непрерывный контроль за сигнализацией и приборами и т.д.;
— персонал электроцеха отвечает за эксплуатацию первичных схем СВ (работа совместно с персоналом ЭТЛ).
6.4 Виды технического обслуживания разделяются на:
— приемо-сдаточные испытания и наладку при новом включении;
— непрерывный технический контроль и профилактические проверки основного и резервного оборудования, выполняемые оперативным персоналом ЭТЛ на работающем оборудовании (тип обслуживания Э1 — см. [1]);
— периодический технический контроль и профилактические проверки, выполняемые персоналом ЭТЛ на работающем и резервном оборудовании (тип обслуживания Э2);
— плановые профилактическо-ремонтные проверки на выведенном из работы или резерва основном и резервном оборудовании.
6.5 К плановым профилактическо-ремонтным проверкам относятся:
— первая профилактическо-ремонтная проверка (Т1);
— текущая профилактическо-ремонтная проверка (Т);
— полная профилактическо-ремонтная проверка (К).
6.6 Рекомендуется соблюдать следующую периодичность обслуживания:
6.6.1 При обслуживании оперативным персоналом осмотр работающего и резервного оборудования производится 1 раз в смену (Э1).
6.6.2 Периодический технический контроль и профилактические проверки, осуществляемые персоналом ЭТЛ на работающем и резервном оборудовании (тип обслуживания Э2), выполняются в первый год эксплуатации 1 раз в месяц, а в дальнейшем — 1 раз в квартал (срок может корректироваться техническим руководителем).
6.6.3 На выведенном из работы оборудовании соблюдается следующая периодичность проверок:
— первая профилактическо-ремонтная проверка (Т1) — через 1 год эксплуатации;
— текущая профилактическо-ремонтная проверка (Т) — один раз в 2 года;
— полная профилактическо-ремонтная проверка (К) — один раз в 6 лет.
Следует отметить, что ввиду надежности нового оборудования в зависимости от результатов эксплуатации сроки проверок могут измениться.
6.7 Включение регулятора АРВ-М
в составе СВ производить только после изучения настоящих Методических указаний [3] и инструкции по эксплуатации завода-изготовителя. Оператор должен знать назначение всех органов управления, уметь определять по предусмотренной сигнализации характер повреждений или неисправностей, принимать меры к их устранению.
Персонал ЭТЛ, выполняющий техническое обслуживание СВ, должен знать методы проведения проверок АРВ-М в процессе его работы и при текущих профилактических проверках, методы корректировки настройки, определения поврежденных узлов, их замены или ремонта.
7 ПРОГРАММА И ОБЪЕМ РАБОТ ПРИ НОВОМ ВКЛЮЧЕНИИ
При новом включении производятся:
7.1 Подготовительные работы, в том числе подготовка схемы проверок АРВ-М и схемы проведения испытаний (схема аналогична схеме для проверки АРВ-СДП1 — см. [1]). Вместо схемы проверки по [1] целесообразно применить устройство Retom
.
7.2 Внешний осмотр, проверка правильности монтажа, соответствия схем проектным, при необходимости чистка и сушка изоляции плат и блоков, проверка контактных соединений, комплектности оборудования и документации.
7.3 Проверка состояния изоляции цепей ТТ и ТН, цепей питания синхронизации СИФУ.
7.4 Проверка и настройка датчика напряжения генератора.
7.5 Проверка и настройка датчика напряжения синхронизации.
7.6 Проверка и настройка датчика напряжения сети.
7.7 Проверка и настройка датчика частоты генератора.
7.8 Проверка и настройка датчика тока генератора.
7.9 Проверка и настройка датчика активной мощности и активного тока.
7.10 Проверка и настройка датчика реактивной мощности и реактивного тока.
7.11 Проверка и настройка датчика тока возбуждения (ротора).
7.12 Проверка и настройка датчика напряжения ротора.
7.13 Проверка канала регулирования напряжения совместно с ОКР путем снятия АФЧХ с помощью встроенного в АРВ-М цифрового генератора.
7.14 Проверка коэффициента регулирования и правильности работы канала Df
путем подачи на его вход прямоугольного импульса с амплитудой 1 Гц и вывода входного и выходного сигналов через ЦАП на осциллограф.
7.15 Проверка коэффициентов регулирования и правильности работы каналов производных f
'
, If
'
, U
g
'
при подаче на входы каналов сигналов пилообразной формы и вывода входных и выходных сигналов через ЦАП на осциллограф.
7.16 Настройка ограничителя минимального напряжения, ограничителя перегрузки ротора, ограничителя двойного номинального тока ротора и максимального тока при неисправностях в СВ в соответствии с заводскими характеристиками и требованиями.
7.17 Проверка поступления на АРВ-М входных дискретных сигналов от их источников (ключей, защит; АСУ ТП), проверка вывода дискретных сигналов от АРВ-М и их действия на приемники этих сигналов (реле в панели СУР, сигнализацию и т.д.).
7.18 Проверка СИФУ ТП (целесообразно проводить в режиме "тестирования"):
— проверка формирования и симметрии импульсов при неизменном a (при снятом и при поданном напряжении синхронизации);
— проверка чередования фаз синхронизации, защиты от исчезновения фазы, диапазона регулирования утла a и зависимости aМах
от значения тока возбуждения; длительности импульсов управления от значения тока ротора (питание первичной обмотки выпрямительного трансформатора в системе самовозбуждения подается от постороннего напряжения, подано напряжение синхронизации, работа ТП — на XX, на закоротку или испытательное сопротивление);
— настройка смещения утла фазы генератора опорной частоты СИФУ CorrPsi
при питании ТП от постороннего источника, проверка управляемости ТП;
— определение зависимости Uf
= F
(a) при работе ТП на XX и при дальнейших проверках — на ротор.
7.19 При первом включении генератора и работе АРВ-М в режиме заводских испытаний (питание ТП от постороннего источника при системе самовозбуждения) в процессе снятия характеристики КЗ дополнительно
— проверка датчиков тока ротора и тока статора, в процессе снятия характеристики XX дополнительно — проверка датчиков напряжения статора, напряжения ротора, датчика синхронизации и датчика частоты. Проверка правильности настройки "T525Ceil
", обеспечивающей номинальное напряжение ротора при выходе регулятора "
yReg
= 1".
7.20 Испытание АРВ-М при работе генератора на XX:
7.20.1 Проверка начального возбуждения генератора с программным пуском при автоматическом и ручном регулировании (в двухканальной схеме — проверка на обоих регуляторах).
7.20.2 Определение диапазона и скорости изменения уставки.
7.20.3 Проверка устойчивости при автоматическом регулировании, выбор коэффициента усиления K
0U
.
7.20.4 Проверка устойчивости при ручном управлении, выбор коэффициента усиления K
0If
.
7.20.5 Проверка ограничения напряжения генератора при понижении частоты в автоматическом режиме (V
/Hz
); гашения поля при f
< 35 Hz
, сигнализации.
7.20.6 Проверка работы схемы ограничения напряжения синхронизации при ручном регулировании возбуждения и повышении частоты вращения; при искусственном снижении уставки — проверка гашения поля.
7.20.7 Проверка режима гашения поля от ключей инвертированием и отключением АГП, проверка гашения поля при действии защит. Проверка при аварийном отключении от защит: произошел ли сначала сдвиг утла регулирования a до 90°, через некоторое время — до aМах
, а еще через некоторое время — съем импульсов.
7.20.8 Проверка точности подгонки напряжения генератора к напряжению сети при точной синхронизации.
7.21 Испытания при работе генератора в сети:
7.21.1 Контроль точности подгонки напряжения в схеме точной синхронизации при включении генератора.
7.21.2 Проверка плавности регулирования возбуждения и набора реактивной мощности после включения генератора.
7.21.3 Проверка при подъеме нагрузки вплоть до номинальной характеристик датчиков режимных параметров.
7.21.4 Проверка устойчивости работы системы регулирования во всем диапазоне активной мощности (0,2; 0,6; 0,8; 1,0 PNom
)
путем скачкообразного увеличения уставки на 2%. К ПИ регулированию по DU
, а также регулированию по U
'
и If
'
при Р
> 0,2 PNom
добавление PSS
, т.е. стабилизация по Df
и f
'
. Ориентировочные настройки по результатам на разных электростанциях: K
0U
= 10¸15 е.в/ед.напр., KU
'
= 2¸5 е.в/ед.напр/с, Kif
'
= 1¸1,5 е.в/ед.тока рот/с; K
Df
= 2¸3 е.в/Гц, Kf
'
= 0,5¸1,5 е.в/Гц/с.
При толчках — оценка влияния PSS
(отключение и включение PSS
). Коэффициенты по Df
и f
'
не должны устанавливаться больше указанных.
При максимальной активной мощности и минимально возможном в данном режиме возбуждении — определение области устойчивости по Df
— f
'
(при необходимости для определения областей уменьшение KIf
'
).
7.21.5 Проверка статических и динамических характеристик ограничения минимального возбуждения во всем диапазоне активных мощностей (осциллограмма — при снижении уставки на 5% в течение 6-9 с).
7.21.6 Проверка ограничения перегрузки по току ротора (проверка характеристики ограничения должна выполняться при имитации перегрузки по току ротора).
7.21.7 Проверка ограничения двукратного тока ротора (проверку работы ограничителя производить при уставке Set
2
If
, сниженной в зависимости от текущего режима; осциллографирование выполнять при повышении уставки толчком на 4-5% в течение 6-8 с).
7.21.8. Проверка регуляторов реактивной мощности и косинуса угла нагрузки, а также разгрузки генератора по реактивной мощности.
Проверяется, что переход на регулятор реактивной мощности, обратный переход, а также переход на регулятор cos
j и обратно происходит без заметного изменения режима, а при работе регулятора Q
, что реактивная мощность поддерживается астатически в соответствии с уставкой. Аналогично проверяется, что при работе регулятора cos
j косинус утла нагрузки поддерживается астатически в зависимости от уставки. При наличии автоматики останова проверяется автоматическая разгрузка по Q
и гашение поля после отключения генератора.
7.21.9 Проверка неизменности режима работы генератора при переключении с канала на другой канал и обратно.
7.21.10 Проверка в каждом канале неизменности режима работы генератора при переходе с основного АРВ-М на ручной регулятор и обратно.
7.21.11 Проверка средств защиты, сигнализации и резервирования:
— проверка защиты от непроводимости тиристоров (плеча) путем поочередного шунтирования вторичных обмоток трансформаторов, формирующих управляющие импульсы (при этом осуществляется перевод на другой канал); определение с помощью диагностической информации номера поврежденного тиристора;
— проверка перевода на другой канал при отключении автомата ТН и перевода ранее работавшего канала, с которого сняты импульсы управления, в режим ручного регулирования;
— проверка правильности индикации и сигнализации на местном ПУ АРВ-М и пульте СУР, правильности работы диагностики определения неисправностей.
7.21.12 Проверка статизма регулирования напряжения на шинах электростанции, согласование его со статизмом работающих генераторов.
8 НЕПРЕРЫВНЫЙ ТЕХНИЧЕСКИЙ КОНТРОЛЬ И ПРОФИЛАКТИЧЕСКИЕ ПРОВЕРКИ ОСНОВНОГО И РЕЗЕРВНОГО АРВ-М, ВЫПОЛНЯЕМЫЕ ОПЕРАТИВНЫМ ПЕРСОНАЛОМ НА ДЕЙСТВУЮЩЕМ ОБОРУДОВАНИИ
(ТИП ОБСЛУЖИВАНИЯ Э1 - см. [1])
8.1 Подготовка АРВ-М к работе
8.1.1 Проверить, окончены ли к моменту пуска все наладочные работы либо текущие профилактические проверки. Должно быть проверено отсутствие закороток, переносных заземлений, плакатов, посторонних предметов, загрязнения аппаратуры.
8.1.2 Проверить, установлены ли в кассеты все ячейки регуляторов АРВ1 и АРВ2.
8.1.3 Включить автоматы ТН, подающие напряжения 3´100 В на регуляторы АРВ1 и АРВ2, либо проверить их включенное положение.
8.1.4 На панелях L
С
местного управления регуляторов АРВ1 и АРВ2 проверить, установлены ли переключатели "ТЕСТ" и "БЛОК" в нижнее положение и в положение, соответствующее подаче напряжения на АРВ, выключатели S
1.
8.1.5 В соответствии с инструкцией по эксплуатации СВ при подготовке к пуску следует:
— осмотреть все узлы СВ (выпрямительный трансформатор или вспомогательный генератор, все шкафы щита возбуждения, сопротивление самосинхронизации и т.д.).; мегаомметром на 500 В проверить изоляцию силовых цепей возбуждения относительно "земли";
— в сборках 380 В и на панелях щитов постоянного тока включить или проверить включенное положение автоматических выключателей, подающих на щит возбуждения СВ напряжение 380 и 220 В переменного тока, напряжение 220 В постоянного тока;
— собрать силовую схему СВ (включить силовые разъединители, проверить отключенное положение АГП, наличие и исправность предохранителей; установить в положение "Работа" переключатель СН при его наличии и т.д.);
— проверить, что ротор генератора вращается с номинальными оборотами.
8.1.6 На щите возбуждения включить автоматы, подающие на АРВ-М и аппаратуру СУР напряжение переменного тока 380 В и напряжение постоянного тока 220 В.
8.1.7 Проверить, начинают ли мигать светодиоды "РАБОТА
" после подачи напряжения на местный ПУ регуляторов АРВ1 и АРВ2 с частотой 1 Гц (что свидетельствует о правильной работе микропроцессоров). Проверить, светятся ли светодиоды "ГОТОВ", если регуляторы исправны.
8.1.8 Проверить, появляется ли информация на сенсорном дисплее пульта СВ (см. рисунки 7 и 8) после подачи напряжения (на дисплее должен появиться экран состояния СВ и генератора — см. рисунок 9).
Если на выходе регуляторов имеется сигнал "Генератор развозбужден" (X
3:4), то при наличии условий для возбуждения формируется сигнал "Готовность канала" (Х
5:6). На экране состояния СВ и генератора не должны светиться кнопки "Не готов", "Неисправность возбуждения" и "ННВ". Светодиоды ПУ (см. рисунок 8) "Неисправность канала 1", "Неисправность канала 2" и "Неисправность системы возбуждения" также не должны светиться.
Следует отметить, что автоматическая проверка готовности СВ к возбуждению начинается с момента подачи питания на СУР и АРВ вплоть до момента поступления команды "Возбуждение". Технологический контроллер анализирует состояние устройств силовой секции, тиристорного выпрямителя и ИП СУР и при их готовности выдает на вход АРВ-М сигнал "АЕ1 и ТВ готовы". После этого при готовности самих регуляторов они формируют сигналы о готовности к возбуждению всей системы — "Готовность канала 1" и "Готовность канала 2".
Причины неготовности АРВ-М и СВ выводятся на местный ПУ регулятора LC
и на экран дисплея СУР.
Пример алгоритма контроля готовности к возбуждению канала 1 приведен на рисунке 13.

Рисунок 13 - Пример алгоритма контроля готовности канала 1 к возбуждению
8.2 Возбуждение с ДРВ-М и включение генератора в работу
8.2.1 На ПУ (СУР) при отсутствии сигналов о неготовности или неисправности установить ключ выбора режима управления в положение "Местное" (см. рисунок 8). После этого ключом "Авт-Ручн" выбрать режим автоматического регулирования напряжения (в специальных случаях при неисправностях в канале автоматического регулирования или проверочных работах выбирается режим ручного управления, т.е. регулирования тока возбуждения), ключом "Канал 1 — Канал 2" выбрать любой из каналов. Затем установить ключ выбора режима управления в положение "Дистанционное", т.е. предусмотреть управление ключами на БЩУ или от АСУ ТП. Местное управление целесообразно использовать при наладочных работах либо при эксплуатационных проверках.
8.2.2 Ключом с БЩУ или с экрана АСУ ТП, а при местном управлении — с ПУ СУР дать сигнал продолжительностью ~1 с на возбуждение.
В СТС, системе независимого тиристорного возбуждения и бесщеточной СВ с питанием возбуждения возбудителя от СН электростанции алгоритмы начального возбуждения несколько различаются. Однако во всех случаях при режиме автоматического или ручного регулирования обеспечивается плавное программное нарастание напряжения статора ("мягкий старт"). Начальный этап возбуждения производится со сниженной уставкой, а затем уставка плавно увеличивается до заданного значения. При нарушении этого алгоритма формируется сигнал "Неуспешное возбуждение" (Х
3:2).
Следует наблюдать протекание процесса возбуждения.
При СТС алгоритм начального возбуждения при автоматическом регулировании
может быть разбит на следующие этапы.
а) подачу сигнала "Возбуждение" (Х
1:1). Если возбуждение разрешено (проверяется отключенное положение выключателя генератора, наличие готовности, отсутствие режима заводских испытаний или работы с резервным возбудителем и т.д. - см. рисунок 14), то начинается программное возбуждение;

Рисунок 14 - Алгоритмы возбуждения
б) проверку состояния АГП; если АГП отключен (Х
2:16), подается сигнал на его включение;
в) подачу сигнала регулятора на включение АГП (Х
2:15). Если АГП включился за время, не превышающее заданное значение (Т578 Time
On
A
g
p
), то сигнал на включение снимается и через 2 с (время дается для отключения КШР) происходит переход к следующему этапу пуска; если включения не произошло, то выполняется алгоритм ННВ;
г) резкое снижение уставки до значения SetUExc
после включения АГП;
д) проверку напряжения синхронизации СИФУ. В системе самовозбуждения оно определяется остаточным напряжением генератора и недостаточно для возбуждения генератора (Usyn
<
Min
Usyn
);
е) выполнение включения КНВ (Х
3:3). К ротору прикладывается дополнительное напряжение и начинает нарастать ток ротора, напряжение генератора, питание ТП и напряжение синхронизации. В системе независимого возбуждения или в схеме заводских испытаний КНВ не требуется;
ж) ожидание синхронизации СИФУ. В момент, когда Usyn
= Min
Usyn
, начинается процесс синхронизации СИФУ, который продолжается 0,3 с;
з) включение импульсов управления. Тиристорный преобразователь переводится в выпрямительный режим (снимается сигнал "Генератор развозбужден", Х
3:4; устанавливается сигнал "Генератор возбужден", Х
3:17), начинается процесс самовозбуждения при сниженной уставке;
и) отключение КНВ регулятором после достижения током ротора определенного значения. Если время включенного состояния КНВ превысит определенное значение, то выполняется алгоритм ННВ;
к) выполнение ожидания достижения напряжением генератора значения, равного резко сниженной уставке напряжения. Если продолжительность этого этапа превышает 5 с, то выполняется алгоритм ННВ;
л) начало подъема уставки со скоростью vSUExc
.
Если в процессе подъема напряжения происходит резкое понижение напряжения статора, то выполняется алгоритм ННВ;
м) прекращение подъема уставки. Выполняется в АРВ-М тремя разными способами (уставка достигает значения, равного минимальной уставке напряжения 0,8 U
ст.ном; значения, равного (U
ст.ном; значения, равного Ubar
).
В СТС алгоритм начального возбуждения при ручном регулировании аналогичен алгоритму возбуждения при автоматическом регулировании. Отличие заключается в том, что задается сниженная уставка не по напряжению, а по току ротора (T573SetIExc
); задается скорость увеличения уставки тока ротора; контролируется не напряжение генератора, а ток ротора; завершение возбуждения происходит, когда уставка V
500SetIf
достигнет заданного значения, близкого к номинальному току ротора XX генератора.
При пуске в режиме заводских испытаний устанавливается ток ротора, равный нулю (см. выше).
Алгоритм ННВ зависит от момента прекращения из-за неисправности процесса возбуждения. Если не включился АГП, то снимается сигнал на его включение. Повторное возбуждение — после устранения неисправности. Если ток перестает нарастать при включенном КНВ, то осуществляется инвертирование (снимается сигнал с Х
3:17 и устанавливается на Х
3:4). Затем отключается АГП, после чего отключается КНВ. Если процесс возбуждения прекратился после отключения КНВ, также осуществляется инвертирование, но АГП не отключается.
8.2.3 После возбуждения проверить на ПУ БЩУ (или экране АСУ ТП):
— напряжение статора U
g
, ток ротора If
, напряжение ротора Uf
; стабильность поддержания параметров;
— индикацию состояния оборудования (возбуждение генератора, работу в автоматическом или ручном режиме, работу канала 1 или канала 2);
— отсутствие сигналов о неисправности СВ и отдельных каналов, отсутствие сигналов о нахождении уставки в положении "
Min
"
или "Мах"
.
То же самое проверить по показаниям приборов и световой индикации на ПУ шкафа СУР. На дисплее СУР должен появиться экран состояния СВ и генератора (см. рисунок 9), по которому проверить в дополнение к указанному: состояние PSS
(включается при Р >
0,1¸0,2 P
ном); готовность находящегося в резерве канала к переходу на него; отсутствие при возбужденном генераторе индикации о неисправности, сигналов о перегрузке, ограничении перегрузки и т.д.
Следует обратить внимание на идентичность показаний приборов на БЩУ, ПУ шкафа СУР, индикаторов уровня экрана состояния СВ и генератора. На ПУ и экране при работе в режиме автоматического регулирования U
g
(основной режим) и выборе в этом случае дополнительного регулирования для поддержания постоянным Q
или cos
j (в энергосистемах Российской Федерации, как правило, эти режимы не применяются) проверить индикацию этих режимов.
На местных ПУ регуляторов LC
проверить отсутствие информации о неисправностях и отказах (семисегментный индикатор), мигание светодиодов "РАБОТА" на обоих регуляторах, свечение светодиода "ВКЛ" на регуляторе работающего канала.
8.2.4 В соответствии с инструкцией по эксплуатации генератора выполнить включение в сеть генератора методом точной автоматической или ручной синхронизации.
Регулятор при работе его в режиме автоматического регулирования напряжения перед включением генератора в сеть, если напряжение сети соответствует диапазону изменения уставки по напряжению, по внешней команде с заданной точностью выполняет подгонку напряжения генератора к напряжению сети "
U
g
® Ubar
"
(команда — на Х
2:1, формирование выходного сигнала "
U
g
= Ubar
"
, дающего разрешение на точную синхронизацию, — на Х
4:1). При съеме команды подгонка прекращается. Перед вводом СВ эксплуатацией может быть задан метод подгонки "
U
g
® Ubar
"
без внешней команды, после окончания начального возбуждения при автоматическом регулировании (см. п. 8.2.2 настоящих Методических указаний).
Если регулятор работает в режиме ручного регулирования, то подгонку напряжения осуществляет оператор воздействием на уставку АРВ-М.
8.2.5 Алгоритм включения методом самосинхронизации выполнен в программе АРВ-М. Однако этот алгоритм активизируется заводом-изготовителем только по просьбе заказчика. В остальных случаях алгоритм не задействован и команда на самосинхронизацию не используется.
8.2.6 После включения генератора оператор, воздействуя на ключ изменения уставки, набирает реактивную мощность Q
.
8.3 Обслуживание АРВ-М в нормальном режиме работы
8.3.1 В соответствии с п. 8.2.1 настоящих Методических указаний персонал выбирает дистанционное или местное управление. Выбор выполняется только на местном ПУ.
Все остальные органы управления (изменение уставки АРВ-М "Больше", "Меньше"; выбор канала 1 или канала 2; выбор автоматического или ручного режима; выбор при работе в автоматическом режиме в случае необходимости режимов поддержания постоянным Q
или cos
j, возбуждение и гашение) имеются и на ПУ, и на БЩУ (АСУ ТП). На БЩУ должен иметься также ключ включения и отключения АГП. В дистанционном режиме работы команды от ключей местного ПУ заблокированы, в местном режиме заблокированы все команды с БЩУ, кроме воздействия на АГП. В эксплуатации основным является дистанционное управление.
О диагностической сигнализации сказано в приложениях В и Г (при эксплуатации необходимо использование информации, изложенной в этих приложениях). Объем сигнализации, выводимый на БЩУ, АСУ ТП, определяется проектом и не должен быть меньше выводимого светодиодами на ПУ.
8.3.2 Контроль исправности АРВ-М выполняется:
— в процессе периодического регулирования Q
(плавность, диапазон), при эксплуатационных пусках, остановах (правильность функционирования);
— по показаниям приборов, автоматическому контролю параметров;
— при периодических осмотрах. Осмотр производится одновременно с осмотром другого оборудования СВ 1 раз в смену;
— по отсутствию или появлению предупреждающих сигналов. При появлении предупреждающих сигналов либо при автоматическом переходе на другой канал или ручное управление, если не требуется немедленный переход на резервный возбудитель, производится внеочередной осмотр.
8.3.3 Периодические осмотры АРВ-М, выполняемые один раз в смену, по объему должны соответствовать п. 8.2.3 настоящих Методических указаний. На основном экране состояния СВ на поле "Состояние генератора" вместо "Возбужден" должно быть "В сети".
Целесообразно нажатием на кнопку "История" основного экрана состояния СВ (см. рисунок 9) ознакомиться с режимами работы и событиями за предыдущую смену.
Нажатием на кнопку "Меню" экрана состояния СВ (см. рисунок 9) вызвать экран главного меню (см. рисунок 11), а нажатием на кнопку "Дискретный ввод-вывод АРВ" главного меню получить на дисплее экран отображения дискретных входов кассеты регулятора. Проверить одинаковость входов на разъемах АРВ1 и АРВ2 (см. таблицу Б.5 приложения Б).
Нажатием на кнопку "Настройка АРВ1 (2)" главного меню получить на дисплее "Экран режима" (см. п. 3.5.1 настоящих Методических указаний) показания параметров и сравнить их с показаниями приборов на ПУ, БЩУ, индикаторов на основном экране состояния СВ и генератора. Сравнить измерения, выполняемые АРВ1 и АРВ2.
Нажатием на кнопку "Тиристоры (А)" главного меню получить на дисплее таблицы с изображением токов тиристоров во всех мостах в реальных значениях.
Для четкой проверки на таблице изображений токов нажать на кнопку "Фиксация". Проверить отсутствие асимметрии, работу всех плеч (проверка работы СИФУ в составе АРВ-М).
Остальные узлы СВ осматриваются в соответствии с инструкцией по СВ (нагрев аппаратов и шин, состояние RC
-цепей, работа вентиляторов и при необходимости их опробование с экрана, температура в помещении, отсутствие загрязнения оборудования, попадания влаги и т.д., а также контроль сопротивления изоляции).
8.3.4 Для обеспечения проверки находящегося в резерве оборудования:
— работать на каждом канале по 1 мес (через 1 мес осуществлять перевод);
— осуществлять переход с основного регулятора (АРВ1 или АРВ2) на ручной регулятор для проверки его работоспособности и диапазона регулирования. При этом работу на ручном регуляторе допускать на время не более 2 —3 ч с нагрузкой генератора не более 0,7Р
ном, после чего осуществить обратный переход на основной регулятор. Сроки выполнения проверки определяются техническим руководителем электростанции, но в первый период эксплуатации не должны превышать 6 мес.
8.4 Вывод из работы АРВ-М, гашение
8.4.1 Вывод АРВ-М из работы при нормальном, ручном останове генератора производить вместе с выводом СВ. Порядок операций: разгрузка по активной и реактивной мощности (воздействовать на ключ уставки АРВ); отключение генератора; гашение поля. При команде "Останов" эти же операции выполняются автоматически. В остальных случаях вывод АРВ выполняется путем перевода на резервный АРВ-М (канал).
8.4.2 При работе в двухканальной схеме два одинаковых регулятора АРВ1 и АРВ2 (каналы АРВ1-ТП1, АРВ2-ТП2) взаимно резервируют друг друга.
Переключение осуществлять ключами с ПУ при местном управлении или с БЩУ (АСУ ТП) - при дистанционном.
Команды оператора на переключение каналов "Включить канал 1" (X
1:4) или "Включить канал 2" (X
1:17) действуют только при готовности канала к переключению "Готов 1 « 2" (Х
1:17). Сигнал готовности образуется при исправности оборудования резервного канала (отсутствует катастрофический или частичный отказ) и исправности интерфейса CAN
, используемого для обмена информацией между АРВ1 и АРВ2 для безударного переключения каналов.
Как уже сказано выше, резервный регулятор (off
line
) находится в режиме слежения, что обеспечивает бестолчковый переход на него.
Автоматический переход на другой канал происходит при катастрофическом отказе канала, когда управление ТП становится невозможным (например, длительная потеря напряжения синхронизации). На поврежденном канале снимаются импульсы с ТП, блокируются выходные дискретные сигналы на разъемах Х
3 и Х
4.
При частичном отказе (например, потеря напряжения статора — поврежден датчик напряжения) также произойдет переход на резервный регулятор, способный работать в автоматическом режиме. Отключенный же канал (сняты импульсы управления) будет переведен в режим ручного управления.
Переход на исправный резервный регулятор произойдет и при условном отказе (перегорание предохранителя, отключение автомата, отказ ИП и т.д.).
8.4.3 Гашение поля выполнять ключом по команде "Гашение" (Х
1:15) при работе генератора на XX; автоматическое гашение выполняется по команде "Останов" (X
1:2) после отключения генератора от сети и при аварийном сигнале на отключение АГП от защит (X
1:3).
По сигналу на аварийное отключение угол управления a на определенное время устанавливается равным 90°, а после этого времени устанавливается равным максимальному значению. Во всех случаях (к ним относятся гашение при ННВ и при выходе частоты Usyn
из допустимого диапазона) гашение ТП осуществляется методом перевода ТП в режим инвертирования.
В любом режиме оператор имеет возможность погасить поле отключением АГП. После отключения АГП от блок-контактов Q
Е
1 (АГП) также устанавливается угол 90°, затем максимальный. Во всех случаях через некоторое время после сигнала на инвертирование при токе возбуждения, близком к нулю, снимаются импульсы управления (при чрезмерно большом времени они снимаются независимо от тока).
8.4.4 Если АРВ-М находится в резерве, схема канала не разбирается ("горячий резерв"). При аварийном отключении АРВ-М силовая схема канала разбирается в соответствии с инструкцией по эксплуатации СВ для проведения осмотра, проверок и ремонта.
8.5 Действия персонала при появлении неисправностей
8.5.1 При любой неисправности регулятор выдает дискретный сигнал "Неисправность АРВ", который поступает на вход ТК ПУ на СУР, а также выводит информацию на местный ПУ регулятора LC
(см. разделы 3 и 4 настоящих Методических указаний). От регулятора по последовательному интерфейсу на вход ТК поступают сигналы, расшифровывающие основные причины неисправности регулятора. Эта информация выводится контроллером на экран ПУ в виде текстовых, табличных и графических сообщений (см. раздел 3, приложения Б и В). При отказе ИП АРВ-М сигнал об отказе выводится на экран, а остальная информация от АРВ-М, выводимая по последовательному интерфейсу, считается недействительной.
8.5.2 Методы определения отказов и неисправностей и действия по их устранению подробно описаны в разделах 3 и 4 и приложениях В и Г настоящих Методических указаний.
Оперативный персонал должен по имеющейся информации точно определить место неисправности, причину отключения, отказа или автоматического перехода на другой регулятор либо ручное управление. Должен быть поставлен в известность персонал ЭТЛ.
В местной инструкции должны быть указаны неисправности, которые оперативный персонал устраняет своими силами (повторное пробное однократное включение отключившегося автомата 380 или 220 В, замена сигнальной лампы и т.д.; переход на резервный канал для поиска причины снижения изоляции в цепях возбуждения, при возникновении качаний и сильных изменений параметров генератора в случае нормальной устойчивой работы энергосистемы).
Не должна допускаться длительная работа при ручном регулировании возбуждения.
Основные работы по устранению неисправности выполняет персонал ЭТЛ. При проверке АРВ, как правило, не должна требоваться работа с паяльником.
При замене ячеек АРВ необходимо учитывать указания по установке джамперов и переключателей в рекомендуемые заводом положения. Для АРВ1 и АРВ2 различия имеются только в ячейке СС
(А6). После замены ячейки PAS
следует проверить точность цифровых датчиков регулятора и при необходимости скорректировать их масштабные коэффициенты.
При возникновении "зависаний" и других нарушений в работе программного обеспечения АРВ-М необходимо обратиться к разработчику АРВ-М, даже если замена ячейки или другие операции привели к устранению нарушений.
8.5.3 Действия оперативного персонала при работе ограничителей перегрузки, минимального возбуждения, работе защит подробно описаны в [2] и в настоящих Методических указаниях не приводятся.
9 КОНТРОЛЬ И ПРОВЕРКИ АРВ-М, ВЫПОЛНЯЕМЫЕ ПЕРСОНАЛОМ ЭТЛ НА РАБОТАЮЩЕМ ОБОРУДОВАНИИ
9.1 Работы выполняются в течение первого года эксплуатации 1 раз в месяц, затем один раз в квартал (срок проверок может быть изменен техническим руководителем электростанции).
9.2 Персоналом ЭТА выполняется следующий объем работ:
— осмотр и проверка оборудования в соответствии с разделами 8.1 и 8.3 настоящих Методических указаний.
При переводах с канала на канал (с АРВ1 на АРВ2 и обратно), с основных регуляторов на ручные и обратно проверить неизменность режима генератора, отсутствие колебаний.
Правильность работы СИФУ оценить также проверкой симметрии формы напряжения на выходе ТП с помощью электронного осциллографа.
Световую индикацию, изображения на экранах дисплея, ПУ, панели L
С
проверить при работе на АРВ1 и АРВ2, на ручных регуляторах. При этом особое внимание обращать на одинаковость измерения основных параметров режима (напряжение и ток ротора, частоту, напряжение генератора и т.д.);
— при необходимости проверка на экране правильности показаний цифровых датчиков. Корректировку показаний (см. п. 3.5.7 настоящих Методических указаний) выполнять только на отключенном канале;
— выполнение перехода на местное управление с проверкой при этом управляемости и выполнением всех работ в соответствии с разделами 8.1 и 8.3 настоящих Методических указаний;
— при возникновении сомнений в правильности работы узлов АРВ-М выполнение измерения напряжений и импульсов напряжений на контрольных гнездах ячеек регулятора (см. раздел 2 настоящих Методических указаний). При использовании электронного осциллографа он должен получать питание от сети 220 В через разделительный трансформатор; при измерениях напряжений следует пользоваться электронным вольтметром с большим внутренним сопротивлением;
— в соответствии с п. 3.5.6 настоящих Методических указаний проверка коэффициентов АРВ-М по каналам регулирования. Корректировку при необходимости можно выполнять только по согласованию с разработчиком;
— в одном из текущих режимов проверка в одной точке границы устойчивости исправности каналов Df
и f
'
. Для этого уменьшить коэффициент усиления по каналу If
'
и увеличить коэффициент по f
'
до возникновения незначительных колебаний; после этого вернуть прежние настройки;
— в одном из текущих режимов проверка границы вступления ОМВ; проверяется только одна точка вступления без определения статических и динамических характеристик. Проверку выполнять, когда в процессе нормальной эксплуатации не наблюдалось вступления ОМВ более 1 - 2 кварталов.
Все выполненные проверки на работающем оборудовании следует фиксировать в специальном журнале или записать на дискете.
10 ТЕХНИЧЕСКОЕ ОБСЛУЖИВАНИЕ АРВ-М ПРИ ПЛАНОВЫХ ПРОФИЛАКТИЧЕСКО-РЕМОНТНЫХ ПРОВЕРКАХ
10.1 В соответствии с РД 34.45.620-96 [1] первая профилактическая проверка АРВ-М и СВ (Т1) должна проводиться через 1 год после ввода в эксплуатацию, на второй год эксплуатации должна быть выполнена текущая проверка (Т), далее текущие проверки должны выполняться 1 раз в 2 года, а полная проверка (К) — 1 раз в 6 лет.
Вместе с тем наличие двухканальной схемы СВ позволяет выполнять проверочные работы поочередно на каждом канале при отключенном втором. При этом сроки проверки не обязательно должны увязываться со сроками ремонта основного силового оборудования.
10.2 Электронное оборудование АРВ-М мало подвержено износу и старению. Регулятор благодаря наличию встроенных функций самодиагностики контролирует правильность работы электронного оборудования.
Вместе с тем целесообразно периодически проверять работу резервного оборудования, о чем сказано выше. Необходимо также периодически осматривать и очищать от пыли и грязи электронные платы, проверять надежность разъемных и клеммных соединений. При проверке плат в связи с их чувствительностью к статическому электричеству прежде чем приступать к работам, дополнительно следует проверить полное отсутствие напряжения и надеть антистатический браслет.
10.3 При профилактической текущей проверке на остановленном генераторе и отключении всех ИП, в том числе и резервных (T1, T, К):
— проверить надежность контактов разъемных и клеммных соединений; при необходимости протереть их сухой ветошью;
— проверить отсутствие пыли и грязи на печатных платах, при необходимости продуть сухим сжатым воздухом с небольшим давлением. Не допускается применение для чистки плат масел и растворителей;
— проверить надежность контактов плоских кабелей и перемычек, имеющихся на платах.
10.4 При профилактической текущей проверке (Т, К) на остановленном генераторе при собранных цепях СВ и АРВ-М, подаче напряжения постоянного тока 220 В, напряжения 380 В для питания и синхронизации СИФУ, подготовке схемы для проверки регулятора в соответствии с п. 7.1 настоящих Методических указаний:
— проверить исправность цепей питания;
— проверить входные и выходные дискретные сигналы при работе в режиме тестирования, тем самым проверить схемы управления, автоматики, защит и сигнализации;
— проверить работу цифровых датчиков в соответствии с п. 3.5.7 настоящих Методических указаний; в случае обнаружения неисправностей проверить напряжение и импульсы напряжения на контрольных гнездах ячеек регулятора;
— проверить управляемость СИФУ, симметрию импульсов управления;
— исправность, настройку и правильную работу каналов регулирования, системной стабилизации, ограничителей проверять только при полной профилактической проверке (К), т.е. один раз в 6 лет (по желанию эксплуатации эти проверки могут быть выполнены и при первой профилактической проверке — К1); при проверке для определения правильности работы каналов применять программный генератор;
— с помощью сенсорного экрана проверить соответствие коэффициентов усиления каналов регулирования принятым при наладке (п. 3.5.6 настоящего РД).
10.5 Проверка "в режиме заводских испытаний" (в системе самовозбуждения — постороннее питание ТП, режим РТР с начальной уставкой, равной 0) производится только при К, когда требуется снять характеристики КЗ, XX, проверить релейную защиту генератора. При этом одновременно проверить работу ТП.
10.6 При пуске после профилактических проверок (Т1, К, Т) на XX генератора проверить режим начального возбуждения с АРВ1, АРВ2 в автоматическом и ручном режиме, диапазоны регулирования в перечисленных режимах, переходы с канала на канал, с основных АРВ-М на ручное управление и обратно; по экрану СУР проверить токи в ТП.
При Т1, К определить устойчивость регулирования возбуждения, снижение уставки АРВ-М при снижении частоты, гашение поля, гашение поля при понижении частоты, проверить переводы при неисправностях, работу защит.
10.7 После профилактических проверок при работе генератора в сети выполнить:
— проверку подгонки напряжения при включении методом точной синхронизации, проверку статизма регулирования на шинах высокого напряжения (Т1, К);
— проверку (T1, T, К) плавности регулирования; проверку работы цифровых датчиков при разных нагрузках; проверку по экрану работы ТП при подъеме нагрузки; проверку формы выпрямленного напряжения ТП; проверку областей устойчивой работы, статических и динамических характеристик при работе ОМВ (Т — при P
ном; Т1, К — при 0,6, 0,8 P
ном), проверку в одном текущем режиме устройств ограничения перегрузки путем искусственного уменьшения уставки; проверку переводов с канала на канал, с основного регулятора на ручной и обратно.
11 УКАЗАНИЯ ПО ТЕХНИКЕ БЕЗОПАСНОСТИ
11.1 Эксплуатация АРВ-М должна производиться в соответствии с действующими правилами техники безопасности при эксплуатации электроустановок.
Микропроцессорный автоматический регулятор возбуждения должен эксплуатироваться при закрытых дверях шкафа СУР. Открывать двери разрешается только при осмотрах и проверках. Корпуса шкафов должны быть заземлены.
11.2 Регулятор содержит цепи с напряжениями, опасными для жизни, поэтому все переключения на клеммах регулятора должны производиться только после полного снятия напряжения. Выемка ячеек из кассеты и их установка должны выполняться при снятом напряжении питания. Отключение питания должно производиться выключателем S
1, установленным на задней стороне кассеты.
Приложение А
(обязательное)
ПРИНЦИПЫ РАБОТЫ ЦИФРОВОГО РЕГУЛЯТОРА АРВ-М
А.1 Параметры регулятора АРВ-М
На экран местного ПУ СВ выводятся следующие параметры регулятора АРВ-М:
| Параметр
|
Ед. изм.
|
Комментарий
|
| V
000
Vesion
|
-
|
Номер версии программы
|
| V
001
Ver
.
Tunes
|
-
|
Номер версии настроек
|
| V002 yRe
g
|
pu
|
Выходной сигнал регулятора
|
| Датчик тока ротора
|
| V080 If (V240 Ie)
|
pu
|
Ток ротора, равный номинальному значению
|
| V081 Corr If
|
-
|
Коэффициент коррекции датчика тока ротора
|
| Датчик напряжения генератора
|
| V
100
U
g
|
pu
|
Напряжение генератора
|
| S(T)101Corr U
g
|
-
|
Коэффициент коррекции датчика U
g
|
| V102Uab
g
- Ubc
g
|
pu
|
| S(T)103Raise Uab
g
|
-
|
Для сведения к нулю разности линейных напряжений генератора (уменьшение пульсаций датчика)
|
| T
104Та
U
g
|
s
|
Постоянная времени фильтра U
g
|
| V105 Bias Uab
g
|
pu
|
Смещение напряжения uab
g
_
t
(< 0,05). Для контроля. Автоматическая компенсация
|
| V106 Bias Ubc
g
|
pu
|
Смещение напряжения ubc
g
_
t
(< 0,05). Для контроля. Автоматическая компенсация
|
| Датчик частоты генератора
|
| V
120
F
g
|
Hz
|
Частота генератора (квант 0,01 Hz
)
|
| V121Delta F
g
|
Hz
|
Отклонение частоты от номинальной (квант 0,001 Hz
)
|
| V122TaDelta F
g
|
s
|
Постоянная времени фильтра Delta
F
g
|
| Датчик фазы между линейными напряжениями генератора
|
| V130Phase Ubc
|
g
rad
|
Фаза между напряжениями Ubc
g
и Uab
g
(-120°)
|
| Датчик напряжения сети
|
| V140 Ubar
|
pu
|
Напряжение сети
|
| S
(
T
)141
Coor
Ubar
|
-
|
Коэффициент коррекции датчика Ubar
|
| Т
142Ta Ubar
|
s
|
Постоянная времени фильтра Ubar
|
| Датчик тока генератора
|
| V
160
I
g
|
pu
|
Ток статора генератора
|
| S(T)161 Corr I
g
|
-
|
Коэффициент коррекции датчика I
g
|
| Т162 Та
I
g
|
s
|
Постоянная времени фильтра I
g
|
| V163 Bias I
g
|
-
|
Смещение тока i
g
_
t
(< 0,05). Для контроля. Автоматическая компенсация
|
| T
164
I
g
@
g
enon
|
pu
|
Ток, при котором генератор считается включенным в сеть, даже если нет сигнала о включении выключателя
|
| Датчики активного тока и мощности
|
| V
180
P
g
|
pu
|
Активная мощность генератора (приведена к Pnom
)
|
| V
181
Ip
|
pu
|
Активный ток генератора (приведен к IpNom
)
|
| V
182 Та
Ip
|
s
|
Постоянная времени фильтра I
р
|
| Датчик реактивного тока и мощности
|
| V
200
Q
g
|
pu
|
Реактивная мощность генератора (приведена к QNom
)
|
| V
201
Iq
|
pu
|
Реактивный ток генератора (приведен к IqNom
)
|
| V
202 Та
Iq
|
s
|
Постоянная времени фильтра Iq
|
| Датчик
Cos
j
V220 CosPhi
|
-
|
Косинус угла нагрузки (cos
j) со знаком реактивной мощности
|
| Т
221Corr Phi
|
g
rad
|
Коррекция датчика j для настройки датчиков Р
g
, Q
g
|
| Т222
CosNom
|
-
|
Номинальный cos
j
|
| Датчик напряжения ротора
|
| V
260
Uf
|
pu
|
Напряжение ротора, среднее значение
|
| S(T)261 Corr Uf
|
-
|
Коэффициент коррекции Uf
,
Uf
t
|
| T
262Та
Uf
|
s
|
Постоянная времени фильтра
|
| V263 Uf Fast
|
pu
|
Напряжение ротора, мгновенное значение. Возможны повышенные пульсации
|
| Датчик напряжения синхронизации
|
| V280 Usyn
|
pu
|
Напряжение синхронизации
|
| S
(
T
)281
Corr
Usyn
|
pu
|
Коэффициент коррекции датчика
|
| V282 Uabv-Ubcv
|
pu
|
Разность линейных напряжений синхронизации
|
| S(T)283 Raise Uabv
|
-
|
Для сведения к нулю разности линейных напряжений синхронизации (уменьшение пульсаций)
|
| T284Ta Usyn
|
s
|
Постоянная времени фильтра Usyn
|
| V285 Bias Uabv
|
pu
|
Смещение напряжения uabv
(< 0,05) для контроля. Автоматическая компенсация
|
| V
286
Bias
Ubcv
|
Смещение напряжения ubcv
(< 0,05) для контроля. Автоматическая компенсация
|
| T
291
tLoos
Uv
|
s
|
Если длительность потери напряжения не превышает Т291
tLoos
Uv
,
то формируется признак условного отказа С06. Иначе признак катастрофического отказа b04
|
| Тепловая характеристика ротора
|
| T300 Heatf
|
pu
|
Перегрев обмотки ротора. Ограничение перегрузки начинается при Heatf
= 1. При наладке возможно изменение с инженерного пульта
|
| Т
301 Lim If1
|
pu
|
Ток ротора, при котором формируется сигнал «Перегрузка» (Х4:14) и начинается отсчет времени перегрузки
|
| T302 t @LimIf1
|
s
|
Время допустимой перегрузки при If
= LimIf
1
|
| Т303-Т312
|
-
|
Остальные координаты характеристики ограничения перегрузки по току ротора
|
| T
314Т
Coolf
|
s
|
Постоянная времени остывания обмотки ротора. Время остывания от Heatf
= 1 до 0,036 происходит за время, равное 3´Т
Coolf
|
| T315 Heatf Rpt
|
pu
|
При Heatf
<
Heatf
Rpt
разрешается повторная перегрузка
|
| Характеристика ограничения минимального возбуждения
|
| V340 SetLimQ
|
pu
|
Уставка ограничения минимального возбуждения при текущем значении активной мощности и напряжения генератора
|
| Т341
Q
1@
P
= 0
|
pu
|
Уставка ОМВ при Р
g
= 0 и U
g
£ 0,9
|
| T342 Q1@P=
0
|
pu
|
Уставка ОМВ при Р
g
= 0 и U
g
= 1
|
| T343 Qh@P
= 0
|
pu
|
Уставка ОМВ при Р
g
= 0 и U
g
³ 1,1
|
| T344 - T359
|
pu
|
Остальные координаты характеристики ограничения минимального возбуждения
|
| Уставка по напряжению
|
| T400 SetU
|
pu
|
Уставка регулятора по напряжению
|
| T401 MinSetU
|
pu
|
Минимум уставки по напряжению
|
| T402 MaxSetU
|
pu
|
Максимум уставки по напряжению
|
| T403vSetU
|
pu/s
|
Скорость изменения уставки по напряжению
|
| T404 dSU@ResEx
|
pu
|
Превышение уставки напряжения в точке регулирования при работе на резервном возбудителе
|
| Канал напряжения
|
| T
410
K
0
U
|
puUf
/
puU
g
|
Коэффициент регулирования по отклонению напряжения при работе генератора в сети
|
| T411 K0Uoff
|
puUf/puU
g
|
Коэффициент регулирования по отклонению напряжения при работе генератора на XX
|
| T
412
Xctr
1
|
%
|
Реактанс между точкой астатического поддержания напряжения (точкой регулирования) и шинами генератора. При Xctr
1
> 0 статизм регулирования напряжения на шинах станции по реактивному току уменьшается
|
| V413 Uctr1
|
pu
|
Напряжение в точке регулирования
|
| Канал изменения частоты
|
| T420 K0F
|
puUf/Hz
|
Коэффициент регулирования по изменению частоты
|
| T421 Ta0F
|
s
|
Постоянная времени фильтра, формирующего сигнал изменения частоты
|
| T
422Та
Y
0
F
|
s
|
Постоянная времени фильтра канала изменения частоты
|
| V423 Chan
g
eF
|
Hz
|
Изменение частоты (квант 0,001 Hz
)
|
| V424 Y0F
|
pu
|
Выход канала изменения частоты
|
| Канал производной частоты
|
| Т
430 K1F
|
pu/Hz/s
|
Коэффициент регулирования по производной частоты
|
| Т
431 T1F
|
s
|
Запаздывание фильтра, формирующего производную частоты
|
| Т
432 TaY1F
|
s
|
Постоянная времени фильтра канала производной частоты
|
| V433 DerF
|
Hz/s
|
Производная частоты
|
| V
434
Y
1
F
|
pu
|
Выход канала производной частоты
|
| Канал производной тока ротора
|
| Т
440 K1If
|
puUf/puIf/s
|
Коэффициент регулирования по производной тока ротора
|
| Т
441 T1If
|
s
|
Запаздывание фильтра, формирующего производную тока ротора
|
| Т
442
Та
Y1If
|
s
|
Постоянная времени фильтра канала производной тока ротора
|
| V443 DerIf
|
puIf/s
|
Производная тока ротора
|
| V444 Y1IF
|
pu
|
Выход канала производной тока ротора
|
| Канал производной напряжения
|
| T450 K1U
|
puUf/puU
g
/s
|
Коэффициент регулирования по производной напряжения генератора
|
| Т
451 T1U
|
s
|
Запаздывание фильтра, формирующего производную напряжения генератора
|
| T452
Та
Y1U
|
s
|
Постоянная времени фильтра канала производной напряжения
|
| V453 DerU
|
puU
g
/s
|
Производная напряжения генератора
|
| V454 Y1U
|
pu
|
Выход канала производной напряжения генератора
|
| Блокировка
PSS
(настройка блокировок
PSS
приведена в п. 1.3.6 настоящего приложения)
|
| Регулирование и разгрузка по реактивной мощности
|
| Т
470 SetQ
|
pu
|
Уставка регулятора реактивной мощности
|
| Т
471 vSetQ
|
pu/s
|
Скорость изменения уставки реактивной мощности
|
| Т
472 KsQ
|
puSetU/s
puQ
g
|
Коэффициент воздействия на интегратор уставки по напряжению
|
| Т
473 ErrQ = 0
|
pu
|
Точность разгрузки генератора по реактивной мощности
|
| Регулирование
Cos
j
|
| T
480
SetCos
|
pu
|
Уставка регулятора cosj со знаком реактивной мощности
|
| T481 vSetCos
|
pu/s
|
Скорость изменения уставки по cosj
|
| T482 KsCos
|
puSetU/s
puCos
j
|
Коэффициент воздействия на интегратор уставки по напряжению
|
| Регулирование тока возбуждения при заводских испытаниях
|
| Т
490 vSetIfT
|
pu/s
|
Скорость изменения уставки по току возбуждения
|
| Т
491 K0IfT
|
puUf/puIf
|
Коэффициент регулирования по отклонению тока возбуждения
|
| Т
492 MaxSetIfT
|
pu
|
Максимум уставки по теку возбуждения
|
| Т
493 TsBiasT
|
s
|
Постоянная времени интегратора смещения в общем канале регулирования
|
| T495 MaxBiasT
|
pu
|
Максимум смещения в ОКР
|
| T496 CeilT
|
pu
|
Потолок по напряжению возбуждения
|
| T497 MinAlfaT
|
g
rad
|
Минимум угла управления ТП
|
| Регулирование тока возбуждения при ручном управлении
|
| Т
500 SetIf
|
pu
|
Уставка по току возбуждения
|
| Т
501 vSetIf
|
pu/s
|
Скорость изменения уставки по току возбуждения
|
| Т
502 K0If
|
pu
|
Коэффициент регулирования по отклонению тока возбуждения
|
| T503 IfOff
|
pu
|
Ток возбуждения, соответствующий U
g
Nom
при F
g
Nom
на XX генератора
|
| Т
504 MinSetIeOff
|
pu
|
Минимум уставки по току возбуждения на XX генератора
|
| Т
505 MaxSetIfOff
|
pu
|
Максимум уставки по току возбуждения на XX генератора
|
| Т
506 MinSetIf
|
pu
|
Минимум уставки по току возбуждения при работе генератора в сети
|
| T507 MaxSetIf
|
pu
|
Максимум уставки по току возбуждения при работе генератора в сети
|
| Общий канал регулирования, выходы каналов регулирования и ограничения
|
| Т
520 TsBias
|
s
|
Постоянная времени интегратора смещения
|
| T
521
MinBias
|
pu
|
Минимум смещения
|
| T522 MaxBias
|
pu
|
Максимум смещения при работе генератора в сети
|
| T524 MaxBiasOff
|
pu
|
Максимум смещения на XX генератора
|
| T525 Ceil
|
pu
|
Потолок по напряжению возбуждения
|
| V530 yVoltCnl
|
pu
|
Выход канала напряжения
|
| V531 yUmCnl
|
pu
|
Выход активного канала ограничения перегрузки или минимального возбуждения
|
| V532 yStbCnl
|
pu
|
Выход канала стабилизации (PSS)
|
| V533 yAutoCnl
|
pu
|
Выход канала автоматического регулирования
|
| V534 yManCnl
|
pu
|
Выход канала ручного регулирования
|
| V535 xCmnCnl
|
pu
|
Вход общего канала регулирования
|
| V536 yCmnCnl
|
pu
|
Выход общего канала регулирования
|
| T537 BiasCmn
|
pu
|
Смещение общего канала регулирования
|
| Начальное возбуждение
|
| T
570
SetUExc
|
pu
|
Начальная уставка по напряжению генератора
|
| T571 SUendExc
|
pu
|
Конечная уставка по напряжению генератора при условиях, оговоренных в п. 8.2.2 настоящих Методических указаний
|
| T572 vSUExc
|
pu/s
|
Скорость увеличения уставки
|
| T573 SetIExc
|
pu
|
Начальная уставка по току возбуждения
|
| T574 SIendExc
|
pu
|
Конечная уставка по току возбуждения
|
| T575 vSIExc
|
pu/s
|
Скорость увеличения уставки потоку возбуждения
|
| T567T@If
= SetIf
|
s
|
Максимальное время ожидания достижения током If
при ручном управлении начальной уставки Т573 SetIExc
|
| T568T@U
g
= SetU
g
|
s
|
Максимальное время ожидания достижения напряжением U
g
при автоматическом управлении начальной уставки Т570 SetUExc
|
| Т
576 TwaitExc
|
s
|
Максимальное время включенного состояния КНВ
|
| T577 Ie@OffKNV
|
pu
|
Ток возбуждения, при котором отключается КНВ
|
| T578 TimeOnAGP
|
s
|
Максимальное время включения АГП
|
| T579 TimeOffAGP
|
s
|
Максимальное время отключения АГП
|
| Гашение
|
| T
580
TinvAGP
|
s
|
Время, в течение которого a = 90° после отключения АГП или сигнала на аварийное отключение АГП
|
| T581 If@PlsOff
|
pu
|
После инвертирования импульсы снимаются при If
< If
@
PlsOff
, но не позже чем T
@
PlsOff
|
| T582 T@PlsOff
|
s
|
| Подгонка уставки при точной синхронизации
|
| Т
590 ErrU
g
Ubar
|
pu
|
Точность подгонки напряжения генератора к напряжению сети
|
| Т
591 KsU
g
Ubar
|
puSetU/s
puUbar
|
Коэффициент воздействия на интегратор уставки по напряжению
|
| Ограничение перегрузки по токам ротора и статора,
ограничение минимального возбуждения
|
| Т
600 KpLimIf
|
puUf/puIf
|
Коэффициент регулирования по отклонению тока ротора
|
| Т
610 KpLimI
g
|
puUf/puI
g
|
Коэффициент регулирования по отклонению тока статора
|
| Т620
KpLimQ
|
puUf
/
puQ
g
|
Коэффициент регулирования по отклонению реактивной мощности в режиме ограничения минимального возбуждения
|
| Ограничение двукратного и максимального тока ротора
|
| Т
630 Set2If
|
pu
|
Уставка ограничения двукратного тока ротора
|
| Т
631 SetMaxIf
|
pu
|
Уставка ограничения максимального тока ротора (вводится по сигналу «Ограничение тока» (Х2:21))
|
| Т
632 KpLimMaxIf
|
puUf/puIf
|
Коэффициент регулирования по отклонению тока ротора
|
| V
/
Hz
ограничение напряжения генератора
|
| T680 F
g
@V/Hz
|
Hz
|
Уставка вступления ограничителя в работу
|
| Т681
KpV
/
Hz
|
pu
/
Hz
|
Коэффициент воздействия на снижение максимума уставки по напряжению
|
| V
682
SetUMax
@
V
/
Hz
|
pu
|
Максимум уставки при текущем значении частоты
|
| Ограничение максимального напряжения синхронизации при ручном управлении
|
| Т
690 SetLimUv
|
pu
|
Уставка ограничения
|
| Т691
KpLimUv
|
puUf
/
puUv
|
Коэффициент регулирования по отклонению напряжения синхронизации
|
| Т692
FvV
/
Hz
Т693
kvV
/
Hz
|
Hz
puUv/Hz
|
При Fsyn
>
FvV
/
Hz
уставка ограничения снижается с коэффициентом kvV
/
Hz
|
| V694 SetLimUvV/Hz
|
pu
|
Уставка ограничения при текущей частоте
|
| Синхронизация СИФУ ТП
|
| Т
700 CorrPsi
|
g
rad
|
Смещение фазы СИФУ
|
| Т
701 dPsi/df
|
g
rad
/
Hz
|
Коэффициент частотной коррекции смещения фазы СИФУ
|
| V702 CorrPsif
|
g
rad
|
Смещение фазы СИФУ при текущем значении частоты (компенсация сдвига фазы за счет группы соединений и фильтра)
|
| T703 MinFsyn
|
Hz
|
Минимальная частота синхронизации. При дальнейшем снижении частоты производится гашение переводом ТП в инверторный режим
|
| T704 MaxFsyn
|
Hz
|
Максимальная частота синхронизации. При дальнейшем увеличении частоты производится гашение переводом ТП в инверторный режим
|
| V709 Fsyn
|
Hz
|
Частота синхронизации (квант 0,1 Hz
)
|
| Формирование импульсов управления ТП
|
| V720 Alfa
|
g
rad
|
Фактический угол управления
|
| V721 AlfaRe
g
|
g
rad
|
Угол управления, сформированный регулятором
|
| T722 MinAlfa
|
g
rad
|
Минимум угла управления
|
| V723 MaxAlfa
|
g
rad
|
Текущее значение максимума угла управления
|
| T724 MaxAlfa@If= 0
|
g
rad
|
Максимум угла управления при 0 < If
< If
@
MaxAlfa
|
| T725 MaxAlfa@If = 2
|
g
rad
|
Максимум угла управления при If
= 2,0
|
| T726 If@MaxAlfa
|
g
rad
|
При If
> =
If
@
MaxAlfa
максимум угла управления линейно уменьшается при увеличении тока возбуждения
|
| T727 Ie@Pulse120
|
pu
|
При If
<
If
@
Pulse
120
длительность импульсов управления составляет 120°. Иначе формируются сдвоенные через 60° импульсы длительностью приблизительно 0,9 мс
|
| Управление ТП при тестировании регулятора
|
| Т
730 AlfaTest
|
g
rad
|
Задание угла управления
|
| Т
731 vAlfaTest
|
g
rad
|
Скорость изменения угла управления по сигналам «Больше», «Меньше»
|
| Защита от КЗ на стороне постоянного тока ТП
|
| Т
740 > IfProt
|
pu
|
Уставка максимального тока возбуждения
|
| Т
741 < UfProt
|
pu
|
Уставка минимального напряжения ротора
|
| Т
742 TProt_15
g
rad
|
15
g
rad
|
Время безимпульсной паузы
|
| Защита от непроводимости ТП
|
| Т
750 > IfFuse
|
pu
|
Защита вводится в работу при If
>
IfFuse
|
| T751 < IvFuse
|
pu
|
Защита срабатывает, если на интервале времени T
@
Fuse
амплитуда полуволны любого тока i
ае_
t
, ibe
_
t
, ice
_
t
нe превышает значение <
IvFuse
|
| T752 TFuse_360
g
rad
|
20
ms
|
| Вывод переменных на ЦАП ячейки АО-АТ96 для приборов СУР
|
| Т
801 ScaleAO1
|
v/pu
|
Масштаб U
g
(Usyn)
|
| Т
803 ScaleAO3
|
v/pu
|
Масштаб Uf
|
| Т
804 ScaleAO4
|
v/pu
|
Масштаб If
|
| Т
806 ScaleAO6
|
v/pu
|
Масштаб I
g
|
| Вывод переменных на
D
АС1-
DAC
3 микроконтроллера (при наладке)
|
| Sw
820
DAC
5
ms
|
-
|
Вывод с интервалом 5 мс (по умолчанию)
|
| Sw
821
DACSync
|
-
|
Вывод с интервалом 15° напряжения синхронизации
|
| Sw
822
DACSens
|
-
|
Вывод с интервалом 15° напряжения генератора
|
| Генератор контрольных сигналов
|
| T830 OnPulse
|
sw
|
Включение импульсного сигнала
|
| T831 OnSinus
|
sw
|
Включение синусоидального сигнала
|
| T832 OnRamp
|
sw
|
Включение пилообразного сигнала
|
| V
833
yTest
|
pu
|
Выход генератора контрольных импульсов
|
| Sw835 + Ug_sw
|
-
|
Включение сигнала в канал регулирования напряжения
|
| Sw837 If_sw
|
-
|
Включение сигнала в канал регулирования тока возбуждения
|
| T838 TimePulse
|
s
|
Длительность импульсного сигнала
|
| T839 AmpTest
|
pu
|
Амплитуда сигнала
|
| T84O FreqTest
|
Hz
|
Частота синусоидального сигнала
|
| T841 vRamp
|
pu/s
|
Скорость изменения пилообразного сигнала
|
| Входные дискретные сигналы (С инженерного пульта не изменять!)
|
| B
890
DI
1
L
|
-
|
Сигналы на входах ячеек DI-AT96. Распределение разрядов - см. описание входных сигналов
|
| В891
DI
1
H
|
-
|
| В892
DI
2
L
|
-
|
| В893
DI
2
H
|
-
|
| В896
ErrDI
1
L
|
-
|
Недостоверные сигналы.
Распределение разрядов - см. таблицу Б.3 приложения Б
|
| В897
ErrDI
1
H
|
-
|
| В898
ErrDI
2
L
|
-
|
| B899 ErrDI2H
|
-
|
| B908 ErrCmpDI1L
|
-
|
Несовпадающие в АРВ1, АРВ2 сигналы, принятые от
одного источника.
Распределение разрядов - см. приложение 5
|
| B909 ErrCmpDI1H
|
-
|
| B910 ErrCmpD12L
|
-
|
| B
911
ErrCmpD
12
H
|
-
|
| Выходные дискретные сигналы, формируемые ячейкой
DO
-
AT
96
(Изменение разрешено только в режиме тестирования регулятора!)
|
| В920
DO
1
L
|
-
|
Распределение разрядов - в соответствии с заводским описанием
|
| В
921 DO1H
|
-
|
| В
922 DO2L
|
-
|
| В923
DO
2
H
|
-
|
| Состояние переключателей ячейки СС
|
| B
951
S
1
CC
|
-
|
Распределение разрядов - в соответствии с таблицей Б.3 приложения Б
|
| Визуализация параметров
|
| Sw
998
AllView
|
Все параметры, вывод которых предусмотрен на ПУ, становятся видимыми
|
А.2 Описание работы цифровых датчиков
А.2.1 Для целей регулирования возбуждения, управления ТП и контроля датчиков используются следующие режимные параметры: U
g
, F
g
, P
g
, Q
g
, cos
j
(
cosPhi
)
, I
g
, Ip
, Iq
; Uf
; If
; Ubar
, Usyn
(
Uv
)
, Fsyn
; a
(
Alfa
)
; Iv
, Ie
, If
, Phase
Ubc
.
При использовании этих параметров для гальванического разделения внутренних цепей регулятора и цепей ИТТ и ИТН, цепей напряжения ротора, цепей 380 В синхронизации импульсов управления используются измерительные преобразователи напряжения и тока типа LEM
, представляющие собой компенсационные датчики, работающие на принципе эффекта Холла. Используются преобразователи напряжения и тока, обозначенные на рисунках 3.3 и 3.4 как LEM
-
U
(коэффициент передачи по току — 2,5) и LEM
-
I
(коэффициент передачи по току — 0,003). Высокочастотные помехи на выходе преобразователей подавляются RC
-фильтрами. Затем через операционные усилители сигналы подаются на 12-разрядные АЦП контроллера.
Линейный диапазон входного напряжения АЦП составляет ±5 В. Для обеспечения работы в этом диапазоне в первичных и вторичных цепях LEM
устанавливаются резисторы (установлены в блоке CVT
).
На рисунках 3.3 и 3.4 настоящих Методических указаний поясняются принципы работы датчиков, указаны номера параметров, выводимых на пульт. Переменные, не изменяемые с экрана, имеют номера с префиксом V
(
Variable
)
. Так, напряжение статора на выходе цифрового датчика обозначается V100 U
g
. Настройкам присвоены номера с префиксом Т (
Tuning
),
программным переключателям — Sw
(
Switch
)
, битовым параметрам — В (
Bit
).
Коэффициенты коррекции датчиков имеют префикс S
(
Scale
),
хотя и на многих схемах обозначаются так же, как и настройка — T
. Датчики токов и напряжений выводятся на пульт в относительных единицах (ри)
. Единичным значениям соответствуют номинальные значения параметров.
А.2.2 Схема датчика напряжения статора приведена на рисунке 3.3 настоящих Методических указаний.
От ТН генератора на входы двух преобразователей LEM
-
U
подаются напряжения U
g
— AB и U
g
— ВС
. На входе преобразователей устанавливаются согласующие резисторы, на выходе — нагрузочные сопротивления и R
-C
-фильтры для подавления высокочастотных помех. При U
g
- АВ
= Ug
- ВС
= 100 В действующие значения напряжений, поступающие после операционных усилителей на входы АЦП1, АЦП2, составляют 2,5 В. Измерение напряжения генератора производится в АЦП 24 раза за период (через 15°), моменты измерения синхронизированы с частотой генератора, что исключает появление биений на выходе датчика. Масштабирование цифрового датчика производится программным способом путем умножения результата цифро-аналогового преобразования на коэффициент коррекции Т101 Corr
U
g
. Значение коэффициента может изменяться от 0,95 до 1,5. Изменение коэффициента с целью масштабирования (при напряжении статора 100 В выход датчика V100 U
g
должен быть равен единице) производится с экрана. Уравнивание напряжений uab
g
-
t
,
ubc
g
-
t
выполняется с помощью коэффициента T
103 Reise
Uab
g
так, чтобы параметр Uab
g
—
Ubc
g
был близок к нулю. На основании вычисления uabg
-
t
,
ubcg
-
t
рассчитывается — ucag
-
t
.
Далее вычисляются абсолютные значения этих напряжений |АВС|. Мгновенное значение трехфазного напряжения генератора вычисляется как полусумма абсолютных значений мгновенных линейных напряжений:
S/2 = u
g
_
t
= (|uab
g
_
t
|
+ |
ubc
g
_
t
|
+ |
uab
g
_
t
|
)/2.
Полученное значение подается на вход синхронного суммирующего фильтра, выделяющего среднее значение входного сигнала (S Т
/2). Для подавления шума на выходе датчика напряжения предусмотрен низкочастотный фильтр первого порядка с постоянной времени Та
(T
104T
а
U
g
). С выхода датчика напряжения сигнал поступает на канал напряжения, на канал U
'
при его выполнении отдельно от канала напряжения, на вход , ОМВ, в схемы датчиков Q
и Р
.
А.2.3 Схема датчика тока генератора приведена на рисунке 3.3 настоящих Методических указаний.
От ИТТ фаза В тока генератора подается на измерительный преобразователь LEM
-
I
. С него напряжение, пропорциональное току генератора I
g
-В,
через нагрузочное сопротивление, фильтр для подавления высокочастотных помех и операционный усилитель подается на АЦП. Измерение тока генератора производится 24 раза за период (через 15°), причем моменты измерения синхронизированы с частотой генератора. Квант измерения составляет 0,1% номинального значения. При I
g
= 5 А действующее значение напряжения на выходе LEM
-
I
составляет 1,5 В. Ограничение выхода датчика происходит при I
g
= 2,4. Масштабирование датчика производится коэффициентом коррекции Т161
C
о
rrI
g
. Выполнена автоматическая компенсация постоянной составляющей напряжения, поступающего на АЦП. Смещение BiasI
g
не должно превышать 0,05. После АЦП значение тока ib
g
-
t
превращается в абсолютное и поступает на синхронный суммирующий фильтр, где формируется среднее значение тока. На выходе суммирующего фильтра предусмотрен низкочастотный фильтр первого порядка с постоянной времени T
162Та
I
g
. Выход датчика обозначается V
160Ig
.
А.2.4 Датчики активного тока и активной мощности представлены на рисунке 3.3.
Мгновенное значение тока генератора ib
g
-
t
, взятое после АЦП датчика тока статора, умножается на синус текущей фазы wtub
напряжения генератора Ub
g
. Угловая частота w = 2pf
берется от датчика частоты (см. раздел А.2.7). Предусмотрено введение с пульта коррекции угла нагрузки T
221 Corr
Phi
и приведение выхода датчика к номинальному активному току путем деления на CosNom
. Поскольку произведение ib
g
-
t
на синус текущей фазы Ub
содержит постоянную составляющую, пропорциональную среднему значению активного тока статора и составляющую двойной частоты, последняя фильтруется суммированием за половину периода (ячейка S T
/2). Для подавления шума на выходе датчика предусмотрен низкочастотный фильтр первого порядка FTR
с постоянной времени Т182 Та
I
р
. Измерение активного тока производится и интервалом 15°, моменты измерения синхронизированы с частотой напряжения Ub
генератора.
Активная мощность генератора вычисляется по формуле Р
g
= I
g
U
g
.
А.2.5 Расчет реактивного тока и реактивной мощности производится аналогично указанному. Отличие заключается в том, что мгновенное значение тока генератора ib
g
-
t
умножается на косинус текущей фазы напряжения Ub
g
, а для приведения к номинальному реактивному току используется Sin
Nom
.
А.2.6 Датчик напряжения сети представлен на рисунке 3.3 настоящих Методических указаний.
На вход АЦП контроллера через LEM
-
U
,
согласующие резисторы, нагрузочные сопротивления, R
-C-фильтр для подавления высокочастотных помех, прецизионный выпрямитель и активный фильтр второго порядка подается напряжение, пропорциональное напряжению АС
сети — UbarAC
. При напряжении UbarAC
= 100 В постоянное напряжение на входе АЦП составляет 3,5 В. Ограничение выхода датчика наступает при Ubar
= 1,43. Масштабирование датчика выполняется с помощью коэффициента коррекции J
141
Corr
. Для дополнительной фильтрации выхода датчика предусмотрен низкочастотный фильтр FTR
первого порядка с постоянной времени Т142 Та
Ubar
.
А.2.7 Датчик частоты напряжения представлен на рисунке 3.4 настоящих Методических указаний.
Расчет частоты основан на измерении периода напряжения генератора Т
g
.
С датчика напряжения генератора выпрямленные значения uab
и ubc
(перед АЦП) подаются на вход датчика частоты. При суммировании этих значений определяется третье значение - иса
g
. Эти три напряжения подаются на установленные в ячейке PAS
компараторы, на выходе которых формируются импульсы Pls
_
uab
g
, Pls
_
ubc
g
, Pls
_
uca
g
, передние фронты которых совпадают с моментами положительных переходов через ноль соответствующих напряжений генератора. Измерение периода этих импульсов производится с помощью 16-разрядного счетчика микроконтроллера с тактовой частотой 1,25 МГц. В счетчике выполняется аналогово-цифровое преобразование периода. Частота напряжения генератора вычисляется как значение, обратное периоду. Обновление кода частоты производится три раза за период частоты напряжения генератора (через 120°). Датчик формирует два сигнала: один - частота F
g
для V
/
Hz
- ограничения и индикации на ПУ (линейный диапазон 25-125 Гц, квант измерения 0,01 Гц), второй — отклонение f
от номинальной — Delta
F
g
для системного стабилизатора. Линейный диапазон ±10 Гц и квант измерения 0,001 Гц. Предусмотрена возможность фильтрации сигнала на выходе датчика (FTR
с постоянной времени Т122 Та
Delta
).
А.2.8 Датчик тока ротора представлен на рисунке 3.4 настоящих Методических указаний.
Для измерения тока возбуждения на входы АЦП1 и АЦП2 с выходов измерительных преобразователей LEM
-
I
после нагрузочных сопротивлений 300 Ом и выпрямителей подаются напряжения, пропорциональные фазовым токам If
-А,
If
-С
питания ТП. Эти токи имеют форму, близкую к трапецеидальной. Поэтому выходной ток датчика пропорционален их амплитудным значениям. При амплитуде первичного тока If
-
A
= If
-
C
= 5 А амплитудные значения напряжений на входах АЦП составляют 1,95 В. Ограничение выхода датчика наступает при If
(I
е
) = 2,56. Измерение тока возбуждения производится 24 раза за период напряжения синхронизации (через 15°). Мгновенное значение тока вычисляется по формуле if
(е
)_t
= (|iaf
_t
| + (|
ibf
_
t
|
+ (|icf
_f
|)/2. Полученное значение подается на вход синхронного суммирующего фильтра, выделяющего среднее значение входного сигнала (S T
/2). Для подавления шума на выходе датчика предусмотрен низкочастотный фильтр первого порядка с постоянной времени Та
If
. Выход датчика V
080
If
подается на канал производной тока ротора, канал измерения перегрузки, канал ограничителя перегрузки.
Масштабирование датчика производится с помощью коэффициента коррекции Т211
CorrIf
. Амплитудное симметрирование фазных токов обеспечивается выбором коэффициента Raise
Iaf
так, чтобы параметр Iaf
— Icf
был близок к нулю. Предусмотрена автоматическая компенсация постоянных составляющих напряжений, поступающих на АЦП. При этом смещения Bias
Iaf
, BiasIcf
не должны превышать 0,05.
А.2.9 Датчик напряжения синхронизации импульсов представлен на рисунке 3.4 настоящих Методических указаний.
На датчик напряжения синхронизации импульсов напряжение подается от ТСН СВ, первичные обмотки которых непосредственно связаны с цепями питания ТП. Как правило, линейные напряжения вторичных обмоток ТСН составляют 380 В. Схемы соединения обмоток ТСН могут быть разными (g/
g; g/D; D/g).
Переменные напряжения 380 В U
g
-
AB
и U
g
-
BC
с вторичных обмоток ТСН подаются на входы двух преобразователей LEM
-
U
.
На входе преобразователей устанавливаются согласующие резисторы, на выходе — нагрузочные сопротивления и R
-C
-фильтры второго порядка для сглаживания напряжений, искаженных коммутационными провалами. При U
g
-
AB
= U
g
-
BC
= 380 В действующие значения напряжений на выходах LEM
-
U
составляют 2,8 В. Фильтрованные напряжения, поступающие после операционных усилителей на входы АЦП1, АЦП2 составляют 2,3 В. При этом амплитудные значения равны 3,3 В. Измерение напряжения генератора производится в АЦП 24 раза за период (через 15°), масштабирование цифрового датчика — программным способом путем умножения результата цифро-аналогового преобразования на коэффициент коррекции Т281
Corr
Usyn
. Изменение коэффициента с целью масштабирования (при напряжении питания 380 В выход датчика V
280
Usyn
должен быть равен единице) производится с экрана. Уравнивание напряжений uabv
-
t
, ubcv
-
t
выполняется с помощью коэффициента Т283
Reise
Uabv
так, чтобы параметр Uabv
—
Ubcv
был близок к нулю. На основании вычисления uabv
_
t
,
ubcv
_
t
рассчитывается ucav
_
t
. Далее вычисляются абсолютные значения этих напряжений |АВС|. Мгновенное значение трехфазного напряжения генератора вычисляется как полусумма абсолютных значений мгновенных линейных напряжений:
S/2 = uv
_
t
= (|
uabv
_
t
|
+ |
ubcv
_
t
|
+ |
uabv
_
t
|
)/2.
Полученное значение подается на вход синхронного суммирующего фильтра, выделяющего среднее значение входного сигнала (S T
/2). Для подавления шума на выходе датчика напряжения предусмотрен низкочастотный фильтр первого порядка с постоянной времени Т284 Та
Usyn
. С выхода датчика среднее значение напряжения синхронизации V
280
syn
и мгновенные значения uabv
_
t
, ubcv
_
t
поступают на фазовый детектор в схеме фазовой автоподстройки частоты. Датчик напряжения синхронизации используется в схеме формирования импульсов управления тиристорами.
А.2.10 Датчики напряжения ротора представлены на рисунке 3.4 настоящих Методических указаний.
Для гальванического разделения цепей возбудителя и регулятора напряжение ротора подается на преобразователь LEM
-
U
,
установленный в силовой секции. Нагрузочное сопротивление 81 Ом и R
-
C
цепи расположены в блоке CVT
. Предусмотрены два датчика напряжения возбуждения. Датчик Uf
содержит двойной R
-C
-фильтр, от которого напряжение через выпрямитель поступает на АЦП2. От АЦП2 сигнал поступает на выход через дополнительный фильтр FTR
. Программный фильтр имеет постоянную времени Т262Та
Uf
. Этот датчик с большой постоянной времени используется для вывода Uf
на ПУ.
Второй датчик UfFast
, содержащий фильтр с малой постоянной времени, выпрямитель и АЦП1, используется для защиты от КЗ на стороне постоянного тока ТП.
Резистор в первичной цепи LEM
-
U
выбирается так, чтобы напряжения, поступающие на АЦП1 и АЦП2, не превышали при форсировке 5 В. Измерение напряжения ротора производится 24 раза за период напряжения синхронизации.
Для масштабирования датчиков предусмотрен коэффициент коррекции CoorUf
.
А.3 Описание схем АРВ-М
А.3.1 Принципиальные структурные схемы изображены на рисунках 1 и 2 настоящих Методических указаний.
Принципиальная схема с изображением расчетных элементов структурной схемы и кодов цифровых параметров АРВ представлена на рисунках 3.1—3.4 настоящих Методических указаний. Коды основных параметров АРВ приведены в разделе А.1 данного приложения.
А.3.2 Схема АРВ-М включает в себя лучшие свойства аналоговых регуляторов, выпускавшихся в 90-х годах: селективность ввода каналов регулирования и каналов ограничения, ПИ исполнение канала регулирования напряжения.
А.3.3 Канал регулирования напряжения статора, как видно из рисунков 1, 2 и 3, работает следующим образом.
Из подаваемого на АРВ после датчика напряжения значения VI
00
U
g
, пропорционального напряжению статора U
g
(см. рисунок 3.1), вычитается значение, пропорциональное произведению реактивного тока статора Iq
на индуктивное сопротивление Xctrl
(изменяется с помощью параметра Т412
, выводимого при необходимости на экран), равное 0,7—0,8 индуктивного сопротивления (ek
%) блочного трансформатора. Уменьшение V100´U
g
обеспечивает частичную компенсацию ek
% блочного трансформатора с целью обеспечения на шинах электростанции статизма порядка 3—4% (при параллельной работе генераторов на шины электростанции без блочных трансформаторов произведение Iq
´ Xctrl
суммируется с U
g
и точка регулирования перемещается "вглубь" генератора). Далее полученное уменьшенное напряжение сравнивается с уставкой регулятора напряжения Set
U
g
, значение которой определяется оператором при ручном управлении (больше, меньше) в нормальном режиме работы, автоматикой (расчетными схемами): программного пуска при начальном возбуждении, точной синхронизации (U
g
= Ubar
), останова агрегата с разгрузкой по реактивной мощности (Q
® 0), а также работой регуляторов поддержания Q
и cos
j (см. рисунок 3.2 настоящих Методических указаний).
Разность U
g
и Set
U
g
, обозначаемая как DU
умножается на коэффициент усиления канала напряжения K
0и
(изменяется с помощью параметра T
410 K
0и
, выводимого при необходимости на экран) и подается на общий ПИ канал регулирования ОКР. На вход ОКР (
V
535
´ Стп Сп
l
) при работе регулятора в автоматическом режиме поступает сумма сигналов канала напряжения DU
и канала системной стабилизации. При работе ограничения перегрузки, максимального и минимального возбуждения; ручного управления; возбуждения при заводских испытаниях сигнал соответствующего канала замещает сигнал канала напряжения (при ограничении перегрузки и минимального возбуждения на вход ОКР также включен канал системной стабилизации; в остальных случаях этот канал отключается вместе с каналом напряжения).
Для определения динамических характеристик системы регулирования к каналу напряжения может быть подключен программный генератор контрольных сигналов (синусоидальных, пилообразных, ступенчатых). Введение тестового сигнала "
yTest
"
эквивалентно изменению уставки по напряжению. Код сигнала "
V
833"
, код программного ключа, подключающего генератор — "
Sw
840 +
U
g
Cnl
"
.
А.3.4 Передаточная функция ОКР W
(
p
)
= 1 + 1/р
T
окр. Поскольку р
= d
/
dt
= j
w при установившемся режиме и медленных изменениях возбуждения от уставки, т.е. при частоте, близкой к 0, W
(
p
)
= ¥. При таком интегральном регулировании в заданной точке, определяемой выбранным статизмом регулирования (см. выше), напряжение поддерживается неизменным. При возникновении в энергосистеме электромеханических колебаний с частотой в диапазоне 0,3—1,5 Гц передаточная функция ОКР W
(
p
)
плавно уменьшается до 1. Поскольку настройка ведется таким образом, что при выходном напряжении ОКР (АРВ), равном 1, напряжение на роторе будет номинальным, т.е. Uf
= 1pu
, коэффициент усиления по каналу напряжения будет равен K
0и
(см. рисунок 1 настоящих Методических указаний). Он выбирается в диапазоне 5—15 ри
Uf
/
pu
U
g
.
Интегратор смещения Bias
Cmn
в составе ОКР, обеспечивающий астатическое регулирование, имеет постоянную времени Т520
Ts
Bias
,
которую можно выводить на экран и изменять воздействием на экран. Смещение интегратора (Т537
Bias
Cmn
)
, компенсирующее изменение параметра DU
ограничено диапазоном Min
Bias
....
Max
Bias
при работе генератора в сети и диапазоном Min
Bias
Off
...
Max
Bias
Off
при работе генератора на холостом ходу. В установившемся режиме сигнал на входе в ОКР — V
535
´ Cmn
Cnl
близок к 0. Выходы каналов регулирования (РТР, Q
,
cos
j), работающих в режиме off
-
line
, также близки к 0, так как их уставки отслеживают значение соответствующих параметров. Переход на эти каналы происходит без изменения режима работы генератора. Переход на регулятор возбуждения, находящийся в горячем резерве, также происходит без изменения режима, так как смещение Bias
Cmn
этого регулятора устанавливается по интерфейсу CAN равным смещению работающего регулятора (режим on
-
line
).
Согласование коэффициентов передачи возбудителя и регулятора осуществляется в ОКР с помощью настройки Т525
Ceil
(вывод и изменение на экране). Она выбирается так, чтобы при номинальном напряжении ротора выход регулятора yRe
g
был бы равен единице.
В ОКР выполняется вычисление угла регулирования в зависимости от напряжения выхода АРВ в соответствии с формулой: Alfa
Re
g
= arccos
(
yReg
/
Ceil
)
. Эта арккосинусоидальная зависимость позволяет получить линейную зависимость Uf
= f
(
yRe
g
)
, так как зависимость Uf
от угла управления ТП является косинусоидальной функцией.
А.3.5 Угол V
721 AlfaRe
g
, полученный в ОКР в результате arccos
—
преобразования, поступает на вход фазоимпульсного управления, расположенного в АРВ. Он может изменяться от 0 до 180 эл. град. То же относится к сигналу T
730 Alfa
Test
, подаваемому в режиме тестирования с ПУ.
В СИФУ угол управления ограничивается минимальным MinAlfa
и максимальным MaxAlfa
значениями. Максимальный угол уменьшается при возрастании тока ротора для обеспечения запаса в инверторном режиме. В зависимости от тока ротора изменяется и длительность импульсов (см. раздел 1.1 настоящих Методических указаний).
Далее после указанных ограничений и изменений угла в зависимости от тока ротора в СИФУ происходит формирование шести импульсов управления, фаза которых относительно напряжения питания ТП определяется углом управления V
720 Alfa
,
вычисленным в соответствии с законом регулирования.
Образование импульсов происходит в схеме синхронизации импульсов управления, приведенной на рисунке 3.4 настоящих Методических указаний. На эту схему и поступает цифровой сигнал V
720 Alfa
. Угол управления V
720 Alfa
для одного ТП отсчитывается относительно начала (нулевого значения) пилообразного напряжения генератора опорной частоты. На этом пилообразном напряжении через 60 эл. град отсчитываются последовательно точки образования импульсов для остальных пяти тиристоров. Далее в этих точках в результате цифро-аналогового преобразования на выходе СИФУ происходит формирование шести аналоговых импульсов управления, которые поступают через импульсные трансформаторы на тиристоры соответствующих плеч.
Схема синхронизации импульсов выполнена по принципу фазовой автоподстройки частоты и фазы опорного генератора к частоте и фазе напряжения питания ТП. Основное назначение фазовой автоподстройки — обеспечить совпадение по фазе начала периода опорного генератора и напряжения питания ТП при любой схеме соединения ТСН СВ и при любом изменении частоты. Опорный генератор выполнен на таймере и счетчике микроконтроллера. Таймер формирует импульсы с периодом 0,25° опорной частоты, поступающие на счетчик, который отсчитывает текущую фазу y напряжения Uab
опорного генератора. Тактовая частота таймера 20 MHz
. Изменение кода загрузки таймера T
0,25° приводит к изменению частоты опорного генератора. Значения фазы y опорного генератора и фазы напряжения синхронизации, подаваемого от ТСН через датчик напряжения синхронизации Usyn
(LEM
-
U
), фильтры, выпрямители, АЦП и т.д., сравниваются между собой на измерительном органе. В качестве измерительного органа используется фазовый детектор. В расчетной формуле [3] для определения фазы Usyn
используются линейные напряжения ab
и bc
после АЦП и среднее значение напряжения синхронизации Usyn
. Синус разности между фазами напряжения опорного генератора и напряжения синхронизации с выхода фазового детектора подается на ПИ регулятор, который, воздействуя на генератор опорной частоты, обеспечивает устранение этой разности.
Для обеспечения совпадения фаз напряжения питания ТП и опорного генератора, т.е. для компенсации фазового сдвига за счет группы соединения ТСН и сдвига в фильтре датчика напряжения Usyn
применяется коррекция Corr
PsiF
. Настройка Corr
PsiF
выбирается при номинальной частоте напряжения синхронизации.
При введении частотной коррекции принято, что дрейф фаз, вносимый фильтром, пропорционален отклонению частоты Fsyn
от номинальной. Коэффициент пропорциональности задается настройкой dPsi
/
df
.
А.3.6 Системный стабилизатор PSS
состоит из каналов Df
, f
'
, If
'
, U
'
(см. раздел 1.1 настоящих Методических указаний).
Основными каналами для стабилизации внешнего движения являются каналы по отклонению и производной частоты Df
, f
'
. В качестве дополнительных стабилизирующих каналов используется производная тока ротора If
'
(стабилизация внутреннего движения) и производная напряжения статора U
'
(улучшение динамических характеристик канала напряжения, преобразование ПИ-канала напряжения в ПИД-канал). Дополнительные каналы позволяют также лучше использовать основные каналы PSS
в различных схемно-режимных ситуациях. При работе генератора на XX и при Р
< PMin
PSS
отключается, выполняется ПИ регулирование напряжения. Структурные схемы каналов изображены на рисунках 1 и 3.1 настоящих Методических указаний.
На каналы Df
, f
'
сигнал отклонения частоты V
121 Delta
Fg
подается от датчика частоты (см. рисунки 3.1, 3.4).
Сигнал Df
— V
423 Change
F
формируется с помощью фильтра, имеющего передаточную функцию p
Та0
F
/
1 + p
Та0
F
с, где Та0
F
= 2 с (параметр Т
421). Фильтр позволяет исключить постоянную составляющую в сигнале отклонения частоты от номинальной Delta
F
g
. Наличие большой постоянной времени 2 с обеспечивает передачу при переходных процессах входного сигнала без фазовых сдвигов. При частоте, превышающей 0,2-0,3 Гц, указанная передаточная функция близка к единице.
Требуемый коэффициент усиления (см. таблицу настоящих Методических указаний) обеспечивается умножением на безразмерный параметр Т
420 K
0
F
в расчетном блоке MUL
(вызов на экран, изменение с экрана). На выходе канала Df
имеется фильтр F
Тр
низкой частоты первого порядка с постоянной времени Та
Y
0
F
(T
422 - вывод на экран, изменение с экрана), равной 5-20 мс. Передаточная функция фильтра W
(p
) = 1/(1 + рТ
).
Сигнал производной частоты f
'
формируется расчетным блоком Derive
(дифференциатор).
Поскольку в дифференциальном звене X
выхода = к dX
входа/
dt
или W
(р
) = k
р
= Т р
(р
= d
/
dt
), т.е. выходное значение пропорционально скорости изменения входной, коэффициент усиления этого блока измеряется в секундах (В выхода: В входа/с; k
= Т
). Этот коэффициент изменяется с помощью параметра Т
431 T
1F
блока Derive
и для получения требуемого коэффициента канала f
'
умножается на безразмерный параметр T
430K
1F
в блоке MUL
. На выходе канала f
'
для обеспечения нормальной его работы применен фильтр низкой частоты первого порядка с постоянной времени Та
Y
1F
(T
432 — вывод на экран, изменение с экрана).
При совместном действии каналов Df
, f
'
обеспечивается форсировка при увеличении угла d и расфорсировка в момент начала уменьшения угла, что демпфирует электромеханические колебания. В принципе Df
º d'
и при мгновенном действии этого канала можно было бы осуществить указанное демпфирование одним этим каналом. Однако ввиду наличия запаздывания в контуре регулирования возбуждения для его компенсации дополнительно вводится опережающее воздействие f
'
º d², эквивалентное ускорению угла d. Суммарное действие этих каналов эквивалентно действию безынерционного канала Df
.
Действие каналов Df
, f
'
блокируется для предотвращения повышения напряжения (режим сброса нагрузки): при увеличении отклонения частоты генератора от номинальной до уровня Delta
FBlk
(> 53-54 Гц); при повышении напряжения генератора до значения UMaxFBlk
(> 1,25 UNom
); при одновременном увеличении напряжения генератора до значения U
@
F
'
Max
(> 1,1´UNom
) и повышения, производной частоты до уровня F
@
UMax
(> 1 - 1,5 Гц/с). Кроме того, каналы Df
, f
'
блокируются при команде оператора "Отключить PSS
", при работе генератора на XX и при Р <
0,1 ´ PNom
, а также на 0,04 — 0,06 с после отключения КЗ.
Структура канала производной тока ротора If
'
, получающего питание от датчика тока ротора — V
080
If
, аналогична структуре канала f
'
. Данные по кодам настройки и выбранным параметрам приведены на рисунках 1 и 3.1 — 3.4 настоящих Методических указаний.
То же самое можно сказать и про канал U
'
, получающий питание от датчика напряжения генератора V
100
U
g
(см. рисунки 1 и 3.1). В регуляторах АРВ-М применяется и второй, альтернативный способ введения дифференциальной составляющей ПИД закона регулирования напряжения. При этом вместо изображенного на рисунках 1 и 3.1 канала U
'
после расчетного блока SUB
с выходом V
413
Uctrl
(перед расчетным блоком SUB
,
на который подается уставка Т400
Set
) включается интегрально-дифференцирующее звено с передаточной функцией 1 + pT
1
Ucnl
/ 1 + pT
2
Ucnl
. Составляющая по производной напряжения формируется этим звеном при Т1/Т2
> 1. В установившемся режиме и при ручном изменении уставки (р
= jw
» 0) коэффициент передачи звена равен 1. При выполнении указанного на рисунке 3.1 способа введения U
'
T
1
Ucnl
= T
2
Ucnl
(основной способ ввода U
¢).
А.3.7 Канал ограничения по току ротора обеспечивает снижение тока ротора до номинального значения с выдержкой времени, зависящей от кратности этого тока, в соответствии с тепловой характеристикой ротора. Зависимость допустимого времени перегрузки от кратности тока ротора задается при настройке регулятора кусочно-линейной функцией, приведенной на рисунке 4. На рисунке 4 приведены коды точек характеристики — коды тока и времени, позволяющие выполнять настройку при вызове этих' параметров на экран.
При значении тока ротора If
< Lim
If
1 (код тока — Т301
, обычно 1,05—1,1 IfNom
; код времени — Т302@
) время перегрузки не ограничено. При If
> = Lim
If
1 (см. соответствующий расчетный блок на рисунке 3.1) включается программный переключатель, подается переменная 1/t
Limf
на используемый для измерения перегрева интегратор ITG
,
начинается отсчет времени перегрузки, перегрев ротора начинает увеличиваться. При выборе настроек необходимо обеспечить возрастание значений настроек по току ротора (Lim
If
1
< Lim
If
2 <
Lim
If
3 <
Lim
If
4 <
1,5). Значению Heatf
= 1 на выходе ITG
соответствует максимально допустимый перегрев, при Heatf
= 0 перегрев отсутствует. Значение t
Limf
вычисляется по формуле линейной интерполяции тепловой характеристики ротора. При достижении максимального допустимого перегрева Heatf
=
1 перегрузка запрещается — путем включения программного переключателя в работу вводится канал ограничения перегрузки, выводится канал напряжения. Ограничитель перегрузки поддерживает ток ротора равным номинальному. Коэффициент усиления канала ограничения определяется значением DIf
(блок SUB
), умноженным на значение KpLimIf
(Т600
) в блоке MUL
. Воздействие канала ограничения на ОКР обеспечивает астатическое поддержание тока ротора в режиме ограничения.
При возникновении КЗ в процессе ограничения на 2 с блокируется действие ограничителя, чем обеспечивается форсировка возбуждения и повышение предела динамической устойчивости.
При If
< LimIf
1
происходит остывание ротора. Выполняется переключение программных переключателей (см. рис. 3.1), интегратор охватывается отрицательной обратной связью, чем формируется экспоненциальная функция уменьшения перегрева с постоянной времени Тсоо
If
. Уменьшение перегрева Heatf
от 1,0 до 0,036 происходит за время, равное 3 Тсоо
If
.
После остывания ротора до уровня разрешения повторной перегрузки HeatfRpt
(расчетный блок £) снимается ограничение перегрузки — канал ограничения блокируется, вводится в работу канал напряжения и при наличии условий происходит повторная перегрузка. Длительность повторной форсировки определяется предшествующим перегревом.
После устранения причины, вызвавшей перегрузку (повысилось пониженное при КЗ или набросе нагрузки напряжение статора), либо снижения оператором уставки по напряжению уменьшается выход отключенного канала напряжения V
530
Volt
Cnl
(уменьшается действие на увеличение тока возбуждения). Когда это напряжение становится меньше напряжения выхода ограничения перегрузки V
531
yLimCnl
, происходит возврат на канал регулирования напряжения. Ток ротора при этом будет меньше номинального.
При превышении током ротора значения LimIf
формируется выходной дискретный сигнал "Перегрузка", при работе ограничителя и отключенном канале напряжения формируются выходные дискретные сигналы "Работа ОПР" и "Уставка МАХ
".
Предусмотрена возможность имитации с экрана перегрузки по току ротора путем задания масштабного коэффициента датчика тока ротора Т081
CorrIf
> 1 и имитации перегрева Heatf
.
А.3.8 Ограничение тока ротора двукратным значением осуществляется в соответствии с требованиями заводов-изготовителей ввиду того, что потолочное напряжение ротора превышает двукратное значение. Уровень двукратного тока задается уставкой (настройкой) Т630
Set
2
If
.
При неисправности в ТП в случае применения одноканальной схемы, а также при неисправности вращающегося бесщеточного возбудителя уставкой Т631
Set
MaxIf
задается определяемый заводом-изготовителем уровень ограничения тока ротора (обычно он соответствует току ротора при cosj = 1 и PNom
). При превышении током ротора V
080
If
значения заданной уставки на выходе расчетного блока SUB
появляется отрицательное значение DIf
,
которое через блоки "<" и "I
" включает программный переключатель. Канал ограничения, выход которого пропорционален DIf
,
вступает в работу, замещая сигнал автоматического или ручного регулирования. Коэффициент усиления канала ограничения определяется умножением сигнала DIf
на коэффициент настройки T
632
KpLimMaxIf
. Воздействуя на ОКР, схема обеспечивает ограничение астатически, на уровне заданной уставки. Действие ограничителя продолжается до тех пор, пока сигнал, сформированный отключенным в процессе ограничения активным каналом регулирования (V
533
Auto
Cnl
— перед срабатыванием ограничения работал канал напряжения, V
534
Man
Cnl
—
перед срабатыванием ограничения работал канал ручного управления), превышает выходной сигнал ограничителя, т.е. стремится увеличить ток ротора. При уменьшении этих сигналов ниже сигнала ограничения триггер T
отключает программный переключатель, чем выводит ограничитель из работы.
А.3.9 При повышении напряжения в энергосистеме регулятор для поддержания неизменным напряжения на шинах электростанции уменьшает ток ротора и переводит генератор в режим недовозбуждения. Для предотвращения перегрева крайних пакетов активной стали генератора и нарушения устойчивости выполнено ограничение потребления реактивной мощности в зависимости от активной. АО "Электросила" задает характеристики ограничения в виде трех кусочно-линейных функций, соответствующих напряжениям генератора 0,9; 1,0; 1,1 (см. рисунок 5 настоящих Методических указаний). На каждой из трех характеристик приводятся 4 настроечные точки, каждая точка имеет свой код по активной и реактивной мощности; приводится также код точки, соответствующей Р
= 0. Наличие кодов обеспечивает выполнение настройки характеристик с экрана.
При выборе настроек следует обеспечить возрастание настроек по Р
(Р
4 > Р
3 > Р
2 > Р
1); это условие контролируется программно.
Во входной расчетный блок ОМВ поступает напряжение V
100 U
g
от датчика напряжения статора и напряжение V
180 Р
g
от датчика активной мощности. На выходе этого блока получается уставка ограничения минимального возбуждения V
340SetLimQ
, рассчитанная по формуле линейной интерполяции. Когда реактивная мощность становится меньше уставки V
340SetLimQ
, канал ограничения вступает в работу (триггер включает программный переключатель), заменяя канал напряжения. Сигнал, пропорциональный отклонению Q
от уставки (коэффициент настройки T
620 KpLimQ
определяет коэффициент усиления канала), поступает на ОКР, что обеспечивает поддержание Q
равной уставке. После устранения причины работы ОМВ (повышенное напряжение понижается либо оператор повысил уставку по напряжению) увеличивается выход отключенного канала напряжения. Когда он станет выше напряжения ограничения, т.е. V530y
U
g
Cnl
> V
531
yLimCnl
, ограничение отключается, вводится регулирование напряжения. Реактивная мощность больше V
340SetLimQ
.
А.3.10 О работе ручного регулятора (регулятора тока) и ограничения при его работе напряжения синхронизации СИФУ в зависимости от изменения частоты; работе регуляторов реактивной мощности Q
и cos
j; работе ограничения V
/
Hz
сказано в разделе 1.1 настоящих Методических указаний. Подробная расчетная схема этих регуляторов и устройств ограничения приведена на рисунке 3.2.
Приложение Б
(рекомендуемое)
ВХОДНЫЕ И ВЫХОДНЫЕ ДИСКРЕТНЫЕ СИГНАЛЫ АРВ-М
В таблицах Б.1-Б.9 представлены все входные и выходные сигналы, поступающие на АРВ-М.
Таблица Б.1- Разъем Х1. Входные дискретные сигналы
| Адрес*
|
Наименование команды
|
Контакты разъемов X
1, XS
14
|
Разряд
|
Назначение
|
| Возбуждение - 1
|
Х
1:1
|
B
890 DI
1 L
:0
|
По фронту сигнала начинается процесс начального возбуждения генератора при условии готовности СВ (сигнал «Готовность» -Х
5:6 на выходе АРВ-М). При удачном процессе начального возбуждения формируется выходной дискретный сигнал «Возбуждение»
|
| Резерв
|
Х
1:14
|
B
890 DI
1 L
:1
|
В ряде случаев используется для самосинхронизации
|
| Останов - 1
|
Х
1:2
|
B
890 DI
1 L
:2
|
По общей команде на нормальный останов энергоблока регулятор выполняет автоматическую разгрузку генератора по реактивной мощности и после отключения генератора от сети гасит поле генератора - переводит ТП в инверторный режим с последующим съемом импульсов управления
|
| Гашение -1
|
Х
1:15
|
B
890 DI
1 L
:3
|
По этой команде производится перевод ТП в инверторный режим (устанавливается a = aMax
) с последующим съемом импульсов управления
|
| Аварийное отключение - 1
|
X
1:3
|
B
890 DI
1 L
:4
|
Автомат гашения поля отключается защитами. При поступлении аварийного сигнала устанавливается угол a = 90°, через некоторое время a = aMax
, a затем снимаются импульсы управления ТП
|
| Резерв
|
Х
1:16
|
B
890 DI
1 L
:5
|
В ряде случаев используется для ограничения тока ротора от защиты на уровне, соответствующем PNom
и cos
j = 1
|
| Включить канал 1 (АРВ1-1)
|
Х
1:4
|
B
890 DI
1 L
:6
|
По этой команде управление возбуждением переводится на первый канал при его готовности (установлен сигнал «Готов 1 « 2»)
|
| Включить канал 2 (АРВ2-1)
|
Х
1:17
|
B
890 DI
1 L
:7
|
По этой команде управление возбуждением переводится на второй канал при его готовности (установлен сигнал «Готов 1 « 2»)
|
| Автоматическое управление
|
Х
1:5
|
В
891 DI
1H
:0(8)
|
По этой команде включается автоматический регулятор напряжения (переход на регулирование напряжения генератора)
|
| Отключить PSS
|
Х
1:18
|
B
891 DI
1H
:1
|
Команда на отключение системного стабилизатора
|
| Регулирование Q
|
Х
1:6
|
B
891 DI
1H
:2
|
Регулятор переводится в режим регулирования реактивной мощности Q
|
| Регулирование cos
j
|
X
1:19
|
В
891 DI
1H
:3
|
Регулятор переводится на регулирование cos
j
|
| Ручное управление
|
Х
1:7
|
В
891 DI
1H
:4(12)
|
По команде включается ручной РТР (возбуждения)
|
| Больше
|
Х
1:20
|
В
891 DI
1H
:5(13)
|
Команда на увеличение уставки активного канала регулирования (AUTO
, MAN
, Q
, Cos
Phi
)
|
| Меньше
|
Х
1:8
|
B
891 DI
1H
:6(14)
|
Команда на уменьшение уставки активного канала регулирования (AUTO
,
MAN
, Q
, Cos
Phi
)
|
| Q ® 0
|
X
1:21
|
B891 DI
1H
:7(15)
|
По этой команде выполняется автоматическая разгрузка генератора по реактивной мощности. Затем формируется сигнал «Q
= 0»
|
| 0 V
1
|
X
1:9
|
Ноль источника 24 V
1 для входных дискретных сигналов
|
| +24 V
1
|
X
1:22
|
Положительный полюс 24 V
1 для входных дискретных сигналов
|
Таблица Б.2 - Разъем Х
2. Входные дискретные сигналы
| Адрес*
|
Наименование команды
|
Контакты разъемов X
2, XS
15
|
Разряд
|
Назначение
|
| U
g
® Ubar
|
X
2:1
|
B
892 DI
2L
:0
|
По этой команде выполняется автоматическая подгонка напряжения генератора к напряжению сети. По окончании процесса формируется выходной дискретный сигнал «U
g
= Ubar
»
|
| Резерв
|
X
2:14
|
B
892 DI
2
L
:1
|
Используется при необходимости для настройки режима зарядки линии
|
| Отказ ТВ
|
X
2:2
|
B
892 DI
2
L
:2
|
При отказе канала обязательно перейти на резервный регулятор (канал)
|
| АЕ и ТВ готовы
|
X
2:15
|
B
892 DI2L
:3
|
Готовность возбудителя к возбуждению (силовая часть и ТП)
|
| Б/к выключателя
|
X
2:3
|
B
892 DI2L
:4
|
Генераторный выключатель отключен. Алгоритм настройки АРВ и его функции при работе генератора на XX выполняются также при отсутствии тока генератора (I
g
< T
164
I
g
@
ON
)
|
| Б/к Q
Е
1
|
X
2:16
|
B
892 DI2L
:5
|
Автомат гашения поля включен
|
| Б/к КШР
|
X
2:4
|
B
892 DI2L
:6
|
Контактор, шунтирующий ротор на сопротивление, отключен
|
| Б/к КНВ
|
X
2:17
|
B
892 DI2L
:7
|
Контактор начального возбуждения включен
|
| Выключатель U
g
включен (ШТН)
|
X
2:5
|
В
893 DI
2H
:0(8)
|
Автомат в цепи измерения напряжения генератора (3´100 В) включен
|
| Возбуждение разрешено
(95% fNom
)
|
X
2:18
|
В
893 DI
2H
:1(9)
|
Разрешение возбуждения от автоматики агрегата
|
| Генератор возбужден
|
X
2:6
|
B
893 DI
2H
:2(10)
|
Реле гашения поля находится в положении "Возбуждено"
|
| Резервное возбуждение
|
X
2:19
|
B
893 DI
2H
:3(11)
|
Генератор работает на резервном возбудителе
|
| Резерв
|
X
2:7
|
B
893 DI
2H
:4(12)
|
| Сброс сигнализации (с (ТУ)
|
X
2:20
|
B
893 DI2H
:5(13)
|
По фронту этого сигнала квитируются сигналы неисправностей и отказов
|
| Резерв
|
X
2:8
|
B
893 DI
2
H
:6(14)
|
| Ограничение тока
|
X
2:21
|
B
893 DI
2
H
:7(15)
|
Ограничить максимальный ток возбуждения на уровне, соответствующем номинальной активной мощности и cosj = 1
|
| 0 V
1
|
X
2:9
|
Ноль источника 24 V
1 для входных дискретных сигналов
|
| +24 V
1
|
X
2:22
|
Положительный полюс источника 24 V
1 для входных дискретных сигналов
|
| * В таблицах Б.1 и Б.2 адреса поступающих на АРВ-М сигналов (номера клемм ХТ3, контактов оптопарных модулей или реле) в таблице не приводятся, так как они могут быть различными для разных СВ; целесообразно заполнение таблицы в местных инструкциях по СВ.
|
Таблица Б.3 - Разъем X
3-XS
16. Выходные дискретные сигналы
| Адрес*
|
Наименование команд
|
Контакты разъемов X
3, XS
16
|
Разряд
|
Назначение
|
| Готов 1 « 2
|
X
3:1
|
B
920 D
01L
:0
|
Разрешен перевод управления на регулятор другого канала
|
| Резерв (готовность к включению генераторного выключателя при СС)
|
X
3:14
|
B
920 D
01L
:1
|
Сигнал, разрешающий включение генераторного выключателя при самосинхронизации
|
| Неуспешное возбуждение
|
Х
3:2
|
B
920 D
01L
:2
|
Неуспешное начальное возбуждение. Квитировать(сброс)
|
| Включить Q
Е
1
|
X
3:15
|
B
920 D
01L
:3
|
Включить АГП (при возбуждении)
|
| Резерв
|
Х
3:3
|
B
920 D
01L
:4
|
| Резерв
|
X
3:16
|
B
920 D
01L
:5
|
| Генератор развозбужден
|
X
3:4
|
B
920 D
01L
:6
|
Перевести РГП в положение «Гашение»
|
| Генератор возбужден
|
X
3:17
|
B
920 D
01L
:7
|
Перевести РГП в положение «Гашение»
|
| Автоматическое регулирование в работе
|
X
3:5
|
В
921 D
01Н
:0
|
Включен регулятор напряжения генератора
|
| Работает PSS
|
X
3:18
|
В
921 D
01Н
:1
|
Включен системный стабилизатор
|
| Регулятор Q
в работе
|
X
3:6
|
В
921 D
01Н
:2
|
Включен регулятор реактивной мощности
|
| Регулятор cos
j в работе
|
X
3:19
|
В
921 D
01Н
:3
|
Включен регулятор cos
j
|
| Ручной регулятор в работе
|
X
3:7
|
В
921 D
01Н
:4
|
Включен ручной регулятор тока возбуждения
|
| Уставка МАХ
|
X
3:20
|
В
921 D
01Н
:5
|
Запрет увеличения возбуждения
|
| Уставка М
IN
|
X
3:8
|
В
921 D
01Н
:6
|
Запрет уменьшения возбуждения
|
| Q
= 0
|
X
3:21
|
В
921 D
01Н
:7
|
Завершена разгрузка генератора по реактивной мощности
|
| Примечание: Если регулятор работает в режиме off
-
line
,
то сигналы этого разъема блокированы
|
Таблица Б.4 - Разъем Х
4-Х
S
17. Выходные дискретные сигналы
Если регулятор работает в режиме off
-
line
,
то сигналы этого разъема блокированы.
| Адрес*
|
Наименование команд
|
Контакты разъемов X
4, XS
17
|
Разряд
|
Назначение
|
| U
g
= Ubar
|
X
4:1
|
B
922 D
02L
:0
|
Завершена подгонка напряжения генератора к напряжению сети
|
| Перегрузка
|
Х
4:14
|
B
922 D
02L
:1
|
Перегрузка по току ротора или статора. Значение тока превысило заданное (по умолчанию 105% номинального тока)
|
| Работа ОПР
|
Х
4:2
|
B
922 D
02L
:2
|
Ограничение перегрузки по току ротора
|
| Работа ОПС
|
Х
4:15
|
B
922 D
02L
:3
|
Ограничение перегрузки по току статора
|
| Работа ОМВ
|
Х
4:3
|
B
920 D
02L
:4
|
Ограничение минимального возбуждения
|
| Резерв
|
Х
4:16
|
B
922 D
02L
:5
|
| КЗ ротора
|
Х
4:4
|
B
922 D
02L
:6
|
Короткое замыкание на стороне постоянного тока ТП
|
| Резерв
|
Х
4:17
|
B
922 D
02L
:7
|
| Резерв
|
Х
4:5
|
B
923 D
02H
:0
|
| Резерв
|
X
4:18
|
B
923 D
02H
:1
|
| Разрешен переход с резервного возбудителя
|
Х
4:6
|
B
923 D
02H
:2
|
Разрешен переход с резервного возбудителя на основной
|
| Резерв
|
Х
4:19
|
B
923 D
02H
:3
|
| Резерв
|
Х
4:7
|
B
923 D
02H
:4
|
| Резерв
|
Х
4:20
|
B
923 D
02H
:5
|
| Резерв
|
Х
4:8
|
B
923 D
02H
:6
|
| Резерв
|
Х
4:21
|
B
923 D
02H
:7
|
Таблица Б.5 - Разъем Х
5. Цепи питания и аналоговые сигналы
| Адрес*
|
Контакт
|
Сигнал
|
Функция
|
| X
5:1,14
|
24 V
-
BC
|
Положительный полюс источника 24 V
для управления выходными реле
|
| Х
5:2,15
|
0 V
- ВС
, выход
|
Ноль источника 24 V
для управления выходными реле
|
| Х
5:3,16
|
0 V
-
АРВ, выход
|
Ноль гальванически развязанного источника 24 V
-1 для входных дискретных сигналов
|
| Х
5:4,17
|
Резерв
|
| Х
5:5,18
|
Канал в работе
|
АРВ1 управляет возбуждением генератора
|
| Х
5:6,19
|
Готовность канала
|
Готовность СВ к начальному возбуждению (АРВ1)
|
| Х
5:7,20
|
Неисправность
|
Неисправность АРВ 1 (нормально-замкнутый контакт реле - исправность)
|
| X
5:8,21
|
Отказ канала
|
Отказ АРВ1 (нормально-замкнутый контакт реле - отсутствие отказа)
|
| X
5:9
|
Отказ источника питания АРВ
|
Отказ источника питания АРВ
|
| X
5:22
|
Отказ питания ВС
|
Отказ источника питания 24 V
для управления реле
|
| X
5:10
|
U
g
-mА
|
Аналоговый выход - напряжение генератора
|
| X
5:25
|
I
g
-mА
|
Аналоговый выход - ток генератора
|
| X
5:11
|
Uf
-mА
|
Аналоговый выход - напряжение ротора
|
| X
5:24
|
If
-mА
|
Аналоговый выход - ток ротора
|
| X
5:12
|
Резерв
|
| X
5:23
|
Резерв
|
| * В таблицах Б.4 и Б.5 адреса поступления выходных сигналов (номера клеммника СУР, релейных модулей K
со световой индикацией, контактов реле) не приводятся, так как они могут различаться для разных СВ. Целесообразно их указание в местных инструкциях.
|
Таблица Б.6 - Разъем Х
6. Сигналы управления ТП
| Контакт
|
Сигнал
|
Функция
|
| X
6:1
|
Импульс (Pulse
)1
|
Импульс для управления первым тиристором
|
| X
6:14
|
Импульс (Pulse
)1
|
Импульс для управления вторым тиристором
|
| X
6:2
|
Импульс (Pulse
)1
|
Импульс для управления третьим тиристором
|
| X
6:15
|
Импульс (Pulse
)1
|
Импульс для управления четвертым тиристором
|
| X
6:3
|
Импульс (Pulse
)1
|
Импульс для управления пятым тиристором
|
| X
6:16
|
Импульс (Pulse
)1
|
Импульс для управления шестым тиристором
|
| X
8:6,17
|
0 V
Osh
|
Ноль цепей управления ТП
|
| X
6:5
|
+15 Osh
|
Положительный полюс источника 15 V
для цепей управления ТП
|
Таблица Б.7 - Команды и сигнализация положения. Разъем XS
40-X
9
| Контакты разъемов, XS
40, X
9
|
Сигнал
|
| 1
|
Включить AVR
-1
|
| 9
|
Включить AVR
-2
|
| 2
|
CAN
-
L
|
| 3
|
0-CAN
|
| 10
|
CAN-H
|
| 4
|
+
AVR
-1 в работе
|
| 11
|
-
AVR
-1 в работе
|
| 5
|
+
AVR
-1 готов
|
| 12
|
-
AVR
-1 готов
|
| 6
|
+
AVR
-2 готов
|
| 13
|
-
AVR
-2 готов
|
| 14
|
-
AVR
-1 в работе
|
| 7
|
+
AVR
-1 в работе
|
Таблица Б.8- Обмен информацией с ТК. Разъем X
10-XS
20
| Контакты разъемов X
10, XS
20
|
Сигнал
|
Функция
|
| 1
|
RS
485 +
|
Выводы интерфейса RS
485
|
| 6
|
RS
485 -
|
Таблица Б.9 - Разъем Х
11. Входные дискретные сигналы
| Наименование команд
|
Контакты разъема X
11
|
Разряд
|
Назначение
|
| U
g
> 1,2 U
gNom
|
Х
11:1
|
B
894 D
13L
:0
|
Срабатывание защиты от повышения напряжения генератора. Сигнализация о неисправности
|
| f
< 45Hz
|
Х
11:14
|
В
894 D
13L
:1
|
Срабатывание защиты от понижения частоты напряжения генератора. Сигнализация о неисправности
|
| Защиты энергоблока (Unit protections)
|
Х
11:2
|
В
894 D
13L
:2
|
Срабатывание защит энергоблока. Сигнализация о неисправности
|
| Токовая отсечка (Current cut-off)
|
Х
11:15
|
В
894 D
13L
:3
|
Срабатывание токовой отсечки. Сигнализация о неисправности
|
| Изоляция 1-й ст. (Insul. 1 st)
|
Х
11:3
|
В
894 D
13L
:4
|
Снижение уровня изоляции, первая ступень. Сигнализация о неисправности
|
| Изоляция 2-й ст. (Insul. 2 st)
|
Х
11:16
|
В
894 D
13L
:5
|
Снижение уровня изоляции, вторая ступень. Формируется сигнал «Аварийная сигнализация»
|
| Неисправность АК1 (АК1 failure)
|
Х
11:4
|
В
894 D
13L
:6
|
Неисправность защиты от замыканий на землю. Сигнализация о неисправности
|
| Неисправность RC-цепей
|
Х
11:5¸9, Х
11:17¸22
|
Неисправность RC-цепей. Сигнализация о неисправности или условный отказ
|
| Х
11:8.9;
Х
11:20¸22
|
Неисправность источника питания 60 V
СУР, источника вторичного питания СУР, источника питания 24 V
1 входных дискретных сигналов
|
Разъем Х
7 — технологический и используется при заводской наладке, разъем Х
8 — резервный
Разъемы Х
9 АРВ1 и АРВ2 соединены кабелем, по которому осуществляется связь между регуляторами первого и второго каналов. Связь реализована с помощью CAN
-интерфейса. Посторонние внешние цепи к разъемам не подключаются.
Разъем X
10-XS
20 используется для обмена информацией с ТК СВ при управлении от АСУ ТП.
Приложение В
(обязательное)
ОПРЕДЕЛЕНИЕ С ПОМОЩЬЮ ЭКРАНА МЕСТНОГО ПУ СУР ПРИЧИН НЕИСПРАВНОСТЕЙ И ОТКАЗОВ, РАБОТЫ ЗАЩИТ, НЕГОТОВНОСТИ К ПУСКУ, ННВ, НЕСООТВЕТСТВИЯ СИГНАЛОВ НА ВХОДЕ АРВ РЕЖИМНЫМ ПАРАМЕТРАМ
В таблицах В. 1 — В.5 представлены сообщения о неисправностях.
Таблица В.1- Сообщения о неисправностях и срабатывании защит, для детализации которых требуются экраны второго и третьего уровней
| Первый уровень (наименование и изображение кнопки)
|
Второй уровень
|
Третий уровень
|
| 
Неисправность АРВ1
или
неисправность АРВ 2
|
Отказ ИП
Отказ контроллера
Отказ СИФУ
Отказ Usyn
Отключен выключатель «3´100 V
»
Отсутствует U
g
110% < Ubar
< 80%
Неисправность импульсов управления
|
Несовпадение входных сигналов режима
|
| 
|
Недостоверные режимные параметры
Несовпадение режимных параметров АРВ1 и АРВ2
|
Режимные параметры
|
| Несовпадение дискретных сигналов АРВ1 и АРВ2
|
Контакты разъемов
|
| Неисправность ТВ1 или ТВ2 (двухканальный выпрямитель)

или
|
Непроводимость тиристоров
Небаланс токов тиристоров
Несимметричный режим ТВ
Отказ двух мостов
|
Координаты тиристоров
|
| Непроводимость RC
-цепей
Отказ параллельных RC
-цепей
|
Координаты
RC
-цепей
|
| 
|
Неисправность предохранителей
Неисправность охлаждения
Неисправность охлаждения двух мостов
|
Координаты мостов и обозначение отказавшей аппаратуры
|
| Неисправность ТВ (одноканальный выпрямитель)

|
Непроводимость тиристоров
Небаланс токов тиристоров
Несимметричный режим выпрямителя
Отказ трех мостов
Отказ четырех мостов
|
Неисправность охлаждения трех мостов Координаты тиристоров
|
| и
|
Непроводимость RC
-цепей
Отказ RC
-цепей
|
Координаты
RC
-цепей
|
| 
|
Неисправность предохранителей
Неисправность охлаждения
|
Координаты мостов и обозначение отказавшей аппаратуры
|
| Неисправность оборудования

|
Открыты SF
«~380 V» канала 1
Открыты SF
«~380 V» канала 2
Открыты SF
«=220 V» канала 1
Открыты SF
«=220 V» канала 2
Открыты SF
AE
1 (вентиляторы)
Неисправность АК1
Неисправность цепей управления QE
1
Снижение изоляции ротора 1-я ступень
Потеря возбуждения
Открыты разъединители канала 1
Открыты разъединители канала 2
Перегрев ТЕ1 1-я ступень (выпрямительный трансформатор)
Перегрев ТЕ1 2-я ступень
Снижение питания БКТ ТЕ1
Неисправность БКТ ТЕ1
Испытание канала 1
Испытание канала 2
|
| Срабатывание защит

|
Снижение изоляции ротора 2-й ст.
Неуспешное возбуждение
Длительная форсировка
Токовая отсечка ТЕ1
Неуспешное инвертирование
Срабатывание РЗР
Отказ двух каналов
Короткое замыкание на постоянном токе
|
| Отказ источников питания

|
Отказ ИП-1 контроллера
Отказ ИП-2 контроллера
Отказ ИП UH-1
Отказ ИП UH-2
Отказ ИП-1 ВС
Отказ ИП-2 ВС
Отказ ИП 60 V
-1
Отказ ИП 60 V
-2
Отказ ИП датчиков тока - 1
Отказ ИП датчиков тока - 2
|
Таблица В.2 - Сообщения о неисправностях, для детализации которых не требуются экраны других уровней
| Первый уровень
(наименование и изображение индикатора)
|
Наименование неисправности
|
| Срабатывание разрядника
|
Срабатывание разрядника (+)
Срабатывание разрядника (-)
|
| Питание СУР от батареи
|
Питание СУР от батареи канала 1
Питание СУР от батареи канала 2
|
| Неисправность последовательного интерфейса
|
| 
|
Неисправность CAN
-интерфейса
Неисправность RS
-485 АРВ1 - BL
1700 (ТК)
Неисправность RS
-485 APB2 - BL
1700 (ТК)
|
Таблица В.3 - Сообщения о неготовности СВ
| Первый уровень
(наименование и
изображение кнопки)
|
Второй
уровень
|
Третий уровень
|
Четвертый уровень
|
| Канал 1 не готов

|
Отказ АРВ1
|
Отказ ИП АРВ1
Отказ контроллера АРВ1
Отказ СИФУ АРВ1
Открыт выключатель «3´100 V
»
|
| 80% < Ubar
< 110%
Недостоверность измерения
|
Режимные параметры
|
| АЕ1 или ТВ1
не готовы
|
Открыты SF
«~380 V
» канала 1
Открыты SF
«=220 V
» канала 1
Открыты SFAE
1
Неисправность АК1
Неисправность цепей управления QE
1
Снижение изоляции ротора 1-й ст.
Неготовность БКТ ТЕ1
Неисправность FU
канала 1
Срабатывание разрядника +
Срабатывание разрядника -
Открыты разъединители канала 1
|
| Отключен SF
вентилятора
|
Номера вентиляторов
|
| Отказ ИП - 1 контроллера BL
1700
Отказ ИП
|
Координаты ИП
|
| Неуспешное возбуждение (сигнал не сброшен)
Отказ ТВ 1 (сигнал не сброшен)
Аварийное отключение (сигнал не сброшен)
|
| Канал 2 не готов

|
Отказ АРВ2
|
Отказ ИП АРВ2
Отказ контроллера АРВ 2
Отказ СИФУ АРВ2
Открыт выключатель «3´100 V
»
110% < Ubar
< 80%
|
| Недостоверность измерения
|
Режимные параметры
|
| АЕ1 или ТВ2
не готовы
|
Открыты SF
«~380 V
» канала 2
Открыты SF
«=220 V
» канала 2
|
| Открыты SFAE
1
Неисправность АК1
Неисправность цепей управления QE
1
Снижение изоляции ротора 1-й ст.
Неготовность БКТ ТЕ1
|
| АЕ1 или ТВ2
не готовы
|
Неисправность FU
канала 2
Срабатывание разрядника +
Срабатывание разрядника -
Открыты разъединители канала 2
|
| Отключен SF
вентилятора
|
Номер вентилятора
|
| Отказ ИП
|
Координаты ИП
|
| Неуспешное возбуждение (сигнал не сброшен)
Отказ ТВ2 (сигнал не сброшен)
Аварийное отключение (сигнал не сброшен)
|
Таблица В.4 - Сообщения о неуспешном возбуждении
| Первый уровень (наименование и изображение кнопки)
|
Второй уровень
|
Третей уровень
|
Четвертый уровень
|
| Неуспешное возбуждение

|
Отказ канала НВ АРВ1
или
Отказ канала НВ АРВ2
|
Отказ ИП АРВ
Отказ контроллера АРВ
Отказ СИФУ
Отсутствует Usyn
Открыт выключатель «3´100 V»
Отсутствует U
g
110% < Ubar
< 80%
Отказ ТВ
|
| Недостоверность измерения
|
Режимные параметры
|
| Не включился QE
1
|
| Неправильное положение КНВ
|
| Неправильное положение КШР
|
| Ток ротора менее 10%
|
| Потеря возбуждения
|
| Не включился Q
Е
1
|
Таблица В.5- Входные сигналы АРВ, не соответствующие режиму генератора

Приложение Г
(рекомендуемое)
РАСШИФРОВКА НЕИСПРАВНОСТЕЙ И ОТКАЗОВ
С ПОМОЩЬЮ ПОКАЗАНИЙ СЕМИСЕГМЕНТНОГО ИНДИКАТОРА
НА ПАНЕЛИ
LC
МЕСТНОГО УПРАВЛЕНИЯ АРВ-М
Таблица Г.1- Предупредительная сигнализация (неисправности)
| Код
|
Причина неисправности. Действие
|
Дополнительная информация
|
| A
01
|
Недостоверный входной дискретный сигнал (сигналы)
|
Битовые переменные B
896 ErrDI
1L
...B
899 ErrDI
2H
содержат недостоверные сигналы
|
| A
02
|
Несовпадение дискретных сигналов, поступающих на входы АРВ1 и АРВ2 от одного источника
|
Битовые переменные B
908 ErrCmpDI
1L
…B
901 CmpDI
2H
содержат недостоверные сигналы
|
| A
03
|
Недостоверное напряжение сети. Квитировать
|
При подгонке напряжения генератора к напряжению сети выявлено, что напряжение сети не соответствует допустимому диапазону изменения уставки по напряжению. Проверить датчик напряжения сети
|
| A
04
|
Выход частоты синхронизации Fsyn
из диапазона T
703MinFsyn
.... T
704MaxFsyn
|
Информация для персонала
|
| A
05
|
Недостоверный сигнал б/к выключателя (Х
2:3)
|
При наличии сигнала об отключенном состоянии выключателя есть ток статора (I
g
>
T
164
I
g
@
GenON
). Регулятор выполняет функции, соответствующие работе генератора а сети
|
| A
06-A
09
|
Резерв
|
| A
10
|
Неуспешное начальное возбуждение. Потеря тока возбуждения. Не достигнута начальная уставка. Квитировать
|
При автоматическом управлении через расчетное время после подачи импульсов управления ТП напряжение U
g
не достигло начальной уставки. При ручном управлении через расчетное время после подачи импульсов ТП ток If
не достиг начальной уставки. Следует:
1. Проанализировать дополнительную диагностическую информацию на ПУ
2. Уточнить значения указанных настроек
3. Убедиться, что ТП включен на ротор
|
| A
11
|
Неуспешное начальное возбуждение. Потеря тока возбуждения. Квитировать
|
В процессе увеличения уставки напряжение U
g
(автоматическое управление) или If
(ручное управление) снизились соответственно до 0,5 или 0,25 текущей уставки. Проанализировать дополнительную диагностическую информацию
|
| A
12
|
Отключение АГП от защит
|
Сигнал «Аварийное отключение» (Х
1:3)
|
| A
13
|
Отключен автомат 3´100 B в цепи ТН генератора
|
Нет сигнала «Выключатель U
g
включен» (Х
2:5).
Включить автомат
|
| A
14 - A
15
|
Резерв
|
| A
16
|
Отказ в работе интерфейса CAN
, используемый для обмена информацией между регуляторами
|
Запрещен ручной переход на резервный регулятор. Проверить разъемы Х
9 на обоих регуляторах
|
| A
17
|
Не включился АГП. Квитировать
|
За допустимое время не включился АГП. Проверить цепи управления и сигнализации
|
| A
18
|
Не отключился АГП. Квитировать
|
За допустимое время не отключился АГП. Проверить цепи управления и сигнализации
|
| A
19
|
Не включился КНВ. Квитировать
|
За 1 с не включился КНВ. Проверить цепи управления и сигнализации
|
| A
20
|
Не отключился КНВ. Квитировать
|
За 1 с не отключился КНВ. Проверить цепи управления и сигнализации
|
| A
23
|
Не включился РГП в положение «Возбуждение». Квитировать
|
За время 1 с не включился РГП. Проверить цепи управления и сигнализацию
|
| A
24
|
Не отключился РГП в положение «Гашение». Квитировать
|
За время 1 с не отключился РГП. Проверить цепи управления и сигнализации
|
| A
25 - A
30, А
33
|
Неисправность R
-
C
цепей. Отключение автоматов питания 380 В =220 В
|
Таблица Г.2 - Катастрофические отказы
| Код
|
Причина неисправности.
Действие
|
Дополнительная информация
|
| b
01
|
Переключатель «БЛОК» на пульте местного управления АРВ находится в верхнем положении
|
Перевести в нижнее положение
|
| b
02
|
Отказ источника питания
|
Формируется ячейкой MR. Проверить уровни напряжений «+5 V
», «+15 V
», «-15 V
», «+24 V»
|
| b
03
|
В режим заводских испытаний переведен только один регулятор
|
Перевести в режим заводских испытаний другой регулятор, или отключить питание резервного регулятора, или перевести переключатель «БЛОК» резервного регулятора в верхнее положение
|
| b
04
|
Потеря напряжения синхронизации при возбужденном генераторе
|
Напряжение синхронизации отсутствовало дольше, чем T
290TestUv
. На гнездах ячейки PAS
проверить наличие сигналов Uabv
, Ubcv
, Ucav
|
| b
05
|
Отсутствует синхронизация СИФУ. Квитировать
|
Наиболее вероятная причина - обратное чередование фаз цепей измерения синхронизации
|
| b
06
|
Срабатывание защиты от КЗ на стороне постоянного тока ТП. Квитировать
|
Информация для оперативного персонала
|
| b
07
|
Отказ ТП
|
По сигналу «Отказ АЕ2» (Х
2:2)
|
| b
08 - b
11
|
Резерв
|
| b
12
|
Потеря фазы напряжения синхронизации
|
На гнездах ячейки PAS
проверить наличие сигналов Uabv
,
Ubcv
,
Ucav
|
| b
13
|
Длительное недопустимое повышение напряжения генератора
|
| b
14 - b
16
|
Резерв
|
| b
17
|
Непроводимость тиристорного плеча 1. Квитировать
|
Проверить целость предохранителей и цепей управления соответствующим тиристором
|
| b
18
|
Непроводимость тиристорного плеча 2. Квитировать
|
Проверить целость предохранителей и цепей управления соответствующим тиристором
|
| b
19
|
Непроводимость тиристорного плеча 3. Квитировать
|
| b
20
|
Непроводимость тиристорного плеча 4. Квитировать
|
| b
21
|
Непроводимость тиристорного плеча 5. Квитировать
|
| b
22
|
Непроводимость тиристорного плеча 6. Квитировать
|
Таблица Г.3 - Условные отказы
| Код
|
Причина отказа
|
Дополнительная информация
|
| С 02
|
Перегорание предохранителя ТП
|
| С 03
|
Отказ источника питания 60 V
|
| С 04
|
Отказ источника вторичного питания
|
| С 06
|
Кратковременная потеря напряжения синхронизации при возбужденном генераторе
|
Если напряжение синхронизации отсутствовало дольше определенного времени (Т
191 t
LossUv
), то вместо признака условного сигнала С06 формируется признак катастрофического отказа b
04
|
Таблица Г.4- Частичные отказы
| Код
|
Причина отказа
|
Дополнительная информация
|
| F
01
|
Неисправность цепей измерения напряжения генератора. Квитировать
|
На гнездах PAS
проверить амплитудную и фазовую симметрию сигналов Uab
g
, Ubc
g
, Uca
g
|
| F
02
|
Неисправность целей измерения частоты
|
На гнездах PAS
проверить сигналы PIs
_
uab
g
, PIs
_
ubc
g
, PIs
_
uca
g
|
| F
03
|
Обратное чередование фаз цепей измерения напряжения генератора. Квитировать
|
Фазовый угол между сигналами ячейки PAS
PIs
_
ubc
g
,
PIs
_
uab
g
(V130Ubc
) должен быть равен ~ 120°
|
Таблица Г.5- Ограничение режима
| Код
|
Причина
|
| L
01
|
Перегрузка по току ротора
|
| L
02
|
Ограничение перегрузки по току ротора
|
| L
03
|
Запрещена перегрузка по току ротора
|
| L
04
|
Перегрузка по току статора;
|
| L
05
|
Ограничение перегрузки по току статора
|
| L
06
|
Запрещена перегрузка по току статора
|
| L
07
|
Ограничение минимального возбуждения
|
| L
08
|
Ограничение напряжения генератора при снижении частоты (ограничение V
/Hz
)
|
| L
09
|
Ограничение двукратного или максимального тока ротора
|
Таблица Г.6- Неготовность к возбуждению
| Код
|
Причина неготовности
|
Дополнительная информация
|
| U
01
|
Неготовность регулятора к возбуждению
|
Проанализировать дополнительную информацию (неисправности A
01-A
08 не препятствуют начальному возбуждению: A
08-A
24, b
01-b
24, F
01-F
08)
|
| U
02
|
Запрет возбуждения
|
Нет сигнала« Возбуждение разрешено» (X
2:18)
|
| U
03
|
Есть сигнал перевода ТП в инверторный режим
|
По сигналу «Гашение» (X
1:15)
|
| U
04
|
Есть сигнал на останов агрегата
|
По сигналу «Останов» (X
1:2)
|
| U
05
|
Неготовность возбудителя
|
Нет сигнала «AE
1 и ТВ готовы» (X
2:15)
|
| U
06
|
Отсутствие напряжения синхронизации
|
Подать напряжение синхронизации
|
| U
07
|
Резерв
|
| U
08
|
Включен КШР
|
Нет сигнала б/к КШР (X
2:4)
|
Список использованной литературы
1. Правила технического обслуживания тиристорных систем возбуждения: РД 34.45.620-96. - М.: СПО ОРГРЭС, 1998.
2. Методические указания по техническому обслуживанию тиристорной системы независимого возбуждения турбогенераторов серии ТВВ мощностью 160-800 МВт: МУ 34-70-052-83. - М.: СПО Союзтехэнерго, 1983.
3. Секция управления и регулирования. Руководство по эксплуатации: 6БС.381.114РЭ. - С.-Петербург, 2001.
Ключевые слова: регулирование возбуждения, АРВ1, АРВ2, СВ, напряжение статора, ток статора, частота напряжения, активная и реактивная мощность генератора, напряжение и ток ротора, напряжение сети, напряжение синхронизации, основной регулятор, резервный регулятор, ручной регулятор, ТП, АГП, СУР, СИФУ, LEM
.
СОДЕРЖАНИЕ
Введение
1 Назначение и основные технические характеристики АРВ-М
1.1 Назначение регулятора.
1.2 Технические данные АРВ-М
2 Описание структурной схемы аппаратных средств АРВ-М
Конструкция АРВ-М
2.1 Общие положения
2.2 Основные узлы структурной схемы аппаратных средств АРВ-М
2.3 Выполнение узлами структурной схемы функций регулирования возбуждения и ограничения режимных параметров
2.4 Выполнение узлами структурной схемы технологических функций
2.5 Выполнение функций контроля, диагностики, сервиса
3 Методы обслуживания АРВ-М в составе СУР двухканальной СТС ОАО "Электросила" с помощью местного ПУ СУР
4 Методы обслуживания АРВ-М с помощью местного ПУ регулятора LC
5 Применение генератора контрольных сигналов
6 Общие положения по техническому обслуживанию АРВ-М и СВ
7 Программа и объем работ при новом включении
8 Непрерывный технический контроль и профилактические проверки основного и резервного АРВ-М, выполняемые оперативным персоналом на действующем оборудовании (тип обслуживания Э1 -см. [1])
8.1 Подготовка АРВ-М к работе
8.2 Возбуждение с АРВ-М и включение генератора в работу
8.3 Обслуживание АРВ-М в нормальном режиме работы
8.4 Вывод из работы АРВ-М, гашение
8.5 Действия персонала при появлении неисправностей
9 Контроль и проверки АРВ-М, выполняемые персоналом ЭТЛ на работающем оборудовании
10 Техническое обслуживание АРВ-М при плановых профилактическо-ремонтных проверках
11 Указания по технике безопасности
Приложение А Принципы работы цифрового регулятора АРВ-М
Приложение Б Входные и выходные дискретные сигналы АРВ-М
Приложение В Определение с помощью экрана местного ПУ СУР причин неисправностей и отказов, работы защит, неготовности к пуску, ННВ, несоответствия сигналов на входе АРВ-М режимным параметрам
Приложение Г Расшифровка неисправностей и отказов с помощью показаний семисегментного индикатора на панели LC
местного ПУ АРВ-М
Список использованной литературы
|