| Министерство образования республики Беларусь
Учреждение образования
«Гомельский государственный политехнический колледж»
Заочное отделение
Методические указания И ЗАДАНИЯ
для выполнения домашних контрольных работ №1 и №2
по дисциплине
Теоретические основы электротехники
Специальность: 2-36 03 31 «Монтаж и эксплуатация электрооборудования»
Составил преподаватель УО ГГПК
Рудковский И.В.

После изучения курса «
Теоретические основы электротехники» учащийся должен знать на уровне представления:
·основные способы получения, передача на расстояние и практическое использование электроэнергии;
· термины и определения электротехники;
· основные электрические и электромагнитные явления;
· закономерности построения и сборки простейших схем;
· принцип действия электрических приборов;
· способы рационального энергопотребления;
· переходные процессы в электрических цепях.
Знать на уровне понимания:
· физическую сущность электрических и электромагнитных явлений;
· физические и теоретические основы электротехники, цепи постоянного и переменного тока основные положения электромагнитного поля;
· единицы измерения электрических и электромагнитных величин, методы и средства измерения электрических и электромагнитных величин;
· условные графические изображения элементов электрических цепей;
· принципы работы трансформаторов, электрических машин постоянного и переменного тока, электромагнитных элементов автоматики и других приборов.
Уметь:
· читать схемы, определять значения элементов, анализировать режим работы электрических цепей;
· собирать простейшие схемы при последовательном и параллельном соединении элементов;
· производить элементарные расчеты электрических цепей постоянного и переменного тока;
· подбирать по назначению электроизмерительные приборы, выполнять электрические измерения;
· рассчитывать и проектировать схемы электрических цепей в соответствии с техническими условиями и с учетом требований энергосбережения выбирать оптимальный вариант.
Методические указания по выполнению домашних контрольных работ
1. По курсу «Теоретические основы электротехники» необходимо выполнить 2 контрольные работы.
2. Вариант контрольного задания определяется номером учащегося по списку в учебном журнале
Забиваем Сайты В ТОП КУВАЛДОЙ - Уникальные возможности от SeoHammer
Каждая ссылка анализируется по трем пакетам оценки: SEO, Трафик и SMM.
SeoHammer делает продвижение сайта прозрачным и простым занятием.
Ссылки, вечные ссылки, статьи, упоминания, пресс-релизы - используйте по максимуму потенциал SeoHammer для продвижения вашего сайта.
Что умеет делать SeoHammer
— Продвижение в один клик, интеллектуальный подбор запросов, покупка самых лучших ссылок с высокой степенью качества у лучших бирж ссылок.
— Регулярная проверка качества ссылок по более чем 100 показателям и ежедневный пересчет показателей качества проекта.
— Все известные форматы ссылок: арендные ссылки, вечные ссылки, публикации (упоминания, мнения, отзывы, статьи, пресс-релизы).
— SeoHammer покажет, где рост или падение, а также запросы, на которые нужно обратить внимание.
SeoHammer еще предоставляет технологию Буст, она ускоряет продвижение в десятки раз,
а первые результаты появляются уже в течение первых 7 дней.
Зарегистрироваться и Начать продвижение
3. Контрольные задания 1 и 2 учащиеся выполняют как домашние и высылают в техникум на проверку в сроки, предусмотренные учебным графиком.
4. Контрольная работа выполняется в отдельной тетради в клетку. На каждой странице должны быть оставлены поля размером 30 — 40 мм для пометок преподавателя.
5. Условия задач переписываются полностью, цифровые данные выписываются в конце условия с обязательным указанием единиц измерения в системе СИ.
6. Схемы, графики, диаграммы следует выполнять на миллиметровой бумаге (допускается выполнять на бумаге в клетку), соблюдая требования ГОСТ, ЕСКД.
Распределение часов по разделам и темам
| Раздел, тема
|
Количество часов
|
| Всего
|
Излагается на сессии
|
Изучается самостоятельно
|
| 1
|
2
|
3
|
4
|
| Введение в предмет. Инструктаж - Техника безопасности при проведении лабораторных работ
|
2
|
|
2
|
| Раздел 1 Линейные и нелинейные электрические цепи постоянного тока
|
50
|
16
|
34
|
| 1.1 Физические процессы в электрических цепях
|
8
|
4
|
4
|
| Лабораторная работа № 1
Изучение оборудования лаборатории: методов подбора аппаратуры и измерительных приборов, сборки цепей, выполнения и оформление лабораторных работ, инструктаж по технике безопасности
|
2
|
|
2
|
| Лабораторная работа № 2
Исследование и сравнение свойств последовательного и параллельного соединения резисторов
|
2
|
2
|
|
| Лабораторная работа № 3
Исследование работы источника напряжения на приемник с изменяющимся сопротивлением
|
2
|
2
|
|
| 1.2 Расчет линейных электрических цепей
|
18
|
8
|
10
|
| Лабораторная работа № 4
Исследование режимов работы электрической цепи и ее элементов. Определение неисправностей. Потенциальная диаграмма.
|
2
|
|
2
|
| Лабораторная работа №5
Исследование обобщенной схемы источник-четырехполюсник-приемник (на примере модели линии электропередач)
|
2
|
|
2
|
| Лабораторная работа № 6
Исследование четырехполюсника
|
2
|
|
2
|
| Лабораторная работа №7
Опытное определение тока в диагонали моста методом эквивалентного генератора
|
2
|
|
2
|
| 1.3 Нелинейные электрические цепи постоянного тока.
|
6
|
|
6
|
| Лабораторная работа № 8
Снятие ВАХ нелинейных элементов и проверка опытом расчета нелинейных цепей.
|
2
|
|
2
|
| Раздел 2 Электрическое и магнитное поле
|
30
|
|
30
|
| 2.1 Электростатическое поле в вакууме
|
2
|
|
2
|
| 2.2 Электростатическое поле в диэлектрике
|
2
|
|
2
|
| 2.3 Электростатические цепи
|
2
|
|
2
|
| 2.4 Магнитное поле в ферромагнитной среде
|
6
|
|
6
|
| 2.5 Намагничивание ферромагнитных материалов. Магнитный гистерезис
|
2
|
|
2
|
| Лабораторная работа № 9
Исследование намагничивания и перемагничивания
|
2
|
|
2
|
| 2.6 Магнитные цепи
|
6
|
|
6
|
| 2.7 Электромагнитная индукция
|
5
|
|
5
|
| Лабораторная работа №10
Сервис онлайн-записи на собственном Telegram-боте
Попробуйте сервис онлайн-записи VisitTime на основе вашего собственного Telegram-бота:
— Разгрузит мастера, специалиста или компанию;
— Позволит гибко управлять расписанием и загрузкой;
— Разошлет оповещения о новых услугах или акциях;
— Позволит принять оплату на карту/кошелек/счет;
— Позволит записываться на групповые и персональные посещения;
— Поможет получить от клиента отзывы о визите к вам;
— Включает в себя сервис чаевых.
Для новых пользователей первый месяц бесплатно.
Зарегистрироваться в сервисе
Исследование электромагнитной индукции
|
2
|
|
2
|
| Обязательная контрольная работа № 1
|
1
|
|
|
| Раздел 3 Линейные и нелинейные цепи переменного тока
|
82
|
22
|
60
|
| 3.1 Основные сведения о синусоидальном электрическом токе и основные характеризующие его величины
|
4
|
2
|
2
|
| 3.2 Элементы электрических цепей переменного тока и их параметры
|
14
|
8
|
6
|
| Лабораторная работа № 11
Измерение параметров катушки индуктивности и конденсатора.
|
2
|
2
|
|
| 1
|
2
|
3
|
4
|
| Лабораторная работа № 12
Исследование цепи переменного тока с индуктивностью
|
2
|
2
|
|
| Лабораторная работа № 13
Исследование цепи переменного тока с сопротивлением и емкостью.
|
2
|
2
|
|
| Лабораторная работа № 14
Исследование неразветвленной цепи переменного тока с сопротивлением, индуктивностью и емкостью. Резонанс напряжений.
|
2
|
|
2
|
| Лабораторная работа № 15
Исследование цепи переменного тока при параллельном соединении катушки индуктивности и конденсатора. Резонанс токов. Повышение коэффициента мощности.
|
2
|
|
2
|
| 3.3 Расчет электрических цепей переменного тока с помощью векторных диаграмм
|
6
|
2
|
4
|
| Лабораторная работа № 16
Исследование электрической цепи переменного тока с помощью круговых диаграмм. Расчет индуктивно связанных цепей переменного тока
|
2
|
|
2
|
| Лабораторная работа № 17
Исследование электрической цепи переменного тока с взаимной индуктивностью
|
2
|
2
|
|
| 3.4 Символический метод расчета. Выражение электрических величин комплексными числами
|
7
|
2
|
5
|
| Обязательная контрольная работа № 2
|
1
|
|
|
| 3.5 Трехфазные электрические цепи. Понятие фазы.
|
16
|
|
16
|
| Лабораторная работа № 18, 19
Исследование трехфазной цепи при соединении приемника звездой. Роль нейтрального провода. Признаки неисправностей и устранение неисправностей
|
4
|
|
4
|
| Лабораторная работа № 20
Исследование трехфазной цепи при соединении фаз приемника треугольником
|
2
|
|
2
|
| 3.6 Нелинейные электрические цепи переменного тока
|
8
|
|
8
|
| 3.7 Переходные процессы в электрических цепях
|
6
|
|
6
|
| Курсовое проектирование
|
20
|
20
|
|
| 1.1 Расчет линейных электрических цепей постоянного тока. Метод контурных токов
|
2
|
2
|
|
| 1.2 Метод узловых потенциалов
|
2
|
2
|
|
| 1.3 Метод наложения
|
2
|
2
|
|
| 1.4 Метод эквивалентного генератора. Проверка расчета с помощью баланса мощностей
|
2
|
2
|
|
| 1.5 Графический расчет нелинейных электрических цепей постоянного тока при последовательном, параллельном и смешанном соединении элементов.
|
2
|
2
|
|
| 2.1 Расчет однофазных линейных электрических цепей переменного тока.
|
2
|
2
|
|
| 2.2 Определение мгновенных и действующих значений токов в ветвях цепи методом свертывания с применением комплексных чисел (символический метод расчета). Построение векторной лучевой диаграммы токов и векторной топографической диаграммы напряжений.
|
2
|
2
|
|
| 2.3 Расчет трехфазных линейных электрических цепей переменного тока (символический метод расчета).
|
2
|
2
|
|
| 2.4 Расчет трехфазных цепей при соединении треугольником или звездой. Построение векторных диаграмм.
|
2
|
2
|
|
| 2.5 Расчет переходных процессов
|
2
|
2
|
|
| Раздел 4 Темы, отражающие связь со специальностью
|
10
|
|
10
|
| 4.1 Некоторые методы анализа сложных электрических цепей.
|
2
|
|
2
|
| 1
|
2
|
3
|
4
|
| 4.2 Несимметричные трехфазные цепи
|
2
|
|
2
|
| 4.3 Основные направления снижения потерь электрической энергии
|
2
|
|
2
|
| 4.4 Энергосбережение. Компенсация реактивной мощности.
|
2
|
|
2
|
| 4.5 Изменение режимов работы в электрических цепях. Анализ неисправностей в электрических цепях.
|
2
|
|
2
|
| Итого
|
192
|
|
|
Соержание программы
| Введение
Электрическая энергия, ее свойства и применение.
Экономическая эффективность электрической энергии. Краткий исторический обзор и перспективы дальнейшего развития электрификации РБ. Понятие о производстве и распределении электрической энергии. Краткая характеристика предмета его структура (связь с другими предметами учебного плана).
Примеры использования знаний по предмету в учебе и в производственных ситуациях. Перечень основных умений и навыков, приобретаемых при изучении предмета.
|
| Раздел 1.
Линейные и нелинейные
электрические цепи постоянного тока.
Тема 1.1
Физические процессы в электрических цепях.
Электрическая цепь. Э.д.с, напряжение, сила тока, сопротивление, проводимость, удельная проводимость, температурный коэффициент сопротивления. Зависимость электрического сопротивления от температуры. Плотность тока. Закон Ома. Закон Джоуля-Ленца. Работа и мощность. К.П.Д. Источник Э.д.с. и источник тока. Схемы замещения. Разветвленная и неразветвленная электрическая цепь. Напряжение на участках цепи. Соединение элементов. Последовательное параллельное и смешанное соединение резисторов элементов Э.д.с. в батареи. Законы Кирхгофа.
|
| Лабораторная работа №1
1.
Изучение оборудования лаборатории, методов подбора аппаратуры и измерительных приборов, сборки схем, выполнения измерений.
|
| Лабораторная работа №2
Опытная проверка выполнения законом Ома и Кирхгофа и закономерностей последовательного и параллельного соединений сопротивлений.
|
| Лабораторная работа №3
Исследование работы источника напряжения на приемник с изменяющимся сопротивлением.
|
| Тема 1.2
Расчет линейных электрических цепей
Применение закона Ома. Преобразование треугольника в эквивалентную звезду и звезды в эквивалентный треугольник. Расчет электрических цепей методом преобразования.
1. Понятие о сложной электрической цепи. Методы расчета сложных электрических цепей: узловых и контурных уравнений; контурных токов; узловых потенциалов; узловых напряжений; наложения; эквивалентного генератора.
|
| Лабораторная работа №4
Исследование режимов работы электрической цепи и ее элементов. Определение неисправностей. Потенциальная диаграмма.
|
| Лабораторная работа №5
1. Исследование обобщенной цепи, источник четырехполюсник приемник (на примере модели линии электропередачи).
|
| Лабораторная работа №6
Исследование четырехполюсника
|
| Лабораторная работа №
7
Опытное определение тока в диагонали моста методом эквивалентного генератора.
|
| Тема 1.3
Нелинейные электрические цепи постоянного
тока.
Нелинейные элементы электрических цепей постоянного тока. Понятие о статистическом и динамическом сопротивлениях нелинейного элемента. Вольт-амперная характеристика ВАХ. Замена нелинейного элемента эквивалентным линейным. Графический расчет нелинейных электрических цепей постоянного тока при последовательном, параллельном и смешанном соединении элементов.
|
| Лабораторная работа №8
Графический расчет нелинейных электрических цепей постоянного тока при последовательном, параллельном и смешанном соединении элементов.
|
| Раздел 2. Электрическое и магнитное поле.
Электрическое поле, магнитное поле, электромагнитное поле как средство энергетических преобразований. Физические величины, характеризующие электрическое поле: заряд, напряженность, потенциал, напряжение. Понятие о однородном (равномерном) и неоднородном, постоянном и переменном, электростатическом и стационарном электрических полях.
|
| Тема 2.1
Электростатическое поле в вакууме
Электрическое поле уединенного зараженного тела и группы заряженных тел. Действие электрического поля на проводник и проводника на электрическое поле. Электростатическое экранирование.
|
| Тема 2.2
Электростатическое поле в диэлектрике.
Поляризация диэлектрика. Действие электрического поля на диэлектрик и диэлектрика на электрическое поле. Диэлектрическая проницаемость, как характеристика диэлектрика. Диэлектрическая постоянная. Относительная диэлектрическая проницаемость. Электрическая прочность диэлектрика. Пробой диэлектрика. Электрическая емкость. Электрическая емкость плоского и цилиндрического конденсатора. Электрическая емкость двухпроводной линии. Электрическая емкость на границе двух сред. Многослойная изоляция. Конденсаторы. Энергия электрического поля.
|
| Тема 2.3
Электростатические цепи.
Электростатические цепи при последовательном, параллельном и смешанном соединении конденсаторов
|
| Тема 2.4
Магнитное поле в ферромагнитной среде
Физические величины, используемые в теории магнитных цепей: магнитодвижущая сила М.Д.С., магнитное напряжение как часть М.Д.С., приходящаяся на участок магнитной цепи; напряженность магнитного поля как часть магнитного напряжения, приходящегося на единицу длины средней магнитной линии; магнитный поток как совокупность магнитных силовых линий магнитного поля; магнитная индукция как плотность магнитного потока; магнитное сопротивление участка магнитного провода. Закон Ома и законы Кирхгофа для магнитной цепи. Аналогия между магнитными и электрическими величинами. Связь магнитного поля с током. Магнитное поле провода с током и катушки с током. Закон Ампера. Правило левой руки. Работа электромагнитных сил. Магнитоэлектрические и электродинамические механизмы.
|
| Тема 2.5
Намагничивание ферромагнитных материалов. Магнитный гистерезис
Намагничивание ферромагнитных материалов. Магнитный гистерезис. Свойства ферромагнитных материалов. Магнитные материалы и их применение.
|
| Лабораторная работа №9
Исследование намагничивания и перемагничивания.
|
| Тема 2.6
Магнитные цепи
Магнитная цепь и ее расчет. Расчет неразветвленной неоднородной магнитной цепи. Влияние на показатели работы магнитной цепи.
|
| Тема 2.7
Электромагнитная индукция.
ЭДС электромагнитной индукции, ее величина и направление. Правило правой руки. ЭДС наводимая в проводе, контуре, катушке. ЭДС самоиндукции. Правило Ленца. ЭДС взаимной индукции. Вихревые токи. Энергия магнитного поля. Преобразование механической энергии в электрическую (электрический генератор) и электрической в механическую (электродвигатель).
|
| Лабораторная работа №10.
Исследование электромагнитной индукции.
|
| Раздел 3. Линейные и нелинейные цепи переменного тока.
Тема 3.1
Основные сведения о синусоидальном электрическом токе и основные характеризующие его величины
Общие сведения. Получение синусоидальной ЭДС (генератор переменного тока). ЭДС в обмотках генератора. Уравнение и графики синусоидальных величин. Величины, характеризующие переменный ток: период, частота, амплитуда, фаза, сдвиг фаз. Векторные диаграммы. Сложение и вычитание векторов. Действующее и среднее значения переменных величин.
|
| Тема 3.2
. Элементы электрических цепей переменного тока и их параметры
.
Параметры цепей переменного тока, их сходство и различия. Цепь с активным сопротивлением; цепь с индуктивностью; цепь с емкостью. Неразветвленные цепи переменного тока: реальная катушка индуктивности; реальный конденсатор; реальная цепь переменного тока с сопротивлением, индуктивностью, напряжений, мощностей. Резонанс напряжений.
|
| Лабораторная работа №11
Измерение параметров катушки индуктивности и конденсатора.
|
| Лабораторная работа №12
Исследование цепи переменного тока с индуктивностью
|
| Лабораторная работа №13
Исследование цепи переменного тока с сопротивлением и емкостью.
|
| Лабораторная работа №14
Исследование неразветвленной цепи переменного тока с сопротивлением, индуктивностью и емкостью. Резонанс напряжений
|
| Лабораторная работа №15
Исследование цепи переменного тока при параллельном соединении катушки индуктивности и конденсатора. Резонанс токов. Повышение коэффициента мощности.
|
| Тема 3.3
Расчет электрических цепей переменного тока с
помощью векторных диаграмм.
Расчет неразветвленных цепей переменного тока. Расчет параллельных цепей переменного тока. Расчет цепей переменного тока с помощью круговых диаграмм.
|
| Лабораторная работа №16
Исследование электрической цепи переменного тока с помощью круговых диаграмм. Расчет индуктивно связанных цепей переменного тока.
|
| Лабораторная работа №17
Исследование электрической цепи переменного тока с взаимной индуктивностью.
|
| Тема 3.4
Символический метод расчета. Выражение электрических величин комплексными числами
Понятие о комплексном числе. Выражения комплексных чисел в алгебраической и показательной формах. Действия над комплексными числами с применением микрокалькуляторов. Выражение электрических величин с помощью комплексных чисел. Расчет электрических цепей переменного тока символическим методом.
|
| Тема 3.5
Трехфазные электрические цепи. Понятие фазы.
Понятие об однофазной и многофазной системах. Достоинство многофазных систем перед однофазными. Трехфазные системы: ЭДС, токов, электрических цепей. Схема устройства трехфазного электромагнитного генератора. Соединение обмоток трехфазного генератора (трансформатора) звездой и треугольником. Фазные и линейные напряжения и соотношения между ними в симметричной цепи. Векторная диаграмма напряжений. Симметричная нагрузка в трехфазной цепи при соединении фаз приемника звездой и треугольником. Фазные и линейные токи и соотношения между ними. Трехфазные несимметричные цепи. Топографическая диаграмма несимметричной трехфазной цепи. Измерение режимов работы этой цепи при изменении сопротивления одной фазы приемника. Четырехпроводные трехфазные цепи, роль нейтрального провода. Расчет симметричной и несимметричной трехфазной цепи при соединении фаз приемника звездой и треугольником. Мощность трехфазного тока.
|
| Лабораторная работа №18, 19
Исследование трехфазной цепи при соединении приемника звездой. Роль нейтрального провода. Признаки неисправностей и устранение неисправностей.
|
| Лабораторная работа №20
Исследование трехфазной цепи при соединении фаз приемника треугольником.
|
| Тема 3.6
Нелинейные электрические цепи переменного тока.
Понятие о нелинейных элементах и нелинейных цепях переменного тока. Цепи с нелинейным сопротивлением, нелинейной индуктивностью и нелинейной емкостью. Идеализированная катушка ферромагнитным сердечником: магнитный поток, ЭДС и ток катушки, векторная диаграмма. Влияние магнитного гистерезиса и вихревых токов на ток в катушке с ферромагнитным сердечником. Потери энергии в ферромагнитном сердечнике катушки. Полная векторная диаграмма и схема замещения катушки с ферромагнитным сердечником. Примеры применения катушек с ферромагнитным сердечником (по выбору преподавателя).
|
| Тема 3.7
Переходные процессы в электрических цепях.
1. Общие сведения о переходных процессах в электрических цепях: причины возникновения переходных процессов, законы коммутации, понятие о переходном принужденном и свободном режимах. Зарядка конденсатора в цепи R, С от источника постоянного напряжения: уравнения и графики зарядного тока и переходного напряжения на конденсаторе, постоянная времени цепи, принужденная и свободная составляющие переходного напряжения и зарядного тока. Разрядка конденсатора на резистор: уравнения и графика напряжения на конденсаторе и тока в цепи при разрядке. Включение индуктивной катушки (цепи R,L), на постоянное напряжение: уравнение и график переходного тока, постоянное времени цепи, принужденная и свободная составляющие переходного тока, влияние величины напряжения источника и параметров цепи на переходный процесс. Отклонение постоянного напряжения. Изменение тока в катушке, замкнутой на разрядное сопротивление: график и уравнение переходного тока. Влияние напряжения и параметров цепи на переходный процесс. Изменение сопротивления в цепи с индуктивностью: графики и уравнения токов в цепи при уменьшении и увеличении сопротивления скачком. Включение индуктивной катушки ну синусоидальное напряжение, график и уравнение переходного тока. Влияние на переходный процесс начальной фазы приложенного напряжения и параметров цепи. Включение конденсатора на синусоидальное напряжение: график и уравнение переходного напряжения на емкости. Влияние на переходный процесс начальной фазы тока и параметров цепи. Короткое замыкание в цепи синусоидального тока: схема замещения цепи короткого замыкания, уравнение переходного тока, графики переходного процесса при коротком замыкании цепи, влияние начальной фазы напряжения на переходный процесс короткого замыкания.
|
| Курсовое проектирование
Курсовая работа.
Анализ электрического состояния линейных цепей постоянного тока. Метод контурных токов.
|
| Курсовая работа.
Анализ электрического состояния линейных цепей постоянного тока. Метод узловых потенциалов.
|
| Курсовая работа.
Анализ электрического состояния линейных цепей постоянного тока. Метод наложения.
|
| Курсовая работа.
Анализ электрического состояния линейных цепей постоянного тока. Метод эквивалентного генератора.
|
| Курсовая работа.
Графический расчет нелинейных электрических цепей постоянного тока при последовательном, параллельном и смешанном соединении элементов.
|
| Курсовая работа.
Расчет однофазных линейных электрических цепей переменного тока.
|
| Курсовая работа.
Определение мгновенных и действующих значений токов в ветвях цепи методом свертывания с применением комплексных чисел (символический метод расчета). Построение векторной лучевой диаграммы токов и векторной топографической диаграммы напряжений.
|
| Курсовая работа.
Расчет трехфазных линейных электрических цепей переменного тока (символический метод расчета).
|
| Курсовая работа.
Расчет трехфазных цепей при соединении треугольником или звездой. Построение векторных диаграмм.
|
| Курсовая работа.
Расчет переходных процессов.
|
| Раздел 4. Темы, отражающие связь со специальностью. Некоторые методы анализа сложных электрических цепей (по выбору преподавателя).
Тема 4.1
Некоторые методы анализа сложных электрических цепей
|
| Тема 4.2
Несимметричные трехфазные цепи
|
| Тема 4.3
Основные направления снижения потерь электрической энергии
Основные направления снижения потерь электрической энергии: замена электротехнических и магнитных материалов более совершенными, изменение конструкции устроить электротехники и совершенствование технологических процессов, внедрение достижений науки и техники, изменение схем соединения электрических цепей, изменение номинальных напряжения и тока устройств электротехники, поддержание номинальных и токов на приемниках, равномерное распределение нагрузки по фазам в трехфазных цепях, изменение способа управления и защиты в электрических цепях, применение систем автоматического управления, коммутаторов мощности с программным устройством, изменение режимов работы устройств электротехники, изменение рода тока, частоты тока и т.д.
|
| Тема 4.4
Энергосбережение. Компенсация реактивной мощности.
|
| Тема 4.5
Изменение режимов работы в электрических цепях. Анализ неисправностей в электрических цепях.
|
ЗАДАНИЯ ДЛЯ ДОМАШНЕЙ КОНТРОЛЬНОЙ РАБОТЫ №1
Вариант 1
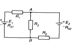
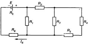
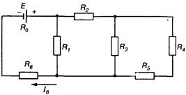
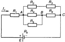
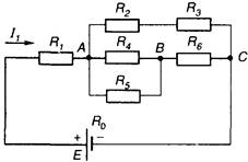
Задача 1. В цепи со смешанным соединением сопротивлений (рис. 1) I1
= 5 А, R1
= 19 Ом,
R2
= 70 Ом, R3
= 30 Ом, R4
= 60 Ом, R5
= 5 Ом, R0
= 1 Ом, U6
= UВС
= 20 В.
Вычислить токи, напряжения и мощности каждого участка цепи и всей цепи, найти значение сопротивления R5
, определить ЭДС Е цепи.
Составить баланс мощностей.
Рис. 1
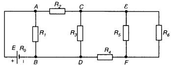
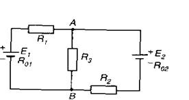
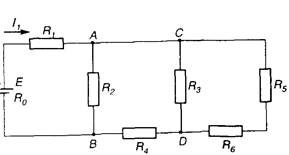
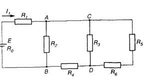
Задача 2. В сложной электрической цепи (рис. 2) токи ветвей соответственно равны I1
= 20 А, I2
= 12 А, I3
= 8 А.Определить ЭДС Е2
и Е3
, если R1
= 8 Ом, R2
= 5 Ом, R3
= 4 Ом, R4
= 5 Ом. Задачу решить методом узловых и контурных уравнений.

Рис. 2
Задача 3. В цепи (рис. 3) С1
= 8 мкФ, С2
= 4 мкФ, С3
= 6 мкФ, С4
= 4 мкФ, U = 36 В.
Определить эквивалентную емкость цепи, а также заряд и энергию электрического поля каждого конденсатора и всей цепи.
Рис. 3
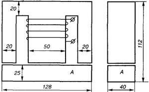
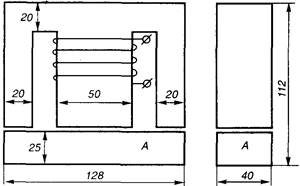
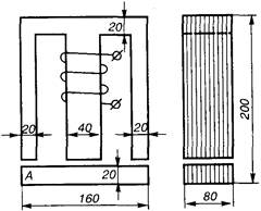
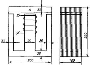
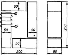
Задача 4. На средний стержень Ш-образного магнитопровода (рис. 4), выполненного из стали марки Э-21, надеты две согласно включенные катушки, каждая из которых имеет число витков W = 500.
Определить ток в катушках и магнитное напряжение в воздушном зазоре, если магнитная индукция в крайних стержнях магнитопровода В = 1,6 Тл. Длина воздушного зазора lзаз
= 30 мм. Размеры магнитопровода даны на рис. 4 в мм. Потоком рассеяния пренебречь.

Рис. 4
Вариант 2
Задача 1. В цепи со смешанным соединением сопротивлений (рис. 5) I6
= 100 А, R1
= 15 Ом, R2
= 2 Ом, R3
= 13,3 Ом, R4
= R5
= 10 Ом, R6
= 3,9 Ом, R0
= 0,1 Ом. Определить токи, напряжения и мощности каждого участка цепи и всей цепи. Вычислить ЭДС Е цепи. Составить баланс мощностей.
Рис. 5
Задача 2. В сложной электрической цепи (рис. 6) E1
= 150 В, E2
= 170 В, R1
= 29,5 Ом, R2
= 24 Ом, R3
= 40 Ом, R01
= 0,5 Ом, R02
= 1 Ом. Определить токи во всех участках цепи методом узловых и контурных уравнений.

Рис. 6
Задача 3. В цепи (рис. 7) С1
= 10 пФ, С2
= 3 • 104
пФ, С3
=4 • 104
пФ, С4
= 5 • 104
пФ, U = 100 В. Определить эквивалентную емкость цепи, заряд и энергию электрического поля каждого конденсатора.

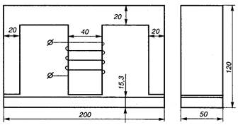
Рис. 7
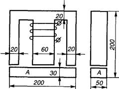
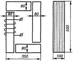
Задача 4. На средний стержень Ш-образного магнитопровода (рис. 8), выполненного из стали марки Э-21, надета обмотка с числом витков W = 660.
Определить ток в обмотке, необходимый для создания в воздушном зазоре напряженности магнитного поля Hзаз
= 2 • 105
А/м. Длина воздушного зазора lзаз
= 5 мм, размеры магнитопровода даны в миллиметрах. Потоком рассеяния пренебречь.
Рис. 8
Вариант 3
Задача 1. В цепи со смешанным соединением сопротивлений (рис. 9) UCD
= U5
= 100 В, I4
= 6 А, R1
= 40 Ом, R2
= 86 Ом, R3
= 10 Ом, R4
= 14 Ом, R5
= 50 Ом, R0
= 0,4 Ом.
Определить R6
, ЭДС Е, токи, напряжения и мощности каждого участка цепи и всей цепи.
Составить баланс мощностей.
Рис. 9
Задача 2. В сложной цепи (рис. 10) E1
= 68 В, Е2
= 40 В, R1
= 97 Ом, R2
= 38 Ом, R3
= 120 Ом, R4
= 60 Ом, R01
= 3 Ом, R02
= 2 Ом.
Определить токи участков цепи методом узловых и контурных уравнений.
Рис. 10
Задача 3. В цепи (рис. 11) С1
= 80 пФ, С2
= 80 пФ, С3
= 40 пФ, С4
= 30пФ, U = 100 В.
Определить эквивалентную емкость цепи, заряд и энергию электрического поля каждой емкости и всей цепи.
Рис. 11
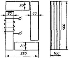
Задача 4. На средний стержень Ш-образного магнитопровода, выполненного из стали марки Э-42 (рис. 12), надета обмотка с числом витков W = 158. Определить ток в обмотке, необходимый, чтобы создать в якоре А магнитопровода, выполненного из стали Э-21, магнитную индукцию ВA
= 1,4 Тл.
Длина воздушного зазора lзаз
= 0,05 мм. Размеры магнитопровода даны в миллиметрах. Потоком рассеяния пренебречь.
Рис. 12
Вариант 4
Задача 1. В цепи со смешанным соединением сопротивлений (рис. 13) R1
= 5 Ом, R2
= 6,25 Ом, R3
= 60 Ом, R4
= 5 Ом, R5
= 15 Ом, R6
= l5 Ом, R0
= 0,2 Ом, I1
= 5 А.
Вычислить токи, напряжения и мощности каждого участка цепи и всей цепи. Определить ЭДС Е цепи. Составить баланс мощностей.
Рис. 13
Задача 2. В сложной электрической цепи (рис. 14) E1
= 135 В, E2
= 20 В, R1
= 2,5 Ом, R2
= 8 Ом, R3
= 5 Ом, R4
= 6 Ом, R5
=30 Ом, R6
= 30 Ом, R7
= 40 Ом, R01
= 0,5 Ом, R02
= 0.
Определить токи через R1
, R2
, R3
. Применить метод преобразования, а затем к преобразованной схеме метод узловых и контурных уравнений.
Рис. 14
Задача 3. В цепи (рис. 15) С1
= 0,1 мкФ, С2
= 0,15 мкФ, С3
= 0,3 мкФ, С4
= 0,2 мкФ, U = 100 В.
Определить эквивалентную емкость цепи, заряд и энергию электрического поля каждого конденсатора и всей цепи.
Рис. 15
Задача 4. На средний стержень Ш-образного магнитопровода (рис. 16), выполненного из стали марки Э-21, надета обмотка с числом витков W = 462.
Определить ток в обмотке, необходимый для создания в якоре А, выполненном из литой стали, магнитной индукции Вяк
= 1,3 Тл. Длина воздушного зазора lзаз
= 0,1 мм. Размеры магнитопровода даны в мм. Потоком рассеяния пренебречь.
Рис. 16
Вариант 5
Задача 1. В цепи со смешанным соединением сопротивлений (рис. 17) Е = 210 В, R1
= 20 Ом, R2
= 5 Ом, R3
= 30 Ом, R4
= 10 Ом, R5
= 25 Ом, R6
= 100 Ом, R0
= 0,5 Ом.
Определить токи, напряжения и мощность каждого участка цепи и всей цепи. Составить баланс мощностей.

Рис. 17
Задача 2. В сложной электрической цепи (рис. 18) E1
= 30 В, Е2
= 40 В, R1
= 10 Ом, R2
= 2 Ом, R3
= 3 Ом, R4
= R5
= 12 Ом, R01
= 2 Ом, R02
= 1 Ом.
Определить эквивалентную емкость цепи, напряжение, приложенное ко всей цепи, а также заряд и энергию электрического поля каждого конденсатора и всей цепи.
Рис. 18
Задача 3. В цепи (рис. 19) С1
= 30 мкФ, С2
= 15 мкФ, С3
= 5 мкФ, С4
= 60 мкФ, U1
= 30 В. Определить эквивалентную емкость цепи, напряжение, приложенное ко всей цепи, а также заряд и энергию электрического поля каждого конденсатора и всей цепи.
Рис. 19
Задача 4. На средний стержень Ш-образного магнитопровода (рис. 20), выполненного из стали марки Э-42, надета обмотка с числом витков W = 400.
Определить ток в обмотке, необходимый, чтобы создать в якоре А магнитную индукцию
BA
= 1,5 Тл. Якорь А выполнен из литой стали. Длина зазора lзаз
= 0,2 мм. Размеры магнитопровода даны в миллиметрах. Потоком рассеяния пренебречь.
Рис. 20
Вариант 6
Задача 1. В цепи со смешанным соединением сопротивлений (рис. 21) R1
= 10 Ом, R2
= 80 Ом, R3
= 26,6 Ом, R4
= 60 Ом, R5
= 50 Ом, R6
= 10 Ом, R0
= 1 Ом, E = 32 В.
Определить токи, напряжение и мощности каждого участка цепи и всей цепи. Составить баланс мощностей.

Рис. 21
Задача 2. В сложной электрической цепи (рис. 22) E1
= 90 В, E2
= 120 В, R1
= 4 Ом, R2
= 29 Ом, R3
= 30 Ом, R4
= 10 Ом, R01
= R02
= 1 Ом. Определить токи участков цепи методом наложения.
Рис. 22
Задача 3. В цепи (рис. 23) С1
= 4 мкФ, С2
= 6 мкФ, С3
= 10 мкФ, С4
= 20 мкФ, U1
= 20 В.
Определить эквивалентную емкость цепи, напряжение, приложенное ко всей цепи, а также заряд и энергию электрического поля каждого конденсатора и всей цепи.

Рис. 23
Задача 4. На средний стержень Ш-образного магнитопровода (рис. 24), выполненного из стали марки Э-21, надета обмотка с числом витков W = 300.
Якорь А выполнен из стали Э-42. Определить ток обмотки, необходимый, чтобы создать в среднем стержне индукцию B = 1 Тл. Длина каждого воздушного зазора lз
аз
= 0,1 мм. Размеры магнитопровода даны в миллиметрах. Потоком рассеяния пренебречь.
Рис. 24
Вариант 7
Задача 1. В цепи со смешанным соединением сопротивлений (рис. 25) R1
= 2,5 Ом, R2
= 10 Ом, R3
= 50 Ом, R4
= 50 Ом, R5
= 10 Ом, R6
= 40 Ом, R0
= 1 Ом, U2
= UAB
= 10 В.
Определить токи напряжения и мощности каждого участка цепи и всей цепи. Составить баланс мощностей. Определить ЭДС Е.

Рис. 25
Задача 2. В сложной электрической цепи (рис. 26) Е1
= Е2
= 160 В, R1
= 7 Ом, R2
= 6 Ом,
R3
= 10 Ом, R4
= R5
= 30 Ом, R6
= 40 Ом, R0
l
= 1 Ом, R02
= 2 Ом.
Определить токи участков цепи, применив метод преобразования, а затем к преобразованной схеме применить метод узлового напряжения.
Рис. 26
Задача 3. В цепи (рис. 27) С1
= 3 пФ, С2
= 1 пФ, С3
= 2 пФ, С4
= 3 пФ, U2
= 20 В.
Определить эквивалентную емкость цепи, напряжение, приложенное ко всей цепи, заряд и энергию электрического поля каждого конденсатора и всей цепи.
Рис. 27
Задача 4. На средний стержень Ш-образного симметричного магнитопровода (рис. 28) надета обмотка с числом витков W = 660. Ш-образный магнитопровод выполнен из стали Э-21, якорь А — из литой стали. Магнитная индукция в якоре BA
= 1,2 Тл
Определить ток обмотки и магнитное напряжение в зазоре. Длина каждого зазора lзаз
= 0,1 мм. Размеры магнитопровода даны в миллиметрах. Потоком рассеяния пренебречь.

Рис. 28
Вариант 8
Задача 1. В цепи со смешанным соединением сопротивлений (рис. 29) ток шестого участка I6
= 20 А, R1
=30 Ом, R2
= 4 Ом, R3
= 26,6 Ом, R4
= R5
= 20 Ом, R6
= 7,2 Ом, R0
= 0,2 Ом.
Определить токи, напряжения и мощности всех участков цепи. Определить ЭДС цепи. Составить баланс мощностей.

Рис. 29
Задача 2. В сложной цепи (рис. 30) E1
= 80 В, Е2
= 100 В, R1
= 9 Ом, R2
= 19 Ом, R3
= 25 Ом,
R4
= 100 Ом, R0
l
= R02
= 1 Ом.
Определить токи участков цепи методом узловых и контурных уравнений.
Рис. 30
Задача 3. В цепи (рис. 31) C1
= 40 пФ, С2
= 40 пФ, С3
= 20 пФ, С4
= 15 пФ. Приложенное к цепи напряжение U = 100 В. Определить эквивалентную емкость цепи, напряжение на каждом участке цепи, энергию и заряд каждой емкости и всей цепи.
Рис. 31
Задача 4. На средний стержень Ш-образного симметричного магнитопровода (рис. 32) надета обмотка с числом витков W = 460. Ш-образный магнитопровод выполнен из стали Э-21, якорь А — из литой стали. Магнитная индукция в якоре Bяк
= 1,2Тл.
Определить ток обмотки. Длина зазора lзаз
= 0,1 мм. Размеры магнитопровода даны на чертеже в миллиметрах. Потоком рассеяния пренебречь.
Рис. 32
Вариант 9
Задача 1. В цепи со смешанным соединением сопротивлений (рис. 33) E = 200 В, R1
= 10 Ом, R2
= 15 Ом, R3
= 30 Oм, R4
= 20 Ом, R5
= 40 Ом, R6
= 11 Ом, ток через R6
— Iб
= 10 А.
Определить токи, напряжения и мощности каждого участка цепи и всей цепи. Составить баланс мощностей. Определить внутреннее сопротивление R0
источника ЭДС.

Рис. 33
Задача 2. В сложной цепи (рис. 34) E1
= 60 В, Е2
= 72 В, R1
= 1,8 Ом, R2
= 3,2 Ом, R3
= 3 Ом, R4
= 2 Ом, R01
= 0,2 Ом, R02
= 0,8 Ом.
Определить токи участков цепи методом узлового напряжения.
Рис. 34
Задача 3. В цепи (рис. 35) С1
= 1 мкФ, С2
= 2 мкФ, С3
= С4
= 2 мкФ, U = 60 В.
Определить эквивалентную емкость цепи, заряд и энергию электрического поля каждого конденсатора и всей цепи.
Рис. 35
Задача 4. На средней стержень Ш-образного симметричного магнитопровода (рис. 36), выполненного из стали марки Э-21, надета обмотка с числом витков W = 500. Якорь А выполнен из литой стали, в нем величина магнитной индукции Вяк
= 1,3 Тл. Длина зазора lзаз
= 0,1 мм. Определить ток обмотки. Размеры магнитопровода даны в миллиметрах. Потоком рассеяния пренебречь.

Рис. 36
Вариант 10
Задача 1. В цепи со смешанным соединением сопротивлений (рис. 37) R1
= 20 Ом, R2
= 9 Ом, R3
= 60 Ом, R4
= 5 Ом, R5
= R6
= 50 Ом, R01
= 1 Ом, напряжение U3
= UAB
= 40 В.
Определить токи, напряжения и мощности каждого участка цепи и всей цепи. Составить баланс мощностей. Определить ЭДС цепи Е.
Рис. 37
Задача 2. В сложной цепи (рис. 38) E1
= 160 В, Е2
= 200 В, R1
= 9 Ом, R2
= 19 Ом, R3
= 25 Ом, R4
= 100 Ом, R01
= R02
= 1 Ом.
Определить токи участков цепи методом узлового напряжения.
Рис. 38
Задача 3. В цепи (рис. 39) C1
= 2 103
пФ, С2
= 6 103
пФ, С3
= 3 103
пФ, С4
= 6 103
пФ, U = 100 В.
Определить эквивалентную емкость цепи, заряд и энергию электрического поля каждого конденсатора и всей цепи.
Рис. 39
Задача 4. На средний стержень разветвленного симметричного магнитопровода надета обмотка с числом витков W = 300. Ш-образный магнитопровод (рис. 40) выполнен из стали марки Э-42, якорь А — из литой стали. В воздушном зазоре среднего стержня создается напряженность магнитного поля Н = 106
А/м. Длина каждого воздушного зазора lзаз
= 0,2 мм.
Определить ток обмотки. Размеры магнитопроводов даны в миллиметрах. Потоком рассеяния пренебречь.
Рис. 40
Вариант 11
Задача 1. В цепи со смешанным соединением сопротивлений (рис. 41) I1
= 6 А, R1
= 20 Ом, R2
= 60 Ом, R3
= 25 Ом, R4
= 65 Ом, R5
= 10 Ом, R0
= 2 Ом, U6
= UВС
= 15 В.
Вычислить токи, напряжения и мощности каждого участка цепи и всей цепи, найти значение сопротивления R5
, определить ЭДС Е цепи.
Составить баланс мощностей.
Рис. 41
Задача 2. В сложной электрической цепи (рис. 42) токи ветвей соответственно равны I1
= 20 А, I2
= 12 А, I3
= 8 А.Определить ЭДС Е2
и Е3
, если R1
= 8 Ом, R2
= 5 Ом, R3
= 4 Ом, R4
= 5 Ом. Задачу решить методом узлового напряжения..

Рис. 42
Задача 3. В цепи (рис. 43) С1
= 10 мкФ, С2
= 6 мкФ, С3
= 10 мкФ, С4
= 9 мкФ, U = 40 В.Определить эквивалентную емкость цепи, а также заряд и энергию электрического поля каждого конденсатора и всей цепи.
Рис. 43
Задача 4. На средний стержень Ш-образного магнитопровода (рис. 44), выполненного из стали марки Э-21, надеты две согласно включенные катушки, каждая из которых имеет число витков W = 550.
Определить ток в катушках и магнитное напряжение в воздушном зазоре, если магнитная индукция в крайних стержнях магнитопровода В = 1,5 Тл. Длина воздушного зазора lзаз
= 25 мм. Размеры магнитопровода даны на рис. 4 в мм. Потоком рассеяния пренебречь.

Рис. 44
Вариант 12
Задача 1. В цепи со смешанным соединением сопротивлений (рис. 45) I6
= 110 А, R1
= 20 Ом, R2
= 4 Ом, R3
= 18 Ом, R4
= R5
= 11 Ом, R6
= 7,3 Ом, R0
= 0,3 Ом. Определить токи, напряжения и мощности каждого участка цепи и всей цепи. Вычислить ЭДС Е цепи. Составить баланс мощностей.
Рис. 45
Задача 2. В сложной электрической цепи (рис. 46) E1
= 150 В, E2
= 170 В, R1
= 29,5 Ом, R2
= 24 Ом, R3
= 40 Ом, R01
= 0,5 Ом, R02
= 1 Ом. Определить токи во всех участках цепи методом узлового напряжения.

Рис. 46
Задача 3. В цепи (рис. 47) С1
= 1,5 • 104
пФ, С2
= 3,5 • 104
пФ, С3
=5 • 104
пФ, С4
= 6,1 • 104
пФ, U = 120 В. Определить эквивалентную емкость цепи, заряд и энергию электрического поля каждого конденсатора.

Рис. 47
Задача 4. На средний стержень Ш-образного магнитопровода (рис. 48), выполненного из стали марки Э-21, надета обмотка с числом витков W = 700.
Определить ток в обмотке, необходимый для создания в воздушном зазоре напряженности магнитного поля Hзаз
= 2,1 • 105
А/м. Длина воздушного зазора lзаз
= 6 мм, размеры магнитопровода даны в миллиметрах. Потоком рассеяния пренебречь.
Рис. 48
Вариант 13
Задача 1. В цепи со смешанным соединением сопротивлений (рис. 49) UCD
= U5
= 110 В, I4
= 7 А, R1
= 43 Ом, R2
= 90 Ом, R3
= 12 Ом, R4
= 18 Ом, R5
= 55 Ом, R0
= 0,4 Ом.
Определить R6
, ЭДС Е, токи, напряжения и мощности каждого участка цепи и всей цепи. Составить баланс мощностей.
Рис. 49
Задача 2. В сложной цепи (рис. 50) E1
= 68 В, .Е2
= 40 В, R1
= 97 Ом, R2
= 38 Ом, R3
= 120 Ом, R4
= 60 Ом, R01
= 3 Ом, R02
= 2 Ом.
Определить токи участков цепи методом контурных токов.
Рис. 50
Задача 3. В цепи (рис. 51) С1
= 70 пФ, С2
= 75 пФ, С3
= 45 пФ, С4
= 34 пФ, U = 110 В.
Определить эквивалентную емкость цепи, заряд и энергию электрического поля каждой емкости и всей цепи.
Рис. 51
Задача 4. На средний стержень Ш-образного магнитопровода, выполненного из стали марки Э-42 (рис. 52), надета обмотка с числом витков W = 170. Определить ток в обмотке, необходимый, чтобы создать в якоре А магнитопровода, выполненного из стали Э-21, магнитную индукцию ВA
= 1,3 Тл.
Длина воздушного зазора lзаз
= 0,1 мм. Размеры магнитопровода даны в миллиметрах. Потоком рассеяния пренебречь.
Рис. 52
Вариант 14
Задача 1. В цепи со смешанным соединением сопротивлений (рис. 53) R1
= 7 Ом, R2
= 8 Ом, R3
= 50 Ом, R4
= 4,5 Ом, R5
= 18 Ом, R6
= l3 Ом, R0
= 0,5 Ом, I1
= 5 А.
Вычислить токи, напряжения и мощности каждого участка цепи и всей цепи. Определить ЭДС Е цепи. Составить баланс мощностей.
Рис. 53
Задача 2. В сложной электрической цепи (рис. 54) E1
= 135 В, E2
= 20 В, R1
= 2,5 Ом, R2
= 8 Ом, R3
= 5 Ом, R4
= 6 Ом, R5
= 30 Ом, R6
= 30 Ом, R7
= 40 Ом, R01
= 0,5 Ом, R02
= 0.
Определить токи через R1
, R2
, R3
. Применить метод преобразования, а затем к преобразовательной схеме метод контурных токов.
Рис.54
Задача 3. В цепи (рис. 55) С1
= 0,3 мкФ, С2
= 0,19 мкФ, С3
= 0,4 мкФ, С4
= 0,5 мкФ, U = 90 В. Определить эквивалентную емкость цепи, заряд и энергию электрического поля каждого конденсатора и всей цепи.
Рис. 55
Задача 4. На средний стержень Ш-образного магнитопровода (рис. 82), выполненного из стали марки Э-21, надета обмотка с числом витков W = 56
Определить ток в обмотке, необходимый для создания в якоре А, выполненном из литой стали, магнитной индукции Вяк
= 1,4 Тл. Длина воздушного зазора lзаз
= 0,2 мм. Размеры магнитопровода даны в мм. Потоком рассеяния пренебречь.
Рис. 56
Вариант 15
Задача 1. В цепи со смешанным соединением сопротивлений (рис. 57) Е = 200 В, R1
= 10 Ом, R2
= 1 Ом, R3
= 25 Ом, R4
= 30 Ом, R5
= R6
= 80 Ом, R0
= 1 Ом.
Определить токи, напряжения и мощность каждого участка цепи и всей цепи. Составить баланс мощностей.

Рис. 57
Задача 2. В сложной электрической цепи (рис. 58 E1
= 30 В, Е2
= 40 В, R1
= 10 Ом, R2
= 2 Ом, R3
= 3 Ом, R4
= R5
= 12 Ом, R01
= 2 Ом, R02
= 1 Ом.
Определить токи участков цепи методом узлового напряжения.
Рис. 58
Задача 3. В цепи (рис. 59) С1
= 20 мкФ, С2
= 25 мкФ, С3
= 10 мкФ, С4
= 50 мкФ, U1
= 33 В. Определить эквивалентную емкость цепи, напряжение, приложенное ко всей цепи, а также заряд и энергию электрического поля каждого конденсатора и всей цепи.
Рис. 59
Задача 4. На средний стержень Ш-образного магнитопровода (рис. 60), выполненного из стали марки Э-42, надета обмотка с числом витков W=380.
Определить ток в обмотке, необходимый, чтобы создать в якоре А магнитную индукцию
BA
= 1,2 Тл. Якорь А выполнен из литой стали. Длина зазора lзаз
= 0,3 мм. Размеры магнитопровода даны в миллиметрах. Потоком рассеяния пренебречь.
Рис. 60
Вариант 16
Задача 1. В цепи со смешанным соединением сопротивлений (рис. 61) R1
= 20 Ом, R2
= 60 Ом, R3
= 17,1 Ом, R4
= 39,1 Ом, R5
= 41 Ом, R6
= 16 Ом, R0
= 2 Ом, E = 40 В.
Определить токи, напряжение и мощности каждого участка цепи и всей цепи. Составить баланс мощностей.

Рис. 61
Задача 2. В сложной электрической цепи (рис. 62) E1
= 90 В, E2
= 120 В, R1
=4 Ом, R2
= 29 Ом, R3
= 30 Ом, R4
= 10 Ом, R01
= R02
=1 Ом. Определить токи участков цепи методом контурных токов.
Рис. 62
Задача 3. В цепи (рис. 63) С1
= 10 мкФ, С2
= 8 мкФ, С3
= 13 мкФ, С4
= 31 мкФ, U1
= 25 В.
Определить эквивалентную емкость цепи, напряжение, приложенное ко всей цепи, а также заряд и энергию электрического поля каждого конденсатора и всей цепи.

Рис. 63
Задача 4. На средний стержень Ш-образного магнитопровода (рис. 64), выполненного из стали марки Э-21, надета обмотка с числом витков W = 410.
Якорь А выполнен из стали Э-42. Определить ток обмотки, необходимый, чтобы создать в среднем стержне индукцию B = 0,9 Тл. Длина каждого воздушного зазора lз
аз
= 0,15 мм. Размеры магнитопровода даны в миллиметрах. Потоком рассеяния пренебречь.
Рис. 64
Вариант 17
Задача 1. В цепи со смешанным соединением сопротивлений (рис. 65) R1
= 4 Ом, R2
= 11 Ом, R3
= 42 Ом, R4
= 55 Ом, R5
= 14 Ом, R6
= 18 Ом, R0
= 1,5 Ом, U2
= UAB
= 13 В.
Определить токи напряжения и мощности каждого участка цепи и всей цепи. Составить баланс мощностей. Определить ЭДС Е.

Рис. 65
Задача 2. В сложной электрической цепи (рис.66) Е1
= Е2
= 160 В, R1
= 7 Ом, R2
= 6 Ом,
R3
= 10 Ом, R4
= R5
= 30 Ом, R6
= 40 Ом, R0
l
= 1 Ом, R02
= 2 Ом.
Определить токи участков цепи методом наложения.
Рис. 66
Задача 3. В цепи (рис. 67) С1
= 5 пФ, С2
= 0,8 пФ, С3
= 4 пФ, С4
= 2,3 пФ, U2
= 18 В.
Определить эквивалентную емкость цепи, напряжение, приложенное ко всей цепи, заряд и энергию электрического поля каждого конденсатора и всей цепи.
Рис. 67
Задача 4. На средний стержень Ш-образного симметричного магнитопровода (рис. 68) надета обмотка с числом витков W = 450. Ш-образный магнитопровод выполнен из стали Э-21, якорь А — из литой стали. Магнитная индукция в якоре BA
= 1,1 Тл
Определить ток обмотки и магнитное напряжение в зазоре. Длина каждого зазора lзаз
= 0,2 мм. Размеры магнитопровода даны в миллиметрах. Потоком рассеяния пренебречь.

Рис. 68
Вариант 18
Задача 1. В цепи со смешанным соединением сопротивлений (рис. 69) ток шестого участка
I6
= 30 А, R1
=25 Ом, R2
= 9 Ом, R3
= 17 Ом, R4
= R5
= 19 Ом, R6
= 30 Ом, R0
= 0,1 Ом.
Определить токи, напряжения и мощности всех участков цепи. Определить ЭДС цепи. Составить баланс мощностей.

Рис. 69
Задача 2. В сложной цепи (рис. 70) E1
= 80 В, Е2
= 100 В, R1
= 9 Ом, R2
= 19 Ом, R3
= 25 Ом, R4
= 100 Ом, R0
l
= R02
= 1 Ом.
Определить токи участков цепи методом наложения.
Рис. 70
Задача 3. В цепи (рис. 71) C1
= 24 пФ, С2
= 32 пФ, С3
= 18 пФ, С4
= 20 пФ. Приложенное к цепи напряжение U = 76 В. Определить эквивалентную емкость цепи, напряжение на каждом участке цепи, энергию и заряд каждой емкости и всей цепи.
Рис. 71
Задача 4. На средний стержень Ш-образного симметричного магнитопровода (рис. 72) надета обмотка с числом витков W = 570. Ш-образный магнитопровод выполнен из стали Э-21, якорь А — из литой стали. Магнитная индукция в якоре Bяк
= 1,4 Тл.
Определить ток обмотки. Длина зазора lзаз
= 0,2 мм. Размеры магнитопровода даны на чертеже в миллиметрах. Потоком рассеяния пренебречь.
Рис. 72
Вариант 19
Задача 1. В цепи со смешанным соединением сопротивлений (рис. 73) E = 156 В, R1
= 20 Ом, R2
= 9 Ом, R3
= 22 Oм, R4
= 40 Ом, R5
= 60 Ом, R6
= 17 Ом, ток через R6
— I6
= 20 А.
Определить токи, напряжения и мощности каждого участка цепи и всей цепи. Составить баланс мощностей. Определить внутреннее сопротивление R0
источника ЭДС.

Рис. 73
Задача 2. В сложной цепи (рис. 74) E1
= 60 В, Е2
= 72 В, R1
= 1,8 Ом, R2
= 3,2 Ом, R3
= 3 Ом, R4
= 2 Ом, R01
= 0,2 Ом, R02
= 0,8 Ом.
Определить токи участков цепи методом узловых и контурных уравнений.
Рис. 74
Задача 3. В цепи (рис. 75) С1
= 8 мкФ, С2
= 5,3 мкФ, С3
= С4
= 3 мкФ, U = 72 В.
Определить эквивалентную емкость цепи, заряд и энергию электрического поля каждого конденсатора и всей цепи.
Рис. 75
Задача 4. На средней стержень Ш-образного симметричного магнитопровода (рис. 76), выполненного из стали марки Э-21, надета обмотка с числом витков W = 700. Якорь А выполнен из литой стали, в нем величина магнитной индукции Вяк
= 1,5 Тл. Длина зазора lзаз
= 0,5 мм. Определить ток обмотки. Размеры магнитопровода даны в миллиметрах. Потоком рассеяния пренебречь.

Рис. 76
Вариант 20
Задача 1. В цепи со смешанным соединением сопротивлений (рис. 77) R1
= 30 Ом, R2
= 11 Ом, R3
= 45 Ом, R4
= 8 Ом, R5
= R6
= 39 Ом, R01
= 1,5 Ом, напряжение U3
= UAB
= 25 В.
Определить токи, напряжения и мощности каждого участка цепи и всей цепи. Составить баланс мощностей. Определить ЭДС цепи Е.
Рис. 77
Задача 2. В сложной цепи (рис. 78) E1
= 160 В, Е2
= 200 В, R1
= 9 Ом, R2
= 19 Ом, R3
= 25 Ом,
R4
= 100 Ом, R01
= R02
= 1 Ом.
Определить токи участков цепи методом узловых и контурных уравнений.
Рис. 78
Задача 3. В цепи (рис. 79) C1
= 5,1 • 103
пФ, С2
= 2,5 • 103
пФ, С3
= 3,2 • 103
пФ, С4
= 103
пФ, U= 200 В.
Определить эквивалентную емкость цепи, заряд и энергию электрического поля каждого конденсатора и всей цепи.
Рис. 79
Задача 4. На средний стержень разветвленного симметричного магнитопровода надета обмотка с числом витков W = 400. Ш-образный магнитопровод (рис. 80) выполнен из стали марки Э-42, якорь А — из литой стали. В воздушном зазоре среднего стержня создается напряженность магнитного поля Н = 106
А/м. Длина каждого воздушного зазора lзаз
= 0,3 мм.
Определить ток обмотки. Размеры магнитопроводов даны в миллиметрах. Потоком рассеяния пренебречь.
Рис. 80
ЗАДАНИЯ ДЛЯ ДОМАШНЕЙ КОНТРОЛЬНОЙ РАБОТЫ №2
Вариант 1
Задача 1. В сеть переменного тока включена цепь (рис. 1), подключенная к переменному напряжению U = 200 В, частотой f = 50 Гц. В первую ветвь включено сопротивление ХC
1
= 40 Ом, во вторую — сопротивление XL
2
= 40 Ом, в третью — сопротивления R3
= 20 Ом,
ХC
3
= 14 Ом. Определить токи ветвей и ток неразветвленной части цепи, активные, реактивные и полные мощности каждой ветви и всей цепи.
Задачу решить методом проводимостей. Определить С1
и L2
. Построить треугольник токов.
Рис. 1
Задача 2. Задачу 1 решить символическим методом. Треугольник токов построить в комплексной системе координат.
Задача 3. К цепи с последовательно соединенными R = 8 Ом, XLl
= 9 Ом и XC
1
= 9 Ом приложено напряжение u = [80sin(ωt+60°)+ 25,4sin3ωt] В. Сопротивления даны для первой гармоники. Вычислить показания амперметра, вольтметра и ваттметра.
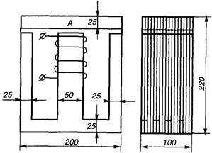
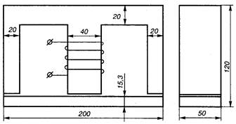
Задача 4. На магнитопроводе, выполненном из листовой стали марки Э-41 (рис. 2), расположена обмотка с числом витков W = 200. К обмотке подведено переменное напряжение частотой f = 50 Гц, 10% сечения магнитопровода занимает изоляция. Толщина стального листа
Δ = 0,5 мм.
Определить приложенное напряжение и ток в обмотке, если максимальная индукция в магнитопроводе Вm
= 1,2 Тл. Длина каждого воздушного зазора lзаз
= 0,1 мм. Активным сопротивлением обмотки пренебречь. Построить векторную диаграмму для цепи со сталью.
Рис. 2
Вариант 2
Задача 1. В сеть переменного тока с напряжением U = 200 В, частотой f= 50 Гц включена цепь (рис. 3). В первую ветвь цепи включено сопротивление R1
= 40 Ом, во вторую — сопротивление ХC
2
= 20 Ом, в третью — сопротивления R3
= 10 Ом и XL
3
= 10 Ом.
Определить токи ветвей и ток неразветвленной части цепи, активную, реактивную и полную мощности каждой ветви и всей цепи. Определить С2
и L3
. Задачу решить методом проводимостей. Построить треугольник токов.
Рис. 3
Задача 2. Задачу 1 решить символическим методом. Треугольник токов построить в комплексной системе координат.
Задача 3. К цепи с последовательно соединенными R = 12 Ом, ХL
1
= 19 Ом и ХC
1
= 3 Ом приложено напряжение и = [200 sin(ωt+60°)+ 67,6 sin3ωt] В.
Сопротивления даны для первой гармоники. Определить значения тока, напряжения и мощностей в данной цепи.
Задача 4. На магнитопроводе (рис. 4), выполненном из стали марки Э-41, расположена обмотка, подключенная к напряжению U = 220 В частотой f = 50 Гц.
Определить число ампер-витков обмотки, если максимальная магнитная индукция в магнитопроводе Вm
= 1,4 Тл, 10% магнитопровода занимает изоляция. Толщина стального листа 0,35 мм. Длина каждого воздушного зазора lзаз
= 0,1 мм. Активным сопротивлением обмотки пренебречь. Построить векторную диаграмму для цепи со сталью.
Рис. 4
Вариант 3
Задача 1. В сеть переменного тока с напряжением U = 100 В, частотой f = 50 Гц включена цепь (рис. 5). В первую ветвь цепи включено сопротивление R1
= 10 Ом, во вторую — сопротивление XL
2
= 16,66 Ом, в третью — сопротивления R3
= 8 Ом и ХC
3
= 6 Ом.
Определить токи в каждой ветви и в неразветвленной части цепи, активные, реактивные и полные мощности каждой части и всей цепи. Определить L2
и С3
. Задачу решить методом проводимостей. Построить треугольник токов.
Рис. 5
Задача 2. Задачу 1 решить символическим методом. Треугольник токов построить в комплексной системе координат.
Задача 3. К цепи с последовательно соединенными R1
= 10 Ом, XL
1
= 3 Ом, XC
1
= 6 Ом приложено напряжение u = [52 sin (ωt-20°) + 12,2sin(3ωt+45°)]B.
Сопротивления даны для первой гармоники. Определить действующие значения тока, напряжения и активную мощность в данной цепи.
Задача 4. На магнитопроводе (рис. 6), выполненном из стали марки Э-11, расположена обмотка с числом витков W = 250.
Определить приложенное напряжение и ток в обмотке, необходимые, чтобы создать в магнитопроводе максимальную магнитную индукцию Bm
= 1,4 Тл, если частота f = 50 Гц, длина каждого воздушного зазора lзаз
= 0,2 мм.
Активным сопротивлением обмотки пренебречь. Построить векторную диаграмму для цепи со сталью.

Рис. 6
Вариант 4
Задача 1. В сеть переменного тока с напряжение U = 100 В, частотой f = 50 Гц включена цепь (рис. 7). В ее первую ветвь включено сопротивление XC
1
= 10 Ом, во вторую — сопротивление XL
2
= 10 Ом, в третью ветвь — сопротивления R3
= 16 Ом и ХL3
= 12 Ом.
Определить токи каждой ветви и неразветвленной части цепи, активную, реактивную и полную мощности каждой ветви и всей цепи. Определить L2
и С1
. Задачу решить методом проводимостей. Построить треугольник токов.

Рис. 7
Задача 2. Задачу 1 решить символическим методом. Треугольник токов построить в комплексной системе координат.
Задача 3. К цепи с последовательно соединенными R = 6 Ом, XL
1
= 10 Ом и ХС1
= 90 Ом приложено напряжение u = [100sinωt + 60sin(3ωt + 20°)] В.
Сопротивления даны для первой гармоники. Вычислить действующие значения тока, напряжения и активную мощность цепи.
Задача 4. На магнитопроводе (рис. 8) расположена обмотка с числом витков W = 320. Магнитопровод выполнен из стали Э-12, 10% его объема заполнено изоляцией, длина каждого воздушного зазора lзаз
= 0,2 мм.
Определить приложенное напряжение и ток в обмотке, необходимые, чтобы создать в магнитопроводе максимальную магнитную индукцию Вm
= 1,5 Тл. Активным сопротивлением обмотки пренебречь. Построить векторную диаграмму для цепи со сталью.

Рис. 8
Вариант 5
Задача 1. В сеть переменного тока с напряжением U = 220 В, частотой f = 50 Гц включена цепь (рис. 9). В ее первую ветвь включено сопротивление ХC1
= 11 Ом, во вторую — сопротивление ХL2
= 14,67 Ом, в третью — сопротивления R3
= 8 Ом и XL
3
= 6 Ом.
Определить токи в неразветвленной части цепи и в каждой ветви; активную, реактивную и полную мощности каждой ветви и всей цепи. Определить С1
и L2
. Задачу решить методом проводимостей. Построить треугольник токов.

Рис. 9
Задача 2. Задачу 1 решить символическим методом. Треугольник токов построить в комплексной системе координат.
Задача 3. К катушке, комплекс полного сопротивления которой для первой гармоники
Z
1
= (16+j12) Ом, подведено напряжение u = [100sinωt+19,7sin(Зωt—45°)] В.
Определить показания амперметра, вольтметра и ваттметра.
Задача 4. На магнитопроводе, выполненном из листовой стали марки Э-11 (рис. 10), расположена обмотка с числом витков W = 340. К обмотке подведено напряжение частотой f = 50 Гц, 10% сечения магнитопровода занимает изоляция. Толщина стального листа 0,5 мм.
Определить приложенное напряжение и ток в обмотке, если максимальная магнитная индукция магнитопровода Вm
= 1,2 Тл. Длина каждого воздушного зазора lзаз
= 0,1 мм. Активным сопротивлением обмотки пренебречь. Построить векторную диаграмму для цепи со сталью.

Рис. 10
Вариант 6
Задача 1. В сеть переменного тока с напряжением U = 127 В, частотой f = 50 Гц включена цепь (рис. 11). В ее первую ветвь включено сопротивление R1
= 12,7 Ом, во вторую — сопротивление XC
2
= 22 Ом, в третью ветвь — сопротивления R3
= 16 Ом, XL
3
= 12 Ом.
Определить токи каждой ветви и в неразветвленной части цепи, активное, реактивное и полные мощности каждой ветви и всей цепи. Определить C2
и L3
. Задачу решить методом проводимостей. Построить треугольник токов.

Рис. 11
Задача 2. Задачу 1 решить символическим методом. Треугольник токов построить в комплексной системе координат.
Задача 3. К катушке, комплекс полного сопротивления которой для первой гармоники
Z
1
= (6+j8) Ом, подведен ток I = [10sin(ωt + 45°) + 2sin3ωt] А. Определить действующие значения тока и напряжения данной цепи, а также ее активную мощность.
Задача 4. На магнитопроводе (рис. 12), выполненном из стали марки Э-21, расположена обмотка с числом витков W = 120. 10% магнитопровода занимает изоляция. Толщина стального листа 0,5 мм.
Определить приложенное напряжение и ток в обмотке, необходимые, чтобы создать в магнитопроводе максимальную магнитную индукцию Вm
= 1,4 Тл. Активным сопротивлением обмотки пренебречь. Построить векторную диаграмму для цепи со сталью. lзаз
= 0,1мм

Рис. 12
Вариант 7
Задача 1. В сеть переменного тока с напряжением U = 130 В, частотой f = 50 Гц включена цепь (рис. 13). В ее первую ветвь включено сопротивление XL
1
= 18,6 Ом, во вторую ветвь — сопротивление R2
= 65 Ом, в третью — сопротивления R3
= 9 Ом и ХC3
=7 Ом.
Определить токи в каждой ветви и в неразветвленной части цепи, активные, реактивные и полные мощности каждой ветви и всей цепи, L1
и С3
. Задачу решить методом проводимостей. Построить треугольник токов.
Рис. 13
Задача 2. Задачу 1 решить символическим методом. Треугольник токов построить в комплексной системе координат.
Задача 3. По цепи последовательно соединенных R = 6 Ом, XL
1
= 3 Ом и XC
1
= 11 Ом (сопротивления даны для первой гармоники) проходит ток i = [10sin(ωt+45o
) + 2sin3ωt] А.
Определить действующие значения напряжения и тока цепи и ее активную мощность.
Задача 4. На магнитопроводе (рис. 14), выполненном из листовой стали марки Э-12, расположена обмотка с числом витков W = 120. 10% магнитопровода заполняет изоляция. Толщина стального листа 0,5 мм.
Определить приложенное напряжение и ток в обмотке, необходимые, чтобы создать в магнитопроводе максимальную магнитную индукцию Bm
= 1,4 Тл. Длина каждого воздушного зазора lзаз
= 0,1 мм. Частота переменного напряжения f=50 Гц. Активным сопротивлением пренебречь. Построить векторную диаграмму для цепи со сталью.
Рис. 14
Вариант 8
Задача 1. В сеть переменного тока с напряжением U= 100 В включена цепь (рис. 15). В первую ветвь включено сопротивление XC
1
= 100 Ом, во вторую — R2
= 60 Ом, XL
2
=80 Ом, в третью —R3
= 200 Ом.
Определить токи в каждой ветви и в неразветвленной части цепи, активные, реактивные и полные мощности каждой ветви и всей цепи, определить С1
и L2
. Задачу решить методом проводимостей. Построить треугольник токов.
Рис. 15
Задача 2. Задачу 1 решить символическим методом. Треугольник токов построить в комплексной системе координат.
Задача 3. По цепи с последовательно соединенными R = 0,6 Ом, XL
1
=0,1 Ом и ХC
1
=0,9 Ом проходит ток i = [10sin(ωt - 53°) +sin(Зωt + 30°)] А.
Сопротивления даны для первой гармоники. Вычислить действующее значение тока, напряжения и активной мощности в данной цепи.
Задача 4. На магнитопроводе (рис. 16), выполненном из стали марки Э-21, расположена обмотка, подключенная к напряжению U = 220 В, частотой f = 50 Гц. В магнитопроводе создается максимальная магнитная индукция Bm
= 1,4 Тл, 10% магнитопровода занято изоляцией. Толщина стального листа 0,35 мм. Длина каждого воздушного зазора lзаз
= 0,2 мм. Активным сопротивлением обмотки пренебречь.
Определить число ампер-витков в обмотке. Построить векторную диаграмму для цепи со сталью.
Рис. 16
Вариант 9
Задача 1. К сети переменного тока с напряжением U = 200 В, частотой f = 50 Гц подключена цепь (рис. 17). В ее первую ветвь включено сопротивление R1
= 40 Ом, во вторую — сопротивление XC
2
=100 Ом, в третью — сопротивления R3
=14 Ом и XL
3
=14 Oм. Определить токи ветвей и ток неразветвленной части цепи, активную, реактивную и полную мощности каждой ветви и всей цепи. Определить С2
и L3
. Задачу решить методом проводимостей. Построить треугольник токов.
Рис. 17
Задача 2. Задачу 1 решить символическим методом. Треугольник токов построить в комплексной системе координат.
Задача 3. По цепи из последовательно соединенных R = 6 Ом, ХL
1
= 10 Ом и ХC
1
= 9 Ом (сопротивления даны для первой гармоники) проходит ток i = [0,5sin(ωt - 20°) + 0,1sin(3ωt+30°)] А.
Определить действующие значения тока и напряжения цепи и ее активную мощность.
Задача 4. На магнитопроводе, выполненном из листовой стали марки Э-42 (рис. 18), расположена обмотка, подключенная под напряжение U = 220 В, частотой f = 50 Гц. 10% сечения магнитопровода заполнено изоляцией. Толщина стального листа 0,35 мм.
Определить число ампер-витков в обмотке, необходимые, чтобы создать в магнитопроводе максимальную магнитную индукцию Bm
= 1,4 Тл. Длина каждого воздушного зазора lзаз
= 0,1 мм. Активным сопротивлением обмотки пренебречь. Построить векторную диаграмму для цепи со сталью.

Рис. 18
Вариант 10
Задача 1. В сеть переменного тока с напряжением U = 220 В, частотой f = 50 Гц включена цепь (рис. 19). В ее первую ветвь включено сопротивление ХС1
= 17,3 Ом, во вторую — сопротивление R2
= 22 Ом, в третью — сопротивления R3
= 16 Ом и ХL
3
=12 Ом.
Определить токи участков цепи и неразветвленной части цепи, активную, реактивную и полную мощности каждой ветви и всей цепи. Определить L3
и С1
. Задачу решить методом проводимостей. Построить треугольник токов.
Рис. 19
Задача 2. Задачу 1 решить символическим методом. Треугольник токов построить в комплексной системе координат.
Задача 3. По цепи из последовательно соединенных R = 8 Ом, XL
1
= 6 Ом и ХC
1
= 12 Ом (сопротивления даны для первой гармоники) проходит ток i = [lsin(ωt+45°) + 0,2sin3ωt] A.
Определить действующие значения напряжения и тока цепи и ее активную мощность.
Задача 4. На магнитопроводе (рис. 20), выполненном из листовой стали марки Э-11, надета обмотка, к которой подводится напряжение U = 220 В частотой f = 50 Гц. 10% магнитопровода заполнено изоляцией. Толщина стального листа 0,35 мм. Длина каждого воздушного зазора lзаз
= 0,5 мм.
Рис. 20
Вариант 11
Задача 1. В сеть переменного тока включена цепь (рис. 21), подключенная к переменному напряжению U = 200 В, частотой f = 50 Гц. В первую ветвь включено сопротивление ХC
1
= 40 Ом, во вторую — сопротивление XL
2
= 40 Ом, в третью — сопротивления R3
= 20 Ом, ХC
3
= 14 Ом. Определить токи ветвей и ток неразветвленной части цепи, активные, реактивные и полные мощности каждой ветви и всей цепи.
Задачу решить методом проводимостей. Определить С1
и L2
. Построить треугольник токов.
Рис. 21
Задача 2. Задачу 1 решить символическим методом. Треугольник токов построить в комплексной системе координат.
Задача 3. К цепи с последовательно соединенными R = 8 Ом, XLl
= 9 Ом и XC
1
= 9 Ом приложено напряжение u = [80sin(ωt+60°)+ 25,4sin3ωt] В. Сопротивления даны для первой гармоники. Вычислить показания амперметра, вольтметра и ваттметра.
Задача 4. На магнитопроводе, выполненном из листовой стали марки Э-41 (рис. 22), расположена обмотка с числом витков W = 200. К обмотке подведено переменное напряжение частотой f = 50 Гц, 10% сечения магнитопровода занимает изоляция. Толщина стального листа Δ = 0,5 мм.
Определить приложенное напряжение и ток в обмотке, если максимальная индукция в магнитопроводе Вm
= 1,2 Тл. Длина каждого воздушного зазора lзаз
= 0,1 мм. Активным сопротивлением обмотки пренебречь. Построить векторную диаграмму для цепи со сталью.
Рис. 22
Вариант 12
Задача 1. В сеть переменного тока с напряжением U = 200 В, частотой f = 50 Гц включена цепь (рис. 23). В первую ветвь цепи включено сопротивление R1
= 40 Ом, во вторую — сопротивление ХC
2
= 20 Ом, в третью — сопротивления R3
= 10 Ом и XL
3
= 10 Ом.
Определить токи ветвей и ток неразветвленной части цепи, активную, реактивную и полную мощности каждой ветви и всей цепи. Определить С2
и L3
. Задачу решить методом проводимостей. Построить треугольник токов.
Рис. 23
Задача 2. Задачу 1 решить символическим методом. Треугольник токов построить в комплексной системе координат.
Задача 3. К цепи с последовательно соединенными R = 12 Ом, ХL
1
= 19 Ом и ХC
1
= 3 Ом приложено напряжение и = [200 sin(ωt+60°)+ 67,6 sinЗωt] В.
Сопротивления даны для первой гармоники. Определить значения тока, напряжения и мощностей в данной цепи.
Задача 4. На магнитопроводе (рис. 24), выполненном из стали марки Э-41, расположена обмотка, подключенная к напряжению U = 220 В частотой f = 50 Гц.
Определить число ампер-витков обмотки, если максимальная магнитная индукция в магнитопроводе Вm
= 1,4 Тл, 10% магнитопровода занимает изоляция. Толщина стального листа 0,35 мм. Длина каждого воздушного зазора lзаз
= 0,1 мм. Активным сопротивлением обмотки пренебречь. Построить векторную диаграмму для цепи со сталью.
Рис. 24
Вариант 13
Задача 1. В сеть переменного тока с напряжением U = 100 В, частотой f = 50 Гц включена цепь (рис. 25). В первую ветвь цепи включено сопротивление R1
= 10 Ом, во вторую — сопротивление XL
2
= 16,66 Ом, в третью — сопротивления R3
= 8 Ом и ХC
3
= 6 Ом.
Определить токи в каждой ветви и в неразветвленной части цепи, активные, реактивные и полные мощности каждой части и всей цепи. Определить L2
и С3
. Задачу решить методом проводимостей. Построить треугольник токов.
Рис. 25
Задача 2. Задачу 1 решить символическим методом. Треугольник токов построить в комплексной системе координат.
Задача 3. К цепи с последовательно соединенными R1
= 10 Ом, XL
1
= 3 Ом, XC
1
= 6 Ом приложено напряжение u = [52 sin (ωt-20°) + 12,2sin(3ωt+45°)]B.
Сопротивления даны для первой гармоники. Определить действующие значения тока, напряжения и активную мощность в данной цепи.
Задача 4. На магнитопроводе (рис. 26), выполненном из стали марки Э-11, расположена обмотка с числом витков W = 250.
Определить приложенное напряжение и ток в обмотке, необходимые, чтобы создать в магнитопроводе максимальную магнитную индукцию Bm
= 1,4 Тл, если частота f = 50 Гц, длина каждого воздушного зазора lзаз
= 0,2 мм. Активным сопротивлением обмотки пренебречь. Построить векторную диаграмму для цепи со сталью.
Рис. 26
Вариант 14
Задача 1. В сеть переменного тока с напряжение U = 100 В, частотой f = 50 Гц включена цепь (рис.27). В ее первую ветвь включено сопротивление XC
1
= 10 Ом, во вторую — сопротивление XL
2
= 10 Ом, в третью ветвь — сопротивления R3
= 16 Ом и ХL
3
= 12 Ом.
Определить токи каждой ветви и неразветвленной части цепи, активную, реактивную и полную мощности каждой ветви и всей цепи. Определить L2
и С1
. Задачу решить методом проводимостей. Построить треугольник токов.
Рис. 37
Задача 2. Задачу 1 решить символическим методом. Треугольник токов построить в комплексной системе координат.
Задача 3. К цепи с последовательно соединенными R = 6 Ом, XL
1
= 10 Ом и ХС1
=90 Ом приложено напряжение u = [100sinωt + 60sin(3ωt + 20°)] В.
Сопротивления даны для первой гармоники. Вычислить действующие значения тока, напряжения и активную мощность цепи.
Задача 4. На магнитопроводе (рис. 38) расположена обмотка с числом витков W = 320. Магнитопровод выполнен из стали Э-12, 10% его объема заполнено изоляцией, длина каждого воздушного зазора lзаз
= 0,2 мм.
Определить приложенное напряжение и ток в обмотке, необходимые, чтобы создать в магнитопроводе максимальную магнитную индукцию Вm
= 1,5 Тл. Активным сопротивлением обмотки пренебречь. Построить векторную диаграмму для цепи со сталью.

Рис. 28
Вариант 15
Задача 1. В сеть переменного тока с напряжением U = 220 В, частотой f = 50 Гц включена цепь (рис. 29). В ее первую ветвь включено сопротивление ХC
1
= 11 Ом, во вторую — сопротивление ХL
2
= 14,67 Ом, в третью — сопротивления R3
= 8 Ом и XL
3
= 6 Ом.
Определить токи в неразветвленной части цепи и в каждой ветви; активную, реактивную и полную мощности каждой ветви и всей цепи. Определить С1
и L2
. Задачу решить методом проводимостей. Построить треугольник токов.
Рис. 29
Задача 2. Задачу 1 решить символическим методом. Треугольник токов построить в комплексной системе координат.
Задача 3. К катушке, комплекс полного сопротивления которой для первой гармоники
Z
1
= (16+j12) Ом, подведено напряжение u = [100sinωt+19,7sin(3ωt—45°)] В.
Определить показания амперметра, вольтметра и ваттметра.
Задача 4. На магнитопроводе, выполненном из листовой стали марки Э-11 (рис. 30), расположена обмотка с числом витков W = 340. К обмотке подведено напряжение частотой f = 50 Гц, 10% сечения магнитопровода занимает изоляция. Толщина стального листа 0,5 мм.
Определить приложенное напряжение и ток в обмотке, если максимальная магнитная индукция магнитопровода Вm
= 1,2 Тл. Длина каждого воздушного зазора lзаз
= 0,1 мм. Активным сопротивлением обмотки пренебречь. Построить векторную диаграмму для цепи со сталью.

Рис. 30
Вариант 16
Задача 1. В сеть переменного тока с напряжением U = 127 В, частотой f = 50 Гц включена цепь (рис. 31). В ее первую ветвь включено сопротивление R1
= 12,7 Ом, во вторую — сопротивление XC
2
= 22 Ом, в третью ветвь — сопротивления R3
= 16 Ом, XL
3
= 12 Ом.
Определить токи каждой ветви и в неразветвленной части цепи, активные, реактивные и полные мощности каждой ветви и всей цепи. Определить C2
и L3
. Задачу решить методом проводимостей. Построить треугольник токов.
Рис. 31
Задача 2. Задачу 1 решить символическим методом. Треугольник токов построить в комплексной системе координат.
Задача 3. К катушке, комплекс полного сопротивления которой для первой гармоники
Z
1
= (6+j8)Ом, подведен ток i = [10sin(ωt + 45°) + 2sin3ωt] А. Определить действующие значения тока и напряжения данной цепи, а также ее активную мощность.
Задача 4. На магнитопроводе (рис. 32), выполненном из стали марки Э-21, расположена обмотка с числом витков W = 120. 10% магнитопровода занимает изоляция. Толщина стального листа 0,5 мм.
Определить приложенное напряжение и ток в обмотке, необходимые, чтобы создать в магнитопроводе максимальную магнитную индукцию Вm
= 1,4 Тл. Активным сопротивлением обмотки пренебречь. Построить векторную диаграмму для цепи со сталью. lзаз
= 0,1мм
Рис. 32
Вариант 17
Задача 1. В сеть переменного тока с напряжением U = 130 В, частотой f = 50 Гц включена цепь (рис. 33). В ее первую ветвь включено сопротивление XL
1
= 18,6 Ом, во вторую ветвь — сопротивление R2
= 65 Ом, в третью — сопротивления R3
= 9 Ом и ХC
3
=7 Ом.
Определить токи в каждой ветви и в неразветвленной части цепи, активные, реактивные и полные мощности каждой ветви и всей цепи, L1
и С3
. Задачу решить методом проводимостей. Построить треугольник токов.
Рис. 33
Задача 2. Задачу 1 решить символическим методом. Треугольник токов построить в комплексной системе координат.
Задача 3. По цепи последовательно соединенных R=6 Ом, XL
1
= 3 Ом и XC
1
= 11 Ом (сопротивления даны для первой гармоники) проходит ток i = [10sin(ωt+45o
) + 2sin3ωt] А.
Определить действующие значения напряжения и тока цепи и ее активную мощность.
Задача 4. На магнитопроводе (рис. 34), выполненном из листовой стали марки Э-12, расположена обмотка с числом витков W = 120. 10% магнитопровода заполняет изоляция. Толщина стального листа 0,5 мм.
Определить приложенное напряжение и ток в обмотке, необходимые, чтобы создать в магнитопроводе максимальную магнитную индукцию Bm
= 1,4 Тл. Длина каждого воздушного зазора lзаз
= 0,1 мм. Частота переменного напряжения f = 50 Гц. Активным сопротивлением пренебречь. Построить векторную диаграмму для цепи со сталью.
Рис. 34
Вариант 18
Задача 1. В сеть переменного тока с напряжением U = 100 В включена цепь (рис. 35). В первую ветвь включено сопротивление XC
1
= 100 Ом, во вторую — R2
= 60 Ом, XL
2
=80 Ом, в третью —R3
= 200 Ом.
Определить токи в каждой ветви и в неразветвленной части цепи, активные, реактивные и полные мощности каждой ветви и всей цепи, определить С1
и L2
. Задачу решить методом проводимостей. Построить треугольник токов.
Рис. 35
Задача 2. Задачу 1 решить символическим методом. Треугольник токов построить в комплексной системе координат.
Задача 3. По цепи с последовательно соединенными R=0,6 Ом, XL
1 =0,1 Ом и Хс1
=0,9 Ом проходит ток i = [10sin(ωt - 53°) +sin(Зωt + 30°)] А.
Сопротивления даны для первой гармоники. Вычислить действующее значение тока, напряжения и активной мощности в данной цепи.
Задача 4. На магнитопроводе (рис. 36), выполненном из стали марки Э-21, расположена обмотка, подключенная к напряжению U = 220 В, частотой f = 50 Гц. В магнитопроводе создается максимальная магнитная индукция Bm
= 1,4 Тл, 10% магнитопровода занято изоляцией. Толщина стального листа 0,35 мм. Длина каждого воздушного зазора lзаз
= 0,2 мм. Активным сопротивлением обмотки пренебречь.
Определить число ампер-витков в обмотке. Построить векторную диаграмму для цепи со сталью.
Рис. 36
Вариант 19
Задача 1. К сети переменного тока с напряжением U = 200 В, частотой f = 50 Гц подключена цепь (рис. 37). В ее первую ветвь включено сопротивление R1
= 40 Ом, во вторую — сопротивление XC
2
= 100 Ом, в третью — сопротивления R3
= 14 Ом и XL
3
= 14 Oм. Определить токи ветвей и ток неразветвленной части цепи, активную, реактивную и полную мощности каждой ветви и всей цепи. Определить С2
и L3
. Задачу решить методом проводимостей. Построить треугольник токов.
Рис. 37
Задача 2. Задачу 1 решить символическим методом. Треугольник токов построить в комплексной системе координат.
Задача 3. По цепи из последовательно соединенных R = 6 Ом, ХL
1
= 10 Ом и ХC
1
= 9 Ом (сопротивления даны для первой гармоники) проходит ток i = [0,5sin(ωt - 20°) + 0,1sin(3ωt+30°)] А.
Определить действующие значения тока и напряжения цепи и ее активную мощность.
Задача 4. На магнитопроводе, выполненном из листовой стали марки Э-42 (рис. 38), расположена обмотка, подключенная под напряжение U = 220 В, частотой f = 50 Гц. 10% сечения магнитопровода заполнено изоляцией. Толщина стального листа 0,35 мм.
Определить число ампер-витков в обмотке, необходимые, чтобы создать в магнитопроводе максимальную магнитную индукцию Bm
= 1,4 Тл. Длина каждого воздушного зазора lзаз
= 0,1 мм. Активным сопротивлением обмотки пренебречь. Построить векторную диаграмму для цепи со сталью.

Рис. 38
Вариант 20
Задача 1. В сеть переменного тока с напряжением U = 220 В, частотой f = 50 Гц включена цепь (рис. 39). В ее первую ветвь включено сопротивление ХС1
= 17,3 Ом, во вторую — сопротивление R2
= 22 Ом, в третью — сопротивления R3
= 16 Ом и ХL
3
= 12 Ом.
Определить токи участков цепи и неразветвленной части цепи, активную, реактивную и полную мощности каждой ветви и всей цепи. Определить L3
и С1
. Задачу решить методом проводимостей. Построить треугольник токов.
Рис. 39
Задача 2. Задачу 1 решить символическим методом. Треугольник токов построить в комплексной системе координат.
Задача 3. По цепи из последовательно соединенных R = 8 Ом, XL
1
= 6 Ом и ХC
1
=12 Ом (сопротивления даны для первой гармоники) проходит ток i = [lsin(ωt + 45°) + 0,2sin3ωt] A.
Определить действующие значения напряжения и тока цепи и ее активную мощность.
Задача 4. На магнитопроводе (рис. 40), выполненном из листовой стали марки Э-11, надета обмотка, к которой подводится напряжение U = 220 В частотой f = 50 Гц. 10% магнитопровода заполнено изоляцией. Толщина стального листа 0,35 мм. Длина каждого воздушного зазора lзаз
= 0,5 мм.
Определить число ампер-витков обмотки, необходимые, чтобы создать в магнитопроводе максимальную магнитную индукцию Вm
= 1,3 Тл. Активным сопротивлением обмотки пренебречь. Построить векторную диаграмму для цепи со сталью.
Рис. 40
ЭКЗАМЕНАЦИОННЫЕ ВОПРОСЫ
1. Электрическая цепь. Э.Д.С, напряжение, сила тока. Плотность тока.
2. Сопротивление, проводимость, удельное сопротивление, удельная проводимость.
3. Закон Джоуля - Ленца. Работа и мощность. К.П.Д.
4. Источник Э.Д.С. и источник тока. Схемы замещения и внешние характеристики.
5. Соединение элементов: последовательное, параллельное. Смешанное соединение резисторов.
6. Закон Ома. Тепловое действие тока. Законы Кирхгофа для цепей постоянного тока.
7. Режимы работы электрической цепи: холостого хода, рабочий, номинальный, короткого замыкания.
8. Преобразование треугольника в эквивалентную звезду. Преобразование звезды в эквивалентный треугольник.
9. Метод расчета сложных электрических цепей: метод узловых и контурных уравнений.
10. Метод расчета сложных электрических цепей: метод контурных токов.
11. Метод расчета сложных электрических цепей: метод узловых потенциалов. Построение потенциальной диаграммы.
12. Метод расчета сложных электрических цепей: метод узлового напряжения.
13. Метод расчета сложных электрических цепей: метод наложения.
14. Метод расчета сложных электрических цепей: метод эквивалентного генератора.
15. Нелинейные элементы электрических цепей постоянного тока. Понятие о статистическом и динамическом сопротивлениях нелинейного элемента. Вольтамперная характеристика.
16. Графический расчет нелинейных электрических цепей постоянного тока при последовательном, параллельном и смешанном соединении элементов.
17. Физические величины, характеризующие электрическое поле: заряд, напряженность, потенциал, напряжение.
18. Электропроводность. Проводники, полупроводники и диэлектрики.
19. Относительная диэлектрическая проницаемость. Электрическая прочность диэлектрика. Пробой диэлектрика.
20. Электрическая емкость. Конденсаторы.
21. Емкость и энергия электрического поля конденсаторов.
22. Электростатические цепи при последовательном, параллельном и смешанном соединении конденсаторов.
23. Магнитное поле. Магнитная индукция. Магнитная проницаемость.
24. Магнитный поток. Напряженность магнитного поля.
25. Связь магнитного поля с током. Магнитное поле провода с током и катушки с током.
26. Закон полного тока. Правило левой руки. Работа электромагнитных сил. Взаимодействие проводников с токами.
27. Намагничивание ферромагнитных материалов. Магнитный гистерезис.
28. Свойства ферромагнитных материалов. Закон Ома для магнитной цепи. Законы Кирхгофа для магнитной цепи.
29. Разветвленная и неразветвленная магнитная цепь и их расчет: прямая и обратная задача.
30. Э.Д.С. электромагнитной индукции, ее величина и направление.
31. Э.Д.С. наводимая в проводе, контуре, катушке. Потокосцепление. Правило Ленца.
32. Энергия магнитного поля. Преобразование механической энергии в электрическую и электрической в механическую.
33. Э.Д.С самоиндукции. Индуктивность, как основной параметр элементов электрической цепи.
34. Э.Д.С. взаимной индукции.
СПИСОК РЕКОМЕНДУЕМОЙ ЛИТЕРАТУРЫ
1. Евдокимов Ф. Е. Теоретические основы электротехники.- М.: Высш. шк., 1981.
2. Попов В. С. Теоретическая электротехника.- М.; Энергоатомиздат, 1990.
3. Зайчик М, Ю. Сборник задач и упражнений по теоретической электротехнике.- М.: Энергоатомиздат, 1988,
4. Лоторейчук Е.А. Теоретические основы электротехники.- М.: ИД «Форум»- Инфра-М., 2008
5. Бессонов Л. А. Теоретические основы электротехники.- Изд. 9., перераб. и доп. М.: Высш. шк., 1996.
________________________________________________________________________________________________________________________________________________________________________________________________________________________________________________________________________________________________________________________________________________________________________________________________________________________________________________________________________________________________
________________________________________________________________________________________________________________________________________________________________________________________________________________________________________________________________________________________________________________________________________________________________________________________________________________
________________________________________________________________________________________________________________________________________________________________________________________________________________________________________________________________________________________________________________________________________________________________________________________________________________
________________________________________________________________________________________________________________________________________________________________________________________________________________________________________________________________________________________________________________________________________________________________________________________________________________
________________________________________________________________________________________________________________________________________________________________________________________________________________________________________________________________________________________________________________________________________________________________________________________________________________
________________________________________________________________________________________________________________________________________________________________________________________________________________________________________________________________________________________________________________________________________________________________________________________________________________
________________________________________________________________________________________________________________________________________________________________________________________________________________________________________________________________________________________________________________________________________________________________________________________________________________
________________________________________________________________________________________________________________________________________________________________________________________________________________________________________________________________________________________________________________________________________________________________________________________________________________
________________________________________________________________________________________________________________________________________________________________________________________________________________________________________________________________________________________________________________________________________________________________________________________________________________
________________________________________________________________________________________________________________________________________________________________________________________________________________________________________________________________________________________________________________________________________________________________________________________________________________
________________________________________________________________________________________________________________________________________________________________________________________________________________________________________________
Гомель 2009
|