| МИНИСТЕРСТВО ОБРАЗОВАНИЯ РЕСПУБЛИКИ БЕЛАРУСЬ
УЧРЕЖДЕНИЕ ОБРАЗОВАНИЯ
“ВИТЕБСКИЙ ГОСУДАРСТВЕННЫЙ ТЕХНОЛОГИЧЕСКИЙ УНИВЕРСИТЕТ”
СОГЛАСОВАНО УТВЕРЖДАЮ
Зам. председателя Редакционно- Первый проректор
издательского совета УО “ ВГТУ” УО “ВГТУ”
_______________ проф. В.В. Пятов ________доц. С.И. Малашенков
“____” ___________ 2007 г. “_____” _________2007 г.
ДЕТАЛИ МАШИН
МЕТОДИЧЕСКИЕ УКАЗАНИЯ
к лабораторным работам для студентов механических и технологических специальностей дневной и заочной форм обучения
Витебск
2008
МИНИСТЕРСТВО ОБРАЗОВАНИЯ РЕСПУБЛИКИ БЕЛАРУСЬ
УЧРЕЖДЕНИЕ ОБРАЗОВАНИЯ
“ВИТЕБСКИЙ ГОСУДАРСТВЕННЫЙ ТЕХНОЛОГИЧЕСКИЙ УНИВЕРСИТЕТ”
ДЕТАЛИ МАШИН
МЕТОДИЧЕСКИЕ УКАЗАНИЯ
к лабораторным работам для студентов механических и технологических специальностей дневной и заочной форм обучения
Витебск
2008
УДК 621.81
Методические указания к лабораторным работам по деталям машин для студентов механических и технологических специальностей дневной и заочной форм обучения.
Витебск: Министерство образования Республики Беларусь, УО “ВГТУ”, 2008
Составители: доц.Федосеев Г.Н., ст. преп. Бабаев В.С. ,ст.преп. Карпушко А.В.
В методических указаниях приведено описание лабораторных работ, выполняемых студентами механических и технологических специальностей: 1-50 01 01,1-50 01 02 (швейников-технологов),1-50 02 01(обувщиков-технологов),1-36 08 01,1-36 01 01,1-36 01 03,1-36 01 04(механиков) дневной и заочной форм обучения. Работы снабжены иллюстрациями различных зубчатых передач и их описанием.
Одобрено кафедрой сопротивления материалов и деталей машин
УО “ВГТУ” “10” декабря 2007 г., протокол № 4
Рецензент: Петухов В.В.
Редактор: Калинин А.А.
Рекомендовано к опубликованию редакционно-издательским советом УО “ВГТУ” “_____” __________________ г., протокол № ___
Ответственный за выпуск: Чубаров И.И.
Учреждение образования “Витебский государственный технологический университет”
Подписано к печати ___________ Формат _______ . Уч.-изд.лист _____ .
Печать ризографическая. Тираж _____экз. Заказ _____. Цена ______ .
Отпечатано на ризографе Учреждение образования “Витебский государственный технологический университет”.
Лицензия №02330/0233005 от 1 апреля 2004 года
210035, Витебск, Московский проспект, 72.
Забиваем Сайты В ТОП КУВАЛДОЙ - Уникальные возможности от SeoHammer
Каждая ссылка анализируется по трем пакетам оценки: SEO, Трафик и SMM.
SeoHammer делает продвижение сайта прозрачным и простым занятием.
Ссылки, вечные ссылки, статьи, упоминания, пресс-релизы - используйте по максимуму потенциал SeoHammer для продвижения вашего сайта.
Что умеет делать SeoHammer
— Продвижение в один клик, интеллектуальный подбор запросов, покупка самых лучших ссылок с высокой степенью качества у лучших бирж ссылок.
— Регулярная проверка качества ссылок по более чем 100 показателям и ежедневный пересчет показателей качества проекта.
— Все известные форматы ссылок: арендные ссылки, вечные ссылки, публикации (упоминания, мнения, отзывы, статьи, пресс-релизы).
— SeoHammer покажет, где рост или падение, а также запросы, на которые нужно обратить внимание.
SeoHammer еще предоставляет технологию Буст, она ускоряет продвижение в десятки раз,
а первые результаты появляются уже в течение первых 7 дней.
Зарегистрироваться и Начать продвижение
РЕЦЕНЗИЯ
на “Методические указания к лабораторным работам по деталям машин для студентов механических и технологических специальностей дневной и заочной форм
обучения. Часть 1.
Составители: доц.Федосеев Г.Н., ст.преп.Бабаев В.С., ст.преп. Карпушко А.В.
В предложенных методических указаниях приводятся описание пяти лабораторных работ по деталям машин для студентов механических и технологических специальностей дневной и заочной форм обучения. Указания выполнены на должном методическом уровне, соответствуют требованиям ГОСТа и могут быть использованы ВГТУ.
Рецензент
доцент кафедры СМ и ДМ Петухов В.В.
ОТЗЫВ
“ Методические указания к лабораторным работам по деталям машин для студентов механических и технологических специальностей дневной и заочной форм обучения. Часть 1
Составители: доц.Федосеев Г.Н., ст.преп.Бабаев В.С., ст.преп. Карпушко А.В.
Методические указания составлены в соответствии с требованиями, предъявляемыми к таким работам. Рукопись оформлена должным образом, отвечает требованиям ГОСТа; содержание соответствует учебным планам технологических специальностей и рекомендуется к опубликованию на печатной базе университета.
доцент кафедры ТМ и ТММ Семин А.Г.
РЕФЕРАТ
“Методические указания к расчетно-проектировочным работам по сопротивлению материалов студентов технологических специальностей”
Составители: ст. преп. Карпушко А.В., ст. преп. Минченко А.В.
В методических указаниях приводятся задания на четыре расчетно-проектировочные работы по сопротивлению материалов на темы:
1. Построение эпюр внутренних силовых факторов в
студентов технологических специальностей с примерами решения задач этих работ. Указания выполнены на должном методическом уровне, соответствуют требованиям ГОСТа и могут быть использованы
студентами-технологами.
Рецензент
доцент кафедры СМ и ДМ Фомченко Б.Р.
Содержание
Введение_____________________________________________________7
Лабораторная работа №1. Изучение механических передач___________8
Лабораторная работа №2. Определение параметров и размеров зубчатых колес________________________________________________________ 18
Лабораторная работа №3. Построение зубьев эвольвентного профиля
методом обкатки_______________________________________________28
Лабораторная работа №4. Изучение зубчатых редукторов____________37
Лабораторная работа №5. Изучение червячных редукторов___________45
Литература____________________________________________________54
Сервис онлайн-записи на собственном Telegram-боте
Попробуйте сервис онлайн-записи VisitTime на основе вашего собственного Telegram-бота:
— Разгрузит мастера, специалиста или компанию;
— Позволит гибко управлять расписанием и загрузкой;
— Разошлет оповещения о новых услугах или акциях;
— Позволит принять оплату на карту/кошелек/счет;
— Позволит записываться на групповые и персональные посещения;
— Поможет получить от клиента отзывы о визите к вам;
— Включает в себя сервис чаевых.
Для новых пользователей первый месяц бесплатно.
Зарегистрироваться в сервисе
Введение
Методические указания предназначены для студентов механических и технологических специальностей дневной и заочной форм обучения и посвящены циклу лабораторных работ, выполняемых студентами при изучении курсов детали машин и основы конструирования и проектирования. Цикл охватывает изучение деталей передач, профилирование зубчатого зацепления, геометрию зубчатых и червячных передач, конструкции, сборку и разборку цилиндрических и червячных редукторов.
Каждая лабораторная работа начинается с небольшого теоретического введения, в котором изложены основные представления о физической картине работы объекта исследования и приведены необходимые расчетно-теоретические зависимости. В конце указаний приводится содержание отчета по лабораторной работе.
При выполнении лабораторных работ студент обязан:
1.Знать теоретические основы курса в объёме проводимой лабораторной работы.
2.Изучить принцип работы, устройство и назначение установок и измерительных приборов.
3.Четко представлять цель и последовательность выполнения работы.
4.Знать правила техники безопасности и охраны труда.
При защите выполненной лабораторной работы студент предъявляет преподавателю оформленный отчет. При этом студент должен знать:
1.Теоретические основы курса в объёме выполненной работы.
2.Устройство опытной установки и испытываемых конструкций.
3.Сделать выводы по проделанной работе и сравнить полученные результаты с данными литературных источников.
Лабораторная работа №1
Изучение механических передач
Цель работы
– ознакомление с основными параметрами и типами передач, их конструкциями, применением и принципами работы.
Общие сведения
Основную часть производственных процессов современной хозяйственной деятельности человека выполняют машины – механические устройства, выполняющие движения и служащие для преобразования энергии, материалов и информации. Большинство современных машин создается по схеме двигатель – передаточный механизм (передача) – исполнительный орган машины.
Применение передач связано с тем, что стандартные двигатели с целью снижения массы, габаритов и стоимости выполняют быстроходными с узким диапазоном регулирования скорости, а исполнительные органы должны иметь малые скорости, причем часто требуется разветвление потоков энергии и одновременная передача движения с различными параметрами к нескольким исполнительным органам.
Передачи – это механизмы, служащие для передачи механической энергии на расстояние.
Кроме основной функции передачи движения, они обеспечивают:
- согласование угловых скоростей исполнительных органов машины и двигателя;
- регулирование и реверсирование (изменение направления) скорости исполнительного органа машины при постоянной угловой скорости двигателя;
- преобразование вращательного движения двигателя в поступательное или другое движение исполнительного органа;
- приведение в движение нескольких исполнительных органов (с различными скоростями движения) от одного двигателя.
Следовательно, под передачами понимают механизмы, служащие для передачи механической энергии на расстояние, с преобразованием скоростей и моментов, иногда с преобразованием видов и законов движения. В данной лабораторной работе рассматриваются только механические передачи. Эти передачи используются преимущественно для передачи равномерного движения и реже для преобразования вращательного движения в поступательное. Применение равномерного вращательного движения обусловлено его непрерывностью и равномерностью при малых потерях на трение.
Классификация механических передач
Во всех механических передачах различают два основных звена: звено передачи, которое получает движения от двигателя, называемое ведущим, и звено, которому передается движение, называемое ведомым. Параметры, относящиеся к ведущему звену, обозначаются индексом 1, а параметры относящиеся к ведомому звену, - индексом 2.

Рис. 1. Основные типы механических передач: а - фрикционная; б –зубчатая; в - червячная; г – ременная; д – цепная; е – винт–гайка
1. По принципу передачи движения от ведущего звена к ведомому механические передачи делятся на:
- передачи трением (основаны на использовании сил трения между элементами передачи); фрикционные (рис. 1,а), ременные (рис. 1,г);
- передачи зацеплением, работающие в результате возникновения давления между сопрягаемыми зубьями: зубчатые (рис. 1,е), зубчато ременные, цепные (рис. 1,д).
2. По способу соединения звеньев механические передачи делятся на:
- передачи непосредственного контакта сопрягаемых звеньев – фрикционные, зубчатые, червячные, винт–гайка;
- передачи гибкой связью – ременные, цепные.
3. По характеру изменения скорости механические передачи делятся на понижающие и повышающие.
Зубчатые передачи
Зубчатая передача – это механизм, который с помощью зубчатого зацепления передает или преобразует движение с изменением скоростей и моментов. Усилие от одного элемента сцепляющейся пары к другому передается посредством зубьев, последовательно вступающих в зацепление.
Зубья в основном имеют эвольвентный профиль. Меньшее зубчатое колесо передачи является ведущим и называется шестерней, а большее зубчатое колесо, получающее движение от ведущего, является ведомым и называется колесо зубчатое.
Зубчатая передача, преобразующая вращательное движение между параллельными валами, называется цилиндрической, так как образующая сопрягаемых зубчатых колес является цилиндрической поверхностью. Цилиндрическая передача внешнего зацепления бывает с прямыми (рис. 2,а), косыми (рис. 2,б) и шевронными (рис. 2,в) зубьями. На кинематических схемах такие передачи изображаются в виде (рис. 3,а,б). На одной из пары зацепляющихся зубчатых колес зубья могут нарезаться не на наружной, а на внутренней поверхности. Такая передача является цилиндрической передачей внутреннего зацепления (рис. 2,2). На кинематических схемах такая передача изображается в виде (рис. 3,в).
Для преобразования вращательного движения шестерни в поступательное движение рейки, или поступательного движения рейки во вращательное движение зубчатого колеса, применяется зубчато–реечная передача (рис. 2,д), которая на кинематических схемах изображается в виде (рис. 3,г). В таких передачах рейка рассматривается как колесо с бесконечно большим диаметром (числом зубьев).

Рис. 2. Основные виды зубчатых передач: а – цилиндрическая прямозубая; б – цилиндрическая косозубая; в - шевронная; г – цилиндрическая с внутренним зацеплением; д – реечная; е - коническая прямозубая; ж –коническая косозубая; з – коническая с круговыми зубьями

Рисунок 3. Условные обозначения передач на кинематических схемах:
а – цилиндрическая зубчатая передача; б – цилиндрические передачи соответственно с прямыми, косыми и тангенциальными зубьями; в - цилиндрическая зубчатая передача с внутренним зацеплением; г – зубчато- реечная передача; д – коническая зубчатая передача; е – конические передачи соответственно с прямыми тангенциальными и круговыми зубьями; ж - червячная передача; з - цепная передача; к - передача винт–гайка; л - ременная передача
Зубчатая передача, передающая движение между пересекающимися осями, называется конической, так как пара зубчатых колес, находящихся в зацеплении, имеет форму усеченных конусов. Обычно межосевой угол 900
. Конические передачи бывают с прямыми зубьями (рис. 2,е), с косыми (тангенциальными) зубьями (рис. 2,ж) и с круговыми зубьями (рис. 2,з). На кинематических схемах, коническая передача без указания типа зубьев приведена на (рис. 3,д), а с указанием типа зубьев - на (рис. 3,е).
Червячные передачи
Предназначены для передачи движения между валами со скрещивающимися осями и состоят из винта, называемого червяком 1 (рис. 4), и червячного колеса 2. Ведущим элементом передачи обычно является червяк, движение от которого к червячному колесу осуществляется по принципу винтовой пары.

Рис. 4. Червячная передача:
1 - червяк; 2 - червячное колесо
При определенных параметрах (угле подъема винтовой линии червяка) ведущим элементом передачи может быть и червячное колесо (например в центрифугах). На кинематических схемах червячная передача изображается в виде (рис. 3,ж). Передача используется в машинах, где требуется большое передаточное число, а также точные перемещения.
Цепные передачи
Относятся к передачам зацепления с гибкой связью и состоят из расположенных на некотором расстоянии друг от друга (межосевое расстояние передачи) двух зубчатых колес, называемых звездочками, и охватывающей их цепи (рис. 1,д). На кинематических схемах передача изображается (рис. 3,з). Движение в передаче осуществляется за счет зацепления зубьев звездочек, имеющих специальную форму, с шарнирами цепи. Последние состоят из чередующихся наружных и внутренних пластин, соединенных валиками с надетыми на них втулками. Для уменьшения трения и износа на втулки с зазором надеваются ролики, такие цепи – приводные роликовые обозначаются ПР. Цепные передачи широко используются в транспортных средствах и в сельскохозяйственных машинах.
Передачи винт–гайка
Передача используется для преобразования вращательного движения одного из звеньев (винта или гайки) в поступательное движение другого. При этом как винт, так и гайка могут иметь либо одно из названных движений, либо оба движения одновременно. Один из элементов передачи может быть неподвижным. Винты в передачах делятся на грузовые (домкраты, прессы, нажимные устройства) и ходовые (создание установочных, рабочих и холостых перемещений в станках и приборах). В передачах используются пары винт– гайка скольжения либо качения (рис. 1,е). На кинематических схемах передача изображается (рис. 3,к). В винтовых передачах обычно используется трапецеидальная резьба, в домкратах и винтовых прессах – упорная.
Ременные передачи
Это передачи трения с гибкой связью. Они состоят из двух или нескольких шкивов, охватываемых гибким ремнем (рис. 1,д). На кинематических схемах ременная передача изображается (рис. 3,л). Нагрузка в передается за счет сил трения, возникающих между шкивами и ремнем вследствие натяжения последнего. В качестве тягового органа ременной передачи (ремня), используются плоские, клиновые и поликлиновые ремни. Наибольшее применение получили прорезиненные и синтетические ремни. В настоящее время широкое применение получили зубчато–ременные передачи, соединяющие в себе достоинство ременных и цепных передач. Зубчато– ременные передачи лишены основного недостатка стандартных ременных передач – проскальзывание ремня и шкива, то есть они имеют постоянное передаточное отношение. Движение в таких передачах осуществляется за счет зацепления зубьев ремня с зубьями шкивов. Ременные передачи широко применяются в машинах легкой и текстильной промышленности.
Кинематические и силовые соотношения в механических передачах
В любой механической передаче звено, передающее вращающий (крутящий) момент, называется ведущим, и параметры, относящиеся к нему, отмечаются индексом 1; а звено, приводимое в движение от ведущего – ведомое, и параметры, относящиеся к нему, отмечаются индексом 2 (рис. 5). Контакт ведущего звена с ведомым происходит в точке Р (для зубчатой передачи это полюс зацепления).

Рисунок 5. Механическая передача
Кинематические соотношения механических передач
- Угловые скорости ведущего звена 1 и ведомого звена 2;
- Частоты вращения n1
ведущего звена и n2
ведомого звена
; .
- Передаточные отношения передачи 
- Передаточные числа передачи 
где Z1
, Z2
– числа зубьев соответственно ведущего и ведомого звеньев передачи.
- Передаточное число машины (привода), состоящей из нескольких передач, равно произведению передаточных чисел передач, входящих в машину 
- Окружная скорость звеньев равна 
Угловая скорость ведущего звена и передаточное отношение передачи i являются основными кинематическими параметрами передачи, остальные – дополнительными.
Силовые соотношения механических передач
- Мощности соответственно ведущего P1
и ведомого P2
звеньев, кВт.
- Коэффициент полезного действия (КПД) передачи 
- КПД машины (привода), состоящий из нескольких передач, равно произведению КПД всех элементов (передач, подшипников, муфт и т.д.), входящих в машину 
- Определение мощности ведомого звена передачи Р2
через мощность ведущего звена передачи 
где - КПД передачи.
Силы, вызывающая вращение звеньев (или сопротивление вращению) и направленные по касательной к траектории точек их приложения Р – окружные силы Ft
. Связь между этими силами, окружной скоростью v и мощностью Р, определяется зависимостью 
Окружная сила Ft
связана с крутящим моментом Т, передаваемым звеном вращения, соотношением 
Без учета сил трения окружные силы на ведущем Ft
1
и ведомом Ft
2
звеньях равны и противоположно направлены Ft
1
= -Ft
2
[ н ].
Крутящие моменты Т и мощности Р, передаваемые звеньями передачи, связаны зависимостью 
Лабораторная работа №2
Определение параметров и размеров зубчатых колес
Цель работы
– ознакомление с основными геометрическими параметрами и размерами цилиндрических колес с прямыми зубьями, а также с методами их измерения.
Общие сведения
Поверхности взаимодействующих зубьев колес должны обеспечить постоянство передаточного числа (U=const). Для выполнения этого условия боковые профили зубьев сопрягаемых колес должны подчиняться требованиям, вытекающим из основной теоремы зацепления: общая нормаль n-n, проведенная через точки касания профилей, делит расстояние между центрами колес O1
O2
на части, обратно пропорциональные угловым скоростям (рис. 6). Математически теорема зацепления имеет вид: 

Рис. 6. Зацепление эвольвентных зубчатых колес
Из возможных профилей зубьев, удовлетворяющих основной теореме зацепления, наибольшее применение получило эвольвентное зацепление благодаря технологичности и достаточно высокой несущей способности. Эвольвента окружности образуется точкой К на прямых N1
K и N2
K при качении их без скольжения по окружностям с диаметрами dв1
и dв2 .
Эти окружности называются основными. Линия N1
N2
, по которой перемещается общая точка контакта К профилей зубьев при вращении колес – линия зацепления. Угол между линией зацепления и прямой t-t, перпендикулярной к межосевой линии O1
O2
называется углом зацепления . Для колес без смещения угол зацепления .
При вращении зацепляющихся зубчатых колес окружности радиусов О1
П и О2
П перекатываются одна по другой без скольжения. Данные окружности называются начальными, их диаметр dw
1
и dw
2
. Эти окружности являются сопряженными, т.е. понятие начальных окружностей относится только к паре колес находящихся в зацеплении. При изменении межосевого расстояния О1
О2
диаметры начальных окружностей изменяются.
Делительная окружность принадлежит отдельному колесу и получается при его зацеплении со стандартной рейкой. Окружность, являющаяся начальной при зацеплении с рейкой – делительная; её диаметр обозначается d (рис. 7). Для колес без смещения делительные окружности совпадают с начальными. Толщина зуба по делительной окружности S равна ширине впадины между двумя зубьями е.
Расстояние между двумя одноименными профилями соседних зубьев по делительной окружности – окружной шаг зацепления P. На делительной окружности шаг зацепления Р равен сумме толщины зуба S и ширины впадины между двумя зубьями е. Расчетная величина, равная отношению окружного шага зубьев Р по делительной окружности к числу -окружной модуль зацепления


Рис. 7. Геометрические параметры цилиндрического колеса с прямыми зубьями
Модули зубьев зубчатых колес стандартизованы [ табл. 1]. Диаметр делительной окружности выраженный через модуль равен:

где z- число зубьев зубчатого колеса.
Окружность, ограничивающая высоту зубьев – окружность вершин зубьев; её диаметр обозначается da
. Окружность, ограничивающая глубину впадин, – окружность впадин зубьев, её диаметр обозначается df
.
Таблица 1
| Ряды предпочтительных чисел
|
Модуль зацепления m, мм
|
| 1-й ряд
|
1
|
1.25
|
1.5
|
2
|
2.5
|
3
|
4
|
5
|
6
|
8
|
10
|
12
|
16
|
| 2-й ряд
|
1.125
|
1.375
|
1.75
|
2.25
|
2.75
|
3.5
|
4.5
|
5.5
|
7
|
9
|
11
|
14
|
18
|
В зубчатых колесах расстояние между двумя соседними профилями зубьев, измеренное по нормали n-n (рис. 8), равно шагу Pв
по основной окружности (длине дуги). Из треугольника О радиус основной окружности равен

шаг по основной окружности будет равен

Исходя из этого, шаг по основной окружности можно определять не длиной дуги, а расстоянием между двумя соседними зубьями по нормали (эвольвентными участками профиля зуба). Этот отрезок нормали представит развертку основной окружности и будет равен шагу Pв
по основной окружности.
Основные параметры и размеры зубчатого колеса:
z – число зубьев колеса;
m – модуль зацепления;
-угол зацепления (для колес с нормальным исходным контуром );
ha
=m – высота головки зуба;
hf
=1.25*m – высота ножки зуба;
p – окружной шаг зацепления (по делительной окружности);
pв
- шаг зубьев по основной окружности;
S, Sв
–толщина зубьев соответственно по делительной и основной окружности;
x- коэффициент смещения.

Рис. 8. Измерение шага зацепления по основной окружности колеса
Последовательность выполнения лабораторной работы
1. Подсчитать число зубьев колеса.
2. По таблице 2 принять число зубьев колеса n, которые нужно охватить губками штангенциркуля, чтобы измерение было выполнено в пределах эвольвентной части профиля зуба.
Таблица 2
| Число зубьев колеса Z
|
12-18
|
19-27
|
28-36
|
37-45
|
46-54
|
55-63
|
64-72
|
73-80
|
| Измеряемое число зубьев n
|
2
|
3
|
4
|
5
|
6
|
7
|
8
|
9
|
3. Охватив штангенциркулем n зубьев колеса, измерить размер ln
между ними, затем, охватив штангенциркулем на 1 зуб больше, измерить размер ln
+1
между n+1 зубам. Полученные значения занести в таблицу 3.
Примечание.
Каждый замер делается три раза на любых участках
зубчатого колеса. Расчеты проводятся по средним значениям.
4. Определить расчетное значение модуля зацепления:

5. Полученное значение модуля зацепления округлить до ближайшего стандартного значения (табл. 1).
6. Определить геометрические размеры зубчатого колеса, занеся полученные значения в табл. 4.
7. Измерить штангенциркулем диаметры выступов da
и впадин df
зубьев колеса, занеся полученные значения в табл. 5. Размеры da
и df
при четном числе зубьев Z измеряются штангенциркулем непосредствен, как показано на рис. 9,а. При нечетном числе зубьев Z сначала измеряется диаметр отверстия колеса dотв
, а затем расстояние от отверстия до окружности вершин lа
и до окружности впадин lf
зубьев (рис. 9,б), при этом диаметры вершин и впадин зубьев получаются суммированием диаметра отверстия и расстояния от отверстия до соответствующей окружности зуба.

Рис. 9. Измерение диаметров выступов и впадин зубчатого колеса:
а – при четном; б – при нечетном числе зубьев
8. Зубчатое колесо может быть нарезано со смещением исходного контура режущего инструмента. В этом случае определить значение коэффициента смещения исходного контура:

где .
Примечание
.
Коэффициент смещения может быть как положительным, так и отрицательным. В дальнейших расчетах подставляется в формулы с полученным знаком. Если значение коэффициента смещения получается близким к нулю, то принимается x=0.
9. Определить толщину зуба по делительной окружности (рис. 7), мм:

10. Определить половину центрального угла зуба по дуге делительной окружности (рис. 10), град:

Рис. 10. Измерение толщины зуба по хорде делительной окружности
11. Определить радиальное расстояние от окружности вершин зубьев до измеряемой хорды по делительной окружности, мм:

где da
, d –диаметры, соответственно вершин зубьев и делительной окружности принимаются по табл. 4.
12. Определить толщину зуба по хорде делительной окружности, мм:

13. Измерить штангензубомером толщину зуба по хорде делительной окружности Sx
изм
. (рис. 10). Полученное значение Sx
изм
сравнить с расчетным значением Sx
.
Примечание
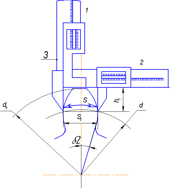
: штангензубомер имеет две шкалы 1 и 2 с нониусами. Шкала 1 служит для замера радиального расстояния hx
от окружности головок зубьев до измеряемой хорды, шкала 2 служит для замера толщины зуба по хорде. По шкале 1 перемещается установочная пластина 3. До начала замера установочную пластину 3 фиксируем на расстоянии hx
. Для этого на шкале 1 устанавливаем радиальное расстояние до измеряемой хорды на дуге делительной окружности. Устанавливаем штангензубомер на зуб так, чтобы пластина 3 упиралась в вершину зуба, сдвигаем губки штангензубомера до касания их с боковыми поверхностями зуба и по шкале 2 определяем хордальную толщину зуба Sx
изм
.
ОТЧЕТ
по лабораторной работе №2
Определение параметров и размеров зубчатых колес.
1. Цель работы.
2. Эскиз зубчатого колеса с основными размерами.
3. Таблица 3 замеров шага зубьев по основной окружности зубчатого колеса.
Таблица 3
| Номер замера
|
Расстояние между n зубьями ln
, мм
|
Расстояние между (n+1) зубом ln
+1
, мм
|
Измерение значение шага зубьев по основной окружности Pвиз
=ln
+1
-ln
, мм
|
| 1
|
| 2
|
| 3
|
| Среднее значение
|
ln
ср
|
Ln+1
ср
|
Pв ср
|
4. Определение геометрических размеров зубчатого колеса табл. 4.
Таблица 4
| №
n/n
|
Геометрический размер зубчатого колеса
|
Расчетная формула
|
| 1
|
Шаг зубьев по делительной окружности
|

|
| 2
|
Шаг зубьев по основной окружности
|

|
| 3
|
Диаметр делительной окружности
|

|
| 4
|
Диаметр основной окружности
|

|
| 5
|
Диаметр вершин (головок) зубьев
|

|
| 6
|
Диаметр впадин (ножек) зубьев
|

|
| Толщина зуба по основной окружности
|

|
5. Таблица замеров диаметров выступов и впадин зубьев колеса.
Таблица 5
| Номер замера
|
Диаметры вершин da
и впадин df
зубьев
|
| Четное число Z зубьев колеса
|
Нечетное число Z зубьев колеса
|
| da
, мм
|
df
, мм
|
dотв
, мм
|
la
, мм
|
lf
, мм
|
da
=dотв
+2la
|
df
=dотв
+2lf
|
| 1
|
| 2
|
| 3
|
| Среднее значение
|
da
ср
|
df
ср
|
dотв
ср
|
la
ср
|
lf
ср
|
da
ср
|
df
ср
|
6. Определить коэффициент смещения X и окружную толщину зуба по делительной окружности S.
7. Определить и измерить толщину зуба по хорде делительной окружности Sx
.
Лабораторная работа №3
Построение зубьев эвольвентного профиля методом обкатки
Цель работы:
- Ознакомление с нарезанием нулевых и корригированных зубчатых колес методом обкатки и вычерчивание их профилей зубьев на приборе.
- Изучение процесса подрезания и заострения зубьев экспериментальным путем и определение смещения режущего инструмента для их устранения.
Общие сведения
Нарезание эвольвентных профилей методом обкатки или огибания является наиболее производительным и распространенным способом производства зубчатых колес. При обкатке режущий инструмент и заготовка получают относительное движение, которое они имели бы в случае нормального зацепления шестерни с колесом. Процесс нарезания зубчатого колеса рейкой складывается из поступательного движения заготовки А вдоль рейки Б и её вращении вокруг своей оси (движение подачи заготовки) и возвратно–поступательного движения режущего инструмента вдоль оси заготовки (рабочий ход), во время которого происходит съём стружки (рис. 11,а).

Рис. 11. Нарезание зубьев методом обкатки: а – схема процесса нарезания зубьев; б – схема образования профиля зуба
Эвольвентный профиль зуба получается как огибающая профиля рейки в нескольких последовательных её положениях, то есть рейка как бы обкатывается относительно заготовки (рис. 11,б). Цикл повторяется до окончания обработки всех зубьев. При использовании этого метода на одном станке одним и тем же инструментом можно нарезать эвольвентные профили с разными параметрами.
При выполнении данной лабораторной работы применяются следующие понятия теории зубчатых зацеплений (рис. 12).
Модульная прямая рейки (МПР) – средняя прямая, на которой толщина зуба равна ширине впадины и составляет половину шага Р.
Делительная прямая рейки (ДПР) – прямая, касающаяся делительной окружности колеса.
Делительная окружность колеса – окружность, на которой шаг зацепления равен шагу инструментальной рейки .
Шаг рейки постоянен для любой прямой, параллельной модульной прямой в границах прямолинейного профиля зуба; поэтому заготовку можно устанавливать так, чтобы делительная окружность колеса касалась любой этой прямой, которая и будет делительной. При нарезании профиля зуба делительная прямая катится по делительной окружности без скольжения и, следовательно, обе линии являются центроидами в относительном движении рейки и колеса. Точки Р касания центроид будет полюсом зацепления при нарезании зубчатого колеса.
Если делительная окружность колеса касается модульной прямой рейки, то профиль зуба будет нормальным ( “нулевым ” или “некорригированным”). У такого колеса высота головки зуба ha
равна модулю:

а толщина зуба S по делительной окружности равна ширине впадины:

Уменьшение числа зубьев при нормальном зубчатом зацеплении может вызвать подрезание зубьев. Для устранения подрезания и улучшения работы зубчатых колес при их изготовлении применяется коррегирование. Коррегирование зубчатых колес производится с целью уменьшения габаритов и улучшения качества (исправления) зацепления: устранения подрез ножки зуба, увеличения коэффициента перекрытия, уменьшения износа, повышения прочности зуба.

Рис. 12. Зацепление зубчатого колеса с инструментальной рейкой
Коррегирование (исправление) эвольвентных зубчатых колес осуществляется смещением стандартного режущего инструмента от оси заготовки, при этом по делительной окружности будет перекатываться не модульная прямая рейки, а любая другая, параллельно ей. Зубья колеса будут иметь при этом эвольвентный профиль, однако вид их будет иной, чем у зубьев нулевых колес. Расстояние между модульной и делительной прямой называется сдвигом рейки (рис. 12)
.
Смещение рейки относительно её положения для нормального колеса в направлении от центра колеса называется положительным сдвигом, а в направлении к центру колеса О – отрицательным сдвигом.
Коэффициентом смещения (сдвига) называется отношение сдвига рейки к модулю зацепления m : 
В зависимости от видов корригирования комбинации смещений пары сопрягаемых зубчатых колес могут быть следующими:
1. Нулевое зацепление, когда сдвиги рейки для обоих колес равны нулю
X1
=X2
=0
2. Равносмещенное зацепление, когда сумма коэффициентов смещения для обоих колес равна нулю: X1
+X2
=0.
3. Неравносмещенное зацепление, когда сумма коэффициентов смещения для обоих колес не равна нулю:
- положительно смещение X1
+X2
>0;
- Отрицательное смещение X1
+X2
<0.
Величина относительного сдвига (коэффициента смещения) рейки, необходимая для устранения подрезания ножки зуба, определяемая формулой ,
где ha
*
- коэффициент высоты головки зуба;
Z – число (количество) зубьев колеса;
- угол профиля рейки.
Для зубчатых колес с нормальным исходным контуром по ГОСТ 13755-81, для которых ha
*
=1 и =200
, формула определения коэффициента смещения будет иметь вид

Абсолютный сдвиг рейки, необходимый для устранения подрезания ножки зуба, определяется формулой

Описание прибора и построение на нем профилей зубьев
Прибор для вычерчивания эвольвентных профилей зубьев методом обката имеет следующую конструкцию (рис. 13).
Основанием прибора служит литая панель 4, на которой установлены диск 8 и рейка5. Диск выполнен из оргстекла и представляет собой руг с диаметром, равным диаметру заготовки. Рейка прибора, выполняющая роль зуборезного инструмента, совершает поступательное движение вдоль направляющих 13, имеющих сечение ласточкина хвоста, совместно со шкалами 1 и 12, планкой 9 и захватами 3 и 11. Для согласования угловой и поступательной подач заготовки к захвату 11 прикрепляется проволока 10, огибающая диск 8 и прикреплённая к захвату 3, которая при помощи эксцентрикового механизма с рукояткой 2 может перемещаться, создавая необходимое натяжение проволоки 10. Совместное движение рейки и диска осуществляется при помощи храпового механизма рычагом 15. Если рукоятку 14 повернуть в левое положение, то обе собачки выходят из зацепления с рейкой 5 и рейка свободно от руки перемещается вдоль направляющихся 13. Кроме того, при помощи двух винтов 16 рейку можно закрепить на различных расстояниях относительно центра заготовки.
Для построения зубьев на диск 8 накладывается круг из чертежной бумаги с диаметром, равным диаметру заготовки и прижимается крышкой 7 с винтом 6. Рейку нужно поставить в крайнее правое положение, освободив предварительно рукоятку 14. На бумажном круге вычерчивают контур зубьев карандашом. Затем нажатием рычага 15 передвигают рейку на один шаг и снова очерчивают контур зубьев. Так делают до тех пор, пока рейка не придет в крайнее левое положение, а на бумажном круге не будет получен контур нескольких зубьев.
При этом, если модульная прямая совпадает с касательной к делительной окружности, то на бумажной заготовке вычерчиваются зубья нулевого колеса. Если же рейка сдвинута относительно центра заготовки, то на круге получим зубья соответственно с положительным или отрицательным сдвигом.
Для получения нового контура зубьев необходимо рукоятку 2 повернуть, тем самым ослабив натяжение проволоки. Диск после этого свободно повернется на необходимый угол. Рейка становится в крайнее правое положение и вновь вычерчивается контур зубьев с положительным или отрицательным сдвигом.

Рис. 13. Прибор для вычерчивания эвольвентных профилей зубьев методом обката

Рис. 14. Образец диска с вычерченными профилями зубцов в четырех вариантах
Порядок выполнения лабораторной работы
1. Ознакомиться с устройствами и принципом действия прибора. Записать в отчет номер прибора и параметры получаемого зубчатого колеса: модуль зацепления m; угол профиля рейки ; диаметр делительной окружности зубчатого колеса d.
2. Бумажный круг, диаметр которого соответствует диаметру диска прибора, разделить двумя перпендикулярными линиями на четыре примерно равных квадранта. Расчерченный круг наколоть на иголки прибора и закрепить крышкой.
3. Установить рейку прибора в крайнее правое положение, при этом диск должен быть установлен так, чтобы одна из прямых линий на круге проходила примерно через левую сторону профиля крайне левого зуба рейки. На шкалах 1 и 12 устанавливается, либо величина необходимого смещения со своим знаком, либо 0 для нормального зубчатого колеса без смещения. В каждом квадранте вычерчивается по два–три профиля зубьев (рис. 12) одного из четырех вариантов.
4. В первом квадранте вычертить нормальное (нулевое) зубчатое колесо без смещения, X=0.
5. Определить число зубьев нарезаемого колеса
.
6. По найденному числу зубьев Z определить коэффициент смещения X0
и абсолютный сдвиг b0
рейки, необходимый для устранения подрезания ножки зуба.
7. Ослабить винты 16 прибора и сместить рейку 5 от центра заготовки на величину b0
абсолютного сдвига рейки и затянуть винты. При положительном смещении рейка отводится от центра заготовки, а при отрицательном - придвигается к центру.
8. Подвести под рейку чистый квадрант для вычерчивания профиля зубьев без подрезания ножек. Для чего необходимо ослабить натяжение проволоки, огибающей диск, освободив рукоятку 14, повернуть диск на 900
без обкатывания и вернуть рукоятку в 14 в исходное положение.
9. Вычертить контур коррегированного колеса при отсутствии подрезания ножки зуба.
10. Установить на рейке положительный сдвиг (смещение) b=8…10 мм (по указанию преподавателя). Подвести под рейку чистый квадрант и вычертить в нем контур зубьев при положительном смещении b.
11. Установить на рейке отрицательный сдвиг (по величине равный положительному) b= - (8…10) мм. Подвести под рейку последний чистый квадрант и вычертить в нем контур зубьев при отрицательном смещении b.
12. Определить геометрические параметры и размеры нулевого колеса, колеса при отсутствии подрезания ножки зуба и зубчатых колес с положительным и отрицательным смещениями b. Полученные данные занести в таблицу 6.
Таблица 6
| №
n/n
|
Параметр и размеры зубьев колеса
|
Нормальное (нулевое) колесо Х=0
|
Исправленное (коррегированное) колесо
|
| Расчетная формула
|
Раз-мер, мм
|
Расчетная формула
|
Размеры зубьев колеса с коэффициентом сдвига
|
| Х0
|
+Х
|
-Х
|
| 1
|
2
|
3
|
4
|
5
|
6
|
7
|
8
|
| 1
|
Число зубьев зубчатого колеса
|

|

|
| 2
|
Шаг зацепления (по делительной окружности)
|

|

|
| 3
|
Диаметр основной окружности
|

|

|
| 4
|
Диаметр окружности головок зубьев
|

|

|
| 5
|
Диаметр окружности ножек зубьев
|

|

|
| 6
|
Толщина зуба по делительной окружности
|

|

|
| Окончание табл.6
|
| 1
|
2
|
3
|
4
|
5
|
6
|
7
|
8
|
| 7
|
Хордальная толщина зуба по делительной окружности
|

|

|
| 8
|
Измеренное значение толщины зуба по хорде делительной окружности
|

|

|
13. На приборе освободить винт 6, снять крышку 7 и вынуть бумажную заготовку с нанесенными профилями зубьев.
14. На бумажной заготовке нанести в каждой четверти делительную и основную окружности, а также окружности головок и ножек зубьев, диаметры которых взять из таблицы 6.
15. В каждой четверти измерить хордальную толщину одного из нанесенных зубьев по делительной окружности. Полученные результаты занести в таблицу 6.
Лабораторная работа №4.
Изучение зубчатых редукторов
Цель работы
– ознакомиться с конструкциями зубчатых редукторов, с порядком их сборки и регулировки, измерить их размеры, определить параметры и размеры зубчатой передачи.
Общие сведения
Зубчатый редуктор – механизм с зубчатыми передачами, выполненный в виде отдельного агрегата (сборочной единицы) и предназначенный для понижения частоты вращения и повышения крутящего (вращающего) момента от входного (быстроходного) к выходному (тихоходному) валу.
Редукторы выполняют одно-, двух- и трехступенчатыми (рис. 15). В них применяют, как правило, косозубы цилиндрические и конические с круговыми зубьями передачи, обладающие большой несущей способностью и плавностью работы по сравнению с прямозубыми.
Для получения выигрыша в массе и габаритах передачи нерационально использовать большие передаточные числа U в одной ступени. Практикой выработаны следующие рекомендации для редукторов: одноступенчатых цилиндрических U=1.8….6.3, но не более 8 (рис. 15,а); одноступенчатых конических U= 1.5….4, но не более 6,3 (рис. 15,б); цилиндрических двухступенчатых U =6.3…..40, но не более 50 (рис. 15,в,г,д); коническо- цилиндрических U =8….28 (рис. 15,е); трехступенчатых цилиндрических и коническо–цилиндрических U=31.5….180. Коническо–цилиндрические редуктора применяют при необходимости обеспечения взаимной перпендикулярности входного и выходного валов.
Общее передаточное число двух- и многоступенчатых редукторов распределяют между ступенями. Масса и габариты редукторов в значительной степени зависят от того, как распределено общее передаточное число между ступенями. Лучшие показатели имеют редукторы, у которых размеры диаметров колес всех ступеней близки между собой. В этом случае также выполняется и условие смазывания погружением колес в общую масляную ванну.
Так как быстроходная ступень нагружена меньше, чем тихоходная, то для получения диаметров колес, размеры которых близки между собой, передаточное число первой (быстроходной) ступени рекомендуют брать больше, чем второй, при одновременном увеличении коэффициента ширины колес от быстроходной к тихоходной ступени.

Рис. 15. Кинематические схемы зубчатых редукторов
Двухступенчатый цилиндрический зубчатый редуктор может быть выполнен по развернутой (рис. 15,в) или сосной (рис. 15,г) схемам. Простая развернутая схема (рис. 15,в) встречается чаще. Однако несимметричное расположение колес на валах приводит к повышенной концентрации нагрузки по длине зуба. Для таких редукторов требуется применять жесткие валы. Редукторы, выполненные по развернутой схеме, применяют, например, в механизмах подъема кранов.
В целях улучшения работы наиболее нагруженной тихоходной ступени используют редукторы с раздвоенной быстроходной ступенью (рис. 15,д). В этом случае деформация валов не вызывает какой-либо существенной концентрации нагрузки по длине зубьев, вследствие симметричного расположения колес относительно опор. Такие редукторы применяются значительно реже, как правило в тяжело нагруженных передачах.
Редукторы, выполненные по соосной схеме (рис. 15,г) отличаются тем, что геометрические оси входного и выходного валов совпадают. Эти редукторы более удобны с точки зрения общей компоновки привода, например в трансмиссиях. Они имеют уменьшенный габарит по длине, зубчатые колеса на входном и выходном валах расположены симметрично, однако расположение опор соосных валов внутри корпуса приводит к увеличению длины промежуточного вала, а следовательно, его прогиба и частой недогрузки быстроходной ступени.
Выбор принципиальной схемы редуктора определяется эксплуатационными требованиями и условиями компоновки.
Конструкция зубчатого редуктора
Конструкция цилиндрического горизонтального одноступенчатого зубчатого редуктора представлена на рис. 15,а.
Корпус редуктора определяет взаимное расположение деталей передач, воспринимает возникающие силы, служит для защиты деталей от загрязнения и обеспечения смазывания. Основные требования к конструкции корпуса – прочность и жесткость.
Корпус редуктора – обычно литой чугунный (реже сварной стальной или литой из легких сплавов). Для увеличения жесткости корпуса в местах расположения подшипников предусматривают бобышки (т.е. массивные приливы) и ребра. Как правило, корпус имеет горизонтальный разъем по плоскости, в которой находятся оси всех валов (рис. 16). Это обеспечивает удобную сборку, если каждый вал заранее собран со всеми находящимися на нем деталями.
Нижняя часть корпуса (основание) 4 соединяется с верхней (крышкой) 8 болтами 7, установленными с зазором. Фиксация правильного взаимного расположения частей корпуса осуществляется двумя штифтами 6, обычно коническими. Шестерня 1 часто изготавливается заодно с быстроходным валом. Зубчатое колесо 17 напрессовывается на тихоходный вал 14. В качестве опор валов в большинстве цилиндрических зубчатых редукторов применяют подшипники качения. В редукторах с прямозубыми колесами используют более дешевые и удобные в монтаже радиальные однорядные подшипники. В редукторах с косозубыми колесами рекомендуется использовать конические роликоподшипники 2,16. Внутренние кольца на вал устанавливаются по переходной посадке, наружные в расточках корпуса монтируются по посадке с зазором.

Рис. 16. Редуктор зубчатый цилиндрический
Регулировка подшипников качения осуществляется набором регулировочных металлических колец 13 и 18, устанавливаемых между торцом наружного кольца одного из подшипников вала и регулировочным кольцом. Должен оставаться зазор, примерно 0,1 мм, для компенсации теплового расширения вала. Для компенсации неточности осевого положения зубчатых колес, находящихся в зацеплении, шестерню делают большей ширины, чем колесо.
В сквозных крышках редуктора для предотвращения попадания механических частиц, пыли, грязи, воды в подшипник и далее во внутреннюю полость редуктора устанавливаются уплотнения. При малых скоростях применяются пропитанные маслом войлочные уплотнения, при больших скоростях (более 2 м/с) рекомендуется использовать манжетные уплотнения 15, более надежные и долговечные.
В плоскости стыка не допускается устанавливать уплотняющие прокладки, так как деформация этих прокладок при затяжке болтов не обеспечивает точности размеров отверстий под подшипник. Болты, стягивающие бобышки для гнезд подшипников, следует располагать через стык корпуса и крышки. Перед окончательной сборкой плоскости разъема покрывают специальной пастой. Чтобы при разборке облегчить отделение склеившихся корпусных деталей, предусматривают отверстия под отжимные винты.
Для осмотра зубьев зацепления и заливки масла при сборке и при его замене в крышке корпуса 8 предусматривается смотровое окно (люк), закрываемое крышкой 10. Для подъема и транспортировки корпусных деталей и собранного редуктора на корпусе предусматривают отверстия под крюк либо вкручиваются грузовые винты (рым – болты) 11.
Шестерни 1, как правило, выполняют заодно с валом, а колеса 17 насаживаются на шпоночный участок вала с натягом. Возможна посадка зубчатых колес на гладкие валы с большим натягом, а также на шлицевые валы. Сборку зубчатых колес и подшипников качения проводят с использованием температурного деформирования либо под прессом.
Смазка редуктора
В редукторах для смазывания, а также для защиты от коррозии, охлаждения, очистки передач применяют циркуляционную систему или смазывание погружением колес в масляную ванну. Циркуляционная система смазывания наиболее совершенна. Масло, охлажденное и профильтрованное, непрерывно подводится к трущимся поверхностям. Обычно этот вид смазывания применяют при окружных скоростях зубчатых колес свыше 12,5 м/с или при большом тепловыделении. При невысоких окружных скоростях зубчатых колес (до 12,5 м/с) чаще применяют смазывание погружением колес в масляную ванну, её достоинства – простота и большая надежность. Масло заливают в корпус редуктора так, чтобы колеса были в него погружены. Для уменьшения потерь на перемешивание и разбрызгивание масла быстроходные колеса желательно погружать в масло на меньшую глубину, чем тихоходные. Обычно рекомендуют погружать быстроходные колеса не более чем на двойную высоту зуба, а тихоходные – не более, чем на одну треть радиуса колеса.
При вращении колес масло увлекается зубьями, разбрызгивается, попадает на внутренние поверхности корпуса, откуда стекает в его нижнюю часть. Внутри корпуса образуется взвесь частиц масла в воздухе, масло покрывает поверхность всех расположенных внутри корпуса деталей, при этом обеспечивается и смазывание подшипников качения.
С течением времени свойства масла ухудшаются, оно загрязняется и его сливают через резьбовое отверстие, закрываемое резьбовой пробкой 3. Дно основания корпуса 4 выполняется с уклоном в сторону резьбовой пробки. Корпус после слива масла промывается и в него заливается свежее масло. Для контроля за уровнем масла в корпусе устанавливается либо жезловый 5, либо круглый маслоуказатель.
Во время работы редуктор нагревается, при этом возможно повышение давления воздуха внутри корпуса, что может привести к просачиванию масла через уплотнения и стыки. Чтобы не происходило выброса масла, внутреннюю полость редуктора делают сообщающейся с внешней средой при помощи отдушин.
Объем масляной ванны для одноступенчатых цилиндрических редукторов определяется из расчета 0,4….0,8 л масла на 1 кВт передаваемой мощности.
Размеры цилиндрического зубчатого редуктора
Цилиндрический зубчатый редуктор характеризуется следующими размерами (рис. 17):
1. Габаритные размеры – размеры между крайними точками редуктора в трех взаимно перпендикулярных плоскостях: длина L, ширина B, высота H.
2. Размеры присоединительных поверхностей, определяющие размеры и взаимное расположение поверхностей присоединения редуктора к другим узлам и деталям: расстояние от осей быстроходного hб
и тихоходного hт
валов до базовой опорной поверхности; диаметры dб
и dт
выступающих концов соответственно быстроходного и тихоходного валов; длины lб
и lт
выступающих концов соответственно быстроходного и тихоходного валов; диаметр d0
и координаты С и С1
между осями отверстий для крепления редуктора к раме или плите; размеры базовых опорных плоскостей Е и К.
3. Основные расчетные размеры: межосевые расстояния быстроходной aw
б
и тихоходной aw
т
ступеней редуктора; ширина зубчатого колеса b2
быстроходной и тихоходной ступени редуктора.
Последовательность выполнения лабораторной работы
1. Подсчитать числа зубьев шестерен Z1б,
Z1т
и зубчатых колес Z2б
,Z2т
быстроходной и тихоходной ступеней редуктора.
2. Определить передаточные числа быстроходной Uб
и тихоходной Uт
ступеней редуктора:
.
3. Определить передаточное число редуктора:
Uред
=Uб
хUт
Рис. 17. Габаритные и присоединительные размеры цилиндрического редуктора
4. Подсчитать количество оборотов nб
быстроходного вала, которые он совершит за время одного полного оборота nт
=1 об/мин тихоходного вала.
5. Определить передаточное отношение редуктора

Примечание.
Полученное передаточное отношение редуктора iред
должно быть близким к рассчитанному передаточному числу Uред.
6. Измерить с помощью штангенциркуля межосевое расстояния быстроходной aw
б
и тихоходной aw
т
ступеней редуктора.
Примечание.
Для редуктора, выполненного по сосной схеме, межосевые расстояния быстроходной и тихоходной ступеней редуктора должны быть одинаковыми aw
б
= aw
т.
7. Принять предварительное значение угла наклона зубьев передач :
8. Определить расчетные значения нормальных модулей передач каждой ступени редуктора
, 
9. Полученные значения нормальных модулей передач быстроходной ступени и тихоходной ступени округлить до ближайших стандартных значений mn
б
и mn
т
(табл. 1).
10. Определить углы наклона зубьев колес для каждой ступени редуктора, с учетом принятых значений модулей mn
б
и mn
т

Примечание.
Углы наклона зубьев передач редуктора должны находиться в пределах =8…200
. Если полученные значения углов наклона зубьев колес передачи не входят в рекомендованные пределы, необходимо более точно замерить межосевое расстояние передач и уточнить число зубьев колес передач редуктора.
Лабораторная работа №5
Изучение червячных редукторов
Цель работы
– ознакомиться с конструкциями червячных редукторов, с порядком их сборки и регулировки, измерить их размеры, определить параметры и размеры червячного зацепления.
Общие сведения
Червячная передача – передача зацепления со скрещивающимися осями валов. Передача движения происходит от червяка (однозаходного или многозаходного винта) к зубчатому колесу специальной формы (ведущим при определенных условиях может быть и червячное колесо) и осуществляется по принципу винтовой пары. Наибольшее распространение получили одноступенчатые червячные редукторы с диапазоном передаточных чисел U=8…63.
При больших передаточных числах применяют двухступенчатые червячные редукторы или комбинированные редукторы, состоящие из червячной и зубчатой передач. Серийно выпускаются только одноступенчатые червячные редукторы, с различными вариантами расположения червяка и червячного колеса. В машинах легкой и текстильной промышленности червячные передачи применяются в виде отдельных механизмов, для получения малых скоростей движения или точных перемещений.
Кинематические схемы одноступенчатых червячных редукторов представлены на рисунке 18. Они выполняются со следующими вариантами расположения червяка 1 и червячного колеса 2: червяк над колесом (верхнее расположение червяка) рисунок 18,а; червяк под колесом (нижнее расположение червяка) рисунок 18,б; червяк расположен сбоку от колеса рисунок 18,в,г.

Рисунок 18. Кинематические схемы червячных редукторов
Конструкции деталей червячной передачи
Червячная передача представляет собой передачу, у которой ведущее колесо (червяк) выполнено с малым числом зубьев (z1
=1…4), а ведомое червячное колесо имеет большое число зубьев ( ). Угол скрещивания осей обычно составляет 900
. Цилиндрические червяки стандартных редукторов имеют в осевом сечении трапецеидальный профиль, а в торцовом сечении витки червяка могут быть архимедовы (обозначение ZA), конволютные (ZN), и эвольвентные (ZJ). В мелкосерийном производстве, а также в передачах с небольшой мощностью в основном используются архимедовы червяки, имеющие прямолинейный профиль в осевом сечении. Их изготавливают из термически улучшенных сталей (45,50,35ХМ). В крупносерийном производстве (серийно выпускаемые редуктора), а также в передачах с большой мощностью используются эвольвентные червяки, имеющие прямолинейный профиль витка в сечении плоскостью, параллельной осевой, но смещенной на величину радиуса основного цилиндра червяка. Их изготавливают из сталей (40ХН, 45Х, 45 ХЦ, 35 ХМ, 20Х), которые закаливаются до твердости 45….50 HRC с последующим шлифованием.
Червячные колеса имеют зубья дуговой формы, охватывающие часть червяка. Их выполняют из антифрикционных материалов, вследствие того, что в передаче наблюдается высокая скорость скольжения и она склонна к заеданию и износу. При малых скоростях скольжения червячные колеса делаются цельными из чугуна. При средних скоростях скольжения колеса изготавливаются из латуни или бронзы, при высоких – из оловянистой бронзы. Для экономии дорогостоящих цветных металлов червячные колеса изготавливают составными: бронзовый венец напрессовывается на стальную ступицу.
Конструкция редуктора
При окружных скоростях червяка до 5 м/с, можно применять любую схему редуктора, приведенную на (рис 18а). При больших скоростях используется только схема редуктора с верхним расположением червяка рисунок 18,а.
Корпус червячного редуктора обычно выполняется из чугунного литья либо для снижения веса из алюминиевого. В единичном производстве корпуса делаются сварными. Конструкция корпуса должна обеспечивать легкую постановку в него узлов червяк 1 и червячного колеса 2, а также возможность регулировки зацепления (рис. 19). Для удобства сборки и разборки корпус редуктора делают разъемным по горизонтальной плоскости, проходящей через ось вала колеса, т.е. корпус состоит из основания 3 и крышки 4 корпуса. В одноступенчатых редукторах с межосевым расстоянием передачи aw
<240 мм,
корпус допускается делать неразъемным. В таких корпусах для возможности сборки узла червячного колеса, на его боковых стенках делаются отверстия диаметром несколько большим, наибольшего диаметра dам2
червячного колеса.
Вал – червяк 5 (рис. 19) и вал червячного колеса 6 устанавливаются на радиально-упорных подшипниках качения 7,8, по одному в каждой опоре. Для увеличения жесткости корпуса и создания лучших условий для крепления привертных крышек 9,10,11 и 12 в местах расположения подшипников предусмотрены крепежные фланцы и ребра жесткости. Для крепления редуктора к плите или раме применяются болты или винты, устанавливаемые в отверстиях 13 фундаментального фланца 14. Для заливки масла и осмотра передачи в верхней части крышки корпуса 4 делается окно, закрываемое крышкой 15, в которую вкручивается ручка отдушника 16, предназначенная для суфлирования полости редуктора с атмосферой (выравнивая давления внутри редуктора с атмосферным). Для слива масла в нижней части основания корпуса 3 предусмотрено резьбовое отверстие, закрываемое пробкой 17.
Контроль за уровнем масла проводится с помощью жезлового маслоуказателя 18, вставляемого в основание корпуса 3. Вместо жезлового маслоуказателя может использоваться круглый, крепящийся к корпусу винтами. Для герметизации корпуса редуктора, а также для защиты подшипников и зацепления от пыли и грязи в подшипниковых крышках 9 и 12 с отверстиями для выхода концов валов червяка и червячного колеса, устанавливаются уплотнения. Для увеличения теплоотдачи и понижения температуры масла, на боковых стенках корпуса (в районе расположения червяка) выполняются ребра. Крышка 4 и основание 3 корпуса редуктора соединяются крепежными болтами 19 и двумя штифтами 1, фиксирующими их правильное относительное положение.
Смазка редуктора
Назначение и системы смазки червячных редукторов такие же как и для цилиндрических, т.е. картерная или циркуляционная. Система смазки выбирается в зависимости от скорости червяка. При нижнем расположении червяка масло должно покрывать всю высоту витка. При верхнем расположении червяка, уровень масла должен быть не менее 2m, но не более 1/3 радиуса червячного колеса. Для смазывания зацепления, при нижнем расположении червяка, на нем устанавливаются разбрызгиватели. Масло заливается в этом случае до центра нижнего тела качения подшипника. Подшипники качения смазываются путем разбрызгивания масла. Подшипники можно смазывать консистентной смазкой, но в этом случае в конструкции предусматриваются защитные шайбы от попадания масла из картера редуктора.
Размеры червячного редуктора
Червячный одноступенчатый редуктор характеризуется следующими размерами (рис. 2):
- Габаритные размеры: длина L, ширина B, высота H.
- Размеры присоединительных поверхностей: расстояние от осей быстроходного hб
и тихоходного hт
валов до базовой опорной поверхности; длины Lб
и Lт
выступающих концов соответственно быстроходного и тихоходного валов; диаметр d0
и координаты C1
и C2
между осями отверстий для крепления редуктора к раме или плите; размеры базовых опорных плоскостей .
- Основные расчетные размеры: ширина червячного колеса b2
; длина нарезанной части червяка b1
; наружный диаметр червячного колеса dам2
.

Рис. 19 а. Червячный редуктор
А-А

Рис. 19 б. Червячный редуктор
Определение параметров и размеров червячного зацепления (передач)
1. Подсчитать число заходов червяка Z1
(количество нарезок, начинающихся с торца червяка) и число зубьев червячного колеса Z2
.
2. Определить передаточное число передачи

3. Подсчитать число оборотов червяка n1
, которые он совершит за время одного полного оборота nz
=1 об/мин червячного колеса.
4. Определить передаточное отношения передачи

Примечание.
Передаточное отношение передачи i должно быть близким к рассчитанному передаточному числу U.
5. Измерить штангенциркулем осевой шаг червяка Р (расстояние между одноименными точками двух соседних зубьев на профиле червяка) (рис. 2) мм.
6. Определить осевой модуль передачи, мм 
7. Полученное значение осевого модуля передачи m/
округлить до ближайшего стандартного значения m (табл. 7).
Таблица 7
| Осевой модуль передачи m, мм
|
1-й ряд
|
2,0
|
2,5
|
3,15
|
4,0
|
5,0
|
6,3
|
8,0
|
10
|
12,5
|
16
|
| 2-й ряд
|
3,0
|
3,5
|
6,0
|
7,5
|
12
|
| Коэффициент диаметра червяка q
|
1-й ряд
|
8,0
|
10
|
12,5
|
16
|
20
|
25
|
| 2-й ряд
|
7,1
|
9,0
|
11,2
|
14
|
18
|
22,4
|
| Примечание
. При выборе значений 1-й ряд следует предпочитать 2-му
|
8. Измерить штангенциркулем значение диаметра выступов червяка d/
a1.
9. Определить расчетное значение коэффициента диаметра червяка:

10. Полученное значение коэффициента диаметра червяка q/
округлить до
ближайшего стандартного значения q (табл. 7).
11. Рассчитать геометрические размеры червяка и червячного колеса и полученные размеры занести в таблицу 8.
Таблица 8
| №
|
Геометрические размеры
|
Червяк
|
Червячное колесо
|
| 1
|
Диаметр делительной окружности
|
d1
=m*q
|
d2
=m*Z2
|
| 2
|
Диаметр окружности выступов
|
da1
=d1
+2m
|
da2
=d2
+2m
|
| 3
|
Диаметр окружности впадин
|
df1
=d1
-2.4m
|
df2
=d2
-2.4m
|
| 4
|
Наружный диаметр червячного колеса
|
-
|
dам2
=da2+
(проверить замером)
|
| 5
|
Длина нарезанной части червяка
|
b1
– по замеру
|
| 6
|
Ширина червячного колеса
|
-
|
b2
- по замеру
|
| 7
|
Межосевое расстояние передачи
|

|
Сборка и регулировка редуктора
Рациональная конструкция редуктора позволяет осуществлять узловую сборку. Перед общей сборкой собираются валы с насаживаемыми на них деталями. На вал–червяк надеваются предварительно нагретые в масле подшипники. Собранный вал 5 устанавливается в крышке корпуса 4, сначала без наружных колец подшипника. На тихоходный вал напрессовывается червячное колесо до упора в буртик вала, за ним надеваются распорная втулка и надевается предварительно нагретые в масле подшипники. Собранный вал устанавливается на основание корпуса 3. Далее надевается крыша корпуса 4 на основание корпуса 3 и ставятся штифты. Витки червяка 1 вводятся в зацепление с зубьями червячного колеса2, после чего устанавливаются наружные кольца подшипников вала-червяка.
Подшипниковые крышки с надетыми на них регулировочными прокладками устанавливаются в корпус и крепятся винтами. Сливное отверстие закрывается пробкой и устанавливается маслоуказатель.
После сборки осуществляется сначала регулирование подшипников, а затем – червячного зацепления. Регулирование заключается в установлении такого осевого зазора между торцем наружного кольца подшипника и торцем подшипниковой крышки, который при установившемся температурном режиме ( в работающим редукторе, при рабочей нагрузке и температуре) был бы близок к нулю, но обеспечивал легкое вращение вала. Для радиально–упорных подшипников зазор должен составлять 0,07…0,1 мм, в зависимости от их типов и размеров. Зазор обеспечивается путем изменением толщины регулировочных прокладок.

Рис. 20. Положение пятна контакта в червячном зацеплении: а –симметричное; б - смещенное
К регулированию зацепления можно приступить только после того как закончено регулирование подшипников. На рабочую поверхность витков червяка наносят тонкий слой краски, после чего проворачивают вал–червяк, притормаживая вал червячного колеса. О взаимодействии витка червяка и зубьев червячного колеса свидетельствует пятно контакта – отпечаток краски на рабочих поверхностях зубьев колеса. Положение пятна контакта в пределах границ зуба червячного колеса позволяет судить о том, как собрано зацепление.
В правильной собранной передаче пятно контакта расположено симметрично относительно средней плоскости венца колеса (рис. 20). Если пятно контакта расположено справа или слева от средней плоскости зубчатого венца колеса (рис. 20,б), то вал 6 с червячным колесом 2 (рис. 19) необходимо переместить в осевом направлении соответственно вправо или влево. Перемещение вала с червячным колесом осуществляется путем переноса части регулировочных прокладок расположенных между фланцами подшипниковых крышек и корпусом редуктора. После этого затягиваются винты подшипниковых крышек и вновь проверяется положение пятна контакта.
В случае необходимости регулирование осуществляется вновь. Суммарная толщина набора прокладок при перестановке должна оставаться неизменной во избежание нарушения в осевом направлении, так как осевое положение цилиндрического червяка не влияет на точность червячного зацепления.
ОТЧЕТ
По лабораторной работе №5
1. Цель работы.
2. Кинематическая схема редуктора.
3. Эскиз редуктора с габаритными, присоединительными и основными размерами.
4. Определение модуля и коэффициента диаметра червяка.
5. Определение геометрических размеров червяка и червячного колеса (табл. 8).
6. Последовательность сборки редуктора
Литература
1. Иванов, М. Н. Детали машин : учебник для студентов втузов / М. Н. Иванов ; под ред. В. А. Финогенова - 6-е изд., перераб. и доп. - Москва: Высш. шк., 1998. - 383 с.
2. Дунаев, П. Ф. Конструирование узлов и деталей машин : учеб. пособие для техн. спец. вузов / П. Ф. Дунаев, О. П. Леликов. - 6-е изд., испр. –Москва : Высш. шк., 2000. - 447с.
3. Курмаз, Л. В. Детали машин. Проектирование : учеб. пособие / Л. В. Курмаз, А. Т. Скойбеда. - Минск : УП "Технопринт", 2001. - 290 с.
|