| Федеральное агентство по образованию
Государственное образовательное учреждение
высшего профессионального образования
«Алтайский государственный технический университет
им. И.И. Ползунова»
Бийский технологический институт (филиал)
М.С. Дунин, Н.М. Климонова, Е.К. Булыгина
ПОДЪЕМНО-ТРАНСПОРТНЫЕ УСТРОЙСТВА
Методические рекомендации к расчетному заданию
курсового проекта по курсу «Подъемно-транспортные устройства»
для студентов специальности 170600 «Машины и аппараты пищевых
производств» дневной и заочной форм обучения
Бийск
2006
УДК 621.86
Дунин, М.С. Подъемно-транспортные устройства: методические рекомендации к расчетному заданию курсового проекта по курсу «Подъемно-транспортные устройства» для студентов специальности 170600 «Машины и аппараты пищевых производств» дневной и заочной форм обучения / М.С. Дунин, Н.М. Климонова, Е.К. Булыгина.
Алт. гос. техн. ун-т, БТИ. – Бийск.
Изд-во Алт. гос. техн. ун-та, 2006. – 38 с.
В настоящих методических рекомендациях представлены задания на курсовой проект по курсу «Подъемно-транспортные устройства», а также последовательность расчета для каждого задания с изложением основных расчетных формул.
Рассмотрены и одобрены на
заседании кафедры
технической механики.
Протокол № 108 от 25.05.2004 г.
Рецензент: к.т.н. Чащилов Д.В. (БТИ АлтГТУ)
ã БТИ АлтГТУ, 2006
1 ОБЩАЯ ЧАСТЬ
По курсу «Подъёмно-транспортные машины» студенты должны выполнить курсовую работу. Она заключается в определении основных конструктивных параметров заданной машины и подробном прочностном расчете одного из ее узлов. На основании полученных данных производится конструктивная разработка указанного узла. Объем графической части 1-2 листа формата А1 (в зависимости от выбранного масштаба и чертежной техники студента).
Курсовая работа является заключительным этапом изучения курса «Подъемно-транс-портные машины».
В процессе ее выполнения студент должен получить навыки в применении теоретических знаний для решения конкретных практических задач, научиться работать со справочной литературой и стандартами. Проверить и закрепить свои знания не только по курсу «Подъемно-транспортные машины», но и по предшествующим дисциплинам: деталям машин, сопротивлению материалов, технологии металлов, машиностроительному черчению и т.д.
Забиваем Сайты В ТОП КУВАЛДОЙ - Уникальные возможности от SeoHammer
Каждая ссылка анализируется по трем пакетам оценки: SEO, Трафик и SMM.
SeoHammer делает продвижение сайта прозрачным и простым занятием.
Ссылки, вечные ссылки, статьи, упоминания, пресс-релизы - используйте по максимуму потенциал SeoHammer для продвижения вашего сайта.
Что умеет делать SeoHammer
— Продвижение в один клик, интеллектуальный подбор запросов, покупка самых лучших ссылок с высокой степенью качества у лучших бирж ссылок.
— Регулярная проверка качества ссылок по более чем 100 показателям и ежедневный пересчет показателей качества проекта.
— Все известные форматы ссылок: арендные ссылки, вечные ссылки, публикации (упоминания, мнения, отзывы, статьи, пресс-релизы).
— SeoHammer покажет, где рост или падение, а также запросы, на которые нужно обратить внимание.
SeoHammer еще предоставляет технологию Буст, она ускоряет продвижение в десятки раз,
а первые результаты появляются уже в течение первых 7 дней.
Зарегистрироваться и Начать продвижение
После выбора номера задания студенту следует внимательно с ним ознакомиться и разобраться, какие узлы машины подлежат расчету и конструированию.
При этом рекомендуется ознакомиться с существующими конструкциями аналогичных узлов и машин, путем критической оценки выбрать наилучшее решение для заданного варианта, используя достижения техники и личный запас знаний, полученных в результате обучения в вузе.
Приступая к расчету и проектированию механизма, следует помнить, что к его конструкции предъявляются следующие требования: все детали и узлы должны обладать достаточной прочностью и надежностью в работе, быть технологичными, экономичными и при изготовлении, и в эксплуатации.
Поэтому выбор конструкции узлов, выбор расчетных параметров, материала деталей должен сопровождаться убедительным обоснованием.
Поскольку на долговечность деталей механизма оказывает влияние правильный выбор смазки, этот вопрос также должен быть освещен в расчетно-пояснительной записке.
Графическая часть курсовой работы выполняется карандашом в объеме одного-двух листов формата А1 в зависимости от размера узла и выбранного масштаба.
Заданный узел должен изображаться на чертеже не менее чем в двух проекциях, с раз-резами вдоль осей и валов и по всем конструктивным соединениям. Для громоздких конструкций (грузовые тележечные натяжные станции) допускается выполнение проекций в малом масштабе, но разрезы должны вычерчиваться крупным планом.
Чертеж должен сопровождаться спецификацией по установленной форме для сборочных чертежей.
На чертеже должны указываться размеры габаритные, соединительные и установочные.
2 СОДЕРЖАНИЕ И ОФОРМЛЕНИЕ
РАСЧЕТНО-ПОЯСНИТЕЛЬНОЙ ЗАПИСКИ
Содержание расчетно-пояснительной записки определяется заданием на курсовую работу, поэтому ниже приводится примерная последовательность общих расчетов для каждого из основных типов заданий.
На первой странице записки: задание, схема рассчитываемой конструкции и исходные данные для расчета.
Правила оформления записки и записи расчетных формул согласно литературе [14].
3 ОСНОВЫ РАСЧЕТА КОНВЕЙЕРОВ
Рабочими органами механических транспортирующих машин являются чаще всего ленты (прорезиненные или стальные), цепи, винты и др. В связи с этим конвейеры имеют соответствующие названия: ленточные, цепные, шнековые и т.д. Если груз перемещается с помощью цепи, на которую укреплены скребки, конвейер называется скребковым.
Сервис онлайн-записи на собственном Telegram-боте
Попробуйте сервис онлайн-записи VisitTime на основе вашего собственного Telegram-бота:
— Разгрузит мастера, специалиста или компанию;
— Позволит гибко управлять расписанием и загрузкой;
— Разошлет оповещения о новых услугах или акциях;
— Позволит принять оплату на карту/кошелек/счет;
— Позволит записываться на групповые и персональные посещения;
— Поможет получить от клиента отзывы о визите к вам;
— Включает в себя сервис чаевых.
Для новых пользователей первый месяц бесплатно.
Зарегистрироваться в сервисе
Исходные данные для расчета конвейеров: расчетная производительность Qр
, характеристики транспортируемого груза, схема трасс, режим работы.
3.1
Производительность
Основными понятиями, определяющими производительность Qр
,
являются среднее количество груза, находящегося на единице длины грузонесущего органа, и его скорости.
3.1.1 При перемещении груза непрерывным потоком, равномерно расположенным по длине конвейера, с массой груза q
(кг/м), со скоростью v
(м/с) расчетная часовая массовая производительность Qрм
(т/ч):
| Qрм
= ,
|
(3.1)
|
| где .
|
(3.2)
|
Если известна площадь сечения груза А
(м2
) и насыпная плотность (т/
м3
), то объёмная производительность Qpo
(м3
/ч) равна
| Qpo
= .
|
(3.3)
|
Соотношения между массовой производительностью по формуле (3.1) и объёмной по выражению (3.3)
| = .
|
(3.4)
|
3.1.2 При перемещении груза отдельными порциями, расположенными с шагом tгр
, при вместимости ковша io
(м3
), коэффициенте заполнения его грузом масса груза на единице длины конвейера равна :
| ,
|
(3.5)
|
поэтому расчетная массовая производительность, т/ч:
| .
|
(3.6)
|
Расчетная объёмная производительность , м3
/ч:
| .
|
(3.7)
|
Соотношение между ними . (3.8)
3.1.3 При перемещении штучных грузов массой mгр,
расположенных с шагом tг ,
масса груза на единице длины конвейера равна
| 
|
(3.9)
|
и массовая производительность
| , (т/ч).
|
(3.10)
|
При интервале времени между единичными грузами
штучная производительность , шт/ч равна
| = .
|
(3.12)
|
3.2
Тяговой расчет
Этот расчет выполняют для определения натяжений тягового органа на всей длине трассы конвейера. Для этого трассу разбивают на участки, характерные по виду сопротивлений: прямолинейные, криволинейные, огибания барабанов (звездочек) места загрузки и разгрузки, очистительные устройства. При расчете находят сопротивления на граничных точках указанных участков. В результате тягового расчета строят диаграмму натяжений на всех участках и определяют тяговое усилие на приводном барабане (звездочке) и усилие натяжного устройства.
3.2.1 Сопротивление передвижению грузонесущего органа
Определяется на характерных участках трассы с учетом нагрузки на 1м длины (линейная сила тяжести) в зависимости от массы груза q
и массы грузонесущего органа qо
.
На наклонном прямолинейном груженом участке длиной L
и высотой h
основными сопротивлениями являются составляющие от массы груза и грузонесущего органа:
|  ;
|
(3.13)
|
сопротивление от трения в опорах элементов грузонесущего органа
| ,
|
(3.14)
|
где гр
–
сопротивление от трения, Н;
–
угол наклона участка грузонесущего органа к горизонту, (о
);
q0
– масса единицы длины грузонесущего органа, кг;
g
= 9, 81 – ускорение свободного падения, м/с2
;
h
– высота подъёма груза, м;
LГ
– проекция пути перемещения на горизонталь, м;
о
= 0,1…4,2 обобщенный коэффициент сопротивления, зависящий от типа конвейера и его параметров, определяется экспериментально: меньшие значения относятся к конвейерам, несущим груз (ленточные, пластинчатые и т.п.), большие –
к конвейерам, волочащим груз (скребковые, винтовые и т.п.).
3.2.2 Мощность привода
При транспортировании груза мощность привода расходуется на преодоление основных сопротивлений, определяемых по формулам (3.13), (3.14), и дополнительных. В предварительных расчетах учитываются основные сопротивления от массы транспортируемого груза
| .
|
(3.15)
|
При этом мощность на рабочем органе барабане, звездочке Р
, кВт
где знак «плюс» –
при подъёме груза, а знак «минус» –
при опускании груза.
Двигатель выбирается по установочной мощности Руст
, кВт
| ,
|
(3.17)
|
где Кз
= 1,1…1,3 – коэффициент запаса, учитывающий возможные перегрузки конвейера,
= 0,9 – общий КПД привода.
Если известно тяговое условие Fо
,
на рабочем органе, то установочная мощность двигателя Руст
, кВт
| Pуст
= .
|
(3.18)
|
4 ОСНОВЫ РАСЧЕТА И ПРОЕКТИРОВАНИЯ ЛЕНТОЧНЫХ КОНВЕЙЕРОВ
В заданиях на курсовую работу определены исходные данные для расчета конвейера: производительность Q
, скорость ленты v,
профиль трассы.
Необходимо с учетом задания рассчитать остальные параметры конвейера.
4.1 Выбор ленты и определение её ширины
Тип ленты принимают в зависимости от вида транспортируемого груза и условий работы конвейера.
Ширина ленты B,
м определяется
| 
|
(4.1)
|
где Qрм
–
расчетная массовая производительность, т/ч;
v
– скорость ленты;
–
насыпная (объёмная) плотность груза, т/м3
;
–
коэффициент, учитывающий угол наклона конвейера , причём
= 1,01 при = 0о
…10о
;
= 0,95 при = 10о
…15о
;
= 0,9 при = 15о
…18о
;
= 0,85 при = 20о
…22о
.
Ширина ленты с учетом кусковатости груза, мм
| ,
|
(4.2)
|
где k
= 2…3,3 – коэффициент, учитывающий размер кусков;
a
– максимальный линейный размер кусков груза, мм (таблица 1).
Таблица 1 – Характеристика грузов
| Форма груза
|
a
|
Материалы
|
| Особо крупные
|
a
>320
|
Камни, уголь
|
| Мелко кусковые
|
60 a
|
Соль, щебень
|
| Крупнозернистые
|
10 a
|
Мелкий гравий
|
| Мелкозернистые
|
2 a
0,
5
|
Песок крупный
|
| Порошкообразные
|
0,5 a
0,
05
|
Песок мелкий
|
Полученная ширина ленты округляется до стандартной величины по таблице 2.
Таблица 2 – Стандартные значения ширины ленты
| Ширина ленты, мм
|
400
|
500
|
650
|
800
|
1000
|
1200
|
1400
|
1600
|
1800
|
2000
|
4.2 Выбор роликоопор
Диаметры роликов Dр
выбирают в зависимости от ширины ленты В
, насыпной плотности груза и скорости движения ленты v
из рекомендуемых значений по таблице 3.
Таблица 3 – Значения диаметров роликов Dр
,
мм
| Ширина
ленты
В
, мм
|
Насыпная плотность груза ,т/м3
|
| До 1,6
|
2,0
|
3,5
|
| Максимальная скорость ленты v
, м/с
|
| До 1,6
|
2,0
|
2,5
|
2,5
|
3,2
|
| 400-650
|
< 89
|
| 800
|
< 63…89
|
| 1000
|
102
|
127
|
| 1200
|
108
|
133
|
152
|
| 1400-2000
|
159
|
Расстояние между роликами lр
выбирается из рекомендованных значений по таблице 4.
Таблица 4 – Значения расстояний между роликами lр
, мм
| Насыпная плотность
груза , т/м3
|
Ширина ленты В
, мм
|
| 400-500
|
650-800
|
1000-1200
|
1400-1600
|
2000
|
| До 1,0
|
1500
|
1400
|
1300
|
1200
|
1100
|
| Св. 1,0 до 2,0
|
1400
|
1300
|
1200
|
1100
|
1000
|
| Св.2,0 до 3,5
|
1300
|
1200
|
1100
|
1000
|
900
|
4.3 Предварительное определение мощности и натяжений ленты на приводном
барабане
4.3.1 Мощность определяется по формуле
|
,
|
(4.3)
|
где Qрм
,
L,
h
определяются условиями задания и компоновочными решениями:
Qрм
–
производительность, т/ч;
L –
длина транспортера, м;
h –
высота наклонного участка, м;
0
–
обобщенный коэффициент сопротивления, выбирается по таблице 5.
Таблица 5 – Обобщенный коэффициент сопротивления 0
| Длина L
, м
|
Производительность Qрм
, т/ч
|
| 10
|
20
|
30
|
100
|
200
|
400
|
| 10
|
2
|
1,4
|
0,92
|
0,67
|
0,50
|
0,37
|
| 50
|
0,51
|
0,39
|
0,28
|
0,21
|
0,17
|
0,14
|
| 125
|
0,29
|
0,23
|
0,18
|
0,14
|
0,12
|
0,10
|
| 250
|
0,12
|
0,11
|
0,09
|
0,07
|
0,06
|
0,04
|
4.3.2 Обязательным условием работоспособности привода является создание в ленте предварительного натяжения для прижатия её к барабану. Зависимость между натяжениями набегающей на барабан ленты SНБ
(Н) и сбегающей с барабана S СБ
(H) определяется формулой Эйлера
| ,
|
(4.4)
|
где е
= 2,72 – основание натурального логарифма;
f
= 0,3 – коэффициент трения между лентой и барабаном;
–
угол обхвата барабана лентой, рад.
4.3.3 Наибольшее тяговое усилие, которое может быть передано барабаном (Н):
| .
|
(4.5)
|
4.3.4 Для исключения пробуксовывания ленты во всех возможных режимах работы конвейера натяжение набегающей ветви ленты должно быть
| .
|
(4.6)
|
| ,
|
(4.7)
|
где Р
в кВт, v
в м/с , Кз
=
1,3…1,4 коэффициент запаса.
4.4 Предварительное определение числа прокладок ленты и её характеристик
| ,
|
(4.8)
|
где Smax
=
SНБ
–
максимальное натяжение набегающей ветви;
–
коэффициент запаса прочности;
= 10 для наклонных конвейеров, = 8 – для горизонтальных;
= 65-200 Н/мм – удельная прочность ленты.
Толщина ленты считается по формуле
|  ,
|
(4.9)
|
где = 1,2 … 2 мм – толщина тканевых прокладок;
= 3 … 6 мм – толщина рабочей обкладки;
= 1 … 3 мм – толщина нерабочей обкладки.
Линейная масса ленты qл
, кг/м
| .
|
(4.10)
|
4.5 Определение размеров барабанов
4.5.1 Диаметры барабанов определяются с учетом принятого числа прокладок и они должны соответствовать нормальному ряду диаметров
| ,
|
(4.11)
|
где К1
– коэффициент, учитывающий прочность тканевых прокладок ленты в зависимости от прочности ;
=
50,
100,
150, 200 соответственно К1
=
1,25; 1,4; 1,6; 1,8;
К2
– коэффициент, учитывающий усилие в ленте и угол обхвата барабана (таблица 6).
Таблица 6 – Значения коэффициента К2
| Угол обхвата барабана лентой ,о
|
Усилие ленты Sл
в месте установки барабана, % от Smax
|
Угол обхвата
барабана лентой, ,0
|
Усилие ленты Sл
в месте установки барабана, % от Smax
|
| 100
|
75
|
50
|
25
|
100
|
75
|
50
|
25
|
| 180-240
|
100
|
80
|
63
|
50
|
15-30
|
63
|
50
|
40
|
32
|
| 90-110
|
-
|
63
|
50
|
40
|
менее 15
|
50
|
40
|
32
|
25
|
4.5.2 Среднее давление ленты на барабане проверяется по формуле
| ,
|
(4.12)
|
где = 0,2 … 0,3 МПа для резинотканевых прокладок;
= 0,35…0,55 МПа для резинотросовых прокладок.
4.5.3 Диаметр натяжного барабана, мм
Dбн
0,8 Dб
(4.13)
и округляется до ближайшего размера из нормального ряда.
4.5.4 Длина барабана, м
Lб
=В
+150. (4.14)
4.5.5 Стрела выпуклости, м
. (4.15)
4.6 Тяговой расчет конвейера
Этот расчет выполняют для определения натяжений ленты на всех участках трассы конвейера, проверки принятых натяжений SНБ
и SC
Б
и определения места установки натяжного устройства. Для тягового расчета необходимо определить сопротивления движению ленты на отдельных участках конвейера. С этой целью принятую трассу разбивают на участки – прямолинейные, горизонтальные и наклонные, криволинейные и т.д.
Точки сопряжения соседних участков нумеруют последовательно в направлении движения ленты, начиная с точки сбегания ленты с приводного барабана. Натяжение в начальной точке принимают равным напряжению SC
Б
, увеличенному на 20 %.
4.7 По результатам расчетов следует вычертить эпюру натяжений по контуру транспортера.
4.8 Уточняется расчетное натяжение ленты с учетом угла обхвата, коэффициента трения ленты о поверхности барабана и сравнивается с допускаемым для выбранного типа ленты.
В случае превышения усилия натяжения над допустимым, выбирается более прочная лента. Вычерчивается кинематическая схема привода.
4.9 Определяется число оборотов барабана
nб
, об/мин
| .
|
(4.16)
|
4.10 Общее передаточное число привода
| ,
|
(4.17)
|
где –
число оборотов электродвигателя.
4.11 Крутящий момент на тихоходном валу привода (барабана) Т,
, (4.18)
где =1,1 – коэффициент запаса;
F0
–
предварительное натяжение ленты, Н;
Dб
–
диаметр натяжного барабана, м.
5 ОСНОВЫ РАСЧЕТА И ПРОЕКТИРОВАНИЯ
ПЛАСТИНЧАТЫХ ТРАНСПОРТЕРОВ
Исходные данные для расчета конвейеров: расчетная производительность , скорость перемещения v
, характеристики транспортируемого груза, схема трассы.
5.1 Необходимая ширина настила
B
, мм
| ,
|
(5.1)
|
где –
плотность груза, т/м3
.
Полученную ширину округляют до ближайших стандартных значений по ГОСТ 22281-76.
5.2 Выбор тягового органа – пластинчатая втулочная катковая цепь типа ВКГ проводится по ширине настила (таблица 7)
Таблица 7 – Параметры пластинчатого транспортера
| Ширина
настила, мм
|
400
|
500
|
650
|
800
|
1000
|
1200
|
1400
|
1600
|
| Шаг цепи, мм
|
250
|
320
|
400
|
400
|
500
|
500
|
630
|
630
|
| Разрушающая нагрузка, тс
|
30
|
50-70
|
100
|
| Диаметр
валика, мм
|
20
|
24
|
30
|
44
|
5.3 Масса груза на единицу длины конвейера
q
, Н/м
| .
|
(5.2)
|
5.4 Масса ходовой части конвейера на единицу длины
qк
, Н/м
| ,
|
(5.3)
|
где А
принимается в зависимости от типа настила и его ширины (В, м) (таблица 8).
Таблица 8 – Значение А
, в зависимости от ширины настила и его типа
| Тип настила
|
Ширина настила, м
|
| 0,4; 0,5
|
0,65; 0,8
|
1,0 и более
|
| Легкий
|
350
|
450
|
600
|
| Средний
|
500
|
600
|
900
|
| Тяжелый
|
700
|
1000
|
1300
|
Легкий настил применяется для перемещения грузов с насыпной массой < 1 т/м3
, средний –
от 1 до 2 т/м3
, тяжелый –

2 т/м3
.
5.5 Вычерчивается схема транспортера и выполняется разделение его на участки с одинаковым характером сопротивления
5.6 Тяговый расчет конвейера
5.6.1 Сопротивление перемещению груза (тяговая сила конвейера) W0
, Н
| ,
|
(5.4)
|
где = 1 … 3 наименьшее допустимое натяжение цепи, кН;
= 0,09 коэффициент сопротивления движения, при диаметре валика цепи более 20 мм;
L
– длина конвейера, м.
В формуле (5.4) знак «плюс» применяется для участков подъёма, знак «минус» – для участков спуска.
5.6.2 Динамическая нагрузка на цепи Sдин
,
Н
| ,
|
(5.5)
|
где v
– скорость полотна, м/с;
z
– число зубьев звездочек, выбирается из ряда 5,6,7,8;
t
– шаг цепи, м;
g – ускорение свободного падения, м/с2
;
k1
–
коэффициент: при L
< 25 м, k1
=2,
L
< 25 …60 м, k1
=1,5,
L
< 60 м, k1
=1,0.
5.6.3 Сопротивление на участке холостой ветви конвейера Wx
, Н
| .
|
(5.6)
|
5.6.4 Сопротивление нагруженной ветви WГР
, Н
| .
|
(5.7)
|
5.6.5 Натяжение цепей в точке набегания цепи на натяжные звездочки, Н
| ,
|
(5.8)
|
где = выбирается от 1 до 3 кН.
5.6.6 Сопротивление на натяжных звездочках, Н
| ,
|
(5.9)
|
где SН
= S2
;
кП
–
коэффициент увеличения натяжения тягового органа от сопротивления на повороте.
При угле обхвата тяговым органом звездочки: = 90о
кП
=
1,03 …1,05,
= 180о
кП
=
1,05 …1,07.
5.6.7 Натяжение цепей в точке сбегания с натяжных звездочек,
| .
|
(5.10)
|
5.6.8 Натяжение в точке набегания груженых ветвей цепи на приводные звездочки
| .
|
(5.11)
|
5.6.9 Уточненная величина тяговой силы конвейера,
| .
|
(5.12)
|
5.6.10 Максимальное статическое натяжение цепи,
| .
|
(5.13)
|
5.6.11 Расчетное натяжение одной цепи,
| ).
|
(5.14)
|
5.6.12 Разрушающая нагрузка цепи должна быть,
, (5.15)
где k – коэффициент запаса прочности:
k = 6…8 для горизонтальных конвейеров;
k = 8…10 для конвейеров с наклонными участками.
5.6.13 Мощность электродвигателя Р,
| ,
|
(5.16)
|
где КМ
= 1…1,35 – коэффициент запаса,
v
– скорость цепи, м/с.
= 0,75…0,85 – общий КПД передачи от двигателя к приводному валу,
5.6.14 Число оборотов приводного вала конвейера (звездочки), об/мин.
| .
|
(5.17)
|
5.6.15 Общее передаточное число привода
| ,
|
(5.18)
|
где nэ
– число оборотов выбранного электродвигателя.
5.6.16 Вращающий момент на тихоходном валу привода,
| .
|
(5.19)
|
6 ОСНОВЫ РАСЧЕТА СКРЕБКОВЫХ КОНВЕЙЕРОВ
Тяговым органом конвейера являются пластинчатые или сварные цепи, к которым крепятся рабочие элементы – скребки: прямоугольные, дисковые и т.п. Материал транспортируется скребком по желобу и выгружается в конце конвейера или на промежуточных участках через люки.
6.1 Площадь поперечного сечения желоба
F, м2
| ,
|
(6.1)
|
где
из таблицы 9;
– расчетная производительность, т/ч
;
v
– скорость движения скребков, м/с
;
– насыпная плотность материала, т/м3
;
– коэффициент заполнения желоба, равный 0,5…0,6 для мелких хорошо сыпучих грузов и 0,7…0,9 для тяжелых кусковых грузов;
– коэффициент, учитывающий угол наклона конвейера.
Таблица 9 – Значение коэффициента от угла наклона и характеристики груза
| Характеристика транспортируемого груза
|
Коэффициент при угле наклона, град.
|
| 0
|
10
|
20
|
30
|
35
|
40
|
| Легкосыпучий,
пылевидный
мелкокусковой груз
|
1
|
0,85
|
0,65
|
0,5
|
-
|
-
|
| Плохосыпучий, средне- и крупнокусковой груз
|
1
|
1
|
0,85
|
0,75
|
0,6
|
0,5
|
6.2 Выбор размера скребка
Таблица 10 – Предварительный выбор размеров скребка
| Размеры скребка, мм
|
Площадь
скребка, мм
2
|
Шаг цепи, мм
|
Масса цепей со скребками, кг/м
|
| Ширина, В
|
Высота, h
|
| 450
|
200
|
0,09
|
250
|
49
|
| 600
|
250
|
0,15
|
320
|
64
|
| 800
|
250
|
0,20
|
320
|
72
|
| 1000
|
320
|
0,32
|
320
|
105
|
| 1200
|
400
|
0,48
|
320
|
190
|
6.3 Проверка ширины скребка на кусковатость материала
Для рядового материала ширина скребка В, мм
| ,
|
(6.2)
|
где a
– максимальный размер куска материала, мм.
При несоблюдении неравенства (6.2), уточняется ширина по таблице 10.
6.4 Масса груза на единицу длины конвейера определяется по формуле (4.18)
6.5 Сопротивление на холостой ветви
WХ
, Н
| , 
|
(6.3)
|
где – масса одного метра грузонесущего органа (цепь со скребками), кг;
= 0,1…0,13 – коэффициент сопротивления движению цепи.
6.6 Наименьшее усилие натяжения
SH
, Н
| ,
|
(6.4)
|
где = 3…10 кН – наименьшее усилие на сбегающей ветви.
6.7 Сила сопротивления на ведомых звездочках
| .
|
(6.5)
|
6.8 Сила сопротивления нагруженной ветви, Н
| ,
|
(6.6)
|
где = 0,6…1,2 – коэффициент трения материала по желобу;
– горизонтальная длина конвейера, м;
– высота подъёма груза, м.
6.9 Тяговое усилие на валу приводных звездочек, Н
| ,
|
(6.7)
|
где = 1,1…1,15 – коэффициент сопротивления на звездочках.
6.10 Мощность электродвигателя Р
| ,
|
(6.8)
|
где = 1,2….1,25 – коэффициент запаса мощности,
= 0,75…0,85 – общее КПД передачи от двигателя.
Выбираем двигатель по каталогу.
6.11 Число оборотов ведущей звездочки определяется по формуле (5.15)
где = 5, 6, 7, 8 – число зубьев ведущей звездочки,
– шаг цепи (мм), выбирается по таблице 10.
6.12 Передаточное число привода определяем по формуле (5.18)
7 РАСЧЕТ КОВШОВЫХ ЭЛЕВАТОРОВ
В зависимости от вида транспортируемого груза элеваторы (нории) подразделяют на ковшовые, полочные и люлечные; в зависимости от вида тягового элемента – на ленточные и цепные. В соответствии с этими различиями расчет элеваторов каждой конструкции имеет свои особенности. Ниже приведен расчет ковшовых элеваторов.
7.1 В соответствии с видом груза выбирается тип ковшей и вид тягового органа по рекомендациям и таблицам 11 и 12
Таблица 11 – Основные параметры ковшей по ГОСТ 2036-77
| Ширина
ковша
В
, мм
|
Ширина ленты В
л
(для ленточных элеваторов), мм
|
Шаг расставленных ковшей t
k
, мм
|
Ковши
глубокие,
типа Г
|
Ковши мелкие, типа М
|
Шаг сом-кнутых
ковшей,
мм
|
Ковши с бортовыми
направляющими
|
|
io
, л
|
, л/м
|
io
, л
|
, л/м
|
остроугольные, типа О
|
скругленные, типа С
|
|
io
, л
|
, л/м
|
io
, л
|
, л/м
|
| первый
ряд
|
второй
ряд
|
| 100
|
125
|
-
|
200
|
0,2
|
1
|
0,1
|
0,5
|
-
|
-
|
-
|
-
|
-
|
| 125
|
160
|
150
|
320
|
0,4
|
1,3
|
0,2
|
0,66
|
-
|
-
|
-
|
-
|
-
|
| 160
|
200
|
-
|
320
|
0,6
|
2
|
0,35
|
1,17
|
160
|
0,65
|
4,06
|
-
|
-
|
| 200
|
250
|
-
|
400
|
1,3
|
3,24
|
0,75
|
1,87
|
200
|
1,3
|
6,5
|
-
|
-
|
| 250
|
300
|
315
|
400
|
2,0
|
5
|
1,4
|
3,5
|
200
|
2
|
10
|
-
|
-
|
| 320
|
370
|
400
|
500
|
4,0
|
8
|
2,7
|
5,4
|
250
|
4
|
16
|
6,4
|
25,6
|
| 400
|
450
|
500
|
500
|
6,3
|
12,6
|
4,2
|
8,4
|
320
|
7,8
|
24,4
|
14
|
43,7
|
| 500
|
550
|
600
|
630
|
12
|
19
|
6,8
|
10,8
|
400
|
-
|
-
|
28
|
70
|
| 650
|
700
|
-
|
630
|
16,8
|
26,6
|
11,5
|
18,2
|
500
|
-
|
-
|
60
|
120
|
| 800
|
-
|
-
|
-
|
-
|
-
|
-
|
-
|
630
|
-
|
-
|
118
|
187
|
| 1000
|
-
|
-
|
-
|
-
|
-
|
-
|
-
|
630
|
-
|
-
|
148
|
235
|
Таблица 12 – Рекомендации по выбору типа ковшовых элеваторов
| Насыпные
грузы
|
Примеры
характерных грузов
|
Тип
элеватора
|
Тип
ковшей
|
Средний коэффициент заполнения ковшей 
|
Скорость, м/с
|
| ленты
|
цепи
|
| Пылевидные
сухие
|
Угольная пыль
|
Тихоходный со свободной самотечной разгрузкой
|
Г
|
0,85
|
-
|
0,6 – 0,8
|
| Цемент, мука фосфоритная
|
Быстроходный с центробежной разгрузкой
|
Г
|
0,8
|
1,25 – 2,0
|
-
|
| Пищевые продукты помола зерна (мука, комбикорм)
|
Быстроходный с центробежно-самотечной разгрузкой
|
М
|
0,85
|
1 – 1,6
|
-
|
| Пылевидные
и зернистые, влажные
плохосыпучие
|
Земля, песок, мел в порошке; химикаты
|
Быстроходный с центробежной разгрузкой
|
М
|
0,6
|
1 – 2
|
0,8 – 2,0
|
| Зернистые и мелкокусковые, малоабразивные
|
Пищевое
зерно
|
Быстроходный с центробежной нагрузкой
|
Г
|
0,75
|
2,0 – 3,2
|
| Древесные опилки, щепа, сухая глина в комках; торф фрезерный, мелкий уголь
|
То же
|
Г
|
0,8
|
1,25 – 2,0
|
1,0 – 1,6
|
| Шламовая известь, сажа
|
Тихоходный с самотечной разгрузкой
|
Г
|
0,8
|
-
|
0,4 – 1,0
|
| Зернистые и мелкокусковые, сильно
абразивные
|
Гравий, руда, шлаки
|
Тихоходный с самотечной направленной разгрузкой
|
О
С
|
0,8
|
0,4 – 0,8
|
0,4 – 0,63
|
| Песок, зола, земля, порода
|
Быстроходный с центробежной разгрузкой
|
Г
|
0,8
|
1 – 2
|
-
|
| Средне-кусковые
(а
=60 мм),
малоабразивные
|
Каменный уголь
|
Тихоходный с самотечной направленной разгрузкой
|
О
С
|
0,7
|
-
|
0,4 – 0,63
|
| Кусковой торф
|
Быстроходный с центробежной разгрузкой
|
Г
|
0,65
|
-
|
0,8 – 1,6
|
| Средне-кусковые, сильно абразивные
|
Камень, руда,
шлаки
|
Тихоходный с самотечной направленной разгрузкой
|
О
С
|
0,7
|
-
|
0,4 – 0,63
|
| Кусковые хрупкие, не допускающие крошения
|
Древесный уголь
|
Тихоходный с самотечной направленной разгрузкой
|
О
С
|
0,6
|
0,4 – 0,63
|
0,4 – 0,63
|
П р и м е ч а н и е – Типы ковшей: Г – глубокий; М – мелкий; О – остроугольный с бортовыми направляющими; С – со скругленным дном, с бортовыми направляющими
7.2 Требуемый объем ковшей и шаг их установки определяется, используя зависимость производительности ковшовых элеваторов от конструктивных
параметров
QP
, т/ч
, (7.1)
где i –
объём ковшей, л;
tk
–
шаг ковшей, м;
J
– скорость, м/с;
– насыпная плотность груза, т/м3
;
– коэффициент заполнения ковшей.
7.2.1 Объем ковшей для ленточных элеваторов i0
, л
(7.2)
На основании расчетных данных выбирают размер ковшей и корректируют значение t
или (при необходимости).
Для цепных элеваторов шаг ковшей выбирается кратным шагу или двум шагам цепи.
7.2.2 Линейный объём ковшей элеваторов, л/м, определятся из формулы
(7.3)
и по его значению подбирают конкретные размеры ковшей, скорость перемещения, соответствующую объему ковшей и заданной производительности.
7.2.3 При транспортировке кусковых грузов выполняют проверку ковша по наиболь-
шему размеру кусков по формуле
| ,
|
(7.4)
|
где – вылет ковша, м
;
– наибольший размер типичных кусков, м
;
= 2…5 – коэффициент сортировки.
7.3 Выбор размеров тягового органа
7.3.1 Ширина ленты выбирается в соответствии с шириной ковшей, количество прокладок принимают ориентировочно, согласуясь с диапазоном числа прокладок для выбранной ширины ленты.
7.3.2 Вид цепи, шаг цепи должны быть равными или кратными шагу расстановки ковшей.
7.4 Определяются линейные нагрузки от груза и движущихся элементов элеватора
7.5 Тяговый расчет элеватора
Расчет начинают с точки, имеющей наименьшее натяжение (точка 2 на рисунке 1), исходя из величины силы давления на натяжном устройстве Smin
= 500… 3000 Н.
Максимальное натяжение:
Smax
= Smin
+
S2
; (7.5)
S2
=
q0
×
×
H
, (7.6)
где q0
– линейная масса материала в ковшах, кг/
м;
g – ускорение свободного падения, м/с2
;
H –
высота подъёма груза, м.

Рисунок 1 – Схема ковшового элеватора
После определения величины S
max
выполняется тяговый расчет элеватора по контуру обычным методом, с учетом всех сопротивлений на участках элеватора, вычерчивается эпюра натяжений.
Определив натяжение во всех точках контура, проверяют надежность сцепления ленты с барабаном по формуле Эйлера:
S
max
£
×
e
f
a
, (7.8)
где f –
коэффициент трения ленты о барабан, f =
0,3;
a
– угол обхвата,
a =
180о
= p рад
.
7.6 Окончательный выбор размеров тягового органа
7.6.1 По величине максимального натяжения ленты определяются характеристики ленты по формуле (4.6) при запасе прочности =10 или цепи по формуле (5.13) при К=10.
7.6.2 После окончательного выбора размеров ленты рекомендуется проверить её прочность по опасному сечению (ослабленному отверстиями для крепежных болтов).
7.7 Размеры барабанов (звездочек)
7.8 По тяговому усилию подсчитывается мощность на приводном валу и подбирается электродвигатель по аналогии с расчетом ленточных, цепных конвейеров
Для приводов ковшовых элеваторов рекомендуется применять электродвигатели общепромышленного назначения с повышенным пусковым моментом серии АОП.
Ввиду того, что элеваторы в ряде случаев пускаются в ход под нагрузкой, следует проверить электродвигатель по пусковому моменту с учетом допускаемой потери напряжения в питающей сети.
Проверка электродвигателя выполняется в соответствии с неравенством:
, (7.9)
где – номинальный момент выбранного электродвигателя,
– кратность его пускового момента;
– момент трогания нагруженного элеватора, приведенный к валу электродвигателя,
, (7.10)
где – производительность элеватора, м/ч;
– высота подъема, м;
– радиус приводного барабана (звездочки), м;
J
– скорость тягового органа, м/с;
– передаточное отношение привода;
– КПД привода.
7.9 Дальнейшие расчеты выполняются аналогично разделу 3
7.10 Проверяется характер разгрузки элеватора по соотношению между полюсным расстоянием и радиусом барабана (звездочки):
| ,
|
(7.11)
|
где = 895 – полюсное расстояние;
= – радиус барабана (звездочки).
Рекомендуется для быстроходных элеваторов Б 1;
для среднескоростных Б=1,5…3; для тихоходных Б>3.
8 РАСЧЕТ МЕХАНИЗМА ПОДЪЁМА ГРУЗОВ
8.1 Вычерчивается расчетная схема механизма подъёма, выбирается тип полиспаста
8.2 Рассчитывается максимальное натяжение каната
S
max
,
| ,
|
(8.1)
|
где – вес груза, Н;
– вес грузозахватного устройства, Н;
– число одинарных полиспастов;
– КПД блоков,
– кратность полиспаста:
| ,
|
(8.2)
|
где – число канатов, на которые подвешен груз,
– число канатов, набегающих на барабан.
8.3 Максимальное усилие на приводном барабане
Sр
,
, (8.3)
где = 3,5…6,0 – минимальный коэффициент запаса прочности;
– разрывное усилие каната по стандарту, Н.
8.4 Определяются размеры барабана с учетом выбранного типа каната
8.4.1 Диаметр барабана по центру оси каната D0
, м
|
|
(8.4)
|
где – диаметр каната, м;
– коэффициент, учитывающий режим работы.
Таблица 13 – Наименьшие значения коэффициента е
| Грузоподъёмная
машина и механизм
|
Привод
механизмов
|
Группа
режима
работы
|
Коэффициент
е
|
| Механизм подъёма
кранов всех типов,
за исключением стреловых
|
ручной
|
1М
|
18
|
| машинный
|
1М, 2М, 3М
|
20
|
| 4М
|
25
|
| 5М
|
30
|
| 6М
|
35
|
| Стреловой кран:
а) механизм подъёма груза и стрелы
|
ручной
|
1М
|
16
|
| машинный
|
1М, 2М, 3М
|
16
|
| 4М
|
20
|
| 5М
|
20
|
| 6М
|
25
|
| б) механизм для
монтажа крана
|
машинный
|
-
|
16
|
| Электрические тали
|
машинный
|
-
|
22
|
| Грейферные лебедки:
а) для кранов всех
типов, за исключением стреловых
|
машинный
|
-
|
30
|
| б) для стреловых кранов
|
машинный
|
-
|
20
|
| Блоки грейферов
|
-
|
-
|
18
|
| Лебёдки для подъёма:
а) груза
|
ручной
|
-
|
12
|
| машинный
|
-
|
20
|
| б) людей
|
ручной
|
-
|
16
|
| машинный
|
-
|
25
|
8.4.2 Длина нарезанной части барабана L
1
, м
| ,
|
(8.5)
|
где h
–
высота подъёма, м;
t
=1,1dk
–
шаг нарезки: t
= dk
–
для гладких барабанов, м.
8.4.3 Толщина стенки барабана
| ,
|
(8.6)
|
где –
допускаемое напряжение сжатия, Па:
для чугунных барабанов = 90…170 Па;
для стальных барабанов = 110…260 Па.
8.5 Определяются параметры привода
8.5.1 Частота вращения барабана n
б
, об/мин
| ,
|
(8.7)
|
где – скорость подъёма груза, м/мин.
8.5.2 Крутящий момент на барабане Tб
,

| ,
|
(8.8)
|
где – КПД барабана.
8.5.3 Статическая мощность на валу двигателя , кВт
| ,
|
(8.9)
|
где 0,8…0,9 – общий КПД привода;
– число двигателей.
8.5.4 Выбирается электродвигатель.
Для обеспечения надежного пуска должно выполняться условие
| ,
|
(8.10)
|
где – максимальный момент двигателя при пуске, ;
– статический момент нагрузки, ;
=1,1…1,2 – коэффициент, учитывающий вид механической характеристики.
| ,
|
(8.11)
|
где u
– передаточное число привода.
8.6 Выбор редуктора
8.6.1 Определяется необходимое передаточное число
| ,
|
(8.12)
|
где – частота вращения двигателя, об/мин.
8.6.2 Выбирается редуктор с передаточным числом up
,
близким по значению u
.
8.6.3 Проверяется отклонение передаточного числа редуктора
| ,
|
(8.13)
|
где = 15% – допускаемое отклонение передаточных чисел.
9 ВЫБОР ПРИВОДНОГО МЕХАНИЗМА
К выбору приводного механизма приступают после расчета общего передаточного числа для механических приводов:
u =
nдв
/
n б(зв)
,
(9.1)
где nдв
– частота вращения вала двигателя,
n б(зв)
– частота вращения барабана (звездочки).
При назначении передаточных механизмов механических приводов следует ориентироваться на применение серийных редукторов, которые надежны и долговечны, просты в обслуживании, экономичны.
В настоящее время нормализованы конструкции редукторов типа РМ – горизонтальные цилиндрические, КЦ – коническо-цилиндрические, РЧ – червячные.
Диапазон охватываемых ими передаточных чисел и мощностей достаточно велик.
В том случае, если не удается обеспечить редуктором требуемое передаточное число привода, предусматривают дополнительные передачи. При распределении общего передаточного числа между редуктором и дополнительной передачей следует руководствоваться экономическими соображениями.
Так, например, равенство
(9.2)
может быть осуществлено двумя решениями: или .
Однако второе решение более экономично, т.к. цена и масса редуктора уменьшаются с уменьшением передаточного числа up
, а увеличение затрат на изготовление открытой зубчатой передачи c большим передаточным числом не столь велико.
Дополнительные передачи рекомендуется ставить после редуктора. При необходимости размещения дополнительной передачи между электродвигателем и редуктором необходимо проверить способность редуктора передать требуемый момент приводному валу транспортирующей машины, так как передача в несколько раз увеличит нагрузку на редуктор.
После окончательного выбора состава приводного механизма, подбора муфт вычерчивается кинематическая схема привода с соблюдением условных обозначений типовых узлов, принятых ЕСКД.
10 РАСЧЕТ ЭЛЕМЕНТОВ КОНСТРУКЦИЙ ВЫДЕЛЕННЫХ УЗЛОВ
Для подробного расчета и вычерчивания в заданиях выделены два узла транспортирующих машин: приводная станция и натяжная станция.
10.1
Приводная станция
По этому узлу необходимо: уточнить конструктивные размеры барабана или звездочек; составить расчетную схему и рассчитать приводной вал на сложное сопротивление, дать его эскиз; подобрать подшипники вала; проверить шпоночные соединения; выполнить проектный расчет остановочного механизма или проверочный расчет муфты (согласно заданию).
10.2
Натяжная станция
По этому узлу необходимо: уточнить конструктивные размеры барабана или звездочек; составить расчетную схему и рассчитать ось, вычертить ее эскиз; подобрать подшипники оси; выполнить расчет всех передающих нагрузку элементов натяжного устройства (в винтовых конструкциях рассчитываются винт, гайку и, при наличии, дополнительные конструктивные соединения; в грузовых конструкциях – вес и размеры груза, тросы, блоки и их оси).
Для расчета валов необходимо определить величину и направление действующих сил из условий равновесия рассчитываемого узла.
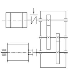
Нагрузки на валы передаются от барабанов (или звездочек), на которые действуют усилия натяжения тяговых органов. Кроме того, и сами барабаны могут обладать значительным весом, что увеличит общую нагрузку. Возможные варианты нагружения показаны на рисунке 2.
Согласно схемам на валы будут действовать: радиальная сила F
и крутящий момент Tкр
.

Рисунок 2 – Усилия на валы
В соответствии с вариантами схем:
; (10.1)
; (10.2)
, (10.3)
где S нб
– натяжение набегающей ветви, Н;
S сб
–
натяжение сбегающей ветви, Н;
GБАР(зв)
–
вес барабана (звездочки), Н.
Если силы направлены под углом друг к другу (см. рисунок 2в), следует определять величину F
графически, вычертив треугольник сил в масштабе.
Схемы нагружения осей радиальной нагрузкой аналогичны схемам нагружения валов. Крутящего момента оси не передают.
Характер расчетной схемы вала определяется конструкцией находящихся на нем деталей (рисунок 3).
 
Рисунок 3 – Расчетные схемы валов
Длинные валы и, особенно, оси натяжных станций следует просчитать на жесткость – определить величину прогиба под действием радиальных нагрузок.
При нагружении по схеме а
(см. рисунок 3):
| .
|
(10.4)
|
При нагружении по схеме б
(см. рисунок 3):
| ,
|
(10.5)
|
где E
– модуль упругости стали, Е
;
I
– момент инерции сечения,
, (10.6)
где ,
d
– диаметр оси (вала), мм.
11 РАСЧЕТ И ПОДБОР КАНАТА
11.1 Выполняется подбор каната.
Если в исходных данных задана грузоподъемность, предварительно согласно схеме полиспаста рассчитывается натяжение каната .
11.2 Определяются размеры барабана, вычерчивается его эскиз, выполняется проверка барабана на прочность.
11.3 Выбирается и рассчитывается конструкция крепления каната к барабану.
11.4 Определяется мощность механизма и подбирается электродвигатель.
Для грузоподъемных машин рекомендуется принимать .
После выбора двигателя выполняется его проверка по пусковому моменту ТЭП
.
11.5 Рассчитывается общее передаточное число, выбирается система привода, подбираются муфты, вычерчивается кинематическая схема.
11.6 Определяется тормозной момент, подбирается тормоз типа ТКТ.
При наличии в задании храпового механизма, выполняется его расчет.
11.7 Вычерчивается эскиз установки барабана, составляется расчетная схема оси, производится проектный расчет оси барабана на прочность.
11.8 Подбираются подшипники для опор оси.
12 ЗАЩИТА КУРСОВОЙ РАБОТЫ
Курсовая работа допускается к защите при наличии положительной рецензии и выполнении исправлений по замечаниям руководителя. При защите курсовой работы студент должен показать знание конструкции спроектированного узла, технологии изготовления его деталей, методики расчета.
13 ЗАДАНИЯ НА КУРСОВУЮ РАБОТУ
ПО ПОДЪЕМНО-ТРАНСПОРТНЫМ УСТРОЙСТВАМ
Задания на курсовую работу составлены в 20 конструктивных и 100 числовых вариантах.
Вариант задания выбирается в соответствии с двумя последними цифрами шифра студенческой книжки. 100-й вариант выполняют студенты, у которых последние две цифры шифра – два нуля.
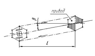
ЗАДАНИЕ № 1
Рассчитать ленточный транспортер (рисунок 4).
Разработать конструкцию натяжной грузовой тележечной станции.

Рисунок 4 – Схема ленточного транспортера
Таблица 13.1
| Исходные
расчетные данные
|
Варианты
|
| 01
|
40
|
60
|
61
|
96
|
| Транспортируемый груз
|
Пшеница
|
Рожь
|
Горох
|
Кукуруза
|
Уголь
|
| Расчетная производительность транспорта , 
|
70
|
100
|
120
|
150
|
200
|
| Скорость перемещения
, 
|
2
|
2,5
|
2
|
4
|
2
|
| Насыпная плотность груза
,
|
0,73
|
0,7
|
0,75
|
0,73
|
0,85
|
| Длина перемещения , 
|
70
|
80
|
120
|
140
|
160
|
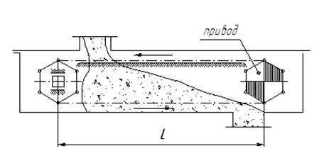
ЗАДАНИЕ № 2
Рассчитать ленточный транспортер для перемещения штучных грузов (рисунок 5). Разработать конструкцию приводного вала транспортера с опорами и храповым механизмом. При расчете сопротивлений на рабочей ветви ленты считать, что нагрузка на роликоопоры и настил распределяется поровну.

Рисунок 5 – Схема ленточного транспортера
Таблица 13.2
| Исходные расчетные
данные
|
Варианты
|
| 02
|
39
|
59
|
62
|
97
|
| Расчетная
производительность
Q
, т/ч
|
1400
|
1150
|
880
|
720
|
500
|
| Масса одного груза ,
|
25
|
30
|
40
|
45
|
50
|
| Размеры груза , 
|

|

|

|

|

|
| Скорость перемещения ,
|
0,9
|
0,8
|
0,7
|
0,6
|
0,5
|
| Расстояние , 
|
10
|
20
|
20
|
22
|
25
|
| Расстояние , 
|
50
|
100
|
100
|
80
|
135
|
| Угол наклона транспортера , 
|
14
|
15
|
16
|
18
|
20
|
ЗАДАНИЕ № 3
Рассчитать электролебедку (рисунок 6).
Разработать конструкцию барабана с опорами (одной из опор является зубчатая муфта редуктора).

Рисунок 6 – Схема электролебедки
Таблица 13.3
| Исходные расчетные данные
|
Варианты
|
| 03
|
38
|
58
|
63
|
98
|
| Тяговое усилие , m
|
0,8
|
1
|
1,5
|
2
|
3
|
| Скорость каната , 
|
42
|
50
|
36
|
48
|
32
|
| Канатоемкость , 
|
75
|
100
|
120
|
180
|
200
|
| Режим работы ПВ, %
|
25
|
15
|
15
|
25
|
25
|
ЗАДАНИЕ № 4
Рассчитать пластинчатый транспортер (рисунок 7).
Разработать конструкцию приводного вала с опорами.

Рисунок 7 – Схема пластинчатого транспортера
Таблица 13.4
| Исходные расчетные
данные
|
Варианты
|
| 04
|
37
|
57
|
64
|
99
|
| Транспортируемый груз
|
Свекла
|
Картофель
|
Соль
|
Кукуруза
|
Уголь
|
| Расчетная производительность , 
|
65
|
120
|
225
|
300
|
350
|
| Скорость
перемещения , 
|
0,3
|
0,4
|
0,6
|
0,45
|
0,5
|
| Расстояние , 
|
30
|
20
|
40
|
25
|
65
|
| Угол наклона , 
|
8
|
10
|
12
|
14
|
16
|
| Насыпная плотность груза , 
|
0,6
|
0,7
|
0,78
|
0,73
|
0,85
|
ЗАДАНИЕ № 5
Рассчитать ленточный транспортер (рисунок 8) с винтовым натяжным устройством.
Разработать конструкцию натяжной станции.

Рисунок 8 – Схема ленточного транспортера
Таблица 13.5
| Исходные расчетные
данные
|
Варианты
|
| 05
|
36
|
56
|
65
|
100
|
| Транспортируемый груз
|
Конопля
|
Овес
|
Гречиха
|
Бобы
|
Соль
|
| Расчетная производительность , 
|
90
|
170
|
80
|
60
|
200
|
| Скорость перемещения груза , 
|
2
|
2,2
|
3
|
2,4
|
2,5
|
| Расстояние , 
|
30
|
25
|
50
|
60
|
40
|
| Угол наклона транспортера , 
|
6
|
8
|
10
|
12
|
15
|
| Насыпная плотность груза , 
|
0,51
|
0,55
|
0,62
|
0,75
|
0,78
|
ЗАДАНИЕ № 6
Рассчитать ковшевой элеватор для подъема муки с винтовым натяжным устройством (рисунок 9).
Разработать конструкцию натяжной станции.
Рисунок 9 – Схема ковшевого элеватора
Таблица 13.6
| Исходные расчетные
данные
|
Варианты
|
| 06
|
35
|
55
|
66
|
91
|
| Расчетная производительность , 
|
7
|
3
|
8
|
10
|
12
|
| Высота подъема , 
|
20
|
24
|
22
|
18
|
16
|
| Скорость подъема , 
|
1,5
|
1,2
|
1,2
|
1,3
|
1,4
|
| Насыпная плотность , 
|
0,64
|
0,52
|
0,56
|
0,5
|
0,6
|
ЗАДАНИЕ № 7
Рассчитать ковшевой элеватор с грузовым натяжным устройством для подъема зерна.
Разработать конструкцию натяжной станции (рисунок 10).

Рисунок 10 – Схема ковшевого элеватора
Таблица 13.7
| Исходные расчетные
данные
|
Варианты
|
| 07
|
34
|
54
|
67
|
92
|
| Расчетная производительность , 
|
10
|
15
|
100
|
150
|
200
|
| Высота подъема , 
|
30
|
20
|
40
|
30
|
25
|
| Скорость подъема , 
|
1,1
|
2,7
|
2
|
3
|
2
|
| Насыпная плотность , 
|
0,5
|
0,6
|
0,65
|
0,7
|
0,82
|
ЗАДАНИЕ № 8
Рассчитать наклонный пластинчатый транспортер (см. рисунок 7) для перемещения мешков.
Разработать конструкцию натяжной станции.
Таблица 13.8
| Исходные расчетные
данные
|
Варианты
|
| 08
|
33
|
53
|
68
|
93
|
| Расчетная производительность транспортера
, т/ч
|
950
|
900
|
700
|
450
|
400
|
| Размеры груза , 
|

|

|

|

|

|
| Масса одного груза , 
|
45
|
50
|
60
|
72
|
80
|
| Скорость перемещения
, 
|
0,8
|
0,7
|
0,6
|
0,5
|
0,4
|
| Расстояние , 
|
20
|
30
|
40
|
25
|
35
|
| Угол наклона , 
|
6
|
8
|
10
|
12
|
14
|
ЗАДАНИЕ № 9
Рассчитать ленточный транспортер (рисунок 11). Разработать конструкцию грузовой тележечной натяжной станции.

Рисунок 11 – Схема ленточного транспортера
Таблица 13.9
| Исходные
расчетные данные
|
Варианты
|
| 09
|
32
|
52
|
69
|
94
|
| Транспортируемый груз
|
Ячмень
|
Просо
|
Карто-
фель
|
Сахар-
песок
|
Известк.
камень
|
| Расчетная производительность , 
|
60
|
70
|
40
|
80
|
160
|
| Скорость перемещения ,
|
3,5
|
4,2
|
1,2
|
2,2
|
1,5
|
| Расстояние , 
|
10
|
18
|
20
|
25
|
24
|
| Расстояние , 
|
50
|
62
|
50
|
75
|
116
|
| Угол наклона транспортера
, 
|
14
|
18
|
15
|
12
|
16
|
| Насыпная плотность груза , 
|
0,65
|
0,7
|
0,73
|
1
|
1,8
|
ЗАДАНИЕ № 10
Рассчитать грузоподъемный механизм поворотного крана (рисунок 12).
Разработать конструкцию барабана с опорами.

Рисунок 12 – Схема поворотного крана
Таблица 13.10
| Исходные
расчетные данные
|
Варианты
|
| 10
|
31
|
51
|
70
|
95
|
| Грузоподъемность , 
|
0,8
|
1,25
|
1,6
|
2
|
2,5
|
| Скорость подъема , 
|
7
|
5
|
6
|
8
|
4
|
| Высота подъема , 
|
4
|
5
|
7
|
6
|
8
|
| Режим работы ПВ, %
|
25
|
25
|
15
|
15
|
25
|
ЗАДАНИЕ № 11
Рассчитать ковшовой элеватор (см. рисунок 9). Выбрать тип натяжного устройства и разработать конструкцию натяжной станции.
Таблица 13.11
| Исходные расчётные данные
|
Варианты
|
| 11
|
30
|
41
|
71
|
86
|
| Вид груза
|
Мука
|
Мука
|
Рожь
|
Кукуруза
|
Просо
|
| Расчетная производительность
, 
|
4
|
14
|
200
|
130
|
85
|
| Высота подъема , 
|
20
|
20
|
28
|
36
|
40
|
| Скорость подъема , 
|
1,2
|
1,5
|
2,5
|
2,2
|
2,5
|
| Насыпная плотность , 
|
0,45
|
0,64
|
0,72
|
0,75
|
0,85
|
ЗАДАНИЕ № 12
Рассчитать ковшовой элеватор для подъема пшеницы (см. рисунок 10). Разработать конструкцию приводного вала с опорами и храповым остановом.
Таблица 13.12
| Исходные расчетные
данные
|
Варианты
|
| 12
|
29
|
42
|
72
|
87
|
| Расчетная производительность , 
|
30
|
50
|
100
|
75
|
150
|
| Высота подъема , 
|
24
|
42
|
25
|
40
|
30
|
| Скорость подъема , 
|
2,6
|
1,8
|
1,6
|
2,3
|
2,7
|
| Насыпная плотность , 
|
0,7
|
0,73
|
0,78
|
0,8
|
0,83
|
ЗАДАНИЕ № 13
Рассчитать горизонтальный скребковый транспортер с погруженными скребками (рисунок 13). Разработать конструкцию натяжной станции.

Рисунок 13 – Схема скребкового транспортера
Таблица 13.13
| Исходные расчетные
данные
|
Варианты
|
| 13
|
28
|
43
|
73
|
88
|
| Транспортируемый груз
|
Горох
|
Отруби
|
Мука
|
Рожь
|
Пшеница
|
| Расчетная производительность , 
|
80
|
60
|
50
|
90
|
120
|
| Расстояние , 
|
60
|
80
|
100
|
75
|
25
|
| Скорость перемещения , 
|
0,2
|
0,25
|
0,35
|
0,45
|
0,4
|
| Насыпная плотность груза , 
|
0,8
|
0,3
|
0,64
|
0,68
|
0,7
|
ЗАДАНИЕ № 14
Рассчитать электролебедку (рисунок 14). Разработать конструкцию барабана с опорами и компенсирующей муфтой.

Рисунок 14 – Схема электролебедки
Таблица 13.14
| Исходные расчетные
данные
|
Варианты
|
| 14
|
27
|
44
|
74
|
89
|
| Тяговое усилие , 
|
1
|
0,6
|
2
|
4
|
3,2
|
| Скорость каната , 
|
36
|
50
|
40
|
26
|
30
|
| Канатоемкость , 
|
60
|
40
|
150
|
100
|
80
|
| Режим работы ПВ, %
|
15
|
25
|
25
|
15
|
25
|
ЗАДАНИЕ № 15
Рассчитать наклонный скребковый транспортер с погруженными скребками (рисунок 15). Разработать конструкцию приводного вала с опорами.

Рисунок 15 – Схема скребкового транспортера
Таблица 13.15
| Исходные расчетные
данные
|
Варианты
|
| 15
|
26
|
45
|
75
|
90
|
| Вид груза
|
Рожь
|
Овес
|
Пшеница
|
Кукуруза
|
Подсол-
нечник
|
| Расчетная производительность , 
|
175
|
100
|
150
|
80
|
50
|
| Расстояние , 
|
55
|
70
|
40
|
60
|
50
|
| Скорость перемещения , 
|
0,35
|
0,4
|
0,3
|
0,45
|
0,5
|
| Насыпная плотность груза
, 
|
0,78
|
0,5
|
0,83
|
0,75
|
0,45
|
| Угол наклона , 
|
8
|
10
|
8
|
6
|
7
|
ЗАДАНИЕ № 16
Рассчитать наклонной скребковый транспортер с погруженными скребками (рисунок 16). Разработать конструкцию натяжной станции.

Рисунок 16 – Схема скребкового транспортера
Таблица 13.16
| Исходные расчетные
данные
|
Варианты
|
| 16
|
25
|
46
|
76
|
81
|
| Вид груза
|
Бобы
|
Горох
|
Ячмень
|
Просо
|
Рожь
|
| Расчетная производительность , 
|
30
|
50
|
80
|
120
|
150
|
| Расстояние , 
|
65
|
100
|
60
|
48
|
40
|
| Скорость перемещения
, 
|
0,22
|
0,25
|
0,28
|
0,2
|
0,4
|
| Насыпная плотность груза
, 
|
0,7
|
0,8
|
0,65
|
0,85
|
0,75
|
| Угол наклона , 
|
8
|
10
|
10
|
12
|
14
|
ЗАДАНИЕ № 17
Рассчитать люлечный элеватор для подъема штучных грузов (рисунок 17).
Разработать конструкцию приводного вала с опорами и храповым остановом.

Рисунок 17 – Схема люлечного элеватора
Таблица 13.17
| Исходные расчётные
данные
|
Варианты
|
| 17
|
24
|
47
|
77
|
82
|
| Расчетная производительность , 
|
600
|
700
|
500
|
800
|
1000
|
| Размеры груза в плане , 
|

|

|

|

|

|
| Масса груза , 
|
48
|
18
|
40
|
36
|
25
|
| Число грузов в люльке , 
|
1
|
2
|
1
|
1
|
2
|
| Высота подъема , 
|
12
|
15
|
18
|
24
|
30
|
| Скорость перемещения
, 
|
0,3
|
0,6
|
0,2
|
0,4
|
0,25
|
ЗАДАНИЕ № 18
Рассчитать механизм подъема тележки двухбалочного крана складского помещения (рисунок 18).
Разработать конструкцию барабана с опорами.

Рисунок 18 – Схема механизма подъёма тележки двухбалочного крана
Таблица 13.18
| Исходные
расчетные данные
|
Варианты
|
| 18
|
23
|
48
|
78
|
83
|
| Грузоподъемность , 
|
2
|
3,2
|
4
|
5
|
8
|
| Скорость подъема груза ,
|
10
|
9
|
12
|
15
|
10
|
| Высота подъема , 
|
5,5
|
6
|
8
|
10
|
10
|
| Режим работы ПВ, %
|
25
|
25
|
15
|
15
|
25
|
ЗАДАНИЕ № 19
Рассчитать вертикальный ковшовый цепной элеватор (рисунок 19).
Разработать конструкцию натяжной станции элеватора.

Рисунок 19 – Схема вертикального ковшового цепного элеватора
Таблица 13.19
| Исходные
расчетные данные
|
Варианты
|
| 19
|
22
|
49
|
79
|
84
|
| Транспортируемый груз
|
Свекла
|
Соль
|
Карто-
фель
|
Кукуруза
|
Уголь
|
| Расчетная производительность , 
|
100
|
32
|
32
|
50
|
40
|
| Высота подъема , 
|
22
|
20
|
18
|
24
|
28
|
| Скорость подъема , 
|
0,5
|
1,2
|
0,4
|
1
|
0,7
|
| Насыпная плотность , 
|
0,65
|
0,74
|
0,73
|
0,8
|
0,85
|
ЗАДАНИЕ № 20
Рассчитать вертикальный ковшовый цепной элеватор (рисунок 20).
Разработать конструкцию приводного вала с опорами и храповым остановом.

Рисунок 20 – Схема вертикального ковшового цепного элеватора
Таблица 13.20
| Исходные
расчетные данные
|
Варианты
|
| 20
|
21
|
50
|
80
|
85
|
| Транспортируемый груз
|
Бобы
|
Свекла
|
Карто-
фель
|
Мелк.
корм
|
Известков.
камень
|
| Расчетная производительность
, 
|
26
|
85
|
120
|
100
|
300
|
| Высота подъема , 
|
16
|
18
|
25
|
20
|
24
|
| Скорость подъема , 
|
0,9
|
0,65
|
0,6
|
1,3
|
0,8
|
| Насыпная плотность , 
|
0,75
|
0,7
|
0,7
|
1,2
|
1,8
|
ЛИТЕРАТУРА
1. Александров, М.П. Подъёмно-транспортные машины / М.П. Александров. – М.: Высш. школа, 1985.
2. Александров, М.П. Курсовое проектирование грузоподъемных машин / М.П. Александров. – М.: Высш. школа, 1983.
3. Заводчиков, Н.И. Грузоподъемные машины / Н.И. Заводчиков. – М.: Высш. школа, 1982.
4. Соколов, А.Я. Транспортирующие и перегрузочные машины для комплексной механизации пищевых производств / А.Я. Соколов. – М.: Машиностроение, 1984. (Рекомендуется для расчетов элеваторов и скребковых транспортеров.)
5. Левинсон, В.И. Транспортные устройства непрерывного действия / В.И. Левинсон. – М.: Высш. школа, 1980.
6. Павлов, Н.Г. Примеры расчета кранов / Н.Г. Павлов. – М.: Высш. школа, 1981.
7. Спиваковский, А.В. Транспортирующие машины / А.В. Спиваковский. – М.: Высш. школа, 1983.
8. Спиваковский, А.В. Транспортирующие машины: атлас чертежей / А.В. Спиваковский. – М.: Высш. школа, 1982.
9. Зенков, Р.Л. Машины непрерывного транспорта / Р.Л. Зенков. – М.: Машиностроение, 1987.
10. Шахмейстер, Л.Г. Теория и расчет ленточных конвейеров / Л.Г. Шахмейстер. – М.: Машиностроения, 1978.
11. Балашов, В.П. Грузоподъёмные и транспортирующие машины на заводах строительных материалов / В.П. Балашов. – М.: Машиностроение, 1987.
12. ГОСТ 7.1 – 2003. Библиографическая запись. Общие требования и правила составления.
13. СТП 12 400 – 2004. Образовательный стандарт высшего профессионального образования АлтГТУ. Курсовой проект (курсовая работа). Общие требования к содержанию, организации выполнения и оформлению.
СОДЕРЖАНИЕ
| 1 Общая часть……………………………………………………………………………
2 Содержание и оформление расчетно-пояснительной записки……………………..
3 Основы расчета конвейеров …………………………………..……………………..
4 Основы расчета и проектирования ленточных конвейеров………………………...
5 Основы расчета и проектирования пластинчатых транспортеров…………………
6 Основа расчета скребковых конвейеров……………………………………………..
7 Расчет ковшовых элеваторов…………………………………………………………
8 Расчет механизма подъёма грузов …………………………………………………..
9 Выбор приводного механизма ……………………………………………………….
10 Расчет элементов конструкций выделенных узлов…………………………………
11 Расчет и подбор каната ……………………………………………………………….
12 Защита курсовой работы……………………………………………………………...
13 Задания на курсовую работу по подъемно-транспортным устройствам…………..
Литература………………………………………………………………………………...
|
3
3
4
6
9
12
13
17
19
20
22
22
22
36
|
Дунин Максим Сергеевич
Климонова Надежда Михайловна
Булыгина Елена Константиновна
ПОДЪЁМНО-ТРАНСПОРТНЫЕ УСТРОЙСТВА
Методические рекомендации к расчетному заданию курсового проекта по курсу «Подъемно-транспортные устройства» для студентов специальности 170600 «Машины и аппараты пищевых производств» дневной и заочной форм обучения
Редактор Идт Л.И.
Технический редактор Сазонова В.П.
Корректор Малыгина И.В.
Подписано в печать 17.02.06. Формат 61´86 1/8.
Усл. п. л. – 4,42. Уч. – изд. л. – 4,75.
Печать – ризография, множительно-копировальный
аппарат «RISO TR-1510»
Тираж 50 экз. Заказ 2006-24.
Издательство Алтайского государственного
технического университета,
656038, г. Барнаул, пр-т Ленина, 46.
Оригинал-макет подготовлен ИИО БТИ АлтГТУ.
Отпечатано в ИИО БТИ АлтГТУ.
659305, г. Бийск, ул. Трофимова, 29
|