| Методические указания для выполнения контрольной работы по курсу «Сертификационные испытания и экспертиза продукции»
1. Цель контрольной работы
Целью контрольной работы является закрепление теоретических знаний в области сертификационных испытаний и экспертизы товаров, а также применение полученных знаний в заданиях и ситуациях практического характера.
2. Содержание и структура контрольной работы
Контрольная работа представляет собой реферат, состоящий из четырех указанных ниже разделов:
1. Теоретический вопрос из области сертификационных испытаний.
2. Теоретический вопрос из области экспертизы товаров.
3. Общее практическое задание (Приложение).
4. Индивидуальное задание.
Контрольная работа выполняется по вариантам, которые распределяются между студентами по начальным буквам фамилии следующим образом:
| Номер варианта
|
Начальные буквы фамилии студента
|
| 1
|
А, Б
|
| 2
|
В, Г
|
| 3
|
Д, Е, Ё
|
| 4
|
Ж, З
|
| 5
|
И, Й
|
| 6
|
К
|
| 7
|
Л
|
| 8
|
М
|
| 9
|
Н, О
|
| 10
|
П
|
| 11
|
Р, С
|
| 12
|
Т, У
|
| 13
|
Ф, Х
|
| 14
|
Ц, Ч
|
| 15
|
Ш, Щ
|
| 16
|
Э, Ю
|
| 17
|
Я
|
3. Методические указания к выполнению контрольной работы
Контрольная работа выполняется на основе изучения учебников, учебных пособий по сертификации, товароведению, управлению качеством, экспертизе, специальной литературы, статей, опубликованных в журналах «Вопросы оценки», «Качество, надежность и долговечность продукции», «Кожевенно-обувная промышленность», «Методы менеджмента качества», «Методы оценки соответствия», «Наука и жизнь», «Потребитель», «Сертификация», «Спрос», «Стандарты и качество», «Товарная экспертиза» и др., а также нормативных документов (СТО, СТП, ТУ, Тех. описания) конкретных предприятий.
Контрольная работа должна быть написана аккуратно, разборчиво. Текст контрольной работы необходимо дополнять иллюстрациями, таблицами, схемами. Должен быть приведен список используемой литературы.
На титульном листе указываются: университет, кафедра, учебная дисциплина, фамилия, имя, отчество студента, номер зачетной книжки, дата выполнения работы.
Контрольная работа представляется на кафедру строго в срок согласно календарному графику учебного процесса.
При возврате проверенной, но не зачтенной работы студент должен внести исправления по замечаниям рецензента и сдать работу на повторную проверку вместе с первой рецензией.
Контрольные работы с нарушением перечисленных требований на проверку не принимаются.
Забиваем Сайты В ТОП КУВАЛДОЙ - Уникальные возможности от SeoHammer
Каждая ссылка анализируется по трем пакетам оценки: SEO, Трафик и SMM.
SeoHammer делает продвижение сайта прозрачным и простым занятием.
Ссылки, вечные ссылки, статьи, упоминания, пресс-релизы - используйте по максимуму потенциал SeoHammer для продвижения вашего сайта.
Что умеет делать SeoHammer
— Продвижение в один клик, интеллектуальный подбор запросов, покупка самых лучших ссылок с высокой степенью качества у лучших бирж ссылок.
— Регулярная проверка качества ссылок по более чем 100 показателям и ежедневный пересчет показателей качества проекта.
— Все известные форматы ссылок: арендные ссылки, вечные ссылки, публикации (упоминания, мнения, отзывы, статьи, пресс-релизы).
— SeoHammer покажет, где рост или падение, а также запросы, на которые нужно обратить внимание.
SeoHammer еще предоставляет технологию Буст, она ускоряет продвижение в десятки раз,
а первые результаты появляются уже в течение первых 7 дней.
Зарегистрироваться и Начать продвижение
Собеседование по контрольной работе проводится при приеме зачета по дисциплине.
Объем контрольной работе должен быть не меньше 20 страниц (без учета раздела 3).
4. Варианты контрольных заданий
Вариант 1
1. Проблемы разработки и внедрения технических регламентов. Гармонизация требований.
2. Экспертиза потребительских свойств товара.
3. Приложение.
4. Охарактеризуйте различные методы экспертизы, результаты занесите в таблицу 1, приведите примеры.
Таблица 1
Характеристика различных методов экспертизы
| Методы экспертизы
|
Достоинства метода
|
Недостатки метода
|
Примеры
применения метода
|
| 1. Измерительный
2. Регистрационный
3. Расчетный
4. Социологический
5. Экспериментальный
6. Органолептический
7. Экспертный
|
|
|
|
Вариант 2
1. Российские системы обязательной и добровольной сертификации.
2. Экспертиза свойств надежности товаров.
3. Приложение.
4. Приведите примеры основных логических форм выводов эксперта, результаты занесите в таблицу 2.
Таблица 2
Примеры основных логических форм выводов эксперта
| Логическая форма выводов эксперта
|
Характеристика логической формы выводов эксперта
|
Пример логической формы выводов эксперта
|
| 1. Категорическая
|
|
|
| 2. Вероятностная
|
|
|
| 3. Однозначная
|
|
|
| 4. Альтернативная
|
|
|
| 5. Условная
|
|
|
| 6. Безусловная
|
|
|
| 7. Утвердительная
|
|
|
| 8. Отрицательная
|
|
|
В чем существенное отличие вероятностных выводов и выводов о возможности?
Какая форма выводов наиболее ценна для принятия решений по результатам экспертизы?
Вариант 3
1. Организация деятельности испытательных лабораторий.
2. Таможенная экспертиза товаров.
3. Приложение.
4. Составьте номенклатуру комплексных и единичных показателей качества сложнотехнического изделия (например, стиральной машины). При выполнении задания следует пользоваться каталогами, проспектами фирм-изготовителей, руководствами по эксплуатации, а также мнением потребителей.
Можно также использовать ГОСТ общих технических условий и ГОСТ СПКП на соответствующее изделие.
Следует помнить, что к комплексным показателям качества относятся функциональные (показатели назначения), эргономические, надежность, безопасность, эстетические и др.
При выполнении задания не нужно стараться дать исчерпывающую номенклатуру показателей качества, а следует обозначить наиболее существенные показатели, определяющие потребительский выбор.
В чем отличие комплексных и единичных показателей качества?
Вариант 4
1. Управление качеством сертификационных испытаний.
2. Экспертиза качества культтоваров.
3. Приложение.
Сервис онлайн-записи на собственном Telegram-боте
Попробуйте сервис онлайн-записи VisitTime на основе вашего собственного Telegram-бота:
— Разгрузит мастера, специалиста или компанию;
— Позволит гибко управлять расписанием и загрузкой;
— Разошлет оповещения о новых услугах или акциях;
— Позволит принять оплату на карту/кошелек/счет;
— Позволит записываться на групповые и персональные посещения;
— Поможет получить от клиента отзывы о визите к вам;
— Включает в себя сервис чаевых.
Для новых пользователей первый месяц бесплатно.
Зарегистрироваться в сервисе
4. Обозначьте, какие элементы содержатся в методике испытаний
Вариант 5
1. Особенности применения схем сертификации и схем декларирования соответствия.
2. Экспертиза качества трикотажных изделий.
3. Приложение.
4. Особенности оценки новизны товара
Вариант 6
1. Требования, предъявляемые к аккредитованной испытательной лаборатории.
2. Экспертиза качества товаров бытовой химии.
3. Приложение.
4. Обозначьте показатели экологичности товаров.
Вариант 7
1. Классификация видов безопасности непродовольственных товаров.
2. Экспертиза качества электротоваров.
3. Приложение.
4. Укажите перечень обязательной информации в маркировке продукции.
Вариант 8
1. Основные этапы подготовки и проведения испытаний.
2. Экспертиза качества пушно-меховых товаров.
3. Приложение.
4. Обозначьте виды (способы) фальсификации продукции
Вариант 9
1. Организации по испытаниям (дать характеристику некоторых организаций, занимающихся испытаниями продукции, описать их область аккредитации и проводимые ими испытания).
2. Экспертиза качества кожевенно-обувных товаров.
3. Приложение.
4. Поверка средств измерений и аттестация испытательного оборудования.
Вариант10
1. Система менеджмента качества в испытательной лаборатории.
2. Оценка экологичности товара.
3. Приложение.
4. Обозначьте показатели качества, используемые при экспертизе текстильных материалов, и методы их определения.
Вариант 11
1. Подготовка специалистов в системе сертификации.
2. Особенности экспертизы качества новых товаров.
3. Приложение.
4. Обозначьте показатели качества, используемые при экспертизе швейных изделий, и методы их определения.
Вариант 12
1. Контроль и калибровка (тарирование) измерительного оборудования и инструментальной базы.
2. Ассортиментная экспертиза и ее особенности.
3. Приложение.
4. Обозначьте показатели качества, используемые при экспертизе ювелирных товаров, и методы их определения.
Вариант 13
1. Совершенствование методик испытаний показателей качества товаров.
2. Виды и формы товарной информации и их применение в проведении экспертизы.
3. Приложение.
4. Обозначьте показатели качества, используемые при экспертизе древесно-мебельных товаров, и методы их определения.
Вариант 14
1. Совершенствование методов контроля качества товаров в процессе хранения, транспортирования, реализации.
2. Потребительская экспертиза товаров.
3. Приложение.
4. Обозначьте показатели качества, используемые при экспертизе парфюмерно-косметических товаров, и методы их определения.
Вариант 15
1. Разработка методов и средств обнаружения фальсифицированных товаров.
2. Методы экспертной оценки показателей качества.
3. Приложение.
4. Обозначьте показатели качества, используемые при экспертизе силикатных товаров, и методы их определения.
Вариант 16
1. Методы идентификации и защиты от фальсификации товаров.
2. Методы товарной экспертизы: сущность, достоинства, недостатки.
3. Приложение.
4. Обозначьте показатели качества, используемые при экспертизе строительных и отделочных материалов, и методы их определения.
Вариант 17
1. Организация контроля качества товаров.
2. Особенности проведения количественной и качественной экспертизы товаров.
3. Приложение.
4. Обозначьте показатели качества, используемые при экспертизе транспортных средств, и методы их определения.
Приложение
Задание.
Ознакомьтесь с приведенной информацией, на основании которой составьте заключение эксперта по предложенной ситуации.
Для составления заключения необходимо пользоваться таблицей, в которой первую колонку следует принимать как данную информацию. Вторая колонка таблицы содержит информацию для размышления и указания для составления заключения, ее следует совмещать с информацией первой колонки – таким образом формируются логические выводы.
Ситуация
20 февраля 2006 г. в экспертное учреждение поступило заявление от Куприяновой Н. В. с целью проведения экспертного исследования полупальто мехового женского из шкурок серебристо – черной лисицы прямого силуэта с двумя внешними боковыми карманами, втачными рукавами, отложным воротником, застежкой на крючки, с маркировкой на текстильной ленте, присоединенной к материалу подкладки в верхней части спинки изделия, "EPIRIO GIODAMO ITALY". Длина изделия – 89 см.
Дата покупки изделия - 08 декабря 2005 г; дата предъявления претензии - 15 февраля 2006 г; причина претензии – “выпадывание волосяного покрова, быстрая потеря внешнего вида волосяного покрова”.
На разрешение эксперта поставлены следующие вопросы:
1. Какие дефекты имеет изделие, каковы причины и время их возникновения?
2. Когда имеющиеся в изделии дефекты могли быть выявлены (до продажи, либо в процессе носки)?
Указания для составления заключения.
Таблица
Порядок составления заключения эксперта
| Имеющаяся информация
|
Указания для составления заключения
|
| Этап 1. Составление вводной части заключения
|
|
|
Обозначьте приведенную выше информацию.
|
| Этап 2. Составление исследовательской части заключения
|
| 2.1 Результаты внешнего осмотра изделия
|
| 2.1.1 “Изделие находилось в эксплуатации, о чем свидетельствует…”
|
Сформулируйте признаки, свидетельствующие об эксплуатации изделия
|
| 2.1.2 “В активных зонах изделия, а именно: (…) имеются участки волосяного покрова с ярко выраженной ломкостью направляющих волос”
|
Укажите активные зоны изделия
|
| 2.1.3 “По низу проймы левого рукава имеется нарушение целостности кожевой ткани по ниточному соединительному шву в двух участках, длиной 2,5 и 2 см”.
|
|
| 2.2 Исследование некоторых параметров технологии изготовления изделия органолептическим методом
|
| 2.2.1 “Кожевая ткань шкурок, из которых изготовлено изделие, хорошего качества, естественная, о чем свидетельствует…”
|
Сформулируйте признаки, которые могут указывать на наличие естественной кожевой ткани хорошего качества
|
| 2.2.2 “Нарушение целостности кожевой ткани по ниточному соединительному шву в двух участках, длиной 2,5 и 2 см, по низу проймы левого рукава носит характер разрыва, т. к. …”
|
Как отличить разрыв от разреза?
На что нужно обратить внимание при изучении нарушения целостности кожевой ткани по ниточному шву?
|
| 2.2.3 “По линиям ниточных соединительных швов в активных участках изделия (в том числе по пройме обоих рукав) не имеется упрочнения со стороны кожевой ткани посредством использования прокладочных тканей и бортовой тесьмы”
|
Как это влияет на прочность кожевой ткани?
|
| 2.2.4 “Расстояние между швами, соединяющими части шкурок, или ширина используемых кусочков шкурок имеет в отдельных участках изделия значение менее 1 см”.
|
На что это влияет и какой можно сделать вывод, если известно, что по требованиям п. 1. 15 ТУ 17 - 20 - 05 - 86 “Части и лоскут от выделанных меховых шкурок” расстояние между швами, соединяющими части шкурок, не должно быть менее 1 см?
|
| 2.3 Исследование волосяного покрова органолептическим методом
|
| 2.3.1 “Имеется ломкость и теклость волосяного покрова ”
|
Как можно установить ломкость и теклость волосяного покрова органолептическим методом?
|
| 2.3.2 “Ломкость направляющих волос происходит преимущественно по светлому участку волоса, соответствующего его средней зоне, даже при слабом натяжении волоса”
|
Может ли это указывать на наличие деструкции (разрушения структуры) направляющих волос по светлому участку волоса?
|
| 2.3.3 “Для подтверждения (опровержения) наличия деструкции волос и изучения причины ее возникновения необходимо провести ”
|
Какое исследование необходимо для подтверждения (опровержения) наличия деструкции и изучения причины ее возникновения, если анализ структуры объекта возможен только при увеличении не менее чем в 200 крат исследуемого объекта?
|
| 2.4 Микроскопическое исследование волос
|
| 2.4.1 “Перед проведением микроскопического исследования волос специалистом были поставлены следующие задачи: …”
Для проведения исследования были подготовлены снимки исследуемых волос.
|
Сформулируйте задачи микроскопического исследования волос:
1) По отношению к микроструктуре исследуемых волос;
2) По отношению к причине деструкции волос (если таковая установлена);
3) По отношению к характеру воздействия, результатом которого стала деструкция волос с последующей ломкостью;
4) По отношению к времени происхождения деструкции;
|
| 2.4.2 “Образцы для микроскопического исследования готовились по следующей методике:
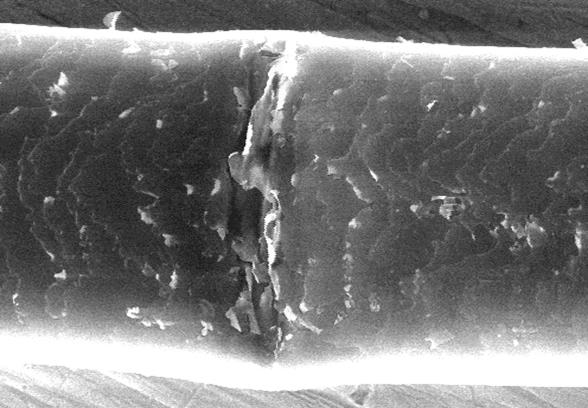
Микроскопическому исследованию были подвергнуты только поврежденные направляющие волосы и их части, выпавшие с различных участков изделия в результате встряхивания изделия над листом белой бумаги без применения каких - либо целенаправленных внешних воздействий со стороны эксперта. Выбор волос для исследования производился путем случайной выборки пяти образцов среди выпавших волос и их частей на лист белой бумаги после встряхивания изделия. Выбранные образцы волос помещались на держатель образцов и фиксировались на поверхности с помощью серебряной пасты (клея). Затем, для придания электропроводности, образцы напылялись тончайшим слоем меди (толщиной примерно 0,05 микрона) в вакуумной установке. Подготовленные таким образом образцы помещались в растровый электронный микроскоп. Съемка изображений осуществлялась с разных участков волос в диапазоне увеличений от 200 до 2000 крат, что позволило детально изучить структуру объекта. Исследованию подвергнуты четыре светлые зоны волос, так как излом волоса приходится именно на его светлый участок, и одна темная зона волоса. Светлые зоны исследуемых волос представлены на снимках №№ 1, 2, 3, 4, темная зона – на снимке № 5.
|
Опишите методику подготовки образцов для микроскопического исследования.
|
| 2.4.3 “Результаты микроскопического исследования: …”
|
1) Изучите снимки №№ 1, 2, 3, 4, 5 и определите, имеются ли признаки деструкции кутикулы исследуемых волос? Если да, то перечислите их.
Известно, что строению волос серебристо-черной лисицы присущи правильная шишкообразная ячеистая структура кутикулы волоса и ровные края ячеек;
2) Какие могут быть внешние воздействия, способствующие разрушению микроструктуры волос? Перечислите их.
|
| 3) Рассмотрите версию механического воздействия
|
Известно, что при механическом повреждении структуры волоса стержень волоса имеет неровные, изогнутые границы и продольные трещины, а область повреждения деформирована (сплющена), края повреждения либо ровные и находятся на одном уровне (при разрезе), либо вытянуты с различным уровнем положения волокон (при разрыве). Имеются ли эти признаки на исследуемых волосах?
|
| 4) Рассмотрите версию воздействия воды на исследуемые волосы
|
Известно, что при длительном действии воды происходит набухание и расслоение клеток кутикулы, отхождение их от коркового слоя волоса, происходит потемнение кожевой ткани, появление ее разрыхленности, а затем чрезмерной жесткости, ломкости.
Имеются ли эти признаки?
|
| 5) Рассмотрите версию воздействия температуры на исследуемые волосы
|
Известно, что начальные признаки деструктивных изменений волос при действии температуры становятся заметными при температуре 140 - 150 градусов по шкале Цельсия, сваривание (съеживание) кожевой ткани происходит уже при температуре 55 градусов по шкале Цельсия.
Могло ли иметь место воздействие раскаленного предмета (например, утюга) на исследуемые волосы, если при этом происходит заметное потемнение волос, появление их тусклости, скручивания кончиков, а на поверхности стержня волоса появляются заметные пузырьки, стержень волоса деформируется, границы его приобретают неправильную форму?
|
| 6) Рассмотрите версию воздействия на исследуемые волосы процесса гниения
|
Известно, что кератин волоса более стоек к разрушению, по сравнению с коллагеном кожевой ткани
|
| 7) Рассмотрим версию поверхностного воздействия химических веществ
|
Имеет ли основания версия поверхностного воздействию химических веществ, направленного именно на светлый участок волоса, находящийся в средней части волоса?
|
| 8) Проведите анализ двух версий: химического воздействие на волосяной покров изделия до эксплуатации его потребителем и химического воздействие на волосяной покров изделия в процессе эксплуатации изделия потребителем.
|
Известно, что в процессе производства, в частности при облагораживании волосяного покрова с целью создания наиболее выраженного эффекта зонарной окраски, присущей меху серебристо - черной лисицы, происходит воздействие химических веществ (окислителей, щелочей) на средний участок волоса.
О чем свидетельствует наличие сильно выраженного эффекта ломкости волосяного покрова?
|
| 2.4.4 “Выводы по результатам микроскопического исследования волос”
|
Сформулируйте выводы по результатам микроскопического исследования волос
|
| Этап 3. Составление заключения эксперта
Сформулируйте заключение эксперта, ответив на поставленные вопросы
|
| Снимки светлой зоны волоса
|
|

       
Снимок 1 | * 800 S.E 100 mm
Снимки светлой зоны волоса
|
|

       
Снимок 2
 | * 800 S.E 100 mm
Снимки светлой зоны волоса
|
|
       
Снимок 3 | * 800 S.E 100 mm
Снимки светлой зоны волоса
|
|


       
Снимок 4 | Снимки темной зоны волоса
|
|
 
       
Снимок 5 |