| 
 
| Содержание
|
Лист
|
| Введение
|
4
|
| 1 Назначение
|
4
|
| 2 Технические данные
|
5
|
| 3 Комплект поставки
|
7
|
| 4 Устройство и обеспечение взрывозащищенности газоанализатора
|
7
|
| 5 Маркирование и пломбирование
|
10
|
| 6 Тара и упаковка
|
11
|
| 7 Общие указания
|
12
|
| 8 Указания мер безопасности
|
12
|
| 9 Порядок работы, обеспечение взрывозащищенности при эксплуатации
|
12
|
| 10 Характерные неисправности
|
17
|
| 11 Техническое обслуживание
|
17
|
| 12 Поверка газоанализатора
|
19
|
| 13 Правила хранения
|
25
|
| 14 Транспортирование
|
25
|
| 15 Свидетельство о приемке
|
25
|
| 16 Свидетельство о первичной поверке
|
25
|
| 17 Гарантии изготовителя
|
26
|
| Приложение А. Схема подачи газовоздушной смеси
|
27
|
| Приложение Б. Содержание драгоценных металлов
|
27
|
| Приложение В Протокол поверки
|
28
|
ВВЕДЕНИЕ
Настоящий паспорт (ПС), объединенный с техническим описанием и инструкцией по эксплуатации, предназначен для ознакомления с газоанализатором ФП 11.2к (далее по тексту газоанализатор) измерительным прибором взрывозащищенного исполнения с цифровой индикацией, световой и звуковой сигнализацией и встроенным микронасосом.
ПС содержит описание устройства и принцип действия газоанализатора, а также технические характеристики и сведения, необходимые для обеспечения его правильной эксплуатации.
1 НАЗНАЧЕНИЕ
1.1 Газоанализатор предназначен для измерения объемной доли одного из горючих газов метана или пропана в воздухе и выдачи звуковой и световой сигнализации при превышении установленных пороговых значений объемной доли газов.
Газоанализатор применяется для контроля загазованности воздуха в производственных помещениях, колодцах, подвалах, скважинах и т.д., в которых возможно образование взрывоопасных смесей газов категорий IIА, IIВ, IIС, групп Т1...Т5 по ГОСТ 30852.0.
1.2 Газоанализатор изготовлен в климатическом исполнении УХЛ 3.1** по ГОСТ 15150 и предназначен для эксплуатации при температуре воздуха от минус 20 до 50 о
С, атмосферном давлении от 84,0 до 106,7 кПа и относительной влажности воздуха до 98 % при температуре 25 о
С.
1.3 Газоанализатор имеет следующие степени защиты персонала от соприкосновения с находящимися под напряжением частями и от попадания внутрь твердых посторонних тел и воды по ГОСТ 14254 (МЭК 529):
- для электронного блока - IP20;
Забиваем Сайты В ТОП КУВАЛДОЙ - Уникальные возможности от SeoHammer
Каждая ссылка анализируется по трем пакетам оценки: SEO, Трафик и SMM.
SeoHammer делает продвижение сайта прозрачным и простым занятием.
Ссылки, вечные ссылки, статьи, упоминания, пресс-релизы - используйте по максимуму потенциал SeoHammer для продвижения вашего сайта.
Что умеет делать SeoHammer
— Продвижение в один клик, интеллектуальный подбор запросов, покупка самых лучших ссылок с высокой степенью качества у лучших бирж ссылок.
— Регулярная проверка качества ссылок по более чем 100 показателям и ежедневный пересчет показателей качества проекта.
— Все известные форматы ссылок: арендные ссылки, вечные ссылки, публикации (упоминания, мнения, отзывы, статьи, пресс-релизы).
— SeoHammer покажет, где рост или падение, а также запросы, на которые нужно обратить внимание.
SeoHammer еще предоставляет технологию Буст, она ускоряет продвижение в десятки раз,
а первые результаты появляются уже в течение первых 7 дней.
Зарегистрироваться и Начать продвижение
- для блока аккумуляторной батареи - IP54 (категория 2).
1.4 Газоанализатор выполнен с видами взрывозащиты «Искробезопасная электрическая цепь», «Специальный», «Взрывонепроницаемая оболочка», имеет уровень взрывозащиты «взрывобезопасный», маркировку взрывозащиты 1Ex[ib]dsIICT5, соответствует требованиям ГОСТ 30852.0, ГОСТ 30852.1, ГОСТ 30852.10 и может эксплуатироваться во взрывоопасных зонах помещений и наружных установок согласно гл.7.3 «Правил устройства электроустановок» (ПУЭ) и другим нормативным документам, регламентирующим применение электрооборудования во взрывоопасных зонах.
1.5 Калибровка газоанализатора производится на два газа (метан и пропан).
2 ТЕХНИЧЕСКИЕ ДАННЫЕ
2.1 Технические данные и основные параметры газоанализатора приведены в таблице 2.1.
Таблица 2.1
| Наименование
|
Значение параметра
|
| Диапазон показаний:
- объемная доля СН4,
%
- объемная доля С3
Н8,
%
|
0 –5,00
0 – 2,00
|
| Диапазон измерений:
- объемная доля СН4,
%
- объемная доля С3
Н8,
%
|
0 – 2,50
0 – 1,00
|
| Порог срабатывания сигнализации:
- объемная доля СН4,
%
- объемная доля С3
Н8,
%
|
1,00
0,40
|
| Пределы допускаемой основной абсолютной погрешности:
- объемная доля СН4,
%
- объемная доля С3
Н8,
%
|
±0,25
±0,10
|
| Пределы допускаемой абсолютной погрешности срабатывания сигнализации
- объемная доля СН4,
%
- объемная доля С3
Н8,
%
|
±0,05
±0,02
|
Продолжение таблицы 2.1
| Пределы дополнительной абсолютной погрешности газоанализатора от изменения на каждые 10°С температуры окружающей и контролируемой среды:
- объемная доля СН4,
%
- объемная доля С3
Н8,
%
|
±0,05
±0,02
|
| Время выхода на 90 % значение показаний, с, не более
|
10
|
| Время прогрева, с, не более
|
20
|
| Интервал времени работы без корректировки показаний, ч, не менее
|
8
|
| Время непрерывной работы с автономным источником питания, ч, не менее
|
8
|
| Напряжение холостого хода искробезопасной электрической цепи, В, не более
|
5,8
|
| Ток короткого замыкания, А, не более
|
0,6
|
| Напряжение питания, В
|
от 4,2 до 5,8
|
| Потребляемая мощность, ВА, не более
|
3
|
| Номинальная производительность микронасоса, л/мин, не менее
|
0,3
|
| Масса, г, не более
|
430
|
| Габаритные размеры, мм, не более
|
35х60х185
|
Примечание – Порог срабатывания сигнализации по требованию заказчика может быть изменен
2.2 Номинальная цена единицы наименьшего разряда цифровой индикации 0,01 %.
2.3 Средняя наработка газоанализатора на отказ не менее 30000 ч.
2.4 Средний срок службы газоанализатора не менее 10 лет.
2.5 Питание газоанализатора осуществляется от аккумуляторных батарей типа 4/5 Ni-MH 1800 MAH.
Сервис онлайн-записи на собственном Telegram-боте
Попробуйте сервис онлайн-записи VisitTime на основе вашего собственного Telegram-бота:
— Разгрузит мастера, специалиста или компанию;
— Позволит гибко управлять расписанием и загрузкой;
— Разошлет оповещения о новых услугах или акциях;
— Позволит принять оплату на карту/кошелек/счет;
— Позволит записываться на групповые и персональные посещения;
— Поможет получить от клиента отзывы о визите к вам;
— Включает в себя сервис чаевых.
Для новых пользователей первый месяц бесплатно.
Зарегистрироваться в сервисе
2.6 Возможна настройка и диагностика газоанализатора с помощью инфракрасного адаптера IR TecAd, поставляемого отдельно.
3 КОМПЛЕКТ ПОСТАВКИ
3.1 Комплект поставки газоанализатора указан в таблице 3.1.
Таблица 3.1
| Наименование
|
Обозначение
|
Количество, шт
|
| Газоанализатор
|
ПР04-12.00.000
|
1
|
| Штанга заборная
|
ПР15.09.00.000
|
1
|
| Зарядное устройство
|
AC/DC ES18E12
|
1
|
| Чехол
|
ПР52.10.00.000-01
|
1
|
| Паспорт
|
100162047.021-01ПС
|
1
|
| Упаковка
|
ПР15.05.01.200
|
1
|
4 УСТРОЙСТВО И ОБЕСПЕЧЕНИЕ ВЗРЫВОЗАЩИЩЕННОСТИ ГАЗОАНАЛИЗАТОРА
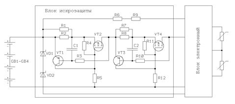
4.1 В основе работы газоанализатора лежит принцип регистрации изменения сопротивления термокаталитического сенсора при воздействии на него газа.
4.2 Конструктивно газоанализатор состоит из металлического корпуса с размещенными внутри него платами, отсека питания, блока искрозащиты и термокаталитическим сенсором.
4.3 Взрывозащищенность газоанализатора обеспечивается видами взрывозащиты “Искробезопасная электрическая цепь i” по ГОСТ 30852.10 и “Взрывонепроницаемая оболочка” по ГОСТ 30852.1.
Вид взрывозащиты “Искробезопасная электрическая цепь i” достигается включением в выходные цепи аккумуляторной батареи ограничителя тока и выбором элементов электронной схемы газоанализатора в соответствии с ГОСТ 30852.10.
Ограничение тока в цепи питания осуществляется дублированными блоками токоограничения, выполненными на элементах VT1-VT4. В цепь заряда аккумуляторной батареи включены диоды VD1, VD2. В цепь контроля напряжения аккумуляторной батареи включен резисторы R6, R9 (рисунок 4.1)

Рисунок 4.1
Элементы ограничителя тока залиты термореактивным компаундом при выполнении следующих требований:
- минимальная высота заливки над токоведущими частями составляет 3 мм;
- на поверхности заливки раковины, пузыри и усадочные тяги допустимы не более 0,5 мм;
- температура наружной поверхности заливки не превышает допустимую для температурного класса Т5, а температура залитых элементов не менее чем на 20 °С ниже рабочей температуры компаунда;
- залитый компаундом ограничитель тока выдерживает без пробоя и поверхностных разрядов испытательное напряжение 500 В.
Взрывозащищенность аккумуляторной батареи газоанализатора обеспечивается следующими средствами:
- аккумуляторы размещены в неразборном отсеке питания, исключающем их возможное замыкание между собой;
- отсек питания имеет степень защиты от внешних воздействий не ниже IP54 по ГОСТ 14254;
- межконтактные соединения аккумуляторов искробезопасны;
- аккумуляторная батарея имеет высокую степень механической прочности по ГОСТ 30852.0, обеспечиваемую метеллическим корпусом газоанализатора.
Термокаталитический сенсор ГС-1Ех выполнен с видом взрывозащиты “Взрывонепроницаемая оболочка”.
Чувствительный элемент сенсора, нагреваемый до 500 °С, заключен во взрывонепроницаемую оболочку, состоящую из колпачка, выполненного из спеченного титанового порошка, и основания.
Оболочка сенсора выдерживает давление взрыва и исключает передачу взрыва в окружающую среду.
Температура наружной поверхности оболочки сенсора в наиболее нагретых местах не превышает допустимой для температурного класса Т5.
Сенсор защищен от механических повреждений металлическим корпусом, обеспечивающим высокую степень его механической прочности по ГОСТ 30852.0.
На лицевой панели газоанализатора имеется предупредительная надпись “Во взрывоопасной зоне не вскрывать”.
Газоанализатор имеет маркировку взрывозащиты 1Ex[ib]dsIICT5 .
5 МАРКИРОВАНИЕ И ПЛОМБИРОВАНИЕ
5.1 Маркировка газоанализатора должна содержать
5.1.1 При поставках в Беларусь и Россию на лицевой панели:
- товарный знак предприятия-изготовителя;
- условное обозначение;
- номер по системе нумерации изготовителя;
- обозначение технических условий;
- год изготовления;
- химическую формулу измеряемого компонента
- маркировку взрывозащиты 1Ex[ib]dIIСТ5;
- надпись «Сделано в Беларуси»;
- знак Государственного реестра средств измерений РБ по СТБ 8001;
- знак Государственного реестра средств измерений страны-импортера (для сигнализаторов, поставляемых на экспорт);
- степень защиты оболочки IP20 по ГОСТ 14254;
- температуру окружающей среды (ta): -20 °C<ta<+50 °C;
- надпись ВО ВЗРЫВООПАСНОЙ ЗОНЕ НЕ ВСКРЫВАТЬ.
- знак испытательной организации.
Маркировна газоанализатора на аккумуляторной батарее:
- количество и типы источников питания;
- выходное напряжение Uхх ;
- ток короткого замыкания Iкз ;
- маркировку степени защиты оболочки блока аккумуляторов IP54;
5.1.2 При поставках в Украину на лицевой панели:
- товарный знак предприятия-изготовителя;
- условное обозначение;
- номер по системе нумерации изготовителя;
- обозначение технических условий;
- год изготовления;
- химическую формулу измеряемого компонента;
- маркировку взрывозащиты 1ExibdsIIСТ5;
- надпись «Сделано в Беларуси»;
- знак Государственного реестра средств измерений РБ по СТБ 8001;
- знак Государственного реестра средств измерений страны-импортера;
- степень защиты оболочки IP20 по ГОСТ 14254;
- надпись ВО ВЗРЫВООПАСНОЙ ЗОНЕ НЕ ВСКРЫВАТЬ.
- знак испытательной организации.
Маркировна сигнализатора на аккумуляторной батарее:
- количество и типы источников питания;
- выходное напряжение Uxx ;
- ток короткого замыкания I кз;
маркировку степени защиты оболочки блока аккумуляторов IP54;
5.2 Газоанализатор пломбируется на предприятии-изготовителе перед предъявлением прибора государственному поверителю.
6 ТАРА И УПАКОВКА
6.1 Газоанализаторы, зарядные устройства и принадлежности должны быть уложены в транспортные ящики из гофрированного картона.
6.2 Эксплуатационная и товаросопроводительная документация должна быть вложена в отдельные пакеты из пленки полиэтиленовой. Швы пакетов должны быть заварены.
6.3 При условии самовывоза с предприятия-изготовителя допускается транспортирование единичных экземпляров газоанализаторов без упаковки при соблюдении требований, предъявляемых к эксплуатации прибора.
7 ОБЩИЕ УКАЗАНИЯ
7.1 После распаковки и внешнего осмотра газоанализатора, необходимо сверить его комплектность с данными раздела 3 настоящего паспорта.
7.2 На всех стадиях эксплуатации прибор следует оберегать от ударов.
7.3 Аккумуляторы поставляются незаряженными, поэтому перед включением прибора необходимо произвести заряд аккумуляторной батареи.
8 УКАЗАНИЯ МЕР БЕЗОПАСНОСТИ
8.1 К эксплуатации газоанализатора допускаются лица, ознакомившиеся с его эксплуатационными документами и изучившие "Правила безопасности в газовом хозяйстве".
8.2 При эксплуатации прибора запрещается:
1) нарушать пломбировку и выворачивать винты;
2) устранять неисправности вне специализированной организации;
3) эксплуатировать газоанализатор, имеющий механические повреждения или нарушения пломбировки;
4) производить замену или заряд аккумуляторов во взрывоопасных зонах;
5) попадание жидкости в газозаборный тракт прибора.
8.3 При работе с баллонами с газовыми смесями необходимо руководствоваться “Правилами устройства и безопасности эксплуатации сосудов, работающих под давлением”, ПБО3-576-03.
8.4 Срочность работы или другие причины не являются основанием для нарушения правил техники безопасности.
9 Порядок работы, обеспечение взрывозащищенности при эксплуатации
9.1 Перед началом работы с газоанализатором во взрывоопасной зоне необходимо проверить:
- наличие маркировки взрывозащиты;
- целостность корпуса прибора;
- наличие и целостность всех крепежных элементов и узлов;
- наличие и целостность пломбировки.
Эксплуатация газоанализатора с поврежденными деталями, элементами и нарушенной пломбировкой запрещается.
9.2 Газоанализатор эксплуатируется одним оператором.
9.3 Перед работой убедиться в достаточности заряда аккумуляторной батареи и при необходимости произвести ее подзарядку. Уровень заряда отображается 12 сегментной “линейкой” в верхней части цифрового индикатора (рисунок 9.2).
9.3.1 Для проведения заряда аккумуляторной батареи необходимо включить в сеть 220 В зарядное устройство, входящее в состав комплекта поставки.
9.3.2 Вставить в гнездо, расположенное на задней крышке газоанализатора штекер зарядного устройства, при этом газоанализатор переходит в режим заряда не в зависимости от его начального состояния, был ли он выключен, или находился в состоянии измерения. На цифровом индикаторе отображается надпись " Ab ".
9.3.3 В процессе заряда на цифровом индикаторе отображается периодически возрастающее значение 12 сегментной “линейки” и включается прерывистая световая индикация. Допускается нагревание нижней части газоанализатора.
9.3.4 Заряд аккумуляторной батареи отключается автоматически. Время заряда составляет не более 8 часов. По окончанию заряда на цифровом индикаторе отображается надпись " 3Ab " , 12 сегментная линейка заполнена полностью и включается постоянная световая индикация. После чего нужно вынуть штекер из гнезда заряда газоанализатора, отключить зарядное устройство от сети.
9.3.5 Если после подключения зарядного устройства или в процессе заряда на цифровом индикаторе отображается надпись " EAb " и 12 сегментная “линейка” чиста, то это говорит о неисправности аккумуляторной батареи или цепи заряда.
ВНИМАНИЕ! Замена аккумуляторной батареи производится в специализированной организации.
9.4 Включение газоанализатора осуществляется нажатием кнопки "ВКЛ". После включения газоанализатора должен быть слышен звук работающего микронасоса. При этом на цифровом индикаторе газоанализатора отображается надпись " - - - " и включается постоянный звуковой сигнал (рисунок 9.1). Кнопку "ВКЛ" необходимо удерживать до отключения постоянного звукового сигнала (приблизительно 3 секунды).
В процессе работы газоанализатора, после нажатия на любую кнопку, включается подсветка цифрового индикатора на время равное 30 секунд.

Рисунок 9.1
После этого газоанализатор переходит в режим измерения концентрации и на цифровом индикаторе отображается значение объемной доли измеряемого газа, выраженное в % (рисунок 9.2).

Рисунок 9.2
При необходимости произвести подстройку нуля, для чего:
1) на воздухе, не содержащем горючих газов, перевести газоанализатор в режим “ПОДСТРОЙКА НУЛЯ”. Для этого необходимо при нажатой кнопке "ОТКЛ" включить газоанализатор. После появления на индикаторе надписи " 0 - - " отпустить кнопки (рисунок 9.3);

Рисунок 9.3
2) набрать пароль - "428". Изменение значения в разряде осуществляется кнопкой "ОТКЛ", ввод значения разряда - кнопкой "ВКЛ". В случае неправильного ввода пароля газоанализатор автоматически выключается;
3) после ввода пароля в течение 20 с на цифровом индикаторе газоанализатора установится постоянное цифровое значение;
4) нажать кнопку "ОТКЛ". Прибор переходит в режим измерения.
9.5 При достижении концентрацией контролируемого газа установленного порога сигнализации включаются прерывистые звуковая и световая сигнализации.
9.6 При превышении концентрацией контролируемого газа верхней границы диапазона показаний на индикаторе отображается надпись " – П – " (рисунок 9.4), включаются постоянные звуковая и световая сигнализации.

Рисунок 9.4
9.7 При разряде аккумуляторной батареи происходит сброс индикации измеряемой концентрации, на индикаторе отображается надпись " Р " , 12 сегментная “линейка” чиста (рисунок 9.5), и включается прерывистый кратковременный звуковой сигнал. При дальнейшем разряде аккумуляторной батареи питание газоанализатора отключается автоматически.

Рисунок 9.5
9.8 Отключение газоанализатора осуществляется нажатием кнопки "ОТКЛ". Кнопку "ОТКЛ" необходимо удерживать до отключения цифровой индикации.
9.9 Для переключения газоанализатора между анализируемыми газами необходимо:
1) при нажатой кнопке "ОТКЛ" включить газоанализатор. После появления на индикаторе надписи " 0 - - " отпустить кнопки (рисунок 9.3);
2) набрать пароль - "111". Изменение значения в разряде осуществляется кнопкой "ОТКЛ", ввод значения разряда - кнопкой "ВКЛ" . В случае неправильного ввода пароля газоанализатор автоматически выключается;
3) кнопкой "ОТКЛ" выбрать необходимый газ (рисунок 9.6), кнопкой "ВКЛ" зафиксировать выбор, после чего газоанализатор выключается.

Рисунок 9.6
9.10 Эксплуатация газоанализатора должна производиться в соответствии с гл. 7.3 ПУЭ и гл. 3.4 «Правил эксплуатации электроустановок потребителей» (ПЭЭП).
9.11 Газоанализатор может использоваться как без штанги заборной, так и со штангой заборной.
Для подсоединения штанги заборной к газоанализатору необходимо штуцер штанги завернуть в газозаборное отверстие газоанализатора, находящееся на верхней крышке газоанализатора. В процессе эксплуатации штанги заборной необходимо периодически по мере загрязнения производить очистку фильтров, установленных в ручке штанги заборной.
10. ХАРАКТЕРНЫЕ НЕИСПРАВНОСТИ
10.1 Устранение неисправностей необходимо производить в специализированной организации в соответствии с инструкцией по ремонту и настройке и РД16.407 "Электрооборудование взрывозащищенное. Ремонт".
10.2 Перечень характерных неисправностей газоанализатора приведен в таблице 10.1.
Таблица 10.1
| Характерные неисправности
|
Способы устранения неисправно-стей
|
| На индикаторе отображается сообщение
«А01», «А20», «А40»
|
Ремонт в специализированной организации
|
| Погрешность газоанализатора выходит за установленные пределы
|
| Отсутствие светового или звукового сигнала при проверке срабатывания сигнализации
|
| Отсутствует характерный звук работы микронасоса
|
| При заряде аккумуляторной батареи на индикаторе отображается сообщение «EАb»
|
10.3 Корректировка чувствительности газоанализатора, если погрешность газоанализатора выходит за установленные пределы производится только в специализированной организации.
11 ТЕХНИЧЕСКОЕ ОБСЛУЖИВАНИЕ
11.1 Техническое обслуживание проводится с целью поддержания газоанализатора в постоянной готовности к работе с обеспечением требуемых параметров и технических характеристик.
11.2 Перед работой убедиться в том, что аккумуляторная батарея заряжена. При необходимости провести подзаряд аккумуляторной батареи.
11.3 При работе с прибором рекомендуется один раз в месяц производить проверку на срабатывание световой и звуковой сигнализации путем подачи на газозаборный тракт прибора газовоздушной смеси известной концентрации из табл. 12.3 (например ПГС № 2 или 2а) .
Отсутствие одного из сигналов (светового или звукового) свидетельствует о неисправности прибора.
11.4 В процессе эксплуатации газоанализатора рекомендуется периодически контролировать и, по мере загрязнения, производить очистку (промывку) фильтров, установленных в газозаборном тракте прибора.
11.5 Проверку работоспособности газоанализатора рекомендуется проводить не реже одного раза в два месяца следующим образом:
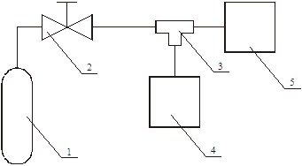
11.5.1 Собрать схему подачи газовоздушной смеси согласно приложению А.
11.5.2 Подсоединить к установке газоанализатор, включить его в соответствии с п.9.4 настоящего паспорта.
11.5.3 Подсоединить к установке баллон с ПГС. Для метана ПГС №2, для пропана ПГС №2а.
11.5.4 Открыть вентиль баллона. Установить на выходном манометре редуктора БКО-50-2 давление равное 0,4 МПа.
11.5.5 Вентилем точной регулировки ВТР установить расход газовой смеси таким образом, чтобы по ротаметру фиксировался небольшой сброс избытка ПГС.
11.5.6 Через 20 с зафиксировать значения, отображаемые на индикаторе газоанализатора.
11.5.7 Рассчитать основную абсолютную погрешность , DС, %, газоанализатора по формуле:
DС = СФП
- СПГС
, (11.1)
где СФП
- значение концентрации, отображаемое на цифровом индикаторе газоанализатора, %;
СПГС
- значение концентрации по паспорту на ПГС, %.
11.5.8 Газоанализатор считается работоспособным, если основная абсолютная погрешность газоанализатора находится в пределах ± 0,25 % (для метана), ± 0,10 % (для пропана).
12 ПОВЕРКА ГАЗОАНАЛИЗАТОРА
12.1 Газоанализатор должен подвергаться обязательной поверке в органах государственной метрологической службы при выпуске из производства и в процессе эксплуатации.
Для газоанализаторов эксплуатируемых на территории РБ периодическая поверка газоанализатора проводится через межповерочный интервал, который составляет не более 6 месяцев (в соответствии с приложением А СТБ 8003).
Периодическая поверка газоанализаторов, поставляемых в Россию, проводится согласно нормативным техническим правовым актам Российской Федерации. Межповерочный интервал составляет 12 месяцев.
Периодическая поверка газоанализатора, поставляемого на экспорт, производится согласно нормативным документам страны-импортера.
Внеочередная поверка производится после ремонта или хранения, если срок хранения превышает половину межповерочного интервала.
12.2 При проведении поверки должны выполняться операции, указанные в таблице 12.1.
12.3 При проведении поверки должны применяться средства, указанные в таблице 12.2 и поверочные газовые смеси, приведенные в таблице 12.3.

Таблица 12.2
| Наименование средств поверки
|
Тип
|
Обозначение документа на поставку
|
Основные параметры
|
| Баллоны стальные
|
-
|
ГОСТ 949
|
Емкость (2-40)х10-3
м3
|
| Редуктор кислородный
|
БКО-50-2
|
ГОСТ13861
|
0-20 МПа
|
| Вентиль точной регулировки
|
ВТР
|
АПИ4.463.002
|
0-2,16 .
10-3
м3
/с
|
| Трубка (тройник)
|
ТС-Т-6
|
ГОСТ 25336
|
-
|
| Шланг соединительный полихлорвиниловый
|
ПВХ-3,5х0,8
|
ТУ 64-05838972-5
|
Æ3,5 мм (внутренний)
|
| Ротаметр
|
РМ-А-0,063Г
|
ГОСТ 13045
|
0 – 0,063 м3
/ч
|
| Секундомер
|
СОС Пр-2-2
|
-
|
0 – 60 мин
|
| Гигрометр психрометрический
|
ВИТ-1
|
-
|
0-25, градус
|
| Барометр анероид
|
БАММ-1
|
ГОСТ
|
75-106,5 кПа
|
| Примечание – Допускается использование другой аппаратуры при условии сохранения класса точности и пределов измерений
|
Таблица 12.3
| Номер газовой смеси
|
Наименование компонентов
|
Объёмная доля анализируемого газа, %
|
Пределы допускаемого отклонения
|
Пределы допускаемой погрешности
|
| ПГС №1
|
Воздух кл.0
|
─
|
─
|
─
|
| ПГС №2
|
CH4
- воздух
|
1,40
|
± 0,15
|
± 0,08
|
| ПГС №3
|
CH4
- воздух
|
2,50
|
± 0,15
|
± 0,08
|
| ПГС №2а
|
C3
H8
- воздух
|
0,56
|
± 0,03
|
± 0,03
|
| ПГС №3а
|
C3
H8
- воздух
|
1,00
|
± 0,05
|
± 0,03
|
| Примечание:
В качестве ПГС №1 допускается использовать воздух помещений,
атмосфера которых не содержит горючих примесей.
|
12.4 Требования к квалификации поверителя
12.4.1 К проведению измерений при поверке и (или) обработке результатов измерений допускаются лица, имеющие удостоверение на право поверки.
12.5 Требования безопасности
12.5.1 При проведении поверки должны соблюдаться требования раздела 8 настоящего паспорта.
12.5.2 Помещения, в которых проводится поверка, должны быть оборудованы приточно-вытяжной вентиляцией.
12.6 Условия поверки
12.6.1 При проведении поверки должны соблюдаться следующие условия:
- температура окружающего воздуха - (20 ± 5) °С;
- относительная влажность воздуха - от 30 до 90 %;
- атмосферное давление - 84 - 106,7 кПа.
12.6.2 Содержание вредных веществ в атмосфере помещений, где проводится поверка, должно быть в пределах санитарных норм.
12.7 Подготовка к поверке
12.7.1 Перед проведением поверки должна быть собрана схема подачи газовоздушной смеси в соответствии с приложением А.
12.7.2 Газоанализатор должен быть подготовлен к работе согласно раздела 9 настоящего паспорта.
12.7.3 Перед проведением поверки баллоны с поверочными газовыми смесями должны быть выдержаны в помещении, где проводится поверка, до выравнивания их температуры с температурой помещения.
12.8 Проведение поверки
12.8.1 При проведении внешнего осмотра должно быть установлено соответствие газоанализатора следующим требованиям:
1) наличие свидетельства о последней поверке или отметки в паспорте;
2) отсутствие дефектов, нарушающих сохранность маркировки;
3) отсутствие повреждений, следов коррозии и загрязнений.
12.8.2 Опробование газоанализатора.
12.8.2.1 Включение газоанализатора осуществляется нажатием "ВКЛ" (рисунок 9.1). После включения газоанализатора должен быть слышен звук работающего микронасоса.
12.8.2.2 На цифровом табло газоанализатора должно отображаться значение индикации, в зависимости от выбранного газа :
- (0,00 ± 0,12) % для метана;
- (0,00 ± 0,05) % для пропана.
При необходимости произвести подстройку нуля, как указано в п. 9.4 паспорта.
12.8.3 Определение метрологических характеристик.
12.8.3.1 Проверку основной абсолютной погрешности газоанализатора следует проводить следующим образом:
12.8.3.1.1 Собрать схему подачи газовоздушной смеси, приведенную в приложении А.
12.8.3.1.2 Подсоединить к установке газоанализатор, включить и выдержать его во включенном состоянии не менее 20 с.
12.8.3.1.3 Подсоединить к установке баллон с ПГС №1.
12.8.3.1.4 Вентилем точной регулировки установить расход газовой смеси таким образом, чтобы по ротаметру фиксировался небольшой сброс избытка ПГС.
12.8.3.1.5 Через 20 с зафиксировать значения, отображаемые на индикаторе прибора.
Рассчитать основную абсолютную погрешность DС, %, газоанализатора по формуле:
DС = СФП
- СПГС
, (12.1)
где СФП
- значение концентрации, отображаемое на цифровом индикаторе газоанализатора, %;
СПГС
- значение концентрации по паспорту на ПГС, %.
12.8.3.1.6 Подсоединить к установке баллон с ПГС №2 для метана, ПГС №2а для пропана.
12.8.3.1.7. Выполнить операции по п.12.8.3.1.4 - 12.8.3.1.5
12.8.3.1.8 Подсоединить к установке баллон с ПГС №3 для метана (ПГС №3а для пропана). Выполнить операции по п.12.8.3.1.4 - 12.8.3.1.5
12.8.3.1.9 Операции по п.п.12.8.3.1.3 - 12.8.3.1.8 повторить не менее трех раз для каждой из поверочных газовых смесей.
Газоанализатор считается выдержавшим испытание, если в каждом случае измерения основная абсолютная погрешность газоанализатора находится в пределах ± 0,25 % (для метана), ± 0,10 % (для пропана) и при подаче ПГС № 2 и № 3, срабатывает световая и звуковая сигнализации.
12.8.3.2 Проверку допускаемой абсолютной погрешности срабатывания порогового устройства газоанализатора следует проводить следующим образом:
1) перевести газоанализатор в режим “ТЕСТ”. Для этого необходимо при нажатой кнопке "ОТКЛ" включить газоанализатор. После появления на индикаторе надписи " 0 - - " отпустить кнопки;
2) набрать пароль входа в режим «ТЕСТ» - "764". Ввод значения разряда осуществляется кнопкой "ВКЛ", изменение значения в разряде - кнопкой "ОТКЛ". В случае неправильного ввода пароля газоанализатор автоматически отключается;
3) после ввода последней цифры пароля на цифровом индикаторе газоанализатора должен начаться цифровой отсчет концентрации со ступенью квантования 0,01 %;
4) зафиксировать числовое значение индикации, при котором срабатываеют прерывистые звуковая и световая сигнализации;
5) рассчитать допускаемую абсолютную погрешность срабатывания порогового устройства DСПУ
, %, газоанализатора по формуле:
DСПУ
= СПУ
- СУ
, (12.2)
где СПУ
- значение концентрации, отображаемое на цифровом индикаторе газоанализатора в момент срабатывания прерывистых звуковой и световой сигнализации, %;
СУ
- установленное значение срабатывания порогового устройства, %.
Газоанализатор считается выдержавшим испытание, если при достижении установленного значения срабатывания порогового устройства на индикаторе отображается значение концентрации, включились световая и звуковая прерывистые сигнализации и погрешность срабатывания порогового устройства газоанализатора находится в пределах ± 0,05 % от установленного порога для метана (для пропана - ±0,02 %).
12.8.3.3 Проверку времени выхода газоанализатора на 90 % значение показаний t 0,9
следует проводить следующим образом:
1) собрать схему подачи газовоздушной смеси, приведенную в приложении А;
2) подсоединить к установке газоанализатор, включить и выдержать его во включенном состоянии не менее 20 с;
3) подсоединить к установке баллон с ПГС №2 для метана (для пропана - №2а);
4) вентилем точной регулировки установить расход газовой смеси таким образом, чтобы по ротаметру фиксировался небольшой сброс избытка ПГС;
5) по истечении 20 с зафиксировать значение установившихся показания П;
6) отсоединить от установки газоанализатор;
7) рассчитать значение 0,9П и 0,1П;
8) подсоединить к установке газоанализатор, одновременно включив секундомер;
9) при достижении показаний, равных 0,9П, зафиксировать время t 1
, с;
10) по истечении 20 с зафиксировать значение установившихся показаний на цифровом индикаторе газоанализатора;
11) отсоединить от установки газоанализатор, одновременно включив секундомер;
12) при достижении показаний, равных 0,1П, зафиксировать время t2
, с;
13) рассчитать время выхода газоанализаторов на 90 % значение показаний t0,9
, с, по формуле:
t0,9
( t 1
+ t 2
) / 2 (12.3)
Газоанализатор считается выдержавшим испытание, если время выхода газоанализатора на 90 % значение показаний t0,9
не более10 с.
12.9 Оформление результатов поверки
12.9.1 Результаты поверки оформляются протоколом (приложение В).
12.9.2 При положительных результатах поверки на газоанализатор и (или) его эксплутационные документы наносится оттиск поверительного клейма, либо выдается свидетельство о поверке установленной формы (в соответствии с приложением В СТБ 8003).
12.9.3 Газоанализаторы, не удовлетворяющие требованиям настоящей методики, к применению не допускаются. На них выдают извещение о непригодности с указанием причин по форме приложения Г СТБ 8003. При этом оттиск поверительного клейма подлежит погашению, а свидетельство аннулируется.
13 ПРАВИЛА ХРАНЕНИЯ
13.1 Газоанализаторы в упакованном виде должны храниться на стеллажах в условиях хранения 1(Л) по ГОСТ 15150.
14 ТРАНСПОРТИРОВАНИЕ
14.1 Транспортирование газоанализатора в упаковке возможно любым закрытым видом транспорта. При транспортировании самолетом газоанализаторы должны быть размещены в отапливаемых герметизированных отсеках.
15 СВИДЕТЕЛЬСТВО О ПРИЕМКЕ
15.1 Газоанализатор ФП11.2к, № _____________________ соответствует требованиям технических условий ТУ РБ 100162047.021-2001 и признан годным к эксплуатации.
Дата выпуска ___________________
М.П. _____________________________ __________________
Подпись лица, ответственного за приемку Фамилия и инициалы
16 СВИДЕТЕЛЬСТВО О ПЕРВИЧНОЙ ПОВЕРКЕ
16.1 Газоанализатор отградуирован по метану пропану водороду и соответствует требованиям методики поверки МП.МН 903-2000.
Дата поверки _____________________
М.П. _______________________ ________________
Государственный поверитель Фамилия и инициалы
17 ГАРАНТИИ ИЗГОТОВИТЕЛЯ
17.1 Предприятие-изготовитель гарантирует соответствие газоанализатора требованиям технических условий
ТУ РБ 100162047.021-2001 при соблюдении потребителем условий эксплуатации, транспортирования и хранения.
17.2 Предприятие-изготовитель рассматривает претензии к качеству и комплектности газоанализатора при условии соблюдения потребителем правил, установленных настоящим паспортом. В случае утери паспорта безвозмездный ремонт или замена вышедшего из строя газоанализатора и его составных частей не производится и претензии не принимаются.
17.3 Гарантийный срок эксплуатации - 18 месяцев.
17.4 Гарантийный срок после ремонта - 1 месяц.
17.5 Гарантия предприятия-изготовителя не распространяется на аккумуляторную батарею.
17.6 При отказе в работе или неисправности газоанализатора в период действия гарантийных обязательств потребителем должен быть составлен акт.
17.7 Ремонт газоанализатора в течение гарантийного срока производит предприятие-изготовитель.
17.8 Гарантийный срок продлевается на время от подачи рекламаций до введения газоанализатора в эксплуатацию силами предприятия-изготовителя.
17.9 Гарантийному ремонту не подлежат приборы, имеющие механические повреждения или нарушения пломбировки.
17.10 Рекламации предприятию-изготовителю предъявляются в порядке и сроки, установленные Законом Республики Беларусь “О защите прав потребителей”.
17.11 По вопросам гарантийного ремонта, послегарантийного обслуживания и поверке газоанализаторов ФП11.2к следует обращаться на предприятие-изготовитель по адресу:
220013 г. Минск, ул. Кульман, 2, НПОДО "ФАРМЭК". Тел/факс (017) 209 84 51.
Приложение А
(обязательное)
Схема подачи газовоздушной смеси

1 Баллон с ПГС
2 Редуктор БКО-50-2
3 Тройник ТС-Т-6
4 Газоанализатор ФП 11.2к со штангой заборной
5 Ротаметр РМ-А-0,063Г
Приложение Б
(справочное)
Содержание драгоценных металлов

Приложение В
(справочное)
Протокол поверки газоанализатора ФП 11.2к, № _______
1. Внешний осмотр ____________________
2. Опробование _______________________
3. Определение метрологических характеристик:
3.1 Проверка основной абсолютной погрешности газоанализатора ( таблица 1).
Таблица В.1

3.2 Проверка допускаемой абсолютной погрешности срабатывания порогового устройства газоанализатора (таблица B.2)

3.3 Проверка времени выхода газоанализатора на 90 % значение показаний t 0,9
(таблица B.3)

Заключение о результатах поверки:__________________
Дата поверки:_____________________________________
Подпись лица, проводившего поверку_________________
Сервисные центры
По техническому обслуживанию приборов производства
НП ОДО «ФАРМЭК»
| Наименование
|
Адрес
|
| Предприятие-изготовитель
НП ОДО «ФАРМЭК»
|
220013, г.Минск, ул. Кульман, 2, тел. (375-17)209-84-51(37)
Моб.тел. (375-29)400-13-26,406-10-80
www.pharmec.net
|
| Официальный представитель в РФ ООО «Газ-ФАРМЭК»
|
107113, Москва, ул. Лобачика, 17, оф. 519, 520, тел. (499)2645577,
8-926-5292894 http://gaz-farmek.ru/
|
| ООО «Газ-Эприс»
|
Москва, ул.Лобачика, 17, оф. 519, 520, тел. (499)2645577, 8926-5292894
|
| УППО (для ВТФ «Прэсли Импэкс»)
|
150071, г. Уфа, ул. 50 лет СССР, д. 30, тел.323254, 321259
|
| Дочернее предприятие «Аналитгазсервис»
|
61004, г. Харьков, ул. Октябрьской революции, д. 57/59, тел. 282331, 7128466
|
| ООО Алтайский территориальный монтажный комплекс «АМТК»
|
656010, г. Барнаул, ул. 80-й Гвардейской дивизии, д. 63а, тел.333744
|
| ООО «Экотест»
г. С.-Петербург
|
190020, г.Санкт-Петербург, ул. Бумажная,17,
Тел/ф .2525773, 1864044, 1865486, 2527661 Абызова Мария Николаевна
|
| ОАО
«Волгоградгоргаз»
|
400131, г. Волгоград, ул. Коммунисимческая,38, тел. 971558, 971542, Мерьков Михаил Юрьевич
|
| ООО «Эрис»
|
617760, Пермская обл., г. Чайковский, ул. Промышленная, 8/25 т/ф (34241) 60240,60435,65825, www.eriskip.ru
|
| ООО «Энергосервис»
|
630132, г. Новосибирск, пр. Димитрова, 7, оф. 302, т.(3832) 217001, 391493, факс 218154
|
| ООО «Теплосенсор»
|
680011, г. Хабаровск, ул. Тепловая, 6
Т/ф. (4212) 42-29-00
|
|