| СОДЕРЖАНИЕ
| ВВЕДЕНИЕ………………………………………………………………………
|
8
|
| |
|
| 1.ОСНОВНЫЕ ПОНЯТИЯ……………………………………………………
|
9
|
| 1.1 Фундаментальные принципы управления………………………………….
|
9
|
| 1.2 Постановка задачи……………………………………………………………
|
16
|
| 2. ПРОВЕДЕНИЕ ЭКСПЕРИМЕНТА……………………………………….
|
17
|
| 2.1 Проведение эксперимента по основному каналу…………………………..
|
17
|
| 2.2 Проведение эксперимента по внутреннему каналу ……………………….
|
18
|
| 2.3 Проведение эксперимента по каналу возмущения………………………...
|
18
|
| 2.4. Идентификация каналов и методом симою и проверка аппроксимацию
|
19
|
| 2.4.1 Основной канал ……………………………………………………………
|
19
|
| 2.4..2 Аппроксимированная кривая разгона……………………………………
|
20
|
| 2.4.3 Внутренний канал …………………………………………………………
|
20
|
| 2.4..4 Канал по возмущению…………………………………………………….
|
22
|
| 3. РАСЧЕТ ОПТИМАЛЬНЫХ НАСТРОЕК РЕГУЛЯТОРА ОДНОКОНТУРНОЙ СИСТЕМЫ………………………………………...
|
24
|
| 3.1 Расчет настроек по внутреннему каналу…………………………………...
|
26
|
| 3.2 Выбор и расчет передаточной функции эквивалентного объекта………..
|
28
|
| 3.3 Расчет оптимальных настроек внешнего регулятора……………………...
|
28
|
| 3.4 Расчет компенсирующего устройства………………………………………
|
31
|
| 3.5 Комбинированная система управления с подачей ………………………...
|
32
|
| 3.6 Расчет оптимальных настроек регулятора одноконтурной системы реального объекта…………………………………………………………….
|
34
|
| 3.7 Расчет оптимальных настроек каскадной системы………………………..
|
37
|
| 3.8 Выбор и расчет передаточной функции эквивалентного объекта………..
|
39
|
| 3.9 Комбинированная система управления с подачей дополнительного воздействия на вход регулятора……………………………………….…….
|
43
|
| 3.10 Анализ переходных процессов…………………………………………….
|
46
|
| 3.10.1 Анализ переходных процессов модели…………………………………
|
46
|
| 3.10.2 Анализ переходных процессов реального объекта……………………..
|
46
|
| 4. ЭКОНОМИЧЕСКАЯ ЧАСТЬ………………………………………………
|
47
|
| 4.1. Расчет экономической эффективности…………………………………….
|
47
|
| 4.2. Расчёт затрат труда на отладку программы……………………………………...…
|
48
|
| 4.3.Расчёт средней зарплаты программиста……………………………………
|
49
|
| 4.4 Расчёт полных затрат на эксплуатацию ЭВМ……………………………...
|
|
| 5. ОХРАНА ТРУДА И ОКРУЖАЮЩЕЙ СРЕДЫ…………………………
|
56
|
| 5.1 Безопасность оборудования и производственные процессы……………...
|
67
|
| |
|
| ЗАКЛЮЧЕНИЕ…………………………………………………………………
|
74
|
| СПИСОК ИСПОЛЬЗОВАННОЙ ЛИТЕРАТУРЫ…………………………
|
76
|
ВВЕДЕНИЕ
В своем послании от 2011 г. Президент Республики Казахстана Н.А. Назарбаев «Построим будущее вместе» сегодня в условиях ухудшения мировой конъюнктуры мы должны активизировать внутренние инвестиционные ресурсы с растущей ролью государственных холдингов, институтов развития, социально предпринимательских корпораций.
Забиваем Сайты В ТОП КУВАЛДОЙ - Уникальные возможности от SeoHammer
Каждая ссылка анализируется по трем пакетам оценки: SEO, Трафик и SMM.
SeoHammer делает продвижение сайта прозрачным и простым занятием.
Ссылки, вечные ссылки, статьи, упоминания, пресс-релизы - используйте по максимуму потенциал SeoHammer для продвижения вашего сайта.
Что умеет делать SeoHammer
— Продвижение в один клик, интеллектуальный подбор запросов, покупка самых лучших ссылок с высокой степенью качества у лучших бирж ссылок.
— Регулярная проверка качества ссылок по более чем 100 показателям и ежедневный пересчет показателей качества проекта.
— Все известные форматы ссылок: арендные ссылки, вечные ссылки, публикации (упоминания, мнения, отзывы, статьи, пресс-релизы).
— SeoHammer покажет, где рост или падение, а также запросы, на которые нужно обратить внимание.
SeoHammer еще предоставляет технологию Буст, она ускоряет продвижение в десятки раз,
а первые результаты появляются уже в течение первых 7 дней.
Зарегистрироваться и Начать продвижение
Для осуществления автоматического управления техническим процессом создается система, состоящая из управляемого объекта и связанного с ним управляющего устройства. Как и всякое техническое сооружение, система должна обладать конструктивной жесткостью и динамической прочностью. Эти чисто механические термины в данном случае несколько условны. Они означают, что система должна выполнять заданные ей функции с требуемой точностью, несмотря на инерционные свойства и на неизбежные помехи.
С необходимостью построения регуляторов первыми, по-видимому, столкнулись создатели высокоточных механизмов, в первую очередь часов. Даже очень небольшие, но действующие непрерывно помехи, накапливаясь, приводили в конечном итоге к отклонениям от нормального хода, недопустимым по условиям точности. Противодействовать им чисто конструктивными средствами, например, улучшая точность и чистоту обработки деталей, повышая их массу или увеличивая полезные усилия, не всегда удавалось, и для повышения точности в состав часов стали вводить регуляторы. На рубеже нашей эры арабы снабдили поплавковым регулятором уровня водяные часы. В 1675г. Х. Гюйгенс встроил в часы маятниковый регулятор хода.
Другой причиной, побуждавшей строить регуляторы, была необходимость управлять процессами, подверженными столь сильным помехам, что при этом утрачивалась не только точность, но зачастую и работоспособность системы вообще. Предшественниками регуляторов для подобных условий можно считать применявшиеся еще в средние века центробежные маятниковые уравнители скорости хода водяных мукомольных мельниц.
В основных направлениях экономического и социального развития становится задача развивать производство электронных устройств регулирования и телемеханики, исполнительных механизмов, приборов и датчиков систем комплексной автоматизации сложных технологических процессов, агрегатов, машин и оборудования.
Значение теории автоматического управления в настоящее время переросло в рамки непосредственно технических систем. Динамически управляемые процессы имеют место в живых организмах, в экономических и организационных человеко-машинных системах. Законы динамики в них не являются основными и определяющими принципы управления, как это свойственно техническим системам, но тем не менее их влияние зачастую существенно и отказ от их учёта приводит к крупным потерям. В автоматизированных системах управления (АСУ) технологическими процессами роль динамики бесспорна, но она становится всё более очевидной и в других сферах действия АСУ по мере расширения их не только информационных, но и управляющих функций.
Сервис онлайн-записи на собственном Telegram-боте
Попробуйте сервис онлайн-записи VisitTime на основе вашего собственного Telegram-бота:
— Разгрузит мастера, специалиста или компанию;
— Позволит гибко управлять расписанием и загрузкой;
— Разошлет оповещения о новых услугах или акциях;
— Позволит принять оплату на карту/кошелек/счет;
— Позволит записываться на групповые и персональные посещения;
— Поможет получить от клиента отзывы о визите к вам;
— Включает в себя сервис чаевых.
Для новых пользователей первый месяц бесплатно.
Зарегистрироваться в сервисе
Техническая кибернетика призвана решать задачи теоретического анализа и развития методов технического конструирования элементной базы систем управления. Выделение этого раздела технической кибернетики в самостоятельную научную дисциплину «Элементы систем автоматического управления и контроля» явилось следствием накопления большого объёма материала, посвященного исследованиям различных устройств автоматики и его систематизации.
Опыт, накопленный при создании автоматизированных и автоматических систем управления, показывает, что управление различными процессами основывается на ряде правил и законов, часть из которых оказывается общей для технических устройств, живых организмов и общественных явлений. Изучение процессов управления, получения, преобразования информации в технических, живых и общественных системах составляет предмет кибернетики, важным разделом который является техническая кибернетика, включая анализ информационных процессов управления техническими объектами, синтез алгоритмов управления и создание систем управления, реализующих эти алгоритмы.
1.ОСНОВНЫЕ ПОНЯТИЯ
1.1 Фундаментальные принципы управления
Целенаправленные процессы, выполняемые человеком для удовлетворения различных потребностей, представляет собой организованную и упорядоченную совокупность действий - операций, которые делятся на два основных вида: рабочие операции и операции управления. К рабочим операциям относятся действия, непосредственно необходимые для выполнения процесса в соответствии с теми природными законами, которыми определяется ход данного процесса, например, снятие стружки в процессе резанья изделия на станке, перемещение экипажа, вращение вала двигателя и т.п. Для облегчения и усовершенствования рабочих операций используются различные технические устройства, частично или полностью заменяющие человека в данной операции. Замена труда человека в рабочих операциях называется механизацией. Цель механизации состоит в высвобождении человека в тяжёлых операциях, требующих больших затрат физической энергии (земляные работы, подъём грузов), во вредных операциях (химические, радиоактивные процессы), в «рутинных» (однообразных, утомительных для нервной системы) операциях (завинчивание однотипных винтов при сборке, заполнение типовых документов, выполнение стандартных вычислений и т.п.).
Для правильного и качественного выполнения рабочих операций необходимы сопровождающие их действия другого рода - операции управления, посредством которых обеспечиваются в нужные моменты начало, порядок следования и прекращение рабочих операций, выделяются необходимые для их выполнения ресурсы, придаются нужные параметры самому процессу - направления, скорости, ускорения рабочему инструменту или экипажу; температура, концентрация химическому процессу и т.д. Совокупность управляющих операций образует процесс управления.
Операции управления так же частично или полностью могут выполняться техническими устройствами. Замена труда человека в операциях управления называется автоматизацией, а технические устройства, выполняющие операции управления, - автоматическими устройствами . Совокупность технических устройств (машин, орудий труда, средств механизации), выполняющих данный процесс, с точки зрения управления является объектом управления . Совокупность средств управления и объекта образует системы управления. Система, в которой все рабочие и управляющие операции выполняются автоматическими устройствами без участия человека, называются автоматической системой. Система, в которой автоматизирована только часть операций управления, а другая часть (обычно наиболее ответственная) выполняется людьми, называется автоматизированной (или полуавтоматической) системой.
Круг объектов и операций управления весьма широк. Он охватывает технологические процессы и агрегаты, группы агрегатов, цехи, предприятия, человеческие коллективы, организации и т.д.
Объекты управления и виды воздействия на них.
Объекты, в которых протекает управляемый процесс, будем называть объектами управления. Это разнообразные технические устройства и комплексы, технологические или производственные процессы. Состояние объекта можно характеризовать одной или несколькими физическими величинами, называемыми управляемыми или регулируемыми переменными. Для технического устройства, например, электрического генератора, регулируемой переменной, может быть напряжение на его выходных клеммах; для производственного участка или цеха - объём выпускаемой им промышленной продукции.
Как правило, к объекту управления приложено два вида воздействий: управляющие - r(t) и возмущающее f(t); состояние объекта характеризуется переменной x(t):
f(t)
 r(t) объект
x(t)
управления
Изменение регулируемой величины x(t) обусловливается как управляющим воздействием r(t), так и возмущающим, или помехой f(t). Дадим определение этим воздействиям.
Возмущающим называется такое воздействие, которое нарушает требуемую функциональную связь между регулируемыми или управляемыми переменными и управляющим воздействием. Если возмущение характеризует действие внешней среды на объект, то оно называется внешним. Если это воздействие возникает внутри объекта за счёт протекания нежелательных, но неизбежных процессов при его нормальном, функционирование, то такие возмущения называются внутренними.
Воздействия, прикладываемые к объекту управления с целью изменения прикладываемой величины в соответствии с требуемым законом, а также для компенсации влияния возмущений на характер изменения управляемой величины, называются управляющими.
Основная цель автоматического управления любым объектом или процессом состоим в том, чтобы непрерывно поддерживать с заданной точностью требуемую функциональную зависимость между управляемыми переменными, характеризующими состояние объекта и управляющими воздействиями в условиях взаимодействия объекта с внешней средой, т.е. при наличии как внутренних, так и внешних возмущающих воздействий. Математическое выражение этой функциональной зависимости называется алгоритмом управления.
Понятие об элементе системы
Любой объект управления сопряжён с одним или несколькими регуляторами, формирующими управляющие воздействия, подаваемые на регулирующий орган. Объект управления совместно с управляющим устройством, или регулятором, образуют систему управления или регулирования. При этом, если человек не участвует в процессе управления, то такая система называется системой автоматического управления.
Регулятор системы представляет собой комплекс устройств, соединённых между собой в определённой последовательности и осуществляющих реализацию простейших операций над сигналами. В связи с этим оказывается возможным произвести декомпозицию (расчленение) регулятора на отдельные функциональные элементы - простейшие конструктивно-целостные ячейки, выполняющие одну определённую операцию с сигналом.
К таким операциям следует отнести:
1) преобразование контролируемой величины в сигнал;
2) преобразование: а) сигнал одного рода энергии в сигнал другого рода энергии; б) непрерывного сигнала в дискретный и обратно; в) сигнала по величине энергии; г) виды функциональной связи между выходными и входными сигналами;
3) хранение сигналов;
4) формирование программных сигналов;
5) сравнение контрольных и программных сигналов и формирование сигнала рассогласования;
6) выполнение логических операций;
7) распределение сигнала по различным каналам передачи;
8) использование сигналов для воздействия на объект управления.
Перечисленные операции с сигналами, выполняемые элементами систем автоматического управления, используются в дальнейшем как основа систематизации всего многообразия элементов автоматики, применяемого в различных по характеру, назначению и принципу действия системах, т.е. порождённого многообразием автоматических систем управления и контроля.
Чтобы осуществлять автоматическое управление или строить систему управления, нужны знания двоякого вида: во-первых, конкретные знания данного процесса, его технологии и, во-вторых, знания принципов и методов управления, общих для самых разнообразных объектов и процессов. Конкретные специальные знания дают возможность установить, что и, главное, как следует изменять в системе, чтобы получить требуемый результат.
При автоматизации управления техническими процессами возникает необходимость в различных группах операций управления. К одной из таких групп относится операция начала (включения), прекращения (отключения) данной операции и перехода от одной операции к другой (переключения).
Для правильного и качественного ведения процесса некоторые из его координат - управляемые - должны поддерживаться в определённых границах или изменяться по определённому закону.
Другая группа операций управления связана с контролем за координатами с целью установления допустимых границ. Эта группа операций состоит в измерении значений координат и представления результатов измерения в удобной для человека-оператора форме.
Третья группа операций управления - операции по поддержанию заданного закона изменения координат - изучается в теории автоматического управления.
Всякий объект, обладающий массой, является динамическим, поскольку под действием внешних сил и моментов (конечной величины) со стороны объекта возникает соответствующая реакция его положения (или состояния) не может быть изменено мгновенно. Переменные x, u и f (где x - совокупность управляемых координат процесса, u - воздействия или управления, прикладываемые к объекту, и f - возмущения действующие на вход объекта) в динамических объектах обычно связаны между собой дифференциальными, интегральными или разностными уравнениями, содержащими в качестве независимой переменной время t .
Изменения координат в нормальном, желаемом процессе определяется совокупностью правил, предписаний или математических зависимостей, называемых алгоритмом функционирования системы. Алгоритм функционирования показывает, как должна изменяться величина x(t) по требованиям технологии, экономики или по другим соображениям. В теории автоматического управления алгоритмы функционирования считаются заданными.
Динамические свойства и форма статических характеристик вносят искажения: действительный процесс будет отличаться от желаемого (который, например, при тех же воздействиях имел бы место в безынерционном линейном объекте). Поэтому требуемый закон изменения управления u , или алгоритм управления, не будет подобным алгоритму функционирования; он будет зависит от алгоритма функционирования, динамических свойств и характеристик объекта. Алгоритм управления показывает, как должно изменяться управление u, чтобы обеспечить заданный алгоритм функционирования. Алгоритм функционирования в автоматической системе реализуется с помощью управляющих устройств.
В основе используемых в техники алгоритмов управления лежат некоторые общие фундаментальные принципы управления, определяющие, как осуществляется увязка алгоритма управления с заданным и фактическим функционированием, или с причинами, вызвавшие отклонения. Используется три фундаментальных принципа: разомкнутого управления, обратной связи и компенсации.
Принцип разомкнутого управления
Сущность принципа состоит в том, что алгоритм управления строится только на основе заданного алгоритма функционирования и не контролируется по фактическому значению управляемой величины.
Принцип управления по отклонению
(принцип обратной связи).
Этот принцип является одним из наиболее ранних и широко распространённых принципов управления. В соответствии с ним воздействие на регулирующий орган объекта вырабатывается как функция отклонения регулируемой величины от предписанного значения.
Обратную связь можно обнаружить во многих процессах в природе. Примерами могут служить вестибулярный аппарат, обнаруживающий отклонения тела от вертикали и обеспечивающий поддержание равновесия, системы регуляции температуры тела, ритма дыхания и т.п. В общественных учреждениях обратная связь при управлении устанавливается посредством осуществления контроля исполнения. Принцип обратной связи является весьма универсальным фундаментальным принципом управления, действующим в технике, природе и обществе.
Принцип регулирования по возмущению
(принцип компенсации).
Так как отклонение регулируемой величины зависит не только от управления, но и возмущающего воздействия, то в принципе можно сформулировать закон управления так, чтобы в установившемся режиме отклонение отсутствовало.
Принцип регулирования паровой машины по моменту сопротивления на её валу был предложен в 1930 г. французским инженером И.Понселе, однако реализовать это предложение на практике не удалось, поскольку динамические свойства паровой машины (наличие астатизма) не допускали непосредственного использования принципа компенсации. Но в ряде других технических устройств принцип компенсации использовался давно. Примечательно, что его использование в статике не вызывало сомнений, попытка же Г.В.Щипанова в 1940 г. Предложить принцип инвариантности по возмущению для ликвидации отклонений в динамике вызывала резкую дискуссию и обвинения в нереализуемости предложения. В.С.Кулебакин в 1948г. и Б.Н.Петров в 1955 г. показали, как следует строить системы, чтобы можно было реализовать в них принцип инвариантности. В 1966 г. предложенный Г.В.Щипановым принцип инвариантности был зарегистрирован как открытие с приоритетом - апрель 1939 г. Тем самым была исправлена ошибка его оппонентов, состоявшая в том, что отрицалась реализуемость принципа инвариантности вообще.
Системы регулирования по возмущению в сравнении с системами, действующими по отклонению, отличаются обычно большими устойчивостью и быстродействием. К их недостаткам относятся трудность измерения нагрузки в большинстве систем, неполный учёт возмущений (компенсируются только те возмущения, которые измеряются). Так, при компаундировании электрической машина не компенсируются колебания напряжения сетей, питающих гонный двигатель и обмотки возбуждения, колебания сопротивлений обмоток от изменения температуры и др. Во многих случаях весьма эффективно применение комбинированного регулирования по возмущению и отклонению, широко используемое для регулирования напряжения мощных синхронных генераторов на крупных электростанциях (компаундирование с коррекцией). Комбинированные регуляторы объединяют достоинства двух принципов, но, естественно, конструкция их сложнее, а стоимость выше.
1.2 Постановка задачи.
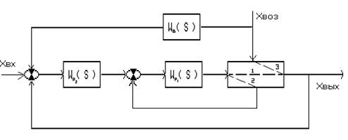
В данной дипломной работе рассматривается САР сложной структуры включающая в себя два контура один контур по отклонении, второй контур по возмущению.
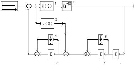
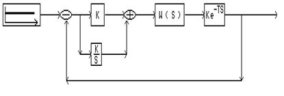
Исследовать работу сложной автоматической системы управления в целом и её отдельных контуров. Провести расчет оптимальных настроечных параметров регуляторов САР и провести реализацию полученных результатов на реальном объекте – Ремиконт-120. Комбинированная система управления 1 – основной канал (Wоб(S));
2 – внутренний канал (Wоб1(S)); 3 – канал по возмущению (Wов(S)).
2. ПРОВЕДЕНИЕ ЭКСПЕРИМЕНТА
Для проведения эксперимента на Р-120 собираем 3 модели: по основному каналу, по внутреннему каналу и по каналу возмущения.
2.1 Проведение эксперимента по основному каналу
Для снятия кривой разгона подаем на алгоблок возмущающее воздействие амплитудой 10% и снимаем с этого алгоблока кривую разгона. Заносим кривую в файл VIT1.После интерполяции по 5 точкам и нормирование получаем кривую разгона , представленную в таблице /см. табл. 2.1
2.2 Проведение эксперимента по внутреннему каналу
Для снятия кривой разгона по внутреннему каналу проводим такие же действия ,что и при снятии первой кривой. Полученную кривую разгона заносим в файл VIT2.После обработки кривой результаты заносим в таблицу /см. табл. 2.2/табл
2.3 Проведение эксперимента по каналу возмущения
Для снятия кривой разгона по каналу возмущения проводим такие же действия ,что и при снятии первой кривой. Полученную кривую разгона заносим в файл VIT2.После обработки кривой результаты заносим в таблицу /см. табл. 2.3/ табл 2.3 Нормированная кривая разгона
2.4. Идентификация каналов и методом симою и проверка аппроксимацию.
2.4.1 Основной канал
В программе ASR по нормированной кривой разгона ( исключая запаздывание ) получим значения площадей :
F1=6.6627;
F2=14.5831;
F3=7.1130.
Передаточная функция объекта:W(s)об
=1/14.583*s2
+6.663*s+1 Проведем проверку аппроксимации , т.е. найдем статическую ошибку нормированной кривой разгона от кривой разгона , полученной по переходному процессу . Воспользуемся преобразованиями по Карлону-Хевисайда и теорему разложения. В результате получим : корни характеристического уравнения :14.583*S2
+6.663*S+1=0
S1
=-0.228+j0.128
S2
=-0.228-j0.128
Вещественная часть корней отрицательна , следовательно можно сделать вывод об устойчивости объекта. Переходной процесс объекта имеет вид: y(t)=1+2.046*cos(4.202-0.128*t)*e-0.228*
t
В это уравнение подставляем значение t ,получаем график переходного процесса по основному каналу (аппроксимированная кривая разгона).
2.4..2 Аппроксимированная кривая разгона
Сравнение нормированной кривой разгона и полученного переходного процесса по основному каналу и будет являться проверкой аппроксимации объекта управления. Расчетная формула: (h(t)-y(t))*100/h(y) Максимальное отклонение составляет (0.0533-0.0394)*100/0.0533=26%
Полная передаточная функция ( включая звено чистого запаздывания) имеет вид: W(s)об
=1*e-6*
s
/14.583*s2
+6.663*s+1
2.4.3 Внутренний канал
В программе ASR по нормированной кривой разгона получим значения площадей F1=8.508; F2=19.5765; F3=0.4436. Т.о передаточная функция объекта:
Проведем проверку аппроксимации , т.е. найдем статическую ошибку нормированной кривой разгона от кривой разгона , полученной по переходному процессу . Воспользуемся преобразованиями по Карлону-Хевисайда и теорему разложения .
В результате получим :W(s)об1=1/19.576*s2
+8.508*s+1 корни характеристического уравнения :19.576*S2
+8.508*S+1=0
S1
=-0.21731+j0.06213
S2
=-0.21731-j0.06213
Вещественная часть корней отрицательна , следовательно можно сделать вывод об устойчивости объекта.
Переходной процесс объекта имеет вид :
y(t)=1+3.638*cos(4.434-0.062*t)*e-0.217*
t
В это уравнение подставляем значение t ,получаем график переходного процесса по основному каналу (аппроксимированная кривая разгона) табл.
Аппроксимированная кривая разгона
При сравнении кривых разгона получаем максимальное отклонение: (0.0345-0.0321)*100/0.0345=7%
2.4..4 Канал по возмущению.
В программе ASR по нормированной кривой разгона получим значения площадей F1=5.8678; F2=8.1402 F3=-4.8742. Составляем систему уравнений:
a1=5.868+b1
a2=8.14+b1*5.688
0=-4,874+b1*8.14
Откуда b1=0.599 , a1=6.467 , a2=11.655
Т.о передаточная функция объекта:W(s)ов=0.599*s/11.655*s2
+6.467*s+1
Проведем проверку аппроксимации , т.е. найдем статическую ошибку нормированной кривой разгона от кривой разгона , полученной по переходному процессу . Воспользуемся преобразованиями по Карлону-Хевисайда и теорему разложения .
В результате получим : корни характеристического уравнения :11.655*S2
+6.467*S+1=0
S1
=-0.27743+j0.09397
S2
=-0.27743-j0.09397
Вещественная часть корней отрицательна , следовательно можно сделать вывод об устойчивости объекта.
Переходной процесс объекта имеет вид :
y(t)=1+2.605*cos(4.318-0.094*t)*e-0.277*
t
В это уравнение подставляем значение t ,получаем график переходного процесса по основному каналу (аппроксимированная кривая разгона)
табл. 4.4 - Аппроксимированная кривая разгона
При сравнении кривых разгона получаем максимальное отклонение : (0.0966-0.0746)*100/0.0966=22.5%
3. РАСЧЕТ ОПТИМАЛЬНЫХ НАСТРОЕК РЕГУЛЯТОРА
ОДНОКОНТУРНОЙ СИСТЕМЫ
Важным элементом синтеза АСР технологического процесса является расчет одноконтурной системы регулирования . При этом требуется выбрать структуру и найти числовые значения параметров регуляторов . АСР образуется при сочетании объект регулирования и регулятора , и представляет собой единую динамическую систему. Расчет настроек АСР методом Ротача. Передаточная функция объекта по основному каналу имеет вид:
W(s)об
=1*e-6*
s
/14.583*s2
+6.663*s+1
В программе Linreg производим расчет оптимальных настроечных параметров ПИ регулятора:
Kп=0.51007;
Tи
=5.32345;
wкр
=0.14544.
Cмоделируем в пакете SIAM переходные процессы одноконтурной системы по управляющему и по возмущающему воздействию.
Структурная схема одноконтурной системы по управляющему воздействию
W(s)=1/(14.583*s2
+6.663*s+1)
K=Kп=0.51007
K/S=Kп/Tи
=0.0958
K=1,T=6
Переходной процесс
Перерегулирование – 26%
Время затухания – 65с
Степень затухания – 1
Структурная схема одноконтурной системы по возмущающему
воздействию
W(s)=1/(14.583*s2
+6.663*s+1)
K=Kп=0.51007
K/S=Kп/Tи
=0.0958
K=1,T=6
Перерегулирование – 82%
Время затухания – 65с
Степень затухания – 0.93
Расчет оптимальных настроек каскадной системы
3.1 Расчет настроек по внутреннему каналу
Передаточная функция объекта по внутреннему каналу имеет вид: W(s)об1=1/19.576*s2
+8.508*s+1 Расчет настроечных параметров регулятора производим методом Ротача в программе Linreg . Результаты :
Kп=4.06522
Ти
=7.26837
wкр
=0.4151 В пакете Siam смоделируем переходные процессы по управляющему и по возмущающему воздействию .
Структурная схема внутреннего канала по управляющему воздействию
W(s)=1/(19.576*s2
+8.508*s+1)
K=Kп=4.06522
K/S=Kп/Tи
=0.5593
Переходной процесс
Перерегулирование – 29%
Время затухания – 9с
Степень затухания – 0.86
3.2 Выбор и расчет передаточной функции эквивалентного объекта
Настроечные коэффициенты для регулятора Р1 рассчитываются, как настройки для внутреннего контура. Настроечные коэффициенты для регулятора Р2 рассчитываются по передаточной функции эквивалентного объекта.
Сравнивая время затухания переходных процессов внутреннего и основного контуров определяем, что Wэкв соответствует виду: Wэкв
(s)=Wоб
(s)/Wоб1
(s) ,
где Wоб
(s)=1*e-6*s
/(14.583*s2
+6.663*s+1),
Wоб1
(s)=1/(19.576*s2
+8.508*s+1).
После проведенных расчетов получаем :
Wэкв
(s)=(19.576*s2
+8.508*s+1)*e-6*
s
/(14.583*s2
+6.663*s+1)
3.3 Расчет оптимальных настроек внешнего регулятора
В программе Linreg вводим передаточную функцию эквивалентного объекта и получаем значения оптимальных настроек регулятора Р2 .
Kп=0.19898
Ти
=1.44671
Wкр
=0.30928 В пакете Siam смоделируем переходные процессы по управляющему и по возмущающему воздействию .
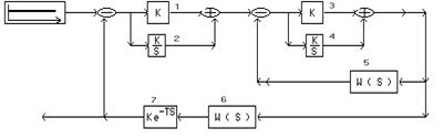
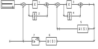
Структурная схема каскадной системы по управляющему воздействию
1.K=Kп=0.19898
2.K/S=Kп/Tи
=0.13754
3.K=Kп=4.06522
4.K/S=Kп/Tи
=0.5593
5.W(s)=1/(19.576*s2
+8.508*s+1)
6.W(s)=1/(14.583*s2
+6.663*s+1)
7.K=1,T=6
Переходной процесс
Перерегулирование – 72%
Время затухания – 150с
Степень затухания – 0.42
Структурная схема каскадной системы по возмущающем воздействию.
1.
W(s)=1/(14.583*s2
+6.663*s+1)
2. W(s)=1/(19.576*s2
+8.508*s+1)
3. K=1,T=6
4. K/S=Kп/Tи
=0.5593
5. K=Kп=4.06522
6. K/S=Kп/Tи
=0.13754
7. K=Kп=0.19898
8.K=-1
Переходной процесс
Перерегулирование – 31%
Время затухания – 110с
Степень затухания – 0.23
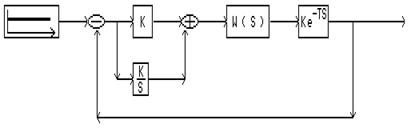
3.4 Расчет компенсирующего устройства
Для этого смоделируем в пакете SIAM схему комбинированной системы без компенсатора .
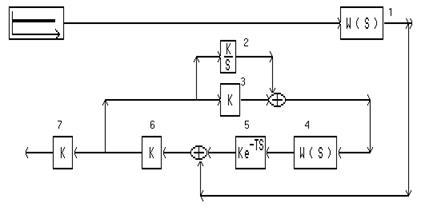
Структурная схема комбинированной системы без компенсатора
1.W(s)=0.599*s/(11.655*s2
+6.467*s+1)
2.K=Kп=0.51007
3.K/S=Kп/Tи
=0.0958
4.W(s)=1/(14.583*s2
+6.663*s+1)
5.K=1,T=6
6.K=-1
7.K=-1
Переходной процесс
Перерегулирование – 7%
Время затухания – 35с
Степень затухания – 0.86
3.5 Комбинированная система управления с подачей
Дополнительного воздействия на вход регулятора
Определим передаточную функцию фильтра согласно формуле:
Wф
(s)=Wов
(s)/(Wоб
(s)*Wр
(s)), где Wов
(s) – передаточная функция канала по возмущению, Wоб
(s) - передаточная функция объекта, Wр
(s) - передаточная функция регулятора,
Находим значения передаточной функции фильтра для нулевой частоты : Aф
(0)=Aов
(0)/(Aоб
(0)*Aр
(0))=0 Fф
(0)=Fов
(0)-(Fоб
(0)+Fр
(0))=90
Находим значения передаточной функции фильтра для резонансной частоты (w=0.14544):
Aф
(w)=Aов
(w)/(Aоб
(w)*Aр
(w))=0.072/(0.834*0.326)=0.265
Fф
(w)=Fов
(w)-(Fоб
(w)+Fр
(w))=141-(-130+(-52))=323=-37
В качестве компенсатора возмущения используем реальное дифференциальное звено : Wk
(s)=Kв
*Тв
(s)/(Tв
(s)+1)
Координаты компенсатора определяем геометрически.
Kв
=ОД=0.32
Тв
=(1/w)*sqrt(ОС/ДС)=8.876
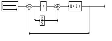
Cмоделируем в пакете SIAM схему комбинированной системы c компенсатором.
Структурная схема комбинированной системы с компенсатором
1.W(s)=0.599*s/(11.655*s2
+6.467*s+1)
2.К=0.32
3.К=8.786,Т=8.786
4.К=-1
5.K/S=Kп/Tи=0.0958
6.K=Kп=0.51007
7.K=1,T=6
8.W(s)=1/(14.583*s2
+6.663*s+1)
9.К=-1
10.К=-1
Переходной процесс
Перерегулирование – 8%
Время затухания – 60с
Степень затухания –0.56
3.6 Расчет оптимальных настроек регулятора одноконтурной системы реального объекта
Расчет настроек АСР методом Ротача. Передаточная функция объекта по основному каналу имеет вид:
W(s)об
=1*e-6*
s
/13.824*s3
+17.28*s2
+7.2*s+1
В программе Linreg производим расчет оптимальных настроечных параметров ПИ регулятора:
Kп=0.49;
Tи
=5.346;
wкр
=0.1403.
Cмоделируем в пакете SIAM переходные процессы одноконтурной системы по управляющему и по возмущающему воздействию.
Структурная схема одноконтурной системы по управляющему воздействию.
W(s)=1/( W(s)об1=1/13.824*s3
+17.28*s2
+7.2*s+1
K=Kп=0.49
K/S=Kп/Tи
=0.0916
K=1,T=6
Переходной процесс
Перерегулирование – 27%
Время затухания – 70с
Степень затухания – 1
Структурная схема одноконтурной системы по возмущающему воздействию
W(s)=1/( W(s)об1=1/13.824*s3
+17.28*s2
+7.2*s+1
K=Kп=0.49
K/S=Kп/Tи
=0.0916
K=1,T=Перерегулирование – 85%
Время затухания – 70с
Степень затухания – 0.94
3.7 Расчет оптимальных настроек каскадной системы
Расчет настроек по внутреннему каналу Передаточная функция объекта по внутреннему каналу имеет вид: W(s)об1=1/23.04*s2
+9.6*s+1 Расчет настроечных параметров регулятора производим методом Ротача в программе Linreg . Результаты :
Kп=4.396
Ти
=7.875
wкр
=0.3931 В пакете Siam смоделируем переходные процессы по управляющему и по возмущающему воздействию .
Структурная схема внутреннего канала по управляющему воздействию
W(s)=1/(23.04*s2
+9.6*s+1)
K=Kп=4.396
K/S=Kп/Tи
=0.5582
Переходной процесс
Перерегулирование – 30%
Время затухания – 20с
Степень затухания – 0.9
Структурная схема внутреннего канала по возмущаеющему
воздействию
W(s)=1/(23.04*s2
+9.6*s+1)
K=Kп=4.396
K/S=Kп/Tи
=0.5582
Переходной процесс
Перерегулирование – 20%
Время затухания – 20с
Степень затухания – 0.85
3.8 Выбор и расчет передаточной функции эквивалентного объекта
Настроечные коэффициенты для регулятора Р1 рассчитываются , как настройки для внутреннего контура . Настроечные коэффициенты для регулятора Р2 рассчитываются по передаточной функции эквивалентного объекта .
Сравнивая время затухания переходных процессов внутреннего и основного контуров определяем , что Wэкв соответствует виду: Wэкв
(s)=Wоб
(s)/Wоб1
(s),
где Wоб
(s)=1*e-6*s
/(13.824*s3
*17.28*s2
+7.2*s+1),
(s)=1/(23.04*s2
+9.6*s+1).
После проведенных расчетов получаем :
Wэкв
(s)=(23.04*s2
+9.6*s+1)*e-6*
s
/(13.824*s3
*17.28*s2
+7.2*s+1)
Расчет оптимальных настроек внешнего регулятора.В программе Linreg вводим передаточную функцию эквивалентного объекта и получаем значения оптимальных настроек регулятора Р2 .
Kп=0.111
Ти
=1.037
Wкр
=0.29101
В пакете Siam смоделируем переходные процессы по управляющему и по возмущающему воздействию .
Структурная схема каскадной системы по управляющему воздействию
1.K=Kп=0.111
2.K/S=Kп/Tи
=0.107
3.K=Kп=4.396
4.K/S=Kп/Tи
=0.5582
5.W(s)=1/(23.04*s2
+9.6*s+1)
6.W(s)=1/(13.824*s3
*17.28*s2
+7.2*s+1)
7.K=1,T=6
Переходной процесс
Перерегулирование – 57%
Время затухания – 150с
Степень затухания – 0.91

Структурная схема каскадной системы по
1. W(s)=1/(13.824*s3
*17.28*s2
+7.2*s+1)
2. W(s)=1/(23.04*s2
+9.6*s+1)
3. K=1,T=6
4. K/S=Kп/Tи
=0.5582
5. K=Kп=4.396
6. K/S=Kп/Tи
=0.107
7. K=Kп=0.111
8.K=-1
Переходной процесс
Перерегулирование – 30%
Время затухания – 120с
Степень затухания – 0.23
Расчет компенсирующего устройства
Для этого смоделируем в пакете SIAM схему комбинированной системы без компенсатора .
Структурная схема комбинированной системы без компенсатора
1.W(s)=1/(9*s2
+6*s+1)
2.K=Kп=0.49
3.K/S=Kп/Tи
=0.0916
4.W(s)=1/(13.824*s3
*17.28*s2
+7.2*s+1)
5.K=1,T=6
6.K=-1
7.K=-1
Переходной процесс
Перерегулирование – 87%
Время затухания – 65с
Степень затухания –0.95
3.9 Комбинированная система управления с подачей дополнительного воздействия на вход регулятора
Определим передаточную функцию фильтра согласно формуле: Wф(s)=Wов(s)/(Wоб(s)*Wр(s)), где Wов
(s) – передаточная функция канала по возмущению , Wоб
(s) - передаточная функция объекта, Wр
(s) - передаточная функция регулятора,
Находим значения передаточной функции фильтра для нулевой частоты: Aф
(0)=Aов
(0)/(Aоб
(0)*Aр
(0))=0 Fф
(0)=Fов
(0)-(Fоб
(0)+Fр
(0))=90
Находим значения передаточной функции фильтра для резонансной частоты (w=0.14544):
Aф
(w)=Aов
(w)/(Aоб
(w)*Aр
(w))=0.769/(0.816*0.851)=1.13
Fф
(w)=Fов
(w)-(Fоб
(w)+Fр
(w))=-46-(-53+(-76))=83
В качестве компенсатора возмущения используем реальное дифференциальное звено : Wk
(s)=Kв
*Тв
(s)/(Tв
(s)+1)
Координаты компенсатора определяем геометрически.
Kв
=ОД=7
Тв
=(1/w)*sqrt(ОС/ДС)=1.018
Cмоделируем в пакете SIAM схему комбинированной системы c компенсатором .
Структурная схема комбинированной системы с компенсатором
1.W(s)=1/(9*s2
+6*s+1)
2.К=7
3.К=1.018,Т=1.018
4.К=-1
5.K/S=Kп/Tи=0.0916
6.K=Kп=0.49
7.K=1,T=6
8.W(s)=1/(13.824*s3
*17.28*s2
+7.2*s+1)
9.К=-1
10.К=-1
Переходной процесс
Перерегулирование – 56%
Время затухания – 70с
Степень затухания –0.93
3.10 Анализ переходных процессов
3.10.1 Анализ переходных процессов модели
Для того чтобы сделать анализ составляется сводная таблица переходных процессов
По данным полученным в результате расчетов можно сделать вывод , что лучше справляется с регулированием каскадная АСР без компенсатора возмущения .
3.10.2 Анализ переходных процессов реального объекта
По данным полученным в результате расчетов можно сделать вывод , что лучше справляется с регулированием каскадная АСР c компенсатором возмущения .
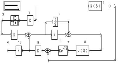
11. Перечень файлов
VIT1 – кривая разгона по основному каналу
VIT2 - кривая разгона по внутреннему каналу
VIT3 - кривая разгона по каналу возмущения
VIT_1 - аппроксимированная кривая разгона по основному каналу
VIT_2 - аппроксимированная кривая разгона по внутреннему каналу
VIT_3 - аппроксимированная кривая разгона по каналу возмущения
S_ODN_U – структурная схема одноконтурной системы по управлению
S_ODN_V - структурная схема одноконтурной системы по возмущению
S_VN_U - структурная схема внутреннего канала по управлению
S_VN_V - структурная схема внутреннего канала по возмущению
S_KAS_U - структурная схема каскадной системы по управлению
S_KAS_V - структурная схема каскадной системы по возмущению
S_KOM_NO - структурная схема комбинированной системы по управлению
S_KOM_R - структурная схема комбинированной системы по возмущению
4. ЭКОНОМИЧЕСКАЯ ЧАСТЬ
4.1. Расчет экономической эффективности
Затраты на создание программного продукта складываются из расходов по оплате труда разработчика программы и расходов по оплате машинного времени при отладке программы:
Зспп
= Ззп
спп
+ Змв
спп
+ Зобщ
,
где Зспп
- затраты на создание программного продукта;
Ззп
спп
- затраты на оплату труда разработчика программы;
Змв
спп
- затраты на оплату машинного времени;
Зобщ
- общие затраты.
Расчёт затрат на создание программного продукта
:
· Расходы на оплату труда разработчика программы
Расходы на оплату труда разработчика программы определяются путем умножения трудоёмкости создания программного продукта на среднюю часовую оплату программиста (с учётом коэффициента отчислений на социальные нужды):
Ззп
спп
=
t
*
T
час
.
· Расчёт трудоёмкости создания программного продукта
Трудоёмкость разработки программного продукта можно определить следующим образом:
t
=
t
о
+
t
д
+
t
от
где tо
- затраты труда на подготовку описания задачи;
tд
- затраты труда на подготовку документации задачи;
tот
- затраты труда на отладку программы на ЭВМ при комплексной отладке задачи.
Составляющие затрат, в свою очередь можно вычислить через условное число операторов Q. В нашем случае число операторов в отлаженной программе Q = 585.
· Расчёт затрат труда на подготовку описания
Оценить затраты труда на подготовку описания задачи не возможно, т.к. это связано с творческим характером работы, вместо этого оценим затраты труда на изучение описания задачи с учётом уточнения описания и квалификации программиста определяются:
t
и
=
Q
*
B
/(75...85 *
K
),
где B - коэффициент увеличения затрат труда вследствие
недостаточного описания задачи, уточнений и
некоторой не доработки, B=1,2...5;
K - коэффициент квалификации разработчика, для
работающих до 2 лет К=0.8;
В связи с тем, что при изучении описания данной задаче потребовалось много уточнений и доработок в описании коэффициент B, принимаем равным 4
Таким образом, получим
tи
= 585 * 4/(75 * 0.8) = 39 (чел-час).
Расчёт затрат труда на отладку программы
Затраты труда на отладку программы на ЭВМ при комплексной отладке задачи:
t
от
= 1.5 *
tA
от
,
где tA
от
- затраты труда на отладку программы на ЭВМ при автономной отладке одной задачи;
tA
от
=
Q
/(40...50 *
K
)
= 585/(45*0.8) = 16.3 (чел-час).
Отсюда tот
= 1.5*16.3 = 24.5 (чел-час).
Расчёт затрат труда на подготовку документации:
Затраты труда на подготовку документации по задаче определяются:
t
д
=
t
др
+
t
до
,
где tдр
- затраты труда на подготовку материалов в рукописи;
tдо
- затраты на редактирование, печать и оформление документации;
t
др
=
Q
/(150...160 *
K
)
= 585/(150*0.8) = 4,9 (чел-час);
tдо
= 0.75 * tдр
= 0.75*4,9 = 3.68 (чел-час);
Отсюда: tд
= 3.68 + 4,9 = 8.58 (чел-час).
Итак, общую трудоёмкость программного продукта можем рассчитать:
t = 39+8,58+24,5=72,08 (чел-час).
4.3.Расчёт средней зарплаты программиста
Средняя зарплата программиста в современных рыночных условиях может варьироваться в широком диапазоне. Для расчёта возьмём среднюю часовую оплату труда, которая составляет
Тчас
= 110тг/час, что составляет 17600 тг/мес при 8-ми часовом рабочем дне и 5-ти дневной рабочей неделе. Эта цифра близка к реальной заработной плате программиста на предприятии, где проводилась работа.
Затраты на оплату труда программиста состоят из зарплаты программиста и отчислений на социальные нужды. Отсюда затраты на оплату труда программиста составляют:
Ззп
спп
= 72,08*110*1,26=9990,29тг.
· Затраты на оплату машинного времени
Затраты на оплату машинного времени при отладке программы определяются путём умножения фактического времени отладки программы на цену машино-часа арендного времени:
Змв
спп
= Счас
*
t
эвм
,
где Счас
- цена машино-часа арендного времени, тг/час;
tэвм
- фактическое время отладки программы на ЭВМ;
· Расчёт фактического времени отладки
Фактическое время отладки вычислим по формуле:
tэвм
= tдо
+ tот
;
tэвм
= 3.68 +24.5= 28,18 часа.
· Расчёт цены машино-часа
Цену машино-часа найдём по формуле:
Счас
= Зэвм
/Тэвм
,
где Зэвм
- полные затраты на эксплуатацию ЭВМ в течение года;
Тэвм
- действительный годовой фонд времени ЭВМ, час/год;
· Расчёт годового фонда времени работы ПЭВМ IBM PC AT
Общее количество дней в году - 365.
Число праздничных и выходных дней - 119.
Время простоя в профилактических работах определяется как еженедельная профилактика по 4 часа.
Итого годовой фонд рабочего времени ПЭВМ составляет:
Тэвм
= 8*(365-119) - 52*4 = 1760 часа.
4.4 Расчёт полных затрат на эксплуатацию ЭВМ
Полные затраты на эксплуатацию ЭВМ можно определить по формуле
Зэвм
= (Зам
+ Зэл
+ Звм
+ Зтр
+ Зпр
),
где Зам
- годовые издержки на амортизацию, тг/год;
Зэл
- годовые издержки на электроэнергию, потребляемую ЭВМ, тг/год;
Звм
- годовые издержки на вспомогательные материалы, тг/год;
Зтр
- затраты на текущий ремонт компьютера, тг/год;
Зпр
- годовые издержки на прочие и накладные расходы, тг/год;
· Амортизационные отчисления
Сумма годовых амортизационных отчислений определяется по формуле:
Зам
= Сбал
* Нам
,
где Сбал
- балансовая стоимость компьютера, тг/шт.;
Нам
- норма амортизации, %;
Балансовая стоимость ПЭВМ включает отпускную цену, расходы на транспортировку, монтаж оборудования и его наладку:
Сбал
= Срын
+ Зуст
;
где Срын
- рыночная стоимость компьютера, тг/шт.,
Зуст
- затраты на доставку и установку компьютера, тг/шт.
Компьютер, на котором велась работа, был приобретен по цене Срын
= 70000 тг/шт, затраты на установку и наладку составили примерно 10% от стоимости компьютера
Зуст
= 10% * Срын
= 0.1 * 70000 =7000 тг/шт.
Отсюда
Сбал
= 70000+7000=77000 тг/шт.
Зам
= 77000*0,25=19250 тг/год.
· Расчёт затрат на электроэнергию
Стоимость электроэнергии, потребляемой за год, определяется по формуле:
Зэл
= Рэл
* Тэвм
* Сэл
* А,
где Рэвм
- суммарная мощность ЭВМ,
Сэл
- стоимость 1кВт*ч электроэнергии,
А - коэффициент интенсивного использования мощности машины.
Согласно техническому паспорту ЭВМ Рэвм
= 0.22 кВт, стоимость 1кВт*ч электроэнергии для предприятий Сэл
= 5.5 тг., интенсивность использования машины А = 0.98.
Тогда расчётное значение затрат на электроэнергию:
Зэл
= 0.22*1760*5.5*0.98 = 2087тг.
· Расчёт затрат на текущий ремонт
Затраты на текущий и профилактический ремонт принимаются равными 5% от стоимости ЭВМ:
Зтр
= 0.05 * Сбал
= 0.05*77000 = 3850тг.
· Расчёт затрат на вспомогательные материалы
Затраты на материалы, необходимые для обеспечения нормальной работы ПЭВМ составляют около 1% от стоимости ЭВМ:
Звм
= 0.01*77000 = 770 тг.
· Прочие затраты по эксплуатации ПЭВМ
Прочие косвенные затраты, связанные с эксплуатацией ПЭВМ, состоят из амортизационных отчислений на здания, стоимости услуг сторонних организаций и составляют 5% от стоимости ЭВМ:
Зпр
= 0.05*77000 = 3850 тг.
Таким образом, Змв
спп
= 19250+2087+770+3850+3850=29807тг.
· Годовые издержки на заработную плату обслуживающего персонала
Издержки на заработную плату обслуживающего персонала складываются из основной заработной платы, дополнительной и отчислений на заработную плату:
Ззп
= Зосн
зп
+ Здоп
зп
+ Зотч
зп
.
Сумма основной заработной платы определяется исходя из общей численности работающих в штате:
Зосн
зп
= 12*
å
З
i
окл
,
где Зi
окл
- тарифная ставка i-го работника в месяц, тенге.;
В штат обслуживающего персонала должны входить инженер-электронщик с месячным окладом 16000тг. и электрослесарь с окладом 14000тг.
Тогда, учитывая, что данный персонал обслуживает 10 машин, имеем издержки на основную заработную плату обслуживающего персонала составят: Зосн
зп
= 12*(16000+ 14000)/10 = 36000тг.
Сумма дополнительной заработной платы составляет 60% от основной заработной платы: Здоп
зп
= 0.6*36000 =21600тг.
Сумма отчислений на социальные нужды составляет 26 % от суммы дополнительной и основной заработных плат:
Зотч
зп
= 0.26*(36000+21600) = 14976тг
Тогда годовые издержки на заработную плату обслуживающего персонала составят: Ззп
= 36000+ 21600 +14976=72576тг.
Полные затраты на эксплуатацию ЭВМ в течении года составят:
Зэвм
= 72576+19250+2087+770+3850+3850= 102383тг.
Тогда цена машино-часа арендуемого времени составит
Счас
= 102383/ 1760 = 58,17тг
А затраты на оплату машинного времени составят:
Змв
спп
= 58,17* 28,18 = 1639,23 тг.
· Расчёт общих расходов
Общие расходы это расходы на освещение, отопление, коммунальные услуги и т.п. Они принимаются равными одной трети основой зарплате разработчика программы, т.е. 1885,8 тг.
Тогда затраты на создание программного продукта составят:
Зспп
= Ззп
спп
+ Змв
спп
+ Зобщ
Зспп
=9990,29+1639,23+1885,8=13515,32 тг.
· Расчеты затрат до внедрения программы.
Данная методика расчета экономической эффективности была применена на примере разработки, внедрения и эксплуатации информационной системы и осуществлялась группой лиц в количестве 1 человека помощника, но этот человек работает на 1,5 ставки.
Затраты на решение задачи без использования программы рассчитываются по формуле:
Здвс.
= ЗПэпом
,
где ЗПэпом
– зарплата за пол месяца помощника;
Заработная плата помощника учитывая расчет вручную, определяется по формуле:
ЗП=
Q
*
N
+От,
где Q – оклад данного сотрудника;
N – количество сотрудников;
От – отчисления на социальные нужды (26%).
Заработная плата помощника – 24000 тг.
Месячная заработная плата работника на 1,5 ставки будет определяется:
Здвс
= 12000+12000*0,26+6000+6000*0,26=22680тг.
Затраты на разработку и внедрение информационной системы составят: Зспп=13515,32 тг.
Суммарные затраты после внедрения программного комплекса определяются: Зпвс.
= Зспп +ЗПоп,
ЗПоп
– заработная плата оператора за пол месяца, который будет обслуживать данную программу.
Заработная плата оператора (0,5 ставки помощника) составит – 6000 тг.
Зпвс.
= 13515,32+6000=19515,32 тг.
· Расчет экономии затрат
Экономия затрат от внедрения программного комплекса определяется:
Э = Здвс
- Зпвс,
где Здвс – затраты до внедрения системы;
Зпвс
- затраты после внедрения системы.
Э = 22680-19515,32=3164,68 тг.
Срок окупаемости программного комплекса:
Ток
= С/Э,
где С – затраты на разработку и внедрение системы;
Э- экономия затрат от внедрения.
Ток
= 19515,32/3164,68=6,2 месяцев
Показатели экономической эффективности дипломной работы “АРМ Менеджера” приводят к одному и тому же выводу об внедрение информационной системы, которой позволит получить экономический эффект.
Результатом внедрения программы привело к снижению расходов, к сокращению штатных единиц и экономии времени для возможности решения описанных выше задач. Срок окупаемости для внедрения информационной системы составил всего 6,2 месяца.
Также можно отметить, что автоматизация рабочих мест в коммерческих структурах приобретает в последнее время все большие масштабы. В настоящее время работа компаний зависит не только от умелого руководства, хороших кадров и достаточного количества финансовых средств, а также и от уровня компьютеризации и автоматизации деятельности фирмы. Применение автоматизированных систем управления хозяйственной деятельностью компании оказывает существенную помощь при принятии правильных и своевременных решений.
5. ОХРАНА ТРУДА И ОКРУЖАЮЩЕЙ СРЕДЫ
Охрана труда (ОТ) - система законодательных актов, социально-экономических, организационных, технических, гигиенических, лечебно профилактических мероприятий, обеспечивающих безопасность, здоровье и работоспособность человека в процессе труда.
Задача ОТ - свести к минимуму вероятность поражения или заболевания работающего с одновременным обеспечением комфорта при максимальной производительности труда. Реальные производственные условия характеризуются опасными и вредными факторами. Опасные производственные факторы - факторы, воздействие которых на работающего в определенных условиях приводят к травме или другим профессиональным заболеваниям. Вредным производственным фактором называется такой, воздействие которого на работающего в определенных условиях приводит к заболеванию или снижению работоспособности. Опасные - движущиеся детали механизмов, раскаленные тела. Вредные - воздух, примеси в нем, теплота, недостаточное освещение, шум, вибрация, ионизирующее лазерное и электромагнитное излучения.
Законодательные и нормативные акты ОТ.
В законодательстве об ОТ отражены следующие правила и нормы: правила организации ОТ на предприятиях; правила по ТБ и производственной санитарии; правила, обеспечивающие индивидуальную защиту работающих от профессиональных заболеваний; правила и нормы специальной охраны труда женщин, молодежи и лиц с пониженной трудоспособностью; правовые нормы, в которых предусматривается ответственность за нарушение законодательства об ОТ.
Система управления ОТ промышленного предприятия.
Действующее трудовое законодательство устанавливает, что ответственность за организацию труда на предприятии несут директор и главный инженер. По подразделениям такая ответственность возлагается на руководителей цехов, участков, служб. Непосредственное руководство ОТ осуществляет главный инженер.
В целях ОТ КЗОТ возлагает на администрацию предприятия следующие функции:
Проведение инструктора по ТБ, производственной санитарии и пожарной безопасности;
Организация работы по профессиональному отбору служащих;
Осуществление контроля за соблюдением работниками предприятия всех требований и инструкций по ОТ.
Существует несколько видов инструктажа: вводный, первичный на рабочем месте, вторичный, внеплановый, текущий. Вводный инструктаж обязаны пройти все вновь поступающие на предприятие, а также командированные лица. Проводит инструктаж главный инженер.
Первичный на рабочем месте проводиться со всеми, поступившими на работу. Вторичный - не реже, чем через шесть месяцев. Его цель - восстановление в памяти рабочего правил по ТБ, а также разбора конкретных нарушений.
Внеплановый проводят при изменении технологического процесса, правил по ОТ или при внедрении новой техники.
Текущий инструктаж проводится с работниками предприятия, перед работой которых оформляется допуск в наряд.
Важное значение для безопасности труда имеет профессиональный отбор, цель которого выявление лиц, непригодным по своим физическим данным к участию в производственном процессе. Кроме того, важное значение имеет соблюдение инструкций по ОТ, которые разрабатываются и утверждаются администрацией предприятия совместно с профсоюзом. Особую роль в организации работы по предупреждению несчастных случаев играет служба ОТ.
В условиях современного производства отдельные мероприятия по улучшению условий труда оказываются недостаточными, поэтому они осуществляются комплексно, образуя систему управления безопасности труда (СУБТ) - совокупность объекта управления и управляющей части, связанных каналами передачи информации. Объектом управления служит безопасность труда на рабочем месте и характеризуется воздействием людей с предметами и орудиями труда.
Состояние объектов управления определяется входными параметрами - факторами, воздействующими на безопасность трудовой деятельности (X1
,...,Xn
). К ним можно отнести безопасность конструкций, безопасность технологических процессов, гигиенические параметры производственной среды и социально-психологические факторы. Так как реальные производственные условия не являются абсолютно безопасными, то выходной характеристикой системы служит некоторый уровень безопасности (Y=f(X1
,...,Xn
)). Выходы объектов управления связаны через систему сбора и обработки информации со входами управляющей части. Информация о выявленных в процессе контроля отклонениях от нормальной безопасности труда, потенциально опасных факторах, поступает в управляющий орган для анализа и принятия решений, направленных на регулирование управляющих параметров входов объекта управления. Таким образом СУБТ действуют по принципу обратной связи и при этом осуществляется замкнутое автономное управление. СУБТ - элемент системы управления более высокого порядка (министерство народного хозяйства). Поэтому на входе управляющей системы поступает внешняя информация: законодательная, директивная, нормативная.
| 
|
Влияние на человека микроклимата в производственных условиях.
Одним из необходимых условий здорового и высокопроизводительного труда является обеспечение чистоты воздуха и нормальных метеорологических условий в рабочей зоне помещения, т.е. в пространстве до 2 метров над уровнем пола. Благоприятный состав воздуха: N2
- 78%, О2
- 20,9%, Ar+Ne - 0.9%, CO2
- 0.03%, прочие газы - 0,01%. Такой состав воздуха бывает редко, так как за счет технологических процессов в воздухе появляются вредные вещества: пары жидких растворителей (бензин, ртуть), газы появляющиеся в процессе литья, сварки и термообработки металла. Пыль образуется в результате дробления, разлома, транспортировки, упаковки, расфасовки. Дым образуется в результате сгорания топлива в печах, туман - при использовании смазочно-охлаждающих жидкостей. Вредные вещества проникают в организм в основном через дыхательные пути и относятся к опасным и вредным производственным факторам. По характеру воздействия вредные вещества подразделяются на:
Общетоксические. Вызывают отравление всего организма СО, цианистые соединения, Pb, Hg).
Раздражающие. Вызывают раздражение дыхательного тракта и слизистой оболочки (хлор, аммиак, ацетон).
Вещества действующие как аллергены (растворители и лаки на основе нитросоединений).
Мутагенные. Приводят к изменению наследственности (Pb, Mn, радиоактивные вещества).
Ряд вредных веществ оказывают на организм человека фиброгенное воздействие, вызывая раздражение слизистой оболочки не попадая в кровь (пыль: металлов, пластмассовая, древесная, наждачная, стеклянная). Эта пыль образуется при металлообработке, литье и штамповке. Наибольшую опасность представляет мелко-дисперсионная пыль. В отличии от крупно-дисперсионной, она находится во взвешенном состоянии и легко проникает в легкие. В сварочной пыли находится 90% частиц размером < 5мкм, что делает ее особо вредной для организма человека, так как в ее составе находится марганец и хром. В результате воздействия вредных веществ на человека могут возникнуть профессиональные заболевания, наиболее тяжелым из которых является силикоз, который появляется в результате вдыхания двуокиси кремния (SiO2
) в литейных цехах.
Нормирование микроклимата.
Метеорологические условия (или микроклимат) на производстве определяются следующими параметрами: температура воздуха, относительная влажность, скорость движения воздуха, давление. Однако на здоровье человека значительное влияние оказывают перепады давления. Необходимость учета основных параметров микроклимата может быть объяснено на основе рассмотрения теплового баланса между организмом человека и окружающей средой. Величина тепловыделения Q организмом человека зависит от степени нагрузки в определенных условиях и может колебаться от 80 Дж/с (состояние покоя) до 500 Дж/с (тяжелая работа). Для протекания нормальных физиологических процессов в организме человека необходимо, чтобы выделяемая организмом теплота отводилась в окружающую среду. Отдача теплоты организмом в окружающую среду происходит в результате теплопроводности человека через одежду (QТ
), конвекции тела (QК
), излучение на окружающие поверхности (QП
), испарения влаги с поверхности (Qисп
), часть теплоты расходуется на нагрев выдыхаемого воздуха. Из этого следует: Q=QТ
+QП
+QК
+Qисп
+QВ
..
Нормальное тепловое самочувствие обеспечивается при соблюдении теплового баланса, в результате чего температура человека остается постоянной и равной 36° С. Эта способность человека поддерживать тела постоянной при изменении параметров окружающей среды называют терморегуляцией. При высокой температуре воздуха в помещении кровеносные сосуды расширяются, в результате чего происходит повышенный приток крови к поверхности тела и теплоотдача в окружающую среду возрастает. Однако при t=35° С окружающей среды отдача теплоты конвекцией и излучением прекращается. При понижении t окружающей среды кровеносные сосуды сужаются и приток крови к поверхности тела замедляется, и теплоотдача уменьшается. Влажность воздуха оказывает влияние на терморегуляцию организма: высокая влажность (более чем 85%) затрудняет терморегуляцию вследствие снижения испарения пота, а слишком низкая (менее 20%) - вызывает пересыхание слизистой оболочки дыхательных путей. Оптимальная величина влажности 40-60%. Движение воздуха оказывает большое влияние на самочувствие человека. В жарком помещении оно способствует увеличению теплоотдачи организма человека и улучшает состояние при низкой температуре. В зимнее время года скорость движения воздуха не должна превышать 0,2-0,5 м/с, а летом - 0,2-1 м/с. Скорость движения воздуха может оказывать неблагоприятное воздействие на распространение вредных веществ. Требуемый состав воздуха может быть обеспечен за счет выполнения следующих мероприятий:
1) механизация и автоматизация производственных процессов, включая дистанционное управление. Эти мероприятия защищают от вредных веществ, теплового излучения. Повышают производительность труда;
2) применение технологических процессов и оборудования, исключающих образование вредных веществ. Большое значение имеет герметизация оборудования, в котором находятся вредные вещества;
3) защита от источников тепловых излучений;
4) устройства вентиляции и отопления;
5) применение индивидуальных средств защиты.
Обеспечение пожаробезопасности и взрывобезопасности.
Общие сведения процессов горения пожаров и взрывов.
Горение - химическая реакция окисления, сопровождающаяся процессами выделения тепла и света. Для возникновения горения необходимо наличие горючего вещества, окислителя (О2,
, Cr, F, Br, I) и источника загорания. В зависимости от свойств горючей смеси горение может быть гомогенным (все вещества имеют одинаковое агрегатное состояние) и гетерогенным В зависимости от скорости распространения пламени горение может быть дефлакрационным (порядка нескольких м/с), взрывным (»10 м/с), детонационным (»1000 м/с). Пожарам свойственно дефлакрационное горение. Денатационное горение - при котором импульс воспламенения передается от слоя к слою не за счет теплопроводности, а вследствие импульса давления. Давление в денатационной волне значительно больше давления при взрыв, что приводит к сильным разрушениям.
Процесс возникновения горения подразделяется на несколько видов: вспышка, возгорание, воспламенение, самовозгорание и взрыв.
Вспышка - быстрое горение горючей смеси не сопровождающаяся образованием сжатых газов при внесении в нее источника зажигания. При этом для продолжения горения оказывается недостаточным то количество тепла, которое образуется при кратковременном процессе вспышки.
Возгорание - явление возникновения горения под действием источника зажигания.
Воспламенение - возгорание, сопровождающееся появлением пламени. При этом вся оставшаяся часть горючего вещества остается холодной.
Самовозгорание - явление резкого увеличения скорости тепловых реакций в веществе, приводящее к возникновению горения в отсутствии источника возгорания. При этом окисление происходит вследствие соединения о2 воздуха и нагретого вещества за счет тепла химической реакции окисления. Самовозгорание - самопроизвольное появление пламени. Взрыв - горение вещества, сопровождающееся выделением большого количества энергии.
Причины пожаров на предприятии. Предприятия радиоэлектронной и машиностроительной промышленности отличаются повышенной пожароопасностью, т.к. их характеризуют сложность производственных процессов, значительное количество легко воспламеняемых и горючих веществ. Главная причина пожаров на предприятии - нарушение ТП. Основы защиты от пожаров определены ГОСТом "Пожарная безопасность" и "Взрывобезопасность". Этими стандартами допускается такая частота возникновения пожаров и взрывов, что вероятность их возникновения <10-6
. Мероприятия по пожарной профилактике подразделяются на организационные, технические и эксплуатационные. Организационные мероприятия предусматривают правильную эксплуатацию машин, правильное содержание зданий и противопожарный инструктаж рабочих и служащих. К техническим мероприятиям относятся соблюдение противопожарных норм, правил при проектировании зданий, при устройстве электропроводки, отопления, вентиляции и освещения. Мероприятия режимного характера - запрещение курения в неустановленных местах, производство сварных и огнеопасных работ в пожароопасных помещениях. Эксплуатационные мероприятия - профилактические осмотры, ремонт и испытания технологического оборудования.
Противопожарные меры проектирования предприятий.
Здание считается правильно спроектированным, если наряду с решением функциональных, санитарных и технических требований обеспечиваются условия пожаробезопасности. В соответствии с ГОСТом все строительные материалы по возгораемости делят на три группы:
- несгораемые, под действием огня и высоких температур не возгораются и не обугливаются (металлы и материалы минерального происхождения);
- трудносгораемые, способны возгораться и гореть под воздействием постороннего источника возгорания (конструкции из древесины, покрытые огнезащитным слоем);
- сгораемые, способны самостоятельно гореть после удаления источника возгорания.
При пожаре конструкции могут нагреваться до высоких температур, прогорать, получать сквозные трещины, что может привести к пожарам в смежных помещениях.
Способность конструкции сопротивляться воздействию пожара в течении некоторого времени при сохранении эксплутационных свойств называют огнестойкостью. Огнестойкость конструкции характеризуется пределом огнестойкости, представляющим собой время в часах от начала испытания конструкции до появления в ней трещин, отверстий сквозь которые проникают продукты горения. В зависимости от величины предела огнестойкости здания подразделяют на 5 степеней. Повысить огнестойкость здания можно облицовкой и отштукатуриванием металлических частей конструкции. При облицовке стальной колонны гипсовыми плитами толщиной 6-7 см предел огнестойкости повышается с 0,3 до 3 часов. Одним из эффективных средств защиты древесины является пропитка ее антипиринами. Зонирование территории заключается в группировке в отдельный комплекс объектов, родственных по функциональному назначению и пожарной опасности. При этом помещения с повышенной пожароопасностью должны быть расположены с подветренной стороны. Т.к. котельные и литейные цеха являются причинами возникновения пожара, то их располагают с подветренной стороны по отношению к открытым складам с легковоспламеняемыми веществами. Для предупреждения распространения пожара с одного здания на другое между ними устраивают противопожарные разрывы. Количество передаваемого тепла от горящего объекта к соседнему зданию зависит от свойств горючих материалов, температуры пламя, величины излучающей поверхности, наличием противопожарных преград, взаимного расположения зданий и метеорологических условий. При определении расположения пожарного разрыва учитывают степень огнестойкости здания. Для предотвращения распространения огня используют противопожарные преграды. К ним относят: стены, перегородки, двери, ворота, люки, перекрытия. Противопожарные стены должны быть выполнены из несгораемых материалов с пределом огнестойкости не менее часов. А окна и двери с пределом огнестойкости - не менее 1 часа. Перекрытия не должны иметь проемов и отверстий, через которые могут проникать продукты горения.
Огнетушащие вещества и аппараты пожаротушения.
В практике тушения пожаров наибольшее распространение получили следующие принципы прекращения горения:
1) изоляция очага горения путем разбавления негорючими газами до концентрации, при которой горение затухает;
2) охлаждение очага горения;
3) интенсивное торможение скорости химической реакции в пламени;
4) механический срыв пламени в результате воздействия на него сильной струи газа или воды;
5) создание условий огнепреграждения, при которых пламя не распространяется через узкие каналы.
Аппараты для тушения пожаров.
Для тушения пожаров применяют огнетушители, переносные установки. К ручным огнетушителям относятся пенные, углекислотные, углекислотно-бромэтиловые и порошковые.
Пенные огнетушители используются для тушения пожара и обладают следующими достоинствами: простотой, легкостью, быстротой приведения огнетушителя в действие и выбрасыванием жидкости в виде струи. Заряд пенного огнетушителя состоит из двух частей: кислотной и щелочной. На предприятиях используются пенные огнетушители ОХП10. Продолжительность действия - 65 секунд, дальность - 8 метров, масса - 15 кг. Огнетушитель приводится в действие поворотом рукоятки вверх до отказа. При этом открывается пробка колбы, затем огнетушитель поворачивается головкой вниз, в результате чего кислота выливается в баллон и происходит химическая реакция. Образующийся при этом СО2
вызывает вспенивание жидкости, создает в баллоне давление 1000 кПа и выбрасывает жидкость в виде струи пены из баллона.
Пожарная сигнализация.
Возможность быстрой ликвидации пожара зависит от своевременного оповещения о пожаре. Распространенным средством оповещения является телефонная связь. Также быстрым и надежным видом пожарной связи является электрическая система, которая состоит из 4 частей: прибора-извещателя (датчиков), которые устанавливаются на объекте и приводятся в действие автоматически; приемной станции, принимающей сигналы от получателя; системы проводов, соединяющей датчики с приемной станцией; аккумуляторных батарей. Электрическая пожарная сигнализация в зависимости от схемы соединения с приемной станцией бывает лучевая и кольцевая. При лучевой схеме от датчика до приемной станции делается отдельная проводка, называемая лучом. Луч состоит из двух самостоятельных проводов: прямого и обратного. При кольцевой схеме все извещатели установлены последовательно на один общий провод, оба конца которого выведены на приемный аппарат.
Автоматические пожарные извещатели в зависимости от воздействующего фактора бывают дымовыми, тепловыми и световыми. Дымовой фактор реагирует на появление дыма. Тепловой на повышение температуры воздуха в помещении. Световой - на излучение открытого пламени. Тепловые автоматические извещатели по типу применяемого чувствительного элемента делятся на биметаллические, термопарные и полупроводниковые.
5.1 Безопасность оборудования и производственные процессы
Эксплуатация любого вида оборудования связана потенциально с наличием тех или иных опасных или вредных производственных факторов.
Основные направления создания безопасных и безвредных условий труда.

Цели механизации
: создание безопасных и безвредных условий труда при выполнении определенной операции.
Исключение человека из сферы труда обеспечивается при использовании РТК, создание которых требует высоко научно-технического потенциала на этапе как проектирования, так и на этапе изгот-я и обслуживания, отсюда значительные капитальные затраты.
Требования безопасности при проектировании машин и механизмов
ГОСТ 12.2... ССБТ
Требования направлены на обеспечение безопасности, надежности, удобства в эксплуатации.
Безопасность машин опред. отсутствием возможности изменения переметров технологич. процесса или конструктивных параметров машин, что позволяет исключить возм-ть возникновения опасн. факторов.
Надежность определяется вероятностью нарушения нормальной работы, что приводит к возникновению опасных факторов и чрезвычайных (аврийных) ситуаций. На этапе проектирования, надежность определяется правильным выбором конструктивных параметров, а также устройств автоматического управления и регулирования.
Удобства эксплуатации определяются психо-физиологическим состоянием обслуж. персонала.
На этапе проектирования удобства в эксплуатации определяются правильным выбором дизайна машин и правильно-спроектированным РМ пользователя.
ГОСТ 12.2.032-78 ССБТ. Рабочее место при выполнении работ сидя. Общие эргономические требования.
ГОСТ 12.2.033-78 ССБТ. Рабочее место при выполнении работ стоя. Общие эргономические требования.

Опасные зоны оборудования и средства защиты от них
Опасная зона оборудования — производство, в котором потенциально возможно действие на работающего опасных и вредных факторов и как следствие - действие вредных факторов, приводящих к заболеванию.
Опасность локализована вокруг перемещающихся частей оборудования или вблизи действия источников различных видов излучения.
Размеры опасных зон могут быть постоянные, когда стабильны расстояния между рабочими органами машины и переменно.
Ср-ва защиты от воздействия опасных зон оборудования подразделяется на: коллективные и индивидуальные.
1. Коллективные
1.1 Оградительные
1.1.1 стационарные (несъемные);
1.1.2 подвижные (съемные);
1.1.3 переносные (временные)
2. Оградительные средства предназначены для исключения возможности попадания работника в опасную зону: зону ведущих частей, зону тепловых излучений, зону лазерного излучения и т.д.
3. Предохранительные
3.1 наличие слабого звена (плавкая вставка в предохранитель);
3.2 с автоматическим восстановлением кинематической цепи
4 Блокировочные
4.1 механические;
4.2 электрические;
4.3 фото-электрические;
4.4 радиационные;
4.5 гидравлические;
4.6 пневматические;
4.7 пневматические
5 Сигнализирующие
5.1 по назначению (оперативные, предупредительные, опознавательные средства);
5.2 по способу передачи информации
5.2.1 световая;
5.2.2 звуковая;
5.2.3 комбинированная
6 Сигнализирующие ср-ва предназначены для предупреждения и подачи сигнала в случае попадания работающего в опасную зону оборуд-я.
7 Средства защиты дистанционного управления
7.1 визуальная;
7.2 дистанционная
8. Предназначены для удаления раб. места персонала, работающего с органами, обеспечивающими наблюдение за процессами или осуществление управления за пределами опасной зоны.
Средства специальной защиты, которые обеспечивают защиту систем вентиляции, отопления, освещения в опасных зонах оборудования.
Каждая промышленная структура имеет систему водоснабжения и водоотведения. Предпочтение отдается системе оборотного водоснабжения (т.е. часть воды используется в технических операциях, очищается и поступает вновь, а часть сбрасывается.
Система водоотведения предусматривает систему канализации, которая включает устройства в том числе и очистные. На территории предприятия различают 3 вида сточных вод:
— производственные (техн. процессы);
— бытовые (хоз. нужды);
— поверхностные (осадки).
Нормирование содержания вредных веществ в сточных водах
Содержание вредных и ядовитых веществ регламентируется по лимитирующему показателю вредности (ЛПВ), т.е. наиболее вероятное неблагоприятное воздействие каждого вредного вещества.
Для водоемов питьевого и культурного назначения существует 3 ЛПВ:
1. санитарно-токсикологический;
2. общий санитарный;
3. органолептический.
Для водоемов рыбохозяйственного назначения 2 ЛПВ:
1. токсикологический;
2. рыбохозяйственный.
Основным эл-ом водно-санитарного законодательства является ПДК в воде. Все в-ва по ПДК подразделяются:
1. чрезвычайно опасные;
2. особо опасные;
3. умеренно опасные;
4. малоопасные.
Органолептические свойства — характеризуются наличием запаха, привкуса, цветности, мутности.
Нормативный документ
СН 46.30-88. Санитарные нормы и правила охраны поверхностных вод от загрязнений.
Защита литосферы
Отходы образуются как при выполн. технологического процесса, так и после окончания срока эксплуатации техники, приборов, ВТ, оборудования и т.д.
Все виды отходов, которые образуются в этом случае, подразделяются на группы: твердые, жидкие.
Твердые отходы
1.Металлы: черные; цветные; драгоценные; редкие
2.Неметаллы: шлаг; бумага; резина; древесина; пластмассы; керамика; шлам; стекло; ткань
Жидкие отходы
1Осадки сточных вод;
2Отработанные смазочно-охладительные жидкости;
3Химические осадки;
Отрицательное воздействие на природу
1Прямое
1.1засорение территории (изменение физико-химического состава почв, образование химических и биологичеких очагов опасности в связи с тем, что не все отходы захораниваются в надлежащем месте, особенно радиактивные отходы);
2Косвенное
2.1разрушение зеленого покрова, разрушение ландшафта;
2.2невосполнимые дополнительные разработки полезных ископаемых, которые идут на нужды обществу.
Защита гидросферы
Каждая промышленная структура имеет систему водоснабжения и водоотведения. Предпочтение отдается системе оборотного водоснабжения (т.е. часть воды используется в технических операциях, очищается и поступает вновь, а часть сбрасывается.
Система водоотведения предусматривает систему канализации, которая включает устройства в том числе и очистные. На территории предприятия различают 3 вида сточных вод:
— производственные (техн. процессы);
— бытовые (хоз. нужды);
— поверхностные (осадки).
Нормирование содержания вредных веществ в сточных водах
Содержание вредных и ядовитых веществ регламентируется по лимитирующему показателю вредности (ЛПВ), т.е. наиболее вероятное неблагоприятное воздействие каждого вредного вещества.
Для водоемов питьевого и культурного назначения существует 3 ЛПВ:
4. санитарно-токсикологический;
5. общий санитарный;
6. органолептический.
Для водоемов рыбохозяйственного назначения 2 ЛПВ:
3. токсикологический;
4. рыбохозяйственный.
Основным эл-ом водно-санитарного законодательства является ПДК в воде. Все в-ва по ПДК подразделяются:
5. чрезвычайно опасные;
6. особо опасные;
7. умеренно опасные;
8. малоопасные.
Органолептические свойства — характеризуются наличием запаха, привкуса, цветности, мутности.
Нормативный документ
СН 46.30-88. Санитарные нормы и правила охраны поверхностных вод от загрязнений.
Защита литосферы
Отходы образуются как при выполн. технологического процесса, так и после окончания срока эксплуатации техники, приборов, ВТ, оборудования и т.д.
Все виды отходов, которые образуются в этом случае, подразделяются на группы: твердые, жидкие.
Твердые отходы
3.Металлы: черные; цветные; драгоценные; редкие
4.Неметаллы: шлаг; бумага; резина; древесина; пластмассы; керамика; шлам; стекло; ткань
Жидкие отходы
4Осадки сточных вод;
5Отработанные смазочно-охладительные жидкости;
6Химические осадки;
Отрицательное воздействие на природу
3Прямое
3.1засорение территории (изменение физико-химического состава почв, образование химических и биологичеких очагов опасности в связи с тем, что не все отходы захораниваются в надлежащем месте, особенно радиактивные отходы);
4Косвенное
4.1разрушение зеленого покрова, разрушение ландшафта;
ЗАКЛЮЧЕНИЕ
Воздействие, приложенное к системе автоматического регулирования, вызывает изменение регулируемой величины. Изменение регулируемой величины во времени определяет переходный процесс, характер которого зависит от воздействия и от свойств системы.
Является ли система следящей системой, на выходе которой нужно воспроизвести как можно более точно закон изменения управляющего сигнала, или системой автоматической стабилизации, где независимо от возмущения регулируемая величина должна поддерживаться на заданном уровне, переходный процесс представляется динамической характеристикой, по которой можно судить о качестве работы системы.
Любое воздействие, приложенное к системе, вызывает переходный процесс. Однако в рассмотрение обычно входят те переходные процессы, которые вызваны типовыми воздействиями, создающими условия более полного выявления динамических свойств системы. К числу типовых воздействий относятся сигналы скачкообразного и ступенчатого вида, возникающие, например, при включении системы или при скачкообразном изменении нагрузки; сигналы ударного действия, представляющие собой импульсы малой длительности по сравнению с временем переходного процесса.
Чтобы качественно выполнить задачу регулирования в различных изменяющихся условиях работы система должна обладать определённым (заданным) запасом устойчивости .
В устойчивых системах автоматического регулирования переходный процесс с течением времени затухает и наступает установившееся состояние. Как в переходном режиме, так и в установившемся состоянии выходная регулируемая величина отличается от желаемого закона изменения на некоторую величину, которая является ошибкой и характеризует точность выполнения поставленных задач. Ошибки в установившемся состоянии определяют статическую точность системы и имеют большое практическое значение. Поэтому при составлении технического задания на проектирование системы автоматического регулирования отдельно выделяются требования, предъявляемые к статической точности .
Большой практический интерес представляет поведение системы в переходном процессе. Показателями переходного процесса являются время переходного процесса, перерегулирование и число колебаний регулируемой величины около линии установившегося значения за время переходного процесса.
Показатели переходного процесса характеризуют качество системы автоматического регулирования и являются одним из важнейших требований, предъявляемых к динамическим свойствам системы.
Таким образом, для обеспечения необходимых динамических свойств к системам автоматического регулирования должны быть предъявлены требования по запасу устойчивости, статической точности и качеству переходного процесса.
В тех случаях когда воздействие (управляющее или возмущающее) не является типовым сигналом и не может быть сведено к типовому, то есть когда оно не может рассматриваться как сигнал с заданной функцией времени и является случайным процессом, в рассмотрение вводят вероятностные характеристики. Обычно при этом оценивается динамическая прочность системы с помощью понятия среднеквадратичной ошибки. Следовательно, в случае систем автоматического регулирования, находящихся под воздействием случайных стационарных процессов, для получения желаемых динамических свойств системы нужно предъявить определённые требования к величине среднеквадратичной ошибки.
СПИСОК ИСПОЛЬЗОВАННОЙ ЛИТЕРАТУРЫ
1. Послание Президента Республики Казахстан Назарбаева Н.А. народу Казахстана «Новое десятилетие - новый экономический подъем - новые возможности Казахстана», Астана: ЮРИСТ.2010 г.;
2. Клюев А.С., Глазов Б.В., Дубровский А.Х. Проектирование систем автоматизации технологических процессов. М.: Энергия, 1980.-512 с.
3. РМ4-2-78. Системы автоматизации технологических процессов. Схемы функциональные. Методика выполнения. М.: Проектмонтаж автоматика, 1978. - 39 с.
4. Голубятников В.А., Шувалов В.В. Автоматизация производственных процессов в химической промышленности. М.: Химия, 1985.
5. Плоцкий Л.М., Лапшенков Г.И. Автоматизация химических производств. М.: Химия, 1982.- 250 с.
6. Кузьминов Г.П. Основы автоматики и автоматизации производственных процессов. ЛТА им. С.М.Кирова.- Л., 1974.- 89 с.
7. Буйлов Г.П. Методические указания для выполнения курсовой работы по курсу "Основы автоматики и автоматизации производственных процессов" ЛТИ ЦБП.- Л., 1974.- 64 с.
8. Камразе А.И., Фитерман М.Я. Контрольно-измерительные приборы и автоматика. М.: Высшая школа, 1980.- 208 с.
9. Смирнов А.А. Основы автоматизации целлюлозно-бумажного и лесохимического производств. М.: Лесная промышленность, 1974.- 366 с.
10. Автоматические приборы, регуляторы и вычислительные системы. Под ред. Б.Д.Кошарского. Л.: Машиностроение, 1976.- 488 с.
11. Балмасов Е.Я. Автоматика и автоматизация процессов производства древесных пластиков и плит. М.: Лесная промышленность, 1977.- 216 с.
12. Казаков А.В., Кулаков М.В., Мелюшев Ю.К. Основы автоматики и автоматизации производственных процессов. М.: Машиностроение, 1970.- 374 с.
13. Справочник по автоматизации целлюлозно-бумажных предприятий. Под ред. Цешковский Э.В. и др. М.: Лесная промышленность, 1979.-296с.
14. Справочник по автоматизации в гидролизной, сульфитоспиртовой и лесохимической промышленности Под. ред. Финкель А.И. и др. М.: Лесная промышленность, 1976.- 184 с.
15. Фиркович В.С. Автоматизации технологических процессов гидролизных производств. М.: Лесная промышленность, 1980.- 224с.
16. Дианов В.Г. Технологические измерения и контрольно-измерительные приборы химических производств. М.: Химия, 1973.- 328 с.
17. Преображенский Л.Н., Александр В.А., Лихтер Д.А. Специальные приборы и регуляторы целлюлозно-бумажного производства. М.: Лесная промышленность, 1972.- 264 с.
18. Белоусов А.П., Дащенко А.И. Основы автоматизации.
19. Нудлер Г.И., Тульчик И.К, «Основы автоматизации производства». – М «Высшая школа» 1976г.
20. Исаакович Р.Я. «Технологические измерения и приборы». – М: «Недра» 1979г.
21. Исаакович Р.Я. «Технологические измерения и приборы». – М: «Недра» 1979г.
22. «Автоматизация технологически процессов». Под редакцией профессора Е.Б. Карнина. – М. 1997г
23. Голубятников В.А., Шувалов В.В. Автоматизация производственных процессов
24. Клюев А.С. Проектирование систем автоматизации. М., Энергия, 1980, с.512.
25. Гуляев В.Г. Новые информационные технологии М.: «Издательство ПРИОР», 1999
26. В.И.Водопьянов. Организация, планирование и управление предприятием: Мет. пособие.: ДВГТУ, 1992. – 40 с.
27. Справочник по проектированию автоматизированных систем управления под редакцией В.И.Круповича, Ю.Г.Барыбина, М.Л.Самовера.
|