| ГОУ СПО КАС-7
ОТДЕЛЕНИЕ ИНФОРМАЦИОННО-КОММУНИКАЦИОННЫХ ТЕХНОЛОГИЙ
Из опыта работы с программно-аппаратными комплексами
Degem Systems
Лаборатория TechPrep: «Введение в промышленные технологии»
Учебные материалы для преподавателей и студентов технических факультетов СПО
Описание учебной установки
«Постоянный электрический ток»
лабораторная работа TP – EB1
01
Москва 2006 г.
Содержание
| Тема
|
Стр.
|
| Введение
|
3
|
| Введение в электронику. Как получают и измеряют постоянный электрический ток
|
4
|
| Знакомимся с учебной установкой. Закон Ома
|
7
|
| Электрические сопротивления
|
11
|
| Практика измерений
|
15
|
| Резистивные делители напряжения
|
18
|
| Заключение
|
23
|
Введение
Добро пожаловать в увлекательный мир электроники!
Электроника, это наука, изучающая законы получения, передачи и преобразования электрического тока любой формы.
На наших уроках мы изучим, что такое постоянный электрический ток, элементы для преобразования постоянного электрического тока и как производить измерения в цепях постоянного тока.
По определению:
Постоянный электрический ток это направленное движение свободных электронов (в основном в металлах), не меняющее свою интенсивность и направление со временем.
Большинство электронных приборов, которые окружают нас в быту и применяются в промышленности, используют энергию постоянного электрического тока.

Даже если прибор подключен к осветительной розетке, все равно, внутри прибора находится специальный блок, который преобразует переменное напряжение осветительной сети в постоянное, заданной величины, например в телевизоре, электронных часах, компьютере, музыкальном центре и так далее.
Введение в электронику.
Как получают и измеряют постоянный электрический ток.
Постоянный электрический ток получают разными способами. Наиболее распространенный и известный всем способ это превращение энергии химических реакций в электрическую энергию. К таким преобразователям относятся химические источники тока - гальванические элементы - батарейки и аккумуляторы.
Преобразователи механической энергии в электрическую называют генераторами. На электростанциях используют генераторы переменного тока, а, например в автомобилях, для подзарядки аккумуляторов используют генераторы постоянного тока.
Забиваем Сайты В ТОП КУВАЛДОЙ - Уникальные возможности от SeoHammer
Каждая ссылка анализируется по трем пакетам оценки: SEO, Трафик и SMM.
SeoHammer делает продвижение сайта прозрачным и простым занятием.
Ссылки, вечные ссылки, статьи, упоминания, пресс-релизы - используйте по максимуму потенциал SeoHammer для продвижения вашего сайта.
Что умеет делать SeoHammer
— Продвижение в один клик, интеллектуальный подбор запросов, покупка самых лучших ссылок с высокой степенью качества у лучших бирж ссылок.
— Регулярная проверка качества ссылок по более чем 100 показателям и ежедневный пересчет показателей качества проекта.
— Все известные форматы ссылок: арендные ссылки, вечные ссылки, публикации (упоминания, мнения, отзывы, статьи, пресс-релизы).
— SeoHammer покажет, где рост или падение, а также запросы, на которые нужно обратить внимание.
SeoHammer еще предоставляет технологию Буст, она ускоряет продвижение в десятки раз,
а первые результаты появляются уже в течение первых 7 дней.
Зарегистрироваться и Начать продвижение
Еще один, наиболее выгодный, способ получения постоянного тока это преобразование энергии солнечного света, при помощи специальных фотоэлементов, в постоянный электрический ток. Такие солнечные батареи широко используют на космических кораблях и спутниках для питания бортовой аппаратуры.

В южных странах, где большинство дней в году солнечные, батареи из солнечных элементов используют для зарядки аккумуляторов в светлое время суток, а ночью энергию заряженных аккумуляторов используют для освещения.
Рассмотрим, наиболее всем известный, химический источник постоянного тока
- батарейку. Никуда не подключенная батарейка, которая лежит в магазине, обладает энергией, которая называется потенциальной (запасенной) энергией. У батарейки есть два контакта для подключения к нагрузке (нагрузка - это радиоприемник, лампочка фонарика, плеер и т.п.).

Контакты у батарейки обозначены знаками плюс (+) и минус (-). Если к этим контактам подключить измерительный прибор, который называется вольтметр, то вольтметр покажет разность потенциалов между контактами батарейки. Разность потенциалов называется напряжением и измеряется в "вольтах". В документации на электроприборы напряжение обозначается буквами В или V, например 1,5В или 1,5V.
Любой источник электрической энергии, батарейка, генератор, аккумулятор, преобразователь и т.п., в электротехнике, называется источником питания и на схемах электроприборов обозначается буквой U. Например, на рисунке, источник питания имеет напряжение 12В и обозначен как U=12V.

Подключим к источнику питания лампочку. Всякий электрический прибор, подключенный к источнику питания, называется нагрузкой. Если на нагрузке измерить напряжение, то может оказаться так, что вольтметр покажет напряжение ниже, чем должен давать источник питания (смотрите рисунок). Это не ошибка показаний вольтметра, а просто у источника питания недостаточно энергии для питания нагрузки.
Например, если батарейка уже была в употреблении, то она "села", т.е. ее энергии не хватает для питания какого либо прибора. Но если на батарейке написано, что ее напряжение 1,5 вольта, и мы измерим на ней напряжение без нагрузки, то оно может быть равным 1,5 вольта, а при подключении нагрузки ее напряжение может упасть до 0 вольт. Отсюда главное правило которое должен знать каждый уважающий себя электронщик: Напряжение источника питания измеряется только при подключенной нагрузке, с которой должен работать данный источник питания!
Сервис онлайн-записи на собственном Telegram-боте
Попробуйте сервис онлайн-записи VisitTime на основе вашего собственного Telegram-бота:
— Разгрузит мастера, специалиста или компанию;
— Позволит гибко управлять расписанием и загрузкой;
— Разошлет оповещения о новых услугах или акциях;
— Позволит принять оплату на карту/кошелек/счет;
— Позволит записываться на групповые и персональные посещения;
— Поможет получить от клиента отзывы о визите к вам;
— Включает в себя сервис чаевых.
Для новых пользователей первый месяц бесплатно.
Зарегистрироваться в сервисе
Вернемся к постоянному току. Раз постоянный ток это направленное движение свободных электронов, то электроны в электрической цепи движутся от отрицательного полюса источника питания, через нагрузку, к положительному полюсу источника питания так как электроны имеют отрицательный заряд. В электронике, за положительное направление электрического тока принято направление обратное направлению движения электронов. Ток в цепи обозначается буквой I.

Ранее мы говорили о том, что для питания нагрузки источник питания должен обладать достаточной мощностью. Для того, чтобы определить мощность источника питания мы должны знать силу тока проходящего в цепи. Сила тока, это количество свободных электронов протекающих в цепи за единицу времени.
Сила тока, в электронике, измеряется в единицах которые называются "ампер" и обозначается буквой А. Прибор для измерения силы тока называется амперметр. Силу тока, на практике, измерять неудобно так как прибор нужно включить в разрыв электрической цепи (смотрите рисунок).

Электрический ток проходя через нагрузку совершает работу. Ток походящий через лампочку нагревает спираль лампочки и она светится. Зная напряжение источника питания и ток проходящий через нагрузку мы можем узнать мощность нагрузки, которая выражается как произведение напряжения на ток.
Мощность обозначается буквой Р и измеряется в единицах которые называются "ватт" и обозначаются Вт или W. Формула расчета мощности будет: P = U * I

Если ток течет через нагрузку, то, очевидно, что нагрузка оказывает сопротивление движению электрического тока. Чем больше сопротивление нагрузки, тем меньше ток в цепи. Сопротивление обозначается буквой R и измеряется в единицах которые называются "Ом", например: R = 100 Ом.
Для изображения на электрических схемах различных радио и электронных деталей приняты условные обозначения. Некоторые из них показаны на рисунке. В последующих уроках мы будем пользоваться только такими обозначениями:

Знакомимся с учебной установкой
Схема учебной установки для проведения экспериментов показана на рисунке.

Перепишите к себе рабочую тетрадь назначение компонентов установки, а их функции мы разберем далее.
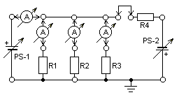
Учебная установка состоит из двух блоков.
Блок - 1 содержит:
МУЛЬТИМЕТР - мультиметр, это универсальный измерительный
прибор для измерения тока, напряжения и сопротивления. Как
он устроен и как с ним обращаться мы разберем, далее, более
подробно;
ФУНКЦИОНАЛЬНЫЙ ГЕНЕРАТОР И ЧАСТОТОМЕР - в наших
работах использоваться не будет;
Блок - 2 содержит:
РЕГУЛИРУЕМЫЙ ИСТОЧНИК ПИТАНИЯ №1 - предназначен для
питания электрических схем, которые мы будем исследовать.
Поворот ручки регулятора, по часовой стрелеке, изменяет
напряжение источника от нуля до максимального значения;
ВКЛЮЧАТЕЛЬ ПИТАНИЯ УЧЕБНОЙ УСТАНОВКИ - включает
учебную установку;
РЕГУЛИРУЕМЫЙ ИСТОЧНИК ПИТАНИЯ №2.

Модуль ЕВ-101
УЧЕБНЫЙ МОДУЛЬ ЕВ-101 - На этом модуле мы будем собирать электрические схемы, и проводить исследования.
Рассмотрим, как устроен и работает мультиметр:

Следует сразу заметить, что конструктивно мультиметры разных
фирм могут немного различаться. Если у Вас возникнут трудности по пользованию мультиметром, то обратитесь за помощью к преподавателю. Мультиметр имеет три основных компонента:
1) Цифровой индикатор - на нем отображается результат измерений;
2) Переключатель режима - предназначен для выбора измеряемой величины - напряжения (V), тока (A), сопротивления (Ом). Каждый режим разбит на диапазоны измерений.
3) Клеммы (контакты) – для подсоединения измерительных проводов. Клеммы помечены знаками + и -, а провода имеют разные цвета. Это сделано для того, чтобы мультиметр был включен в цепь с соблюдением полярности.
При проведении измерений следует выбрать режим измерения.
Например, при измерении напряжения выбирается режим V и устанавливается предел измерения, скажем, 20V как на рисунке.

Предел измерения величины выбирается из расчета, что он должен быть больше измеряемой величины, но не слишком большой, чтобы получить достоверные результаты.
Если мы знаем, что будем измерять напряжения в пределах 10 - 15 вольт и установим предел измерения 1000 вольт, то показания прибора будут неточными, а если установим предел измерения 5 вольт, то прибор выйдет из строя, и вам придется заплатить за его ремонт.
| Если с мультиметром все ясно, то попробуем произвести несколько измерений. Найдите на модуле ЕВ-101 учебной установки фрагмент схемы показанный на рисунке.
Договоримся, что соединения на модуле мы будем изображать синим проводником, плюс мультиметра красным проводником и минус мультиметра зеленым проводником.
|

|
Установите перемычку и подключите мультиметр как показано на рисунке. Установите режим измерения напряжения с пределом 20 (или близким к 20) вольт. Поверните ручку регулятора напряжения по часовой стрелке до упора. Включите учебную установку. Лампа L1 должна загореться, а мультиметр показывать напряжение в пределах 11...12,3 вольта. Если это не так, то обратитесь к преподавателю. Сейчас мы измерили напряжение источника питания с подключенной нагрузкой - лампа L1.
Следующим этапом будет измерение сопротивления лампы L1. Для этого нужно изменить схему соединений, как показано на рисунке.

Не забудьте, что перед любыми изменениями схемы, учебную установку нужно выключать, а включать ее только при измерениях.
Для измерения сопротивления лампы следует установить мультиметр на предел измерения сопротивления R с диапазоном 200 Ом.
Если все готово, то включите учебную установку и снимите показания мультиметра. Сопротивление лампы должно быть примерно равно 15 ... 18 Ом. При измерении сопротивления лампы, или любого другого сопротивления цепи, это сопротивление должно быть обязательно отключено от цепи, иначе измерения будут неверными.
Разброс показаний напряжения и сопротивления связан с тем, что не существует идеально одинаковых источников питания и лампочек. Примем измеренное напряжение за 11,5 вольта и сопротивление лампы за 16 Ом. На первом уроке мы говорили, что измерять ток в цепи довольно сложно, так как измеряемую цепь нужно разорвать и мультиметр включить в разрыв цепи. Можно найти ток, если мы знаем сопротивление и напряжение приложенное к этому сопротивлению. Формула связывающая между собой ток, напряжение и сопротивление называется законом Ома для участка цепи постоянного тока
. На рисунке показаны три варианта записи закона Ома.

Зная закон Ома рассчитаем ток проходящий через лампу L1. I = 11,5 / 16 = 0,72(Ампер). Теперь зная ток можем, заодно подсчитать мощность лампы L1.
P = I * U = 0,72 * 11,5 = 8,28 (Ватт).
Если на вашей учебной установке мультиметр имеет предел измерения тока до 1 ампера, то Вы можете измерить ток, проходящий через лампу L1, и сравнить его с расчетным результатом. Схема измерения тока показана на рисунке.

Электрические сопротивления
Мы знаем, что всякая нагрузка (лампа, паяльник, магнитофон, телевизор и т.п.) подключенная к источнику питания, является сопротивлением в цепи электрического тока. Чем больше сопротивление нагрузки, тем меньший ток протекает в цепи.
К источнику питания можно подключить несколько нагрузок. Подключить элементы нагрузки можно как последовательно (Рис. 1), так и параллельно (Рис. 2).

Рассмотрим, как будут распределяться токи, проходящие через сопротивления нагрузки при последовательном и параллельном включении.
При последовательном включении (смотрите рисунок) электрический ток I проходит последовательно через все элементы нагрузки IR и, следовательно, является постоянной величиной зависящей от суммы сопротивлений электрической цепи.

Общее сопротивление Re последовательно включенных сопротивлений равно их сумме: Re=R1+R2+...Rn-1+Rn.
При параллельном включении сопротивлений ток проходит раздельно через каждое сопротивление (см. рисунок)

и, следовательно, суммарный ток I равен сумме токов I1, I2,... In проходящих через все сопротивления. Суммарное сопротивление цепи Re параллельно включенных сопротивлений рассчитывается по формуле показанной на рисунке, и всегда имеет величину меньше меньшего сопротивления цепи.
В электронике, для изменения токов и напряжений в цепи,
применяют электрические сопротивления, которые называются "резисторы". Резисторы имеют разные типы конструкций. Наиболее распространены резисторы, изготовленные из керамических цилиндров, поверх которых нанесен токопроводящий слой. Края цилиндров имеют металлические контакты с выводами для подключения их в электрические цепи. Мощность таких резисторов зависит от их габаритных размеров. На рисунке показаны резисторы их маркировка и зависимость мощности от размеров.

Маркировка надписью на резисторах используется очень редко и только на резисторах мощностью более 1 Вт, В основном резисторы маркируются цветными полосами. Цветовая маркировка стандартна для резисторов изготовленных в любой стране мира.
Обычно резистор имеет четыре цветные полосы. Первая полоса всегда находится ближе к краю корпуса резистора (смотрите рисунок). Каждая полоса на резисторе имеет свое определенное назначение:
- 1 и 2 полоса - числа;
- 3 полоса - множитель, на который нужно умножить число, полученное из 1 и 2 полос;
- 4 полоса означает технологическое отклонение сопротивления от номинального значения в %.


| Посмотрите на рисунок.
Первая полоса красная - число 2.
Вторая полоса желтая - число 4.
Полученное таким образом число равно 24. Третья полоса красная - множитель 100.
Умножаем 24 на 100 и получаем номинальное сопротивление резистора 2400 Ом. Четвертая
полоса серебристая и означает отклонение от номинального сопротивления 10%. Рассчитаем минимальное и максимальное значение сопротивления. 10% от 2400 Ом равно 240 Ом.
Найдем минимальное значение сопротивления Rmin:
Rmin = 2400 Ом - 240 Ом = 2160 Ом.
Найдем максимальное значение сопротивления Rmax:
Rmax = 2400 Ом + 240 Ом = 2640 Ом.
|

|
| Рассмотрим еще один пример.
Первая полоса зеленая - число 5.
Вторая полоса голубая - число 6
Полученное число 56.
Третья полоса зеленая - множитель
100000. Умножим 56 на 100000 и
получим сопротивление 5600000 Ом.
Четвертая полоса отсутствует,
поэтому отклонение от номинала
будет равно 20% Рассчитаем максимальное и минимальное значение
сопротивления. 20% от 5600000 Ом будет равно 1120000 Ом.
Rmin = 5600000 Ом - 1120000 Ом = 4480000 Ом;
Rmax = 5600000 Ом + 1120000 Ом = 6720000 Ом.
|

|
Вы наверно обратили внимание, что рассчитанные нами номиналы сопротивления резисторов имеют слишком большую размерность. Для удобной записи величины сопротивлений применяют кратные величины, которые перечислены в приводимой таблице.

Пользуясь таблицей, переведем полученные нами номиналы. Первое сопротивление имеет номинал 2400 Ом, что соответствует величине 2,4 КОм, а второе имеет номинал 5600000 Ом и соответственно 5,6 МОм.
Попробуем произвести несколько измерений сопротивлений резисторов, а затем сравним измеренное значение с расчетным значением по цветным полосам.

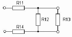
Найдите на учебном модуле фрагмент схемы, показанный на рисунке. Обратите внимание, что резисторы R12 и R13 включены параллельно, поэтому мы не сможем измерить сопротивления R12 и R13 раздельно, а только их общее сопротивление. Мы можем по цветным полосам определить их сопротивление, затем, по формуле, найти их общее сопротивление и сравнить его с измеренным значением.
Цветные полосы на резисторе R12 такие: 1-я - желтая, 2-я - голубая, 3-я - коричневая, 4-я золотистая.
На резисторе R13 полосы такие: 1-я - голубая, 2-я - серая, 3-я - коричневая,
4-я - золотистая.
Следовательно, сопротивление резистора R12 будет равно 46 Ом, а сопротивление R13 = 68 Ом. По формуле параллельного включения сопротивлений, общее сопротивление будет: 1/Ro = 1/R12 + 1/R13 = 1/46 + 1/68 = = 0,0217 + 0,0147 = 0,0364. Ro = 1/0,0364 = 27,4725 Ом.
Подключите мультиметр к схеме, так, как показано на рисунке.

Установите предел измерения сопротивлений до 1 Ком и произведите измерение. Полученный результат должен быть (примерно) равен 28 Ом.
Практика измерений
На этом уроке, мы на практике проверим действие закона Ома в цепях постоянного тока. Сначала исследуем параллельное и последовательное включение резисторов. Сейчас вам следует измерить величину сопротивлений R1, R2 и R3 (если вы этого не сделали в предыдущей теме при ответах на тестовые вопросы).
Сравните показания омметра с расчетными значениями сопротивлений, по цветным полосам. Полосы на R1: голубая, серая, красная, золотистая; на R2: оранжевая, оранжевая, красная, золотистая; на R3: коричневая, красная, красная, золотистая.

Рассчитайте общее сопротивление Ro включенных параллельно резисторов R1, R2 и R3, по формуле 1/R0 = 1/R1 + 1/R2 + 1/R3. Установите перемычки и подключите мультиметр к схеме, как показано на рисунке.

На мультиметре установите предел измерения сопротивлений до 10 Ком. Включите учебный модуль и произведите измерение. Полученный результат должен совпадать с расчетным. Результат может немного отличаться в большую или меньшую сторону на 0,2 Ком вследствие разброса характеристик резисторов (вспомните для чего нужна четвертая полоса на резисторе). Если это не так то рассчитайте Ro еще раз, более внимательно.
Рассчетное значение Ro параллельно включенных резисторов R1, R2 и R3 равно 0,7792 Ком, или если округлить 780 Ом. Рассчитаем ток проходящий через Ro. По закону Ома ток проходящий в цепи равен отношению напряжения приложенного к цепи, на сопротивление цепи: Iо = U/Ro. Ранее мы замеряли максимальное напряжение источника питания PS-1. Оно равно приблизительно 11,5 В (Вольт).
Подсчитаем ток:
Iо = 11,5/780 = 0,0174 А (Ампера) или, примерно, 17 мА (миллиампер).
Включите мультиметр, так, как показано на рисунке, установите предел измерения до 0,1 А.

Поверните регулятор напряжения PS-1, до упора, по часовой стрелке. Включите учебный модуль и снимите показания мультиметра. Измеренный ток должен совпадать с расчетным.
Ток Io пропорционально распределяется на все три резистора - R1, R2 и R3, то есть через резисторы протекают токи зависящие от величины сопротивлений. Подсчитаем токи для каждого резистора.
I1 = U/R1 = 11,5/6800 = 0,00169 А;
I2 = U/R2 = 11,5/3300 = 0,00348 А;
I3 = U/R3 = 0,00958 А.
Если сложить все три полученных тока, то получим общий ток Io = 0,00168+0,00348+0,00958 = 0,01474 А. Проверьте это на практике включая мультиметр так, как показано на рисунке.

Теперь рассмотрим последовательное включение сопротивлений. На прошлом уроке, при ответах на тестовые вопросы, вы должны были записать значения сопротивлений резисторов R5, R6, R7, R8, в свои рабочие тетради. Если у вас этих данных нет, то произведите измерения сейчас и запишите значения в тетрадь.
Мы уже знаем, что при последовательном включении резисторов ток в любой точке такой цепи - величина постоянная. Соберите на модуле ЕВ-101 схему, показанную на рисунке.

Поверните ручку регулятора напряжения PS-1, по часовой стрелке до упора.
Установите предел измерения тока мультиметра до 10 мА. Включите учебную установку и запишите показания мультиметра. Рассчитаем ток проходящий через резисторы R5, R6, R7 и R8. Сначала найдем общее сопротивление Ro которое равно сумме этих сопротивлений. Ro = R5+R6+R7+R8 = 1КОм + 6,8КОм + 4,7КОм + 1,5Ком = 14КОм. Разделим приложенное напряжение U = 11,5В на полученное сопротивление Ro = 14Ком, чтобы найти ток Io. Io = 11,5/14 = 0,8мА. Сравните рассчитанный ток Io с измеренным. Результаты должны отличаться незначительно.
Следующим шагом будет измерение тока в разрыве цепи между R6 и R7. Снимите перемычку между R7 и R6. Отключите мультиметр от цепи, а на его место установите перемычку, так как показано на рисунке.

Включите учебную установку и снимите показания мультиметра. Его показания должны в точности совпадать с показаниями предыдущего измерения. Мы на опыте убедились, что ток в любой точке последовательно включенных резисторов величина постоянная, зависит от напряжения приложенного к цепи и общего сопротивления цепи.
И так, подведем итоги. Мы с вами умеем измерять сопротивление. Сопротивление при измерении должно быть отключено от цепи, так чтобы другие элементы цепи не влияли на результат измерений. Мы умеем измерять ток. Ток всегда измеряется в разрыве цепи. Мы умеем измерять напряжение. Напряжение измеряется всегда параллельно источнику питания. К источнику питания обязательно должна быть подключена нагрузка.
Резистивные делители напряжения
Мы с вами уже знаем, как произвести измерения тех или иных параметров в цепи постоянного тока, как рассчитать ток, сопротивление напряжение и мощность в электрической цепи. Эти знания нам необходимы, чтобы самостоятельно исследовать, ремонтировать или разрабатывать различные радиоэлектронные приборы. Закон Ома для цепей постоянного тока является линейной функцией, то есть все соотношения в расчетных формулах пропорциональны. Например, увеличение напряжения на нагрузке (лампа, резистор) приводит к пропорциональному увеличению тока через нагрузку, а такие цепи называются линейными. Это важное замечание и его следует запомнить.
В радиоэлектронике есть еще и нелинейные компоненты такие как конденсаторы, катушки индуктивности, диоды, транзисторы и так далее. Мы пока не знаем, как они устроены и работают. Это предмет изучения следующих модулей. Но для обеспечения нормальной работы нелинейных элементов, очень часто, требуются так называемые резистивные делители постоянного напряжения.
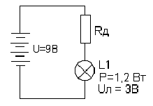
Делители напряжения бывают, нужны и в цепях постоянного тока. Как они устроены и как их рассчитать мы разберем на конкретных, практических, примерах. Рассмотрим такую ситуацию, у нас есть лампа на напряжение 3 вольта мощностью 1,2 ватта и источник питания с напряжением 9 вольт. Как подключить лампу к источнику питания так, чтобы она не перегорела? Для этого последовательно с лампой нужно включить резистор (см. рисунок).

Мы не знаем величину сопротивления резистора Rд, поэтому ее нужно рассчитать. Сначала определим ток, проходящий через лампу. В нашем распоряжении есть две величины: Мощность лампы - P = 1.2Вт и рабочее напряжение лампы Uл = 3В. Вспомним формулу расчета мощности P = U*I. Отсюда можем найти ток через лампу Iл = P/Uл = 1.2Вт/3В = 0,4А. Мы знаем, что при последовательном включении сопротивлений (лампа в данном случае является сопротивлением), ток в любой точке цепи – величина постоянная. Задача дополнительного резистора Rд снизить величину напряжения с 9 вольт до 3 вольт, то есть напряжение в цепи должно распределиться так: 3 вольта на лампе и 6 вольт Ur на сопротивлении Rд.

Нам осталось рассчитать сопротивление дополнительного резистора Rд. По закону Ома Rд = Ur/Iл = 6В/0,4А = 15 Ом.
Теперь нам нужно определить какая мощность Pr должна быть у резистора, чтобы он не перегорел. По формуле расчета мощности найдем Pr = Ur*Ir = 6В * 0,4А = 2.4 Вт. Резисторы установленные на учебном модуле имеют мощность 0,125 Вт, следовательно, размеры нашего резистора будут намного больше. Для питания различных каскадов радиоэлектронной аппаратуры, практически везде применяют делители напряжения. Мы уже знаем, что для изготовления делителя нужно как минимум два резистора. В нашем примере вторым резистором была лампочка. Резисторы в цепи должны быть включены последовательно. Напряжение на каждом резисторе можно легко измерить вольтметром.
Рассмотрим цепь из двух включенных последовательно резисторов. Расчет делителя, обычно производится для заданного тока через нагрузку. В качестве нагрузки обычно используется резистор R2 показанный на нашем рисунке.

Из предыдущего примера, мы знаем, что нагрузкой может быть лампочка, или какая ни будь иная нагрузка - радиоприемник, калькулятор и т.п.
Принято говорить о выходном напряжении делителя относительно общего провода. Общий провод еще называют "землей" или "корпусом". Чаще всего общим проводом является минус источника питания. Соединение деталей подключенных к общему проводу, на электрической схеме можно не указывать, а ставить знак "корпус". Схемы на рисунках 1 и 2 одинаковы.

Входное напряжение делителя (напряжение источника питания) принято обозначать как Uвх, а выходное напряжение - Uвых.
И так, вернемся к расчету делителя напряжения. Основными, исходными параметрами для расчета делителя должны быть: ток I проходящий через нагрузку и выходное напряжение Uвых. Примем ток I = 0,1А и выходное напряжение Uвых = 4В, а напряжение источника питания U = 12В. В данном случае сопротивление R2 нас не интересует, а вот сопротивление R1 нужно рассчитать. Найдем напряжение Ur1 на сопротивлении R1. Очевидно, что Ur1 равно разности между входным напряжением U, и напряжением на выходе делителя Uвых; Ur1 = 12В - 4В = 8В.

Зная напряжение, приложенное к резистору R1 и ток проходящий через него, легко определить его сопротивление R1 = Ur1/I.
R1 = 8В / 0.1А = 80 Ом. Рассчитаем мощность резистора: P = U*I = 8В * 0,1А = 0,8 Вт.
Рассмотренные нами резистивные делители напряжения, для подключения к ним нагрузки, не всегда применимы. Например, если мы включаем в качестве нагрузки лампочку или калькулятор, то мы заранее знаем, какой ток потребляет нагрузка, и ток этот относительно постоянен с течением времени. Если в качестве нагрузки включить радиоприемник, то качество работы радиоприемника будет неудовлетворительно. Связано это с тем, что, например, карманный радиоприемник при малой громкости потребляет ток 10 - 30 миллиампер, а при большой громкости ток возрастает до 100 - 150 миллиампер. Очевидно, что если меняется ток, то меняется и напряжение на выходе делителя, чем больше ток, тем меньше напряжение. Поэтому для питания такого типа нагрузок применяют специальные полупроводниковые стабилизаторы напряжения.
Полупроводниковые (транзисторные) стабилизаторы напряжения работают следующим образом: напряжение резистивного делителя (это напряжение часто называют эталонным или опорным) сравнивается с выходным напряжением стабилизатора и, если выходное напряжение стабилизатора изменяется, например вследствие изменения тока нагрузки Iн, то стабилизатор изменяет свои параметры так, чтобы уравнять выходное напряжение U выходное с опорным напряжением U делителя.

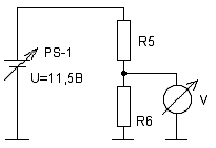
Для создания эталонного напряжения или для питания каскадов радиоэлектронной аппаратуры не требуются делители напряжения большой мощности. Проверим на практике, распределение токов и напряжений в делителях напряжения. Соберите на модуле ЕВ - 101 схему, показанную на рисунке.

Поверните регулятор PS-1, до упора, по часовой стрелке. Установите на мультиметре предел измерения тока до 10 мА, включите питание лабораторного модуля и снимите показание прибора.
На прошлых занятиях мы уже определяли сопротивления резисторов по цветным полосам и измеряли их величину омметром. Сопротивление резистора R5 у нас равно 1 КОм, а сопротивление R6 = 6,8 Ком. Напряжение источника питания равно 11,5 вольт.
Найдем ток через цепочку R5, R6. I = U / (R5+R6) = 11,5 / (1000 + 6800) = 0,00147А или, примерно, 1,5 миллиампера. Напряжение делителя измеряется относительно общего провода, в нашем случае на резисторе R6.

Найдем напряжение на R6. Ur6 = I * R6 = 0,00147 * 6800 = 10,0256В, примерно 10 вольт.
Переделайте монтажную схему, как показано на рисунке.

Установите предел измерения мультиметра на измерение напряжения до 20 вольт, включите питание лабораторного модуля и снимите показание вольтметра. Измеренное напряжение делителя должно быть в пределах 9,5 ... 10,3 вольт, то есть, совпадать с нашими расчетными данными.
Иногда требуется делитель напряжения имеющий несколько разных напряжений.
Для изготовления такого делителя последовательно включается не два, а несколько резисторов. Мы можем самостоятельно изготовить делитель, например, на три выходных напряжения.

Посмотрите на рисунок, схема, показанная на нем вам уже знакома:

На предыдущих уроках мы измеряли ток, проходящий через резисторы R5, R6, R7 и R8. Общее сопротивление этих, последовательно включенных резисторов равно 14 КОм, а ток, проходящий через эту цепочку, при напряжении 11,5 вольт равен 0,8 мА. Зная ток, мы можем найти напряжение в любой точке цепи. Вспомним, что выходное напряжение делителя измеряется относительно общего провода электросхемы, поэтому расчет напряжений будем производить, начиная с нижнего резистора R8.
Напряжение Ur8 на резисторе R8 будет равно: Ur8 = I*R8.
Ur8 = 0,0008*1500 = 1,2 вольта.
Напряжение Ur7 на R7 будет: Ur7 = 0,0008*4700 = 3,8 вольта.
Напряжение Ur6 на R6 будет: Ur6 = 0,0008*6800 = 5,4 вольта.
Соберите схему, показанную на рисунке. Измерьте напряжение Ur8 на резисторе R8 (точка А), оно должно совпадать с расчетным. Затем вам нужно измерить напряжение в точке Б, оно будет равно: Ur8+Ur7 = 1,2+3,8 = 5В. И последним нужно измерить напряжение в точке В. Напряжение в точке В будет равно: Ur8+Ur7+Ur6 = 5 + 5,4 = 10,4 вольта.
Заключение
Пособие разработано коллективом отделения ИКТ ГОУ СПО КАС-7 на основе теоретических материалов и оборудования, предоставленных фирмой ©DEGEM SYSTEMS для учебной лаборатории TechPrep.
Готовится к выпуску комплект пособий по темам:
· Основы САПР и АСУ (Систем Автоматизированного Проектирования и Систем Автоматизированного Управления). Токарный и фрезерный станки с ЧПУ
· Гидравлика в промышленных установках
· Пневматика в промышленных установках
Ваши предложения и замечания просим высылать по электронной почте: kas-7@yandex.ru
Наш адрес: г. Москва ул. Усиевича д 31. Телефон отделения ИКТ 151-68-73
|