| Содержание.
1. Предисловие
2. Содержание…………………………………………………………………………………………………………………………………………………… 2
3. Введение………………………………………………………………………………………………………………………………………………………. 3
А. Элементы автоматики
4. Классификация систем автоматики……………………………………………………………………………………………. 4
5. Датчики…………………………………………………………………………………………………………………………………………………………. 6
6. Усилители…………………………………………………………………………………………………………………………………………………….. 14
7. Стабилизаторы напряжения………………………………………………………………………………………………………………… 17
8. Стабилизаторы давления………………………………………………………………………………………………………………………. 19
9. Переключающие устройства………………………………………………………………………………………………………………… 20
10. Магнитные пускатели и реле……………………………………………………………………………………………………………… 22
Б. Системы автоматики и телемеханики
11. Основные понятия о теории управления………………………………………………………………………………………… 25
12. Основные понятия о системах регулирования, контроля и сигнализации…………………… 26
13. Автоматические системы передачи угловых перемещений и следящие системы…… 31
14. Системы телемеханики…………………………………………………………………………………………………………………………….. 32
15. Комплексная автоматизация…………………………………………………………………………………………………………………. 34
ВВЕДЕНИЕ
Автоматикой
называется отрасль науки и техники, охватывающая теорию и принципы построения автоматических систем и устройств, выполняющих свои основные функции без непосредственного участия человека.
Классификация систем автоматики:
бывают:
1. автоматические системы контроля,
которые могут иметь разновидности в виде автоматических систем измерения (АСИ) и автоматически систем сигнализации (АСС).
2. автоматические системы управления
(АСУ). Частным случаем АСУ является автоматическая система регулирования (АСР).
Структурные схемы систем автоматики.
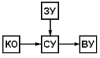
1.
Автоматическая система контроля.

АСК служит для осуществления автоматического контроля одного или нескольких параметров производственного процесса и включает в себя контролируемый объект, датчик, сравнительное устройство, задающее устройство, воспроизводящее устройство.
КО имеет один или несколько контролируемых параметров, которые снимаются датчиком и подаются на сравнивающее устройство, куда поступает эталонное значение параметра, вырабатываемое задающим устройством. В сравнивающем устройстве происходит сравнение текущего контролируемого параметра с эталонным в виде вычитания этих двух величин. Если разница этих двух сигналов равна 0, то текущее значение параметра равно эталонному и воспроизводящее устройство покажет значение ошибки “=0”.
Забиваем Сайты В ТОП КУВАЛДОЙ - Уникальные возможности от SeoHammer
Каждая ссылка анализируется по трем пакетам оценки: SEO, Трафик и SMM.
SeoHammer делает продвижение сайта прозрачным и простым занятием.
Ссылки, вечные ссылки, статьи, упоминания, пресс-релизы - используйте по максимуму потенциал SeoHammer для продвижения вашего сайта.
Что умеет делать SeoHammer
— Продвижение в один клик, интеллектуальный подбор запросов, покупка самых лучших ссылок с высокой степенью качества у лучших бирж ссылок.
— Регулярная проверка качества ссылок по более чем 100 показателям и ежедневный пересчет показателей качества проекта.
— Все известные форматы ссылок: арендные ссылки, вечные ссылки, публикации (упоминания, мнения, отзывы, статьи, пресс-релизы).
— SeoHammer покажет, где рост или падение, а также запросы, на которые нужно обратить внимание.
SeoHammer еще предоставляет технологию Буст, она ускоряет продвижение в десятки раз,
а первые результаты появляются уже в течение первых 7 дней.
Зарегистрироваться и Начать продвижение
Если контролируемый параметр отличается от эталонного, то разностный сигнал будет отображен на воспроизводящем устройстве, который покажет величину ошибки.
2. Системы управления:
а) разомкнутая
система автоматического управления служит для автоматического управления состоянием, работой и др. функциями управляемого объекта без отображения результатов или при отсутствии результатов управляющего воздействия.
В блок-схему входит задающее устройство, вырабатывающее командный сигнал; преобразующее устройство служит для преобразования и усиления командного сигнала; исполнительное устройство является исполнительным органом, которым может быть эл. Двигатель, пускатель, реле, реостат, потенциометр, взрыватель и т.д.; управляемый объект, который управляется командой с ЗУ.
б) замкнутая
система автоматического управления (система автоматического регулирования). Отличается от разомкнутой цепи наличием обратной связи, которая подводит через датчик текущие значения параметра объекта регулирования к сравнивающему устройству, где происходит его сравнение с эталонным значением параметра, вырабатываемым ЗУ.
Система автоматического регулирования служит для автоматического поддержания постоянства выходного параметра объекта регулирования с заданной точностью, характеризующую производственный процесс, и включает в себя ЗУ для выработки эталонного значения параметров; СУ для определения разности между эталонным и текущим значением параметра (сигнала рассогласования); исполнительного устройства; объекта регулирования и датчика, предназначенного для снятия текущего значения параметра, его преобразования в необходимый вид сигнала и подачи на сравнивающее устройство.

2. Системы телемеханики:
Телемеханикой
называется отрасль науки и техники, охватывающую теорию и принципы построения автоматических систем управления производственным процессом на объектах, находящихся на больших расстояниях от пункта управления (например, управления: космическими аппаратами и приборами, ядерных установок, работой автоматически хцехов и заводов, переводом стрелок на железных дорогах).
Сервис онлайн-записи на собственном Telegram-боте
Попробуйте сервис онлайн-записи VisitTime на основе вашего собственного Telegram-бота:
— Разгрузит мастера, специалиста или компанию;
— Позволит гибко управлять расписанием и загрузкой;
— Разошлет оповещения о новых услугах или акциях;
— Позволит принять оплату на карту/кошелек/счет;
— Позволит записываться на групповые и персональные посещения;
— Поможет получить от клиента отзывы о визите к вам;
— Включает в себя сервис чаевых.
Для новых пользователей первый месяц бесплатно.
Зарегистрироваться в сервисе
Классификация систем телемеханики:
По своему характеру системы телемеханики бывают:
1. системы измерения ТИ.
2. системы сигнализации ТС.
3. разомкнутые системы телеуправления РСТУ.
4. разомкнутые системы телеуправления (телерегулирования) ЗСТУ.
Системы телемеханики по устройству и принципу действия аналогич-ны системам автоматики, но для передачи и приема эталонных сигналов и команд они включают в себя передатчики, линии связи и приемники.

Передатчик и приемник служат для передачи и приема электрических сигналов, соответствующих контролируемому параметру.
Аналогично разомкнутой системе управления устроена и работает разомкнутая система телеуправления.

3. Системы замкнутого телеуправления.

Системы замкнутого телеуправления называются системами телерегулирования. Они служат для поддержания постоянства одного или нескольких параметров, объекта регулирования, находящегося на большом удалении от диспетчерского пункта (десятки тысяч км).
амкнутая система телеуправления характеризуется наличием обратной связи между объектом регулирования и диспетчерским пунктом и включает в себя задающее устройство, вырабатывающего значение эталонного значения параметра; сравнивающее устройство, которое входит в состав ППУ (приемно-передающего устройства); в нем происходит сравнение эталонного значения параметра и текущего значения, полученного от цепи обратной связи. Сравнение производиться, как правило, амплитудным или фазовым дискриминатором, который выполняется по диодной или транзисторной схеме и производит вычитание сигнала. Если разность сигналов не равна нулю, то результируемый сигнал (сигнал рассогласования) усиливается по напряжению, преобразуется по частоте и мощности в передатчике и передается в линию связи. В месте объекта управления сигнал принимается приемником, усиливается и поступает на исполнительное устройство, которое, воздействуя на орган регулирования, приводит к изменению контролируемого параметра объекта регулирования, текущее значение которого снимается датчиком, преобразуется по частоте и мощности в передатчике поступает в линию связи, после чего принимается ППУ диспетчерского пункта, где опять происходит сравнение. Если разница сигналов равна нулю, то автоматическое регулирование на этом прекращается, т.к. в этом случае эталонное значение сигнала будет равным текущему значению. Если разница не равна нулю, то процесс телерегулирования продолжается до тех пор, пока не сравняется эталонное и текущее значение параметров. В цепь обратной связи входит: датчик, передатчик, линия связи, приемник.
4. Общие сведения об элементах автоматики.
Элементом автоматики
называется обособленная часть схемы автоматики, функционально выполняющая свою функцию (например усилитель, стабилизатор).
Элементы автоматики делятся на:
1. Датчики
– это элемент автоматики, функционально преобразующий
входную физическую величину в сигнал, удобный для измерения и дальнейшей обработки.
2. Усилитель
– это устройство, предназначенное для усиления входных сигналов в виде определенной физической величины (усилитель напряжения, или тока, усилия, давления).
3. Стабилизатор
– элемент автоматики, предназначенный для поддержания постоянства физической величины на своем выходе (например, стабилизаторы напряжения, тока, давления).
4. Переключающее устройство
– это элемент автоматики, предназнач-енный для коммутации электрических цепей.
5. Исполнительные устройства
– это элементы автоматики приводящие в действие регулирующие органы объектов регулирования (электродвигате-ли, электромагнитные муфты, электромагниты).
Датчики
Структурная схема датчика
Датчик состоит из двух элементов:
1. Чувствительный элемент
– служит для преобразования входной физической величины в сигнал, удобный для измерения.
2. Преобразователь
– служит для преобразования входной величины в электрический сигнал.
Классификация датчиков:
1. По принципу действия
датчики разделяются на параметрические и генераторные.
Параметрическими
называются датчики, преобразующие входную физическую величину в один из параметров электрической цепи (напряжение, ток, индуктивное, активное или реактивное сопротивление).
Генераторные датчики
– это датчики, преобразующие входную физическую величину в Э.Д.С.
1. По виду входной величины бывают
: датчики перемещения, датчики
давления, температуры, скорости, ускорения, усилия и т.д.
3. По виду входного сигнала
бывают электрические и неэлектрические.
4. По характеру выходного сигнала
бывают непрерывные и дискретные.
Основные параметры датчиков:
1. Статические характеристики
выражает зависимость выходной величины датчика от входной величины.
2. Статический коэффициент преобразования
(передатчик) 
определяется отношением выходной величины к входной.
3. Динамический коэффициент преобразования:
определяется отношением приращений выходной величины к приращению входной или производной выходной величины по входной.
4. Относительный коэффициент преобразования:
определяется отношением относительного приращения выходной величины к относительному приращению входной величины.
5. Порог чувствительности
– наименьшее значение входного сигнала Umin
, Pmin
, вызывающее изменение выходного сигнала.
6. Инертность датчика
– это величина изменения (отставания изменения) выходной величины датчика при изменении входной величины.
7. Абсолютная погрешность датчика
– определяется как разница между фактическим (Y1
) и измеренным (Y) значением выходной величины .
8. Относительная погрешность
- определяется как отношение абсолютного значения погрешности выходной величины к ее расчетному значению, уменьшенному на 100%.
Параметрические датчики активного сопротивления.
К ним относятся: контактные датчики; потенциометрические (реостат-
ные) датчики, однотактные и двухтактные; тензометрические датчики; полупроводниковые датчики (p-n переход, термоэлектронный и др.).
Контактные датчики:
Контактными называются датчики, в которых механическое перемещение преобразуется в замкнутое или разомкнутое состояние контактов, управляющих узлов или несколькими электрическими цепями, при этом сопротивление датчика изменяется от бесконечности до нуля и наоборот. Это датчики, в которых имеется дискретность измерения. Широко применятся в машиностроении при ОТК, механических деталей, их сорти- ровке и отбраковке. Выявляют дефекты деталей с точностью по 1-2 мкм.
Устройство датчика:

Однотактный (нереверсивный) потенциометрический датчик.

Потенциометрическим
называется датчик, предназначенный для преобразования линейного перемещения в электрический сигнал.
В зависимости от включения потенциометрический датчик может быть реостатным. Выполнен в виде переменного сопротивления, подвижная часть которого имеет связь с преобразующим элементом.
Состоит из каркаса с намотанной проволокой высокого уд. сопротивления. Производит измерение ошибок и дефектов механических деталей. Работает на постоянном токе и переменном токе. Измеряет дефекты только в одну сторону.
Работа датчика.
Преобразующий элемент (испытуемая деталь) проходит по конвейеру и воздействует ползунок датчика, при наличии дефекта. При этом по датчику будет протекать ток по цепи: “+” источника, невведенная часть резистора, ползунок, приемник, “-” источника. При этом выходное напряжение равно:
,
где K – коэффициент пропорциональности
L – длина всего реостата
X – невведенная его часть
Статическая характеристика датчика выражает зависимость выходного напряжения от величины введенной часть ползунка. Чем больше эта величина, тем большее напряжение снимается с датчика.
Двухтактный потенциометрический датчик (реверсивный).

В технике часто применяются датчики, реагирующие на знак допущенной ошибки при изготовлении детали. Для этого применяются потенциометрические датчики со средней точкой (двухтактные).
Применяются для измерения углов поворота, а так же линейных размеров механических изделий.
Статическая характеристика – прямая линия, пересекающая центр координат, т.е. показывает положительное и отрицательное направление напряжений.
Работа датчика:
Если датчик имеет номинальные размеры, ползунок находиться ровно посередине линейного размера датчика, т.е. напротив средней точки. Ток будет протекать по цепи: от “+” источника через резистор, через среднюю точку, через ползунок, через остальную часть резистора на “-” источника. Токи, протекающие по нижней и по верхней части, противоположно направлены, общий ток равен нулю. Поэтому на статической характеристике выходное напряжение равно нулю.
Если деталь имеет размеры больше номинального, то ток будет протекать по цепи : “+” источника, нижняя часть резистора до ползунка, ползунок, приемник, средняя точка, нижняя часть резистора, “-” источника. Выходное напряжение будет увеличиваться пропорционально перемещению ползунка от средней точки вверх.
Если ползунок находиться ниже средней точки, то ток будет протекать по цепи: “+” источника, верхняя часть резистора, средняя точка, приемник, ползунок, нижняя часть резистора, “-” источника.
Тензометрические датчики.
Тензометрическими
называются датчики специальной конструкции, предназначенные для измерения статических или динамических деформаций в механических деталях и преобразующие эти деформации в изменения активного сопротивления.
Тензоэффектом
называется свойство материалов высокого сопротив- ления изменять свое сопротивление под действием приложенной силы.
Тензодатчики бывают проводниковые
и фольговые
. В качестве проводящих материалов используются нихром, константан, манганин.
Конструктивное выполнение:
это спираль из материала с высоким удельным сопротивлением, наклеенная на бумажную основу и жестко закрепленную на механическую деталь, после чего деталь подвергается испытаниям на сжатие или растяжение. Эта же сила действует и на датчик. При этом происходит сжатие или растяжение спирали датчика, а следова- тельно и изменение его электрического сопротивления. Если деталь разруша- ется при определенном усилии, то ток, протекающий по измерительному прибору, покажет величину этой силы. Т.О. тензометрические датчики применяются для определения механических усилий при испытаниях металлических деталей.

Коэффициент тензочувствительности датчика определяется:
, где
- абсолютное изменение длины проволоки,
- относительное изменение длины проволоки,
- относительное изменение сопротивления тензодатчика.
Сопротивление тензодатчика составляет от 200 до 500 Ом, а коэффициент
Кт
= от 1,8 до 2,5.
Статическая характеристика:

Фольговые тензодатчики.
Представляют собой наклеенную на бумагу или пленку решетку из тонких полосок фольги с высоким удельным сопротивлением.
Конструкции бывают:
прямая, розеточная, мембранная.

Прямая
конструкция применяется для измерения линейных деформаций.
Розеточная
– для измерения крутящих моментов.
Мембранная
для измерения усилий, воздействующих на мембраны.
Коэффициент тензочувствительности равен 2.5, пропускает ток до 0.2 А, сопротивление датчика от 50 до 200 Ом.
Полупроводниковые датчики активного сопротивления.
Представляют собой полупроводниковые приборы (транзисторы, фотоэлементы с внутренним фотоэффектом, терморезисторы).
Фотоэлектронный датчик
представляет собой фоторезистор, включенный в электрическую цепь с приемником.

Полупроводниковые датчики активного сопротивления выполняются на полупроводниковых элементах (транзисторах, фототранзисторах, фотодиодах, фоторезисторах, терморезисторах).
Работа датчиков :
Фоторезистор изменяет свое сопротивление в зависимости от величины потока освещенности чувствительного элемента. Сопротивление изменяется по закону: если освещенность равна нулю, сопротивление очень велико и обратно.
R (Ом)
Фотодиод:
аналогично. I
-u u
Терморезисторы
–
это приборы, сопротивление которых зависит от температуры:

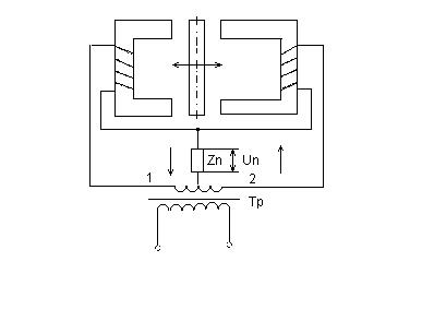
Датчик реактивного сопротивления
.
К ним индуктивные и емкостные датчики.
Индуктивными
называются датчики, принцип действия которых основан на изменении индуктивного сопротивления электромагнитного дросселя при перемещении его якоря.
Они применяются для измерения угловых и линейных механических перемещений, деформаций и контроля размеров деталей.
Представляют собой электромагнитный дроссель с переменным воздушным зазором, обмотка которого включена последовательно с сопротивлением приемника.

Нереверсивный индуктивный датчик:
Un
Un
Zn
C
U
In
Uxx 
Схема включения Статические характеристики Величина индуктивности
Где - количество витков - магнитная проницаемость
S - сечение - величина зазора
С увеличением зазора магнитный поток в катушке возрастает, сердечник насыщается, магнитная проницаемость уменьшается. В результате уменьшается индуктивность обмотки дросселя и уменьшается его индуктивное сопротивление, что вызывает увеличение тока в катушке и в приемнике – вызовет увеличение падения напряжения на нем, которое является выходным напряжением датчика. Поэтому с увеличением зазора выходное напряжение возрастает, как показано на статической характеристике.

Если приемник имеет активную индуктивную составляющую, то
Zпр =
Z= Zдр + Zпр

откуда пр.
Датчик обладает высокой чувствительностью, надежностью, имеет достаточно большую выходную мощность.
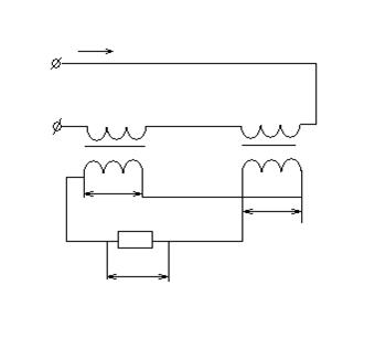
Реверсивный индуктивный датчик
:
Он обладает в 2 раза большей чувствительностью, чем реверсивный. Включается по дифференционной или мостовой схеме. Измеряет величину дефектов в сторону уменьшения и в сторону увеличения. В среднем положении якоря выходное напряжение датчика равно нулю.
I1 I2

U
Дифференционная схема.
- 
Реверсивно-индуктивный датчик является дифференционным датчиком.
Принцип действия
основан на вычитании токов, протекающих по полуобмоткам датчика, на сопротивление приемника, и выделение результирующего тока, создающего результирующие выходное напряжение датчика. Если контролируемая деталь соответствует номинальному размеру, то якорь датчика находится в среднем положении (когда зазоры и одинаковы). В этом случае по полуобмоткам будут протекать токи по цепи: по левой – вывод «1» трансформатора, полуобмотка, сопротивление приемника, средняя точка трансформатора; по правой – средняя точка трансформатора, сопротивление приемника, правая полуобмотка точка «2» трансформатора. Каждый из этих токов, равных друг другу, создают равные, но противоположно направленные выходные напряжения, которые вычитают друг друга, и результирующее напряжение равно нулю.
Допустим, контролирующая деталь имеет размеры больше номинального. При этом зазор увеличивается, а соответственно уменьшается. При увеличении зазора в первом сердечнике увеличивается линейный поток, происходит насыщение сердечника, и уменьшается магнитная проницаемость. Индуктивность левой катушки уменьшится, индуктивные сопротивления также уменьшатся, и увеличится ток левой полуобмотки, которая создаст более высокое выходное напряжение на сопротивлении приемника. В правом сердечнике, наоборот, зазор уменьшится, магнитное поле уменьшится. При этом индуктивность правой полуобмотки увеличится, её индуктивное сопротивление также увеличится, ток в правой полуобмотке уменьшится и создаст меньшее выходное напряжение, обратное по знаку.
Результирующее напряжение датчика возрастет в положительном направлении в соответствии со статической характеристикой.
При поступления детали с размерами меньше номинальных процесс повторится, только выходное напряжение возрастет обратного направления.
Емкостные датчики.
Емкостные датчики являются датчиками реактивного сопротивления и представляют собой конденсатор переменной емкости, подвижная часть которого связана с контролируемыми деталями с каким-то уровнем.
Принцип действия
основан на изменении тока в эл.цепи в зависимости от емкостного сопротивления , которое зависит от 

Если контролируемая деталь приводит в движение подвижные пластины конденсатора, изменяя таким образом площадь перекрытия, то это ведет к изменению емкости, емкостного сопротивления и тока, протекающего в цепи, что будет сигнализировать о дефектах детали.
Для измерения уровней жидкостей в качестве параметра, изменяющего емкость, может быть использована диэлектрическая проницаемость диэлектрика между пластинами, может быть использован конденсатор с различными диэлектриками между пластинами.


Генераторные датчики:
К ним относятся термоэлектрические, пьезоэлектрические, тахогенераторные датчики.
Термоэлектрическим
называется датчик, в котором изменение температуры преобразуется в термо э.д.с.
Принцип действия
заключатся в том, что если 2 разнородных сплава или металла (медь и золото), соединить вместе общим спаем, и этот спай поместить в пространство с более высокой температурой, то между свободными концами этих проводников возникает термо э.д.с., величина, которой будет пропорциональна разности температур между нагретым объемом и объемом, где находятся выводы. В качестве проводников используются пары: платина и платинородий, хромель и алюмель, нихром и константан, а также платина, золото и другие чистые металлы.
Термопары
применяются для контроля за рабочей температурой в эл. и др. печах, применяющихся для плавки металлов и их закалки.
Усилители.
Усилителем называется устройство, применяемое для усиления входных сигналов.
Бывают: электрические и неэлектрические.
К электрическим относятся:
1. электрические
усилители в состав входят полупроводниковые электронные приборы.
2. магнитные
усилители, принцип действия которых основан на изменении магнитной проницаемости ферромагнитного сердечника, который приводит к изменению величины полного сопротивления рабочей обмотки усилителя.
3. комбинированные
усилители, представляющие собой усилители, в состав которых входят каскады, собранные по электронным схемам по схеме магнитного усилителя.
4. неэлектрические
усилители – к ним относятся пневматические и гидравлические усилители, нашедшие широкое применение во взрыво- пожароопасных производствах(нефтеперегонные заводы, химические производства, рудники, шахты).
Основные параметры усилителей: коэффициент усиления по напряжению, току и мощности (определение в разах и децибелах); входное сопротивление усилителя; чувствительность; полоса пропускания усилителя; динамический диапазон; КПД.
Магнитные усилители.
Магнитным усилителем называется электромагнитное устройство, предназначенное для усиления электрических сигналов, в котором используются зависимость магнитной проницаемости ферромагнитных материалов на переменном токе от величины постоянного подмагничивающего поля, созданного или изменяемого входным сигналом. Магнитные усилители являются усилителями переменного тока, а управляются сигналом постоянного тока.
Основные преимущества:
1. Высокая надежность.
2. Высокий КПД.
3. Высокая чувствительность.
Недостатки:
1. Большая инерционность.
Принцип действия основан на использовании явления насыщения ферромагнитного сердечника магнитного поля.

Wp Wy Wp
Iy U -
При подаче переменного напряжения питания по обоим полуобмоткам рабочей обмотки будет протекать ток, вызывающий магнитное поле в каждом сердечнике, а также степень его намагниченности , которая будет определять величину магнитной проницаемости сердечника. Индуктивность дросселя (1 и 2 полуобмотки) определяется по формуле:
Lдр=
Где - число витков,
- сечение сердечника,
- магнитная проницаемость,
- длина средней силовой линии.
Индуктивное сопротивление дросселя:
т.к индуктивность дросселя зависит от магнитной проницаемости, то в ненасыщенном состоянии сердечник будет обладать большой магнитной проницаемостью, следовательно индуктивность дросселя будет большая, а также индуктивное сопротивление будет большое, что вызовет в рабочей обмотке протекание малого начального тока. При подаче на управляющую обмотку напряжения управления, которое вызовет управляющий ток в обмотке управления и вызывающее общее магнитное поле обоих сердечников, причем в правом сердечнике оно противоположно вектору поля рабочей обмотки, а в левом совпадает с ним, что приводит к насыщению левого сердечника, а следовательно к резкому падению магнитной проницаемости в нем, индуктивности обмотки и индуктивного сопротивления.
Ток в рабочей обмотке увеличивается и определяется как отношение приложенного напряжения к полному сопротивлению дросселя и приемника и численно будет равен:
 
При смене полярности управляющего напряжения направление вектора магнитного поля управляющей обмотки изменяется на противоположное. При этом будет насыщаться правый сердечник. Усиление усилителя будет происходить за счет уменьшения сопротивления обмотки правого сердечника. Статическая характеристика будет проходить во втором квадрате при отрицательных токах управления симметрично характеристике в первом квадрате.
Усилители широко применяются как усилители высокой чувствительности малой и средней мощности в системах автоматического управления и регулирования.
Неэлектрические усилители.
1
. Пневматические усилители:
2.
Гидравлический усилитель.
Пневматический применяется в автомобильном, пассажирском транспорте, а также по взрыво- и пожароопасных производствах (типа сопло-заслонка) Состоит из входной и рабочей камеры, заслонки, мембраны связанной со штоком.
Входной сигнал подается на заслонку. Если он отсутствует, то воздух через входную камеру проходит через сопло наружу. Если на заслонку подать входной сигнал, заслонка будет прикрывать сопло, давление во входной камере будет возрастать, что вызовет увеличение давления в рабочей камере, которое будет воздействовать на мембрану значительно большей площади чем сечение входной камеры, что вызовет увеличение давления на шток во столько раз, во сколько площадь мембраны больше сечения входной камеры. Шток будет двигаться вниз.
Гидравлический усилитель со встроенной трубкой.
Основные параметры
:
Коэффициент усиления: показывает, во сколько раз U(I,R) сигнала на выходе больше, чем на входе.
KДб=20Lg Uвых/Uвх= 20 LgK K= Uвых/Uвх
KpДб= 10Lg Pвых/Pвх
2. Входное сопротивление усилителя Rвх=Uвых/Iвх
Выходное сопротивление определяют между выходными зажимами при отключенном сопротивлении нагрузки
3. Чувствительность.
4. Полоса пропускания – наз. на обм. частот, в которой коэф. усиления изменяется не больше, чем это допустимо по тех.условиям.
5. Динамический диапазон – отношение амплитуд наиболее сильного и наиболее слабого сигналов на входе усилителя
D = 20Lg Uвх max/Uвх min
6. КПД = P
вых/ %
, потребляемая усилителем от всех источников питания
Стабилизаторы напряжения:
Стабилизатором называется устройство, автоматически поддерживающее значение выходной величины (напряжения, тока, давления, усилия) с заданной степенью точности. Классификация
:
1.злектрические
2.неэлектрические
К электрическим относятся: электрические стабилизаторы, ферромагнитные стабилизаторы и феррорезонансные.
К неэлектрическим относятся стабилизаторы гидравлические и пневматические.
По принципу действия все стабилизаторы делятся на 2 класса:
1. Параматрические стабилизаторы
, принцип действия которых основан на изменении одного из параметров цепи. Например, нелинейного изменения сопротивления эл.цепи. Параметрические стабилизаторы:
1.Стабилизаторы на стабилитронах
2.Ферромагнитные
3.феррорезонансные
К параметрическим относятся и неэлектрические. Изменяемый параметр – давление. 2.Компенсационные стабилизаторы
– это электронные стабилизаторы, представляющие собой систему автоматического регулирования, поддерживающую на выходе схемы постоянными с заданной степенью точности напряжение или ток в приемнике.
Основным параметром стабилизаторов является коэффициент стабилизации, который определяется как отношение относительного приращения входного напряжения к относительному приращению выходного напряжения.

Требования, предъявляемые к источникам напряжения, питающего различные виды электронной аппаратуры:
1.Бытовая аппаратура должна питаться от источников питающего напряжения с коэффициентом стабилизации 200-300.
2. Системы автоматики должны питаться напряжением с коэффициентом стабилизации 2000-3000
3. Системы эл/выч. техники – Кст – более 5000.
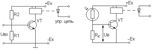
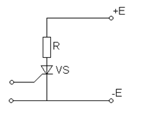
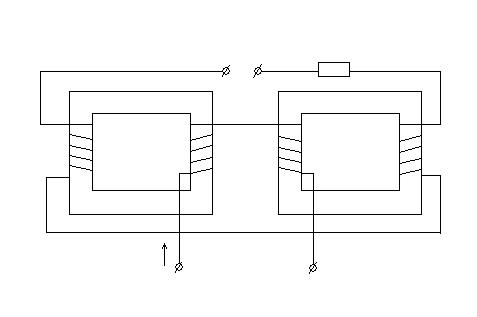
Ферромагнитный стабилизатор напряжения
Iвх
Uвх
 
U2
Zn Un
Uвых
Ферромагнитным называется стабилизатор, принцип действия которого основан на уменьшении магнитной проницаемости одного из трансформаторов и соответственно нелинейного изменения индуктивного сопротивления его вторичной обмотки (в зависимости от величины входного сигнала). Включает в себя 2 трансформатора Т1 и Т2, сопротивление приемника. Трансформатор Т1 насыщен и изменяет индуктивное сопротивление вторичной обмотки в зависимости от входного напряжения(при увеличении Uвх). Т2 является ненасыщенным, изменение входного напряжения на нем вызывает линейное изменение выходного напряжения и называется компенсационным, потому что его вторичная обмотка включена встречно вторичной обмотке насыщенного трансформатора.
Работа стабилизатора: при увеличении входного напряжения на первичных обмотках возрастает входной ток, примерно пропорционально увеличению напряжения. На компенсационной обмотке пропорционально росту напряжения возрастает ток. На вторичной обмотке насыщенного трансформатора: напряжение вторичной обмотки и напряжение компенсационного трансформатора, вычитаясь друг из друга образуют выходное напряжение стабилизатора:
Uвых = U2 – Uк
Компенсационный стабилизатор напряжения.
Назначение элементов:
RБ – балансный резистор ограничивает ток через стабилитрон.
Rк – резистор цепи коллектора усилителя постоянного тока VT2
Стабилитрон служит для выработки эталонного напряжения, нелинейно изменяет свое сопротивление при изменении входного напряжения.
VT1 - регулируемый транзистор изменяет свое внутреннее сопротивление в зависимости от степени открытия и регулирует величину выходного напряжения
Делитель R1 – R2 – R3 служит для снятия выходного напряжения и подачи его с помощью потенциометра R2 на базу VT2
Переход Э-Б VT2 является сравнивающим устройством.
Переход Б-К VT2 является усилителем постоянного тока и исполнительным устройством.
Датчиком является движок потенциометра.
Задающее устройство – стабилитрон.
Регулирующий орган – VT1
Допустим, на входе схемы присутствует номинальное напряжение и соответственно на выходе вырабатывается стабилизированное выходное напряжение. При этом стабилитрон пробит, транзистор VT2 приоткрыт, VT1 полностью открыт, и это обеспечивает стабильное напряжение на выходе. Допустим, напряжение на выходе возросло, оно мгновенно выросло и на выходе - положительный потенциал делится, подаваемый на Б VT2 пропорционально увеличился, а напряжение стабилитрона подводимое к Э, осталось прежним, т.к. стабилитрон пробился и напряжение на нем не изменилось. VT2 резко откроется, ток К возрастет, на Rк увеличится падение напряжения, отрицательная полярность которого подводится к Б VT1. VT1 призакроется, его R внутр. увеличится и соответственно падение напряжения равно на столько, на сколько на сколько увеличилось Uвых. Uвх осталось прежним
Стабилизатор давления
Служит для поддержания постоянства давления газа или жидкости. Жидкость(воздух) от магистрали, питаемой компрессором или насосом, поступает в полость 1, через зазор между корпусом 2 и клапаном 8, рабочий агент попадает в полость 7, из которой подается к пневматическому или гидравлическому усилителю и исполнительному двигателю. Если давление в выходной магистрали понизится, то понизится давление в полости 7, перенесет поршень 3 вниз и увеличит зазор клапана. Уменьшается потеря давления в зазоре клапана, а давление в полости 7 будет расти. При повышении давления зазор клапана уменьшится. С помощью регулировочного винта 5 и шайбы 6 можно изменить натяжение пружины 4 и тем самым устанавливать требуемое значение стабилизированного давления Р.
Феррорезонансный стабилизатор.
С
Uвх Zn Uвых
Uк
Схема

Uвых= f(Ic + IL2)
Uc
UL2
Ic IL2
Вольтамперная характеристика
Напряжение Uк направлено навстречу напряжению Uвых. Емкость конденсатора С выбирают из условия
, откуда
где ω
= 2¶
f – угловая частота, L2
- индуктивность вторичной обмотки.
Нелинейность ВАХ Uвых
=f( Ic + IL
2
) более резкая, чем нелинейность характеристики одной индуктивности. Это улучшает стабилизацию.
Включение компенсационной обмотки повышает коэффициент стабилизации. Небольшое напряжение Uk
, создаваемое этой обмоткой, изменяется пропорционально входному напряжению Uвх
. Если Uвх
увеличится, то несколько увеличится Uвых
, но при этом увеличится и напряжение компенсации Uк
, и увеличение Uвых
в значительной мере компенсируется.
Феррорезонансные стабилизаторы имеют малую инертность, высокую надёжность и долгий срок службы. Работают в сетях со стабильной частотой.
Переключающие устройства.
Переключающим устройством называется устройство, предназначенное для коммутации Эл. Цепей постоянного и переменного тока малой, средней и большой мощности.
Классификация:
1.Реле постоянного и переменного тока.
2.Контакторы.
3.Магнитные пускатели.
4.Бесконтактные переключающие устройства.
5.Электронно-контактные реле.
6.Распределители.
Электрические реле.


Реле состоит из двух частей: управляющей цепи и исполнительной цепи. При увеличении входного воздействия тока или напряжения на управляющую цепь – управляющая цепь будет срабатывать только при определённых управляющих воздействиях: при х = хс
, y = yc
, скачком изменит своё состояние управляющая цепь. При этом y становится равным ус
.
При дальнейшем увеличении х состояние управляющей цепи не изменится. При уменьшении входной величины х состояние управляемой цепи некоторое время будет оставаться без изменения, т.е. если х < хс ,
у = ус
, и только лишь когда х = хотп
– величина отпускания, то у станет равным уотп
.
Параметры реле:
1. Напряжение, ток и мощность срабатывания реле – это эл. величины, обеспечивающие надёжное срабатывание реле.
2. Мощность управляющей цепи – это мощность, которая может быть передана через контакты реле.
3. Время срабатывания реле – это время между моментами подачи управляющего сигнала до воздействия контактов.
Нейтральные реле постоянного тока.
Поляризационные реле.
Реле с короткозамкнутым витком.

Контакторы.
Контактором называется силовое эл. магн. реле, имеющее мощную контактную систему, предназначенную для коммутации рабочих цепей электродвигателя.

Магнитный пускатель.
Магнитный пускатель предназначен для дистанционного управления работой 3-х фазных асинхронных электродвигателей и представляет собой контактор с мощными контактными группами.
Бывают реверсивные и нереверсивные.
В магнитный пускатель включаются одно – два тепловых реле для защиты электродвигателя от перегрева, а также имеются предохранители для защиты от К.З.
Нереверсивный пускатель имеет один контактор, реверсивный – два.
Силовая часть магнитного пускателя включает в себя эл. двигатель, 2 тепловых реле, 2 группы рабочих контактов, предохранители. Управляющая цепь – кнопка «стоп», кнопка «пуск» КВ, катушка реле рабочих контактов и нормально замкнутого контакта КВ, кнопка «пуск2» КН, катушка реле рабочих контактов КМ2
, блок-контакт этого реле и нормально замкнутый контакт теплового реле.

Работа:
при нажатии кнопки «пуск1 » КВ запитывается катушка конденсатора 1 КМ. Питание проходит через нормально замкнутый контакт контактора 2, через тепловое реле КК на фазу А. Катушка контактора КМ1
намагничивается и приводит к замыканию рабочих контактов двигателя КМ1
, блок - контакта кнопки «пуск» КМ1
и размыканию контакта КВ. Кнопка «пуск» отпускается, питание проходит с фазы С на А.
Для того, чтобы перевести движение двигателя в обратную сторону, нажимается кнопка «стоп», двигатель останавливается, нажимается кнопка «пуск2» КН. При этом питание пойдёт от фазы С через кнопку «стоп», кнопку КН, катушка КМ2
, контакт КВ контактора 1, контакт теплового реле, фаза А. При этом сработает блок – контакт КМ2
и разомкнётся контакт КН, включится 2-я группа рабочих контактов КН2
, двигатель начнёт вращаться в обратную сторону.
Электронно
–
контактные реле.

Бесконтактные переключающие устройства.

Распределители.
Распределителями называются устройства, автоматически подключающие по заданному закону или по программе различные источники информации к одному потребителю.
Бывают:
1. Электронно-лучевые.
2. Электронно-цифровые, которые также в соответствии с заданным входным кодом преобразуют сигналы.

Электронно-лучевой распределитель.
Электронно-лучевой распределитель представляет собой ЭЛТ, на экране которой установлены контакты переключающих цепей. Переключение происходит электронным лучом трубки.
Эл. луч с помощью отклоняющей системы или в каком-то другом порядке попадает на контакты переключающих цепей и подключает источник информации к потребителю, который снимает заданную информацию, после чего подключается следующий источник.
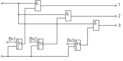
Электронно-цифровой распределитель.

Схема состоит из 3-х триггеров, к которым подключаются источники входной информации. Триггеры подключены к шине установки нуля вторым входами. Три конъюнктора, на которые подводятся прямые выходы триггеров. Ко вторым входам контакторов подводятся шины считывания.
Работа схемы:
допустим, что на входы триггеров поступил код 001. При этом первый триггер опрокинется в единичное состояние, и на его прямом выходе будет присутствовать сигнал логической единицы, который поступит на первый вход первого конъюнктора. На Т2 и Т3 поступят сигналы логического нуля. Т2 и Т3 остаются в нулевом состоянии. Из их прямых выходов снимаются сигналы логического нуля, поступающие соответственно на 2 и 3 конъюнкторы.
При поступлении команды считывания на первый конъюнктор одновременно поступает два сигнала, а на второй и третий только один. На первом выходе будет сигнал логической единицы, а на втором и третьем выходах – сигнал логического нуля.
Т.О. информация 1-го источника будет подключена к потребителю, а 2-го и 3-го подключена не будет.
Электронно-цифровые распределители обладают более высоким быстродействием, безинерционностью, но у них более сложная схема.
Основные понятия об исполнительных устройствах.
Исполнительные устройства – это устройства, предназначенные для непосредственного воздействия на управляющий объект с целью осуществления функции автоматического управления или автоматического регулирования.
Разделяются на:
1. Электрические.
2. Электронные.
3. Электромагнитные.
4. Неэлектрические, пневматические и гидравлические.
К неэлектрическим относятся: электромагнитные и электродвигательные ИУ, которые преобразуют энергию эл. тока в механическую энергию с целью воздействия на объект управления или на его органы (шток, поршень, и др.).
РАЗДЕЛ 2. СИСТЕМЫ АВТОМАТИКИ И ТЕЛЕМЕХАНИКИ
15.Основные понятия теории управления.
Автоматическое управление
– это комплекс действий, обеспечивающих автоматическое выполнение производственного процесса без участия человека.
Управлением
называется совокупность действий, обеспечивающих выполнение производственного процесса с целью получения заданных результатов.
При ручном и полуавтоматическом управлении команды или действия по управлению технологическим процессом выдаются человеком или часть – человеком, а часть – автоматически в полуавтоматических системах.
Системы управления бывают:
1. САР. – система автоматического регулирования.
2. СПУ. – система программного управления.
3. СЗУ. – система зависимого управления.
САР бывает замкнутая и разомкнутая.
1. Замкнутая САР охвачена обратной связью. Осуществляет автоматически выполнение заданной работы с контролем хода его производства или поддерживает значение параметров (одного или нескольких) объекта регулирования в заданных пределах. Например: величина вых. Стабилизированного напряжения источника питания.
2. Разомкнутая САР автоматически выполняет технологический процесс при отсутствии контроля за его ходом. Требует постоянного вмешательства человека для выдачи очередной команды. Не охвачена обратной связью. Для устранения недостатков разомкнутых систем создана СПУ, в которой вместо задающего устройства установлено программное устройство:

Вся командная информация в данном системе записана на программе, в определённой очерёдности на перфолентах, перфокартах, магнитных лентах, жёстких и мягких магнитных дискетах и выдаётся в систему для выполнения технологического процесса. Разомкнутые системы управления нашли широчайшее применение в металлообрабатывающей промышленности и в др. отраслях, где не требуется помехозащита и применение специальных схем, являются наиболее простыми и доступными. Для них не являются критическими внешние возмущения.
3. СЗУ.

Система ЗУ
В СЗУ учитываются внешние факторы, воздействующие на объект регулирования: температура, влажность, скорость ветра, давление, величины параметров элементной базы и т.д., значительно усложняющие системы управления при выполнении технолог. процесса.
16. Основные понятия о системах регулирования, контроля и сигнализации.
Системой регулирования
называется система автоматически поддерживающая величину одного из выходных параметров постоянной с заданной степенью точности.
Классификация СР:
1.По способу взаимодействия
между АР (авт. Регул.) и ОР. Бывают замкнутые и разомкнутые.
Замкнутая САР характеризуется наличием цепи обратной связи между ОР и АР. Действие системы основано на сравнении заданного и текущего выходного параметра, в результате которого вырабатывается управляющее воздействие.
Разомкнутая система является полуавтоматической и не имеет цепи обратной связи, что не даёт возможности контролировать результат регулирования, если АР и ОР разнесены на большие расстояния. Если они находятся в одном помещении, результат контролируется человеком.
2.По назначению и по выполняемым функциям
АСР разделяются на:
1.стабилизирующие
- поддерживающие постоянным значение одного из входных параметров;

2.программные САР
– обеспечивают изменение выходного параметра по одному или по нескольким (поочерёдно или послед.) изменение математических законов, записанных в программе;
3.следящие САР
обеспечивают соответствующие изменения регулируемой величины от неизвестной заранее переменной величины.
3. По наличию источника питания АСР бывают
:
1.Прямого действия
, при этом источник питания АСР отсутствует. Для работы используется энергия измерительного устройства.
2.Системы не прямого действия
, в которых используется вспомогательный источник питания АСР.
4.По своему роду АСР бывают:
1.электронные
2.гидравлические
3.механические
4.пневматические
5.комбинированные
5.По характеру действия
:
1.непрерывного действия, вырабатывающие аналоговые сигналы.
2.дискретного действия на цифровых схемах, вырабатывают дискретные сигналы в виде импульсов.
6.По количеству регулируемых параметров
: одномерные и многомерные. Одномерные производят регулирование по одному параметру.
7.По виду структурной схемы
: одноконтурные и многоконтурные. Одноконтурные имеют одну обратную связь, многоконтурные – несколько.
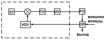
Обобщённая структурная схема АСР.

Обобщённая схема имеет два основных элемента: автоматический регулятор и объект регулирования. Схема предусматривает несколько корректирующих обратных связей; в зависимости от воздействия внешних возмущений корректирующих связей может быть до 100 и более, поэтому схема значительно усложняется, т.е. требует большого количества датчиков, сравнивающих, преобразующих и усилительных устройств.
ПРИНЦИП РЕГУЛИРОВАНИЯ.
Существуют 2 основных принципа регулирования: по отклонению и по возмущению.
В регулировании по отклонению
производятся измерения выходной величины, подлежащей регулированию, в дальнейшем сравнением её с эталонной величиной, в результате чего вырабатывается регулирующее воздействие, применяющееся для изменения выходной величины.
Регулирование по возмущению:
по этому принципу измерение значения регулирование физической величины не производится, а измеряется внешнее возмущение, вызванное изменением (отклонением) выходного параметра от эталонного. По величине этого возмущения вырабатывается управляющее воздействие, которое устраняет отклонение выходного параметра от эталонного.
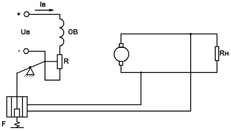
Принцип регулирования по возмущению.
На рис..2 показана АСР напряжения генератора. В этой схеме заранее считают, что основным возмущающим действием является изменение частоты вращения, поэтому «борьбу» ведут только с этим внешним воздействием. Для этого в цепь обмотки возбуждения ОВ генератора 2 (Г) включают реостат Р, сопротивление которого изменяется с помощью центробежного механизма автоматически в соответствии с изменением частоты вращения генератора. В результате напряжение U на зажимах генератора остаётся постоянным.
Работа: принцип показан для поддержания постоянного выходного напряжения генератора постоянного, переменного тока. При увеличении скорость вращения якоря увеличивается, что приводит к отклонению кулачков центробежного механизма, который сдвигает движок реостата в сторону увеличения его сопротивления.
Электрич. схема регулирования по возмущению.

Принцип регулирования по отклонению.

Работа схемы:
Пример автоматического поддержания постоянным
Генератор постоянного тока вырабатывает напряжение, которое подаётся на соленоид. При увеличении выходного напряжения им же запитывается катушка соленоида, при этом эл/маш., преодолевая сопротивление пружины, будет втягиваться в катушку, сдвигая движок реостата в сторону увеличения его сопротивления, при этом ток возбуждения уменьшится.
АВТОМАТИЧЕСКИЕ СИСТЕМЫ КОНТРОЛЯ, СИГНАЛИЗАЦИИ
Служат для автоматического контроля параметров производственного процесса, качества выпускаемой продукции, сигнализации о нарушениях его нормального течения.
Обобщённая схема:

1. В зависимости от функции воспроизведения АСК делятся на автоматические измерительные системы, системы автоматической сигнализации, системы сортировки и отработки.
2. В АИС воспроизводящее устройство регистрирует текущее значение параметра, а в системах сигнализации происходит оповещение об отклонениях текущего значения параметра от эталонного. При этом применяется световая, звуковая и др. сигнализация, например охранная, пожарная и др.
Системы сортировки и отбраковки осуществляют проверку качества и количества выпускаемой продукции.
2.Виды автоматического контроля:
1. По назначению: активный и пассивный.
Активный вмешивается в производственный процесс, пассивный - нет.
2. По количественным признакам: единичный и множественный. Единичный осуществляет контроль одного параметра, множественный - многих.
3. По месту контроля: недистанционный, дистанционный, телеконтроль. Недистанционный - обеспечивает контроль не разнесенных по месту контролируемого объекта и воспроизводящего устройства. Дистанционный - когда воспроизводящее устройство и контролируемый объект разнесены по месту до 1 км. Телеконтроль - БУ и КО разнесены на большие расстояния.
4. По выполняемым функциям: сигнализация, указание, регистрация, сортировка.
5. По количеству измеряемых параметров: однофункциональный и многофункциональный.
6. По временным параметрам: непрерывный и периодический.
7. По способу контроля: последовательный, параллельный и последовательно-параллельный.
3.Системы измерения.
Системы измерения бывают небалансные и балансные.
1. Небалансной называется система измерения, имеющая разомкнутую цепь обратных воздействий и являющаяся системой прямого метода измерений
КП
Контролируемый параметр преобразуется датчиком, усиливается и воспроизводится ВУ.
2. Балансные системы автоматического измерения: этими системами называются компенсационные системы уравновешенные), имеющие замкнутую цепь обратных воздействий, предназначенную для повышения точности измерения.
Балансные системы бывают системами периодического и непрерывного балансирования:
Структурная схема непрерывного балансирования:
Структурная схема периодического балансирования: КП
Системы непрерывного балансирования являются замкнутые системы и представляют собой разновидность АСР.
Контролируемый параметр поступает на датчик и сравнивается с эталоном, вырабатываемым балансирующим устройством в сравнивающем устройстве. Если разница этих параметров равна нулю, то воспроизводящее устройство будет находиться в покое, и ВУ покажет нулевое показание. Если эта разница не равна нулю, то ВУ вырабатывает новый эталонный параметр, сравнение будет производиться до тех пор, пока текущее и эталонное значения не совпадут.
Система периодического балансирования производит измерение значения параметра, попадающего в определенный диапазон измерения. БУ вырабатывает изменяющиеся значения эталонного параметра в заданном диапазоне. КП поступает на СУ, сравнивается с эталонными параметрами, и если они не равны, то система будет в покое; а если они станут равны, то ВУ покажет эталонное значение параметра с балансирующего устройства. Пределы балансировки могут меняться внешними воздействиями.
17. Автоматические системы передачи угловых перемещений и следящие системы
Следящими системами называются такие системы, в которой выходная величина следит за изменением входной величины, т.е. воспроизводит изменения входной величины, закон изменения которой заранее неизвестен и является одной из разновидностей систем автоматического регулирования.
Точность слежения выходной величины за входной величиной оценивается по формуле
θ = θ вых - θ вх.
Системами дистанционной передачи называются системы, предназначенные для передачи на большие расстояния угловых перемещений, командной информации и обеспечения синхронной работы различных устройств и приборов.
Системы дистанционной передачи, а также следящие бывают: электрические и неэлектрические, на постоянном и переменном токе (на постоянном токе строятся на потенциометрах; а на переменном токе - на сельсинах, которыми называются индукционные микромашины, предназначенные для передачи расстояние угловой информации двух механически не связанных между собой валов).
Системы дистанционной передачи угла на переменном токе.
1. Трансформаторная передача.
В технике широко применяются системы дистанционной передачи угла на переменном токе, выполненные на сельсинах.
Сельсины в общем виде представляют собой индуктивные электрические микромашины, которые предназначены для передачи на расстояния угловых перемещений двух или нескольких валов, не связанных механически между собой.
Схема соединения роторных обмоток СД и СП трансформаторной передачи показана на рис.1, Однофазная обмотка СП не подключается к сети переменного тока и является выходной обмоткой, с которой снимается электрический сигнал.
В зависимости от взаимного расположения магнитного потока и статорной обмотки СП в последней, которая выполняет роль вторичной обмотки (роторная обмотка СП выполняет роль первичной обмотки),индуктируется ЭДС, используемая в качестве сигнала рассогласования. В том случае, когда ось статорной обмотки СП расположена перпендикулярно направлению результирующего потока, ЭДС в этой обмотке индуктироваться не будет. Такое положение считается согласованным.
При повороте ротора СД, например, на угол Од результирующий магнитный поток в СП также повернется и в статорной обмотке последнего возникает напряжение рассогласования, которое зависит только от угла рассогласования Э = Од - Оп
Рис.1. Схема трансформаторной передачи.
Сельсины бывают датчиками и приемниками, которые входят основными элементами в следящую систему и систему передачи угловой информации. 3 качестве дополнительных элементов - (линии связи, усилители, эл. двигатели и др.
Работа системы передачи угловых перемещений.
Следящая система
Сельсины являются измерителем угла рассогласования. При повороте входного вала на угол на однофазной обмотке сельсин - трансформатора СТ появляется напряжение, пропорциональное углу рассогласования. Фаза этого напряжения определяется направлением поворота задающего вала. Усилитель мощности нагружен управляющей обмоткой ОУ исполнительного двигателя. Между двигателем к выходным валом предусмотрен понижающий редуктор Р, что обусловлено тем, что обычно частота вращения нагрузки б несколько раз меньше номинальной частоты вращения двигателя. Редуктор служит для согласования частот и моментов вращения двигателя и выходного вала без изменения передаваемой мощности. Включение редуктора уменьшает влияние на двигатель инерции вращения нагрузки при переходных процессах в системе, т.е. во время разгона и замедления ее движения.
18. Системы телемеханики
Системами телемеханики называются системы, обеспечивающие автоматическое управление производственным процессом, а также контроль и сигнализацию по его работе на больших расстояниях между объектом и пультом управления.
По виду выполняемых функций они делятся на:
1. Системы телеуправления ТУ, обеспечивающие автоматическое управление производственным процессом, например изменение режима работы ядерного реактора, изменение режима вентиляции шахты, изменение режима работы спутника и т.д.
2. Системы телеизмерения ТИ, обеспечивающие автоматическое изме рение параметров производственного процесса.
3. Системы телесигнализации ТС: обеспечивают автоматические сигнализацию и оповещение oб отклонении производственного процесса от нормального.
Комбинированные системы телемеханики: являются многофункциональными и позволяют осуществлять не только управление, но и телеизмерение, телесигнализацию.
Бывают:
1. ТУ – ТИ.
2. ТУ – ТС.
3. ТУ – ТИ – ТС.
Кодирование информации
Для передачи командной информации, а также результата контроля параметров применяются различные методы кодирования той или иной информации с помощью модуляции электрических сигналов (электромагнитных сигналов) следующих видов:
1. Амплитудная модуляция: каждой команде (виду информации) присваивается определенная амплитуда сигнала или закон ее изменения. Радиоприем осуществляется эл/маш энергией, модулированной голосом
2. Импульсная модуляция: представляет собой последовательность модулированных по амплитуде импульсов одинаковой длительности.
Импульсная модуляция может осуществляться не только по амплитуде, но и по длительности импульсов.
3. Частотная модуляция.
4. Фазовая модуляция - изменение фазы сигнала по времени. Модуляцией называется придание признака тому или иному сообщению
в виде электрического или электромагнитного сигнала с помощью изменения его амплитуды, длительности, частоты или фазы.
Многопроводная система ТУ и ТС с амплитудной избирательностью.
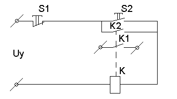
Многопроводная система ТУ и ТС с амплитудной избирательностью представляет собой автоматическую систему, управляющую работой различных эл.приводов.
Кодирование производится переключателями меняющие полярность питания исполнительного устройства на приемном пункте. ИУ имеет 2 режима работы: включить и выключить электропривод, поэтому оно состоит из поляризованного реле, контактами которого включается или выключается контактор электропривода.
S
1
ПУ
ЛСЧ КП
Многопроводная система ТУ с частотной изобразительностью
Многопроводная система ТУ с частотной изобразительностью представляет собой набор генераторов фиксированных частот на передающем пункте, линию связи - проводную или беспроводную, - набор фильтров на каждую частоту, настроенных данных генераторов; детекторов и исполнительных устройств (Р). Сообщение (команда) набирается путем переключения ключей К1
,К2
и т.д в какое-либо положение.
Детектированием называется процесс выделения огибающей высокочастотного сигнала.Команда передается в линию связи, поступает на приемную часть, проходит только через один фильтр, настроенный на эту частоту, детектируется детектором Д1
- Дп
и приводит в действие ИУ.
Раздел 4. Комплексная автоматизация производства.
31. Комплексной называется автоматизация, обеспечивающая автоматическое выполнение производственным процессом для выпуска продукции, начиная с исходных материалов и до готовых изделия без участия человека.
Комплексная автоматизация (КА) имеет 3 уровня развития:
1. Автоматизация на уровне машин - автоматов.
Автоматом называется самоуправляющаяся машина, выполняющая все производственные и технологические операций автоматически, кpoмe контроля и наладки. Такими машинами автоматами являются станки с ПУ и ЧПУ.
Блок-схема машины - автомата:
Машина - автомат включает в себя двигательный механизм, исполнительный механизм, передаточный механизм, механизм рабочих и холостых ходов, механизм управления.
В машинах - автоматах внедрены микропроцессоры или макро-ЭВМ, с помощью которых осуществляется выполнение технологического процесса и контроль за качеством продукции. К таким машинам относятся станки с ЧПУ, пром. работы и станки с ПУ.
Рабочим ходом машины называется движение исполнительного механизма непосредственно при выполнении работы.
Холостым ходом называется движение им, необходимые для подготовки и выполнению раб. хода.
2. Автоматизация системы машин и создание автоматических или автоматизированных машин и создание таких же мест.
32. Понятие об оборудовании автоматических линий.
Автоматическая линия - линия, представляющая собой действующую систе?лу машин расположенных в технологической последовательности и объединенных едиными системами управления, контроля, накопления законов, удаление технологических отходов.
АЛ содержит несколько машин - автоматов, которые имеют общую систему управления, которая называется механизмом управления, включающей в себя 1 или несколько пультов управления, искатель неисправностей (ВАСХ - встроенная автоматизированная система контроля, работающая по тестовым программам), и контрольно блокировочное устройство. Это сложнейшая электронная система, включающая в себя несколько микро ЭВМ, массу датчиков, усилителей, исполнительных механизмов и т.д.
Межстаночные механизмы холостых ходов: в них входят транспортеры, элеваторы, механизмы зажима и фиксации инструмента, механизмы удаления производственных отходов.
Автоматизированная линия - это система машин, автоматически выполняющая производственный и технологический процесс, за исключением некоторых погрузочно-разгрузочных работконтроля и наладки.
Блок-схема автоматизированной линии.
Автоматическая линия включает в себя:
1. автоматический склад;
2. автоматический штабелар;
3. сортирователь – распределитель;
4. приемник инструмента и заготовок в палетты;
5. приемник готовых деталей в паллеты;
6. транспортная тележка;
7. промежуточный стол станка;
8. многоцелевые станки - автоматы.
Работа автоматизированной линии по заданной программе автоматический штабелер заполняется заготовками и инструментами и загружает приемник заготовок и инструмента, который стыкуется с транспортной тележкой и передвигается от станка к станку, стыкуется через промежуточный стол с каждым станком, выгружает инструмент в заготовки, который соответствующими механизмами закрепляется в станке, после чего станки включаются в работу. Одновременно выгружаются готовые детали. После обхода транспортной тележкой всех станков готовые детали передаются в приемник готовых деталей; производится загрузка заготовками и инструментами и процесс повторяется.
3. Автоматический цех.
3-й этап предусматривает автоматизацию производства всего комплекса конкретных изделий, узлов, сборку и наладку выпускаемой продукции с охватом процессов межлинейного и межучасткового транспортирования, автоматического складирования и распределения продукции и включает в себя: автоматические линии, систему межлинейного транспорта (элеваторы, транспортеры)и систему управления (систему управления запасами, технологическим процессом, устранением неисправностей). Содержит до несколько десятков микро-ЭВМ.
33. Промышленные роботы.
Промышленные роботы - машины-манипуляторы, предназначенные для выполнения двигательных функций, аналогичных функций руки человека. К автоматическим манипуляторам относятся автооператоры, промышленные роботы.
Автооператором является непереграмзлируемый автоматический манипулятор.
Классификация роботов:
1. По виду производства промышленные роботы разделяются на производственные, подъемнотранспортные, универсальные, - и могут быть использованы в литейном, кузнечном, сварочном, при термообратотке, сборке, а также выполнения транспортно-складских работ.
2. По степени специализации роботы бывают специальные, универсальные и специализированные.
Специальные роботы выполняют отдельные технологические операции.
Универсальные совмещаются с различным оборудованием и выполняют разнородные технологические операции.
Специализированные специализируются на одном виде технологического процесса, например сварку, окраску и т.д.
3. По грузоподъемности роботы бывают: сверхлегкие (до 1 кг.), легкие (от 1 до 10 кг.), средние (от 10 до 200), тяжелые (от 200 до 1000) и сверхтяжелые (более 1000 кг.).
4. По подвижности - стационарные и подвижные.
5. По месту установки - напольные, встроенные и навесные. Напольные роботы обладают большими возможностями по кругу выполняемых функций, поэтому они предназначены для работы с многоцелевыми станками-автоматами.
6. По виду привода роботы бывают с электромеханическим, гидравлическим, пневматическим и комбинированным приводом.
Структурная схема робота включает в себя:
1. Пульт управления.
2. Блок ввода программ.
3. Манипулятор.
4. Технологическое оборудование. 5.Информационная система.
Робот со станком работает по одной и той же программе. В задачи робота входит установка и закрепление, ориентация инструмента, заготовка и объем готовых деталей и их транспортировка на конвейер или на склад/ Технологическое оборудование производит изготовление продукции Информационная система - система датчиков, необходимая для контроля процесса изготовления продукции.
Технологическое оборудование представляет собой производственную часть робота, обеспечивает изготовление продукции и связано с системой управления робота с помощью информационной системы.
Информационная система представляет собой систему датчиков, которые контролируют ход и параметры изготовляемой продукции; с помощью пульта управления программ в манипулятор вводится та или иная информация- программа, по которой он выполняет свои функций.
34. Гибкие производственные системы.
Блок - схема:
Гибкой производственной системой называется система технологических средств с единым управлением технологическим комплексом, охваченная едиными системами транспортировки, поиска и контроля неисправностей и контроля выпускаемой продукции.
Система включает в себя подсистемы разработки, планирования, исследования при подготовке к производству новой продукции.Состоит из:
1. Автоматизированный производственный комплекс в качестве которого может быть использована ГАУ (гибкий автоматизированный участок), или ПИ (гибкий производственный модуль), которые имеют способность в кратким промежуток времени перейти на выпуск новой продукции по новой технологии и по новой документации.
2. Транспортная система:
3,4 - Склады заготовок и инструмента.
5. ОТК.
6. Склад готовой продукции.
7. ЭВМ.
8. Пульт управления диспетчера. И автоматические рабочие места:
9.технолога
10. конструктора
11. исследователя
12. экономиста-плановика.
При подготовке к выпуску новой продукции на автоматических рабочих местах производится изготовление документации, технологий производства, исследование модулей и планирование производства, вырабатываются рабочие программы для ввода в машину. По готовности ГПС запускается в производство, начинается выпуск новой продукции.
|