| КУРСОВАЯ РАБОТА
ПО МАШИНАМ НЕПРЕРЫВНОГО ТРАНСПОРТА
Методические указания

Федеральное агентство по образованию
ГОУ ВПО «Сибирская государственная автомобильно-дорожная академия (СибАДИ)»
Кафедра подъемно-транспортных, тяговых машин
и гидропривода
КУРСОВАЯ РАБОТА
ПО МАШИНАМ НЕПРЕРЫВНОГО ТРАНСПОРТА
Методические указания
Составитель Ю.В. Ремизович
Омск
СибАДИ
2009
УДК 621.867.1/.3
ББК 33.93
Рецензент
канд. техн. наук, доц. Ю.А.Федотенко (СибАДИ)
Работа одобрена НМСС в качестве методических указаний по выполнению курсовой работы для студентов специальности 190205.
Курсовая работа по машинам непрерывного транспорта
: Методические указания / СибАДИ; сост. Ю.В.Ремизович. – Омск: СибАДИ, 2009. – 38 с.
Приведены рекомендации по выполнению курсовой работы по машинам непрерывного транспорта, а также справочные материалы для студентов специальности 190205 всех форм обучения.
Табл.17. Ил. 13. Библиогр.: 12 назв.
© ГОУ «СибАДИ», 2009
Введение
Курсовое проектирование машин непрерывного транспорта (МНТ) способствует обобщению и закреплению теоретических знаний студентов и прививает им навыки самостоятельного решения инженерных задач при разработке конструкций сборочных единиц и машин.
При выполнении курсовой работы по МНТ студент использует ГОСТы, справочную литературу, изучает и применяет современные конструкции машин и лучшие достижения в области отечественного и зарубежного машиностроения. Дальнейшее развитие получают навыки выполнения чертежей, расчетов и составления текстовых конструкторских документов.
Объектами проектирования являются машины непрерывного транспорта, далее – конвейеры.
Объем курсовой работы: один лист чертежей формата A1, пояснительная записка 10…15 страниц.
Задания на проектирование выдаются преподавателем индивидуально по списку группы.
Единицы измерения физических величин должны соответствовать международной системе (СИ), а также временно допустимым к применению некоторым единицам упраздненных систем по состоянию, соответствующему периоду проектирования.
1 Общие вопросы
Особенность проектирования конвейеров состоит в том, что конструирование ведется на базе готовых нормализованных узлов (двигателей, редукторов, соединительных муфт и т.д.).
Забиваем Сайты В ТОП КУВАЛДОЙ - Уникальные возможности от SeoHammer
Каждая ссылка анализируется по трем пакетам оценки: SEO, Трафик и SMM.
SeoHammer делает продвижение сайта прозрачным и простым занятием.
Ссылки, вечные ссылки, статьи, упоминания, пресс-релизы - используйте по максимуму потенциал SeoHammer для продвижения вашего сайта.
Что умеет делать SeoHammer
— Продвижение в один клик, интеллектуальный подбор запросов, покупка самых лучших ссылок с высокой степенью качества у лучших бирж ссылок.
— Регулярная проверка качества ссылок по более чем 100 показателям и ежедневный пересчет показателей качества проекта.
— Все известные форматы ссылок: арендные ссылки, вечные ссылки, публикации (упоминания, мнения, отзывы, статьи, пресс-релизы).
— SeoHammer покажет, где рост или падение, а также запросы, на которые нужно обратить внимание.
SeoHammer еще предоставляет технологию Буст, она ускоряет продвижение в десятки раз,
а первые результаты появляются уже в течение первых 7 дней.
Зарегистрироваться и Начать продвижение
Главными задачами студента являются: расчет конвейера, выбор на основе этих расчетов нормализованных и стандартных сборочных единиц, их рациональная компоновка. Разработка привода должна выполняться с учетом размещения на металлических конструкциях конвейера. Машины должны удовлетворять требованиям надежности, удобства монтажа и демонтажа, обслуживания, безопасности. Наиболее полно методы расчета конвейеров изложены в работах [1…6].
2 Порядок выполнения курсовой работы
При выполнении курсовой работы рекомендуется следующая последовательность работ.
Получив задание, студент должен по литературным источникам ознакомиться с конструктивными разновидностями конвейеров [10…12] , подобных заданному, критически их оценить и выбрать наиболее удачную и современную конструкцию. Затем студент выполняет расчеты привода. Определение расчетных нагрузок, действующих на проектируемую машину, и мест их приложения производится по рекомендациям соответствующих литературных источников, конспекта лекций и по аналогии с конструктивно близкими машинами. Основные параметры конвейера, указанные в задании, должны быть выдержаны. Конструктивная схема конвейера может быть изменена или дополнена при согласовании с консультантом проекта. Далее разрабатывают сборочный чертеж машины.
3 Последовательность расчета конвейера
При всем многообразии конвейеров для их характеристики используют ряд параметров, общих для всех машин, но определяемых по разным вариантам одних и тех же, по сути, формул.
Расчет конвейеров выполняют, как правило, в два этапа:
- предварительный;
- уточненный с построением тяговой диаграммы.
Далее изложена последовательность предварительного расчета. Принятые обозначения:
Q
– массовая производительность конвейера, т/ч;
– плотность насыпного груза, т/м3
;
L
г
– горизонтальная проекция длины конвейера (или его участка), м;
ν
– скорость груза (грузонесущего элемента), м/с;
w
– коэффициент удельного сопротивления;
– угол наклона конвейера (участка), град.;
– угол естественного откоса, град.:
– угол обхвата барабана лентой, град.
3.1 Свойства насыпных грузов
В задании на курсовую работу указана насыпная плотность . Исходя из плотности студент выбирает материал и его свойства, руководствуясь данными таблицы 3.1 [7].
Таблица 3.1 – Характеристика свойств насыпных грузов
| Наименование
груза
|
Насыпная плотность,
т/м3
|
Угол естественного
откоса, град
|
Коэффициент
Сервис онлайн-записи на собственном Telegram-боте
Попробуйте сервис онлайн-записи VisitTime на основе вашего собственного Telegram-бота:
— Разгрузит мастера, специалиста или компанию;
— Позволит гибко управлять расписанием и загрузкой;
— Разошлет оповещения о новых услугах или акциях;
— Позволит принять оплату на карту/кошелек/счет;
— Позволит записываться на групповые и персональные посещения;
— Поможет получить от клиента отзывы о визите к вам;
— Включает в себя сервис чаевых.
Для новых пользователей первый месяц бесплатно.
Зарегистрироваться в сервисе
трения в состоянии покоя
|
Группа
абразив-ности
|
| в покое
|
в движении
|
по стали
|
по
резине
|
| 1
|
2
|
3
|
4
|
5
|
6
|
7
|
| Агломерат железной руды
|
1,7….2
|
45
|
|
0,8…1
|
|
D
|
| Алебастр молотый
|
1,2…1,3
|
|
|
|
|
|
| Бетон:
- со щебнем
- с гравием и песком
|
1,8…2,2
2,2
|
|
|
|
|
|
| Гравий рядовой
|
1,5…2,0
|
45
|
30
|
0,58…1
|
|
В
|
| Зола сухая
|
0,4…0,72
|
50
|
40
|
0,6…0,85
|
|
D
|
Таблица 3.1 Окончание
| 1
|
2
|
3
|
4
|
5
|
6
|
7
|
| Известняк:
- мелкокусковой
- порошкообразный
|
1,47…2,22
1,57
|
45
40
|
30
30
|
0,66…0,76
|
|
В
|
| Керамзит
|
0,5…0,7
|
|
|
|
|
|
| Кокс среднекусковой
|
0,48…0,53
|
35
|
|
0,84
|
|
D
|
| Мел молотый (порошок)
|
0,95…1,2
|
|
|
|
|
|
| Опилки древесные сухие
|
0,16…0,32
|
39
|
|
0,39…0,83
|
0,51…
0,65
|
А
|
| Пемза в порошке
|
0,3…0,75
|
|
|
|
|
|
| Песок сухой
|
1,4…1,65
|
45
|
30
|
0,32…0,7
|
0,46
|
С
|
| Руда железная мелко- и среднекусковая
|
2,1…3,5
|
30…50
|
|
1,2
|
|
D
|
| Стружка древесная
|
0,2…0,88
|
|
|
|
|
|
| Торф фрезерный сухой
|
0,33…0,4
|
45
|
32
|
0,27…0,75
|
|
А
|
| Уголь бурый (воздушно-сухой)
|
0,6..0,78
|
35…50
|
|
0,84
|
|
|
| Цемент
|
1,0…1,8
|
40
|
30
|
0,8…0,65
|
0,64
|
С
|
| Уголь каменный:
- кусковой рядовой
- мелкокусковой
сортированный
|
0,6…0,8
0,8…1,0
|
35…40
|
|
0,42…0,6
|
0,55
|
В
|
| Щебень сухой
|
1,2…1,8
|
45
|
35
|
0,47…0,53
|
|
D
|
Истирающей способностью (абразивностью) насыпных грузов называется свойство их частиц истирать во время движения соприкасающиеся с ними поверхности. По степени абразивности насыпные грузы делятся на группы: А
– неабразивные; В
– малоабразивные; С
– среднеабразивные; D
– высокоабразивные.
3.2 Тяговые элементы конвейеров
Основными тяговыми элементами конвейеров являются ленты конвейерные и цепи тяговые.
Ленты конвейерные.
Применяют резинотканевые (ГОСТ 20-93, ГОСТ 23383-79), резинотросовые (ТУ 38-105841- 75) и стальные (ТУ-14-1-525-73) ленты.
Сведения о резинотканевых конвейерных лентах приведены в таблице 3.2.
Условное обозначение резинотканевой конвейерной ленты содержит наименование изделия («лента»), буквенные и цифровые индексы, обозначающие тип и вид ленты, ее ширину (мм), количество тканевых тяговых прокладок, сокращенное наименование ткани, толщину резиновых обкладок на рабочей и нерабочей сторонах ленты (мм), класс обкладочной резины и обозначение стандарта на ленты.
Например, лента конвейерная типа 2, теплостойкая, шириной 1000 мм, с восемью тяговыми прокладками из ткани типа БКНЛ-150, с рабочей обкладкой толщиной 4,5 мм и нерабочей – 2 мм из резины класса С обозначается:
Лента 2Т – 1000 – 8 – БКНЛ – 150 – 4,5 – 2 – С ГОСТ 20 – 93.
Таблица 3.2 – Резинотканевые конвейерные ленты (ГОСТ 20-93)
| Тип
|
Назначение
|
Вид
|
Условное обозначение
|
Класс прочности резины наружных обкладок
|
Температура транспортируемого материала и окружающего воздуха, 0
С
|
| от
|
до
|
| 1
|
2
|
3
|
4
|
5
|
6
|
7
|
| …
2
|
Транспортирование абразивных, малоабразивных и неабразивных средне- и мелкокусковых грузов (куски размером до 150 мм).
|
Общего
назначения
Морозостойкая
Повышенной теплостойкости
|
2
2М
2ПТ
|
Б,В
С
В
С
|
- 45
- 25
- 60
|
60
60
60
Не более 200
|
Таблица 3.2 Окончание
| 1
|
2
|
3
|
4
|
5
|
6
|
7
|
| |
Транспортирование среднекусковых частиц угля (куски размером до 500 мм) и породы (куски размером до 300 мм) подземными конвейерами угольных шахт
|
Теплостойкая
Пищевая
Негорючая для угольных шахт
|
2Т
2П
2Ш
|
С
С
Г,С
|
- 25
- 25
|
Не более 100
60
60
|
| 3
|
Транспортирование малоабразивных и неабразивных мелкокусковых (куски размером до 80 мм), сыпучих и штучных грузов
|
Общего
назначения
Пищевая
|
3
3П
|
В
С
С
|
- 45
- 25
- 25
|
60
60
60
|
Цепи тяговые.
Основные параметры тяговых цепей: разрушающая нагрузка, шаг цепи, погонная масса.
Применяются тяговые цепи: пластинчатые (ГОСТ 588 – 81), разборные (ГОСТ 589 – 74).
Стандарт устанавливает следующие типы тяговых пластинчатых цепей: 1 – втулочные; 2 – роликовые; 3 – катковые гладкие: рисунок 3.1.
По конструкции предусмотрены тяговые пластинчатые цепи каждого типа следующих исполнений: 1 – неразборная цепь со сплошными валиками (индекс М); 2 – разборная цепь со сплошными валиками (индекс М); 3 – неразборная цепь с полыми валиками (индекс МС).

Рисунок 3.1 – Цепь пластинчатая катковая (ПВК):
1 – полый валик; 2 – каток
Например, тяговая пластинчатая цепь М с разрушающей нагрузкой 112 кН типа 2 с шагом 100 мм исполнения 1, с присоединительными элементами типа 1.1 исполнения 0, с односторонним их расположением (1) и чередованием через три шага обозначается:
Цепь М112 – 2 – 100 – 1- 1.1 – 0 – 1- 3 ГОСТ 588 – 81
3.3 Определение погонных масс
3.3.1 Погонная масса груза
Погонная масса q
груза (средняя масса груза на 1 м длины загруженного участка рабочей ветви конвейера) при непрерывном потоке груза на конвейере (кг/м)
,
где А
– площадь поперечного сечения потока груза на конвейере, м2
.
Для ленточных конвейеров (рисунок 3.2):
а) на плоской ленте
А ≈
0,05 В
2
;
б) на желобчатой ленте с углом наклона боковых роликов 20о
( о
)
А ≈
0,11 В
2
;
в) на желобчатой ленте с углом наклона боковых роликов 30о
А ≈
0,14 В
2
,
где В
– ширина ленты, м.

Рисунок 3.2 – Типы роликоопор: а – плоская; б – желобчатая
Для пластинчатых конвейеров:
а) на настиле без бортов
;
б) на настиле с бортами
;
(при крупнокусковом грузе ), где – ширина настила (для настила с бортами – расстояние между бортами), м; – коэффициент, зависящий от угла β
наклона конвейера: при β
до 10о
=1;
при β
до 20о
=
0,95; при β
>20о
=0,9;
– угол естественного откоса груза в состоянии покоя (таблица 3.1), град.; – высота борта, м; – коэффициент наполнения настила по высоте бортов: =
0,65…0,8 (для крупнокусковых грузов =
0,8…0,9).
Для винтовых конвейеров
,
где D
– диаметр винта, м; ψ
– коэффициент заполнения желоба; ψ
=
0,125…0,40 – для тяжелых абразивных грузов (цемент, песок) – меньшие значения, для легких неабразивных грузов (древесные опилки) – большие.
Погонная масса груза при перемещении его отдельными порциями в ковшах (кг/м)
,
где i
– вместимость ковша, м3
; ψ
– коэффициент наполнения ковша (ψ
=0,8…0,9); t
k
– шаг ковшей, м.
3.3.2 Погонные массы конвейера
Ленточный конвейер [8]
,
где q
k
– погонная масса конвейера; , – погонные массы рабочей и холостой ветвей (кг/м).
; ,
где q
л
– погонная масса ленты; и – погонные массы роликоопор на рабочей и холостых ветвях соответственно.
,
где – толщина ленты (предварительно принимают =
10 мм).
,
где m
p
– масса роликоопоры, кг; - шаг роликоопор, м; mp
=
2,5 В
, здесь В
– ширина ленты, дм; =1,0…1,5 м.
.
Пластинчатый конвейер
Предварительно погонную массу ходовой части конвейера принимают
,
где В
– ширина настила, м; К
– условный коэффициент (таблица 3.3).
Таблица 3.3 – Значения коэффициента К
| Характеристика груза по плотности, ρ, т/м3
|
Ширина настила без бортов, м
|
Ширина настила с бортами, м
|
| 0,4; 0,5
|
0,65; 0,8
|
1,0 и
более
|
0,4; 0,5
|
0,65; 0,8
|
1,0 и
более
|
| Легкий, ρ<1
|
35
|
45
|
60
|
40
|
50
|
70
|
| Средний, ρ=1…2
|
50
|
60
|
90
|
60
|
70
|
100
|
| Тяжелый, ρ>2
|
70
|
100
|
130
|
80
|
110
|
150
|
Элеваторы ленточные и цепные
Погонная масса (кг/м) груза
,
где – коэффициент заполнения ковшей, ( =0,7…0,8); – насыпная плотность груза, т/м3
; – вместимость ковша, м3
.
Погонная масса ходовой части элеватора:
ленточного
,
где q
л
– погонная масса ленты; q
ков
– погонная масса ковшей (рисунок 3.3).
цепного
,
где q
ц
– погонная масса цепи (цепей), кг/м.
Погонная масса ковшей (кг/м)
,
где m
ков
– масса одного ковша, кг (таблица 3.4); – шаг ковшей, м; k
k
– коэффициент, учитывающий массу крепежных деталей: k
k
≈ 1,14.
Для ориентировочных расчетов погонная масса (кг/м) ходовой части элеватора может быть принята
q
к
≈ Qk
,
где Q
– производительность элеватора, т/ч; k
– условный коэффициент (таблица 3.5).

Рисунок 3.3 – Эскиз ковша (тип Г)
Таблица 3.4 – Ориентировочная масса ковшей вертикальных элеваторов, кг
| Ширина В
ковша, мм
|
Толщина стенки ковша, мм
|
Тип ковшей
|
| глубокие (Г)
|
мелкие (М)
|
остро-угольные (О)
|
скругленные (С)
|
| 160
250
320
400
500
650
|
2
3
3
4
4
5
|
0,9
3,0
4,4
9,0
--
--
|
0,7
2,0
4,1
9,0
--
--
|
1,2
3,0
4,4
9,5
14,7
--
|
--
--
--
15,3
24,7
45,5
|
Таблица 3.5 – Значения коэффициента k
| Производительность
элеватора,
т/ч
|
Тип ковшей
|
| ленточный (Л)
|
одноцепной (Ц)
|
двухцепной (Ц)
|
| ЛГ
|
ЛМ
|
ЦГ, ЦМ
|
ЦО
|
ЦГ, ЦМ
|
ЦО, ЦС
|
| До 10
10…25
25…50
50…100
Свыше 100
|
0,6
0,5
0,45
0,4
0,35
|
--
--
0,6
0,55
0,5
|
1,1
0,8
0,6
0,5
--
|
--
1,1
0,85
0,7
--
|
--
1,2
1,0
0,8
0,6
|
--
--
--
1,1
0,9
|
Погонные массы q
л
и q
ц
принимают по прототипу с учетом того, что ширина В
ленты меньше ширины ковша на 50 мм.
3.4 Определение сил сопротивления
Мощность двигателя машины расходуется на преодоление сопротивления движения элементов конвейера и груза. Часть сопротивления преодолевается по длине конвейера (распределенные сопротивления) и часть – в отдельных его пунктах: барабан (звездочка), погрузочное, разгрузочное, очистное устройства (сосредоточенные сопротивления). При предварительных расчетах силы сопротивления определяют в обобщенной форме.
3.4.1 Ленточный конвейер [8]
Определение тяговой силы :
,
где – коэффициент сопротивления ( =0,04); Н
– высота подъема груза; – ускорение свободного падения; К
к
– коэффициент конвейера (К
к
=1,1…1,2 в зависимости от суммарной длины конвейера).
Остальное – см. п. 3.3.
3.4.2 Цепной (пластинчатый) конвейер
Расчетная схема – рисунок 3.4. Поперечные сечения конвейера – рисунок 3.5.

Рисунок 3.4 – Расчетная схема пластинчатого конвейера
(НУ – натяжное устройство; – его ход; ПМ – привод)

Рисунок 3.5 – Типы пластинчатых конвейеров : а – тип ПР – плоский
разомкнутый для штучных грузов; б – тип ПС – плоский сомкнутый
для насыпных грузов; В
– ширина настила; t
– шаг цепи
Тяговая сила F
0
конвейера
F
0
,
где F
min
– наименьшее натяжение цепей (F
min
=3 kH); – коэффициент сопротивления (таблица 3.6).
Остальное – см. п. 3.3.
Таблица 3.6 – Значения коэффициента сопротивления
для пластинчатых
конвейеров
| Тип цепи
конвейера по ГОСТ 588-81
|
Обозна-
чение
цепи
|
Диаметр валика цепи, мм
|
Условия работы конвейера**
|
| хорошие
|
средние
|
тяжелые
|
| Втулочная
Роликовая
Катковая с гладкими катками
Катковая с ребордами на катках
|
1
2
3
4
|
До 20
Более20
До 20
Более 20
|
0,2…0,25*
0,2…0,25*
0,07
0,06
0,08
0,07
|
0,3…0,35*
0,3…0,35*
0,09
0,08
0,10
0,09
|
0,4…0,45*
0,4…0,45*
0,11
0,10
0,13
0,12
|
* Большие значения принимать при путях с центрирующими устройствами, предохраняющими цепь от сдвига.
** При работе в зимних условиях в неотапливаемом помещении или на открытом воздухе приведенные значения увеличивать в 1,5 раза.
Предпочтение следует отдавать цепям типа ПВК – катковая с гладкими катками (см. рисунок 3.1); среднее значение принимать .
3.4.3 Элеватор
Окружное усилие F
на приводном барабане (на делительной окружности звездочки)
,
где Р
– мощность на приводном валу, кВт; – скорость груза, м/с.
Р=
0,0027 QH
(
1+
k
зач
/Н),
где k
зач
– коэффициент зачерпывания (таблица 3.7).
Таблица 3.7 – Ориентировочные значения коэффициента k
зач
| Вид груза
|
Тип элеватора
|
| ленточный и
одноцепной
|
двухцепной
|
| при скорости движения ковшей, м/с
|
| 0,5
|
0,75
|
1,0
|
1,25
|
1,6
|
0,5
|
0,75
|
1,0
|
1,25
|
1,6
|
| Пылевидный, порошкообразный, зернистый, мелкозернистый
|
1,5
|
2,0
|
2,0
|
2,5
|
3,0
|
1,0
|
1,2
|
1,3
|
1,5
|
2,0
|
| Средне- и крупнокусковой
|
2,5
|
3,0
|
3,0
|
4,0
|
5,0
|
1,5
|
1,7
|
1,7
|
2,5
|
3,0
|
3.5 Определение размеров тягового и грузонесущего элементов
3.5.1 Ленточный конвейер
Ширина В
(м) ленты при перемещении насыпных грузов
,
где – коэффициент угла естественного откоса груза (таблица 3.8).
Остальное – см. п. 3.
Таблица 3.8 – Значения коэффициента 
| Форма ленты
|
Угол наклона боковых роликов, град
|
Угол , град
|
| 35
|
40…45
|
| Плоская
Желобчатая на двухроликовой опоре
Желобчатая на трехроликовой опоре
|
--
15
20
30
|
240
450
470
550
|
325
535
550
625
|
В курсовой работе принимать 
Размер В
принимать ближайшим большим по ГОСТ 20-93 из ряда 300, 400, 500, 650, 800, 1000 мм.
Толщину ленты определяют по формуле
,
где z
– количество тканевых прокладок толщиной в сердечнике ленты; , – толщина резиновых обкладок на рабочей и холостой сторонах ленты соответственно. Можно принять мм; мм; мм. Большие значения принимают при > 1,5 т/м3
и штучных грузах.
,
где – натяжение ленты; – допускаемый предел прочности на растяжение тканевой прокладки, Н/мм; В
– ширина ленты, мм.
,
где – прочность ткани, Н/мм (таблица 3.9); n
– коэффициент запаса прочности, n
=10.
Натяжение ленты 
,
где – коэффициент, учитывающий сцепление ленты с барабаном.
При угле обхвата барабана лентой 180о
…200о
и коэффициенте трения f=
0,15 между лентой и барабаном (барабан стальной, нефутерованный) =1,3.
При =
200о
…240о
и f=
0,3…0,4 (поверхность барабана футерована – обрезинена) = 1,5.
Таблица 3.9 – Ткани, применяемые для изготовления конвейерных лент
| Прочность ткани по
основе, Н/мм
|
Марка ткани из нитей
|
| комбинированных
|
полиамидных
|
| 65
100
150
200
300
400
|
БКНЛ-65; БКЛН-65-2
БКНЛ-100
БКНЛ-150
---
---
---
|
---
ТК-100; ТА-100
ТК-150; ТА -150
ТК-200
ТК-300; ТА-300
ТК-400; ТА-400
|
Примечание. БКНЛ – бельтинг из комбинированных нитей с лавсаном; Т – ткань; К – капроновая; А – анидная.
По размерам В и с учетом рекомендаций таблицы 3.2 выбирают конкретный типоразмер ленты с уточнением погонной массы q
л
.
3.5.2 Цепной пластинчатый конвейер
Ширина В
настила без бортов (м) при транспортировании насыпных грузов
,
где Q
– производительность конвейера, т/ч; – скорость движения полотна, м/с; – насыпная плотность груза, т/м3
; – коэффициент, зависящий от угла наклона конвейера; – угол естественного откоса груза в состоянии покоя.
Ширину настила округлять до ближайшего большего (таблица 3.10).
Максимальное статическое натяжение тягового органа [7]
.
Таблица 3.10 – Основные размеры пластинчатых конвейеров (ГОСТ 22281-76)
| Ширина В
настила ходовой части, мм
|
Высота h
борта, мм
|
Шаг t
тяговой цепи, мм
|
Количество зубьев z звездочек
|
| 400; 500; 650; 800; 1000; 1200; 1400; 1600
|
80; 100; 125; 160; 200; 250; 315; 355; 400; 500
|
80; 100; 125; 160; 200; 250; 315; 400; 500; 630; 800
|
6; 8; 10; 12
|
Динамическая нагрузка на цепи (или цепь) (Н)
,
где – длина конвейера, м; – количество зубьев ведущей звездочки тяговой цепи; – шаг тяговой цепи, м; – коэффициент приведения массы (учитывающий, что не все элементы конвейера движутся с максимальным ускорением, а также влияние упругости цепи). При < 25 м ; при < 50 м ; при > 50 м .
При скорости полотна до 0,2 м/с динамические нагрузки на цепи можно не учитывать.
Расчетное натяжение тягового органа
.
Если тяговый орган двухцепной, расчетное натяжение одной цепи
.
Для одноцепного тягового органа .
Разрушающая нагрузка цепи
,
где – коэффициент запаса прочности цепи: для горизонтальных конвейеров ; с наклонными участками – ; для элеваторов .
По разрушающей нагрузке выбирают конкретный типоразмер цепи с учетом рекомендаций п. 3.2 [7].
Диаметр делительной окружности приводной звездочки определяют по формуле
 ,
где – шаг цепи; – угол между зубьями; , здесь – количество зубьев.
3.5.3 Элеватор ковшовый
С учетом пункта 3.3.2 и данных таблицы 3.4 выбирают конкретный типоразмер ковша (рисунок 3.3) с учетом данных таблицы 3.11.
Таблица 3.11 – Типы, обозначения и основные размеры ковшей элеватора
(ГОСТ 2036–07)
| Тип ковшей
|
Обозначение ковшей
|
Внутренние размеры ковшей, мм
|
Вместимость ковша на линии х
–
х,
л
|
| B
|
|
h
|
r
|
| 1
|
2
|
3
|
4
|
5
|
6
|
7
|
| Глубокие
|
Г
|
100
|
75
|
80
|
25
|
0,2
|
| |
|
125
|
90
|
95
|
30
|
0,4
|
| |
|
160
|
105
|
110
|
35
|
0,6
|
| |
|
200
|
125
|
135
|
40
|
1,3
|
| |
|
250
|
140
|
150
|
45
|
2,0
|
| |
|
320
|
175
|
190
|
55
|
4,0
|
| |
|
400
|
195
|
210
|
60
|
6,3
|
| |
|
500
|
235
|
255
|
75
|
12,0
|
| |
|
650
|
250
|
265
|
85
|
16,8
|
Таблица 3.11 – Окончание
| Мелкие
|
М
|
100
|
50
|
65
|
25
|
0,1
|
| |
|
125
|
65
|
85
|
30
|
0,2
|
| |
|
160
|
75
|
100
|
35
|
0,35
|
| |
|
200
|
95
|
130
|
40
|
0,75
|
| |
|
250
|
120
|
160
|
55
|
1,4
|
| |
|
320
|
145
|
190
|
70
|
2,7
|
| |
|
400
|
170
|
220
|
85
|
4,2
|
| |
|
500
|
195
|
250
|
100
|
6,8
|
Дополнительные рекомендации по выбору ковшей указаны в таблицах 3.12 и 3.13.
Таблица 3.12 – Данные по типу ковшей
| Характеристика
насыпных
грузов
|
Примеры характерных грузов
|
Рекомендуемый тип элеватора
|
Тип ковша
|
Средний коэффициент заполнения ковша
|
Скорость,
м/с
|
| цепи
|
ленты
|
| 1
|
2
|
3
|
4
|
5
|
6
|
7
|
| Пылевидные сухие
|
Угольная пыль
|
Тихоходный со свободной самотечной разгрузкой
|
Г
|
0,85
|
–
|
0,63…
0,8
|
| |
Цемент, мука фосфоритная
|
Быстроходный с центробежной разгрузкой
|
Г
|
0,8
|
1,25…2,0
|
–
|
| |
Пищевые продукты помола зерна (мука, комбикорма)
|
Быстроходный с центробежносамотечной разгрузкой
|
М
|
0,85
|
1…1,4
|
–
|
| Пылевидные и зернистые влажные, плохосыпучие
|
Грунт, песок, мел в порошке, химикаты
|
Быстроходный с центробежной разгрузкой
|
М
|
0,6
|
1…2
|
0,8…
2,0
|
Таблица 3.12.Окончание
| 1
|
2
|
3
|
4
|
5
|
6
|
7
|
| Зернистые и мелкокусковые, малоабразивные
|
Древесные опилки, щепа, сухая глина в комках, торф фрезерный, мелкий уголь
|
Быстроходный с центробежной разгрузкой
|
Г
|
0,8
|
1,25…2,0
|
1,0…1,6
|
Таблица 3.13 – Вместимость (л) и рекомендуемый шаг ковшей
| Тип ковшей
|
Шаг ковшей, мм
|
| глубокий
|
мелкий
|
остроугольный
|
скругленный
|
| 
|

|

|

|

|

|

|

|
| –
|
–
|
–
|
–
|
4,06
|
0,65
|
–
|
–
|
160
|
| 1
|
0,2
|
0,5
|
0,1
|
6,5
|
1,3
|
–
|
–
|
200
|
| –
|
–
|
–
|
–
|
10
|
2
|
–
|
–
|
200
|
| –
|
–
|
–
|
–
|
16
|
4
|
25,6
|
6,4
|
250
|
| 1,3
|
0,4
|
0,66
|
0,2
|
24,4
|
7,8
|
43,7
|
14
|
320
|
| 2
|
0,6
|
1,17
|
0,35
|
–
|
–
|
–
|
–
|
320
|
| 3,24
|
1,3
|
1,87
|
0,75
|
40
|
16
|
70
|
28
|
400
|
| 5
|
2
|
3,5
|
1,4
|
–
|
–
|
–
|
–
|
400
|
| 8
|
4
|
5,4
|
2,7
|
–
|
–
|
120
|
60
|
500
|
| 12,6
|
6,3
|
8,4
|
4,2
|
–
|
–
|
–
|
–
|
500
|
| 19
|
12
|
–
|
–
|
–
|
–
|
187
|
118
|
630
|
| –
|
–
|
–
|
–
|
–
|
–
|
235
|
148
|
630
|
* Погонная вместимость ковшей, л/м;
** Вместимость ковша, л.
3.5.4 Винтовой конвейер
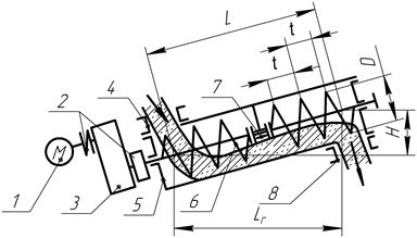
Расчетная схема – рисунок 3.6.
Необходимый диаметр винта (м)
,
где – производительность конвейера, т/ч; – отношение шага винта к его диаметру: для абразивных материалов , для неабразивных ; – частота вращения винта, мин-1
; предварительно принимается по таблице 3.15; – коэффициент заполнения желоба (таблица 3.16); – насыпная плотность груза, т/м3
; – коэффициент уменьшения производительности в зависимости от угла наклона конвейера (таблица 3.17).

Рисунок 3.6 – Схема винтового конвейера:
1 – двигатель; 2 – муфты; 3 – редуктор;
4 – загрузочный люк; 5 – желоб; 6 – секция винта;
7 – подвесная опора (подшипник);
8 – разгрузочный люк
Диаметр винта должен быть согласован с данными таблицы 3.14.
Таблица 3.14 – Диаметр и шаг винта винтового конвейера
| Диаметр, мм
|
Шаг, мм
|
Диаметр, мм
|
Шаг, мм
|
| 100
|
80; 100
|
320
|
250; 320
|
| 125
|
100; 125
|
400
|
320; 400
|
| 160
|
125; 160
|
500
|
400; 500
|
| 200
|
160; 200
|
650
|
500; 650
|
| 250
|
320; 250
|
800
|
650; 800
|
Таблица 3.15 – Рекомендуемая частота вращения винта
| Наименование груза
|
Размеры кусков, мм
|
Допускаемая частота вращения винта, мин-1
|
| Гипс, известь, мел, песок сухой, цемент
|
–
|
50…120
|
| Глина сухая, гравий, известняк
|
Менее 60
|
40…100
|
| Глина сухая, шлак кусковой
|
Более 60
|
40…80
|
| Песок сырой
|
–
|
40…80
|
| Бетон, глина сырая, цементный раствор
|
–
|
30…60
|
Таблица 3.16 – Значения коэффициента заполнения желоба и коэффициента
сопротивления передвижению груза в винтовом конвейере
| Группа груза
|
Примеры грузов
|
|
|
| Легкие неабразивные
|
Древесные опилки
|
0,4
|
1,2
|
| Легкие малоабразивные
|
Мел, асбест
|
0,32
|
1,6
|
| Тяжелые малоабразивные
|
Глина сухая
|
0,25
|
2,5
|
| Тяжелые абразивные
|
Цемент, зола, песок, шлак
|
0,125
|
4,0
|
Таблица 3.17 – Значения коэффициента уменьшения
производительности винтовых конвейеров в
зависимости от угла наклона конвейера
| , град
|

|
| 0
|
1,0
|
| 5
|
0,9
|
| 10
|
0,8
|
| 15
|
0,7
|
| 20
|
0,6
|
При углах наклона конвейеров > 20о
коэффициент .
Необходимая мощность на валу винта (кВт)
,
где – длина горизонтальной проекции конвейера, м; – коэффициент сопротивления перемещению груза (см. таблицу 3.16); – высота подъема груза, м.
Крутящий момент на валу винта (Н·м)
.
Осевое усилие на винт (Н)
,
где – коэффициент, учитывающий, что сила приложена на среднем диаметре винта: ; – диаметр винта, м; – угол подъема винтовой линии винта; – угол трения груза о винт.
Поперечная нагрузка (Н) на участок винта между двумя опорами (на секцию винта длиной м)
,
где – общая длина вала винта, м.
Вал винта рассматривают как разрезной и рассчитывают на кручение моментом , растяжение или продольное сжатие силой , изгиб от распределенной по длине поперечной нагрузки .
Угол можно определить из соотношения .
Обычно о
. Угол – определить из соотношения
,
где – коэффициент трения по стали (см. таблицу 3.1).
4 Построение тяговой диаграммы
Это второй, уточненный, этап расчета конвейера.
4.1 Ленточный конвейер
В произвольном масштабе с соблюдением пропорций изображают трассу конвейера (рисунок 4.1).

Рисунок 4.1 – Схема трассы конвейера
Производят нумерацию характерных точек – мест сопряжения распределенных и сосредоточенных сопротивлений. Нумерацию начинают с точки с наименьшим натяжением тягового органа и, обходя далее по трассе, обозначают характерные точки вплоть до точки с наибольшим натяжением гибкого органа. Еще этот метод называют «методом обхода по контуру». В точке 1 трассы – наименьшего натяжения, действует сила – натяжение сбегающего с приводного барабана участка ленты; в точке 8 – сила – набегающего участка ленты ( ).
Далее производят собственно обход по контуру.
На участке 1 – 2 действует распределенное сопротивление.
Следовательно,
,
где принимают ориентировочно, кН; – приращение силы сопротивления, обусловленное типом того или иного сопротивления. Поэтому
,
где , – погонные массы роликов на холостой ветви и ленты соответственно; – длина участка (горизонтальной проекции), т.е. расстояние между точками 1 и 2 по горизонтали; – коэффициент удельного сопротивления ( ).
,
где – коэффициент сосредоточенного сопротивления ( ).
.
Возможен вариант определения силы :
,
где – перепад высот между точками 3 и 4. В задании на курсовую работу указаны длина участка 3 – 4 ( ) и угол – наклон участка к горизонтали. Высоту определять через тригонометрические функции угла .
.
.
Имеет место самый интенсивный рост силы сопротивления. Между точками 6 и 7 установлена батарея роликов, которую можно принять за сосредоточенное сопротивление. Тогда
.
Сосредоточенное сопротивление изображают на тяговой диаграмме в виде вертикальных отрезков (сопротивление нарастает скачкообразно, происходит «скачок» сил). Это будет иметь место при допущении, что батарея роликов – это сосредоточенное сопротивление. В ином случае сопротивление будет увеличиваться плавно.
.
.

Рисунок 4.2 – Распределение натяжения ленты по ее длине
Примечание. Характер линий на участке 6 – 7 следует принимать с учетом ранее сделанных допущений.
Количественные значения сил сопротивления и длин участков в выбранном масштабе откладывают на осях ординат и абсцисс соответственно. Примерный вид тяговой диаграммы изображен на рисунке 4.2.
4.2 Ковшовый элеватор
Уточненный тяговый расчет элеватора методом обхода по контуру (рисунок 4.3, а) может содержать следующие пункты:
а) определение натяжения (Н) в точке 1:
,
где – натяжное усилие, которое в отличие от существующих методик можно определить как
,
где – высота подъема груза;
б) определение натяжения (Н) в точке 2:
,
где – коэффициент увеличения натяжения тягового органа от сопротивления на поворотном пункте ( ); – сопротивление зачерпыванию груза;
в) определение натяжения (Н) в точке 3:
;
г) определение натяжения (Н) в точке 4:
,
где – усилие в сбегающей ветви в точке 4, Н;
д) определение тягово-сцепного комплекса :
,
где – угол обхвата барабана лентой, т.к. не может быть больше 180о
( радиан), коэффициент сцепления между лентой и барабаном должен быть больше 0,3 (барабан футерован резиной);
е) выполняют уточненный расчет ленты на прочность по , а так же выбор типоразмера цепи по ;
ж) определение окружной силы на барабане с учетом сопротивления барабана (звездочки).
 .

Рисунок 4.3 – Схема элеватора:
а – расчетная схема; б – тяговая диаграмма
Располагая данными по уточненным погонным массам тяговых элементов и силы , производят уточнение по диаметрам барабана (звездочки), мощности двигателя (с уточнением его типоразмера), передаточного числа редуктора, его мощности (коэффициент запаса ) и типоразмера. Проверяют фактические значения скорости движения тягового органа и производительности элеватора. Погрешность указанных параметров от заданных не должна превышать 10%.
Построение тяговой диаграммы цепного (пластинчатого) конвейера производят по подобной методике [7].
5 Привод конвейера
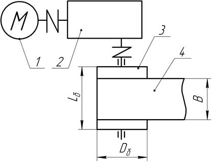
Типовая схема привода (приводной станции) ленточного конвейера изображена на рисунке 5.1.

Рисунок 5.1 – Кинематическая схема приводной
станции ленточного конвейера
По своему составу приводы цепных, винтовых конвейеров и элеваторов аналогичны указанной. Они содержат, как правило, стандартные элементы: двигатель 1, редуктор 2, муфты (не обозначены), барабан 3 (одна или две звездочки), его опоры и тяговый элемент – ленту 4. Вместо ленты может быть одна или две цепи. Рабочий орган винтового конвейера (винт) соединяют с тихоходным валом редуктора зубчатой муфтой. При наклонном положении желоба винтового конвейера (угол > 15о
) муфта должна быть шарнирной.
При записи в спецификации стандартных элементов необходимо придерживаться установленного порядка. Примеры записи указаны далее по тексту.
5.1 Определение мощности и выбор электродвигателя
Условия выбора
,
где – мощность двигателя; – расчетная мощность, кВт.
,
где – окружная сила, Н; – скорость груза, м/с; – общий КПД ( ).
Окружную тяговую силу на барабане (звездочке) определяют по формуле (см. рисунок 4.2)
.
По расчетной мощности из справочника (например, [7]) выбирают двигатель единой серии 4А. В записке помещают характеристику двигателя и его эскиз с габаритными, присоединительными и установочными размерами. Могут быть использованы общепромышленные двигатели поздних модификаций серий 5А, 6А.
Асинхронный трехфазный двигатель четвертой серии, защищенный, со станиной и щитами из чугуна, с высотой оси вращения 280 мм, с установочным размером по длине станины М, двухполюсный, климатического исполнения У, категории размещения 3 обозначается: Двигатель 4АН280М2УЗ ГОСТ19523-91.
У двухполюсного двигателя синхронная частота вращения 3000 мин-1
; четырехполюсного – 1500 мин-1
; шестиполюсного – 1000 мин-1
.
5.2 Выбор редуктора
Редуктор выбирают по мощности и передаточному числу .
,
где – коэффициент запаса ( ).
,
где – частота вращения двигателя, мин-1
; – частота вращения барабана (звездочки).
,
где – диаметр барабана, м.
В случае цепного (пластинчатого) конвейера в формулу подставляют – диаметр делительной окружности звездочки (см. подпункт 3.5.2). По условиям компоновки целесообразно использовать коническо-цилиндрические редукторы. Например, коническо-цилиндрический двухступенчатый редуктор с межосевым расстоянием тиходной ступени 200 мм, с передаточным числом 20, вариантом сборки 42, климатическим исполнением У и категорией размещения 3 обозначается:
Редуктор КЦ1-200-20-42-У3 ГОСТ 20758-90.
В записке помещают эскиз редуктора с основными размерами и указывают действительное (стандартное) передаточное число , которое должно быть ближайшим к расчетному .
5.3 Выбор муфт
Муфты устанавливают на быстроходном и тихоходном валах редуктора. Муфты выбирают по вращающему (крутящему) моменту .
Быстроходный вал
,
где – статический момент электродвигателя, Нм.
,
где и – мощность (кВт) и частота вращения (мин-1
) электродвигателя соответственно.
Тихоходный вал
,
где – передаточное число редуктора; – общий кпд; и – коэффициенты, учитывающие степень ответственности привода ( ) и условия эксплуатации ( ); – коэффициент, учитывающий погрешность соосности соединительных валов. В общем случае . учитывают только для зубчатой муфты. В цепных конвейерах, кроме того, муфта на быстроходном валу должна быть предохранительного типа. Например, муфта упругая втулочно-пальцевая (МУВП) со срезными штифтами.
В приводе цепного конвейера целесообразно использовать клиноременную передачу для смягчения ударных (динамических) нагрузок и в качестве предохранительного звена.
Пример записи муфт в спецификации:
быстроходный вал
Муфта упругая втулочно-пальцевая с номинальным крутящим моментом 500 Нм, одна полумуфта с диаметром посадочного отверстия 40 мм, исполнения 1, другая – диаметром 45 мм, исполнения 4, климатическим исполнением У и категорией размещения 3 обозначается:
Муфта упругая втулочно-пальцевая МУВП-7-500-40-1-45-4-У3 ГОСТ 21424-90.
Примечание: исполнение 1 – хвостовик вала цилиндрический; 4 – конический; 7 – номер муфты.
тихоходный вал
Муфта зубчатая М3-2 (2 – номер муфты) типа 1 (1 – с разъемной обоймой) с номинальным передаваемым крутящим моментом 1600 Нм, с диаметрами посадочных отверстий в полумуфтах 50 мм, исполнения 1 (хвостовик вала цилиндрический), климатическим исполнением У и категорией размещения 3 обозначается:
Муфта зубчатая М3-2-1-1600-50-1-У3 ГОСТ Р50895.
На обоих валах может быть использована муфта типа МУВП или типа М3.
Обозначения редуктора и муфт приведены в соответствие с каталогом ОАО «Зарем» (бывш. Майкопский редукторный завод).
5.4 Привод специального типа
Срок службы конвейерной резинотканевой ленты в наибольшей степени зависит от количества перегибов ленты на барабанах. Стремление повысить тягово-сцепные свойства привода за счет увеличения угла обхвата барабана лентой с доведением его численного значения до о
(двухбарабанный привод) сокращает долговечность ленты из-за ее расслоения.
Увеличить тяговую силу с одновременным уменьшением количества перегибов ленты можно за счет использования привода, схема которого изображена на рисунке 5.2.

а)
Рисунок 5.2 – Схема специального привода:
а – общий вид; б – схема редуктора;
в – расположение барабанов
Привод (рисунок 5.2, а)содержит два двигателя 1, два редуктора 2, барабан 3 (один из трех) и ленту 4. Двигатель 1 прифланцован к редуктору 2. Тихоходный вал редуктора выполнен полым с шлицевым соединением вала барабана.
Схема редуктора изображена на рисунке 5.2, б.
Вал 5 редуктора соединен шлицевой втулкой с валом двигателя. На валу 5 закреплено зубчатое колесо (шестерня) 6, находящееся в зацеплении с колесом 8, закрепленным на валу 7. Колесо 8 находится в зацеплении с промежуточным (паразитным) колесом 10, закрепленным на валу 9 и находящимся в зацеплении с колесом 12, закрепленным на валу 11. Валы 7, 9, 11 соединены с валами барабанов. Расположение барабанов показано на рисунке 5.2, в.

б)
Рисунок 5.2 –Продолжение
в)
Рисунок 5.2 – Окончание
Барабан 3 приводится во вращение от вала 7; барабан 14 – от вала 9; барабан 13 – от вала 11. Барабаны 3 и 13 вращаются с одинаковой частотой, но имеют разный диаметр: > . Разность составляет 20…30 мм. Поскольку линейная скорость по средней линии толщины ленты 4 связана с частотой вращения и диаметром ( ) барабана известным соотношением
,
то при указанной разности диаметров и скорость будет больше . Разность в скоростях может составлять (3…5) %, что сопоставимо с удлинением ленты под воздействием тягового усилия. Большая скорость на поверхности барабана 13 позволяет компенсировать упругую деформацию (удлинение) ленты, обеспечивает дополнительное прижатие ленты к барабану 3 с необходимым увеличением тягово-сцепных свойств привода. Суммарный угол обхвата лентой барабанов 3 и 13 не превышает 190о
. В применяемых ныне двухбарабанных приводах о
. Двухкратное уменьшение угла обхвата с соответствующим уменьшением перегибов ленты приведет к двойному увеличению долговечности ленты.
6 Основные требования к оформлению документации
6.1 Требования к пояснительной записке
Пояснительную записку составляют по частям в процессе расчетов и окончательно оформляют в конце выполнения проекта по ГОСТ 2.105-95. Остальные рекомендации – см. [9].
6.2 Требования к графическим документам (чертежам)
Сборочный чертеж оформляют в соответствие с Единой системой конструкторской документации. Чертежи проекта выполняют карандашом на листах чертежной бумаги формата A1 (меньшего – по согласованию с консультантом). Остальные рекомендации – см. [8, 9].
6.3 Оформление спецификации
Спецификацию составляют на сборочный чертеж на отдельных листах формата А4 по ГОСТ 2.108-68.
Допускается использовать бланки спецификаций, изготовленные типографским способом.
Остальные рекомендации – см. [9].
6.4 Рекомендации по выполнению работы
с использованием ПЭВМ
Документы, выполненные с использованием ПЭВМ, должны отвечать требованиям, изложенным ниже. Остальные рекомендации – см. [9].
Методами компьютерной графики выполняют примерно половину чертежей проекта, оставшуюся часть – традиционными методами. Перечень документов, выполняемых на ПЭВМ, согласовывают с консультантом. Представляемые на защиту данные чертежи должны быть распечатаны с выводов ПЭВМ в формате А1. Допускается распечатка частями с последующей склейкой. При компьютерной графике всего проекта должен быть выполнен дополнительно сборочный чертеж сварной рамы приводной станции.
Допускается использовать в качестве иллюстраций пояснительной записки распечатки эскизов стандартных элементов из базы данных ПЭВМ, а также их ксерокопии.
7 Защита курсовой работы
Защиту работы принимает комиссия, состоящая из двух-трех преподавателей. К защите, срок которой установлен графиком, студент должен представить чертеж и пояснительную записку, подписанные консультантом. В докладе, на который отводится около 3 минут, студент сообщает о задачах проекта и дает краткую его характеристику, уделяя внимание только новизне принятых конструктивных решений, подчеркивая их оригинальность. После этого студент отвечает на вопросы членов комиссии, которые могут быть заданы по всем разделам работы для всестороннего выявления знаний. Студент доказывает правильность и целесообразность принятых решений.
Оценка курсовой работы производится с учетом качества выполнения чертежей и пояснительной записки и соблюдения сроков по графику.
Содержание
Введение………………………………………………………………………….…..3
1 Общие вопросы…………………………………………………………………..…4
2 Порядок выполнения курсового проекта……………………………………..…..4
3 Последовательность расчета конвейера………………………………………..…4
3.1 Свойства насыпных грузов…………………………………………….…..5
3.2 Тяговые элементы конвейеров………………………………………….…7
3.3 Определение погонных масс………………………………………………9
3.4 Определение сил сопротивления………………………………………...13
3.5 Определение размеров тягового и грузонесущего элементов…………16
4 Построение тяговой диаграммы………………………………………………….24
4.1 Ленточный конвейер…………………………………………………..…..24
4.2 Ковшовый элеватор……………………………………………………..…26
5 Привод конвейера………………………………………………..………………...28
5.1 Определение мощности и выбор электродвигателя……………….…….29
5.2 Выбор редуктора…………………………………………………….….….29
5.3 Выбор муфт…………………………………………………………………30
5.4 Привод специального типа……………………………………….………..31
6 Основные требования к оформлению документации………………………...…34
6.1 Требования к пояснительной записке…………………………….……....34
6.2.Требования к графическим документам (чертежам)………………....….34
6.3. Оформление спецификации………………………………………………34
6.4 Рекомендации по выполнению работы с использованием ПЭВМ……...35
7 Защита курсовой работы…………………………………………………………..35
Библиографический список…………………………………………………………37
Приложение
Библиографический список
1 Александров М.П. Подъемно-транспортные машины / М.П.Александров. – М.: Высшая школа, 1985. – 593 с.
2 Александров М.П. Грузоподъемные машины / М.П.Александров. – М.: Высшая школа, 2000. – 552 с.
3 Анфимов И.И. Редукторы. Конструкции и расчет / И.И.Анфимов. – М.: Машиностроение, 1993. – 464 с.
4 Балашов В.П. Грузоподъемные и транспортирующие машины на заводах строительных материалов / В.П.Балашов. – М.: Машиностроение, 1987. – 536 с.
5 Вайнсон А.А. Подъемно-транспортные машины / А.А.Вайнсон. – М.: Машиностроение, 1989. – 431 с.
6 Расчеты грузоподъемных и транспортирующих машин / Ф.К.Иванченко и др. – Киев: Высшая школа, 1978. – 574 с.
7 Кузьмин А.В. Справочник по расчетам механизмов подъемно-транспортных машин / А.В.Кузьмин, Ф.Л.Марон. – Минск: Высшая школа , 1983. – 272 с.
8 Курсовой проект по подъемно-транспортным машинам: методические указания для студентов специальности 1207/сост. Ю.В.Ремизович. – Омск: СибАДИ, 1987.
9 Курсовой проект по грузоподъемным машинам: методические указания / сост. Ю.В.Ремизович. – Омск: СибАДИ, 2003.
Атласы конструкций
10 Вайнсон А.А. Подъемно-транспортные машины строительной промышленности: Атлас конструкций / А.А.Вайнсон. – М.: Машиностроение, 1976. – 152 с.
11 Краны и подъемники: Атлас конструкций: В 2 ч. / А.И.Желтонога и др. – Минск: Высшая школа, 1974. Ч.1. – 116 с.; Ч.2. – 94 с.
12 Подъемно-транспортные машины: Атлас конструкций /под ред. М.П.Александрова и Д.Н.Решетова. – М.: Машиностроение, 1987. – 121 с.
Учебное издание
КУРСОВАЯ РАБОТА
ПО МАШИНАМ НЕПРЕРЫВНОГО ТРАНСПОРТА
Методические указания
Составитель Юрий Владимирович Ремизович
Редактор Т.И. Калинина
Подписано к печати 2009
Формат 60х90 1/16. Бумага писчая
Гарнитура Тайм. Оперативный способ печати
Усл.п.л. , уч.-изд.
Тираж 250 экз. Изд. № . Заказ .
Цена договорная
Издательство СибАДИ
644099, Омск, ул. П.Некрасова, 10
_________________________________________________________
Отпечатано в подразделении ОП издательства СибАДИ
644099, Омск, ул. П.Некрасова, 10
|