| МИНИСТЕРСТВО ОБРАЗОВАНИЕ И МОЛОДЕЖНОЙ ПОЛИТИКИ
ЧУВАШСКОЙ РЕСПУБЛИКИ
АУ ЧР СПО «Чебоксарский машиностроительный техникум»
| Утверждаю
заместитель директора по НППО
Балабина Р.Ш.
«____»_________________2012 г.
|
Методические указания
по проведению лабораторных работ по курсу «Физика»
(для студентов и преподавателей)
| Разработали преподаватели:
Курбатова А.Г., Дерезина Л.А.
Рассмотрено на заседании предметной комиссии электротехнических дисциплин
Протокол №__от « » _______ 2012г.
Председатель комиссии
_______________
Федоров Н.Г.
|
2011-2012 уч.год
СОДЕРЖАНИЕ
1. Введение……………………………………………………………………………………....3
2. Погрешности измерении……………………………………………………………………...4
3. Сведения о приближенных значениях…………………………………………………...8
4. Методика выполнения лабораторных работ
4.1 Подготовка к лабораторной работе…………………………………………………...9
4.2 Сборка электрической цепи…………………………………………………………...10
4.3 Выполнение измерений и вычислений ……………………………………………...10
4.4 Составление отчета……………………………………………………………………..11
4.5 Инструкции по технике безопасности…………………………………………….…12
5. Описание лабораторных работ
Лабораторные работа №1 «Измерение ускорения свободного падения с помощью математического маятник»…………………………………………………………………………………………… 13
Лабораторные работа№2 «Наблюдение броуновского движения»……………….………15
Лабораторные работа№3 «Проверка зависимости между объемом, давлением, температурой для данной массы газа»………………………………………………………………….18
Лабораторные работа№4 «Определение влажности воздуха с помощью гигрометра и психрометра»……………………………………………….…………………………………………......21
Лабораторные работа№5 « Определение поверхностного натяжения жидкости»……….27
Лабораторное занятие №6 « Определение электрической емкости конденсатора»……...31
Лабораторное занятие №7 « Определение удельного сопротивления проводника»……..34
Лабораторное занятие №8 «Определение температурного коэффициента сопротивления проводника»……………………….…………………………………………………………..36
Лабораторное занятие №9 « Определение ЭДС и внутреннего сопротивления источников электрической энергии»……………………………………………………………………....38
Лабораторное занятие №10 «Исследование мощности, потребляемой лампой, от напряжения на ее зажимах»…………………………………………………..…………………….......40
Забиваем Сайты В ТОП КУВАЛДОЙ - Уникальные возможности от SeoHammer
Каждая ссылка анализируется по трем пакетам оценки: SEO, Трафик и SMM.
SeoHammer делает продвижение сайта прозрачным и простым занятием.
Ссылки, вечные ссылки, статьи, упоминания, пресс-релизы - используйте по максимуму потенциал SeoHammer для продвижения вашего сайта.
Что умеет делать SeoHammer
— Продвижение в один клик, интеллектуальный подбор запросов, покупка самых лучших ссылок с высокой степенью качества у лучших бирж ссылок.
— Регулярная проверка качества ссылок по более чем 100 показателям и ежедневный пересчет показателей качества проекта.
— Все известные форматы ссылок: арендные ссылки, вечные ссылки, публикации (упоминания, мнения, отзывы, статьи, пресс-релизы).
— SeoHammer покажет, где рост или падение, а также запросы, на которые нужно обратить внимание.
SeoHammer еще предоставляет технологию Буст, она ускоряет продвижение в десятки раз,
а первые результаты появляются уже в течение первых 7 дней.
Зарегистрироваться и Начать продвижение
Лабораторное занятие №11 «Определение электрохимического эквивалента меди»………….42
Лабораторное занятие №12 «Изучение явления электромагнитной индукции»…….45
Лабораторное занятие №13 «Измерение силы тока в цепи с конденсатором»………...…48
Лабораторное занятие №14 «Измерение индуктивного сопротивления катушки»………50
Лабораторное занятие №15 «Изучение устройства и работы однофазного трансформатора»………………………………………………………………………………………………52
Лабораторное занятие №16 «Изучение работы простейшего детекторного радиоприемника»……………………………………………………………………………………………....54
Лабораторное занятие №17 «Измерение длины световой волны с помощью дифракционной решетки»…………………………………………………………………………………...57
Лабораторное занятие №18 «Определение показателя преломления стекла»…………..…60
Лабораторное занятие №19 «Наблюдение сплошного и линейчатого спектров»………....62
Лабораторное занятие №20 «Изучение треков заряженных частиц по готовым фотографиям»…………………………………………………………………..……..64
6.Список литературы……………………………………………………………..........67
Приложение1…………………………………………..…………………………………68
Приложение2………………………………………………………………………..……69
Приложение3……………………………………………………………………………..70
| 1.ВВЕДЕНИЕ
Курс «Физика» для средних специальных учебных заведений является общеобразовательной дисциплиной и служит основой для изучения ряда дисциплин, формирующих технологические компетенции.
Физика — наука экспериментальная, поэтому физический эксперимент является корневой структурой физического образования. Лабораторные работы проводятся с целью повторения, углубления, расширения и обобщения полученных знаний из разных тем курса физики; развития и совершенствования у учащихся экспериментальных умений; формирования у них самостоятельности при решении задач, связанных с экспериментом. Составной частью современного научного познания является эксперимент, отличающийся от наблюдения активным оперированием реальными объектами, позволяющий изолировать изучаемый объект или процесс от побочных явлений или предметов. "Задача физики - по Галилею, - придумать эксперимент, повторить его несколько раз, исключив или уменьшив влияние возмущающих факторов..." Получая в ходе проведения эксперимента числовой результат, обучающихся должен понимать, какие допущения и пренебрежения были сделаны при постановке опыта и проведении расчетов. С этой позиции он должен оценивать и сопоставлять с табличными данными полученный результат, формулировать вывод.
Сервис онлайн-записи на собственном Telegram-боте
Попробуйте сервис онлайн-записи VisitTime на основе вашего собственного Telegram-бота:
— Разгрузит мастера, специалиста или компанию;
— Позволит гибко управлять расписанием и загрузкой;
— Разошлет оповещения о новых услугах или акциях;
— Позволит принять оплату на карту/кошелек/счет;
— Позволит записываться на групповые и персональные посещения;
— Поможет получить от клиента отзывы о визите к вам;
— Включает в себя сервис чаевых.
Для новых пользователей первый месяц бесплатно.
Зарегистрироваться в сервисе
Описание лабораторных работ составлено по традиционному принципу с включением целей , теоретической и экспериментальной части работы с примерами записи полученных результатов в виде таблиц и графиков. Отдельно вынесены вопросы для самостоятельной проработки, приведен перечень рекомендуемой литературы. В теоретической части описания лабораторных работ сформулированы основные понятия и физические законы по теме работы, приведено обоснование и вывод рабочих формул. В экспериментальной части описания предлагается применение различных методик определения характеристик физических систем или универсальных физических постоянных, проверки физических законов.
Количество часов на лабораторные работы, определенных учебной программой , составляет 40 часов. Лабораторные работы выполняются бригадами по 2 человека. На выполнение одной работы отводится на 2 академические часа.
2. ПОГРЕШНОСТИ ИЗМЕРЕНИИ
Измерение- это нахождение числового значения физической величины опытным путем с помощью средств измерений (линейки, вольтметра, часы и т.д.).
Измерения могут быть прямыми и косвенными.
Прямое измерение- это нахождение числового значения физической величины непосредственно средствами измерений. Например, длину - линейкой, атмосферное давление- барометром.
Косвенное измерение- это нахождение числового значения физической величины по формуле, связывающей искомую величину с другими величинами, определяемыми прямыми измерениями. Например: сопротивление проводника определяют по формуле R=U/I, где U и I измеряются электроизмерительными приборами. Поэтому измерения никогда не могут быть выполнены абсолютно точно. Результат любого измерения приближенный. Неопределенность в измерении характеризуется погрешностью - отклонением измеренного значения физической величины от ее истинного значения.
Перечислим некоторые из причин, приводящих к появлению погрешностей.
1. Ограниченная точность изготовления средств измерения.
2. Влияние на измерение внешних условий (изменение температуры, колебание напряжения ...).
3. Действия экспериментатора (запаздывание с включением секундомера, различное положение глаза...).
4. Приближенный характер законов, используемых для нахождения измеряемых величин.
Перечисленные причины появления погрешностей неустранимы, хотя и могут быть сведены к минимуму. Для установления достоверности выводов, полученных в результате научных исследований, существуют методы оценки данных погрешностей.
2. Случайные и систематические погрешности
Погрешности, возникающие при измерениях, делятся на систематические и случайные.
Систематические погрешности- это погрешности, соответствующие отклонению измеренного значения от истинного значения физической величины всегда в одну сторону (повышения или занижения). При повторных измерениях погрешность остается прежней.
Причины возникновения систематических погрешностей:
1) несоответствие средств измерения эталону;
2) неправильная установка измерительных приборов (наклон, неуравновешенность);
3) несовпадение начальных показателей приборов с нулем и игнорирование поправок, которые в связи с этим возникают;
4) несоответствие измеряемого объекта с предположением о его свойствах (наличие пустот и т.д).
Случайные погрешности- это погрешности, которые непредсказуемым образом меняют свое численное значение. Такие погрешности вызываются большим числом неконтролируемых причин, влияющих на процесс измерения (неровности на поверхности объекта, дуновение ветра, скачки напряжения и т.д.). Влияние случайных погрешностей может быть уменьшено при многократном повторении опыта.
Абсолютные и относительные погрешности
Для количественной оценки качества измерений вводят понятия абсолютной и относительной погрешностей измерений.
Как уже говорилось, любое измерение дает лишь приближенное значение физической величины, однако можно указать интервал, который содержит ее истинное значение
Апр
- DА < Аист
< Апр
+ DА
Величина DА называется абсолютной погрешностью измерения величины А. Абсолютная погрешность выражается в единицах измеряемой величины. Абсолютная погрешность равна модулю максимально возможного отклонения значения физической величины от измеренного значения. Апр
- значение физической величины, полученное экспериментально, если измерение проводилось многократно, то среднее арифметическое этих измерений.
Но для оценки качества измерения необходимо определить относительную погрешность e
e= DА/Апр
или e= (DА/Апр
)*100%.
Если при измерении получена относительная погрешность более 10%, то говорят, что произведена лишь оценка измеряемой величины. В лабораториях физического практикума рекомендуется проводить измерения с относительной погрешностью до 10%. В научных лабораториях некоторые точные измерения (например определение длины световой волны), выполняются с точностью миллионных долей процента.
Погрешности средств измерений
Эти погрешности называют еще инструментальными или приборными. Они обусловлены конструкцией измерительного прибора, точностью его изготовления и градуировки. Обычно довольствуются о допустимых инструментальных погрешностях, сообщаемых заводом изготовителем в паспорте к данному прибору. Эти допустимые погрешности регламентируются ГОСТами. Это относится и к эталонам. Обычно абсолютную инструментальную погрешность обозначают D иА.
Если сведений о допустимой погрешности не имеется (например у линейки), то в качестве этой погрешности можно принять половину цены деления.
При взвешивании абсолютная инструментальная погрешность складывается из инструментальных погрешностей весов и гирь. В таблице приведены допустимые погрешности наиболее часто встречающихся в школьном эксперименте средств измерения.
| Средства измерения
|
Предел измерения
|
Цена деления
|
Допустимая погрешность
|
| линейка ученическая
|
до 50 см
|
1 мм
|
1 мм
|
| линейка демонстрационная
|
100 см
|
1 см
|
0.5 см
|
| лента измерительная
|
150 см
|
0.5 см
|
0.5 см
|
| мензурка
|
до 250 мл
|
1 мл
|
1 мл
|
| гири 10,20, 50 мг
|
1 мг
|
| гири 100,200 мг
|
2 мг
|
| гири 500 мг
|
3 мг
|
| гири 1 г
|
4 мг
|
| гири 2 г
|
6 мг
|
| гири 5 г
|
8 мг
|
| гири 10 г
|
12 мг
|
| гири 20 г
|
20 мг
|
| гири 50 г
|
30 мг
|
| гири 100 г
|
40 мг
|
| штангенциркуль
|
150 мм
|
0.1 мм
|
0.05 мм
|
| микрометр
|
25 мм
|
0.01 мм
|
0.005 мм
|
| динамометр
|
4 Н
|
0.1 Н
|
0.05 Н
|
| весы учебные
|
200 г
|
0.1 г
|
| Секундомер
|
0-30 мин
|
0.2 с
|
1с за 30 мин
|
| барометр-анероид
|
720-780 мм рт.ст.
|
1 мм рт.ст
|
3 мм рт.ст
|
| термометр лабораторный
|
0-100 градусов С
|
1 градус
|
1 градус
|
| амперметр школьный
|
2 А
|
0.1 А
|
0.08 А
|
| вольтметр школьный
|
6 В
|
0.2 В
|
0.16 В
|
Класс точности электроизмерительных приборов
Стрелочные электроизмерительные приборы по допустимым значениям погрешностям делятся на классы точности, которые обозначены на шкалах приборов числами 0,1; 0,2; 0,5; 1,0; 1,5; 2,5; 4,0. Класс точности g пр
прибора показывает, сколько процентов составляет абсолютная погрешность от всей шкалы прибора
g пр
= (D и
А/Амакс
)*100% .
Например абсолютная инструментальная погрешность прибора класса 2,5 составляет 2,5% от его шкалы.
Если известен класс точности прибора и его шкала, то можно определить абсолютную инструментальную погрешность измерения
D иА=( g пр
* Амакс
)/100.
Для повышения точности измерения стрелочным электроизмерительным прибором надо выбирать прибор с такой шкалой, чтобы в процессе измерения располагались во второй половине шкалы прибора.
Погрешность отсчета
Погрешность отсчета получается от недостаточно точного отсчитывания показаний средств измерений.
В большинстве случаев абсолютную погрешность отсчета принимают равной половине цены деления. Исключения составляют измерения стрелочными часами (стрелки передвигаются рывками).
Абсолютную погрешность отсчета принято обозначать D оА
Полная абсолютная погрешность прямых измерений
При выполнении прямых измерений физической величины А нужно оценивать следующие погрешности: D иА, D оА и D сА (случайную). Конечно, иные источники ошибок, связанные с неправильной установкой приборов, несовмещение начального положения стрелки прибора с 0 и пр. должны быть исключены.
Полная абсолютная погрешность прямого измерения должна включать в себя все три вида погрешностей.
Если случайная погрешность мала по сравнению с наименьшим значением, которое может быть измерено данным средством измерения (по сравнению с ценой деления), то ее можно пренебречь и тогда для определения значения физической величины достаточно одного измерения. В противном случае теория вероятностей рекомендует находить результат измерения как среднее арифметическое значение результатов всей серии многократных измерений, погрешность результата вычислять методом математической статистики. Знание этих методов выходит за пределы школьной программы.
Запись окончательного результата прямого измерения
Окончательный результат измерения физической величины А следует записывать в такой форме
А=Апр
+
D А, e= (DА/Апр
)*100%.
Апр
- значение физической величины, полученное экспериментально, если измерение проводилось многократно, то среднее арифметическое этих измерений. D А- полная абсолютная погрешность прямого измерения.
Абсолютную погрешность обычно выражают одной значащей цифрой.
Пример: L=(7,9 +
0,1) мм, e=13%.
Погрешности косвенных измерений
При обработке результатов косвенных измерений физической величины, связанной функционально с физическими величинами А, В и С, которые измеряются прямым способом, сначала определяют относительную погрешность косвенного измерения e= DХ/Хпр
, пользуясь формулами, приведенными в таблице (без доказательств).
Абсолютную погрешность определяется по формуле DХ=Хпр
*e,
где e выражается десятичной дробью, а не в процентах.
Окончательный результат записывается так же, как и в случае прямых измерений.
| Вид функции
|
Формула
|
| Х=А+В+С
|

|
| Х=А-В
|

|
| Х=А*В*С
|

|
| Х=Аn
|

|
| Х=А/В
|

|
| Х= 
|

|
3. СВЕДЕНИЯ О ПРИБЛИЖЕННЫХ ВЫЧИСЛЕНИЯХ
При работе с приближенными числами необходимо соблюдать следующие правила:
1. При сложении и вычитании приближенных чисел в результате следует сохранять столько десятичных знаков, сколько их в числе с наименьшим количеством десятичных знаков.
Пример:
1,82 + 14, 368 3 + 5,8 = 1,82 + 14,37 + 5,8 = 22,0.
2. При умножении и делении в результате следует сохранять столько значащих цифр, сколько их в приближенном числе с наименьшим количеством значащих цифр.
Примеры
: 83 973 ∙ 0,4 = 84 ∙103
∙ 0,4 = 33,6 ∙ 103
= 3 ∙104
.
3. При возведении в квадрат и клуб в результате следует сохранять столько значащих цифр, сколько их имеет возводимое в степень приближенное число.
Примеры
: 1,322
= 1,74; 3,63
= 46.
4. При извлечении квадратного и кубического корней в результате следует брать столько значащих цифр, сколько их в подкоренном приближенном числе.
Примеры
: = 1,89 ∙ 10-4
; = 1,61.
5.
При вычислении промежуточных результатов следует брать на одну цифру больше, чем рекомендуют правила. В окончательном результате эта "запасная" цифра отбрасывается.
6.
Пример:

4. МЕТОДИКА ВЫПОЛНЕНИЯ ЛАБОРАТОРНЫХ РАБОТ
4.1 ПОДГОТОВКА К ЛАБОРАТОРНЫМ РАБОТАМ
Подготовка к проведению лабораторных работ начинается в начале теоретического изложения изучаемой темы на уроках физики и продолжается по ходу её изучения при освоении материала на занятиях в техникуме и работе над ним в ходе самостоятельной подготовки дома и в библиотеках. Для качественного выполнения лабораторных работ студентам необходимо:
1) повторить теоретический материал по конспекту и учебникам;
2) ознакомиться с описанием лабораторной работы;
3) в специальной рабочей тетради записать название и номер работы, перечень необходимого оборудования, подготовить схему или зарисовку установки, таблицы для записи результатов измерений и вычислений, подготовить миллиметровую бумагу и графический масштаб для построения графиков;
4) выяснить цель работы, четко представить себе поставленную задачу и способы её достижения, продумать ожидаемые результаты опытов;
5) ответить устно или письменно на контрольные вопросы по изучаемой теме или решить ряд задач;
6) изучить порядок выполнения лабораторной работы. Подготовить лабораторное оборудование к работе, если нужно собрать электрическую схему. После проверки правильности собранной схемы преподавателем можно начинать выполнение лабораторной работы.
4.2 СБОРКА ЭЛЕКТРИЧЕСКОЙ ЦЕПИ
При сборке электрических цепей требуется придерживаться следующих правил:
1) Проводить сборку цепи при отключенном источнике напряжения;
2) Вначале собирается последовательная цепь, а затем к ней присоединяются параллельные участки;
3) Сборку цепи начинают с "+" источника, а заканчивают на источнике напряжения;
4) При сборке цепей постоянного тока необходимо соблюдать полярность включения электроизмерительных приборов. "+" приборов необходимо подключать к "+" источника, а "-" приборов к "–" источника.
5) При выполнении лабораторных работ необходимо соблюдать правила техники безопасности, быть аккуратным, бережно относиться к оборудованию и приборам.
4.3 ВЫПОЛНЕНИЕ ИЗМЕРЕНИЙ И ВЫЧИСЛЕНИЙ
1) Выполните лабораторную работу. При этом будьте внимательны при снятии показаний измерительных приборов. Старайтесь снять показания точнее, без излишне грубого округления. Результаты измерений занесите в таблицу.
2) Проведите вычисления искомых величин. При этом не нужно оставлять лишние цифры после запятой. Например, если U=12,3В и I=0,53А, то R=U/I=12,3B/0,53A=23,20754 Ом. Нет никакого смысла в результате вычисления сопротивления оставлять после запятой 5 знаков. Так как напряжение измерено с точностью до десятых долей вольта, то результат измерения сопротивления не будет превосходить эту точность. Точность измерения сопротивления будет ниже, чем точность измерения напряжения, поэтому в качестве ответа необходимо оставить R=23,2 Ом.
3) При вычислении относительной погрешности измерения, если δx < 10%, то результаты хорошие, δx < 20% - удовлетворительные и δx >20% - неудовлетворительные.
4) При вычислении абсолютной и относительной погрешностей необходимо знать правила округления:
4.1. В результате оставить одну значащую цифру, если число начинается с цифр 4,5,6,7,8,9
4.2. В результате оставить две значащие цифры, если число начинается с цифр 1,2,3 Например: δx =12,3%. Применяя правила округления, в качестве ответа запишем: δx =12%. Если δx=43,1%, то ответ будет δx =40%
5) При построении графиков необходимо выяснить функциональную зависимость. Аргумент (независимая переменная) откладывается по горизонтальной оси, а функция – по вертикальной. Необходимо правильно выбрать масштаб по осям координат. Масштаб не должен быть слишком большим или слишком малым. В противном случае график будет или очень маленьким, или очень большим. По осям координат откладываются не произвольные числа, а числа кратные (1,2,3,4,5)*10 , где К=0,1,2,…
6) Сделать выводы по лабораторной работе.
4.4 СОСТАВЛЕНИЕ ОТЧЕТА
Составление отчета - индивидуальная работа студента. Отчет является документом о проделанном эксперименте, поэтому в нем должны быть приведены все необходимые сведения для проверки результатов опытов и расчетов. Страницы отчета должны быть оформлены в соответствии с ГОСТ.
Также в отчет должны входить:
· цель работы;
· теория;
· оборудование;
· схема опыта, если она приводится;
· таблицы данных;
· применяемые формулы и расчеты по ним;
· графики зависимости при требовании в порядке выполнения работы;
· выводы по результатам измерений и вычислений;
· ответы на контрольные вопросы или решения задач.
Схемы, таблицы, графики и другие построения выполняются только черным карандашом (тушью), чертежными инструментами. При выполнении схем должны соблюдаться стандартные обозначения (ГОСТы) указываемых элементов. Исправления и помарки в отчете не допускаются.
При выполнении всех вышеуказанных требований выполненная работа зачитывается преподавателем автоматически, в противном случае зачет производится по результатам собеседования с преподавателем.
4.5 ИНСТРУКЦИЯ ПО ТЕХНИКЕ БЕЗОПАСНОСТИ
Общие требования безопасности
· Перед началом выполнения лабораторных работ по физике преподаватель проводит инструктаж по технике безопасности.
· Студенты допускаются к выполнению лабораторных работ по физике при личной записи об ознакомлении и росписи в "Журнале по технике безопасности".
· В случае появления дыма, специфического запаха горелой изоляции, студент должен выключить установку и немедленно сообщить о произошедшем преподавателю.
Основные правила техники безопасности
· Не держите на рабочем месте предметы, не требующиеся при выполнении задания.
· Перед тем как приступить к выполнению работы, тщательно изучите её описания, уясните ход её выполнения.
· Произведите сборку электрических цепей, переключения в них, монтаж и ремонт электрических устройств только при отключении источника питания. Запрещается подключать к электрической сети 220В приборы и оборудование без разрешения преподавателя.
· Следите, чтобы изоляция проводов была исправна, а на концах проводов были наконечники.
· При сборке электрической цепи, провода располагайте аккуратно, а наконечники плотно зажимайте клеммами.
· Выполняйте наблюдения и измерения, соблюдая осторожность, чтобы случайно не прикоснуться к оголённым проводам (токоведущим частям, находящимся под напряжением).
· По окончании работы отключите источник электропитания, после чего разберите электрическую цепь.
· Обнаружив неисправность в электрических устройствах, находящихся под напряжением, немедленно отключите источник электропитания и сообщите об этом преподавателю.
ЛАБОРАТОРНАЯ РАБОТА №1
ИЗМЕРЕНИЕ УСКОРЕНИЯ СВОБОДНОГО ПАДЕНИЯ
С ПОМОЩЬЮ МАТЕМАТИЧЕСКОГО МАЯТНИКА
Цель
: вычислить ускорение свободного падения при помощи математического маятника.
Оборудование:
1. часы с секундной стрелкой;
2. измерительная лента
3. шарик с отверстием
4. нить
5. штатив с муфтой и кольцом.
Теория:
Как известно, гравитационное поле Земли в любой точке ее поверхности характеризуется ускорением свободного падения g. Ускорение свободного падения можно определить экспериментально с помощью математического маятника. Математическим маятником называют материальную точку массой m, подвешенную на невесомой, нерастяжимой нити и совершающей гармонические колебания в вертикальной плоскости. Период колебаний математического маятника выражается следующей формулой:
(1),
где –длина подвеса, g-ускорение свободного падения, T – период малых колебаний маятника. Из формулы (1) можно вычислить ускорение свободного падения:
(2)
Из формулы (2) видно, что для определения ускорения свободного падения необходимо знать длину подвеса и период малых колебаний маятника. Длина может быть измерена непосредственно с помощью линейки (мерной ленты).
Порядок выполнения работы
1. Установите на краю стола штатив. У верхнего конца укрепите при помощи муфты кольцо и подвесьте к нему шарик на нити. Шарик должен висеть на расстоянии 3–5 см от пола.
2. Отклоните маятник от положения равновесия на 5–8 см и отпустите его.
3. Измерьте длину подвеса мерной лентой.
4. Измерьте время Δ
t
40 полных колебаний (N
).
5. Повторите измерения Δ
t
(не изменяя условий опыта) и найдите среднее значение Δ
t
ср
6. Вычислите среднее значение периода колебаний Т
ср
по среднему значению Δ
t
ср.
7. Вычислите значение gср
по формуле:

8. Полученные результаты занесите в таблицу:
| Номер опыта
|
l,
м
|
N
|
Δ
t , c
|
Δ
t
ср
, c
|

|
g ср
, 
|
| 1
|
| 2
|
| 3
|
9. Сравните полученное среднее значение для g ср
со значением g =9.8м/с2
и рассчитайте относительную погрешность измерения по формуле:
εg

Контрольные вопросы
Вариант 1
1. Что называется математическим маятником?.
2. Что называется механическим колебанием?.
3. Чтобы помочь шоферу вытащить автомобиль, застрявший в грязи, несколько человек
раскачивают автомобиль, причем толчки, как правило, производятся по команде. Важно ли, через какие промежутки времени подавать команду?.
4. Математический маятник за 10 с совершил 20 полных колебаний. Найти период колебаний.
5. Во сколько раз изменится частота колебаний математического маятника при увеличении длины нити в 3 раза?.
Вариант 2
1. Какие колебания называют вынужденными?.
2. Что называют резонансом?.
3. Спортсмен раскачивается при прыжках на батуте со строго определенной частотой. От чего зависит эта частота?.
4. Частота колебаний крыльев комара 600 Гц, а период колебаний крыльев шмеля 5 мс. Какое из насекомых сделает при полете больше взмахов крыльями за 1 мин и на сколько?.
5. Как относятся длины математических маятников, если за одно и то же время один
совершает 10, а второй 30 колебаний? .
Рекомендуемая литература
1. Кикоин А.К, Кикоин И.К. Физика: учебник для 10 класса для школ с углубленным изучение физики. – М.: Просвещение, 1998. (Стр.11-25)
2. Омельченко В.П., Антоненко Г.В. Физика.- Р., 2005. (Стр. 63-76)
ЛАБОРАТОРНАЯ РАБОТА №2
НАБЛЮДЕНИЕ БРУНОВСКОГО ДВИЖЕНИЯ
Цель:
осуществить наблюдение броуновское движение с помощью школьного микроскопа.
Оборудование
:
1. Школьный микроскоп.
2. Окуляр 15х.
3. Объектив 40х.
4. Акварельные краски (тушь) , 1-2 см3 молока.
5. Предметные и покровные стекла (5-6 шт.).
6. Два сосуда с водой разной температуры.
Теория
.
Броуновское движение - это беспорядочное движение малых (размерами в несколько мкм и менее) частиц, взвешенных в жидкости или газе , ,происходящее под действием толчков со стороны молекул окружающей среды. Открыто оно р.Броуном в 1827 году. Видимые только под микроскопом взвешенные частицы движутся независимо друг от друга и описывают сложные зигзагообразные траектории. Броуновское движение не ослабевает со временем и не зависит от химических свойств среды, его интенсивность увеличивается с ростом температуры среды и с уменьшением её вязкости и размеров частиц.
Последовательно объяснение броуновского движения было дано А. Эйнштейном и М.Смолуховским в 1905-1906 годах на основе молекулярно-кинетической теорий. Согласно этой теории, молекулы жидкости или газа находятся в постоянном тепловом движении, причём импульсы различных молекул неодинаковы по величине и направлению. Если поверхность частицы, помещённой в такую среду, мала, как это имеет место для броуновской частицы, то удары, испытываемые частицей со стороны окружающих её молекул, не будут точно компенсироваться. Поэтому в результате»бомбардировки» молекулами жидкости или газа броуновская частицы приходит в беспорядочное движение, меняя величину и направление своей скорости примерно 1014
раз в секунду. Характер движения частиц при броуновском движении можно посмотреть на рис.1.

Рис.1
Броуновское движение наблюдается в более сложных формах в технике. Это - тепловые шумы в радиосхемах, вибрации легких деталей в измерительных приборах и т.п.
Осуществить наблюдение броуновского движения можно с помощью школьного микроскопа. Внешний вид микроскопа показан на рис.2

Рис.2
Он состоит из: окуляра-1, винта настройки-2, кронштейна-3, упорного винта-4, пружинного держателя-5, шарнира-6, основания-7, осветительного устройства-8, дисковой диафрагмы-9, предметного столика, микрообъектива-11, револьверной головки объективов-12, тубусодержателя-13.
Для работы установите"микроскоп на стол предметным столиком от себя. Для удобства наблюдения тубусодержатель можно наклонить. Установите предметное стекло с препаратами на предметный столик, прижав его пружинными держателями. Глядя в окуляр, при помощи винтов настройки медленно поднимайте или опускайте тубус микроскопа до тех пор, пока в поле зрения не появится изображение препарата. При фокусировке можно осторожно передвигать препарат, т.к., подвижное изображение гораздо легче заметить, чем неподвижное. Найдя изображение, еще более медленным вращением винтов добейтесь наиболее резкого изображения. Качество изображения в микроскопе в значительной степени зависит от освещения, поэтому настройка освещения является важной подготовительной операцией. Свет от источника (окно, лампа) должен с помощью зеркала направляться через диафрагму предметного столика на препарат. Предметный столик снабжен диском, поворотом которого можно менять диаметр отверстия диафрагмы. Наблюдая в окуляр, поворачивайте зеркало до тех пор, пока все поле зрения не окажется равномерно освещенным. Фокусировка может считаться законченной, когда будут максимально устранены недостатки изображения в виде полос, пятен, бликов. Ведя наблюдение, не закрывайте свободный глаз для предупреждения его утомления.
Порядок выполнения работы
1. Подготовить микроскоп для работы.
2. На предметное стекло нанести кисточкой 1-2 капли воды.
3. Коснутся несколько раз той же кисточкой поверхности краски (туши) и снова ввести кисточку в приготовленные капли.
4. Каплю окрашенной жидкости кисточкой перенести на другое предметное стекло и закрыть покровным стеклом.
5. Приготовленный препарат положить на предметный столик микроскопа. Зеркало микроскопа направить на источник света, чтобы получить хорошее освещение препарата.
6. Опустить объектив кремальерным винтом на расстояние ~ 0,5 покровного стекла.
7. Наблюдая в микроскоп, сфокусировать изображение микрометрическим винтом.
8. Сосредоточить внимание на какой-нибудь одной из наиболее легких броуновских частиц и, пронаблюдать за ее положением, сделать вывод о характере движения частицы.
9. Опыт повторить с водой более высокой температуры и с раствором молока. Сделать вывод.
10. Выполнить схематический чертёж наблюдаемого явления.
Контрольные вопросы
Вариант1
1. Что называют броуновским движением? Как объяснить это явление?
2. Почему, чем больше размер частиц, тем менее заметно их броуновское движение?
3. Почему с повышением температуры интенсивность броуновского возрастает?
4. Будет ли наблюдаться броуновское движение при температуре t=-273 C?
5. Можно ли наблюдать броуновское движение в условиях невесомости?
Вариант 2
1. Назовите причину возникновения броуновского движения
2. Одинакова ли интенсивность движения броуновских частиц одного размера, находящихся в жидкостях одной температуры, но разной плотности?
3. Какое положение МКТ доказывают броуновское движение?
4. Чем отличается броуновское движение от диффузии?
5. Чем похоже броуновское движение с диффузией?
Рекомендуемая литература
1. Кикоин А.К, Кикоин И.К. Физика: учебник для 10 класса для школ с углубленным изучение физики. – М.: Просвещение, 1998. (Стр.28-41)
2. Омельченко В.П., Антоненко Г.В. Физика.- Р., 2005. (Стр. 94-105)
ЛАБОРАТОРНАЯ РАБОТА №3
ПРОВЕРКА ЗАВИСИМОСТИ МЕЖДУ ОБЪЕМОМ, ДАВЛЕНИЕМ
И ТЕМПЕРАТУРОЙ ДЛЯ ДАННОЙ МАССЫ ГАЗА.
Цель работы: опытным путем проверить справедливость уравнения состояния газа.
Оборудование:
1. Прибор для проверки уравнения состояния газа (укороченный манометр).
2. Стакан химический с горячей водой.
3. Термометр.
4. Барометр (общий для всех)
Теория
Состояние данной массы газа характеризуется тремя параметрами: объемом V, давлением Р и термодинамической температурой Т. В природе и технике, как правило, происходит изменение всех трех величин одновременно, но при этом соблюдается закономерность, выраженная уравнением состояния газа:
P1•
V1
/T1
=P2•
V2
/T2
=P•V/Т, при m = const.
Для данной массы газа произведение объема на давление, деленное на термодинамическую температуру, есть величина постоянная. Проверить эту зависимость экспериментально можно, используя укороченный манометр (см. рис.1).
Рис. 1.
Прибор состоит из "V''- образной трубки, запаянной с одного конца. Стеклянная трубка наполнена маслом и закреплена на металлической пластинке с делениями, по которой определяется высота столбика газа Н, закрытого маслом, разность уровней масла h.
Порядок выполнения работы
Опыт 1
1. Измерить величину атмосферного давления по барометру Ратм
.
2. Измерить температуру в комнате, она же первоначальная температура газа в закрытой трубке манометра Т1
.
3. Зарисовать положение масла в манометре (обозначить - опыт 1), указать численное значение его уровней в обоих коленах трубки.
4. Измерить длину газового столбика H1
в закрытой трубке (см. рис.1.). Объем столбика газа численно равен его длине (V = Н (V) - в таблице 1).
5. Измерить величину разности уровня масла в коленах трубки манометра h1
.
6. Рассчитать давление масла, создаваемое разностью его уровней по формуле:
Pм
=ρм
gh1
где ρм
= 9,2*102
кг/м3
, g = 10 м/с2
.
7. Вычислить величину давления газа в закрытой трубке манометра по формуле: P1
=Ратм
±Рм
, в зависимости от положения масла в коленах манометра (выбрать вариант по рисункам 1 и 2).
8. Сделать вычисления постоянной C1
= P1
• H1
/ T1
.

| Рис.1.
P1
=Ратм
+Рм
|
|
Рис.2.
P1
=Ратм
–Рм
|
| Возможные положения уровня масла в манометре
|
Опыт 2
1. Поместить манометр в стакан с горячей водой.
2. Измерить температуру горячей воды Т2
.
3. Сделать 2-ой рисунок положения уровней масла в манометре (обозначить - опыт2), новые измерения и вычисления для опыта 2 так же как в пунктах 4-7 опыта 1.
4. Сделать вычисления постоянной С2
= Р2
* Н2
/ Т2
.
5. Найти из опытов 1 и 2 среднее значение постоянной "С": Сср
= (C1
+C 2
) / 2
6. Вычислить абсолютную погрешность измерений: ΔС = | Сср
- C1
|
7. Вычислить относительную погрешность измерений: δC=ΔC1
* 100% / Сср
8. Результаты измерений и вычислений занести в таблицу 1.
9. Все вычисления по опытам 1 и 2 подробно записать до таблицы 1.
Таблица 1.
| № опыта
|
Ратм
(Па)
|
H (V)
(м)
|
h
(м)
|
Рм
(Па)
|
Р (газа)
(Па)
|
C
(Па м/К)
|
ΔC
(Па м/К)
|
δC
(%)
|
| 1
|
| 2
|
Контрольные вопросы
Вариант 1
1. Почему в данной работе объем газа можно выражать в условных единицах?
2. Изменится ли данное число "С", если опыт проводить с другой массой газа?
3. Определить массу 20 л воздуха, находящегося при температуре 273К под давлением 30 атм.
4. В закрытом со всех сторон сосуде находится неидеальный газ, молекулы которого при ударах о стенки передают им часть кинетической энергии. Будет ли нагреваться сосуд, если он теплоизолирован от окружающей среды?
5. В баллоне находится газ при температуре 273 К и давлении 1,2·105
Па. Вследствие нагревания давление газа возросло до 1,8·105
Па. На сколько градусов нагрелся газ?
Вариант 2
1. Какие причины влияют на точность определения постоянной "С"?
2. Производит ли газ давление в состоянии невесомости?
3. Газ при давлении 126,6 кПа и температуре 300К занимает объем 0,60 м3
. Найти объем газа при нормальных условиях.
4. Запуск искусственных спутников Земли показал, что «температура» воздуха на высоте 1000 км достигает нескольких тысяч градусов. Почему же не расплавился спутник, двигаясь на указанной высоте? (Температура плавления железа 1520° С.)
5. Каким будет давление газа после его охлаждения от 30 до 0 о
С, если при 30 о
С давление газа было равно 2·105
Па? Объем считать постоянным.
Рекомендуемая литература
1. Кикоин А.К, Кикоин И.К. Физика: учебник для 10 класса для школ с углубленным изучение физики. – М.: Просвещение, 1998. (Стр.42-54)
2. Омельченко В.П., Антоненко Г.В. Физика.- Р., 2005. (Стр. 105-108)
ЛАБОРАТОРНАЯ РАБОТА №4
ОПРЕДЕЛЕНИЕ ОТНОСИТЕЛЬНОЙ ВЛАЖНОСТИ ВОЗДУХА
С ПОМОЩЬЮ ГИГРОМЕТРА И ПСИХРОМЕТРА
Цель:
1. Ознакомиться с устройством и принципом действия конденсационного гигрометра.
2. Научиться измерять и вычислять влажность воздуха.
3. Научиться пользоваться психрометрическими таблицами (Сборник вопросов и задач по физике [4] табл.8, 20).
Оборудование:
1. Конденсационный гигрометр (рис.1).
2. Термометр.
3. Эфир.
4. Психрометры (рис.2)
Теория
В атмосфере Земли всегда содержатся водяные пары. Их содержание в воздухе характеризуется абсолютной и относительной влажностью. Абсолютная влажность (ρа
) определяется массой водяного пара, содержащегося в 1 м3
воздуха, т.е. плотностью водяного пара. Абсолютную влажность можно определить по температуре точки росы
– температуре, при которой пар, находящийся в воздухе, становится насыщенным. Температуру точки росы определяют с помощью гигрометра, а затем по таблице "Давление насыщающих паров и их плотность при различных температурах" находят соответствующую температуре точки росы плотность. Найденная плотность и есть абсолютная влажность окружающего воздуха. Относительная влажность В показывает, сколько процентов составляет абсолютная влажность ρа
от плотности ρн
водяного пара, насыщающего воздух при данной температуре:
В = ρа
• 100% / ρн
(1)
Для определения относительной влажности используют гигрометр и психрометр. Гигрометры (от греч. hygros—влажный и metron—мера), приборы для определения влажности воздуха. Существует три основных типа гигрометра.: одни показывают абсолютную влажность, другие — относительную, третьи—точку росы. Гигрометры, определяющие влажность воздуха по точке росы, носят название конденсационных гигрометров. Из конденсационных гигрометров, наиболее простое устройство имеет зеркальный гигрометр Ламбрехта (см. рисунок 1).
 |
| Рис.1
Он состоит из металлической камеры 1, передняя часть 2 которой гладко отполирована; внутри камеры налит серный эфир и вставлен термометр 6 для измерения температуры эфира. В камеру входят две трубки, по которым посредством каучукового баллона 5 продувают через эфир воздух; при этом эфир испаряется, и вследствие этого температура воздуха в камере постепенно понижается. При опускании температуры до точки росы зеркальная наружняя поверхность 2 гигрометра покрывается мельчайшими капельками воды (запотевает) – «выпадает роса». При этом часть корпуса гигрометра 3 (внешнее кольцо) имеет комнатную температуру и остается сухой (для сравнения). Чем меньше влажность, тем ниже точка росы. Давление насыщенных паров при точке росы, определяемое по таблице 8 в сборнике вопросов и задач по физике [4]). Относительная влажность может быть определена по формуле (1).
Для определения относительной влажности особенно часто пользуются гигрометр, носящии название психрометр. Рассмотрим устройства психрометра Августа (см. рис. 2).

Рис.2
Он состоит: сухого термометра-1, панели-2, влажного термометра-3, чехла -4, сосуда с водой-5.
Психрометр Августа имеет два термометра: "сухой" и "влажный". Они так называются потому, что конец одного из термометров находится в воздухе, а конец второго обвязан кусочком марли, погруженным в воду. Испарение воды с поверхности влажного термометра приводит к понижению его температуры. Второй же, сухой термометр, показывает обычную температуру воздуха. Определение влажности основано на сравнении показаний сухого t
1
и смоченного t
2
термометров. Так как с поверхности резервуара смоченного термометра происходит испарение воды, то его температура будет ниже, чем сухого. Причем разность между показаниями термометров будет тем больше, чем меньше влажность воздуха, так как при малой влажности испарение происходит более интенсивно и показания влажного термометра будут меньшими. Понижение температуры смоченного термометра продолжается до тех пор, пока не наступит равновесие, при котором на испарение будет уходить столько тепла, сколько будет приходить из окружающей среды.
Порядок выполнения работы
Опыт 1
Работа с гигрометром
.
1. Измерить температуру окружающего воздуха tкомн
2. Наполнить камеру гигрометра летучей жидкостью (эфир 3-4 см3
)
3.
Установить термометр в камеру гигрометра (рис.1). При помощи груши продувать воздух через эфир и внимательно следить за полированной поверхностью стенки камеры 1, сравнивая ее с поверхностью кольца 2 (рис.1). Заметив появление росы (начало запотевания), записать температуру точки росы tросы
4. Опыт повторить 1-2 раза.
5. Определить температуру точки росы как среднее арифметическое измеренных температур.
6. По таблице (см. таблицу 1) определить плотность пара соответственно при температуре точки росы и комнатной. ρн
–плотность пара при точке росы, ρа
–плотность пара при комнатной температуре.
7. Вычислить относительную влажность B1
по формуле:
B1
= ρн
(tросы
) •*
100% / ρн
(tкомн
)
Опыт2
Работа с психрометром.
1. Проверить наличие воды в стаканчике психрометра и при необходимости долить ее.
2. Определить температуру сухого термометра tcyx
3. Определить температуру влажного термометра tвл
4. Определить разность показаний термометров: Δt = tсух
–tвл
, °С.Пользуясь психрометрической таблицей (см. таблицу 2), определить относительную влажность В2
.
5. Результаты измерений и вычислений записать в отчет по лабораторной работе.
Контрольные вопросы
Вариант 1.
1. Почему при продувании воздуха через эфир на полированной поверхности стенки камеры гигрометра появляется роса? В какой момент появляется роса?
2. Температура в помещении понижается, а абсолютная влажность остается прежней. Как изменится разность показаний термометров психрометра?
3. Почему после жаркого дня роса бывает более обильна?
4. При какой температуре выпадет роса, если абсолютная влажность воздуха 7,3*10-3
кг/м3
?
5. При понижении температуры от 27 до 10 градусов из каждого кубического метра воздуха выделилось 8 г воды. Какова была относительная влажность воздуха при 27 градусах?
Вариант 2.
1. Почему показания влажного термометра психрометра меньше показаний сухого термометра? При каком условии разность показаний термометров наибольшая?
2. Сухой и влажный термометры психрометра показывают одну и ту же температуру. Какова относительная влажность воздуха?
3. Почему перед дождём ласточки летают низко?
4. Относительная влажность воздуха 73% .Что показывает сухой и влажный термометры психрометра, если разность их показаний равна 4 градусам?
5. В сводке погоды днём сообщалось, что температура воздуха составляет 25 градусов, относительная влажность – 75% . Выпадет ли ночью роса, если температура понизится до 17 градусов?
Рекомендуемая литература
1. Кикоин А.К, Кикоин И.К. Физика: учебник для 10 класса для школ с углубленным изучение физики. – М.: Просвещение, 1998. (Стр.64-75)
2. Омельченко В.П., Антоненко Г.В. Физика.- Р., 2005. (Стр. 113-115)
| Таблица1. Давление насыщенных паров воды, мм рт. ст.
|
| Таблица 1
С°
|
Десятые доли градусов
|
| 0.0
|
0.1
|
0.2
|
0.3
|
0.4
|
0.5
|
0.6
|
0.7
|
0.8
|
0.9
|
| 5
|
6.54
|
6.59
|
6.64
|
6.68
|
6.73
|
6.78
|
6.82
|
6.87
|
6.92
|
6.97
|
| 6
|
7.01
|
7.06
|
7.11
|
7.16
|
7.21
|
7.26
|
7.31
|
7.36
|
7.41
|
7.46
|
| 7
|
7.51
|
7.57
|
7.62
|
7.67
|
7.72
|
7.78
|
7.83
|
7.88
|
7.94
|
7.99
|
| 8
|
8.05
|
8.10
|
8.16
|
8.21
|
8.27
|
8.32
|
8.38
|
8.44
|
8.50
|
8.55
|
| 9
|
8.61
|
8.67
|
8.73
|
8.79
|
8.85
|
8.91
|
8.97
|
9.03
|
9.09
|
9.15
|
| 10
|
9.21
|
9.27
|
9.33
|
9.40
|
9.46
|
9.52
|
9.59
|
9.65
|
9.72
|
9.78
|
| 11
|
9.85
|
9.91
|
9.98
|
10.04
|
10.11
|
10.18
|
10.25
|
10.31
|
10.38
|
10.45
|
| 12
|
10.52
|
10.59
|
10.66
|
10.73
|
10.80
|
10.87
|
10.94
|
11.02
|
11.09
|
11.16
|
| 13
|
11.23
|
11.31
|
11.38
|
11.46
|
11.53
|
11.61
|
11.68
|
11.76
|
11.84
|
11.91
|
| 14
|
11.99
|
12.07
|
12.15
|
12.23
|
12.30
|
12.38
|
12.46
|
12.55
|
12.63
|
12.71
|
| 15
|
12.79
|
12.87
|
12.96
|
13.04
|
13.12
|
13.21
|
13.29
|
13.38
|
13.46
|
13.55
|
| 16
|
13.64
|
13.72
|
13.81
|
13.90
|
13.99
|
14.08
|
14.17
|
14.26
|
14.35
|
14.44
|
| 17
|
14.53
|
14.63
|
14.72
|
14.81
|
14.91
|
15.00
|
15.10
|
15.19
|
15.29
|
15.38
|
| 18
|
15.48
|
15.58
|
15.68
|
15.78
|
15.87
|
15.97
|
16.07
|
16.18
|
16.28
|
16.38
|
| 19
|
16.48
|
16.59
|
16.69
|
16.79
|
16.90
|
17.00
|
17.11
|
17.22
|
17.32
|
17.43
|
| 20
|
17.54
|
17.65
|
17.76
|
17.87
|
17.98
|
18.09
|
18.20
|
18.31
|
18.43
|
18.54
|
| 21
|
18.66
|
18.77
|
18.89
|
19.00
|
19.12
|
19.24
|
19.35
|
19.47
|
19.59
|
19.71
|
| 22
|
19.83
|
19.95
|
20.08
|
20.20
|
20.32
|
20.45
|
20.57
|
20.70
|
20.82
|
20.95
|
| 23
|
21.07
|
21.20
|
21.33
|
21.46
|
21.59
|
21.72
|
21.85
|
21.98
|
22.12
|
22.25
|
| 24
|
22.38
|
22.52
|
22.65
|
22.79
|
22.93
|
22.07
|
23.20
|
23.34
|
23.48
|
23.62
|
| 25
|
23.76
|
23.91
|
24.05
|
24.19
|
24.34
|
24.48
|
24.63
|
24.77
|
24.92
|
25.07
|
| Таблица 2
Психрометрическая таблица относительной влажности воздуха
|
| 
|
Разность показаний сухого и влажного термометров
|
| 
|
0
|
0,5
|
1
|
1,5
|
2
|
2,5
|
3
|
3,5
|
4
|
4,5
|
5
|
5,5
|
6
|
6,5
|
7
|
7,5
|
8
|
| 1
|
100
|
90
|
81
|
73
|
64
|
57
|
50
|
43
|
36
|
31
|
26
|
20
|
16
|
11
|
7
|
3
|
| 2
|
100
|
90
|
82
|
74
|
66
|
59
|
52
|
45
|
39
|
33
|
29
|
23
|
19
|
16
|
11
|
7
|
| 3
|
100
|
90
|
83
|
75
|
67
|
61
|
57
|
47
|
42
|
35
|
31
|
26
|
23
|
18
|
14
|
10
|
| 4
|
100
|
90
|
83
|
76
|
69
|
63
|
56
|
49
|
44
|
39
|
34
|
29
|
26
|
21
|
17
|
13
|
10
|
| 5
|
100
|
91
|
84
|
77
|
70
|
64
|
57
|
51
|
46
|
41
|
36
|
32
|
28
|
24
|
20
|
16
|
14
|
| 6
|
100
|
91
|
85
|
78
|
71
|
65
|
59
|
54
|
48
|
43
|
39
|
34
|
30
|
27
|
23
|
19
|
17
|
| 7
|
100
|
92
|
85
|
78
|
72
|
66
|
61
|
56
|
50
|
45
|
41
|
35
|
33
|
29
|
26
|
22
|
19
|
| 8
|
100
|
92
|
86
|
79
|
73
|
67
|
62
|
57
|
52
|
47
|
43
|
39
|
35
|
31
|
28
|
25
|
22
|
| 9
|
100
|
92
|
86
|
80
|
74
|
68
|
63
|
58
|
54
|
49
|
45
|
41
|
37
|
33
|
30
|
27
|
25
|
| 10
|
100
|
93
|
86
|
81
|
75
|
70
|
65
|
60
|
55
|
51
|
47
|
43
|
39
|
35
|
32
|
29
|
27
|
| 11
|
100
|
94
|
87
|
82
|
76
|
71
|
66
|
61
|
57
|
53
|
48
|
45
|
41
|
38
|
34
|
31
|
28
|
| 12
|
100
|
94
|
88
|
82
|
77
|
72
|
67
|
62
|
58
|
55
|
50
|
47
|
43
|
40
|
36
|
33
|
30
|
| 13
|
100
|
94
|
88
|
82
|
78
|
73
|
68
|
63
|
59
|
56
|
52
|
48
|
44
|
42
|
38
|
35
|
32
|
| 14
|
100
|
94
|
88
|
83
|
78
|
73
|
69
|
64
|
61
|
57
|
57
|
50
|
46
|
43
|
40
|
37
|
34
|
| 15
|
100
|
94
|
89
|
83
|
79
|
74
|
70
|
66
|
62
|
58
|
54
|
51
|
47
|
45
|
41
|
36
|
30
|
| 16
|
100
|
94
|
89
|
84
|
80
|
75
|
71
|
67
|
63
|
59
|
55
|
52
|
49
|
46
|
43
|
41
|
37
|
| 17
|
100
|
95
|
90
|
84
|
80
|
75
|
72
|
67
|
64
|
60
|
57
|
53
|
50
|
48
|
44
|
42
|
39
|
| 18
|
100
|
95
|
90
|
84
|
81
|
76
|
73
|
68
|
65
|
61
|
58
|
54
|
52
|
49
|
46
|
44
|
40
|
| 19
|
100
|
95
|
90
|
85
|
81
|
76
|
74
|
69
|
66
|
62
|
59
|
56
|
53
|
50
|
47
|
45
|
42
|
| 20
|
100
|
95
|
91
|
85
|
82
|
77
|
74
|
70
|
66
|
63
|
60
|
57
|
54
|
51
|
48
|
46
|
43
|
| 21
|
100
|
95
|
91
|
86
|
82
|
78
|
75
|
71
|
67
|
64
|
61
|
58
|
55
|
53
|
49
|
47
|
44
|
| 22
|
100
|
95
|
91
|
86
|
83
|
79
|
75
|
71
|
68
|
65
|
62
|
59
|
56
|
54
|
51
|
49
|
46
|
| 23
|
100
|
95
|
91
|
87
|
83
|
79
|
76
|
72
|
69
|
65
|
63
|
60
|
57
|
55
|
52
|
50
|
47
|
| 24
|
100
|
96
|
91
|
87
|
83
|
80
|
76
|
72
|
69
|
66
|
63
|
61
|
58
|
56
|
53
|
51
|
48
|
| 25
|
100
|
96
|
92
|
88
|
84
|
80
|
77
|
73
|
70
|
67
|
64
|
62
|
59
|
56
|
53
|
52
|
49
|
ЛАБОРАТОРНАЯ РАБОТА №5
ОПРЕДЕЛЕНИЕ КОЭФФИЦИЕНТА ПОВЕРХНОСТНОГО
НАТЯЖЕНИЯ
ЖИДКОСТИ
Цель работы:
научится определять коэффициент поверхностного натяжения жидкости различными методами.
Оборудование:
1 .Бюретка с краном.
2.Сосуд с водой.
3.Сосуд для сбора капель.
4.Капиллярные трубки.
5.Масштабная линейка. 6.Миллиметровая бумага.
Теория
Молекулы в жидкости расположены на расстояниях, при которых проявляется действие их сил взаимного притяжения к друг другу. Потенциальная энергия взаимодействия молекул жидкости примерно равна их кинетической энергии .
В расположении молекул жидкости имеется ближний порядок
- упорядоченное расположение ее молекул в небольшом объеме. Каждая молекула жидкости колеблется около положения равновесия 10 -11
с, из которого скачком переходит к новому положению равновесия. Расстояния между молекулами жидкости сравнимы с диаметром молекул.
Основные свойства жидкости:
имеет собственный объем, текучесть, хрупкость, практически не сжимается, на границе с газом образует свободную поверхность. Большинство свойств жидкого состояния вещества ближе к свойствам твердого состояния, чем к свойствам газообразного.
Поверхностное натяжение.
Внутри жидкости ( см. рис. 1 ) силы притяжения на одну молекулу М1
со стороны соседних с ней молекул, взаимно компенсируются. На молекулы поверхностного слоя жидкости М2
действуют неуравновешенные силы притяжения к молекулам, расположенным внутри жидкости. Наличие этих сил приводит к поверхностному натяжению.

Рис.1
Поверхностное натяжение измеряется силой F
,
приходящейся на единицу длины контура l
, ограничивающего эту поверхность, и действующей по касательной к этой поверхности. Сила поверхностного натяжения
F
стремится сократить площадь свободной поверхности жидкости до минимума.
F
=σ ∙ l
(1)
где σ = F
/
l
- коэффициент поверхностного натяжения жидкости (в н/м).
При сокращении площади свободной поверхности жидкости совершается работа:
А=σ∙ΔS (2)
где σ =A/ΔS
Методы определения коэффициента поверхностного натяжения
Метод отрыва капель
.
Опыт осуществляют при помощи установки ( см. рис.2 ). Установка для определения коэффициента поверхностного натяжения состоит из штатива, на котором установлена бюретка с исследуемой жидкостью. Бюре́тка (от англ. burette) — тонкая проградуированная стеклянная трубка ёмкостью обычно 50 мл, открытая на одном конце и снабжённая стеклянным или тефлоновым запорным краном на другом. Предназначена для точного измерения небольших объемов жидкости. Крупные деления нанесены через каждый миллилитр, а мелкие — через 0,1 мл. На конце бюретки находится наконечник-трубка, в которой находится исследуемая жидкость.
Открывая кран бюретки так, чтобы из бюретки медленно падали капли. Перед моментом отрыва капли сила тяжести её P=mg равна силе поверхностного натяжения F, граница свободной поверхности- окружность шейки капли, P=F. Следовательно, F=mкап
g, поэтому σ=m кап
g/d. Опыт показывает, что dкап
=0,9 d, где d-диаметр канала узкого конца бюретки.
Метод подъема воды в капиллярах
Капиллярными явлениями называют подъем или опускание жидкости в трубках малого диаметра – капиллярах(см. рис.3). Смачивающие жидкости поднимаются по капиллярам, не смачивающие – опускаются. Подъем жидкости в капилляре продолжается до тех пор, пока сила тяжести действующая на столб жидкости в капилляре, не станет равной по модулю результирующей Fн
сил поверхностного натяжения, действующих вдоль границы соприкосновения жидкости с поверхностью капилляра: Fт
= Fн
, где Fт
= mg = ρhπr2
g, Fн
= σ2πr .Отсюда следует: h=2 / ρrg.

Рис.3
|
Рис.2
|
Порядок выполнения работы
Опыт 1
1. Собрать установку и наполнить бюретку водой
2. Измерить диаметр канала узкого конца бюретки.
3. Определить по шкале бюретки начальный объем воды V1
в мл
(1мл=10 -6
м 3
).
4. Поставить под бюретку сосуд, наполнить ее водой и, плавно открывая кран, добиться медленного отрывания капель (капли должны падать друг за другом через1-2с.)
5. Отсчитать 20-40 капель.
6. Определить конечный объем воды в бюретке V2
.
7. Найти объем капель по формуле: V = V2
– V1
.
8. Масса одной капли будет равна: mx
= .
9. Вычислить коэффициент поверхностного натяжения жидкости по формуле:
σ = 
где =103
кг/ м3
– плотность воды, d-диаметр бюретки, -ускорение свободного падения.
Опыт 2
1. Опустить в стакан с водой капиллярную трубку.
2. Измерить высоту подъёма воды h в капиллярной трубке над поверхностью воды в стакане(см.рис.3).
3. Измерить диаметр капилляра d, вычислить его радиус r=d/2.
4. Произвести вычисления коэффициента поверхностного натяжения по формуле
hr g/2
5. Результаты измерений и вычислений записать в таблицу 1.
6. Сравнить результаты с табличным значением коэффициента поверхностного натяжения табл
=0,072 Н/м и определить абсолютную погрешность методом оценки результатов измерений 
7. Определить относительную погрешность •100 /
8. Все вычисления подробно записать .
Таблица 1
| №
|
V
(м3
)
|

|
d
трубки
(м)
|
d
капли
(м)
|
r
(м)
|
(м)
|
(Н/м)
|


|
| 1
|
----
|
----
|
| 2
|
----
|
----
|
----
|
Контрольные вопросы
Вариант1
.
1. Почему поверхностное натяжение зависит от вида жидкости ?
2. В двух одинаковых пробирках находится одинаковое количество капель воды. В одной пробирке вода чистая , а в другой - с прибавкой мыла. Одинаковы ли объемы отмеренных капель ? Ответ обоснуйте.
3 . Изменится ли результат вычисления, если диаметр канала трубки будет меньше ?
4. Какую жидкость можно налить в стакан выше краев ?
5. Между двумя столбами натянута веревка. Как изменится прогиб веревки, если она намокнет от дождя ?
Вариант 2
.
1. Почему и как зависит поверхностное натяжение от температуры ?
2. Изменится ли результат вычисления поверхностного натяжения, если опыт про водить в другом месте Земли ?
3. Почему мокрое платье становится узко ?
4. Должны ли смазочные материалы смачивать трущиеся металлы ?
5. Изменится ли высота поднятия жидкости в капиллярной трубке, если ее наклонить?
Рекомендуемая литература
1. Кикоин А.К, Кикоин И.К. Физика: учебник для 10 класса для школ с углубленным изучение физики. – М.: Просвещение, 1998. (Стр.76-90)
2. Омельченко В.П., Антоненко Г.В. Физика.- Р., 2005. (Стр. 121-126)
ЛАБОРАТОРНАЯ РАБОТА №6
ОПРЕДЕЛЕНИЕ ЭЛЕКТРИЧЕСКОЙ ЕМКОСТИ КОНДЕНСАТОРА
Цель работы: н
аучится измерять электроемкость конденсатора.
Оборудование:
1. Набор конденсаторов.
2. Микроамперметр.
3. Источник постоянного тока
4. Соединительные провода.
Теория
Часть1
Важнейшей характеристикой любого конденсатора является его электрическая емкость С. Электроемкость проводника показывает зависимость заряда наэлектризованного проводника от размеров, формы проводника и внешних условий. Измеряется отношением заряда С конденсатора к разности потенциалов U между его обкладками:
С= (1)
Выражается С в фарадах(Ф).
Конденсатор - это прибор для накопления зарядов и энергии .Формула емкости плоского конденсатора
С= ε ε0
S/ d
(2)
где ε0
- диэлектрическая проницаемость вакуума, ε- диэлектрическая проницаемость среды (относительная), S -площадь обкладки конденсатора, d
- расстояние между обкладками конденсатора.
Емкость конденсатора можно определить опытным путем. Часть2.
Если заряжать конденсатор постоянной емкости от одного источника токи, а затем разряжать его через гальванометр, то стрелка гальванометра всякий раз будет отбрасываться по шкале на одно и то же число делений. У конденсатора другой емкости отброс стрелки гальванометра будет иным. Имея конденсаторы известной емкости, можно убедиться, что емкость конденсатора прямо пропорциональна числу делений n, на которое отбрасывается стрелка гальванометра:
n=kС (3)
Порядок выполнения работы
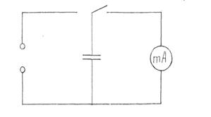
1. Составить электрическую цепь по схеме (рис. 1) В цепи установить один из конденсаторов известной емкости.

Рис.1
2. Зарядить конденсатор, затем быстро разрядить его на гальванометр и заметать по его шкале максимальное отклонение стрелки, отсчитывая число делений n.
3. Опыт повторить для более точного определения числа делений 2-3 раза и найти отношения найденного количества делений к известной емкости взятого конденсатора
k=n/С (4)
4. Выполнить опыт с конденсатором неизвестной емкости, найти ее, используя формулу:
Сx
= nx
/k (5)
Результаты измерений и вычислений записать в отчет.
Контрольные вопросы
Вариант 1
1. Конденсатор в переводе - «сгуститель». По какой причине прибору дано такое название?
2. Почему емкость конденсатора постоянна?
3.Отчего и как зависит ёмкость простейшего конденсатора? Запишите формулу той емкости.
4.Как изменится электроемкость конденсатора, если уменьшить площадь одной из го обкладок в два раза, а расстояние между обкладками в три раза?
5.Одна из пластин плоского конденсатора соединена с электрометром, вторая заземлена. Как изменятся показания электрометром а)
при сближении пластин; б) при введении диэлектрика.
Вариант 2
1.Какой конденсатор называется плоским? Чему равна его емкость?
2.
Какую опасность представляют собой обесточенные цепи с имеющимися в них конденсаторами?
3.Измениться ли разность потенциалов пластин плоского конденсатора, если одну из них заземлить?
4.Два конденсатора емкостью 5 и 7 мкФ последовательно подсоединены к источнику с разностью потенциалов 200 В. Каковы будут заряды и разность потенциалов батареи, если конденсаторы отсоединить от источника и соединить параллельно?
5. Одна из пластин плоского конденсатора соединена с электрометром, вторая заземлена. Как изменяться показания электрометра при перемещении одной из пластин параллельно другой пластине?
Рекомендуемая литература
1. Кикоин А.К, Кикоин И.К. Физика: учебник для 10 класса для школ с углубленным изучение физики. – М.: Просвещение, 1998. (Стр.170-183)
2. Омельченко В.П., Антоненко Г.В. Физика.- Р., 2005. (Стр. 147-176)
|
ЛАБОРАТОРНАЯ РАБОТА №7
ОПРЕДЕЛЕНИЕ УДЕЛЬНОГО СОПРОТИВЛЕНИЯ ПРОВОДНИКА
Цель работы
: научиться на практике рассчитывать удельное сопротивление проводника.
Оборудование
1. Реохорд.
2. Микрометр.
З. Амперметр и вольтметр.
4. Источник электрической энергии.
5. Ключ.
6. Соединительные провода.
Теория
Электрическое сопротивление проводников обусловлено тем, что свободные электроны при своем движении сталкиваются с положительно заряженными ионами кристаллической решетки металла.
Одной из важнейших характеристик проводника является также его удельное электрическое сопротивление ρ, которое показывает каким сопротивлением обладает проводник длиной 1м и площадью поперечного сечения 1м2
Для однородного цилиндрического проводника с сопротивлением R, длиною 1, площадью поперечного сечения S
ρ =RS/ l
(1)
где ρ - удельное сопротивление проводника, выражается в Ом ∙ м.
В электротехнике чаще применяется единица измерения удельного сопротивления проводника 1 Ом∙мм2
/м. Это Сопротивление проводника длиной 1м и площадью поперечного сечения 1 мм2
.
Удельное сопротивление различных материалов, главным образом металлов и их сплавов, определяют лабораторным путем.
Порядок выполнения работы
1. Микрометром измерить диаметр проволоки d реохорда и рассчитать площадь поперечного сечения по формуле:
S=π d2
/ 4 (2)
3. Со6рать электрическую цепь по схеме рис. l

Рис 1.
3. После проверки цепи преподавателем, замкнуть ключ, измерить силу тока в цепи и напряжение на концах реохорда (сопротивления).
4. Используя закон Ома для участка цепи рассчитать сопротивление R проволоки реохорда:
R=
U /
I
(3)
5. Измерить длину проволоки l
.
6. Вычислить удельное сопротивление проводника ρ по формуле (1).
7.Сравнить полученный результат с табличным значением ρтабл
и вычислить относительную погрешность.ρтабл
(константана) =4 ,7 10-7
Ом∙м .
8.Написать вывод и ответить на контрольные вопросы.
Контрольные вопросы
Вариант 1
1. Зависит ли удельное сопротивление от температуры?
2. Удельное сопротивление фехраля 1.1 *10-6
Ом*м. Что это значит? Где можно использовать такой материал?
3. Чем обусловлено сопротивление проводников?
4. Как изменится напряжение на участке цепи, если медную проволоку на этом участке заменить никелевой такой же длины и площади поперечного сечения?
5. Как изменится напряжение на участке цепи, если проволоку на этом участке заменить проволокой из такого же материала, такой же длины, но с площадью поперечного сечения в три раза меньшей?
Вариант 2
1. Почему удельное сопротивление проводника зависит от рода его материала?
2. Определите сопротивление и длину медной проволоки массой 89 г сечением 0,1 мм2
.
3. В чем состоит явление сверх проводимости?
4. Назвать известные вам методы определения сопротивления резистора.
5. Как изменится напряжение на участке цепи, если проволоку на этом участке заменить проволокой из такого же материала, такой же длины, но с площадью поперечного сечения в три раза большей?
Рекомендуемая литература
1. Кикоин А.К, Кикоин И.К. Физика: учебник для 10 класса для школ с углубленным изучение физики. – М.: Просвещение, 1998. (Стр.189-217)
2. Омельченко В.П., Антоненко Г.В. Физика.- Р., 2005. (Стр. 176-202)
ЛАБОРАТОРНАЯ РАБОТА № 8
ОПРЕДЕЛЕНИЕ ТЕМПЕРАТУРНОГО КОЭФФИЦИЕНТА
СОПРОТИВЛЕНИЯ МЕДИ.
Цель работы
1. Снять экспериментальную зависимость сопротивления меди от температуры.
2.Научится определять температурный коэффициент сопротивления.
Оборудование
1. Прибор для определения температурного коэффициента сопротивления.
2. Омметр.
3. Термометр.
4. Стаканы с водой и тающим снегом.
5. Электрическая плитка.
Теория
В металлических проводниках электрическое сопротивление обусловлено столкновением свободных электронов с колеблющимися ионами в узлах кристаллической решетки. По мере повышения температуры размах колебаний ионов увеличивается, что способствует большему рассеянию электронов, участвующих в упорядоченном движении. Кроме того с повышением температуры увеличивается скорость хаотического (теплового) движения электронов и они испытывают большее число столкновений с ионами кристаллической решетки. Все это приводит к тому, что с повышением температуры сопротивления проводника, а следовательно и удельное сопротивление увеличивается.
Обозначим R сопротивление проводника при t С, а R0
при t= . Величину
α= R-R0
/ (R0
t) (1)
называют температурным коэффициентом сопротивления (ТКС). Численно температурный коэффициент сопротивления показывает относительное изменение сопротивления при нагревании проводника на 10
С (lК) и измеряется в 0
С-1
или K-1
, что одно и тоже.
У большинства химически чистых металлов температурные коэффициенты сопротивления близки к 1 /273 K-1
, а у некоторых сплавов они настолько малы, что во многих практических случаях ими можно пренебречь.
Порядок выполнения работы
1. Опустить прибор, для определения температурного коэффициента сопротивления в тающий снег и выдержать его там в течении некоторого времени, пока температура проводника не будет равна 00
С.
2. Измерить сопротивление R0
с помощью омметра.
3. Перенести прибор для определения температурного коэффициента сопротивления в стакан с водой и, нагревая воду, измерять сопротивление R через каждые 20 - 40 градусов.
4. Вычислить для каждого измерения температурный коэффициент сопротивления по ф6рмуле (l).
5. Определить абсолютную ошибку измерения ∆α = | αтабл
- α |, для меди αтабл
=0,0042 К-1
.
6. Определить относительную ошибку измерения δα = (∆α / αтабл
) 100%.
7. Результаты измерений и вычислений занести в таблицу 1.
8. Построить график зависимости сопротивления R от температуры t.
9. Сделать вывод о характере этой зависимости.
Таблица1.
| №
|
t(0
С)
|
R0
(Ом)
|
R(Ом)
|
α(К-1
)
|
∆α(К-1
)
|
δα(%)
|
| 1
2
3
4
5
6
|
0
20
40
60
80
100
|
Контрольные вопросы
Вариант 1
1. ТКС меди 0,0042 К-1
. Что это означает?
2. Сопротивление медного проводника при 00
С равно 1 Ом. Каким оно будет при 1000
С ?
3. Сопротивление стального и вольфрамового проводников при 00
С одинаковы..Будут ли одинаковы при 2000
С? ТКС стали 0,006 К-1
, вольфрама 0,005 К-1
.
4. Сопротивление стального и вольфрамового проводников при 500
Содинаковы. Каким они будут при 100
С ?
5. Где применяются проводники с большим ТКС?
Вариант 2
1. ТКС константана 0,000021 К-1
. Что это означает?
2. Сопротивление константанового проводника при 1000
С равно 1,002 Ом. Каким оно будет при 00
С ?
3. Сопротивление алюминиевого и нихромового проводников при 200
С одинаковы..Будут ли одинаковы при 800
С? ТКС алюминия 0,004 К-1
, нихрома 1,0001 К-1
.
4. Сопротивление алюминиевого и нихромового проводников при 600
С одинаковы. Каким они будут при 300
С ?
5. Где применяются проводники с малым ТКС?
Рекомендуемая литература
1. Кикоин А.К, Кикоин И.К. Физика: учебник для 10 класса для школ с углубленным изучение физики. – М.: Просвещение, 1998. (Стр.189-217)
2. Омельченко В.П., Антоненко Г.В. Физика.- Р., 2005. (Стр. 176-202)
ЛАБОРАТОРНАЯ РАБОТА № 9
ОПРЕДЕЛЕНИЕ ЭДС И ВНУТРЕННЕГО СОПРОТИВЛЕНИЯ
ИСТОЧНИКА ЭЛЕКТРИЧЕСКОЙ ЭНЕРГИИ
.
Цель работы:
научиться определять ЭДС и внутреннее сопротивление источника тока.
Оборудование
1.Источник постоянного напряжения
2. Реостат.
3. Амперметр.
4. Вольтметр.
5. Ключ.
6. Соединительные провода.
Теория
Для поддержания тока в проводнике необходимо, чтобы разность потенциалов (напряжение) на его концах была неизменной. Для этого используется источник тока. Разность потенциалов на его полюсах образуется вследствие разделения зарядов на положительные и отрицательные внутри источника тока. Работу по разделению зарядов выполняют сторонние силы(силы не электрического происхождения: сила Лоренца, силы химической природы). Величина, измеряемая работой, совершаемой сторонними силами при перемещении единичного положительного заряда внутри источника тока, называется электродвижущей силой источника тока(ЭДС)
Е=А/q (1)
Единица измерения ЭДС вольт (В). 1В - это ЭДС такого источников в котором для перемещения(разделения)заряда 1Кл сторонние силы совершают работу 1Дж. Когда цепь замкнута, то разделенные в источнике тока заряды образуют электрическое поле которое перемещает заряды во внешней цепи. Внутри источника тока заряды движутся навстречу электрическому полю под действием сторонних сил. Таким образом, энергия, запасенная в источнике тока, расходуется на работу по перемещению заряда во внешней и внутренней цепях с сопротивлениями R и г.
Е=ІR+Іг =Uвн
+Іг (2)
Из последнего выражения следует, что если сила тока в цепи равна нулю (цепь разомкнута), то Е= U вн..
, т.е. ЭДС источника равна напряжению на полюсах разомкнутого источника тока. Зная ЭДС источника тока, напряжение на внешнем участке при замкнутой цепи и ЭДС источника, можно найти внутреннее сопротивление источника тока
г= (Е-U вн.
)/І (3)
Порядок выполнения работы
1. Собрать электрическую цепь

2. Измерить напряжение на полюсах источника тока при разомкнутом ключе К. Это напряжение равно ЭДС источника тока Е.
3. Замкнуть ключ К и измерить напряжение С и силу тока I в цепи при трех различных сопротивлениях реостата.
4. Результаты занести в таблицу 1
Таблица 1.
| №
|
Е (В)
|
Uвн.
(В)
|
І (А)
|
г (Ом)
|

|
| 1
|
| 2
|
| 3
|
5. Найти среднее значение гср
=(r 1
+ r 2
+ r 3
)/3
6.Найти абсолютные погрешности измерения каждого сопротивления г.
7.Найти относительную погрешность для каждого измерения.
8. Сделать вывод о проделанной работе.
Контрольные вопросы
Вариант 1
1. Что такое ЭДС источника тока?
2. ЭДС источника тока 1В.Что это означает?
3. Какие силы совершают работу по перемещению зарядов во внутренней цепи? Назовите эти силы.
4. Для перемещения заряда 5 Кл внутри источника тока совершается работа 10 Дж. Чему равна ЭДС источника?.
5. Два источника тока соединяются последовательно. Для перемещения заряда 2Кл внутри источников совершается работа 2 и 4 Дж. Найти ЭДС этой батареи.
Вариант 2
1. Что такое напряжение?
2. Напряжение на участке цепи 1В. Что это означает?
3. Какие силы перемещают заряды во внешней цепи?
4. Для перемещения заряда 1 Кл во внешней цепи совершается работа 20 Дж. Чему равно напряжение на этом участке?
5. Два резистора соединяются последовательно .Для перемещения заряда 5Кл по этим резисторам совершается работа 5 и 10 Дж. Найти напряжение на концах этих резисторов.
Рекомендуемая литература
1. Кикоин А.К, Кикоин И.К. Физика: учебник для 10 класса для школ с углубленным изучение физики. – М.: Просвещение, 1998. (Стр.189-217)
2. Омельченко В.П., Антоненко Г.В. Физика.- Р., 2005. (Стр. 176-202)
ЛАБОРАТОРНАЯ РАБОТА N 10
ИССЛЕДОВАНИЕ ЗАВИСИМОСТИ МОЩНОСТИ, ПОТРЕБЛЯЕМОЙ
ЛАМПОЙ НАКАЛИВАНИЯ, ОТ НАПРЯЖЕНИЯ НА ЕЁ ЗАЖИМАХ
Цель работы:
экспериментально исследовать зависимость мощности, потребляемой лампой накаливания от напряжения на зажимах.
Оборудование
1. Источник постоянного напряжения
2. Реостат ползунковый.
3. Амперметр.
4. Вольтметр.
5. Ключ.
6. Соединительные провода.
7. Электрическая лампочка.
Теория
При замыкании электрической цепи ( см. рис.1) на ее участке с сопротивлением R, током І, напряжение на концах U производится работа А (Дж)
А=ІІt=І2
Rt=U2
t/R (1)
Величина, равная отношению работы тока ко времени, за которое она совершается называется мощностью Р (Вт)
P=А/t (2)
Следовательно,
Р=ІU= І2
R=U2
/R (3)
Анализ выражения (1) убеждает нас о том, что Р – функция двух переменных.
Зависимость Р от U можно исследовать экспериментально.
Порядок выполнения работы
1. Определите цену деления шкалы измерительных приборов.
2. Составить электрическую цепь по схеме, изображенной на рис.1, соблюдая полярность приборов постоянного тока.
3. После проверки преподавателем ключ замкнуть. С помощью реостата установить наименьшее значение напряжения. Снять показания измерительных приборов.
4. Постепенно выводя реостат, снять 6 показания амперметра и вольтметра.
5. Результаты измерений и вычислений записать в таблицу 1.
Таблица 1.
| №
|
U (В)
|
І (А)
|
P(Вт)
|
| 1
|
| 2
|
| 3
|
| 4
|
| 5
|
| 6
|
6. Построить график зависимости мощности лампы от напряжения.
7. Сделать вывод.
Контрольные вопросы
Вариант1
1. В каких единицах выражается мощность тока?
2. По какой формуле находят работу тока?
3. Две ламы, рассчитанные на одинаковое напряжение, но потребляющие различные мощности, включены в сеть последовательно. Какая из них будет гореть ярче?
4. Лампочка мощностью 2 ВТ имеет сопротивление 4 Ом. Какое сопротивление имеет лампочка мощностью 1 Вт. Обе лампочки рассчитаны на одинаковое напряжение.
5. Спираль подсоединена к сети, вследствие чего она раскалена. Как изменится накал спирали, если на часть ее попадает вода?
Вариант 2
1. Единица измерения работы тока?
2. По какой формуле находят мощность ток?
3. В сеть параллельно включены две лампы. Сопротивление одной из ламп больше другой. В которой из ламп выделится большее количество теплоты за равное время?
4. Как изменится мощность тока на участке цепи, если его сопротивление увеличится в 4 раза, а сила тока уменьшится в 2 раза?
5. Вследствие испарения и распыления материала с поверхности нити накала лампы нить с течением времени становится тоньше. Как это влияет на мощность, потребляемую лампой?
Рекомендуемая литература
1. Кикоин А.К, Кикоин И.К. Физика: учебник для 10 класса для школ с углубленным изучение физики. – М.: Просвещение, 1998. (Стр.189-217)
2. Омельченко В.П., Антоненко Г.В. Физика.- Р., 2005. (Стр. 176-202)
ЛАБОРАТОРНАЯ РАБОТА № 11
ОПРЕДЕЛЕНИЕ ЭЛЕКТРОХИМИЧЕСКОГО ЭКВИВАЛЕНТА МЕДИ
Цель работы
: научиться на практике рассчитывать электрохимический эквивалент меди.
Оборудование
1. Весы с разновесом.
2. Амперметр.
3. Часы.
4. Источник электрической энергии.
5. Реостат.
6. Ключ.
7. Медные пластины (электроды).
8. Соединительные провода.
9. Электролитическая ванна с раствором медного купороса.
Теория
Процесс, при котором молекулы солей, кислот и щелочей при растворении в воде или других растворителях распадаются на заряженные частицы (ионы), называется электролитической диссоциацией,
получившийся при этом раствор с положительными и отрицательными ионами называется электролитом.
Если в сосуд с электролитом поместить пластины (электроды), соединенные с зажимами источника тока (создать в электролите электрическое поле), то положительные ионы будут двигаться к катоду, а отрицательные - к аноду. Следовательно, в растворах кислот, солей и щелочей электрический заряд будет перемещаться вместе с частицами вещества. У электродов при этом происходит окислительно-восстановительные реакции, при которых на них выделяется вещество. Процесс прохождения электрического тока через электролит, сопровождающийся химическими реакциями называется электролизом.
Для электролиза справедлив закон Фарадея: масса выделившегося вещества на электроде прямо пропорциональна заряду, прошедшему через электролит:
m=kq (1)
m=kIt (2)
где k-электрохимический эквивалент-количество вещества, выделенное при прохождении через электролит 1 Кл электричества. Измерив силу тока в цепи, время его прохождения и массу выделившегося на катоде вещества можно определить электрохимический эквивалент (1с выражается в кг/Кл).
k=m/It (3)
где m-масса меди, выделившейся на катоде; I-сила тока в цепи; t- время пропускания тока в цепи.
Порядок выполнения работы
1. Очистить поверхность медной пластины и взвесить ее с максимальной возможной точностью.- m1
.
2. Собрать электрическую цепь по схеме рисунке 1, взвешенную пластинку соединить с отрицательным полюсом источника.

Рис.1
3. Заметив время, замкнуть цепь, быстро установить реостатом ток в пределах
1,0 - 1,5 А. Пользуясь реостатом, поддерживать силу тока неизменной на протяжении всего опыта. Записать в таблицу 1 это значение силы тока.
4. Через 10-15 минут (время зафиксировать в секундах) цепь разомкнуть, пластинку, служившую в опыте катодом, осторожно вынуть и высушить, тщательно взвесить и найти ее массу после электролиза –m2
5. Определить массу выделившейся меди;
Δm=m1
-m2
(4)
6. По результатам измерений определить электрохимический эквивалент меди по формуле
k= Δm /I t (5)
где Δm -масса меди, выделившейся на катоде; t-сила тока в цепи; I- время пропускания тока в цепи.
7. Сравнить найденное значение электрохимического эквивалента с табличным значением и определить относительную погрешность по формуле:
δk= │kтаб -k│/ kтаб * 100%
где для меди k= 3,29*10-7
кг/Кл.
8. Результаты измерений и вычислений занести в таблицу.
Таблица 1.
| №
|
m1
(кг)
|
m2
(кг)
|
Δm
(кг)
|
t
(c)
|
I
(A)
|
k
(кг/Кл)
|
δk
(%)
|
| 1
|
Контрольные вопросы
Вариант 1
1. Почему молекулы соли, кислоты, щелочи в воде распадаются на ионы?
2. Повышается ли сопротивление электролита при понижении температуры? И почему.
3. Как следует поступить, если по ошибке при выполнении опыта взвешенная пластинка была соединена с положительным полюсом источника тока?
4. За 15 минут на электролите выделилось 1485 мг чистой меди. Сопротивление раствора 0,8 Ом. Определите потребляемую мощность. Принять электрохимический эквивалент меди равным 3,3*10" кг/Кл.
5. Почему для гальванического покрытия изделия чаще всего употребляют никель и хром?
Вариант 2
1. Почему молекулы сахара в воде не распадаются на ионы?
2. Будет ли происходить электролитическая диссоциация в условиях космического полета?
3. Как поступают, когда необходимо к угольному электроду припаять провод?
4. При каких условиях концентрация электролита в процессе электролиза остается постоянной? Меняется?
5. До каких пор будет продолжаться процесс электролиза медного купороса, если взяты угольные электроды?
Рекомендуемая литература
1. Кикоин А.К, Кикоин И.К. Физика: учебник для 10 класса для школ с углубленным изучение физики. – М.: Просвещение, 1998. (Стр.283-285)
2. Омельченко В.П., Антоненко Г.В. Физика.- Р., 2005. (Стр. 181-183)
3. Кикин Д.Г., Самойленко П.И. Физика(с основами астрономии) – М.: Высшая школа, 1995. (Стр.138-140)
ЛАБОРАТОРНАЯ РАБОТА №12
ИЗУЧЕНИЕ ЯВЛЕНИЯ ЭЛЕКТРОМАГНИТНОЙ ИНДУКЦИИ
Цель работы:
практически на примерах опытов Фарадея изучить явление электромагнитной индукции.
Оборудование
1. Катушки индуктивности.
2. Источники тока.
3. Полосовые магниты.
4. Гальванометры.
5. Ключи.
Теория
ЛАБОРАТОРНАЯ РАБОТА №12
ИЗУЧЕНИЕ ЯВЛЕНИЯ ЭЛЕКТРОМАГНИТНОЙ ИНДУКЦИИ
Цель работы
Практически на примерах опытов Фарадея изучить явление электромагнитной индукции.
Теория
Явление электромагнитной индукции было открыто М. Фарадеем в 1831 году. Электромагнитная индукция -
явление возникновения индукционного тока в замкнутой цепи при изменении магнитного потока сквозь этот контур.
Закон электромагнитной индукции :
Э.Д.С индукции ε инд
в замкнутом контуре равна скорости изменения магнитного потока Ф через поверхность, ограниченную контуром.
ε инд
= - Δ Ф / Δ t или ε инд
= - Ф '(t) - Для контура; (1)
εинд
=
- Δ Ψ/ Δ t или εинд
= - Ψ '(t) - для катушки, (2)
где Ψ = ωФ - потокосцепление ( Вб ) (ω - число витков катушки).
Знак минус в формулах показывает, что индукционный ток всегда имеет такое направление, чтобы своим магнитным полем препятствовать изменению внешнего магнитного поля. Этот вывод носит название правила Ленца. Э.Д.С индукции, возникающей при движении проводника в магнитном поле, пропорциональна индукции В магнитного поля, скорости движения ν проводника, его длине ℓ и синусу угла α , образованного векторами В и ν.
ε инд
=Вνℓsinα (3)
Для определения направления индукционного тока при движении проводника в магнитном поле пользуются правилом правой руки :
правую руку располагают так, чтобы линии магнитной индукции входили в ладонь, а большой отогнутый палец показывал направление движения проводника. Тогда четыре вытянутых пальца укажут направление индукционного тока.
Порядок выполнения работы
Опыт 1
1. Присоединить зажимы гальванометра к зажимам катушки.
2. Внести полосовой магнит внутрь катушки, наблюдая одновременно за стрелкой гальванометра.
3. Повторить наблюдение, выдвигая сердечник из катушки, а также меняя полюса магнита.
4. Зарисовать схему опыта 1 и проверить выполнение правила Ленца в каждом случае.
Опыт 2
1. Присоединить первую катушку к источнику постоянного тока 6,3 В, через выключатель.
2. Присоединить вторую катушку к миллиамперметру.
3. Ввести вторую катушку в первую, наблюдая за стрелкой миллиамперметра.
4. Повторить наблюдение, выдвигая катушку.
5. Зарисовать схему опыта 2 и проверить выполнение правила Ленца в каждом случае.
Опыт 3
1. Вставить вторую катушку в первую.
2. Замыкая и размыкая ключ, наблюдать отклонение стрелки миллиамперметра.
3.Зарисовать схему опыта 3 и проверить выполнение правила Ленца. Опыт 4
1. Присоединить первую катушку к источнику переменного тока 6,3 В.
2. Присоединить вторую катушку к миллиамперметру для переменного тока.
3. Включить первую катушку и пронаблюдать отклонение стрелки миллиамперметра.
4. Зарисовать схему опыта 4. Контрольные вопросы
Вариант 1
1. Одинаковую ли работу нужно совершить для того, чтобы вставить магнит в катушку, когда ее обмотка замкнута и когда разомкнута?
2. Всегда ли при изменении потока магнитной индукции в проводящем контуре в нем возникает э.д.с.
3.Замкнутое кольцо движется в однородном магнитном поле поступательно: вдоль линий магнитной индукции; перпендикулярно к ним. Возникнет ли в кольце индукционный ток?
4.Как надо перемещать в магнитном поле Земли замкнутый проволочный прямоугольник, чтобы в нем наводился ток?
5.Верно ли утверждение, что электромагнит не действует на медную пластинку?
Вариант 2
1. Два одинаковых магнита одновременно начинают падать с одной и той же высоты через закрепленные проводящие кольца. Первый - через замкнутое кольцо, второй - через разомкнутое. Какой магнит упадет раньше? Почему?
2. Проводящий контур движется поступательно в магнитном поле: однородном; неоднородном. Возникает ли э.д.с. индукции в этих случаях?
3. Всегда ли при изменении магнитной индукции в проводящем контуре, расположенном перпендикулярно к линиям магнитной индукции, в нем возникает э.д.с. индукции? индукционный ток?
4. Почему для обнаружения индукционного тока замкнутый проводник лучше брать в виде катушки, а не в виде прямолинейного провода?
5. Усовершенствованные телефонные (радио) наушники используют как телефон и как микрофон. Объясните действие радионаушника в качестве микрофона.
Рекомендуемая литература
1. Кикин Д.Г., Самойленко П.И. Физика(с основами астрономии) – М.: Высшая школа, 1995. (Стр.171-174)
2. Омельченко В.П., Антоненко Г.В. Физика.- Р., 2005. (Стр. 208-210)
ЛАБОРАТОРНАЯ РАБОТА №13
ИЗМЕРЕНИЕ СИЛЫ ТОКА В ЦЕПИ С КОНДЕНСАТОРОМ
Цель работы:
рассчитать действующее значение силы переменного тока в цепи с конденсатором известной электроёмкости; выполните измерение силы тока в этой цепи; сравните расчётные и экспериментальное значение силы тока.
Оборудование:
1. Источник переменного напряжения (6В)
2. Конденсатор бумажной (6мкф)
3. Миллиамперметр переменного тока
4. Вольтметр переменного тока
5. Омметр
6. Соединительные провода.
Теория
: два проводника, разделённые слоем диэлектрики обладают электроёмкостью С.
При подаче переменного напряжения между такими проводниками перенос электрических зарядов сквозь диэлектрик не проходит периодически повторяющиеся процессы зарядки и разрядки конденсатора приводят к возникновению переменного тока в цепи, содержащей конденсатора. Действующее значение силы тока Iд
в этой цепи определяется значение электроёмкости С, частотой ωׂвынужденных колебаний силы тока в цепи и действующим значениям напряжения U
на обкладках.
C
Iд =U ωC (1)
Данное равенство справедливо если можно пренебречь активным сопротивлением R
остальных участков цепи, то есть если
Xc = 1/ ωC = 1/ 2πfC >> R , (2)
Таким образом, рассчитав силу тока по формуле(1) можно сравнить полученное значение с показателем миллиамперметра, предварительно убедившись в справедливости неравенства (2).
Порядок выполнения работы.
1. Соберите электрическую цепь по схеме, представленной на рисунке, выполните измерение силы тока в цепи Iд. экспериментальное при напряжении 6В.
2. Вычислите ёмкостное сопротивление Хс конденсатора на частоте 50гц по формуле (2).
3. Рассчитайте действующее значение силы тока Iд в цепи с конденсатором при подаче его обкладки переменного напряжения 6В .
4. Измерьте с помощью омметра электрическое сопротивление R проводящих проводов и амперметра.
5. Вычислите абсолютную и относительную погрешности экспериментального измерения силы тока в цепи Iд.Э
и теоретического значения Iд
.
6. Результаты измерений и вычислений занесите в отчётную таблицу 1.
| U,B
|
F,
Гц
|
С,Ф
|
Xc,
Ом
|
R
Ом
|
I
э
,
A
|
I
л
, А
|
Δ
I
|
εI
|
Контрольные вопросы
Вариант 1
| 1.Запишите закон Ома для цепи переменного тока с конденсатором и катушкой.
2. Запишите формулу собственной частоты колебаний.
3. Запишите формулу связи частоты и периода колебаний.
|
4. Колебательный контур состоит из катушки индуктивностью 0,5 Гн и конденсатора емкостью 0,5 мкФ. Конденсатору сообщили заряд 2,5 мкКл. Найти зависимость напряжения на обкладках конденсатора, силы тока в цепи, энергии электрического поля конденсатора, энергии магнитного поля катушки от времени.
5. Найти индуктивность катушки, если амплитуда переменного напряжения на ее концах равна 157В, амплитуда силы тока 5А и частота тока 50 Гц. Активным сопротивлением катушки пренебречь.
Вариант 2
1. Запишите формулу Томсона.
2. Запишите формулу циклической частоты.
3.Запишите формулу связи циклической частоты колебаний с линейной частотой колебаний и периодом колебаний
4.Колебательный контур состоит из катушки индуктивностью 0,2 Гн и конденсатора емкостью 10мкФ. Конденсатор зарядили до напряжения 2В, и он начал разряжаться. Какой будет сила тока в тот момент, когда энергия окажется поровну распределенной между электрическим и магнитным полем?
5. Рамка площадью 400 см2
имеет 100 витков и вращается в магнитном поле с индукцией 10мТл. Период вращения рамки составляет 0,1с, ось вращения перпендикулярна силовым линиям. Определить максимальное значение ЭДС индукции, возникающей в рамке.
Рекомендуемая литература
1. Кикин Д.Г., Самойленко П.И. Физика(с основами астрономии) – М.: Высшая школа, 1995. (Стр.182-186)
2 .Омельченко В.П., Антоненко Г.В. Физика.- Р., 2005. (Стр. 230-232)
ЛАБОРАТОРНАЯ РАБОТА №14
ИЗМЕРЕНИЕ ИНДУКТИВНОГО СОПРОТИВЛЕНИЯ КАТУШКИ
Цель работы:
вычислить индуктивное сопротивление катушки и ее индуктивность по результатам измерений напряжений на катушке и силы тока в цепи.
Оборудование
2. Источник переменного напряжения (6В)
3. Катушка разборного трансформатора
4. Вольтметр и миллиамперметр переменного тока
5. Соединительные провода
6. Ключ однополюсной
7. Омметр
Теория
Индуктивное сопротивление катушки переменному току с частотой ω равно:
ХL
=ωL=2πfL (1)
Если активное сопротивление обмотки катушки значительно меньше индуктивного сопротивления катушки переменному току (R XL
), то зависимость между действующими значениями силы тока в катушке и напряжения, приложенного к концам ее обмотки, определяется выражением:
I= U /ХL
=
U/2πfL (2).
Цель данной работы – измерить индуктивное сопротивление и определить индуктивность катушки. Эта задача осложняется тем обстоятельством, что наряду с индуктивным сопротивлением, катушка обычно обладает еще активным сопротивлением R.
Для определения индуктивного сопротивления катушки ХL
можно определить ее полное сопротивление переменному току Z, измерив действующие значения переменного напряжения на концах катушки U и силу тока I в ней: Z= U /I (3)
   Затем, используя выражение Z= = ХL
2
(так как ХС
=0), можно найти индуктивное сопротивление катушки: ХL
= (4).
Активное сопротивление R катушки К можно измерить в отдельном опыте с помощью омметра.
Порядок выполнения работы
1. Соберите электрическую цепь

2. Выполните измерение силы тока I
в цепи при напряжении 6В. Вычислите полное сопротивление катушки Z по формуле (3).
3. Выключите переменное напряжение и измерьте активное сопротивление катушки R омметром.
4. По результатам измерений полного Z и активного R сопротивление катушки вычислите ее индуктивное сопротивление ХL
по формуле (4) и индуктивность L из формулы (1).
5. Вычислите относительную погрешность измерений индуктивности по формуле
ε
L
= .
100%
где Lтаб.
=0,03 Гн.
6. Результаты занести в таблицу 1.
Таблица 1
| ν, гц
|
U
,в
|
I
,А
|
Z
, Ом
|
R
, Ом
|
Х
L
,
Ом
|
L
, Гн
|
ε
L
, %
|
| |
|
|
|
|
|
|
|
Контрольные вопросы
Вариант 1
1.По какой формуле можно вычислить индуктивное сопротивление катушки переменного тока?
2. Как изменится индуктивное сопротивление, если увеличить индуктивность катушки? Как изменится индуктивное сопротивление, если увеличить частоту переменного тока?
| 3. Индуктивность катушки увеличили в 2 раза, а силу тока в ней уменьшили в 2 раза. Как изменилась энергия магнитного поля катушки?
4. Индуктивное сопротивление катушки в цепи переменного тока 50 Гц равно 31,4 Ом. Чему авна индуктивность катушки?
5. Найдите частоту собственных колебаний в контуре с индуктивностью катушки
10 мГн и емкостью конденсатора 1 мкФ
Вариант 2
1.По какой формуле вычисляют собственную частоту колебаний в колебательном контуре?
2.Как изменится собственная частота колебаний колебательного контура, если уменьшить ёмкость конденсатора в 4 раза?
3. Как изменится собственная частота колебаний колебательного контура, если увеличить индуктивность катушки?
4.Что называют резонансом?
5.Найдите период колебаний в колебательном контуре, если индуктивность катушки 0,01 Гн, а емкость конденсатора 4 мкФ.
Рекомендуемая литература
1. Кикин Д.Г., Самойленко П.И. Физика(с основами астрономии) – М.: Высшая школа, 1995. (Стр.182-186)
2. Омельченко В.П., Антоненко Г.В. Физика.- Р., 2005. (Стр. 230-232)
|
ЛАБОРАТОРНАЯ РАБОТА № 15
ИЗУЧЕНИЕ УСТРОЙСТВА И РАБОТЫ ТРАНСФОРМАТОРА
Цель работы
1.Изучить устройство трансформатора.
2.Определить коэффициент трансформации трансформатора.
Оборудование
1.Трансформатор.
2.Вольтметры.
3.Источник переменного напряжения.
4.Соединительные провода
Теория
Трансформатор-это устройство, преобразующее энергию переменного тока одного напряжения в переменный ток другого напряжения при неизменной частоте. Трансформатор состоит из двух основных частей: сердечника (магнитопровода) и двух или более обмоток. Одна из обмоток включается в сеть переменного тока и называется первичной 1 (рис.1). Остальные обмотки являются вторичными 2. Сердечник трансформатора служит для концентрации магнитного потока Ф.

E1
= -ω1
Ф, Е2
=Фω2
(1)
k= E1
/ Е2
= ω1
/ ω2
(2)
При k
<1 трансформатор повышает напряжение, при k
>
1 - понижает напряжение.
Экспериментально для определения коэффициента трансформации используется формула
k= ω1
/ ω2
(3)
Трансформатор может работать в режиме холостого хода и режиме нагрузки. Режим холостого хода - это режим, в котором I2
= 0 ,
т.е. нагрузка к вторичной обмотке не подключена.
Трансформатор имеет высокий КПД (более99%), поэтому можно записать соотношение U1
/ U2
= I2
/ I1
,
т.е. трансформатор изменяет не только напряжение, но и силу тока I.
В трансформаторе имеются два вида потерь мощности: потери в меди и потери в стали. Потери в меди (потери в обмотках) зависят от силы тока I1
и I2
. Потери в стали (потери в магнитопроводе) зависят от напряжения U и расходуются на перемагничивание сердечника и вихревые токи в нем.
Порядок выполнения работы
1. Собрать схему

2.Включить трансформатор в сеть и измерить напряжения и .
3.Вычислить коэффициент трансформации трансформатора.
4.Сделать вывод о типе трансформатора.
Контрольные вопросы
Вариант 1
1.Что такое трансформатор?
2.Какая обмотка трансформатора называется первичной?
З. От чего зависят потери в стали?
4.Почему обмотки трансформатора изготовляются из меди?
5.От чего зависит коэффициент трансформации?
Вариант 2
1.Где и для чего применяются трансформаторы?
2.Какая обмотка трансформатора называется вторичной?
З. Как можно определить коэффициент трансформации?
4.От чего зависят потери в меди?
5.Почему сердечник трансформатора собирается из отдельных изолированных друг от друга стальных пластин?
Рекомендуемая литература
1. Кикин Д.Г., Самойленко П.И. Физика(с основами астрономии) – М.: Высшая школа, 1995. (Стр.187-189)
2. Омельченко В.П., Антоненко Г.В. Физика.- Р., 2005. (Стр. 233-234)
ЛАБОРАТОРНАЯ РАБОТА №16
СБОРКА И НАСТРОЙКА ПРОСТЕЙШЕГО ДЕТЕКТОРНОГО
РАДИОПРИЕМНИКА
Цель работы:
изучить работу простейшего детекторного радиоприемника
Оборудование
1.Катушка контурная.
2.Конденсатор переменной емкости.
3.Диод полупроводниковый.
4.Конденсатор постоянной емкости.
5.Телефон (наушники)
6.Провода и планки соединительные.
7.Провода для антенны и заземления.
8.Монтажная доска, винты, шайбы.
Теория
Радиоприемником называют устройство, позволяющее принимать высокочастотные модулированные электромагнитные колебания и преобразовывать их в механические звуковой частоты.

Радиоволны, излучаемые передающими радиостанциями, индуцируют в антенне А приемника высокочастотные (ВЧ) токи, которые поступают в резонансный колебательный контур РК (рис 1). Колебательный контур выделяет колебания лишь той радиостанции, частота которой совпадает с частотой колебаний приемного колебательного контура. При этом наступает электрический резонанс-
сопротивление контура уменьшается, а принятый электрический сигнал усиливается настройка в резонанс достигается обычно изменением емкости приемного колебательного контура конденсатором переменной емкости . Модулированные ВЧ колебания (рис. 2), принятые колебательным контуром приемника с помощью детектора Д, которым обычно сложит полупроводниковый диод, преобразуются в пульсирующий ток одного направления, амплитуда которого изменяется со звуковой частотой.
Если к телефону Т или динамику параллельно присоединить блокировочный конденсатор С2
то пульсирующий ток высокой частоты пойдет через конденсатор, а ток низкой (звуковой) частоты - через катушку телефона; его мембрана придет, в колебательное движение со звуковой частотой передающей станции
Простейший из радиоприемников не требует для работы электрической энергии: он работает только за счет энергии принятого сигнала, поэтому позволяет принять и прослушать мощные ближайшие радиостанции определенного диапазона частот.
Электромагнитные волны, охватывающие диапазон частот от 1.
104
до 3 .
1011
Гц называют радиоволнами
Радиоволны подразделяют на:
длинные
λ
= 10 000
÷ 1000м,
средние λ
= 1 000
÷
100м,
короткие λ
= 100
÷
10
м,
ультракороткие λ=
10
÷ 0,001м.
Порядок выполнения работы
1.Изучить схему и собрать простейший детекторный радиоприемник.
2.Медленно вращая ручку конденсатора переменной емкости, настроить колебательный контур резонанс с частотой принимаемой радиостанции и прослушать радиопередачу.
3.Оформить отчёт по лабораторной работе.
4.Перечислить в отчет основные физически явления, лежащие в основе работы радиоприемник.
5.Письменно ответить на контрольные вопросы.
Контрольные вопросы
Вариант 1
1.Каково назначение антенны и заземления?
2.Какова физическая сущность электрического резонанса?
3.каково соотношение между длиной, частотой и скоростью распространения радиоволны?
4.Почему при радиосвязи колебания высокой частоты называют несущим?
5.Почему при связи на коротких волнах образуются зоны молчания?
Вариант 2
1.Каково назначение детектора?
2.Что называется амплитудной модуляцией?
3.Почему радиоприемник в автомашине плохо работает, когда она проезжает под мостом?
4.Чему равна длина волны, создаваемая радиостанцией, работающей на частоте 1,5 МГц?
5.Какова причина радиопомех от проходящего вблизи трамвая?
6.Почему радиолокационная установка должна посылать радиосигналы в виде коротких импульсов, следующих друг за другом непрерывно.
Рекомендуемая литература
1. Кикин Д.Г., Самойленко П.И. Физика(с основами астрономии) – М.: Высшая школа, 1995. (Стр.203-207)
2. Омельченко В.П., Антоненко Г.В. Физика.- Р., 2005. (Стр. 236-238)
ЛАБОРАТОРНАЯ РАБОТА №17
ОПРЕДЕЛЕНИЕ ДЛИНЫ СВЕТОВОЙ ВОЛНЫ С ПОМОЩЬЮ
ДИФРАКЦИОННОЙ РЕШЕТКИ
Цель работы:
экспериментально определить длину световой волны.
Оборудование
1.Прибор для определения длины световой волны.
2.Дифракционная решетка.
3.Люминесцентная лампа.
Теория
Часть 1
Параллельный пучок света, проходя через дифракционную решетку, вследствие дифракции на решетке, распространяется по всевозможным направлениям и интерферирует. На экране, установленном на пути интерферирующего света, можно наблюдать интерференционную картину. Максимумы света наблюдаются в точках экрана, для которых выполняется условие-
∆=
n
λ (1)
,
Где ∆
- оптическая разность хода волн; λ-
длина световой волны; n-номер максимума. Центральный максимум называют нулевым; для него ∆
=0. Слева и справа от него располагаются максимумы высших порядков. Условие возникновения максимума (1) можно записать иначе:
nλ
=
dsin
(2)
Здесь (см. рис.1) d-период дифракционной решётки; - угол, под которым виден световой максимум (угол дифракции). Так как углы дифракции, как правило, малы, то для них можно принять sin = tg
, a tg
=
a
/
b
(рис. 1). Поэтому
n λ = d a / b (3)
λ = d a / n b (4)
В данной работе эту формулу используют для вычисления длины световой волны.
Часть 2
Анализ формулы показывает, что положение световых максимумов зависит от длины волны монохроматического света: чем больше длина волны, тем дальше максимум от нулевого. Белый свет по составу - сложный.. Нулевой максимум для него белая полоса, а максимумы высших порядков представляют собой набор семи цветных полос, совокупность которых называют спектром
соответственно 1,2... порядка (см. рис. 2).

Получить дифракционный спектр можно, используя прибор для определения длины световой волны (рис.3). Прибор состоит из бруска 1 со шкалой 2 (по ней определяется расстояние Ь). Вдоль бруска в боковых пазах его может перемещаться ползунок 3 с экраном 4 (по нему определяется расстояние а). К концу бруска прикреплена рамка 5, в которую вставляют дифракционную решетку.
Порядок выполнения работы
1.Направить щель экрана на окно (люминесцентную лампу).
2.Смотря через дифракционную решетку на экран, направить прибор на источник света.
3.Перемещением экрана со шкалой по продольной линейке добиться четкого изображения на экране спектров 1 и 2 -го порядка (Наилучшее расстояние b для получения точных результатов для данного прибора в пределах 10-20 см).
4.Определить расстояние от нулевого деления шкалы экрана до середины полоски нужного цвета (расстояние а). (Рис 4)
5.Измерить расстояние от решетки до экрана (b). (Рис 4)
6.Опыт повторить 3 раза со спектрами 1 и 2-го порядка (по индивидуальному заданию преподавателя).
7.По формуле (4)
вычислить λ.
8. Выбрав табличное волны (см. Таблицу 1), во всех 3 опытах рассчитать абсолютную погрешность измерений по формуле: ∆ λ
= | - λ| (4)
Таблица 1
| Цвет
|
Границы, нм
|
Цвет
|
Границы, нм
|
| Фиолетовый
|
380-450
|
Желто-зеленый
|
550-575
|
| Синий
|
450-480
|
Желтый
|
575-585
|
| Голубой
|
480-510
|
Оранжевый
|
585-620
|
| Зеленый
|
510-550
|
Красный
|
620-760
|
9. Определить относительную погрешность измерений: λ
= ∆ λ
* 100% /
10. Результаты измерений и вычислений занести в таблицу 2.
Таблица 2
| №
|
d(
м
)
|
N
|
а (м)
|
b
(м)
|
λ (м)
|
λ
(%)
|
Цвет
|
| 1
|

|
| 2'
|

|
| 3
|

|
Контрольные вопросы
Вариант 1
1.Почему нулевой максимум дифракционного спектра белого света - белая полоса, а максимумы высших порядков - набор цветных полос?
2.Какова природа световых волн и звуковых волн?
3.Имеем графическое изображение красной, фиолетовой и желтой световой волны
(см. рис.5). Какой график, какой волне принадлежит ?

Вариант 2
1.Какой вид имеет интерференционная картина в случае монохроматического света?
2.Частота 7,5 * 1014
Гц. Какому цвету соответствует эта частота?
3.Почему стоя за колонной в театре, мы слышим певца, но не видим его?
Рекомендуемая литература
1. Кикин Д.Г., Самойленко П.И. Физика (с основами астрономии) – М.: Высшая школа, 1995. (Стр.232-237)
2. Омельченко В.П., Антоненко Г.В. Физика.- Р., 2005. (Стр. 270-271)
ЛАБОРАТОРНАЯ РАБОТА №18
ОПРЕДЕЛЕНИЕ ПОКАЗАТЕЛЯ ПРЕЛОМЛЕНИЯ СТЕКЛА
Цель работы
: научиться на практике рассчитывать показатель преломления стекла.
Оборудование
1. Стеклянная пластинка с двумя параллельными гранями.
2. Транспортир.
3. Линейка.
4. Два цветных карандаша.
5. Таблица синусов.
Теория
Изменение скорости и направления распространения света на границе раздела двух прозрачных сред различной оптической плотности называют преломлением света. При этом свет меняет свое направление. Преломление света подчиняется следующим законам'.
Отношение синуса угла падения α к синусу угла преломления β есть величина постоянная для двух данных сред и называется относительным показателем преломления второй среды относительно первой:
n = sin α / sin β (1)
Луч падающий и луч преломленный, а также перпендикуляр, проведенный через точку падения луча к границе двух сред, лежат в одной плоскости.
Порядок выполнения работы
1. На листе тетради провести две параллельные линии разного цвета на расстоянии 0,5-1,5 см друг от друга.
2. Положить на эти линии плоскопараллельную пластинку так, чтобы линии входили в одну из параллельных граней.
3. Поворачивать пластинку так, чтобы начало одной цветной линии совпало с продолжением линии другого цвета.
4. Обвести параллельные грани пластинки, это и будет граница раздела двух сред (см. рисунок1).

5. Снять пластинку с листа бумаги, прочертить ход преломленного луча в пластинке.
6. Провести перпендикуляр к границе раздела двух сред «воздух-стекло» через точку падения светового луча (к одной из параллельных граней).
7. Отметить и измерить транспортиром угол падения светового луча.
8. Отметить и измерить транспортиром угол преломления светового луча.
9. По формуле (1) вычислить показатель преломления стекла.
10. Всего проделать 3 таких опыта, меняя расстояния между двумя разноцветными линиями.
11. Рассчитать абсолютную погрешность вычислений для каждого опыта
Δn= | n табл
-n| , где для стекла n табл
=
1,5
12. Рассчитать относительную погрешность вычислений для каждого опыта.
δn= Δn .
100% /nтабл
13. Результаты измерений и вычислений записать в отчет по лабораторной работе.
Контрольные вопросы
Вариант 1
1. Чем отличается относительный показатель преломления от абсолютного показа теля?
2. На чем основано явление рефракции в атмосфере7
3. Почему, сидя у костра, мы видим предметы по другую сторону костра колеблю щимися?
4. Показатель преломления алмаза 2,4. Чему равна скорость света в алмазе?
5. Почему изменяется направление луча света при его переходе из одной прозрачной среды в другую?
Вариант 2
1. В чем сущность явления преломления света и какова причина этого явления?
2. В каких случаях свет на границе раздела двух прозрачных сред не преломляется?
3. Покажите на чертеже ход луча и стекла в воду?
4. Что можно сказать о длине и частоте светового луча при переходе его из воздуха в алмаз?
5. Показатель преломления воды 1,33. Чему равна скорость света в воде?
Рекомендуемая литература
1. Кикин Д.Г., Самойленко П.И. Физика(с основами астрономии) – М.: Высшая школа, 1995. (Стр.222-225)
2.Омельченко В.П., Антоненко Г.В. Физика.- Р., 2005. (Стр. 261-262)
ЛАБОРАТОРНАЯ РАБОТА № 19
НАБЛЮДЕНИЕ СПЕКТРОВ ИСПУСКАНИЯ РАЗЛИЧНЫХ ВЕЩЕСТВ
С ПОМОЩЬЮ СПЕКТРОСКОПА
Цель работы:
научиться наблюдать спектры испускания веществ.
Оборудование
1. Спектроскоп.
2. Люминесцентная лампа.
3. Спектральные трубки.
4. Источник тока.
5. Цветные карандаши.
Теория
Если узкий пучок света направить на трехгранную стеклянную призму, а на пути прошедших через призму лучей поместить экран, то на экране можно видеть цветную полоску радуги - спектр. Спектром называют совокупность монохроматических цветов, расположенных в определенном порядке. Причина наблюдаемого явления состоит в том, что лучи света в вакууме имеют одинаковую скорость "с", а в другой среде их скорость неодинакова и зависит от частоты колебаний. Так как коэффициент преломления n=c/v зависит от скорости-распространения световых волн, то лучи разных частот преломляются по-разному. Наблюдать спектр можно с помощью спектроскопа, В зависимости от природы источника света получают сплошной спектр и спектр поглощения. Сплошной спектр дают светящиеся твердые и жидкие тела, а также плотный газ. Линейчатый спектр дают светящиеся пары и газы. Спектр поглощения образуется при прохождении светового потока через газовую среду.
В данной наблюдение спектров испускания различных веществ производится с помощью спектроскопа.
Порядок выполнения работы
Наблюдение сплошного спектра.
1. Пронаблюдать спектр дневного света и спектр люминесцентной лампы дневного света, приблизив окуляр спектроскопа к глазу.
2.Зарисовать спектры, сохранив последовательность расположения основных цветов спектра и яркость отдельных участков.
Наблюдение линейчатого спектра.
1. Направить щель спектроскопа параллельно щели спектральной трубки.
2. Рассмотреть спектры газов, отметить характерные для них цветные линии, расположенные на некотором расстоянии друг от друга.
3. Зарисовать спектры, сохраняя наблюдаемые в них цвета линий и относительное расстояние между ними.
Сделать выводы по каждому наблюдению и подпись к каждому спектру, в ко
торой отметить вид спектра и вещества.
Контрольные вопросы
Вариант 1
1. Какова причина разложения белого света призмой?
2. Будут ли изменяться частота и длина световой волны при переходе зеленого света из воздуха в воду •
3. Почему спектр, полученный с помощью призмы, применяют в основном для изучения состава коротковолнового излучения, а длинноволновое излучение анализируют с помощью дифракционного спектра?
4. Почему при уменьшении напряжения "световая отдача" ламп накаливания уменьшается и свечение приобретает красный оттенок?
5. Электрическую лампу накаливают постепенно. Какие изменения в спектре лампы при этом наблюдаются?
Вариант 2
1. Как объяснить происхождение линейчатых спектров?
2. В чем отличия дифракционного и дисперсионного спектров?
3. Почему стеклянная призма непригодна для получения спектров инфракрасного и ультрафиолетового излучения? Какие призмы нужны для этих двух случаев?
4. Что можно узнать о составе сплава по яркости спектральных линий в его спектре?
5. По каким спектрам можно производить спектральный анализ?
Рекомендуемая литература
1. Кикин Д.Г., Самойленко П.И. Физика(с основами астрономии) – М.: Высшая школа, 1995. (Стр.237-240)
2. Омельченко В.П., Антоненко Г.В. Физика.- Р., 2005. (Стр. 294-295)
ЛАБОРАТОРНАЯ РАБОТА №20
ИЗУЧЕНИЕ ТРЕКОВ ЗАРЯЖЕННЫХ ЧАСТИЦ ПО ГОТОВЫМ
ФОТОГРАФИЯМ
Цель работы
1. Ознакомиться с одним из методов изучения заряженных частиц. 2.Закрепить и углубить знания по теме « Элементарные частицы».
Оборудование
1.Фотографии или рисунки косых столкновений частиц.
2.Транспортир.
3.Линейка.
4.Тонко заточенный карандаш.
Теория
В результате нецентрального (косого) соударения двух элементарных частиц каждая разделяется по траектории, выходящей из одной точки, поэтому образуется "вилка".

На рис. 1 показана импульсная диаграмма такого взаимодействия движущейся частицы и неподвижной. Здесь
М
- масса движущейся частицы;
v
,
v
1
- скорость движущейся частицы до и после взаимодействия;
m
- масса неподвижной частицы;
u
- скорость движения неподвижной частицы после взаимодействия;
θ
- угол рассеяния;
φ
- угол отдачи;
М
v
и М
v
1
- векторы импульсов налетающей частицы до и после взаимодействия;
m
u
- вектор импульса неподвижной частицы после взаимодействия; Используя закон сохранения энергии и теорему синусов можно вывести соотношение:
M / m = sin (θ + 2 φ) / sin θ (1)
позволяющее решить ряд задач по трекам частиц на готовых фотографиях.
Порядок выполнения работы
1.Используя рисунок (фотографию), скопировать его на прозрачную бумагу, прикрепить в тетрадь скопированный трек налетающей частицы и продолжить его тонкими линиями.
2. Начертить прямолинейные участки треков взаимодействующих частиц, сохранив углы рассеяния θ и отдачи φ. Отметить эти углы и измерить транспортиром.
3. Записать массу m или М известной частицы в а.е.м. и, используя формулу (1), вычислить массу неизвестной частицы .
4. Зная массу и используя таблицу " Периодическая система элементов ", определить ядром какого атома является неизвестная частица. Назвать эту частицу.
5. Результаты измерений записать в таблицу 1. ^
Таблица 1
| №
|
θ
|
φ
|
M (а.е.м.)
|
m (а.е.м.)
|
Вид частицы
|
Контрольные вопросы
Вариант 1
1. Что вам известно о протоне?
2. Дайте определение атомной единицы массы. Укажите ее соотношение с
килограммом.
3. Как узнать ядро какого атома приобретает большую кинетическую энергию после столкновения?
4. По какому принципу частицы делят на адроны и лептоны?
5. Какими частицами обмениваются нуклоны в ядре при взаимодействиях?
Вариант 2
1.
Что вам известно об α- частице?
2. Какие частицы относятся к нуклонам?
3.По какой схеме распадается свободный нейтрон? Каково время его жизни?
4.Какой заряд и массовое число имеет электрон? Его обозначение в ядерных реак- циях?
5.Какие законы сохранения действуют в ядерных реакциях?
Рекомендуемая литература
1. Кикин Д.Г., Самойленко П.И. Физика(с основами астрономии) – М.: Высшая школа, 1995. (Стр.328-333)
2. Омельченко В.П., Антоненко Г.В. Физика.- Р., 2005. (Стр. 297-298)
Список литературы
1. Лабораторные занятия по физике : учеб. пособие / под ред. Л. Л. Гольдина. – М. : Наука, 1983. – 704 с.
2. Лабораторный практикум по физике. Часть 1. Физические измерения : учеб. пособие / под ред. В. И. Ивлева. – Саранск : Изд-во СВМО, 1999. – 50 с.
3. Соловьев В. М. Экспериментальные методы обработки результатов измерений – Л. : Изд-во Ленингр. ун-та, 1977. – 72 с.
4. Детлаф А.А., Яворский М.В. Курс физики.- М.:1989 г.
|