|
Федеральное агентство по образованию
ГОУ СПО «Мончегорский политехнический колледж»
Специальность 270103.51
«Строительство и эксплуатация зданий и сооружений»
Методические указания
по изучению дисциплины
«Технология и организация строительного производства»
для студентов заочной формы обучения
|
| |
| |
|
| Мончегорск
2008
|
| ОДОБРЕНА
|
УТВЕРЖДАЮ
Заместитель директора
по научно-методической работе
_______________________ С.А. Сысоева
|
| предметной (цикловой) комиссией
|
| строительных дисциплин
|
| Протокол № 5
от 21
февраля
2008г.
|
| Председатель М.А. Иванова
комиссии
|
«_____» ________________ 2008г.
|
Методические указания составлены в соответствии с рабочей программой
по дисциплине «Технология и организация строительного производства»
для специальности 270103.51. «Строительство и эксплуатация зданий и сооружений
», ЗОТ.
Автор: Иванова М.А., преподаватель строительных дисциплин ГОУ СПО «Мончегорский политехнический колледж»
Рецензент: Страшко И.В., методист заочного отделения
(Ф.И.О., должность, место работы)
ГОУ СПО «Мончегорский политехнический колледж»
Рецензент: Коновалов В.П., начальник архитектурно-строительного отдела
(Ф.И.О., должность, место работы)
ООО «Институт Гипроникель» Кольский филиал г.Мончегорск
2
Содержание
| |
Аннотация
|
3
|
| 1
|
Тематический план
|
4
|
| 2
|
Учебный график изучения дисциплины
|
5
|
| 3
|
Перечень рекомендуемой литературы
|
6
|
| 4
|
Перечень практических работ
|
7
|
| 5
|
Перечень тем и вопросов самостоятельного изучения
|
8
|
| 6
|
Вопросы к экзамену №1
|
9
|
| 7
|
Вопросы к экзамену №2
|
10
|
| 8
|
Методические указания для студентов по
выполнению контрольных работ №1 и №2
|
| 8.1
|
Введение
|
12
|
| 8.2
|
Список рекомендуемых источников, имеющихся
в библиотеке колледжа.
|
13
|
| 8.3
|
Контрольная работа №1
|
14
|
| 8.4
|
Контрольная работа №2
|
24
|
| Примечание
|
36
|
| Заключение
|
36
|
3
Аннотация
Методические указания предназначены для оказания помощи студентам заочной формы обучения при изучении дисциплины “Технология и организация строительного производства ”
Учебная дисциплина предназначена для реализации Государственных требований к минимуму содержания и уровню подготовки выпускников по специальности 270103.51 “Строительство и эксплуатация зданий и сооружений”. Утвержденных Минобразованием России 23 апреля 2002 г. № 20-2902-Б.
Программой предусматривается изучение основных видов строительных работ, организационных форм и структуры управления строительным производством, основных помещений и задач охраны в строительстве.
Забиваем Сайты В ТОП КУВАЛДОЙ - Уникальные возможности от SeoHammer
Каждая ссылка анализируется по трем пакетам оценки: SEO, Трафик и SMM.
SeoHammer делает продвижение сайта прозрачным и простым занятием.
Ссылки, вечные ссылки, статьи, упоминания, пресс-релизы - используйте по максимуму потенциал SeoHammer для продвижения вашего сайта.
Что умеет делать SeoHammer
— Продвижение в один клик, интеллектуальный подбор запросов, покупка самых лучших ссылок с высокой степенью качества у лучших бирж ссылок.
— Регулярная проверка качества ссылок по более чем 100 показателям и ежедневный пересчет показателей качества проекта.
— Все известные форматы ссылок: арендные ссылки, вечные ссылки, публикации (упоминания, мнения, отзывы, статьи, пресс-релизы).
— SeoHammer покажет, где рост или падение, а также запросы, на которые нужно обратить внимание.
SeoHammer еще предоставляет технологию Буст, она ускоряет продвижение в десятки раз,
а первые результаты появляются уже в течение первых 7 дней.
Зарегистрироваться и Начать продвижение
Для закрепления теоретических знаний и приобретения необходимых практических умений программой предусматриваются практические занятия после изучения соответствующих тем (разделов).
В результате изучения дисциплины студент должен:
иметь представление
- строительстве и реконструкции гражданских и промышленных зданий и сооружений;
- об основных положениях и направлениях совершенствования технологии, организации и планирования строительного производства;
- об отечественном и зарубежном опыте в области строительства;
- о передовых, в том числе зарубежных, методах и приемах производства строительных работ;
Студент должен знать:
- перечень строительной документации на объекте строительства;
- технологию и организацию строительного производства;
- основные виды геодезического контроля при производстве строительных работ, строительстве зданий и сооружений;
- методы определения объемов строительных работ;
- строительные нормы и правила (СниПы) на производство и приемку строительно-монтажных работ;
- правила по безопасному проведению работ и защите окружающей среды.
Студент должен уметь:
- разрабатывать технологические карты на производство строительно-монтажных работ в соответствии с проектом, рабочими чертежами, требованиями нормативных документов и сроками сдачи объектов;
- организовать работу на участке по приемке и складированию строительных материалов и конструкций; по рациональному использованию строительных машин, средств малой механизации, энергетических установок, транспортных средств, технологической оснастки; по расстановке и выдаче заданий бригадам и звеньям;
- контролировать технологическую последовательность производства работ, устраняя нарушения технологии и обеспечивая качество строительно-монтажных работ;
- использовать методы геодезического контроля при выполнении комплекса строительно-монтажных работ;
- выполнять замеры и расчет объемов строительно-монтажных работ.
При изучении материала необходимо соблюдать единство терминологии, обозначений единиц измерения в соответствии с действующими стандартами.
Программа дисциплины «Технология и организация строительного производства» предусматривает выполнение курсового проекта.
4
Таблица 1 – Тематический план (для студентов заочного отделения)
Сервис онлайн-записи на собственном Telegram-боте
Попробуйте сервис онлайн-записи VisitTime на основе вашего собственного Telegram-бота:
— Разгрузит мастера, специалиста или компанию;
— Позволит гибко управлять расписанием и загрузкой;
— Разошлет оповещения о новых услугах или акциях;
— Позволит принять оплату на карту/кошелек/счет;
— Позволит записываться на групповые и персональные посещения;
— Поможет получить от клиента отзывы о визите к вам;
— Включает в себя сервис чаевых.
Для новых пользователей первый месяц бесплатно.
Зарегистрироваться в сервисе
| № п/п
раздела,
темы
|
Наименование разделов и тем
|
Макс. Учебная нагрузка студента час
|
Количество аудиторных часов при заочной форме обучения:
|
Само-
стоятель
ная работа
студента
|
Самостоятельное изучение
|
| всего
|
в том числе лабораторных занятий
|
в том числе
практи-
ческих
занятий
|
| 1
|
2
|
3
|
4
|
5
|
6
|
7
|
8
|
| Введение
|
2
|
2
|
| Раздел 1.
|
Основные положения строительного производства.
|
4
|
2
|
2
|
| Тема 1.1.
|
Особенности строительного производства.
|
2
|
1
|
1
|
| Тема 1.2.
|
Строительные рабочие и организация труда.
|
2
|
1
|
1
|
| Раздел 2.
|
Технология строительного производства
|
95
|
32
|
12
|
27
|
36
|
| Тема 2.1.
|
Технологическое проектирование строительных процессов.
|
2
|
2
|
| Тема 2.2.
|
Транспортирование строительных грузов.
|
2
|
2
|
| Тема 2.3.
|
Земляные работы
|
12
|
6
|
4
|
4
|
2
|
| Тема 2.4.
|
Свайные работы
|
4
|
2
|
2
|
| Тема 2.5.
|
Каменные работы
|
10
|
4
|
2
|
4
|
2
|
| Тема 2.6
|
Деревянные работы
|
2
|
2
|
| Тема 2.7
|
Сварочные работы.
|
2
|
2
|
| Тема 2.8.
|
Бетонные и железобетонные работы.
|
13
|
4
|
2
|
7
|
2
|
| Тема 2.9.
|
Монтаж строительных конструкций
|
30
|
8
|
2
|
10
|
12
|
| Тема 2.10.
|
Работы по устройству защитных и изоляционных покрытий.
|
4
|
4
|
| Тема 2.11.
|
Работы по устройству отделочных покрытий.
|
10
|
2
|
2
|
2
|
6
|
| Тема 2.12.
|
Работы по реконструкции зданий и сооружений.
|
4
|
4
|
| Раздел 3.
|
Организация строительного производства.
|
56
|
14
|
10
|
19
|
23
|
| Тема 3.1.
|
Проектирование производства работ и организации строит-ства.
|
10
|
6
|
4
|
| 1
|
2
|
3
|
4
|
5
|
6
|
7
|
8
|
| Тема 3.2.
|
Основы поточной организации строительного производства.
|
4
|
4
|
| Тема 3.3.
|
Календарное и сетевое планирование.
|
18
|
8
|
6
|
4
|
6
|
| Тема 3.4.
|
Строительный генеральный план.
|
20
|
6
|
4
|
8
|
6
|
| Тема 3.5.
|
Контроль за строительством.
|
4
|
1
|
3
|
| Курсовой проект
|
50
|
50
|
| Подсчет объемов работ подземной части
|
4
|
4
|
| Подсчет объемов работ надземной части
|
10
|
10
|
| Составление калькуляции трудозатрат
|
8
|
8
|
| Расчеты к стройгенплану
|
8
|
8
|
| Выбор механизмов
|
2
|
2
|
| Проектирование стройгенплана
|
4
|
4
|
| Составление техкарты
|
6
|
6
|
| Оформление листов
|
4
|
4
|
| Оформление пояснительной записки
|
4
|
4
|
| |
ИТОГО
|
207
|
98
|
22
|
46
|
63
|
Таблица 2 – Учебный график изучения дисциплины
| Наименование
|
Курс обучения
|
Семестр
|
Количество
часов
|
| Практические работы
№№ 1,2,3
№№ 4,5,6,7
|
4
5
|
8
9
|
6
16
|
| Курсовой проект
|
5
6
|
10
11
|
22
28
|
| Экзамен
|
4
5
|
8
10
|
-
-
|
6
3. Перечень рекомендуемой литературы
| 1. Ангизидов, В.А. Технология возведения зданий и сооружений: Учеб. пособие. – М.: МИКХиС, 1995. – 182 с.: ил.
2. Афанасьев, А.А. Технология строительных процессов – М.: Высшая школа, 2000. -386 с.: ил.
3. Данилов, Н.Н., Булгаков, С.Н., Зимин М.П. Технология и организация строительного производства: Учебник для техникумов. – М.: Стройиздат, 1988. – 752 с.: ил.
4. Зимин, М.П., Арутюнов, С.Г. Технология и организация строительного производства / Госстрой России. Московский колледж градостроительства и предпринимательства, – М.: НПК “Интелвак”, 2001. - 672 с.
5. Организация строительного производства: Учеб. для вузов / Под ред. Т.Н. Цай, В.А.Грабовского. – М.: Изд-во АСВ, 1999. - 426 с.
6. СНиП 12-03-2001 Безопасность труда в строительстве. Часть 1. Общие требования / Госстрой России, - М: Стройиздат, 2001. - 47 с.
7. СНиП 12-03-2002 Безопасность труда в строительстве. Часть 2. Строительное производство / Госстрой России, - М.: Стройиздат, 2002. - 123 с.
8. СНиП 3.04.01-87 Изоляционные и отделочные покрытия / Госстрой СССР. - М.: Стройиздат, 1988. – 41 с.
9. СНиП 3.02-87 Земляные сооружения, основания и фундаменты / Госстрой СССР. - М.: Стройздат, 1988. – 82 с.
10. СНиП 3.03.01-87 Несущие и ограждающие конструкции / Госстрой СССР. - М.: Стройиздат, 1988. – 112 с.
11. СНиП 3.01-85* (с изм. 1. 1987, 2. 1995) Организация строительного производства / Госстрой СССР. - М.: Стройиздат, 1988. – 112 с.
12. Соколов, Г.К. Технология и организация строительства: Учебник / Геннадий Константинович Соколов. – М.: Издательский центр «Академия», 2002. – 528 с.
13. Хамзин, С.К., Карасев, А.К. Технология строительного производства. Курсовое и дипломное проектирование: Учеб. пособие для вузов. – М.: Высшая школа, 1989. – 211 с.: ил.
|
7
Таблица 4 - Перечень практических работ
| № п/п
темы
|
Наименование темы
|
Наименование работ
|
Кол-во часов
|
| Тема 2.3.
|
Земляные работы
|
Практическая работа № 1 «Составление технологической карты на земляные работы»
|
4
|
| Тема 2.5.
|
Каменные работы
|
Практическая работа № 2 «Элементы технологической карты на кирпичную кладку»
|
2
|
| Тема 2.8.
|
Бетонные и железобетонные работы
|
Практическая работа № 3 «Элементы технологической карты на устройство монолитных фундаментов»
|
2
|
| Тема 2.9.
|
Монтаж строительных конструкций
|
Практическая работа № 4 «Определение параметров самоходного крана и привязка его к зданию»
|
2
|
| Тема 2.11
|
Работы по устройству отделочных покрытий
|
Практическая работа № 5. «Элементы технологической карты на штукатурные работы»
|
2
|
| Тема 3.3.
|
Основы поточной организации строительного производства
|
Практическая работа № 6 «Составление календарного графика на заданные циклы работ»
|
6
|
| Тема 3.4.
|
Строительный генеральный план
|
Практическая работа № 7 «Проектирование строй генплана с самоходным краном»
|
2
|
| Практическая работа № 7 «Проектирование строй генплана с башенным краном»
|
2
|
| ИТОГО
|
22
|
8
Таблица 5 - Перечень тем и вопросов самостоятельного изучения и работы
| Наименование раздела
|
Наименование темы
|
Кол-во часов
|
Введение
|
Введение
|
2
|
| Тема 1.1
|
Особенности строительного производства.
|
1
|
| Тема 1.2.
|
Строительные рабочие и организация труда.
|
1
|
| Тема 2.1.
|
Технологическое проектирование строительных процессов.
|
2
|
| Тема 2.3.
|
Производство земляных работ.
|
2
|
| Тема 2.4.
|
Устройство набивных и деревянных свай.
|
2
|
| Тема 2.5.
|
Каменные работы. Натуральные камни.
|
2
|
| Тема 2.8.
|
Бетонные работы в особых условиях.
|
2
|
| Тема 2.9.
|
Монтаж крупнопанельных зданий.
|
2
|
| Монтаж зданий из объемных блоков.
|
2
|
| Монтаж зданий методом подъема этажей и перекрытий.
|
2
|
| Монтаж железобетонных оболочек.
|
2
|
| Техническая документация на производство монтажных работ.
|
4
|
| Тема 2.10.
|
Охрана труда при производстве защитных и иных покрытий.
|
4
|
| Тема 2.11.
|
Понятие о технологии устройства бесшовных полов.
Паркетные полы
«Сухая» внутренняя отделка
|
6
|
| Тема 2.12.
|
Работы по реконструкции сооружений.
|
4
|
| Тема 3.1.
|
Разновидность ППР и ПОС.Основы поточной организации строительного производства.
|
4
|
| Тема 3.2.
|
Классификация потоков
|
4
|
| Тема 3.3.
|
Сетевое планирование.
Разновидности календарных графиков.
Графики дополнительные.
|
6
|
| Тема 3.4.
|
Учет требований окружающей среды в процессе разработки стройгенплана.
Разновидности стройгенпланов.
|
6
|
| Тема 3.5.
|
Контроль за строительством. Органы надзора.
|
3
|
| |
ИТОГО
|
63
|
9
6. Вопросы к экзамену №1
1. Особенности строительного производства.
2. Технологическое проектирование строительных процессов. Техкарты.
3. Карты трудовых процессов.
4. Классификация строительного транспорта. Его краткая характеристика.
5. Специальные виды транспорта.
6. Приемы и средства механизации.
7. Земляные работы в строительстве (общее положение). Виды земляных
сооружений.
8. Грунты, их свойства, характеристика и классификация.
9. Подготовительные и вспомогательные процессы. Водоотлив. Крепление
стенок-выемок.
10. Подсчет объемов земляных работ.
11. Разработка грунтов экскаватором обратная лопата.
12. Разработка грунтов экскаватором прямая лопата.
13. Разработка грунтов экскаватором драглайн и грейферами.
14. Обратная засыпка выемок. Уплотнение грунтов.
15. Закрытые способы разработки грунтов.
16. Методы погружения заранее подготовленных свай. Испытание свай.
17. Методы устройства набивных свай.
18. Устройство сборных и монолитных ростверков. Безростверковые свайные
фундаменты.
19. Устройство свайных фундаментов в зимнее время и в вечномерзлом грунте.
Контроль качества.
20. Технологический нормокомплект для каменных работ. Подмости и леса
различного типа.
21. Организация рабочего места каменщиков.
22. Технология ведения каменных работ.
23. Каменные работы зимой.
24. Контроль качества каменной кладки. Организация работы в звене и бригаде.
Техдокументация.
25. Приемка и складирование столярных изделий, деревянных конструкций на
стройплощадке.
26. Установка столярных изделий (окна, двери, перегородки).
27. Устройство и монтаж деревянных домов. Контроль качества.
28. Основные виды сварок и их применение в строительстве.
29. Технология ручной дуговой сварки.
30. Автоматическая и полуавтоматическая сварка под флюсом. Сущность.
Преимущества.
31. Технология контактной сварки (стыковая, точечная, шовная).
32. Технология газовой сварки. Кислородная резка.
33. Назначение опалубки. Требования к ней. Классификация. Характеристика.
34. Устройство опалубки для основных видов конструкций (фундаменты,
перекрытия ребристые, стены, колонны).
35. Опалубочные леса.
36. Армирование. Монтаж арматуры. Обеспечение защитного слоя. Контроль
качества.
37. Бетонирование конструкций. Нормокмплект.
38. Способы укладки бетона в различные конструкции. Устройство рабочих швов.
39. Специальные способы бетонирования. Бетонирование спецбетонами.
10
40. Распалубливание конструкций, срок и последовательность. Уход за бетонами в
процессе твердения. Ускорение твердения.
41. Особенности бетонирования в зимнее время и в условиях жаркого климата.
42. Контроль качества бетонных работ. Техническая документация.
7. Вопросы к экзамену №2
1. Состав процесса монтажа. Классификация методов.
2. Доставка, складирование, подготовка к монтажу.
3. Выбор монтажного крана.
4. Строповка, подъем, погрузка, установка, выверка, временное закрепление.
5. Монтаж железобетонных элементов: фундаментов, колонн, подкрановых
балок.
6. Монтаж железобетонных элементов покрытий.
7. Монтаж металлических конструкций.
8. Устройство соединений железобетонных конструкций. Защита стыков.
Тоже – металлических.
9. Организация монтажа одноэтажных промышленных зданий.
10. Монтаж зданий из объемных элементов.
11. Монтаж методом подъема этажей.
12. Особенности монтажа в зимних условиях.
13. Устройство рулонной кровли.
14. Устройство мастичной кровли.
15. Устройство кровли из асбоцементных и металлических материалов.
16. Кровельные работы в зимних условиях.
17. Контроль качества теплоизоляционных работ.
18. Контроль качества гидроизоляционных работ.
19. Противокоррозионные покрытия. Работа зимой.
20. Виды штукатурок. Способы ведения работ. Нормокомплект. Штукатурная
станция.
21. Мокрая штукатурка. Ручной и механизированный способы ведения работ.
Технология выполнения декоративной и специальной штукатурок.
Организация штукатурных работ. Контроль качества.
22. Облицовочные работы (керамическая плитка)
23. Ведение штукатурных и облицовочных работ зимой.
24. Облицовочные работы (листы сухой штукатурки, ДВП).
25. Остекление проемов.
26. Технология выполнения малярных работ ручным и механическим
способами.
27. Малярные работы. Подготовка поверхностей под различные виды окрасок.
28. Специальные виды отделок.
29. Покрытие поверхностей рулонными материалами.
30. Малярная станция. Производство малярных работ в зимнее время.
31. Оклейка стен обоями, пленками.
32. Устройство полов. Подготовка основания. Устройство подстилающего
слоя.
33. Технология устройства полов из штучных материалов (плиточные).
34. Полы из паркета.
35. Полы из рулонных материалов. Бесшовные полы.
36. Мозаичные полы. Ксилолитовые полы. Нормокомплект.
11
37. Строительные работы по перевооружению и реконструкции предприятий: земляные работы, устройство полов, отверстий.
38. Реконструкция и перевооружение: бетонные полы, железобетонные работы.
39. Проект организации строительства, проект производства работ. Содержание, данные для проектирования, согласование, утверждение.
40. Сущность и разновидность строительных потоков. Классификация потоков, особенности. Основные параметры потока. Технологические разрывы.
41. Технологическая подготовка строительства. Инженерная подготовка строительства.
42. Календарное планирование. Подсчет объемов работ, определение трудозатрат и машинного времени.
43. Совмещение работ по календарному плану. Учет требований охраны труда. График движения рабочих.
44. ТП календарного плана.
45. График завоза материалов и конструкций. Графики движения машин и механизмов.
46. Стройгенплан. Исходные данные. Состав.
47. Расчет складских площадок и бытовых помещений.
48. Расчет временных коммуникаций.
49. Проектирование стройгенплана.
50. Сдача в эксплуатацию законченных строительных объектов.
Контроль качества.
12
8.
Методические указания для студентов по выполнению
контрольных работ №1 и №2
8.1 Ведение
Данное пособие предназначено для студентов специальности 270103 и имеет своей целью помочь в выполнении контрольной работы №1 и №2 по дисциплине «Технология и организация строительного производства»
Вариант контрольной работы определяется по последней цифре шифра-номера личного дела студента. При окончании шифра на «0» выполняется вариант №10, при последней цифре «1» - вариант №1 и т.д.
При выполнении контрольной работы необходимо соблюдать следующие требования:
- в контрольную работу записывать контрольные вопросы и условия задачи. После вопроса должен следовать ответ на него. Содержание ответов должно быть четким, кратким, по существу вопроса и раскрывать его сущность, по необходимости сопровождаться иллюстрациями (рисунками);
- решение задач следует сопровождать пояснениями;
- вычислениям должны предшествовать исходные формулы;
- для всех исходных и вычисленных физических величин должны указываться размерности.
Работа выполняется в писчем (в тетради) или напечатанном варианте. На каждой странице оставляются поля шириной 3-4см для замечаний преподавателя.
За ответом на последний вопрос приводится список использованных источников и оставляется место для рецензии.
На обложку приклеиваются и заполняются стандартные бланки, которые можно получить на заочном отделении колледжа.
В установленные учебным графиком сроки студент направляет выполненную работу для проверки в колледж.
После получения прорецензированной работы в случае необходимости студенту надо исправить отмеченные ошибки, выполнить все указания преподавателя.
Не зачтенные контрольные работы подлежат повторному выполнению.
Задания, выполненные не по своему варианту, не засчитываются и возвращаются студенту.
13
8.2
Список рекомендуемых источников,
имеющихся в библиотеке колледжа.
1. Гаевой, А.Ф. , Усик, С.А. Курсовое и дипломное проектирование.
Промышленные и гражданские здания: Учебное пособие для техникумов / Под
ред. А.Ф. Гаевого. – Ленинград: Стройиздат, 1987. – 264 с.: ил.
2. Данилов, Н.Н., Булгаков, С.Н., Зимин М.П. Технология и организация
строительного производства: Учебник для техникумов. – М.: Стройиздат, 1988. – 752 с.: ил.
3. Зимин, М.П., Арутюнов С.Г. Технология строительного производства /Госстрой России. Московский колледж градостроительства и предпринимательства, - М.: НПК, Ителвак, 2001.- 672 с.: ил.
4. Методическое пособие для студентов заочной формы обучения по выполнению курсового проекта по дисциплине «Технология и организация строительного производства» / ГОУ СПО «МПК», сост. Иванова М.А., 2006. – 39 с.: ил.
5. Методическое пособие для выполнения дипломного проекта специальность 270103 «Строительство и эксплуатация зданий и сооружений» / ГОУ СПО «МПК», сост. Иванова М.А., Страшко И.В., 2005. – 94 с.: ил.
6. Соколов, Г.К. Технология и организация строительства: Учебник / Геннадий Константинович Соколов. – М.: Издательский центр «Академия», 2002. – 528 с.
7. Хамзин, С.К., Карасев, А. К. Технология строительного производства. Курсовое и дипломное проектирование: Учеб. пособие для . - М.: ВШ, 1989. – 211 с.
14
8.3 Контрольная работа №1
Вариант 1
- Что такое капитальное строительство и области его реализации.
- Опишите искусственное закрепление грунтов.
- Опишите устройство набивных свай.
- Опишите арматурные работы на стройплощадке.
Задача.
Сколько требуется автомашин грузоподъемностью (С) 5 т для ежедневной перевозки на объект с кирпичного завода 75 тыс. шт.(А) кирпича на расстояние 14 км (L) в черте города? Кирпич перевозится на поддонах, транспорт работает в две смены (Т=16 час).
Алгоритм решения:
Принимаем вес одного кирпича (в) ориентировочно 3-4.5 кг
На поддоне укладывается от 380 до 400 штук (n).
1. Определяем вес кирпича на одном поддоне умножением принятого веса одного кирпича на принятое количество кирпичей на поддоне
В=в* n, кг
2. Определяем необходимое количество поддонов
N=А/В, шт.
3. Определяем количество поддонов загружаемых на автомашину за
один раз
N1
=С/ В, шт.
4. Определяем время автомашины в пути, если средняя скорость (V)
движения автомобиля в городской черте составляет по нормам
20 км/ч
Тпуть
= 2L/ V, час
5.Определяем требуемое число автомобилей
N2
= [( N/ N1
)*(Тпуть
*2)]/ Т, шт.
15
Вариант 2
1. Приведите определения понятий: «строительная продукция», «строительные процессы и операции».
2. Приведите классификацию грунтов, их свойства.
3. Изложите особенности свайных работ в зимних условиях.
4. Опишите процессы: приготовление, транспортирование, укладка и уплотнение бетонной смеси при бетонировании различных конструкций.
Задача.
С завода на объект необходимо перевезти железобетонные изделия: колонны массой 3,8 т – 64 шт., балки массой 1,9 т – 34 шт., стеновые панели массой 1,8 т – 96 шт., плиты перекрытий массой 2,1 т – 58 шт. Определить необходимое количество автомашин на одну смену, если расстояние от завода до объекта 6 км (в черте города), время на погрузку и разгрузку каждого изделия 5 мин.
Алгоритм решения:
Принимаем машины
- панелевоз: марка, грузоподъемность, прицеп;
- балковоз: марка, грузоподъемность, прицеп;
- колонновоз: марка, грузоподъемность, прицеп;
- плитовоз: марка, грузоподъемность, прицеп.
1.Расчет машин для перевозки панелей
1.1 Определяем количество панелей перевозимых за один раз (шт):
Nпанел.
= грузоподъемность машины разделить на вес панели.
1.2 Определяем время машины в пути (час):
tпути
= расстояние от завода до объекта туда и обратно разделить
на среднюю скорость движения (среднюю скорость
принимаем 20 км/час).
1.3 Определяем общее время, затраченное на путь и маневры (час):
tобщ.
= tпути
+ tманевр.
1.4 Общая масса перевозимого груза (т):
М панелей
= масса одной панели *на количество панелей.
1.5 Производительность автомобиля
Павт
= Nпанел.
* масса одной панели * n,
где n – число циклов рейсов) машины в смену
n = 8: tобщ.
1.6 Определяем количество машин (шт):
Nмаш. пан.
= М панелей
: Павт
Аналогично определяются количества балковозов, колонновозов, плитовозов.
16
Вариант 3
1. Приведите классификацию строительных рабочих (профессия, специальность, классификация).
2. Опишите разработку грунтов одноковшовыми и многоковшовыми экскаваторами.
3. Опишите виды каменных кладок и ее элементы.
4. Приведите основные правила бетонирования конструкций. Устройство рабочих швов.
Задача.
Определить необходимое количество автомобилей в одну смену для доставки с завода на объект, расположенный в черте города, следующих железобетонных изделий: колонн массой 6,6 т – 86 шт., балок массой 5,6 т – 54 шт., плит перекрытий массой 2,8 т – 88 шт. Принять время на погрузку и разгрузку каждого изделия по 6 минут, расстояние от завода до объекта 10 км.
Алгоритм решения:
Принимаем машины
1 колонновоз: марка, грузоподъемность, прицеп;
2. балковоз: марка, грузоподъемность, прицеп;
- плитовоз: марка, грузоподъемность, прицеп.
1.Расчет машин для перевозки колонн
1.1 Определяем количество колонн перевозимых за один раз (шт):
Nкол.
= грузоподъемность машины разделить на вес панели.
1.2 Определяем время машины в пути (час):
tпути
= расстояние от завода до объекта туда и обратно разделить
на среднюю скорость движения (среднюю скорость
принимаем 20 км/час).
1.3 Определяем общее время, затраченное на путь и маневры (час):
tобщ.
= tпути
+ tманевр.
1.4 Общая масса перевозимого груза (т):
Мкол
= масса одной колонны *на количество колонн.
1.5 Производительность автомобиля
Павт
= Nкол.
* масса одной колонны * n,
где n – число циклов рейсов) машины в смену
n = 8: tобщ.
1.6 Определяем количество машин (шт):
Nкол-.воз.
= Мкол
. : Павт
Аналогично определяются количества балковозов, плитовозов.
17
Вариант 4
1. Опишите основные принципы организации труда в строительстве. Звенья, бригады, их виды.
2. Опишите разработку грунтов бульдозерами, скреперами, грейдерами.
3. Опишите системы перевязки швов при каменной кладке.
4. Что такое торкретирование при бетонировании?
Задача.
В пределах захватки объем работ по кирпичной кладке средней сложности для наружных стен толщиной в 2 кирпича составляет 260 м3
, внутренних стен толщиной в 1,5 кирпича – 180 м3
, площадь перегородок толщиной в 0,5 кирпича – 210 м3
. Определить трудоемкость работ и состав бригады каменщиков, если планируемое перевыполнение норм 20 %, ритм работы бригады – 1 ярус в смену, высота этажа – 2,5 м.
Алгоритм решения:
1.Составляем калькуляцию трудозатрат. Для того воспользуемся ЕНиР Е3.
| Наименование
работ
|
Объем
|
Обоснование
|
Трудозатраты, чел*час
|
| Единицы измерения
|
Всего
|
На единицу
объема
|
Всего
|
|
|
|
|
|
|
|
| Итого
|
|
|
|
|
Т
|
Примечание:
при определении трудозатрат на кладку перегородок необходимо от объема перегородок в м3
. перейти к м2
.
2.Опреляем трудозатраты с учетом перевыполнения нормы на 20%
Тпер.
=(Т*02)+Т, чел*час
3.Определяем высоту яруса ведения работ
Няр.
= 0,5*Нэтажа
, м.
4.Принимаем все здание за одну захватку
Состав звена 2 человека.
В бригаде 12 звеньев.
5.Опеделяем общее число рабочих в смену:
А=16*2/2=16 чел.
6.Определяем трудозатраты в смену, чел.*час:
Т= Тпер.
/2
7.Определение продолжительности работ, в часах:
n= Т/А
8. Определение продолжительности работ, в днях:
N= n/8
18
Вариант 5
1. Приведите определение производительности труда в строительстве. Основные пути ее повышения. Выработка, трудоемкость.
2. Опишите закрытые способы разработки грунтов.
3. Что включает нормокомплект для каменной кладки? Леса и подмости для каменных работ.
4. Опишите вакуумирование при бетонировании.
Задача.
Определить трудоемкость работ по устройству 48 железобетонных монолитных фундаментов, если для одного фундамента необходимы: объем бетона 8 м3
, площадь опалубки, соприкасающейся с бетоном 22 м3
, масса арматуры 126 кг, опалубка устраивается из готовых щитов площадью более 2 м2
, арматура состоит из сварных сеток массой до 50 кг. Укладка бетона ведется кранами в бадьях.
Алгоритм решения:
1. Определение объема бетона на все фундаменты, м3
:
Vобщ.
= Vодного
* количество фундаментов
2. Определение количества сеток для всех фундаментов, шт.:
n = масса арматуры : масса одной сетки
3. Составляем калькуляцию трудозатрат. Для того воспользуемся ЕНиР Е4.
| Наименование
работ
|
Объем
|
Обоснование
|
Трудозатраты, чел*час
|
| Единицы измерения
|
Всего
|
На единицу
объема
|
Всего
|
|
|
|
|
|
|
|
| Итого
|
|
|
|
|
19
Вариант 6
1. Опишите организацию строительных процессов. Приведите определения понятий: «рабочее место», «фронт работы», «захватка», «делянка», «ярус».
2. Опишите разработку грунтов гидромониторами и землесосными установками.
3. Опишите организацию рабочего места каменщика, ведение работ различными звеньями каменщиков, основные приемы при кладке.
4. Изложите особенности бетонирования легких, жаростойких, кислотоупорных и особо тяжелых бетонных смесей.
Задача.
Определить трудоемкость работ по устройству 124 железобетонных монолитных фундаментов, если для одного фундамента объем бетона 6,2 м3
, площадь всей опалубки, соприкасающейся с бетоном 538 м2
, масса всей арматуры 2 500 кг. Опалубка устраивается из готовых щитов более 2 м2
. Арматура состоит из сварных сеток массой до 50 кг. Подача бетона производится кранами в бадьях.
Алгоритм решения:
1. Определение объема бетона на все фундаменты, м3
:
Vобщ.
= Vодного
* количество фундаментов
2. Определение количества сеток для всех фундаментов, шт.:
n = масса арматуры : масса одной сетки
3. Составляем калькуляцию трудозатрат. Для того воспользуемся ЕНиР Е4.
| Наименование
работ
|
Объем
|
Обоснование
|
Трудозатраты, чел*час
|
| Единицы измерения
|
Всего
|
На единицу
объема
|
Всего
|
|
|
|
|
|
|
|
| Итого
|
|
|
|
|
20
Вариант 7
- Опишите виды транспорта, используемые в строительстве, и факторы, влияющие на его выбор, повышение эффективности его использования.
- Опишите разработку грунтов бурением и взрывами.
- Изложите особенности каменных работ в зимних условиях.
- Опишите раздельное бетонирование; бетонирование под водой.
Задача.
Подобрать сваебойное оборудование (варианты копровых установок и молот) для забивки железобетонных свай длиной 8 м, сечением 40×40 см, если масса наголовника сваи – 80 кг, несущая способность свай по грунту – 35 т. Определить трудоемкость и продолжительность сваебойных работ, если количество забиваемых свай – 180, среднее время погружения – 45 минут, работы ведутся в две смены.
Алгоритм решения:
1. Определяем характеристику молота
Э =1.75аР, Дж,
где а - коэффициент, принимаем равным 25;
Р – несущая способность сваи, Н (1т = 10000Н).
Выбираем по ЕНиР Е12 молот (марка и основные характеристики: Эр
, Qn
).
2. Определяем массу сваи с наголовником
q = qсв.
+ qнагол.,
кг,
qсв.
= Vсв.
*ρ, кг,
где ρ –объемный вес железобетона (в среднем 2500кг/м3
).
3. Проверяем условие
К≥Кф
= Qn
+ q/Эр
4. Выбираем копровую установку.
Далее проводим еще один расчет с другим типом (маркой) молота и выбираем другой вариант копровой установки. Сравниваем показатели и делаем вывод.
21
Вариант 8
1. Опишите погрузочно-разгрузочные работы в строительстве, их организацию и пути повышения эффективности.
2. Изложите особенности земляных работ в зимних условиях и в условиях вечной мерзлоты.
3. Опишите плотничные работы на стройплощадке.
4. В чем заключается уход за бетоном. Ускорение его твердения. Что такое распалубка конструкций?
Задача.
Определить эксплуатационную производительность экскаватора, оборудованного прямой лопатой с емкостью ковша 0,8 м3
при разработке тяжелой глины с погрузкой в автосамосвалы грузоподъемностью 9 т. Рассчитать необходимое количество самосвалов для отвозки грунта на расстояние 5 км в черте города. Время на разгрузку и маневры принять 7 минут.
Алгоритм решения:
1. Определение нормы времени (Нвр.
) по ЕНиР Е2 вып.1 См. приложение данного пособия)
2. Принимаем объемный вес глины ρ=1800кг/м3
3. Определяем объем глины на загрузку одного автосамосвала
Vглины
= грузоподъемность самосвала : на ρ, м3
4. Определяем время самосвала в пути
tпуть
= расстояние отвозки: на скорость автомобиля, час.
Принимаем среднюю скорость движения 20км/час.
5. Определяем общее время работы самосвала на оду поездку
tобщ.
= tпуть
+ tманевра
, час.
6. Определяем число ковшей, погружаемых в самосвал
n = Vкузова
/Vк.ф.
, шт.
где Vк.ф.
- фактический объем ковша, м3
.
Vк.ф
= Vкузова
* ке,
Принимаем ке
=0,9.
7. Определяем производительность автосамосвала
Павт.
= Vкузова
*8/ tобщ.
, м3
/см.
8. Определяем эксплуатационную производительность экскаватора
Пэкск.
=8*100/ Нвр.
, м3
/см.
9. Определяем число автосамосвалов n = Пэкск
/ Павт,
машин.
22
Вариант 9
- Опишите виды земляных сооружений. Что такое подготовительный период при земляных работах?
- Опишите методы испытания свай, выравнивая оголовков свай; устройство ростверков.
- Опишите столярные работы; способы их выполнения в условиях стройплощадки.
- Изложите особенности зимнего бетонирования.
Задача.
Определить объем прямоугольного котлована, имеющего размеры по дну 12×48 м и глубину в месте пересечения диагоналей 3,5 м. Крутизна откосов 1:m = 1:0,67. Поперечный уклон местности (iпоп.
)=0,12. Продольный уклон (iпрод.
) местности равен нулю.
Алгоритм решения:
- Определяем объем котлована без учета уклонов
Vк
= Н/6[(2Вн
+Вв
)*Lн
+(2Вв
+Вн
)*Lв
], м3
,
где Вн
и Lн
– ширина и длина котлована по низу, м,
Вв
и Lв
– ширина и длина котлована по верху, м,
Вв
= Вн
+2Нm, м
Lв
= Lн
+2Нm, м
- Определяем добавочный объем с учетом уклона
а
 Вв
h1
iпоп
=
h1
/ Вн
отсюда h1
= iпоп
* Вн
, м
V1
= Вв
* Lв
*h1
, м3
V2
= Lв
*h1
*а, м3
3. Определяем общий объем котлована Vобщ.
= Vк
+ V1
+ V2,
м3
.
23
Вариант 10
1. Что такое водоотводы, водоотливы, водопонижение при земляных работах?
2. Опишите способы погружения готовых свай.
3. Опишите опалубочные работы на стройплощадке.
4. Как осуществляется контроль качества бетона?
Задача.
Котлован глубиной 3,5 м и размерами по дну 12×68 м заполняется суглинистым грунтом. Определить объем грунта, необходимого для засыпки с учетом его уплотнения. Подобрать машины и рассчитать трудоемкость работ при уплотнении грунта.
Алгоритм решения:
- В зависимости от типа грунта находим коэффициент естественного откоса «m» и коэффициент первоначального разрыхления «Кр
» (см. конспект лекций). Коэффициент «m» определяем методом интерполяции.
- Определяем объем грунта требуемый для засыпки котлована без учета уплотнения
V = Н/6[(2Вн
+Вв
)*Lн
+(2Вв
+Вн
)*Lв
], м3
,
где Н – глубина котлована, м;
Вн
– ширина котлована по низу, м;
Вв
– ширина котлована по верху, определяется по формуле
Вв
= Вн
+2Н m, м;
Lн
– длина котлована по низу, м;
Lв
– длина котлована по верху, определяется по формуле
Lв
= Lн
+ 2Н m, м;
3. Определяем объем грунта требуемый для засыпки котлована с учетом уплотнения
Vзас.
= V * Кр
, м3
4.Выбирается бульдозер или экскаватор и каток для уплотнения. Для этого можно воспользоваться ЕНиР Е2 или справочниками по строительным машинам.
5.Составляется калькуляция трудозатрат. Для ее составления необходимо воспользоваться ЕНиР Е2 вып.1.
| Наименование
работ
|
Объем
|
Обоснование
|
Трудозатраты, чел*час
|
| Единицы измерения
|
Всего
|
На единицу
объема
|
Всего
|
|
|
|
|
|
|
|
| Итого
|
|
|
|
|
24
8.4 Контрольная работа №2
Вариант 1
- Опишите подготовку оснований под устройство кровли из различных материалов.
- Опишите производство обойных работ.
- Как производится установка, выверка и временные закрепления конструкций при монтаже. Безвыверочный монтаж.
- Изложите состав и организацию предпроектных изыскательных работ.
Задача.
Подобрать по техническим показателям стреловой самоходный кран для монтажа одноэтажного промышленного здания. Сетка колонн 12´18 м, отметка верха колонн 7,2 м, верха подкрановой балки – 5,6 м. Масса крайней колонны – 6,8 т, средней – 8,2 т, подкрановой балки – 4,2 т, отметка верха стропильной фермы – 9,7 м, масса фермы – 9,6 т, масса плиты покрытия – 3,8 т.
Решение.
Тип монтажного крана определяется в зависимости от габаритов здания, массы и размеров монтируемых элементов; объема работ.
Выбор крана производим аналитическим и графическим способами.
1. Аналитический способ выбор самоходного крана.
1.1 Определение грузоподъемности крана. Выбор захватных приспособлений.
Таблица 1 - Определение грузоподъемности крана
| Наименование конструкции
|
Вес конструкции
Q1
(т)
|
Вес стропа
Q2
(т)
|
Общая грузопод.
Q
|
Расчетная высота стропа, м
|
Марка стропа
|
| Q = Q1
+ Q2
|
Принимаем в дальнейший расчет «Q» с максимальным значением.
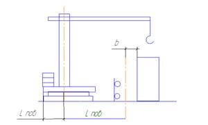
1.2 Определение практического вылета стрелы.
Lстр
= Rxb
+ 1 + 1/2 lконстр
; (1)
где Lстр
– вылет стрелы, м;
Rxb
– радиус «хвоста» крана (принимаем 3,8 – 4,2 м).
1 – 1 метр безопасное расстояние.
1/2 lконстр
– половина длины монтируемой конструкции, м.
(см. рисунок 1)
1.3 Определяем высоту подъема крана. (см. рисунок 1)
Hкрюка
= hзд
+ 0,5 + hстр
+ hконстр.
; (2)
где hзд
– высота, на которую монтируется конструкция, м.
0,5 – монтажный запас, м.
hстр
– расчетная высота стропа, м.
hконстр
– высота (толщина), монтируемой конструкции, м.
25
1.4 После выбора параметров (Qmax
; Lстр
; Hкрюка
) подбираем по справочнику (таблица, график) марку самоходного крана.
2. Графический способ выбора самоходного крана.
2.1 Определяем грузоподъемность крана (см. пункт 1.1)
2.2 Выполняем схему работ крана (рис. 1) с соблюдением всех параметров в масштабе. Проводим измерение величин по чертежу: Hкр
; Lстр
; lстр
.
2.3. По полученным параметрам по справочнику подбираем марку крана.
Этот способ является более точным, т.к. позволяет определить lстр
(длину стрелы крана) и более быстрым в подборе.

Рисунок 1 – Графический выбор крана
ПРИМЕЧАНИЕ
При аналитическом подборе желательно всегда делать чертеж (схему монтажа) и проверить длину стрелы крана, для того чтобы она не разрушила («не легла») близлежащие конструкции (стену).
Для контрольной работы расчет ведем по стропильной ферме, как наиболее тяжелой конструкции. Монтируется ферма на оголовок колонны (отм.+7.200).Монтаж ведется способом «на себя» (при подсчете вылета стрелы принимаем величину 1/2 lконстр
=0).
26
Вариант 2
- Опишите устройство кровли из обычного и направляемого рубероида.
- Опишите устройство оснований под полы из различных материалов.
- Опишите монтаж фундаментов стаканного типа, фундаментных балок и цокольных панелей.
- В чем заключается инженерная подготовка стройплощадки? Внутриплощадочные подготовительные работы.
Задача.
Подобрать по техническим показателям башенный кран для монтажа 16-этажного крупнопанельного дома с поперечными несущими стенами. Размеры здания 64´ 12 м. Отметка грунта (-1,2), отметка верха здания (+52,2 м). Масса самоготяжелого элемента – 7 т.
Решение.
Тип монтажного крана определяется в зависимости от габаритов здания, массы и размеров монтируемых элементов; объема работ.
Выбор башенного крана производим аналитическим способам.
1. Определение грузоподъемности крана. Выбор захватных приспособлений.
Таблица 1 - Определение грузоподъемности крана
| Наименование конструкции
|
Вес конструкции
Q1
(т)
|
Вес стропа
Q2
(т)
|
Общая грузопод.
Q
|
Расчетная высота стропа, м
|
Марка стропа
|
| Q = Q1
+ Q2
|
Принимаем в дальнейший расчет «Q» с максимальным значением.
2. Определение практического вылета стрелы.
Lстр
= Rо.з
+ 1/2 lконстр
+ l до
констр
где Lстр
– вылет стрелы, м;
1/2 lконстр
– половина длины монтируемой конструкции, м;
l до
констр
– расстояние до середины самой дальней монтируемой конструкции
( или дальней точки здания), м.
Rо.з
– опасная зона поворотной платформы, м.
Rо.з
=2(Rлов.
+1б
)
где 1б
=1м (безопасный проход)
(см. рисунок 1)
3. Определяем высоту подъема крана.
Hкрюка
= hзд
+ 0,5 + hстр
+ hконстр.
;
где hзд
– высота, на которую монтируется конструкция, м.
0,5 – монтажный запас, м.
hстр
– расчетная высота стропа, м.
hконстр
– высота (толщина), монтируемой конструкции, м.
(см. рисунок 1)
4. После выбора параметров (Qmax
; Lстр
;
Рисунок 1 Hкрюка
) подбираем по справочнику
(таблица, график) марку башенного крана.
27
Вариант 3
1. Опишите устройство мастичной кровли.
2. Опишите устройство полов из штучных материалов.
3. Опишите монтаж железобетонных колонн, подкрановых балок.
4. Какова структура технологических карт на производство строительно-монтажных работ? Их состав, привязка типовых технологических карт к местным условиям.
Задача.
Произвести расчет площади администативно-бытовых помещений: контора прораба, гардеробная, душевая, умывальная, помещения приема пищи, сушки одежды, обогрева рабочих, уборные. Наибольшее число рабочих на объекте в смену 180 человек, из них – 65 женщин.
Решение.
Площадь временных зданий и сооружений определяются по максимальной численности работающих:
Nобщ. = ( Nmax.раб. + Nитр. + Nслуж. + Nмон.)*k,
где Nmax.раб.- общая численность работающих на стройплощадке по графику движения рабочих (таблица1), чел;
Nитр.- численность ИТР (таблица1), чел;
Nмол. – численность младшего обслуживающего персонала и охраны (таблица1), чел;
Nслуж.- численность служащих (таблица1), чел;
k = 1,05 – 1,06 – коэффициент , учитывающий отпуска , болезни.
Таблица1 - Процентное соотношение категорий работающих, %
| Вид строительства
|
Рабочие
|
ИТР
|
Служащие
|
МОП и охрана
|
| Промышленное
Транспортное
Сельскохозяйственное
Жилищно-гражданское
|
83,9
83,3
83,0
85,0
|
11
9,1
13,0
8,0
|
3,6
6,2
3,0
5,0
|
1,5
1,4
1,0
2,0
|
28
Выбор временных зданий производится по таблице 2 (пример)
Таблица 2 - Расчеты площадей временных зданий
| Временные здания
|
Количество работающих
|
Количество пользующихся этим помещением
|
Площадь помещения
|
Тип временного здания
|
Размеры здания
|
| Служебные
Контора
|
100
|
4
|
Передвижные.
Вагон сборно-разборный
|
9*2,7
|
| Санитарно-бытовые
Гардероб
Душевая
Умывальная
Сушилка(для одежды и обуви)
Помещения для обогрева или защиты от солнечной радиации
Помещения для приема пищи и отдыха
Туалет с умывальником
|
70
50
50
40
50
50
100
|
0,7
0,54
0,2
0,2
0,1
1
0,1
|
Передвижные.
Вагон
То же
То же
То же
То же
То же
Контейнер
|
1,1*3
8,5*3,1
8,5*3,1
1,8*2,6
9*2,7
9*2,7
6*3
|
29
Вариант 4
1. Опишите устройство кровли из асбестоцементных листов и черепицы.
2. Опишите устройство полов из рулонных материалов.
3. Опишите монтаж стропильных ферм, балок и плит покрытия.
4. Изложите порядок отвода участка под застройку. Оформление разрешения на производство строительно-монтажных работ.
Задача.
Определить площадь складской территории для хранения сборных железобетонных изделий: стеновые блоки – 120 м3
, колонны – 60 м3
, стропильные фермы – 80 м3
, подкрановые балки – 25 м3
, плиты покрытия – 130 м3
.
Решение
Расчет складов выполняем по предложенной форме (таблица 1).
Таблица 1 - Расчет площади складов.
| Наимен.
матер-в
|
Материалы на ед. изм
|
Общ.
запас
|
Запас
матер.
в днях
|
Склад
|
Коэф.
испо-
льзов.
|
Способ
складиро-
вания
|
| ед.
изм.
|
общ.
кол-
во
|
суточ.
расх.
|
кол-
во
на 1
кв.м
|
площадь
в кв.м
полез. общ
|
приня-тые
разме-ры
|
| 1
|
2
|
3
|
4
|
5
|
6
|
7
|
8
|
9
|
10
|
11
|
12
|
| кирпич
|
тыс
шт
|
360
|
8
|
0,7
|
24
|
3
|
34,3
|
68,6
|
5*14
|
0,5
|
открытый
|
4гр.=3гр. деленная на продолжительность этой работы согласно календарному графику ( для дано задачи графы 3,4,6 имеют одинаковые значения)
5гр.- заполняется с учетом табл.67 стр.188 (А.Ф. Гаевой)
7гр.- в зависимости от удаленности объекта: для местных материалов 1-5 дней, для привозных 10-15 дней.
11гр.- коэффициент использования площади склада
- открытые склады 0,4- 0,7
Открытому складированию подлежат: кирпич, сборный железобетон, крупный лес. Общую площадь складов можно подсчитать путем суммирования всех ранее подсчитанных площадей
Полезная площадь (гр.8) склада без проходов определяется по формуле:

где Q- запас материалов на складе
q - количество материалов на 1 кв. м площади склада.
Общая площадь склада (гр.9) определяется по формуле или берется из таблицы 1.

где β- коэффициент использования склада, который характеризуется отношением полезной
площади склада к общей.
Коэффициент на проходы принимаем: 0,6- 0,7
30
Вариант 5
1. Опишите производство теплоизоляционных работ.
2. Опишите устройство бетонных полов.
3. Опишите процесс монтажа железобетонных ригелей, плит перекрытия.
4. Изложите состав и назначение календарных планов строительства.
Задача.
Определить выработку на одно звено рабочих, а также трудоемкость и продолжительность работ по монтажу следующих элементов крупноблочного здания:
блоки наружных стен массой 2,2 т – 145 шт.;
блоки наружных стен массой 1,3 т – 88 шт.;
блоки внутренних стен массой 3,4 т – 216 шт.;
блоки внутренних стен массой 2,6 т – 97 шт.;
блоки внутренних стен массой 1,2 т – 63 шт.;
лестничные площадки массой 1 т – 28 шт.;
лестничные марши массой 1,8 т – 14 шт.;
плиты перекрытий массой 2,8 т – 150 шт.;
плиты перекрытий массой 2,1 т – 41 шт.;
плиты лоджий массой 1,1 т – 12 шт.;
стены лоджий массой 0,9 т – 18 шт.
Решение.
- Определяем трудоемкость работ по ЕНиР Е4 «Монтаж сборных и устройство монолитных ж/б конструкций» и заполняем таблицу 1.
Таблица 1 – Калькуляция трудозатрат
| Обоснование
ЕНи Р
|
Наименование
работ
|
Разряд рабочих
|
Ед.
изм.
|
Объем
|
Трудоемкость. чел*час
|
Затраты машинного времени маш*см
|
| На ед.
|
На весь объем
|
На ед.
|
На весь объем
|
| 1
|
2
|
3
|
4
|
5
|
6
|
7
|
8
|
9
|
| Итого
|
V
|
V
|
Графа 1 – указывается параграф ЕНиР, номер таблицы, пункт
Графа 2,5 – перечень работ и количество по заданию
Графы 3, 4, 6,8 - заполняется по ЕНиР
Графа 7 – подсчитывается: гр.5*гр.6
Графа 9 – подсчитывается: гр.5*гр.8
2.Определяем продолжительность монтажа
Т= общую трудоемкость(чел*час) разделить на
число рабочих в звене (чел)
3. Определяем выработку на одно звено
В= сумму всех конструкций (шт.) разделить на
число рабочих в звене (чел)
31
Вариант 6
- Опишите производство гидроизоляционных работ.
- Опишите методы и способы монтажа конструкций и деталей.
- Опишите монтаж стеновых панелей из крупных блоков.
- Каковы назначение, виды и состав стройгенпланов?
Задача.
Подсчитать объемы и трудоемкость работ по устройству рулонной кровли с размерами в плане 72 ´ 144 м на промышленном здании при следующем составе работ:
- устройство пароизоляции из 1 слоя рубероида;
- устройство теплоизоляции из керамзита толщиной 20 см;
- устройство цементно-песчаной стяжки;
- огрунтовка основания;
- устройство рулонного ковра из 3 слоев рубероида.
Способы производства работ принять по своему усмотрению.
Решение
1. Определяем объем работ и заполняем таблицу 1.
Таблица1 – Ведомость объемов работ
| Наименование
работ
|
Формула подсчета, схема
|
Ед изм.
|
Объем
|
2.Определяем трудоемкость ведения работ в табличной форме (таблица 2) используем для составления ЕНиР Е7 «Кровельные работы».
Таблица2 – Калькуляция трудозатрат
| Обоснование
ЕНи Р
|
Наименование
работ
|
Разряд рабочих
|
Ед.
изм.
|
Объем
|
Трудоемкость. чел*час
|
Затраты машинного времени маш*см
|
| На ед.
|
На весь объем
|
На ед.
|
На весь объем
|
| 1
|
2
|
3
|
4
|
5
|
6
|
7
|
8
|
9
|
| Итого
|
V
|
V
|
Графа 1 – указывается параграф ЕНиР, номер таблицы, пункт
Графа 2,5 – перечень работ и количество по заданию
Графы 3, 4, 6,8 - заполняется по ЕНиР
Графа 7 – подсчитывается: гр.5*гр.6
Графа 9 – подсчитывается: гр.5*гр.8
32
Вариант 7
- Опишите последовательность производства штукатурных работ.
- Опишите подготовку конструкций к монтажу.
- Опишите особенности монтажа металлических конструкций.
- Перечислите органы надзора и контроля за строительством, их права и обязанности.
Задача.
Подсчитать объем и трудоемкость работ по устройству полов в помещениях. Размеры паркетных клепок, тип линолеума и керамической плитки принять самостоятельно.
Полы:
- из штучного паркета в 14 помещениях размером каждое 8,0´6,2 м;
- из линолеума в 18 помещениях размером каждое 4,3´4,6 м;
- из керамической плитки в 12 помещениях размером каждое 5,6´3,2 м.
Решение
1.Определяем объем работ и заполняем таблицу 1.
Таблица1 – Ведомость объемов работ
| Наименование
работ
|
Формула подсчета, схема
|
Ед изм.
|
Объем
|
2.Определяем трудоемкость ведения работ в табличной форме (таблица 2) используем для составления ЕНиР Е19 «Устройство полов».
Таблица2 – Калькуляция трудозатрат
| Обоснование
ЕНи Р
|
Наименование
работ
|
Разряд рабочих
|
Ед.
изм.
|
Объем
|
Трудоемкость. чел*час
|
Затраты машинного времени маш*см
|
| На ед.
|
На весь объем
|
На ед.
|
На весь объем
|
| 1
|
2
|
3
|
4
|
5
|
6
|
7
|
8
|
9
|
| Итого
|
V
|
V
|
Графа 1 – указывается параграф ЕНиР, номер таблицы, пункт
Графа 2,5 – перечень работ и количество по заданию
Графы 3, 4, 6,8 - заполняется по ЕНиР
Графа 7 – подсчитывается: гр.5*гр.6
Графа 9 – подсчитывается: гр.5*гр.8
33
Вариант 8
1. Опишите производство облицовочных работ.
2. Опишите процесс монтажа ленточных фундаментов.
3. Перечислите задачи геодезического обслуживания строительства на различных его этапах.
4. Как осуществляется контроль качества строительства?
Задача.
Подсчитать объем и трудоемкость оштукатуривания кирпичных стен и перегородок высотой 3 м, если их общая длина 424 м. В стенах и перегородках имеется 8 оконных проемов размерами 1,6´1,4 м, 10 оконных проемов размерами 1,4´1,2 м, 8 дверных проемов 1´2 м. Оштукатуривание ведется с двух сторон. Способ оштукатуривания (ручной или механизированный) принять на свое усмотрение.
Решение
1.Определяем объем работ и заполняем таблицу 1.
Таблица1 – Ведомость объемов работ
| Наименование
работ
|
Формула подсчета, схема
|
Ед изм.
|
Объем
|
2.Определяем трудоемкость ведения работ в табличной форме (таблица 2) используем для составления ЕНиР Е8-1 «Отделочные работы».
Таблица2 – Калькуляция трудозатрат
| Обоснование
ЕНи Р
|
Наименование
работ
|
Разряд рабочих
|
Ед.
изм.
|
Объем
|
Трудоемкость. чел*час
|
Затраты машинного времени маш*см
|
| На ед.
|
На весь объем
|
На ед.
|
На весь объем
|
| 1
|
2
|
3
|
4
|
5
|
6
|
7
|
8
|
9
|
| Итого
|
V
|
V
|
Графа 1 – указывается параграф ЕНиР, номер таблицы, пункт
Графа 2,5 – перечень работ и количество по заданию
Графы 3, 4, 6,8 - заполняется по ЕНиР
Графа 7 – подсчитывается: гр.5*гр.6
Графа 9 – подсчитывается: гр.5*гр.8
34
Вариант 9
1. Опишите производство малярных работ.
2. Опишите механизмы и оборудование, применяемые для монтажа строительных конструкций.
3. Опишите геодезические работы на строительной площадке в разные периоды строительства.
4. Опишите виды документации и порядок сдачи объектов под монтаж и в эксплуатацию.
Задача.
Подсчитать объем и трудоемкость облицовки стен плиткой.
Исходные данные.
| Размеры помещения в плане, м
|
Высота облицовки, м
|
Количество помещений
|
Размеры плиток,
мм
|
| 5,2´8,8
3,6´5,4
4,2´6,2
3,0´5,6
2,0´4,4
|
1,5
1,2
1,8
2,0
1,4
|
12
14
8
10
15
|
100´100
50´150
100´100
150´150
100´100
|
Решение
1.Определяем объем работ и заполняем таблицу 1.
Таблица1 – Ведомость объемов работ
| Наименование
работ
|
Формула подсчета, схема
|
Ед изм.
|
Объем
|
2.Определяем трудоемкость ведения работ в табличной форме (таблица 2) используем для составления ЕНиР Е8-1 «Отделочные работы».
Таблица2 – Калькуляция трудозатрат
| Обоснование
ЕНи Р
|
Наименование
работ
|
Разряд рабочих
|
Ед.
изм.
|
Объем
|
Трудоемкость. чел*час
|
Затраты машинного времени маш*см
|
| На ед.
|
На весь объем
|
На ед.
|
На весь объем
|
| 1
|
2
|
3
|
4
|
5
|
6
|
7
|
8
|
9
|
| Итого
|
V
|
V
|
Графа 1 – указывается параграф ЕНиР, номер таблицы, пункт
Графа 2,5 – перечень работ и количество по заданию
Графы 3, 4, 6,8 - заполняется по ЕНиР
Графа 7 – подсчитывается: гр.5*гр.6
Графа 9 – подсчитывается: гр.5*гр.8
35
Вариант 10
1. Опишите производство стекольных работ.
2. Опишите виды стропов, траверс, захватов и другого такелажного оборудования для монтажа.
3. Опишите особенности монтажа конструкций в зимних условиях.
4. Как осуществляется сдача законченных объектов? Рабочие и государственные приемочные комиссии.
Задача.
Подсчитать объем и трудоемкость окраски водными составами бетонных поверхностей промышленного здания с учетом подготовительных работ. Окраска улучшенная. Способ производства работ (ручной или механизированный) принять на свое усмотрение.
| Окрашиваемая поверхность
|
Размеры, м
|
Количество
|
| Колонны
Потолки
Лестничные марши
Лестничные площадки
|
0,4´0,4´12,2
4,4´3,5
1,0´3,6
2,2´1,6
|
126
97
28
56
|
Решение
1.Определяем объем работ и заполняем таблицу 1.
Таблица1 – Ведомость объемов работ
| Наименование
работ
|
Формула подсчета, схема
|
Ед изм.
|
Объем
|
Примечание
: при подсчете объемов работ по окрашиванию колонн учитывать, что у одной колонны окрашивается четыре грани размерами 0,4х1,22м.
2.Определяем трудоемкость ведения работ в табличной форме (таблица 2) используем для составления ЕНиР Е8-1 «Отделочные работы».
Таблица2 – Калькуляция трудозатрат
| Обоснование
ЕНи Р
|
Наименование
работ
|
Разряд рабочих
|
Ед.
изм.
|
Объем
|
Трудоемкость. чел*час
|
Затраты машинного времени маш*см
|
| На ед.
|
На весь объем
|
На ед.
|
На весь объем
|
| 1
|
2
|
3
|
4
|
5
|
6
|
7
|
8
|
9
|
| Итого
|
V
|
V
|
Графа 1 – указывается параграф ЕНиР, номер таблицы, пункт
Графа 2,5 – перечень работ и количество по заданию
Графы 3, 4, 6,8 - заполняется по ЕНиР
Графа 7 – подсчитывается: гр.5*гр.6
Графа 9 – подсчитывается: гр.5*гр.8.
36
Примечание
При выполнении курсового проекта по дисциплине рекомендуется пользоваться «Методическим пособием для студентов заочной формы обучения по выполнению курсового проекта по дисциплине «Технология и организация строительного производства».
Заключение
Изучение дисциплины имеет практическую направленность и проводится в тесной взаимосвязи с другими дисциплинами:
- «Строительные машины»
- «Строительные материалы и изделия»
- «Архитектура зданий»
- «Инженерная графика»
- «Охрана труда»
|