| 
СОДЕРЖАНИЕ
| ИСПОЛЬЗУЕМАЯ ТЕРМИНОЛОГИЯ
|
5
|
| ВВЕДЕНИЕ
|
7
|
| ГЛАВА 1. ОЗОНОРАЗРУШАЮЩИЕ ВЕЩЕСТВА И ОБЛАСТИ ПРИМЕНЕНИЯ ОРВ
|
8
|
| ГЛАВА 2. МЕЖДУНАРОДНЫЕ ДОГОВОРА ОБ ОХРАНЕ ОЗОНОВОГО СЛОЯ
|
10
|
| ГЛАВА 3 СТРАТЕГИИ ПО ПРЕКРАЩЕНИЮ ИСПОЛЬЗОВАНИЯ ОРВ
|
13
|
| ГЛАВА 4 СИСТЕМЫ ЛИЦЕНЗИРОВАНИЯ ИМПОРТА/ЭКСПОРТА ОРВ
ГЛАВА 5. ВЛИЯНИЕ ХФУ И ГХФУ
|
16
|
| 5.1 НЕПОСРЕДСТВЕННЫЙ ВЫБРОС ХФУ
|
18
|
| 1.2 НЕПОСРЕДСТВЕННЫЙ ВЫБРОС ХФУ
|
8
|
| 5.2 ОБЩИЙ ЭКВИВАЛЕНТНЫЙ ПОТЕНЦИАЛ ПОТЕПЛЕНИЯ
|
1
9
|
| 5.3 ЗАКОНОДАТЕЛЬСТВО
|
9
|
| 5.3 ЧТО ЖДЕТ ПОТРЕБИТЕЛЕЙ ХФУ?
|
2
0
|
| ГЛАВА 6. ОБЗОР СЕКТОРА ХОЛОДИЛЬНИКОВ
|
2
1
|
| 6.1 РОЛЬ ХОЛОДИЛЬНОЙ ТЕХНИКИ
|
2
1
|
| 6.2 РАЗВИТИЕ ПАРОВЫХ КОМПРЕССИОННЫХ МЕХАНИЧЕСКИХ ХОЛОДИЛЬНЫХ УСТАНОВОК НА ОСНОВЕ ХФУ И ГХФУ
|
21
|
| ГЛАВА 7. ОСНОВНЫЕ КОНЦЕПЦИИ ТЕХНОЛОГИИ ОХЛАЖДЕНИЯ
|
22
|
| 7.1 ВВЕДЕНИЕ
|
2
2
|
| 7.2 ДИАГРАММА МОЛЛЬЕРА
(Давление - Энтальпия)
|
2
2
|
| 7.2.1
. Как анализировать «Диаграмму Молльера»
|
2
2
|
| 7.3 ОСНОВНЫЕ ПОНЯТИЯ ТЕРМОДИНАМИКИ. ЭНТАЛЬПИЯ
|
23
|
| 7.4 ЦИКЛ ОХЛАЖДЕНИЯ ПО ДИАГРАММЕ МОЛЛЬЕРА
|
2
4
|
| 7.4.1
Необходимые условия для изображения холодильного цикла на диаграмме Молльера
|
16
|
| 7.5 ФУНКЦИОНИРОВАНИЕ ХОЛОДИЛЬНОЙ СИСТЕМЫ
|
27
|
| ГЛАВА
8. ОБЩИЕ РАЦИОНАЛЬНЫЕ СПОСОБЫ ТЕХНИЧЕСКОГО ОБСЛУЖИВАНИЯ .
|
28
|
| 8.1 ОБЩИЕ РАЦИОНАЛЬНЫЕ СПОСОБЫ ТЕХНИЧЕСКОГО ОБСЛУЖИВАНИЯ
|
2
8
|
| 8.2 СИМПТОМЫ НАЛИЧИЯ ВЛАГИ В СИСТЕМЕ
|
2
8
|
| 8.3 ПРОДУВКА
|
2
8
|
| 8.4 НЕКОНДЕНСИРУЮЩИЕСЯ ГАЗЫ
|
2
8
|
| 8.5 ВАКУУМ
|
2
9
|
| 8.6 ОТКАЧКА
|
3
2
|
| 8.6.
1 Откачка системы
|
34
|
| 8.7 МАСЛО В СИСТЕМЕ
|
3
5
|
| 8.7.1
Хладагентные масла
|
36
|
| 8.7.2
Замена масла
|
36
|
| 8.7.3
Повторная загрузка масла в герметичный компрессор
|
37
|
| 8.7.4
Добавление масла в полугерметичные или открытые компрессоры
|
37
|
| 8.7.6
Смешиваемость с хладагентами ГФУ
|
38
|
| 8.7.7
Гигроскопичность
|
38
|
| 8.8 ЗАГРЯЗНЕНИЯ
|
38
|
| 8.9 ТЕХНИЧЕСКОЕ ОБСЛУЖИВАНИЕ
|
39
|
| 8.9.1
Обнаружение утечек
|
39
|
| 8.9.2
Причины утечки
|
39
|
| 8.9.3
Галоидная лампа
|
40
|
| 8.9.4
Мыльный раствор
|
41
|
| 8.9.5
Обнаружение с помощью электроприборов
|
41
|
| 8.9.
6
Ультрафиолетовая лампа
|
42
|
| 8.9.7
Обнаружение утечек аммиака (
N
Н3
)
|
42
|
| 8.10 ОБЗОР МЕР ПО БЕЗОПАСНОСТИ
|
43
|
| 8.10.1
Безопасность техника
|
43
|
| 8.10.2
Безопасность оборудования
|
43
|
| 8.10.3
Безопасность содержимого
|
44
|
| ГЛАВА 9 РАЦИОНАЛЬНЫЕ СПОСОБЫ ЭКСПЛУАТАЦИИ УСТАНОВОК
|
32
|
| 9
.1 КЛАССИФИКАЦИЯ ПО ПРИМЕНЕНИЮ
|
45
|
| 9.1.1
Бытовые холодильные установки
|
45
|
| 9.1.2
Торговые холодильные установки
Забиваем Сайты В ТОП КУВАЛДОЙ - Уникальные возможности от SeoHammer
Каждая ссылка анализируется по трем пакетам оценки: SEO, Трафик и SMM.
SeoHammer делает продвижение сайта прозрачным и простым занятием.
Ссылки, вечные ссылки, статьи, упоминания, пресс-релизы - используйте по максимуму потенциал SeoHammer для продвижения вашего сайта.
Что умеет делать SeoHammer
— Продвижение в один клик, интеллектуальный подбор запросов, покупка самых лучших ссылок с высокой степенью качества у лучших бирж ссылок.
— Регулярная проверка качества ссылок по более чем 100 показателям и ежедневный пересчет показателей качества проекта.
— Все известные форматы ссылок: арендные ссылки, вечные ссылки, публикации (упоминания, мнения, отзывы, статьи, пресс-релизы).
— SeoHammer покажет, где рост или падение, а также запросы, на которые нужно обратить внимание.
SeoHammer еще предоставляет технологию Буст, она ускоряет продвижение в десятки раз,
а первые результаты появляются уже в течение первых 7 дней.
Зарегистрироваться и Начать продвижение
|
46
|
| 9.1.3
Кондиционирования воздуха
|
46
|
| 9.1.4
Передвижные кондиционеры воздуха
.
|
46
|
| 9.2 ХОЛОДИЛЬНИКИ.
|
47
|
| 9.2.1
Герметичные компрессоры со встроенным электродвигателем
.
|
47
|
| 9.2.2.
Пусковое реле герметичного компрессора
|
48
|
| 9.2.3
Конденсатор
|
48
|
| 9.2.4
Испаритель
|
50
|
| 9.2.5
Капиллярная трубка
|
50
|
| 9.2.6
Блок управления двигателем
|
52
|
| 9.2.7
Фильтр-осушитель на жидкостном трубопроводе
|
52
|
| 9.2.8
Игольчатый клапан
|
53
|
| 9.2.9
Инструменты
|
54
|
| 9.2.10
Замена фильтра - влагоотделителя
|
54
|
| 9.2.11
Фильтр-осушитель, применяемый при сгорании электродвигателя системы
|
55
|
| 9.2.12
Заправка с помощью зарядного баллона с цифровой шкалой
|
56
|
| 9.2.13
Неисправности и их устранение
|
59
|
| 9.3 ТОРГОВЫЕ ХОЛОДИЛЬНЫЕ СИСТЕМЫ
|
62
|
| 9.3.1
Система многоступенчатого испарителя
.
|
63
|
| 9.3.2
Поршневой компрессор с отрытым приводом
|
63
|
| 9.3.3
Конденсаторы
|
64
|
| 9.3.4
Испарители
|
66
|
| 9.3.5
Расширительные клапаны
|
67
|
| 9.3.6
Фильтр-осушитель
|
70
|
| 9.3.7
Смотровое стекло - индикатор влаги
|
71
|
| 9.3.8
Электромагнитные клапаны
|
71
|
| 9.3.9
Запорные вентили
|
72
|
| 9.3.10
Теплообменник
|
72
|
| 9.3.11
Накопитель жидкости (жидкостной ресивер)
|
73
|
| 9.3.12
Сепаратор масла
|
74
|
| 9.3.14
Линии хладагента
|
75
|
| 9.3.15
Обслуживание торговых систем
|
75
|
| 9.3.15.1
Оборудование по обслуживанию
|
76
|
| 9.3.15.
2 Заправка торговой системы
|
76
|
| 9.3.15.3
Инструкции по общему обслуживанию
|
79
|
| 9.3.16
Возможные неисправности и методы их устранения
|
79
|
| 9.4 МАЛЫЕ СИСТЕМЫ КОНДИЦИОНИРОВАНИЯ ВОЗДУХА
|
83
|
| 9.4.1
Оконные кондиционеры
|
83
|
| 9.4.2
Компактная установка с водяным охлаждением
|
85
|
| 9.4.2.1
Обслуживание компактного агрегата
|
86
|
| 9.4.3
Раздельные воздухоохлаждаемые агрегаты с конденсаторами воздушного охлаждения
|
88
|
| 9.4.3.1
Извлечение хладагента и зарядка установки кондиционирования воздуха раздельного типа
|
89
|
| 9.4.3.2
Обслуживание
|
90
|
| 9.4.4
Выявление и устранение неполадок
|
90
|
| 9.5 КОНДИЦИОНИРОВАНИЕ ВОЗДУХА В АВТОМОБИЛЯХ.
|
94
|
| 9.5.1
Функционирование и эксплуатация
|
95
|
| 9.5.2
Компрессор.
|
96
|
| 9.5.3
Линии подачи хладагента
|
97
|
| 9.5.4
Обслуживание
|
98
|
| 9.5.4.1.
Клапаны для обслуживания системы
|
99
|
| 9.5.4.2
Добавление масла в систему.
|
100
|
| 9.5.4.3
Вакуумирование.
|
100
|
| 9.5.4.4
Зарядка системы
.
|
101
|
| 9.5.4.5
Обнаружение утечек
|
102
|
| 9.5.4.6
Рекомендации по обслуживанию
|
103
|
| 9.5.5
Периодическое обслуживание
.
|
103
|
| 9.5.6
Запуск кондиционера воздуха, установленного в автомобиле
.
|
104
|
| ГЛАВА
10. ИЗВЛЕЧЕНИЕ, ПЕРЕРАБОТКА И УТИЛИЗАЦИЯ
|
105
|
| 10.1 ПРЕДОТВРАЩЕНИЕ ВЫБРОСОВ ХЛАДАГЕНТОВ
|
105
|
| 10.1.1
Определение процессов извлечения, переработки и утилизации
Сервис онлайн-записи на собственном Telegram-боте
Попробуйте сервис онлайн-записи VisitTime на основе вашего собственного Telegram-бота:
— Разгрузит мастера, специалиста или компанию;
— Позволит гибко управлять расписанием и загрузкой;
— Разошлет оповещения о новых услугах или акциях;
— Позволит принять оплату на карту/кошелек/счет;
— Позволит записываться на групповые и персональные посещения;
— Поможет получить от клиента отзывы о визите к вам;
— Включает в себя сервис чаевых.
Для новых пользователей первый месяц бесплатно.
Зарегистрироваться в сервисе
|
106
|
| 10. 1.2
Идентификация распространенных хладагентов
|
107
|
| 10.1.3
Проверка хладагента на содержание загрязняющих веществ
|
107
|
| 10.1.4
Проверка масла на содержание загрязняющих веществ
|
107
|
| 10.2 ИЗВЛЕЧЕНИЕ ХЛАДАГЕНТОВ
|
107
|
| 10.3 ТЕХНОЛОГИИ ИЗВЛЕЧЕНИЯ
|
108
|
| 10.3.1
Пользование установкой
|
109
|
| 10.3.2
Использование собственного компрессора системы
|
111
|
| 10.4 ТЕХНОЛОГИИ РЕЦИКЛИРОВАНИЯ
|
112
|
| 10.5 ТЕХНОЛОГИИ РЕГЕНЕРАЦИИ
|
113
|
| 10.5.1
Установка регенерации хладагента
|
114
|
| 10.6 БЕЗОПАСНОЕ ОБРАЩЕНИЕ С ИЗВЛЕЧЕННЫМ ХЛАДАГЕНТОМ
|
115
|
| 10.7 ИЗВЛЕЧЕНИЕ ХЛАДАГЕНТА ИЗ СИСТЕМ БЫТОВЫХ ХОЛОДИЛЬНИКОВ
|
116
|
| 10.8 ИЗВЛЕЧЕНИЕ ИЗ СИСТЕМЫ КОНДИЦИОНИРОВАНИЯ ВОЗДУХА
|
116
|
| 10.9 ИЗВЛЕЧЕНИЕ ХЛАДАГЕНТА ИЗ ТОРГОВЫХ ХОЛОДИЛЬНЫХ КАМЕР
|
118
|
| 10.10 ОТБОР ХЛАДАГЕНТА ИЗ АВТОМОБИЛЬНЫХ СИСТЕМ КОНДИЦИОНИРОВАНИЯ ВОЗДУХА
|
118
|
| 10.11 ПРОЦЕДУРА ЗАМЕНЫ ТИПА ХЛАДАГЕНТА
|
127
|
| 10.11.1
Установка 17500 для извлечения и переработки хладагента
|
127
|
| 10.12 МОДЕЛЬ
LV
1
|
129
|
| 10.12.1
Порядок извлечения хладагента
|
131
|
| 10.12.2
Самооткачка установки по извлечению
|
132
|
| 10.12.3
Нахождение и устранение неисправностей
LV
1
|
133
|
| ГЛАВА 11. НОВЫЕ ХЛАДАГЕНТЫ
|
135
|
| 11.1
АЛЬТЕРНАТИВНЫЕ ХЛАДАГЕНТЫ
|
135
|
| 11.2 СИСТЕМЫ, ТРЕБУЮЩИЕ МОДИФИКАЦИИ (РЕТРОФИТЫ)
|
135
|
| 11.3. ЗАМЕНА ХФУ-12 НА ГФУ-134А
|
137
|
| 11.4 СМАЗОЧНЫЕ МАСЛА ДЛЯ АЛЬТЕРНАТИВНЫХ ВАРИАНТОВ
|
138
|
| 11.5 АВТОМОБИЛЬНЫЕ КОНДИЦИОНЕРЫ ВОЗДУХА
|
138
|
| 11.6 СИСТЕМНЫЕ ТРЕБОВАНИЯ, ПРЕДЪЯВЛЯЕМЫЕ ПРИ РЕТРОФИТЕ
|
139
|
| ПРИЛОЖЕНИЕ А
ПРИЛОЖЕНИЕ В 156
ИСПОЛЬЗОВАННЫЕ ИСТОЧНИКИ 173
|
141
|
Используемая терминология:
Азеотропы
- смесь хладагентов, жидкая и паровая фаза которых сохраняют одинаковый состав при разных температурах в течение всего цикла охлаждения. В целом смесь обладает свойствами однородной жидкости.
Термофизические свойства - это теплопроводность, теплоёмкость, удельный объём, вязкость и т.д.
Термодинамические свойства- это взаимосвязь между температурой, давлением, объемом, энтальпией и энтропией хладагента в разных условиях.
Зеотропные (не азеотропные) смеси - смесь хладагентов, (жидкостей) состав которых в жидкой и паровой фазе отличаются друг от друга при одной и той же температуре и давлении.
Абсорбция- Извлечение одного или более компонентов из газовой смеси при соприкосновении газов с жидкостью. Процесс характеризуется изменениями в физическом и химическом состояний компонентов.
Абсорбционные холодильные системы
Система, в которой процесс сжатия хладагента обеспечивается термически. Как правило, это происходит, когда абсорбционная жидкость улавливает испаряющийся хладагент, сокращая его объем посредством изменения фазы, с помощью малогабаритного насоса, уравнивающего давление смешанных жидкостей и давление конденсации, дистиллируя хладагент из абсорбционной жидкости теплотой и отправляя пар хладагента из конденсатора, и возвращая абсорбирующую жидкость в абсорбер.
Кондиционирование воздуха
Одновременное управление параметрами воздуха и поддержание их в заданных пределах.
Испарительный конденсатор
Конденсатор, охлаждаемый беспрерывным испарением воды над конденсирующей поверхностью.
Энтальпия
(Также называется теплосодержание). Сумма внутренней энергии и произведения давления и объема. Изменение энтальпии в жидкости измеряет энергию (тепловая или другая форма энергии), приобретенную или потерянную хладагентом (рабочим телом) при прохождении холодильного агрегата.
Энтальпия выражается в кДж/кг (Килоджоуль/ килограмм) с заглавной “I” или обычно используемым обозначением “H”
Извлечение хладагента
- процесс удаления хладагента в любом состоянии из холодильника или кондиционера и хранение его в емкости вне системы, возможно без проведения испытаний или какой-либо переработки.
Рециркуляция хладагента
- процесс снижения содержания загрязняющих веществ в отработанных хладагентах при помощи извлечения масла, удаления неконденсируемых веществ и содержимого фильтров-осушителей, в результате которого снижается влажность, кислотность и содержание твердых частиц.
Регенерация
- процесс переработки отработанного хладагента для получения продукта с новыми характеристиками. Для успешного процесса может потребоваться процесс дистилляции. Для обеспечения соответствующих технических условий продукта необходимо проведение химических анализов.
Эквивалентные заменители хладагента
- смесь, которая может быть заменителем в любой существующей установке без какой-либо модификации оборудования кроме некоторой регулировки. Не требует значительного обслуживания, необходима лишь промывка системы и замена фильтра-осушителя.
Заменители хладагента, требующие модификации оборудования
- смеси, которые могут быть использованы в существующей системе, но только после того, как выполнена некоторая модификация системы, например замена масла на новый вид смазочного масла, замена материала уплотнительного кольца, модификация двигателя компрессора, включая замену изоляции или изменение скорости компрессора.
Заменители хладагента, несовместимые с существующим оборудованием
- смеси, которые не могут быть использованы в существующей системе вследствие различных условий: например большого различия в рабочем давлении, большой разницы в характеристиках потока или несовместимости материалов.
Введение
В основе Монреальского протокола лежат меры регулирования, которые распространяются на производство и потребление, необходимых в коммерческом и экологическом отношении озоноразрушающих веществ. Рост потребления ОРВ был остановлен в конце 1980-х годов вследствие принятия Монреальского протокола, целью которого является снижение и прекращение использования ХФУ и других веществ, содержащих галогены. Кыргызская Республика импортируют ОРВ, а не производит их. Для контроля и мониторинга объемов ОРВ, поступающих в страну и из нее, необходимо создать систему лицензирования импорта и экспорта ОРВ. Успешное функционирование любой системы лицензирования зависит от квалификации таможенного персонала и сотрудников соответствующих служб. Данная книга содержит информацию, которая поможет контролировать ввоз и вывоз ОРВ. Особое внимание в книге уделяется распознанию ОРВ, смесей и продукции, которая содержит ОРВ, оборудованию, деятельность которого основана на использовании этих веществ. В ней предлагаются различные схемы контрабандного провоза регулируемых веществ. Особое внимание следует уделить ХФУ, на долю которых приходится большая часть потребляемых в Кыргызской Республике ОРВ. В книге помещены национальные регулирующие акты и детали функционирования системы лицензирования. Книга содержит информацию об озоновом слое, озоноразрушающих веществах, областях их применения, влияние разрушение озонового слоя на здоровье людей и состояние окружающей среды. Приведена история принятия международных договоров об охране озонового слоя, обязательства по сокращению потребления ОРВ и их сроки для Сторон Монреальского протокола и его Поправок. Область использования ОРВ, на которые эти обязательства не распространяются, и запрет на торговлю со странами, не являющимися Сторонами Монреальского протокола. Кроме того, приведены общие сферы соприкосновения с другими международными природоохранными соглашениями. В приложении содержится много другой полезной информации и материалов, которая может быть интересна для широкого круга специалистов.
Глава 1. Озоноразрушающие вещества и области применения ОРВ
Озоноразрушающие вещества (ОРВ) это химические вещества, которые способны вступать в реакцию с молекулами озона в стратосфере. В своей основе ОРВ – это хлорсодержащие, фторсодержащие или бромсодержащие углеводороды. К ним относятся:
· хлорфторуглероды (ХФУ),
· гидрохлорфторуглероды (ГХФУ),
· галоны,
· гидробромфторуглероды (ГБФУ),
· бромхлорметан,
· метил хлороформ,
· четыреххлористый углерод
· и метил бромид.
Способность химических веществ разрушать озоновый слой называют озоноразрушающей способностью (ОРС). Для каждого вещества принимается ОРС исходя из ОРС для ХФУ-11, равного 1. ОРС для различных ОРВ приведены в Приложении B.
Таблица 1. ОРС для некоторых ОРВ
| Вещества
|
ОРС
|
| ХФУ-1 1
|
1,0
|
| ХФУ-12
|
1.0
|
| Halon-1301
|
10.0
|
| четыреххлористый углерод
|
1.1
|
| метил хлороформ
|
0.1
|
| ГХФУ-22
|
0.055
|
| ГБФУ-22B1
|
0.74
|
| бромхлорметан
|
0.12
|
| бромистый метил
|
0.6
|
В большинстве стран основные объемы потребления ОРВ приходятся на сектор сервисного обслуживания холодильного оборудования и кондиционеров, где ХФУ и ГХФУ используются в качестве хладагентов.
ОРВ также применяются в качестве вспенивающих веществ при производстве пеноматериалов, как чистящие вещества в электронной промышленности, в качестве пропеллентов в аэрозолях, стерилизаторов, средств пожаротушения, фумигаторов для борьбы с вредителями и болезнями, и как сырье для промышленности.
ОРВ используются как хладагенты в холодильных и отопительных системах, системах кондиционирования. ХФУ хладагенты постепенно заменяются менее озоноразрушающими хладагентами ГХФУ (ОРС и ПГП>0), ГФУ (ОРС=0, а ПГП>0) и гидроуглеродами (ОРС и ПГП =0).
Во многих бытовых холодильниках используется ХФУ-12. В коммерческих холодильных установках для демонстрации и хранения свежих и замороженных продуктов в качестве хладагента можно использовать ХФУ-12, R-502 (смесь ХФУ-115 и ГХФУ-22) или ГХФУ –22.
Холодильное оборудование и кондиционеры для автомобильного и железнодорожного транспорта содержат ХФУ-11, ХФУ-12, ХФУ-114, ГХФУ-22 или смеси с ХФУ: R-500 (смесь ХФУ-12 и ГФУ-152a) и R-502 (смесь ХФУ-115 и ГХФУ-22).
Системы кондиционирования и отопления зданий могут содержать большое количество ГХФУ-22, ХФУ-11, ХФУ-12 или ХФУ-114. В кондиционерах большинства старых автомобилей в качестве хладагента применяются ХФУ. Многие заменители ХФУ-12, не требующие замены оборудования, основаны на смесях, содержащих ГХФУ.
ХФУ использовались при производстве полиуретановых, феноловых, полистироловых и полиолефиновых пенопластов. Пеноматериалы применяются в производстве изоляции. В настоящее время ХФУ-11 заменяютcя на ГХФУ-141b или ОРВ не содержащие альтернативы.
ХФУ-113 широко используется в качестве очищающего растворителя при сборке электроники, для точной очистки и общего обезжиривания металлов в процессе производства. Он также используется для химической чистки и для удаления пятен с тканей.
Другие озоноразрушающие сольвенты это метил хлороформ и четыреххлористый углерод.
ХФУ-11 и ХФУ-12 широко применялись в качестве аэрозольных пропеллентов, так как они не огнеопасны, не взрывоопасны и не обладают токсичными свойствами. ХФУ-114 применялся для распыления продукции, содержащей спирт.
ХФУ-113 до сих пор применяется в аэрозолях чистящего назначения. Их можно получать без примесей, и они являются хорошими растворителями.
В аэрозолях распыляют лаки, дезодоранты, пену для бритья, духи, инсектициды, стеклоочистители,
чистящие вещества для печей и духовок,
фармацевтическую продукцию, ветеринарную продукцию, краски, клеи, смазки и масла.
В качестве стерилизаторов в медицине используют смеси ХФУ-12 и этилен оксида. Составляющая ХФУ снижает риск возгорания и взрывоопасности этилен оксида. Эта смесь содержит около 88 % ХФУ-12 и носит название 12/88. Этилен оксид полезен при стерилизации инструментов, которые особенно чувствительны к теплу и влажности, таких как катетеры, а также медицинского оборудования с волоконной оптикой
В целях пожаротушения применяются галлоны и ГБФУ. Сейчас они часто заменяются пенами или углекислым газом.
Бромистый метил использовался и используется как пестицид при фумигации почв для защиты растений и уничтожения вредителей. Он также применяется для карантинной обработки и обработки грузов перед транспортировкой.
ГХФУ и четыреххлористый углерод повсеместно употребляются как сырье для химического синтеза. Четыреххлористый углерод также применяется как катализатор процессов. ОРВ используемые как сырье обычно не выбрасываются в атмосферу, и тем самым не способствуют разрушению озонового слоя.
Глава 2.
Международные договора об охране озонового слоя
Венская конвенция,
разработанная под эгидой ЮНЕП в 1985 году, стала первой попыткой создания основы для совместных действий по защите озонового слоя. Конвенция была подписана 21 государством в марте 1985 года, в том числе Европейским союзом. Стороны Конвенции договорились сотрудничать в области научных исследований для лучшего понимания атмосферных процессов, обмена информацией о производстве ОРВ и продукции, содержащей ОРВ и выбросах для выполнения превентивных мер по контролю выбросов ОРВ.
В 1987 году правительства стран приняли Монреальский протокол по снижению и постепенному прекращению антропогенных выбросов озоноразрушающих веществ. Протокол содержит список контролируемых ОРВ: Пять ХФУ (Приложение A группа I) и три галона (Приложение A группа II) и определяет меры по снижению производства и потребления ОРВ.
Протокол вступил в силу 1 января 1989 года, и на сегодня более 175 стран мира взяли на себя обязательства постепенно изъять ОРВ из производства и потребления.
Монреальский протокол по веществам, разрушающий озоновый слой основан на превентивном принципе, который позволяет мировому сообществу предпринимать действия по решению крупнейшей глобальной экологической проблемы даже до того, как найдены ответы на все научные, экономические и технические вопросы. В соответствие с этим подходом Стороны Монреальского протокола договорились о том, что сам договор будет развиваться, отражая все новые знания об озоновом слое, разрушении озона и прогрессе на пути к разработке и внедрению альтернативных технологий. Это развитие предполагает регулярную и всестороннюю оценку мер, предпринимаемых в соответствии с Монреальским протоколом, и появление соответствующих поправок и корректировок к Монреальскому протоколу.
Для проведения регулярных оценок, Стороны создали три международные группы экспертов и/или научных от промышленных, исследовательских, научных, правительственных и неправительственных организаций. Группы по научной и экологической оценке и технической и экономической оценке.
2.3. Поправки и корректировки
| Корректировки
Монреальского протокола могут изменять расписание изъятия контролируемых ОРВ, а также объемы контролируемых ОРВ на основании новых результатов исследований. Они автоматически вступают в силу для всех стран, ратифицировавших протокол или соответствующие поправки вводящие новые вещества. Корректировки могут изменять текст протокола. Стороны, также, могут принять решение, изменяющее не текст протокола, а его интерпретацию.
Поправки
к Монреальскому протоколу могут вводить меры контроля новых ОРВ. Каждая поправка вступает в силу только после ратификации сторонами. К примеру, страны не ратифицировавшие определенную поправку, не считаются сторонами данной поправки и не несут обязательства в отношении вещества введенного данной поправкой. Для дополнительной информации смотрите раздел посвященный торговле со странами, не ратифицировавшими протокол или поправки.
|
Во время второго заседания Сторон Монреальского протокола в перечень контролируемых ОРВ были включены дополнительные ХФУ, четыреххлористый углерод и метил хлороформ, и предложены меры по их регулированию. Это ускорило существующие на тот момент сроки изъятия и позволило принять дополнительные меры для ХФУ Приложения A и галонов, как в развивающихся, так и в развитых странах. Стороны решили создать Многосторонний фонд для оказания технической и финансовой поддержки развивающимся странам.
Таблица 2: Определение стран, действующих по Статье 5 и стран, не попадающих под действие Статьи 5
| Страны, действующие по Статье 5
–это развивающиеся страны, использующие менее
0,3 кг ОРС контролируемых ОРВ Приложения A на душу населения в год.
|
| Страны, не попадающие под действие Статьи 5,
или страны Статьи 2- это все остальные Стороны Монреальского протокола, в основном развитые страны.
|
На четвертой сессии конференции Сторон список контролируемых веществ был дополнен метил бромидом, ГБФУ и ГХФУ. Были предложены новые меры по контролю производства и потребления метил бромида и ГБФУ, а также потребления ГХФУ в развитых странах. Ускорены сроки изъятия ХФУ, галонов, четырех хлористого углерода и метил хлороформа в развитых странах. Кроме того были оговорены условия производства и потребления ОРВ для основных видов применения.
Венское дополнение 1995 года
На седьмой сессии Конференции сторон были представлены меры контроля метил бромида как для развивающихся, так и для развитых стран. Введен контроль потребления ГХФУ, производства и потребления ГБФУ для развивающихся стран. На 7 сессии также обсуждалась проблема несоблюдения обязательств
На девятой сессии Конференции Сторон были представлены дополнительные меры контроля потребления метил бромида в развивающихся странах и усилены такие меры в развитых странах. Было введено требование по созданию систем лицензирования импорта/экспорта ОРВ.
В ходе одиннадцатой сессии Конференции Сторон бромохлорметан был включен в перечень контролируемых веществ. Был введен контроль производства и потребления бромохлорметана, контроль производства ГХФУ и требование предоставлять отчеты об использовании метил бромида для карантинной обработки и обработки перед транспортировкой.
Каждая Сторона Монреальского протокола и его поправок должна соблюдать свои обязательства. Быть Стороной Монреальского протокола – значит быть Стороной Монреальского протокола, а также всех его поправок, ратифицированных данной страной. Поэтому страна может быть Стороной Протокола, но не быть Стороной какой-либо поправки к нему, которую она еще не ратифицировала.
Два основные обязательства Сторон это соблюдение сроков стабилизации объемов производства и потребления ОРВ и их изъятия, и запрет торговли с государствами, которые не являются Сторонами Протокола.
Каждой из Сторон также не рекомендуется экспортировать в страны не являющиеся Сторонами договоров по озону технологии по производству и использованию веществ, контролируемых в соответствии с приложениями А, В, С и Е. Исключением является экспорт товаров, оборудования, заводов или технологий которые совершенствуют процесс защиты, извлечения, переработки или уничтожения контролируемых веществ, содействуют развитию альтернативных веществ или содействуют снижению выбросов веществ, контролируемых в соответствии с приложениями А, В, С и Е.
Глава 3. Стратегии по прекращению использования ОРВ
Для стран с низким уровнем потребления ОРВ национальный план изъятия представляет собой - План управления хладагентами (ПУХ),
так как в этих странах основной объем ОРВ используется в качестве хладагентов в секторе обслуживания холодильного оборудования и кондиционеров.
Таблица 4. Определение стран с низким уровнем потребления ОРВ
| Страны с низким уровнем потребления
|
| Страны с низким уровнем потребления ОРВ – это страны, действующие в рамках Статьи 5, чей рассчитанный уровень потребления ОРВ ниже, чем 300 ОРС грамм на душу населения в год.
|
Правительством Кыргызской Республики постановлением от 29 апреля 2002 года N263 «О Государственной программе по прекращению использования озоноразрушающих веществ» была утверждена Государственная программа по прекращению использования озоноразрушающих веществ, составной частью которой является план управления хладогентами.
В соответствии с планом обязательства республики заключаются в следующем:
- сократить потребление озоноразрушающих веществ Приложений А и Б Монреальского протокола на 50% к 01.01.2005, на 85% к 01.01.2007 и полностью прекратить к 01.01.2010;
- соблюдать график замещения озоноразрушающих веществ Приложения С Монреальского протокола (замораживание уровня к 01.01.2016 и полное прекращение потребления к 01.01.2040);
- соблюдать график замещения озоноразрушающих веществ Приложения Е Монреальского протокола (замораживание к 01.01.2002, сокращение на 20% к 01.01.2005, полное прекращение к 01.01.2015);
- по возможности ускорить замещение озоноразрушающих веществ относительно сроков, предусмотренных международными соглашениями;
- с помощью международных организаций разработать и ввести надлежащую систему контроля регулирования с целью обеспечения процесса вытеснения озоноразрушающих веществ, оказывать поддержку предприятиям, учреждениям, организациям, компаниям и частным лицам, разрабатывающим и внедряющим озонобезопасные технологии;
- разработать и внедрить систему мониторинга и лицензирования по контролю за импортом озоноразрушающих веществ и обеспечению процесса ограничения использования озоноразрушающих веществ;
- замещение озоноразрушающих веществ озонобезопасными осуществлять с минимальным воздействием и экономическим риском для производителей и потребителей;
- совершенствовать законодательную базу с целью усиления контроля за вытеснением озоноразрушающих веществ;
- обеспечить гласность хода выполнения работ по замещению озоноразрушающих веществ и широкое участие общественности на всех этапах выполнения Государственной программы;
- развивать научные исследования в области производства оборудования и продукции, не содержащей озоноразрушающих веществ, и технологий с применением местных ресурсов.
План действий Правительства по реализации предложенной стратегии по ограничению озоноразрушающих веществ основывается на Стратегии Правительства, описанной в Государственной программе.
Ключевыми компонентами стратегии поэтапного сокращения ОРВ в республике являются:
- Создание системы сертификации технического персонала (регулирование потребления, распространения и использования ХФУ);
- Совершенствование системы лицензирования на торговлю соответствующими ХФУ;
- Программа по повышению осведомленности и стимуляции конечных пользователей сектора охлаждающего оборудования;
- Реализация программы по извлечению и рециркуляции хладагентов;
- Обучение технического персонала сектора охлаждающего оборудования современным методам монтажа, ремонта, сервисного обслуживания и эксплуатации холодильного оборудования, а также практике извлечения и переработке;
- Обучение таможенного персонала и других правительственных организаций мониторингу и контролю над хладагентами;
- Усиление институционального потенциала;
- Руководство и помощь по подготовке и выполнению законодательных мер;
- Мониторинг мероприятий ПУХ.
3.2 План управления хладагентами
Многосторонний фонд предоставляет финансовую помощь странам с низким уровнем потребления для разработки и выполнения плана управления хладагентами (ПУХ). ПУХ это всеобъемлющая стратегия сокращения потребления ОРВ используемых при обслуживании холодильного оборудования и кондиционеров. План управления хладагентами включает мероприятия по снижению потребления и выбросов ОРВ, сокращения потребностей через контроль внедрения нового оборудования и запрет ввоза оборудования, которому для функционирования необходимы ОРВ (особенно ХФУ). Среди инструментов достижения этих целей нормативные акты, экономические стимулы и сдерживающие средства, обучение технического персонала и мероприятия по информированию общественности.
Для Кыргызской Республики ПУХ был разработан и утвержден на 37 встрече Исполнительного комитета Многостороннего Фонда для выполнения Монреальского протокола в июле 2002 г.
Необходимость такого плана возникает из стратегии по сохранению, извлечению и рециркуляции хладагентов и переводу действующего охлаждающего оборудования на альтернативные озононеразрушающие хладагенты, посредством стимуляции конечных пользователей. Для успешной реализации ПУХ необходима координация действий в различных секторах, использующих ОРВ, включая производство, сферу услуг и конечных потребителей, также как и регулирование, контроль торговли, экономические стимулы и барьеры, обучение новым методам обращения с хладагентами технического персонала, обучение таможенных служащих, разработка программ по извлечению и переработке хладагентов, компании по повышению осведомленности населения и т.д.
Сектор хладагентов играет жизненно важную роль для национальной экономики республики. Хладагенты, во всех их формах, являются очень важными продуктами для жизни населения.
Потребление ОРВ в Кыргызской Республике в 2000 г. составляло 67.49 т с учетом ОРС, из этого числа на хладагенты приходится около 55.53 т.
Соответствующее и удовлетворительное обучение в отношении хранения хладагентов, модернизации оборудования, внедрение новых технологий, изъятие и переработка являются очень важными для осуществления запланированного поэтапного сокращения использования ОРВ. Все эти мероприятия являются составными частями Плана управления хладагентами.
Глава 4. Системы лицензирования импорта/экспорта
Кыргызстан не производят ОРВ, и потому полностью зависит от импорта ОРВ. Поэтому для постепенного изъятия ОРВ чрезвычайно важны мониторинг и контроль законной торговли, и предотвращение незаконной торговли ОРВ.
Кыргызстан стремится выполнить обязательства по Конвенции и Протоколу и в стране, предпринимаются шаги для постепенного сокращения потребления ОРВ. Правительством Кыргызской Республики от 6.09.2000 г. принято постановление № 552 «О первоочередных мерах по выполнению Венской конвенции и Монреальского протокола», которым утверждено Положение о государственном регулировании импорта и экспорта озоноразрушающих веществ и содержащей их продукции. Внедрение системы лицензирования импорта и экспорта ОРВ позволит регулировать ввоз/вывоз ОРВ, в соответствии с обязательствами страны, вытекающими из Протокола и для предотвращения незаконной торговли ОРВ, содействия сбору данных и представление отчетов в Секретариат по озону.
Система лицензирования импорта/экспорта позволяют отслеживать и контролировать потоки ОРВ, поступающие в страну и из нее. Система способствует, плавному переходу к технологиям без ОРВ давая возможность импортерам, оптовикам и промышленности четкие сигналы о максимальных количествах ОРВ, которые позволяется ввозить ежегодно вплоть до срока полного их изъятия. Контроль торговли может осуществляться в отношении:
· озоноразрушающих веществ,
· продукции и оборудования, содержащих ОРВ, и
· оборудования, работа которого зависит от постоянного использования ОРВ.
Система лицензирования обычно требует от импортеров и экспортеров перед ввозом или вывозом ОРВ получать специальную лицензию. Эти лицензии позволяют снижать общее количество ОРВ, поступающих в страну (импорт минус экспорт), для соблюдения положений Монреальского протокола и поправок в отношении изъятия. Они также способствуют сбору данных по ОРВ и помогают бороться с незаконной торговлей ОРВ.
Системы лицензирования импорта/экспорта ОРВ обязательны для всех Сторон, ратифицировавших Монреальскую поправку.
Для создания систем лицензирования импорта/экспорта необходима адаптация национального законодательства. Протокол требует, чтобы системы лицензирования охватывали все ОРВ, в том числе чистые, использованные (восстановленные), переработанные или утилизированные ОРВ, с некоторой отсрочкой для ГХФУ и бромистого метила. Регистрация всех импортеров и экспортеров ОРВ осуществляется государственным органом, ответственным за лицензирование. Важно отметить, что отдельные ОРВ могут регулироваться другими государственными органами. Например, во многих странах бромистый метил контролирует Министерство сельского хозяйства. В Кыргызстане лицензию на бромистый метил, как и на все ОРВ выдает Министерство внешней торговли и промышленности.
В таблице 5 показана общая структура и функционирование процесса лицензирования импорта. В левой колонке показан порядок действий для импортера, в правой – порядок действий органов, ответственных за выдачу лицензий.
В соответствии с законом Кыргызской Республики «О лицензировании» Перечень товаров (работ, услуг), подлежащих лицензированию, а также Порядок выдачи и оформления лицензий на совершенствование экспортно-импортных операций устанавливаются Законодательным собранием Жогорку Кенеша КР
Импорт и экспорт могут ограничиваться, например, посредством квот и запретов. Запреты –это полное запрещение ввоза отдельных ОРВ, а также содержащих ОРВ продукции и оборудования. Квота может перерасти в запрет после изъятия данного ОРВ.
Для соблюдения сроков изъятия ОРВ, необходимо определить квоты для каждого типа ОРВ, и затем постепенно сокращать их потребление из года в год. Министерство экологии и чрезвычайных ситуаций может работать с другими ведомствами при определении квот для импортеров. Импортеры могут подавать запрос на получение разрешений на импорт, которые обычно выдаются на основе прошлого опыта участия в импорте. Сумма квот по всем разрешениям (по определенным ОРВ) не должна превышать годовую квоту страны.
Каждый раз, когда импортер желает ввести ОРВ, выдается лицензия на определенное количество. Импортер не должен превышать лимит разрешения по определенному ОРВ.
Любая Сторона может обратиться с заявкой на исключение из запрета для основных видов применения, использования в качестве сырья или технологических агентов. Таможенники должны знать о таких исключениях, и о том, каким образом они отражены в разрешениях на импорт. В этом случае необходима согласованность действий между органами таможни и органом, выдающим лицензию.
Система лицензирования ОРВ также предусматривает мониторинг и контроль экспорта ОРВ, так как вывоз ОРВ уменьшает рассчитанные для страны объемы потребления ОРВ. Отслеживание экспорта ОРВ также поможет предотвратить незаконный вывоз, например экспорт ОРВ в страны, не являющиеся Сторонами.
Глава 5. Влияние ХФУ и ГХФУ
5.1 Непосредственный выброс ХФУ
Глобальный консенсус поддерживает теорию о том, что хлор в искусственных веществах, включая хладагенты ХФУ и ГХФУ, выбрасываемый в атмосферу, является причиной истощения озонового слоя. Разрушение озона связано с увеличением ультрафиолетового излучения гаммы В (UV-B) на поверхности земли. Излучение UV-B вызывает рак кожи, наносит вред растительному и водному миру.
Стабильная структура этих химикатов, с пользой применяющихся на земле, способствует разрушению озонового слоя. Вещества поднимаются в стратосферу в неизменном виде, где они распадаются под воздействием интенсивного ультрафиолетового излучения UV-C, освобождая хлор, который отбирает атом из молекулы озона, преобразуя его в обычный кислород. Хлор действует как катализатор, способствуя разрушению, причем устойчивого изменения молекулы хлора не происходит, что дает ему возможность повторять этот процесс снова и снова.
Самыми опасными являются долговечные химикаты. Срок существования ХФУ-11 в атмосфере - в среднем 50 лет, ХФУ-12 - в среднем 102 года, и ХФУ-113 - в среднем 85 лет. Поэтому, даже после прекращения потребления этих химикатов процесс истощения озонового слоя ими будет продолжаться еще в течение длительного времени.
Международное сообщество признало связь этой проблемы с использованием хладагентов ХФУ и ГХФУ и разработало программу замещения этих хладагентов в соглашении, называющемся Монреальским Протоколом. Монреальский Протокол предполагает прекращение производства ХФУ к декабрю 31, 1995г. в развитых странах и предоставляет льготный 10-летний период развивающимся странам. Протокол ставит условием добиться 65-процентного сокращения производства ГХФУ к началу 2004г. и полного вывода из производства к 2030г. Теория глобального потепления климата может повлиять на успех внедрения различных альтернативных хладагентов или новых технологий, которые могут заменить системы, использующие ХФУ и ГХФУ.
Несомненно, важнейшим условием является целесообразное и тщательное обслуживание всех существующих холодильных систем и систем кондиционирования, действующих в настоящее время, с целью минимизации утечки хладагентов в атмосферу.
Поскольку срок жизни различных газов и СО2
отличается, то различные показатели GWP могут быть рассчитаны в зависимости от рассматриваемого временного горизонта. Срок жизни СО2
составляет около 200 лет в атмосфере; сравнение газа с очень коротким сроком жизни в течение короткого периода преувеличивает парниковый потенциал данного газа и недооценивает парниковый потенциал CO2
. Если же вычисляется GWP из расчета на 500 лет, эффект CО2
преувеличивается, а воздействие газов с непродолжительным сроком жизни на первые 20-50 лет недооценивается.
Поэтому в литературе нужно искать соответствующие индексы GWP - в зависимости от рассматриваемого временного горизонта.
| GWP
|
СО2
|
СН4
|
ХФУ-11
|
ХФУ-12
|
ГХФУ-22
|
ГФУ-134а
|
| 20 лет
|
1
|
63
|
4500
|
7100
|
4100
|
3200
|
| 100 лет
|
1
|
21
|
3500
|
7300
|
1500
|
1200
|
| 500 лет
|
1
|
9
|
1500
|
4500
|
510
|
420
|
Рисунок 1. Различные индексы GWP для различных временных горизонтов
Обычно за основу берется временной горизонт в 100 лет. Глобальное потепление при выбросе ГФУ-134а в б раз меньше, чем при выбросе ХФУ 12. Использование потенциала глобального потепления газов вместе с их ожидаемыми концентрациями в будущем дает картину изменения климата в течение следующего столетия, в период, когда этой проблеме будет уделяться большое внимание со стороны, как ученых, так и политиков всего мира.
Непосредственный выброс ОРВ уже сократился благодаря обнаружению и устранению утечек в холодильных системах и вторичному использованию ХФУ.
5.2 Общий эквивалентный потенциал потепления
Помимо непосредственного воздействия ХФУ, возникающего только при утечках, необходимо учитывать проблему косвенного воздействия, связанного с потреблением энергии охладительными системами. Это косвенное воздействие связано с выбросом нескольких килограммов СО2
в атмосферу при производстве каждого киловатт-часа электроэнергии, используемого для производства холода. Различные опыты и расчеты показали, что косвенный вклад термодинамических систем в парниковый эффект является значительно более высоким, чем прямой вклад от выбросов ХФУ.
Например, косвенный вклад бытового холодильника, используемого ХФУ-12 и с изоляционным материалом - пенополиуретаном, содержащим ХФУ-11, составляет 80% вклада термодинамической системы в парниковый эффект (CO2
, выделяемый в процессе сжигания на электростанциях) ХФУ, выбрасываемые в атмосферу составляют оставшиеся 20%.
Как непосредственный, так и косвенный вклад учитываются в общем, эквивалентном потенциале потепления (TEW1).
Общий эквивалентный потенциал потепления (TEWI), дает разработчикам политик информацию о потенциальном воздействии на глобальное потепление климата вследствие прямых утечек хладагентов и косвенного воздействия СО 2. выбрасываемого электростанциями или выделяемого в результате сжигания топлива, для создания энергии потребляемой холодильными системами для получения эффекта охлаждения. TEWI выражается в кг эквивалента СО 2.
Терминология:
Потенциал глобального потепления (
GWP
)
- это индекс сравнения эффекта потепления вследствие выбросов различных газов в соотношении к равному количеству СО2
(в весовом выражении) на заданный промежуток времени.
Общий эквивалентный потенциал потепления TEWI
, представляет собой сумму прямых утечек хладагентов и косвенного воздействия СО2
, выбрасываемого с электростанций или выделяемого в результате сжигания топлива, необходимого для создания эффекта охлаждения. TEWI выражается в кг эквивалента СО2
.
Существует три типа фторуглеводородных хладагентов:
ХФУ хлорфторуглероды:
Обладают высоким потенциалом истощения озона (ПИО). Хладагенты этого типа включают: R11, R12, R13, R113, R500, R502 и R503.
ГХФУ гидрохлорфторуглероды:
Композиции этого типа содержат атомы водорода ; это приводит к более короткому времени существования этих хладагентов в атмосфере по сравнению с ХФУ. Как результат ГХФУ оказывают гораздо меньшее влияние на истощение озонового слоя. Многие продукты, предлагаемые сейчас в качестве альтернативных, для замены ХФУ, содержат в своем составе ГХФУ как, например R22.
ГФУ гидрофторуглероды:
ГФУ не содержат хлора, а содержат только водород и фтор. Они не разрушают озоновый слой и имеют короткий период жизни в атмосфере. ГФУ считаются долгосрочными альтернативными заменителями ХФУ и ГХФУ для большинства холодильных систем. Например, R 134а или R404а.
5.3 Что ждет потребителей ХФУ?
Пользователи холодильного оборудования могут продолжать использовать хладон R12 и R502, но должны быть готовы к тому, что цены на эти продукты будут расти ежеквартально, и превысят цены на озонобезопасные хладагенты. Две главных причины тому - государственное регулирование и резкое сокращение производства этих хладонов при большом спросе на них. Уже сейчас стоимость новых хладагентов ниже, чем стоимость R502. Такая же тенденция и с R12.
Производители холодильной техники должны быть также готовы к тому, что переоснащение производства для выпуска продукции с озонобезопасными хладагентами займет не меньше года. Ремонтные организации могут использовать сервисные смеси СУВА не требующие изменения конструкции системы, однако работа с этими смесями требует знания некоторых особенностей их использования, поэтому опыт работы нужно приобрести заранее.
Другим важным для потребителей ХФУ фактором является тот, что в преддверии полного запрета ХФУ и в условиях резкого роста цен на них, интерес пользователей холодильной техники к модернизации оборудования также резко растет, возможности же сервисных организаций ограничены. Это означает, что чем позднее пользователь решит произвести такую модернизацию, тем больше ему придется ждать и тем дороже она ему обойдется. Не надо также забывать и о том, что он не сможет экспортировать свою продукцию в страны, где запрещено использование ХФУ. Следовательно, те организации, которые уже начали заниматься проблемой перевода оборудования на озонобезопасные хладагенты, окажутся в наиболее выгодном положении.
Поскольку количества хладонов R12 и R502 поставляемые на рынок быстро сокращаются, то владельцы полугермитичных и открытых холодильных систем должны сейчас рассмотреть возможность ретрофита их оборудования на сервисные хладагенты (на основе ГХФУ). Владельцы герметичного оборудования могут проводить ретрофит только в случае утечки. Оборудование, которое приближается к концу его срока службы может быть заменено на новое, заправленное ГФУ.
Глава 6. Обзор сектора холодильников
6.1 Роль холодильной техники
Холодильная техника играет очень важную роль в сегодняшней жизни, так как холодильное оборудование является основным средством для хранения и перевозки пищевых продуктов. Кондиционирование воздуха является ключевым условием модернизации, высокой производительности и развития информационного века.
Холодильная технология развивалась с течением времени, начиная с получения льда и технологии основанной на его таянии до наиболее распространенных технологий сегодняшнего дня - механического и парового сжатия.
6.2 Развитие паровых компрессионных механических холодильных установок на основе ХФУ и ГХФУ
В 1930-е годы после внедрения ХФУ. ГХФУ и малогабаритных электродвигателей, механические холодильники получили широкое распространение в быту. Многие семьи пользовались также газовыми морозильниками, основанными на принципе охлаждения поглощением аммиака/водяного пара, питание которых осуществлялось не от двигателя, а от газа холодильники применяются до сих пор в фургонах. Сегодня, однако паровые компрессионные холодильники являются наиболее распространенным типом бытовых холодильников.
Рисунок 2 Общий цикл паровой компрессионной холодильной машины
Принципы работы парового компрессионного холодильника в упрощённой форме можно разделить на четыре операции: испарение, сжатие, конденсация и расширение. Основным элементом парового компрессионного холодильника является испаритель, имеющий теплопередающую поверхность, через которую теплота от охлаждаемого пространства или продукта поглощается хладагентом, вследствие чего он кипит. Через всасывающий трубопровод пар низкого давления подаётся из испарителя в компрессор. Компрессор отсасывает пар из испарителя и сжимает его. В результате этого повышается температура и давление пара до такой величины, что он может конденсироваться под воздействием охлаждающей среды. По трубопроводу «горячего газа», (нагнетательному трубопроводу) пар с высоким давлением и температурой нагнетается компрессором и подаётся в конденсатор. Через поверхность конденсатора теплота от горячего пара хладагента передаётся к охлаждающей среде, окружающему воздуху или воде, вследствие чего пар сжимается. По жидкостному трубопроводу жидкий хладагент под высоким давлением поступает к расширительному устройству (регулирующему вентилю). В расширительном устройстве происходит понижение давления хладагента и частичное вскипание жидкости. Пройдя расширительное устройство, хладагент поступает в испаритель и цикл повторяется.
ГЛАВА 7. ОСНОВНЫЕ КОНЦЕПЦИИ ТЕХНОЛОГИИ ОХЛАЖДЕНИЯ
7.1 Введение
В 3-й главе изложены основы передачи тепла и фундаментальные принципы парового компрессионного цикла. Сутью данной главы является объяснение диаграммы Мольера для хладагента, также известной под названием диаграммы давления - энтальпии (Р-Н). Весь паровой компрессионный цикл может быть представлен графически на диаграмме Р-Н и легко объясним. Графически на диаграмме Р-Н можно отразить такие проблемы, как рост давления при конденсации за счет неконденсирующихся газов внутри системы или неправильной вытяжки избыточного тепла, от испарителя.
7.2 Диаграмма Молльера (давление - энтальпия)
Чтобы выяснить причину неполадок, техник должен точно определить, что происходит внутри холодильной системы. Поскольку система герметична, специалист должен использовать манометр для измерения давления и термометр для измерения температуры. Он также должен использовать смотровое стекло системы для проверки количества хладагента и его сухости. Большая часть исследования проводится за счет логического мышления. Наладчик должен знать, что происходит внутри системы и должен иметь четкое представление о функции хладагента и работе каждой части системы. Диаграмма Молльера является важным инструментом при выполнении подобных работ. Диаграмма Молльера также используется для расчета производительности холодильных систем. В данной главе дается объяснение основ диаграммы Молльера. что поможет наладчикам проанализировать состояние холодильной системы.
Диаграмма Молльера, на которой состояние хладагента в любом термодинамическом состоянии в любой части цикла изображается в виде точки, иногда называется "Ln p-h chart" или "Диаграмма давления - энтальпии".
Рисунок 2. Диаграмма давления - энтальпии (Диаграмма Молльера).
7.2.1 Как анализировать
«
диаграмму
Молльера»
Горизонтальные линии на Рисунке 2 являются линиями постоянного давления, а вертикальные линии - линиями постоянной "энтальпии", другими словами, - количества теплоты, содержащегося в одном килограмме хладагента. Обратите внимание, что давление является абсолютным давлением, а шкала является логарифмической.
7.3 Основные понятия термодинамики. Энтальпия
Несмотря на то, что энтальпия иногда определяется как «общее тепло», более правильно и точно этот термин определяется как сумма энергии, содержащейся в определенной массе материала. Расчеты энтальпии представлены ниже.

Рисунок 3
. Линии постоянного давления и постоянной энтальпии
.

Рисунок 4. Линия насыщенной жидкости и линия насыщенного пара[1]
Как показано на Рисунке 4. диаграмма разделена на три основных зоны, которые разграничены линией насыщенной жидкости и линией насыщенного пара.
Зона слева от линии насыщенной жидкости называется «зоной переохлаждения жидкости». В любой точке зоны недогрева хладагент находится в жидком состоянии и его температура ниже температуры насыщения, соответствующая его давлению.
Зона справа от линии насыщенного пара является "зоной перегрева" и хладагент в этой зоне находится в состоянии перегретого пара. Центральная зона диаграммы между линиями насыщения жидкости и пара называется "зоной фазового перехода", в которой происходит переход хладагента из жидкого состояния и паровое. В любой точке между двумя линиями хладагент находится в состоянии смеси жидкости и пара.
Критическая температура
Критической температурой любого газа является самая высокая температура, при которой газ конденсируется под давлением. Критическая температура для разных видов газа неодинакова.
Переход из жидкого состояния в пар происходит слева направо, в то время как переход из состояния пара в жидкость происходит справа налево. В смеси жидкости и пара, ближе к линии насыщения жидкости преобладает жидкость. Наоборот, в смеси жидкости и пара, ближе к линии насыщения пара преобладает пар.
Линии "сухости", идущие от критических точек вниз через центральную секцию диаграммы, приблизительно параллельно линиям насыщенной жидкости и пара, обозначают процентное содержание пара в смеси с приростом на 10%. Например, в любой точке линии сухости ближе к линии насыщенной жидкости сухость смеси жидкости и пара (х) составляет 0.1, это означает, что 10% смеси (в весовом выражении) является паром, а 90% -жидкостью.

Рисунок 7. Линия постоянной температуры
7.4 Цикл охлаждения по диаграмме Молльера
Обычный паровой компрессионный цикл холодильной установки состоит из четырех основных процессов: кипения, сжатия, конденсации и расширения.
Рисунок 10. Показывает цикл охлаждения, который может быть представлен на диаграмме Молльера как показано ниже.

Энтальпия
Рисунок 11. Кипение
Поскольку хладагент кипит при низком постоянном давлении, он проходит горизонтально от точки А до точки В. Эта линия обозначает кипение хладагента, т. е. переход из жидкого состояния в пар в испарителе. Расстояние между В и С обозначает процесс нагрева этого пара в конце испарителя и на линии всасывания.
(В целях упрощения перепад давления между точками В и С не учитывается).

Рисунок 12. Сжатие
Точка С - обозначает состояние пара на входе в компрессор до начала процесса сжатия. Когда пар сжимается до точки D, давление резко увеличивается, и несколько килокалорий тепла добавляются к пару, в то время как компрессор значительно перегревается. D обозначает состояние пара, выходящего из выпускного клапана компрессора.

Энтальпия Рисунок 13. Конденсация
Расстояние между точками D и Е обозначает процесс охлаждения этого перегретого пара до точки конденсации. При Е пар не перегрет и является 100 процентным насыщенным паром. Линия от Е до F обозначает процесс конденсации хладагента в конденсаторе, т.е. переход из пара в жидкость.
Точка F обозначает, что процесс конденсации завершается и хладагент является жидкостью при температуре и давлении конденсации.
От точки F до G температура жидкости понижается во время прохождения вдоль линии до регулятора хладагента.
Процесс обозначенный линией от G до А происходит в регуляторе расхода, при прохождении через который давление жидкости понижается от давления конденсации до давления кипения. Затем цикл повторяется.

Энтальпия Рисунок 14. Расширение от точки G до А.
| Насыщенный пар и жидкость
|
|
| Насыщенный пар и жидкость
|
|
| Сторона высокого давления
|
|
Рисунок 15. Показывает взаимосвязь холодильного цикла при различных состояниях хладагента (как изображено на рисунке 10) с циклом охлаждения на диаграмме Молльера, представленной на рисунке 16 (Программа цикла).
7.4.1 Необходимые условия для изображения холодильного цикла на диаграмме Молльера
Для изображения цикла охлаждения на диаграмме Молльера необходимо наличие четырех рабочих условий. Другими словами, когда следующие четыре условия определены, цикл охлаждения может быть отражен на диаграмме Молльера.
Условия:
- Температура кипения или давление кипения.
- Температура всасываемого пара или степень перегрева всасываемого пара.
- Температура конденсации или давление конденсации.
- Температура жидкости, поступающей в дроссельное устройство, или переохлаждение жидкого хладагента.
7.5 Функционирование холодильной системы
Холодильная система может быть разделена на сторону высокого давления и сторону низкого давления.
Типичная система состоит из следующих компонентов:
1. Сторона высокого давления.
1) Компрессор – как правило, герметичный (или полу герметичный). Часто с сепаратором масла.
2) Конденсатор - как правило, с воздушным охлаждением.
3) Резервуар жидкости – когда используется термостстический расширительный расширительный клапан.
4) Предохранительный блок управления двигателем для регулирования высокого давления.
5) Линия жидкости - с осушителем, смотровым стеклом и отсечными клапанами. Современные системы отличаются по способам использования отсечных клапанов, поскольку необходима герметизация различных отрезков холодильной системы в случае выхода ее из строя.
Регулятор хладагента находится в точке разделения между сторонами низкого и высокого давления. Он состоит из автоматического терморегулирующего клапана или капиллярной трубки.
2. Сторона низкого давления
1) Испаритель
2) Блок управления двигателем для регулирования низкого давления или температуры
3) Линия всасывания - некоторые с фильтрами-осушителями и уравнительными баками. При коротких трубах системы рекомендуется установить аккумулятор всасывания.
ГЛАВА 8. ОБЩИЕ РАЦИОНАЛЬНЫЕ СПОСОБЫ ТЕХНИЧЕСКОГО ОБСЛУЖИВАНИЯ
8.1 Общие рациональные способы технического обслуживания в целом
В данной главе анализируются основные проблемы обслуживания паровых компрессионных холодильников и систем кондиционирования воздуха, а также основные меры предосторожности, которые необходимо принимать при обслуживании новых установок или в случаях, когда системы открыты в целях проведения техобслуживания. Данная глава предоставляет рекомендации инженерам и техническим работникам по оценке наличия влаги и грязи (загрязняющих веществ) в системе, по проведению анализа возникающих проблем со смазочными веществами, обнаружению утечек и принятию мер по технической безопасности.
8.2 Симптомы наличия влаги в системе
Влага в холодильной системе влияет на свойства масла и может вызвать перебои в функционировании установки и возгорание герметичного компрессора. Основные причины попадания влаги в систему: внешние утечки, попадание влаги во время обслуживания или ремонта, во время замены фильтров или смазки.
Влага образует лед в регуляторе хладагента. В это время влага расширяется и заполняет регулятор. Лед закрывает отверстия», блокирует поток в испаритель. Определить эту ситуацию можно по нескольким признакам.
- Система полностью разморозится. Затем, поскольку лед, который вызвал блокировку, исчез, установка опять будет нормально функционировать. Но только на некоторое время пока в регуляторе хладагента опять не образуется лед.
- Другой симптом - понижение давления. Манометр показывает постоянное понижение давления в течение нескольких часов – даже до вакуума. Затем давление вдруг опять становится нормальным. Этот противоестественный цикл будет повторяться.
- Если во время выключения системы нагреть регулятор хладагента безопасной горячей горелкой или лампой лучистой теплоты, лед растает. Если после этого система станет работать нормально, это является признаком попадания влаги в систему.
8.3 Продувка
Продувка - это термин, применяемый для описания процесса удаления, не желаемого воздуха, пара, грязи или влаги из систем. В систему или трубки подается нейтральный газ, например азот, выталкивающий нежелательные частицы из системы. Неконденсирующиеся газы
8.4 Неконденсирующиеся газы
Все загрязняющие газы, кроме хладагента, которые часто обнаруживаются в охладительных установках и кондиционерных системах. Эти газы проникают в герметичные системы следующим образом:
(1) неконденсирующиеся газы присутствуют уже в процессе сборки и остаются в установке вследствие недостаточной откачки;
(2) происходит выделение неконденсирующихся газов из различных материалов системы или же эти газы образуются в результате разложения газов при повышенной температуре во время эксплуатации установок;
(3) неконденсирующиеся газы проникают вследствие утечек через сторону низкого давления (ниже атмосферного); а также
(4) неконденсирующиеся газы образуются в результате химических реакций между хладагентами, смазочными и другими материалами.
Химически реактивные газы, например хлористый водород, разрушают другие компоненты холодильной системы; в наиболее серьезных случаях холодильная установка выходит из строя.
Химически инертные газы в системе, которые не сжижаются в конденсаторе, снижают эффективность охлаждения. Количество инертных неконденсирующихся газов, представляющее опасность, зависит от типа и размера холодильной установки, а также типа хладагента. Присутствие этих газов вызывает повышенное давление и в результате повышенную температуру на выходе. Высокая температура ускоряет нежелательные химические реакции. Газы, обнаруживаемые в герметичных холодильных установках, включают азот, кислород, углекислый газ, угарный газ, метан и водород. Первые три из перечисленных газов попадают в результате неполной откачки воздуха или через сторону низкого давления. Углекислый и угарный газы обычно образуются при перегревании органических изоляционных материалов. Наличие водорода наблюдалось в случаях, когда компрессор значительно изношен. Лишь очень малые количества этих газов были обнаружены в хорошо спроектированных и правильно функционирующих установках (источник: 1990 г. Руководство ASHRAE).

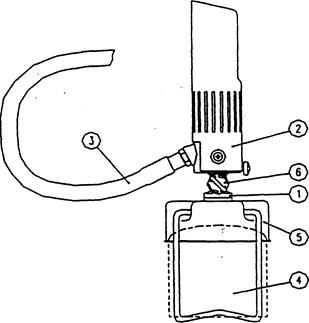
Рисунок 8. Ручной выпуск неконденсирующихся газов. 1 - компрессор, 2
- конденсатор, 3 - приемник
8.5 Вакуум
Как уже подчеркивалось выше, хладагент чувствителен к наличию влаги в системе. Для понимания поведения воды и методов осушки системы, необходимо понять следующий закон природы. Точка кипения воды колеблется в зависимости от давления. В системе СИ давление выражается в кПа (килопаскали). Обычное атмосферное давление равно 101,3 кПа. Однако в практических целях манометр для обозначения атмосферного давления часто откалиброван на 100 кПа. Давление ниже атмосферного называется вакуумом. Ноль на шкале абсолютного давления - это давление, которое больше понизить невозможно. Абсолютный вакуум равен 0 Па. Паскали используются чаще, чем килопаскали для измерения высокого вакуума (давления, близкого к абсолютному вакууму). При работе с вакуумными системами на Ваших установках необходимо также понимать соотношение абсолютного и манометрического давления. Для обозначения атмосферного давления манометры обычно калиброваны на ноль, но не всегда.
Избыточное давление Абсолютное давление
Рис.9. Соотношение между абсолютным и избыточным давлением
При откачке системы понадобится особый вакуумный манометр для контроля реального уровня вакуума в системе. Как показано на Рисунке 9., при избыточном давлении, равному 0 КПа, откачка не останавливается
Рисунок 10. Манометр, показывающий положительное (больше 100 кПа) давление, атмосферное давление(100 кПа) и вакуум (ниже 100 кПа)
| ФУНТОВ НА КВ. ДЮЙМ
|
ВАКУУМ, ДЮЙМОВ РТУТИ
|
См. ртути
|
кПа
|
| АБС.
|
МАНОМ.
|
дюймов ртути
|
| Положительное давление
|
105
|
90
|
725
|
| 90
|
75
|
621
|
| 75
|
60
|
518
|
| 50
|
45
|
414
|
| 45
|
30
|
311
|
| 30
|
15
|
207
|
| Атмосферное давление
|
14.7
|
0
|
29,92
|
76
|
101.3
|
| Отрицательное давление или вакуум
|
10
|
- 5
|
10
|
25.4
|
69
|
| 5
|
- 10
|
20
|
50,8
|
35
|
| 0
|
-15
|
29.92
|
76,0
|
0
|
Рисунок 11 Сравнение различных шкал давления
Рисунок 12 Манометр, калиброванный в кПа. Давление с 0 до 100
- низкий вакуум
- Температура кипения воды в зависимости от давления
| Темп
o
С
|
Темп.
o
F
|
Дюймов ртути
|
Фунтов на кв дюймы (Давление)
|
Микронов
|
Мм ртути
|
| 100
|
212
|
29.92
|
14.696
|
759.968
|
760
|
| 96
|
205
|
25.00
|
12.279
|
635.000
|
635
|
| 90
|
194
|
20.69
|
10.162
|
525.526
|
525
|
| 80
|
176
|
13.98
|
6.866
|
355.092
|
355
|
| 70
|
158
|
9.20
|
4319
|
233.680
|
233
|
| 60
|
140
|
5.88
|
2.888
|
149.352
|
149
|
| 55
|
122
|
3.64
|
1.788
|
92.456
|
92
|
| 40
|
104
|
2.17
|
1.066
|
55.118
|
55
|
| 30
|
86
|
1.25
|
0.614
|
35.650
|
35
|
| 27
|
80
|
1.00
|
0.491
|
25.400
|
25
|
| 24
|
76
|
0.90
|
0.442
|
22.860
|
23
|
| 22
|
72
|
0.80
|
0.393
|
20.320
|
20
|
| 21
|
69
|
0.70
|
0,344
|
17.780
|
18
|
| 18
|
64
|
U.60
|
0.295
|
15.240
|
15
|
| 15
|
59
|
0.50
|
0.246
|
12.700
|
13
|
| 12
|
53
|
0.40
|
0.196
|
10.160
|
10
|
| 7
|
45
|
0.30
|
0.147
|
7.620
|
7.6
|
| 0
|
32
|
0.18
|
0.088
|
4.572
|
4.5
|
| -6
|
21
|
0.10
|
0.049
|
2.540
|
2.5
|
| - 14
|
6
|
0.05
|
0.0245
|
1.270
|
1.3
|
| -30
|
-24
|
0.01
|
0.0049
|
54
|
0.25
|
| -37
|
-35
|
0.005
|
0.00245
|
127
|
1.12
|
| -51
|
-60
|
0.001
|
0.00049
|
25.4
|
0.03
|
| -57
|
-70
|
0.0005
|
0.00024
|
12.7
|
0.01
|
| -68
|
-90
|
0.0001
|
0.000049
|
2.54
|
0.003
|
Остающееся в системе давление в микронах
1,000 дюйм = 25.400 .микронов = 2.540 см = 25.40 мм
0.100 дюйма = 2.540 микронов " 0.254 см = 2.54 мм
0.039 дюйма = 1.000 микрон =0.100 см = 1,00 мм
Рисунок 13 Таблица перевода различных шкал давления, необходимых для работы с вакуумом
В таблице 13 использованы следующие коэффициенты перевода:
| Для перевода:
|
Из
|
умножьте на
|
в
|
| дюймы ртути
|
2.54
|
см Hg
|
| фунты/кв. дюймы
|
6,894
|
кПа
|
Вакуумный насос
Для правильной откачки системы необходим хороший насос. Хороший насос должен:
- иметь скорость потока, достаточную для откачки системы
- быть двухступенчатым
- отличаться высокой производительностью
- иметь газовый балластный слой, уничтожающий конденсацию пара во входном канале насоса и на выхлопном фильтре

Рисунок 14 Вакуумный насос
8.6 Откачка
Холодильная система должна содержать только хладагент в жидком или парообразном состоянии, а также обезвоженное масло. Все другие пары, газы или жидкости должны быть удалены. Лучше всего удалять эти вещества путем подключения вакуумного насоса к системе и эксплуатации насоса в течение определенного промежутка времени. Иногда необходимо подогреть компоненты до температуры 49°С при высоком вакууме для удаления всей не желаемой влаги. Компоненты нагреваются с помощью теплого воздуха, обогревательных ламп или воды. Никогда не применяйте горелку
В следующих случаях всегда проводите вакуумирование системы:
- При замене компрессора, конденсатора, влагоотделителя, испарителя и т.д.
- Если в системе нет хладагента
- Если хладагент загрязнен
- При заполнении смазочными маслами
Устройство заправки хладагентом
При зарядке или откачке системы наиболее рационально использовать устройство заправки для зарядки или откачки хладагента.

Рисунок 15. 4-клапанное заправочное устройство
Примечание:
Если в системе в качестве эксплуатационных клапанов используются крепления в виде шинного клапана Р и S, процедуры по клапанам Н и L не используются. Подсоедините угловой конец шланга к креплениям Р и S.
| Для очистки шлангов:
|
Для откачки и заправки:
|
| A, C, D
|
Открытый
|
А, В
|
Открытый
|
| В
|
Закрытый
|
C, D
|
Закрытый
|
| 1,3,4
|
Подсоедините как показано, но не закрепляйте на конце, противоположному шлангу
|
1,3
|
Подсоедините, как показано
|
| 2
|
Подсоедините, как показано
|
H, L
|
Резко откройте
|
| В
|
Включите для начала очистки
|
Если манометры показывают давление, завершите очистку системы для продолжения работы
|
| Для зарядки хладагентом стороны всасывания
|
| A,B,D
|
Закрытый
|
А
|
Открытый
|
| С
|
Открытый
|
H, L
|
Откройте до среднего положения
|
| 1,2,3
|
Открытый
|
2,4
|
Подсоедините, как показано
|
| Н
|
Резко откройте
|
Включите насос и завершите откачку
|
| L
|
Откройте до среднего положения
|
А
|
Включите и остановите насос
|
| В
|
Откройте и регулируйте поток
|
Н
|
Резко откройте
|
| Для очистки системы:
|
D
|
Выключите
|
| А, В
|
Закрытый
|
В
|
Откройте и регулируйте поток
|
| C.D
|
Открытый
|
Для наблюдения за рабочим давлением:
|
| 1,3
|
Подсоедините, как показано
|
C,D
|
Закрытый
|
| 4
|
Подсоедините устройство и продуйте систему
|
1,3
|
Подсоедините, как показано
|
| H,L
|
Резко откройте
|
H.L
|
Резко откройте
|
| А
|
Включите для начала очистки
|
Таблица 16 Инструкция по эксплуатации коллектора
8.6.1 Откачка системы
Для того, чтобы произвести вакуумирование и осушку системы перед зарядкой хладагентом:
- Повысьте давление в системе при помощи азота (N2
). Проведите испытание на утечки и некоторое время проследите, покажет ли манометр изменения.
Рисунок 17 Система регулировки давления для испытания под давлением при помощи азота.
- Когда в системе не останется утечек, (см. 4.8), выдуйте N2
. Подсоедините вакуумный насос к всасывающей и выпускной сторонам компрессора. (Рисунок 18.) Откройте все клапаны, включая электромагнитный клапан. Используйте эксплуатационный коллектор с манометрами. Подождите, пока не произойдет диффузия водяного пара и воздуха.

Рисунок 18. Подсоединение эксплуатационного коллектора и вакуумного насоса.
- После достижения удовлетворительного уровня вакуума (100 Па абс.), выключите насос и оставьте его на несколько часов для того, чтобы проследить приближается ли стрелка манометра к абсолютному нулю давлению. Если это произойдет, для этого могут быть две причины: либо в системе есть утечка, либо в системе все еще содержится влага. Если давление (вакуум) остается более или менее на том же уровне в течение некоторого периода времени, значит, система обезвожена, полностью откачена и не имеет утечек.
- Теперь можно начать заправку хладагентом, либо напрямую через сторону высокого давления в жидкости, либо через сторону всасывания при работе компрессора.

Рисунок 19. Зарядка хладагентом с использованием заправочного устройства
8.7 Масло в системе
Для смазки компрессора холодильной системы применяются специальные масла. Тип масла, который использовался в поставленном оборудовании, часто указывается в таблице данных и соответствует определенным условиям эксплуатации. При необходимости добавления масла, используйте тот же тип масла. Избегайте смешивания разных типов масла. Машинное масло нельзя применять в системе с компрессорами, использующими ХФУ-12 или ГХФУ-22. Также нельзя применять использованное масло, даже если оно очищено. Использованное масло впитывает влагу из воздуха, а также вызывает коррозию в компрессоре, особенно в аммиачном компрессоре.
Масло должно хранится в закрытом воздухонепроницаемом контейнере в сухом месте, и только сухие баллоны могут быть использованы для наполнения. Рекомендуется поместить сухой патрон в воздухоприемное отверстие контейнера для предотвращения попадания влаги, когда масло слито.
8.7.1 Хладагентное масло
В герметичных системах смазочное вещество находится в постоянном контакте с обмоткой электрических двигателей. Поэтому масло должно обеспечивать хорошую совместимость с другими материалами и иметь высокую теплоустойчивость.
Хотя большинство смазочных веществ остаются в картере компрессора, небольшое количество будет циркулировать в остальной части холодильной цепи. Смазочные вещества должны легко переносить и высокие температуры на выпускных клапанах компрессора, и низкие температуры в расширительном устройстве.
Очень важны свойства перемещения для обеспечения минимального останова системы и возвращения смазочных веществ в компрессор, избегая, таким образом, экстремального состояния ограничения подачи масла в компрессор. Сочетание свойств вязкости, характеристик смачивания поверхности и растворимости хладагента (для поддержания масла в жидком состоянии при низкой температуре) не только улучшает циркуляцию смазочного вещества, но и оказывают влияние на пленочные характеристики на поверхностях теплопередачи и соответственно энергоэффективность. Хорошие смазочные вещества должны обладать следующими качествами:
- Низкое содержание
парафина. При отделении парафина от смеси хладагентного масла могут закупориться отверстия регулятора хладагента.
- Высокая теплоустойчивость.
Вещество не должно образовывать твердые углеродистые отложения в горячих точках компрессора (таких, как клапаны или выпускные отверстия)
- Высокая химическая стойкость.
Химическая реакция с хладагентом или материалами в системах обычно должна быть либо незначительной, либо нулевой.
- Низкая температура застывания.
Способность масла оставаться в жидком состоянии при самой низкой температуре в системе.
- Низкая вязкость.
Способность смазочного вещества сохранять хорошие качества масла при высоких температурах и высокую текучесть при низких температурах. способность всегда обеспечивать хорошую смазочную пленку.
Для улучшения действия масла многие производители добавляют химикаты, которые тормозят образование шлама
или пены.
(Масло, которое содержит влагу или воздух, вызовет образование шлама или лака и может вызвать повреждение установки). Грязное масло из герметичной системы может быть кислым и жечь руки. В таких случаях всегда меняйте фильтры для того, чтобы новое масло оставалось чистым. Устанавливайте фильтр против возгорания.
8.7.2 Замена масла
Большинство сварных герметичных компрессоров не имеют устройства для измерения масла. Такой тип компрессора спроектирован для установки в системах фабричного производства, заряженных заранее, в которых количество масла может быть точно измерено при первоначальной сборке. В случае утечки, если количество потерянного масла невелико и может быть измерено, это количество должно быть добавлено в компрессор. Однако, если произошла большая утечка масла, обслуживающий технический работник должен снять компрессор, слить масло и добавить правильно замеренное количество масла перед установкой компрессора.
Полугерметичные компрессоры и компрессоры открытого типа обычно снабжены картерным смотровым стеклом; уровень масла при эксплуатации должен поддерживаться на уровне центра стекла или чуть выше. Очень низкий уровень масла может вызвать недостаток смазки, и наоборот, слишком высокий уровень масла может служить причиной возникновения шлама в масле и может вызвать повреждение клапанов компрессора или чрезмерную циркуляцию масла. Уровень масла может значительно варьироваться при первоначальном пуске, если в картере присутствует жидкий хладагент. После стабилизации необходимо проверить уровень масла при работающем компрессоре.
Примечание:
Масло всегда впитывает определенное количество хладагента, и во избежание выброса хладагента можно установить подогреватель масла или использовать устройство по извлечению отработанного хладагента перед открытием отверстия для подачи масла. Возможная процедура в таком случае:
1) Включить подогреватель масла
2) Откачать газообразный хладагент (с помощью соответствующего устройства)
3) Слить масло в соответствующий промаркированный сосуд, при необходимости при помощи азота.
8.7.3 Повторная загрузка масла в герметичный компрессор
Для повторного помещения измеренного количества масла необходимо отсоединить компрессор от системы и слить масло, из всасывающей линии наклонив компрессор.
Перед началом повторного помещения необходимо точно измерить количество масла. Прочитайте инструкцию по эксплуатации.
Для разделения хладагента и масла и во избежание выброса масла, необходимо установить подогреватель масла.
После установки компрессора, система должна быть откачана с помощью впускного клапана или рабочей трубки перед повторным наполнением хладагента и пуском в эксплуатацию. Никогда не применяйте масло из бутылок или баков, которые были оставлены открытыми.
8.7.4 Добавление масла в полугерметичные или открытые компрессоры
Метод открытой системы:
Если компрессор снабжен отверстием для заполнения масла в картере, самый простой метод добавления масла заключается в отсоединении картера компрессора и залития или закачки необходимого количества масла. Если в системе нет хладагента. или если компрессор открыт для проведения ремонтных работ, нет необходимости в принятии особых мер предосторожности, кроме обычной практики зашиты масла от попадании влаги и грязи, поскольку система должны быть заранее откачана перед пуском в эксплуатацию.
Если в системе содержится хладагент, закройте всасывающий клапан системы и понизьте давление картера приблизительно до 2
избыточного давления в фунтах на квадратный дюйм (Псиg). Остановите компрессор и закройте выпускной вентиль компрессора.
Рис.20. Указатель уровня масла полугерметичного компрессора
8.7.5 Смешиваемость с хладагентами ГФУ
Производители смазочных материалов разработали целый ряд новых полиэфирных смазок, которые были созданы синтетически с целью обеспечения смешиваемости с хладагентами ГФУ. особенно с хладагентом ГФУ-134а при различной температуре. Смазочные вещества были испытаны со многими хладагентными газами, и было определено, что они растворимы с большинством ХФУ, ГХФУ и ГФУ-134а.
8.7.7 Гигроскопичность
Смазочные полиэфирные материалы являются более гигроскопичными, чем нафтеновые минеральные масла. Они насыщаются при приблизительно 1000 ppm от атмосферной влаги, для сравнения минеральные масла насыщаются при приблизительно 100 ppm. Смазочные полиэфирные материалы значительно менее гигроскопичны, чем поли алкрильные гликольные смазочные вещества (первое поколение масел, разработанных для применения с ГФУ-134а), которые насыщаются при более 1% воды (10.000 ppm).
8.8 Загрязнение
Необходимо подчеркнуть, что внутренняя часть холодильной системы всегда должна быть исключительно чистой. Загрязнение любого вида будет регулярно вызывать ее выход из строя с возможным постоянным повреждением внутренних металлических частей. На фабричных производственных линиях всегда осуществляются меры по очистке, как например, кондиционирование помещения сборки, в то время как при установке на местах таких условий естественно нет. Возможное попадание воздуха и грязи через открытые концы трубок, клапаны или другие части системы представляет собой серьезную опасность. Поэтому, на всех стадиях работы необходимо принимать тщательные меры во избежание расходов на ремонт.
Современные системы
Необходимо помнить, что современные системы более восприимчивы к повреждениям за счет загрязнения. Компрессоры выпускаются с меньшими допусками, чем до сих пор, увеличились скорости и рабочие температуры. Кроме того, с внедрением герметичных блоков с большей мощностью, обмотка двигателей также стала подвержена опасности загрязнения и, поскольку доля используемых герметичных компонентов возросла, необходимо принимать еще более тщательные меры при установке. Наиболее очевидным загрязнителем является воздух, содержащий влагу. Воздух и влага оказывают коррозийное воздействие на металл, кроме того, образующиеся ледяные кристаллы блокируют регулирующий клапан. При работе продолжительностью в несколько дней, существует большая опасность проникновения воздуха в открытые медные трубки, клапаны компрессора и испаритель, особенно в сырой атмосфере строящихся сооружений.
8.9 Техническое обслуживание
Необходимо регулярно проводить тщательный осмотр и текущий ремонт холодильных систем. Для сокращения выбросов до минимума, передвижение хладагента и масла должно происходить с наименьшими потерями. Частота необходимых проверок и ремонта зависит от интенсивности использования системы, заправки хладагентом, а также типа системы. При обнаружении любой утечки немедленно должен быть проведен необходимый ремонт. Для устранения утечек, необходимо изолировать соответствующую секцию системы, а хладагент, содержащийся в ней, должен быть либо перемещен в другую часть системы, или в слит в специальный бак для хладагента. Техобслуживание включает проверку функционирования системы и правильной установки контрольных и предохранительных устройств.
8.9.1 Обнаружение утечек
Если предполагается, что в системе есть утечки, необходимо проверить всю систему и определить их локализацию. Никогда не предполагайте, что в системе всего одна утечка.
Необходимо отметить, что традиционные галоидные лампы не могут быть использованы для таких ГФУ, как R134а, поскольку они требуют наличия хлора для воспроизведения цветного пламени. Обнаружение утечек может быть выполнено с помощью электронных устройств. Многие датчики используют такие способы обнаружения утечек, как "Нагревание диода" и "Коронный разряд". Эти датчики настроены на измерение содержания хлора. С внедрением ГФУ, использование хлора было полностью прекращено. Для замещения хлора требуется в 120 раз больше фтора. Поэтому для обеспечения надежного аварийного сигнала требуется значительное усиление.
На сегодняшний день многие электронные приборы по обнаружению утечек не достаточно чувствительны к обнаружению утечек ГФУ. С другой стороны, возможно применение специальных электронных приборов по обнаружению утечек.
Утечки хладагента
Количество хладагента в холодильной системе никогда не уменьшается вследствие работы холодильной системы. Если обнаружено, что количество хладагента в системе недостаточно, систему необходимо проверить на утечки, произвести ремонт и зарядку. Многие проблемы в кондиционерах воздуха могут иметь такие же симптомы, что и при утечке хладагента. Например: вентилятор, компрессор и другие регуляторы могут функционировать, в то время, как система не охлаждает. Определите все имеющиеся причины до заправки хладагентом. Недостаточная заправка хладагентом указывает на возможную утечку в системе. Добавление хладагента без обнаружения утечки и проведения надлежащего ремонта - решение временное, дорогостоящее (поскольку цены продолжают расти) и экологически неприемлемое. Добавление хладагента не решит проблему в долгосрочной перспективе. Попробуйте обнаружить утечку до извлечения хладагента во избежание загрязнения воздуха хладагентом из открытой системы. (Помните, что хладагент не должен выпускаться в воздух). Наличие масла в районе трубных соединений обычно является признаком утечки, но не руководствуйтесь одним лишь этим фактором. Всегда проводите обслуживание с помощью течеискателя.
8.9.2 Поиск утечки
Все утечки хладагента вызваны повреждением каких-либо компонентов. Поломки обычно возникают по одной или нескольким причинами, приведенным ниже:
* Вибрация - одна из основных причин повреждения компонентов и вызывает "механическое затвердение" меди, смещение уплотнений, развинчивание зажимных болтов на фланцах и т. д.
* Изменения давления - Функционирование холодильных систем зависит от изменения давления. Изменение давления по разному влияет на различные компоненты системы и приводит к нагрузкам на материал, неравномерному расширению и сжатию.
* Изменения температуры - Холодильные системы часто состоят из различных материалов различной толщины. Быстрые изменения температуры могут вызвать неравномерное расширение и сжатие материалов.
* Фрикционный износ - Существуют много случаев фрикционного износа, который вызывает повреждение компонентов, и они варьируют от плохо укрепленных труб до плохих уплотнений валов.
* Неправильный выбор материала - В некоторых случаях выбирается неподходящий материал, например некоторые типы шлангов имеют конкретный коэффициент утечек, и используются материалы, которые повреждаются в условиях вибрации. быстро меняющегося давления и изменения температуры.
* Недостаточный контроль качества - Если материалы, используемые в холодильной системе не очень высокого качества, изменения вибрации, давления или температур будут вызывать неполадки.
* Случайные повреждения - они случаются редко, и всегда необходимо следовать особым мерам предосторожности и предохранять системы под повышенном давлением от случайных повреждений.
Принципиальные причины утечки хладагента указаны выше, однако, наиболее распространенные причины следующие:
* Вибрация
* Изменения температуры
* Изменения давления
Поскольку эти условия часто возникают в холодильных системах, опасность утечки хладагента вследствие повреждения компонентов существует всегда. Наиболее вероятная точка утечки - механические соединения, состыковывающие неоднородный материал.
8.9.3 Галоидная лампа
В качестве прибора для обнаружения утечек наиболее часто для полевого обслуживания применяется галоидная лампа. Он состоит из небольшого баллона с пропаном или сжиженным нефтяным газом, шланга, специальной горелки с медным элементом. Газ подпитывает небольшое пламя в горелке, подавая небольшой вакуум в шланг. Когда зонд проводится по месту утечки, хладагент попадает в шланг и проникает в горелку под медным элементом. Небольшое количество горящего хладагента при наличии меди дает яркий зеленый цвет. Большее количество будет гореть фиолетовым пламенем. При проведении испытания на наличие утечек при помощи лампы, всегда наблюдайте за малейшими изменениями цвета пламени. Их применение больше не рекомендуется из-за низкой чувствительности. Рекомендуется менее 10 г/год или менее 10 - атм. см3
/с.

Рисунок 22. Галоидная лампа
1. Клапан Отк./3акр., 2. Крышка, 3. Шланг, 4. Баллон с бутаном, 5. Штатив баллона, 6. Газовый клапан
8.9.4 Мыльный раствор
Один из самых первых и простейших способов обнаружения утечки заключается в использовании мыльного раствора. Протрите предполагаемое место утечки жидким мылом или моющим средством, и, при наличии утечки, появятся пузыри. Несмотря на простоту, метод обмыливания может быть очень удобным при обнаружении утечки, точное нахождение которой трудно установить.
8.9.5 Обнаружение с помощью электронных приборов
Электронный течеискатель является наиболее чувствительным из всех имеющихся возможностей. Такие течеискатели можно купить по доступной цене, и прибор может обнаруживать утечки вплоть до 100 ppm, +/-5 ppm, такие утечки часто пропускаются при использовании других методов. Вследствие чрезвычайной чувствительности электронные приборы могут быть использованы лишь в чистой окружающей среде, не загрязнённой парами хладагента, дымом, паром четыреххлористого углерода или других растворителей, поскольку они могут вызвать неправильную реакцию.
Рисунок 23. Электронный течеискатель
8.9.6 Ультрафиолетовая лампа
Ультрафиолетовая флуоресценция обнаруживает материалы, которые добавляются в масла. Определенное количество масла всегда смешивается с хладагентом, и когда ультрафиолетовая лампа направлена на систему с утечкой, индикатор этой утечки будет светиться. Метод обнаружения утечки с помощью ультрафиолетовой флуоресценции указывает точное нахождение утечки хладагента. Это устройство для обнаружения утечек применяется лишь в системах с минеральными маслами или маслами на эфирной основе. Прямой солнечный свет в помещении, где проводится обнаружение утечек, не рекомендуется.

Рисунок 24. Ультрафиолетовая лампа
8.9.7 Обнаружение утечек аммиака (
N
Н3
)
Утечка может быть обнаружена путем поднесения открытого баллона или сжатия баллона с концентрированной соляной кислотой (HC1
) к предполагаемой точке утечки. В точке утечки возникнут плотные пары хлористого аммиака белого цвета. Сырая красная лакмусовая или фенолфталеиновая бумага изменит цвет под воздействием аммиачной среды и является достаточно удобным средством обнаружения незначительных аммиачных утечек.
В случае серьезных утечек, которые сложно остановить в течение определенного времени, необходимо погрузить место утечки в воду, которая в свою очередь поглотит аммиак, предотвращая, таким образом, загрязнение атмосферы. В уплотнении цилиндрических клапанов могут возникнуть утечки, которые могут быть остановлены путем затяжки герметизирующей гайки.
Оборудование, спроектированное для обнаружения утечек аммиачных и фторуглеродных хладагентов, значительно отличается и должно всегда быть использовано по назначению. Поэтому, невозможно использовать галоновую лампу или электронный течеискатель для обнаружения утечек аммиака (кроме некоторых отдельных не взрывоопасных моделей).
Соляная кислота (HCl) также не подходит для обнаружения утечек фторуглеродных хладагентов. Неправильное применение такого оборудования может привести к несчастному случаю со смертельным исходом, поскольку концентрации аммиака, соответствующая 15-28% объема атмосферы, воспламеняется при попадании искры или при температуре выше 650°С (1202°F).
8.10 Обзор мер безопасности
Когда термин "безопасность" используется по отношению к холодильной технике или кондиционерам воздуха, он может иметь три различных значения:
8.10.1 Безопасность техника
При правильном обращении с холодильными установками и кондиционерами воздуха техник не подвергается большой опасности.
Всегда тяните гаечный ключ (вместо того, чтобы нажимать на него) в целях предотвращения возможного соскальзывания ключа, которое стирает углы гаек и болтов и может поранить руки. Для поднятия любых предметов весом более 13 кг необходимо применять подъемник.
Всегда используйте мускулы ног при поднятии предметов, никогда не используйте мускулы спины. Убедитесь, что на полу нет масла или воды. Всегда применяйте защитные очки при работе с хладагентами.
Большая часть холодильных механизмов имеют электрический привод и управляются автоматически. При работе с электрическими цепями, убедитесь, что цепь отключена от источника питания. Обычно эта процедура должна быть выполнена выключением переключателя на электрощите. Никогда не работайте над "горячими" электрическими цепями.
Вентиляция в механической мастерской должна быть постоянно включена, если в ней работают техники.
8.10.2 Безопасность оборудования
Многие части холодильного и вентиляционного оборудования достаточно хрупки и могут быть поломаны при Чрезмерной затяжке гаек и болтов, при их затяжке в неправильном порядке или при использовании ключа неподходящего размера. Перед включением компрессора, убедитесь, что все соединения затянуты. Перед включением открытых компрессоров убедитесь, что маховое колесо и ролик выровнены, и что защитные устройства на месте.
8.10.3 Безопасность содержимого
Безопасность содержимого холодильного пространства зависит полностью от аккуратности при установке и регулировке различных частей системы. В данном тексте представлены таблицы, в которых указаны правильные рабочие температуры для различных типов холодильного пространства. Необходимо соблюдать эти рабочие температуры для обеспечения безопасных условий функционирования холодильных установок или кондиционеров воздуха.
ГЛАВА 9. РАЦИОНАЛЬНЫЕ СПОСОБЫ ЭКСПЛУАТАЦИИ УСТАНОВОК
9.1 Классификация по применению
Для удобства изучения холодильное оборудование подразделяются на шесть общих категорий: бытовые холодильные установки, коммерческие холодильные установки, промышленные холодильные установки, судовые и транспортные холодильные установки, кондиционеры воздуха для помещений и промышленные кондиционеры воздуха. Однако эти сферы не разграничены четко, и некоторые из них в значительной мере перекрывают друг друга. В данном руководстве дается лишь общее описание бытовых и торговых холодильных систем, а также небольших систем кондиционеров воздуха, передвижных и используемых для комфорта человека.
9.1.1 Бытовые холодильники
Бытовое холодильное оборудование составляет довольно ограниченную группу, поскольку охватывает, прежде всего бытовые холодильники и морозильные камеры. Однако, так как количество используемых установок велико, сфера бытового холодильного оборудования является значительной частью холодильной промышленности.
Бытовые холодильники обычно герметичные, небольшие по размерам, а потребляемая мощность варьирует от 35 Вт до 375 Вт.
Говоря в целом, в домах людей миллионы холодильников работают на ХФУ. Нашей задачей является охрана окружающей среды. Истощение защитного стратосферного озонового слоя Земли вызвало необходимость замещения газов ХФУ. В настоящее время большинство новых холодильников производится, используя альтернативные хладагенты, одним из которых является ХФУ-134а. Из-за различий в химическом составе ХФУ-12 и ГФУ-134а в большинстве случаев традиционные минеральные масла не могут быть применены вместе с ХФУ-134а. а в лучшем случае такая комбинация ухудшит эксплуатацию и снизит надежность системы. Это означает, что практически невозможно произвести замену ХФУ на ГФУ в бытовых холодильниках с герметичным компрессором без проведения значительного дорогостоящего ремонта. Современный бытовой холодильник или морозильная камера для хранения пищи состоит из трех основных компонентов:
1. Шкаф
2. Холодильная система (компрессорно-конденсаторный агрегат, испаритель и регулирующий клапан)
3. Электрическая схема.
Компрессорно-конденсаторный агрегат и испаритель закреплены в шкафу, который также содержит полки и пространство для хранения продовольственных продуктов и напитков. В испарителе жидкий хладагент кипит и превращается в пар, поглощая тепло от продуктов и напитков в шкафу. Пар отсасывается компрессором и подаётся в конденсатор. В конденсаторе хладагент конденсируется, отдавая тепло, окружающему воздуху. Далее жидкий хладагент из конденсатора проходит через расширительное устройство (капиллярную трубку) и вновь поступает в испаритель и цикл повторяется.
Существует много различных типов обычных холодильников для хранения продовольственных продуктов с устройствами, выполняющими различные услуги, такие как автоматическое размораживание, генератор льда, дозатор напитков, большие морозильные установки для хранения пищи и т. д.
9.1.2 Торговые холодильные установки
Охлаждение в торговле связано с проектированием, установкой и техническим обслуживанием холодильных систем, используемых в магазинах розничной торговли, ресторанах, гостиницах, организациях, осуществляющих хранение, переработку и автоматическую продажу скоропортящегося товара всех типов.
Диапазон рабочей производительности агрегатов широк: от менее 1 кВт до нескольких сотен кВт. Эта категория включает автономное оборудование, витрины с дистанционным снабжением и сборные складские малые холодильные камеры (с отделениями или модульные). Большая часть этого оборудования собрана на заводе для последующей установки в полевых условиях с соединением систем трубопроводов и проводок на месте пользования. Холодильное оборудование включает различные установки, от отдельных компрессорных агрегатов до параллельных мультикомпрессорных систем с поршневыми, ротационными или винтовыми компрессорами.
9.1.3 Кондиционирование воздуха
Как указывает название, эта сфера охватывает кондиционирование воздуха на определенной площади или в определенном помещении. Обычно это требует не только регулирования температуры помещения, но и влажности и движения воздуха параллельно с фильтрацией и очисткой воздуха.
Существует два типа кондиционеров воздуха: кондиционеры, используемые для комфорта и промышленные кондиционеры. Любые установки, используемые в основном для кондиционирования воздуха с целью создания комфорта людям, называются кондиционерами воздуха для комфорта. Типичными примерами таких кондиционеров являются установки в жилых домах, школах, учреждениях, церквях, магазинах розничной торговли, общественных помещениях, на предприятиях, в машинах, автобусах, поездах, самолетах, на кораблях и т.д.
Другим типом кондиционеров являются промышленные установки, т.е. любые кондиционеры, основное назначение которых не связано с комфортом людей. Это не означает, что промышленные системы кондиционирования воздуха не могут служить комфорту людей, если это является побочным действием при исполнении основной функции. Такая ситуация возникает часто, хотя и не всегда.
Применение промышленных кондиционеров воздуха практически безгранично по количеству и разнообразию. Говоря в целом, промышленные системы кондиционирования воздуха используются для следующих целей:
1. Регулирование влажности гигроскопических материалов.
2. Управление скоростью химических и биохимических реакций.
3. Выравнивание размеров прецизионных изделий (тепловое расширение и сжатие).
4. Очистка и фильтрация воздуха, что часто является необходимым условием безотказной работы и производства качественной продукции.
9.1.4 Передвижные кондиционеры воздуха
Автомобильные кондиционеры воздуха используют практически те же принципы, однако их назначение уникально разнообразно. Кондиционирование воздуха в автомобилях создает проблемы, не возникающие при использовании большинства холодильный систем и систем кондиционирования.
Кондиционирование воздуха в автомобилях включает отопление, охлаждение и осушение. Тепло для отопления пассажирского салона обычно выделяется в процессе циркуляции теплоносителя из двигателя через сердцевину подогревателя. Когда требуется охлаждающее действие, активируется холодильная система, причем испаритель в полости с повышенным давлением газа в системе охлаждает воздух для циркуляции в салоне.
9.2 Холодильники
На рис. 2 показан типичный механизм, обеспечивающий более двух температур в холодильнике с морозильной камерой
| Изолированный теплообменник за шкафом
|
|
Рис.2. Схема устройства холодильника с морозильным отделением и с автоматическим прибором оттаивания
В том, что холодильник действует исправно, можно убедиться, проверив температуру в контрольных точках T1
. T2
T3
. Рекомендуется следующая температура: T1
= -25 °С - 26 °С. Т2
= -26 °С, Т3
= + 27 °С до + 39 °С. Высокая температура в точке Т3
объясняется соприкосновением капиллярной трубки с точкой всасывания для передачи избыточного тепла из конденсатора во всасывающую линию. Таким образом, происходит перегрев в точке Т3
входа в компрессор.
9.2.1 Герметичные компрессоры со встроенным электродвигателем
Всасывающая линия из испарителя проходит вдоль стенки шкафа до всасывающей стороны герметичного компрессора со встроенным электродвигателем, расположенного на основании шкафа.

Рис.3. Герметичный компрессор
В бытовых установках используются герметичные компрессоры, в которых компрессор и электродвигатель образуют единый герметичный агрегат.
Для смазки компрессора возвратный газ. получаемый в результате отсасывания, подводится к диску, прикрепленному к валу компрессора со встроенным электродвигателем. Центробежная сила отбрасывает масло и жидкий хладагент на внешний край диска, которые сливаются на обмотку мотора.
В центре остается лишь парообразный хладагент, который оттягивается в компрессор.
9.2.2. Пусковое реле герметичного компрессора
При использовании герметичного компрессора со встроенным электродвигателем требуется внешнее электро- пусковое устройство в виде пускового реле.
Рис. 4. Пусковое и защитное реле
Двигатель принимает сигналы от пускового реле через кнопочные контакты. Предохранитель подключен таким же способом.
9.2.3 Конденсатор
Тип конденсатора трубчато-змеевидный. Принудительная циркуляция воздуха обеспечивается двигателем и вентилятором, расположенными сзади блока компрессора и конденсатора.

Рис. 5. Расположение конденсатора в задней части домашнего холодильника
Конденсатор, бытового холодильника
В конденсаторе происходит отбор теплоты конденсации из паров хладагента. В бытовых холодильниках обычно используются следующие четыре типа конденсаторов:
1. Конденсатор из оребренных труб - статический (естественная конвекция)
- Конденсатор из оребренных труб - принудительная конвекция
- Проволочный конденсатор - статический
- Листотрубный конденсатор - статический

В бытовых холодильниках наиболее часто используются статические конденсаторы из оребренных труб. Статические свойства подразумевают циркуляцию воздуха по трубам конденсатора в результате естественной конвекции; т.е. используется свойство теплого воздуха подниматься кверху. Воздух нагревается при соприкосновении с ребрами и трубами и поднимается, в то время как более холодный воздух занимает его место. Трубки и ребра обычно производятся из меди или стали.
9.2.4 Испаритель
Испаритель расположен за полкой, отделяющей морозильную камеру от камеры хранения продуктов. Используется хладагент ХФУ-R12, а в последнее время и ГФУ- R134а. Испарение хладагента способствует удалению необходимого количества теплоты из шкафа. Обычно вентилятор, управляемый двигателем, поднимает воздух над поверхностью испарителя и перегоняет его по различным трубкам с целью обеспечения необходимого уровня температуры в отсеках.
Рис.7. Испаритель холодильника.
Жидкий хладагент поступает в испаритель (ВХОД на рис. 7) через регулятор потока (обычно через капиллярную трубку), затем оставшаяся жидкость поглощает тепло и испаряется. Пары поступают во всасывающий трубопровод. Если в испарителе не произошло испарение всего жидкого хладагента, обычно используется цилиндр (АККУМУЛЯТОР на рис. 7), который предотвращает попадание жидкого хладагента во всасывающую линию компрессора (ВЫХОД на рис. 7). Существует два типа испарителей: сухие и затопленные. Хладагент подается в испаритель с использованием сухой системы ровно на столько, сколько это необходимо для поддержания требуемой температуры. При использовании затопленной системы испаритель всегда заполнен жидким хладагентом. Используемый тип регулятора хладагента определяет тип испарителя.
9.2.5 Капиллярная трубка
Хладагент сжижается в конденсаторе и затем поступает через фильтр-осушитель стороны высокого давления в капиллярную трубку, присоединенную к участку всасывающей трубы[2]
l
. Из капиллярной трубки хладагент поступает в испаритель. На этом цикл охлаждения заканчивается.

Рис.8. Капиллярная трубка с фильтром
Капиллярная трубка является самым распространенным устройством для регулирования потока. Капиллярная трубка отличается значительной длиной по сравнению с небольшим диаметром. Пропорционально длине трубки снижается давление, т.е. создается перепад давлений, необходимый для последующего расширения и кипения хладагента. Внутренний диаметр трубки может варьировать в зависимости от хладагента, производительности установки и длины трубопровода. Трубка расположена между жидкостным трубопроводом и испарителем. Расход хладагента должен быть таким, чтобы при переходе в парообразное состояние обеспечить заданный режим охлаждения в камере.
Давление жидкого хладагента понижается с давления конденсации до давления кипения. Никаких изменений жидкости не происходит, за исключением небольшого падения давления на первых две трети длины капиллярной трубки. Затем часть жидкости начинает превращаться в пар. Когда хладагент достигает конца трубки, от 10 до 20% его находится в парообразном состоянии. В большинстве случаев причиной падения давления на конце трубки вблизи линии жидкости является увеличение объема пара.
В последнее время конструктивные разработки капиллярных трубок предполагает использование более крупных и длинных трубок. Больший диаметр снижает риск их закупорки.

Рнс.9. Регулирование расхода хладагента капиллярной трубкой
9.2.6 Блок управления двигателем
Практически все автоматические электрические холодильники рассчитаны на большую холодопроизводительность чем необходимо. Поэтому в обычных условиях холодильники не работают непрерывно. Для поддержания необходимой температуры двигатель должен отключаться, когда температура понижается до требуемой, и включаться, когда испаритель опять нагревается до определенной температуры. Два основных типа устройств управления двигателем используются для того, чтобы включать и выключать двигатель:
1. Терморегулятор (термореле)
2. Регулятор или реле давления (давления на стороне всасывания)
В бытовых установках наиболее широко используется термостат. Термостат включает в себя термо баллон, соединенный капиллярной трубкой с диафрагмой или гофрированной мембраной. Это устройство заправляется летучей жидкостью, которая расширяется и повышает давление в результате нагрева баллона и сжимается опять, для того, чтобы понизить давление во время охлаждения баллона. При повышении давления в баллоне диафрагма сдвигается. При этом включается переключатель мгновенного действия, поскольку диафрагма соединена с ним (цепь замыкается). Охлаждение баллона вызывает перемещение диафрагмы или гофрированной мембраны в противоположную сторону и следовательно изменение положения переключателя (цепь размыкается).
Такие блоки управления включают различные функции регулировки, допускают различные рабочие температуры. Многие блоки управления имеют ручной переключатель, позволяющий включать и выключать систему по мере необходимости.
Также они могут включать предохранитель, отключающий систему в случае перенапряжения. Кроме того, к реле времени автоматического оттаивания испарителя' могут быть подключено термореле.
9.2.7 Фильтр-осушитель на жидкостном трубопроводе
Широко распространена практика установки фильтра-осушителя на жидкостном трубопроводе. Устройство в виде бочонка удерживает влагу, грязь, металлы и частицы мусора от попадания в регулятор потока хладагента. Более того, осушительный элемент в фильтре абсорбирует влагу, защищая регулятор потока хладагента от образования ледяных пробок (рис.10).

На рис. 10 показан фильтр-осушитель. А - выходная трубка, В
- входная трубка и С -продувочный вентиль.

На рис. 11 показан установленный фильтр-осушитель. А - фильтр-осушитель, В продувочный вентиль, С
- конденсатор и
D
- компрессор.
9.2.8 Игольчатый клапан
Для того, чтобы обеспечить доступ к герметичной системе, часто используются игольчатые клапаны, устанавливаемые на всасывающих и выпускных трубках (подводящих к конденсатору), или на них обоих, а также на технологических трубках. Игольчатый клапан показан на рис. 12. Известными производителями холодильного оборудования разработано и реализуется множество конструкций игольчатых клапанов, устанавливаемых на трубках. 
Рис.12. Присоединительный элемент вальцованных соединений
9.2.9 Инструменты
Для обслуживания герметичных бытовых систем необходимы следующие инструменты. которые позволяют производить ремонт без утечки хладагента.
1. Высоковакуумный насос
2. Вакуумный шланг диаметром 3/8" длиной 1,5 м
3. Установка для извлечения и переработки
4. Баллоны для R 12, R.22. R 502, R 134a
5. Продувочная трубка диаметром 1/4" длиной 1 м с ручным запорным игольчатым клапаном и контрольным клапаном
6. Устройство для очистки капиллярной трубки
7. Комплект для калибровки капиллярной трубки
8. Паяльная лампа, использующая топливо, ацетилен или оксиацетилен
9. Ручной пылесос
10. Манометрический коллектор
11. Переходники для подключения технологических трубок
12. Пружины для сгибания труб
9.2.10 Замена фильтра-осушителя
Для того чтобы удалить попавшую в систему влагу или грязь, необходимо на линии с жидкостью установить фильтр-осушитель. Способ установки заключается в следующем:
- При отсутствии соединительного клапана, установить игольчатый вентиль.
- Установите манометрический коллектор.
- Откачайте хладагент в баллон с помощью установки для его удаления.
- Высушите и очистите штуцеры фильтра-осушителя.
- Нанесите флюс.
- Нагрейте соединения.
- Выполните пайку соединений.
- Установите новый осушитель.
- Произведите опрессовку и испытайте на наличие утечек.
- Отвакуумируйте систему.
- Заполните систему новым или регенерируемым хладагентом. Для точной заправки используйте заправочный баллон.
- На регуляторе создайте температуру, достаточную для таяния льда. По мере распространения этой влаги фильтр-осушитель ее адсорбирует.
- Через несколько часов работы установите новый фильтр-осушитель.

Рис.13. Фильтр-осушитель, установленный после обнаружения влаги
.
Существуют устройства, препятствующие образованию льда при циркуляции в холодильном агрегате хладагента. Таким устройством является фильтр-осушитель. Он препятствует распространению влаги в системе и снижает вероятность разложения масла (на осадок и кислоту).
9.2.11 Фильтр-осушитель, применяемый при сгорании электродвигателя системы
Для чистки, удаления загрязнения и тщательного контроля загрязнения контуров жидкого хладагента существуют специальные очищающие фильтры-осушители против "прогорания" на линии всасывания. Они рекомендуются для контроля "прогорания" и удаления примесей при перегорании компрессора.
Одной из наиболее распространенных причин перегорания электродвигателя является высокое давление на выходе из компрессора, сопровождаемое резким подъемом температуры при прохождении газа через выходной клапан компрессора. Эта высокая температура способствует более интенсивному протеканию химических реакций и появлению дополнительного количества или образованию нового нагара и осадка. При появлении в нагнетательном трубопроводе, ведущем к конденсатору, высокой температуры происходит окисление масла.
Очистка системы после перегорания электродвигателя.
Причиной сгорания электродвигателя является его перегрев. Этот перегрев приводит к разложению хладагента и при наличии влаги к образованию соляной и плавиковой кислоты. В этих условиях масло становится «кислым» Кислота приводит к нарушению изоляции обмотки двигателя и его перегреву. В конечном итоге на обмотке двигателя происходит короткое замыкание, и он перегорает. При перегорании компрессора системы с двигателем необходимо починить или заменить средства контроля хладагента (AEV, электромагнитные клапаны, реверсивные клапаны, капиллярные трубки и т.д.). Для продувания хладагента через систему можно использовать азот.
Не прикасайтесь к маслу из перегоревшего компрессора со встроенным двигателем, т.к. это может привести к сильному ожогу кислотой!
ВНИМАНИЕ:
Пользуйтесь защитными очками и резиновыми перчатками. Будьте особенно осторожными, если требуется перерезать линии охлаждения масла. Не допускайте попадания масла на пол. Сливайте его в стеклянные емкости. У перегоревшего компрессора с двигателем очень неприятный запах. Перегорание может быть небольшим или значительным. При значительном перегорании масло черное и кислое, обладающее резким запахом. При небольшом перегорании масло чистое, но обладающее резким запахом и немного кислое. Если масло чистое и не имеет запаха, .перегорания не было, и причина выхода из строя - механическая. После замены компрессора со встроенным электродвигателем установите два новых фильтра-влагоотделителя. Один из них должен быть размещен на линии всасывания между испарителем и компрессором (фильтр от последствий перегорания), а другой - между конденсатором и линией жидкого хладагента (возможно, непосредственно перед капиллярной трубкой, если таковая используется). Для определения степени загрязнения можно использовать один из многих комплектов по проверке кислотности.
9.2.12 Заправка с помощью зарядного баллона с цифровой шкалой
Указанный на рис. 14 (вид А) зарядный баллон-наполнитель, с индикатором уровня жидкости, позволяет техническому персоналу осуществить заправку системы хладагентом и замерить его содержание с помощью имеющейся шкалы. Некоторые баллоны имеют электроподогрев, который способствует более быстрому испарению и поддержанию в баллоне давления.
Рис. 14. Переносной зарядный цилиндр
Процесс электроподогрева обычно осуществляется путем подключения баллона к электрической цепи, однако в некоторых случаях разогревается сам компрессор. При этом используется поток теплого воздуха, который способствует более легкой циркуляции и продувке хладагента и масла.
В обоих случаях для обеспечения контроля безопасности над требуемой температурой и давлением чрезвычайно важным является использование предохранительного клапана и термостата.
В системе имеется манометр и ручной клапан, размещенный в ее нижней части и служащий для заправки баллона-наполнителя или системы с жидким хладагентом. В верхней части баллона также имеется клапан, который используется для заправки системы газообразным хладагентом (этот способ является самым хорошим и наиболее безопасным).
После удаления воздуха использование переносного баллона-наполнителя рекомендуется производить в следующем порядке. При этом необходимо пользоваться защитными очками.
- Соедините трубкой баллон-наполнитель и центральную часть манометрического коллектора. Осуществите продувку при незатянутом патрубке в центральной части измерительного коллектора. См. рис. 15. Затяните место соединения.
| Цилиндр переносной цилиндр
|
|
Рис.15. Соединение переносного заправочного цилиндра к системе
- Откройте игольчатый клапан или переходник клапана и клапан манометрического коллектора.
- Откройте клапан зарядного баллона и введите хладагент в систему, как указано на рис. 16. Запомните, каким должно быть показание на шкале измерительной трубки, при котором необходимо остановить заправку.
| Цилиндр переносной заправочный
|
|
Рис.16.Состояние вентилей при зарядке системы.
- При заполнении системы необходимым количеством хладагента закройте клапан на баллоне. Проверьте правильность заполнения системы по показаниям на измерительной шкале баллона-наполнителя.
- Закройте игольчатый вентиль или переходник клапана, а также клапан на измерительном коллекторе, как указано на рис. 17.
| Цилиндр переносной заправочный
|
|
Рис.17. Состояние вентилей после зарядки системы
- С помощью пережимного устройства, пережмите технологическую трубку между компрессором и переходником. Оставьте зажим на трубке пока она не будете запаяна.
- Снимите игольчатый вентиль или адаптер вентиля.
- При использовании игольчатого вентиля отрежьте часть трубки с отверстием. Для этого используйте труборез. Пользуйтесь защитными очками!
- Пережмите конец технологической трубки.
- Запаяйте конец технологической трубки. Пользуйтесь защитными очками!
- Проверьте систему на наличие утечек.
9.2.13.
Неисправности и их устранение
| НЕИСПРАВНОСТЬ
|
ТИПИЧНАЯ ПРИЧИНА
|
УСТРАНЕНИЕ НЕИСПРАВНОСТИ
|
| 1. Установка не работает
|
Перегорел предохранитель
|
Замените предохранитель. Проверьте напряжение вольтметром; его показания должны составлять 115B/220B плюс-минус 10%. Если цепь перегружена, уменьшите нагрузку или смонтируйте отдельную цепь. Если иные способы не помогают, установите автоматический трансформатор.
|
| Сломался электродвигатель или регулятор температуры
|
Соединить перемычкой контакты регулятора. Если установка заработает, а все соединения плотно затянуты, замените регулятор.
|
| Неисправно реле.
|
Проверьте реле, при необходимости замените.
|
| Неисправен компрессор.
|
Проверьте компрессор, при необходимости замените
|
| Поломка от перегрузки.
|
Проверьте перегрузку, при необходимости устраните.
|
| Дефектный провод питания.
|
Проверьте агрегат с помощью контрольной лампочки. Если на выходе нет цепи и тока, замените или устраните неисправность
|
| Повреждение провода к компрессорам, таймеру или регулятору холода.
Вышел из строя тайм
таймер.
|
Отремонтируйте или замените поврежденные провода.
Проверьте с помощью контрольной лампочки и при необходимости замените.
|
| 2. В холодильной камере слишком тепло.
|
Часто открывается дверь.
Перегруженность полок, препятствующая нормальной циркуляции воздуха в камере.
|
Проинструктируйте пользователя.
Проинструктируйте пользователя.
|
| Размещение в камере теплых или горячих продуктов.
|
Проинструктируйте пользователя о необходимости охлаждать продукты до комнатной температуры до размещения их в камере.
|
| Плохая герметичность дверцы.
|
Отрегулируйте расположение холодильника. Исправьте уплотнитель дверцы.
|
| Свет в камере не выключается.
|
Проверьте выключатель, при неисправности замените его.
|
| Источник неисправности -регулятор воздушного потока в холодильной камере.
|
Установите ручку регулятора в положение большего. холода. Проверьте нагреватель воздушного потока. Проверьте, насколько открывается задвижка, если снять воздухораспределительную решетку. Задвижка должна быть открытой при открытой дверце. Если не работает регулятор, замените его.
|
| Регулятор холода установлен в слишком 'теплое' положение, при котором агрегат включается редко.
|
Поверните регулятор в положение большего холода.
|
| Неправильно установлена воздухораспределительная решетка морозильной камеры.
|
Поставьте воздухораспределительную решетку в другое положение.
|
| Плохо работает вентилятор морозильной камеры.
|
Замените вентилятор, выключатель вентилятора или дефектную проводку.
|
| Замените компрессор со встроенным двигателем.
|
| Плохо герметизирован вентиляционный канал или неправильно проложен уплотнитель.
|
Проверьте и герметизируйте заново или проложите правильно
|
| 3. В холодильной камере слишком холодно
|
Регулятор воздушного потока в холодильной камере установлен в положение максимального холода.
|
Поверните регулятор на более высокий уровень температуры.
|
| Регулятор воздушного потока находится в открытом положений.
Сломался регулятор воздушного потока.
|
Устраните препятствие.
Замените регулятор.
|
| Сломался нагреватель воздушного потока.
|
Замените нагреватель.
|
| 4. В морозильной и холодильной камерах слишком тепло.
|
Не работает двигатель вентилятора.
Регулятор холода установлен в слишком 'теплое' положение или сломался.
|
Проверьте и при необходимости замените двигатель вентилятора.
Проверьте и при необходимости замените.
|
| Ребристый испаритель обледенел.
|
Проверьте термостат или таймер оттаивателя. Причина может заключаться в одном из них.
|
| Недостаточное количество хладагента.
|
Проверьте на наличие утечек, устраните их. удалите воздух и заправьте.
|
| Недостаточная циркуляция воздуха у холодильника.
|
Поставьте холодильник в другое место или создайте пространство вокруг него, чтобы обеспечить достаточную циркуляцию.
|
| Загрязнился конденсатор или забились его трубки.
|
Прочистите конденсатор и его трубки.
|
| Плохое уплотнение дверцы.
|
Отрегулируйте расположение холодильника, исправьте уплотнитель дверцы.
|
| Слишком часто открывается дверца.
|
Проинструктируйте пользователя.
|
| 5. В морозильной камере слишком холодно
|
Неправильно установлен регулятор холода.
Капиллярный регулятор холода плохо притянут к испарителю.
|
Поверните ручку регулятора в положение большее высокой температуры.
Затяните зажим или переставьте регулятор.
|
| Сломался регулятор холода.
|
Проверьте регулятор. При необходимости замените.
|
| 6. Агрегат работает непрерывно.
|
Недостаточная циркуляция воздуха вокруг холодильной установки или циркуляция ограничена.
|
Поставьте холодильную установку в другое место или создайте вокруг нее свободное пространство - удалите препятствия.
|
| Плохое уплотнение дверцы.
|
Проверьте и сделайте соответствующие изменения.
|
| Замораживание большого количества кубиков льда или продуктов питания из магазина.
|
Объясните пользователю, что большая загрузка продуктами приводит к продолжительной работе агрегата.
|
| Проблема с количеством хладагента.
|
Хладагента недостаток или избыток - проверьте, регенерируйте, удалите воздух и заполните в нужном режиме изаполнирежименужномжном объеме.
|
| Температура в помещении слишком высокая.
|
Максимально проветрите помещение.
|
| Проблема с регулятором холода.
|
Проверьте регулятор; если он периодически не отключает агрегат, замените его.
|
| Неисправен выключатель света.
Слишком часто открывается дверца.
|
Проверьте, отключается ли свет. При необходимости замените выключатель.
Проинструктируйте пользователя.
|
| 7. Агрегат шумно работает.
|
Не закреплен настил пола или не жесткий пол.
Трубки касаются корпуса или других трубок.
Не выровнено расположение корпуса.
Вибрирует влагосборник.
Вентилятор задевает кожух или нарушено крепление Проблема с механическим креплением компрессора
|
Закрепите настил пола или укрепите пол. Переместите трубки. Отрегулируйте расположение корпуса.
Поставьте влагосборник в другое положение, при необходимости положите под нее подушку из пенополистирола.
Расположите вентилятор по-иному. Замените крепления компрессора.
|
| 8. Агрегат постоянно испытывает перегрузку.
|
Сломалось реле Слабая защита от перегрузки.
Низкое напряжение. Плохой компрессор.
|
Замените реле. Замените защитное устройство.
Проверьте выходное напряжение вольтметром. Нормальное напряжение должно составлять 115В/220В плюс-минус 10%. Проверьте работу других устройств в этой же цепи. Причина может быть и в использовании слишком длинного или слишком короткого удлинителя.
Перед его заменой проверьте его с помощью испытательного провода, проверьте и заземление.
|
| 9.Заклинивает компрессор со встроенным двигателем.
|
Вышел из строя клапан. Не хватает масла.
Компрессор перегревается.
|
Замените компрессор с двигателем.
Добавьте масла; если агрегат не будет работать, замените компрессор с двигателем.Если проблема заключается в компрессоре, замените его.
|
| 10. Ребристый испаритель покрыт инеем или льдом.
|
Сломался таймер.
Неисправен нагреватель оттаивателя.
Дефектный термостат.
|
Проверьте контрольной лампочкой и при необходимости замените.
Замените нагреватель.
Замените термостат.
|
| 11. Во влагосборнике лед.
|
Неисправен нагреватель влагосборника.
|
Замените нагреватель.
|
| 12. Агрегат работает без перерыва при нормальной температуре.
|
Испаритель покрывается льдом.
Сосуд с жидкостью термостата не касается поверхности испарителя.
|
Проверьте уплотнители на дверце - при необходимости замените.
Разместите сосуд с жидкостью так, чтобы он касался поверхности испарителя.
|
| 13. Морозильник работает без перерыва. Температура слишком низкая.
|
Неисправен термостат.
|
Проверьте термостат - испытайте его и при необходимости замените.
|
| 14. Морозильник работает без перерыва. Температура слишком высокая.
|
В изоляции накопился лед.
|
Снимите шины прерывателя, остановите агрегат, растопите лед и осушите изоляцию, устраните утечки в наружной оболочке и соединениях и соберите все заново.
|
| 15. Испаритель быстро обрастает льдом.
|
Через уплотнитель дверцы идет утечка.
|
Отрегулируйте петли дверцы. Замените уплотнитель, если он потрескался, стал хрупким или износился.
|
| 16. Дверца на морозильной камере примерзает.
|
Неисправен электронагреватель уплотнителя.
Плохой уплотнитель.
|
Воспользуйтесь другим нагревателем уплотнителя или установите новый.
Осмотрите и проверьте уплотнитель. Если он изношен, в трещинах или затвердел, замените его.
|
| 17. Поработав, морозильник нагревается.
|
В холодильник попала влага.
|
На линию жидкости установите влагоотделитель.
|
| 18. Производительность заморозки постепенно снижается.
|
В капиллярной трубке накопился парафин.
|
Воспользуйтесь инструментом для чистки капиллярной трубки или замените капиллярную трубку.
|
9.3 Торговые холодильные системы
Большинство торговых холодильных систем используется в торговле продуктами питания и сфере обслуживания продуктами питания, т.е. супермаркетах, гастрономах, магазинах, торгующих повседневными мелочами, ресторанах, кафетериях, столовых организаций и учреждений и магазинах кулинарии. Другими областями их применения являются торговые автоматы напитков и продуктов питания. Примерами их дополнительного использования служат экологические испытательно-калибровочные камеры. Основы эксплуатации бытовых холодильных систем применимы и к торговым системам, однако многие торговые системы, использующие механизмы механического цикла, несколько отличаются от бытовых, например, более сложным управлением, системой соединений труб и т.д. На рисунке 18 представлена типичная система холодильника-прилавка. В настоящем Руководстве мы подробно остановимся на системе с несколькими испарителями.

Рисунок 18. Холодильник-прилавок.
Обладает встроенным холодильным агрегатом. А - испаритель. В - конденсатор. С - термостатический регулирующий вентиль. D - смотровое стекло. Е – фильтр-осушитель. F - контрольный термостат.
9.3.1 Система многоступенчатого испарителя.

Рис.19. Система охлаждения малых холодильников
А- Вентиль водяной. В- Вентиль запорный на линии всасывания. С- Вентиль запорный на жидкостной линии. D-Реле низкого давления. Е- Термостат. F-Термостатический регулирующий вентиль. G- Соленоидный вентиль на жидкостной линии. Н- двухтемпературный вентиль. J-Обратный клапан. К- Осушитель. L-Указатель потока жидкости. М-Распределитель хладагента.
9.3.2 Поршневой компрессор с отрытым приводом
Другим используемым в торговой холодильной системе компрессором является компрессор с открытым приводом. Обычно его первичным источником энергии служит электродвигатель, вращательное движение которого должно быть изменено на возвратно-поступательное. Такое изменение обычно производится с помощью кривошипа и шатуна, соединяющей кривошип с поршнем. Весь этот механизм размещается в негерметичном корпусе, который называется картером.

Рисунок 20. V-образный четырехцилиндровый сальниковый компрессор.
А - четырехременный маховик. В - элементы выпускного клапана. С - элемент впускного клапана. D - отверстие для электронагревателя масла.
Техобслуживание:
Регулируйте ремни и производите их замену, проверяйте уровень масла, производите замену масла (см. главу 4), очищайте корпус, проверяйте сальники, производите проверку утечки по валу. Производите контрольное измерение температуры на нагнетательной стороне II температуры масла, с тем чтобы избежать ненужную большую нагрузку на рабочую среду компрессора
Большая нагрузка на компрессор открытого типа может привести к перегоранию его электродвигателя.
9.3.3 Конденсаторы
В процессе сжатия пар подвергается воздействию тепла по точно такой же причине, по которой нагревается велосипедный насос в процессе работы. Компрессор может поднять давление пара до такого уровня, когда он легко конденсируется при обычной температуре окружающего воздуха, однако процесс сжатия делает выходящий из компрессора сжатый пар сильно перегретым.
Давление, при котором происходит конденсация пара, определяется сочетанием того, сколько пара нагнетается компрессором, сколько теплоты отводится конденсатором, и температурой среды конденсации.
Теплота отводится из конденсатора средой охлаждения конденсатора. Конденсация должна происходить при температуре, превышающей температуру среды охлаждения, которая обычно выше последней на 5-6°С, в зависимости от того, используется ли для конденсации вода или воздух. До наступления конденсации перегрев должен быть устранен, и в этом заключается первая функция конденсатора. За этим следует конденсация в жидкость, после чего жидкость должна остыть на несколько градусов. Таким образом, в конденсаторе происходит снятие перегрева паров, конденсация и переохлаждение жидкости.
Конденсатор с воздушным охлаждением
Конденсаторы с воздушным охлаждением часто используются в торговых холодильных системах и системах кондиционирования воздуха. Применение водяного охлаждения по ряду причин невозможно или мягкая вода может привести к образованию коррозии.
Большие конденсаторы могут охлаждаться большими вентиляторами, смонтированными на двигателе или узлах внешнего привода маховика компрессора. Для работы вентиляторов на крупных герметичных агрегатах применяются дополнительные двигатели.
Эффективность работы вентилятора на конденсаторе с воздушным охлаждением может быть повышена за счет установки вокруг него кожуха. Такие конденсаторы снабжены ребрами и часто имеют два или несколько рядов трубок.


Рисунок 21. Конденсатор с воздушным охлаждением.
Конденсаторы с водяным охлаждением
В. некоторых торговых холодильных агрегатах применяются конденсаторы водяного охлаждения. Они выполняются в трех видах:
- Кожухотрубные
- Кожухозмеевиковые
- Труба в трубе
В кожухотрубной модели хладагент в виде пара поступает непосредственно из компрессора в емкость или корпус, где размещены прямые трубки, по которым проходит вода. Корпус имеется и у второго типа, но здесь вода движется по трубкам в форме змеевика. проложенной в корпусе. В третьем случае используется две трубки, одна из которых вставлена в другую. Хладагент проходит по внешней трубке в одном направлении, а вода для конденсации идет по внутренней трубке в противоположном направлении.

Рисунок 22.
Кожухотрубный конденсатор с крышками на конце корпуса,
обеспечивающий многоходовые движения воды.
Техобслуживание:
Если система работает с необычно высоким давлением на выходе, это может указывать на засорение трубок конденсатора или на наличие грязи в конденсаторах типа кожухотрубных.
Такое загрязнение может быть устранено промывкой трубок для воды допустимым химикатом. Хорошей практикой техобслуживания является также регулярная чистка трубок с помощью щетки, насаженной на штырь.
9.3.4 Испарители
Вследствие того, что покупатели требуют большего разнообразия торговых холодильников, для многих агрегатов требуются особые конструктивные решения испарителей. Эти испарители разные, начиная от трубок в форме змеевика, погруженных в резервуар с пресной водой, до испарителей с принудительной циркуляцией, где .воздух проходит над ними или задувается с помощью вентилятора с электродвигателем. Испарители можно разделить на две основные группы:
- Испарители, используемые для охлаждения, жидкостей, например соляных растворов, напитков.
- Испарители, используемые для охлаждения воздуха, который, в свою очередь, охлаждает содержимое холодильной камеры.
Испарители для охлаждения воздуха бывают двух основных типов:
а) Использующие естественную конвекцию
в) Использующие принудительную конвекцию
В испарителях с естественной конвекцией воздуха циркуляция воздуха зависит от гравитационной (теплый воздух поднимается, тяжелый воздух опускается) или тепловой циркуляции. Испарители для охлаждения воздуха с помощью естественной конвекции распадаются на три класса:
а) Замораживающие
в) Размораживающие
с) Не образующие льда на стенках камеры
Условия, в которых должен работать испаритель, определяют критерием классификации. Определяющими условиями являются температурный диапазон камеры и разность температуры между испарителем и камерой.

Рисунок 23. Низкотемпературный
воздухоохладитель. Для поддержания постоянной температуры коробки воздух проходит через спрессованное заграждение в прямом направлении на значительное расстояние.
9.3.5 Расширительные клапаны
Расширительный клапан является регулятором заполнения испарителя. Автоматически регулирует расход хладагента, поступающего в испаритель, в зависимости от величины теплопротоков, поступающих в охлаждаемое помещение. Цель регулирования: обеспечение номинальной холодопроизводительности при условии предотвращения «влажного хода», т.е. попадания жидкого хладагента в компрессор, что, как правило, приводит к его отказу. На рисунке представлен термостатический расширительный вентиль с внешним уравниванием, применяемый на испарителях с существенной депрессией (DР=Р входа – Р выхода).
Термостатический регулирующий вентиль

Рисунок 24. Термостатический регулирующий вентиль
1. Вход в систему с фильтром, 2. Конус, 3. Выход из системы, 4. Отверстие, 5. Присоединительный патрубок для уравнивания давления, 6. Корпус пружины, 7. Мембрана, 8. Капиллярная трубка, 9. Шпиндель для установления предварительного натяжения пружины (открывает доступ перегретому пару). 10. Сосуд с жидкостью (термобаллон)
Работа терморегулирующего вентиля
Работа вентиля определяется тремя видами давления, воздействующими на контрольный элемент. Давление в колбе Р1
вызывает модулирующее движение открывания вентиля. Давление в сосуде изменяется в зависимости от температуры испаряющегося хладагента и степени наполнения сосуда. Закрытие вентиля вызывает давление в испарителе P0
и давление регулировочной пружины (номинальное значение) Р3
Когда эти три вида давления уравновешены, открытое положение клапана остается неизменным, и объем прохода не меняется. Если в испаритель поступает слишком малое количество хладагента, сосуд нагревается, и давление в нем p1
повышается, в результате чего клапан открывается больше, и его поперечное сечение увеличивается. Снижение давления в испарителе приводит к таким же результатам. Если же температура в сосуде уменьшается, или давление в испарителе повышается, клапан закрывается. Если компрессор в отключенном режиме отсоединен, давление р0
повышается из-за отсутствия работающего компрессора, и клапан закрывается (если давление в сосуде p1
не превышает давления р0
и р3
, приводящего к его закрытию).

Рисунок 25. Три вида рабочего давления, определяющие работу терморегулирующего вентиля.
р0
- Давление в испарителе, р1
- Давление в сосуде, p3
- Эквивалент давления регулирующей пружины.
Перегретый пар хладагента
Термостстический регулирующий вентиль является средством пропорционального регулирования соотношения между перегретым хладагентом и температурой насыщенного пара в испарителе (на всасывающей линии, расположенной рядом с испарителем). Хладагент, представляющий собой смесь жидкости и пара, поступает в испаритель в точке А, а в точке Е он должен быть только паром. Между точкой Е и местом присоединения сосуда F пары хладагента перегреты. Это значит, что его температура выше температуры его насыщения (повышение температуры при постоянном давлении). Наличие участка с перегретым паром снижает производительность испарителя, но это необходимо для стабильной работы регулирующего клапана.

Рисунок 26. Схема расположения терморегулирующего вентиля и испарителя.
Давление P3
регулирующей пружины определяет, при какой разности температур сосуда и испарителя будет открываться клапан.
Это значение Р3
называется "статическим перегревом".
Для управления работой клапана необходимо дополнительное повышение давления в сосуде (при постоянном давлении на линии всасывания), т.е. дополнительное нагревание сосуда (перегрев), требуемое для регулирования давления поднимающейся пружины.
Такой дополнительный перегрев называется "апертурным перегревом".
Сочетание статического перегрева и апертурного перегрева называется "рабочим или общим перегревом".
Установка крепежа сосуда с жидкостью
Сосуд крепится с помощью хомутов или зажимов внутри холодной камеры, над проходящей горизонтально линией всасывания, у выхода из испарителя, обеспечивая плотный контакт металлических поверхностей. Мы предлагаем, чтобы термальный контейнер для жидкости должен иметь изоляцию.

Рисунок 27. Крепление колбы полициях всасывания большого диаметра.
Всасывающие трубки, диаметр которых превышает 22 мм, требуют боковой установки сосуда (см. рис. 10). Используйте верхнюю или боковую установку, но не в нижней части трубки всасывания.

Рисунок 28. Правильная и неправильная установка колбы.
Ошибки при установке:
1. Перед вертикальной трубкой отсутствует ловушка. 2. Сосуд установлен после соединения, где происходит выравнивание с внешним давлением. 3. Соединение, где происходит выравнивание с внешним давлением, направлено вниз, а не вверх.
9.3.6 Фильтр-осушитель
Эффективность работы системы торгового холодильника в большой степени зависит от чистоты внутреннего устройства агрегата. В системе должны циркулировать только чистые хладагент и масло, которые не содержат влаги.
Таким образом, в частности, вся грязь и вода должны быть удалены или задержаны в какой-либо части системы, где они не принесут вреда. Для этого используются защитные экраны, фильтры и поглотители влаги. Эти устройства могут быть выполнены отдельно или представлять собой единый фильтрующий и поглощающий влагу узел. Обычно для удаления влаги применяется осушитель. Если в нем достаточно поглощающего влагу материала для работы с ее высоким и низким уровнем влажности и если он эксплуатируется на полную мощность, хладагент остается чистым и не содержит влаги. Не бойтесь пользоваться осушителем.

Рисунок
29. Фильтры-осушители со сменными вставками.
9.3.7 Смотровое стекло - индикатор влаги
Большинством международных организаций было достигнуто согласие о безопасной концентрации влаги в различных ХФУ- хладагентах. Так, допустимая концентрация по ХФУ-12 составляет 50 частей на тысячу (ррm), по ХФУ-22 - 60 ррm, а по азеотропной смеси R502 - 30 ррm. Определение влажности любого хладагента происходит на основе двухцветной индикации. Темно-зеленый цвет указывает на отсутствие влаги, а ярко-желтый - на наличие. По ГФУ-134а имеются новые индикаторы влаги (типа Danfoss SGI и SGR).
Рисунок 30. Индикаторы влаги с различным соединением
9.3.8 Электромагнитные клапаны
Электромагнитные клапаны основаны на принципе сервомеханизма. Эти клапаны предназначены для установки на линиях жидкости. Сила, воздействующая на мембрану пластины клапана при включенном электропитании, поднимает ее над седлом клапана и удерживает клапан в открытом состоянии до отключения питания.

Рисунок 31. Типичный электромагнитный клапан на линии жидкости
9.3.9 Запорные вентили
Такие вентили с ручным управлением и используемые при обслуживании должны изучаться и быть предназначены для частого открытия и закрытия без утечек. Со штоками вентилей и их набивкой необходимо обращаться с осторожностью. Закрывать вентили всегда следует не очень плотно, чтобы не повредить крепежный фланец. На рисунке 32 показан вентиль со штоком. В системах с ХФУ и ГХФУ при работе с хладагентом необходимо пользоваться уплотнительным колпачком запорного вентиля хладагента, управляя им вручную.

Рисунок 32. Запорный вентиль для вальцованного соединения.
9.3.10 Теплообменник
Теплообменники используются на холодильных машинах работающих на ХФУ-12 и R502,
а на холодильных машинах работающих на ГХФУ-22 они применяются реже. Они монтируются на линии всасывания и линии жидкости. У такого размещения есть три достоинства:
- Он дополнительно охлаждает жидкий хладагент и повышает эффективность работы системы.
- Он сокращает количество мгновенно выделяющегося газа на линии жидкости.
- Он сокращает количество жидкого хладагента в трубке всасывания.
Теплообменник обеспечивает передачу тепла от более теплой жидкости на линии жидкости холодному пару, выходящему из испарителя.
Сами жидкости охлаждаются на 5-10°С ниже температуры конденсации, она может поглощать больше скрытой теплоты, превращаясь в пар в испарителе. Уменьшение мгновенно образующегося пара (иногда называемого мгновенно выделяющимся газом) является важным. Мгновенно выделяющийся газообразный хладагент является той частью жидкого хладагента, которая переходит в пар при снижении давления (например, при снижении давления с помощью терморегулирующего клапана или капиллярной трубки). Мгновенно выделяющийся газ охлаждает оставшуюся жидкость до температуры насыщения при более низком давлении. Это снижает производительность клапана, способствует большему падению давления на стороне низкого давления и уменьшает количество теплоты, которую поглощает каждый фунт хладагента по мере испарения. Кроме того, теплообменник препятствует образованию слоя влаги или инея на стенках линии всасывания. Если в паре
+ на обратном всасывании имеется низкотемпературный жидкий хладагент, он будет испаряться в теплообменнике по мере поглощения тепла с линии жидкости.


Рисунок 34. Теплообменник, установленный на линии всасывания.
9.3.11 Накопитель жидкости (жидкостной ресивер)
Накопитель жидкости представляет собой емкость, обычно оборудованную двумя рабочими клапанами. Один из них - это рабочий клапан накопителя жидкости, смонтированный между накопителем жидкости и конденсатором. Второй расположен между накопителем и линией жидкости. Эти два клапана помогают техническому работнику отсоединять от системы только накопитель жидкости.
| Заправочный клапан для жидкости
|
|
Рисунок 35. Ресивер жидкости с компрессором и конденсатором. (Компрессорно-конденсаторный агрегат)
Ресиверы должны быть безопасными. Минимальным средством защиты служит предохранительная термальная пробка или клапан аварийного сброса давления, через который в случае пожара выходит газ. Некоторые накопители оборудованы устройствами сброса и температуры и давления.
Хладагент не должен попадать непосредственно в воздух через такие предохранительные устройства сброса. Предохранительный клапан испарителя должен быть оборудован дополнительной линией.
Некоторые ресиверы снабжены устройством для определения уровня жидкого хладагента - это смотровое стекло, магнитный поплавок или клапаны. Накопитель должен быть достаточно большим, чтобы размещать в себе весь объем хладагента системы.

Рисунок 36. Предохранительный клапан давления.
9.3.12 Сепаратор масла
Очень важно, чтобы компрессор был постоянно смазан. Вместе с паром хладагента он перекачивает и некоторое количество масла, поэтому существует вероятность, что из компрессора выйдет слишком большое количество масла. Следовательно, важным является максимально быстрое возвращение перекаченного масла в компрессор. Система охлаждения работает лучше, если масло остается в компрессоре. Попадание масла в конденсатор и испаритель снижает эффективность агрегата. Важно, чтобы в низкотемпературных установках масло не циркулировало. При очень низких температурах оно густеет, и его трудно удалять из испарителя.

Рисунок 3 7. Сепаратор масла.
Когда пар выходит из компрессора, масло отделяется от горячего сжатого пара с помощью сепаратора. Отделение масла происходит потому, что поток пара замедляется при его попадании в сепаратор масла. Масло накапливается в сепараторе до достижения им определенного уровня. После этого поплавок открывает игольчатый клапан, и масло возвращается в картер компрессора.
Рисунок 38. Размещение маслоотделителя в системе.
9.3.14 Линии хладагента
Обычно для циркуляции хладагента в системе используются холоднокатаные медные трубы (большие системы обычно проектируются под стальные трубы). Такая труба имеет размеры стальной трубы, и арматура для нее не является взаимозаменяемой с арматурой размера трубок. Для подсоединения арматуры к трубе используются безмуфтовые соединения с твердой пайкой. В связи с тем, что экологическое внимание во всем мире сосредоточено на системах охлаждения, соединения с развальцовкой труб используются все меньше (из-за возможной разгерметизации их при вибрации) и требуется, чтобы они были сварочными или запаивались твердым припоем. Важным является и внешний вид установки; трубы должны быть установлены как можно более аккуратно.
9.3.15 Обслуживание торговых систем
Для того, чтобы осуществлять качественное обслуживание торговой системы, необходимы некоторые основные инструменты. Приводимый ниже перечень инструментов охватывает большинство работ по обслуживанию, но в настоящем справочнике мы описываем только такой процесс заправки торговой системы, при котором можно избежать утечку хладагента. По другим работам по обслуживанию мы рекомендуем обратиться к справочнику по системе.
9.3.15.1 Оборудование по обслуживанию
Двумя основными задачами являются:
- Получение и использование высококачественных инструментов.
- Постоянная и подробная регистрация каждого вида работ.
Большинство компаний предоставляет микроавтобус или пикап, оборудованный следующими основными средствами:
- Вакуумный насос, установка по извлечению/рециркуляции.
- Трубы различного диаметра.
- Универсальный набор для простой пайки, пайки с твердым припоем и сварки.
- Комплект запчастей и материалов
1. Регуляторы
2. Соединительная арматура
3. Масло
4. Хладагент
· Течеискатели, особенно электронный тестер
· Тестеры (вольт/амперметры и пр.).
Обычно техник по обслуживанию имеет свой собственный набор инструментов. Более продуктивной работе помогают следующие три привычки:
- Поддержание инструментов в чистоте. Это способствует более качественной и быстрой работе, одновременно увеличивая срок эксплуатации инструментов.
- Инструменты должна храниться на работе в одном месте - в коробке для инструментов или в автомобиле. Они должны быть разложены таким образом, чтобы техник по обслуживанию мог брать нужный инструмент не глядя.
- Использование хорошего освещения. Удлинительный шнур и лампа должны надежно крепиться.
9.3.15.2 Заправка торговой системы
При заправке системы количество заправляемого хладагента должно всегда взвешиваться и соответствовать инструкциям производителей, если таковые имеются. Производитель разработал и испытал свою продукцию в различных условиях работы и определил конкретную процедуру заправки. В принципе, существуют два основных способа заправки системы:
- Заправка со стороны низкого давления
- Заправка со стороны высокого давления
Заправка со стороны низкого давления:
Заправка со стороны низкого давления небольшого количества хладагента в торговую систему похожа на заправку бытовых холодильников. Обычно она производится со стороны низкого давления (паровой метод). Для заправки торговой системы с внешним приводом, имеющей соответствующие рабочие клапаны, заправочный баллон должен подсоединяться к измерительному коллектору. Заправляемые линии должны быть чистыми, воздух и влага должны быть откачены. Перед началом процедуры заправки необходимо проверить соединения на утечку. При перекачке хладагента не забывайте надевать защитные очки.

При заправке со стороны низкого давление заправочный баллон используется в качестве временного испарителя системы. Работающий компрессор откачивает пар хладагента из баллона и из испарителя. Заправку можно ускорить, если частично закрыть рабочий всасывающий клапан, уменьшая таким образом выход из обычных испарителей и увеличивая испарение в заправочном баллоне. Для повышения испарения в заправочном баллоне можно использовать горячую воду. Для разогрева баллона никогда не применяйте горелку. Давление на низкой стороне не должно превышать его обычного уровня. Слишком высокое давление может привести к перегрузке компрессора. Слишком низкое давление может вызвать унос масла. В течение всего времени заправки обязательно присутствие техника по обслуживанию. Заправочный баллон нельзя оставлять присоединенным к системе. Очень важно, чтобы жидкий хладагент не попал в компрессор. Жидкость не сжимается, и если компрессор начнет качать жидкость, это может привести к выходу из строя его клапанов и даже подшипников и валов. Хотя это обычно и не рекомендуется, некоторые техники все же заправляют систему со стороны высокого давления жидким хладагентом. При такой заправке компрессор не должен работать (см. рисунок 41).
Заправка со стороны высокого давления.

Некоторые системы на ресивере имеют клапан для жидкой заправки. Это опасная практика, т.к. возможные гидравлические удары могут разорвать трубки и вызвать значительные повреждения. Тем не менее, такой способ может применяться при первичной заправке системы, если пользоваться им осторожно.
Если баллон перевернуть, создавая в нем давление, выше, чем в системе, жидкий хладагент попадет в систему. Причина, по которой такая практика не поощряется, заключается в том, что выпускной клапан компрессора пропускает жидкость, которая может попасть в цилиндр компрессора и повредить компрессор при его запуске. Если агрегат имеет водяное охлаждение, давление в накопителе жидкости при его обтекании водой будет существенно ниже давления в баллоне, и после удаления из заправочной линии воздуха два клапана откроются. Разность давлений приведет к наполнению системы хладагентом из баллона.

Рисунок 42. Прямая заправка жидкостью па стороне высокого давления. Не забывайте о том, что в это время компрессор работать не должен.
Если агрегат имеет воздушное охлаждение, давление в заправочном баллоне должно быть повышено. Это можно сделать с помощью компрессора, который закачает парообразный хладагент в баллон, и давление в нем повысится.
Подробно этот метод заключается в следующем:
- Подсоедините заправочный баллон к измерительному коллектору с помощью гибкой трубки. Не пользуйтесь при этом одноразовым контейнером. Он может взорваться.
- Включите ненадолго компрессор при открытом заправочном рабочем клапане до получения в баллоне давления, превышающего давление в конденсаторе на 242-311 кПа.
- Остановите компрессор.
- Переверните заправочный баллон (постарайтесь не повредить линию).
- Частично закройте выпускной рабочий клапан. Высокое давление на поверхности хладагента в баллоне заставит жидкость перетекать в систему. При заполнении стороны высокого давления жидкостью можно услышать булькающий звук. Когда он прекратится, это будет означать, что баллон опустел. Используйте такой метод только при предварительном удалении хладагента из системы.
9.3.15.3 Инструкции по общему обслуживанию
Обслуживание, устранение неисправностей и диагностика системы охлаждения требует наличия здравого смысла плюс отличного знания основ холодильной техники. Для нормальной работы системы она должна обладать следующими качествами:
Охлаждение (на низкой стороне).
- В испарителе должно быть достаточно жидкого хладагента.
- Давление в испарителе должно быть достаточно низким, чтобы жидкость закипала при должной температуре.
- Тепло от охлаждаемых частей должно поступать к жидкому хладагенту в испарителе.
Конденсация (на высокой стороне).
- Пар должен подаваться в конденсатор при необходимом давлении и температуре.
- Тепло от конденсатора должно отводиться (конденсатор, поток воздуха или воды должны быть чистыми).
- Конденсатор не должен полностью заполняться жидким хладагентом (поверхность теплообмена должна быть свободной).
Прохождение хладагента в линии жидкости.
Линия должна иметь достаточное сечение и иметь минимум препятствий (сужения в трубке, частичное оребрение, фильтры или осушитель). В линии жидкости должен находиться только жидкий хладагент.
Прохождение пара и масла в линии всасывания.
Допускается лишь небольшое снижение давления.
Оребрение и осушитель не должны иметь никаких препятствий. Процесс диагностики начинается с выслушивания жалоб владельца холодильника. После этого техник по обслуживанию должен проверить давление на низкой и высокой стороне, а также температуру испарителя. Проверить смотровое стекло на наличие пузырьков. Потрогать линию всасывания. Она должна быть холодной. Потрогать линию жидкости. Она должна быть близка к температуре окружающего воздуха (окружающей среды).
9.3.16 Возможные неисправности и методы их устранения
| СХЕМА ОПРЕДЕЛЕНИЯ НЕИСПРАВНОСТЕЙ КОМПРЕССОРА ОТКРЫТОГО ТИПА
|
| А. НЕИСПРАВНОСТИ В НАЧАЛЕ РАБОТЫ
|
| ВОЗМОЖНАЯ НЕИСПРАВНОСТЬ
|
ВЕРОЯТНАЯ ПРИЧИНА
|
МЕТОД УСТРАНЕНИЯ
|
| 1. Компрессор не запускается
|
Отключено питание
|
Проверьте основной выключатель. предохранители и проводку
|
| Термостат установлен в слишком высокое положение
|
Измените установку термостата
|
| Включен выключатель перегрева
|
Отключите вручную
|
| Аварийный масляный выключатель
|
Установите вручную
|
| Загрязнились контакты
|
Зачистите контакты на всех выключателях и регуляторах
|
| Плохое соединение электропроводов или неисправность проводки
|
Закрепите соединения. Проверьте проводку и при необходимости замените
|
| Перегорел электродвигатель компрессора
|
Проверьте и при неисправности замените
|
| Закрыт электромагнитный клапан
|
Проверьте, не сгорела ли удерживающая катушка. При неисправности замените
|
| Не работает вентилятор испарителя
|
Проверьте предохранители, убедитесь в отсутствии перегрузки. Включите еще раз
|
| Не работает вентилятор конденсатора, испарителя или насоса подачи воды
|
Проверьте предохранители, регуляторы, убедитесь в отсутствии перегрузки. Включите еще раз
|
| Из-за высокого давления разомкнулись контакты реле высокого давления
|
Нажмите кнопку повторного запуска
|
| Система не заправлена хладагентом
|
При отсутствии хладагента для включения выключателя низкого давления не хватает давления всасывания. Произведите заправку системы и устраните утечки
|
| В. НЕУСТОЙЧИВАЯ РАБОТА
|
| 2. Работа компрессора периодически прерывается
|
Неустойчивая работа терморегулирующего вентиля (ТРВ)
|
Проверьте, не засорена ли подводящая трубка к выключателю. Проверьте регулировку ТРВ. Возможно, он установлен на очень высокую температуру.
|
| Количество хладагента в системе недостаточно
|
Проверьте систему на наличие утечек, устраните их и добавьте хладагента
|
| Неправильно установлен регулятор мощности
|
Поставьте регулятор в нужное положение
|
| Слишком небольшая разность температур на термостате
|
Отрегулируйте
|
| Закрыт или утоплен клапан всасывания
|
Откройте
|
| 3. Работа компрессора постоянно прерывается двухпозиционным регулятором давления
|
Наличие грязи или препятствия в трубке к регулятору давления
|
Проверьте и прочистите трубопровод
|
| Неисправен регулятор давления
|
Отремонтируйте или замените
|
| Производительность конденсатора снижена из-за избытка хладагента в сочетании с высоким давлением на выходе
|
Удалите избыточный хладагент
|
| Недостаточное количество проходящей через конденсатор воды или конденсатор засорился
|
Отрегулируйте клапан подачи воды в конденсатор. Прочистите конденсатор
|
| Не полностью открыт выпускной или всасывающий запорные вентили
|
Откройте вентили
|
| Наличие воздуха в системе
|
Удалите
|
| Не работают водяные насосы
|
Проверьте и включите
|
| С. РАБОЧЕЕ ДАВЛЕНИЕ СЛИШКОМ ВЫСОКОЕ ИЛИ СЛИШКОМ НИЗКОЕ
|
| 4. Высокое выходное давление
|
Слишком высокая температура на входе конденсатора
|
- Увеличить расход воды через кожухотрубный конденсатор, отрегулировав, отрегулировав редукционный водяной клапан
- Использовать источник холодной воды
|
| Недостаточное количество проходящей через конденсатор воды
|
1. Отрегулировать редукционный водяной клапан
2. Увеличить сечение труб, подводящих воду к конденсатору
|
| Засорились или покрылись отложениями трубки конденсатора
|
Прочистить трубки
|
| Частично закрыт выходной запорный вентиль
|
Открыть вентиль
|
| Слишком большое количество хладагента
|
Удалить избыток
|
| В систему попал воздух
|
Удалите
|
| 5. Низкое давление на выходе
|
Через конденсатор проходит избыточное количество воды
|
Отрегулируйте редукционный водяной клапан
|
| Частично закрыт всасывающий запорный вентиль
|
Открыть вентиль
|
| Всасывающие клапаны компрессора имеют утечку
|
Отключите компрессор, снимите головку цилиндра, осмотрите тарелку и седло клапана и при необходимости замените
|
| Сработались уплотнительные кольца поршня
|
Замените, если кольца сработалась
|
| 6. Переполнение
|
Неисправный или неправильно установленный регулирующий вентиль
|
Увеличить перегрев на З-6 0
С
|
| 7. Низкое всасывающее давление
|
Недостаточное количество хладагента в системе
|
Проверьте на утечки, устраните их и добавьте хладагента
|
| Чрезмерный перегрев
|
Отрегулируйте регулирующие вентили на меньший перегрев
|
| С. ШУМЫ В СИСТЕМЕ
|
| 8. Шумит компрессор
|
Неплотно закреплена или перекошена соединительная муфта
|
Проверьте центровку и плотность соединения
|
| Недостаточный зазор между поршнем и тарелкой клапана
|
Замените сработавшиеся детали
|
| Сработались подшипники двигателя или компрессора
|
Замените подшипники
|
| Слабое натяжение или перекос ремней
|
Проверьте центровку и натяжение. Ремни должны провисать вверху
|
| Слабое крепление к фундаменту, не затянуты крепежные болты
|
Затяните болты
|
| Плохая изоляция фундамента
|
Проверьте, не касается ли базового основания какая-либо часть фундамента
|
| Неправильно установлено крепление или изоляция трубок
|
Проложите трубки достаточно изогнутые вправо, чтобы поглощать вибрацию, и обеспечьте их надежное крепление с помощью подходящих хомутов
|
| Плохая работа, вызванная выбросом хладагента из испарителя
|
1. Проверьте установку регулирующего клапана 2. Проверьте плотность крепления и месторасположение термобаллона 3. Создайте петлю на линиях всасывания, чтобы предотвратить выброс в режиме 'выключено'
|
| Гидравлический удар, вызванный избытком циркулируемого масла
|
1. Удалите избыток масла 2. Проверьте, не проходит ли выброс через регулирующий вентиль
|
| Уровень шума изменяется при снятии нагрузки из-за неисправного механизма открытия клапана
|
1. Замените запавшие штырьки механизма открытия 2. Проверьте центровку вилки снятия нагрузки 3. Проверьте, не заклинил ли поршень элемента питания 4. Утечка масла на соединении трубок к элементу питания
|
| Старение (разрушение) резиновых амортизаторов или пружинной подвески
|
Замените амортизаторы или пружины
|
9.4 Малые системы кондиционирования воздуха
Система комфортного охлаждения
В широком применении находится несколько типов систем комфортного кондиционирования. Они могут быть классифицированы по расположению механизма следующим образом:
- Автономные или агрегатированные охладители воздуха
- Раздельные
Автономными системами являются:
- Оконные кондиционеры
- Внутристенный кондиционер
- Кондиционеры-шкафы
Раздельные кондиционеры существуют двух типов:
1. Компрессорно-конденсаторный агрегат:
Испаритель для кондиционирования устанавливается в помещении или на первом контуре.
2. Центральная установка кондиционирования воздуха.
Установка и испаритель размещаются отдельно от места кондиционирования. На теплообменники, установленные в различных местах кондиционирования, поступает охлажденный раствор или вода.
9.4.1 Оконные кондиционеры
Комфортные охладители воздуха, монтируемые в окне или на стене, не пользуются спросом. Их производство прекращено, и они постепенно заменяются. Однако некоторое их количество находится в эксплуатации. Оконный кондиционер монтируется на подоконнике, и его установка сравнительно проста. Конденсатор находится в той части кондиционера, которая находится снаружи здания. Воздух подается в конденсатор с помощью вентилятора. Другой вентилятор, расположенный в помещении, всасывает воздух через фильтр и подает его на испаритель.
Оба воздушных вентилятора могут приводиться в действие одним двигателем или каждый своим. На рисунке 43 показано движение воздушных потоков в оконном кондиционере и его внутренне устройство.
| Подвод воздуха к вентилятору конденсатора
|
|
| Регулировка двигателя конденсатора
|
|
Рисунок 43. Движение воздушных потоков в оконном кондиционере.
Существует несколько типов оконных кондиционеров. Один из них охлаждает и очищает воздух с помощью фильтра, а также имеет воздухозаборник. Другой тип в дополнение к этому обладает электрическим обогревателем для обеспечения теплом. Третий снабжен системой обратного цикла (тепловой насос), обеспечивающей использование холодильного агрегата, как для комфортного охлаждения, так и обогрева.
Оконные кондиционеры могут быть предназначены как для двойных, так и для одинарных подъемных окон. Они могут устанавливаться в специальных стенных отверстиях. Конденсат от испарителя часто отводится в основание компрессора со встроенным электродвигателем и конденсатора, где он способствует охлаждению этих устройств. Обычно используется капиллярная трубка или обводной автоматический регулирующий вентиль. В некоторых агрегатах направление потока охлажденного воздуха может меняться в ходе их работы. Это происходит при изменении угла отклоняющихся пластин, которые крепятся на валу, поворачиваемом с помощью ротора, приводимого в движение выходящим воздухом.
Работой систем управляют термостаты. Обычно на входе в испаритель крепится чувствительный сосуд с жидкостью. Нормальной разностью температур считается примерно 3°С. Если изолировать дальнюю от испарителя часть датчика, он будет лучше реагировать на температуру испарителя. Он будет быстрее охлаждаться и останавливать работу агрегата до его переохлаждения. Кроме того, он будет останавливать агрегат при обледенении испарителя, не давая ему включаться до того, как лед растает.
Рисунок 44.Современный оконный кондиционер.
5.4.1.1 Обслуживание
Обслуживание комнатных кондиционеров воздуха является очень важным и должно производиться правильно. Температура масла в компрессоре может увеличиться по ряду причин. Наличие горячего масла хладагента в контуре хладагента приводит к появлению проблем, которые могут быть устранены только при замене компрессора (вследствие перегорания). Если горячее масло хладагента останется в контуре, двигатель компрессора работать не сможет.
9.4.2 Компактная установка с водяным охлаждением (моноблок)
Вся компактная установка кондиционирования воздуха размещается в одном корпусе. Мощность таких установок может быть различной, от прибл. 6 кВт до 30 кВт. Они часто используются в небольших торговых организациях, таких как рестораны, магазины и банки.
Компактные установки могут иметь компрессорно-конденсаторный агрегат водяного или воздушного охлаждения. Модели с воздушным охлаждением, которые необходимы там, где есть сложности с водоснабжением, для охлаждения конденсатора должны иметь воздуховоды с выходом за пределы помещения.
На рисунке 45 приведена компактная установка с водяным охлаждением. Рециркулирующий воздух входит в установку через решетку, расположенную в ее нижней части. Охлажденный воздух выходит через ее верхнюю часть. Компрессорно-конденсаторный агрегат смонтирован в нижней части установки. Вентиляторы находятся в середине, а испаритель в верхней части корпуса.
Кроме того, компактные установки имеют воздухозаборники и обводные каналы испарителя. Все они должны иметь дренаж для удаления конденсата от испарителя.
Большинство компактных установок имеют полный набор системы охлаждения, системы фильтрования и испарителя.

Рис. 45. Агрегат с водяным охлаждением конденсатора 1.Вход воздуха (через фильтр). 2.Выход воздуха. З. Вход наружного воздуха. 4.Дренаж конденсата. 5.Вход воды в конденсатор. 6. Выход воды из конденсатора. 7.3апасной выход дренажа. 8.Пульт управления. 9.Сигнальная лампа. 10.Соединение к питанию.
9.4.2.1 Обслуживание компактного агрегата.
При обслуживании водоохлаждаемого компактного агрегата следует обратить внимание на поток воды, проходящий через конденсатор. При подаче воды из городской сети необходимо установить регулятор потока воды с целью поддержания постоянного давления конденсации. Давление воды должно быть не ниже приблизительно 12 кПа.
При установке нового агрегата обратите внимание на транспортировочные скобы. Компрессор во внешнем агрегате, либо внутри корпуса компактного агрегата монтируется на резиновых изоляторах, и во время транспортировки жестко фиксируется транспортировочными болтами и скобами. Ни в коем случае не следует включать компрессор не убрав транспортировочные скобы.
Для работы с внутренними частями агрегата необходимо снять панели. Периодическое обязательное обслуживание включает замену фильтра, либо его очистку, очистку испарителя и его ребер, очистку вентиляционного электродвигателя и его смазку (в том случае если он не снабжен подшипниками с уплотнением), а также очистку поддона и дренажной трубы. На внутренней облицовке шкафа иногда собирается пыль, которую следует удалять при помощи пылесоса. Важно проверить зарядку хладагентом, работу терморегулирующего клапана (ТРК) и поток воды. Если владелец системы кондиционирования воздуха рассчитывает на длительную и удовлетворительную работу свей установки, необходимо соблюдать график регулярного обслуживания системы.
Конденсаторы и агрегат водяного охлаждения
| Конденсаторный агрегат водяного охлаждения
|
|
Рис. 46. Работа кондиционера воздуха с встроенным конденсатором
Обслуживание компактного агрегата:
Некоторым частям компактного агрегата требуются более частые проверки, чем другим частям. Следует вести записи всех проверок, включая как дату проведения проверки, так и ее результаты.
Следующие проверки следует проводить еженедельно:
1. Состояния ремней, 2. Число оборотов вентилятора, 3. Число оборотов насоса. 4. Состояния всех резервных блоков, 5. Утечки воды, 6. Работу панели управления, 7. Уровень смазки, 8.Матерчатые соединения на трубопроводах, 9. Сток водяного охлаждения, 10. Водоочистку, 11. Регулировку слива.
Ежемесячные проверки:
1. Проверка состояния холодильных систем (зарядить, продуть, проверить на наличие утечек; проверить сетчатые фильтры и фильтры-осушители). 2. Проверить фильтры, 3. Увлажнитель, 4. Предохранительные клапаны, 5. Насос стока водяного охлаждения, 6. Заглушки на трубопроводах, вентиляционные решетки и диффузоры, 7. Проверить трубную обвязку (состояние изоляции, вибрацию и износ).
Каждые шесть месяцев необходимо:
1. Удалить грязь с вентиляторов и диффузоров. 2. Удалить грязь вентиляционных решеток и диффузорах,
Каждый год необходимо:
1. Проверять эффективность работы компрессоров, 2. эффективность работы насосов. 3. работу заглушек, 4.Удалить грязь из водяного контура, 5.Привести в действие все ручные клапана и вентили,
Каждые два года:
Проверяйте влажные поверхности конденсатора с целью выявления коррозионных повреждений
9.4.3 Раздельные воздухоохлаждаемые агрегаты с конденсаторами воздушного охлаждения.
Раздельные системы представляют собой воздухоохлаждаемые агрегаты с подачей охлаждения на внешнюю установку.68 Внешний конденсирующий агрегат состоит из герметичного компрессора, ресивера (приемника), клапана, воздухоохлаждаемого конденсатора, электродвигателя и вентилятора. При обслуживании агрегатов такого типа всегда обращайте внимание на инструкции изготовителя по обслуживанию устройства, а также проводите сверку спецификаций. В технических спецификациях, расположенных на самом агрегате, всегда указываются тип и количество заправленного хладагента. При перезарядке агрегата не забывайте принимать во внимание протяженность трубопровода. При эксплуатации современных внутренних агрегатов нового типа проводится контроль за рабочим режимом кондиционирования воздуха, и этот режим автоматически выводится на индикаторную панель внутреннего агрегата.

Рисунок 47, Внешний агрегат. (Конденсирующий агрегат, предназначенный для кондиционирования воздуха).
1. Забор воздуха, 2. Выброс воздуха. 3. Трубы и соединительные кабели для циркуляции хладагента. 4. Дренажный шланг.

Рисунок 48. Внутренний агрегат.
1. Забор воздуха, 2. Защитный воздушный фильтр, 3. Заслонка(выпуск), 4. Датчик комнатной температуры, 5. Приемник инфракрасного сигнала. 6. Переключатель режима работы (автоматический режим \ дистанционное управление), 7. Индикаторные лампочки. 7-1. Лампочка работы устройства, 7-2. Лампочка таймера. 7.3 Лампочка работы вентилятора.

Рисунок 49. Схема типичной трубной обвязки установки кондиционирования воздуха раздельного типа.
1. Внешний конденсирующий узел , 2. Фильтр-осушитель. 3. Смотровое стекло, 4. Электромагнитный клапан, 5. ТРВ. 6. Накопитель на всасывающем трубопроводе. 7. Испаритель (внутренний агрегат), 8. Запорный вентиль, 9. Регулятор давления конденсации (не стандартный)
9.4.3.1 Извлечение хладагента и зарядка установки кондиционирования воздуха раздельного типа.
- Убедитесь в том, что запорные клапаны внешнего агрегата полностью закрыты.
- Соедините внутренний и внешний агрегаты посредством трубок для подачи хладагента. входящих в полевой комплект.
- Шлангами для зарядки хладагента соедините манометрический коллектор с вакуумным насосом, подсоедините баллон для зарядки хладагентом и баллон с азотом к контрольному соединению запорного клапана линии жидкости.
- Увеличивая давление внутри трубок путем подачи азота, проверьте систему на наличие любых утечек газа в местах раструбовых гаечных соединений.
- Включите вакуумный насос и дайте ему поработать до тех пор. пока давление не понизится до значения менее чем 756 mmHg в вакууме.
- Полностью откройте запорный клапан линии пара.
- Слегка откройте запорный клапан линии подачи жидкости.
- Установив переключатель дистанционного управления в положение "Холод'' и, включив систему, зарядите необходимое количество хладагента.
- Используя заряжаемый баллон или весы, убедитесь в том, что вы заправляете требуемое количество хладагента. Избыток или недостаток хладагента в системе является основной причиной неполадок в работе агрегатов. Сверяйтесь с данными спецификаций, представленными на пластинке, прикрепленной к внешнему агрегату.
- По завершению зарядки хладагентом полностью откройте запорный клапан линии жидкости.
- Проверьте систему на наличие утечек.
9.4.3.2. Обслуживание:
Для обеспечения надежной эксплуатации и длительного срока службы необходимо периодически контролировать работу агрегата. Следует обратить внимание на следующее:
- Компрессор: если холодильная цепь остается герметичной, никаких работ по обслуживанию герметического компрессора не требуется. Необходимо только удалять грязь с компрессора и поддерживать температуру нагнетания, что позволит избежать слишком высокого давления.
- Внешний конденсатор: Проверяйте змеевик и поддерживайте его в чистом состоянии. регулярно удаляя любую накопившуюся грязь. Необходимо удалять любые засорения, мешающие движению воздушного потока.
- Внешний вентилятор: Контролируйте работу вентилятора, замечая любой нехарактерный шум в его работе, либо наличие вмятин или трещин на его поверхности. Удаляйте любую грязь с поверхности вентилятора.
- Воздушный фильтр: Очистка воздушного фильтра должна проводиться пользователем при включении индикатора фильтра, либо ( при отсутствии такового ) через регулярные промежутки времени.
- Внутренний испаритель: Через регулярные промежутки времени контролируйте испаритель и удаляйте любую грязь, накопившуюся на змеевике.
- Внутренний вентилятор: Контролируйте работу вентилятора, замечая любой нехарактерный шум в его работе, либо наличие вмятин или трещин на его поверхности. Удаляйте любую грязь с поверхности вентилятора.
- Дренажный поддон и дренажные трубки для конденсата : Проверяйте и очищайте дренажные трубки для отвода конденсата как минимум два раза в год.
- Электрооборудование: Контролируйте рабочее напряжение, потребляемую мощность, величину тока, коэффициент мощности, баланс фаз. Следите за наличием плохих контактов, вызванных ослаблением клемм, окислением контактов, попаданием в них инородных материалов и предметов.
9.4.4 Выявление и устранение неполадок холодильного агрегата
| Неисправность
|
Причина
|
Проверка \ Устранение неисправности
|
| Высокое давление нагнетания (работа в режиме охлаждения)
|
На внешний теплообменник поступает слишком горячий воздух, либо недостаточное количество воздуха проходит через внешний змеевик.
|
1. Проверьте работу внешнего вентилятора. 2. Проверьте циркуляцию воздуха на выходе и на всасывании.
|
| Внешний теплообменник засорился
|
Прочистить внешний теплообменник
|
| Попадание воздуха в линию
|
Удалить воздух
|
| Давление всасывания превышает стандартное давление
|
Смотрите раздел "высокое давление всасывания"
|
| Контрольный клапан не открывается.
|
Заменить контрольный клапан.
|
| В системе излишек хладагента
|
Удалить излишек хладагента
|
| Высокое давление нагнетания (работа в режиме отопления)
|
На внутренний теплообменник поступает слишком горячий воздух, либо недостаточное количество воздуха проходит через внутренний змеевик.
|
1. Проверьте работу внутреннего вентилятора. 2. Проверьте циркуляцию воздуха на выходе и на всасывании.
|
| Внутренний теплообменник засорился.
|
Прочистить внутренний теплообменник.
|
| Попадание воздуха в линию хладагента.
|
Удалить воздух.
|
| Давление всасывания превышает стандартное давление.
|
Смотрите раздел ''высокое давление всасывания".
|
| Контрольный клапан не двигается.
|
Заменить контрольный клапан
|
| В системе излишек хладагента
|
Удалите излишек хладагента.
|
| Низкое давление нагнетания (работа в режиме охлаждения)
|
На внешний теплообменник поступает слишком холодный воздух.
|
1. Проверьте работу внешнего теплообменника. 2. Проверьте температуру окружающего воздуха.
|
| Неисправность клапанов нагнетания, или всасывания в компрессоре.
|
1. Замените клапаны. 2. Проверьте давление всасывания.
|
| Недостаточная зарядка хладагентом, или утечка хладагента
|
Добавить хладагент; устранить утечку хладагента, если таковая имеется.
|
| Давление всасывания ниже стандартного.
|
Смотрите "низкое давление всасывания".
|
| Контрольный клапан не открывается.
|
Заменить контрольный клапан.
|
| Низкое давление нагнетания (работа в режиме отопления)
|
На внутренний теплообменник поступает слишком холодный воздух
|
1. Проверьте работу внутреннего теплообменника. 2. Проверьте температуру окружающего воздуха.
|
| Неисправность клапанов нагнетания или всасывания в компрессоре
|
1. Проверить работу компрессора на входе 2. Проверить давление всасывания.
|
| Недостаточная зарядка хладагента, или утечка хладагента.
|
Добавьте хладагент, устраните утечку, если таковая имеется.
|
| Давление всасывания ниже стандартного
|
См. "низкое давление всасывания"
|
| Контрольный клапан не двигается.
|
Замените контрольный клапан.
|
| Высокое давление всасывания (работа в режиме охлаждения).
|
Забираемый воздух слишком горяч, либо имеется избыточный воздушный поток, проходящий через змеевик внутреннего устройства.
|
Проверьте параметры проходящего воздушного потока.
|
| Забираемый воздух слишком горяч, либо имеется избыточный воздушный поток/проходящий через змеевик внутреннего устройства и змеевик внешнего устройства.
|
Удалите хладагент.
|
| Неисправность клапанов нагнетания и клапанов - всасывания компрессора.
|
Проверьте работу компрессора на входе.
|
| Контрольный клапан не работает
|
См. "высокое давление нагнетания".
|
| Контрольный клапан не работает
|
Замените контрольный клапан.
|
| Высокое давление всасывания (работа в режиме отопления)
|
Забираемый воздух слишком горяч, либо имеется избыточный воздушный поток, проходящий через змеевик внутреннего устройства и змеевик внешнего устройства.
|
I. Проверить температуру окружающего воздуха 2. Проверьте параметры, проходящего воздушного потока.
|
| В систему заряжено излишнее количество хладагента
|
Удалите хладагент
|
| Неисправность клапанов нагнетания, либо всасывания компрессора
|
Проверьте работу компрессора на подаче
|
| Давление нагнетания выше стандартного
|
Смотрите "высокое давление нагнетания".
|
| Контрольный клапан не работает
|
Проверьте контрольный клапан.
|
| Низкое давление всасывания (режим охлаждения)
|
Забираемый воздух слишком холодный, либо недостаточный воздушный поток проходит через змеевик внутреннего устройства.
|
1. Проверьте не движется ли воздух по укороченному циклу. 2. Проверьте величину воздушного потока. 5. Проверьте воздушный фильтр. 4. Проверьте, нет ли инея на внутреннем змеевике
|
| В систему залито недостаточное количество хладагента, либо имеется утечка.
|
Устраните течь, если она имеется; Добавьте в систему хладагент.
|
| Препятствие в линии циркуляции жидкости, либо в линии всасывания.
|
Проверьте капиллярную трубку и сетчатый фильтр
|
| Давление нагнетания ниже стандартного
|
Смотрите "низкое давление нагнетания"
|
| Контрольный клапан не работает
|
Замените контрольный клапан
|
| Диаметр обвязки труб хладагента меньше необходимого, либо протяженность труб хладагента больше требуемой
|
Замените трубную обвязку трубами требуемого размера.
|
| Низкое давление всасывания (режим отопления)
|
Забираемый воздух слишком холодный, либо недостаточный воздушный поток проходит через змеевик внешнего устройства
|
1. Проверьте, не движется ли воздух по укороченному циклу. 2. Проверьте величину воздушного потока. 3. Проверьте нет ли отложения инея на змеевике внешнего устройства. 4. Проверьте температуру окружающего воздуха.
|
| Недостаточная заправка хладагента в систему, либо наличие утечки хладагента.
|
Устраните течь. если она имеется; добавьте в систему хладагент.
|
| Засорение линии жидкости, либо линии всасывания.
|
Проверьте капиллярную трубку и сетчатый фильтр.
|
| Диаметр обвязки труб хладагента меньше требуемого, либо длина труб хладагента больше необходимого
|
Замените трубы хладагента на трубы требуемого размера.
|
| Низкое давление всасывания (режим отопления)
|
Давление нагнетания ниже стандартного
|
Смотрите "низкое давление нагнетания".
|
| Контрольный клапан неисправен.
|
Замените контрольный клапан
|
| Внутренний термостат
|
Действует только одна фаза (из трех рабочих фаз системы)
|
Проверьте линию подачи напряжения и контактное устройство
|
| Отключение системы
|
Высокое, или низкое напряжение, либо нарушение баланса фаз
|
Проверьте напряжение и баланс фаз
|
| Недостаточная заправка хладагента в систему, либо его утечка
|
Устраните утечку, если она имеется; добавьте хладагент
|
| Сработал выключатель максимального давления
|
Давление нагнетания слишком высокое
|
Смотрите "высокое давление нагнетания"
|
| Отключение системы
|
Неправильная установка переключателя, неисправный контакт.
|
Проверьте установочное давление, либо исправность контакта.
|
| Реле максимального тока компрессора
|
Давления нагнетания и всасывания слишком высоки
|
См. "давление нагнетания", либо "высокое давление всасывания".
|
| Электромотор вентилятора внешнего устройства.
|
Высокое или низкое напряжение либо нарушение баланса фаз.
|
Проверьте напряжение и баланс фаз.
|
| Отключение системы
|
Из трех фаз действует только одна фаза
|
Проверьте линию подачи напряжения и контактное устройство.
|
| Неисправность электродвигателя компрессора
|
Проверьте электрическое сопротивление между выводами компрессора, а также между выводами компрессора и землей.
|
| Неисправность •электродвигателя вентилятора
|
Проверьте электрическое сопротивление между выводами электродвигателя вентилятора, а также между выводами электродвигателя и землей
|
| Ослабление электрических соединений
|
Проверьте электрические соединения
|
| Перегорание предохранителя
|
Предохранитель недостаточного размера
|
Проверьте подходить ли данный предохранитель указанной величине тока.
|
| Ослабление электрических соединений
|
Проверьте электрические соединения.
|
| Из трех рабочих фаз действует только одна фаза.
|
Проверьте линию подачи напряжения'
|
| Неисправность электродвигателя
|
Проверьте электрическое сопротивление между выводами электродвигателя, а также между выводами и двигателя и землей
|
| Разъединение контактов
|
1. Проверьте провода и их соединения. где это необходимо. 2. Проверьте состояние масла на контактах.
|
| Неисправность контактов
|
Проверьте состояние контактов на магнитном контакторе, реле максимального тока, переключателя высокого давления, термостате и на других переключателях.
|
| Шум вентилятора
|
Рабочее колесо стучит в корпусе
|
Проверьте рабочее колесо и зафиксируй те его надлежащим образом.
|
| Шум компрессора
|
Жидкий хладагент поступает назад из линии всасывания
|
1. Проверьте систему на избыточную зарядку хладагентом 2. Проверьте не является ли слишком низкой температура забираемого воздуха 3. Проверьте достаточность воздушного потока.
|
| Транспортировочные болты и скобы не были удалены с компрессора
|
Удалите Транспортировочные болты и скобы
|
| Изношенные подшипники
|
Замените компрессор
|
| Неисправность клапанов нагнетания и всасывания
|
Замените компрессор
|
| Наличие других шумов
|
Ослаблен крепежный винт
|
Подтяните винты на всех частях системы
|
| Слабый фундамент
|
См. руководство по установке
|
| Сильное образование инея на теплообменнике внутренней установки (режим охлаждения)
|
Давление всасывания ниже стандартного
|
См. "низкое давление всасывания"
|
| Засорение капиллярной трубки
|
Замените капиллярную трубку
|
| Сильное образование инея на змеевике внешней установки (режим отопления)
|
Неисправность контакта датчика термостата оттайки
|
Проверьте датчик термостата оттайки.
|
| Не включается режим охлаждения или обогрева
|
Неисправность переключателя дистанционного управления
|
Проверьте электрическое сопротивление на выводах и на заземлении
|
| Неисправность вспомогательного реле
|
Проверьте электрическое сопротивление на выводах электромотора вентилятора и на заземлении
|
9.5 Кондиционирование воздуха в автомобилях
Принципы кондиционирования воздуха в автотранспорте незначительно отличается от кондиционирования помещений, однако здесь может возникнуть много проблем. единственных в своем роде. При кондиционировании воздуха в автомобилях возникают проблемы, которых не существует в большинстве холодильных установок и агрегатов по кондиционированию воздуха.
Кондиционирование воздуха в автомобилях включает в себя обогревание, охлаждение и влагопоглощение. Тепло, необходимое для обогревания пассажирского салона обычно обеспечивается посредством циркуляции горячего теплоносителя, поступающего из двигателя автомобиля и проходящего через соты подогревателя. При необходимости получения охлаждающего эффекта, включается холодильная система. Данная система охлаждает воздух посредством испарителя, который располагается в камере повышенного давления. Охлажденный воздух циркулирует в пассажирском салоне.
Отличие между применением воздушного кондиционирования в автомобилях в настоящее время и в прошлом заключается в габаритах холодильных агрегатов и в используемом хладагенте. На рынке имеется широкий ассортимент оборудования воздушного кондиционирования, предназначенного для установки на автомобилях всех типов.
| Радиатор большей емкостью
|
|
|
| Запорный вентиль горячей воды
|
|
Рис 50. Принципиальная схема транспортного кондиционера воздуха. (Dodge-USA).
9.5.1 Функционирование и эксплуатация
При кондиционировании воздуха на автотранспорте применяется холодильная система, с приводом от двигателя автомобиля (некоторые автомобили оборудованы компрессорами с собственным приводом). Данная система выполняет необходимую работу по охлаждению воздуха. В большинстве случаев для отопления используется горячая вода из системы охлаждения двигателя.
Механизм и управление системой кондиционирования воздуха разработаны таким образом, чтобы облегчить задачу выбора и регулирования температуры воздуха в автомобиле (Рисунок 50)
При работе кондиционера влажность внутри автомобиля снижается. Кроме того, влага (конденсат), образующийся на поверхности испарителя собирает большую часть пыли и пыльцы растений. Эти частицы пыли и пыльцы через дренажные отверстия выносятся вместе с конденсатом из испарителя под автомобиль. Таким образом, кондиционер воздуха выполняет задачу, как регулирования температуры, так и очистки воздуха.
Эксплуатация
Агрегат по охлаждению воздуха в автомобилях представляет собой компрессор, установленный на двигателе автомобиля и приводимый в действие ременной передачей. Конденсатор устанавливается впереди радиатора.
При эксплуатации жидкий хладагент течет из конденсатора в приемник жидкости, где из него удаляется влага, и он фильтруется. Жидкий хладагент проходит через регулятор хладагента и поступает в испаритель, где происходит его испарение за счет поглощения тепла. Хладагент в парообразной форме через линию всасывания поступает назад в компрессор.
В это время воздуходувка вынуждает воздух изнутри автомобиля проходить через испаритель. Полученный холодный воздух поступает в салон автомобиля по вентиляционным каналам и через воздухораспределительные решетки, установленные по краям панели управления.
Компрессор имеет ременной привод на двигатель автомобиля, и скорость компрессора будет изменятся в зависимости от скорости работы двигателя. Система кондиционирования должна иметь достаточную холодопроизводительность, позволяющую вырабатывать достаточное количество холода в самый жаркий день при работе двигателя на холостых оборотах.
Меняющиеся погодные условия могут вызывать проблемы, связанные как с регулированием температуры, так и с движением хладагента внутри системы (как в жидкой, так и в парообразной форме). Важно заметить, что применение системы кондиционирования воздуха в автомобиле может увеличить расход бензина на 10 процентов при работающем кондиционере.
Большинство кондиционеров, установленных на автомобилях, приводятся в действие напрямую от двигателя автомобиля посредством механизма ременной передачи. Компрессор, когда он не требуется, отсоединяется от двигателя посредством механизма сцепления, который ,как правило, включается при помощи электроники. Если система кондиционирования не действует, следует всегда проверить натяжение ремня и определить входит ли сцепление в контакт надлежащим образом. Механизм сцепления может иногда пострадать вследствие отказа подшипника, что прежде всего может вызвать повреждение сальника вала компрессора и привести к утечке хладагента через область сальника. При поиске утечек хладагента следует всегда исследовать область вокруг сальника вала компрессора, и если такая утечка обнаружена, следует проверить сцепление на наличие первых признаков неисправности подшипников.
9.5.2 Компрессор.

Рисунок 51. Шестицилиндровый компрессор с наклонным диском. (А) Расположение наклонного диска и (В) расположение поршней.
В основном используется два типа компрессоров:
Обычный поршневой компрессор с коленчатым валом, соединительной муфтой поршнем и компоновкой цилиндров, а также компрессор с наклонным диском, в котором применяется отличный поршень возвратно-поступательного хода и другая компоновка цилиндров. Компрессор с наклонным диском оборудован прямым валом и "наклонным диском", установленным под углом к валу. Поршни двойного действия установлены над наклонным диском. По мере вращения вала и наклонного диска, поршни приводятся в возвратно-поступательное движение в цилиндрах (расположенных параллельно к валу).
Компрессор должен качать эффективно. Для надежной проверки компрессора позвольте системе поработать. Остановите двигатель, затем полностью заверните нагнетательный клапан. Если давление на выходе падает, это значит, что выпускной клапан компрессора дал течь.
| Отверстия для входа и выхода
|
|
| Отверстия для монтажа компрессора
|
|
9.5.3 Линии подачи хладагента
В автомобильных кондиционерах используются специальные гибкие линии (трубопроводы) для подачи хладагента. Их назначение состоит в следующем:
1 Подавать жидкий хладагент с приёмника-осушителя на регулирующий клапан (линия жидкости).
2 Подавать хладагент в парообразном состоянии с испарителя на компрессор (линия всасывания).
3 Передавать горячий сжатый пар из компрессора конденсатор.
4 Переносить жидкий хладагент из конденсатора в фильтр-осушитель жидкости (на тех же самых агрегатах).
Шланги, как правило, покрыты оплеткой, защищающей их от повреждений Данные шланги изготавливаются из стали, или меди. Их делают гибкими и виброустойчивыми. В системах кондиционирования воздуха, установленных в автомобилях, вибрация является основной причиной утечек. Существуют различные способы крепления шлангов подачи хладагента к компонентам системы кондиционирования:
1 Развальцовка
2 Фиттинг уплотнительного кольца
3 Соединение зажимом
Данные соединения представлены на рисунке 54. Линии по подаче хладагента должны иметь крупные изгибы, не создающие помех движению хладагента. Они также должны быть снабжены опорами, заключены в изолирующие втулки, зафиксированы зажимами, что должно предотвратить их износ вследствие трения и предотвратить их контакт с горячими частями автомобиля.


Рисунок 54. Типичное соединение шлангов для подачи хладагента. Соединение зажимом кольцом в форме"0" и фиттинг с развальцовкой.

Рисунок
55. В системах кондиционирования воздуха в автомобилях, при наличии шлангов подачи хладагента, также необходимо устанавливать гаситель колебаний (демпфер) между компрессором и конденсатором (1). Фиттинг высокого давления для конденсатора показан в позиции (2) .
9.5.4 Обслуживание
Обслуживание автомобильных кондиционеров воздуха практически такое же как и обслуживание стандартных систем кондиционирования, а также систем промышленного типа.
Обслуживание начинается, обычно, после поступления жалобы от заказчика, либо после проведения ежегодной проверки системы. Жалобы владельцев чаще всего представляют собой следующее:
1. Отсутствие холода 2. Шум 3. Непостоянное охлаждение . Вибрация
Прежде чем приступать к обслуживанию системы кондиционирования, исследуйте ее, чтобы иметь представление, какую работу следует выполнить. Каждый раз проверяйте систему тщательно, с целью определения истинной причины неисправности. Выключите двигатель и установите манометр. Подсоедините к системе кондиционирования автомобиля манометрический коллектор, прежде чем начинать ее обслуживание. Манометр (измерительный коллектор) устанавливается в автомобильную систему кондиционирования точно также, как он устанавливается в любую другую холодильную систему. Никогда не пользуйтесь набором манометрического коллектора, который оставляли на открытом воздухе после удаления влаги и грязи из системы трубопроводов и линий.
Некоторые компрессоры оборудованы отверстиями для измерительных приборов как со стороны клапана всасывания, так и со стороны нагнетательного клапана.
Наличие отклонения от нормы в давлении низкой / или высокой стороны, либо присутствие шума указывают на необходимость проведения обслуживания.
| Температура воздуха, поступающего в конденсатор
|
21°С/70°
F
|
27°
C
/80°
F
|
З2°С/90°F
|
38°С/100°F
|
43°С/110°
F
|
| Давление нагнетания (перед PB)
|
серия А
|
110-150 пси
758-1034 кПа
|
130-170 пси
996-1172кПа
|
180-200 пси
1103-1379 кПа
|
195-236 пси
134- 620 кПа
|
230-260 пси
1586-1724 кПа
|
| В
|
120-160 пси
827-1103 кПа
|
150-190 пси
1034-1310 кПа
|
185-225 пси
1276-1551 кПа
|
215-266 пси
1482-1768 кПа
|
270-310 пси
1851-2137 кПа
|
| Давление всасываний (на аккумуляторе)
|
серия А
|
24-31 пси
185-207 кПа
|
24-30 пси
165-207 кПа
|
24-30 пси
165-207 кПа
|
24-30 пси
165-207 кПа
|
24-30 пси
179-207 кПа
|
| В
|
25-З0°С
173-207°F
|
25-30°С
173-207°F
|
25-30°С
173-207°F
|
26-32°С
180-220°F
|
26-31 пси
180-220 кПа
|
| Температура воздуха на подаче - левый центральный выпуск
|
Серия А
|
1.1 – 3.3°С
34-38°F
|
1.1 – 3.3°С
34-38°F
|
1.7-3.9°С
35.39°F
|
3.3-5.6°С
5 8 -4 2 °F
|
4.4.– 6.7°C
40-44°F
|
| В
|
6-9°С
42-48°F
|
6-9°С
42-48°F
|
6-9°С
42-48°F
|
6-9 °C
42-48°F
|
6-9°С
42-48°F
|
Рисунок 56. Параметры работы холодильного агрегата в зависимости от температуры наружного воздуха
9.5.4.1. Клапаны для обслуживания системы
В системах кондиционирования автомобилей используется ряд клапанов, предназначенных для обслуживания данных систем. Некоторые из них представляют собой стандартные передне- и заднеседельные клапана обслуживания (прямые и возвратные), некоторые системы имеют клапаны, обеспечивающие доступ для технического обслуживания (Рис.57). Все системы оборудованы какими-либо приспособлениями, позволяющими для тестирования давления подсоединять к системе измерительные приборы высокого и низкого давления, а также дающие возможность заливать хладагент, или добавлять масло в систему.

Рисунок 57. На рисунке представлен фиттинг компрессора с клапаном, обеспечивающим доступ для технического обслуживания (Шрадер).
А-Фланец. В-Штуцер для обслуживания хладагента с клапаном Шрадера. С- Проход в компрессор. D-Отверстие линии хладагента. Е-Вращающееся соединение.
9.5.4.2 Дозаправка масла в систему.
Компрессор должен содержать требуемое количество масла необходимого типа. Масло с вязкостью 500 наилучшим образом подходит для горячих систем. Оно должно быть чистым и не содержать никакой влаги. Переизбыток масла приведет к закачиванию масла, снижая, таким образом, эффективность работы системы и возможно приведет к повреждению клапанов компрессора. Недостаток масла приводит к быстрому износу подшипников компрессора, поршневых колец и клапанов. Недостаток масла также ведет к нарушению уплотнения вала. Таким образом, важно при каждом обслуживании системы проверять уровень масла. Для проверки масла в системе установите манометрический коллектор. Откачайте линии хладагента. Заверните всасывающий клапан обслуживания до конца. Дайте компрессору поработать до тех пор пока манометрический вакуумметр (со стороны низкого давления) не даст показание "ноль" пси. Затем заверните до конца клапан нагнетания. Снимите крышку уровня масла и проверьте его уровень. Если уровень масла слишком большой, оно будет вытекать. Если уровень мал, добавьте масла путем сифонирования его в компрессор, поддерживая в картере компрессора частичный вакуум. Для создания такого вакуума воспользуйтесь либо вакуумным насосом, либо приборами, описанными в Руководстве для обучения. ЮНЕП Наилучший опыт обслуживания холодильного оборудования компрессором. Для проверки уровня масла в некоторых системах необходимо снимать компрессор. В других системах для проверки уровня масла требуется изготовленный вручную щуп. Для проверки уровня масла в картер компрессора через болтовое отверстие вставляется проволочный щуп. В случае возникновения сомнений сверяйтесь с руководством по обслуживанию системы.
В холодильных системах должно применяться специально приготовленное масло, так как масло вместе с хладагентом циркулирует по всей системе, но большая его часть остается в компрессоре. Оно не должно терять своих смазывающих качеств как при очень холодной, так и при очень жаркой погоде и должно всегда оставаться сухим. Даже присутствие самого незначительного количества влаги приведет к ее замерзанию на терморегулирующем клапане (ТРК). Наличие влаги в масле также может привести к образованию осадка. Масло не должно содержать воска и парафина.
9.5.4.3 Вакуумирование.
Обычно неполадки автомобильных систем кондиционирования вызываются вибрацией, которая приводит к утечкам. Для сведения к минимуму утечек хладагента необходимо всегда правильно проводить перезарядку системы. Наличие остаточного воздуха в цикле охлаждения вызывает увеличение давления, коррозию металлических деталей, а также забивание расширительного клапана. При любом отсоединении линии хладагента тщательно удалите из нее воздух. Подобная операция называется вакуумирование. '
Процедура удаления вакуумом (выполняется при наличии клапанов для обслуживания):
1. Посредством одного шланга подсоедините манометр к компрессору со стороны высокого давления. Подсоедините заряжающий шланг к воздухо-продувочному клапану и к баллону с газообразным хладагентом. Откройте клапан высокого давления, низкого давления и клапан низкого насоса (либо стопорный клапан вакуумного насоса, если подсоединен двух клапанный измерительный коллектор). Запустите вакуумный насос и дайте ему поработать до тех пор, пока манометр низкого давления не покажет значение 700 mmHG, либо больше.
2. Начинайте вакуумирование. Процесс продолжается 15 минут.
3. Остановите процедуру и подождите 5 минут.
4. Проверьте показания прибора.
При отклонении давления от нормы:
Проверьте состояние труб и наличие колец формы-"0". Подтяните соединения труб.
При нормальном давлении:
Залейте небольшое количество хладагента.
5. Протестируйте систему на утечки.
6. Если прибор показывает нормальное давление, зарядите точное количество хладагента.
7. Протестируйте систему на утечки.
8. Протестируйте работоспособность системы.
9.5.4.4 Зарядка системы.
Система заряжается при помощи коллектора для обслуживания. Подсоедините коллектор к системе. Затем подсоедините заряжающий баллон к коллектору и удалите жидкость из шлангов. Если необходимо добавить только незначительное количество хладагента, заряжайте его через сторону низкого давления, установив баллон в вертикальном положении. Если в систему необходимо зарядить баллон полностью, и в системе вакуум, то хладагент необходимо заливать в систему в жидкой форме со стороны высокого давления. Для получения инструкций по заряжающему коллектору обращайтесь к главе 4 на странице 13.
| Манометр низкого давления
|
|
| Присоединительные элементы
|
|
| Линии измерительных приборов
|
|
| Манометр высокого давления
|
|
Рис.58. Соединение измерительных приборов и мановакууметра к системе. Зарядный цилиндр и вакуум-насос соединены к среднему штуцеру мановакууметра.
9.5.4.5 Обнаружение утечек
Проверьте наличие утечек при помощи следящих химикатов, галоидного течеискателя, электронного определителя утечек, мыльных пузырей или методом нагнетания давления.
Некоторые специалисты добавляют в систему хладагент, окрашенный красным цветом. В этом случае металлическая поверхность со следами красной краски указывает на источник утечки. В большинстве случаев для нахождения утечек используется галоидная лампа. Таким способом, возможно определить утечку около 0,45 кг по истечении приблизительно 14 лет, что больше периода, допускаемого сегодня. При использовании галоидной лампы газоанализатор на конце испытательной трубки помещается вблизи соединения, проверяемого на утечку. При наличии утечки выбрасываемый хладагент всасывается в трубку, в которой он проходит над медным элементом, нагретым пропаном или ацетиленом. Если в пробе воздуха содержится хладагентный пар, пламя становится зеленым.
Внимание, опасно! При сгорании ХФУ-12 образуется чрезвычайно ядовитый газ фосген. Избегайте вдыхания паров при обнаружении утечек в системе кондиционирования воздуха при помощи галоидной лампы.
Для обнаружения утечек в торговых и автомобильных системах, а также в жилых домах используется ультрафиолетовая флуоресценция. Для этого применяется ультрафиолетовая лампа высокой интенсивности (см. главу 4, раздел
4.8.6), устройство для впрыскивания тумана и специальные флуоресцентные добавки для обнаружения утечек любого объема. Таким образом, можно выявить утечки вплоть до 1/4 унции в год. Этот способ действует для любого вида хладагента. При помощи устройства для впрыскивания тумана специалист вводит в холодильную систему или кондиционер воздуха замеренное количество флуоресцентной добавки в зависимости от типа хладагент» в системе: ХФУ-12 или ГФУ-134а. Затем для обозначения утечек в фитинге, трубках, катушках, компрессоре или любом другом месте используется лампа. Добавки остаются в системе, позволяя ' исследовать систему на утечки при помощи ультрафиолетовой лампы.
Когда работает вакуумный насос, отсечной вакуумный клапан коллектора должен быть закрыт. Если стрелка вакуумного манометра начинает опускаться к нулю (атмосферное давление), в системе есть утечка. Утечка должна быть найдена и устранена до завершения вакуумной операции с целью осушения системы. Обнаружение производится путем повышения давления в системе и использования лампы, электронного определителя или мыльных пузырей.
9.5.4.6 Рекомендации по обслуживанию
Перед обслуживанием частей кондиционера воздуха всегда отключайте отрицательный кабель от аккумулятора
Не допускайте попадания влаги и пыли в систему. При разъединении линии извлекайте хладагент из всей системы и сразу же накрывайте все открытые фитинги и затыкайте пробками все открытые трубы; не открывайте фитинги и не вытаскивайте пробки до момента соединения линий.
Перед подключением любого шланга или линии налейте несколько капель хладагентного масла на уплотнительное кольцо или гайку раструба.
При затяжке или ослаблении фитинга используйте два гаечных ключа для поддержки гаек на линии. При откачке системы не допускайте, чтобы хладагент вытекал слишком быстро, поскольку вместе с хладагентом из системы может вытечь компрессорное масло.
В технических условиях системы указано количество масла, которое должно быть добавлено после замены конденсатора, компрессора, линий или шлангов и накопителя.
9.5.5 Периодическое обслуживание.
При нерегулярном пользовании устройством кондиционирования воздуха его следует включать каждый месяц на несколько минут. Это необходимо для поддержания компрессора и особенно уплотнения вала в смазанном состоянии. Следует придерживаться следующей системы обслуживания:
1. Конденсатор (Очищайте ребра и трубки конденсатора от листьев, пыли и насекомых)
2. Линии хладагента (не должно быть никаких признаков перетирания или износа)
3. Проверять натяжение ремня.
Такое обслуживание может легко проводится самим владельцем. Более основательное обслуживание, требующее участия технического специалиста заключается в следующем:
1. Прочистите все детали и части системы с внешней стороны, включая конденсатор и испаритель.
2. Выровняйте ребра на конденсаторе и испарителе
3. Проверьте зарядку хладагентом:
а) Через смотровое стекло *'
б) Проверив давление в системе.
4. Проверьте уровень масла в компрессоре.
5. Проверьте наличие утечек при помощи электронного определителя утечек, нанесения мыльного раствора на предполагаемое место утечки, течеуловителя "Гло" и ультрафиолетовой лампы.
9.5.6 Запуск кондиционера воздуха, установленного в автомобиле.
Если автомобиль, оборудованный кондиционером воздуха, длительное время не эксплуатировался, кондиционер следует включать очень осторожно. Иногда после длительного перерыва компрессор заедает. Во время включения кондиционера лучше всего держать капот открытым, и наблюдать за компрессором и ремнем. Сразу же выключите двигатель, если ремень начнет проскальзывать. Это указывает на то. что компрессор проворачивается с трудом, либо заедает. Попробуйте "освободить" компрессор путем медленного и осторожного поворачивания. Если компрессор отказывается поворачиваться, немедленно снимите его и отправьте в ремонт.
Глава 10. Извлечение, переработка и утилизация
10.1 Предотвращение выбросов хладагентов
Все специалисты, занятые в области холодильной промышленности, обязаны обеспечивать защиту окружающей среды от выбросов ХФУ. Для предотвращения выбросов ХФУ, используемых в настоящее время в холодильных системах, необходимо приложить все возможные усилия.
В краткосрочной перспективе сокращение потребления ХФУ может быть достигнуто только за счет снижения выбросов хладагентов из существующих систем, а основные причины выброса хладагентов можно разбить на 3 категории:
- внутрисистемные утечки
- случайные утечки
- выбросы в процессе передачи - откачки или наполнения систем - как следствие неправильной практики обслуживания.
В соответствии с законодательством США в Законе об охране окружающей среды от 1990 г. говорится, что "переработка, хранение или размещение контролируемых отходов, которые могут привести к загрязнению окружающей среды или оказывать вредное воздействие на здоровье человека" запрещены (АООС - раздел 33). Поэтому практика продувания хладагентами конденсаторов и целых систем должна быть немедленно прекращена. Эта практика никогда не применялась широко, а теперь запрещена в США.
Когда в системе обнаруживается утечка, необходимо выполнить ремонт до перезаправки системы. Если произошла потеря всего хладагента в системе, следует использовать азот для повышения давления с последующей откачкой. Вся система должна быть испытана с обозначением мест утечек. Никогда не предполагайте, что в системе может быть только одна причина утечки.
В данной главе особое внимание уделяется проблеме выбросов, связанных с откачкой или заправкой систем - и приводится наилучший опыт обслуживания систем. Будут также представлены различные альтернативные решения, которыми располагает инженер при откачке или заправке системы.
| Емкость многократного пользования
|
|
| Клапан заправки хладагента
|
|
Рисунок I. Правильная установка оборудования для извлечения: Блок извлечения, емкости многократного пользования, 4-ходовой вентиль, вакуумный насос, весы.
На рисунке 1 представлена схема основного оборудования для проведения извлечения надлежащим образом. Входная сторона установки по извлечению подсоединена к стороне высокого давления служебного коллектора при помощи высококачественного шланга для зарядки хладагента. В случае наличия в установке по извлечению внутреннего обводного канала к компрессору установки, шланг высокого давления от служебного коллектора подсоединяется к приемнику холодильной системы для передачи жидкого хладагента. Различные методы извлечения описаны в последующих разделах данной главы.
На рисунке I также показано соединение вакуумного насоса и системы. Это соединение позволяет извлекать остаточный хладагент из шланга после завершения процесса извлечения.
10.1.1 Определение процессов извлечения, переработки и утилизации
Определение этих процессов было дано в проекте стандартов ISO 11650 для холодильных систем и тепловых насосов:
Извлеченный хладагент:
хладагент, извлеченный из холодильной системы для хранения, переработки, утилизации или перевозки.
Извлечение хладагента -
процесс удаления хладагента в любом состоянии из холодильника или кондиционера и хранение его в таре вне системы, возможно без проведения испытаний или какой-либо переработки.
Рециклирование хладагента -
процесс снижения содержания загрязняющих веществ в отработанных хладагентах при помощи извлечения масла, удаления неконденсируемых веществ и содержимого фильтров-осушителей, в результате которого снижается влажность, кислотность и содержание твердых частиц.
Регенерация
- процесс переработки отработанного хладагента для получения продукта с новыми характеристиками с возможным использованием процесса дистилляции. Для обеспечения соответствующих технических условий продукта необходимо проведение химических анализов.
Идентификация отработанных хладагентов требует проведения химических анализов, определяемых нормативами отдельной страны или международными стандартами характеристик новых продуктов. Это понятие обычно подразумевает использование процессов или процедур, имеющихся только в распоряжении заводов по переработке или производственных цехов.
10.1.2 Идентификация распространенных хладагентов
Всегда существовала необходимость распознавания типа хладагента в системе для того. чтобы использовать правильный тип хладагента при работе с системой. Сегодня, поскольку требуется извлечение отработанных хладагентов из систем, распознавание используемого типа хладагента приобрело еще большее значение. Производителями принимаются на переработку только не смешанные хладагенты. Все смешанные хладагенты должны быть уничтожены. (R502 не может быть подвергнут заводской переработке, поскольку он является смесью, которая может быть очищена на регенерационной установке для вторичной утилизации).
Хладагенты можно распознать при помощи одного из следующих методов:
(a) Тип хладагента указан на табличке агрегата
(b) Термостатический регулирующий вентиль (ТРВ) для определенных типов хладагента
(c) Постоянное давление
10.1.3 Проверка хладагента на содержание загрязняющих веществ
На сегодняшний день имеются патентованные испытательные комплекты, позволяющие проверять хладагенты на содержание воды и кислотность (см. Приложение).
10.1.4 Проверка масла на содержание загрязняющих веществ
В некоторых системах имеется возможность проверять масло на содержание кислоты. Кислота в масле указывает на перегорание или частичное перегорание в системе, а также на то, что в системе присутствует влага, которая-то и может вызвать перегорание в системе.
Для анализа масла необходимо взять пробу масла из компрессора без потери хладагента. Эту процедуру можно изменять в зависимости от устройства отсечных клапанов и имеющихся возможностей доступа к маслу в установке. (Во многих герметичных компрессорах не имеется ни отсечных клапанов, ни каких-либо других приспособлений.) См. пример комплекта для тестирования в приложении.
10.2. Извлечение хладагентов
Закачка хладагентов в малые баллоны связана с риском. Необходимо всегда руководствоваться правилами, предписанными производителями хладагентов.
Обращайте особое внимание на следующее:
1. Не переполняйте баллон.
2. Не перемешивайте сорта хладагентов и не наполняйте баллон, предназначенный для одного сорта хладагента, другим.
3. Используйте только чистые баллоны, свободные от загрязняющих веществ: масла, кислоты, влаги и т.д.
4. Производите визуальный осмотр каждого баллона до использования, и регулярно испытывайте все баллоны на давление.
5. Баллоны для извлеченного хладагента маркируются по разному в зависимости от страны (желтая маркировка в США. особый зеленый цвет во Франции), чтобы не перепутать с заводской емкостью хладагента.
6. Баллоны должны иметь отдельные жидкостные и газовые клапаны и быть оснащены устройством разгрузки давления. Типичный баллон для извлеченного хладагента показан на рисунке 2 ниже.
| Сертифицированный контейнер для хладагента многоразового пользования
|
|
| Допустимый уровень наполнения: 0,75 кг/л объема контейнера (объема воды)
|
|
| Емкость воды проштампованная на горлышке
|
|
Рис. 2. Баллон для извлеченного хладагента
10.3 Технология извлечения
Поскольку установка по извлечению позволяет удалять большее количество фторуглеродов из системы, чем любой другой существующий способ, такие установки должны использоваться, как правило, а не как исключение.
Подрядчики, инженеры и пользователи оборудования должны обеспечивать наличие соответствующих установок, поскольку может возникнуть необходимость их использования. Наличие такого оборудования, техническое совершенство, количество моделей и спрос на такие установки постепенно увеличивается.
Также как и вакуумные насосы, установки для извлечения хладагента более эффективны, если используются как можно более короткие соединительные шланги как можно большего диаметра. Самым минимальным допустимым диаметром шлангов является диаметр 3/8", желательно 1/2 дюйма. Однако, если невозможно разместить установку в непосредственной близости системы, это не является уважительной причиной для того, чтобы не пользоваться подобной установкой вообще. В случае необходимости использования более длинных шлангов извлечение хладагента просто займет больше времени.
Сегодня не существует каких-либо уважительных причин для продолжения выброса фторуглеродных хладагентов в атмосферу. На рисунке 3 представлена типичная установка по извлечению хладагентов.

Рисунок 3. Установка по извлечению хладагентов
NRP
.
10.3.1 Пользование установкой
Установки для извлечения хладагента подсоединяются к системе при помощи имеющихся служебных клапанов, клапанов, подключенных к линии, или щипцами для проколки линии. Некоторые из них могут осуществлять передачу хладагентов как в жидком виде (в обход компрессора, поступление жидкого хладагента в который исключается), так и в паровом. Кроме того, многие системы располагают стационарным и емкостями для хранения. Будьте осторожны, чтобы компрессор не всасывал хладагент в жидком виде, а только в паровом, иначе он может выйти из строя из-за гидравлического удара.
Передача жидкости
В случае если установка по извлечению хладагента не оснащена встроенным насосом для откачки жидкости или не рассчитана для работы с жидкостью вообще, жидкость может быть удалена из системы, используя два баллона для извлеченного хладагента и установки для извлечения. Баллоны для извлеченного хладагента должны иметь два канала и два клапана, один для жидкости, другой для пара. Как правило, производители фторуглеродов или фирмы, специализирующихся в области извлечения хладагентов, располагают такими установками. Подсоедините канал для жидкости одного цилиндра непосредственно к холодильной системе в точке декантации (переливания) жидкого хладагента. Подсоедините паровой канал того же цилиндра к входному отверстию установки по извлечению. Используйте установку по извлечению для вытяжки пара из цилиндра, снижая, таким образом, давление в цилиндре, за счет чего жидкость вытечет из холодильной системы в цилиндр. Будьте внимательны, так как этот процесс иногда идет очень быстро.
Второй баллон используется для сбора хладагента из установки по извлечению по мере вытяжки хладагента из первого цилиндра. В случае, если установка оснащена стационарной емкостью для хранения, эта процедура может не понадобиться. Как только весь жидкий хладагент извлечен из холодильной системы, соединения можно переместить к новым точкам отбора и остаточный хладагент может быть извлечен в виде пара. Вы можете посчитать целесообразным оснастить линию передачи смотровым стеклом для наблюдения за передачей жидкости.
Двухтактный возвратно-поступательный режим удаления хладагента из системы
Существует также другой более распространенный метод извлечения хладагента в жидком виде/известный под названием метода "вытягивания /выталкивания". Если у Вас имеется цилиндр для вытяжки хладагента. Вам следует подсоединить цилиндр вытяжки хладагента к паровому клапану установки по извлечению, а клапан жидкости цилиндра к жидкостной стороне выключенного холодильного агрегата, как показано на рисунке 4. При снижении давления в цилиндре вытяжки хладагента установка по извлечению начнет вытягивать жидкий хладагент из выключенного агрегата. Пар, вытянутый из цилиндра установкой по извлечению хладагента будет вытолкнут назад в паровую сторону выключенного агрегата.
Диаграмма I: Передача жидкости
Примечание: Не подключайте
линию жидкости к насосной установке иначе выйдет из строя компрессор.

Рисунок 4. Схема передачи жидкого хладагента при помощи метода вытягивания /выталкивания (источник:
NRP
)
Подача пара
Хладагент может также быть извлечен в виде пара, как показано на рисунке 5. В более объемных холодильных системах эта процедура занимает больше времени, чем извлечение хладагента в жидком виде.
Шланги, соединяющие установки извлечения хладагента, системы и цилиндры вытяжки, должны быть как можно более короткими, с наибольшим диаметром.

Рисунок
5. Перекачивание хладагента по пару (источник:
NRP
)
10.3.2 Использование собственного компрессора системы
В случае необходимости удаления хладагента из системы, оснащенной рабочим компрессором, для извлечения хладагента можно также воспользоваться этим компрессором. В этом случае проведение самой процедуры будет опять зависеть от расположения клапанов в системе.
Систему можно опорожнить либо традиционным способом, а затем откачать хладагент в охлажденный цилиндр вытяжки хладагента, либо использовать только охлажденный цилиндр вытяжки хладагента в качестве и конденсатора, и приемника, установив его на выходе из компрессора.
Повторное использование хладагента
Извлеченный хладагент может быть использован вторично в той же системе, из которой он был извлечен, или может быть удален и переработан для употребления в другой системе, в зависимости от причин его удаления и его состояния, т.е. концентрации и типа содержащихся в нем загрязняющих веществ.
Процесс извлечения хладагентов связан с различными потенциальными рисками, поэтому процессы извлечения и переработки хладагентов должны тщательно контролироваться. Потенциальными загрязняющими веществами, содержащимися в хладагентах, являются кислоты, влага, нагар, образующийся при высокой температуре, и другие частицы. Даже низкие концентрации этих загрязняющих веществ могут сократить срок действия холодильной системы, поэтому рекомендуется проверять извлеченные хладагенты до их вторичного употребления.
Хладагенты из установок с перегоревшим герметичным компрессором могут использоваться вторично при условии их откачки при помощи установки для извлечения, оснащенной сепаратором масла и фильтрами. Для проверки содержания кислоты в каком-либо извлеченном масле необходимо использовать комплект тестирования холодильного масла. Как правило, это подразумевает только наполнение опытной бутылки проверяемым маслом и перемешивания его с опытной жидкостью в бутылке. Если результат испытания дает малиновый цвет, это означает, что в масле нет загрязняющих веществ. Если жидкость станет желтой, это означает, что масло содержит кислоты - и хладагент /масло нельзя использовать в системе. Такие вещества должны посылаться на переработку или уничтожение. ПРИМЕЧАНИЕ:
Заправка новой системы отработанным хладагентом может снизить гарантийный срок службы оборудования.
10.4 Технологии рециркуляции
Переработка всегда являлась частью обслуживания холодильной техники. Существует ряд различных способов переработки, от откачки хладагента в приемник для снижения потерь до очистки перегоревшего хладагента при помощи фильтров-осушителей. Имеются два типа оборудования. Первым предусматривается однократный прогон хладагента, а в другом многократный. (Хотя некоторые системы переработки вмонтированы в один агрегат, в котором происходит и извлечение и переработка хладагента, а другие системы являются "раздельными", в данной главе мы рассматриваем только вопрос самого процесса рециклирования).
Однократный прогон
В системах рециклирования с однократным прогоном хладагент проходит через фильтр-осушитель и /или процесс дистилляции. (В большинстве случаев предпочитается сепарация, а не дистилляция.) Хладагент проходит процесс переработки в системе только один раз, а затем идет в баллон для хранения. На рисунке б представлена типичная система однократного прогона.

Рисунок 6. Фильтрация с однократным прогоном.
Многократный прогон
В системах многократного прогона извлеченный хладагент проходит через фильтры-осушители несколько раз- После определенного периода времени или количества циклов хладагент подается в емкость для хранения. Время не является надежной мерой измерения качества переработки хладагента, поскольку содержание влаги неодинаково. На рисунке 7 представлена типичная система многократного прогона.

Рисунок 7. Многократная фильтрация
Техник, извлекающий хладагент, должен уделять внимание следующим вопросам: во-первых, будет ли хладагент возвращен в ту же систему, из которой был извлечен? Если, например, система подлежит демонтажу, возникает ряд других факторов, которые необходимо учитывать. Если хладагент будет возвращен в ту же систему, следует определить состояние хладагента. После отделения масла из хладагента, в нем все еще содержится большая часть загрязняющих веществ. В большинстве систем по рециклированию хладагентов используются фильтры-осушители для удаления остаточной влаги и кислот, а также частиц веществ. Как правило, возврат такого хладагента в систему допускается.
Существенная проблема возникает в случае перегорания герметичного компрессора. Перегорание является результатом повреждения электрической цепи внутри компрессора холодильной системы, что может быть вызвано рядом различных факторов. Загрязнение хладагента в этой ситуации может быть от небольшого до значительного. Однако в случае сгорания компрессора более серьезной проблемой является масло.
10.5 Технологии регенерации
Регенерация определяется как вторичная переработка хладагента до степени чистоты. обусловленной в первоначальных заводских спецификациях хладагента, подтвержденной результатами химических анализов. Для обеспечения такой степени чистоты система переработки должна соответствовать стандартам ARJ 700-93. Все производители и OEM рекомендуют обеспечивать уровень чистоты извлеченного и переработанного хладагента до первоначального. Основные моменты:
Проведение полного цикла анализов и переработка извлеченного хладагента в соответствии с техническими условиями.
Многие различные типы оборудования могут обеспечить соответствующий уровень чистоты переработанного хладагента, но следует не забывать о важности соответствия качества переработанного хладагента техническим условиям первоначальной спецификации изготовителя, о чем следует запрашивать подтверждение у производителей оборудования.
Для переработки хладагентов типов R-12, R.-22, R.-500 и R.-502 имеются коммерческие установки (Рис. 8), разработанные для беспрерывного режима работы, требуемого для продолжительной процедуры переработки. На рисунке 8 отображена типичная установка по переработке.
| Конденсатор работы компрессора
|
|
| Регулятор высокого давления
|
|
| Регулятор давления вентилятора
|
|
| Регулятор низкого давления
|
|
Рисунок 8.
10.5.1 Установка регенерации хладагента
Этот тип системы возможно описать следующим образом :
1. Хладагент поступает в систему в виде пара или жидкости.
2. Затем хладагент поступает в крупную уникальную камеру сепарации, где происходит радикальное снижение скорости. Это способствует поднятию пара при высокой температуре. В течение этой фазы загрязняющие вещества - медная стружка, углероды, масло, кислота и другие загрязняющие вещества - осаждаются на дне сепаратора и удаляются в течение операции "извлечения масла".
3. Дистиллированный пар проходит через конденсатор, охлаждаемый воздухом, и преобразуется в жидкость.
4. Жидкость поступает в стационарные камеры хранения. Внутри камер (ы) блок испарителя снижает температуру жидкости от приблизительно 100°F (5б°С) до температуры переохлаждения, равной 38°F (3°С) - 0°F (4°С).
5. Нестационарный фильтр-осушитель в этой цепи удаляет влагу одновременно с продолжением процесса очистки для удаления микроскопических загрязняющих веществ.
6. Охлаждение хладагента также обеспечивает его передачу в любой цилиндр вне системы, температура которого равна температуре воздуха в помещении.
10.6 Безопасное обращение с извлеченным хладагентом
1. Для начала Вам необходимо подробно ознакомиться с Вашим оборудованием по извлечению хладагента. Прочтите руководство пользования OEM и следуйте согласно всем предписанным методам и инструкциям всякий раз при работе с оборудованием.
2. Жидкие хладагенты при контакте с кожей могут причинить серьезные повреждения кожи (обморожение), не допускайте возможности контакта и пользуйтесь соответствующими защитными перчатками и нарукавниками или одеждой с длинными рукавами.
3. Хладагент может быть извлечен из сильно загрязненной системы. Кислота является продуктом разложения, при этом может создаваться как хлористо-водородная, так и гидрофтористая кислота (гидрофтористая кислота является единственной кислотой, разъедающей стекло). При обслуживании загрязненного оборудования необходимо соблюдать чрезвычайные меры осторожности для предотвращения попадания масляных капель из хладагентного пара на кожу и одежду.
4. Пользуйтесь защитными приспособлениями, такими как защитные очки и обувь, перчатки, защитные головные уборы, длинные брюки и рубашки с длинными рукавами.
5. Испарения хладагента могут быть опасными при попадании в дыхательные пути. Избегайте прямого попадания в рот и всегда обеспечивайте интенсивную вентиляцию помещения.
6. Убедитесь в том, что все силовые кабели оборудования, из которого извлекается хладагент, отключены. Разъедините и отключите питание при помощи аварийного выключателя с блокировочным устройством.
7. Нормативы США предписывают использование только тех контейнеров для хранения извлеченного хладагента, которые сертифицированы Министерством Транспорта. Контейнеры предоставляются дистрибьюторами хладагентов.
8. Никогда не превышайте безопасный уровень веса цилиндра, основанного на весе нетто. Максимальный объем наполнения любого цилиндра - 80% от максимального веса брутто.
9. При транспортировке цилиндра пользуйтесь соответствующей тележкой на колесах. При использовании ручной тележки сначала прочно закрепите цилиндр. НИКОГДА не перекатывайте цилиндр на основании и не кладите его для перекатывания с одного места на другое. Используйте автопогрузчик с вильчатым захватом для полутоннажных контейнеров для хранения хладагента, извлеченного из крупногабаритных систем.
10. Используйте шланги высокого качества. Убедитесь в герметичности и прочности точек подсоединения. Регулярно проверяйте прокладки шлангов.
11. Шланги и электрические удлинительные шнуры часто представляют собой опасность. Предупреждайте возможность аварий при помощи соответствующих ограждений и табличек. Располагайте шланги осмотрительно так, чтобы снизить степень риска.
12. Нормативы США требуют сбор отработанного хладагента в контейнерах многократного пользования или по необходимости в барабанах, одобренных Министерством Транспорта.
13. Помечайте баллоны или контейнеры согласно указаниям в нормативных документах.
14. При переработке обращайтесь на перерабатывающие предприятия для организации транспортировки.
15. Обеспечивайте безопасное состояние всех контейнеров, закрытых соответствующими крышками и с соответствующей маркировкой.
Примечание:
На заводе производится переработка, а также химический анализ хладагента на его соответствие изначальным техусловиям, изложенным в спецификациях. Информация, приведенная выше, взята из руководства К института ARI. "Контейнеры для хранения извлеченных фторуглеродных хладагентов".
10.7 Извлечение хладагента из систем бытовых холодильников
Хладагент можно также извлечь из герметичной системы, не имеющей служебных клапанов. Пробивной клапан должен быть подсоединен к системе согласно инструкциям изготовителя, а для удаления хладагента из системы через пробивной клапан должна использоваться установка по извлечению хладагента как для более крупных систем. Пробивные клапаны нельзя оставлять в системе для постоянного пользования, они должны быть удалены после использования, если они были размещены на технологической трубке. На рисунке 9 показано подсоединение установки по извлечению хладагента к холодильнику с типичным пробивным клапаном. Поскольку объем хладагента мал, удаляется только пар. Рекомендуется установка пробивных клапанов как на высокой, так и на низкой стороне давления.

Рисунок 9. Извлечение хладагента из бытового холодильника.
10.8 Извлечение из системы кондиционирования воздуха
Откачка жидкого хладагента
На рисунке 10 представлен типичный блок конденсатора для систем кондиционирования воздуха. Эти типы установок обычно оснащены служебными стопорными клапанами, установленными на трубопроводных линиях. При извлечении хладагента из такой системы, сначала должна быть перекачана жидкость, поскольку ее количество ее могут быть довольно большим. На схеме ниже представлен метод ''вытягивания /выталкивания". Жидкостной трубопровод системы подсоединена к жидкостной линии баллона для извлеченного хладагента. Паровая сторона цилиндра подсоединена к входу (всасывающей стороне) установки для извлечения. Сторона нагнетания установки обращена к всасывающему трубопроводу системы кондиционирования. В случае наличия клапанов в приемниках системы (сторона высокого давления) разгрузочная сторона установки также может быть подключена к ним. Жидкость теперь перетекает из жидкостной стороны кондиционерной системы в цилиндр. Установка для извлечения будет поддерживать давление внутри цилиндра ниже, чем в кондиционерной системе, что будет способствовать транспортировке жидкого хладагента.
Рисунок 10. Извлечение хладагента из кондиционера.
Откачка пара
После завершения откачки жидкости в системе остается некоторое количество хладагента в виде пара. Для откачки хладагента в цилиндр подсоедините всасывающие шланги от установки извлечения к газовой трубки системы кондиционера воздуха. Подсоедините выпускной шланг установки по извлечению к паровой стороне цилиндра вытяжки. Установка по извлечению должна работать до тех пор, пока манометр на всасывании не покажет 0.6 бар или ниже. Процесс извлечения завершен.
Рис. 11. Откачка пара из кондиционера.
10.9 Извлечение хладагента из торговых холодильных камер
Откачка жидкого хладагента
Подсоедините жидкостный шланг баллона установки к входному отверстию запорного вентиля системы. Для регулировки потока жидкости установите смотровое стекло на шланге или цилиндре. От входной/ всасывающей стороны установки по извлечению подсоедините шланг к паровой стороне цилиндра вытяжки (используйте осушитель). Сторона выхода на установке по извлечению подсоединяется к системе на стороне высокого давления у входа конденсатора или высоконапорного стопорного клапана компрессора. Все стопорные клапаны системы должны быть открыты, включая электромагнитные клапаны. Включите установку по извлечению и наблюдайте за процессом через смотровое стекло. Когда поток жидкости, видимый в смотровое стекло, прекратится, это указывает на то, что жидкого хладагента в системе больше не осталось.

Рисунок 12.Откачка жидкого хладагента из торговой холодильной камеры.
10.10 Отбор хладагента из автомобильных систем кондиционирования воздуха
Откачка паров хладагента
Автомобильные системы кондиционирования воздуха оснащены, как правило, служебными клапанами на высокой и низкой стороне компрессора. Количество хладагента в таких системах небольшое, поэтому в этом случае требуется только откачка пара. Подсоедините шланги от входной/всасывающей стороны установки по извлечению к стороне низкого давления компрессора системы кондиционирования воздуха, а выпускной шланг - к паровому клапану цилиндров для извлечения. Установка должна работать 3-5 мин. Подсоедините другой шланг к стороне высокого давления системы и завершите процесс извлечения. Установка по извлечению должна действовать до тех пор, пока манометр не покажет 0.6 бар. На рисунке 14 представлен пример откачки паров хладагентов.
Рисунок 13.Откачка хладагента из автомобильного кондиционера.
ПРИЛОЖЕНИЕ:
Оборудование по извлечению и рециклированию, комплект оборудования для проведения испытаний с целью модернизации, комплект оборудования для проверки на содержания кислоты
ПРЕДУПРЕЖДЕНИЕ
ЕМКОСТЬ ПОД ДАВЛЕНИЕМ СОДЕРЖИТ ЖИДКИЙ ХЛАДАГЕНТ. ПЕРЕПОЛНЕНИЕ ЕМКОСТИ ВЗРЫВООПАСНО. ВОЗМОЖНЫ УВЕЧЬЯ 11 СМЕРТЕЛЬНЫЙ ИСХОД. Меры предосторожности требуют применения только сертифицированных емкостей многократного использования. См. технические условия емкости 17506 в руководстве и инструкции, а также соответствующие информационные материалы производителя. Не переливайте извлеченный хладагент в контейнеры одноразового пользования" Согласно законодательству разрешается транспортировка хладагентов только в емкостях, соответствующих стандартам Министерства Транспорта 4BW или 4 В А.
Шланги могут содержать жидкий хладагент под давлением. Контакт с хладагентом опасен для здоровья. Пользуйтесь соответствующими защитными приспособлениями, включая очки. Соблюдайте осторожность при разъединении шлангов.
ВЫСОКОЕ НАПРЯЖЕНИЕ ВНУТРИ ЩИТОВ И ПУЛЬТОВ УПРАВЛЕНИЯ. ОПАСНОСТЬ ЭЛЕКТРОШОКА. До начала работы отключите питание от сети. См. руководство.
В ЦЕЛЯХ СНИЖЕНИЯ ОПАСНОСТИ ВОЗНИКНОВЕНИЯ ПОЖАРА
избегайте использования удлинительных шнуров меньше, чем № 14 AWG для предотвращения перегрева шнура и выдерживайте как можно более короткую длину шнура. Не пользуйтесь данным оборудованием вблизи разлитого бензина, открытых контейнеров с бензином и других легко воспламеняющихся веществ.
Используйте оборудование на участках с механической вентиляцией, обеспечивающей смену воздуха, по меньшей мере, четыре раза в час или устанавливайте оборудование, по меньшей мере, на 18 дюймов выше уровня пола.
Убедитесь в действии всех предохранительных устройств установки. До начала работы прочтите инструкцию и следуйте предписаниям и предупреждениям, изложенным в руководстве.
ВНИМАНИЕ: Работать с установкой разрешается только специалистам. Операторы должны быть знакомы с системами A/C-R и хладагентами, и сознавать опасность работы с компонентами под давлением.
Используйте только хладагенты R-12, R-22, R-500 или R-502. Данное оборудование, не предназначено ни для каких других целей, кроме извлечения и переработки хладагентов' Не смешивайте различные типы хладагентов! •:
ПРИМЕЧАНИЯ ПО ЭКСПЛУАТАЦИИ
После наполнения емкости хранения, включите в работу систему переработки, и не выключайте до тех пор, пока индикатор влаги не покажет зеленый цвет. Если индикатор не поменяет цвет на зеленый в течение двух часов, или если игла монитора фильтра находится в красной зоне, следует заменить фильтр. При замене фильтра следуйте инструкциям, изложенным на упаковке запасного фильтра.
Хладагент R-12: Проверьте индикатор продувки воздухом. Если указатели колеблются более чем на 10 пси, откройте продувочный вентиль и оставьте открытым до тех пор, пока стрелки не сойдутся. Закройте клапан и проверьте еще раз, чтобы различие в указаниях составляло не более 10 пси. При необходимости повторите процедуру.
Хладагенты R-22, R-500 и R-502: До начала процесса переработки откроите на 5-10 секунд продувочный вентиль.
В случае, если производится переработка хладагента, извлеченного из системы A/C-R с перегоранием j герметического двигателя, включите систему переработки и оставьте ее в режиме работы как минимум на 4 часа. Проверьте масло в маслоотделителе системы A/C-R при помощи комплекта оборудования для испытания на содержание кислоты в масле.
При температурах выше 120°F/ 49°C делайте 10 минутный перерыв между процессами извлечения.
ОСНОВНЫЕ КОМПОНЕНТЫ УСТАНОВКИ
1. Вентиль для слива масла
2. Продувочный вентиль
3. Измерительный прибор продувки воздуха
4. Голубой шланг (для жидкости)
5. Красный шланг (для пара)
6. Желтый шланг (продувка воздухом)
7. 50 фунтов, емкость многократного пользования
8. Площадка для взвешивания емкостей
9. Маслоотборочный баллон
ПРИМЕЧАНИЕ:
См. стр. 9, список запасных частей
10. Входной фильтр
11. Блоки фильтров-осушителей
12. Смотровое стекло, на входе
13. Клапан регулирования потока, на входе
14. Пульт управления
15. Маслоотделитель системы 'i6. Компрессор
17. Возвратный маслоотделитель
18. Насос перекачки хладагента

Рис.14. Установка для извлечения хладагента из автомобильного кондиционера.
ПУЛЬТ УПРАВЛЕНИЯ
- Главный выключатель электропитания - подает электропитание в пульт управления
- Пусковой выключатель откачки - включает компрессор
- Световой индикатор ON (вкл.) - зажигается при работе компрессора
- Индикатор высокого давления - зажигается при давлении более 350 пси
- Индикатор наполнения емкости извлеченного хладагента - зажигается после предельного наполнения емкости
- Пусковой выключатель системы рециклирования - включает насос переработки
- Световой индикатор режима работы системы переработки - зажигается при пуске системы переработки
- Индикатор влажности - указывает на влажность или сухость хладагента
- Монитор фильтра - показывает загрязнение фильтра

СХЕМА УСТАНОВКИ СИСТЕМЫ ИЗВЛЕЧЕНИЯ / ПЕРЕРАБОТКИ УСТАНОВКА СЕРДЕЧНИКОВ ФИЛЬТРА-ОСУШИТЕЛЯ
ВНИМАНИЕ: ИСПОЛЬЗУЙТЕ ТОЛЬКО СЕРТИФИЦИРОВАННЫЕ блоки фильтров-осушителей. Использование других блоков дает неудовлетворительные результаты и делает недействительной гарантию оборудования. Номера запчастей указаны в списке запасных частей.
1. Отвинтите 8 болтов с шестигранной головкой, которые крепят крышку фильтра к кожуху.
2. Внутри Вы обнаружите крепежные скобы фильтра-осушителя (прикрепленные к крышке) и две картонные пластины, отделяющие друг от друга удерживающиеся фильтры.
3. Удалите картонные пластины и установите два блока фильтра-осушителя согласно инструкции на стр. 6, пункты 7-14.

Рис.15.Блок фильтров-осушителей.
ПЕРВОНАЧАЛЬНАЯ УСТАНОВКА ДЛЯ ХРАНЕНИЯ ХЛАДАГЕНТА ЕМКОСТИ МНОГОКРАТНОГО ИСПОЛЬЗОВАНИЯ
ПРЕДУПРЕЖДЕНИЕ: ИСПОЛЬЗУЙТЕ ТОЛЬКО СЕРТИФИЦИРОВАННЫЕ ЕМКОСТИ МНОГОКРАТНОГО ПОЛЬЗОВАНИЯ ДЛЯ ХРАНЕНИЯ ХЛАДАГЕНТА, Т.К. ОНИ ЯВЛЯЮТСЯ НЕОТЪЕМЛЕМОЙ ЧАСТЬЮ УСТАНОВКИ. Использование других емкостей может послужить причиной увечий и аннулировать гарантию срока действия. Номера запасных частей емкостей указаны на стр. 9 в списке запасных частей. Не забудьте отметить тип хладагента (R-12.R-22. R-500 или R-502) на внешней стороне емкости.
ВНИМАНИЕ: НЕ СМЕШИВАЙТЕ ТИПЫ ХЛАДАГЕНТОВ
1. До крепления емкости к установке откройте один из клапанов емкости. Емкость содержит небольшое количество сухого азота для поддержания стерильности и сухости во время хранения и перевозок. Открыв клапан, Вы выпустите азот.
2. Установите бак на весовую платформу в задней части установки. Разместите нижнюю кромку бака вокруг наружного диаметра, приваренного к платформе выступа. Это автоматически обеспечит центральное расположение емкости. Свободно прикрепите ремни вокруг емкости, чтобы емкость не кренилась. Не натягивайте ремни, поскольку это может вызвать погрешность показания весов.
3. Прикрепите красный шланг от задней части установки к вакуумному насосу. Прикрепите голубой шланг от задней части установки к голубому жидкостному клапану емкости.
4. Откройте жидкостный клапан емкости. Включите вакуумный насос и оставьте его в режиме работы прибл. на 10 мин. Это позволит удалить весь ненужный воздух и влагу из станции.
5. После вакуумирования выключите вакуумный насос и отсоедините шланги. Подсоедините красный шланг к красному паровому клапану емкости и откройте его.
примечание:
При замене бака обеспечивайте его вакуумирование в течение 5 минут, используя только
отдельный вакуумный насос и шланг для хладагента.
| Линия Газа
(красный шланг)
|
|
| Линия жидкости (голубой шланг)
|
|
| Линия продувки воздухом (желтый шланг)
|
|
Рис.16. Емкость для хранения хладагента.
Процесс извлечения хладагента
ВНИМАНИЕ: НИКОГДА НЕ СМЕШИВАЙТЕ РАЗНЫЕ ТИПЫ ХЛАДАГЕНТОВ. Используйте только установки, соответствующие типу извлекаемого хладагента. (См. Процедура замены типа хладагента.)
ПРЕДУПРЕЖДЕНИЕ: ИСПОЛЬЗУЙТЕ ТОЛЬКО СЕРТИФИЦИРОВАННЫЕ ЕМКОСТИ МНОГОКРАТНОГО ПОЛЬЗОВАНИЯ ДЛЯ ХРАНЕНИЯ ХЛАДАГЕНТА. Примечание других емкостей может послужить причиной увечий и аннуляций гарантийного срока. Применение других емкостей может послужить причиной увечий и аннуляции гарантийного срока.
1. Присоедините коллекторный узел манометра к системе A/C-R и прикрепите центральный шланг к входному фильтру в задней части установки. примечание: До начала процесса извлечения убедитесь сначала в наличии давления в системе A/C-R. Если давление в системе отсутствует, это означает, что хладагента в системе нет.
2. Откройте оба вентиля коллекторного манометра и выпустите воздух из центрального шланга коллектора, слегка расслабив соединительный узел. Убедитесь в том, что газовый и жидкостный клапаны системы открыты. примечание: Если шланги оснащены фитингами типа Quick Seal ™, то продувать их не надо.
3. Поверните регулятор потока со стороны установки на позицию Liquid.
4. Вставьте шнур станции в розетку, соответствующего напряжения АС и включите питание.
5. Нажмите пусковой выключатель процесса извлечения. Зажигается янтарный световой индикатор и компрессор начинает работать.
6. Смотрите в смотровое стекло на стенке установки, если виден поток жидкости, оставьте клапан контроля потока на позиции жидкость, если нет, то переключите на позицию пар.
7. После завершения процесса извлечения компрессор отключается автоматически. Понаблюдайте в течение 5 минут, не поднимется ли давление выше "0" пси. Если да, повторите шаги 5-6.
8. Для слива масла A/C-R из сепаратора масла медленно откройте вентиль слива масла. После завершения слива масла закройте вентиль. Все масло из системы A/C-R вышло. Для зарядки системы новым маслом следуйте инструкции производителя.
9. После наполнения бака выключатель расцепляющей катушки на днище площадки для взвешивания выключит компрессор и загорится лампочка емкость полная. Закройте все клапаны, снимите бокс платформы и поставьте следующую. Не забудьте указать тип хладагента на емкости.
примечание: В чрезвычайно жарких условиях. установка может отключиться до завершения процесса извлечения из-за высокого давления (температуры) в баке. В этом случае замените бак на новый или другую охлажденную, частично наполненную емкость, содержащую тот же тип хладагента. Продолжайте процесс извлечения. Через некоторое время вы сможете снова поставить на наполнение первый бак.

Рис.17.Установка манометров при извлечении хладагента.
примечание: Извлеченный хладагент должен быть подвергнут переработке до повторного использования.
Рециркуляция хладагента
1. ПЕРЕРАБОТКА R-12 – если датчик продувочного отверстия фиксирует изменение давления более чем на 10 пси, откройте продувочный клапан и не закрывайте до тех пор, пока стрелки не сойдутся. Закройте клапан и проверьте разницу показаний. В случае, если разница превышает 10 пси, повторите операцию.
ПЕРЕРАБОТКА R-22, R-500 ИЛИ R -502 – до начала процесса переработки откройте на 5-10 секунд отверстие канал емкости, чтобы удалить воздух.
2. Откройте оба вентиля бака.
3. Убедитесь в том, что питание от сети включено. Нажмите на кнопку пуска процесса рециклирования. Зажигается янтарная лампочка и вводится в работу насос перекачки хладагента.
4. После пуска понаблюдайте за потоком хладагента через индикатор влажности. Если содержание хладагента достаточное (прибл. 15 фунтов), то пузырьки через несколько секунд исчезнут. Исчезновение пузырьков в индикаторе влаги указывает на то, что насос работает на полную мощность. Если пузырьки не исчезают, см. руководство ПО нахождению и УСТРАНЕНИЮ НЕИСПРАВНОСТЕЙ.
5. переработка только R-12 - После рециклирования в течение прибл. 5 минут, проверьте индикатор продувки воздуха в задней части установки. Если зеленая стрелка индикатора продувки воздуха опережает красную с расстоянием более 10 пси (два маленьких деления), опорожняйте емкость через продувочный клапан до тех пор, пока стрелки не сойдутся. В случае необходимости, повторите операцию.
6. Установка должна работать до тех пор, пока точка в центре индикатора влажности не станет зеленой (сверьте с цветовой индикаторной табличкой на пульте управления). Система рециклирования всегда должна работать как минимум один час. В зависимости от концентрации влаги в хладагенте изменение цвета индикатора может занять до 3 часов.
7. Не забудьте пометить тип хладагента на цветовой табличке емкости, R-12, -22, -500 или -502. Также укажите, что хладагент прошел переработку и готов к утилизации.
При замене блока фильтра-осушителя:
- в случае если индикатор влажности не меняет цвет после переработки в течение 3 часов с желтого на зеленый, то блоки фильтра-осушителя насыщены влагой и их следует заменить.
- в случае если блоки фильтра-осушителя засорились частицами, то стрелка монитора фильтра будет находиться в красной зоне; это также указывает на то, что фильтры следует заменить.
- в случае если стрелка монитора фильтра находится в красной зоне, блоки фильтра-осушителя засорены частицами и их следует заменить.
примечание:
Если хладагент, подвергаемый переработке, был извлечен из системы A/C-R со сгоревшим герметическим двигателем, система должна работать как минимум 4 часа. Проверьте масло в сепараторе масла при помощи комплекта оборудования для определения содержания кислоты.
| ВНИМАНИЕ!
|
| НЕ СМЕШИВАЙТЕ РАЗЛИЧНЫЕ ТИПЫ ХЛАДАГЕНТОВ
|
ПРОВЕРЬТЕ СООТВЕТСТВИЕ ТИПА ХЛАДАГЕНТА В СИСТЕМЕ И В ЕМКОСТИ
|
| Установка по извлечению / рециклированию не предназначена для разделения различных типов хладагентов (R-12, R-22, R-500 или R-502).
|
Не возвращайте емкости на завод изготовитель.
|
Замена сердечника в фильтре-осушителе
В случае, если цвет индикатора влаги (сверьте по цветовой табличке) не становится зеленым через 3 часа процесса переработки, сердечники фильтров-осушителей, скорее всего, насыщены влагой и их необходимо заменить.
В случае если блоки фильтров осушителей засорились частицами, стрелка фильтра монитора будет находиться в красной зоне, что также указывает на необходимость замены блоков в фильтрах.
Инструкция по замене блоков
примечание:
Не вынимайте фильтры из камер, пока Вы не будете готовы к их установке в систему.
ВНИМАНИЕ:
ИСПОЛЬЗУЙТЕ ТОЛЬКО СЕРТИФИЦИРОВАННЫЕ БЛОКИ ДЛЯ ФИЛЬТРОВ ОСУШИТЕЛЕЙ. Использование других блоков дает неудовлетворительные результаты и делает гарантию недействительной.
1. Закройте жидкостной вентиль и откройте паровой вентиль бака.
ПРЕДУПРЕЖДЕНИЕ:
ПУНКТЫ 2 и 3 ЯВЛЯЮТСЯ РЕШАЮЩИМИ ДЛЯ ПРЕДУПРЕЖДЕНИЯ ОПАСНЫХ ВЫБРОСОВ ХЛАДАГЕНТОВ
2. Снимите голубой шланг с бака извлечения и подсоедините его к входному отверстию станции
3. Включите питание и нажмите на кнопку пуска процесса извлечения. Оставьте установку в рабочем режиме до тех пор, пока не погаснет лампочка "Идет процесс извлечения". Эта процедура позволяет извлечь оставшуюся часть хладагента из установки и фильтров.
4. Отвинтите 8 болтов с шестигранной головкой, крепящие крышку фильтра к кожуху. Блоки фильтров и крепежные скобы прикреплены к крышкам фильтра.
5. Удалите три анкерных болта с крышки фильтра и снимите фильтры с держателей. Не выбрасывайте отработанные фильтры вместе с бытовым мусором.
6. Протрите все внутренние части сухой тряпкой.
7. Удалите блоки фильтров осушителей из герметичных тарных баков (требуется 2).
8. Каждый раз при замене фильтров меняйте также прокладки крышек. Новые прокладки входят в комплект блочного фильтра.
9. Отрегулируйте пружину крышки фильтра по центру. Поставьте держатель на пружину так, чтобы его центральный выступ входил в спираль, а кромки были выровнены.
10. Разместите первый фильтр на верхней крестовине ближе к крышке. Вставьте центральный держатель, на который установите второй фильтр с прокладками. Поместите, сетчатый держатель на второй блок фильтра осушителя и вставьте анкерные блоки.
11. Установите собранный фильтр в корпус фильтра. Привинтите 8 болтами и затяните их динамометрическим ключом с тарированным усилением до 15 футов / фунтов. Закрепите болты.
12. После того, как Вы произвели замену фильтров, подсоедините голубой шланг к вакуумному насосу. Откачивайте воздух в течение 10 минут для удаления воздуха, попавшего туда во время замены фильтров.
13. Выключите вакуумный насос и разъедините шланги.
14. Снова подсоедините голубой шланг к отверстию жидкости емкости и откройте жидкостный клапан на емкости. Установка теперь готова к продолжению процесса рециклирования. cm. ПЕРЕРАБОТКА ХЛАДАГЕНТА, Стр. 5.
КАЖДЫИ РАЗ ПРИ ЗАМЕНЕ БЛОКА ФИЛЬТРА ПРОИЗВОДИТЕ ТАКЖЕ ЗАМЕНУ ВХОДНОГО ФИЛЬТРА.
10.11 Процедура замены типа хладагента
1. Закройте жидкостный клапан емкости и откройте паровой. Отсоедините жидкостный шланг от клапанов и подсоедините к входному каналу.
2. Включите компрессор и дайте установке проработать до тех пор, пока компрессор не выключится.
3. Закройте паровой клапан емкости, отсоедините паровой шланг от клапана и снимите емкость с площадки.
4. Откачайте воздух из пустой емкости хладагента многократного пользования или баллона для зарядки типа Dial-A-Chargeâ
". Подсоедините паровой шланг к паровому клапану емкости или цилиндра и откройте клапан. Подождите, пока хладагент поступит в емкость или цилиндр, не включая систему. После того как уровень давления в системе и емкости /баллоне уравновесится, закройте паровой клапан и отсоедините паровой шланг.
5. Разместите пустую емкость или частично заполненную емкость с обозначением типа хладагента на платформу. Убедитесь в правильности обозначения типа извлекаемого хладагента.
6. Подсоедините жидкостный шланг к жидкостному клапану, а паровой шланг к паровому клапану, и откройте оба клапана. Установка готова к извлечению нового типа хладагента.
10.11.1 Установка 17500В для извлечения и переработки хладагента
| Комплекс трубок и заправочная станция
|
|
| Шланг низкого давления (голубой)
|
|
| Электромагнитный клапан извлечения хладагента
|
|
| Запорный клапан извлечения хладагента
|
|
| Шланг для зарядки (желтый)
|
|
Рис.18.Установка 17500В
ПЕРЕЧЕНЬ ЗАПАСНЫХ ЧАСТЕЙ
| Компонент
|
No
. детали
|
230 В: только для 17501 В
|
| Желтый шланг с фитингами “Quick Seal”
|
38136
|
Компрессор
|
17510
|
| Емкость многократного пользования. 50 фт.
|
17506
|
Насос перекачки хладагента
|
17139
|
| Блоки фильтров осушителей (упаковка по 6 шт.)
|
17130
|
Кнопка пуска компрессор17135а
|
17138
|
| Голубой шланг с фитингами "Quick Seal"
|
38236
|
Вентилятор
|
17516
|
| Красный шланг с фитингами "Quick Seal"
|
38336
|
Главный сетевой выключатель
|
17135
|
| Емкость для извлеченного масла
|
17419
|
Красная лампочка
|
17136
|
| Вентиль для слива масла
|
40460
|
Янтарная лампочка
|
17137
|
| Продувочный клапан
|
40460
|
К этой установке для извлечения / переработки подходят только 50 фунтовые емкости многократного пользования Robinair, деталь № 17506. Емкость соответствует тех условиям в нормативах Министерства Транспорта 4BW или 4ВА.
Фильтры на этой установке рассчитаны на улавливание влаги, кислоты и частиц. Следует своевременно заменять блоки фильтров для обеспечения необходимого удаления влаги и загрязняющих веществ из отработанного хладагента. Для обеспечения соответствующего качества фильтрации в фильтрах-осушителях следует устанавливать только блоки Robinair, деталь №. 17130
|
| Выключатель расцепляющей катушки
|
17114
|
| Индикатор влаги
|
17120
|
| Контрольный манометр фильтра
|
17125
|
| Контрольный клапан
|
17112
|
| Входной фильтр
|
17630
|
| Реле высокого давления
|
17072
|
| 115 В: только для типа 17500В
|
| Компрессор
|
17410
|
| Насос перекачки хладагента
|
17115
|
| Кнопка пуска компрессора
|
17138
|
| Вентилятор
|
17416
|
| Главный сетевой выключатель
|
40994
|
| Красная лампочка
|
17106
|
| Янтарная лампочка
|
17107
|

Рис.19. Установка
LV
1.
10.12 Модель LV1
Модели LV1 может извлекать жидкий хладагент при помощи баллона для сбора хладагента, оснащенного двухпроходным клапаном или цилиндром с 2 вентилями. Один для извлечения хладагента в жидком виде, другой в паровом.
Для обеспечения мер безопасности очень важно осуществлять наполнение цилиндров по весу в соответствии с инструкцией поставщика цилиндров и Руководством AR1.
- ВСЕГДА ИСПОЛЬЗУЙТЕ СЕРТИФИЦИРОВАННЫЕ КОНТЕЙНЕРЫ МНОГОКРАТНОГО ПОЛЬЗОВАНИЯ.
- НИКОГДА НЕ ПЕРЕПОЛНЯЙТЕ КОНТЕЙНЕРЫ. Они должны быть наполнены максимум на 80% объема.
- НИКОГДА НЕ СМЕШИВАЙТЕ РАЗЛИЧНЫЕ ТИПЫ ХЛАДАГЕНТОВ В ОДНОЙ ЕМКОСТИ. Смешанные хладагенты не поддаются сепарации.
- ПРИ РАБОТЕ С ХЛАДАГЕНТОМ ПОЛЬЗУЙТЕСЬ ВСЕГДА РЕЗИНОВЫМИ ПЕРЧАТКАМИ И ЗАЩИТНЫМИ ОЧКАМИ.
- ДО ЗАПОЛНЕНИЯ ПУСТОГО КОНТЕЙНЕРА ВСЕГДА ОТКАЧИВАЙТЕ ВОЗДУХ ИЗ НЕГО КАК МИНИМУМ ДО 1000 МИКРОН ДЛЯ УДАЛЕНИЯ ВОЗДУХА И НЕКОНДЕНСИРУЮЩИХСЯ ГАЗОВ. НЕКОНДЕНСИРУЮЩИЕСЯ ГАЗЫ МОГУТ СПОСОБСТВОВАТЬ ЗНАЧИТЕЛЬНОМУ УВЕЛИЧЕНИЮ УРОВНЯ ДАВЛЕНИЯ НА ВЫХОДЕ.
- В МОДЕЛИ LV1 ИМЕЕТСЯ СУХОЙ АЗОТ. ТРЕБУЕТСЯ ЕГО ОТКАЧКА ДО НАЧАЛА ПРОЦЕССА ИЗВЛЕЧЕНИЯ.
- ВСЕГДА ПОЛЬЗУЙТЕСЬ ТОЛЬКО ФИЛЬТРАМИ-ОСУШИТЕЛЯМИ ТИПА AN 052 С УСТАНОВКОЙ НА ВХОДЕ В LV1 ДЛЯ ПРЕДОХРАНЕНИЯ КОМПРЕССОРА, РЕГУЛЯТОРА ДАВЛЕНИЯ И ЭЛЕКТРОМАГНИТНЫХ КЛАПАНОВ LV1.
ПРИМЕЧАНИЯ:
1. Все клапаны установки LV1 должны быть в закрытом состоянии, когда машина не находится в действии. Так же как холодильные системы, установка LV1 должна предохраняться "от попадания воздуха, так как влага может вывести компрессор из строя.
2. Подсоедините LV1 к заземленному соответствующим образом 1-фазовому выводу с напряжением 115В, 60 Гц. Не пользуйтесь удлинительными шнурами более 25 футов в длину. Перепад напряжения в сети может вывести компрессор из строя.
3. Холодильные шланги не должны превышать 8 футов в длину.
4. ИСПОЛЬЗУЙТЕ ОСУШИТЕЛЬ AN 052 НА ВХОДНОЙ ЛИНИИ УСТАНОВКИ LV1 ДЛЯ ЗАЩИТЫ КОМПРЕССОРА И ПРЕДОТВРАЩЕНИЯ ПОПАДАНИЯ ЧАСТИЦ В РЕГУЛЯТОР ДАВЛЕНИЯ И ЭЛЕКТРОМАГНИТНЫЕ КЛАПАНЫ. В перегоревшей системе после завершения процесса извлечения необходимо заменить осушители. Осушители необходимо заменить до начала зарядки новым хладагентом во избежание их смешивания. Их также необходимо заменить после извлечения 500 фунтов хладагента.
5. Установка LV1 предназначена для работы с хладагентами R-12, R-22, R-500 и R.-502.
6. Всегда удаляйте сердечники Schrader из фитингов доступа на выключенной установке. Это препятствие значительно снижает скорость процесса извлечения хладагента.
Слив масла из компрессора
Устройство для слива масла из компрессора размещается на днище установки LV1. До начала слива масла откройте все клапаны установки для снижения давления. Затем снимите уплотнение и винтовую заглушку, после чего масло быстро перетечет в контейнер самотеком. (В шлангах необходимости нет.) Перелейте масло в контейнер для соответствующего удаления и размещения. Если установка только что работала, масло в компрессоре может быть под давлением и горячим. Возможны серьезные ожоги. Будьте осторожны!
Слейте масло из компрессора после извлечения хладагента из прогоревшей системы или до начала процесса извлечения другого типа хладагента. Для предотвращения смешивания хладагентов замените масло в компрессоре установки и снимите давление в установке и шлангах до начала извлечения другого типа хладагента.
Визуальный указатель уровня масла в компрессоре
В ходе обычной эксплуатации расходуется очень небольшое количество компрессорного масла (менее 1/4% объема емкости). Уровень масла должен доходить до средней отметки уровнемера (расположенного на боковой стороне установки LV1). После того как уровень масла снизится, необходимо добавить масло в компрессор. Используйте масло с вязкостью 150 или 300. Откройте выпускной клапан для снижения давления и оставьте его открытым. Входной клапан должен быть закрыт. Для добавления масла подсоедините шланг к “Порту заправки маслом” (сердечники Schrader необходимо удалить для обеспечения более быстрого наполнения). Перекачивайте свежее масло из контейнера, включив установку LV1, до тех пор, пока смотровое стекло не заполнится наполовину. НЕ ПЕРЕЛИВАЙТЕ. Затем выключите установку, закройте масляное отверстие и выпускной клапан. Опорожните из установки LV1. (Обычно заправка маслом составляет 16 унций).
ПРЕДУПРЕЖДЕНИЕ
Старайтесь не пользоваться удлинительным шнуром, так как он может перегреться. Однако если вам все-таки приходится им пользоваться, он должен быть как минимум типа 14/3, маслостойким, соответствовать N.E.C. и длиной максимум 25 футов.
10.12.1 Порядок извлечения хладагента
Жидкий хладагент подается непосредственно из выключенной холодильной системы на дно контейнера со скоростью 5-10 фунтов в минуту.
Насосы установки по извлечению хладагента перекачивают пар из верха контейнера в выключенный холодильный агрегат. Это обеспечивает в нем более низкое давление, чем в агрегате, из которого хладагент "выталкивается" в контейнер.
1. Подсоедините выключенный агрегат, контейнер и установку по извлечению, как показано на диаграмме (1).
2. Откройте оба клапана контейнера и оба клапана на установке по извлечению.
3. Включите установку по извлечению. (Выключатель насосов должен находиться в позиции "выключен").
4. Откачку хладагента в жидком виде можно наблюдать в смотровое стекло.
5. После завершения перекачки жидкого хладагента или после наполнения контейнера на 80% закройте клапаны на цилиндре и установке по извлечению.
6. Выключите установку по извлечению.
ПРИМЕЧАНИЕ:
В некоторых случаях извлечение хладагента в жидком виде может быть невозможно, либо потому что количество хладагента в жидком виде недостаточно, либо потому что он переместился в другую часть системы. В таких случаях извлечение хладагента должно производится в паровом виде.
Диаграмма (2): Извлечение хладагента в виде пара
| Установка извлечения хладагента
|
|
После удаления жидкости как показано на диаграмме (1), оставшаяся в виде пара часть хладагента может быть извлечена при помощи установки по извлечению, как показано на диаграмме (2). Пар передается со скоростью приблизительно 1/2 фунтов в минуту в зависимости от давления всасывания.
1. Подсоедините выключенный агрегат к контейнеру и установке по извлечению как показано на диаграмме (2). (Можно подсоединить и выпускные и всасывающие клапаны на выключенном компрессоре для обеспечения более быстрого процесса извлечения.)
2. Откройте паровой клапан контейнера (жидкостный клапан контейнера закрыт). Откройте оба клапана на установке по извлечению.
3. Включите установку по извлечению (выключатель насоса должен находится в позиции "выключен").
4. Когда манометр давления на входе покажет "О" ПСИG, значит процесс извлечения хладагента в виде пара завершен. Выключите установку LV1 и подождите несколько минут. В случае, если давление поднимется, то включите установку снова и дайте ей поработать до тех пор, пока давление на входе не упадет до "0" PS1G.
5. После завершения передачи пара, или после наполнения контейнера на 80% закройте клапаны на контейнере и установке по извлечению.
6. Каждый раз после завершения процесса передачи производите откачку хладагента из установки по извлечению, см. инструкцию, стр. 6.
Выключите установку по извлечению.
10.12.2 Самооткачка установки по извлечению
Для предотвращения смешивания хладагентов до начала процесса извлечения другого типа хладагента необходимо сначала откачать оставшийся хладагент из установки LV1 в контейнер для хранения, извлеченного хладагента.
Установка LV1 оснащена автоматической системой самооткачки (патент рассматривается) очень легкой в обращении.
- Для откачки хладагента из установки LV1 закройте сначала всасывающий клапан.
2. Откройте клапан выпуска на установке LV1 и клапан на контейнере для хранения, извлеченного хладагента.
3. Включите кнопку продувки.
- Включите силовое питание установки.
5. Когда входное давление на манометре установки дойдет до "О" ПСИG, процесс самооткачки завершен.
6. После завершения процесса самооткачки, закройте клапан контейнера и клапан выпуска.
7. Выключите кнопку продувки и питание установки.
8. Полная откачка воздуха из установки может быть достигнута только при помощи вакуумного насоса.
9. Для обеспечения цикла откачки в условиях высокого давления при обращении с хладагентами типа R.-22 или R502 иногда необходимо откачать хладагент в пустой или полупустой цилиндр, что позволит предотвратить перебои в работе установки LV1 при перепаде давления.
До начала передачи другого типа хладагента необходимо произвести следующие процедуры:
1. Для предотвращения смешивания разных типов хладагентов в цилиндре для хранения извлеченного хладагента откачивайте установку по извлечению после каждой операции.
2. Производите слив компрессорного масла из установки LV1 и замену 16 унциями свежего холодильного масла (национальное масло 150 или холодильное масло 300).
3. Замените фильтры осушители всасывающей линии до начала процесса излечения хладагента другого типа.
4. Опорожните установку по извлечению и шланги.
5. Каждый раз после осуществления процесса извлечения помечайте номер хладагента на каждом цилиндре хранения извлеченного хладагента.
6. Запомните, что сепарация смешанных хладагентов невозможна, а размещение таких смесей может обойтись очень дорого.
ПОСЛЕ ПЕРЕДАЧИ ХЛАДАГЕНТА ИЗ СГОРЕВШЕГО КОМПРЕССОРА
1. Слейте компрессорное масло из установки LVI и замените 16 унциями свежего холодильного масла.
2. Замените фильтр-осушитель в линии всасывания.
3. Отвакуумируйте установку LV I и шланги.
Примечание: При заказе запасных частей сообщайте модель и серийный номер установки
10.12.3 Нахождение и устранение неисправностей LV1
| ПРОБЛЕМА
|
ПРИЧИНА
|
РЕШЕНИЕ
|
| Установка не извлекает хладагент в жидком виде
|
Клапан типа scrader не удален из установки.
|
Снять заглушку вентиля.
|
| Шланги не подсоединены к линии перекачки жидкости /приемнику /конденсатору.
|
Подсоедините шланги к линии перекачки жидкости
Внимание:
Возможно будет необходимо припаять фитинг твердым припоем к стержню прокалывающего клапана.
|
| Раздельная система или насосы нагрева с расширительными клапанами не достаточно быстро уравнивают давление.
|
Подсоедините шланги от выпуска установки LV 1 к стороне высокого давления выключенной установки к выпускным клапанам компрессора.
|
| Установка выключается при высоком давлении (375-400) или при внутренней перегрузке во время процесса извлечения или цикла откачки.
|
Не откачен воздух из цилиндра хранения извлеченного хладагента до начала работы.
|
Откачайте воздух из цилиндров до начала работы! Внимание: Воздух - не конденсируется
|
| Шланги не прочищены.
|
Прочистите все шланги до начала работы.
|
| При высокой температуре окружающей среды температура в цилиндре хранения хладагента превышает 1 50° F.
|
Разместите баллон для хранения хладагента в ванне со льдом/водой для снижения выходного давления.
|
| В выключенной установке не удалены сердечники клапанов.
|
Удалите сердечники клапанов типа schrader, которые тормозят входящий поток.
|
ГЛАВА 11
. НОВЫЕ ХЛАДАГЕНТЫ
11.1 Альтернативные хладагенты
Альтернативные хладагенты постепенно становятся доступными, но они являются либо смесью ГХФУ-22 и потому имеют ограниченный срок службы, либо состоят из смеси новых озонобезопасных хладагентов, которые сейчас проходят последнюю стадию испытаний на токсичность. Однако, имеются также несколько смесей, которые основаны лишь на ГФУ, это такие смеси как R.-404 и R-410.
Перед подробным изучением проблемы, полезно рассмотреть три категории жидкостей:
1. Эквивалентные хладагенты
- смесь, которая может заменить хладагент в любой существующей системе без какой-либо модификации оборудования, за исключением лишь промывки системы и замены фильтра-осушителя.
2. Хладагенты, требующие модификации оборудования
- жидкость, которая может быть заменена в существующей системе, но только после некоторой модификации системы, например, после замены масла, замены материала уплотнительного кольца или изменения скорости компрессора.
3. Хладагенты, не пригодные для ретрофита
- жидкости, которые не могут быть использованы в существующей системе вследствие различных условий: например большой разницы рабочего давления, несовместимость материалов и другие потенциальные проблемы.
Вряд ли существуют эквивалентные жидкости с абсолютно такими же качествами, как и заменяемый хладагент, и поэтому наиболее вероятно, что необходимо будет выполнить некоторые модификации системы. Необходимо рассмотреть следующие зоны:
- осушитель
- регулирующий клапан
- совместимость и растворимость масла
- рабочий объем и входная мощность компрессора
Таким образом, жидкости, требующие модификации оборудования, являются наиболее вероятной альтернативой.
Перед запуском любого альтернативного хладагента в массовое производство, хладагент должен пройти многосторонние испытания на токсичность и экологическую безопасность. В ЕС хладагент должен соответствовать требованиям Директивы по опасным веществам. В США хладагент должен соответствовать требованиям Закона о контроле токсических веществ. Такое испытание на токсичность является дорогостоящим, и в принципе может потребоваться пять или более лет на завершение такого испытания по каждому веществу. Однако коммерциализация уже началась, и некоторые смеси есть на рынке в ограниченных количествах (1994 г.).
11.2 Системы, требующие модификации (ретрофита)
Многие кондиционеры и холодильные системы, с применением ХФУ, будут переведены на использование озонобезопасных хладагентов ГХФУ (например, 134а и т.д.). Для это потребуется выдуть минеральное масло из системы и заменить его синтетическими эфирными смазочными веществами. На следующих страницах описаны основные процедуры.
При рассмотрении замены хладагента необходимо изучить несколько вопросов:
1. Затраты на альтернативный хладагент
2. Наличие хладагента-заменителя, в настоящее время и в будущем
3. Предполагаемый срок службы существующего оборудования
4. Данные по утечкам хладагента из существующего оборудования
Владельцам оборудования, работающего на основе ХФУ, рекомендуется разработать план по управлению процессом использования хладагентов для своей организации. Это объясняется тем фактом, что закупки ХФУ ограничены и вследствие этого их цена растет. Законодательные требования к регистрации потребления ОРВ подчеркивают необходимость ответственного подхода к управлению процесса использования хладагентов.
После того, как все решения по альтернативному хладагенту были приняты, реализация программы по хладагентам наилучшим образом выполняется при организованном и методичном подходе Необходимо помнить, что существующая практика обслуживания холодильных систем применима и для альтернативных хладагентов. Применяется тот же основной холодильный цикл, а изменения в связи с внедрением альтернативных хладагентов означают дополнительные требования, необходимые к выполнению. Во время предварительного изучения системы можно пользоваться технологической документацией по модернизации оборудования. Помните, что успешная замена начинается с глубокого анализа существующей системы, который должен быть выполнен перед проведением процедур по замене, которым должны предшествовать следующие шаги:
1. Проанализируйте существующее оборудование и изучите потенциальные проблемные области системы (низкие точки, плохие трубы и т. д.)
2. Ознакомьтесь с данными по эксплуатации и техобслуживанию оборудования
3. Внимательно запишите всю информацию относительно компонентов существующей системы (т. е. относительно компрессоров, клапанов, поверхности теплопередачи, системы труб и т. д.)
4. Установите условия эксплуатации (давление, температуры, силу тока в амперах и т. д.). Это необходимо для определения того, обладает ли существующая система желаемой охлаждающей способностью.
5. Проверьте совместимость существующих компонентов с предлагаемым альтернативным хладагентом. Многие компоненты, скорее всего, будут приемлемыми, в то время как некоторые могут потребовать замены.
6. Совместимость материалов определяется лучше всего изготовителем комплексного оборудования. Обязательно проверьте рекомендации-изготовителя комплексного оборудования по замене хладагента, это особенно важно в отношении старых систем.
7. После того, как сделан отбор оборудования, и завершены все предварительные исследования, необходимо провести тщательную проверку системы на утечки. Помните, большая часть проблем ХФУ возникает в связи с большими утечками.
8. Кроме того, характеристики утечек некоторых альтернатив требует "очень герметичной" системы.
9. После завершения всей предварительной работы, можно приступать к процедурам по замене, как всегда уделяя большое внимание всем деталям.
Необходимо также отметить, что замена хладагента может быть выполнена с минимальными экономическими и эксплуатационными неудобствами, если будет применен методичный и кропотливый подход. Решения по замене хладагента во время аварийных остановов или неисправности оборудования чаще всего неправильные. Подробный план по замене хладагента обеспечит наиболее успешный переход от хладагентов ХФУ на альтернативные.
11.3. Замена ХФУ-12 на ГФУ-134А
Общее руководство
1. Установите рабочий режим действующей системы
2. Исследуйте всю систему на утечки и проведите необходимый ремонт
3. Определите необходимые изменения системных компонентов для применения ГФУ-134а
Типичный вариант ретрофита:
1. Размер компрессора
2. Размер регулирующего клапана или капиллярных трубок
3. Мощность испарителя и конденсатора
4. Откачайте имеющееся минеральное масло, измерьте количество и сравните с рекомендуемым количеством для определения количества масла, оставшегося в системе. Замените минеральное масло рекомендуемым количеством полиэфирного масла.
5. Введите систему в действие с ГФУ-134а и полиэфирным маслом (рекомендуется эксплуатация в течение 48 часов), затем слейте эфирное масло и зарядите новым. Замерьте количество удаленного масла для проверки наличия остатков минерального масла. Повторите эту процедуру несколько раз для обеспечения полного удаления минерального масла. В соответствии с рекомендациями производителей, для соответствующего функционирования системы допустимо наличие от 1% до 5% оставшегося минерального масла. Рекомендуется провести лабораторные анализы масла для выявления содержания минерального масла.
6. При замене хладагента рекомендуется также заменить осушители, которые должны быть совместимы с системой, на ГФУ-134а. Обычно рекомендуется молекулярное сито ХН-9 или ХН-7.
7. После удаления минерального масла из системы можно извлечь оставшийся хладагент R 12. Необходимо строго следовать практике извлечения хладагентов для извлечения R 12 в специальные емкости. Необходимо определить вес извлеченного количества для определения объема заправки новым хладагентом.
8. После извлечения ХФУ-12 необходимо провести тщательную откачку системы в соответствии с промышленными правилами.
9. Паром ГФУ-134а разбейте вакуум
10. Зарядите систему хладагентом ГФУ-134а в соответствии с принятыми правилами. Внимательно следите за количеством - для начала рекомендуется заправить 80% - 90% от объема ХФУ-12.
11. Запустите систему и следите за ее функционированием. Может потребоваться некоторая регулировка. Обязательно проверьте параметры перегрева для обеспечения правильного функционирования испарителя.
12. По истечении 48 часов проверьте функционирование системы, уровни хладагента и масла. Рекомендуется взять пробу масла для проверки отсутствия влаги и уровня остаточного минерального масла.
11.4 Смазочные масла для альтернативных вариантов
Требования по полиэфирным маслам
С хладагентами ГФУ необходимо применять полиэфирные масла. Для существующих систем требуется проведение процедур по промывке масла. Полиэфирные масла совместимы в обратном порядке. Поэтому, они подходят для применения с хладагентами ХФУ-2, ГХФУ-22 и Р502.
Рисунок 1 Руководство по замене
Существующие автомобильные кондиционерные системы в основном функционируют на ХФУ-12, но мировая автомобильная промышленность обязуется прекратить использование этого вредного хладагента.
Первая система с использованием ГФУ-134а была внедрена в новых автомобильных моделях на японском, европейском и американском рынках в 1991 г. Ожидается, что к концу 1995 г. все новые автомобили будут использовать ГФУ-134а. Глобальное вытеснение озоноразрушающих хладагентов будет достигнуто за счет сокращения использования ХФУ-12, усовершенствования методов содержания и хранения, переработки/утилизации ХФУ-12 во время обслуживания и замены ХФУ-12 на ГФУ-134а в новых машинах.
11.5 Автомобильные кондиционеры воздуха
Существующие автомобильные кондиционерные системы в основном функционируют на ХФУ-12, но мировая автомобильная промышленность обязуется прекратить использование этого вредного хладагента.
Первая система с использованием ГФУ-134а была внедрена в новых автомобильных моделях на японском, европейском и американском рынках в 1991 г. Ожидается, что к концу 1995 г. все новые автомобили будут использовать ГФУ-134а. Глобальное вытеснение озоноразрушающих хладагентов будет достигнуто за счет сокращения использования ХФУ-12, усовершенствования методов содержания и хранения, переработки/утилизации ХФУ-12 во время обслуживания и замены ХФУ-12 на ГФУ-134а в новых машинах.
Хладагент, используемый при техобслуживании:
При полном рециклировании выбросы ХФУ-12 сократятся, и получится лишь 40% необходимого объема хладагента, без формирования запасов ХФУ-12. Количество хладагента, извлеченного из любой установки, всегда будет меньше необходимого для заправки объема вследствие утечек из системы и небольших потерь во время процессов обслуживания/переработки.
Соответственно, необходимо пополнять количество рециклированного хладагента новым. Если ХФУ-12 не поступит из другого источника (напр. новое производство или переработанный в других секторах ХФУ-12), нехватка запасов хладагента в развитых странах произойдет в середине 90-х, что приведет к моральному износу оборудования или необходимости перевода систем на использование других хладагентов.
Прекращение производства ХФУ-12 до 2000 г. вызовет нехватку ХФУ-12 в развитых странах, в результате чего некоторые потребители будут вынуждены либо модернизировать свои кондиционерные системы, либо считать свои системы вышедшими из употребления (прекратить их ремонт).
На основе объема производства, разрешенного Протоколом до 1999 г., с учетом полной переработки ХФУ-12, можно рассчитать количество автомобилей в год, подлежащих либо модернизации, либо списанию в результате запретов на производство ХФУ 2000 и 1997 года.
Фильтр-осушитель:
Все существующие альтернативные варианты известны тем, что химически несовместимы с существующим фильтром-осушителем, и потому потребуется провести изменения компонентов для замены десиканта на новый, совместимым с рабочей жидкостью. Такие альтернативные десиканты были найдены, и полагается, что они могут быть использованы.
11.6 Системные требования, предъявляемые при ретрофите
Компоненты системы кондиционирования должны быть совместимы с любой новой рабочей средой (комбинация хладагент / смазочное вещество). Также важна общая химическая устойчивость системы. Во многих случаях для достижения наиболее оптимального функционирования может появиться необходимость замены приборов управления.
Рабочая жидкость должна обеспечивать удовлетворительную работу и адекватную растворимость / циркуляцию смазочного вещества для смазки компрессора и в то же время не разрушать материалы.
Химическая несовместимость
Химическая несовместимость между определенными хладагентами, смазочными веществами и общими загрязняющими веществами хорошо документирована (руководство ASHRAE, издание SI, 1990). Остатки хладагентов ХФУ в системе, заряженной альтернативным хладагентом, могут привести к ранней поломке системы вследствие химической реакции между хлором из ХФУ и смазочными маслами, такими как полиалкиленгликоль. которые в настоящее время необходимы для ГФУ-134а. Поэтому может понадобиться тщательное удаление хладагентов ХФУ и минеральных масел за счет промывки системы растворителем во время перевода системы на альтернативные хладагенты.
Многие установки по переработке могут при сравнительно низких затратах быть модифицированы для выполнения дополнительной функции промывки хладагентом. Использование ХФУ-12 в качестве жидкости для промывки позволит проводить удаление минеральных масел без использования дополнительного химиката.
Недавние эксперименты показали, что для замены хладагента R.12 на R134a может быть использована упрощенная процедура. Приведенный ниже пример был использован для более 100 автомобилей в США.
1. Проверьте систему визуально на наличие утечек и/или проблем, например поврежденные шланги, отложение масла и т. д.
2. Проведите проверку на утечки с использованием ручного устройства по обнаружению утечек, настроенного на обнаружение ХФУ-12. После обнаружения утечек, проведите соответствующий ремонт.
3. Проверьте машину в эксплуатации для выявления общих характеристик (выпускное давление/давление всасывания и температуры вентиляции).
4. Откачайте ХФУ-12 в соответствующий контейнер и взвесьте его.
5. Проведите интенсивную промывку для удаления минеральных масел и снова извлеките хладагент из системы (эту процедуру можно пропустить).
6. В течение 30 - 45 минут проведите откачку с насосом глубокой откачки. Предпочтительно проводить откачку в течение долгого времени, особенно если не производилась интенсивная промывка.
7. Зарядите маслом РОЕ в количестве, рекомендованном изготовителем компрессора/системы.
8. Зарядите систему хладагентом ГФУ-134а в количестве 90% от веса ХФУ-12.
9. Проведите новые испытания и сравните данные с данными, полученными в результате пункта 3.
10. Проведите новое обнаружение утечек с применением устройства, настроенного на обнаружение ГФУ-134а.
11. Четко промаркируйте систему и модифицируйте фитинг на входе для работы только с ХФУ-134а.
Международные карты химической безопасности
|
Приложение А 1:
ТРИХЛОРОФТОРМЕТАН: ХФУ - 11
|
| Виды воздействия
|
Острые опасные симптомы
|
Предотвращение
|
Первая помощь/тушение пожара
|
| Пожар
|
Не взрывоопасно. Выделяет раздражающие пары/газы
|
В случае пожара: все тушительные вещества
|
| Взрыв
|
Риск пожара или взрыва (см. химическая опасность)
|
В случае пожара: охладите цилиндр и т.д. смыв водой
|
| Воздействие на органы дыхания
|
Затруднение дыхания. Дремота. Поверхностное дыхание. Потеря сознания.
|
Вентиляция, локальная вытяжка или защита дыхательных органов
|
Свежий воздух, отдых. Искусственное дыхание, если необходимо. Обратитесь к медицинской инструкции
|
| Воздействие на кожу
|
При попадании жидкости - обморожение
|
Утепленные перчатки.
|
При обморожении: сбрызните большим количеством воды, не снимайте одежду.
|
| Воздействие на глаза
|
Покраснение. Боль.
|
Защитные очки.
|
Сначала смойте большим количеством воды в течение нескольких минут
|
| Удаление пролившегося вещества:
Проветривание. Если это жидкость, дайте ей испариться. НИКОГДА не направляйте водомет непосредственно на жидкость.
|
| Хранение:
Отдельно от металлов (см. Химическая опасность). Хранить в прохладном месте. Вентиляция на уровне пола.
|
| Физическое состояние; внешние свойства:
бесцветный газ или быстро испаряющаяся жидкость с характерным запахом.
|
| Физическая опасность:
газ тяжелее воздуха. Пар тяжелее, воздуха и может накапливаться в помещениях с низкими потолками, вызывая дефицит кислорода.
|
| Химическая опасность:
При контакте с горячей поверхностью или пламенем это вещество разлагается, образуя коррозийные и высоко токсичные пары (хлорид водородафосген; хлор, фтороводород). Сильно реагирует с металлами и различными порошкообразными металлами (алюминий, барий, кальций, магний, натрий).
|
| Пути проникновения вещества: вещество может проникнуть в организм через дыхательные пути.
|
| Риск для органов дыхания:
В случае утечки эта жидкость быстро испаряется, перенасыщая воздух и создавая риск вызвать удушье в закрытом пространстве.
|
| Воздействие в течение короткого времени:
Жидкость может вызвать замораживание. Ее воздействие может вызвать аритмию сердца и асфиксию. См. примечания.
|
| Воздействие в течение длительного времени или повторяющееся воздействие:
Повторяющееся или продолжительное попадание на кожу может вызвать дерматит.
|
| Физические свойства:
давление пара, kPa при 20 градусах по Цельсию: Относительная плотность пара (воздух = 1): 4.7, относительная плотность пара/смесь с воздухом при 20 градусах по Цельсию (воздух=1): 4,4.
|
| Экологические риски:
Это вещество может быть опасным для окружающей среды . Специальное внимание должно быть уделено воде и воздуху.
|
| Примечание:
Медикам: аллергические вещества противопоказаны. Высокая концентрация в воздухе вызывает дефицит кислорода с риском потери сознания или смерти. Проверьте содержание кислорода до вхождения в зону. Наличие запаха не достаточно для определения повышенной концентрации. НЕ используйте вблизи огня или горячей поверхности или места сварки. Поднимите протекающий цилиндр вверх для предотвращения утечки газа в жидком состоянии. Фреон 11, фриген 11, галон 11 это торговые наименования.
|
Приложение А 2
: ДИХЛОРДИФТОРМЕТАН: ХФУ - 12
|
| Виды опасного воздействия
|
Острые опасные симптомы
|
Предотвращение
|
Первая помощь
|
| Пожар
|
Не взрывоопасно. Выделяет раздражающие пары (или газы) во время горения.
|
В случае пожара: применяются все тушительные вещества.
|
| Взрыв
|
Риск пожара или взрыва (см. химическая опасность)
|
В случае пожара: охладите цилиндр и т.д. сбрызнув водой
|
| Воздействие на органы дыхания
|
Затруднение дыхания. Дремота. Потеря сознания.
|
Вентиляция, локальная вытяжка или защита дыха-тельных органов
|
Свежий воздух, отдых. Искусственное дыхание, если необходимо. Обратитесь к медицинской инструкции
|
| Воздействие на кожу
|
ПРИ ПОПАДАНИИ ЖИДКОСТИ: ОБМОРОЖЕНИЕ.
|
Утепленные перчатки.
|
При обморожении: сбрызните большим количеством воды, НЕ снимайте одежду. Обратитесь к медицинской инструкции
|
| Воздействие на глаза
|
Покраснение. Боль
|
Защитные очки.
|
Сначала сбрызните большим количеством воды в течение нескольких минут, если это возможно и обратитесь к врачу.
|
| Удаление пролившегося вещества:
Проветривание. НИКОГДА не направляйте водомет непосредственно на жидкость.
|
| Хранение:
Отдельно от металлов (см. Химическая опасность). Хранить в прохладном месте. Вентиляция на уровне пола.
|
| Хранение и маркировка:
специальный изолированный цилиндр. Опасный класс ООН:2.2.
|
| Физическое состояние; внешние свойства:
бесцветный, сжиженный газ под давлением с характерным запахом.
|
| Физическая опасность:
газ тяжелее воздуха. Пар тяжелее, воздуха и может накапливаться в помещениях с низкими потолками, вызывая дефицит кислорода.
|
| Химическая опасность:
При контакте с горячей поверхностью или пламенем это вещество разлагается, образуя коррозийные и высоко токсичные пары (хлорид водорода, ICSC # 0163; фосген, # 0007 ICSC, ; хлор, ICSC#0126; фтороводород, ICSC # 0283). Сильно реагирует с такими металлами как кальций, магний. Калий, натрий, цинк и порошковый алюминий. Воздействует на магний и его соединения.
|
| Пути проникновения вещества:
вещество может проникнуть в организм через дыхательные пути
|
| Риск для органов дыхания:
В случае утечки этот газ может вызвать удушье в закрытом пространстве.
|
| Воздействие в течение короткого времени:
Жидкость может вызвать замораживание. Ее воздействие может вызвать аритмию сердца и асфиксию. См. примечания.
|
| Физические свойства:
давление пара, kPa при 20 градусах по Цельсию: Относительная плотность пара (воздух = 1): 4.2.
|
| Экологические риски:
Это вещество может быть опасным для окружающей среды . Специальное внимание должно быть уделено воздуху.
|
| Примечание:
Медикам: аллергические вещества противопоказаны. Высокая концентрация в воздухе вызывает дефицит кислорода с риском потери сознания или смерти. Проверьте содержание кислорода до вхождения в зону. Наличие запаха не достаточно для определения повышенной концентрации. НЕ используйте вблизи огня или горячей поверхности или места сварки. Поднимите протекающий цилиндр вверх для предотвращения утечки газа в жидком состоянии. Фреон 12, фриген 12, галон 12 это торговые наименования.
|
|
Приложение А 3
: ХЛОРТРИФТОРМЕТАН: ХФУ - 13
|
| Виды опасного воздействия
|
Острые опасные симптомы
|
Предотвращение
|
Первая помощь/тушение пожара
|
| Пожар
|
Не взрывоопасно. При нагревании расширяется, вызывая жжение при попадании на участки тела.
|
НИКАКИХ контактов с горячей поверхностью
|
| Взрыв
|
В случае пожара: охладите цилиндр и т.д. сбрызнув водой
|
| Воздействие на органы дыхания
|
Затруднение дыхания. Головокружение. Головная боль.
|
Вентиляция, локальная вытяжка или защита дыхательных органов.
|
Свежий воздух, отдых. Искусственное дыхание, если необходимо. Обратитесь к медицинской инструкции.
|
| Воздействие на кожу
|
НИКАКИХ КОНТАКТОВ С ЖИДКОСТЬЮ: ВЫЗЫВАЕТ ОБМОРОЖЕНИЕ.
|
Утепленные перчатки.
|
ПРИ ОБМОРОЖЕНИИ: сбрызните большим количеством воды, НЕ снимайте одежду.
|
| Воздействие на глаза
|
(См. Кожа)
|
Защитные очки, защищенное щитом лицо или защита глаз вместе с защитой органов дыхания..
|
Сначала сбрызните большим количеством воды в течение нескольких минут (удалите контактные линзы, если это возможно и обратитесь к врачу).
|
| Удаление пролившегося вещества:
Проветривание. НИКОГДА не направляйте водомет непосредственно на жидкость. В случае пролива большого количества вещества, потребуются дополнительные защитные меры для персонала.
|
| Хранение:
Если храниться в здании, то вещество должно быть в огнеупорной таре.
|
| Упаковка и маркировка:
Класс опасности ООН: 2.2.
|
| Физическое состояние; внешние свойства:
бесцветный сжиженный газ с характерным запахом.
|
| Физическая опасность:
газ тяжелее воздуха. Пар тяжелее, воздуха и может накапливаться в помещениях с низкими потолками, вызывая дефицит кислорода.
|
| Химическая опасность:
Вещество разлагается при горении или контакте с горячей поверхностью П, в результате чего образуются токсичные и коррозийные пары, включая хлорид водорода, фтор водорода и фосген. Не совместим с некоторыми порошковыми металлами (алюминием, цинком, берилием).
|
| Пути проникновения вещества
:
вещество может проникнуть в организм через дыхательные пути.
|
| Риск для органов дыхания:
В случае утечки эта жидкость может вызвать удушье при недостатке кислорода в закрытом пространстве.
|
| Воздействие в течение короткого времени
:
вещество может повлиять на сердечно- сосудистую систему, ослабляя ее. Воздействие может вызвать ухудшение сознания. См. приложение.
|
| Физические свойства:
Относительная плотность пара (воздух==1): 3.6
|
| Экологические риски:
Это вещество может быть опасным для окружающей среды. Специальное внимание должно быть уделено воздействию на озоновый слой.
|
| Примечание:
Высокая концентрация в воздухе вызывает дефицит кислорода с риском потери сознания или смерти. Проверьте содержание кислорода до вхождения в зону. Врачи должны обратить особое внимание на наркотические вещества, используемые при лечении по причине воздействия вещества на сердечный ритм. Наличие запаха не достаточно для определения повышенной концентрации. НЕ используйте вблизи огня или горячей поверхности или места сварки. Арктон 13, FCC 13, фриген 13, генетрон 13 и лскеон 13 это его торговые наименования.
|
|
Приложение А 4
: ХЛОДИФТОРМЕТАН
Монохлордифторметан:
ГХФУ – 22 Цилиндр
|
| Виды опасного воздействия
|
Острые опасные симптомы
|
Предотвращение
|
Первая помощь/тушение пожара
|
| Пожар
|
Не взрывоопасно. Выделяет раздражающие пары (или газы) во время горения.
|
В случае пожара: все тушительные вещества
|
| Взрыв
|
Риск пожара или взрыва (см. химическая опасность)
|
В случае пожара: охладите цилиндр и т.д. сбрызнув водой
|
| Воздействие на органы дыхания
|
Затруднение дыхания. Дремота. Потеря сознания.
|
Вентиляция, локальная вытяжка или защита дыхательных органов.
|
Свежий воздух, отдых. Искусственное дыхание, если необходимо. Обратитесь к медицинской инструкции.
|
| Воздействие на кожу
|
НИКАКИХ КОНТАКТОВ С ЖИДКОСТЬЮ: ВЫЗЫВАЕТ ОБМОРОЖЕНИЕ.
|
Теплые перчатки.
|
ПРИ ОБМОРОЖЕНИИ: смойте большим количеством воды, НЕ снимайте одежду.
|
| Воздействие на глаза
|
Покраснение. Боль.
|
Защитные очки.
|
Сначала смойте большим количеством воды в течение нескольких минут. Удалите контактные линзы, если это возможно и обратитесь к врачу.
|
| Удаление пролившегося вещества:
Проветривание. НИКОГДА не направляйте водомет непосредственно на жидкость.
|
| Хранение:
Отдельно от порошковых металлов, таких как алюминий и цинк.. Хранить в прохладном месте. Вентиляция на уровне пола.
|
| Физическое состояние; внешние свойства:
бесцветный сжиженный газ с характерным запахом.
|
| Физическая опасность:
газ тяжелее воздуха. Пар тяжелее, воздуха и может накапливаться в помещениях с низкими потолками, вызывая дефицит кислорода.
|
| Химическая опасность:
При контакте с горячей поверхностью или пламенем это вещество разлагается образуя коррозийные и высоко токсичные пары (хлорид водорода, ICSC # 0163; фосген, # 0007 ICSC, ; хлор, ICSC#0126; фтороводород, ICSC # 0283). Сильно реагирует с порошковыми металлами, такими как алюминий и цинк, вызывая опасность пожара и взрыва. Вступает в реакцию с магнием и его соединениями.
|
| Пути проникновения вещества
:
вещество может проникнуть в организм через дыхательные пути.
|
| Риск для органов дыхания:
В случае утечки эта жидкость быстро испаряется, перенасыщая воздух и создавая риск вызвать удушье в закрытом пространстве.
|
| Воздействие в течение короткого времени:
Жидкость может вызвать замораживание. Ее воздействие может вызвать аритмию сердца и асфиксию. См. примечания.
|
| Физические свойства:
давление испарения, kPa при 20 градусах Цельсия: 908.
Относительная плотность испарения (воздух = 1): 3.0.
|
| Экологические риски:
Это вещество может быть опасным для окружающей среды . Специальное внимание должно быть уделено воздуху.
|
| Примечание:
Медикам: аллергические вещества противопоказаны. Высокая концентрация в воздухе вызывает дефицит кислорода с риском потери сознания или смерти. Проверьте содержание кислорода до вхождения в зону. Наличие запаха не достаточно для определения повышенной концентрации. НЕ используйте вблизи огня или горячей поверхности или места сварки. Поднимите протекающий цилиндр вверх для предотвращения утечки газа в жидком состоянии. Торговые наименования -Фреон 22, фриген 22, галон 22.
|
|
Приложение А 5
: БРОМОХЛОРДИФТОРМЕТАН
Фреон 12В1/R 12B1:
Галон 1211 (цилиндр)
|
| Виды опасного воздействия
|
Острые опасные симптомы
|
Предотвращение
|
Первая помощь/тушение пожара
|
| Пожар
|
Не взрывоопасно. Выделяет раздражающие пары (или газы) во время горения.
|
В случае пожара: все тушительные вещества
|
| Взрыв
|
В случае пожара: охладите цилиндр и т.д. обдав водой. Тушите огонь используя прикрытие.
|
| Воздействие на органы дыхания
|
Дремота. Потеря сознания.
|
Вентиляция.
|
Свежий воздух, отдых. Искусственное дыхание, если необходимо. Обратитесь к медицинской инструкции.
|
| Воздействие на кожу
|
ПРИ ПОПАДАНИИ ЖИДКОСТИ: ОБМОРОЖЕНИЕ.
|
Утепленные перчатки.
|
ПРИ ОБМОРОЖЕНИИ: Смойте большим количеством воды, НЕ снимайте одежду. Обратитесь к врачу.
|
| Воздействие на глаза
|
ПРИ ПОПАДАНИИ ЖИДКОСТИ: ОБМОРОЖЕНИЕ.
|
Лицо защищено защитной маской.
|
Сначала смойте большим количеством воды в течение нескольких минут. Удалите контактные линзы, если это возможно и обратитесь к врачу.
|
| Удаление пролившегося вещества:
Проветривание. Не допускайте попадания этого химического вещества в окружающую среду.
|
| Хранение:
при хранится в здании используется огнеупорный контейнер.
|
| Упаковка и маркировка:
Класс опасности ООН: 2.2.
|
| Физическое состояние; внешние свойства:
Сжиженный газ под давлением с характерным запахом.
|
| Физическая опасность:
газ тяжелее воздуха. Пар тяжелее, воздуха и может накапливаться в помещениях с низкими потолками, вызывая дефицит кислорода.
|
| Химическая опасность:
При контакте с очень горячей поверхностью или пламенем это вещество разлагается, образуя токсичные газы, включая фосген, фтороводород, хлороводород, бромоводород.
|
| Пути проникновения вещества
:
вещество может проникнуть в организм через дыхательные пути.
|
| Риск для органов дыхания:
В случае утечки эта жидкость быстро испаряется, перенасыщая воздух и создавая серьезный риск вызвать удушье в закрытом пространстве.
|
| Воздействие в течение короткого времени:
Быстрое испарение жидкости может вызвать обморожение. Вещество может повлиять на сердечно- сосудистую систему, вызвав сердечные расстройства.
|
| Физические свойства:
Относительная плотность пара (воздух = 1): 5.7.
|
| Экологические риски:
Это вещество может быть опасным для окружающей среды. Специальное внимание должно быть уделено проблеме воздействия на озоновый слой.
|
| Примечание:
Высокая концентрация в воздухе вызывает дефицит кислорода с риском потери сознания или смерти. Проверьте содержание кислорода до вхождения в зону. Наличие запаха не достаточно для определения повышенной концентрации. НЕ используйте вблизи огня или горячей поверхности или места сварки.
|
|
Приложение А 6
: БРОМТРИФТОРМЕТАН
Трифторбромметан фтороуглерод - 1301
Бромофтороформ (цилиндр)
|
| Виды опасного воздействия
|
Острые опасные симптомы
|
Предотвращение
|
Первая помощь/тушение пожара
|
| Пожар
|
Не взрывоопасно. Выделяет раздражающие пары (или газы) во время горения.
|
В случае пожара: все тушительные вещества
|
| Взрыв
|
В случае пожара: охладите цилиндр и т.д. обдав водой
|
| Воздействие на органы дыхания
|
Головокружение. Головная боль. Потеря сознания.
|
Вентиляция.
|
Свежий воздух, отдых. Искусственное дыхание, если необходимо. Обратитесь к медицинской инструкции.
|
| Воздействие на кожу
|
ПРИ ПОПАДАНИИ ЖИДКОСТИ: ОБМОРОЖЕНИЕ.
|
Утепленные перчатки.
|
ПРИ ОБМОРОЖЕНИИ: обдайте большим количеством воды, НЕ снимайте одежду. Обратитесь к врачу.
|
| Воздействие на глаза
|
Покраснение. См. Воздействие на кожу.
|
Защитные очки или защитные средства для глаз вместе с органами дыхания.
|
Сначала обдайте большим количеством воды в течение нескольких минут. Удалите контактные линзы, если это возможно и обратитесь к врачу.
|
| Удаление пролившегося вещества:
Проветривание. НИКОГДА не направляйте водомет непосредственно на жидкость. (дополнительные средства индивидуальной защиты: химический защитный костюм, включая индивидуальный противогаз).
|
| Хранение:
В здании хранится в несгораемом контейнере. Хранить в прохладном месте.
|
| Упаковка и маркировка
:
класс опасности ООН: 2.2.
|
| Физическое состояние ; внешние свойства:
Бесцветный сжиженный газ под давлением.
|
| Физическая опасность:
газ тяжелее воздуха. Пар тяжелее, воздуха и может накапливаться в помещениях с низкими потолками, вызывая дефицит кислорода.
|
| Химическая опасность:
При контакте с горячей поверхностью или пламенем это вещество растворяется образуя токсичные пары, включая бромоводород и хлорорводород. Воздействует на пластмассу, резину и покрытие.
|
| Пути проникновения вещества
:
вещество может проникнуть в организм через дыхательные пути.
|
| Риск для органов дыхания:
Вредная концентрация этого газа достигается очень быстро при его утечке.
|
| Воздействие в течение короткого времени:
Вещество раздражает глаза. Быстрое испарение жидкости может вызвать обморожение.
|
| Физические свойства:
Давление испарения, kPa при 20 градусах Цельсия: 1434 Относительная плотность пара (воздух = 1): 5.1
|
| Экологические риски:
Это вещество может быть опасным для окружающей среды . Специальное внимание должно быть уделено проблеме воздействия на озоновый слой.
|
| Примечание:
Высокая концентрация в воздухе вызывает дефицит кислорода с риском потери сознания или смерти. Проверьте содержание кислорода до вхождения в зону. Поднимите протекающий цилиндр вверх для предотвращения утечки газа в жидком состоянии. Торговые наименования – Флюгекс 13В1, Фреон 13В1, галон 13В1, хладон 13В1 и хладагент 13В1.
|
|
Приложение А 7
: 1.1.1 –ТРИХЛОРЭТАН
Метил хлороформ
|
| Виды опасного воздействия
|
Острые опасные симптомы
|
Предотвращение
|
Первая помощь/тушение пожара
|
| Пожар
|
Взрывоопасно при определенных условиях. Нагревание может вызвать высокое давление с риском взрыва. См. Примечания. Выделяет раздражающие или токсичные пары (или газы) во время горения.
|
В случае пожара: все тушительные вещества
|
| Взрыв
|
В случае пожара: охладите цилиндр и т.д. обдав водой
|
| Воздействие
|
ПРЕДОТВРАТИТЕ ОБРАЗОВАНИЕ ТУМАНА!
|
| Воздействие на органы дыхания
|
Атаксия. Головокружение. Дремота. Головная боль. Тошнота. Потеря сознания.
|
Вентиляция, локальная вытяжка или защита дыхательных органов.
|
Свежий воздух, отдых. Искусственное дыхание, если необходимо. Обратитесь к медицинской инструкции.
|
| Воздействие на кожу
|
Сухость кожи. Покраснение.
|
Защитные перчатки.
|
Снимите пораженную одежду. Сбрызните и затем смойте кожу водой с мылом.
|
| Воздействие на глаза
|
Покраснение.
|
Защитные очки или защитные средства для глаз вместе с органами дыхания.
|
Сначала смойте большим количеством воды в течение нескольких минут. Удалите контактные линзы, если это возможно и обратитесь к врачу.
|
| Прием пищи
|
Диарея. Тошнота. Рвота (далее см. ингаляция).
|
Не ешьте, не пейте и не курите во время работы.
|
Сполосните рот. Дайте выпить жидкий активированный уголь с водой.
|
| Удаление пролившегося вещества:
Проветривание. Соберите пролитую жидкость в уплотненный материал и поместите как можно дальше. Соберите оставшуюся жидкость в песок или неактивный абсорбент и поместите в безопасное место. Не допускайте попадания этого вещества в окружающую среду (дополнительные средства индивидуальной защиты: полный комплект защитной одежды, включая противогаз).
|
| Хранение:
Храните при наличии огнетушителя. Хранить отдельно от пищевых и кормовых продуктов и несовместимых материалов. Вентиляция на уровне пола.
|
| Упаковка и маркировка:
Не перевозите вместе с пищевыми и кормовыми продуктами. Символ Xn. Символ N. R: 20-59. S(2-)24/25-59-61.
Примечание: F. Класс опасности ООН: 6.1. Группа упаковки ООН: III. Загрязнитель морской окружающей среды.
|
| Физическое состояние ; внешние свойства:
бесцветная жидкость с характерным запахом.
|
| Физическая опасность:
Пар тяжелее воздуха.
|
| Химическая опасность:
При контакте с горячей поверхностью или пламенем это вещество растворяется образуя коррозийные и очень токсичные пары, включая фосген и хлороводород. Сильно реагирует с алюминием, магнием и их соединениями, щелочью, сильными окислителями, ацетоном и цинком. Воздействуйте на натуральную резину. Смеси 1,1,1 – трихлорэтан с калием и их соединениями. Слабо реагирует с водой, образую коррозийную хлороводородную кислоту.
|
| Пути проникновения вещества
:
вещество может проникнуть в организм через дыхательные пути.
|
| Риск для органов дыхания:
Вредная концентрация этого вещества достигается очень быстро при испарении при 20 градусах по Цельсию.
|
| Воздействие в течение короткого времени:
Жидкость вызывает раздражение глаз, кожи и дыхательных путей. Вещество может повлиять на сердечную и центральную нервную систему, почки и печень, вызывая расстройства сердечной системы и дыхательных путей. При сильном воздействии может наступить смерть. Необходимо медицинское обследование.
|
| Воздействие в течение длительного времени или повторяющееся воздействие:
Жидкость повреждает кожу. Вещество может воздействовать на печень.
|
| Физические свойства:
давление пара, kPa при 20 градусах по Цельсию: Относительная плотность испарения (воздух = 1): 4.6, возгорание : см. примечание градусы Цельсия. Авто воспламенение при температуре: 537 градусов по Цельсию. Пределы взрываемости, объем % в воздухе: 8-16.
|
| Экологические риски:
Вещество вредное для морских организмов. Это вещество может быть опасным для окружающей среды . Специальное внимание должно быть уделено и воздуху и грунтовым водам. .
|
| Примечание:
Взрывоопасный пар/трудновоспламеняемые смеси воздуха могут стать активными при определенных условиях. Употребление алкогольных напитков увеличивает вредное воздействие. В зависимости от степени воздействие необходимо периодическое наблюдение врача. Добавленный стабилизатор или ингибитор может повлиять на токсикологические свойства этого вещества. НЕ используйте вблизи огня или горячей поверхности или места сварки. Торговые наименования – аэрофен, алгилен, хлоилен, генклен, хлорифен NU, хлорифен VG и растворитель 111.
|
|
Приложение А 8
: МЕТИЛ БРОМИД (цилиндр)
|
| Виды опасного воздействия
|
Острые опасные симптомы
|
Предотвращение
|
Первая помощь/тушение пожара
|
| Пожар
|
Взрывоопасно при определенных условиях. Выделяет раздражающие пары (или газы) во время горения.
|
НИКАКИХ контактов с огнем.
НИКАКИХ контактов с алюминием, цинком или чистым кислородом.
|
В случае пожара: все тушительные вещества
|
| Взрыв
|
Риск пожара или взрыва при контакте с алюминием, цинком или магнием.
|
В случае пожара: охладите цилиндр и т.д. обдав водой
|
| Воздействие
|
СТРОГОЕ СОБЛЮДЕНИЕ ПРАВИЛ! ИЗБЕГАЙТЕ ВОЗМОЖНОСТИ ВЗРЫВА ПОДРОСТКОВ И ДЕТЕЙ!
|
ВО ВСЕХ СЛУЧАЯХ ПОРАЖЕНИЕ ОБРАЩАЙТЕСЬ К ВРАЧУ!
|
| Воздействие на органы дыхания
|
Головокружение. Головная боль. Рвота. Слабость. Галлюцинации. Потеря речи. Нарушение координации движений. Затруднительное дыхание. Конвульсии.
|
Вентиляция, локальная вытяжка или защита дыхательных органов.
|
Свежий воздух, отдых. Полу- приподнятое положение тела. Искусственное дыхание, если необходимо. Обратитесь к медицинской инструкции.
|
| Воздействие на кожу
|
МОЖЕТ ВПИТАТЬСЯ!
Покалывание. Зуд. Жгучее онемение. Покраснение. Волдыри. Боль. НИКАКИХ КОНТАКТОВ С ЖИДКОСТЬЮ: ВЫЗЫВАЕТ ОБМОРОЖЕНЕИ! (см. далее: Ингаляция)
|
Утепленные перчатки. Защитная одежда.
|
ПРИ ОБМОРОЖЕНИИ: Смойте большим количеством воды, НЕ снимайте одежду. Смойте кожу большим количеством воды или под душем. Обратитесь к врачу.
|
| Воздействие на глаза
|
Покраснение. Боль. Туман в глазах. Временная потеря зрения.
|
Защитные очки. Защитная маска или защитные средства для глаз вместе с органами дыхания.
|
Сначала смойте большим количеством воды в течение нескольких минут. Удалите контактные линзы, если это возможно и обратитесь к врачу.
|
| Удаление пролившегося вещества:
Эвакуируйте людей из зоны опасности! Проконсультируйтесь с экспертом! Проветрите помещение. НИКОГДА не направляйте водомет непосредственно на жидкость (дополнительные средства индивидуальной защиты: полный комплект защитной одежды, включая противогаз).
|
| Хранение:
В здании хранить в огнеупорной таре. Отдельно от сильных окислителей , алюминия и цилиндров, содержащих кислород. Хранить в прохладном месте. Вентиляция на уровне пола.
|
| Упаковка и маркировка:
Символ Т. R: 23-36/37/38. S. (1/2) 15-27-36/37/39-38-45. Класс безопасности ООН:2.3.
|
| Физическое состояние; внешние свойства:
Сжиженный газ под давление без цвета и запаха.
|
| Физическая опасность:
газ тяжелее воздуха.
|
| Химическая опасность:
При контакте с горячей поверхностью или пламенем это вещество растворяется образуя коррозийные и очень токсичные пары, включая бромоводород и оксибром углерода. Реагирует с сильными окислителями. Воздействует на многие металлы в присутствии воды. Воздействует с алюминием , цинком и магнием, образуя пирофорные соединения, вызывающие опасность взрыва и пожара.
|
| Пути проникновения вещества
:
вещество может проникнуть в организм через дыхательные пути и кожу, также находясь в парообразном состоянии!
|
| Риск для органов дыхания:
Вредная концентрация этого газа достигается очень быстро при его утечке.
|
| Воздействие в течение короткого времени:
Жидкость вызывает раздражение глаз, кожи и дыхательных путей. Вдыхание вещества может вызвать отек легких (см. примечание). Быстрое испарение вещества может вызвать обморожение. Вещество может повлиять на центральную нервную систему, почки и легкие. При сильном воздействии может наступить смерть. Эффект может возникнуть через некоторое время.
|
| Воздействие в течение длительного времени или повторяющееся воздействие:
Вещество может повлиять на нервную систему, почки, сердце, печень и легкие.
|
| Физические свойства:
Относительная плотность пара (воздух = 1)3.3. Авто воспламенение при температуре: 537 градусов Цельсия.Пределы взрываемости, объем % в воздухе: 10-16.
|
| Экологические риски:
Это вещество может быть опасным для окружающей среды. Специальное внимание должно быть уделено рыбе, млекопитающим, растениям, организмам, находящимся в почве.
|
| Примечание:
В зависимости от степени воздействия необходимо периодическое медицинское обследование. Симптомы отека легких часто явно не проявляются в течение нескольких часов, пока не будет физических нагрузок. Отдых и медицинское обследование, поэтому очень необходимы. Медики или авторизованные лица должны немедленно применить подходящие аэрозоли.
Наличие запаха не достаточно для определения повышенной концентрации. Поднимите протекающий цилиндр вверх для предотвращения утечки газа в жидком состоянии. Торговые наименования – Бромо – о – газ, даупена, эмбвпена, галон 1001, халтокс, мет – о –газ 100. .
|
|
Приложение А 9
: МЕТИЛ БРОМИД (сжиженный)
|
| Виды опасного воздействия
|
Острые опасные симптомы
|
Предотвращение
|
Первая помощь/тушение пожара
|
| Пожар
|
Нагревание может вызвать повышение давления с риском взрыва. См. примечание.
|
БЕРЕГИТЕ ОТ ОГНЯ, ИСКР И НЕ КУРИТЕ ! НИКАКИХ контактов с сильными окисляющими веществами. НИКАКИХ контактов с горячей поверхностью.
|
Прекратите подачу вещества; в случае, если это не возможно и нет риска для окружающей среды, дайте веществу выгореть. В противном случае потушите огонь водой. Даже если огонь потушен, существует опасность повторного воспламенения со взрывом.
Пожарники должны иметь полный комплект защитной одежды, включая индивидуальный противогаз.
|
| Взрыв
|
Смесь газа/воздуха взрывоопасна.
|
Закрытая система, вентиляция, противовзрывное электрическое оборудование и освещение. Использование не искрящихся ручных инструментов. Не использовать электростатические батареи. ( например, заземление
|
В случае пожара: охладите цилиндр и т.п. обдав водой. Тушите пожар с безопасного места.
|
| Воздействие
|
ИЗБЕГАЙТЕ ЛЮБЫХ КОНТАКТОВ!
|
ВО ВСЕХ СЛУЧАЯХ ОБРАЩАЙТЕСЬ К ВРАЧУ1
|
| Воздействие на органы дыхания
|
Боль в области живота, растерянность, головокружение, головная боль. Проблемы с желудком, тошнота. Симптомы могут проявиться позже. См. приложение.
|
Вентиляция, локальная вытяжка или защита дыхательных органов.
|
Свежий воздух, отдых, полу приподнятое положенеи тела Искусственное дыхание, если необходимо. Обратитесь за медицинской помощью.
|
| Воздействие на кожу
|
МОЖЕТ ВПИТАТЬСЯ!
Покраснение, шероховатость, жидкость вызывает ожог кожи, волдыри.
|
Защитные перчатки.
|
Снимите пораженную одежду, смойте большим количеством воды или под душем.
|
| Воздействие на глаза
|
Покраснение. Коньюктивит. Тяжелые глубокие ожоги.
|
Защитные очки или защитные средства для глаз вместе с органами дыхания..
|
Сначала смойте большим количеством воды в течение нескольких минут. Удалите контактные линзы, если это возможно и обратитесь к врачу.
|
| Удаление пролившегося вещества:
Эвакуируйте людей из зоны опасности! Проконсультируйтесь с экспертом! Проветрите помещение. Уничтожьте воспламеняющийся источник и остановите утечку газа, если это возможно. (Дополнительные средства индивидуальной защиты: полный комплект защитной одежды, включая противогаз).
|
| Хранение:
Отдельно от сильных окислителей, алюминия, пищевых и кормовых продуктов, резины. Хранить в прохладном месте в отдельном другом здании.
|
| Упаковка и маркировка:
Не перевозите вместе с пищевыми и кормовыми продуктами. Т+ символ. R: 26.S: 1/ 2 –7 / 9-24/25-27-45.Класс опасности ООН: 2.3. побочные риски ООН: 6.1.
|
| Физическое состояние; внешние свойства:
бесцветный сжиженный под давлением газ.
|
| Физическая опасность:
газ тяжелее воздуха и может распространяться по земле; Возможно возгорание на дальнем расстоянии.
|
| Химическая опасность:
При нагревании образуются токсичные пары. Реагирует с сильными окислителями, алюминием и резиной.
|
| Пути проникновения вещества
:
вещество может проникнуть в организм через дыхательные пути и кожу.
|
| Риск для органов дыхания:
Вредная концентрация этого газа очень быстро достигается сразу же после его утечки.
В случае утечки эта жидкость быстро испаряется, перенасыщая воздух и создавая риск вызвать удушье в закрытом пространстве.
|
| Воздействие в течение короткого времени:
вещество вызывает раздражение дыхательных путей. Вдыхание газа может вызвать отек легких (См. приложение). Вещество может воздействовать на центральную нервную систему, вызывая психические расстройства. Воздействие вещества может вызвать потерю сознания. Проникновение через дыхательные пути может вызвать смерть.
|
| Воздействие в течение длительного времени или повторяющееся воздействие:
Повторное или длительное попадание на кожу может вызвать дерматит. Повторное или длительное воздействие может вызвать спазмы бронхов. Вещество может воздействовать на центральную нервную систему, печень и почки, вызывая паралич, психические расстройства, галлюцинации, поражение мозга, ослабление функций почек и печени.
|
| Физические свойства:
давление пара, kPa при 15 градусах Цельсия.
Относительная плотность испарения (воздух = 1): 3.36, воспламенение: воспламеняющийся газ, авто воспламенение при температуре: 536.7 градусов Цельсия. Пределы взрываемости, объем % в воздухе: 10.0-16.0.
|
| Примечание:
Симптомы отека легких часто явно не проявляются в течение нескольких часов, пока не будет физических нагрузок. Отдых и медицинское обследование, поэтому очень необходимы. НЕ используйте вблизи огня или горячей поверхности или места сварки.
|
ПриложениеВ
:
ОРВ и смеси, содержащие ОРВ, сгруппированные согласно торговым наименованиям
Для получения информации, следующая таблица может быть удобной для использования, если она распределена с учетом названия кампании, торгового наименования, состав или номера АОИКВ. Поэтому она будет на отдельных дискетах, которые можно запросить у Программы ДТПЭ ЮНЕП по озону, как упоминается в разделе «Руководство для читателя». Электронная копия позволяет сделать необходимую сортировку.
Информация, представленная в этой таблице была представлена ЮНЕП на период на время публикации. Информация не может быть исчерпывающей и быстро меняется, Поэтому ЮНЕП просит предоставить ваши комментарии и дополнения.
В колонках таблицы указаны:
- Название кампании, производящей ОРВ и смеси, содержащие ОРВ,
- Торговые или коммерческие наименования,
- Состав,
- Код АОИКВ (если используется),
- Было ли приостановлено производство (только для ОРВ)
Состав ОРВ, содержащихся в смеси указывается следующим образом:
- В скобках, на примере фреона, все данные которого известны, ХФУ – 115/ГХФУ 22 (51/49) указано, что смесь состоит из 51% ХФУ – 112 и 49% ГХФУ –22;
- В скобках для фреона МСА в котором только один компонент известен. ХФУ –113 (63) указывает, что смесь состоит из 63% ХФУ –113; и
- В других смесях известно только наименование компонентов без их количества, как показано для гентрона 503, являющегося смесью ХФУ – 13 и ГФУ – 23.
В следующую таблицу включены ОРВ и смеси, содержащие ОРВ, которые даны в алфавитном порядке, что позволяет таможенным служащим проверить включено ли специфическое торговое наименование в этот список и проверить состав необходимого вещества.
Примечание: Вся названная в этом списке продукция имеет торговую марку этих респектабельных кампаний. Пропуски означают отсутствие источника информации.
| Торговое наименование
|
Кампания
|
Состав
|
АОИКВ
|
Продукция приостановлена
|
| 1 1 1 Tri
|
Vulkan
|
TCA
|
| 69 S
|
National Refregeration Inc.
|
-
|
| А С Делко фабрик
|
Chem-Tek America
|
TCA
|
| Аэролекс
|
National Chemsearch America
|
TCA
|
| Аэрофен(R) ТА растворитель
|
Dow Chemical
|
TCA
|
Да
|
| Аэрофен (R) TT растворитель
|
Dow Chemical
|
TCA аэрозоль
|
да
|
| Алгофрен1 1
|
Ausimont
|
ХФУ-1 1
|
R-ll
|
| Алгофрен1 1 3
|
Ausimont
|
ХФУ-113
|
R-113
|
| Алгофрен 1 14
|
Ausimont
|
ХФУ -114
|
R-114
|
| Алгофрен 1 1 5
|
Ausimont
|
ХФУ -115
|
R-1 15
|
| Алгофрен 12
|
Ausimont
|
ХФУ -12
|
R-12
|
| Алгофрен 1 2
|
Montefluos S.P.A.
|
ХФУ -12
|
R-12
|
| Алгофрен 22
|
Montefluos S.P.A.
|
ГХФУ-22
|
R-22
|
| Алгофрен 502
|
Ausimont
|
ХФУ -115/HCFC-22(51/49|
|
R-502
|
| Аквадру50
|
Asahi Chemical Industry Со. Ltd.
|
TCA (94)
|
| Arcton 1 1
|
ICI
|
ХФУ -ll
|
R-ll
|
| Арктон1 1 4
|
ICI
|
ХФУ -114
|
R-114
|
| Арктон 1 1 5
|
ICI
|
ХФУ -115
|
R-115
|
| Арктон 12
|
ICI
|
ХФУ -12
|
R-12
|
| Арктон 123
|
ICI
|
R-123
|
| Арктон 124
|
ICI
|
R-124
|
| Арктон 13
|
ICI
|
ХФУ -13
|
R-13
|
| Арктон 22
|
ICI
|
ГХФУ -22
|
R-22
|
| Арктон 402a
|
ICI
|
ГХФУ -22/ ГФУ-125/ ГУ-290 (38/60/2)
|
R-402a
|
| Арктон 402b
|
ICI
|
ГХФУ -22/ ГФУ -125/ ГУ-2907(60/38/2)
|
R-402b
|
| Арктон 408a
|
ICI
|
ГХФУ -22/ ГФУ -125/ ГХУ-I43a (47/7/46)
|
R-408a
|
| Арктон 4 1 2a
|
ICI
|
ГХФУ -22/ ФУ-218/ ГХФУ -142б (70/5/25)
|
R-412a
|
| Арктон 509
|
ICI
|
ГХФУ -22/ФУ -2 18 (44/56)
|
R-509
|
да
|
| Арктон TP5R
|
ICI
|
ГХФУ -22/ ФУ-218/ ГХФУ -142б (70/5/25)
|
да
|
| Арктон TP5R2
|
ICI
|
ГХФУ-22/ФУ-2 18 (44/56)
|
R-509
|
| Арктон -502
|
ICI
|
ГХФУ -22/ ХФУ-1 1 5 (48.8/5 1 .21
|
R-502
|
да
|
| АрдроксD495A Developer
|
Brent(Asia) РТЕ
|
TCA
|
| АрдроксK4 1 ОС Remover
|
Brent (Asia) РТЕ
|
TCA
|
| АрклонAM
|
ICI
|
ХФУ - 13(94.2)
|
да
|
| АрклонAMD
|
ICI
|
ХФУ - 13(94.1)
|
да
|
| АрклонAS
|
ICI
|
ХФУ - 13(96)
|
да
|
| АрклонEXT
|
ICI
|
ХФУ - 13(64.7)
|
да
|
| АрклонК
|
ICI
|
ХФУ - 13(75)
|
да
|
| АрклонL
|
ICI
|
ХФУ - 13(97.1)
|
да
|
| АрклонP
|
ICI
|
ХФУ - 13(100)
|
R-l 13
|
да
|
| АрклонPSM
|
ICI
|
ХФУ - 13(100)
|
R-113
|
да
|
| АрклонW
|
ICI
|
ХФУ - 13(91.5)
|
да
|
| АроуС 1 90 LEC
|
Arrow Chemicals
|
TCA
|
| Асахифрон R-l 1
|
Asahi Glass Со. Ltd.
|
ХФУ - 11
|
R-11
|
| Асахифрон R-113
|
Asahi Glass Со. Ltd.
|
ХФУ - 13
|
R-113
|
| Асахифрон R- 1 1 4
|
Asahi Glass Со., Ltd
|
ХФУ - 14
|
R-114
|
| Асахифрон R- 1 1 5
|
Asahi Glass Со., Ltd.
|
ХФУ - 15
|
R-115
|
| Асахифрон R-12
|
Asahi Glass Со. Ltd.
|
ХФУ -12
|
R-12
|
| Асахифрон R-13
|
Asahi Glass Со. Ltd.
|
ХФУ -13
|
R-13
|
| Асахифрон R-152a
|
Asahi Glass Со. Ltd.
|
ГФУ-152a
|
R-152a
|
| Асахифрон R-22
|
Asahi Glass Со. Ltd.
|
ГХФУ-22
|
R-22
|
| Асахифрон R-500
|
Asahi Glass Со. Ltd.
|
ХФУ -12/ГФУ-152a (73.8/26.2)
|
R-500
|
| Асахифрон R-502
|
Asahi Glass Со. Ltd.
|
ХФУ -1 15/ ГХФУ -22 (48.8/51.2)
|
R-502
|
| АсахиклинAK-123
|
Asahi Glass Со. Ltd.
|
ГХФУ -I23
|
R-123
|
| Асахиклин AK-124
|
Asahi Glass Со. Ltd.
|
ГХФУ -I24
|
R-I24
|
| Асахиклин AK-141b
|
Asahi Glass Со. Ltd.
|
ГХФУ -I41б
|
R-l41б
|
| Асахиклин AK-142b
|
Asahi Glass Со. Ltd.
|
ГХФУ –142б
|
R-142б
|
| Асахиклин AK-225
|
Asahi Glass Со. Ltd.
|
ГХФУ -225
|
| Асахиклин AK-225AE
|
Asahi Glass Со. Ltd.
|
ГХФУ -225/этанолl
|
| Асахиклин AK-225AES
|
Asahi Glass Со. Ltd.
|
ГХФУ -225/этанол
|
| Асахиклин AK-225DH
|
Asahi Glass Со. Ltd.
|
ГХФУ -225/сурфактант
|
| Асахиклин AK-225DW
|
Asahi Glass Со. Ltd.
|
ГХФУ -225/ сурфактант
|
| АсахитриэтанALS
|
Asahi Glass Со. Ltd.
|
TCA (93)
|
| АсахитриэтанBS
|
Asahi Glass Со. Ltd.
|
TCA (92)
|
| АсахитриэтанЕС Grade
|
Asahi Glass Со. Ltd.
|
TCA (96)
|
| АсахитриэтанLS
|
Asahi Glass Со. Ltd.
|
TCA (96J_
|
| АсахитриэтанUT
|
Asahi Glass Со. Ltd.
|
TCA (96)
|
| АсахитриэтанV5
|
Asahi Glass Со. Ltd.
|
TCA (91)
|
| Автоматический электронный контактный очиститель
|
Releasall-Targe
|
| Автофрост
|
Monroe Air Tech
|
| Балтанэ
|
Elf'Atochem
|
TCA
|
| Влиц III
|
North American Fire Guardian
|
ГХФУ- 1 23 / добавление владельца
|
| Б-Любэ
|
National Chemsearch America
|
TCA
|
| C-60
|
Sprayway Inc.
|
TCA
|
| Терахлорид углерода
|
Kureha Chemical Industry Со.
|
CTC (99.95)
|
| Терахлорид углерода
|
Mitsui Toatu Chemicals
|
CTC {99.9J
|
| Карбонтеррахлорид
|
Riedelde Haen AG.
|
CTC
|
| CB-046 противогрибковое вещество
|
Asahi Glass Со. Ltd.
|
ГХФУ-Hlb
|
R-14lб
|
| СГ триэтан Ф
|
Central Glass Co.Ltd.
|
TCA(97)
|
| СГ триэтан Н
|
Central Glass Co.Ltd.
|
TCA (97)
|
| СГ триэтан НН
|
Central Glass Co.Ltd.
|
TCA (96)
|
| СГ триэтан ННА
|
Central Glass Co.Ltd.
|
TCA (94)
|
| СГ трифлон
|
Central Glass Co.Ltd.
|
ХФУ- 13 100)
|
tr-мз
|
| СГ трифлон А
|
Central Glass Co.Ltd.
|
ХФУ - 13(87.5)
|
| СГ трифлон С 1
|
Central Glass Co.Ltd.
|
ХФУ - 13(98.7)
|
| СГ трифлон CП
|
Central Glass Co.Ltd.
|
ХФУ - 13(90)
|
| СГ трифлон Д3
|
Central Glass Со. Ltd.
|
ХФУ - 13(99.4)
|
| СГ трифлон Дl
|
Central Glass Со. Ltd.
|
ХФУ - 13(99.5)
|
| СГ трифлон E
|
Central Glass Со. Ltd.
|
ХФУ - 13|96)
|
| СГ трифлон ЕС
|
Central Glass Со. Ltd.
|
ХФУ - 13185.5)
|
| СГ трифлон ЕЕ
|
Central Glass Со. Ltd.
|
ХФУ - 13J92)
|
| СГ трифлон EС
|
Central Glass Со. Ltd.
|
ХФУ - 13(95.5)
|
| СГ трифлон ФД
|
Central Glass Со. Ltd.
|
ХФУ - 13 78)
|
| СГ трифлон M
|
Central Glass Со. Ltd.
|
ХФУ - 13(50.5J
|
| СГ трифлон MEС
|
Central Glass Со. Ltd.
|
ХФУ - 13(93.3)
|
| СГ трифлон P
|
Central Glass Со. Ltd.
|
ХФУ - 1 3 (65)
|
| СГ трифлон ВИ
|
Central Glass Со. Ltd.
|
ХФУ - 13(91.2)
|
| хемлок252
|
Lord Corporation
|
TCA
|
| Хем-слич
|
National Chemsearch America
|
TCA
|
| хлорофен (Р)
|
Dow Chemical
|
TCA
|
да
|
| хлорофен (Р) НЮ
|
Dow Chemical
|
TCA
|
| хлорофен |Р)СЛL
|
Dow Chemical
|
TCA
|
да
|
| хлорофен (Р| СM
|
Dow Chemical
|
TCA
|
да
|
| хлорофен (Р) ВГ
|
Dow Chemical
|
TCA
|
да
|
| хлорофен (Р) XЛ
|
Dow Chemical
|
TCA
|
да
|
| кодепак
|
York
|
| КРС Лектра клин
|
CRC Chemicals Australia Pty.
|
TCA
|
| кодепак
|
York
|
*
|
| хлорофен
|
CRC Chemicals Australia Pty.
|
TCA
|
| CПC226
|
CRC Chemicals Australia Pty.
|
TCA
|
| Д 136
|
Ausimont
|
HCFC-22
|
R-22
|
| Дайфлон1 1
|
Daikin
|
ХФУ -11
|
R-M
|
да
|
| Дайфлон 1 14
|
Daikin
|
ХФУ -114
|
R-114
|
| Дайфлон 115
|
Daikin
|
ХФУ -115
|
R-115
|
| Дайфлон 12
|
Daikin
|
ХФУ -12
|
R-12
|
да
|
| Дайфлон 13
|
Daikin
|
ХФУ -13
|
R-13
|
| Дайфлон 142б
|
Daikin
|
HCFC-142b
|
R-142b
|
да
|
| Дайфлон 22
|
Daikin
|
HCFC-22
|
R-22
|
да
|
| Дайфлон 500
|
Daikin
|
ХФУ -12/ HFC-152a (74/26
|
R-500
|
| Дайфлон 502
|
Daikin
|
ХФУ -1 15/ HCFC-22 (5 1/49)
|
R-502
|
| Дайфлон С3
|
Daikin
|
ХФУ -113(100)
|
R-113
|
да
|
| Дайфлон С3-A
|
Daikin
|
ХФУ - 13(87.5)
|
да
|
| Дайфлон С3-E
|
Daikin
|
ХФУ - I3J96J
|
да
|
| Дайфлон С3-EN
|
Daikin
|
ХФУ - 13(86)
|
да
|
| С
|
Daikin
|
ХФУ - 13(95.3)
|
да
|
| Daikin
|
ХФУ - 13(90)
|
да
|
| Дайфлон С3-MC
|
Daikin
|
ХФУ - 13(50.5)
|
да
|
| Дайфлон С3-P35
|
Daikin
|
ХФУ - 13(65)
|
да
|
| ДайфлонС3-В6
|
Daikin
|
ХФУ - 13(91.5)
|
да
|
| Дайфлон 1 13
|
Ausimont
|
ХФУ - 13
|
R-113
|
| Ди24
|
Ausimont
|
ГХФУ-1 24/ ГФУ-134a/butane (39/59/2)
|
| Ди 36
|
Ausimont
|
ГХФУ -22/ ГХФУ -124/ butane (50/47/3)
|
| Ди 44
|
Ausimont
|
ГФУ -125/ ГФУ -143a/ ГХФУ -22/ пропан(42/6/50/2)
|
| Дионал1 1
|
Hoechst2
|
ХФУ -11
|
R-11
|
да
|
| Фуран1 1 4
|
Elf Atochem
|
ХФУ -1 14
|
R-114
|
| Фуран 1 1 5
|
Elf Atochem
|
ХФУ -1 15
|
R-115
|
| Фуран 12
|
Elf Atochem
|
ХФУ -12
|
R-12
|
| Фуран 123
|
Elf Atochem
|
ГХФУ-123
|
R-123
|
| Фуран 124
|
Elf Atochem
|
ГХФУ -124
|
R-124
|
| Фуран 13
|
Elf Atochem
|
ХФУ-13
|
R-13
|
| Фуран 14 Iб
|
Elf Atochem
|
ГХФУ –141б
|
R-141b
|
| Фуран 142б
|
Elf Atochem
|
ГХФУ –142б
|
R-142b
|
| Фуран 22
|
Elf Atochem
|
ГХФУ -22
|
R-22
|
| Фуран 408a
|
Elf Atochem
|
ГХФУ -22/ ГФУ-143a/ ГФУ-125 (47/46/7)
|
R-408a
|
| Фуран 409a
|
Elf Atochem
|
ГХФУ -22/ ГХФУ -124/ ГХФУ –142б (60/25/15)
|
R-409a
|
| Фуран 500
|
Elf Atochem
|
ХФУ -12/ГФУ -152a(74/26з
|
R-500
|
| Фуран 502
|
Elf Atochem
|
ГХФУ -22 / ХФУ- 1 1 5 (48.8/5 1 .2)
|
R-502
|
| Фуран ФX 1 0
|
Elf Atochem
|
ГХФУ -22/ ГФУ-143a/ ГФУ-125 (47/46/7)
|
R-408a
|
| Фуран FX 20
|
ElfAtochem
|
ГХФУ -22/ГФУ -143a
|
| Фуран ФX 55
|
Elf Atochem
|
ГХФУ -22/ ГХФУ -I42b (60/40)
|
| Фуран FX 56
|
Elf Atochem
|
ГХФУ -22/ ГХФУ -124/ ГХФУ -142б (60/25/15)
|
R-409
|
| Фуран ФX 57
|
Elf Atochem
|
ГХФУ -22/ ГХФУ -124/ ГХФУ -142б (65/25/10)
|
R-409
|
| Формасел S
|
DuPont-Misui Fluoro chemicals Со. Ltd
|
ГХФУ-22
|
R-22
|
| Фризоун
|
Refrigerant Gases, Inc.
|
ГХФУ -142a/ГФУ -134a( 19/79)
|
| Фризоун
|
Patriot Consumer Prod-ucts
|
ГХФУ смесьГ
|
| фреон
MCA
|
Dupont
|
ХФУ -H3J62.8J
|
да
|
| MCA
|
DuPont-Misui Fluoro chemicals Со. Ltd.
|
ХФУ -113(63)
|
да
|
| фреон PCA
|
Dupont
|
ХФУ -113(100)
|
R-l 13
|
да
|
| фреон СMT
|
Dupont
|
ХФУ -113(69)
|
да
|
| фреон СMT
|
DuPont-Misui Fluoro-chemicals Со. Ltd.
|
ХФУ -11 3(69.1)
|
да
|
| фреон ТА
|
Dupont
|
ХФУ - 11 3(88.9)
|
да
|
| фреон ТА
|
DuPont-Misui Fluoro-chemicals Со. Ltd.
|
ХФУ - 11 3(88.9)
|
да
|
| фреон T-B 1
|
DuPont-Misui Fluoro-chemicals Со. Ltd.
|
ХФУ -1 13(98.6)
|
да
|
| фреон T-ДA35
|
DuPont-Misui Fluoro-chemicals Со. Ltd.
|
ХФУ -1 13(99.7)
|
да
|
| фреон T-ДA35X
|
DuPoht-Misui Fluoro-chemicals Со. Ltd.
|
ХФУ -Il 3(99.6)
|
да
|
| фреон T-ДЕК
|
DuPont-Misui Fluoro-chemicals Со. Ltd.
|
ХФУ -I1 3(93.5)
|
да
|
| фреон T-ДEКР
|
DuPont-Misui Fluoro-chemicals Со. Ltd.
|
ХФУ -113(64.5)
|
да
|
| фреон T-ДФ
|
Dupont
|
ХФУ -11 3(99.9)
|
да
|
| фреон T-DФC
|
DuPont-Misui Fluoro-chemicals Со. Ltd.
|
ХФУ -11 3(99.9)
|
да
|
| фреон T-ДFCX
|
DuPont-Misui Fluoro-chemicals Со. Ltd.
|
ХФУ -1 13(99.9)
|
да
|
| фреон ТЕ
|
DuPont-Misui Fluoro-chemicals Со. Ltd.
|
ХФУ -11 3(95.5)
|
да
|
| фреон T-E35
|
DuPont-Misui Fluoro-chemicals Со. Ltd.
|
ХФУ -113(65)
|
да
|
| фреон T-E6
|
DuPont-Misui Fluorochemicals Со. Ltd.
|
ХФУ -113(94)
|
да
|
| фреон TEС
|
Dupont
|
ХФУ -11 3(95.2)
|
да
|
| фреон TEС
|
DuPont-Misui Fluorochemicals Со. Ltd.
|
ХФУ - 11 3(95.2)
|
да
|
| фреон TФ
|
Dupont
|
ХФУ -113|100)
|
R-113
|
да
|
| фреон TФ
|
DuPont-Misui Fluorochemicals Со. Ltd.
|
ХФУ -113(100)
|
R-113
|
да
|
| фреон TMC
|
Dupont
|
ХФУ -11 3(50.5)
|
да
|
| фреон TMC
|
DuPont-Misui Fluorochemicals Со. Ltd.
|
ХФУ -II 3(50.5)
|
да
|
| фреон TMС
|
DuPont-Misui Fluorochemicals Со. Ltd.
|
ХФУ -ll 3(94.0)
|
да
|
| фреон TMС растворители
|
Dupont
|
ХФУ -11 3(94.05)
|
да
|
| фреон TP35
|
Dupont
|
ХФУ -11 3(64.7)
|
да
|
| фреон T-P35
|
DuPont-Misui Fluorochemicals Со. Ltd.
|
ХФУ -11 3(64.7)
|
да
|
| фреон TВД602
|
Dupont
|
ХФУ -113|91.5)
|
да
|
| фреон T-ВД602
|
DuPont-Misui Fluorochemicals Со. Ltd.
|
ХФУ -113(91.5)
|
да
|
| фреон -1 1
|
DuPont
|
ХФУ -11
|
R-11
|
да
|
| фреон - 1 1 4
|
DuPont
|
ХФУ -114
|
R-114
|
да
|
| фреон - 1 1 5
|
DuPont
|
ХФУ -115
|
R-115
|
да
|
| фреон - 1 2
|
DuPont
|
ХФУ -12
|
R-12
|
да
|
| фреон - 1 3
|
DuPont
|
ХФУ -13
|
R-13
|
да
|
| фреон -22
|
DuPont
|
ГХФУ -22
|
R-22
|
да
|
| фреон -502
|
DuPont
|
ХФУ -115 -22(51/49)
|
R-502
|
да
|
| ФРИГС
|
ГХФУ
|
да
|
| Фригс FR-12
|
Clean-Air Conditioning
|
R-12
|
| фриген 1 1
|
Hoechst'
|
ХФУ -11
|
R-l I
|
да
|
| фриген 1 1 3
|
Hoechst2
|
ХФУ -113
|
R-113
|
да
|
| фриген 1 1 4
|
Hoechst2
|
ХФУ -114
|
R-114
|
да
|
| фриген 1 1 5
|
Hoechst2
|
ХФУ -115
|
R-115
|
да
|
| фриген 12
|
Hoechst2
|
ХФУ -12
|
R-12
|
да
|
| фриген 13
|
Hoechst2
|
ХФУ -13
|
R-13
|
да
|
| фриген 22
|
Hoechst2
|
ГХФУ-22
|
R-22
|
да
|
| фриген 500
|
Hoechst2
|
ХФУ -12/ГФУ -152a(74/26)
|
R-500
|
да
|
| фриген TR 1 13
|
Hoechst^
|
ХФУ -113
|
R-113
|
| Фриогаз12
|
Galco S.A.
|
ХФУ -12
|
R-12
|
| фронсолв
|
Asahi Glass Со. Ltd.
|
ХФУ - 13(100)
|
R-113
|
| фронсолв AД- 1 7
|
Asahi Glass Со. Ltd.
|
ХФУ - 13(83)
|
| фронсолв AД-7
|
Asahi Glass Со. Ltd.
|
ХФУ - 13(99.5)
|
| фронсолв AД-9
|
Asahi Glass Со. Ltd.
|
ХФУ - 13(99.5)
|
| фронсолв AД-19
|
Asahi Glass Со. Ltd.
|
ХФУ - 13(82)
|
| фронсолв AE
|
Asahi Glass Со. Ltd.
|
ХФУ - 13(96)
|
| фронсолв AEС
|
Asahi Glass Со. Ltd.
|
ХФУ - 13(96)
|
| фронсолв AM
|
Asahi Glass Со. Ltd.
|
ХФУ - 13(50.5)
|
| фронсолв AMС
|
Asahi Glass Со. Ltd.
|
ХФУ - 13(94)
|
| фронсолв AP
|
Asahi Glass Со. Ltd.
|
ХФУ - 13(65)
|
| фронсолв R- 1 1 3
|
Nagase & Со, Japan
|
ХФУ - 13
|
R-l 13
|
| Г трифлонE35
|
Central Glass Со. Ltd.
|
ХФУ - 13(65)
|
| Г12
|
AlliedSignal'
|
ХФУ -12
|
R-12
|
| Г2015
|
China Sun
|
ГХФУ / ХФУ/ смесь фторалкана А
|
| Г2015
|
GU/Greencool
|
ГХФУ-22 / ГФУ- 1 52a / ГХФУ - H2b / RC3 1 8 (45/7/5.5/42.5)
|
R-405a
|
| Г2018a
|
GU/Greencool
|
R-1270/ -22/ ГФУ -152a (1.5/87.5/1 1)
|
R-41 la
|
| Г2018б
|
GU/Greencool
|
R-1270/ ГХФУ -22/ ГФУ -152a (3/94/3)
|
R-41 Ib
|
| Г2018c
|
Greencool
|
| Генесолв 2000
|
Allied Signal'
|
ГХФУ -141б смесь
|
| Генесолв 2004
|
AlliedSignal'
|
ГХФУ - 141б /метанол
|
| Генесолв 2 1 23
|
AlliedSiqnal'
|
ГХФУ -123
|
R-123
|
| Генесолв 2 1 27
|
Allied Signal'
|
ГХФУ 1 23 метанол/ нитрометан
|
| Генетрон1 1
|
Allied Signal'
|
ХФУ -11
|
R-ll
|
| Генетрон 1 1 3
|
Allied Signal '
|
ХФУ -113
|
R-113
|
| Генетрон 1 1 4
|
Allied Signal '
|
ХФУ -114
|
R-114
|
| Генетрон 1 1 5
|
Allied Signal '
|
-115
|
R-115
|
| Генетрон 12
|
Quimbasicos S.A.
|
ХФУ -12
|
R-12
|
| Генетрон 123
|
Allied Signal '
|
ГХФУ -123
|
R-123
|
| Генетрон 124
|
Allied Signal '
|
ГХФУ -124
|
R-124
|
| Генетрон 13
|
Allied Signal '
|
ХФУ -13
|
R-13
|
| Генетрон 141б
|
Allied Signal '
|
ГХФУ -141b
|
R-141b
|
| Генетрон 142б
|
AlliedSignal'
|
ГХФУ -142b
|
R-142b
|
| Генетрон 22
|
Allied Signal '
|
ГХФУ -22
|
R-22
|
| Генетрон 408л
|
Allied Sianal '
|
ГХФУ -77 /
НРГ-17-5 / НРС-14ЯЛ
|
R-40fia
|
| Генетрон 409a
|
Allied Signal
|
ГХФУ -22 / ГХФУ - 1 24 / ГХФУ - 1 42b
|
R-409a
|
| Генетрон 500
|
Allied Signal
|
ХФУ -12/ ГФУ-152a(74/26)
|
R-500
|
| Генетрон 502
|
Allied Signal
|
ХФУ -115/ГХФУ -22(51/49)
|
R-502
|
| Генетрон 503
|
Allied Signal
|
ХФУ -13/ ГФУ -23
|
R-503
|
| Генетрон HP80
|
Allied Signal
|
ГХФУ -22 / ГФУ - 1 25 / пропан
|
| Генетрон HP8 1
|
Allied Signal '
|
ГХФУ -22/ ГФУ -125/ пропан
|
| Генетрон MP39
|
Allied Signal '
|
ГХФУ -22/ ГФУ 152a/ ГХФУ -124
|
| Генетрон MP66
|
Allied Signal '
|
ГХФУ -22 / ГФУ - 1 52a / ГХФУ - 1 24
|
| Генклен А
|
ICI
|
TCA (96.5)
|
да
|
| Генклен ЛВ
|
ICI
|
TCA (95.2)
|
да
|
| Генклен ЛВД
|
ICI
|
TCA (95.2)
|
да
|
| Генклен ЛВС
|
ICI
|
TCA (95.7)
|
да
|
| Генклен ЛВХ
Генклен ЛВX
|
ICI
|
TCA (90.7]
|
да
|
| Генклен N
|
ICI
|
TCA (95.4)
|
да
|
| Генклен P
|
ICI
|
TCA (99.7)
|
да
|
| Генклен PT
|
ICI
|
TCA (99.9)
|
| ГЕКС
|
National Chemsearch America
|
TCA
|
| ГХГ
|
Monroe Air Tech
|
ГХФУ -22 / ГХФУ - 1 42b / изобутан(55/41/4)
|
R-406a
|
| ГХГ12
|
Indianapolis
|
ГХФУ -22/ изобутан/ ГХФУ –142б (55/4/41)
|
R-406a
|
| галон1211
|
Hanju Chemical Со.
|
галон1211
|
| галон 1301
|
Hanju Chemical Со.
|
галон1301
|
да
|
| галотрон1
|
American Pacific
|
| галотрон 1
|
North American Fire Guardian
|
ГХФУ –123смесь
|
| галотрон 1
|
Halotron
|
ГХФУ -123/пропан
|
| галотрон -1
|
Buckeye Fire Equipment Со.
|
| ГХФУ-141б
|
Central Glass Со. Ltd.
|
ГХФУ –141б
|
R-141б
|
| ГХФУ –141б
|
Daikin
|
ГХФУ –141б
|
R-14lб
|
| ГХФУ –141бMС
|
Daikin
|
ГХФУ –141б
|
R-141b
|
| 777777 ГХФУ -142b
|
Daikin
|
ГХФУ –142б
|
R-142b
|
| ГХФУ -22
|
Daikin
|
ГХФУ -22
|
R-22
|
| ГХФУ -225
|
Daikin
|
ГХФУ -225
|
R-225
|
| ГХФУ -225 EС
|
Daikin
|
ГХФУ -225
|
R-225
|
| Супер чистая схема
|
Micro Care
|
ГХФУ /алкоголь
|
| ИСКЕОН1 1
|
Rhone-Poulenc3
|
ХФУ-1 1
|
R-ll
|
| ИСКЕОН1 13
|
Rhone-Poulenc3
|
ХФУ-113
|
R-113
|
| Метил хлороформ слабо устойчивый
|
Dow Chemical
|
TCA
|
| МолибкомбинUMFT4 Спрей
|
Kluber Lubrification
|
TCA
|
| MP39
|
О Smith Refrigeration
|
| MС-136N/C02
|
Miller Stephenson Chemical Со.
|
TCA
|
| MВ3
|
Rocol Ltd.
|
TCA
|
| НAФ P III
|
Safety Hi-Tech
|
ГХФУ -123/ ГХФУ -124/ГФУ -134a* (55/31/10)
|
| НAФ С III
|
Safety Hi-Tech
|
ГХФУ blend А
|
| НAФ -P-III
|
North American Fire Guardian
|
ГХФУ - 1 23 / ГХФУ - 1 24 / ГФУ- 1 34a / добавление владельца
|
| НAФ -С-III
|
North American Fire Guardian
|
ГХФУ -22 / ГХФУ - 1 23 / ГХФУ - 1 24 / органический(82/4.75/9.5/3.75)
|
| НC-123
|
National Chemsearch America
|
TCA
|
| Нью ДайнТ
|
Yokoyama
|
TCA
|
| Никробраз Семент 500РTС
|
Wall Colmonoy
|
TCA
|
| Нилос СолютионTЛT70
|
Nilos Hans Ziller KG
|
TCA
|
| НорчемACC 572 чистый охладительвоздуха
|
Goldcrest International
|
TCA
|
| оксифьюм12
|
Allied Signal '
|
ХФУ - 1 2 / оксид этилена
|
| оксифьюм 2000
|
Allied Signal '
|
ГХФУ- 1 24 / оксид этилена
|
| оксифьюм 2002
|
Allied Signal '
|
ГХФУ - 1 24 / ГХФУ-22 / оксид этилена
|
| пенгаз2
|
Pennsylvania Engineering
|
ГХФУ смесь А
|
| Полио полиуретанICI
|
ICI
|
ГХФУ -141б
|
R-141б
|
| Прилет'(Р)
|
Dow Chemical
|
TCA
|
| проактt* (Р)
|
Dow Chemical
|
TCA
|
| Пропаклон
|
ICI
|
TCA (89.6)
|
да
|
| R-406a
|
Environment
|
ГХФУ -22 / ГХФУ - 1 42b / изобутан(55/4 1/4)
|
R-406a
|
| Раст ингибитор No. B007
|
Crown Industrial Products
|
TCA
|
| СЕМИ грейд
|
Dow Chemical
|
TCA
|
| Безопасный растворительNo. 8060
|
Crown Industrial Products
|
TCA
|
| Серкон 22
|
Technical
|
R-22
|
| Сверкающий жемчуг
|
Toagosei
|
TCA (94)
|
| СИЕНКАТАНСО
|
Kanto Denka Kogyo
|
CTC (99.9)
|
| Солкан123
|
Solvay
|
ГХФУ -123
|
R-123
|
| Солкан I41b
|
Solvay
|
ГХФУ -141б
|
R-l41б
|
| Солкан 141bCN
|
Solvay
|
ГХФУ -141б/растворитель
|
| Солкан 141bDH
|
Solvay
|
ГХФУ - 1 4 1 b / обезвоживающая добавка
|
| Солкан HlbMA
|
Solvay
|
ГХФУ –141б/метанол
|
| Солкан HlbWE
|
Solvay
|
ГХФУ - 1 4 1 b / водный эмульгатор
|
| Солкан I42b
|
Solvay
|
ГХФУ –142б
|
R-142б
|
| Солкан 22
|
Solvay
|
ГХФУ -22
|
R-22
|
| Солкан 22/142б
|
Solvay
|
Р-22/R-14б
|
да
|
| Солкан 406a
|
Solvay
|
R-406a
|
| Солкан 409a
|
Solvay
|
ГХФУ -22 / ГХФУ 1 24 / ГХФУ - 1 42b (60/25/15)
|
R-409a
|
| Солветан
|
Solvay
|
TCA (95.0)
|
| SS-25
|
National Chemsearch America
|
TCA
|
| Санлавли
|
Asahi Glass Со. Ltd.
|
TCA (95)
|
| Супер солюшн
|
Pang Rubber Company
|
TCA
|
| Сува123
|
DuPont
|
ГХФУ -123
|
R-123
|
| Сува MP39
|
DuPont
|
ГХФУ -22 / ГХФУ - 1 24 / ГФУ- 1 52a (53/34/13)
|
R-401a
|
| Сува MP52
|
DuPont
|
ГХФУ -22 / ГХФУ -1 24/ ГФУ- 1 52a (33/52/ 1 5±
|
R-401c
|
да
|
| Сува MP66
|
DuPont
|
ГХФУ -22/ ГХФУ 124/ГФУ -152a(61/28/l 1)
|
R-401б
|
| Суиш
|
National Chemsearch America
|
TCA
|
| Suva 124
|
DuPont
|
ГХФУ -124
|
R-124
|
| Сува 125
|
DuPont
|
ГФУ-125
|
R-125
|
| Сува Centr-LP
|
DuPont
|
ГХФУ -123
|
R-123
|
| Сува Chill MP
|
DuPont
|
ГФУ-125
|
R-125
|
| Сува HP80
|
DuPont
|
ГХФУ -22/ ГФУ-125/ пропан(38/60/2)
|
R-402a
|
| Сува HPSl
|
DuPont
|
ГХФУ -22 / ГФУ- 1 25 / пропан(60/38/2)
|
R-402б
|
| Тафклен
|
Asahi Chemical Industry Со. Ltd.
|
TCA (90)
|
| Тайсотон 12
|
Formosa Plastics
|
ХФУ-12
|
R-12
|
| Тайсотон 22
|
Formosa Plastics
|
ГХФУ -22
|
R-22
|
| TCTFE
|
Solvay
|
R-l 13 (для использования в качестве сырьевого вещества)
|
R-113
|
| Темпилак
|
Tempil Division
|
TCA
|
| Трибонд1802
|
Three Bond Technologies
|
TCA
|
| Три один-A
|
Toagosei
|
TCA (95)
|
| Три один -AH
|
Toagosei
|
TCA (95)
|
| Три один -EX
|
Toagosei
|
TCA (90)
|
| Три один -F
|
Toagosei
|
TCA (95)
|
| Три один -ХС
|
Toagosei
|
TCA (95)
|
| Три один -R
|
Toagosei
|
TCA (96)
|
| Три один -С
|
Toagosei
|
TCA (95)
|
| Три один -СMИ
|
Toagosei
|
TCA (95)
|
| Три один -T
|
Toagosei
|
TCA (95)
|
| Три один -TH
|
Toagosei
|
TCA (95)
|
| ТойокленAЛС
|
Tosoh
|
TCA(91)
|
| ТойокленЕЕ
|
Tosoh
|
TCA (97)
|
| ТойокленЕМ
|
Tosoh
|
TCA(96J
|
| Тойоклен ХС
|
Tosoh
|
TCA (96)
|
| Тойоклен 1С
|
Tosoh
|
TCA(91)
|
| Тойоклен НХ
|
Tosoh
|
TCA (96)
|
| ТойокленО
|
Tosoh
|
TCAflOO)
|
_
|
| Тойоклен СE
|
Tosoh
|
TCA (84)
|
| Тойоклен Т
|
Tosoh
|
TCA (97)
|
| Трейн сентрифуга чиллаз
|
Trane
|
| триодид
|
Newhouse International
|
FIC-1311
|
| Вертрел423
|
DuPont-Misui Fluorochemicals Со. Ltd.
|
ГХФУ-123
|
Использованные источники
В данном руководстве используются материалы, содержащиеся в руководстве, а также предоставленные следующими источниками
- Досат Рой ДЖ. Основы холодильной техники. Пер. с англ.-М: Лёгкая и пищевая пром-сть, 1984-520 с. - к главам 3; 4; 5.
- Лэнгли Б. Справочник по устранению неисправностей в оборудовании для кондиционирования воздуха и в холодильных установках: пер. с англ. - М.: Агропромиздат, 1986. — 176 с. : ил. - к главам 4; 5; 6.
- Лэнгли Б. К. Холодильная техника и кондиционирование воздуха. Пер. с англ. - М.: Лёгкая и пищевая промышленность, 1981- 480 с. - к главам 3; 4; 5; 6.
- Зеликовский И. X., Каплан Л.Г. Малые холодильные машины и установки: Справочник. - 3-е изд., перераб. И доп. М. Агропромиздат, 1989.-672 с.:ил. - к главам 3; 4; 5; 6.
- Малыгина Е. В., Малыгин Ю. В., Суедов В. П. Холодильные машины и установки - М.: Пищевая промышленность, 1980. - 592 с.
- Б.С. Бабакин, В.А.Выгодин. Бытовые холодильники и морозильники. Справочник –М.,: Колос, 2000, - 655 с. - к главам 1; 2; 3; 4; 5; 6,7.
- Ролотти Г., Леонард С. - "Опыт замены ХФУ-12 в кондиционерных системах транспортных средств на ГФУ-134а, данные по прошествии года испытаний" Международная конференция по альтернативам галлонов и хладагентов ХФУ, Вашингтон, октябрь 1994 г.
ОЗОНОВЫЙ ЦЕНТР КЫРГЫЗСТАНА
КЫРГЫЗСКАЯ РЕСПУБЛИКА
г. Бишкек, 720055
ул. А. Токтоналиева 2/1, каб. 109
Тел. 548852
Тел/Факс 548853
E-mail: ecoconv@elcat.kg
[1]
Точка пересечения линии насыщенной жидкости и насыщенного пара, см. Рисунок 4, называется "критической точкой". Температура и давление в этой точке называются "критической температурой" и соответственно "критическим давлением".
[2]
Принципы такого теплообмена на всасывающей стороне изложены в главе 5 раздел 5.3.10
|