Курсовая работа "Синтез дискретных устройств управления"
Курсовая работа нацелена на самостоятельное овладение приемами синтеза дискретных устройств управления. В настоящем разделе содержатся пояснения к методам использования результатов математической логики, теории автоматов и дискретной электроники для синтеза дискретных устройств на примере проектирования функциональной схемы электронных наручных часов. Базовый пример разбирается в разделе 3.2. "Примеры конечных автоматов" теоретической части курса. В курсовой работе этот пример развивается до уровня научно - технической разработки.
Курсовая работа состоит в разработке студентами функциональной схемы электронных (наручных) часов на основе автоматного описания алгоритма их функционирования. Этот алгоритм должен быть построен таким образом, чтобы спроектированные электронные часы обладали, в дополнение к заданным базовым функциям (отображение и корректировки текущего времени), также рядом дополнительных возможностей, например, работа с секундомером, “ускорение” или “замедление” хода часов и т.д. Дополнительные возможности проектируемых часов определяются для каждого студента индивидуальным заданием.
Для выполнения работы необходимы теоретические знания в следующих областях:
· теория логических (булевых) функций (методы задания функций, базисные функции, нормальные формы, минимизация, реализация);
· теория конечных автоматов (методы задания, структурный и функциональный синтез);
· дискретная электроника (реализация логических функций, триггеры, счетчики и т.д.).
Почти весь необходимый теоретический материал излагается в теоретической части курса. Остальной материал может быть найден в литературе, приведенной в конце главы.
1. Синтез функциональной схемы простейших часов
Элементы функциональной схемы часов исторически изменялись: от анкерного механизма механических часов к более стабильному электронно-механическому, затем к полностью электронному. Этот процесс усовершенствований закончился с появлением микросхем малой потребляемой мощности, составляющих основу электронных часов. Электронные часы более информативны, они существенно превосходят механические и электромеханические по функциональным возможностям, у них выше точность хода и надежность. В настоящее время налажен широкий выпуск дешевых и точных электронных часов с огромным разнообразием функций. Рассмотрим основные узлы электронных часов.
Система отображения
Основная функция часов - отсчет и отображение времени. Обычные электронные часы содержат индикаторную панель, показывающую время и внешние кнопки управления (например, “а
” и “b
” на рис. 9.1). В корпусе часов размещены электронный блок и источник питания. Содержание курсовой работы - разработка электронного блока таких часов.
Рассмотрим сначала состав системы отображения времени электронного блока. Система отображения времени служит для преобразования двоичного представления информации о времени, хранящегося в электронном блоке часов, в визуальную форму.
Забиваем Сайты В ТОП КУВАЛДОЙ - Уникальные возможности от SeoHammer
Каждая ссылка анализируется по трем пакетам оценки: SEO, Трафик и SMM.
SeoHammer делает продвижение сайта прозрачным и простым занятием.
Ссылки, вечные ссылки, статьи, упоминания, пресс-релизы - используйте по максимуму потенциал SeoHammer для продвижения вашего сайта.
Что умеет делать SeoHammer
— Продвижение в один клик, интеллектуальный подбор запросов, покупка самых лучших ссылок с высокой степенью качества у лучших бирж ссылок.
— Регулярная проверка качества ссылок по более чем 100 показателям и ежедневный пересчет показателей качества проекта.
— Все известные форматы ссылок: арендные ссылки, вечные ссылки, публикации (упоминания, мнения, отзывы, статьи, пресс-релизы).
— SeoHammer покажет, где рост или падение, а также запросы, на которые нужно обратить внимание.
SeoHammer еще предоставляет технологию Буст, она ускоряет продвижение в десятки раз,
а первые результаты появляются уже в течение первых 7 дней.
Зарегистрироваться и Начать продвижение

Рис. 1 Рис. 2 Рис. 3
Для отображения используют жидкокристаллические, светодиодные, либо другие индикаторы. В каждом разряде индикатор содержит семь сегментов, которые, высвечиваясь в определенной комбинации, могут дать изображение цифры (см. рис. 2). Для того чтобы сегмент “загорелся”, на него необходимо подать напряжение. Один разряд индикатора, таким образом, содержит 7 входов. Если на некоторые из этих входов подадим напряжение, а на остальные – нет, то на индикаторе высветится соответствующая комбинация сегментов. Например (рис. 3), для изображения цифры “2” необходимо подать напряжение на все сегменты, кроме f1 и f4. Несложно построить функциональный преобразователь, который по двоичному коду десятичной цифры вырабатывает сигналы, управляющие индикаторами. Такую схему мы будем называть индикаторным преобразователем (ИП). Его условное изображение дано на рис. 4.

Рис. 4 Рис. 5
ИП содержит четыре входа (ровно столько двоичных разрядов нужно для кодирования всех десяти цифр), и семь выходов (это как раз входы индикатора). С помощью индикаторного преобразователя числовая информация, хранящаяся в двоичном коде в регистрах, с помощью системы отображения преобразуется в визуальную информацию, представленную комбинациями горящих сегментов индикаторов.
Пусть в простейших часах на индикаторы выводится лишь информация о часах и минутах. Для таких часов за основу может быть взята структурная схема отображения, представленная на рис. 5. Кроме схемы отображения значений из регистров электронные часы, конечно, должны иметь и схему управления. Именно эту схему мы и рассмотрим далее.
Функция отсчета времени
Показываемое на индикаторах время отражает состояние двоичных регистров. Для реализации функции отсчета времени эти регистры построены в виде счетчиков, управляемых генератором тактовых импульсов. Счетчик - это устройство, которое осуществляет счет и хранение кода числа подсчитанных импульсов. У каждого счетчика есть тактовый вход, на который поступают электрические импульсы, и несколько выходов, с которых можно снимать двоичный код числа, находящийся в счетчике. С каждым новым входным импульсом этот код изменяется: он может увеличиваться на 1 (суммирующий счетчик), уменьшаться на 1 (вычитающий счетчик) или изменяться в соответствии с каким-либо другим правилом.
Сервис онлайн-записи на собственном Telegram-боте
Попробуйте сервис онлайн-записи VisitTime на основе вашего собственного Telegram-бота:
— Разгрузит мастера, специалиста или компанию;
— Позволит гибко управлять расписанием и загрузкой;
— Разошлет оповещения о новых услугах или акциях;
— Позволит принять оплату на карту/кошелек/счет;
— Позволит записываться на групповые и персональные посещения;
— Поможет получить от клиента отзывы о визите к вам;
— Включает в себя сервис чаевых.
Для новых пользователей первый месяц бесплатно.
Зарегистрироваться в сервисе
Важным параметром счетчика является коэффициент пересчета К. К - это максимальное число импульсов, которое может быть подсчитано. Если рассматривать счетчик как конечный автомат, то К - это количество различных состояний счетчика. Счетчик с коэффициентом пересчета К через К переключений возвращается в исходное состояние. Для удобства использования счетчика, кроме тактового входа существует вход “Уст.0” (сброс). При подаче на него импульса (логической единицы) на выходе устанавливается нулевой код.
Важным для практического использования счетчика является момент изменения его состояния. Поскольку на вход поступают прямоугольные импульсы, то переключение может происходить либо в момент положительного перепада (напряжение меняется с низкого уровня на высокий), либо отрицательного. Мы будем использовать счетчики с переключением при отрицательном перепаде входного напряжения.
В электронных часах применяют малогабаритные стабильные генераторы, с выхода которых снимается последовательность прямоугольных импульсов. Частота кварцевых генераторов стабильна, она практически не изменяется во времени. Понятно, что количество импульсов, выработанных таким генератором, прямо пропорционально времени его работы. Возьмем в качестве примера суммирующий счетчик с К=10 и будем подавать на его вход импульсы с частотой 1 Гц. Нетрудно заметить, что его можно использовать как счетчик секунд по модулю 10, т.е. он будет иметь последовательность двоичных состояний:
0000 ® 0001 ® 0010 ® 0011 ® ... ® 1000 ® 1001 ® 0000 ® 0001 ® ...
Смена состояний происходит при каждом входном импульсе; на выходе старшего разряда при каждом переходе 1001 ® 0000 будет возникать отрицательный перепад напряжения. Поэтому выход старшего разряда счетчика обычно соединяют с тактовым входом следующего. На рис. 6 видно, что в момент переключения Счк1
(1001 ® 0000) происходит изменение состояния Счк2
. Поэтому эти два счетчика при их последовательном соединении могут отсчитывать секунды: эта пара может рассматриваться как один счетчик по модулю 60, причем первый счетчик пары отсчитывает единицы секунд, а другой - десятки секунд.

Рис 6
Минуты можно подсчитывать также двумя счетчиками, включенными последовательно после секундных. Добавляя к этим 4-м счетчикам еще два для подсчета числа единиц и десятков часов, мы можем получить в этих счетчиках двоично-десятичное представление текущего времени с подсчетом секунд, минут и часов, что и требуется в качестве входа в систему отображения. Однако при реализации пересчета количества часов возникает небольшая проблема. Она состоит в том, что в случае, когда в счетчике десятков часов находится двойка, единицы часов должны пересчитываться до трех, тогда как во всех остальных случаях - до десяти (например, допускается 7 и 17 часов, но не 27 часов).
Существует несколько различных решений этой проблемы. Например, можно сделать один счетчик, у которого К=24. Но в этом случае необходимо будет дополнительно преобразовать находящийся там двоичный код в двоично-десятичный. Наше решение представлено на рис. 7. Осуществляется обычный пересчет в двух счетчиках, но как только появляется число 24, это число распознается и сразу происходит сброс счетчиков. Появление этого числа легко определяется по установке в “1” разрядов Q2 первого счетчика (счетчика единиц) и Q1 второго счетчика (счетчик десятков). Время этого переключения гораздо меньше времени реакции человека и поэтому кратковременное появление ненужного сигнала (24 часа) будет незаметно для глаз.

Рис. 7
С учетом сказанного, электронный блок проектируемых часов можно представить в несколько более конкретном виде (рис. 8).

Рис. 8
Управление часами с помощью конечного автомата
Нетрудно заметить, что пользоваться часами, которые имеют только вышеперечисленные функции практически невозможно, т.к. нельзя корректировать текущее время. Поэтому при проектировании электронных часов важнейшим является вопрос управления часами. Именно для такого управления извне предназначены внешние входы электронных часов (кнопки “a“ и “b” на рис.8.). Рассмотрим, как построить схему такого управления.
Опишем сначала работу проектируемых часов на пользовательском уровне. В основном режиме работы часы должны показывать текущее время. При этом пусть они не будут реагировать на нажатие кнопки “b”, а при нажатии “а” переходят в состояние корректировки минут (отображаются только минуты). Корректировка минут (только в сторону увеличения) будет производиться последовательным нажатием кнопки “b”. Пусть после каждого нажатия “b” в состоянии корректировки минут значение минут увеличивается на единицу.
Для корректировки значения часов следует ввести новое состояние. Пусть в это состояние можно перейти из режима корректировки минут, нажав кнопку “а”. Порядок изменения (установки) часов можно сделать по кнопке “b”, аналогично установке минут. Далее, нажав кнопку “а”, можно снова вернуться в основной режим (отображение времени). Корректировка, как уже говорилось, осуществляется добавлением единицы в соответствующий счетчик.
Теперь определим, какие управляющие воздействия надо подавать на схему в этом случае. Во-первых, управляющие сигналы “+1” должны подаваться в нужные моменты на счк3 и счк5 для корректировки (подвода) минут и часов. Во-вторых, нужно воздействовать на систему отображения так, чтобы человек мог различать три состояния (режима работы) часов: режим отображения текущего времени, режим корректировки минут и режим корректировки часов. Во время корректировки часов на индикаторе отображаются только часы, и отсутствие отображения минут может свидетельствовать, что схема находится в состоянии корректировки часов. Аналогично, отсутствие отображения часов будет свидетельствовать, что схема находится в состоянии корректировки минут. (Можно еще более наглядно отразить эти состояния схемы, например, периодическим миганием корректируемого значения).
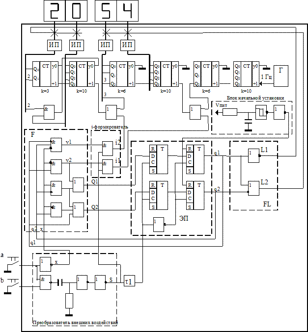
Структурная схема таких часов представлена на рис. 9. На этом рисунке управляющие сигналы L1 и L2 разрешают (или запрещают) отображение часов и минут соответственно, а управляющие сигналы i1 и i2 подаются на дополнительные тактовые входы счетчиков для подвода минут (часов). Выработку управляющих воздействий i1, i2, L1, L2 на основе внешних сигналов a и b осуществляет в электронных часах устройство управления (УУ). Устройство управления, генератор тактовых импульсов (Г), индикаторные преобразователи (ИП) и счетчики (счк) вместе с их связями и образуют электронный блок часов (рис. 9). Нашей дальнейшей задачей является построение функциональной схемы устройства управления электронными часами.
Рис. 9
Очевидно, что управляющие сигналы L1 и L2 необходимо подавать постоянно, поскольку их значения используются непрерывно, а управляющие воздействия i1 и i2 - это кратковременные сигналы, которые подаются в момент нажатия внешних кнопок владельцем часов. Элементарные управляющие воздействия называют микрокомандами. Микрокоманды, действующие на схему продолжительное время, мы будем называть потенциальными, а микрокоманды с кратковременным воздействием - импульсными. Наличие двух типов управляющих элементарных воздействий - потенциальных и импульсных - является характерной особенностью дискретных управляющих устройств.
Перечислим теперь режимы работы часов, которые должно обеспечивать УУ и связанные с этими режимами микрокоманды:
1. Отображение времени:
L1 = 1 и L2 = 1; сигналы i1 и i2 подаваться не должны.
2. Корректировка минут:
L1 =0, L2 = 1; по сигналу “b” должен возникать импульсный сигнал i1.
3. Корректировка часов:
L1 =1 и L2 = 0; по сигналу “b” должен возникать импульсный сигнал i2
Требуемое управление несложно задать с помощью конечного автомата Мили, состояния которого естественно сопоставить с указанными тремя режимами работы часов.
Входом в управляющий автомат являются преобразованные внешние воздействия, выходы - это два типа управляющих воздействий: импульсные и потенциальные. Структурная схема устройства управления электронными часами для нашего случая изображена на рис. 10. Здесь управляющий автомат является асинхронным, т.е. переход из одного состояния в другое может происходить в любой момент времени при наличии внешнего воздействия. В структурной схеме автомата (рис. 10) блоки F и ЭП - это функциональный блок и блок элементов памяти соответственно. Возможный вариант графа переходов такого управляющего автомата представлен на рис. 11. Здесь z1 и z2 обозначены выходные сигналы автомата, которые выполняют корректировку минут и часов. Можно заметить, что потенциальные сигналы являются функцией состояния автомата, в то время как импульсные появляются лишь в момент перехода.

Рис. 10. Рис. 11
Таким образом, значение импульсной микрокоманды (кратковременное воздействие) может быть отлично от нуля лишь во время перехода из одного состояния в другое. Потенциальная микрокоманда (продолжительное воздействие) действует в период нахождения автомата в определенном состоянии (или в группе состояний) и может измениться только при переключении автомата в другое состояние.
Построение функциональной схемы конечного автомата
В общем виде структура конечного автомата задается функциональным преобразователем (F) и блоком элементов памяти (ЭП). Как уже говорилось, потенциальные выходы автомата (микрокоманды) реализуются как функции состояния, запоминаемого в ЭП, а импульсные выходы реализуются в функциональном преобразователе F. Структурная схема управляющего автомата, таким образом, может быть представлена рис. 12.
Прежде чем приступать к реализации автомата рис. 11, заметим, что его граф переходов не полностью определен; переходы под воздействием сигнала “а” не имеют выходных сигналов, а из состояния “отображение времени” переход под воздействием сигнала “b” вообще не определен. Неопределенность первого типа, очевидно, означает следующее: в результате перехода под воздействием сигнала “а“ неявно предполагается, что на выходе возникает нейтральный сигнал, которому не соответствует никакой микрокоманды. Очевидный метод устранения этой неопределенности – это явное введение такого сигнала. Второй вид неопределенности - отсутствие перехода из состояния отображения времени под воздействием сигнала “b”- также должен быть устранен. Поскольку в этом состоянии внешний сигнал “b” может быть подан, следует явно определить реакцию автомата на этот сигнал. Примем следующее решение: в упомянутом состоянии автомат на входной сигнал “b” не реагирует, т.е. остается в том же состоянии, выдавая на выход нейтральный сигнал (обозначим его z3). Полностью определенный граф переходов управляющего автомата электронных часов представлен на рис. 13.

Рис. 12 Рис. 13
Этому графу переходов соответствует следующая таблица переходов.
Таблица 1
Вход
|
Текущее состояние
|
Следующее состояние
|
Выход
|
| a
|
Отображение времени
|
Коррекция минут
|
z3
|
| b
|
Отображение времени
|
Отображение времени
|
z3
|
| a
|
Коррекция минут
|
Коррекция часов
|
z3
|
| b
|
Коррекция минут
|
Коррекция минут
|
z1
|
| a
|
Коррекция часов
|
Отображение времени
|
z3
|
| b
|
Коррекция часов
|
Коррекция часов
|
z2
|
Для реализации автомата в соответствии с графом переходов (рис. 13) необходимо закодировать входы, выходы и состояния автомата двоичными наборами, после чего из графа или таблицы переходов можно легко построить таблицы истинности выходов схемы F и FL. В нашем случае для кодирования трех состояний достаточно двух двоичных разрядов. Выберем кодирование так:
Отображение времени ........ 00
Коррекция часов ........ 01
Коррекция минут ........ 11
Два входных сигнала “a” и “b” можно закодировать одним двоичным разрядом: x=1 для “a” и x=0 для “b”. Кодирование выходных импульсных сигналов проведем так, чтобы разряды кода соответствовали импульсным управляющим микрокомандам i1 и i2: пусть двоичный разряд у1 соответствует микрокоманде i1. Тогда:
y1 y2
z1 закодируем 1 0
z2 закодируем 0 1
z3 закодируем 0 0
Кодировка выходных потенциальных сигналов проста: каждый разряд кода соответствует одной потенциальной управляющей микрокоманде. Таких команд две, L1 и L2, поэтому теперь можно легко построить таблицы истинности для преобразований F и FL; обозначая q1 и q2 - двоичные разряды кода текущего состояния, а Q1 и Q2 -двоичные разряды кода следующего состояния, составляем Таблицы 2 и 3.
Таблица 2
| Вход
|
Текущее
|
состояние
|
Следующее
|
состояние
|
Выход
|
|
| X
|
q1
|
q2
|
Q1
|
Q2
|
y1
|
y2
|
| 0
|
0
|
0
|
0
|
0
|
0
|
0
|
| 1
|
0
|
0
|
1
|
1
|
0
|
0
|
| 0
|
1
|
1
|
1
|
1
|
1
|
0
|
| 1
|
1
|
1
|
0
|
1
|
0
|
0
|
| 0
|
0
|
1
|
0
|
1
|
0
|
1
|
| 1
|
0
|
1
|
0
|
0
|
0
|
0
|
Таблица 3
| q1
|
q2
|
L1
|
L2
|
| 0
|
0
|
1
|
1
|
| 0
|
1
|
1
|
0
|
| 1
|
1
|
0
|
1
|
Структурная схема искомого автомата с указанными однобитовыми сигналами представлена на рис. 14.
Рис. 9.14
Таблицы 9.2 и 9.3 задают частично определенные функции. Недоопределенность функций можно использовать для их минимизации. Такой прием здесь допустим, поскольку неопределенность вызвана наличием неиспользованного кода “10” внутреннего состояния автомата. При правильной работе устройства, модель которого представлена графом переходов на рис. 13, его переход в такое состояние из установленного начального состояния никогда не произойдет.
В результате минимизации неполностью определенных логических функций с помощью карт Карно получаем:
Q1 = Øx q1 \/ x Øq2; Q2 = q1 \/ x Øq2 \/ Øx q2;
y1 = Øx q1; y2 = Øx
Øq1 Øq2 ;
L1 = Øq1; L2 = q1 \/ Øq2;
По полученным формулам легко могут быть построены функциональные схемы F и FL.
Выходы схемы F используются в процессе функционирования электронных часов только в моменты переключения автомата из одного состояния в другое. В теории автоматов переходы между состояниями предполагается мгновенными, в то время как в реальной схеме время перехода имеет вполне определенную длительность, определяемую инерционностью электрических цепей: задержкой появления сигнала на выходе схемы F и временем переключения элементов памяти. Время задержки в современных схемах весьма мало: в ТТЛ-схемах оно составляет величину порядка десятков наносекунд. Обычным приемом, позволяющим решать проблемы, возникающие в переключательных схемах вследствие немгновенности срабатывания, является использование синхронизации - синхроимпульса с длительностью, перекрывающей время переключения схемы. Такой синхроимпульс (обозначим его s) в асинхронных схемах должен формироваться в момент внешних воздействий (в нашем случае при нажатии кнопок “a” и “b”), потому он будет вырабатываться схемой “Преобразователь внешних воздействий
” рис. 10. Для хранения номера состояния в периоды между моментами переходов обычно используется триггеры.
Триггер - устройство с двумя устойчивыми состояниями. Основная его функция - хранить один бит информации неограниченное время до тех пор, пока эта информация не будет изменена воздействием на вход триггера. Существует довольно много разновидностей триггеров, различающихся по входным условиям смены состояния. Коротко опишем алгоритм работы D-триггера, который мы будем использовать далее (см. рис. 15). Когда на выходе Q - “1”, а на выходе Q
- “0”, говорят, что триггер установлен в единичное состояние. В противном случае (Q - “0”, Q
- “1”), считается, что триггер сброшен в нулевое состояние. На выходе Q
триггера всегда устанавливается уровень напряжения, противоположный уровню напряжения на Q.

Рис. 15
Непосредственная установка или сброс триггера осуществляется подачей напряжения низкого уровня на входы S (Set-установка) или R (Reset - сброс) соответственно. Подавать логический ноль на оба входа сразу недопустимо. Если низкий уровень присутствует на R или S, то сигналы на входах D и C никак не влияют на состояние триггера. Однако в функциональном плане более важными являются именно входы D (data) и C (clock). Триггер работает так, что сигнал от входа D передается на выход Q в момент положительного перепада напряжения на С. При этом во время постоянного уровня напряжения или в момент отрицательного перепада напряжения на С значение Q не может измениться. Чтобы триггер переключался правильно, уровень на входе D следует зафиксировать заранее, перед приходом тактового перепада на С. Минимальное время между появлением сигнала на D и на С называется защитным интервалом. При работе в таком режиме, на входах R и S должен присутствовать уровень логической единицы.
Использование элементов памяти при реализации конечного автомата имеет некоторые особенности. Дело в том, что в момент переключения автомата необходимо одновременно подавать на вход схемы F (рис. 14) код старого состояния и запоминать код нового, получаемый с выхода этой схемы. Иными словами, существует (возможно, малый) период времени, когда в блоке памяти должны храниться как код старого состояния, так и код нового состояния, получившегося в результате преобразования F. Для разрешения этого противоречия, можно для каждого разряда кода состояния использовать два триггера. Эти триггеры соединяются последовательно (см. рис. 16), и простым приемом достигается то, что информация о номере состояния на выходе F при одном переключении автомата будет использоваться на входе F при следующем переключении. Рассмотрим, как это делается (рис. 16).
Сигналы x и s появляются практически одновременно. На выходе F после появления x на входе устанавливается код следующего состояния (пара Q1 и Q2), который необходимо запомнить в триггерах Т1-Т2. Необходимо помнить, что в тот момент, когда на тактовый вход С поступает положительный перепад напряжения, сигнал на информационном входе D должен быть установлен заранее. Поэтому на С входы триггеров T1 и T2 мы будем подавать синхроимпульс s с - задержкой t1 такой, что t0 < t1 < ts. Здесь t0 - это сумма задержки сигнала в блоке F и защитного интервала триггера, а ts - продолжительность синхроимпульса s. Положительный перепад напряжения на тактовые входы С триггеров T3-T4 надо подать только после окончания действия синхроимпульса. Это можно сделать инверсией сигнала, который мы подаем на С входы Т1-Т2.

Рис. 16
Требуемый выход устройства управления электронных часов - управляющие микрокоманды - получаются из кодов состояний и выходов автомата довольно просто. Потенциальные микрокоманды, как функции состояний автомата, снимаются с выходов логической схемы FL (см. рис. 16), являющейся, фактически, дешифратором. Импульсные микрокоманды являются функцией выходных сигналов управляющего автомата. В нашем случае кодировка выходов автомата выбрана так, что каждый разряд выходного сигнала является одной из искомых микрокоманд, и дополнительного функционального преобразователя строить не надо. Однако для того, чтобы эти микрокоманды имели импульсную форму, определим микрокоманду i как конъюнкцию выхода у схемы F и синхроимпульса s.
Организация передачи внешних воздействий на вход конечного автомата
Рассмотрим теперь организацию подачи внешних воздействий на вход управляющего автомата. В нашем случае внешнее воздействие - это нажатие одной из двух кнопок (“a” или “b”, рис. 10). Необходимо построить схему, которая при таком нажатии вырабатывала бы синхроимпульс и подавала бы на вход автомата код нажатой кнопки (1 для “a” и 0 для “b”). Время, которое человек держит кнопку часов нажатой, не может быть меньше нескольких миллисекунд, а сформированный на основе этого нажатия синхроимпульс должен быть гораздо короче и не зависеть от продолжительности физического нажатия кнопки. “Укоротить” импульс может помочь так называемый формирователь импульсов с укорачивающей RC-цепью (см. рис. 17). Подбором емкости и сопротивления можно построить схему, которая вырабатывает необходимую нам продолжительность сигнала.

Рис. 9.17
На рис. 18 представлена схема передачи внешних воздействий на вход автомата. Анализируя ее, необходимо помнить, что в ТТЛ-схемах “висячий провод” на входе элемента эквивалентен логической единице.
Рис. 18
Как видно из графиков напряжений (рис. 19), синхроимпульс появляется лишь тогда, когда нажата одна кнопка, а другая - нет. Также нужно учесть, что выход x используется только в период действия s и, таким образом, напряжение на x только в это время должно соответствовать коду кнопки, нажатие которой вызвало появление этого s.
Рис. 19
При практической реализации необходимо учитывать эффект, называемый “дребезгом контактов”. Он состоит в том, что при однократном нажатии кнопки ее контакты замыкаются и размыкаются несколько раз, что может привести к неправильному функционированию устройства. Существуют специальные методы для защиты от этого нежелательного эффекта. Здесь они не будут рассмотрены: будем полагать, что у используемых нами кнопок “дребезг” контактов отсутствует.
Общая функциональная схема часов
Итак, построив управляющий автомат и связав его с внешним миром, мы реализовали тем самым функциональную схему часов. Однако при реализации автомата не был учтен момент начала работы часов при включении питания. При начальной подаче на триггер питания еще ничего нельзя сказать о том состоянии, в каком он находится. Поэтому в начале работы триггер необходимо принудительно установить определенным образом. Это делается с помощью сигнала “Уст”, который подается при включении питания и который будет записывать в триггеры код “00”, что в нашем случае соответствует состоянию “Отображение времени
”. Сигнал “Уст” вырабатывается в блоке начальной загрузки. Его значение равно нулю некоторое время после подачи питания, а затем устанавливается высокий уровень напряжения, сохраняющийся до отключения питания, то есть в течение всего периода работы устройства.
При переходе от структурной схемы к функциональной надо также помнить, что у реального счетчика только один счетный вход “+1”. Таким образом, необходимо объединить два сигнала так, чтобы переключение происходило при подаче любого из них. Учитывая, что один из этих сигналов - импульсная микрокоманда и допустимо переключение счетчика как по переднему, так и по заднему фронту этой микрокоманды, мы можем объединить эти сигналы с помощью элемента “исключающее ИЛИ
”. Построив графики напряжений, можно убедиться, что в данном случае допустим только такой элемент. (Что будет, если вместо него поставить элемент “ИЛИ
”?).
Общая функциональная схема часов представлена на рис. 20. На этой схеме не реализованы схемы индикаторных преобразователей. Они могут быть легко построены с помощью известных методов.

Рис. 20
2. Программа курсовой работы
Построенная выше конечно-автоматная модель описывает самую простую схему электронных часов. Сравнительно несложная модификация этой простой схемы может привести к существенному увеличению функциональных возможностей часов. Именно такую модификацию и предлагается выполнить студенту в курсовой работе. Перечислим некоторые возможности, которые легко могут быть добавлены к основной схеме часов:
1. Отображение секунд и “сброс” секунд (точная подводка часов);
2. Звуковая сигнализация каждый час и возможность ее отключения;
3. Отображения дня недели (и его коррекция);
4. Отображение числа, месяца, года (и их коррекция);
5. Секундомер с разнообразными функциями;
6. Будильник;
7. Замедление-ускорение хода часов при данном генераторе (например, стабильный, но не вполне точный генератор выдает тактовый импульс приблизительно каждые 10 микросекунд)
Содержанием работы является синтез функциональной схемы электронных часов по описанию их дополнительных возможностей кроме простого отображения времени.
Работа выполняется в шесть этапов.
1. Построить граф управляющего автомата часов и дать пояснения к нему. Пояснения предполагают описание логического смысла каждого состояния, перечень визуальной информации, выводимой на индикаторы, а также порядок использования всех тех возможностей часов, которые перечислены в задании.
2. Изобразить общую структурную схему электронных часов с указанием всех необходимых управляющих микрокоманд (импульсных и потенциальных). Функции каждого блока структурной схемы должны быть пояснены. Должны быть даны также пояснения функции всех управляющих микрокоманд.
3. Провести кодирование входных и выходных воздействий и состояний автомата.
4. Построить минимизацию функций блоков F и Fi.
5. Построить общую функциональную схему. При этом необходимо четко описать алгоритм работы и уметь объяснить принцип проектирования всех блоков.
6. Определить (приблизительно) площадь микросхемы, реализующей построенную функциональную схему при современной плотности компоновки транзисторов.
После выполнения первых трех этапов задания, до этапа кодирования, студент должен представить результат преподавателю.
Примечание.
При построении схемы, возможно, придется добавить входные кнопки и/или специальные индикаторы для отображения реализации специфических функций часов.
3. Пример выполнения двух первых этапов курсовой работы
Продемонстрируем пример выполнения курсовой работы на примере построения функциональной схемы электронных часов, выполняющих кроме коррекции часов и минут также и функции секундомера.
Граф управляющего автомата
Граф управляющего автомата представлен на рисунке 21.
Рис. 21
Описание состояний и переходов управляющего автомата
time
- состояние отображения текущего времени. На индикаторах значения часов и минут.
Minutes
correction
- состояние корректировки минут. При переходе в это состояние гаснет левая половина индикатора. Однократное нажатие кнопки “b” добавляет единицу к значению минут, отображаемому в правой половине индикатора.
Hours
correction
- состояние корректировки часов. Свидетельством того, что часы готовы к корректировке часов, является погасшая правая половина индикатора. Однократное нажатие кнопки “b” добавляет единицу к значению часов, отображаемому на экране в левой половине индикатора.
Sec.stop
- состояние остановленного секундомера. На индикаторах - минуты и секунды секундомера. В этом состоянии секундомер не отсчитывает время. Нажатием кнопки “b” возможно сбросить накопленное отображаемое значение, нажатием кнопки “a” - запустить секундомер.
Sec.run -
состояние запущенного секундомера. На индикаторах - идущее время (минуты и секунды) секундомера. Нажатием кнопки “а” можно остановить секундомер (иначе говоря, перевести его в состояние Sec.stop
)
Описание импульсных выходов управляющего автомата.
z1 - увеличение значения минут;
z2 - увеличение значения часов;
z3 - сброс текущего значения секундомера.
Общая структурная схема
Схема представлена на рисунке 22. Счетчики 1-6 нужны для счета текущего времени, отдельные счетчики 7-10 для подсчета счета времени секундомера.
В этих часах, в отличие от ранее рассмотренных, на индикатор в разных состояниях может подаваться информация с разных счетчиков. Для подачи информации со счетчиков на ИП будем использовать так называемую мультиплексирующую схему (МС).

Рис. 22
Мультиплексирование - это выбор одного сигнала из нескольких. В зависимости от напряжения на управляющих входах МС на ее выход могут подаваться сигналы с различных информационных входов. Зададим алгоритм работы МС так:
- при подаче на управляющий вход ”С” логической единицы, информация на выходы J1 - J4 поступает со входов I1 - I4 соответственно;
- при подаче на управляющий вход С логического нуля, информация на выход поступает со входов I5-I8.
В результате, например, на выходе J2 может быть сигнал либо со входа I2, либо со входа I6 (в зависимости от С).
Необходимо добавить, что в том случае, когда сигнал, поступающий со счетчика на вход МС, имеет меньше четырех разрядов, на старшие разряды соответствующего входа МС должен быть подан логический ноль (незначащие нули не высвечиваются). Итак, в нашем случае для управления МС необходима одна потенциальная микрокоманда.
Все необходимое управление можно осуществить с помощью следующих микрокоманд:
· импульсные:
i1 - добавить единицу в счетчик минут;
i2 - добавить единицу в счетчик часов;
i3 - обнулить счетчики секундомера;
· потенциальные:
L1 - подключение счетчиков секундомера к генератору тактовых импульсов. При наличии этого сигнала секундомер запускается, при отсутствии - останавливается.
L2 - управление МС, которая позволяет выводить на индикаторы текущее время или время секундомера.
L3, L4 - управление подачей сигналов непосредственно на индикаторы с целью отключения некоторых разрядов при корректировке времени.
Выполнение остальных этапов курсовой работы по этому заданию не должно вызывать затруднений. Образец выполнения всей курсовой работы приведен в Приложении.
Для выполнения 6-го этапа следует знать число транзисторов для построения счетчиков и индикаторных преобразователей, а также плотность компоновки транзисторов. Эти числа таковы:
| ЭЛЕМЕНТ
|
КОЛИЧЕСТВО ТРАНЗИСТОРОВ
|
| Инвертор
|
4
|
| И
|
4
|
| ИЛИ
|
6
|
| И / ИЛИ
|
6
|
| исключающее И
|
12
|
| исключающее ИЛИ
|
10
|
| D - триггер
|
20
|
| Счетчик
|
16 * n , где n - количество двоичных разрядов
|
| Индикаторный преобразователь
|
400
|
Число транзисторов, которые могут быть размещены в одном кристалле, составляет - при средней степени интеграции - несколько тысяч, при высокой - несколько сотен тысяч. Нашу оценку будем производить из расчета 1000 транзисторов на одном квадратном миллиметре площади кристалла.
4. Варианты курсовых работ
Список функций часов, предлагаемых к реализации в дополнение к базовым (отображение и корректировка минут и часов текущего времени):
A - дополнительное отображение и корректировка кроме минут и секунд:
0. нет
1. секунд (корректировка сбросом в 0)
2. дня недели
3. числа и месяца
B - корректируемое значение:
0. мерцает (остальные индикаторы высвечиваются постоянно)
1. высвечивается постоянно (остальные индикаторы погашены)
C - корректировка десятков и единиц:
0. совместная
1. раздельная
D - режим работы часов:
0. 12-и часовой (с указанием a.m.
или p.m.
)
1. 24-х часовой
E - отключение индикаторов с целью экономии электроэнергии:
0. отсутствует
1. присутствует
F - останов часов (для запуска по сигналу точного времени по кнопке):
0. отсутствует
1. по нажатию кнопки
2. после состояния корректировки текущего времени
3. после корректировки минут (в том случае, если была добавлена хоть одна минута)
Запуск часов - по нажатию кнопки.
G - секундомер:
0. отсутствует
1. простой (сброс - запуск - останов)
2. с фиксацией накопленного времени и возможностью продолжения отсчета секундомера
3. с возможностью просмотра текущего времени при работающем секундомере
H - звуковая сигнализация:
0. отсутствует
1. каждый час в течение трех секунд
2. каждые четверть часа в течение секунды
3. каждый час с выбором мелодии
I - будильник:
0. отсутствует
1. со звуковой сигнализацией в течение десяти секунд (с возможностью отключения режима)
2. с выбором мелодии (с возможностью отключения режима)
Всего различных вариантов курсовых работ порядка 12 000. Варианты курсовых работ могут быть заданы 9-разрядным числом, каждый разряд которого соответствует одному из подпунктов задания: от A до I. Эти числа составляют регулярное множество {0,1,2,3}{0,1}{0,1}{0,1}{0,1}{0,1,2,3}{0,1,2,3} {0,1,2,3}{0,1,2}. Например, число 201003212 кодирует следующее задание:
Построить функциональную схему часов, которые кроме отображения и корректировки времени (минут и часов) выполняют следующие функции:
А=2: отображают и позволяют корректировать день недели;
В=0: корректируемое значение мерцает (остальные индикаторы высвечиваются постоянно)
;
C=1: - корректировка десятков и единиц раздельная;
D=0: - режим работы часов 12-и часовой (с указанием a.m. или p.m.);
E=0: - отключение индикаторов с целью экономии электроэнергии отсутствует;
F=3: - останов часов после корректировки минут (в том случае, если была добавлена хоть одна минута);
G=2 - присутствует секундомер с фиксацией накопленного времени и возможностью продолжения отсчета;
H=1: - звуковая сигнализация каждый час в течение трех секунд;
I=2: - будильник подает звуковой сигнал в устанавливаемое время с выбором мелодии (с возможностью отключения режима)
В приведенном в Приложении образце выполнения курсовой работы в качестве дополнительных выбраны четыре функции
А=2: отображение и корректировка дня недели;
В=0: корректируемое значение мерцает;
F=1: останов часов по нажатию кнопки;
G=3: секундомер с возможностью просмотра текущего времени при работающем секундомере.
Такой набор дополнительных функций соответствует коду 200101300.
Кроме упомянутых, в качестве дополнительных к базовым функциям в рамках данной курсовой работы могут быть реализованы и другие:
- подвод частоты хода часов
; для этого в часах достаточно иметь кварцевый тактовый генератор с большей частотой, дополнительный счетчик, который накапливает поступающие от генератора импульсы, второй счетчик, хранящий требуемое предельное число накапливаемых от генератора импульсов, и схему сравнения, которая при совпадении значений этих двух счетчиков сбрасывает в 0 значение накопителя, выдавая тактовый импульс с нужной частотой 1 гц. Подвод частоты хода часов можно осуществить изменяя содержимое второго счетчика. Каждая добавленная единица в этот второй счетчик при килогерцовом генераторе замедляет ход часов примерно на полторы минуты, а при десятимегагерцовом – примерно на секунду в сутки).
- дополнительные счетчики
времени в разных часовых поясах (например, один для Нью-Йорка, а второй для Москвы)
- хранение одной или нескольких важных дат
(день рождения жены, революционные праздники)
- и т.д.
5. Практическая ценность и возможное развитие курсовой работы
Дискретные системы управления, внешнее окружение которых взаимодействует с ними посредством событий (импульсных микрокоманд) и условий (потенциальных микрокоманд), очень хорошо распространены в технике и, по-видимому, получат в ближайшее время еще более широкое распространение в связи с внедрением встроенных систем на базе микропроцессоров в бытовую технику, научное оборудование, производственные, технические и военные системы.
Технология разработки таких систем управления может быть основана на принципах конечно-автоматной модели. Эта модель используется в автоматике для написания алгоритмов функционирования широкого класса устройств и систем дискретной техники. Автоматные описания алгоритмов необходимы не только для пояснения алгоритмов на начальном этапе проектирования, но и для систематической процедуры синтеза устройств и программ.
Однако, использование модели конечного автомата и графа переходов в “чистом” виде, как это делается здесь, возможно только при разработке самых простых систем управления. Ряд недостатков конечно-автоматной модели препятствует ее непосредственному применению в такой технологии:
1. обычные графы переходов являются одномерными, они не позволяют использовать понятие “абстракции”, “иерархии”, “глубины”, “модулярности”, вследствие чего не поддерживают пошаговую разработку на основе нисходящей или восходящей стратегий;
2. граф переходов конечного автомата слишком детализирован; в нем трудно (громоздко) специфицировать переход из группы состояний, например, высокоуровневое прерывание или установку начального состояния из произвольного состояния;
3. граф переходов конечного автомата обычно весьма громоздкий для систем даже среднего уровня сложности: линейный рост сложности (числа функций) системы обычно вызывает экспоненциальный рост числа состояний соответствующего конечного автомата;
4. классический конечный автомат не оперирует понятием “значение”, “переменная” и т. д., в то время как такие понятия необходимы при разработке систем управления;
5. по сути своей конечный автомат - последовательная модель, с помощью которой нельзя выразить параллелизм работы нескольких подсистем и их взаимодействия.
В последние годы в информатике разработаны новые модели и методы спецификаций, которые в значительной степени преодолевают практически все указанные недостатки - так называемые Statecharts. Они могут использоваться как основа технологии проектирования сложных дискретных систем управления. Все эти модели, однако, являются расширением, модификацией базовой модели конечного автомата, и приемы проектирования, изложенные в данном пособии, будут полезны и для работы с этими моделями.
6. Литература
1. Л.М. Гольденберг, Ю.Т. Бутыльский, Н.М. Поляк. Цифровые устройства на интегральных схемах в технике связи.
-М.: Связь, 1979
2. В.Г. Лазарев, Е.И.Пийль. Синтез управляющих автоматов
. - М. : Энергоатомиздат, 1989
3. К.А. Нешумова. Электронные вычислительные машины и системы
. - М. : Высшая школа, 1989
4. В.Л. Шило. Популярные цифровые микросхемы
. - М.: Радио и связь, 1989
5. Д.А. Поспелов. Логические методы анализа и синтеза схем
. - М. : Энергия, 1974
6. К.К. Гомоюнов, Т.К. Кракау. Элементы и узлы ЭВМ
. - Л.: ЛПИ, 1984
|