| АО "Ассоциация "Монтажавтоматика"
ООО "НОРМА-РТМ"
МЕТОДИЧЕСКИЕ РЕКОМЕНДАЦИИ И РАЗЪЯСНЕНИЯ ПО СОЗДАНИЮ СИСТЕМ АВТОМАТИЗАЦИИ
Некоторые вопросы оформления принципиальных электрических схем,
выполняемых на компьютерах
МР 14-05-01
ПРЕДИСЛОВИЕ
1. РАЗРАБОТАН ООО «НОРМА-РТМ»
2. ВВЕДЕН ВПЕРВЫЕ
1 НАЗНАЧЕНИЕ И ОБЛАСТЬ ПРИМЕНЕНИЯ
1.1 Настоящие методические рекомендации (МР) предназначены для применения при разработке принципиальных электрических схем, включаемых в состав рабочей документации систем автоматизации (СА), выполняемых на компьютерах в специализированных САПР (типа САПР-АЛЬФА) и графических системах (типа AUTOCAD, КОМПАС и др.) с выводом готовой документации с помощью лазерных и струйных принтеров на форматах А4 и A3 ГОСТ 2.301.
МР разработаны в дополнение к РМ4-106 [1] с учетом возможностей технических средств, применяемых в настоящее время в САПР в связи с тем, что ранее в стандартах и пособиях к ним выпуск проектной документации с помощью печатающих устройств компьютеров не рассматривался.
1.2 Одновременно в МР приведена информация об изменениях в НТД, появившихся после выхода РМ4-106, которые следует учитывать при оформлении принципиальных электрических схем.
1.3 Применяемые для выполнения принципиальных электрических схем программные средства должны быть сертифицированы и зарегистрированы Федеральным государственным унитарным предприятием "Центр программных средств массового применения в строительстве" (ФУГП ЦПС).
2 НОРМАТИВНЫЕ ССЫЛКИ
ГОСТ 2.004-88 ЕСКД. Общие требования к выполнению конструкторских и технологических документов на печатающих и графических устройствах вывода ЭВМ
ГОСТ 2.301-68 ЕСКД. Форматы
ГОСТ 2.702-75* ЕСКД. Правила выполнения электрических схем
ГОСТ 12.2.007.0-75 ССБТ. Изделия электротехнические. Общие требования безопасности
ГОСТ 21.101-97 Межгосударственный стандарт. СПДС. Основные требования к проектной и рабочей документации
ГОСТ 21.408-93 СПДС. Правила выполнения рабочей документации автоматизации технологических процессов
ГОСТ 34.601-90 Информационная технология. Комплекс стандартов на автоматизированные системы. Стадии создания
ГОСТ 34.003 Информационная технология. Комплекс стандартов на автоматизированные системы. Термины и определения
Забиваем Сайты В ТОП КУВАЛДОЙ - Уникальные возможности от SeoHammer
Каждая ссылка анализируется по трем пакетам оценки: SEO, Трафик и SMM.
SeoHammer делает продвижение сайта прозрачным и простым занятием.
Ссылки, вечные ссылки, статьи, упоминания, пресс-релизы - используйте по максимуму потенциал SeoHammer для продвижения вашего сайта.
Что умеет делать SeoHammer
— Продвижение в один клик, интеллектуальный подбор запросов, покупка самых лучших ссылок с высокой степенью качества у лучших бирж ссылок.
— Регулярная проверка качества ссылок по более чем 100 показателям и ежедневный пересчет показателей качества проекта.
— Все известные форматы ссылок: арендные ссылки, вечные ссылки, публикации (упоминания, мнения, отзывы, статьи, пресс-релизы).
— SeoHammer покажет, где рост или падение, а также запросы, на которые нужно обратить внимание.
SeoHammer еще предоставляет технологию Буст, она ускоряет продвижение в десятки раз,
а первые результаты появляются уже в течение первых 7 дней.
Зарегистрироваться и Начать продвижение
РД 50-34.698-90 Методические указания. ИТ КСАС. Требования к содержанию документов.
ГОСТ Р 51330.13-99 Электрооборудование взрывозащищенное. Часть 14. Электроустановки во взрывоопасных зонах (Кроме подземных выработок)
3 ОПРЕДЕЛЕНИЯ И СОКРАЩЕНИЯ
3.1 В настоящем МР применяют термины по системам автоматизации, информационной технологии и автоматизированным системам в соответствии С РМ4-239 [2] и ГОСТ 34.003.
3.2 Основные сокращения:
СА - системы автоматизации технологических процессов и инженерного оборудования (инженерных систем);
САПР - системы автоматизированного проектирования;
ПЭВМ - персональные электронно-вычислительные машины;
РД СА - рабочая документация систем автоматизации технологии производства и инженерного оборудования (инженерных систем) зданий и сооружений проектируемых объектов строительства различного назначения;
НТД - нормативно-техническая документация.
САПР-АЛЬФА - система автоматизированного проектирования систем автоматизации, разработчик фирма "САПР-АЛЬФА", г. Москва;
AUTOCAD - графическая система фирмы "AUTODESK";
КОМПАС - конструкторская графическая система фирмы "АСКОН" г. Санкт-Петербург.
4 ОСНОВНЫЕ РЕКОМЕНДАЦИИ
4.1 В связи с существенным расширением применения САПР при разработке РД СА и применения при этом компьютеров с выводом готовой графической документации с помощью лазерных и струйных принтеров на форматах А4 и A3 ГОСТ 2.301, у пользователей САПР (разработчиков проектной документации и ее потребителей - наладчиков, эксплуатационных служб, изготовителей щитовой продукции и пр.) возникли вопросы по оформлению принципиальных электрических схем в связи с ограничением размера формата выходной документации.
Это приводит к тому, что подавляющее большинство схем приходится разделять на ряд листов формата А4 или A3, что увеличивает их количество и затрудняет чтение схемы в связи с возрастанием из-за этого количества обрывов линий связи и необходимости их поиска на других листах схемы.
Ниже приведен ряд рекомендаций, соблюдение которых (в рамках действующих НТД) позволяет разработчикам полнее использовать возможности современных технических средств САПР и поясняет потребителям особенности поиска информации, приводимой в этом случае на принципиальных электрических схемах.
4.2 В рассматриваемых случаях основной комплект рабочих чертежей рекомендуется оформлять отдельными документами (см. РМ4-59 [3], п. 6.1.4, перечисление 2) с присвоением каждому документу (схеме) собственного наименования и обозначения.
Сервис онлайн-записи на собственном Telegram-боте
Попробуйте сервис онлайн-записи VisitTime на основе вашего собственного Telegram-бота:
— Разгрузит мастера, специалиста или компанию;
— Позволит гибко управлять расписанием и загрузкой;
— Разошлет оповещения о новых услугах или акциях;
— Позволит принять оплату на карту/кошелек/счет;
— Позволит записываться на групповые и персональные посещения;
— Поможет получить от клиента отзывы о визите к вам;
— Включает в себя сервис чаевых.
Для новых пользователей первый месяц бесплатно.
Зарегистрироваться в сервисе
При этом допускается объединять в одном документе:
принципиальные электрические схемы различного функционального назначения;
все принципиальные схемы основного комплекта.
Первый вариант объединения является наиболее предпочтительным и рекомендуется, как правило, для объединения схем управления группой электроприводов, связанных единым алгоритмом управления. Основным критерием объединения в этом случае является изображение всех элементов одного и того же аппарата в одном документе (схеме).
Например, все контакты одного реле должны быть показаны на одной схеме, что позволяет полностью осуществить автоматизированный выбор необходимого типа и модификации аппарата.
Второй вариант объединения допускается применять при небольшом объеме электрических аппаратов и цепей во всех схемах одного основного комплекта.
4.3 В связи с тем, что компьютеры позволяют осуществлять выпуск документа форматами не более А4 или A3, количество листов схемы в одном документе возрастает, что вызывает сложности как у потребителей документации, так и при разработке документа, в поиске необходимой информации.
С учетом указанных особенностей оформления схем:
необходимо применять рекомендацию ГОСТ 2.004 по максимальному использованию информационного поля формата;
следует избегать дублирования информации, приводимой на разных листах схемы;
в случае целесообразности допускается выносить отдельную информацию (отдельные фрагменты схем), которая используется не только для чтения принципиальных электрических схем (например, перечень элементов), на самостоятельно оформленные документы (см. также пп. 4.6.2 и 4.7).
4.4 Для рационального использования информационного поля документа рекомендуется применять следующие правила ГОСТ 2.004:
возможность ограничения страницы формата А4 кромкой стандартного листа бумаги для принтера (на основании примечания к п. 1.5):
не наносить вертикальные линии внутренней рамки формата (см. примечание 2 к п. 1.4);
основные надписи выполнять либо без дополнительных граф (20), (21), (22), (26), предусмотренных формой 6 по ГОСТ 21.101, либо размещать эти графы по рекомендациям приложения 4 ГОСТ 2.004. Необходимость выполнения графы 26 отпадает, а графы (20), (21), и (22) выполняют по рекомендациям примечания 1 к п. 2.3 ГОСТ 2.004;
не приводить дополнительные графы с грифом "Согласовано" (см. также РМ5-59, п. 4.2.9).
4.5 Не рекомендуется дублировать на поле схемы указания:
о месте расположения аппаратов;
о типах и модификациях аппаратов; т.к. эти сведения необходимо приводить в перечне элементов схемы.
4.6 В целях облегчения задачи поиска информации рекомендуется соблюдать приведенные ниже правила.
4.6.1 В принципиальной электрической схеме, на которой приведены цепи различного функционального назначения, этим цепям присваивают наименования согласно указаний, приведенных в РМ4-106, п. 2.6, перечисление 2.
Например:
1. Схема управления насосом 1.
2. Схема сигнализации состояния электроприводов.
Наименование схемы приводят в виде заголовка над изображениями соответствующих цепей.
4.6.2 На первом листе схемы приводят ведомость принципиальных электрических схем управления по форме, принятой для ведомости основного комплекта (ГОСТ 21.101, приложение В, форма 1).
Примеры наименований схем и выполнения перечня схем приведены в приложении А (А1).
4.6.3 Принципиальную электрическую схему рекомендуется выполнять строчным способом с указанием номеров строк по ГОСТ 2.702, п. 3.8. Нумерация строк должна выполняться подряд в пределах всех листов схемы. Допускается оставлять резерв номеров строк при переходе цепей на другой лист.
Допускается простановка номеров строк в правом поле листа между внутренней и внешней рамками листа (внешним правым краем листа).
Примеры выполнения схемы строчным способом см. приложение Б.
4.6.4 Для линий связи, обрываемых на одном листе, продолжение которых приводят на других листах схемы, кроме номера листа, проставляемого по правилам п. 2.40 РМ4-106, приводят номер строки, на которой эта линия продолжена. Пример выполнения - см. рисунок 4.1.

Пример выполнения адресного обозначения:
а) при переходе цепи на другой документ:
б) при переходе цепи на другой лист одного документа.
Рисунок 4.1
Для линий связи, продолжаемых на нескольких листах одной и той же схемы, приводят адреса (номера листов) начала и продолжения линии связи (см. пример на рисунке 4.2).

Пример выполнения адресного обозначения линий связи, продолжаемых на нескольких листах
Рисунок 4.2
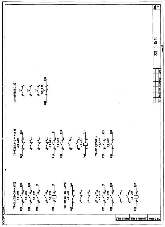
4.6.5 Пример выполнения принципиальной электрической схемы на ПЭВМ с соблюдением приведенных выше правил см. приложение Б.
4.7 При объединении всех принципиальных электрических схем основного комплекта в один документ, на отдельном листе схемы (или документа со своим обозначением и наименованием) помещают условные графические обозначения (изображения) элементов (аппаратов), выполненные совмещенным способом по правилам п. 3.9 ГОСТ 2.702. При этом аппараты, изображения которых на схемах не могут быть показаны разнесенным способом (аппараты оптической и акустической сигнализации, осветительные приборы, диоды, однополюсные выключатели и предохранители и т.п.), на данном листе (документе) не изображают.
Условные графические изображения выполняют упрощенно, без учета фактического расположения элементов (в т.ч. - выводов).
Над изображениями условных графических обозначений этих аппаратов или в основной надписи документа рекомендуется приводить наименование типа "Развернутые изображения аппаратов".
Над каждым развернутым изображением аппарата указывают его позиционное обозначение.
Развернутые изображения приводят для всего аппарата полностью, без пропуска каких-либо элементов (т.е., как показанных на схеме, так и не показанных) для любых аппаратов, как имеющих, так и не имеющих заводские обозначения выводов. К выводам показывают подключения проводников, около которых приводят адресное обозначение, в состав которого включают обозначение цепи, а также номер листа и строки схемы, в которой он использован (см. приложение В). При этом соблюдают рекомендации РМ4-106 (п. 2.49, четвертый абзац).
Наименование и обозначение данного листа или документа записывают в перечень схем (ведомость документов).
4.8 При объединении схем по второму варианту п. 4.2 для объединенной принципиальной электрической схемы выпускают в качестве отдельного документа ведомость схем по правилам, принятым в п. 4.6.2 настоящего МР.
Наименования схем в ведомости должно полностью соответствовать наименованию, приведенному над изображениями соответствующих цепей согласно п. 4.6.1.
Пример выполнения ведомости документов схем приведен в приложении А (А2).
4.9 При соблюдении рекомендаций пп. 4.6 и 4.7 развернутые изображения монтажных символов реле с обозначениями их выводов (контактов), выполненные по правилам, принятым в РМ4-184, необходимо обязательно приводить на чертежах общих видов щитов.
4.10 В целях наибольшего учета рекомендаций п. 4.3 следует в большей мере применять рекомендации ГОСТ 21.408, п. 4.4.1. и РМ4-59, п. 2.9, согласно которым не требуется показывать на принципиальных электрических схемах контуры контроля и регулирования, т.к. цепи этих контуров показывают в схемах соединения и подключения.
5 ИЗМЕНЕНИЯ, ВЫЗВАННЫЕ НОВЫМИ НТД
5.1 При оформлении принципиальных электрических схем следует учитывать ряд изменений, появившихся после выхода РМ4-106, которые следует учитывать при применении рекомендаций этого РМ.
5.2 РМ был выпущен до ввода в действие ряда государственных стандартов и руководящих документов.
В связи с этим следует считать замененными приведенные в РМ4-106 ссылки на следующие НТД:
РТМ 36.22.7-89 - на ГОСТ 21.408;
ГОСТ 24.206-80 - на РД 50-34.698.
5.3 Формы основных надписей (п. 2.6 РМ4-106) следует выполнять по ГОСТ 21.101:
форма 3 - на первом листе схемы;
форма 6 - на последующих листах.
При этом учитывают рекомендации ГОСТ 2.004 по расположению дополнительных граф (по приложению 4, черт. 14 и 15).
5.4 Перечень элементов схемы выполняют без построчных горизонтальных линий в пределах записи одного элемента в перечне. Разделительные горизонтальные линии между элементами перечня рекомендуется сохранять. Пример выполнения перечня приведен в приложении Д.
5.5 В связи с вводом в действие в АООТ «Ассоциация "Монтажавтоматика" ТУ 4236-005-11233753-99 "Щиты и пульты. Общие технические условия", применяемых изготовителями ассоциации взамен ОСТ 36.13-90 и ТУ 36.22.21.00.024-92, при разработке проектной документации на щиты и пульты по данным ТУ, монтажные символы электроаппаратов, поставляемых комплектно со щитами и пультами, необходимо выполнять по-прежнему по рекомендациям РМ4-184 [4].
5.6 Дополнительно к приведенным в данном разделе рекомендациям необходимо соблюдать также приведенные ниже указания, вызванные случаями несоблюдения указаний РМ4-107-82 в части необходимости приводить в таблице соединений требований по выделению цепей, требующих отдельной прокладки. В связи с изложенным в настоящих МР приведены выписки из стандартов, регламентирующие применение расцветок изоляции проводников для цепей различного функционального назначения (приложение Е).
Цвет расцветки изоляции проводников следует указывать в графе "Примечание" таблицы соединений проводок.
Приложение А
ПРИМЕРЫ НАИМЕНОВАНИЙ СХЕМ И ВЫПОЛНЕНИЯ ПЕРЕЧНЯ СХЕМ
А1. Пример выполнения перечня схем
| Лист
|
Наименование
|
Примечание
|
| 31
|
Принципиальная электрическая схема управления приводом дверей реактора
|
|
| ..
|
..................................................................................
|
|
| 45
|
Принципиальная электрическая схема управления вентилятором
|
|
| ..
|
..................................................................................
|
|
| 51
|
Развернутые изображения аппаратов
|
|
А2. Пример выполнения ведомости документов схем
| Обозначение
|
Наименование
|
Примечание
|
| 205-АТХ. 12
|
Принципиальная электрическая схема управления приводом дверей реактора
|
|
| ..............
|
..................................................................................
|
|
| 205-АТХ. 15
|
Принципиальная электрическая схема управления вентилятором
|
|
| ..............
|
..................................................................................
|
|
| 205-АТХ. 23
|
Развернутые изображения аппаратов
|
|
Приложение Б
ПРИМЕР ВЫПОЛНЕНИЯ ПРИНЦИПИАЛЬНОЙ ЭЛЕКТРИЧЕСКОЙ
СХЕМЫ НА ПЭВМ


Приложение В
ПРИМЕР ВЫПОЛНЕНИЯ РАЗВЕРНУТЫХ ИЗОБРАЖЕНИЙ АППАРАТОВ


Приложение Г
РАСЦВЕТКА ИЗОЛЯЦИИ ПРОВОДНИКОВ В ЗАВИСИМОСТИ ОТ ФУНКЦИОНАЛЬНОГО НАЗНАЧЕНИЯ ЦЕПЕЙ
Г1. Выписка из ГОСТ 12.2.007.0-75
3.9.5. При необходимости различать проводники по функциональному назначению цепей, в которых они использованы, следует применять следующие расцветки изоляции:
черную - для проводников в силовых цепях;
красную - для проводников в цепях управления, измерения и сигнализации переменного тока;
синюю - для проводников в цепях управления, измерения и сигнализации постоянного тока;
зелено-желтую (двухцветную) - для проводников в цепях заземления;
голубую - для проводников, соединенных с нулевым проводом и не предназначенных для заземления.
Примечания:
Данные рекомендации повторены в справочном приложении ГОСТ Р 50462-92.
Г2. Выписка из ГОСТ Р 51330.13-99
(п. 12.2.2.6)
Кабели, содержащие искробезопасные электрические цепи, должны быть промаркированы. Если оболочки или покрытия кабелей маркируются цветом, должен применяться синий цвет.
Внутри измерительных стоек, шкафов управления, коммутационной аппаратуры, распределительных устройств и т. д., где имеется риск перепутывания между собой кабелей искробезопасных и искроопасных электрических цепей при наличии нулевого рабочего проводника, имеющего расцветку, выполненную синим цветом, должны приниматься меры альтернативной маркировки. Эти меры включают в себя:
- объединение жил в общем жгуте с бандажом, окрашенным в голубой цвет;
- этикетирование;
- отчетливое структурное и пространственное разделение.
Приложение Д
БИБЛИОГРАФИЯ
[1] РМ4-106-91 Системы автоматизации технологических процессов. Схемы электрические принципиальные. Требования к выполнению. Пособие к РТМ 36.22.7-89
[2] РМ4-239-91 Системы автоматизации. Словарь-справочник по терминам. ГПКИ ПМА, 1991 г.
[3] РМ4-59-95. Системы автоматизации. Состав, оформление и комплектование рабочей документации. Пособие к ГОСТ 21.408-93. ГПКИ ПМА, 1995 г.
[4] РМ4-184-92. Системы автоматизации технологических процессов. Электроаппаратура, поставляемая комплектно со щитами и пультами по ОСТ 36.13-76. Монтажные символы
Содержание
1 Назначение и область применения
2 Нормативные ссылки
3 Определения и сокращения
4 Основные рекомендации
5 Изменения, вызванные новыми НТД
Приложение А Примеры наименований схем и выполнения перечня схем
Приложение Б Пример выполнения принципиальной электрической схемы на ПЭВМ
Приложение В Пример выполнения развернутых изображений аппаратов
Приложение Г Расцветка изоляции проводников в зависимости от функционального назначения цепей
Приложение Д Библиография
|