| Одноканальный контроллер ключевого стабилизатора напряжения
Микросхема BD9300 является основой для построения ключевых стабилизаторов напряжения. В отличие от функционально завершенных модулей стабилизаторов BP5220…BP5222 с фиксированными выходными напряжениями и ограниченными токами нагрузки, позволяет создавать источники питания с любыми выходными напряжениями и токами.
Отличительные особенности
Широкий диапазон входных напряжений 3, 6 …35 В.
Встроенная схема защиты от коротких замыканий и от пониженного входного напряжения.
Нулевой ток потребления в выключенном состоянии.
Широкий диапазон регулирования частоты ШИМ 20…800 кГц.
Области применения
Источники питания общего назначения
Стабилизаторы напряжения, в том числе с выходным напряжением выше 35 В.

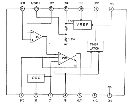
Рис. 1. Структурная схема BD9300
Таблица 1. Назначение выводов ИС BD9300
| Номер вывода
|
Обозначение
|
Функциональное назначение
|
| 1
|
DTC
|
Вход управления ШИМ
|
| 2
|
RT
|
Внешний резистор, задающий частоту преобразования
|
| 3
|
CT
|
Внешний резистор, задающий частоту преобразования
|
| 4
|
FB
|
Выход усилителя ошибки
|
| 5
|
OUT
|
Выход ШИМ
|
| 6
|
NC
|
Не используется
|
| 7
|
GND
|
Общий
|
| 8
|
Vcc
|
Напряжение питания (входное напряжение)
|
| 9
|
SCP
|
Внешний конденсатор, задающий задержку срабатывания Защиты от короткого замыкания (соединяетя с GND, если не Используется)
|
| 10
|
CTL
|
Вход управления (ВКЛ/ВЫКЛ)
|
| 11
|
Vref
|
Выход внутреннего источника опорного напряжения
|
| 12
|
INV
|
Инвертирующий вход усилителя ошибки
|
| 13
|
1/2 Vref
|
опорного напряжения с внутреннего делителя
|
| 14
|
NON
|
Неинвертирующий вход усилителя ошибки
|

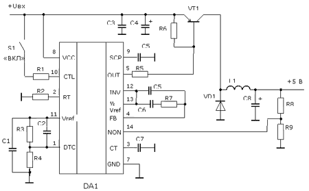
Рис. 2. Схема включения BD9300 в источнике питания
R1 = R9 =30 kW, R2= R7=20 kW, R3= 33 kW, R4 = 56 kW, R5 = R6 =500 W, R8 = 90 kW,
C1=C3=C5=0, 1 mF, C4=C8= 10 mF, C7= 200pF, C5=100 pF, C6= 1000 pF, C2=0, 033 mF,
VT1 – любой силовой p-n-p транзистор в зависимости от тока нагрузки, величина L1 выбирается из условий баланса энергии в контуре L1-нагрузка – C8 – VD1, и для тока нагрузки 0, 5 А и частоты ШИМ 200 кГц составляет 150 мкГн.
|