|
содержание.. 2
Задание на проектирование.. 3
1. Выбор электродвигателя, кинематический и силовой расчет привода 4
2. Расчет зубчатых колес редуктора.. 6
3. Предварительный расчет валов редуктора.. 11
4. КОМПОНОВКА РЕДУКТОРА.. 13
4.1. Конструктивные размеры шестерни и колес. 13
4.2. Конструктивные размеры корпуса редуктора. 13
4.3.Компановка редуктора. 14
5.ПОДБОР И ПРОВЕРКА ДОЛГОВЕЧНОСТИ ПОДШИПНИКА, ОПОРНЫЕ РЕАКЦИИ.. 16
5.1. Ведущий вал. 16
5.2.Ведомый вал. 18
6.ЗАПАС УСТАЛОСТНОЙ ПРОЧНОСТИ. Уточненный расчет валов.. 22
6.1.Ведущий вал. 22
6.2.Ведомый вал: 24
7. Расчет шпонок.. 28
8.ВЫБОР СМАЗКИ.. 28
9.СБОРКА РЕДУКТОРА.. 29
ЛИТЕРАТУРА.. 30
Спроектировать одноступенчатый горизонтальный цилиндрический косозубый редуктор для привода к ленточному конвейеру.
Кинематическая схема:

1. Электродвигатель.
2. Муфта электродвигателя.
3. Шестерня.
4. Колесо.
5. Муфта барабана.
6. Барабан ленточного конвейера.
Технические требования: мощность на барабане конвейера Рб
=8,2 кВт, частота вращения барабана nб
=200 об/мин.
КПД пары цилиндрических зубчатых колес ηз
=
0,96; коэффициент, учитывающий потери пары подшипников качения, ηп.к
=
0,99; КПД муфты ηм
=
0,96.
Общий КПД привода
ηобщ
=ηм
2
·ηп.к
3
·ηз
=
0,972
·0,993
·0,96=0,876
Мощность на валу барабана Рб
=8,2 кВт, nб
=200 об/мин. Требуемая мощность электродвигателя:
Рдв
= = =
9.36 кВт
Интервал рекомендуемых оборотов двигателя:
Nдв
=
nб
·(2...5)= = 400…1000 об/мин
Выбираем электродвигатель, исходя из требуемой мощности Рдв
=9,36 кВт, электродвигатель трехфазный короткозамкнутый серии 4А, закрытый, обдуваемый, с синхронной частотой вращения 750 об/мин 4А160M6У3, с параметрами Рдв
=11,0 кВт и скольжением 2,5% (ГОСТ 19523-81). Номинальная частота вращения двигателя:
nдв
= об/мин.
Передаточное число i=
u=
nном
/
nб
=
731/200=3,65
Определяем частоты вращения и угловые скорости на всех валах привода:
nдв
=
nном
=
731 об/мин
n1
=
nдв
=
731 об/мин
об/мин
nб
=
n2
= 200,30 об/мин
,
где - частота вращения электродвигателя;
- номинальная частота вращения электродвигателя;
- частота вращения быстроходного вала;
Забиваем Сайты В ТОП КУВАЛДОЙ - Уникальные возможности от SeoHammer
Каждая ссылка анализируется по трем пакетам оценки: SEO, Трафик и SMM.
SeoHammer делает продвижение сайта прозрачным и простым занятием.
Ссылки, вечные ссылки, статьи, упоминания, пресс-релизы - используйте по максимуму потенциал SeoHammer для продвижения вашего сайта.
Что умеет делать SeoHammer
— Продвижение в один клик, интеллектуальный подбор запросов, покупка самых лучших ссылок с высокой степенью качества у лучших бирж ссылок.
— Регулярная проверка качества ссылок по более чем 100 показателям и ежедневный пересчет показателей качества проекта.
— Все известные форматы ссылок: арендные ссылки, вечные ссылки, публикации (упоминания, мнения, отзывы, статьи, пресс-релизы).
— SeoHammer покажет, где рост или падение, а также запросы, на которые нужно обратить внимание.
SeoHammer еще предоставляет технологию Буст, она ускоряет продвижение в десятки раз,
а первые результаты появляются уже в течение первых 7 дней.
Зарегистрироваться и Начать продвижение
- частота вращения тихоходного вала;
i
=
u
- передаточное число редуктора;
- угловая скорость электродвигателя;
-угловая скорость быстроходного вала;
-угловая скорость тихоходного вала;
-угловая скорость приводного барабана.
Определяем мощность и вращающий момент на всех валах привода:
Рдв
=Ртреб
=
9,36 кВт
Р1
=Рдв
·ηм
=
9.36·0,97=9,07 кВт
Р2
=Р1
·ηп.к
2
·ηз
=
9,07·0,992
·0,96=8,53 кВт
Рб
=Р2
· ηм
·ηп.к
=
8.53·0,99·0,97=8,19 кВт
где - мощность электродвигателя;
- мощность на валу шестерни;
- мощность на валу колеса;
- мощность на валу барабана.
Определяем вращающий момент электродвигателя и вращающие моменты на всех валах привода:
где - вращающий момент электродвигателя;
- вращающий момент быстроходного вала;
- вращающий момент тихоходного вала;
- вращающий момент приводного барабана.
Для шестерни и колеса выбираем материалы со средними механическими характеристиками:
- для шестерни сталь 45, термическая обработка – улучшение, твердость НВ 230;
- для колеса – сталь 45, термическая обработка – улучшение, твердость НВ 200.
Рассчитываем допускаемые контактные напряжения по формуле:
,
где σ
H
lim
b
– предел контактной выносливости при базовом числе циклов;
К
HL
– коэффициент долговечности;
[SH
] – коэффициент безопасности.
Для углеродистых сталей с твердостью поверхностей зубьев менее НВ 350 и термической обработкой (улучшением)
σ
H
lim
b
=
2НВ+70;
К
HL
принимаем равным 1, т.к. проектируемый срок службы более 5 лет; коэффициент безопасности [SH
] =1,1.
Для косозубых колес расчетное допускаемое контактное напряжение определяется по формуле:

для шестерни = МПа
для колеса = МПа.
Тогда расчетное допускаемое контактное напряжение
МПа.
Условие выполнено.
Межосевое расстояние из условий контактной выносливости активных поверхностей зубьев найдем по формуле:
,
где - твердость поверхностей зубьев. Для симметричного расположения колес относительно опор и при твердости материала ≤350НВ принимаем в интервале (1 – 1,15). Примем =1,15;
ψba
=0,25÷0,63 – коэффициент ширины венца. Принимаем ψba
= 0,4;
Ka
= 43 – для косозубых и шевронных передач;
u
-
передаточное число. и
= 3,65;
.
Принимаем межосевое расстояние , т.е. округляем до ближайшего целого числа.
Нормальный модуль зацепления принимаем по следующей рекомендации:
mn
= =  мм;
принимаем по ГОСТ 9563-60 mn
=2 мм.
Примем предварительно угол наклона зубьев β = 10о
и рассчитаем число зубьев шестерни и колеса:
Сервис онлайн-записи на собственном Telegram-боте
Попробуйте сервис онлайн-записи VisitTime на основе вашего собственного Telegram-бота:
— Разгрузит мастера, специалиста или компанию;
— Позволит гибко управлять расписанием и загрузкой;
— Разошлет оповещения о новых услугах или акциях;
— Позволит принять оплату на карту/кошелек/счет;
— Позволит записываться на групповые и персональные посещения;
— Поможет получить от клиента отзывы о визите к вам;
— Включает в себя сервис чаевых.
Для новых пользователей первый месяц бесплатно.
Зарегистрироваться в сервисе
Z1=
Принимаем z1
=
34, тогда число зубьев колеса z2
=
z1
·
u=
34·3.65=124,1. Принимаем z2
=
124.
Уточняем значение угла наклона зубьев:

Основные размеры шестерни и колеса:
диаметры делительные:

Проверка: мм;
диаметры вершин зубьев:
da
1
=
d
1
+2
mn
=68,86+2·2=72,86 мм;
da
2
=
d
2
+2
mn
=251,14+2·2=255,14 мм;
диаметры впадин зубьев:df
1
=
d1
- 2
mn
=68,86-2·2=64,86 мм;
df
2
=
d2 -
2
=
251,14-2·2=247,14 мм;
определяем ширину колеса : b2=
определяем ширину шестерни: b1
=
b2
+5мм =64+5=69 мм.
Определяем коэффициент ширины шестерни по диаметру:

Окружная скорость колес и степень точности передачи:

При такой скорости для косозубых колёс принимаем 8-ю степень точности, где коэффициент нагрузки равен:

КНβ
принимаем равным 1,04. 
, т.к. твердость материала меньше 350НВ.

Таким образом, KH
=
1,04·1,09·1,0=1,134.
Проверяем контактные напряжения по формуле:

Рассчитываем перегруз:

Перегруз в пределах нормы.
Силы, действующие в зацеплении:
окружная:
;
радиальная:
,
где =200
-угол зацепления в нормальном сечении;
=9,070
-угол наклона зубьев.
осевая:
Проверяем зубья на выносливость по напряжениям изгиба по формуле:
.
,
где =1,1 – коэффициент, учитывающий неравномерность распределения нагрузки по длине зуба (коэффициент концентрации нагрузок);
=1,1 – коэффициент, учитывающий динамическое действие нагрузки (коэффициент динамичности);
-коэффициент, учитывающий форму зуба и зависящий от эквивалентного числа зубьев 

Тогда:


Допускаемое напряжение по формуле
.
Для стали 45 улучшенной при твердости НВ≤350 σ0
F
lim
b
=1,8 НВ.
Для шестерни σ0
F
limb
=1,8·230=415 МПа; для колеса σ0
F
limb
=1,8·200=360 МПа.
[SF
]=[SF
]΄[SF
]˝ - коэффициент безопасности, где [SF
]΄=1,75, [SF
]˝=1 (для поковок и штамповок). Следовательно, .[SF
]=1,75.
Допускаемые напряжения:
для шестерни МПа;
для колеса МПа.
Находим отношение :
для шестерни ;
для колеса .
Дальнейший расчет следует вести для зубьев колеса, для которого найденное отношение меньше.
Определяем коэффициенты Yβ
и KFα
:

,
где К
Fα
- коэффициент, учитывающий неравномерность распределения нагрузки между зубьями;
=1,5 -
коэффициент торцового перекрытия;
n=8 -степень точности зубчатых колес.
Проверяем прочность зуба колеса по формуле:
;

Условие прочности выполнено.
Диаметры валов определяем по формуле:
.
Для ведущего вала [τк
] = 25 МПа; для ведомого [τк
] = 20 МПа.
Ведущий вал:

Для двигателя марки 4А 160М6У3 =48 мм. Диаметр вала dв1
=48
Примем диаметр вала под подшипниками d
п1
=40 мм
Диаметр муфты d
м
=0,8· = =38,4 мм. Принимаем d
м
=35 мм.
Свободный конец вала можно определить по приближенной формуле:
,
где dп
–
диаметр вала под подшипник.
Под подшипниками принимаем: 
Тогда l
=
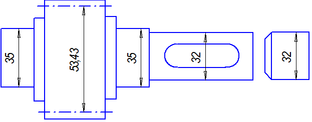
Схематичная конструкция ведущего вала изображена на рис. 3.1.
Рис. 3.1. Конструкция ведущего вала
Ведомый вал.
Диаметр выходного конца вала:
, принимаем ближайшее значение из стандартного ряда 
Под подшипниками берем 
Под зубчатым колесом 
Схематичная конструкция ведомого (тихоходного) вала показана на рис.3.2.
  
Рис. 3.2. Конструкция ведомого вала
Диаметры остальных участков валов назначают исходя из конструктивных соображений при компоновке редуктора.
4.1. Конструктивные размеры шестерни и колес
Шестерню выполняем за одно целое с валом. Её размеры:
ширина 
диаметр 
диаметр вершины зубьев 
диаметр впадин .
Колесо кованое:
ширина 
диаметр 
диаметр вершины зубьев 
диаметр впадин 
диаметр ступицы 
длина ступицы ,
принимаем 
Толщина обода: 
принимаем
Толщина диска: 
4.2. Конструктивные размеры корпуса редуктора
Толщина стенок корпуса и крышки:
, принимаем 
, принимаем .
Толщина фланцев поясов корпуса и крышки:
верхнего пояса корпуса и пояса крышки:


нижнего пояса корпуса:
, принимаем .
Диаметр болтов:
фундаментальных ; принимаем болты с резьбой М16;
крепящих крышку к корпусу у подшипников
; принимаем болты с резьбой М12;
соединяющих крышку с корпусом ; принимаем болты с резьбой М8.
4.3.Компановка редуктора
Первый этап служит для приближенного определения положения зубчатых колес относительно опор для последующего определения опорных реакций и подбора подшипников.
Компоновочный чертеж выполняется в одной проекции - разрез по осям валов при снятой крышке редуктора; масштаб 1:1.
Размеры корпуса редуктора:
принимаем зазор между торцом шестерни и внутренней стенкой корпуса (при наличии ступицы зазор берем от торца ступицы) ; принимаем А1
=10мм;
при наличии ступицы зазор берется от торца ступицы;
принимаем зазор от окружности вершин зубьев колеса до внутренней стенки корпуса ;
принимаем расстояние между наружным кольцом подшипника ведущего вала и внутренней стенкой корпуса ; если диаметр окружности вершин зубьев шестерни окажется больше наружного диаметра подшипника, то расстояние надо брать от шестерни.
Предварительно намечаем радиальные шарикоподшипники однорядные средней серии; габариты подшипников выбираем по диаметру вала в месте посадки подшипников и .(Таблица 1).
Таблица 1:
Габариты намеченных подшипников
| Вал
|
Условное обозначение подшипника
|
d
|
D
|
B
|
Грузоподъемность, кН
|
| размеры, мм
|
С
|
С0
|
| Быстроходный
|
208
|
40
|
80
|
18
|
32,0
|
17,8
|
| Тихоходный
|
211
|
55
|
100
|
21
|
43,6
|
25,0
|
Решаем вопрос о смазывании подшипников. Принимаем для подшипников пластичный смазочный материал. Для предотвращения вытекания смазки внутрь корпуса и вымывания пластичного смазочного материала жидким маслом из зоны зацепления устанавливаем мазеудерживающие кольца.
Эскизная компоновка изображена на рис. 4.1.
5.1. Ведущий вал
Из предыдущих расчетов имеем:

Определяем опорные реакции.
Расчетная схема вала и эпюры изгибающих моментов изображены на рис. 5.1
В плоскости YOZ:



Проверка:

в плоскости XOZ:




Проверка:

Суммарные реакции в опорах А и В:

Определяем моменты по участкам:
в плоскости YOZ:
сечение 1:
;
сечение 2: M =0
M
Сечение 3: М
M
в плоскости XOZ:
сечение 1: ;
=
сечение2: 
сечение3:

Строим эпюры изгибающих моментов.
Подбираем подшипник по наиболее нагруженной опоре. Намечаем радиальные шариковые подшипники 208: d
=40 мм;
D
=80 мм; В
=18 мм; С
=32,0 кН; Со
=
17,8кН.
Эквивалентная нагрузка определяется по формуле:
,
где RB
=2267,3 Н
=1 (вращается внутреннее кольцо);

- коэффициент безопасности для приводов ленточных конвейеров;
- температурный коэффициент.
Отношение ; этой величине соответствует .
Отношение ; Х=0,56 и
Y
=2,15

Расчетная долговечность по формуле:

где - частота вращения ведущего вала.
5.2.Ведомый вал
Ведомый вал несет такие же нагрузки, как и ведущий:


Расчетная схема вала и эпюры изгибающих моментов изображены на рис. 5.2
Определяем опорные реакции.
В плоскости YOZ:

Проверка:

В плоскости ХOZ:


Проверка:

Суммарные реакции в опорах А и В:

Определяем моменты по участкам:
в плоскости YOZ:
сечение 1: при х=0, ;
при x
=
l
1
, ;
сечение 2: при x
=
l
1
, ;
при х=
l
1
+
l
2
,
сечение 3:; 
в плоскости XOZ:
сечение 1: при х=0, ;
при x
=
l
1
, ;
сечение 2: при х=
l
1
+
l
2
,
сечение 3: при x
=
l
1
+
l
2
+
l
3
,
.
Строим эпюры изгибающих моментов.
Подбираем подшипник по наиболее нагруженной опоре и определяем их долговечность. Намечаем радиальные шариковые подшипники 211: d
=55 мм;
D
=100 мм; В
=21 мм; С
=43,6 кН; Со
=
25,0 кН.
Эквивалентная нагрузка определяется по формуле:
,
где RA
=4290,4 Н
=1 (вращается внутреннее кольцо);

- коэффициент безопасности для приводов ленточных конвейеров;
- температурный коэффициент.
Отношение ; этой величине соответствует e=0,20.
Отношение , тогда Х=1, Y=0. Поэтому

Расчетная долговечность, млн. об.

Расчетная долговечность, ч.

где - частота вращения ведомого вала.
Примем, что нормальные напряжения изгиба меняются по симметричному циклу, а касательные от кручения – по пульсирующему.
Уточненный расчет валов состоит в определении коэффициентов запаса прочности s для опасных сечений вала и сравнении их с требуемыми значениями [s]. Прочность соблюдена при .
6.1.Ведущий вал
Определяем суммарные изгибающие моменты. Значения изгибающих моментов по участкам берем с эпюр.
Сечение 1: при х=0, ;
при х=
l
3
, ;
Сечение 2: при х=
l
3
, ;
при х=
l
3
+
l
2
, ;
Сечение 3: при х=
l
3
+
l
2
, ;
при х=
l
3
+
l
2
+
l
1
, .
Крутящий момент:
.
Определяем опасные сечения. Для этого схематически изображаем вал (рис. 8.1)

Рис. 8.1 Схематическое изображение ведущего вала
Опасными являются два сечения: под левым подшипником и под шестерней. Они опасны, т.к. сложное напряженное состояние (изгиб с кручением), изгибающий момент значительный.
Концентраторы напряжений:
1) подшипник посажен по переходной посадке (напрессовка менее 20 МПа);
2) галтель (или проточка).
Определяем коэффициент запаса усталостной прочности.
При диаметре заготовки до 90мм среднее значение предела прочности для стали 45 с термообработкой - улучшение .
Предел выносливости при симметричном цикле изгиба:

Предел выносливости при симметричном цикле касательных напряжений:
.
Сечение А-А. Концентрация напряжений обусловлена посадкой подшипника с гарантированным натягом:

Т.к. давление напрессовки меньше 20 МПа, то снижаем значение данного отношения на 10 %.


для упомянутых выше сталей принимаем и 
Изгибающий момент из эпюр:

Осевой момент сопротивления:
Амплитуда нормальных напряжений:

Среднее напряжение: 
Полярный момент сопротивления:

Амплитуда и среднее напряжение цикла касательных напряжений по формуле:
Коэффициент запаса прочности по нормальным напряжениям по формуле:

Коэффициент запаса прочности по касательным напряжениям по формуле:

Результирующий коэффициент запаса прочности для сечения по формуле:

Результирующий коэффициент больше допустимых норм (1,5÷5). Следовательно, диаметр вала нужно уменьшить, что в данном случае делать не следует, т.к. такой большой коэффициент запаса прочности объясняется тем, что диаметр вала был увеличен при конструировании для соединения его стандартной муфтой с валом электродвигателя.
6.2.Ведомый вал:
Определяем суммарные изгибающие моменты. Значения изгибающих моментов по участкам берем с эпюр.
Сечение 1: при х=0, ;
при х=
l
1
, ;
Сечение 2: при х=
l
1
, ;
при х=
l
1
+
l
2
, ;
Сечение 3: при х=
l
1
+
l
2
, ;
при х=
l
1
+
l
2
+
l
3
,
Крутящий момент:
.
Определяем опасные сечения. Для этого схематически изображаем вал
(рис. 8.2)

Рис. 8.2 Схематическое изображение ведомого вала
Опасными являются два сечения: под правым подшипником и под шестерней.
Определяем коэффициент запаса усталостной прочности.
При диаметре заготовки до 90мм среднее значение предела прочности для стали 45 с термообработкой - нормализация .
Предел выносливости при симметричном цикле изгиба:

Предел выносливости при симметричном цикле касательных напряжений:

Сечение А-А. Считаем на усталость сечение под колесом, оно опасное, т.к. сложное напряженное состояние, значительный изгибающий момент, концентрация напряжения от двух концентраторов: шпоночное отверстие и посадка с гарантированным натягом.
d=
52 мм
; и ; масштабные факторы: и .
Для вала диаметром выбираем призматическую шпонку с сечением: b
=
18 мм,
h
=
11 мм
и глубиной паза вала .
Для упомянутых выше сталей принимают коэффициенты и .
Изгибающий момент: .
Момент сопротивления кручению:
W
к нетто
Момент сопротивления изгибу:

Амплитуда нормальных напряжений:

Среднее напряжение: 
Амплитуда и среднее напряжение цикла касательных напряжений:
Коэффициент запаса прочности по нормальным напряжениям:

Коэффициент запаса прочности по касательным напряжениям:

Результирующий коэффициент запаса прочности для сечения:

Сечение Б-Б. Концентрация напряжений обусловлена посадкой подшипника с гарантированным натягом:
; 
принимаем и 
Изгибающий момент из эпюр:

Осевой момент сопротивления:
Полярный момент сопротивления:

Амплитуда нормальных напряжений:

Среднее напряжение: 
Амплитуда и среднее напряжение цикла касательных напряжений:
Коэффициент запаса прочности по нормальным напряжениям:

Коэффициент запаса прочности по касательным напряжениям:

Результирующий коэффициент запаса прочности для сечения по формуле:

Т.к. результирующий коэффициент запаса прочности под подшипником меньше 3,5, то уменьшать диаметр вала не надо.
.
Материал шпонок – сталь 45 нормализованная.
Напряжения смятия и условие прочности определяем по формуле:
.
Максимальные напряжения смятия при стальной ступице [σсм
] = 100 120 МПа, при чугунной [σсм
] = 50 70 МПа.
Ведущий вал: d
=35 мм
, , t1
=5 мм,
l
=56 мм
, Мк1
=
.

Ведомый вал: d
=50 мм
, , t1
=5,5 мм,
l
=70 мм
, Мк2
=
.

Смазывание зубчатого зацепления производится окунанием зубчатого колеса в масло, заливаемое внутрь корпуса до уровня, обеспечивающего погружение колеса примерно на 10 мм. Объём масляной ванны определяем из расчёта 0,25 дм масла на 1 кВт передаваемой мощности:

Устанавливаем вязкость масла. При контактных напряжениях =400,91 МПа и скорости рекомендуемая вязкость масла должна быть примерно равна Принимаем масло индустриальное И-30А (по ГОСТ20799-75).
Перед сборкой внутреннюю полость корпуса редуктора тщательно очищают и покрывают маслостойкой краской.
Сборку производят в соответствии со сборочным чертежом редуктора, начиная с узлов валов:
на ведущий вал мазеудерживающие кольца и шарикоподшипники, предварительно нагретые в масле до 80-1000
С;
в ведомый вал закладывают шпонку и напрессовывают зубчатое колесо до упора в бурт вала; затем надевают распорную втулку, мазеудерживающие кольца и устанавливают шарикоподшипники, предварительно нагретые в масле.
Собрание валы укладывают в основание корпуса редуктора и надевают крышку корпуса, покрывая предварительно поверхность стыка крышки и корпуса спиртовым лаком. Для центровки устанавливают крышку на корпус с помощью двух конических штифтов; затягивают болты, крепящие крышку к корпусу.
После этого в подшипниковые камеры ведомого вала закладывают пластичную смазку, ставят крышки подшипников с комплектом металлических прокладок для регулировки.
Перед постановкой сквозных крышек в проточки закладывают резиновые армированные манжеты. Проверяют проворачиванием валов отсутствие заклинивания подшипников и закрепляют крышки болтами.
Затем ввертывают пробку маслоспускного отверстия с прокладкой и жезловый указатель.
Заливают в корпус масло и закрывают смотровое отверстие крышкой с прокладкой из технического картона; закрепляют крышку болтами.
Собранный редуктор обкатывают и подвергают испытанию на стенде по программе, устанавливаемой техническими условиями.
1. Курсовое проектирование деталей машин: Учебное пособие. /С.А. Чернавский, К.Н. Боков, И.М. Чернин и др. – 2-е изд., переработанное и дополненное. –М.: Машиностроение, 1988.-416 с.:ил.
2. Шейнблит А.Е. Курсовое проектирование деталей машин: Учебное пособие. –М.: Высшая школа. 1991.-43 с.: ил.
|