| Федеральное агентство по образованию
Государственное образовательное учреждение высшего профессионального образования
«Уральский государственный технический университет – УПИ
Имени первого Президента России Б.Н.Ельцина»
Нижнетагильский технологический институт (филиал)
Факультет общего и специального машиностроения
Кафедра общее машиностроение
Курсовой проект
Проектирование организации средств контроля в процессе производства детали валок правильный
Руководитель: Якимов М.А.
Студент группы ОС 55209: Путинцева А.И.
Члены комиссии:
Якимов М.А.
Пегашкина Е.В.
2009
Содержание
Введение
1. Исходные данные для проектирования
1.1 Марка и свойства материала
1.2 Вид производства
1.3 Объём партии
1.4 Вид заготовки
1.5 Маршрутное описание технологического процесса
2. Группирование объектов контроля
2.1 Контроль линейных размеров
2.2 Контроль размеров криволинейных поверхностей
2.3 Контроль угловых размеров
2.4 Комплексный контроль геометрических параметров
2.5 Контроль допусков позиционного расположения
2.6 Контроль формы и расположения поверхности
2.7 Контроль твердости поверхности
2.8 Контроль шероховатости поверхности
3. Классификация операций технического контроля
4. Выбор объектов контроля
4.1 Диаметральный размер
4.2 Линейный размер
4.3 Индивидуальный калибр
5. Составление технологического маршрута технического контроля
6. Выбор методов и средств контроля
7. Выбор схем контроля
8. Нормирование процесса контроля
9. Выбор разряда работ контролеров и расчет их количества
10. Выбор и расчет калибров
10.1 Калибры для валов
10.1.1 Расчет гладкой калибр-скобы
10.1.2. Схема расположений полей допусков калибр-скобы
10.2 Калибры для валов
10.1.1 Расчет
10.1.2. Схема расположений полей допусков
10.3 Калибры для отверстий
10.1.1 Расчет
10.1.2 Схема расположений полей допусков
10.4 Индивидуальный калибр
10.1.1 Расчет
10.1.2 Схема расположений полей допусков
11. Описание рабочего места контролера
12. Описание методов и приборов для неразрушающего контроля материалов и изделий
13. Описание методов и приборов для контроля шероховатости поверхности
14. Характеристика методов измерения твердости
15. Оформление карт технического контроля
Чертежи калибров
Планировка
Заключение
Список литературы
Забиваем Сайты В ТОП КУВАЛДОЙ - Уникальные возможности от SeoHammer
Каждая ссылка анализируется по трем пакетам оценки: SEO, Трафик и SMM.
SeoHammer делает продвижение сайта прозрачным и простым занятием.
Ссылки, вечные ссылки, статьи, упоминания, пресс-релизы - используйте по максимуму потенциал SeoHammer для продвижения вашего сайта.
Что умеет делать SeoHammer
— Продвижение в один клик, интеллектуальный подбор запросов, покупка самых лучших ссылок с высокой степенью качества у лучших бирж ссылок.
— Регулярная проверка качества ссылок по более чем 100 показателям и ежедневный пересчет показателей качества проекта.
— Все известные форматы ссылок: арендные ссылки, вечные ссылки, публикации (упоминания, мнения, отзывы, статьи, пресс-релизы).
— SeoHammer покажет, где рост или падение, а также запросы, на которые нужно обратить внимание.
SeoHammer еще предоставляет технологию Буст, она ускоряет продвижение в десятки раз,
а первые результаты появляются уже в течение первых 7 дней.
Зарегистрироваться и Начать продвижение
Введение
В современном мире операция и процессы технического контроля рассматриваются, как неотъемлемая часть технологии. Поэтому при проектировании технического контроля используются достижения технологической науки в области типизации процессов, повышения точности, производительности и надежности технологических систем.
Важнейшим моментом в технологической подготовки является не описание технологического контроля, а установление необходимости его проведения. При этом нельзя упускать из виду, что в процессе контроля не создаются материальные ценности, а всего лишь оценивают состояние этих материальных ценностей и их соответствие некоторым установленным требованиям.
При технологической подготовке производства устанавливает точность измерений и достоверность контроля; уровень автоматизации контрольных операций; производительность и качество труда контролеров; показатели экономической деятельности предприятия зависящие от того, в какой мере контроль стал надежным заслоном выпуску недоброкачественной продукции и его эффективности, как рычага эффективности качества.
Основными целями данной курсовой работы являются: закрепление знаний, полученных в дисциплине «Контроль качества»; приобретение практических навыков расчета калибров для различных видов размеров; самостоятельное изучение методов неразрушающего контроля.
1.
Исходные данные
1.1
Марка и свойства материала
В качестве материала для изготовления детали валок выбираем сталь 6ХС (ГОСТ 5950-74). Сталь инструментальная штамповая. Легирующие элементы оказывают разностороннее влияние на свойства стали. Хром и кремний повышает упругие свойства стали, а так же твердость; никель дает высокую прочность и пластичность, повышает коррозионную стойкость. Применение: Пневматические зубила и штампы небольших размеров, рубильные ножи. Химический состав в % материала 6ХС.
С: 0,6-0,7
Si: 0,6-1
Ni: до 0,35
S: до 0,03
P: до 0,03
Cr: 1-1,3
Mo: до 0,2
W: до 0,2
V: до 0,15
Ti: до 0,03
Q: до 0,03
Твердость материала 6ХС после отжига HB=229
Таблица 1. - Механические свойства при Т=20o
С материала 6ХС
| Сортамент
|
Размер
|
Напр.
|
ув
|
уT
|
д5
|
ш
|
KCU
|
Термообр.
|
| -
|
мм
|
-
|
МПа
|
МПа
|
%
|
%
|
кДж / м2
|
-
|
| Сталь
|
1400
|
1250
|
8
|
30
|
390
|
Закалка 880o
C, масло, Отпуск 500o
C, 2ч,
|
1.2
Вид производства
В зависимости от широты номенклатуры, регулярности, стабильности и объема выпуска изделий современное производство подразделяется на следующие типы: единичное, серийное и массовое.
Для производства детали валок выберем крупносерийный тип производства. При серийном производстве изделия изготавливаются партиями или сериями, состоящими из одноименных и однотипных по конструкции и одинаковых по размерам изделий, запускаемых в производство одновременно.
Сервис онлайн-записи на собственном Telegram-боте
Попробуйте сервис онлайн-записи VisitTime на основе вашего собственного Telegram-бота:
— Разгрузит мастера, специалиста или компанию;
— Позволит гибко управлять расписанием и загрузкой;
— Разошлет оповещения о новых услугах или акциях;
— Позволит принять оплату на карту/кошелек/счет;
— Позволит записываться на групповые и персональные посещения;
— Поможет получить от клиента отзывы о визите к вам;
— Включает в себя сервис чаевых.
Для новых пользователей первый месяц бесплатно.
Зарегистрироваться в сервисе
В зависимости от количества изделий в партии, трудоемкости, частоты повторяемости различают мелкосерийное, среднесерийное и крупносерийное виды производства. Серийное производство характеризуется ограниченной номенклатурой изделий, изготовляемых или ремонтируемых периодически повторяющимися партиями и сравнительно большим объемом выпуска. Серийное производство является основным типом в современной отрасли машиностроения и предприятиями этого типа выпускается 70 - 80% всей продукции машиностроительного производства. По всем технологическим и производственным характеристикам серийное производство занимает промежуточное положение между единичным и массовым производством. Изготовленные детали хранятся во время работы у станков и затем транспортируется всей партией.
1.3
Вид заготовки
Метод получения заготовки - горячая объёмная штамповка в открытых штампах на кривошипных горячештамповочных прессах.
Способ горячей объёмной штамповки наиболее широко распространен для получения качественных заготовок. Этим способом штамповки получают заготовки для ответственных деталей автомобилей, тракторов, сельскохозяйственных машин, железнодорожных вагонов, самолётов, металлообрабатывающих станков, швейных машин и т.д. Горячая объёмная штамповка наиболее эффективна при массовом, крупносерийном и серийном производствах деталей массой от нескольких граммов до нескольких тонн (примерно до 3 т). Наиболее целесообразно изготовление штамповкой поковок массой не более 50-100 кг.
Штамповка в открытых штампах характеризуется тем, что штамп в процессе деформирования остается открытым. Зазор между подвижной и неподвижной частями штампа является переменным, в него затекает (выдавливается) металл при деформировании, образуя заусенец, т.е. технологический припуск, размеры которого рассчитывают при проектировании технологии в зависимости от размеров поковки. Основное назначение этого заусенца-компенсация колебаний исходных заготовок по массе. Этот тип штампа можно применять для деталей любой конфигурации. Однако наличие заусенца увеличивает расход металла, кроме того, для обрезки заусенца необходимо применение специальных обрезных прессов и штампов.
На основании анализа конфигурации детали "Валок правильный", ее назначения, технических условий изготовления, материала, из которого она должна быть изготовлена, программы выпуска и условий производства наиболее оптимальным способом получения заготовки, обеспечивающим минимальную себестоимость изготовления детали, является способ горячей объёмной штамповки в открытых штампах на кривошипных горячештамповочных прессах. При этом получается качественная заготовка, имеющая профиль, повторяющий профиль готовой детали.
1.4
Маршрутное описание технологического процесса
005 2170 Заготовительная
010 4269 Фрезерно-центровальная.
015 4110 Токарная с ЧПУ.
020 4110 Токарная с ЧПУ.
025 4110 Токарная с ЧПУ.
030 4261 Шпоночно-фрезерная с ЧПУ.
035 5130 Закалка ТВЧ.
040 4131 Кругло-шлифовальная.
045 4110 Токарная с ЧПУ.
050 4110 Токарная с ЧПУ.
055 Обкатывание шариковыми обкатниками
060 0130 Промывка
065 0200 Контроль
070 0830 Упаковка
075 0401 Транспортировка
2
Группирование объектов контроля
Классификация операций контроля используются при решении следующих задач:
1. упорядочение текстовой части технологических процессов с применением стандартизированных терминов технологических операций;
2. объединение однородных операций для организации специализированных производственных подразделений;
3. укрупненный расчет трудовых нормативов;
4. анализ трудоемкости технологических операций для ликвидации «узких» мест в производстве;
5. оперативно-календарное и технико-экономическое планирование производства;
6. создание условий для автоматизированной разработки технологических процессов.
Создание группы объектов контроля, обладающие идентичными контролируемыми признаками.
2.1
Линейные размеры, мм
23; 52; 3,5; 54; 2,7; 65-0,2
; 47,5; 20-0,1
; 265h12; 20-0,1
; 60,5; 65,5; 305-0,2
; 520,5-0,2
; 30; 4,3; 7,6; 5,5; ;
2.2
Диаметральные размеры, мм
Наружные диаметры:
М70х2-7g; ; ; ; ; ; ; ; 
Внутренние диаметры:
;
Резьбовые поверхности:
М10;
2.3
Радиусы скруглений, мм
R1; R3,8; R1,6; R2,5; R0,2; R3; R7;
2.4
Фаски, мм
1,2х45˚; 3х20˚; 6х45˚; 2х45˚;
2.5
Биения
На рабочем чертеже детали задано радиальное биение 0,25 мм на относительно базы А, радиальное биение 0,01 мм на относительно баз А, Б, радиальное биение 0,02 мм на относительно базы Б.
2.6
Шероховатости поверхностей
Ra 0,63 на 
Ra 0,63 на 
Ra 1,25 на 
Ra 1,25 (0,10) на 
Ra 1,25 на 
Ra 1,25 на 
Ra 6,3 на размер 520,5-0,2
Ra 6,3 на размер 4,3
Ra 6,3 на размер 7,6
Ra 6,3 на размер 5,5
Ra 2,5 на остальных поверхностях
2.7 Твердость поверхности
Твердость на калибрующей поверхности 50…60 HRCЭ
.
3
Классификация операций технического контроля
Контроль линейных размеров между плоскими поверхностями:
Код операции 0221.
К этой группе относятся размеры, мм:
23; 52; 3,5; 54; 2,7; 65-0,2
; 47,5; 20-0,1
; 265h12; 20-0,1
; 60,5; 65,5; 305-0,2
; 520,5-0,2
; 30; 4,3; 7,6; 5,5; ;
1. Контроль размеров криволинейных поверхностей:
диаметра, код операции 0227.
К этой группе относятся размеры, мм:
М70х2-7g; ; ; ; ; ; ; ; ; М10;
радиуса, код операции 0228.
К этой группе относятся размеры, мм:
R1; R3,8; R1,6; R2,5; R0,2; R3; R7;
2. Комплексный контроль:
Радиальное биение, код операции 0272.
К этой группе относятся:
Радиальное биение 0,25 мм на относительно базы А, радиальное биение 0,01 мм на относительно баз А, Б, радиальное биение 0,02 мм на относительно базы Б;
3. Контроль внешнего вида изделия:
Код операции 0387.
К этой группе относятся:
Ra 0,63 на ; Ra 0,63 на ; Ra 1,25 на ;
Ra 1,25 (0,10) на ; Ra 1,25 на ; Ra 1,25 на ;
Ra 6,3 на размер 520,5-0,2
; Ra 6,3 на размер 4,3; Ra 6,3 на размер 7,6
Ra 6,3 на размер 5,5; Ra 2,5 на остальных поверхностях;
4. Контроль качественных характеристик:
Неразрушающий контроль: магнитопорошковый, код операции 0378.
4
Выбор объектов контроля
Выберем в каждой группе объект контроля, состояние качества которого влияет на качество, выпускаемой продукции, т.е. те размеры, к которым предъявляются наибольшие требования по точности изготовления.
1. Диаметральный размер, мм:
наружный диаметр ø235h6;
внутренний диаметр ø9H9.
2. Линейный размер, мм: 265h12.
3. Размер шпоночного паза, мм: 14P9.
5
Составление технологического маршрута процесса технического контроля
Контроль качества заготовок, обрабатываемых резанием, представлен семью типовыми процессами. В общем виде маршрут технического контроля содержит:
Входной контроль
(контроль марки материала, геометрических и физических параметров, внешнего вида объектов).
Операционный контроль
(контроль геометрических параметров, внешнего вида объектов).
Специальный контроль
деталей в специализированных пунктах (геометрических и физических параметров объектов).
Приемочный контроль
партии деталей по геометрическим параметрам, внешнему виду, наличию клейм и документации.
К отличительным особенностям технического контроля при обработке деталей резанием относят: преимущественное применение измерительных методов, среднюю и большую применяемость деталей, что создает благоприятные условия для использования статистических методов технического контроля, повышенную точность контролируемых параметров, широкую возможность применения универсально-сборочных приспособлений контроля и калибров, большую трудоемкость ручного технического контроля при повышенном разряде контрольных работ.
6
Выбор методов и средств контроля
Метод контроля на разрабатываемой операции окончательного контроля ручной, т.е. этот контроль осуществляется без использования средств механизации и автоматизации. Все операции контроля осуществляет человек
Выберем средства контроля для каждого контролируемого на операции размера.
1. Наружный диаметр, мм:
M70x2-7g контролируется калибр-кольцом (ГОСТ 24939-81);
ø70n6 контролируется односторонней калибр-скобой 8113-0149 n6 (ГОСТ 18360-93)
ø85h9 контролируется односторонней калибр-скобой 8113-0155 h9 (ГОСТ 18360-93)
ø235h6 контролируется односторонней калибр - скобой 8113-0310 h6 (ГОСТ 18360-93);
ø65,5h12 контролируется односторонней калибр - скобой 8113-0147 h12 (ГОСТ 18360-93);
ø65h6 контролируется односторонней калибр - скобой 8113-0147 h6 (ГОСТ 18360-93);
ø45r6 контролируется односторонней калибр - скобой 8113-0136 r 6 (ГОСТ 18360-93);
2. Внутренний диаметр, мм:
М10 контролируется калибр – пробкой (ГОСТ24939-81);
3. Линейные размеры, фаски, скругления, мм:
23h12 контролируется линейным односторонним шаблоном;
52h12 контролируется линейным односторонним шаблоном;
3,5 h12 контролируется штангенциркулем ШЦ-I 0-125-0,1 (ГОСТ 166-89);
60,5h12; 54h12 и 2,7 h12; R1,6h12 контролируется фасонным шаблоном сложного профиля;
65h11 и R3 h12; 2х45о
; контролируется фасонным простым шаблоном;
47,5h12; R1,6h12; R1h12 контролируется фасонным шаблоном сложного профиля
20h9 и 3х20о
h12 контролируется фасонным простым шаблоном
265h12 контролируется калибр – скобой 8102-0087h12 (ГОСТ 18355-73); 20h9 и 3х20о
h12 контролируется фасонным простым шаблоном
65,5h12 контролируется линейным односторонним шаблоном
305h9 контролируется односторонняя калибр-скоба 8102-0091 ГОСТ 18355-73; 520,5h9 контролируется
30h12 контролируется штангенглубиномером;
4,3h12 контролируется линейным односторонним шаблоном;
7,6h12 контролируется линейным односторонним шаблоном;
5,5 h12 контролируется линейным односторонним шаблоном;
R3,8h12 контролируется линейным односторонним шаблоном;
R2,5h12 контролируется линейным односторонним шаблоном;
R0,2h12 контролируется линейным односторонним шаблоном;
R7h12 контролируется линейным односторонним шаблоном;
1,2x45o
h12 контролируется линейным односторонним шаблоном;
6x45o
h12 контролируется линейным односторонним шаблоном;
4. Размер шпоночного паза, мм:
14P9 контролируется калибр-призмой;
5. Для контроля биения применяют специальный прибор ПБ-500М ТУ 2-034-543-81.
6. Шероховатость поверхностей проверяется сравнением шероховатости детали с образцами шероховатости ГОСТ 9378-93 или с образцовой деталью.
7. Твердость детали контролируется по методу Роквелла.
7.
Выбор схемы контроля
Выбор схем контроля основывается на определении контрольных точек объекта, где осуществляется съем информации о контролируемых параметрах и выбирается средство контроля. Число контрольных точек учитывается при расчете норм времени на контрольные операции.
Контрольная точка – место расположения первичного источника информации о контролируемом параметре объекта контроля, которая может явиться частью (элементом) контролируемого предмета или находится на некотором удалении от него.
ДП – длина поверхности, мм; КТ – контролируемые точки.
Размер 23h12, длина поверхности 7,6 мм.
Для данного размера и точности поверхности на ДП = 100 КТ = 1.
Размер 52h12, длина поверхности 14 мм.
Для данного размера и точности поверхности на ДП = 300 КТ = 1.
Размер 3,5h12, длина поверхности 45 мм.
Для данного размера и точности поверхности на ДП = 100 КТ = 1.
Размер 54h12, длина поверхности 70 мм.
Для данного размера и точности поверхности на ДП = 300 КТ = 1.
Размер 2,7h12, длина поверхности 65,5 мм.
Для данного размера и точности поверхности на ДП = 100 КТ = 1.
Размер 65h11, длина поверхности 45 мм.
Для данного размера и точности поверхности на ДП = 300 КТ = 1.
Размер 47,5h12, длина поверхности 70 мм.
Для данного размера и точности поверхности на ДП = 100 КТ = 1.
Размер 20h9, длина поверхности 85 мм.
Для данного размера и точности поверхности на ДП = 100 КТ = 3.
Размер 265h12, длина поверхности 235 мм.
Для данного размера и точности поверхности на ДП = 300 КТ = 1.
Размер 20h9, длина поверхности 85 мм.
Для данного размера и точности поверхности на ДП = 100 КТ = 3.
Размер 60,5h12, длина поверхности 70 мм.
Для данного размера и точности поверхности на ДП = 300 КТ = 1.
Размер 65,5h12, длина поверхности 70 мм.
Для данного размера и точности поверхности на ДП = 300 КТ = 1.
Размер 305h9, длина поверхности 235 мм.
Для данного размера и точности поверхности на ДП = 300 КТ = 1.
Размер 520,5h9, длина поверхности 70 мм.
Для данного размера и точности поверхности на ДП = 300 КТ = 1.
Размер 30h12, длина поверхности 10 мм.
Для данного размера и точности поверхности на ДП = 100 КТ = 1.
Размер 4,3h12, длина поверхности 7,6 мм.
Для данного размера и точности поверхности на ДП = 100 КТ = 1.
Размер 7,6h12, длина поверхности 4,3 мм.
Для данного размера и точности поверхности на ДП = 100 КТ = 1.
Размер 5,5h12, длина поверхности 14 мм.
Для данного размера и точности поверхности на ДП = 100 КТ = 1.
Размер 14P9, длина поверхности 5,5 мм.
Для данного размера и точности поверхности на ДП = 50 КТ = 2.
Размер M70x2-7g, длина поверхности 18 мм.
Для данного размера и точности поверхности на ДП = 50 КТ = 1.
Размер ø70n6, длина поверхности 47,5 мм.
Для данного размера и точности поверхности на ДП = 50 КТ = 1.
Размер ø85h9, длина поверхности 20 мм.
Для данного размера и точности поверхности на ДП = 300 КТ = 2.
Размер ø235h6, длина поверхности 265 мм.
Для данного размера и точности поверхности на ДП = 300 КТ = 2.
Размер ø85h9, длина поверхности 20 мм.
Для данного размера и точности поверхности на ДП = 300 КТ = 2.
Размер ø70n6, длина поверхности 47,5 мм.
Для данного размера и точности поверхности на ДП = 50 КТ = 1.
Размер ø65,5h12, длина поверхности 2,7 мм.
Для данного размера и точности поверхности на ДП = 300 КТ = 1.
Размер ø65h11, длина поверхности 45 мм.
Для данного размера и точности поверхности на ДП = 300 КТ = 1.
Размер ø45r6, длина поверхности 65 мм.
Для данного размера и точности поверхности на ДП = 100 КТ = 3.
Размер M10H9, длина поверхности 30 мм.
Для данного размера и точности поверхности на ДП = 50 КТ = 2.
Размер R1h12, длина поверхности 70 мм.
Для данного размера и точности поверхности на ДП = 100 КТ = 1.
Размер R3,8h12, длина поверхности 4,3 мм.
Для данного размера и точности поверхности на ДП = 100 КТ = 1.
Размер R1,6h12, длина поверхности 70 мм.
Для данного размера и точности поверхности на ДП = 100 КТ = 1.
Размер R2,5h12, длина поверхности 65 мм.
Для данного размера и точности поверхности на ДП = 100 КТ = 1.
Размер R0,2h12, длина поверхности 70 мм.
Для данного размера и точности поверхности на ДП = 100 КТ = 1.
Размер R3h12, длина поверхности 45 мм.
Для данного размера и точности поверхности на ДП = 100 КТ = 1.
Размер R7h12, длина поверхности 5,5 мм.
Для данного размера и точности поверхности на ДП = 100 КТ = 1.
Размер 1,2x45o
h12, длина поверхности 70 мм.
Для данного размера и точности поверхности на ДП = 100 КТ = 1.
Размер 3x20o
h12, длина поверхности 85 мм.
Для данного размера и точности поверхности на ДП = 100 КТ = 1.
Размер 6x45o
h12, длина поверхности 235 мм.
Для данного размера и точности поверхности на ДП = 100 КТ = 1.
8.
Нормирование процесса контроля
Для нормирования процесса технического по переходам применяют нормативы времени на технический контроль.
1. Установка, снятие и перемещение деталей для измерений.
Содержание работы:
Установка и снятие подъемником:
1 – застропить деталь, поднять подъемником, подвести и установить на стол для измерения, расстропить;
2 – застропить деталь, поднять подъемником, установить на рольганг или навесить на конвейер, расстропить.
При массе детали 95 кг время на одну деталь – 0,44 мин.
2. Контроль детали внешним осмотром.
Содержание работы:
При работе подъемником:
1 – застропить деталь (заготовку) и поднять ее;
2 – проверить ее внешним осмотром;
3 – установить деталь (заготовку) на место, расстропить;
При массе детали из стали 95 кг время на одну деталь – 0,507 мин.
3. Проверка размера M70x2-7g калибр-кольцом.
Содержание работы:
1 – взять калибр-кольцо;
2 – выполнить измерение;
3 – положить калибр-кольцо на место;
При длине поверхности 18 мм и шаге резьбы 2, время на измерение ПР и НЕ кольцом 0,460 мин
4. Проверка размера ø70n6 скобой односторонней.
Содержание работы:
1 – взять скобу;
2 – выполнить измерение;
3 – положить скобу на место;
При длине поверхности 47,5 мм, время на измерение 0,079 мин, т.к. размер имеет 6-й квалитет точности, то применяемый коэффициент 1,2, тогда время проверки составит: 
5. Проверка размера ø85h9 скобой односторонней.
Содержание работы:
1 – взять скобу;
2 – выполнить измерение;
3 – положить скобу на место;
При длине поверхности 20 мм, время на измерение 0,072 мин, т.к. размер имеет 9-й квалитет точности, то применяемый коэффициент 1, тогда время проверки составит: 
6. Проверка размера ø235h6 скобой односторонней.
Содержание работы:
1 – взять скобу;
2 – выполнить измерение;
3 – положить скобу на место;
При длине поверхности 265 мм, время на измерение 0,134 мин, т.к. размер имеет 6-й квалитет точности, то применяемый коэффициент 1,2, тогда время проверки составит: 
7. Проверка размера ø85h9 скобой односторонней.
Содержание работы:
1 – взять скобу;
2 – выполнить измерение;
3 – положить скобу на место;
При длине поверхности 20 мм, время на измерение 0,072 мин, т.к. размер имеет 9-й квалитет точности, то применяемый коэффициент 1, тогда время проверки составит: 
8. Проверка размера ø70n6 скобой односторонней.
Содержание работы:
1 – взять скобу;
2 – выполнить измерение;
3 – положить скобу на место;
При длине поверхности 47,5 мм, время на измерение 0,079 мин, т.к. размер имеет 6-й квалитет точности, то применяемый коэффициент 1,2, тогда время проверки составит: 
9. Проверка размера ø65,5h12 скобой односторонней.
Содержание работы:
1 – взять скобу;
2 – выполнить измерение;
3 – положить скобу на место;
При длине поверхности 2,7 мм, время на измерение 0,072 мин, т.к. размер имеет 12-й квалитет точности, то применяемый коэффициент 0,85, тогда время проверки составит: 
10. Проверка размера ø65h6 скобой односторонней.
Содержание работы:
1 – взять скобу;
2 – выполнить измерение;
3 – положить скобу на место;
При длине поверхности 2,7 мм, время на измерение 0,072 мин, т.к. размер имеет 11-й квалитет точности, то применяемый коэффициент 0,85, тогда время проверки составит: 
11. Проверка размера ø45r6 скобой односторонней.
Содержание работы:
1 – взять скобу;
2 – выполнить измерение;
3 – положить скобу на место;
При длине поверхности 65 мм, время на измерение 0,078 мин, т.к. размер имеет 6-й квалитет точности, то применяемый коэффициент 1,2, тогда время проверки составит: 
12. Проверка размера M10 калибр-пробкой.
Содержание работы:
1 – взять калибр-пробку;
2 – выполнить измерение;
3 – положить калибр- пробку на место;
При длине поверхности 30 мм, с шагом 1,5 время на измерение ПР и НЕ кольцом 0,640 мин
13. Проверка размера 23h12 шаблоном.
Содержание работы:
1 – взять шаблон;
2 – выполнить измерение;
3 – положить шаблон на место;
При точности поверхности 0,15-0,25 мм, время на измерение 0,050 мин
14. Проверка размера 52h12 шаблоном.
Содержание работы:
1 – взять шаблон;
2 – выполнить измерение;
3 – положить шаблон на место;
При точности поверхности 0,15-0,25 мм, время на измерение 0,050 мин
15. Проверка размера 3,5h12 штангенциркулем.
Содержание работы:
1 – взять штангенциркуль;
2 – выполнить измерение;
3 – положить штангенциркуль на место;
При длине поверхности 45 мм, время на измерение 0,050 мин
16. Проверка размера 60,5h12; 54h12 и 2,7 h12; R1,6h12 фасонным шаблоном сложного профиля.
Содержание работы:
1 – взять шаблон;
2 – выполнить измерение;
3 – положить шаблон на место;
При точности поверхности 0,15-0,25 мм, время на измерение 0,090 мин
17. Проверка размера 65h11 и R3 h12; 2х45о
; фасонным простым шаблоном.
Содержание работы:
1 – взять шаблон;
2 – выполнить измерение;
3 – положить шаблон на место;
При точности поверхности 0,15-0,25 мм, время на измерение 0,070 мин
18. Проверка размера 47,5h12; R1,6h12; R1h12 фасонным шаблоном сложного профиля.
Содержание работы:
1 – взять шаблон;
2 – выполнить измерение;
3 – положить шаблон на место;
При точности поверхности 0,15-0,25 мм, время на измерение 0,090 мин
19. Проверка размера 20h9 и 3х20о
h12 фасонным простым шаблоном.
Содержание работы:
1 – взять шаблон;
2 – выполнить измерение;
3 – положить шаблон на место;
При точности поверхности 0,15-0,25 мм, время на измерение 0,070 мин
20. Проверка размера 265h12 скобой односторонней .
Содержание работы:
1 – взять скобу;
2 – выполнить измерение;
3 – положить скобу на место;
При длине поверхности 235 мм, время на измерение 0,134 мин, т.к. размер имеет 12-й квалитет точности, то применяемый коэффициент 0,85, тогда время проверки составит: 
21. Проверка размера 20h9 и 3х20о
h12 фасонным простым шаблоном.
Содержание работы:
1 – взять шаблон;
2 – выполнить измерение;
3 – положить шаблон на место;
При точности поверхности 0,15-0,25 мм, время на измерение 0,070 мин
22. Проверка размера 65,5h12 шаблоном.
Содержание работы:
1 – взять шаблон;
2 – выполнить измерение;
3 – положить шаблон на место;
При точности поверхности 0,15-0,25 мм, время на измерение 0,050 мин
23. Проверка размера 305h9 скобой односторонней .
Содержание работы:
1 – взять скобу;
2 – выполнить измерение;
3 – положить скобу на место;
При длине поверхности 235 мм, время на измерение 0,134 мин, т.к. размер имеет 9-й квалитет точности, то применяемый коэффициент 1, тогда время проверки составит: 
24. Проверка размера 520,5h9 скобой односторонней .
Содержание работы:
1 – взять скобу;
2 – выполнить измерение;
3 – положить скобу на место;
При длине поверхности 70 мм, время на измерение 0,114 мин, т.к. размер имеет 9-й квалитет точности, то применяемый коэффициент 1, тогда время проверки составит: 
25. Проверка размера 30h12 штангенглубиномером.
Содержание работы:
1 – взять штангенглубиномер;
2 – выполнить измерение;
3 – положить штангенглубиномер на место;
С установкой на размер, время на измерение 0,086 мин
26. Проверка размера 4,3h12 шаблоном.
Содержание работы:
1 – взять шаблон;
2 – выполнить измерение;
3 – положить шаблон на место;
При длине поверхности 7,6 мм, время на измерение 0,050 мин
27. Проверка размера 7,6h12 шаблоном.
Содержание работы:
1 – взять шаблон;
2 – выполнить измерение;
3 – положить шаблон на место;
При длине поверхности 4,3 мм, время на измерение 0,050 мин
28. Проверка размера 5,5h12 шаблоном.
Содержание работы:
1 – взять шаблон;
2 – выполнить измерение;
3 – положить шаблон на место;
При длине поверхности 14мм, время на измерение 0,050 мин
29. Проверка размера 14Р9 шаблоном.
Содержание работы:
1 – взять шаблон;
2 – выполнить измерение;
3 – положить шаблон на место;
При точности измерения 0,2-0,5 мм, время на измерение 0,050 мин.
30. Проверка размера R3,8h12 шаблоном.
Содержание работы:
1 – взять шаблон;
2 – выполнить измерение;
3 – положить шаблон на место;
При точности измерения 0,2-0,5 мм, время на измерение 0,050 мин.
31. Проверка размера R2,5h12 шаблоном.
Содержание работы:
1 – взять шаблон;
2 – выполнить измерение;
3 – положить шаблон на место;
При точности измерения 0,2-0,5 мм, время на измерение 0,050 мин.
32. Проверка размера R0,2h12 шаблоном.
Содержание работы:
1 – взять шаблон;
2 – выполнить измерение;
3 – положить шаблон на место;
При точности измерения 0,2-0,5 мм, время на измерение 0,050 мин.
33. Проверка размера R7h12 шаблоном.
Содержание работы:
1 – взять шаблон;
2 – выполнить измерение;
3 – положить шаблон на место;
При точности измерения 0,2-0,5 мм, время на измерение 0,050 мин.
34. Проверка размера 1,2x45o
шаблоном.
Содержание работы:
1 – взять шаблон;
2 – выполнить измерение;
3 – положить шаблон на место;
При точности измерения 0,2-0,5 мм, время на измерение 0,050 мин.
35. Проверка размера 6x45o
шаблоном.
Содержание работы:
1 – взять шаблон;
2 – выполнить измерение;
3 – положить шаблон на место;
При точности измерения 0,2-0,5 мм, время на измерение 0,050 мин.
36. Проверка размера 6x45o
шаблоном.
Содержание работы:
1 – взять шаблон;
2 – выполнить измерение;
3 – положить шаблон на место;
При точности измерения 0,2-0,5 мм, время на измерение 0,050 мин.
38. Контроль механических свойств материала.
Содержание работы:
1 – взять деталь, установить её в приспособление;
2 – проверить твердость детали приборами Роквелла;
3 – снять и отложить деталь;
При массе детали 95 кг, время на одну деталь 0,41 мин;
39. Проверка деталей на биение в приспособлении.
Содержание работы:
1 – застропить деталь, поднять подъемником, подвести и установить для контроля расстропить;
2 – проверить деталь на биение по индикатору и проверить длину шаблоном;
3 – расстропить деталь, поднять подъемником, установить на рольганг, расстропить;
При массе детали 95 кг, время на одну деталь 0,86 мин;
Оперативное время
=0,507+0,460+0,0948+0,072+0,1608+0,072+0,1608+0,072+0,0948+0,0612+0,0612+0,0936+0,640х2+0,050x3+0,90+0,070+0,090+0,070+0,1139+0,070+0,050+0,134+0,114+0,086+0,050x12+0,41 +0,86 =6,0981мин
Вспомогательное время (10,табл.42)
мин
где аобс
=2% от оперативного – время обслуживания рабочего места(содержание работ: получение недостающих контрольно-измерительных приборов в процессе работы. Чистка, смазка и настройка контрольно-измерительных приборов в процессе работы.);
аотл
=5% от оперативного – время на отдых и личные надобности;
адф
=9% от оперативного – время на дополнительные функции;
апз
=6% от оперативного –подготовительно-заключительное время;
К=1,1 – поправочный коэффициент, учитывающий выпуск изделий в месяц.
Время на контроль детали:
9.
Выбор разряда работ контролеров и расчет их количества
Выберем разряд работ контролера, устанавливаемые по наименованию объектов контроля: 2-й Валы редукторов. Втулки, кронштейны, патрубки, ступицы, тройники и фланцы.
Разряд работ контролеров, устанавливаемый по важности выполняемых объектом контроля функций: 3-й – ответственная.
Разряд работ контролеров, устанавливаемый по сложности конструкции детали: 4-й – сложная.
Разряд работ контролеров, устанавливаемый по контролируемому параметру детали и сборочных единиц: 1-2-й – детали: линейные размеры, угловые размеры, криволинейные поверхности и резьбы.
Разряд работ контролеров, устанавливаемый по точности параметров: 4-й – 5-я и меньшие степени точности отклонения расположения поверхностей; 5-й квалитет и менее точные размеры.
Разряд работ контролеров, устанавливаемый по наименованию средств контроля: 1-й – простейшие контрольно – измерительные инструменты. Линейные, жесткие и установочные скобы. Шаблоны, гладкие калибры и кольца. Резьбовые калибры и кольца.
Разряд работ контролеров, устанавливаемый по специальным требованиям к контролеру: 2-й разряд – Приемка детали по чертежам и ТУ. Определение качества детали и ее соответствия ТУ. Оформление документации на принятую и забракованную продукцию.
Принимаемый разряд работ контролеров 3-й.
Численность работников ОТК определяют, используя известные методы расчетов численности вспомогательных рабочих, т.е. по трудоемкости работ, нормам выработки, нормативам численности и рабочим местам.
1.Численность инженерно-технических работников (ИТР) и служащих ОТК по числу рабочих мест рассчитываем по формуле, где М и Т – число соответственно рабочих мест и технологических операций в основном производстве.
В данном технологическом процессе М = 18 ; Т = 8 ( на основании курсового проекта по «Планировке механообрабатывающего участка»
Тогда =0,564
человек.
где =0,564 человек.
2. Число контролеров для среднесерийного производства вычисляется на основе норм обслуживания и при, отсутствия самоконтроля, рассчитывается по формуле:
,
где Нчр
= 11 человек – численность основных производственных рабочих для каждой смены в отдельности;
Нок
– норма обслуживания, скорректированная в соответствии с фактическими производственными условиями;

где Но
– число основных производственных рабочих, обслуживаемых одним контролером (Но
= 12);
Кт
– коэффициент, учитывающий точность детали (Кт
= 0,9);
Ксл
– коэффициент, учитывающий сложность детали (Ксл
= 1);
Кк
– коэффициент, учитывающий вид контроля (Кк
= 1);

Принимаем Нч
= 2 человека
3. Число контрольных мастеров:

Принимаем Нм
= 1 человек.
10.
Выбор и расчет калибров
a. Гладкая калибр – скоба для размера ø235h6
i. Расчет гладкой калибр - скобы;
1. Определяем исполнительные и предельные размеры калибр – скобы для контроля вала D – 235h6 мм:
es = 0 мм;
ei = -0,029 мм;
Td = es – ei;
Td = 0 – (- 0,029) = 0,029 (мм).
dmax
= dном
+ es;
dmax
= 235 + 0 = 235 (мм).
dmin
= dном
+ ei;
dmin
= 235 – 0,029 = 234,971 (мм).
Предельные отклонения и допуски калибров выбираем по ГОСТ 24853-81:
Z1 = 7 мкм, Y1= 5 мкм, H1= 10 мкм, Hр= 4,5 мкм, .
Вычисляем исполнительные размеры калибр – скобы.
Проходной новой стороны:
;

Непроходной стороны:

(мм).
Проходной изношенной стороны:


Определяем исполнительные размеры контрольных калибров.
Проходной новой стороны:
;

:

(мм).
Изношенной проходной стороны:


Результаты расчетов сведем в таблицу.
Таблица 1. - Результаты
| Сторона калибра
|
Рабочий калибр, мм
|
Контрольный калибр, мм
|
| Проходная
|
Р – ПРmax
=234,998
Р – ПРmin
=234,988
|
К – ПРmax
=234,99525
К – ПРmin
=234,99075
|
| Непроходная
|
Р – НЕmax
=234,978
Р – НЕmin
=234,968
|
К – НЕmax
=234,97525
К – НЕmin
=234,97075
|
| Проходная изношенная
|
Р - ПРизн
=235,003
|
К – Иmax
= 235,00525
К – Иmin
= 235,00075
|
Схема 1 расположения полей допусков гладкой калибр - скобы;

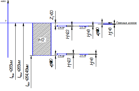
Гладкая калибр – скоба для длин на размер 265h12
Расчет гладкой калибр – скобы.
1. Определяем исполнительные и предельные размеры калибр – скобы для контроля длины – 265h12мм:
es = 0 мм;
ei = -0,52 мм;
Td = es – ei;
Td = 0 – (- 0,52) = 0,52 (мм).
Lmax
= Lном
+ es;
Lmax
= 265 + 0 = 265 (мм).
Lmin
= Lном
+ ei;
Lmin
= 265 – 0,52 = 264,48 (мм).
2. Предельные отклонения и допуски калибров выбираем по ГОСТ 24853-81:
Z1
= 50 мкм, Y1
= 0 мкм, H1
= 23 мкм, Hр
= 8 мкм, .
3. Вычисляем исполнительные размеры калибр – скобы.
Проходной новой стороны;
;

Непроходной стороны:

(мм).
Проходной изношенной стороны:


4. Определяем исполнительные размеры контрольных калибров.
Проходной новой стороны:
;

:

(мм).
Изношенной проходной стороны:


Результаты расчетов сведем в таблицу.
Таблица 2. - Результаты
| Сторона калибра
|
Рабочий калибр, мм
|
Контрольный калибр, мм
|
| Проходная
|
Р – ПРmax
=264,9615
Р – ПРmin
=264,9385
|
К – ПРmax
=264,954
К – ПРmin
=264,946
|
| Непроходная
|
Р – НЕmax
=264,5115
Р – НЕmin
=264,4885
|
К – НЕmax
=264,504
К – НЕmin
=264,496
|
| Проходная изношенная
|
Р - ПРизн
=264,98
|
К – Иmax
= 264,984
К – Иmin
= 264,976
|

Схема расположения полей допусков гладкой калибр - скобы;
Гладкая калибр – пробка для размера ø9H9
Расчет гладкой калибр - пробки;
1. Определяем исполнительные и предельные размеры калибр – пробки для контроля отверстия ø9H9 мм:
ES = 36 мкм;
EI = 0 мкм;
Td = ES – EI;
Td = 0,036 – 0 = 0,036 (мм).
Dmax
= Dном
+ ES;
Dmax
= 9 + 0,036 = 9,036 (мм).
Dmin
= Dном
+ EI;
Dmin
= 9 + 0 = 9 (мм).
2. Предельные отклонения и допуски калибров выбираем по ГОСТ 24853-81:
Z = 7 мкм, Y1
= 0 мкм, H= 2,5 мкм, Hр
= 1,5 мкм, .
3. Вычисляем исполнительные размеры калибр – пробки.
Проходной новой стороны:
Непроходной стороны:
(мм).
Проходной изношенной стороны:
Результаты расчетов сведем в таблицу.
| Сторона калибра
|
Рабочий калибр, мм
|
| Проходная
|
Р – ПРmax
=9,00825
Р – ПРmin
=9,00575
|
| Непроходная
|
Р – НЕmax
=9,03725
Р – НЕmin
=9,03475
|
| Проходная изношенная
|
Р - ПРизн
=9
|

Схема расположения полей допусков гладкой калибр - скобы;
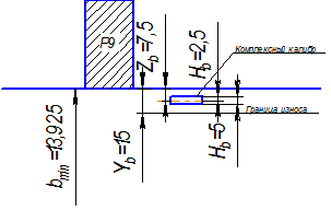
Комплексный калибр – призма для размера 14P9
Расчет комплексной калибр – призмы;
1. Определяем исполнительные и предельные размеры калибр – пробки для контроля паза 14P9 мм:
ES = -20 мкм;
EI = -75 мкм;
Td = ES – EI;
Td = -0,020 - (-0,075) = 0,055 (мм).
Вmax
= Вном
+ ES;
Вmax
= 14 – 0,020 = 13,98 (мм).
Вmin
= Вном
+ EI;
Вmin
= 14 - 0,075 = 13,925 (мм).
dном
= 45r6 мм
es = +50 мкм
ei = +34 мкм
Тd = es – ei
Тd = 0,050 – 0,034 = 0,016 мм
dmax
= dном
+ es
dmax
= 45 + 0,050 = 45,050 мм
dmin
= dном
+ ei
dmin
= 45 + 0,034 = 45,034 мм
2. Предельные отклонения и допуски калибров выбираем по ГОСТ 24109-80:
Zb
= 7,5 мкм, Yв
= 15 мкм, Н = - 5 мкм, Hb
= 1,5 мкм Z = 2,5 мм .
Предельные отклонения и допуски калибров выбираем по ГОСТ 24853-81:
Z = 2,5 мкм, Y=2 мкм, Н=2,5 мкм.
3. Вычисляем размеры комплексного шпоночного калибра-призмы.
Определяемый размер:






2. Расположение и величины, определяющие поле допуска bk
шпоночных калибров-призм
.
Расположение и величины
5. Расположение полей допусков dк
шпоночных калибров-призм.

Расположение полей допусков
11. Описание рабочего места
Организация рабочего места контролера зависит прежде всего от характера производства, принятой специализации на конкретном подразделении предприятия и уровня механизации и автоматизации как основного производства, так и контроля.
Контрольное отделение располагают в механическом цехе по пути движения деталей в сборочных цехах, перед промежуточным складом и выгораживают перегородками.
Контрольное отделение необходимо располагать вдали от объектов, создающих сильные магнитные, высокочастотные поля, источников вибраций, шума, пыли, агрессивных паров и газов. При размещении оборудования должны соблюдаться следующие нормы:
- ширина прохода – не менее 1,5 м;
- свободное пространство вокруг стационарных приборов не менее 1 м;
- столы и шкафы с измерительными приборами должны стоять на расстоянии не менее 0,2 м от стен, окон и отопительных систем;
- расстояние между рабочими столами при одном рабочем месте за столом – не менее 0,8 м, при двух рабочих местах не менее 1,5 м.
Контрольные пункты на участках механосборочных цехов располагаются с расчетом их увязки с общим потоком обрабатываемых деталей и обеспечения наиболее удобного движения деталей от одной операции к другой, через промежуточные контрольные операции к окончательному контролю. Контрольные пункты располагаются поблизости от рабочих мест операций обработки, после которых (по технологическому процессу) производится промежуточный или окончательный контроль. Такое расположение контрольных пунктов на участках цеха обеспечивает выполнение контроля в технологической последовательности без возвратной транспортировки деталей. Целесообразно ограждать контрольные пункты барьерами или застекленными перегородками (если это не затруднит и не осложнит подачу деталей на пункт и не помешает движению транспорта).
Рабочее место контролера, кроме собственного контрольного стола, должно быть оборудовано также ящиками или дополнительными столами для поступающих на приемку, принятых и забракованных деталей, доской или рамкой для технологической операционной карты контроля, стульями, стеллажами, шкафами для хранения документации и инструмента, осветительными устройствами, тарой для годных, дефектных и забракованных деталей.
Рабочие места оснащаются комплектом средств измерения, приспособлений, эталонных образцов и вспомогательных материалов. Особо точные приборы на рабочих местах установлены на специальных столах с футлярами для хранения приборов. Обеспечение инструментом централизованное. Желательно при этом, чтобы места или столы для годных, забракованных и дефектных (исправимый брак) деталей окрашивались в различные цвета.
Комплектация: (стол рабочий, задняя рама, профи электроблок, перфорированная панель, кольцевая бестеневая лампа, полка приборная короткая, полка приборная длинная, инструментальная планка).
Располагать измерительный инструмент и приспособления на рабочем месте следует так, чтобы ими было удобно пользоваться и что бы само расположение их исключало возможность пропуска какого-либо измерения. Измерительный инструмент и приспособления можно располагать на рабочем месте контролера двумя способами:
1. Инструмент и приспособления устанавливают против тех элементов детали, которые нужно проверить или измерить. При этом проверяемую деталь устанавливают неподвижно на подставке или в приспособлении.
2. Инструмент располагают на столе или на вертикальном щите в порядке последовательности производимых измерений и проверок. В этом случае проверяемую деталь передвигают по контрольному столу или плите.
Выбор того или иного способа зависит от величины и веса детали, а также от расположения на ней проверяемых элементов.
12. Описание методов и приборов для неразрушающегося контроля материалов и ихделий
Магнитные методы контроля.
Магнитные методы контроля основаны на анализе взаимодействия магнитного поля с контролируемым объектом. Они состоят в измерении параметров магнитных полей, создаваемых в объекте путём его намагничивания. Различают магнитопорошковый, магнитографический, феррозондовый, индукционный, эффект Холла, кондеромоторный и магниторезисторный методы.
Магнитные методы применяют только для контроля изделий, изготовленных из ферромагнитных материалов, которые обладают способностью сильно намагничиваться под действием внешних магнитных полей и сохранять частично эту приобретённую ими намагниченность по удалении внешнего поля. К ферромагнитным веществам относятся металлы – Fe, Со, Ni, Cd, их сплавы и соединения, а также сплавы и соединения Cr и Mn с неферромагнитными элементами. Магнитные свойства материала контролируемых изделий характеризуются петлёй гистерезиса. Значение магнитной индукции, оставшейся после снятия внешнего поля, называется остаточной индукцией. Благодаря остаточной индукции становится возможным реализовать многие магнитные методы контроля.
Методы магнитного контроля занимают одно из первых мест по использованию в производственных условиях. Эти методы применяются для выявления мест нарушения сплошности материала детали, расположенных на поверхности и в подповерхностных слоях: трещин (усталостных, шлифовочных, закалочных, сварочных, ковочных, штамповочных), волосовин, закатов, расслоений, флокенов, непроваров в стыковых соединениях, неметаллических включений. Они могут использоваться и для обнаружения ферритных включений в деталях из аустенитных сплавов.
Магнитные методы применяют для проектировки отдельных технологических процессов изготовления деталей (шлифовки, термической обработки, сварки, ковки и др.)
Физические основы метода показаны на рисунке.

Рис.1. – Физические основы метода
I – дефект расположен поперёк магнитных силовых линий (поле рассеяния большое).
II – дефект расположен вдоль магнитных силовых линий (поле рассеяния отсутствует).
Магнитный поток, протекая по детали, помещённой между двумя полюсами магнита, имеющей дефект в виде трещины, вынужден огибать препятствие, в результате чего происходит частичное рассеяние в этом месте магнитных силовых линий (создаётся поле рассеяния). Поле рассеяния регистрируется с помощью магнитного порошка, магнитной ленты и др.
Существуют следующие способы намагничивания деталей, т.е. создания магнитного поля в детали: циркулярное, продольное, комбинированное.
Выбор способа намагничивания определяется формой, размерами и магнитной характеристикой изделия. Для успешного контроля решающее значение имеет ориентация продольной плоскости дефекта (трещины) по отношению к направлению магнитных силовых линий в деталях. Поэтому деталь необходимо намагничивать в двух взаимно перпендикулярных направлениях или комбинировать продольное намагничивание с циркулярным.
Магнитопорошковый метод неразрушающего контроля
основан на явлении притяжения частиц магнитного порошка в местах выхода на контролируемую поверхность изделия магнитного потока, связанного с наличием нарушения сплошности материала. В намагниченных изделиях дефекты вызывают перераспределение магнитного потока и выход части его на поверхность (магнитный поток дефекта). На поверхности изделия создаются локальные магнитные полосы, притягивающие частицы магнитного порошка, в результате чего место дефекта становится видимым.
Данный метод позволяет обнаруживать дефекты типа тонких поверхностных и подповерхностных нарушений сплошности, волосовин, трещин, расслоений и др. Метод используется для обнаружения дефектов с шириной раскрытия у поверхности 0,001мм и более, глубиной 0,01мм и более.
Магнитопорошковый метод применяется для выявления поверхностных дефектов, находящихся на глубине до 1,5 – 2,0мм. От глубины залегания дефекта зависит ширина наслоения над ним ферромагнитного порошка. Если глубина залегания дефекта более 3 – 4мм, то выявить его практически невозможно (если дефект не очень велик), так как полоса наслоения порошка становится размытой и неясной. Схема выявления открытой трещины магнитопорошковым методом представлена на рисунке:

Схема 2. - Схема выявления открытой трещины
Чувствительность метода определяется магнитными характеристиками материала изделия, его формой и размерами, чистотой обработки поверхности, напряжённостью намагничивающего поля, способом контроля, взаимным направлением намагничивающего поля и дефекта, свойствами применяемого магнитного порошка (или магнито – люминесцентного), а также освещённостью рабочего места. Немаловажный фактор, влияющий на чувствительность магнитопорошкового метода является наличие немагнитного покрытия на поверхности проверяемой детали.
Магнитопорошковый метод осуществляется способами приложенного магнитного поля или остаточной намагниченности. При остаточной намагниченности деталь сохраняет намагниченность после снятия внешнего магнитного поля.
Технологические операции при контроле способом приложенного магнитного поля проводят одновременно, включая процесс намагничивания; при использовании способа остаточной намагниченности сначала осуществляют намагничивание, а затем следуют другие технологические операции.
При магнитопорошковом методе контроля предусматривается следующая последовательность операций:
- подготовка изделия к контролю. Изделия, подаваемые на намагничивающие устройства, должны быть очищены от покрытий, мешающих их намагничиванию или смачиванию (отслаивающаяся окалина, масла, грязь, иногда изоляционные покрытия и т.п.);
- намагничивание изделия проводят одним из способов: циркуляционным, продольным (полюсным), или комбинированным;
- нанесение магнитного порошка на контролируемое изделие. Применяют сухой магнитный порошок или магнитную суспензию (взвесь магнитного порошка в дисперсионной среде). В качестве дисперсионной среды могут применяться вода, масло, керосин, смесь масла и керосина и др. Водная суспензия должна содержать смягчающие и антикоррозионные добавки, а при необходимости – антивспенивающие;
- разбраковка проводится путём визуального осмотра поверхности изделий по наличию отложений магнитного порошка в местах дефектов. При необходимости, расшифровка результатов контроля может проводиться применением оптических средств;
- годные изделия, прошедшие контроль, должны быть размагничены в случаях, если они имеют трущиеся поверхности, если их намагниченность осложняет сборку узлов, куда они входят, или вносит погрешность в показания окружающих приборов. Если изделия после магнитного контроля будут нагреваться выше 600 – 700°С, то размагничивать их не следует.
При выявлении дефектов в ферромагнитных материалах с тёмной поверхностью целесообразно применить магнито – люминесцентный метод. Он позволяет обнаруживать тонкие, невидимые для глаза трещины различного происхождения. От магнитопорошкового метода этот метод отличается применением магнито – люминесцентного порошка (на 100г магнитного порошка берут 15г люминофора, например, люмогена светло – жёлтого. Свечение его в ультрафиолетовом излучении обусловлено присутствием люминофора, адсорбированного на частицах. Дефекты обнаруживаются по яркому свечению порошка, оседающего над ними).
По характеру осаждения порошка на поверхности детали делают заключение о виде дефекта.
Закалочные трещины обнаруживаются на поверхности по накоплению порошка в виде плотных рельефных извилистых линий. Шлифовочные и термические трещины выявляются в виде тонких чётких линий, представляющих собой сетку или короткие чёрточки. Усталостные трещины выявляются как резко очерчённые плотные, чёткие линии, полосы или «жилки», обычно в местах концентрации напряжений.
Неметаллические (шлаковые) включения имеют вид точечных скоплений или цепочек. Волосовины проявляются в виде прямых линий различной протяжённости, расположенных вдоль волокон.
Мнимые дефекты, обнаруживаемые по осаждению магнитного порошка, могут происходить из-за концентрации внутренних напряжений, при резком изменении размеров детали, структурной неоднородности. Распознавание мнимых дефектов важно для получения достоверных результатов контроля.
13. Описание методов и приборов для контроля шероховатости поверхности
Для контроля поверхностей применяют в основном интерференционные приборы.
Принцип действия интерферометров основан на сравнении световых волн, получаемых при отражении когерентных пучков света от контролируемой и эталонной поверхности.
На рис. 1 показана схема двухлучевого микроинтерферометра Линника. В ее основу положен принцип действия интерферометра Майкельсона. Свет от источника 1 (лампа накаливания) проходит через конденсор 2
и диафрагму 3,
зеркалом 4
делится на два когерентных пучка, которые фокусируются объективами 5 и 5' на эталонное зеркало 6 и контролируемую поверхность 7 соответственно. После отражения от эталона и изделия пучок проходит через те же элементы схемы и фокусируется линзой 8
в плоскости диафрагмы 9,
в которой с помощью окуляра 10
наблюдают интерференционную картину взаимодействия эталонного и рабочего пучков света.
Рис.1. Схема двухлучевого микроинтерферометра Линийка
При этом наблюдают полосы интерференции, искривленные в соответствии с профилем исследуемой поверхности. Кривизну полос измеряют, например спомощью окулярного микрометра. Она является количественной характеристикой микронеоднородностей поверхности изделия. Измерения можно проводить в белом или монохроматическом свете.
Микроинтерферометр может быть выполнен и с одним объективом. При этом светоделительное зеркало и эталон размещаются между микрообъективом и контролируемой поверхностью при работе в белом свете высота неровности
Н
= 0,27 ДN,
где ДN — величина изгиба интерференционной полосы в долях интервала. При работе в монохроматическом свете
H
= л ДN/2,
где л — длина волны света.
Величину ДN оценивают на глаз или измеряют окулярным винтовым микрометром типа МОВ-1-15.
При контроле шероховатости крупногабаритных изделий предварительно снимают слепок (реплику) с его поверхности, который затем помещают в кювету с иммерсионной жидкостью, располагаемой в фокальной плоскости микроинтерферометра, и исследуют обычным методом. Этот особ контроля получил название иммерсионнорепликового.
Наибольшая глубина рисок, измеряемых с помощью двухлучевых микроинтерферометров, определяется апертурой и увеличением микрообъектива. Согласно ГОСТ 9847—79 микроитперферометры рекомендованы для измерений неровностей от 0,1 до 1 мкм.
Микроинтерферометры обычно снабжают устройством для фотографирования интерференционной картины.
Для расширения верхнего предела измерения интерферометров предложены различные устройства, Так, с помощью интерференционного клинового компенсатора А. И Карташова микроинтерферометрами МИИ-4 и МИИ-5 можно измерять неровности высотой от 4 до 30 мкм.
Глубину рисок или ступенек, поверхности которых у верхнего и нижнего краев имеют достаточную отражательную способность, измеряют приборами МИИ-4 и МИИ-5 интерференционно-индикаторным методом. Интерференционные полосы наводят на резкость последовательно на дно риски и ее край. Глубина риски определяется величиной фокусировочного перемещения микрообъектива. Этим методом можно измерять риски глубиной 20— 100 мкм при ширине до 0,25 мкм
Для определения поверхности с параметрами шероховатости Rz = 3,2-80 мкм применяют оптический профилометр Ю. В. Коломийцева, представляющий собой сочетание микроинтерферометра с двойным микроскопом. Его оптическая схема показана на рис. 12.

Рис. 2. Оптическая схема профилометра Ю. В. Коломийцева:
1 — источник света; 2
— конденсатор; 3
— щель; 4
— объектив коллиматора; 5 — зеркало; 6
— светоделительная призма; 7, 8, 11, 12
— объективы; 9
— контролируемая поверхность; 10
— зеркало; 13
— светоделительная призма; 14
— зеркало; 15
— объектив трубы; 16, 17 -
цилиндрическая линза и окуляр объектива трубы; ф — угол падения луча
Свет от источника 1 с помощью конденсора 2
освещает щель 3,
расположенную в фокусе коллиматора 4.
Объектив 7 с помощью зеркала 5
и светоделитель ной призмы 6
проектирует щель 3
на контролируемую поверхность 9.
Объектив 8
проектирует ее на зеркало 10.
После отражения пучки попадают в объективы 11
и 12,
соединяются призмой 13
и зеркалом 14
направляются в объектив 15.
В поле зрения окуляра 17
наблюдаются две линии, представляющие изображение щели, одна из которых искривлена в соответствии с неровностью контролируемой поверхности. При этом прибор работает в режиме двойного микроскопа. Включив цилиндрическую линзу 16,
его можно использовать как интерферометр. При этом в окуляр видны интерференционные полосы, параллельные изображениям щели. О величине неровностей судят по степени изгиба этих полос.
Поверхности с малыми неровностями (№ 0,002 мкм) контролируют методом многократного отражения лучей, называемым также методом многолучевой интерферометрии.
Схема многолучевого микроинтерферометра показана на рис. 3. Свет от источника 1
(ртутная лампа низкого давления, дающая монохроматическое излучение, выделяемое фильтром 10)
через диафрагму 2
проходит конденсор 3 и параллельным пучком падает
на полупрозрачное зеркало 4.
После отражения пучок проходит пластину 5,
накладываемую на объект 6
под малым углом щ. Ее нижняя сторона покрыта слоем вещества с коэффициентом отражения, близким к коэффициенту отражения контролируемой поверхности.
Между пластиной 5
и объективом 6
возникает интерференция многократно отраженных лучей. Картину интерференции, локализованную на поверхности пластинки, рассматривают в микроскоп (элементы 7, 8, 9).
Прибор позволяет наблюдать как полосы равного наклона (при интерференции в плоскопараллельном слое), так и полосы равной толщины (при интерференции в клине). Распределение яркости полос в многолучевом интерферометре отличается от синусоидального, свойственного двухлучевым схемам. Полосы значительно уже, что определяется коэффициентом отражения сравниваемых поверхностей. При коэффициенте отражения с ≈ 0,94 распределение яркости полосы почти прямоугольное.
Примером многолучевого интерферометра может служить прибор «Мультими» фирмы Иогансон (Швеция). Его увеличение 50 и 150, апертуры объективов 0,14 и 0,18, поле зрения 3,25 и 1,18 мм соответственно. Пределы измерений 2 ... 0,01 мкм, точность до 0,002 мкм.
С помощью почти всех микроинтерферометров можно контролировать изделия не только в отраженном, но и в проходящем свете.
Профилографические методы
контроля шероховатости основаны на регистрации перемещений специальной иглы, находящейся в контакте с исследуемой поверхностью.
Для измерения перемещения иглы используют принцип оптического рычага. Смещения измерительного щупа вызывают наклоны зеркала, которые фиксируются визуально или фотоэлектрически с помощью оптической системы с большим увеличением. При этом масштаб записи может быть более100 000.
Эти приборы используют для контроля поверхности с параметрами шероховатости Rz = 0,4 - 20 мкм.
Погрешность составляет около 10 %. Радиус иглы 2 и 10 мкм. Измерительное усилие около 0,1—9,8 МН. Длина записываемой трассы до 5 мм, скорость записи около 0,5 мм/с. Габаритные размеры, например, профилографа завода «Калибр» 1450X720X1600 мм, масса 400 кг.
Отечественная промышленность также выпускает профилометры ИЗП-7 и ИС-18.
Метрологическое обеспечение кон
троля шероховатости.
Образцовые меры шероховатости 1-го разряда могут быть одноштриховыми и с регулярным профилем. Их выпускают в виде металлических пластинок 40Х40Х X 10 мм, комплектуемых в наборы по 4—8 шт. Риски наносят алмазным резцом. Для оценки шероховатости методом сравнения применяют рабочие образцы в виде пластинок или секторов (для цилиндрических деталей) размером 30X20 мм, изготовляемые из стали или чугуна в соответствии с ГОСТ 9378—60. Допускается применение других материалов. Рабочую поверхность обрабатывают точением, фрезерованием, шлифованием и т. д.
Приборы для контроля и измерения поверхностных дефектов и микрогеметрии. Благодаря малой глубине резкости микрообъективов обычные микроскопы можно использовать в качестве эффективного и достаточно простого средства измерения глубины поверхностных дефектов. Измерение осуществляется последовательной фокусировкой микроскопа на дно риски или царапины и ее верхний край и регистрацией перемещения тубуса микроскопа. Погрешность измерения (в мкм) можно определить по формуле:
Дz=0.2/A2
где Дz — апертура микрообъектива.
Для А —
0,65 Дz = 1 мкм.
14. Характеристика методов измерения твердости
Твердость по Роквеллу:
В основном метод измерения твердости по Роквеллу производится по шкалам А, В, С.
Сущность метода заключается во вдавливании наконечника 0,2 мм (шкалы А
и С)
или со стальным шариком диаметром 1,5875 мм (шкала В)
в испытуемый образец (изделие) под действием последовательно прилагаемых предварительной Ро
, Н,
кгс, и основной Р1
, Н,
кгс, нагрузок и измерений остаточного увеличения h
глубины внедрения наконечника после снятия основной нагрузки и сохранения предварительной нагрузки в единицах измерения 0,002 мм (рис.).

Рис. Измерение твёрдости по Роквеллу.
Под нагрузкой Ро
индикатор прибора вдавливается в образец на глубину К
Затем на испытуемый образец подается полная нагрузка Р = Р0
+ Р1
и глубина погружения наконечника возрастает. После снятия основной нагрузки Р
прибор показывает число твердости по Роквеллу HR. Чем меньше глубина вдавливания А,
тем выше твердость испытуемого материала.
При измерении твердости по шкалам А, С
алмазный наконечник вдавливается в испытуемый образец под действием двух последовательных прилагаемых нагрузок: А -
под действием основной нагрузки (50 кгс) и предварительной (10 кгс), С -
под действием основной нагрузки (140 кгс) и предварительной (10 кгс).

где h
0
-
глубина внедрения наконечника в испытуемый образец под дейся вием предварительной нагрузки, мм;
h
- глубина внедрения наконечника в испытуемый образец под действием нагрузки, измеренная после снятия основной нагрузки, с оставлением предварительной нагрузки, мм.
Числа HRA можно перевести в числа HRC по следующей формуле: 1

При измерении твердости по шкале В
производится вдавливание, в испытуемый образец стального шарика под действием двух последовательных прилагаемых нагрузок: основной (90 кгс) и предварительной (10 кгс):

Единица твердости по Роквеллу - безразмерная величина, соответствующая осевому перемещению индикатора на 0,002 мм. Пределы измерения твердости по шкалам А, В и С
устанавливаются следующие: шкала А
- 70...93 ед., шкала С - 20...67 ед., шкала В
- 25... 100 ед. Твердость по Роквеллу обозначается цифрами, характеризующими ее значение и буквами HR с указанием шкалы твердости, например, 61 HRC (твердость 61 по шкале С). По шкале С
определяют твердость материалов с высокой твердостью (более 450 НВ), когда стальной шарик может деформироваться.
Измерения алмазным конусом с нагрузкой 150 кг (HRC) проводят:
- для закаленной или низкоотпущенной стали с твердостью более 450 НВ, т. е. в условиях, когда вдавливание стального шарика (по Бринеллю или Роквеллу по шкале В)
в твердый материал может вызвать деформацию шарика и искажение результатов;
- материалов средней твердости (более 230 НВ), как более быстрым способом определения, оставляющим, кроме того, меньший след на измеряемой поверхности, чем при испытании по Бринеллю;
- тонких поверхностных слоев, но толщиной более 0,5 мм (например, цементированного слоя).
Измерения алмазным конусом с нагрузкой 60 кг (HRA) применяют для очень твердых материалов (более 70 HRC), например твердых сплавов, а также для измерения твердых поверхностных слоев (0,3...0,5 мм) или тонких образцов (пластинок).
Измерения стальным шариком с нагрузкой 100 кг определяют твердость для мягкой (отожженной) стали или отожженных цветных сплавов в деталях или образцах толщиной 0,8...2 мм, т. е. когда измерение по Бринеллю, выполняемое шариком большого диаметра, может вызвать смятие образца. Условия для испытания по Роквеллу представлены в табл. 7.
При измерении расстояние от центра отпечатка до края образца должно быть не менее 1 мм, или до центра другого отпечатка не менее 2 мм. Толщина образца должна быть не менее десятикратной глубины отпечатка. Твердость следует измерять не менее чем в трех точках (особенно алмазным конусом), т. е. не менее чем 3 раза на одном образце. Для расчета лучше принимать средне значение результатов второго и третьего измерений и не учитывать результат первого измерения. Время измерения твердости по Роквеллу составляет 10...60 с, причем результат измерения виден на шкале прибора (он указан стрелкой). При измерении твердости по Роквеллу на поверхности детали остается меньший отпечаток, чем при измерении по Бринеллю.
Твердость очень тонких слоев металла (толщиной менее 0,3 мм) с указанными нагрузками 60... 150 кг измерять нельзя, так как алмазный конус проникает на глубину, превышающую толщину этих слоев, и указывает, следовательно, твердость нижележащих областей. Вместе с тем, с увеличением твердости измеряемого материала глубина отпечатка уменьшается, вследствие чего понижается точность измерения (особенно для металлов с твердостью более 60 HRC). Для этих же целей иногда применяют приборы типа суперроквелл, у которых твердость измеряют с меньшей нагрузкой и с меньшей глубиной вдавливания. Предварительная нагрузка составляет 3 кг, а каждое деление (единица шкалы) индикатора соответствует глубине вдавливания, равной 1 мкм. Поэтому чувствительность этих приборов заметно выше.
Таблица 7. Условия для испытания по Роквеллу
| Твердость по Виккерсу HV
|
Обозначение
шкалы Роквелла
|
Тип наконечника
|
Нагрузка, кг
|
Допускаемые измерения
|
| 60...240
|
В
|
Стальной шарик
|
100
|
25...100
|
| 240... 900
|
С
|
Алмазный конус
|
150
|
20...67
|
| 390... 1200
|
А
|
60
|
20...85
|
Твёрдость по Роквкллу не имеет точного метода перевода в другие величины твёрдости или прочности при растяжении. Твёрдость по Роквеллу обычно используется для определения твёрдости непосредственно на поверхности детали.
Заключение
В курсовом проекте разрабатываются средства технического контроля детали «Валок правильный», проведено техническое нормирование операции контроля, а так же спроектированы средства технического контроля детали (калибр – скобы и калибр – пробка, а также калибр - призма). В курсовой работе были рассмотрены методы неразрушающего контроля, методы и приборы для контроля шероховатости поверхности, а так же приведена характеристика методов измерения твердости и составление карт технического контроля.
Список литературы
1. Чупырин В.Н. Технологический контроль в машиностроении. – М.: Машиностроение, 1987. – 512стр
2. Клюев В.В. Приборы для неразрушающего контроля в машиностроении. Том 1 – М.: Машиностроение, 1986 - 462 с
3. Клюев В.В. Приборы для неразрушающего контроля в машиностроении.Том2 – М.: Машиностроение, 1986 - 488 с
4. Контроль качества продукции в машиностроении: учебно-методическое пособие / Е.В.Пегашкина, М.А. Гамаюнова, Т.А. Ионкина – Нижний Тагил: НТИ(ф) УГТУ УПИ, 2007.-204 с.
5. Неразрушающий контроль качества в машиностроении: учеб. пособие. / Е.М. Файншмидт, Е.В.Пегашкина; науч. ред. М.А. Никитин. - Екатеринбург: ГОУ УГТУ-УПИ, 2002. – 101 с.
6. ГОСТ 18360-93 Калибры – скобы листовые для диаметров от 3 до 260 мм.
7. ГОСТ 18355-73 Калибры – скобы для длин свыше 10 до 500 мм.
8. ГОСТ 1502-86 Формы и правила оформления документов на технический контроль.
9. ГОСТ 14810-69 Калибры – пробки гладкие двухсторонние со вставками диаметром свыше 3 до 50мм.
10. ГОСТ 24114-80 Калибры-призмы шпоночные для валов диаметром свыше 22 до 200 мм.
|