САНКТ-ПЕТЕРБУРГСКИЙ
ГОСУДАРСТВЕННЫЙ
УНИВЕРСИТЕТ
НИЗКОТЕМПЕРАТУРНЫХ
И ПИЩЕВЫХ ТЕХНОЛОГИЙ
КАФЕДРА
ПРОЦЕССОВ И
АППАРАТОВ
ПИЩЕВЫХ ПРОИЗВОДСТВ
ПОЯСНИТЕЛЬНАЯ
ЗАПИСКА
к курсовому
проекту по
процессам и
аппаратам
Проектировал
студент
____231группы____________________
_______________Громцев
Павел Сергеевич_________
_________________17
апреля 2003 года_________________
Руководитель
проекта
_______________Жариков
Алексей Николаевич
_______________
«___»
________________________________________________
П
Санкт-Петербург
2002
Санкт-Петербург
2002
роект защищен
с оценкой:
_____________________________
ВВЕДЕНИЕ.
ВЫПАРИВАНИЕ
– это процесс
концентрирования
растворов
нелетучих
веществ путем
удаления жидкого
летучего растворителя
в виде паров.
В пищевой
промышленности
жидкие смеси,
концентрирование
которых осуществляется
выпариванием,
отличаются
большим разнообразием
как физических
параметров
(вязкость, плотность,
температура
кипения, величина
критического
теплового
потока и др.),
так и других
характеристик
(кристаллизующиеся,
пенящиеся,
нетермостойкие
растворы и
др.). Свойства
смесей определяют
основные требования
к условиям
проведения
процесса
(вакуум-выпаривание,
прямо- и противоточные,
одно- и многокорпусные
выпарные установки),
а также к конструкциям
выпарных аппаратов.
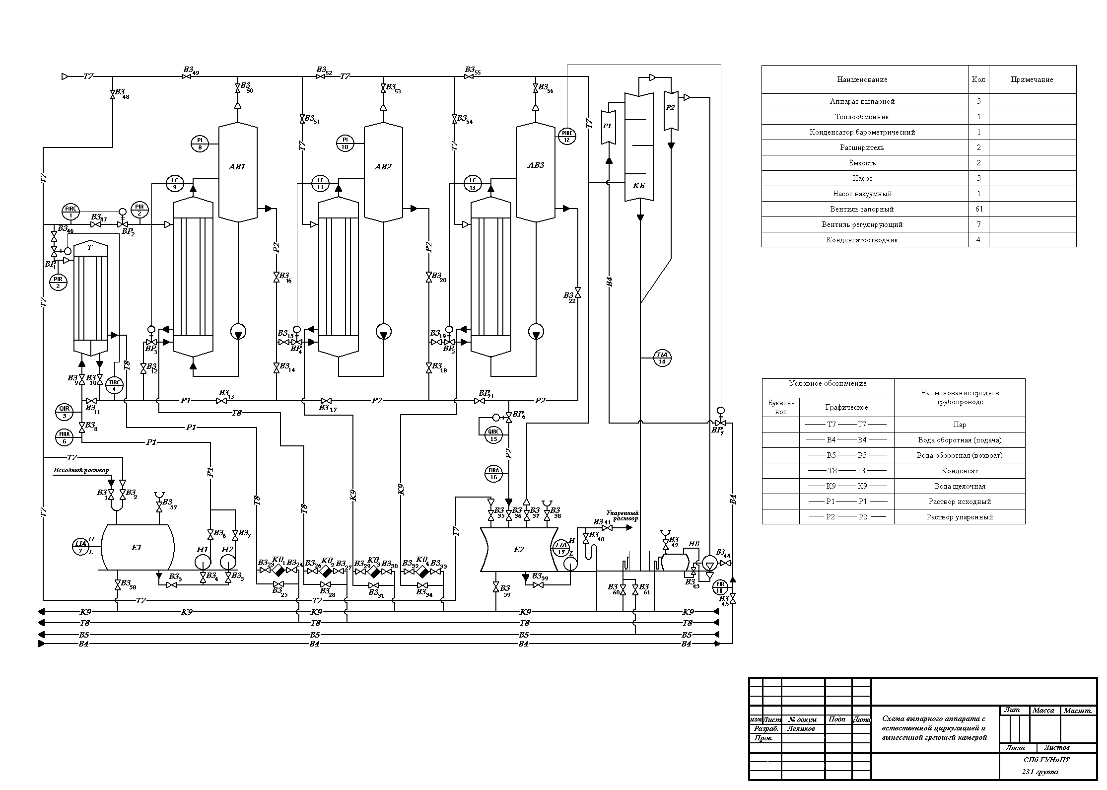
Принцип
действия.
Исходный
разбавленный
раствор (молоко)
из промежуточной
емкости центробежным
насосом подается
в теплообменник
(где подогревается
до температуры,
близкой к температуре
кипения), а затем
в первый корпус
выпарной установки.
Предварительный
подогрев повышает
интенсивность
кипения в выпарном
аппарате.
Первый
корпус обогревается
свежим водяным
паром. Вторичный
пар, образующийся
при концентрировании
раствора в
первом корпусе,
направляется
в качестве
греющего во
второй корпус.
Сюда же поступает
частично
сконцентрированный
раствор из 1-го
корпуса. Аналогично
третий корпус
обогревается
вторичным паром
второго и в нем
производится
концентрирование
раствора,
поступившего
из второго
корпуса.
Самопроизвольный
переток раствора
и вторичного
пара в следующие
корпуса возможен
благодаря
общему перепаду
давлений,
возникающему
в результате
создания вакуума
конденсацией
вторичного
пара последнего
корпуса в
барометрическом
конденсаторе
смешения (где
заданное давление
поддерживается
подачей охлаждающей
воды и отсосом
неконденсирующихся
газов вакуум-насосом).
Смесь охлаждающей
воды и конденсата
выводится из
конденсатора
при помощи
барометрической
трубы с гидрозатвором.
Образующийся
в третьем корпусе
концентрированный
раствор подается
в промежуточную
емкость упаренного
раствора.
Конденсат
греющих паров
из выпарных
аппаратов
выводится с
помощью
конденсатоотводчиков.
Задание
на проектирование
Спроектировать
трехкорпусную
выпарную установку
для концентрирования
Gн=4,2 кг/с
цельного молока
от начальной
концентрации
Xн=11% до конечной
Xк=53%
при следующих
условиях:
давление
в барометрическом
конденсаторе;Pбк=18,2
кПА
выпарной
аппарат – тип
3, исполнение
1 (с наружной
циркуляционной
трубой);
взаимное
направление
пара и раствора
– прямоток;
1.
Определение
поверхности
теплопередачи
выпарных аппаратов
Поверхность
теплопередачи
каждого корпуса
выпарной установки
определяют
по основному
уравнению
теплопередачи:F=Q/(K*Vtn)
Для
определения
тепловых нагрузок
Q, коэффициентов
теплопередачи
K и полезных
разностей
температур
Vtn необходимо
знать распределение
упариваемой
воды, концентрации
растворов и
их температур
кипения по
корпусам. Эти
величины находят
методом последовательных
приближений.
Первое
приближение.
Производительность
установки по
выпариваемой
воде определяют
из уравнения
материального
баланса:W=Gн*(1-Xн/Xк)=4,2*(1-11/53)=3,33
кг/с
- Концентрации
упариваемого
раствора
Принимаем,
на основании
практических
данных:
w1:w2=1,0;
1,1.
Тогда:
w1=1,0*W/(1,0+1,1)=1,58
кг/с.
w2=1,1*W/(1,0+1,1)=1,74
кг/с.
Концентрации
растворов в
корпусах:
X1=Gн*Xн/(Gн-w1)=4,2*0,11/(4,2-1,58)=0,176=17,6%
Xк=X2=
Gн*Xн/(Gн-w1-w2)=4,2*0,11/(4,2-1,58-1,74)=0,53=53%
- Температуры
кипения растворов
Общий
перепад давлений
в установке:
VPоб=Pг1-Pбк=107,8-18,2=89,6
кПа.
Давление
греющих паров
в корпусах:
Pг1=107,8
кПа.
Pг2=
Pг1- Vpоб/2=107,8-89,6/2=63кПа.
Pбк=
Pг2- Vpоб/2=63-89,6/2=18,2кПа.
По давления
паров находим
их температуры
и энтальпии:
-
| Р, кПа |
t,
оС
|
I,
кДж/кг |
| Pг1=107,8 |
tг1=102 |
Iг1=2679,5 |
| Pг2=63 |
tг2=87 |
Iг2=2654,3 |
| Pбк=18,2 |
tбк=58 |
Iбк=2605,4 |
|
|
|
Температура
кипения молока
в корпусе отличается
от температуры
греющего пара
в последующем
корпусе на
сумму температурных
потерь {V
от температурной
(V'), гидростатической
(V'') и гидродинамической
(V''') депрессий
({V=V'+V''+V''').
Гидродинамическая
депрессия
обусловлена
потерей давления
пара на преодоление
гидравлических
сопротивлений
трубопроводов
при переходе
из корпуса в
корпус.
Примем
V'''=1, тогда
температуры
вторичных
паров:
tвп1=
tг2+ V'''=87+1=88
оС
tвп2=
tбк+ V'''=58+1=59
оС
Сумма
гидродинамических
депрессий:
{ V'''=
V''' + V'''=1+1=2
По
температурам
вторичных паров
определим их
давления и
теплоты парообразования:
Pвп1=65кПа;
Pвп2=19,05кПа;
r1=2287,6 Дж/кг;
r2=2360,1 Дж/кг
Поверхность
теплоотдачи
1-го корпуса
(ориентировочно):
Fор1=Q/q=w1*r1/q=1,58*2287,6*10^3/40000=90,36
м^2. q=40000 Вт/м^2.
Fор2=Q/q=w2*r2/q=1,74*2360,1*10^3/40000=102,66
м^2
Примем
высоту кипятильных
труб Н = 4 м.
Определяем
плотность
молока при
температуре
15 оС:
a1=Xн+X1=(11+17,6)/2=14,3%;
a2=X1+X2=(17,6+53)/2=35,3%
=10*[1,42*a1+(100-a1)]=10[1,42*14,3+(100-14,3)]=1060,0
кг/м^3
[1,42*a2+(100-a2)]=10[1,42*35,3+(100-35,3)]=1148,3
кг/м^3
Давления
в среднем слое
кипятильных
труб корпусов:
P1ср=
Pвп1+g*H*(1-)=65+1060*9,8*4(1-0,5)=85,77
кПа.
P2ср=
Pвп2+g*H*(1-)=19,05+1148,3*9,8*4(1-0,5)=41,55
кПа.
По давления
паров находим
их температуры
кипения:
-
| Р., кПа |
t,
оС
|
r,
Дж/кг |
| P1ср=85,77 |
t1ср=94 |
rвп1=2272 |
| P2ср=41,55 |
t2ср=73 |
rвп2=2325 |
|
|
|
Определим
гидростатическую
депрессию по
корпусам:
V''1=
t1ср-tвп1=94-88=6
оС
V''2=
t2ср-tвп2=73-59=14
оС
Сумма
гидростатических
депрессий:
{
V''=20 оС
Температурную
депрессию
определим по
формуле:
V'=0,38*exp*(0,05+0,045*a);
Получаем
V'=0,38*exp*(0,05+0,045*14,3)=0,76
V'=0,38*exp*(0,05+0,045*35,3)=1,96
Сумма
температурных
депрессий:
{V'=2,72
Температуры
кипения растворов
в корпусах:
tк1=tг2+V'1+V''1+
V'''=88+0,76+6+1=96 оС
tк2=tбк+V'2+V''2+
V'''=59+1,96+14+1=76 оС
- Полезная
разность температур
Vtп1=tг1-tк1=102-96=6
оС
Vtп2=tг2-tк2=88-76=12
оС
Общая
полезная разность
температур
{Vtп1=18
оС
Проверяем
общую полезную
разность температур:
{Vtп1=tг1-tбк-({V'+{V''+{V''')=102-58-(2,72+20+2)=19,28
оС
- Определение
тепловых нагрузок
Расход
греющего пара
в 1-ый корпус,
производительность
каждого корпуса
по выпаренной
воде и тепловые
нагрузки по
корпусам определим
путем совместного
решения уравнений
тепловых балансов
по корпусам
и уравнения
баланса по воде
для всей установки:
Q1=m*c*(tк1-tпр)+w1*r1;
tк=tг1-
(2-3 оС);
Q1=D1*(Iгр1-cк*tк);
m*c*(tк1-tпр)+w1*r1=
D*(Iгр1-cк*tк);
4,2*4000*(96-76)+1,58*2287,6=D*(2679-4180*100);
D1=(4,2*4*(96-76)+1,58*2287,6)/
(2679-4,18*100)=1,75кг/с
Q2=D2*(Iвп1-cк*tк);
tк=tвп1-
(2-3 оС);
Q2=w2*rвп1-mпр*cпр
(tк1-tк2)/r
(при tк2);
D2=
(w2*rвп2-mпр*cпр
(tк1-tк2)/r
(при tк2))/
(Iвп1-cк*tк)=
=(1,74*2360,1-2,45*4(96-76))/(2317,8-4*86)=1,98
кг/с
2.
Расчет барометрического
конденсатора
Для
создания вакуума
в выпарных
установках
обычно применяют
конденсаторы
смешения с
барометрической
трубой. В качестве
охлаждающего
агента используют
воду, которая
подается в
конденсатор
чаще всего при
температуре
окружающей
среды. Смесь
охлаждающей
воды и конденсата
выливается
из конденсатора
по барометрической
трубе. Для
поддержания
постоянства
вакуума в системе
из конденсатора
с помощью
вакуум-насоса
откачивают
неконденсирующиеся
газы.
Необходимо
рассчитать
расход охлаждающей
воды, основные
размеры барометрического
конденсатора
и барометрической
трубы, производительность
вакуум-насоса.
2.1 Расход
охлаждающей
воды
Расход
определяем
из теплового
баланса конденсатора:
Gв=w2*(Iбк-св*tк)/(cв*(tк-tн)).
Так
как разность
температур
между паром
и жидкостью
на выходе из
конденсатора
должна быть
3-5 градусов,
конечную температуру
воды tк
на выходе примем
на 3 градуса
ниже температуры
конденсации
паров:
tк=tбк-3
оС=58-3 оС=55 оС
тогда
Gв=1,98*(2605,4-4*55)/(4*(55-20))=33,74
кг/с
2.2 Диаметр
конденсатора
Определяем
из уравнения
расхода:
dбк=(4*w2/(П*U))^0,5.
При
остаточном
давление в
конденсаторе
порядка 104 Па
скорость паров
примем

Тогда
Dбк=(4*1,74/(0,098*3,14*20))=1,13м.
Выбираем
барометрический
конденсатор
диаметром 1200
мм.
2.3 Высота
барометрической
трубы
Внутренний
диаметр барометрической
трубы dбт=300
мм. Скорость
воды в барометрической
трубе:
U=4*(33,74+w2)/П*
dбт^2=4*(33,74+1,74)/1000*3,14*0,3^2=0,5
м/с.
Высота
барометрической
трубы:
Hбт=B/в*g+(1+{+*
Hбт/ dбт)*Uв^2/2*g+0,5.
где В
– вакуум в
барометрическом
конденсаторе:
B=Pатм-Pбк=9,8*10^4-1,8*10^4=8,0*10^4
Па.
-
сумма коэффициентов
местных сопротивлений:
{вхвых=0,5+1,0=1,5
Коэффициент
трения
зависти от
режима течения
жидкости. Определим
режим течения
воды в барометрической
трубе:
Re=Uв*
dбт*в/в=0,5*0,3*1000/0,54*10^(-3)=277777
Для
гладких труб
при Re=111111 коэффициент
трения =0,014.
Подставив
указанные
значения, вычислим
высоту барометрической
трубы:
Hбт=8,0*10^4/1000*9,8+(1+1,5+0,014*Hбт/0,3)*0,5^2/2*9,8+0,5.
Отсюда
находим Hбт=8,67
м.
Список
использованной
литературы.
1. Иоффе
И.Л. «Проектирование
процессов и
аппаратов
химической
технологии»
Химия, 1991.
2. «Проектирование
процессов и
аппаратов
пищевых производств».
Под редакцией
Ставникова.
Киев, 1982.
3. Курсовое
проектирование
по предмету:
«Процессы и
аппараты химической
промышленности».
Кувшинский
М.Н., Соболева
А.П. «Высшая
школа», 1968.
4. «Основные
процессы и
аппараты химической
технологии».
Борисов Г.С.,
Быков В.П. и др.
М. Химия, 1991.

|