| Министерство образования Республики Беларусь
Гомельский государственный машиностроительный техникум
Специальность ТО 301 Технология оборудования автоматизация машиностроения
Группа ФТОМ 402
Курсовой проект
по предмету: Техническая механика ”Детали машин”
тема: Спроектировать одноступенчатый червячный редуктор с нижним расположением червяка с плоскоременным приводом
КП 0418.00.00.000
Разработал А.В. Климов
Проверил Т.Л. Тимошенко
2003
Министерство образования Республики Беларусь
Гомельский государственный машиностроительный техникум
Пояснительная записка
к курсовому проекту
КП 0418.00.00.000 ПЗ
Разработал А.В. Климов
Проверил Т.Л. Тимошенко
2003
 Введение
Редуктором называют механизм, состоящий из зубчатых или червячных передач, выполненный в виде отдельного агрегата и служащий для передачи мощности от двигателя к рабочей машине.
Назначение редуктора - понижение угловой скорости и повышение
вращающего момента ведомого вала посравнению с валом ведущим.
Нам в нашей работе необходимо спроектировать редуктор для ленточного конвейера, а также расчитать ременнуюпередачу, двигатель. Редуктор состоит из литого чугунного корпуса, в котором помещены элементы передачи - червяк, червячное колесо, подшипники, вал и пр.
Входной вал посредством плоскоременной передачи соединяется
с двигателем, выходной - с конвейером.
Червячные редукторы применяют для передачи движения между
валами, оси которых перекрещиваются.
Так как КПД червячных редукторов невысок, то для передачи
больших мощностей в установках, работающих непрерывно, проэктировать их нецелесообразно. Практически червячные редукторы применяют для передачи мощности, как правило, до 45кВт и в виде исключения до 150кВт.
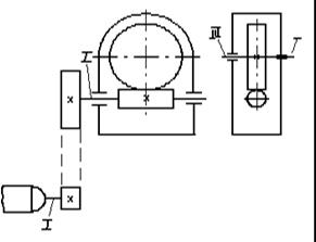
 1. Выбор электродвигателя
и кинематический расчет
.
Рисунок 1
–
кинематическая схема привода.
1.1 Определение требуемой мощности электродвигателя.
(1.1)
Где
–
Выходная мощность
- коэффициент полезного действия общий.
(1.2)
1.2 Определение ориентировочной частоты вращения вала электродвигателя.
(1.3)
где - выходная частота вращения вала рабочей машины
- Общее передаточное число редуктора.

(1.4)
По таблице П1 приложения по требуемой мощности
выбираем электродвигатель трехфазный короткозамкнутый серии 4А закрытый обдуваемый с синхронной частотой вращения 1500мин-1
4А132М4, с параметрами Рном = 11кВт,
мин -1
.
Забиваем Сайты В ТОП КУВАЛДОЙ - Уникальные возможности от SeoHammer
Каждая ссылка анализируется по трем пакетам оценки: SEO, Трафик и SMM.
SeoHammer делает продвижение сайта прозрачным и простым занятием.
Ссылки, вечные ссылки, статьи, упоминания, пресс-релизы - используйте по максимуму потенциал SeoHammer для продвижения вашего сайта.
Что умеет делать SeoHammer
— Продвижение в один клик, интеллектуальный подбор запросов, покупка самых лучших ссылок с высокой степенью качества у лучших бирж ссылок.
— Регулярная проверка качества ссылок по более чем 100 показателям и ежедневный пересчет показателей качества проекта.
— Все известные форматы ссылок: арендные ссылки, вечные ссылки, публикации (упоминания, мнения, отзывы, статьи, пресс-релизы).
— SeoHammer покажет, где рост или падение, а также запросы, на которые нужно обратить внимание.
SeoHammer еще предоставляет технологию Буст, она ускоряет продвижение в десятки раз,
а первые результаты появляются уже в течение первых 7 дней.
Зарегистрироваться и Начать продвижение
Кинематический силовой расчет привода.
1.3
Определение действительных передаточных отношений.
(1.5)
Разбиваем
по ступеням.
Принимаем стандартное значение
(по таблице 23 [4]
Передаточное число ременной передачи
Принимаем
(1.6)
1.5 Определяем частоты вращения и угловые скорости валов.
(1.7)
(1.8)
(1.9)
(1.10)
(1.11)
1.6
 Определяем мощность на валах
(1.12)
(1.13)
1.7
Определяем вращающие моменты на валах.
(1.14)
(1.15)
 2. Расчет плоскоременной передачи
.
Исходные данные для расчета:
Мощность РТР
= 8,09 кВт
Частота вращения ведущего малого шкива
n
ДВ
= 1500 мин-1
Передаточное отношение
U
= 2,3
Вращающий момент на валу ведущего шкива
T
ДВ
= 51,53 Н м
Диаметр ведущего шкива (мм) вычисляют по формуле
мм (2.1)
По найденному значению подбираем диаметр шкива из стандартного ряда по ГОСТ 173.83-73; Выбираем шкив с диаметром 200 мм.
Диаметр ведомого шкива определяем по формуле
мм. (2.2)
Из стандартного ряда шкивов выбираем шкив с диаметром 450 мм.
Передаточное отношение
(2.3)
Межосевое расстояние передачи
(2.4)
Угол обхвата малого шкива
(2.5)
Длинна ремня мм. (2.6)
Расчетная скорость ремня
(2.7)
Окружная сила Н
(2.8)
Выбираем ремень Б800 с числом прокладок
Z
= 3:; р0
= 3 Н/мм.
Проверяем выполнение условий
(2.9)
условие выполнено.
Коэффициент угла обхвата
(2.10)
Коэффициент учитывающий влияние скорости ремня
(2.11)
Коэффициент режима работы Ср по таблице (7.5)
Для передачи к ленточному конвейеру при постоянной нагрузке Ср = 1.0
Коэффициент учитывающий угол наклона линии центров передачи Со
При наклоне до 60
º
принимаем Со = 1
Допускаемая рабочая нагрузка на 1 мм. ширины прокладки Н/мм.
(2.12)
Ширина ремня ,мм.
(2.13)
По таблице (7.1) принимаем
b
= 71мм.
Предварительное натяжение ремня Н.
(2.14)
Натяжение ветвей Н.
Ведущей
(2.15)
Ведомой
(2.16)
Напряжение от силы
F
1
мПа
(2.17)
Напряжение от центробежной силы мПа
ρ
= 1100
–
плотность ремня
(2.18)
Напряжение изгиба мПа
Еи = 100
÷
200 мПа
(2.19)
Максимальное напряжение
Условие выполнено
Проверка долговечности ремня
Число пробегов
(2.20)
(2.21)
Сн = 1 при постоянной нагрузке (2.22)
Долговечность часов
Нагрузка на валах Н (
2.23)
 3. Расчет зубчатой передачи
Исходные данные
3.1 материал червяка и червячного колеса.
Для венца червячного колеса примем бронзу Бр 010Ф1, отлитую в кокиль.
Для червяка сталь 45 с закалкой до твердости не менее
HRC
45 и последующим шлифованием.
Сервис онлайн-записи на собственном Telegram-боте
Попробуйте сервис онлайн-записи VisitTime на основе вашего собственного Telegram-бота:
— Разгрузит мастера, специалиста или компанию;
— Позволит гибко управлять расписанием и загрузкой;
— Разошлет оповещения о новых услугах или акциях;
— Позволит принять оплату на карту/кошелек/счет;
— Позволит записываться на групповые и персональные посещения;
— Поможет получить от клиента отзывы о визите к вам;
— Включает в себя сервис чаевых.
Для новых пользователей первый месяц бесплатно.
Зарегистрироваться в сервисе
Основное допускаемое контактное напряжение
[
σ
н
]
´
=186 МПа.
Расчетное допускаемое напряжение
[
σ
н
]
=
[
σ
н
]
´
х К
HL
Где коэффициент долговечности примем по его минимальному значению К
HL
=0,67
тогда
[
σ
н
]
=
МПа. (3.1)
Число витков червяка
Z
1
принимаем в зависимости от передаточного числа при
U
= 10 принимаем
Z
1
= 4
Число зубьев червячного колеса
Z
2
=
Z
1
x
U
= 4
x
10 = 40 (3.1)
Принимаем предварительно коэффициент диаметра червяка
q
= 10;
Коэффициент нагрузки К = 1,2;
Межосевое расстояние
aw
= 250 мм;
m
= 10мм;
Определяем Межосевое расстояние исходя из условия контактной прочности.
(3.2)
Модуль (3.3)
Принимаем по ГОСТ2144-76 (таблица 4.1 и 4.2) стандартные значꐼΔия
m
= 10
q
= 10
а также
Z
2
= 40
Z
1
= 4
 Тогда пересчитываем межосевое расстояние по стандартным значениям
m
,
q
и
Z
2
:
(3.4)
Принимаем
aw
= 250 мм.
Основные размеры червяка.
Делительный диаметр червяка
(3.5)
Диаметр вершин витков червяка
(3.6)
(3.7)
Длинна нарезной части шлифованного червяка (по формуле 4.7)
(3.8)
Делительный угол подъема
Y
(по таблице 4.3) при
Z
1
= 4 и
q
=10;
Принимаем
Y
= 21
º
48
´
Основные размеры венца червячного колеса:
Делительный диаметр червячного колеса
d
2
=
Z
2
x
m
= 40
x
10 = 400мм
(3.9)
Диаметр вершин зубьев червячного колеса
(3.10)
Диаметр впадин зубьев червячного колеса
(3.11)
Наибольший диаметр червячного колеса
(3.12)
Ширина венца червячного колеса (формула 4.12)
(3.13)
Окружная скорость червяка.
(3.14)
Скорость скольжения.
(3.15)
КПД редуктора с учетом потерь в опорах, потерь на разбрызгивание и перемешивания масла

(3.16)
По таблице (4.7) выбираем 7-ю степень точности передачи и находим значение коэффициента динамичности
Kv
= 1,1
Коэффициент неравномерности распределения нагрузки (формула 4.26)
(3.17)
В этой формуле коэффициент деформации червяка при
q
=10 и
Z
1
=4 по таблице (4.6) принимаем
При незначительных колебаниях нагрузки вспомогательный коэффициент Х =0,6 (стр. 65 1)
Коэффициент нагрузки
(3.18)
Проверяем контактное напряжение
(3.19)
мПа < [
GH
] = 125мПа.
Проверяем прочность зубьев червячного колеса на изгиб.
Эквивалентное число зубьев.
(3.20)
Коэффициент формы зуба (по таблице 4.5)
YF
= 2,19
Напряжение изгиба П = 7,903 мПа (3.21)
 4. Предварительный расчет валов
Ведущий вал
Диаметр выходного конца при допускаемом напряжении (по формуле 8.16)
(4.1)
По ГОСТ принимаем
d
В1
=40мм
Диаметры подшипниковых шеек
d
П1
= 50мм
Параметры нарезной части:
dF
1
= 76мм
d
1
= 100мм
d
а1
=120мм
Для выхода режущего инструмента при нарезании витков рекомендуется участки вала, прилегающие к нарезке протачивать до диаметра меньше
dF
1
Длинна нарезной части
b
1
= 201мм
Расстояние между опорами червяка
l
1
=
da
m
2
= 465мм
Ведомый вал.
Диаметр выходного конца
(4.2)
Принимаем ближайшее большее значение из стандартного ряда (стр. 162)
Принимаем
d
В2
= 55мм.
Диаметр вала под подшипниками
d
П2
= 60мм
Под зубчатым колесом
dK
2
= 70
 5. Конструктивные размеры червяка и червячного колеса
Червяк выполняется за одно целое с валом, его размеры определены выше.
d
1
= 100мм
da
1
= 120мм
b
1
=170мм
Колесо кованое
d
2
= 400мм
d
а2
= 420мм
b
2
= 80,4мм
Диаметр ступицы (5.1)
Принимаем
d
ст2
=120мм
Длинна ступицы (5.2)
Принимаем
L
ст2
=100мм
 6. Конструктивные размеры корпуса редуктора.
Толщина стенок корпуса и крышки
(6.1)
Принимаем
(6.2)
Принимаем
Толщина фланцев (поясов)корпуса и крышки
(6.3)
Толщина нижнего пояса корпуса при наличии бобышек
(6.4)
(6.5)
Принимаем
Диаметры болтов
Фундаментных
(6.6)
Принимаем болты с резьбой М22
Диаметры болтов
(6.7)
Принимаем
(6.8)
Принимаем
 7. Эскизная компоновка редуктора
Первый этап компоновки редуктора
Принимаем зазор между стенкой и ступицей червячного колеса
L
1
= 465мм;
L
2
= 143мм; а1
= 33мм; а2
= 22мм;
L
СТ2
= 100мм;
aw
= 250мм;
d
1
= 100мм;
d
2
=400мм.
В связи с тем что в червячном зацеплении возникают значительные осевые усилия, принимаем радиально упорные подшипники ; шариковые средней серии для червяка и роликовые конические легкой серии для вала червячного колеса (таблица П6 и П7)
| Условное обозначение подшипника
|
d
|
D
|
B
|
T
|
r
|
C
kH
|
Co
kH
|
| 46310
|
50
|
110
|
27
|
20
|
3
|
71,8
|
44
|
| Условное обозначение подшипника
|
d
|
D
|
T
|
B
|
c
|
r
|
r1
|
C
|
Co
|
L
|
Y
|
Yo
|
| 7212
|
60
|
110
|
23,75
|
23
|
19
|
2,5
|
0,8
|
78
|
58
|
0,35
|
1,71
|
0,94
|
 8. Подбор и проверка долговечности подшипников.
Силы в зацеплении
Окружная сила на червячном колесе , равная осевой силе на червяке.
(8.1)
Окружная сила на червяке равная осевой силе на колесе
(8.2)
Радиальные силы на колесе и червяке
(8.3)
При отсутствии спец требований червяк должен иметь правое направление витков
Вал червяка
Расстояние между опорами червяка
l
1
=
da
m
2
= 465мм
Диаметр
d
1
= 100мм
Реакции опор в плоскости
X
,
Z
(8.4)
В плоскости
Y
,
Z
(8.5)
(8.6)
Проверка (8.7)
Суммарные реакции
(8.8)

(8.9)
Осевые составляющие радиальных реакций шариковых радиально упорных подшипников
(8.10)
(8.11)
где для подшипников шариковых радиально упорных с углом
α
=26
º
коэффициент осевого нагружения е = 0,68
Осевые нагрузки подшипников
В данном случае
(8.12)
Тогда (8.13)
Рассмотрим левый (первый) подшипник
Отношение осевую нагрузку не учитываем (8.14)
Эквивалентная нагрузка
(8.15)
где
Долговечность определяем по более нагруженному подшипнику
Рассмотрим правый (второй) подшипник
Отношение (8.16)
(8.17)
Эквивалентную нагрузку определяем с учетом осевой.
где
Расчет на долговечность, млн.об (по формуле 9.1)
млн.об (8.19)
Расчетная долговечность ч (8.20)
Ведомый вал
Расстояние между опорами червяка
l
2
= 143мм
Диаметр
d
2
= 400мм
Реакции опор в плоскости
X
,
Z
(8.21)
В плоскости
X
,
Z
(8.22)
(8.23)
Проверка (8.24)
Суммарные реакции
(8.25)
(8.26)
Осевые составляющие радиальных реакций конических подшипников
(8.27)
(8.28)
где для подшипников
7212
коэффициент осевого нагружения е = 0,35
Осевые нагрузки подшипников
В данном случае
(8.29)
Тогда
Рассмотрим правый подшипник с индексом (3) (8.30)
Отношение поэтому при подсчете эквивалентной нагрузки осевые силы не учитываем
Эквивалентная нагрузка
(8.31)
где
В качестве опор ведомого вала применены одинаковые подшипники 7212
Долговечность определяем по более нагруженному подшипнику
Рассмотрим левый подшипник с индексом (4)
Отношение Эквивалентную нагрузку определяем с учетом осевой. (8.32)
где для конических подшипников 7212
Расчет на долговечность, млн.об (по формуле 9.1)
млн.об (8.33)
Расчетная долговечность ч
(8.34)
Столь большая долговечность объясняется тем что по условию монтажа диаметр шейки должен быть больше диаметра
d
В2
= 55мм. Поэтому был выбран подшипник 7212. Кроме того, следует учесть, что ведомый вал имеет малую частоту вращения
n
= 65,2мин-1
 9. Проверка прочности шпоночных соединений
Проведем проверку прочности лишь одного соединения, передающего вращающий момент от вала червячного колеса к шкиву ременной передачи.
Диаметр вала в этом месте
d
В2
= 55мм
Сечение и длинна шпонки
t
x
h
x
L
= 16
x
10
x
80
Глубина паза
t
1
= 6мм;
L
= 80мм
Момент
TK
2
=
T
2
=802
x
10 3
Н мм
Напряжение смятия
(9.1)
- для стали
Условие
G
СМ
< [
G
СМ
] выполняется.
 10. Уточненный расчет валов
Проверим стрелу прогиба червяка.
Приведенный момент инерции поперечного сечения червяка.
(10.1)
(10.2)
Стрела прогиба
Допускаемый прогиб
(10.3)
Таким образом, жесткость обеспечена, так как

Плоскость
YZ
(Н
·
м)
M1
= 0
M
4
= 0
Плоскость
XZ
(Н
·
м)
M1
= 0
M
4
= 0
Рисунок 2
–
расчетная схема
ведущего вала
 
Плоскость
YZ
M
1
= 0
M
4
= 0
Плоскость
XZ
M
1
= 0
M
3
=
M
2
= 159
H
·м
М4
= 0
Рисунок 3
–
расчетная схема
ведомого вала
11.
 Выбор посадок и расчет полей допусков
Посадки назначаем в соответствии с указаниями, данными в таблице 10,13
Определяем предельное отклонение, предельные размеры, допуск, предельные зазоры или натяги, допуск посадки.
Посадка червячного колеса на вал
Ø
70мм по ГОСТ 25347-82
1.
Посадка в системе отверстия, вид посадки с натягом.
2.
Номинальный размер
D
= 70мм.
3.
Детали соединения
отверстие.
Ø
70Н7, квалитет 7
вал
Ø70
р6, квалитет 6
4.
Предельные отклонения ГОСТ25347-82
отверстие
ES
= +0,03мм = +30мкм
EI
= 0
вал
es
= +0.051мм = 51мкм
ei
= +0,032мм = 32мкм
5.
Обозначения на чертежах
6.
Предельные размеры (мм)
отверстие
Dmax
=
D
+
ES
= 70 + (+0,030) = 70,030 (11.1)
Dmin
= D + EI = 70 + 0 = 70 (11.2)
вал
dmax
= D + es = 70 + (+0,051) = 70,0,51 (11.3)
dmin
= D + ei = 70 + (+0,032) = 70,032 (11.4)
7.
Допуски мм.
Отверстие
TD
=
Dmax
–
Dmin
= 70,030
–
70 = 0,030 (11.5)
TD = ES
–
EI = 0,030
–
0 = 0,030 (11.6)
вал
Td = dmax
- dmin
= 70,051
–
70,032 = 0,019 (11.7)
Td = es
–
ei = 0,051
–
(+0,032) = 0,019 (11.8)
8.
 Предельные зазоры (мм)
Nmax
= dmax
–
Dmin
= 70,051
–
70 = 0,051 (11.9)
Nmax
= es
–
EI = 0,051
–
0 = 0,051 (11.10)
Nmin
= dmin
= Dmax
= 70,032
–
70,030 = 0,002 (11.11)
Nmin
= ei
–
ES = 0,032
–
0,030 = 0,002 (11.12)
(11.13)
9.
Допуск посадки (мм)
ТП
= TD + Td = 0,030 + 0,019 = 0,049 (11.14)
ТП
= TS = Nmax
–
Nmin
= 0,051
–
0,002 = 0,049 (11.15)
10.
Схема поля допуска.

рисунок 4 - Схема поля допуска червячного колеса на вал
Посадка шкива ременной передачи на вал редуктора
Ø
40мм по ГОСТ 25347-82
1.
Посадка в системе отверстия, вид посадки переходная.
2.
Номинальный размер
D
= 40мм.
3.
Детали соединения
отверстие.
Ø
40Н7, квалитет 7
вал
Ø
40
n
6, квалитет 6
4.
Предельные отклонения ГОСТ25347-82
отверстие
ES
= +0,025мм = +25мкм
EI
= 0
вал
es
= +0.033мм = 33мкм
ei
= +0,017мм = 17мкм
5.
Обозначения на чертежах
6.
Предельные размеры (мм)
отверстие
Dmax
=
D
+
ES
= 40 + (+0,025) = 40,025 (11.16)
Dmin
= D + EI = 40 + 0 = 40 (11.17)
вал
dmax
= D + es = 40 + (+0,028) = 40,033 (11.18)
dmin
= D + ei = 40 + (+0,015) = 40,017 (11.19)
7.
Допуски мм.
Отверстие
TD
=
Dmax
–
Dmin
= 40,025
–
40 = 0,025 (11.20)
TD = ES
–
EI = 0,025
–
0 = 0,025 (11.21)
вал
Td = dmax
- dmin
= 40,033
–
40,017 = 0,016 (11.22)
Td = es
–
ei = 0,033
–
(+0,017) = 0,016 (11.23)
8.
Предельные зазоры (мм)
Nmax
= dmax
–
Dmin
= 40,033
–
40 = 0,033 (11.24)
Nmax
= es
–
EI = 0,033
–
0 = 0,033 (11.25)
Nmin
= dmin
= Dmax
= 40,017
–
40,025 = -0,008 (11.26)
Nmin
= ei
–
ES = 0,017
–
0,025 = -0,008 (11.27)
(11.28)
9.
Допуск посадки (мм)
ТП
= TD + Td = 0,025 + 0,017 = 0,042 (11.29)
ТП
= TS = Nmax
–
Nmin
= 0,033
–
(-0,008) = 0,042 (11.30)
10.
Схема поля допуска.

рисунок 5 - Схема поля допуска шкива ременной передачи на вал редуктора
 Посадка бронзового венца на чугунный центр
Шейки валов под подшипники выполняем с отклонением вала к6.
Отклонения отверстий в корпусе под наружный кольца по Н7
 12. Выбор сорта масла
Тепловой расчет
Для проектируемого редуктора площадь теплоотводящей поверхности А
≈
0,83 м 2
(здесь учитывалась также площадь днища.), поэтому конструкция опорных лап обеспечивают циркуляцию воздуха около днища.
По формуле (10,1) условие работы редуктора без перегрева при продолжительной работе.
(12.1)
Допускаемый перепад температур при нижнем расположении червяка.
Смазывание зацепления и подшипников производится разбрызгиванием жидкого масла. При контактных напряжениях
G
н = 125 мПа и скорости скольжения
Vs
= 3,76м/с.
Рекомендуемая вязкость масла должна быть приблизительно равна 20 х 10-6
м2
/с
Принимаем масло авиационное МК-22
 Содержание
Введение 2
1.
Выбор электродвигателя и кинематический расчет 3
2.
Расчет плоскоременной передачи. 6
3.
Расчет зубчатой передачи 9
4.
Предварительный расчет валов 12
5.
Конструктивные размеры шестерни и колеса. 13
6.
Конструктивные размеры корпуса редуктора 14
7.
Эскизная компоновка редуктора 15
8.
Подбор и проверка долговечности подшипников 16
9.
Подбор и проверочный расчет шпоночных соединений 20
10.
Уточненный расчет валов 21
11.
Выбор посадок и расчет полей допусков 24
12.
Выбор сорта масла 28
13.
Литература. 29
|