| Министерство сельского хозяйства и продовольствия РФ
Департамент кадровой политики и образования
Федеральное государственное образовательное учреждение
Высшего профессионального образования
ИЖЕВСКАЯ ГОСУДАРСТВЕННАЯ СЕЛЬСКОХОЗЯЙСТВЕННАЯ АКАДЕМИЯ
Кафедра «Автоматизированного электропривода»
КУРСОВОЙ проект
тема: «Электропривод кран-балки»
Выполнил: студент 451 группы
Ворожцов Ю.А.
Принял: Владыкин И.Р.
Ижевск 2005
Содержание
Введение …………………………….…………………………………………3
Задание……………..…………………………………...………………………4
1.Описание технологической схемы кран-балки…...………..………………5
2. Выбор частоты вращения двигателя и
технических данных редуктора…………………………...6
3.Расчет и построение нагрузочной диаграммы
и механической характеристики рабочей машины………………………7
4. Предварительный выбор двигателя по мощности
и режиму нагрузки…………………………...11
5. Определение приведенного момента инерции
системы двигатель-рабочая машина…..…………………..12
6. Расчет и построение нагрузочной диаграммы
двигателя за один цикл работы машины………………………13
7. Проверка выбранного двигателя по перегрузочной
способности, пусковому моменту и частоте вращения………………..14
8. Обоснование и описание принципиальной схемы
управления приводом кран-балки…………………….15
9. Выбор аппаратуры управления и защиты………………………………..16
10.Краткое описание устройства и места
расположения электрооборудования кран-балки…………………….18
11. Подсчет стоимости выбранного комплекта
электрооборудования…………………………..19
12. Спецификация……………………………………………………………20
13. Определение устойчивости выбранной автоматической СУ
13.1.Построение функциональной схемы……………………………...21
13.2.Построение структурной схемы для расчета статики….........…...21
13.3.Расчет динамики……………………………………………………24
14. Приложение………………………………………………………………29
15. Заключение……………………………………………………………….33
16. Литература………………………………………………………………..34
Введение
Механизация, электрификация и автоматизация – ключи к интенсификации сельского хозяйства. Важная роль в реализации планов электрификации и механизации сельскохозяйственного производства отводится электроприводу – основному виду привода самых разнообразных машин и механизмов. Более 60% вырабатываемой в стране электроэнергии потребляется электроприводом. Основные достоинства электропривода: малый уровень шума при работе и отсутствие загрязнения окружающей среды, широкий диапазон мощностей (от сотых долей ватта до десятков тысяч киловатт) и угловых скоростей вращения (от долей оборота вала в минуту до нескольких сотен тысяч оборотов в минуту), доступность регулирования угловой скорости вращения, высокий КПД, легкость автоматизации и простота эксплуатации.
Забиваем Сайты В ТОП КУВАЛДОЙ - Уникальные возможности от SeoHammer
Каждая ссылка анализируется по трем пакетам оценки: SEO, Трафик и SMM.
SeoHammer делает продвижение сайта прозрачным и простым занятием.
Ссылки, вечные ссылки, статьи, упоминания, пресс-релизы - используйте по максимуму потенциал SeoHammer для продвижения вашего сайта.
Что умеет делать SeoHammer
— Продвижение в один клик, интеллектуальный подбор запросов, покупка самых лучших ссылок с высокой степенью качества у лучших бирж ссылок.
— Регулярная проверка качества ссылок по более чем 100 показателям и ежедневный пересчет показателей качества проекта.
— Все известные форматы ссылок: арендные ссылки, вечные ссылки, публикации (упоминания, мнения, отзывы, статьи, пресс-релизы).
— SeoHammer покажет, где рост или падение, а также запросы, на которые нужно обратить внимание.
SeoHammer еще предоставляет технологию Буст, она ускоряет продвижение в десятки раз,
а первые результаты появляются уже в течение первых 7 дней.
Зарегистрироваться и Начать продвижение
Первостепенное значение для автоматизации производства имеют многодвигательный привод и средства электрического управления. Развитие электропривода идет по пути упрощения механических передач и приближение электродвигателей к рабочим органам машин и механизмов, а также возрастающего применения электрического регулирования скорости приводов. Широко внедряются комплектные тиристорные преобразовательные устройства. Применение тиристорных преобразователей не только позволило создать высокоэкономичные регулируемые электроприводы постоянного тока, но и открыть большие возможности для использования частотного регулирования двигателей переменного тока, в первую очередь наиболее простых и надежных асинхронных двигателей с короткозамкнутым ротором.
Автоматизация различных технологических электроустановок, используемых в сельском хозяйстве, позволяет повысить надежность и увеличить срок службы технологического оборудования, облегчить и улучшить условия труда работающих, увеличить производительность и повысить качество работы оборудования.
В современных условиях эксплуатация электрооборудования требует глубоких и разносторонних знаний, а задачи создания нового или модернизации существующего электрифицированного технологического агрегата, механизма или устройства решаются совместными усилиями технологов, механиков и электриков.
Задание на курсовой проект
2 1

Рис.1. Схема устройства кран-балки
Кран-балка предназначена для работы в ремонтно-механической мастерской. Она состоит из балки 1, передвигаемой вдоль цеха, и тельфера 2, служащего для подъема, опускания и попеременного перемещения груза (рис.1). Максимальная масса поднимаемого груза m=1000 кг; масса тельфера 900 кг; масса балки 2900 кг; скорость подъема груза 10 м/мин; скорость передвижения тельфера 20 м/мин, балки 50 м/мин; максимальная высота подъема груза 8 м; длина пролета балки 10 м; длина цеха L=100 м; диаметр ходовых колес балки 450 мм, тельфера 400 мм; диаметр цапф колес тельфера и балки 60 мм; диаметр барабана тельфера 400 мм; коэффициент трения качения колес балки fб
=0,0005, тельфера fт
=0,0003; коэффициент трения в цапфах m = 0,015; коэффициент, учитывающий сопротивления в ребрах колес, торцах ступиц и т. д. а =2,5.
Сервис онлайн-записи на собственном Telegram-боте
Попробуйте сервис онлайн-записи VisitTime на основе вашего собственного Telegram-бота:
— Разгрузит мастера, специалиста или компанию;
— Позволит гибко управлять расписанием и загрузкой;
— Разошлет оповещения о новых услугах или акциях;
— Позволит принять оплату на карту/кошелек/счет;
— Позволит записываться на групповые и персональные посещения;
— Поможет получить от клиента отзывы о визите к вам;
— Включает в себя сервис чаевых.
Для новых пользователей первый месяц бесплатно.
Зарегистрироваться в сервисе
Привод механизма передвижения балки, подъема груза и передвижения тельфера осуществляется от отдельных электродвигателей через редукторы. Среднее число циклов в час равно 20 при средней длине перемещения тельфера и балки. Спуск груза производится в режиме сверхсинхронного торможения. Питание энергией двигателей производится от троллейных проводов. Пусковая и защитная аппаратура установлена на кран-балке.
Требования к схеме автоматического управления
1. Управление привода кран-балки осуществляется вручную – дистанционно с места подъема груза. Двигатель тельфера включен только при нажатой кнопке управления.
2. Путь перемещения всех механизмов ограничивается конечными выключателями.
3. При отключении двигателей включаются с помощью электромагнитов механические тормоза.
4. Все приводы должны иметь защиту от токов короткого замыкания и самопроизвольного пуска.
1.
Описание технологической схемы кран-балки
В приложении показана технологическая и кинематическая схемы кран-балки. Пролетное строение моста кран-балки представляет собой ездовой двутавр (прокатные двутавровые балки), опирающийся концами на концевые балки , на которых установлены ходовые колеса . Колеса перемещаются по рельсам подкранового пути, закрепленным на балках опорных конструкций в верхней части цеха. Привод ходовых колес осуществляется от электродвигателя через редуктор и трансмиссионный вал . Механизм передвижения крана оборудован электромагнитным тормозом , установленным на быстроходном валу редуктора. Ездовые двутавры усилены верхним трапецеидальным шпренгелем , состоящим из двух сваренных по длине коробку прокатных швеллеров.
Механизм передвижения электротали представляет собой четырехколесную тележку с электродвигателем и редуктором , приспособленную для передвижения по нижним полкам прокатных двутавровых балок. Тормоза механизм передвижения электротали не имеет.
В механизме подъема груза вращение от электродвигателя и редуктор передается на грузовой барабан. На барабан лебедки наматывается подъемный канат 13 с подвешенным к нему на блоке крюком для захвата груза. Груз удерживается на весу тормозом, затормаживаемым при выключении электродвигателя и растормаживаемым при включении.
2.Выбор частоты вращения двигателя и технических данных редуктора
Для привода механизма кран-балки используем асинхронные электродвигатели с короткозамкнутым ротором серии 4А и редукторы РМ.
Привод кран-балки.
Для привода кран-балки используем электродвигатель с синхронной частотой n = 1000 об/мин.
По заданию скорость движения кран-балки v = 50 м/мин и диаметр ходовых колес dх. к
= 0,45 м.
Перейдем от vб
к частоте вращения ходовых колес nх. к
:
nх.к
= vб
/ (π х dх.к
) = 50/(3,14 х 0,45) = 35,4 об/мин
Тогда передаточное число редуктора равно:
i = n / nх.к
= 1000/35,4 = 28,2
Выбираем редуктор РМ250 с iф
= 31,5 и мощностью на быстроходном валу Р = 0,9 кВт.
Фактическая скорость передвижения кран-балки:
vф
= (v х i) / iф
= (50 х 28,2)/ 31,5 = 44,8 м/мин
Отклонение от заданной
Е = (v - vф
) / v = (50 - 44,8)/ 50 = 10,4 %
Такое отклонение является допустимым для крановых механизмов.
Привод механизма передвижения электротали.
Для этого привода применим электродвигатель с синхронной частотой вращения n = 1000 об/мин.
По заданию: v = 20 м/мин и dх. к
= 0,2 м.
nх.к
= 20/(3,14 х 0,2) = 31,8 об/мин
i = n / nх.к
= 1000/31,8 = 31,4
Выбираем редуктор РМ250 с iф
= 31,5 и Р = 0,9 кВт.
vф
= (20 х 31,4)/ 31,5 = 19,4 м/мин
Е = (20 – 19,4)/ 20 = 3 %
Такое отклонение является допустимым.
Привод механизма подъема.
Выбираем электродвигатель с частотой n = 1500 об/мин.
По заданию: v = 10 м/мин и dбар
= 0,4 м.
nбар
= (m x v) / (π х dбар
) = (2 x 10)/ (3,14 x 0,4) = 15,9 об/мин,
где m – кратность полиспаста, m = 2.
i = 1500/15,9 = 94,3
Выбираем редуктор РМ400 с iф
= 98,57 и Р = 2,7 кВт.
vф
= (10 х 94,3)/ 98,57 = 9,57 м/мин
Е = (20 – 19,4)/ 20 = 3 %
Такое отклонение является допустимым.
3. Расчет и построение нагрузочной диаграммы и механической характеристики рабочей машины
Механизм передвижения кран-балки
Статическая мощность Рс
на валу двигателя передвижения кран-балки в установившемся режиме:
Рс
= 9,81 х К х vм
x (m+mo
+mм
)x(m x r+f)/(Rх. к
х hм
), (3.1)
где К - коэффициент, учитывающий увеличение сопротивления движению из-за реборд ходовых колес о рельсы, К = 2,5; m, mo
,
mм
- соответственно масса перемещаемого груза, захватывающего устройства и моста с тележкой (или только тележки), m=1000 кг, mo
=10 кг, mм
=3800 кг; vм
– скорость передвижения моста, vм
= 5/6 м/с; Rх.к
– радиус ходового колеса, Rх.к
= 0,225 м; m - коэффициент трения в опорах ходовых колес, m = 0,015; r – радиус шейки оси ходового колеса, r = 0,3 м; f - коэффициент трения качения ходовых колес по рельсам, f =0,0005; hм
- КПД механизма передвижения моста (тележки); определяем по кривым на рис.4.11 [4].
Статический момент Мс
на валу двигателя
Мс
= (Рс
х Rх. к
) / (vм
х iр
), (3.2)
где iр
– передаточное число редуктора механизма передвижения моста (тележки); iр
= 31,5.
Передвижение с грузом
Рс
=9,81х2,5х(5/6)х(1000+10+3800)х(0,015х0,03+0,0005)/(0,225х0,9)=461 Вт;
Мс
= (461х0,225)/((5/6)х31,5)=3,95 Н∙м.
Передвижение без груза
Рс
=9,81х2,5х(5/6)х(10+3800)х(0,015х0,03+0,0005)/(0,225х0,88)=373,6 Вт;
Мс
= (373,6х0,225)/((5/6)х31,5)=3,2 Н∙м.
Построим нагрузочную диаграмму механизма передвижения (рис.3.1).
Мс
, Н∙м 
                        4
3
2
1
0 20 40 60 80 100 120 140 160 180 200 220 240 260 t, c
tp1
to1
tp2
to2
tц
= 180 с
рис.3.1
По диаграмме определим продолжительность включения:
ПВ=(∑tp
/tц
) х100%=(120/180) х100%=66,6%
Механизм передвижения тельфера
Используя формулы (3.1) и (3.2), определим Рс
и Мс.
Передвижение с грузом
Рс
=9,81х2,5х(1/3)х(1000+10+900)х(0,015х0,03+0,0003)/(0,1х0,9)=130 Вт;
Мс
= (130х0,1)/((1/3)х31,5)=1,24 Н∙м.
Передвижение без груза
Рс
=9,81х2,5х(1/3)х(10+900)х(0,015х0,03+0,0003)/(0,1х0,85)=65,6 Вт;
Мс
= (65,6х0,1)/((1/3)х31,5)=0,62 Н∙м.
Строим нагрузочную диаграмму механизма передвижения тельфера (рис.3.2)
Мс
, Н м
1,5
1
0,5
0 20 40 60 80 100 120 140 160 180 200 220 240 260 t, c
tp1
to1
tp2
to2
tц
= 180 с
рис3.2
По диаграмме определим продолжительность включения:
ПВ=(30/180) х100%=16,6%.
Механизм подъема
Статическая мощность Рс.п
на валу двигателя в установившемся режиме при подъеме груза:
Рс
= 9,81 х vп
x (m+mo
)/ h, (3.3)
где m, mo
- соответственно масса поднимаемого груза, грузозахватывающего устройства, m=1000 кг, mo
=10 кг;
vп
– скорость подъема груза, vп
= 1/6 м/с;
h - общий КПД механизма подъема, определяемый по кривым на рис.4.11 [4].
Рс
=9,81х(1/6)х(1000+10)/0,85=1943 Вт.
Статический момент Мс
на валу двигателя подъема
Мс
= (Рс
х Rб
) / (v х iр
х iп
), (3.4)
где v – скорость движения крюка, v = 1/6 м/с;
Rб
– радиус барабана, Rб
=0,2 м;
iр
– передаточное число редуктора механизма подъема; iр
= 98,57;
iп
– передаточное число полиспаста; iп
= 2.
Мс
= (1943х0,2)/((1/6)х98,57х2)=11,83 Нм.
При подъеме пустого крюка
Рс.по
= 9,81 х vп
x mo
/ hо
, (3.5)
где hо
- КПД механизма при m=0.
Рс. по
=9,81х(1/6)х10/0,1=163,5 Вт.
М с.по
= (163,5х0,2)/((1/6)х98,57х2)=1 Н∙м.
Строим нагрузочную диаграмму механизма передвижения тельфера (рис.3.3)
                             Н м 11

10
9
8 7
6
5
4
3
2
Подъем mo
1 Спуск mo
0 20 40 60 80 100 120 140 160 180 200 220 240 t, c
tp1
to1
tp2
to2
tp3
to3
tp4
to1
tц
рис.3.3
Спуск пустого крюка (силовой спуск):
Рс.с
= 9,81 x mo
х vс
х ((1/h) – 2), (3.6)
где h=hо
, vс
– скорость спуска.
Рс.с
= 9,81х10х(1/6)х((1/0,1) – 2) =130 Вт.
М с.с
= (130х0,2)/((1/6)х98,57х2) = 0,79 Н∙м.
Спуск груза (тормозной спуск):
Рс.с
= 9,81 x(m+mo
)х vс
х (2 - (1/h)), (3.7)
где h > 0,5
Рс.с
= 9,81х(1000+10)х(1/6)х(2 - (1/0,85)) = 1360 Вт.
М с.с
= (1360х0,2)/((1/6)х98,57х2) = 8,3 Н∙м.
По диаграмме определим продолжительность включения:
ПВ = (96/180) х100% = 53,3%
4. Предварительный выбор двигателя по мощности и режиму нагрузки
Механизм передвижения кран-балки
При помощи нагрузочной диаграммы рис.3.1 находим эквивалентную за суммарное время рабочих операций статическую мощность Рс.э.р
, приведенную к ближайшей стандартной продолжительности включения ПВном
, по формуле
Рс.э.р
= √ [(∑ (Рс.
i
x tp
) х ПВрасч
)/((∑ tpi
) x ПВном
)] (4.1)
Рс.э.р
= √ [(( 4612
х 60+373,62
х 60) x 66) / (120 x 60)] = 440 Вт
По справочнику [2] выбираем двигатель по условию:
Рдв
Kз
x Рс.э.р
, (4.2)
где Kз
– коэффициент запаса, учитывающий дополнительную загрузку двигателя в периоды пуска и электрического торможения, Kз
= 1,4.
Рдв
1,4 x 440 = 616 Вт.
Выбираем двигатель 4А80А6У3
Таблица 4.1
| Р,Вт
|
I,A
|
n,1/мин
|
cosφ
|
η,%
|
Iпуск
|
Мпуск
|
Ммакс
|
Iдв
|
| 750
|
2,24
|
915
|
0,74
|
69
|
4
|
2
|
2,2
|
0,0031
|
Механизм передвижения тельфера
При помощи нагрузочной диаграммы на рис.3.2 находим
Рс.э.р
= √ [(( 1302
х 15+65,62
х 15) x 16,6) / ( 30 x 25)] = 84 Вт
Рдв
1,4 x 84 = 118 Вт.
Выбираем по справочнику [2] двигатель 4А63А6У3
Таблица 4.2
| Р,Вт
|
I,A
|
n,1/мин
|
cosφ
|
η,%
|
Iпуск
|
Мпуск
|
Ммакс
|
Iдв
|
| 180
|
0,78
|
915
|
0,62
|
56
|
3
|
2,2
|
2,2
|
0,0018
|
Механизм подъема
При помощи нагрузочной диаграммы на рис.3.3 находим
Рс.э.р
=√[((19432
х24+163,52
х24+130 х24+1360 х24)х53,3)/(30x25)]=1122 Вт
Рдв
1,4 x 1122 = 1571 Вт.
Выбираем по справочнику [2] двигатель 4А90L4У3
Таблица 4.3
| Р,Вт
|
I,A
|
n,1/мин
|
cosφ
|
η,%
|
Iпуск
|
Мпуск
|
Ммакс
|
Iдв
|
| 2200
|
5,02
|
1425
|
0,83
|
80
|
6
|
2,1
|
2,4
|
0,0056
|
5. Определение приведенного момента инерции системы двигатель - рабочая машина
Покажем на примере механизма передвижения кран-балки определение времени пуска. Время торможения примем равным 0, т.к. для остановки применяется механический тормоз.
Суммарный момент инерции определяется по формуле:
J∑
= K x Jдв
+ m∑
x (v/wдв
)2
,
где К – коэффициент, учитывающий моменты инерции частей машины, К=1,15-1,2 [4];
Jдв
– момент инерции двигателя, Jдв
= 0,0031 кг м2
;
m∑
- суммарная масса поступательно движущихся элементов механизма, m∑
=4810 кг;
v – скорость поступательного движения кран-балки, v=5/6 м/с;
wдв
– угловая скорость двигателя, wдв
= 96,1 рад/с.
J∑
= 1,2 х 0,0031+ 4810х((5/6)/96,1)2
= 0,405 кг м2
Данные для построения механической характеристики электродвигателя показанной на рис 5.1
Таблица 5.1
| ωдв рад/с
|
105
|
96,1
|
68,3
|
15,75
|
0
|
| М,Н∙м
|
0
|
7,8
|
17,2
|
12,5
|
15,6
|
Момент трогания рабочей машины определяется по формуле:
Мтр
= 1,2 х Мс ном
, (5.2)
где Мс ном
– номинальный статический момент на валу машины, Мсном
=3,95 Н м
Мтр
= 1,2 х 3,95 = 4,74 Н м.
У данного вида механизма момент сопротивления Мс
не зависит от частоты вращения w. Следовательно, механическая характеристика рабочей машины представляет собой прямую w = f (Мс
) на рис.5.1. Проделав соответствующие построения, определим t’пуск
в мм.: t’пуск
=66 мм.
Определим масштаб по времени:
mt
= mt
x mw
/ m м
, где
mt
= 0,02 кг м2
/мм; mw
= 1 рад/с мм; m м
= 0,2 Н м/мм.
mt
= 0,02 х 1 / 0,2 = 0,1 с/мм.
tпуск
= mt
х t’пуск
= 0,1 х 66 = 6,6 с.
По рассчитанному t’пуск
видно, что пуск получается тяжелый.
6. Расчет и построение нагрузочной диаграммы двигателя за один цикл работы машины
Мс
, Н м
Мп
Мп
15
12

9
6 Мс1
 Мс2
3
  0
20 40 60 80 100 120 140 160 1 80 200 220 240 t, c
t п1
tу1
tо1
t п2
tу2
tо2
tц
= 180 с
рис.6.1 Нагрузочная диаграмма двигателя за один цикл работы машины
Из пункта 3 имеем:
tц
= 180 c; tp
1
= tp
2
= 60 c; to
1
= to
2
= 15 c.
Из пункта 5:
tпуск
=6,6 с; Мп
=15,6 Н м; Мс1
=3,95 Н м; Мс2
=3,2 Н м.
Время установившейся работы двигателя tу1
:
tу1
= tp
1
- tп1
= 60 – 6,6 = 53,4 с = tу2
7. Проверка выбранного двигателя по перегрузочной способности, пусковому моменту и частоте включений
Условие пуска:
Мпуск. дв
Мтр.р.м .
/
a
1
, (7.1)
где Мпуск.дв
– пусковой момент двигателя, Мтр.р.м
– момент трогания Р.М. из нагрузочной диаграммы при wо
= 0; Мтр.р.м
= 4,74 Н м; a1
– коэффициент, учитывающий возможное при пуске снижение напряжения на зажимах электродвигателя от 10% до 30%; a1
= 0,5.
15,6 Н м
4.74 Н м / 0,5 = 9,8 Н м – условие выполнено.
Условие перегрузочной способности:
Мкр.дв
Ммакс.р.м .
/
a
2
,
где
Мкр.дв
– максимальный момент двигателя; Мкр.дв
= 17,2 Нм; Ммакс.р.м
= 4,74 Н м; a2
– коэффициент, учитывающий возможное снижение напряжения на зажимах работающего двигателя на 10%; a2
= 0,81.
17,2 Н м
4,74 Н м / 0,81 = 5,93 Н м – условие выполнено.
Предельно допустимая частота включений:
hпд
= 3600 х Рн
х bо
х(1- e) / Aп
(7.3)
Рн
– мощность потерь в номинальном режиме
Рн
= Рн
х (1- h) / h (7.4)
где Рн – номинальная мощность электродвигателя; Рн = 750 кВт;
h - КПД; h = 0,69
Рн
= 750 х (1 – 0,69) / 0,69 = 337 Вт
bо
– коэффициент, учитывающий ухудшение теплоотдачи; bо
= 0,5;
e - относительная продолжительность включения, e = 0,6
Aп
=0,81 х Рэл.н
х I2
п*
х tп
,
где Рэл.н
= Рн
х (1- h) / h х (1 + a),
где коэффициент a = 0,7;
Рэл.н
= 750 х (1 – 0,69) / 0,69 х (1 + 0,7) = 188,2 Вт
Iп*
- кратность пускового тока, Iп*
= 2
Aп
= 0,81 х 188,2 х 22
х 6,6 = 3924 Дж.
Фактическое число включений hф
= 60 вкл/час.
Условие hпд
hф
выполнено.
8.Обоснование и описание принципиальной схемы управления приводом кран-балки
Управление приводом кран-балки осуществляется вручную, дистанционно с места подъема груза. Двигатель включен только при нажатой кнопки управления. Путь перемещения всех механизмов ограничивается конечными выключателями. При отключении двигателя барабана, включается электромагнитный тормоз. Все приводы имеют защиту от токов короткого замыкания и самопроизвольного пуска.
Работа схемы подготавливается включением автомата QF1.
При нажатии кнопки SB2 получает питание КМ1, замыкая свои контакты КМ1.1, двигатель балки М1 включается, при отпускании SB2 двигатель останавливается, подводится питание к электромагнитному тормозу. При нажатой кнопке SB3 получает питание пускатель КМ2, двигатель М1 вращается в обратную сторону.
Конечный выключатель SQ1 служит для ограничения перемещения.
Аналогичный принцип работы и для других двигателей.
Управлением двигателем М3 механизма подъема осуществляется микроконтроллерным блоком. На двигателе М3 установлен токогенератор, который выводными концами подключен к входу напряжения микроконтроллера, через транзистор VT1.
Тахогенератор осуществляет обратную связь по скорости. При увеличении частоты вращения двигателя UТР
становится больше, напряжение подается на микроконтроллер через VT1. Сопротивление которого, при увеличении напряжения увеличивается, а при снижении – уменьшается. Таким образом, при увеличении оборотов двигателя М3 напряжение, подающееся на микроконтроллер (Umax
=5В) уменьшается.
Ключи S1 и S2 осуществляют запуск и реверсирование двигателя. В микроконтроллере осуществляется импульсная модуляция напряжения. Модулирование шкалы подаются на драйвер IR2233J, который осуществляет переключение силовых ключей Q1 … Q6, выполненных на ICBT транзисторах. Трех фазное напряжение, подаваемое на силовые ключи, выпрямляется диодным мостом VD1 … VD6 и стабилизируется. Переключение силовых
ключей Q1 … Q6 в режиме заданном микроконтроллером вызывает появление на их выходах напряжение с требуемой частотой.
Защита двигателя осуществляется блоком защиты микроконтроллера, при помощи терморезистора RT задается температура отключения.
Контролер дает возможность программного управления двигателем.Схема управления кран-балкой представлена в конце пояснительной записки.
9. Выбор аппаратуры управления и защиты
Автоматические выключатели выбираются из условий:
Uном
Uраб
(9.1)
Iном
Iраб
(9.2)
Ток уставки электромагнитного расцепителя для группы асинхронных двигателей с короткозамкнутым ротором выбирается исходя из:
Iуст.эм
1,5 х[ Iном.дв
+ (Iпуск.дв
– Iном.дв
)] , (9.3)
где Iном.дв
– сумма номинальных токов двигателей; (Iпуск.дв
– Iном.дв
) – разность пускового и номинального токов наиболее мощного двигателя.
Произведем расчет Iуст.эм
для автомата QF1:
Iуст.эм
1,5 х [(2,24 + 0,78 + 5,02) + (30,12 – 5,02) = 49,71 А
Произведем расчет Iуст.эм
для автомата QF2:
Iуст.эм
1,5 х [(0,78 + 5,02) + (30,12 – 5,02) = 46,35 А
Учитывая условия (9.1), (9.2) и рассчитанные токи Iуст.эм
, выбираем автомат типа ВА51Г31-321110Р- 20УХЛ3 с током расцепителя Iр
= 50 А [2].
При выборе магнитных пускателей учитываются следующие условия:
Iном
Iраб
(9.4)
Uап
Uсети
(9.5)
Uкат
= Uц.упр
(9.6)
Для всех электродвигателей выбираем реверсивные магнитные пускатели без тепловых реле типа ПМЕ.
Используя литературу [2] и учитывая условия 9.4-9.6 выбираем магнитные пускатели:
1. Для двигателей механизмов передвижения кран-балки и тельфера ПМЕ–013 с Iн
= 3 А;
2. Для двигателя механизма подъема – ПМЕ-113 с Iн
= 10 А.
Номинальный ток тепловых элементов тепловых реле Iном.р выбирается по номинальному току защищаемого электродвигателя так, чтобы последний находился в зоне изменения настройки теплового реле:
Imin
.
p
< Iном.дв
< Imax
.
p
,
где Imin
.
p
,Imax
.
p
– предельные изменения уставки теплового реле, А.
Номинальные токи тепловых элементов:
1. Для двигателя передвижения кран-балки – Iуст
= 2,5 А;
2. Для двигателя передвижения тельфера – Iуст
= 0,8 А;
3. Для двигателя механизма подъема – Iуст
= 5,0 А.
В схеме управления кран-балкой применим следующий тип конечных выключателей: ВКП-2000.
Эти выключатели предназначены для срабатывания в электрических цепях переменного тока напряжением 380 В, частотой 50-60 Гц под воздействием управляющего упора.
Для управления двигателями механизмов кран-балки выбираем из [2] кнопки управления типа КЕ-021У3 с одним замыкающим и одним размыкающим контактами.
10. Краткое описание устройства и места расположения электрооборудования кран-балки
При управлении кран-балкой с пола электрооборудование механизма передвижения моста размещается на концевой балке.
На концевой балке с противоположной стороны от главных троллей укреплен щиток для размещения магнитных пускателей электродвигателя механизма передвижения кран-балки ПМЕ-013 и тепловых реле. На втором щитке размещены автоматические выключатели ВА51Г31. На концевой балке установлен также конечный выключатель ВКП-2000 механизма передвижения кран-балки.
Ток к электротали подводится с помощью гибкого шлангового кабеля КРПТ. Один конец этого кабеля закрепляется неподвижно на троллейной концевой балке, а второй конец присоединяется к тельферу. Сам кабель подвешивается к роликам, которые перемещаются по стальной проволоке. Электроаппаратура управления крепится на самом тельфере. Управление магнитными пускателями осуществляется через кнопочный пост, который подвешен на стальном троссе к нижней боковой стенке шкафа электроаппаратуры.
11. Подсчет стоимости выбранного комплекта электрооборудования
табл.11
| Наименование
|
Цена единицы эл.обор., руб
|
Всего, руб
|
| Двигатели
|
| 1. 4А80А6У3
|
2065
|
2065
|
| 2. 4А63А6У3
|
2400
|
2400
|
| 3. 4А90L4У3
|
2950
|
2950
|
| Автомат
|
| 4. ВА51Г31- 321110Р- 20УХЛ3
|
194
|
194
|
| Магнитные пускатели
|
| 5. ПМЕ 013
|
520
|
1040
|
| 6. ПМЕ 124
|
595
|
1190
|
| 7.Микроконтроллер
|
| ITC200
|
495
|
495
|
| Конечные выключатели
|
| 8. ВКП-2000
|
60
|
360
|
| Кнопки управления
|
| 9. КЕ-021У3
|
19
|
114
|
| 10. Электромагнитный тормоз ТКТ-200/100
|
800
|
800
|
| 12. Кабель КРПТ- 3 х 2,5
|
4 руб за 1 м
|
140
|
| 13. Трубка полихлорвиниловая Б230 диам.4х1 мм
|
20 руб за 1 кг
|
200
|
| 14. Кабель КРШС 14 х 1,5
|
8 руб за 1 м
|
280
|
| 15. Провод БПВЛ-2,5
|
2 руб за 1 м
|
200
|
| 16. Провод БПВЛ-1,5
|
1 руб за 1 м
|
100
|
| ИТОГО : 12528 руб
|

Спецификация
| Поз. обозначение
|
Наименование
|
Кол
|
Примечание
|
| Двигатели
|
| М1
|
4А80А6У3
|
1
|
750 Вт
|
| М2
|
4А63А6У3
|
1
|
180 Вт
|
| М3
|
4А90L4У3
|
1
|
2,2 кВт
|
| Автоматы
|
| QF1
|
ВА51Г31-321110Р-20УХЛ3
|
1
|
Uном
=380 В,Iр
=50 А
|
| Магнитные пускатели
|
| КМ1,2
|
ПМЕ 013
|
1
|
нереверсивный
|
| КМ3
|
ПМЕ 124
|
2
|
нереверсивный
|
| Микроконтроллер
|
| ITC200
|
1
|
| Конечные выключатели
|
| QS1-6
|
ВКП-2000
|
6
|
Рычажные с
|
| самовозвратом
|
| Кнопки управления
|
| SB1-6
|
KE-021У3
|
6
|
| YA1-2
|
Катушк электротормоза ТКТ-200/100
|
2
|
Uн= 380 В
|
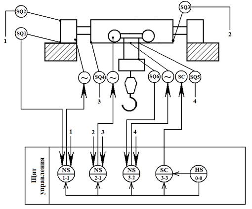
13. Расчет автоматики
13.1. Построение функциональной схемы
 
Рисунок 13.1 Функциональная схема кран-балки
NS – орган управления исполнительным механизмом; ЕС – тахогенератор установленный на двигателе механизма подъема (барабана); SC – микроконтроллер, управляющий двигателем механизма подъема; НS – ручное управление исполнительными механизмами; SQ – конечные выключатели для ограничения перемещения.
13.2. Построение структурной схемы для расчета статики
Структурная схема представляет графическое изображение системы уравнений статики всех элементов.
Замкнутая система электропривода необходима, если выполняется условие:
(23)
(24) где: - требуемый статизм регулирования условий скорости;
 - минимальная угловая скорость вращения, рад/с;
(25) где: - максимальная скорость вращения, рад/с;
- диапазон регулирования угловой скорости;
(26) где: - номинальное скольжение двигателя, %.
 
Абсолютное снижение угловой скорости электродвигателя:
(27) 
Тогда , условие выполняется, нужна замкнутая система электропривода..
Построим структурную схему для расчета

Рисунок 13.2 Первоначальная схема.
Для расчета статики, необходимо исходную схему привести к простейшей.

КП
– коэффициент преобразователя; КОС
– коэффициент обратной связи;
КД1
– коэффициент двигателя.
Рисунок 13.3 Расчетная схема
 (28) где: - изменение частоты микроконтроллера, Гц;
- изменение напряжения подаваемого на микроконтроллер, В.

(29) где: - число полюсов двигателя.
Так как то 

(30) где: ;
- напряжение подаваемого на вход тахогенератора, В.

(31)

13.3. Расчет динамики
Представим элементы системы в виде типовых динамических звеньев и определим их основные параметры.
Передаточная функция
- апериодическое звено первого порядка
Электромеханическая постоянная
(32) где: - приведенный к валу двигателя момент инерции;
- модуль жесткости механической характеристики.
(33)


значок (Х) показывает, что схема выглядит разомкнутой.
Рисунок 13.4 Структурная схема для расчета динамики
В разомкнутой системе

Построим ЛФЧХ и ЛАЧХ для определения устойчивости
| ω
|
0
|
1.25
|
16.4
|
|
| φ(ω)
|
-900
|
-94,30
|
-1350
|
-1800
|
Рис 13.5 Определение устойчивости
САР устойчива, т.к. на , запас устойчивости равен 85,70
.
Построение вещественно частотной характеристики, построим для замкнутой САР. Для рисунка она будет иметь следующий вид:



Подставим в известные числовые значения

Построим зависимость от :
| ω
|
0
|
2
|
4
|
8
|
10
|
12
|
16
|
30
|
100
|
| Re
|
21.3
|
6.98
|
0.97
|
-1.1
|
-1.2
|
-1.16
|
-0.98
|
-0.45
|
-0.051
|

- частота излома горизонтальной части; - частота конца наклона участка; - частота излома 2-й трапеции; - частота конца 2-й трапеции; - начальная ордината 1-й трапеции.
Рисунок 13.6 Аппроксимация графика для построения переходного процесса
Определим
(34) 
Зависимости связаны в таблицу h – функций.
Переходный процесс представляет из себя зависимость 
Время переходного процесса (реальное):
(35) (36)
где: - табличное значение h (для единичной трапеции)
По таблице h функции получим переходную характеристику, переходной характеристикой 2-й трапеции можно пренебречь, в виду ее малой начальной ординаты и почти одинакового показателя .
Таблица 5 – Таблица h функций и значения времени для построения графика переходного процесса (h – скорость в относительных единицах).

На графике h в относительных единицах, а время (t) в реальном масштабе
Величина перерегулирования
(37) 
N=2 – количество колебаний.
Фактическое значение максимального момента
(38)
где: - максимальный динамический момент;
- приращение скорости к приращению времени.
 

Рисунок 13.7 График переходного процесса при регулировании скорости электродвигателя,
Литература
1. Грундулис А.О. Защита электродвигателей в сельском хозяйстве.- 2-е изд., перераб. и доп.- М.: Агропромиздат, 1988. - 111с.
2. Кисаримов Р.А. Справочник электрика.- 2-е изд., перераб. и доп.- М.: ИП РадиоСофт, 2004. - 512с.
3. Контрольно-измерительные приборы и средства автоматизации: каталог продукции фирмы «ОВЕН». - М.: СинФазИн, 2003. – 152с.
4. Кондратьева Н.П. «Выбор аппаратуры управления электрических установок. Учебное пособие» - ИжГСХА, Ижевск, 1995 – 140с.
5. Правила устройства электроустановок.7-е изд. Доп. с исправлениями.- М.:ЗАО «Энергосервис»,2003.-608с.
6. Межотраслевые правила по охране труда при эксплуатации электроустановок.- М.: Изд-во НЦЭНАС, 2003-192с.
7. Правила технической эксплуатации электроустановок потребителей.-М.: Изд-во «Энергосервис»,2001-287с.
8. Фоменков А.П. Электропривод сельскохозяйственных машин, агрегатов и поточных линий. - 2-е изд., перераб. и доп.- М.: Колос, 1984. – 288с.
Приложение

1 – барабан; 2 – тельфер; 3 – балка
Рисунок 1 Схема устройства кран – балки
1 – двигатель; 2 – муфта; 3 – редуктор; 4 – муфта;
5 – трансмиссионный вал; 6 – колесо балки
Рисунок 2 Кинематическая схема механизма передвижения балки

1 – двигатель; 2 – редуктор; 3 – барабан; 4 – крановая подвеска; 5 – трос
Рисунок 3 Кинематическая схема механизма подъема и опускания груза

Рисунок 4
Механическая характеристика рабочей машины

Рисунок 5 Механическая характеристика двигателя. (Естественная и
искусственная, при минимальной скорости вращения)
 
Рисунок 6 Принципиальная схема управления
Заключение
Основная задача проектирования рационального электропривода состоит в том чтобы наиболее правильно сочетать свойства всех его элементов со свойствами рабочей машины и технологического процесса, выполняемого машинным устройством.
Первостепенное значение для автоматизации производства имеют многодвигательный привод и средства электрического управления. Развитие электропривода идет по пути упрощения механических передач и приближение электродвигателей к рабочим органам машин и механизмов, а также возрастающего применения электрического регулирования скорости приводов. Широко внедряются комплектные тиристорные преобразовательные устройства. Применение тиристорных преобразователей не только позволило создать высокоэкономичные регулируемые электроприводы постоянного тока, но и открыть большие возможности для использования частотного регулирования двигателей переменного тока, в первую очередь наиболее простых и надежных асинхронных двигателей с короткозамкнутым ротором.
Свойства технологического процесса и рабочей машины, знание которых необходимо для проектирования электропривода, описываются приводными характеристиками машины. К этим характеристикам относятся: технологическая, кинематическая, энергетическая, механическая, нагрузочная.
После внимательного изучения технологической, кинематической характеристик машины и требований к схеме автоматического управления составляется принципиальная схема автоматического управления.
|