Экспертное заключение по уголовному делу №2660
№112
«20
» ноября
200 8
г.
10 ноября 2008 года в Экспертно-консультационный центр по экспертизе ДТП ИрГТУ потупило постановление от 28 октября 2008 г. следователя следственного отдела по ДТП г. Иркутска Волкову П.Н. по уголовному делу Акопяна Г.Г. для производства судебной автотехнической экспертизы.
На разрешение экспертизы поставлены вопросы:
1. Мог ли водитель Акопяна Г.Г., применив экстренное торможение, остановиться на расстоянии, меньшем, чем расстояние видимости?
2. Запоздал ли водитель с торможением?
Производство экспертизы поручено Кудыменко А.В. имеющий высшее образование, специальность организация и безопасность дорожного движения, стаж работы по данной специальности с 2004 года.
Об ответственности по ст. 307 УК РФ предупрежден.
Эксперт
Фабула ДТП
12 октября 2008 г. в 18 часов 05 минут Акопян Г.Г. на автомобиле ГАЗ-31029, следуя по улице Трилиссера со стороны улицы Ядринцева, в районе ТК «Октябрьский» совершил наезд на пешехода Джин Юань Ху, 25 лет, который в результате ДТП получил тяжкие телесные повреждения.

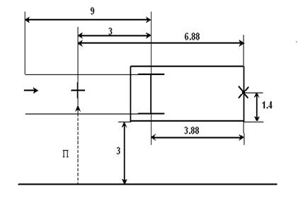
Рисунок 1 – Торцевой наезд автомобиля на пешехода
Исходные данные.
День пасмурный, временами дождь, покрытие – мокрый асфальт
Исследование.
Из схемы ДТП длина следа юза автомобиля ГАЗ-31029 составляет 9 м. Автомобиль после наезда на пешехода переместился на расстояние 3 м. Место наезда расположено на расстоянии 4,4 м от края проезжей части. Ширина проезжей части в месте наезда 9 м. Расстояние от передней части автомобиля до места удара 6,88 м.
Справочные данные
время реакции водителя составляет ti = 0,8 с
Время срабатывания привода тормозов – для гидравлического t2
=0,08 с Время нарастания замедления t3
= 0,30 с (при коэффициенте сцепления шин с дорогой 0,4).
Максимальное замедление, которое может быть реализовано в данных условиях; (при коэффициенте сцепления 0,4) – 3,90 м/с2
.
Скорость пешехода 1,1 м/с спокойно идущий взрослый человек.
Порядок расчета:
Перемещение автомобиля в заторможенном состоянии после пересечения линии следования пешехода определяется как сумма расстояния от конца следа юза до места наезда и разность расстояний от передней части автомобиля до места удара и от задней оси до передней части автомобиля.
(1)
где L1
– расстояние от задней оси до передней части автомобиля [1], м.
Sю1
- расстояние от конца следа юза до места наезда, м.
Забиваем Сайты В ТОП КУВАЛДОЙ - Уникальные возможности от SeoHammer
Каждая ссылка анализируется по трем пакетам оценки: SEO, Трафик и SMM.
SeoHammer делает продвижение сайта прозрачным и простым занятием.
Ссылки, вечные ссылки, статьи, упоминания, пресс-релизы - используйте по максимуму потенциал SeoHammer для продвижения вашего сайта.
Что умеет делать SeoHammer
— Продвижение в один клик, интеллектуальный подбор запросов, покупка самых лучших ссылок с высокой степенью качества у лучших бирж ссылок.
— Регулярная проверка качества ссылок по более чем 100 показателям и ежедневный пересчет показателей качества проекта.
— Все известные форматы ссылок: арендные ссылки, вечные ссылки, публикации (упоминания, мнения, отзывы, статьи, пресс-релизы).
— SeoHammer покажет, где рост или падение, а также запросы, на которые нужно обратить внимание.
SeoHammer еще предоставляет технологию Буст, она ускоряет продвижение в десятки раз,
а первые результаты появляются уже в течение первых 7 дней.
Зарегистрироваться и Начать продвижение


Определим скорость автомобиля в момент наезда, которая зависти от замедления.
(2)
где j– замедление автомобиля, м/с2
;


Скорость автомобиля перед торможением
(3)
где t3 – время нарастания замедления, с;
Sю
– длина следа юза, м.


Удаление автомобиля от места наезда – расстояние видимости, то есть то расстояние, на котором водитель заметил пешехода.
(4)
где Sп
– путь, пройденный пешеходом до места наезда, м;
Vп
– скорость пешехода, м/c.
Так как удар пешеходу нанесен торцевой поверхностью автомобиля, то , где - расстояние от правой стороны автомобиля до границы проезжей части, м.


Остановочный путь автомобиля, т.е. путь пройденный автомобилем с момента обнаружения водителем пешехода до полной остановки автомобиля.
(5)
где Т – суммарное время, с
(6)
где t1
- время реакции водителя, с;
t2
– время срабатывания привода тормозов, с.




Необходимо проверить, мог ли водитель остановиться, применив экстренное торможение, на расстоянии, меньшем расстояния видимости, т.е. соблюдается ли условие остановки автомобиля.
(7)

Условие выполнено, следовательно, водитель мог остановиться на расстоянии, меньшем, чем расстояние видимости.
По второму вопросу.
Теперь определим, запоздал ли водитель с торможением, т.е. вовремя ли начал тормозить. Для этого нам необходимо выяснить время движения автомобиля до наезда на пешехода, а также время движения пешехода до линии следования автомобиля.
Время движения автомобиля до наезда на пешехода:
(10)


Время движения пешехода до полосы следования автомобиля:
(11)


Условие своевременности торможения, предпринятого водителем:
(12)
1,44<2,72
Условие своевременности торможения не выполнено. Пешеход двигался по проезжей части около 2,7с, а водитель начал тормозить с некоторым опозданием.
Время запаздывания:
(13)


Перемещение автомобиля за этот промежуток времени:
(14)


Условие остановки автомобиля до линии следования пешехода:
(15)

Выводы
1. В данной дорожной ситуации водитель автомобиля ГАЗ – 31029 Акопян Г.Г., применив экстренное торможение, мог остановиться на расстоянии, меньшем, чем расстояние видимости.
2. В данной дорожной ситуации водитель автомобиля ГАЗ – 31029 Акопян Г.Г.начал тормозить с некоторым опозданием.
|