Введение
В связи с тем, что строительство сельских электрических сетей к настоящему времени можно считать практически завершенным, важнейшими задачами на современном этапе является обеспечение качества электроэнергии у сельских потребителей и бесперебойность их электроснабжения с наибольшей экономичностью.
Правила устройства электроустановок (ПУЭ) делят все потребители электрической энергии с точки зрения необходимости обеспечения надежности их электроснабжения на три категории. К первой относятся электроприемники, нарушение электроснабжения, которых влечет за собой опасность для жизни людей, наносит значительный ущерб народному хозяйству, вызывает повреждения оборудования, массовый брак продукции, расстройства сложных технологических процессов. По ПУЭ электроприемники первой категории должны обеспечиваться электроэнергией от двух независимых источников питания, и перерывы в их электроснабжении допускаются на время необходимое для автоматического включения резервного питания. Следует отметить, что при сравнительно небольших мощностях сельских потребителей первой категории в качестве резервного источника их питания вполне могут использоваться резервные электростанции.
Известно, что в любой, самой совершенной по качеству оборудования электрической системе в процессе ее эксплуатации неизбежно возникают различные повреждения. Причины аварии в электроустановках разнообразны, но чаще всего они возникают вследствие несвоевременного выявления и устранения дефектов оборудования, низкочастотного монтажа, низкого уровня эксплуатации. Часто аварии являются следствием влияния на электроустановки атмосферных перенапряжений.
Надежность электроснабжения характеризуется количеством и длительностью отключений и соответственно перерывами в подаче электроэнергии потребителям. Очевидно, что при современном уровне электрификации, вообще и сельского хозяйства в частности, перерывы в электроснабжении влекут за собой определенные потери в производстве и наносят материальный ущерб.
Совершенствуя схему электроснабжения, а следовательно, увеличивая капитальные расходы на ее эксплуатацию, можно сокращать недоотпуск электроэнергии потребителям и соответственно уменьшать наносимый им материальный ущерб.
Забиваем Сайты В ТОП КУВАЛДОЙ - Уникальные возможности от SeoHammer
Каждая ссылка анализируется по трем пакетам оценки: SEO, Трафик и SMM.
SeoHammer делает продвижение сайта прозрачным и простым занятием.
Ссылки, вечные ссылки, статьи, упоминания, пресс-релизы - используйте по максимуму потенциал SeoHammer для продвижения вашего сайта.
Что умеет делать SeoHammer
— Продвижение в один клик, интеллектуальный подбор запросов, покупка самых лучших ссылок с высокой степенью качества у лучших бирж ссылок.
— Регулярная проверка качества ссылок по более чем 100 показателям и ежедневный пересчет показателей качества проекта.
— Все известные форматы ссылок: арендные ссылки, вечные ссылки, публикации (упоминания, мнения, отзывы, статьи, пресс-релизы).
— SeoHammer покажет, где рост или падение, а также запросы, на которые нужно обратить внимание.
SeoHammer еще предоставляет технологию Буст, она ускоряет продвижение в десятки раз,
а первые результаты появляются уже в течение первых 7 дней.
Зарегистрироваться и Начать продвижение
1
Хозяйственная деятельность предприятия и анализ схемы электроснабжения
1.1 Природно-экономические условия
СХП “Гарант ” села Борисова расположено в северной части Челябинской области, в 5 км от районного центра с. Кунашак и 98 км от областного центра г. Челябинска. Площадь землепользования составляет - 7230 га в том числе: с/х угодий-4982 га; из них: пашни-5011 га; сенокосы-730 га; пастбищ-823 га.
Сообщение между населёнными пунктами осуществляется по грунтовым дорогам и автодорогам областного значения. Общая численность населения СХП 650 чел. Национальный состав населения –татаро –башкиры.
1.2 Климат
Поселок расположен в умеренно-континентальной климатической зоне, которая характеризуется длительным периодом отрицательных температур и значительными колебаниями их в течении года. По многолетним данным метеостанции сумма эффективных температур выше +5 градусов составляет 13-25 дней. За год в среднем выпадает 480 мм осадков из них в период с температурой выше 10 градусов.
Господствующее направление ветров юго-западное и западное. Средняя температура самого холодного месяца- января составляет-15 градусов, самого тёплого - июля +18 градусов. Последние весенние заморозки прекращаются обычно в конце мая. Первые осенние заморозки начинаются обычно в середине сентября. Средняя продолжительность вегетационного периода 165 дней (стойловое содержание скота 210-215 дней). Устойчивый снежный покров наступает в конце ноября. Максимальная глубина промерзания почвы 79 см. Наибольшая толщина снежного покрова наблюдается в марте до 69 см. Полный сход снега наблюдается после 20 апреля.
1.3 Почвы
Большинство территории хозяйства занято дерново-подзолистыми почвами. Из других почв наибольшее распространение имеют дерново-карбонатные почвы, занимающие 19% площади. Менее распространенные являются дерново-луговые и лесостепные, удельный вес которых составляет около 2,5%. остальная площадь занята почвами крутых склонов, заболоченных мест. По механическому составу в районе преобладают тяжело и средне - суглинистые почвы, их удельный вес составляет 75%.
1.4 Специализация
Будущее направление СХП - молочно-мясное животноводство. Картофелеводство, овощеводство развиты слабо. В целом сложившееся специализация отвечает природным и экономическим условиям района и подлежит дальнейшему развитию в сторону большего увеличения производства молока, овощей и картофеля.
Сервис онлайн-записи на собственном Telegram-боте
Попробуйте сервис онлайн-записи VisitTime на основе вашего собственного Telegram-бота:
— Разгрузит мастера, специалиста или компанию;
— Позволит гибко управлять расписанием и загрузкой;
— Разошлет оповещения о новых услугах или акциях;
— Позволит принять оплату на карту/кошелек/счет;
— Позволит записываться на групповые и персональные посещения;
— Поможет получить от клиента отзывы о визите к вам;
— Включает в себя сервис чаевых.
Для новых пользователей первый месяц бесплатно.
Зарегистрироваться в сервисе
1.5 Анализ хозяйственной деятельности
Таблица 1.1–Структура денежной выручки предприятия
| Отрасли,
|
2004 г
.
|
2005 г
.
|
2006 г
.
|
| продукты
|
тыс. руб.
|
%
|
Тыс. руб.
|
%
|
тыс. руб.
|
%
|
| Растениеводство
|
| всего:
|
22064 |
6,41 |
39929 |
3,80 |
144426 |
4,93 |
| в том числе: |
| зерновые |
15839 |
4,60 |
23889 |
2,27 |
56967 |
1,94 |
| картофель |
4738 |
1,38 |
1243 |
0,12 |
1973 |
0,07 |
| овощи |
229 |
0,07 |
13014 |
1,24 |
605 |
0,02 |
| Животноводство
|
| всего:
|
261600 |
76,03 |
638897 |
60,83 |
2416618 |
82,43 |
| в том числе: |
| молоко |
48767 |
14,17 |
151673 |
14,44 |
689782 |
23,53 |
| КРС |
29748 |
8,65 |
42515 |
4,05 |
309649 |
10,56 |
| свиньи |
181965 |
52,89 |
443766 |
42,25 |
865999 |
29,54 |
| Прочая продукция |
60400 |
17,55 |
371416 |
35,36 |
370621 |
12,64 |
| Всего по хозяйству
|
344064
|
100,00
|
1050242
|
100,00
|
2931665
|
100,00
|
Денежную выручку хозяйство получает в основном от реализации продукции животноводства. Денежная выручка которой в среднем составляет 73,1 %. Растениеводство дает лишь 5 % денежной выручки. Главный товарный продукт – мясо свиней, он дает в среднем 41,6 % денежной выручки, на втором месте денежная выручка от реализации молока. Она составляет в среднем – 17,4 %. На третьем месте выручка от продажи мяса КРС. Она составляет в среднем – 7,8 %. Следовательно СХП «Гарант» имеет мясо-молочное направление с производством зерна для собственных нужд.
Таблица 1.2–Экономические результаты производства основных товарных продуктов
| 2004 г
.
|
2005 г
.
|
2006 г
.
|
| Отрасли, продукты
|
Денежная выручка, тыс. руб.
|
Себесто-имость, тыс. руб.
|
Прибыль, убыток, тыс. руб.
|
Денежная выручка, тыс. руб.
|
Себесто-имость, тыс. руб.
|
Прибыль, убыток, тыс. руб.
|
Денежная выручка, тыс. руб.
|
Себесто-имость, тыс. руб.
|
Прибыль, убыток, тыс. руб.
|
| Растениеводство
|
| всего:
|
22064 |
15782 |
6282 |
39929 |
47683 |
-7754 |
144426 |
178766 |
-34340 |
| в том числе: |
| зерновые |
15839 |
10596 |
5243 |
23889 |
29778 |
-5889 |
56967 |
86223 |
-29256 |
| картофель |
4738 |
3315 |
1423 |
1243 |
1363 |
-120 |
1973 |
2133 |
-160 |
| овощи |
229 |
252 |
-23 |
13014 |
13726 |
-712 |
605 |
689 |
-84 |
| Животноводство
|
| всего:
|
261600 |
197006 |
64594 |
638897 |
588311 |
50586 |
2416618 |
2898506 |
-481888 |
| в том числе: |
| молоко |
48767 |
60570 |
-11803 |
151673 |
192524 |
-40851 |
689782 |
744857 |
-55075 |
| мясо КРС |
29748 |
27235 |
2513 |
42515 |
65833 |
-23318 |
309649 |
541477 |
-231828 |
| свиньи |
181965 |
108538 |
73427 |
443766 |
329652 |
114114 |
865999 |
772310 |
93689 |
| Прочая продукция |
60400 |
67383 |
-6983 |
371416 |
356755 |
14661 |
370621 |
357603 |
13018 |
| Всего по хозяйству |
344064 |
280171 |
63893 |
1050242 |
992749 |
57493 |
2931665 |
3434875 |
-503210 |
СХП «Гарант» является убыточным. Можно сказать, что в растениеводстве рентабельность зависит прежде всего от природных условий.
В животноводстве СХП основную прибыль получает от реализации мяса свиней. Это единственный продукт который постоянно приносит прибыль, в то время как другие продуты производятся с убытками.
Таблица 1.3–Структура земельного фонда и оценка качества сельскохозяйственных угодий
| Наименование земель, угодий
|
Код
|
2004 г
.
|
2005 г
.
|
2006 г
.
|
| Общая земельная площадь, га |
0870 |
13480 |
13254 |
21410 |
| Всего сельскохозяйственных угодий, га |
0880 |
10415 |
10189 |
16507 |
| в том числе: |
| пашня, га |
0881 |
9465 |
9444 |
14863 |
| сенокосы, га |
0882 |
| пастбища, га |
0883 |
950 |
745 |
1644 |
| Наличие орошаемых земель, га |
0930 |
126 |
126 |
515 |
| Наличие осушенных земель, га |
0940 |
В результате укрупнения СХП в 2006 году общая земельная площадь увеличилась на 8156 га. А сельскохозяйственные угодья – на 6318 га.
СХП интенсивно использует свои угодья, так как площадь пашни составляет высокую долю, равную 70 % всех угодий.
Таблица 1.4–Обеспеченность основными фондами и оборотными средствами
| Показатели
|
2004 г
.
|
2005 г
.
|
2006 г
.
|
| Величина основных производственных фондов
|
| Всего, тыс. руб.: |
307013 |
6722017 |
45398794 |
| на 100 га с.-х. угодий, тыс. руб.: |
2277,54 |
50716,89 |
212044,81 |
| Материальных оборотных средств
|
| Всего, тыс. руб.: |
249264 |
1247137 |
3416610 |
| на 100 га с.-х. угодий, тыс. руб.: |
1849,14 |
9409,51 |
15958,01 |
Величина основных производственных фондов и оборотных средств за анализируемый период в абсолютных показателях резко возрастает. Но это связано с инфляционными процессами в экономике, в результате чего была сделана переоценка.
Таблица 1.5–Структура энергетики хозяйства
| 2004 г
.
|
2005 г
.
|
2006 г
.
|
| Источники энергии
|
физ. Ед.
|
кВт
|
%
|
физ. ед.
|
кВт
|
%
|
физ. ед.
|
кВт
|
%
|
| Тракторы |
94 |
16503 |
72,9 |
92 |
15604 |
71,3 |
148 |
25732 |
76,9 |
| Комбайны |
48 |
4320 |
19,1 |
48 |
4320 |
19,7 |
61 |
5490 |
16,4 |
| Электродвигатели |
354 |
1765 |
7,8 |
360 |
1795 |
8,2 |
468 |
2002 |
6,0 |
| Электроустановки |
116 |
57,5 |
0,3 |
125 |
170 |
0,8 |
150 |
225 |
0,7 |
| Всего энергетических мощностей |
612 |
22646 |
100,0 |
625 |
21889 |
100,0 |
827 |
33447 |
100,0 |
| Потреблено электроэнергии, тыс. кВт.ч |
7326 |
5823 |
6921 |
| в том числе: |
| На производственные нужды, тыс. кВт.ч |
7217 |
4712 |
5756 |
| Приходится энергетических мощностей, кВт: |
| На 1 среднегодового работника |
49,0 |
50,1 |
53,4 |
| На 100 га с.-х. угодий |
217,4 |
214,8 |
202,6 |
| Приходится электроэнергии на 1 среднегодового работника, тыс. кВт.ч |
15,9 |
13,3 |
11,1 |
Из таблицы 1.5 видно, что основная доля приходится на трактора и комбайны (92-93% всех мощностей хозяйства), электродвигатели и электроустановки составляют 7-8%, общее количество установок с течением времени в основном уменьшается. Что вызвано старением, выходом их из строя, недостатком средств –на их обновление.
Таблица 1.6–Урожайность и валовой сбор продукции растениеводства.
| 2004 г
.
|
2005 г
.
|
2006 г
.
|
| Культуры
|
Урожай-ность, ц/га
|
Валовой сбор, ц
|
Урожай-ность, ц/га
|
Валовой сбор, ц
|
Урожай-ность, ц/га
|
Валовой сбор, ц
|
| Зерновые, всего |
13,4 |
62295 |
9,1 |
44641 |
7 |
38755 |
| в том числе: |
| озимые |
13,4 |
4386 |
| яровые |
13,4 |
57902 |
9,1 |
44641 |
7 |
38755 |
| Сено однолетних трав |
2596 |
| Сено многолетних трав |
20,2 |
18989 |
9,8 |
11183 |
19344 |
| Кукуруза на силос |
185,3 |
121926 |
67,8 |
30335 |
107 |
35488 |
| Подсолнечник |
90 |
2700 |
128,8 |
24481 |
49 |
19920 |
Из таблиц 1.3 и 1.6 видно, что основную часть посевных площадей занимают зерновые культуры, за последний год их посевные площади увеличились. Тенденция к увеличению площадей под зерновые культуры объясняется уменьшением урожайности зерновых культур за последние годы.
Таблица 1.7– Динамика поголовья животных
| 2004 г
.
|
2005 г
.
|
2006 г
.
|
| Показатели
|
голов.
|
голов.
|
голов.
|
| Крупный рогатый скот
|
| Всего: |
1232 |
1182 |
2003 |
| В том числе: |
| Коровы |
423 |
378 |
686 |
| из них молочного направления |
423 |
378 |
686 |
| быки – производители |
4 |
4 |
4 |
| нетели и телки старше 2 лет |
88 |
84 |
178 |
| Свиньи
|
| Всего: |
3525 |
2499 |
3143 |
| В том числе основные свиноматки и хряки |
822 |
804 |
482 |
| из них основные свиноматки |
701 |
622 |
406 |
| Лошади
|
| Всего: |
110 |
95 |
131 |
| в том числе взрослые |
74 |
68 |
99 |
| из них матки лошадей |
35 |
27 |
32 |
В сравнении с 2003 годом общее поголовье крупного рогатого скота возросло. Это вызвано перераспределением кормовой базы и восстановление поголовья КРС на откорме, уменьшенного в 2005году в связи с интенсивной реализацией мяса КРС. В целом поголовье животных достаточно для промышленного производства мяса и молока.
Таблица 1.8–Валовой выход продукции и продуктивность животных
| Показатели
|
Един. изм.
|
2004 г
.
|
2005 г
.
|
2006 г
.
|
| Молоко, ц |
Ц |
13329 |
11318 |
15535 |
| Масса телят при рождении |
Ц |
0,134 |
0,118 |
0,207 |
| Приплод |
Гол |
576 |
467 |
886 |
| Прирост |
Ц |
1432 |
1313 |
1368 |
| Масса поросят при рождении |
Ц |
0,098 |
0,081 |
0,068 |
| Поросята отъемыши |
Гол |
9617 |
8128 |
6534 |
| Прирост поросят отъемышей |
Ц |
994 |
995 |
791 |
| Прирост |
Ц |
2156 |
1494 |
1314 |
Из таблицы 1.8 видно, что прирост КРС уменьшается, масса новорожденных телят так же уменьшается. Валовой удой молока растет при увеличении поголовья дойного стада, такие отрицательные результаты могут быть связаны с ухудшением и уменьшением кормового рациона.
2. АНАЛИЗ СУЩЕСТВУЮЩЕЙ СХЕМЫ ЭЛЕКТРОСНАБЖЕНИЯ
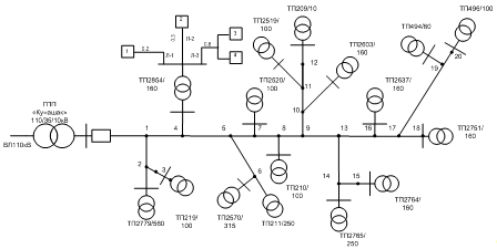
Линия электропередачи СХП «Гарант» введена в эксплуатацию в 1973 году. Схема электроснабжения приведена на рисунке 1.1. Общая протяжённость линии 24,5 км. Линии выполнены на железобетонных опорах, состояние опор на текущее время удовлетворительно. Используются провода марок А-50 и А-35. В линии используются изоляторы ШФ-10Г. В качестве секционирующих аппаратов установлены разъединители с ручным приводом. Анализ схемы электроснабжения произведем по следующим показателям:
- качеству напряжения;
- удельным показателям числа и длительности отключений;
Качество напряжения, определяемое уровнем напряжения на зажимах потребителей, не должно превышать допустимого значения. По данным Кунашакского РЭС количество и продолжительность отключений для проведения плановых ремонтов: 8 раз в год по 8 часов каждое отключение , что соответствует допустимым нормативам [1].
Схема внешнего электроснабжения потребителя обеспечена по 3 категории [1]. Наличие, мощность и место подключения собственных источников питания (дизель/ блокстанция):нет.
Существующая схема электроснабжения н.п.Борисова приведена на рис. 1.1.

рис. 1.1 Существующая схема электроснабжения н.п. Борисова
2.1 Расчет существующей электрической нагрузки
Расчетная нагрузка на шинах ТП определяется при помощи коэффициента одновременности, по данным нагрузки на вводе потребителей.
Определяется активная и реактивная нагрузки для дневного и вечернего максимумов.
n
Рд
=к0
Рд
i
;(2.1)
i=1
n
Рв
=к0
Рв
i
;(2.2)
i=1
n
Qд
=к0
Qд
i
;(2.3)
i=1
n
Qв
=к0
Qв
i
,(2.4)
i=1
гдеРд
, Рв
, Qд
, Qв
- расчетные дневная и вечерняя активные и реактивные нагрузки на участке линий;
Рд
i
, Рв
i
, Qд
i
, Qв
i
– нагрузки на вводе i-го потребителя;
к0
– коэффициент одновременности.
Если нагрузки однотипных потребителей отличаются по величине более чем в 4 раза, применение коэффициента одновременности в этом случае не рекомендуется, и расчетные нагрузки участков линий определяются по выражениям:
n-1
Рд
=Рд наиб
+Рд
i
;(2.5)
i=1
n-1
Рв
=Рв наиб
+Рв
i
;(2.6)
i=1
n-1
Qд
=Qд наиб
+Qд
i
;(2.7)
i=1
n-1
Qв
=Qв наиб
+Qв
i
,(2.8)
i=1
где Рд наиб
- наибольшая дневная нагрузка из всех слагаемых нагрузок потребителей;
Рд
i
- добавка к наибольшей нагрузке от активной нагрузки i-го потребителя, определяемая по таблице суммирования [1], промежуточные значения находятся интерполяцией.
Дневная расчетная нагрузка ТП2719 получена следующим образом:
Рд
=Рд наиб
+Рд
i
=Р2
+Р1
+Р3
=336+220+62=618 кВт (2.5)
Результаты расчета с указанием потребителей приведены в таблице 2.1.
Таблица 2.1–Нагрузки на вводе потребителей ТП 2719
| Потpебитель |
Кол-во |
Ко |
Активная нагp.,кВт |
Реактивная нагp.,кВАp |
| на вводе |
pасчетная |
на вводе |
pасчетная |
ГАРАЖИ ..
МАСТЕРСКИЕ ..
МТМ.
|
3
3
1
|
0.80
0.80
1.00
|
РдiPвi |
Рд |
Рв |
Qдi |
Qвi |
Qд |
Qв |
120180
140 160
90 100
|
288
336
90
|
432
384
100
|
82
80
80
|
100
92
90
|
197
192
80
|
240
221
90
|
| НАГРУЗКА ТП |
618 |
501 |
394 |
469 |
Наружное освещение
НАГРУЗКА ТП
|
618 |
9
510
|
393.8 |
468.6 |
Расчет нагрузок для остальных ТП10/0.4 кВ производится аналогично и приведен в приведен в таблицах 2.2-2.16.
Таблица 2.2–Нагрузки на вводе потребителей ТП2520
| Потpебитель |
Кол-во |
Ко |
Активная нагp.,кВт |
Реактивная нагp.,кВАp |
| на вводе |
pасчетная |
на вводе |
pасчетная |
ФЕРМА ..
ПОМЕЩЕНИЕ УДАЛ..
|
2
1
|
0.85
1.00
|
  Рдi Pвi Рд Рв |
Qдi |
Qвi |
Qд |
Qв |
80 | 100136170
40 40 40 40
|
60
20
|
80
20
|
102
20
|
136
20
|
| НАГРУЗКАТП |
163 |
197 |
115 |
149 |
Наружное освещение
НАГРУЗКА ТП
|
163 |
4
201
|
114.5 |
148.5 |
Таблица 2.3–Нагрузки на вводе потребителей ТП2570
| Потpебитель |
Кол-во |
Ко |
Активная нагp.,кВт |
Реактивная нагp.,кВАp |
| на вводе |
pасчетная |
на вводе |
pасчетная |
ПУНКТ ПРИЕМА М..
ЦЕХ ПЕРЕРАБОТК..
СКЛАДЫ ..
|
1
2
5
|
1.00
0.85
0.75
|
Рдi | Pвi | Рд |
Рв |
Qдi |
Qвi |
Qд |
Qв |
20 | 20 | 20
120 | 120 |204
15 15 56
|
20
204
56
|
10
90
10
|
10
90
10
|
10
153
38
|
10
153
38
|
| НАГРУЗКА ТП |
255 |
255 |
184 |
184 |
Наружное освещение
НАГРУЗКА ТП
|
255 |
5
230
|
183.6 |
183.6 |
Таблица 2.4–Нагрузки на вводе потребителей ТП2854
| Потpебитель |
Кол-во |
Ко |
Активная нагp.,кВт |
Реактивная нагp.,кВАp |
| на вводе |
pасчетная |
на вводе |
pасчетная |
ФЕРМА ..
ПРИЕМНЫЙ НАВОЗ..
КОРМОПРИГОТОВИТ
ВЕТПОМЕЩЕНИЕ ..
|
2
2
1
1
|
0.85
0.85
1.00
1.00
|
Рдi | Pвi |
Рд |
Рв |
Qдi |
Qвi |
Qд |
Qв |
60 | 80
12 | 12
50 0
4 4
|
102
20
50
4
|
136
20
0
4
|
35
8
30
2
|
40
8
0
2
|
60
14
30
2
|
68
14
0
2
|
| НАГРУЗКА ТП |
151 |
151 |
88 |
77 |
Наружное освещение
НАГРУЗКА ТП
|
151 |
10
161
|
88.0 |
77.5 |
Таблица 2.5–Нагрузки на вводе потребителей ТП219
| Потpебитель |
Кол-во |
Ко |
Активная нагp.,кВт |
Реактивная нагp.,кВАp |
| на вводе |
pасчетная |
на вводе |
pасчетная |
ПИЛОРАМА ..
БАЛКА-ПОГРУЗЧИ..
|
1
1
|
1.00
1.00
|
Рдi |
Pвi |
Рд |
Рв |
Qдi |
Qвi |
Qд |
Qв |
60
35
|
60
35
|
60
35
|
60
35
|
40
30
|
40
30
|
40
30
|
40
30
|
| НАГРУЗКА ТП |
83 |
83 |
59 |
59 |
Наружное освещение
НАГРУЗКА ТП
|
83 |
5
88
|
59.0 |
59.0 |
Таблица 2.6–Нагрузки на вводе потребителей ТП210
| Потpебитель |
Кол-во |
Ко |
Активная нагp.,кВт |
Реактивная нагp.,кВАp |
| на вводе |
pасчетная |
на вводе |
pасчетная |
УЛИЦА ВОСТОЧНАЯ.
МЕДПУНКТ ..
|
1
1
|
1.00
1.00
|
Рдi |
Pвi |
Рд |
Рв |
Qдi |
Qвi |
Qд |
Qв |
80
10
|
110
18
|
80
10
|
110
18
|
35
4
|
50
2
|
35
4
|
50
2
|
| НАГРУЗКА ТП |
86 |
121 |
37 |
51 |
Наружное освещение
НАГРУЗКА ТП
|
86 |
8
129
|
37.4 |
51.2 |
Таблица 2.7–Нагрузки на вводе потребителей ТП2519
| Потpебитель |
Кол-во |
Ко |
Активная нагp.,кВт |
Реактивная нагp.,кВАp |
| на вводе |
pасчетная |
на вводе |
pасчетная |
ФЕРМА ..
ПУНКТ ПРИГОТОВ..
НАСОСЫ ..
|
2
1
2
|
0.85
1.00
0.85
|
Рдi |
Pвi |
Рд |
Рв |
Qдi |
Qвi |
Qд |
Qв |
50
20
20
|
60
0
20
|
85
20
34
|
102
0
34
|
30
15
15
|
35
0
15
|
51
15
26
|
60
0
26
|
| НАГРУЗКА ТП |
120 |
124 |
76 |
76 |
Наружное освещение
НАГРУЗКА ТП
|
120 |
6
130
|
76.3 |
75.6 |
Таблица 2.8–Нагрузки на вводе потребителей ТП211
| Потpебитель |
Кол-во |
Ко |
Активная нагp.,кВт |
Реактивная нагp.,кВАp |
| на вводе |
pасчетная |
на вводе |
pасчетная |
ЦЕХ ПРИЕМА ..
СУШКА ..
ЦЕХ ПЕРЕРАБОТК..
ПРЕССЫ ..
|
1
1
1
2
|
1.00
1.00
1.00
0.85
|
Рдi |
Pвi |
Рд |
Рв |
Qдi |
Qвi |
Qд |
Qв |
40
80
150
85
|
0
15
10
0
|
40
80
150
145
|
0
15
10
0
|
35
65
120
60
|
0
5
0
0
|
35
65
120
102
|
0
5
0
0
|
| НАГРУЗКА ТП |
335 |
21 |
258 |
5 |
Наружное освещение
НАГРУЗКА ТП
|
335 |
4
25
|
257.7 |
5.0 |
Таблица 2.9–Нагрузки на вводе потребителей ТП209
| Потpебитель |
Кол-во |
Ко |
Активная нагp.,кВт |
Реактивная нагp.,кВАp |
| на вводе |
pасчетная |
на вводе |
pасчетная |
КОМПРЕССОР ..
НАСОСЫ ..
|
1
1
|
1.00
1.00
|
Рдi |
Pвi |
Рд |
Рв |
Qдi |
Qвi |
Qд |
Qв |
25
20
|
25
20
|
25
20
|
25
20
|
15
15
|
15
15
|
15
15
|
15
15
|
| НАГРУЗКА ТП |
38 |
38 |
24 |
24 |
Наружное освещение
НАГРУЗКА ТП
|
38 |
38 |
24.2 |
24.2 |
Таблица 2.10–Нагрузки на вводе потребителей ТП2603
| Потpебитель |
Кол-во |
Ко |
Активная нагp.,кВт |
Реактивная нагp.,кВАp |
| на вводе |
pасчетная |
на вводе |
pасчетная |
ФЕРМЫ ..
НАСОСЫ ..
ХОЛОДИЛЬНИК ..
|
3
2
1
|
0.80
0.85
1.00
|
Рдi |
Pвi |
Рд |
Рв |
Qдi |
Qвi |
Qд |
Qв |
50
15
10
|
60
15
10
|
120
26
10
|
144
26
10
|
25
10
8
|
30
10
8
|
60
17
8
|
72
17
8
|
| НАГРУЗКА ТП |
142 |
166 |
75 |
87 |
Наружное освещение
НАГРУЗКА ТП
|
142 |
10
176
|
75.3 |
87.3 |
Таблица 2.11–Нагрузки на вводе потребителей ТП2765
| Потpебитель |
Кол-во |
Ко |
Активная нагp.,кВт |
Реактивная нагp.,кВАp |
| на вводе |
pасчетная |
на вводе |
pасчетная |
ТРАНСПОРТЕРЫ ..
СУШКА ..
СКЛАДЫ ..
ВЕНТИЛЯЦИЯ ..
|
4
2
2
4
|
0.77
0.85
0.85
0.77
|
Рдi |
Pвi |
Рд |
Рв |
Qдi |
Qвi |
Qд |
Qв |
20
50
35
40
|
20
50
35
40
|
62
85
60
124
|
62
85
60
124
|
12
38
20
35
|
12
38
20
35
|
37
65
34
109
|
37
65
34
109
|
| НАГРУЗКА ТП |
266 |
266 |
199 |
199 |
Наружное освещение
НАГРУЗКА ТП
|
266 |
12
278
|
199.2 |
199.2 |
Таблица 2.12–Нагрузки на вводе потребителей ТП2764
| Потpебитель |
Кол-во |
Ко |
Активная нагp.,кВт |
Реактивная нагp.,кВАp |
| на вводе |
pасчетная |
на вводе |
pасчетная |
УЛ БАЙМУРЗИНА ..
СТОЛОВАЯ ..
БАНЯ ..
|
1
1
1
|
1.00
1.00
1.00
|
Рдi |
Pвi |
Рд |
Рв |
Qдi |
Qвi |
Qд |
Qв |
84
25
35
|
130
20
50
|
84
25
35
|
130
20
50
|
60
12
20
|
100
5
30
|
60
12
20
|
100
5
30
|
| НАГРУЗКА ТП |
123 |
177 |
80 |
122 |
Наружное освещение
НАГРУЗКА ТП
|
123 |
15
192
|
79.8 |
122.0 |
Таблица 2.13–Нагрузки на вводе потребителей ТП2637
| Потpебитель |
Кол-во |
Ко |
Активная нагp.,кВт |
Реактивная нагp.,кВАp |
| на вводе |
pасчетная |
на вводе |
pасчетная |
ШКОЛА ..
ПРИЕМКА СТЕКЛО ТАРЫ ..
УЛ ПУШКИНА ..
УЛ ЛЕНИНА..
|
1
1
1
1
|
1.00
1.00
1.00
1.00
|
Рдi |
Pвi |
Рд |
Рв |
Qдi |
Qвi |
Qд |
Qв |
60
2
35
15
|
95
5
55
20
|
60
2
35
15
|
95
5
55
20
|
40
0
20
5
|
60
0
30
8
|
40
0
20
5
|
60
0
30
8
|
| НАГРУЗКА ТП |
93 |
148 |
56 |
84 |
Наружное освещение
НАГРУЗКА ТП
|
93 |
10
158
|
55.5 |
83.8 |
Таблица 2.14–Нагрузки на вводе потребителей ТП2638
| Потpебитель |
Кол-во |
Ко |
Активная нагp.,кВт |
Реактивная нагp.,кВАp |
| на вводе |
pасчетная |
на вводе |
pасчетная |
УЛ СТЕПНАЯ Д.1-..
УЛ ГАГАРИНА Д.2..
|
1
1
|
1.00
1.00
|
Рдi |
Pвi |
Рд |
Рв |
Qдi |
Qвi |
Qд |
Qв |
100
40
|
140
65
|
100
40
|
140
65
|
50
20
|
65
30
|
50
20
|
65
30
|
| НАГРУЗКА ТП |
127 |
185 |
63 |
84 |
Наружное освещение
НАГРУЗКА ТП
|
127 |
15
200
|
62.5 |
84.0 |
Таблица 2.15–Нагрузки на вводе потребителей ТП494
ДОМ КУЛЬТУРЫ ..
СПОРТЗАЛ ..
|
1
1
|
1.00
1.00
|
Рдi |
Pвi |
Рд |
Рв |
Qдi |
Qвi |
Qд |
Qв |
35
10
|
55
18
|
35
10
|
55
18
|
15
5
|
20
8
|
15
5
|
20
8
|
| НАГРУЗКА ТП |
41 |
66 |
18 |
25 |
Наружное освещение
НАГРУЗКА ТП
|
41 |
4
70
|
18.0 |
24.8 |
Таблица 2.16–Нагрузки на вводе потребителей ТП496
| Потpебитель |
Кол-во |
Ко |
Активная нагp.,кВт |
Реактивная нагp.,кВАp |
| на вводе |
pасчетная |
на вводе |
pасчетная |
УЛ КОМСОМОЛЬСК..
ПРОДУКТОВЫЙ ..
|
1
1
|
1.00
1.00
|
Рдi |
Pвi |
Рд |
Рв |
Qдi |
Qвi |
Qд |
Qв |
75
20
|
95
30
|
75
20
|
95
30
|
30
10
|
40
14
|
30
10
|
40
14
|
| НАГРУЗКА ТП |
88 |
114 |
36 |
49 |
Наружное освещение
НАГРУЗКА ТП
|
88 |
12
126
|
36.0 |
48.5 |
2.2 Проверка существующей ТП на систематические нагрузки
В таблице 2.17 приведем расчетную мощность на шинах ТП, номинальную мощность существующих ТП и коэффициент систематической нагрузки, который сравнивается с допустимой.
Таблица 2.17
| № ТП |
Sд |
Sв |
Sнтп |
Кс сущ |
Кс доп |
| 2719 |
952,7856 |
900,7236 |
560 |
1,7 |
1,59 |
| 219 |
259,3296 |
325,2651 |
100 |
3,25 |
1,59 |
| 2570 |
408,7895 |
414,0781 |
315 |
1,31 |
1,59 |
| 2854 |
227,2027 |
232,5692 |
160 |
1,46 |
1,59 |
| 2520 |
132,3832 |
137,7325 |
100 |
1,38 |
1,59 |
| Продолжение табл. 2.17 |
| 210 |
121,7081 |
180,3302 |
100 |
1,8 |
1,77 |
| 2519 |
184,6549 |
195,7612 |
100 |
1,95 |
1,59 |
| 211 |
549,6848 |
33,14363 |
250 |
2,2 |
1,59 |
| 209 |
58,42773 |
58,42773 |
10 |
5,8 |
1,59 |
| 2603 |
208,7664 |
255,2274 |
160 |
1,59 |
1,59 |
| 2765 |
431,8603 |
444,4498 |
250 |
1,78 |
1,59 |
| 2764 |
190,7459 |
295,7264 |
160 |
1,84 |
1,77 |
| 2637 |
141,1264 |
232,6237 |
160 |
1,46 |
1,77 |
| 2638 |
184,2976 |
282,0011 |
160 |
1,76 |
1,77 |
| 494 |
58,21039 |
96,62945 |
63 |
1,54 |
1,77 |
| 494 |
123,6026 |
175,7502 |
100 |
1,76 |
1,77 |
Для нормальной работы ТП необходимо выполнение условия
Кс
<
Кс доп
.
Из анализа таблицы 2.17 мы можем определить ТП, реконструкция которых необходима. Сведем эти данные в таблицу 2.18
Таблица 2.18–Трансформаторные подстанции подлежащие реконструкции
| № ТП |
Sд |
Sв |
Sнтп |
Кс сущ |
Кс доп |
| 2719 |
952,7856 |
900,7236 |
560 |
1,7 |
1,59 |
| 219 |
259,3296 |
325,2651 |
100 |
3,25 |
1,59 |
| 210 |
121,7081 |
180,3302 |
100 |
1,8 |
1,77 |
| 2519 |
184,6549 |
195,7612 |
100 |
1,95 |
1,59 |
| 211 |
549,6848 |
33,14363 |
250 |
2,2 |
1,59 |
| 209 |
58,42773 |
58,42773 |
10 |
5,8 |
1,59 |
| 2765 |
431,8603 |
444,4498 |
250 |
1,78 |
1,59 |
| 2764 |
190,7459 |
295,7264 |
160 |
1,84 |
1,77 |
2.3 Выводы и обоснование темы проекта
Данные из таблицы 2.18 показывают, что требуется заменить 8 трансформаторов.
Замена существующих ТП требует дополнительных затрат. С другой стороны, ожидаемая нагрузка не позволяет использования существующих ТП, де Кс
<Кс.доп
.
Для снижения расчетной нагрузки можно рассмотреть мероприятия по снижению реактивной составляющей. В качестве этого мероприятия следует рассмотреть компенсацию реактивной мощности.
Компенсация реактивной мощности позволяет снизить полную расчетную нагрузку на шинах ТП, потери напряжения и энергии на ТП, а также повысить cos φ. Предлагаемые мероприятия, как правило, требуют меньше затрат, чем замена самих трансформаторов. Поэтому в дипломном проекте рассматриваем вариант компенсации реактивной мощности с последующей проверкой ТП.
3. РАСЧЕТ ЭЛЕКТРИЧЕСКИХ НАГРУЗОК С УЧЕТОМ ПЕРСПЕКТИВЫ РОСТА НАГРУЗОК
Ожидаемая нагрузка с учетом перспективы развития определяется по выражению:
Рр
=Рр.сущ
Кр
(3.1)
где Кр
- коэффициент роста нагрузок.
Коэффициент роста нагрузок принимается из РУМ [8].
Согласно [8] Кр
для существующих ТП принят в зависимости от вида нагрузки и расчетного года.
Для расчетного года ближайшей перспективы равной 5 лет для производственных и смешанных потребителей Кр
=1.3.
Тогда для ТП №2719
Рд=618∙1.3=803 кВт (3.1)
Рв=510∙1.3=663 кВт
Существующие нагрузки на шинах рассмотренных ТП и результаты расчета с учетом перспективы роста нагрузок приведен в таблице 3.1.
Таблица 3.1–Расчет нагрузок с учетом перспективы роста
| № ТП |
Без учета роста нагрузок |
С учетом роста |
| Рд |
Рв |
Qд |
Qв |
Рд |
Рв |
Qд |
Qв |
| 2719 |
618 |
510 |
394 |
469 |
803,4 |
663 |
512,2 |
609,7 |
| 219 |
163 |
201 |
115 |
149 |
211,9 |
261,3 |
149,5 |
193,7 |
| 2570 |
255 |
260 |
184 |
184 |
331,5 |
338 |
239,2 |
239,2 |
| 2854 |
151 |
161 |
88 |
78 |
196,3 |
209,3 |
114,4 |
101,4 |
| 2520 |
83 |
88 |
59 |
59 |
107,9 |
114,4 |
76,7 |
76,7 |
| 210 |
86 |
129 |
37 |
51 |
111,8 |
167,7 |
48,1 |
66,3 |
| 2519 |
120 |
130 |
76 |
76 |
156 |
169 |
98,8 |
98,8 |
| 211 |
335 |
25 |
258 |
5 |
435,5 |
32,5 |
335,4 |
6,5 |
| 209 |
38 |
38 |
24 |
24 |
49,4 |
49,4 |
31,2 |
31,2 |
| 2603 |
142 |
176 |
75 |
87 |
184,6 |
228,8 |
97,5 |
113,1 |
| 2765 |
266 |
278 |
199 |
199 |
345,8 |
361,4 |
258,7 |
258,7 |
| 2764 |
123 |
192 |
80 |
122 |
159,9 |
249,6 |
104 |
158,6 |
| 2637 |
93 |
158 |
56 |
84 |
120,9 |
205,4 |
72,8 |
109,2 |
| 2638 |
127 |
200 |
63 |
84 |
165,1 |
260 |
81,9 |
109,2 |
| 494 |
41 |
70 |
18 |
25 |
53,3 |
91 |
23,4 |
32,5 |
| 496 |
88 |
126 |
36 |
49 |
114,4 |
163,8 |
46,8 |
63,7 |
4. КОМПЕНСАЦИЯ РЕАКТИВНОЙ МОЩНОСТИ
При естественном коэффициенте мощности линии или ТП меньше 0,95 рекомендуется компенсация реактивной мощности [3].
По естественному коэффициенту мощности [1] определяется, где и когда необходима компенсация.
Определяется величина реактивной мощности Qк
, которую необходимо компенсировать до cosj=0,95 по выражению [3].
Qк
= Qест
- 0,33Р , (4.1.)
где Qест
- естественная (до компенсации) реактивная мощность. Для ТП 2719,
Qк д
=512 - 0,33 × 803=247 квар;
Qк в
=610 - 0,33 × 663=391 квар.
Выбирается мощность конденсаторных батарей QБк
, при этом перекомпенсация не рекомендуется:
Qк
≤QБк
≤Qест
. (4.2.)
Номинальные мощности конденсаторных батарей на напряжение 0,38 кВ, квар следующие: 20, 25, 30, 40, 50, 75, 100, 125, 150 и т.д. Есть БК номинальная мощность которых, отличается от перечисленных; рекомендуется устанавливать БК, если QБк
≥25 квар [3].
Батарею конденсаторов лучше выбирать одной и той же для дневного и вечернего максимумов. Если это сделать не удается, то выбирают две батареи (иногда больше), причем в один максимум они включены обе, в другой — только одна.
Для ТП 2719 можно выбрать QБк
=500 квар.
Определяется нескомпенсированная реактивная мощность:
Q=Qест
- QБк
(4.3.)
Для ТП2719
Qд
= Qест
- QБк
=512-500=12 квар;
Qв
= Qест в
- QБк
=610-500=110 квар.
Рассчитывается полная нагрузка трансформаторных подстанций с учетом компенсации:
S=Ú Р2
+ Q2
(4.4.)
Для ТП 2719
Sд
=Ú 8032
+122
=803 кВА; Sв
=Ú 6632
+1102
=672 кВА
Коэффициенты мощности после компенсации определяются по выражениям :
Для ТП 2719
cosjд
=803/803=1; cosjв
=663/672==0,987 .
Данные по компенсации реактивной мощности сводятся в табл. 4.1.
Таблица 4.1–Сводные данные по компенсации реактивной мощности
| № ТП |
Расчетная мощность, квар |
| естественная |
для компенсации |
БК |
расчетная |
| Qест д
|
Qест в
|
Qк д
|
Qк в
|
QБк д
|
QБк в
|
Qд
|
Qв
|
| 2719 |
512,2 |
609,7 |
247 |
391 |
500 |
500 |
12 |
110 |
| 219 |
149,5 |
193,7 |
80 |
107 |
100 |
100+50 |
50 |
44 |
| 2570 |
239,2 |
239,2 |
130 |
128 |
200 |
200 |
39 |
39 |
| 2854 |
114,4 |
101,4 |
50 |
32 |
100 |
100 |
14 |
1 |
| 2520 |
76,7 |
76,7 |
41 |
39 |
75 |
75 |
2 |
2 |
| 2207 |
48,1 |
66,3 |
11 |
11 |
30 |
30+20 |
18 |
16 |
| 2519 |
98,8 |
98,8 |
47 |
43 |
75 |
75 |
24 |
24 |
| 211 |
335,4 |
6,5 |
192 |
4,2 |
30 |
0 |
35 |
7 |
| 209 |
31,2 |
31,2 |
15 |
15 |
25 |
25 |
6 |
6 |
| 2603 |
97,5 |
113,1 |
37 |
38 |
75 |
75+25 |
23 |
13 |
| 2765 |
258,7 |
258,7 |
145 |
139 |
200 |
200 |
59 |
59 |
| 2764 |
104 |
158,6 |
51 |
76 |
100 |
100+50 |
4 |
9 |
| 2637 |
72,8 |
109,2 |
33 |
41 |
50 |
50+50 |
23 |
9 |
| 2638 |
81,9 |
109,2 |
27 |
23 |
75 |
75+25 |
7 |
9 |
| 494 |
23,4 |
32,5 |
6 |
3 |
20 |
20 |
3 |
13 |
| 496 |
46,8 |
63,7 |
9 |
10 |
30 |
30+20 |
17 |
14 |
5. ПРОВЕРКА И ВЫБОР ТРАНСФОРМАТОРА 10/0,4 кВ
Номинальная мощность трансформаторов 10/0,4 кВ выбирается по экономическим интервалам нагрузок [4], в зависимости от шифра нагрузки, расчетной полной мощности, среднесуточной температуры охлаждающего воздуха, наличия автономных источников для обеспечения нормативных уровней надежности электроснабжения сельскохозяйственных потребителей [5].
Выбор установленной мощности трансформаторов одно и двух трансформаторных подстанций производится по условиям их работы, в нормальном режиме исходя из условия [4]:
(5.1.)
где Sр
– расчетная нагрузка подстанции, кВА;
n – количество трансформаторов проектируемой подстанции определяется в соответствии [5];
Sэк
min
, Sэк
max
– соответственно, минимальная и максимальная границы экономического интервала нагрузки трансформатора принятой номинальной мощности, в зависимости от зоны сооружения подстанции и вида нагрузки потребителей [4].
Принятые по [4] номинальные мощности трансформаторов проверяются по условиям их работы в нормальном режиме эксплуатации – по допустимым систематическим нагрузкам, а в послеаварийном режиме - по допустимым аварийным перегрузкам.
Для нормального режима эксплуатации подстанции номинальные мощности трансформаторов проверяются по условию [4]:
(5.2.)
где кс
– коэффициент допустимой систематической нагрузки трансформатора для значений среднесуточных температур расчетного сезона υвт
.
Если значения среднесуточной температуры воздуха расчетного сезона отличен от υвт
[4], то коэффициенты допустимых систематических нагрузок трансформаторов рассчитываются по формуле:
кс
= кст
- ( υв
- υвт
), (5.3.)
где - расчетный температурный градиент, 1/0
С;
кст
– табличное значение коэффициента допустимой систематической нагрузки, соответствующее среднесуточной температуре расчетного сезона. При среднесуточной температуре зимнего сезона меньше –150
С кст
определяется для υв
=-150
С.
Данные по выбору трансформаторных подстанций сведем в таблицу 5.1.
Рекомендуемые конденсаторные позволяют снизить расчетную нагрузку на шинах ТП. В результате проведенных мероприятий удалось снизить потребную мощность ТП.
После компенсации реактивной мощности требуется замена всего шести трансформаторов вместо восьми. При этом мощность заменяемых трансформаторов на ступень меньше, чем до компенсации.
Таблица 5.1–Технические данные трансформаторных подстанций 10/0,4 кВ
| № ТП |
Sрасч
, кВА |
Тип |
Sт ном
, кВА |
Uвн ном
, кВ |
Uнн ном
, кВ |
Рх
, кВт |
Рк
, кВт |
Uк
,
%
|
ПБВ,
%
|
| 2719 |
803 |
ТМ |
630 |
10 |
0,4 |
1,56 |
7,6 |
4,5 |
±2х2,5 |
| 219 |
265 |
ТМ |
250 |
10 |
0,4 |
0,82 |
4,2 |
4,5 |
±2х2,5 |
| 2570 |
340 |
ТМ |
250 |
10 |
0,4 |
0,82 |
4,2 |
4,5 |
±2х2,5 |
| 2854 |
209 |
ТМ |
160 |
10 |
0,4 |
0,565 |
2,65 |
4,5 |
±2х2,5 |
| 2520 |
114 |
ТМ |
100 |
10 |
0,4 |
0,365 |
2,27 |
4,5 |
±2х2,5 |
| 210 |
168 |
ТМ |
160 |
10 |
0,4 |
0,565 |
2,65 |
4,5 |
±2х2,5 |
| 2519 |
171 |
ТМ |
160 |
10 |
0,4 |
0,565 |
2,65 |
4,5 |
±2х2,5 |
| 211 |
437 |
ТМ |
400 |
10 |
0,4 |
1,05 |
5,5 |
4,5 |
±2х2,5 |
| 209 |
49,8 |
ТМ |
40 |
10 |
0,4 |
0,19 |
1,00 |
4,5 |
±2х2,5 |
| 2603 |
229 |
ТМ |
160 |
10 |
0,4 |
0,565 |
2,65 |
4,5 |
±2х2,5 |
| 2765 |
366 |
ТМ |
250 |
10 |
0,4 |
0,82 |
4,2 |
4,5 |
±2х2,5 |
| 2764 |
250 |
ТМ |
160 |
10 |
0,4 |
0,565 |
2,65 |
4,5 |
±2х2,5 |
| 2637 |
206 |
ТМ |
160 |
10 |
0,4 |
0,565 |
2,65 |
4,5 |
±2х2,5 |
| 2638 |
260 |
ТМ |
160 |
10 |
0,4 |
0,565 |
2,65 |
4,5 |
±2х2,5 |
| 494 |
92 |
ТМ |
63 |
10 |
0,4 |
0,265 |
1,47 |
4,5 |
±2х2,5 |
| 496 |
164 |
ТМ |
160 |
10 |
0,4 |
0,565 |
2,65 |
4,5 |
±2х2,5 |
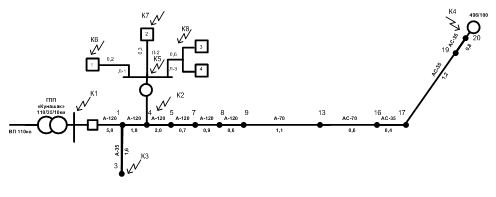
6. ЭЛЕКТРИЧЕСКИЙ РАСЧЕТ ВЛ-10 кВ
Электрический расчет воздушных линий ВЛ производится с целью выбора марки и сечения проводов и определения потерь напряжения и энергии. Для существующих ВЛ 10 кВ производится проверка сечения проводов по нагреву, потере напряжения при ожидаемом росте нагрузок. Производится расчет ожидаемой потери электроэнергии. Рекомендуется следующий порядок расчета.
Записываются в таблицу 6.1 номера и длины участков линии. Подсчитываются суммы активных и реактивных мощностей потребительских ТП, находящихся за расчетным участком. По количеству трансформаторов за участком выбирается коэффициент одновременности [1] и определяется расчетная нагрузка на участках ВЛ 10 кВ. По расчетной мощности определяются токи на участках сети 10 кВ.
Таблица 6.1–Электрический расчет ВЛ 10 кВ
| Участ |
Длин
км
|
∑Pд
кВт
|
∑Pв
кВт
|
∑Qд
кВАр
|
∑Qв
кВАр
|
n |
Ko |
Pд
кВт
|
Pв
кВт
|
Qд
кВАр
|
Qв
кВАр
|
Sд
кВА
|
Sв
кВА
|
Iд,
А
|
Iв,
А
|
19-20
17-19
17-18
16-17
13-16
13-14
14-15
9-13
9-10
10-11
11-12
8-9
7-8
6-7
5-6
4-5
1-4
1-2
2-3
0-1
|
0.8
1.2
0.5
0.4
0.6
1.5
0.9
1.1
1.3
0.9
0.8
0.6
0.9
0.7
0.8
2.0
1.8
1.6
1.1
5.0
|
114
168
165
333
454
506
160
959
390
205
49
1349
1461
1569
767
2336
2532
1015
212
3837
|
164
255
260
515
720
611
250
1331
447
218
49
1778
1946
2061
371
2431
2640
924
261
3828
|
17
20
7
27
50
63
4
113
53
30
6
165
183
185
75
260
274
62
50
370
|
14
26
9
35
45
67
9
112
43
30
6
155
171
173
46
219
220
153
44
455
|
1
2
1
3
4
2
1
6
3
2
1
9
10
11
2
13
14
2
1
17
|
1.00
0.90
1.00
0.85
0.82
0.90
1.00
0.79
0.85
0.90
1.00
0.76
0.75
0.70
0.90
0.70
0.70
0.90
1.00
0.70
|
114
151
165
283
374
455
160
758
332
185
49
1026
1096
1098
690
1635
1773
914
212
2686
|
164
229
260
438
594
550
250
1052
380
197
49
1352
1460
1442
333
1702
1848
832
261
2679
|
17
18
7
23
41
56
4
89
45
27
6
125
137
129
67
182
192
56
50
259
|
14
24
9
30
37
61
9
88
37
27
6
118
128
121
41
153
154
138
44
318
|
116
152
165
284
377
459
160
763
334
187
50
1033
1104
1106
694
1645
1783
915
218
2698
|
164
231
260
439
595
553
250
1055
382
198
50
1357
1465
1447
336
1709
1855
843
265
2698
|
6,68
8,78
9,54
16,39
21,74
26,48
9,23
44,06
19,31
10,79
2,87
59,65
63,77
63,85
40,04
94,99
102,94
52,85
12,56
145,78
|
9,49
13,31
15,02
25,32
34,37
31,94
14,42
60,93
22,05
11,45
2,87
78,33
84,59
83,57
19,40
98,64
107,08
48,68
15,30
145,78
|
Проверка существующей сети
Проверка по нагреву осуществляется по условию
Iдоп
>
Iраб
(6.1)
Потери напряжения на участках сети определяются :
(6.2)
где r0
и х0
–удельные активное и реактивное сопротивление провода, ом/км;
Р и Q – активная и реактивная мощности на участке линии 10 кВ.
l–длина участка, км.
Потери напряжения на участках сети определяем как потери напряжения от начала линии до конца рассматриваемого участка.
Потери электрической энергии на участке
(6.3)
Результаты расчета сведены в таблицу 6.2.
Сравнительный анализ данных показывает, что существующие сечения проводов проходят по нагреву, максимальные потери напряжения от ГПП до конца участка 20-21 составляют 16,17%.
Согласно норм технологического проектирования в сетях 10 кВ допускается потери напряжения до 10%. Поэтому необходимо выбирать сечение проводов, обеспечивающее нормативные показатели.
Существующие сечения проводов допускают потери электрической энергии 233789кВт.
ч.
Таблица 6.2–Проверка существующих сетей 10 кВ с учетом перспективы роста нагрузок
| Участок |
Существующий провод |
Допустимый ток |
Потери напряжения на участке, % |
Потери напряжения от ГПП до конца участка, % |
Потери энергии, кВт.ч/год |
19-20
17-19
17-18
16-17
13-16
13-14
14-15
9-13
9-10
10-11
11-12
8-9
7-8
6-7
5-6
4-5
1-4
1-2
2-3
0-1
|
АС35
АС35
АС35
АС35
АС35
АС35
А-50
АС35
АС35
ПС-25
А-50
А-50
А-50
А-50
А-50
А-50
А-50
А-35
А-35
А-50
|
170
170
170
170
170
170
215
170
170
150
215
215
215
215
215
215
215
170
170
215
|
0.08
0.15
0.07
0.09
0.18
0.56
0.11
0.53
0.36
0.14
0.05
0.39
0.63
0.49
0.35
2.07
2.02
0.51
0.20
8.44
|
0.11
0.22
0.10
0.14
0.28
0.67
0.18
0.72
0.40
0.15
0.05
0.51
0.82
0.63
0.17
2.13
2.07
0.49
0.24
8.54
|
15,07
14,99
14,91
14,84
14,75
15,13
15,24
14,57
14,4
14,54
14,59
14,04
13,65
13,02
12,88
12,53
10,46
9,75
9,95
8,44
|
16,17
16,06
15,94
15,84
15,7
16,09
16,27
15,42
15,1
15,25
15,3
14,7
14,19
13,37
12,91
12,74
10,61
9,8
10,04
8,54
|
334
986
549
1279
3534
7630
868
15956
3107
548
25
14384
25165
19100
5012
36040
40636
9976
1253
47407
|
| ВСЕГО |
233789 |
Выбор сечения проводов ВЛ 10 кВ
Сечение проводов выбирается по экономическим интервалам нагрузки с учетом надежности [5]. По Fрасч
принимается ближайшее стандартное сечение провода.
В целях удобства монтажа в линии обычно монтируются не более трех марок проводов. Минимально допустимые сечения сталеалюминевых проводов ВЛ 10 кВ по условиям механической прочности должны быть в районах с нормативной толщиной стенки гололеда до 10 мм-35мм2
, 15-20 мм-50 мм2
и более 20-70 мм2
. Сечение сталеалюминевых проводов на магистрали ВЛ 10 кВ должно быть не менее 70 мм2
[5].
Выбранное сечение проводов проверяется по допустимому нагреву [2].
Iдоп
≥Iр
max
(6.4)
Для выбранных проводов выписываются сопротивления 1 км: активное г0
и индуктивное х0
; для определения х0
необходимо принять среднее геометрическое расстояние между проводами (для ВЛ 10 кВ чаще всего принимают Дср
≈1500 мм). Данные по проводам сводятся в табл. 6.3.
Таблица 6.3–Выбор сечения проводов, потерь напряжения и энергии в ВЛ10 кВ с учетом роста нагрузок
| Участок |
Потери напря жения ΔU, % |
Потери напряжения от ГПП до конца участка, % |
Провод
|
Потери
энергии
ΔWл
кВт*ч
|
| ΔUд |
ΔUв |
днем |
вечером |
19-20
17-19
17-18
16-17
13-16
13-14
14-15
9-13
9-10
10-11
11-12
8-9
7-8
6-7
5-6
4-5
1-4
1-2
2-3
0-1
|
0.08
0.15
0.07
0.07
0.10
0.32
0.11
0.29
0.20
0.14
0.03
0.18
0.29
0.22
0.25
0.93
0.91
0.21
0.20
3.77
|
0.11
0.22
0.10
0.11
0.16
0.38
0.18
0.39
0.22
0.15
0.03
0.22
0.36
0.28
0.12
0.95
0.92
0.21
0.24
3.86
|
6,99
6,91
6,83
6,76
6,69
6,91
7,02
6,59
6,5
6,64
6,67
6,3
6,12
5,83
5,86
5,61
4,68
4,31
4,51
3,77
|
7,58
7,47
7,35
7,25
7,14
7,36
7,54
6,98
6,81
6,96
6,99
6,59
6,37
6,01
5,85
5,73
4,78
4,41
4,65
3,86
|
АС35
АС35
АС35
А 70
А 70
А 70
АС35
А 70
А 70
АС35
А 35
А 120
А 120
А 120
А 70
А 120
А 120
А 70
А 35
А 120
|
334
986
549
979
1920
4146
868
7542
1688
548
17
8120
8436
8523
3556
9012
9562
3936
1253
17369
|
| Всего |
89344 |
По выбранному сечению провода рассчитываются потери напряжения на участках от ГПП до конца расчетного участка, потери электроэнергии на участке и всего по линии 10 кВ.
Потери напряжения на участке 0-1:

Потери электроэнергии на участке 0-1:
кВт.ч/год.
Результаты для остальных участков приведены в таблице 6.3.
Проведенные расчеты ВЛ 10 кВ требуют реконструкции линии. При этом необходимо заменить сечение проводов практически на всех участках сети. Данная реконструкция позволяет обеспечить надежность сети по механической прочности, по нагреву. При этом максимальные потери напряжения составляют 7,86%, что меньше допустимых 10%. Также ожидается снижение потери электрической энергии до 89344 квт.ч, что составляет 38% от существующих.
7. РАЗРАБОТКА РАЦИОНАЛЬНОЙ СХЕМЫ ЭЛЕКТРОСНАБЖЕНИЯ 0.38 Кв

Рисунок 1.2 РАЗРАБОТКА РАЦИОНАЛЬНОЙ СХЕМЫ ЭЛЕКТРОСНАБЖЕНИЯ 0.38 Кв
Таблица 7.1 – Определение нагрузок линий 0,38 кВ и ТП 2854
| Потpебитель |
Кол-во |
Ко |
Активная нагp.,кВт |
Реактивная нагp.,кВАp |
| на вводе |
pасчетная |
на вводе |
pасчетная |
| Л1 |
1.ФЕРМА |
2
2
1
1
|
0.85
0.85
1.00
1.00
|
Рдi | Pвi |
Рд |
Рв |
Qдi |
Qвi |
Qд |
Qв |
| Л2 |
2.ПРИЕМНЫЙ НАВОЗ..
|
60 | 80
12 | 12
50 0
4 4
|
102
20
50
4
|
136
20
0
4
|
35
8
30
2
|
40
8
0
2
|
60
14
30
2
|
68
14
0
2
|
| Л3 |
3.КОРМОПРИГОТОВИТЕЛЬНАЯ.
4.ВЕТПОМЕЩЕНИЕ ..
|
| НАГРУЗКА ТП |
151 |
151 |
88 |
77 |
Наружное освещение
НАГРУЗКА ТП
|
151 |
10
161
|
88.0 |
77.5 |
7.1 Определение допустимой потери напряжения
Для оценки качества напряжения у потребителей составляется таблица отклонений напряжения (табл. 7.1). Таблица составляется для ближайшей и удаленной трансформаторных подстанций. Удаленной считается ТП, потери напряжения до которой от ГПП имеют наибольшую величину. Из таблицы выясняется, есть ли необходимость в применении дополнительных технических средств для поддержания напряжения у потребителей в допустимых пределах.
Отклонение напряжения в любой точке электропередачи:
n n
Ut
%=Ui
+
Ui
, (7.1.1)
i=1 i=1
где Ui
– сумма надбавок от ГПП до рассматриваемой точки с учетом знака, %;
n
Ui
- сумма потерь напряжения от ГПП до рассматриваемой
i
=1
точки ,%.
В качестве минимальной нагрузки рассматривается режим 25 %-й нагрузки, при которой потери напряжения принимаются равными 1/4 части максимальных потерь.
В потребительских трансформаторах рассчитываются потери напряжения, %:
(7.1.2)
где Р и Q – активная и реактивная мощности, протекающие через трансформатор (дневные и вечерние), полная мощность которых наибольшая;
Uт ном
- номинальное напряжение трансформатора (обмотки высшего напряжения);
Rт
и хт
– активное и индуктивное сопротивления трансформатора.
(7.1.3)
(7.1.4)
где Sт ном
– номинальная мощность трансформатора, ВА;
Uр
% - составляющая потери напряжения в реактивных сопротивления, определяемая через Uк
по выражению:
(7.1.5)
Регулируемая надбавка ПБВ трансформатора подбирается таким образом, чтобы отклонение напряжения U25
ш 0,4
на шинах 0,4 кВ не выходило за допустимые пределы: +5 %) – для потребителей I и II* категорий надежности, и +7,5% для потребителей II и III категорий надежности.
После выбора регулируемой надбавки можно определить допустимые потери напряжения в ВЛ 0,38 кВ (по абсолютной величине), которая определяется как разница между отклонением напряжения на шинах 0,4 кВ в 100 %-ном режиме и допустимым отклонением напряжения у потребителя:
U′
доп
=U100
ш 0,4
- U100
доп
(7.1.6)
Эта потеря распределяется на две части. Одна часть U′′
=2,0% оставляется, согласно ПУЭ [7], на линию внутри помещений, другая — на наружную линию (в примере Uдоп
=5,96%), по которой рассчитываются все наружные линии 0,38 кВ, отходящие от ТП 1. при этом для каждой линии 0,38 кВ должно соблюдаться условие:
Uфакт
≤Uдоп
(7.1.7)
Величина Uдоп
влияет на выбор сечения провода ВЛ 0,38 кВ: чем большеUдоп
, тем меньше сечение провода.
Рекомендуется устанавливать Uдоп
>
6 %. При невыполнении этого условия предлагаются следующие технические мероприятия:
― уменьшить U′′
до 1...0.6 %, если линии внутри помещении небольшой длины (например, к линии подключены жилые дома);
― увеличить сечение проводов на некоторых участках ВЛ 10 кВ.
― установить продольно-емкостную компенсацию реактивного сопротивления;
― предусмотреть замену на ГПП трансформатора с ПБВ на трансформатор с РПН и с помощью последнего создать на шинах 110 (35) кВ режим встречного регулирования напряжения.
В практике принятие технических мероприятий обычно рассматривается в указанной последовательности, окончательное решение принимается после технико-экономического сравнения вариантов.
Для ближайшего ТП предлагается установить регулируемую надбавку –2,5%, а для удаленной ТП надбавку 0%. Для остальных ТП регулируемые надбавки выбираются в пределах 0 или –2.5%.
При заполнении таблицы 7.1 используем следующие данные:
Отклонение напряжения на шинах ГПП- из исходных данных;
Потери в линии 10 кВ – из таблицы 5.1;
Потери в трансформаторах 10/0,4 кВ – по формулам (7.1.2)…(7.1.5).
Потери напряжения в ТП 2854:
(7.1.5)
Ом (7.1.3)
Ом (7.1.4)
(7.1.2)
Таблица 7.1–Таблица отклонения напряжения
| Элемент электропередачи |
Величина |
Ближайшая
ТП 10/0,4
|
Удаленная
ТП 10/0,4
|
| нагрузка, % |
| 100 |
25 |
100 |
25 |
| Шины 10 кВ ГПП |
Uш 10
|
+7 |
0 |
+7 |
0 |
| Линия 10 кВ |
U10
|
-4,2 |
-1,06 |
-7,58 |
-1,9 |
| Трансформатор 10/0,4: |
| потеря напряжения |
Uт
|
-2,3 |
-0,58 |
-2,08 |
-0,52 |
| надбавка конструктивная |
Uт
|
+5 |
+5 |
+5 |
+5 |
| надбавка регулируемая |
Uт
|
-2,5 |
-2,5 |
0 |
0 |
| Шины 0,4 кВ |
Uш 0,4
|
+2,96 |
+0,86 |
+2,34 |
+2,58 |
| Линия 0,38 кВ:: |
U/
|
-7,96 |
– |
-9,84 |
– |
| наружная часть |
Uдоп
|
-5,96 |
– |
-7,84 |
– |
| внутренняя часть |
U//
|
-2 |
– |
-2 |
– |
| Удаленный потребитель |
Uдоп
|
-5 |
+5 |
-7,5 |
+7,5 |
7.2 Конструктивное выполнение линий 0,38 и ТП 10/0,4кВ
Концевые опоры устанавливаются в начале ВЛ и вблизи всех потребительских ТП. Угловые опоры устанавливаются в точках поворота и подсоединения ВЛ. Выбираем угловые опоры анкерного типа..
Промежуточные опоры устанавливаем на прямых участках трассы. Крепление проводов к штыревым изоляторами при помощи проволочной вязки. Количество опор выбираем в зависимости от длины линии и пролета.
Данные выбираем по приложению 5, [2].
Для провода А 95длина пролета - 60 м;
Длина линии - 200 м;
Для провода АС 25 длина пролета - 95 м;
Длина линии - 300 м;
Для провода АС 25;
Длина линии - 60 м;
Линия 0.38 кВ (ТП-2854)
Концевые опоры – тип КАа 4 шт.
Угловые опоры – тип ААа – 1 шт.
Промежуточные опоры – тип ППа – 2
Длина полета Lпр – 35 м.
Количество промежуточных опор:
Линия Л1: N = Lл1
/Lпр
=20/35 =1 шт.
Линия Л2: N = Lл2
/Lпр
=30/35 = 1 шт.
Линия Л3: N = Lл3
/Lпр
= 60/35 =2 шт.
Всего промежуточных опор 15 шт.
Изоляторы фарфоровые типа ТФ – 20 (по 5 штук на опору)
Для крепления изоляторов используем крюки.
Выбираем трансформаторную подстанцию для ТП 2854
Тип КТП – 160 10/0.4 – У1
Основные технические характеристики:
Uном. вн
= 10 Кв
Iном
= 7,5
Iном Л1
= 231 А
Iном Л2
= 37 А
Iном Л3
= 95 А
Схема предусматривает линию централизованного уличного освещения.
Вводы ВН и НН – воздушные. Габаритные размеры КТП не более 1300×1300×2740 мм. Масса КТП не более 1500 кг.
7.3 Электрический расчет линий напряжением 0,38 кВ
Выбор проводов производим по допустимой потере напряжения, пользуясь при этом данными таблиц 7.1.
Задаемся реактивным сопротивлением 1 км провода в линиях 0,38 кВ x0
=0,4 Ом/км.
Определяется составляющая потери напряжения в реактивных сопротивлениях (в процентах):
(7.3.1)
где Q —реактивная мощность, кВАр дневная или вечерняя, которой соответствует большая полная мощность.
Определяется допустимая составляющая потери напряжения в активных сопротивлениях (в процентах):
(7.3.2)
Расчетное сечение проводов:
(7.3.3)
где γ=32м/Ом×мм2
— удельная проводимость алюминия; Р, Вт, берется того же максимума, что и Q; Uном
=380 В; L в м.
Выбирается стандартное сечение провода:
(7.3.4)
Проверяем выбранный провод по нагреву:
(7.3.5)
Iр.
max
находим по формуле:
(7.3.6)
Рассчитывается фактическая потеря напряжения, которая сравнивается с допустимой:
 (7.3.7)
(7.3.8)
(7.3.9)
Расчет Л1:
в формуле (7.3.1)
в формуле (7.3.2)
в формуле (7.3.3)
Принимаем Fст
=25 мм2
, провод АС 25
в формуле (7.3.4)
А А в формуле (7.3.6)
в формуле (7.3.5)
По нагреву провод не проходит принимаем F=95 мм2
, провод А 95
А

 
в формуле (7.3.7)
в формуле (7.3.8)
в формуле (7.3.9)
Расчет Л2:



Принимаем Fст
=25 мм2
, провод АС 25

А А

 


Расчет Л3:



Принимаем Fст
=25 мм2
, провод АС 25

А А

 


Данные расчета заносим в таблицу 7.2
Таблица 7.2 – Сводные данные расчета линий 0,38 кВ
| Линия |
Провод |
R0
, Ом/км |
X0
, Ом/км |
Iр.
max
, А |
Iдоп
, А |
DUфакт
, % |
DUдоп
, % |
| Л1 |
А 95 |
0,308 |
0,3 |
231 |
320 |
2,5 |
5,96 |
| Л2 |
АС 25 |
1,14 |
0,345 |
37 |
130 |
3,8 |
5,96 |
| Л3 |
АС 25 |
1,14 |
0,345 |
95 |
130 |
3,01 |
5,96 |
7.4 Проверка сетей на успешный запуск крупных асинхронных электродвигателей
При запуске крупных асинхронных электродвигателей с короткозамкнутым ротором (ЭД) , потери напряжения в сетями увеличиваются вследствие протекания пусковых токов , так как его электромагнитный момент пропорционален квадрату напряжения.
Допустимое снижение напряжения на запускаемом ЭД из условия успешного запуска определяется:
(7.4.1)
где: Мтрог
- момент трогания рабочей машины, приведенный к валу ЭД;
Мизб
=0,2…0,3×Мном
.- избыточный момент, необходимый для ускорения системы “электродвигатель - рабочая машина”;
Мном
и Мпуск
- номинальный и пусковой момент ЭД.
Если все моменты разделить на Мном
т.е. выразить в относительных единицах, то выражение примет вид:
(7.4.2)
Успешный запуск ЭД возможен, если фактическое снижение напряжения в момент пуска не превышает (по абсолютной величине) допустимого:
(7.4.3)
Фактическое отклонение напряжения определяется по формуле:
(7.4.4)
где: δUш 0,4
– фактическое отклонение напряжения на ЭД перед пуском на шинах 0,4 кВ (меньше из отклонений 100 или 25 % режимов), подставляется со знаком “+”, если напряжение ниже номинального и “-“- если напряжение выше номинального.
ΔUпуск
–потеря напряжения в трансформаторе от пускового тока, определяется по упрощенной формуле:
(7.4.5)
где: ZТ
-полное сопротивление трансформатора;
(7.4.6)
Здесь Uт.ном
- номинальное напряжение обмотки низшего напряжения;
Полное сопротивление линии Л1 определяется:
(7.4.7)
Сопротивление электродвигателя в пусковом режиме находится по формуле:
(7.4.8)
где: Uном
и Iэд.ном
- номинальные напряжения и ток электродвигателя;
кi
-кратность пускового тока.
Если расчетом устанавливается, что двигатель может не запуститься, то необходимо провести более точные расчеты (не по упрощенным формулам ), считая отклонение напряжения на шинах 10кВ ТП 2854 не меняющимся при пуске ЭД. Если и при этом условие не будет выполнено, то завышается сечение проводов в линии и делается корректировка.
Потребитель - кормоприготовительное с дробилкой кдм-2.
Таблица 7.1 – Сводная таблица по расчету сети 0,38 кВ на успешный запуск крупного АД
Рпотр
кВт
|
Рдвиг
кВт
|
Двигатель
|
n,
об/мин
|
КПД |
cosφ |
Iн
,
А
|
mтрог
|
mпуск
|
кi
|
| 30 |
30 |
4АР180М4У3 |
1500 |
0,9 |
0,87 |
58,2 |
1 |
2 |
7,5 |
Допустимое снижение напряжения на запускаемом электродвигателе:

Сопротивление электродвигателя:
Ом
Сопротивление трансформатора:
Ом
Полное сопротивление линии Л1:
Ом
Потеря напряжения в линии и трансформаторе от пускового тока:

Фактическое отклонение напряжения при 100 % нагрузке:

Успешный запуск ЭД возможен, если фактическое снижение напряжения в момент пуска не превышает (по абсолютной величине) допустимого:

Условие выполняется, двигатель запустится.
8. РАСЧЕТ ТОКОВ КОРОТКОГО ЗАМЫКАНИЯ
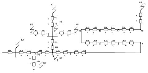
Токи короткого замыкания (КЗ) необходимы для проверки выбранного электрооборудования, расчета и проверки действия релейной защиты.
8.1 Исходная схема для расчета токов КЗ
Расчет токов КЗ начинается с выбора расчетной схемы (рис. 8.1), на которой указываются марки проводов и их сечение, длины участков линий электропередачи, силовые трансформаторы и их мощность, мощность короткого замыкания на шинах 10 кВ питающей подстанции.
На расчетную схему наносятся точки КЗ:
На сборных шинах 10 кВ головной понизительной подстанции (ГПП); на шинах 10 кВ расчетных потребительских подстанций; в конце линии 10 кВ.

Рисунок 8.1– Расчетная схема электропередачи для расчета токов короткого замыкания
8.2 Схема замещения для расчета токов К3
По исходной схеме составляется схема замещения (рис. 8.2), на которой показываются индуктивные и активные сопротивления основных элементов электропередачи: системы, линий, трансформаторов. На схеме расставляются точки КЗ, наносятся обозначения сопротивлений (в числителе) и их числовые значения (в знаменателе) приведенные к базисным условиям.

Рисунок 8.2– Схема замещения для расчетов токов КЗ
Для приведения сопротивлений к базисным условиям в простых распределительных сетях, чаще всего применяется система именованных единиц, в которой все сопротивления приводятся к базисному напряжению Uб
. За базисное напряжение принимается средненоминальное напряжение одной из ступеней, 10,5 или 0,4 кВ. Примем Uб
=10,5 кВ.
Определяются сопротивления схемы замещения, приведенные к базисным условиям.
Ниже приводятся формулы для расчета сопротивлений, приводимых к базисным условиям, в которых индекс, обозначающий базисные условия, имеет букву «б», величины измеряются: S - в Ва, U - в В, Z - в Ом, L - в км, r0
и х0
– в Ом/км, Рк
– в Вт, Та
– в с, I – в А.
8.1 Сопротивление системы
. (8.1)
8.2 Сопротивление трансформатора
; (8.2)
. (8.3)
8.3 Сопротивление линии
; (8.4.)
. (8.5.)
8.4 Результирующие сопротивления доточек КЗ
Для каждой точки КЗ суммируются все сопротивления от начала электропередачи и находятся полные сопротивления
 . (8.6.)
8.5 Рассчитываются токи трехфазного КЗ
(8.7)
Для точек КЗ, в которых Uс ном
= Uб
, выражение (8.5) принимает вид:
8.6 Токи двухфазного КЗ
(8.8)
8.7 Ударные токи
 (8.9)
где Ку
- ударный коэффициент.
(8.10)
где Та
- постоянная времени затухания апериодической составляющей тока КЗ
(8.11)
Значения Ку
можно найти по кривым ку
=F(Хб∑
/ Rб∑
) - зависимости коэффициента от отношения результирующих сопротивлений до соответствующей точки КЗ [11].
8.8 Мощность КЗ
(8.12)
Если в расчетах токи КЗ получаются значительными, их удобнее выразить в кА; мощности КЗ (S3
к
) выражать в МВА. Результаты расчетов сводятся в таблицу 8.1.
Таблица 8.1–Результаты расчетов токов К3
| Точки К3 |
Напряже-ние, кВ |
Сопротивление, Ом |
Kу
|
Токи короткого замыкания, КА |
S(3)
к
, мВА |
| R∑
|
X∑
|
Z∑
|
I(3)
к
|
I(2)
к
|
I(1)
к
|
iуд
|
К1
К2
К3
К4
|
10,5
10,5
10,5
10,5
|
–
1,74
1,52
5,09
|
1,09
3,4
3,16
6,47
|
1,09
3,82
3,51
8,23
|
1,5
1,2
1,22
1,08
|
5,568
1,731
1,589
0,737
|
4,844
1,506
1,383
0,671
|
-
-
-
-
|
15,702
2,979
2,690
1,127
|
101,15
31,44
28,87
13,39
|
К5
К6
К7
К8
|
10,5
10,5
10,5
10,5
|
12,88
17,58
36,5
25,6
|
31,67
47,4
38,7
44,1
|
34,19
50,56
53,20
50,99
|
1,28
1,31
1,05
1,16
|
4,66
3,151
2,995
3,124
|
4,054
2,742
2,606
2,718
|
-
1,773
1,081
0,875
|
8,403
5,830
4,441
5,117
|
3,22
2,18
2,07
2,16
|
энергосбережение ветроэнергетический трансформатор электроснабжение
9.
ВЫБОР И СОГЛАСОВАНИЕ ЗАЩИТЫ НА ВЛ 0,38кВ И НА 10кВ
Выбор оборудования подстанции ТП 2854
Выбор разъединителя
1)Uр.ном.
≥ Uсети ном.
10 кВ =10 кВ
2) Iр.ном
≥ Iр.
max
.
200А ≥ 107,8 А
Предлагается разъединитель типа РЛНД-10/200 В с приводом типа ПРН-10м. Проверяется разъединитель на термическую и динамическую стойкость:
(9.1)
(9.2)
где Uр.ном
, Iр.ном
– номинальное напряжение и ток разъединителя; It
, t – ток и время термической стойкости разъединителя, равные 5 кА и 10 с; tэкв
– эквивалентное время примерно равное времени протекания тока Iк
(3)
, может быть принято 2 с; iд
– ток динамической стойкости разъединителя, равный 20 кА.
 

Условия выполняются, разъединитель удовлетворяет требованиям.
Выбор рубильника на напряжение 400 В:
1)Uр.ном.
=500 В > Uсети ном.
=380 В
2) Iр.ном.
=250 А > Iр.
max
.
=140 А
Предлагается рубильник типа Р-32 с номинальным током Iн=250 А.
В проекте необходимо выбрать, рассчитать, проверить на чувствительность и согласовать между собой защиты следующих элементов электрической сети: линий 0,38 кВ, трансформатора 10/0,4 кВ (ТП 2854) и линий 10 кВ.
Линии 0,38 кВ защищаются, как правило, автоматическими выключателями (QF), у которых тепловой расцепитель выполняет роль максимальной токовой защиты с выдержкой времени отключения (МТЗ), электромагнитный расцепитель-защиты без выдержки времени отключения, т.е. токовой отсечки (ТО).
Силовой трансформатор защищается предохранителем типа ПКТ-10, устанавливаемом со стороны 10 кВ, воздушная линия 10 кВ защищается МТЗ и ТО, действующими на отключение выключателя в начале линии.
На линиях 0,38 кВ, питающих трехфазные потребители, устанавливается автоматические выключатели непосредственно у потребителя (QF1), и на подстанции (QF2). Наиболее распространенным потребительским выключателем является автоматический выключатель серии ВА, а подстанционным - автоматические выключатели серий АЗ700, АЕ2000.
Если тепловой расцепитель автоматического выключателя, установленного на подстанции, оказывается нечувствителен к токам короткого замыкания, то он заменяется более чувствительной защитой, в качестве которой в последнее время применяется защита ЗТ-0,4(или ЗТИ), в виде приставки к QF2.
Если нечувствительным оказывается электромагнитный расцепитель, то он не устанавливается и линия 0,38 кВ защищается только тепловым расцепителем QF2.
Чувствительность защиты оценивается по выражению:
(9.3)
где:
I(1)
к.
max
-минимальный ток однофазного короткого замыкания (ток в конце линии);
Iт.
-ток срабатывания теплового (полупроводникового) расцепителя.
Чувствительность защиты с электромагнитным расцепителем QF2 оценивается по выражению:
(9.4)
где:
I(3)
к.
max
-ток трехфазного короткого замыкания на шинах подстанции;
Iэл.р.
-ток срабатывания электромагнитного расцепителя.
Защита линии 0,38 кВ (Л-1)
Выбор автоматического выключателя на потребителе (QF1)
Рабочий ток линии 231 А
Для установки у потребителя выбираем два автоматических выключателя, тогда рабочий ток 115,5А . ВА 57-31-34 с параметрами:
Uном.
QF
1
=660 В ≥ Uсети ном.=
380 В
Iном.
QF
1
=250 А ≥ Iр.
max
.=
115,5 А
Iт.р.
QF
1
=160 А ≥ 1,1×Iр.
max
.
=137,5А
Выбор автоматического выключателя, установленного на подстанции в Л1 (
QF2).
Выбираем выключатель серии А 3736Б по параметрам сети:
Uном.
QF
2
=660 В ≥ Uсети ном.
=380 В
Iном.
QF
2
=250 А ≥ Iр.
max
.
=231А
По условию селективности:
Iт.р.
QF2
=400≥(1,1…1,3) Iр.
max
=300,3А
Iт.р.
QF
2
=400 А > Iт.р.
QF
1
=160 А
I(3)
×кн
=3151×1,25<Iэл.р.
QF
2
=4000 А > Iэл.р.
QF
1
=400 А
Оценка чувствительности защиты Л1.
Ток однофазного К.З. в конце линии 0,38 кВ равен 1173,6 А
Ток трехфазного К.З. на шинах 0,4 кВ ТП 2854 равен 4660 А


По чувствительности тепловой расцепитель QF2 не проходит, поэтому применяем приставку к автоматическому выключателю ЗТ–0,4.
Расчет защиты наЗТ-0,4.
Приставка ЗТ-0,4 действует на независимый расцепитель QF2 и имеет защиту от междуфазного тока КЗ и защиту от однофазного тока КЗ.
Защита от междуфазного тока КЗ отстраивается от тока нагрузки Л1, т.е. ток срабатывания защиты I(2)
ср
находится:
(9.5)
где Кн
- коэффициент надежности, равный 1,2; Кз
, - коэффициент самозапуска, учитывающий увеличение нагрузочного тока от пусковых токов, после отключения тока КЗ другими защитами (например QF1). Для производственных нагрузок Кз
=1,25.
Уставка тока срабатывания I(2)
уст
устройства ЗТ-0,4 имеет три значения: 100, 160, 250 А.
А
Тогда I(2)
уст
= 250А > I(2)
ср
=173,2 А
Оценка чувствительности защиты определяется по минимальному двухфазному току КЗ:
(9.6)

Защита чувствительна к междуфазным токам КЗ.
Расчет защиты ЗТ-0,4 от однофазного тока КЗ начинается с определения тока несимметрии (Iнес
).
(9.7)
где Кнес
- коэффициент несимметрии, который колеблется в пределах от 0,1 до 0,5. Принимаем Кнес
=0,3.
А
Затем определяется ток срабатывания защиты I(1)
ср
от однофазного тока КЗ:
(9.8)
где Кн
- коэффициент надежности, равный 1,2.
А
Установка тока срабатывания I(1)
ср
от однофазного тока КЗ выбирается из трех значений: 40, 80 и 120 А. Выбираем I(1)
ср
=80 А. Определяем чувствительность этой защиты:
(9.3)

Защиты чувствительны к любым видам токов КЗ и принимаются к исполнению.
Окончательно принимаем автоматический выключатель А3732Б К1 с Iном
=400А, IЭл.р.
=4000 А, снабженного приставкой ЗТ-0,4, имеющей
I(2)
уст
=250 А, I(1)
уст
=80 А .
Защита линии 0,38 кВ (Л-2)
Расчет защиты линии Л2 аналогичен с расчетом защиты Л1.В линии Л2 установлен крупный асинхронный двигатель АИР132М4, с параметрами
Рпотр=
10 кВт; Рдвиг
=11кВт; КПД=0,885; сosφ=0,85; Iн.=
22,2 А; Кi
=
7,5
Выбор автоматического выключателя на потребителе (
QF
3)
Для Для установки у потребителя выбираем автоматический выключатель ВА 57-31-34 с параметрами:
Uном.
QF
3
=660 В ≥ Uсети ном.
=380 В
Iном.
QF
3
=100 А ≥ Iр.потр2
.=37 А
Iт.р.
QF
3
=63 А ≥ 1,1×Iр.потр2.
=40,7 А
Iэл.р.
QF
3
=400>Iп.эл.д.
= 1,25×7,5×22,2=208 А
Выбор автоматического выключателя, установленного на подстанции в Л2 (QF4).
Выбираем выключатель серии А 3794С по параметрам сети:
Uном.
QF
4
=660 В ≥ Uсети ном.
=380 В
Iном.
QF
4
=160 А ≥ Iр.
max
.
=37 А
По условию селективности:
1,3×Iр.
max
.
=48,1 А < Iт.р.
QF
4
=80 А > Iт.р.
QF
3
=63 А
I(3)
×кн
=2995×1,25<Iэл.р.
QF
4
=1600 А > Iэл.р.
QF
3
=400 А
Токовая отсечка не обеспечивает требуемую селективность. Поэтому предлагаем селективный автоматический выключатель серии А3794С с отсечкой времени tср=0,04с < tу=0,1с
Оценка чувствительности защиты Л2
Ток однофазного К.З. в конце линии 0,38 кВ равен 1081 А
Ток трехфазного К.З. на шинах 0,4 кВ ТП 2854 равен 4660 А


Защита чувствительна к любым видам токов КЗ и принимаются к исполнению.
Защита линии 0,38 кВ (Л3)
Расчет защиты линии Л3 аналогичен с расчетом защиты Л1и Л2. В линии Л3 установлен крупный асинхронный двигатель, с параметрами
Таблица 9.1 Выбор двигателя
Рпотр
кВт
|
Рдвиг
кВт
|
Двигатель
|
n,
об/мин
|
КПД |
cosφ |
Iн
,
А
|
mтрог
|
mпуск
|
кi
|
| 30 |
30 |
4АР180М4У3 |
1500 |
0,9 |
0,87 |
58,2 |
1 |
2 |
7,5 |
Выбор автоматического выключателя на потребителе (QF5).
Для защиты принимаем QF5 серии ВА 57-31-34 с параметрами:
Uном.
QF
5
=660 В ≥ Uсети ном.
=380 В
Iном.
QF
5
=100 А ≥ Iр.потр6.
=95 А
Iт.р.
QF
5
=125 А ≥ 1,1×Iр.потр6.
=104,5 А
Iэл.р.
QF
5
=800 А>1,25×Iп.эл.д.
=1,25 ×7,5×58,2=545,6 А
Выбор автоматического выключателя, установленного на подстанции в Л3 (QF6).
Выбираем выключатель серии А 3794С по параметрам сети:
Uном.
QF
6
=660 В ≥ Uсети ном.
=380 В
Iном.
QF
6
=250 А ≥ Iр.
max
.
=163 А
По условию селективности:
1,3×Iр.
max
.
=123,5 А < Iт.р.
QF
6
=160 А > Iт.р.
QF
5
=104,5 А
I(3)
×кн
=3124*1,25<Iэл.р.
QF
6
=1600 А > Iэл.р.
QF
5
=800 А
Токовая отсечка не обеспечивает требуемую селективность. Поэтому предлагаем селективный автоматический выключатель серии А3794С с отсечкой времени tср=0,04с < tу=0,1с.
Оценка чувствительности защиты Л3
Ток однофазного К.З. в конце линии 0,38 кВ равен 874,5 А
Ток трехфазного К.З. на шинах 0,4 кВ ТП 2854 равен 4660 А


Защита чувствительна к любым видам токов КЗ и принимаются к исполнению.
9.2 Защита трансформатора 10/0,4 кВ
Трансформаторы защищаются плавкими предохранителями типа ПКТ-10.
Основные условия выбора плавких предохранителей:
Uпред
≥Uном сети
Iном откл
≥ Iк
max
(9.2.1)
Iном пл.вст
≈ 2 Iном тр
Рекомендуется значения токов плавких вставок, Iном пл.вст
выбирать в зависимости от мощности трансформатора по [1].
На стойкость в режиме короткого замыкания силовой трансформатор, защищенный предохранителем, не проверяется [7].
Защита ТП 2854
Uпред
≥Uном сети
; 10кВ=10кВ
Iном откл
≥ Iк
max
; 15 кА>4660 кА
Iном пл.вст
>Iраб макс
; 20 А>12,3
где 
Предварительно выбираем плавкую вставку на 10 А.
Окончательно значения плавких вставок будут выбраны после согласования защит.
9.3 Защита линии 10 кВ
Линии напряжением 10 кВ защищаются от токов КЗ с помощью максимальной токовой защиты (МТЗ) и токовой отсечки (ТО) с действием на отключение. Выполняются защиты на реле типа РТВ и РТМ (см. рис. 13.1) или РТ-85.
9.3.1 Расчет МТЗ на РТВ
Ток срабатывания защиты определяется по двум условиям:
Первое, при отстройке от рабочего максимального тока
I/
с.з.расч
= Кн
Кз
Iр
max
= 1,3×1,1×145,8= 342,8 А , (9.3.1)
Кв
0,65
где Кн
, Кз
, Кв
- коэффициенты надежности, самозапуска и возврата: где Кн
=1,3 и Кв
=0,65 для реле РТВ; Кн
=1,2 и Кв
=0,8 для реле РТ-85; Кз
=1,1 для всех видов реле;
Второе, по условию селективности с более удаленной от источника питания защитой I//
с.з.расч
, значение которого рекомендуется выбирать по данным табл. 8.1.по самому мощному трансформатору ТМ-10/0,4 кВ, подключенному к линии (в примере 630 кВА).
I//
с.з.расч
=420 А . (9.3.2)
Большее значение принимается за расчетное.
9.3.1.2 Ток срабатывания реле
Iср
= Ксх
Iс.з.расч
=1
420=14 А , (9.3.3)
К1
30
где Ксх
- коэффициент схемы соединения трансформаторов тока и реле, для схем с неполной звездой, в основном применяемых для защиты линий 10 кВ; Ксх
=1;
КI
- коэффициент трансформации ТТ, КI
=30;
9.3.1.3 Установка тока на реле
Iу
≥Iср
=15 А, [1]. (9.3.4)
9.3.1.4 Действительный (принятый) ток срабатывания защиты
Iс.з.д
= Кz
Iу
= 30 15=450 А . (9.3.5)
Кc
х
1
9.3.1.5 Проверяется чувствительность защиты
Кч расч
= Iк
min
= I(2)
к (ч)
= 671 =1,5>
Кч.доп
=1,5 (9.3.6)
Iс з д
Iс з д
450
9.3.2 Расчет токовой отсечки на реле РТМ
9.3.2.1 Ток срабатывания ТО выбирается по двум условиям
при отстройке от максимального тока КЗ у ближайшей потребительской подстанции
I/
со расч
= Кн
I(3)
к2
=1,5 1579=2368 А . (9.3.7)
где Кн
=1,5 для реле РТМ;
при отстройке от броска тока намагничивания трансформаторов 10/0,4 кВ, подключенных к линии, при их включении под напряжение.
I//
со расч
=5 ∑ Sт ном
=5 3263 =942 А . (9.3.7)
√3 Uном
√3 10
Большее значение принимается за расчетное.
9.3.2.2 Ток срабатывания реле отсечки
Iс.р.о
= Ксх
Iсо расч
= 12368=79 А . (9.3.8)
КI
30
9.3.2.3 Установка тока на реле
Iу0
≥Iс р о
. (9.3.9)
Iс р о
=100 А[1].
9.3.2.4 Действительный ток срабатывания отсечки
Iс о д
= КI
Iуо
= 30100=3000 А . (9.3.10)
Кc
х
1
9.3.2.5 Чувствительность защиты
Кч расч
= I(3)
к1
= 5568 =1,86>Кч.доп
≈1,2 . (9.3.11)
9.4 Согласование защит
Действие максимальных токовых защит должно быть согласовано по времени, чтобы поврежденный элемент электропередачи отключался ближайшей к нему защитой (рис.3).
Согласование защит обычно выполняется на графике (карте селективности), на котором токовременные характеристики защит строятся при одном напряжении
(в примере 0,38 кВ) в пределах от тока срабатывания защиты до тока КЗ в месте установки защиты. Для построения графика рекомендуется использовать времятоковые характеристики автоматических выключателей, приставок ЗТ-0,4, предохранителей на напряжение 10кВ, МТЗ и ТО

Рис. 9.4.1 Защита от токов КЗ, установленная в электропередаче.
На графике (рис. 9.4.2.) строятся характеристики защит линий 0,38 кВ, затем трансформатора 10/0,4 кВ и ВЛ 10 кВ. Оси координат берем в логарифмическом масштабе.
Вначале показывается схема электропередачи с указанием всех защит и их параметров, токов КЗ, необходимых при согласовании (см. рис. 9.4.1).
Последовательность согласования следующая.
Строится токовременная характеристика защиты линии Л1.
Защита выполнена на автоматическом выключателе А3721Б К1 с приставкой ЗТ-0,4 и электромагнитным расцепителем. Токовременная характеристика [8] заносится в табл.13.3 I(2)
у
=250А
Таблица 9.4.1-Вспомогательная таблица.
| I, А |
250 |
300 |
400 |
500 |
600 |
4000 |
4660 |
| t,c |
12 |
4 |
1,5 |
1 |
0,6 |
0,04 |
0,04 |
Строится токовременная характеристика защиты линии Л2.
Защита выполнена на автоматическом выключателе А3721Б К1 с приставкой ЗТ-0,4 и электромагнитным расцепителем. Токовременная характеристика [8] заносится в табл.13.3 I(2)
у
=100А
Таблица 9.4.2 -Вспомогательная таблица.
| I, А |
100 |
150 |
200 |
230 |
250 |
4000 |
4660 |
| t,c |
12 |
4 |
1,5 |
1 |
0,6 |
0,04 |
0,04 |
Строится токовременная характеристика защиты линии Л2.
Защита выполнена на автоматическом выключателе А3721Б К1 с приставкой ЗТ-0,4 и электромагнитным расцепителем. Токовременная характеристика [8] заносится в табл.13.3 I(2)
у
=160А
Строится токовременная характеристике защиты трансформатора №2854, Iпв=20А.
Строится токовременная характеристика защиты ВЛ-10 кВ.
МТЗ и ТО выполнены на встроенных в привод реле РТВ и РТМ.
Таблица 9.4.4–Токовременная характеристика РТВ иРТМ
| К=I/Iс з д
|
1 |
1,2 |
1,5 |
1,7 |
2,0 |
2,5 |
3,0 |
3,5 |
- |
- |
| I, А |
450 |
540 |
675 |
765 |
900 |
1125 |
1350 |
1575 |
3000 |
5568 |
| t,с |
10 |
5 |
3,5 |
3 |
2,3 |
1,5 |
1,2 |
1,0 |
0,1 |
0,1 |
| 11250 |
13500 |
16875 |
19125 |
22500 |
28125 |
33750 |
39375 |
75000 |
139200 |
После построения характеристики необходимо убедиться в том, что в зоне совместного действия МТЗ линии 10 кВ и плавкой вставки предохранителя ПК-10-20 соблюдалось условие селективности.

Рисунок 9.4.2–График согласования защит
10 PАЗРАБОТКА ВЕТРОУСТАНОВКИ ДЛЯ ГОРЯЧЕГО ВОДОСНАБЖЕНИЯ СЕЗОННОГО ПОТРЕБИТЕЛЯ
10.1
Общие сведения по использования энергии ветра
Энергия ветра уже тысячелетиями используется как на суше, так и на море. Первые сведения о древних египетских парусных судах уходят к третьему тысячелетию до н.э., а расцвет парусного мореходства приходится на середину прошлого века. На суше ветряные двигатели впервые появились в Персии, где за счет энергии ветра приводились в действие водяные насосы для полива. В этих устройствах использовались полотняные паруса на вертикальной оси.
В нескольких районах Европы, сначала во Франции, в XII веке появились ветряные мельницы для размола зерна, у которых ветроколесо устанавливалось на горизонтальной оси. Первая мельница была построена в 1393 году в Германии, откуда пошло распространение в другие страны. В XIV в. голландцы широко использовали ветряные мельницы для осушения болот и озер. В этот же период появились усовершенствованные конструкции мельниц, применение которых продолжалось до середины прошлого столетия. Так, в Дании суммарная мощность этих установок с общим числом более 30 тысяч составляла примерно 200 МВт.
В конце XIX века в России действовало около 250 тыс. ветряных мельниц общей мощностью примерно 600 МВт. В 1889 г. на ярмарке в Нижнем Новгороде демонстрировались два ветроагрегата мощностью 36,8 кВт каждый. В XX столетии в связи с широким внедрением электричества растет интерес к ветроэлектрическим агрегатам. В период 1890-1908 гг. профессор Лякур разработал более эффективный и быстроходный ветроагрегат для производства электрической энергии. В Асхове ветроколесо диаметром 22,85 м с четырьмя лопастями было установлено на стальной мачте высотой 24,38 м. Установка стала первым примером преобразования энергии ветра в электрическую энергию.
В США в 1920-1930-е годы активно разрабатывались ветроэлектрические агрегаты. Так, компания «Джекобс винд электрик» ввела в конструкцию своих ветроагрегатов два важных усовершенствования: трехлопастный винт, который позволил устранить вибрации, возникающие у двухлопастных винтов, и центробежный шариковый регулятор угла поворота лопастей, обеспечивающий переход их во флюгерное положение при больших скоростях ветра.
В Великобритании в 1920-е годы появился интерес к ветроэлектрическим установкам небольшой мощности. Были опубликованы результаты испытаний ветроагрегатов мощностью от 250 Вт до 10 кВт.
В СССР в 1931 г. был построен самый крупный в мире ветроагре-гат для получения электроэнергии. Установка мощностью 100 кВт использовалась как дополнительный источник энергии и была включена в сеть тепловой электростанции Севастополя. Ветроагрегат имел трехлопастное ветроколесо диаметром 30 м. Установка проработала 10 лет, подавая электроэнергию в Крымскую энергосистему, была разрушена во время войны в 1942 году.
Первый этап развития ветроэнергетики в нашей стране характеризуется в основном теоретическими исследованиями. Крупнейший русский ученый Н.Е.Жуковский и его ученики В.П.Ветчинкин, Г.Х.Сабинин, Г.Ф.Проскура и др. создали теоретические основы расчета ветродвигателей, положившие начало научному развитию ветротехники. В 1930-е годы созданы аэродинамические профили высокого качества для лопастей ветроколес, проводились испытания различных конструкций ветроагрегатов и установок, совершенствовались методы их расчета и проектирования.
В 1950-е годы с развитием электроэнергетики и в первую очередь сельской электрификации темпы развития ветроэнергетики замедлились. Однако с 1975 г. количество эксплуатируемых ветроустановок во многих странах вновь стало расти. Серийно начали выпускаться электрические ветроагрегаты в Великобритании, Германии, Дании, Канаде, СССР, США, Франции и других странах. На сегодняшний день в основном решены технические проблемы преобразования ветровой энергии и доказана возможность развития ветротехники как источника энергии.
В настоящее время более активно решаются проблемы ветроиспользования, определения энергоэкономических показателей ветроустановок, их проектирования и применения.
10.2 Основы теории использования энергии ветра
Воздушный поток, как и всякое движущееся тело, обладает кинетической энергией. Одним из видов использования кинетической энергии является превращение ее в механическую работу.
Кинетическая энергия Ев
воздушного потока, имеющего скорость v, определяется по выражению
(10.1)
где m – масса движущегося воздушного потока;
(10.2)
где V – объем массы воздуха, протекающего за секунду через сечение F со скоростью v.
Количество энергии ветра, протекающего за 1 с через поперечное сечение:
(10.3)
Энергия ветра изменяется пропорционально кубу его скорости и поперечного сечения.
Отличительным свойством ветра является его повсеместность. Однако техническое использование энергии ветра во многих случаях крайне затруднено из-за низкой плотности воздуха (она в 800 раз меньше плотности воды). Для получения значительной мощности необходимо ветроколесо очень больших размеров, т.к. ветроагрегат может преобразовать только часть потенциальной энергии, определяемой коэффициентом использования энергии ветра x. При этом частота вращения ветроколеса должна регулироваться из-за непостоянства скорости ветра во времени и вырабатываемая мощность, изменяясь пропорционально третьей степени скорости ветра, будет иметь большую амплитуду колебаний.
Мощность, развиваемая ветроколесом
Мощность эта определяется как кинетическая энергия ветра, действующая в единицу времени, с учетом коэффициента ее использования:
, Вт(10.4)
где - коэффициент использования энергии ветра.
Поверхность, ометаемая крыльями ветроколеса:
,
где D – диаметр ветроколеса.
При плотности воздуха r=1,23 кг/м3 мощность, развиваемую ветроколесом, можно определить по выражению
, кВт(10.5)
мощность, развиваемая с единицы ометаемой площади:
, кВт/м2
.(10.6)
Таким образом, мощность, развиваемая ветроколесом, определяется ометаемой площадью ветроколеса, скоростью ветра и величиной коэффициента использования энергии ветра.
10.3 Коэффициент использования энергии ветра
Ветроколесо преобразует в механическую энергию только часть полной энергии потока. Воздушный поток при прохождении через поперечное сечение, ометаемое ветроколесом
Скорость воздушного потока снижается по мере приближения его к ветроколесу и на некотором расстоянии за ним. По классической теории, полные потери скорости воздушного потока за ветроколесом в два раза больше, чем потери в плоскости вращения ветроколеса. Вместе с тем давление воздуха по мере приближения к ветроколесу повышается, а за ним оно резко падает, вследствие чего за колесом образуется некоторое разрежение. Энергия, затраченная на вращение ветроколеса, равна разности кинетической энергии ветра перед ветроколесом и за ним:
(10.7)
где v2
– скорость воздушного потока за ветроколесом.
С другой стороны, воспринятую ветроколесом энергию можно выразить как произведение силы давления ветра G на скорость потока в плоскости ветроколеса:
.(10.8)
Отношение энергии, воспринятой ветроколесом, к полной энергии, которой обладает воздушный поток, называется коэффициентом использования энергии ветра:
=Евк
/Ев
.(10.9)
Коэффициент использования энергии ветра зависит от величины потери скорости ветра при прохождении его через плоскость ветроколеса. Согласно классической теории ветроколеса
(10.10)
Н.Е. Жуковский для идеального ветроколеса установил максимальную величину коэффициента использования энергии ветра x = 0,59 Этот предел может быть получен при условии:
,
т.е. идеальное ветроколесо должно работать так, чтобы потери скорости ветра в плоскости его вращения составляли 1/3 от поступающей величины.
В действительности max
значительно меньше, и согласно теории реального ветроколеса, разработанной Г.Х.Сабининым, у лучших быстроходных ветроколес максимальная величина коэффициента max
= 0,45…0,48, у тихоходных - 0,35…0,38. Данный коэффициент в основном зависит от аэродинамических характеристик ветроколеса.
10.4 Классификация ветроустановок
Ветроэнергетические установки классифицируются по двум основным признакам – геометрии ветроколеса и его положению относительно направления ветра.
В зависимости от геометрии ветроколеса ветроустановки бывают тихоходные и быстроходные. Геометрическое заполнение ветроколеса определяется числом лопастей. Тихоходные (многолопастные) ВЭУ с большим геометрическим заполнением ветроколеса развивают значительную мощность при слабом ветре и небольших оборотах. Быстроходные ВЭУ с малым заполнением ветроколеса развивают максимальную мощность при больших оборотах ветроколеса.
По направлению оси вращения ветроколеса относительно воздушного потока ВЭУ подразделяется на горизонтально-осевые и вертикально-осевые.
Ветроустановки с горизонтальной осью, как правило, крыльчатого или пропеллерного типа (рис. 7а). При этом плоскость вращения ветроколеса перпендикулярна направлению воздушного потока, а ось параллельна потоку. Основной вращающей силой является подъемная сила. Ветроколесо может располагаться перед опорной башней или за ней.
В ветроэлектрических установках обычно используется 2- или 3-лопастные ветроколеса, последние отличаются плавным ходом. Электрогенератор расположен обычно на верху опорной башни в поворотной головке. Многолопастные ветроколеса, развивающие большой крутящий момент при слабом ветре, используются для агрегатирования рабочих машин, не требующих высокой частоты вращения.
Ветроустановки с вертикальной осью вращения вследствие своей геометрии при любом направлении ветра находятся в рабочем положении, ось вращения ветроколеса перпендикулярна воздушному потоку. Вращающей силой является сила сопротивления, и линейная скорость ветроколеса меньше скорости ветра. В такой ветроэнергетической установке за счет удлинения вала генератор можно расположить внизу башни.
Принципиальными недостатками ветроустановок с вертикальной осью являются следующие:
а) коэффициент использования энергии ветра примерно в три раза меньше, чем у установок пропеллерного типа с горизонтальной осью. Наибольший коэффициент max
= 0,192;
б) большая подверженность усталостным разрушениям из-за часто возникающих в них автоколебательных процессов;
в) пульсация крутящего момента, приводящая к нежелательным изменениям выходных параметров генератора.
Ветроагрегаты с горизонтальной осью более быстроходны, имеют меньшую относительную массу, снабжены устройствами, автоматически регулирующими развиваемую мощность, частоту вращения и ориентирующими ось вращения ветроколеса по направлению вектора скорости потока.
Ветроэнергетические установки в основном выполняются по горизонтально-осевой схеме и в дальнейшем будем рассматривать только данный вид устройства. По своему назначению и комплектации оборудования ветроустановки бывают специализированные, универсальные и ветроэлектрические.
Специализированные ветроустановки в свою очередь бывают водоподъемными, зарядными и др. Они пришли на смену ветроустановкам универсального назначения, т.е. с механическим приводом различных рабочих машин. При создании как механических (водоподъемные и т.п.), так и электрических ветроэнергетических агрегатов реализованы новые подходы и принципы. Для повышения быстроходности ветроколес разработаны системы автоматического регулирования частоты вращения и ограничения мощности.
10.5 Конструкции ветроустановок
Ветроагрегат с горизонтальной осью состоит из ветроколеса, головки, хвоста, башни и регулировочного механизма. Принципиальная схема ветроагрегата приведена на рисунке 10.1.

1 – редуктор; 2 – генератор; 3 – вертикальный вал
Рис. 10.1– Принципиальная схема ветроустановки универсального типа с горизонтальной осью вращения:
Ветроколесо
преобразует энергию ветра в механическую работу и может иметь одну или несколько лопастей, устанавливаемых под некоторым углом к плоскости вращения. Крыло ветроколеса состоит из лопасти и маха, закрепленного на валу ветроколеса, как правило, перпендикулярно к оси вала.
Головка
представляет собой опору, на которой монтируют вал ветроколеса и передаточный механизм. Форма головки зависит от системы передаточного механизма, сама головка может свободно поворачиваться вокруг вертикальной оси в опорах башни.
Хвост
, закрепляемый позади головки, предназначен для установки ветроколеса на ветер и работает подобно флюгеру.
Башня
служит для поднятия ветроколеса на высоту, на которой мало сказывается влияние препятствий, нарушающих прямолинейное движение воздушного потока. Высоту башни принимают в зависимости от диаметра ветроколеса и рельефа местности
Механизм регулирования
служит для ограничения числа оборотов и крутящего момента ветроколеса, а также для остановки его при сильном ветре. Ветер постоянно изменяет свое направление, поэтому головка ветроагрегата должна поворачиваться так, чтобы ветроколесо все время стояло против ветра, т.е. плоскость вращения была перпендикулярна направлению ветра. Известно несколько способов автоматической установки ветроколеса.
Установка ветроколеса на ветер хвостом наиболее распространена для агрегатов малой мощности. Существенным недостатком является большая угловая скорость поворота головки относительно вертикальной оси.
Наименьшая угловая скорость получается при установки ветроколеса на ветер виндрозами. Виндрозами называют многолопастные ветряные колеса, устанавливаемые позади головки. Плоскость их вращения перпендикулярна плоскости вращения ветроколеса. Ветер набегает на виндрозы под некоторым углом и приводит их во вращение. От виндроз через специальные шестеренки вращение передается головке, которая, поворачиваясь, устанавливает ветроколесо на ветер. При этом виндрозы выходят из-под ветра и останавливаются.
Изменение скорости ветра приводит к изменению мощности, развиваемой ветроагрегатом. Так, при увеличении скорости ветра в три раза энергия потока возрастает в 27 раз и соответственно увеличивается мощность.
Для предохранения от перегрузок и ограничения в заданных пределах частоты вращения ветроколеса применяют систему автоматического регулирования. При скорости ветра выше расчетной ограничивают частоту вращения генератора и мощность ветроустановки. Независимо от способа основной принцип регулирования сводится к изменению подъемной силы на лопастях и момента аэродинамических сил на ветроколесе. Применяются два основных способа регулирования: изменение положения в потоке всего ветроколеса (выводом из-под ветра) – для тихоходных агрегатов и поворот лопастей на соответствующие углы атаки – для быстроходных. При этом используются силы: центробежные, аэродинамические или одновременно те и другие.
Для улучшения пусковых характеристик агрегата лопасти на период пуска и разгона автоматически поворачиваются на оптимальные углы, а при росте скорости ветра уменьшается угол атаки и соответственно подъемная сила.
10.6 Режимы работы и мощность ветроэлектрической установки
Ветроустановки в силу конструктивных особенностей не полностью используют потенциальную энергию ветра. Часть энергии теряется за счет инерции покоя ветроколеса, часть – за счет режима регулирования и часть – за счет вывода ветроколеса из-под ветра.
Утилизируемая энергия ветра зависит от трех основных параметров, называемых базовыми скоростями ветра. Первый параметр – минимальная скорость ветра (vmin
), при которой ветроколесо начинает вращаться. Второй – расчетная скорость (vp)
, при которой ветроустановка выходит на расчетный режим и развивает номинальную мощность. Третий – максимальная скорость ветра (vmax
), скорость выше максимальной становится критической для ветроустановки.
В диапазоне скоростей от минимальной до рабочей ветроустановка развивает тем большую мощность, чем больше скорость ветра. При скорости ветра v vр
с помощью специального регулировочного устройства автоматически устанавливается постоянный режим вращения ветроколеса и вырабатываемой мощности. Если v vmax
, ветровой напор на ветроустановку становится критическим и по условию механической прочности происходит ее отключение.
Мощность, вырабатываемая ветроустановкой, отличается от мощности, развиваемой ветроколесом, на величину потерь при преобразовании утилизируемой энергии ветра в полезную:
, кВт (10.11)
или с единицы ометаемой площади ветроустановки:
, кВт/м2
,(10.12)
где п
– коэффициент полезного действия ВЭУ, учитывающий потери при передаче мощности от вала ветроколеса до рабочей машины.
Для ветроэлектрической установки
п
= р
· г
,
где р
, г
– КПД редуктора и генератора соответственно.
Для наиболее совершенных конструкций двух- и трехлопастных ВЭУ можно принять = 0,4, суммарный КПД п
= 0,8 и обозначить все постоянные составляющие коэффициентом = 2·10-4
.
10.7 Методика выбора ветроэнергетических установок для энергоснабжения сельскохозяйственных потребителей
Для энергоснабжения технологических процессов ветроэнергетические установки выбираются по основным техническим характеристикам: мощности; диаметру ветроколеса; минимальной и расчетной скорости ветра и по наличию преобразующих (выпрямитель, инвертор) и аккумулирующих устройств.
Расчетная мощность ветроагрегата определяется диаметром ветроколеса, коэффициентом использования энергии ветра и расчетной скоростью ветра:
, кВт/м2
Если ветроагрегат работает без дублирующей установки и имеет аккумулирующее устройство, то мощность агрегата должна быть не меньше, чем расчетная нагрузка потребителя, определяемая из графика нагрузки. При этом может потребоваться несколько ветроустановок. При наличии дублирующего источника энергии мощность ветроустановки не должна быть меньше той мощности, которая требуется для обеспечения энергией основных потребителей или технологических процессов. Дублирующая установка по мощности должна обеспечивать питание энергией всей нагрузки в дни безветрия. Ясно, что предлагаемые варианты возможны, когда ветроустановка экономически выгодна.
При использовании ВЭС в составе энергосистемы необходимо обеспечивать работу ветроустановки в режиме постоянной частоты вращения, определяемой частотой сети. Выбор режима работы ветроколеса направлен на получение наибольшей выработки электрической энергии за определенный промежуток времени и соответственно наилучшего использования энергии ветра. По данным ветроустановки можно определить расчетную частоту вращения генератора, обеспечивающую максимальное значение коэффициента :
. (10.13)
с удельной ометаемой площади ветроустановки при расчетной или более высокой скорости ветра определяют по выражению
, (10.14)
где Т – число часов в расчетный период (месяц, сезон, год); t*p
– повторяемость скоростей ветра, равных и больших расчетной, в относительных единицах.
Зная диаметр ветроколеса, несложно определить общее количество вырабатываемой энергии. При использовании нескольких однотипных ветроустановок ометаемую площадь увеличивают на количество установок.
ВЭУ можно эффективно применять для таких технологических процессов, которые не требуют постоянной частоты тока. При проектировании ВЭУ для этих целей решают следующие задачи:
1)определить количество вырабатываемой ВЭУ энергии в каждый отдельно взятый месяц при заданных ее параметрах;
2) определить количество ВЭУ, необходимых для удовлетворения потребности данного технологического процесса;
3) по энергоэкономическим показателям выбрать оптимальное количество ВЭУ.
Возможное количество вырабатываемой энергии зависит от ресурса энергии ветра и режима работы ВЭУ. Количество энергии с удельной ометаемой площади ВЭУ можно определить по выражению
, кВтч/м2
, (10.15)
где tv
– время работы ВЭУ при различных скоростях ветра в течение суток, месяца, сезона или года.
Время работы ВЭУ зависит от режима скорости ветра и определяется через повторяемость той или иной скорости ветра в течение месяца:
, ч , (10.16)
где Тi
– число часов в i-м месяце; - относительная повторяемость скорости ветра в рассматриваемом месяце.
При определении количества вырабатываемой энергии необходимо учитывать и энергию, получаемую при скорости ветра, меньшей чем расчетная. Тогда согласно режиму работ ветроустановки количество энергии за месяц с удельной ометаемой площади установки
, МДж/м2
. (10.17)
При заданном диаметре ветроколеса вырабатываемая энергия
, МДж.
Вырабатываемая энергия за сезон или год
, МДж , (10.18)
где n – число месяцев работы ВЭУ.
По графику нагрузки, когда известно необходимое количество энергии, несложно определить потребное количество ВЭУ для каждого месяца. При этом для рассматриваемого сезона или года определенную трудность может составить выбор оптимального количества ВЭУ и потребуются сравнительные расчеты, с оценкой энергетических и экономических показателей каждого рассматриваемого варианта.
10.5 Расчет ветроустановки для горячего водоснабжения
Рассмотрим расчет ветроустановки для горячего водоснабжения сельскохозяйственного потребителя. гелиоустановки. Расчет ведется на примере ветроустановки АВЭУ6-4М, которые эксплуатируются на Южном Урале.
1). Определение количества вырабатываемой энергии
1.1). Выписываем необходимые технические данные ветроустановок: для АВЭУ6-4М
Рн
= 4 кВт; D = 6,6 м; vmin
= 4 м/с; vp
= 9 м/c;
для ВТН8-8:
Рн = 8 кВт; D = 8,45 м; vmin
= 4 м/с; vp
= 9 м/c
1.2). Из приложения 1 выписываем данные о повторяемости скорости ветра в Кунашакском районе и заносим в табл.3.12. Обычно выписываются повторяемости скорости ветра начиная от v min. В нашем примере начнем с градации 2-3 м/с;
1.3). Определяем количество удельной вырабатываемой энергии для каждого месяца по выражению
Таблица 10.1─Повторяемости скорости ветра
| Месяц |
Градации скоростей ветра, м/с |
| 4-5 |
6-7 |
8-9 |
| Январь |
0,27 |
0,13 |
0,06 |
| Февраль |
0,25 |
0,11 |
0,05 |
| Март |
0,22 |
0,08 |
0,03 |
| Продолжение таблицы 10.1 |
| Апрель |
0,29 |
0,16 |
0,06 |
| Май |
0,27 |
0,13 |
0,05 |
| Июнь |
0,25 |
0,1 |
0,04 |
| Июль |
0,21 |
0,07 |
0,02 |
| Август |
0,2 |
0,07 |
0,02 |
| Сентябрь |
0,26 |
0,11 |
0,03 |
| Октябрь |
0,27 |
0,14 |
0,04 |
| Ноябрь |
0,28 |
0,12 |
0,05 |
| Декабрь |
0,28 |
0,13 |
0,04 |
,
где Т – число часов в месяце.
Например, в мае ожидаемая удельная выработка энергии от ветроустановки АВЭУ6-4М:

полная выработка:
.
От ветроустановки BTH8-8:

полная выработка:
.
Расчеты для остальных месяцев проводятся аналогично (табл.10.2).
Таблица 10.2
Месяц
ВЭУ
|
АВЭУ6-4М |
ВТН8-8 |
| Январь |
8155 |
13000 |
| Февраль |
21000 |
33600 |
| Март |
6000 |
9500 |
| Апрель |
8800 |
14000 |
| Май |
8000 |
12900 |
| Июнь |
6700 |
10500 |
| Июль |
5500 |
8400 |
| Август |
5100 |
8120 |
| Сентябрь |
5000 |
8000 |
| Октябрь |
7500 |
12000 |
| Ноябрь |
8000 |
12500 |
| Декабрь |
8000 |
12600 |
2). Определение количества ветроустановок для удовлетворения потребности в энергии.
2.1) Потребное количество энергии определяется из норм потребления горячей воды; данные принимаем из предыдущего раздела (табл.2.9).
2.2) Предварительно оценим обеспеченность потребной энергии от одной установки:
, % , (10.13)
где hэл
– КПД электрического нагревателя (ТЭНы), принимается равным единице; Qп
– потребное количество энергии.
В мае ветроустановка АВЭУ6-4М может обеспечить 63% потребной энергии, установка BTH8-8 –100%:
%
Для полного обеспечения потребителя необходимой энергией в январе можно предложить две установки АВЭУ6-4М или одну BTH8-8. Результаты расчетов для остальных месяцев приведены в табл.3.14.
Анализ полученных результатов показывает, что установка АВЭУ6-4М обеспечивает потребность в энергии в среднем на 65%, и для полного обеспечения в зависимости от месяца их потребуется две или три. Установка ВТН8-8 в среднем обеспечивает потребность в энергии на 100%. Таких установок требуется одна или две.
3) Определение энергетических показателей ВЭУ
Для этого определяются коэффициенты использования ВЭУ и обеспеченности потребителя необходимой энергией.
3.1) Коэффициент использования вырабатываемой энергии
определяется для каждого месяца и рассматриваемого варианта. Например, в январе при использовании двух установок АВЭУ6-4М количество энергии WВЭУ = 8155·2 = 16310МДж. При потребной энергии Qп
= 3180 МДж полезно используемая энергия согласно принимается равной потребной (Qпол
= Qп
), так как тепловая энергия получаемая от ВЭУ больше потребной энергии: .
Таблица 10.3─Определение количества ветроустановок
ВЭУ
Месяц
|
АВЭУ6-М |
ВТН8-8 |
| % |
Кол-во |
% |
Кол-во |
| Январь |
65 |
2 |
100 |
1 |
| Февраль |
100 |
1 |
100 |
1 |
| Март |
48 |
3 |
75 |
2 |
| Апрель |
70 |
2 |
100 |
1 |
| Май |
63 |
2 |
100 |
1 |
| Июнь |
53 |
2 |
83 |
2 |
| Июль |
44 |
3 |
66 |
2 |
| Август |
40 |
3 |
64 |
2 |
| Сентябрь |
39 |
3 |
63 |
2 |
| Октябрь |
60 |
2 |
95 |
2 |
| Ноябрь |
63 |
2 |
99 |
1 |
| Декабрь |
63 |
2 |
100 |
1 |
,
где -количество ветроустановок
При использовании одной ветроустановки АВЭУ6-М в январе месяце:
Коэффициент использования вырабатываемой энергии
, %
Результаты расчетов сведены в табл.3.14.
3.2) Коэффициент обеспеченности потребителя оцениваем также для каждого месяца в зависимости от вида и количества ВЭУ. Так, в мае при использовании одной и двух ветроустановок типа АВЭУ6-4М соответственно
, % (10.14)

Результаты расчетов для других месяцев заносим в табл.3.15.
Значит, для полного удовлетворения потребности в энергии нужны три ветроустановки типа АВЭУ6-4М или две установки BWC-3. Коэффициент их использования составляет 0,67 и 0,71.
Таблица 10.4─Энергетические показатели
| Кол-во |
Январь |
Февраль |
Март |
Апрель |
Май |
Июнь |
| Кi |
Ко |
Кi |
Ко |
Кi |
Ко |
Кi |
Ко |
Кi |
Ко |
Кi |
Ко |
| АВЭУ6-М |
| 1 |
1 |
0.65 |
0.6 |
1 |
1 |
0.48 |
1 |
0.7 |
1 |
0.63 |
1 |
0.53 |
| 2 |
0.77 |
1 |
0.3 |
1 |
1 |
0.95 |
0.7 |
1 |
0.8 |
1 |
0.95 |
1 |
| 3 |
0.51 |
1 |
0.2 |
1 |
0.7 |
1 |
0.5 |
1 |
0.5 |
1 |
0.6 |
1 |
| ВТН8-8 |
| 1 |
0.96 |
1 |
0.4 |
1 |
1 |
0.75 |
0.9 |
1 |
0.78 |
1 |
1 |
0.83 |
| 2 |
0.48 |
1 |
0.2 |
1 |
0.6 |
1 |
0.45 |
1 |
0.48 |
1 |
0.6 |
1 |
| Кол-во |
Июль |
Август |
Сентябрь |
Октябрь |
Ноябрь |
Декабрь |
| Кi |
Ко |
Кi |
Ко |
Кi |
Ко |
Кi |
Ко |
Кi |
Ко |
Кi |
Ко |
| АВЭУ6-М |
| 1 |
1 |
0,44 |
1 |
0,4 |
1 |
0.39 |
1 |
0,6 |
1 |
0.63 |
1 |
0.63 |
| 2 |
1 |
0,9 |
1 |
0,8 |
1 |
0.78 |
0.84 |
1 |
0,78 |
1 |
0.78 |
1 |
| 3 |
0.76 |
1 |
0,8 |
1 |
0,85 |
1 |
0.56 |
1 |
0.5 |
1 |
0,5 |
1 |
| ВТН8-8 |
| 1 |
1 |
1 |
0.4 |
0.64 |
1 |
0.63 |
1 |
0.95 |
1 |
0,99 |
1 |
1 |
| 2 |
0,5 |
1 |
0,77 |
1 |
0.8 |
1 |
0.52 |
1 |
0.51 |
1 |
0.5 |
1 |
Согласно режиму повторяемости скорости ветра (см. прилож.1) рабочий режим наступает с соответствующей вероятностью. Обеспеченность рабочей скорости ветра p(v), когда v > vmin
, и средняя продолжительность работы ВЭУ (N дней) в течение месяца приведены в табл.10.5.
Таблица 10.5─Показатели за сезон
| Количество |
Ки |
Ко |
| АВЭУ6-М |
| 1 |
0,97 |
0,59 |
| 2 |
0,83 |
0,95 |
| 3 |
0,58 |
1 |
| ВТН8-8 |
| 1 |
0,93 |
0,87 |
| 2 |
0,53 |
1 |
Значит, для полного удовлетворения потребности в энергии нужны две ветроустановки типа АВЭУ6-4М или одна установка ВНТ8-8.
4) Определение экономической эффективности ветроустановки
4.1) Рассчитываем количество полезно используемой энергии за сезон и количество сэкономленного топлива:
(10.15)
или
(10.16)
При использовании двух установок АВЭУ6-4М:

Результаты расчетов занесены в табл.10.6.
Таблица 10.6─Экономия топлива
| АВЭУ6-М |
Кол-во |
Полезная энергия |
Экономия топлива |
| 1 |
89355 |
6,8 |
| 2 |
144000 |
11 |
| 3 |
262470 |
20 |
| ВТН8-8 |
1 |
133000 |
10 |
| 2 |
146000 |
12 |
4.2) Оцениваем эффективность ветроустановки по энергетическим затратам и определяем срок окупаемости.
Энергозатраты на установку АВЭУ6-4М составляют 89355 МДж, на единицу площади, ометаемой ветроколесом – 1400 Мдж/м2
.
Эффективность энергозатрат при использовании двух установок АВЭУ6-4М
;
срок окупаемости
лет
Результаты расчетов занесены в табл.10.7.
Таблица 10.7─Срок окупаемости по энергетическим показателям
| Показатели |
АВЭУ6-4М |
ВТН8-8 |
| 1 |
2 |
3 |
1 |
2 |
Энергозатраты, МДж
|
48000
|
96000 |
144000 |
78471 |
157000 |
| Полезная энергия, МДж |
89355 |
144000 |
262470 |
133000 |
146000 |
| Эффективность энергозатрат |
1,7 |
1,5 |
1,8 |
1,7 |
0,9 |
| Срок окупаемости, лет |
0,5 |
0,6 |
0,5 |
0,6 |
1,1 |
Таким образом, расчет показывает, что наиболее эффективным является вариант с использованием двух установки типа АВЭУ6-4М. При этом потребитель обеспечивается энергией на 95%.
4.3) Оценка сравнительной эффективности ветроустановки по стоимостным показателям
Для каждого рассматриваемого варианта определяются годовые издержки и экономия органического топлива. Условие эффективного использования ветроустановки:
.
При использовании одной установки BHT8-8 годовые издержки составят 8400 рублей, если Куд
=1500руб./м2
и а=0,05; выручка от экономии топлива – 6800 рублей, если Т
=4000 руб./т у.т. Выбранная ветроустановка работает эффективно. Результаты расчета сведены в табл.3.19. Полученные данные показывают, что для рассматриваемого потребителя при принятых условиях выгодно отличается установка BWC-3. Сравнительная эффективность ее составляет 300 рублей, другие варианты энергоснабжения являются неэффективными.
Таблица 10.8─Экономический эффект
| Варианты |
Годовые издержки, руб. |
Экономия топлива, руб. |
Сравнительная эффективность, руб. |
| АВЭУ6-М |
1 |
5100 |
8840 |
+3740 |
| 2 |
10200 |
14830 |
+4630 |
| 3 |
15300 |
26000 |
+10700 |
| ВТН8-8 |
1 |
8400 |
6800 |
-1600 |
| 2 |
16800 |
15600 |
-1200 |
Себестоимость энергии от ветроустановки
СВЭУ
= ИВЭУ
/Qпол
= 10200 /144000 = 0,14 руб./МДж = 0,5 руб./кВт·ч.
При изменении первоначальных условий, т.е. удельных капиталовложений, стоимости топлива следует ожидать изменения сравнительной эффективности и себестоимости вырабатываемой энергии. Однако ясно, что вариант использования ветроустановки BWC-3 предпочтительнее, чем АВЭУ-6-4М.
Оценка экономической эффективности ВЭУ по энергозатратам и стоимостным показателям также говорит в пользу ветроустановки BHT8-8, причем вырабатываемая электроэнергия должна идти только на нагрев воды.
10.6 Выводы по использованию ветроустановки
Использование ветроустановки для нагрева горячей воды на Агрофирме «Гарант» Кунашакского района даёт не только экономический эффект, но и позволяет сохранять окружающею среду, что в настоящее время очень актуально.
Использование ветроустановок это один из наиболее прогрессивных способов экономии энергоресурсов, а в связи с постоянным ростом цен использование неиссякаемых источников энергии становится перспективным направлением в развития не только отдельного предприятия, но и экономики в целом.
11. БЕЗОПАСНОСТЬ ТРУДА
Задачей раздела “Безопасность труда “ в дипломном проекте является разработка организационных и технических решений, которые создают безопасные условия труда на проектируемом объекте. Выполнение норм и правил по безопасности труда обеспечивает необходимую электробезопасность пожаробезопасность и взрывобезопасность электроустановок, комфортную среду на рабочих местах операторов, ведущих производственный процесс и работников, обслуживающих производственные установки.
Уровень производственного травматизма оценивается на основании статистического материала предприятия «Гарант» в н.п. Борисова. Результаты статистического анализа приведены в таблице 11.1.
Проанализируем производственный травматизм в хозяйстве за 3 года с помощью двух показателей: коэффициента частоты и коэффициента тяжести несчастных случаев.
Коэффициент частоты исчисляется на 1000 человек списочного состава работающих и выражает число несчастных случаев на 1000 работающих за отчетный период на предприятии.
Коэффициент тяжести выражает среднее число дней нетрудоспособности, приходящихся на один несчастный случай в отчетном периоде.
Таблица 11.1– Распределение коэффициентов частоты и тяжести травматизма за 3 года.
| Годы |
Средне |
Кол-во |
Потеря |
Кч |
Кт |
списоч
ное
кол-во
работ.
|
пострадавших |
рабочих
дней
|
по
хоз-ву
|
по
области
|
по
хоз-ву
|
по
области
|
| 2004 |
689 |
1 |
30 |
1.8 |
15,1 |
| 2005 |
740 |
2 |
74 |
2,65 |
24,7 |
| 2006 |
759 |
2 |
84 |
2,65 |
42 |
Из таблицы видно, что за последнее время число несчастных случаев не сокращается. Причинами травматизма являлись: неисправность оборудования, низкая квалификация обслуживающего персонала, нарушение технологического процесса , использование рабочих не по специальности.
Рассмотрим распределение травматизма по отраслям производства.
Таблица11.2 –Распределение несчастных случаев по отраслям производства
| Отрасли |
2004 |
2005 |
2006 |
| производства |
кол.
работ
|
кол.
постр
|
Кч
|
кол.
работ
|
кол.
постр
|
Кч
|
кол.
работ
|
кол.
постр
|
Кч
|
| Энергетика |
102 |
- |
- |
102 |
2 |
2,65 |
105 |
- |
- |
| Животновод-о |
110 |
- |
- |
112 |
- |
- |
112 |
2 |
2,65 |
| Механизация |
203 |
1 |
1,8 |
225 |
- |
- |
230 |
- |
- |
| Растенивод-во |
260 |
- |
- |
278 |
- |
- |
278 |
- |
- |
| Прочие: |
14 |
23 |
34 |
Из таблицы следует, что большее число пострадавших это в энергетике и животноводстве , а в растениеводстве травматизма не было.
Для дальнейшего снижения травматизма необходимо проводить проверку знаний охраны труда , повышать дисциплину труда.
Мероприятия по производственной санитарии
При реконструкции подстанции 10/0,4 кВ мы руководствуемся нормами СНиП.
Проезжая автодорогу выполняют крупнощебеночным покрытием, переходная дорога на расстоянии 3,5 м до места установки трансформатора . Подстанцию ограждаться сетчатой оградой высотой 1,5 м.
Территорию подстанции благоустраиваться путем засевания травами . Обслуживание подстанции осуществляют без постоянного дежурного персонала. В связи с этим, согласно нормам технологического проектирования сетей водопровода и канализации не предусматриваются. Воду доставляется передвижными средствами.
Требования к персоналу, обслуживающему электроустановки и его ответственность
Эксплуатацию электроустановок осуществляет специально подготовленный электротехнический персонал. При отсутствии подготовки работники должны быть обучены (до допуска к самостоятельной работе) в специализируемых центрах подготовки персонала (учебных комбинатах, учебно- тренировочных центрах и т.д).
Профессиональная подготовка персонала, повышение его квалификации, проверка знаний инструктажи проводятся в соответствии с требованиями государственных и отраслевых нормативных правовых актов по организации охраны труда и безопасности работы персонала.
К работам в электроустановках допускаются лица, достигшие 18-ти летнего возраста. Проверка состояния здоровья работника проводится до приема его на работу, в дальнейшем периодически не реже 1 раза в 2 года.
Электротехнический персонал до назначения на самостоятельную работу, связанную с эксплуатацией электроустановок должен пройти:
- вводный инструктаж;
- первичный инструктаж на рабочем месте, (инструктаж оформляется в журнале инструктажа с подписями инструктирующего и инструктируемого);
- обучение на рабочем месте;
- стажировку и производственное обучение на рабочем месте под руководством ответственного обучающего лица со сроком от 2 до 14 смен в зависимости от подготовленности обучаемого;
- дублирование под руководством опытного работника со сроком от 2 до 12 смен в зависимости от подготовленности обучаемого (уровня знаний, стажа и опыта работы), продолжительность дублирования устанавливается решением экзаменационной комиссии.
После допуска к самостоятельной работе, оформленного приказом по предприятию, можно приступать к самостоятельной работе.
Проверка знаний производится:
первичная
– перед допуском к самостоятельной работе, не позже 1 месяца со дня назначения на должность;
периодическая
– один раз в год для электротехнического персонала, обслуживающего действующие электроустановки и один раз в три года руководителей и специалистов;
внеочередная
– проводится в следующих случаях:
- при нарушении персоналом правил, норм и инструкций,
- по требованию органов технического надзора, а также по
заключению комиссий, производивших расследование нарушений,
- по решению руководителей вышестоящих органов управления, если будут установлены недостаточные знания правил, норм и инструкций или неправильные действия персонала при нормальных и аварийных ситуациях,
- при вводе в действие новых или переработанных правил,
- при установке нового оборудования, реконструкции или изменении главных энергетических и технологических схем,
- при неудовлетворительной оценке проведенной повторной контрольной тренировки (противоаварийной или противопожарной).
Внеочередная проверка не отменяет сроков периодической проверки по графику, кроме случаев, связанных с вводом в действие новых правил.
После проверки знаний присваивается группа по электробезопасности.
Для работы и обслуживания помещений необходим комплект средств защиты , представленный в табл. 11.3.
Из таблицы мы увидим , что индивидуальные средства защиты и спецодежда находятся в достаточном объеме.
Таблица 11.3–Индивидуальные средства защиты и спецодежды обслуживающего персонала.
| Средства защиты |
Количество |
| Полукомбинзон х/б |
1 штука на каждого эл.монтера |
| Перчатки диэлектрические |
не менее 2 пар |
| Галоши диэлектрические |
1 пара |
| Противогаз |
2 штуки |
| Защитные очки |
2 пары |
| Изолирующая штанга |
1 штука на каждое напряжение |
| Указатель напряжения |
1 штука на каждое напряжение |
| Временные ограждения ( щиты ) |
не менее 2 штук |
| Переносные плакаты и знаки безопас. |
по местным условиям |
Защитные меры в электроустановках
Согласно ПУЭ, электрические сети напряжением 10 кВ выполняется с изолированной нейтралью, а электрические сети напряжением 0,4 кВ выполняются с глухозаземленной нейтралью тип TN-S.
В целях обеспечения безопасности от поражения электрическим током в проекте подстанции предусматриваются следующие меры:
1) входная калитка и ворота закрываются на замок, ключ от которой находится у оперативного персонала;
2) площадки для установки высоковольтных аппаратов устанавливаются на высоте не менее 2,5 метров от уровня земли, что позволяет обеспечить недоступность прикосновения к токоведущим частям;
Для предотвращения ошибочного доступа оперативного персонала используют защитные блокирующие системы, исключающие неправильные и опасные действия при работах на подстанциях, в том числе:
1) блокировки между короткозамыкателями и определителями, которые не дают возможности отключить определитель до включения короткозамыкателя;
2) блокировки в шкафах КРУН, которые не позволяют включать масляный выключатель при включенных заземляющих ножах;
3) блокировки на разъединителях (между главным и заземляющими ножами).
Над подземными кабельными линиями напряжением выше 1000 В в соответствии с действующими “ Правилами охраны высоковольтных электрических сетей “ должны отводится земельные участки в размере площади над кабелем и по охраняемой зоне в обе стороны от крайнего кабеля, в пределах которой:
1) не допускается производство земляных работ, а так же укладка других коммуникаций без согласования с организацией, эксплуатирующей данную кабельную линию;
2) запрещается сбрасывать большие тяжести, выливать кислоты и щелочи, устраивать свалки, в том числе свалки шлака и снега.
В городах и поселках кабельные линии следует, как правило, прокладывать в земле, под непроезжей частью улицы, по дворам и техническим полосам в виде газонов с кустарниковыми посадками.
Постоянные плакаты изготавливаются из листового металла или пластических материалов. Рисунок и надписи выполняют только соответствующих расцветок.
При работе в ЗТП обслуживающий персонал оснащают следующим комплектом средств защиты.
Таблица 11.4– Средства защиты для подстанций.
| Средства защиты |
Количество |
| 1. Штанги изолирующие: |
| Оперативные |
1 |
| измерительные |
1 |
| для наложения заземления |
1 |
| Продолжение таблицы 11.4 |
| 2. Клещи изолирующие: |
| для операций с предохранителями |
1 |
| электроизмерительные |
1 |
| 3. Указатель напряжения опн-90 |
1шт. на каждое напряжение |
| 4. Перчатки диэлектрические |
2 пары |
| 5. Боты диэлектрические |
1 пары |
| 6. Коврики диэлектрические |
по местным условиям |
| 7. Накладки изолирующие |
по местным условиям |
| 8. Подставки изолирующие |
по местным условиям |
| 9. Индивидуальные комплекты |
1 |
| 9. Переносные заземления |
по местным условиям |
| 9. Временные ограждения |
по местным условиям |
| 12. Предупредительные плакаты |
2 |
| 13. Защитные очки |
2 |
| 14. Противогазы |
2 |
| 15. Рукавицы |
2 |
Объем средств защиты является необходимым и достаточным по комплектности для обеспечения безопасности персонала электроустановок.
Мероприятия по пожарной безопасности
Территории сельскохозяйственного предприятия содержат в чистоте и систематически очищаться от горючих отходов.
Ко всем зданиям и сооружениям обеспечивают свободный доступ. Проезды и подъезды к зданиям и водоисточникам , а так же подступы к пожарному инвентарю и оборудованию должны быть всегда свободными.
Противопожарные резервы между зданиями не используют под складирование грубых кормов, каких- либо материалов и оборудования, для стоянки автотранспорта, тракторов, комбайнов и другой техники.
При размещении ферм и других сельскохозяйственных объектов вблизи лесов хвойных пород , между строениями и лесными массивами создают на весенне-летний пожароопасный период защитные противопожарные полосы, устраиваемые с помощью бульдозеров , лугов и других почвообрабатывающих орудий.
В местах хранения и применения огнеопасных жидкостей и горючих материалов, обработки и хранения сельскохозяйственных продуктов , в животноводческих и других производственных помещениях курение строго запрещается. Курить можно только в специально отведенных местах , отмеченных надписями “ Место для курения “ , оборудованных урнами или бочками с водой.
Необходимая защищенность оборудования пожаро или взрывоопасных зонах, вытекает из необходимости применения несгораемых покрытий кабельных каналов и отражается следующими требованиями :
1. Пожарная опасность электроустановок обусловлена наличием в применяемом электрооборудовании горючих изоляционных материалов. Горючей является изоляция обмоток электрических машин , трансформаторов , различных электромагнитов , проводов.
2. Электрические машины и аппараты , применяемые в электроустановках , обеспечивают как необходимую степень защиты их изоляции от вредного действия окружающей среды , так и достаточную безопасность в отношении пожара или взрыва вследствие какой - либо неисправности.
3. При открытой прокладке провода и кабеля в местах, где возможны механические их повреждения, дополнительно защищают (стальной трубой, металлическим уголком , швеллером).
4. В местах пересечения незащищенных изолированных проводов и прокладки их через сгораемые конструкции прокладывают дополнительную изоляцию. В качестве меры против распространения начавшегося пожара применяют общие или местные противопожарные преграды. Общие противопожарные преграды , разделяющие здания по вертикали или горизонтали на отдельные отсеки , представляют собой противопожарную стену и перекрытия , выполняемые из несгораемых материалов ( кирпича , железобетона ).
Потребность в первичных средствах пожаротушения отражаем в таблице 11.5
Таблица 11.5– Первичные средства пожаротушения
| Наименование объектов |
Единицы |
Огнету |
шители |
Бочки с |
| и помещений |
измерения |
пенные |
углекислотные |
водой |
| 1.Помещение для установки паровых и водогрейных котлов |
на
помещение
|
2
|
-
|
-
|
2. Механические
мастерские
|
на
600 кв.м.
|
1
|
-
|
-
|
| 3.Гаражи |
100 кв.м |
1 |
- |
- |
4. Котельные:
- на твердом топливе
- на жидком топливе
|
на
2 топки
|
1
1
|
-
|
-
|
5. Электростанции и
подстанции
|
на
200 кв.м.
|
1
|
2
|
-
|
| 6. Склады и хранилища |
200 кв.м. |
1 |
- |
1 |
7. Служебные помещения при коридорной
системе
|
на 20
погон.м.
|
1
|
-
|
-
|
| 8. Столовые |
100 кв.м. |
1 |
- |
1 |
Продолжение таблицы 11.5
| Наименование объекта |
Ведра
пожарные
|
Ящики с
песком
|
Лопаты |
Войлочные
полотна
|
Мотопомпа
(пож.
кран)
|
| 1. |
- |
1 |
2 |
- |
1 |
| 2. |
- |
- |
- |
- |
- |
| 3. |
- |
1 |
2 |
1 |
- |
| 4. |
-/- |
-/1 |
-/2 |
-/- |
1/1 |
| 5. |
- |
1 |
2 |
1 |
- |
| 6. |
2 |
- |
- |
- |
- |
| 7. |
- |
1 |
1 |
- |
- |
| 8. |
2 |
- |
- |
- |
- |
Расчет заземляющего контура ТП 10 / 0,4 кВ
Расчет заземляющего контура подстанции произведен по программе для IBM- совместного компьютера , которая находится в приложении.
В результате расчета определяем, что заземляющий контур состоит из стальных стержней длиной 3 м и диаметром 0.03 м, расположенных на расстоянии 2 м друг от друга. ( рис. 11.1 )

Рисунок 11.1–Вертикальный стержневой

Рисунок 11.2– План размещения контура заземления на ТП
12.Технико – экономическая часть
Определяем капитальные затраты на сооружение ВЛ 10 кВ и ТП 10/0.4 кВ.
Таблица 12.1–Капитальные затраты на сооружение ВЛ 10 кВ и ТП 10/0.4 кВ.
№
П/П
|
Наименование основных элементов электропередачи |
Единицы измерения |
Количество |
Кап.затраты, руб. |
| На ед. продукции |
Всего |
| 1 |
КТП 10/0,4 SНОМ
=160 кВА |
шт |
2 |
9540 |
19080 |
| 2 |
Строительство ВЛ10 кВ: |
| Установка опор |
| П10-4ДД |
шт |
160 |
250,2 |
40032 |
| П10-9ДБ |
шт |
182 |
427,8 |
77859 |
| УП10-2ДД |
шт |
1 |
714 |
714 |
| ОА10-2ДД |
шт |
6 |
888 |
5328 |
| АК10-2ДД |
шт |
14 |
852 |
11928 |
| Подвеска провода: |
| АС70 |
км |
10,1 |
4332 |
43753 |
| АС35 |
км |
7 |
2586 |
18102 |
| 6 |
Сооружение КТП 40-63кВА |
шт |
4 |
3162 |
12648 |
| 8 |
Сооружение КТП 160кВА |
шт |
2 |
5880 |
11760 |
| 9 |
Стоимость ячейки КРУН-10 |
шт |
1 |
12600 |
12600 |
12.1
Определяем издержки на амортизацию и капитальный ремонт

где Pа.я.
– норма амортизационных отчислений на ячейку КРУН-10 в процентах.
Pа.я.
=6.4%
Pа.л10.
– норма амортизационных отчислений на ВЛ 10 кВ в процентах.
Pа.л10.
=5.7%
Pа.тп.
– норма амортизационных отчислений на ТП 10/0.4 кВ в процентах.
Pа.тп.
=6.4%
Pа.л0.38.
– норма амортизационных отчислений на ВЛ 0.38 кВ в процентах.
Pа.л0.38.
=5.7%
кя
,кл10
,ктп
,кл0.38
– капитальные вложения в ячейку, ВЛ 10 кВ, все ТП 10/0.4 кВ и ВЛ 0.38 кВ.
руб
12.2 Определяем издержки на покрытие потерь электрической энергии
Ип
=bл10
×DWл10
+bтп
×DWтп
где DWл10
и DWтп
– потери энергии в линии 10 кВ и ТП 10/0.4 кВ.
b - стоимость 1кВт×ч потерь электроэнергии.
Принимаем bл10
=2.7 коп/ кВт×ч
bтп
=2.5 коп/ кВт×ч
Ип
=(2.5×35536+2.7×24936) ×0.06=9370 руб
12.3 Определяем издержки на эксплуатацию
Иэ
=g×N
где N – число условных единиц электропередачи
g - затраты на обслуживание одной условной единицы.
g=28 руб/у.е.
Иэ
=28×1247.82=34938.96 руб
12.4 Определяем ежегодные издержки на электропередачу
Иг
=Иа
+Ип
+Иэ
=18687.77+9370+34938.96=62996.73 руб
12.5 Рассчитываем переданную за год электроэнергию
Wг
=Pрасч
×Tmax
=480×3500=1680000 кВт×ч/год
12.6 Определяем себестоимость распределения электроэнергии от шин 10 кВ ГПП до шин 0.4 кВ потребительских ТП
руб/кВт×ч
12.7 Определяем себестоимость 1кВт
×ч на шинах 0.4 кВ
Себестоимость электроэнергии от электростанций до шин 10 кВ ГПП принимается равной 2.33 коп/кВт×ч.
bш0.4
=bш10
+bпер
=2.33×0.06=0.1768 руб/кВт×ч
Расчет технико-экономических показателей произведен с акта разграничения энергобаланса Кунашакского РЭС. Расчет в дальнейшем будет использоваться для себестоимости, учета электроэнергии.
ЗАКЛЮЧЕНИЕ
Целью дипломного проекта являлась реконструкция схемы электроснабжения н.п.Борисова с разработкой вопросов энергосбережения за счет использования ветроэнергетической установки. Нами был произведен анализ хозяйственной деятельности; анализ существующей схемы электроснабжения хозяйства; предложен вариант реконструкции схемы электроснабжения а также непосредственно СХП «Гарант» ; произведен расчет электрических нагрузок с перспективой роста; произведен расчет ВЛ 10 кВ и произведена оценка качества напряжения у потребителей; произведен расчет токов КЗ , выбраны и согласованы защиты; рассмотрены вопросы безопасности жизнедеятельности и экологии; оценены технико-экономические показатели проекта.
При разработке вопросов энергосбережения за счет использования ветроэнергетической установки была предложена технологическая схема теплоснабжения с использованием ВЭУ, рассчитана ветроэнергетическая установка и проверена по энергетическим и экономическим показателям.
Все расчеты были выполнены с проверкой по надежности электроснабжения, проверкой по качеству электрической энергии и условиям экономичности.
ЛИТЕРАТУРА
1. Будзко И.А., Зуль Н.М. Электроснабжение сельского хозяйства. – М.: Агропромиздат, 1990. – 496 с.: ил.
2. Мякинин Е.Г. Методические указания по теме «Компенсация реактивной мощности в сельских электрических сетях». – Челябинск, 1991.
3. Методические указания по расчету электрических нагрузок в сетях 0,38–110 кВ сельскохозяйственного назначения.– Руководящие материалы по проектированию электроснабжения сельского хозяйства. М.: ноябрь, 1981.
4. Инструкции по выбору установленной мощности подстанций 10/0,4 кВ в сетях сельскохозяйственного назначения (РУМ). – М.: Сельэнергопроект, 1987. – 126 с.
5. Методические указания по обеспечению при проектировании нормативных уровней надежности электроснабжения сельскохозяйственных потребителей (РУМ).–М.:Сельэнергопроект, 1986,–32 с.
6. Методические указания к курсовому проектированию “Электроснабжение сельскохозяйственного населенного пункта”.– Челябинск, 1990. – 55 с.
7. Будзко И.А., Левин М.С. Электроснабжение сельскохозяйственных предприятий и населенных пунктов.–М.:Агропромиздат, 1985.
8. Сибикин Ю.Д., Сибикин М.Ю., Яшков В.А. Электроснабжение промышленных предприятий и установок. М.:Высшая школа, 2001.– 336 с.
9. Методические указания к разделу “Безопасность труда” в дипломных работах и проектах.– Ч., 2007. -28с.
10. Правила пожарной безопасности для энергетических предприятий. -Ч., 1995. -130с.
11. Луковников А.В. ”Охрана труда”4-е издание. - М: Колос, 1978.-352 с.
|