| І ЗАГАЛЬНА ЧАСТИНА
1.1
Вступ
В різних галузях народного господарства використовуються підйомні механізми преривного режиму роботи, що виконують переміщення людей та вантажів по вертикальному напрямку по строго визначеному шляху в спеціальних вантажонесучих пристроях – кабінах, ковшах, сосудів і т.д. До числа найпоширеніших механізмів вертикального транспорту відносяться ліфти, котрі все більше знаходять своє призначення в сучасних промислових підприємствах і в жилих будівлях.
Ліфти являються стаціонарними механізмами, що призначенні для транспортування з одного поверху на інший вантажів та людей в кабінах, котрі переміщаються в огородженій по всій стороні шахті . В теперішньому часі ліфти виконуються з високим степенем автоматизації операцій по відкриванню та закриванню дверей, по переміщенні та зупинки кабіни; цим різняться безпекою, комфортабельністю та загальнодоступністю використання.
По призначенню ліфти розділяють на пасажирські, грузові з провідником та без провідника, грузопасажирські, спеціальні. По швидкості переміщення кабіни розлічають тихохідні (до 0,5 м\с), швидкохідні ( до 1,0 м\с) і швидкісні (вище 1,0 м\с) пасажирські ліфти. Грузові ліфти часто працюють при швидкостях переміщення кабіни 0,1 – 0,5 м\с. Вантажопідйомність пасажирських ліфтів складає від 250 до 1500кг (від 3 до 21 пасажира) , вантажних – від 50 до 5000 кг.
1.2 Будова та експлуатаційні характеристики. Принцип роботи
Основні експлуатаційні характеристики ліфта:
Вантажопідйомність, кг ....................................................................300
Максимальна кількість пасажирів, чол................................................4
Швидкість переміщення м/хв. робоча................................................1,0
Потужність двигуна приводу, кВт.......................................................22
Габаритні розміри ліфта, мм
Ширина...............................................................................................1600
Глибина..............................................................................................2100
Висота.................................................................................................2400
Забиваем Сайты В ТОП КУВАЛДОЙ - Уникальные возможности от SeoHammer
Каждая ссылка анализируется по трем пакетам оценки: SEO, Трафик и SMM.
SeoHammer делает продвижение сайта прозрачным и простым занятием.
Ссылки, вечные ссылки, статьи, упоминания, пресс-релизы - используйте по максимуму потенциал SeoHammer для продвижения вашего сайта.
Что умеет делать SeoHammer
— Продвижение в один клик, интеллектуальный подбор запросов, покупка самых лучших ссылок с высокой степенью качества у лучших бирж ссылок.
— Регулярная проверка качества ссылок по более чем 100 показателям и ежедневный пересчет показателей качества проекта.
— Все известные форматы ссылок: арендные ссылки, вечные ссылки, публикации (упоминания, мнения, отзывы, статьи, пресс-релизы).
— SeoHammer покажет, где рост или падение, а также запросы, на которые нужно обратить внимание.
SeoHammer еще предоставляет технологию Буст, она ускоряет продвижение в десятки раз,
а первые результаты появляются уже в течение первых 7 дней.
Зарегистрироваться и Начать продвижение
Маса кабіни, кг.................................................................................500,0
Маса противаги, кг...........................................................................650,0
Встановлена потужність…………………………………………40 кВт
Робота ліфта.
Ліфт пасажирський використовується для підйому – опускання пасажирів у 9-ти поверховому будинку. На кожному поверсі знаходяться кнопки виклику ліфта. Роль дверей виконують залізні грати, котрі пасажири відкривають та закривають самостійно. В кабіні наявний пульт з кнопками.
Ліфт складається з :
1. кабіна
2. канати
3. противовіс
4. двигун з черв’ячним редуктором
5. уловлювачі
6. щит управління.
Рис.1. Технологічна схема ліфта
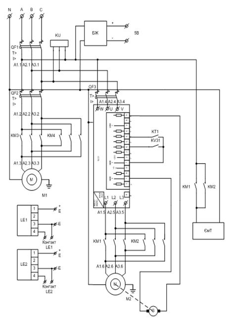
Рис.2. Схема електрична принципова до модернізації
Схема управління працює таким чином.
Управління ліфтом може виконуватися як з кабіни, так і з площадки виклику на поверхах (кнопки SB3- SB10). Розглянемо роботу схеми при виклиці кабіни з 9-го поверху пассажиром, що знаходиться на 1-му поверсі. Для цього пассажир повинен натиснути на кнопку SB7. Створюється слідуючи електричне поле: контакти кнопки стоп SB1 і кінцевих вимикачів дверей шахти SQ2-SQ4, контакти вимикачів вловлювача і канату, контакт дверей кабіни, контакт підлоги, розмикаючі допоміжні контакти реле KV1, KV2,KV4, контакт підлоги SQ5, контакт кнопки SB10, катушка поверхового реле KV7, контакт поверхового перемикача ПЕ1, розмикаючий допоміжний контакт KV2, котушка контактора KV4.
При створеній цепочці живлення вмикається контактор KV4 і поверхове реле KV7, котрі своїми замикаючими контактами шунтують кнопку SB10 і подає живлення в котушку контактора КМ1. Одночасно з контактором КМ1 вмикається ЄмТ – електромагніт гальма, при подачі напруги на який тормозні колодки розмикаються і двигун починає обертатися.
1.3 Огляд основних направлень технічних рішень при модернізації та автоматизації
Розглянутий мною ліфт по переміщенню пасажирів по вертикалі має ряд недоліків, котрі викликають незручності користувачеві. Насамперед це відсутність автоматичних дверей, підсвічування кнопки відповідного натиснутого поверху що в кабіні так і на площадці, відсутній захист від пере навантаження.
Тому, проаналізувавши отримані незручності та недоробки мною було запропоновано такі напрямки автоматизації:
1. Модернізація та введеня нових блоків управління в принципову схему.
2. Регулювання швидкості переміщення кабіни.
3. Забезпечення безпеки роботи ліфта.
Сервис онлайн-записи на собственном Telegram-боте
Попробуйте сервис онлайн-записи VisitTime на основе вашего собственного Telegram-бота:
— Разгрузит мастера, специалиста или компанию;
— Позволит гибко управлять расписанием и загрузкой;
— Разошлет оповещения о новых услугах или акциях;
— Позволит принять оплату на карту/кошелек/счет;
— Позволит записываться на групповые и персональные посещения;
— Поможет получить от клиента отзывы о визите к вам;
— Включает в себя сервис чаевых.
Для новых пользователей первый месяц бесплатно.
Зарегистрироваться в сервисе
1.3.1 З вище перерахованих недоліків електричною схемою буде реалізовано автоматичне відкривання та закривання дверей кабіни. При цьому якщо двері будуть відкриті то при випадковому натисненні кабіна не буде виконувати заданний рух, а от коли двері кабіни закриються тоді тільки почнеться рух кабіни ліфта.
Для безпеки пасажирів будуть використовуватися тензометричні датчики ваги в ролі контролю максимального допустимого навантаження на кабіну та контроль обриву троса підйому – опускання кабіни. Для цього будуть використовуватись тензометричні датчики зі встроєними оцінюючими схемами з релейно-контактним виходом граничних зусиль, котрі обираються згідно моделі датчика.
Для контролю відповідних параметрів буде використано тензометричний датчик ваги з аналоговим виходом типу DF2S4.
Схема підключення:
Рис.3 Схема підключення тензодатчика
Також буде застосована світлова індикація натиснутої кнопки відповідного поверху до моменту, коли ліфт не зупинеться на заданому поверсі.
1.3.2 Для оптимальної швидкості підйому-опускання кабіни та забезпечення плавного пуску та зупинки слід використати частотний перетворювач, котрий повинен мати в своєму наборі функцію плавного розгону обертів двигуна та плавне гальмування двигуна до повної зупинки . Для цієї задачі слід обирати частотні перетворювачі фірми LENZE.
Перетворювачі типу LENZE.

Рис. Схема розміщення тензодатчиків
Рис.4 Схема підключення частотних перетворювачів даного типу
Даний тип перетворювачів має в своєму складі планшетку з додатковими контактами, на які підключаються зовнішні елементи , через які виконується управління двигуном через блок обробки перетворювача.
1.3.3 Забезпечення безпеки роботи ліфта.
Захист обладнання від короткого замикання, перевантаження буде забезпечуватися автоматичними вимикачами, котрі в свою чергу при спрацюванні будуть вимикати схему управління . Ще буде застосовуватися реле обриву фаз , котре також вимикатиме схему управління .
Рис.5. Схема контролю перенавантаження і КЗ
2. РОЗРАХУНКОВО – ПРОЕКТНА ЧАСТИНА
2.1 Технічні умови на проектування
Схема електрична принципова повинна забезпечувати слідуючі функції та операції:
1. Безпека пасажирів.
2. Плавність пуску двигунів.
3. Контролювати процес роботи.
4. Забезпечувати захист обладнення.
5. Освітлення кнопок виклику
6. Схема управління на реле
7. Напруга живлення силового кола 380В, управління – 220В.
Але для розрахунку та виборі елементів необхідні слідуючі параметри:
Вага кабіни – 500 кг.
Вага противовісу – 650 кг
ККД редуктора – 0,76
Швидкість переміщення – 1,5 м/с
Висота поверху – 2,5 м
2.2 Розробка та розрахунок циклограми роботи
Схемою управління буде забезпечено лише повторно – короткочасне вмикання електродвигуна підйому-опускання кабіни, та відкривання-закривання дверей кабіни.
Тому для прикладу буде розглянуто рух кабіни з початкової точки (1 –ий поверх) до кінцевої точки (5 –го поверху) .
Пройдена відстань під час руху з 1 го поверха на 5-й

Затрачений час на підйом, виходячи з того що додатково затрачатиметься час на плавне рушання та плавну зупинку:

Час на відкриття та закриття дверей та час очікування пасажира відповідно рівні: 2с, 2с та 10с.
Тому загальний затрачений час буде рівний:

Рис. 6 Часова діаграма роботи
2.3 Циклограма логічного зв’язку між вхідних та вихідних елементів та їх функціональне призначення
Вхідні елементи:
SB19- відключення схеми (СТОП).
SB1-9 – кнопки відповідного поверху в кабіні.
SB10-18 – кнопки відповідного поверху на площадці.
SQ1-9 - вказівник відповідного поверху.
SQ10 – наявність пасажирів у кабіні.
SQ11 – крайнє положення дверей кабіни.
SQ12 – початкове положення дверей кабіни.
SQ13- кінцеве аварійне положення кабіни ліфта.
SQ14- нижнє аварійне положення кабіни ліфта.
KT1 - затримка на гальмування
KT2 – затримка на паузу очікування пасажирів.
KU - контакт реле обриву фаз.
LЕ1 – контакт тензометричного датчика контролю пере навантаження кабіни
LЕ2 – контакт тензометричного датчика контролю обриву троса.
QF1 - контакт несправності двигуна підйому-опускання кабіни
QF2 - контакт несправності двигуна дверей
Вихідні елементи:
KM1 - пускач двигуна підйому кабіни.
KM2 - пускач двигуна опускання кабіни.
KM3 - пускач двигуна відкриття дверей
KM4 - пускач двигуна закриття дверей.
HL1-9 та HL10-18 – індикація відповідного поверху.
Розробка циклограми вхідних та вихідних елементів.
Cхема захисту і сигналізації спрацьовує при спрацюванні одного з автоматів або реле обриву фаз і відключає всю схему управління.

Рис.7 Циклограма вхідних та вихідних елементів
2.4 Розробка математичної моделі схеми управління
Y=SB19(KV46((SB1+KV1)KV1HL1(SQ10((SB10+KV10)KV10HL10))
KV19+…+((SB9+KV9)KV9HL9((SB18+KV18)KV18HL18))KV27+SQ1
KV19+…+SQ9KV27+KV19KV20KV21KV22KV23KV24KV25KV26KV27
KV30+KV1...KV18KV31+(KV31+KT1)KT1KT1+KT1(KV30KM1+KV30KM2)
(KM3+KM4)+KT1+(KV32KV19+KV33KV20+KV34KV21+..+KV40KV27)
(KV31KM3SQ11+SQ11KT2+KT2KM4SQ12(KU+KV41)KV41+(QF1+KV42)
KV42+(QF2+KV43)KV43+(SQ13+KV44)KV44+(SQ14+KV45)KV45+(LE1+KV28)KV28+(LE2+KV29)KV29YA1...YA9+(KV41+KV42+KV43+KV44+KV45+KV28+KV29)KV46
2.5 Розробка схеми електричної принципової
В схемі електричній принциповій наявні такі вузли:
Вузол кнопок SQ1-18, вузол контролю поверхів SQ1-9, вузол автоматичного вибору напряму руху кабіни KV30, вузол управління автоматичними дверми, вузол захисту та безпеки.
У вузлі з кнопками використовується режим пам‘яті для індикації лампами HL1-18, блокування викликів контактами KV19-27 та наявності реле дозволів на відкривання автоматичних дверей KV32-40.
Вузол автоматичного вибору напряму руху кабіни працює таким чином, якщо кабіна стоїть на 3-му поверсі, то кінцевий вимикач SQ3 вмикає проміжне реле KV21 в блоці контролю поверхів і таким чином контакт данного реле вимикає реле KV30-котре обирає напрям руху. Коли потрібно опуститися на 6-й поверх то натискаємо на кнопку SB6 і реле KV6 cтає в память і своїм контактом в блоці вибору напрямку руху замикає свій контакт , таким чином шунтується контакт KV21 і реле KV30 своїм виконавчим контактом вмикає КМ1 – підняття кабіни.
Реле часу КТ1 задає час на гальмування дією свого виконавчого контакту на частотний перетворювач.
Блок автоматичного відкриття дверей працює таким чином, якщо кабіна знаходиться на потрібному поверсі і користувач викликає ліфт то через блокуючі контакти кінцевого вимикача і відповідної кнопки відкриваються двері. Якщо ліфт знаходиться на іншому поверсі то при під’їзді на заданий поверх і зупинці двері відкриються при спрацюванні контакту КТ1.
Автоматика захисту спрацьовує при невідповідності одного з параметрів чи неполадки силового кола та виконує дію в схему управління. Електромагніти YA1-9 – вмикають уловлювачі, котрі спрацьовують при обриві канату (маловірогідно).
Рис. 8 Схема електрична силова
Рис. 9 Схема електрична принципова управління
2.6 Розрахунок та вибір елементів схеми електричної принципової на базі використання ПК
2.61 Розрахунок двигуна підйому-опускання.
Потужність двигуна розраховується за формулою (1, ст 194):
, кВт (1).
де F – зусилля яке повинен подолати двигун, Н.
V – швидкість подачі, м/с.
η – ККД , де враховано втрати в редукторі, тертя в підшипниках.
F кабіни=5000H
F противовіса=6500H
F завант=3000H
V=1,5 м/с
η= 0,76

Обираємо двигун на 30 кВт типу 4А180М4 Iн=56А n=1470 об/хв
Cos φ 0.89 ККД=91%(див додатки, табл.1.)
2.6.2 Розрахунок двигуна відкривання-закривання дверей.
Потужність двигуна транспортера розраховується за формулою (1, ст 194):
, кВт (1).
де F – зусилля яке повинен подолати двигун, Н.
V – швидкість переміщення, м/с.
η – ККД , де враховано втрати в редукторі, тертя в підшипниках.
m дверей=260H
F переміщ=50Н
V=0.4 м/с
η= 0,69

Обираємо двигун на 0,25 кВт типу 4АА63В6У3 Iн=0,56А n=890 об/хв
Cos φ 0.62 ККД=59%(див додатки, табл.1.)
2.6.3 Вибір автомата двигуна руху ліфта.
Для визначення робочого струму двигуна використовується формула (3,ст. 68, формула 2.4):


Для розрахунку струму спрацювання автомата , використовується формула (2. с 87. IV.4):
Іавт=k х Iн/а, А. (2).
де а – 0,8...3.
Ін- номінальний струм двигуна.(див додаток 1)
k – кратність пускового струму до номінального.
Іавт=6,5 х 56/2=360А
Струм теплового розчеплювача автомата розраховується за формулою (2. с 89. IV.7):
Ітепл= 1,1...2,5Ін (3).
Ітепл=1,5 х 56=84A
Обираю автомат типу BA88 - 37 Iт=80А Iел=360А(струм спрацювання виставляється вручну)(див. додатки табл. 2).
2.6.4 Вибір автомата двигуна автоматичних дверей.
Для визначення робочого струму двигуна використовується формула (3,ст. 68, формула 2.4):


Для розрахунку струму спрацювання автомата використовується формула (2):
Іавт=7 х 0,56/2=4А
Струм теплового розчеплювача автомата розраховується за формулою (2. с 89. IV.7):
Ітепл= 1,1...2,5Ін (3).
Ітепл=1,5 х 0,56=1А.
Обираю автомат типу BA88 - 32 Iт=1А Iел=4А(струм спрацювання виставляється вручну)(див. додатки табл. 2).
2.6.5. Розрахунок і вибір магнітних пускачів для двигунів.
Магнітний пускачі для двигуна приводу ліфта вибираємо згідно з Iн двигуна, тип пускача 11ВF400.10 Uспр=220В Іконт=400А 4з+1р ( дивись додаток, табл.8)
Вибираємо магнітний пускач для двигуна дверей згідно з Iн двигуна, тип пускача 11BF 9.10 Uспр=220В Іконт=9А 4з+1р ( дивись додаток ,табл.8)
Вибираємо магнітний пускач для ЄмТ з Iн, тип пускача 11BF 30.10 Uспр=220В Іконт=30А 4з+1р ( дивись додаток, табл.8)
2.6.6 Вибір кінцевих вимикачів.
Кінцеві вимикачі повинні мати замикаючі та розмикаючі контакти , тому обираю кінцеві вимикачі типу RS10524 1з+1р Нспр=8H, U=250B, I=10A(див. додатки табл. 6).
2.6.7Вибір реле обриву фаз:
Для захисту обладнання необхідно контролювати зміну напруги в три-фазному колі. Для цього використовую реле контролю трифазних кіл, яке повинно мати велику швидкодію, просліджувати любі зміни напруги в колі. Згідно необхідних вимог обираю реле контролю трифазних кіл типу TRW400VN4X Uж=220В, поріг спрацювання -20 +30% (див додатки табл. 3).
2.6.8Для схеми управління необхідно 19 кнопок, тому я обираю кнопки 18 типу U=220B Ik=3A (див додатки табл 4).
2.6.9 Вибираємо лампочки сигналізації.
Лампочки типу 19401237 U=230B I=0,1A, ( дивись додаток, табл 9).
2.6.10 Вибір реле часу:
Схема електрична принципова даного курсового проекту включає в себе 1 реле часу, яке маює спрацьовувати через певний проміжок часу.
Згідно необхідних параметрів обираю реле часу типу ODM1 U=240B T=0.1-5хв (див. додатки табл. 10).
2.6.11 Вибір блоку живлення.
Для схеми управління необхідне живлення 5 В та 24 В. Тому вибираю стабілізований здвоєнний блок живлення типу ABL-7RE2405 P=60Вт(див. додатки табл. 12).
2.6.12 Для приводу двигуна ліфта обираю частотний перетворювач типу E82EV323K4B201 з потужністю в 30 кВт f=5-400Гц, U=220-380V (див додатки табл. 9).
2.7 Складання переліку обладнання
ліфт розрахунок автоматика
2.8 Розрахунок надійності системи автоматики
На практиці використовють орієнтований розрахунок надійності по середньогруповій інтенсивності відказів елементів. В цьому випадку в якості вихідних данних використовуються значення інтенсивності відказів λі елементів різних груп і чисел Nі елементів які входять в систему. Сутність розрахунку зводиться до знаходження То і вірогідності безвідказної роботи Р(t).
Рекомендується слідуючий порядок розрахунку;
1 Елементи зпроектованої системи розбивають на групи приблизно з однаковими інтенсивностями відказів і підрахунку кількості елементів Nі в кожній групі.
2 По табличним інтенсивностям відказів встановлюють значення λі кожної групи елементів.
3 Розраховують добуток λіNі які характеризують долю відказів вносимих елементами кожної групи в загальну інтенсивність відказів системи.
4 Визначають загальну інтенсивність відказів системи.

5 Розраховуємо час напрацювання на відказ То
То=1/λс.
6 Визначаємо вірогідність безвідмовної роботи системи

Розрахунок надійності схеми
Магнітні пускачі – 4шт*20 *10-6=80*10-6
Проміжні реле – 46шт*10*10-6=460*10-6
Двигунів – 2шт*30*10-6=60*10-6
Реле обриву фаз – 1шт*13*10-6=13*10-6
Автоматів - 3 шт*8*10-6=24*10-6
Кнопки – 19шт*6*10-6=112*10-6
Кінцевики – 14шт*8*10-6=112*10-6
Ламп – 18шт*0,8*10-6=164*10-6
ΣλіNі=1025*10-6
То=1/1025*10-6=975 год.



Рис.10. Номограма роботи
Література
1. Електротехнічний справочник. Т.1. Под общ. Є45 ред. П. Г.Грудниского та ін. Вид 5 – е, виправл. М., «Енергія», 1974.
2. Кузницьов В. М. Автоматизація установочних переміщень. – М.: Пром-ть, 1981. – 184 с.
3. Каталог SV_ALTERA 2003/2005 року.
4. Є. Н. Зімін – « Електрообладнання для виробничих підприємств». Москва, 1981 р.
5. Каталог « Компоненти в системі автоматизації в промисловості », квітень 2005 р.
6. Офіційний сайт TURCK: www. turck. com
7. Л.Г. Молчанов – “ Монтаж, наладка і експлуатація автоматичних пристроїв”, Москва, 1991 р.
8. А.Ф.Зюзин - “ Монтаж, експлуатація і ремонт електрообладнання виробничих підприємств”, Москва, 1986 р.
9.Організація та планування деревообробного виробництва.- М. І. Потапов, М. К.Захаров.- 1998р. 345с.
10 Економіка підприємства.- Навальний посібник -2001р.-123с.
11 Економіка виробництвіа.- О.І. Волкова.- Київ. 2002р. 264 с.
12. Основи підприємницької діяльності.- Мочерний С.В.- Академія.- 2001р.- 435с.
13 Макаровська Т.М.- Основи економіки підприємства.- Київ «Веселка».- 2001 р.
Додатки
Таблиця 1. Номінали потужностей двигунів
| Тип
дви-
гуна
|
Рном,
кВт
|
При номінальному
Навантаженні
|
Мmax/Mн
|
Mп/ Mн
|
Mmin/ Mн
|
Iп/Iном
|
J, кг м2
|
| n, об/хв
|
η, %
|
Cosφ
|
| 4АА63В6У3
|
0,25
|
890
|
59,0
|
0,62
|
2,2
|
2,2
|
1,5
|
3,0
|
19 10-4
|
| 4АXД80S2
|
2.2
|
2850
|
80
|
0,83
|
2,2
|
2,2
|
1,8
|
7.5
|
19,3 10-4
|
| 4АХД100S2
|
5,5
|
2880
|
84.5
|
0,85
|
2.4
|
2,0
|
1.6
|
8
|
59.3 10-4
|
| 4А112M2Y3
|
7.5
|
2900
|
87.5
|
0.88
|
2.8
|
2.0
|
1.8
|
7.5
|
46 10-4
|
| 4А132M4Y3
|
11
|
1460
|
87.5
|
0.87
|
3.0
|
2.2
|
1.7
|
7.5
|
4 10-2
|
| 4A160S4Y3
|
15
|
1465
|
88.5
|
0.88
|
2.3
|
1.4
|
1.0
|
7
|
10.3 10-2
|
| 4A100L6У3
|
18.5
|
1465
|
89.5
|
0.88
|
2,3
|
1.4
|
1.0
|
7
|
19 10-2
|
Таблиця 2. Блоки живлення
| Тип
|
Характеристики
|
| Вхід
|
Вихід
|
| Напруга
Uж, В АС
|
Напруга
Uвих, В DС
|
Струм
Iвих, А
|
Потужність
Р, Вт
|
| ABL-7RE2402
|
100...240
|
5,12,24,36
|
2
|
48
|
| ABL-7RE2403
|
100...240
|
5,12,24,36
|
3
|
72
|
| ABL-7RE2405
|
100...240
|
5,24
|
5
|
120
|
| ABL-7RE2410
|
100...240
|
5,12
|
10
|
240
|
Таблиця 3. Номінали автоматів
| Параметр
|
ВА88-32
|
ВА88-33
|
ВА88-35
|
ВА88-37
|
ВА88-40
|
ВА88-43
|
| Максимальний номінальний струм
Iнм,А
|
3-12,5
|
160
|
250
|
400
|
800
|
1600
|
| Струм теплового розчеплення Iн,А
|
1;2,5; 1,6; 2,0; 2,5; 3,2; 4,0
|
50; 63; 80; 100; 125
|
12,5; 16; 20; 25; 32; 40; 50; 63; 80; 100; 125
|
125; 160; 16; 20; 25; 32; 40; 50; 63; 80; 100;200; 250
|
80; 100; 125;250; 315; 400
|
200; 500; 630; 800
|
800; 1000; 1250; 1600
|
| Струм спрацювання електромагнітного розчіплювача
|
500
|
10In
|
10In
|
10In
|
10In
|
10In
|
регул.
|
| Механічна ізносостійкість, циклів ВО не менше
|
8500
|
7000
|
7000
|
4000
|
4000
|
2500
|
| Електрична ізносостійкість, циклів ВО не менше
|
1500
|
100
|
1000
|
1000
|
1000
|
500
|
| Режим роботи
|
довготривалий
|
| Строк служби, не менше, років
|
15
|
Таблиця 4
.
Реле напруги
Таблиця 5
.
Кнопки
Таблиця 6
.
Датчик ваги
| Технические данныеТипы
|
DF2S-4
|
DF2S-5
|
| Класс точности
|
0,05%
|
0,03%
|
| Номинальная нагрузка (Emax)
|
кг
|
1,3,5,10,12,15,20
|
1,3,5,10,12,15,20
|
| Макс. размер платформы
|
мм
|
150х150
|
150х150
|
| Рабочий коэффициент передачи(Cn)
|
мВ/В
|
2±10%(1кг:1,8±10%)
|
2±10%(1кг:1,8±10%)
|
| Нулевой баланс
|
0±0,5
|
0±0,5
|
| Температурн. коэффициент нуля (ТКо)
|
% от Cn /10К
|
±0,0500
|
±0,0300
|
| Темпер.отклонение РКП (ТКс)
|
±0,100
|
±0,0500
|
| Гистерезис (dhy)
|
% от Cn
|
±0,0500
|
±0,0300
|
| Нелинейность (dlin)
|
±0,0500
|
±0,0300
|
| Ползучесть (dcr) за 5мин.
|
±0,0500
|
±0,0300
|
| Погрешностьэксцентричн. нагружения1)
|
%
|
±0,1000
|
±0,0500
|
| Входное сопротивление (RLC)
|
Ом
|
1000±10
|
1000±10
|
| Выходное сопротивление (R0)
|
1000±10
|
1000±10
|
| Эталонное напряжение (Uref)
|
В
|
5
|
5
|
| Номинальное напряжение (Bu)
|
5…15
|
5…15
|
| Сопротивление изоляции (Ris)
|
ГОм
|
>2
|
>2
|
| Номин. диапазон температур(BT)
|
°С
|
`-10…+40
|
`-10…+40
|
| Рабочий диапазон температур (Btu)
|
`-20…+50
|
`-20…+50
|
| Температура хранения (Btl)
|
`-30…+70
|
`-30…+70
|
| Предельно допустимая нагрузка (EL)
|
% от Еmax
|
150
|
150
|
| Допустимая латеральная. нагр.(Llq)
|
% от Еmax
|
300
|
300
|
| Разрушающая нагрузка (Ed)
|
150
|
150
|
| Деформация при номин. нагрузке (snom)
|
мм
|
<0,4
|
<0,4
|
| Вес, приблизительно
|
г
|
30
|
30
|
| Тип защиты по EN 60529 (IEC529)
|
IP54
|
IP54
|
| Материал:
|
| Упругий элемент
|
Алюминий
|
Алюминий
|
| Покрытие
|
Силиконовая резина
|
Силиконовая резина
|
Таблиця 7
.
Лампи індикації
Таблиця 8
.
Магнітні пускачі

Таблиця 9
.
Параметри частотних перетворювачів
Таблиця 10
.
Проміжні реле
|