ЕоСёкБин (Yeo Siok Been)
Оптроны необходимы для обеспечения надежной высоковольтной развязки от импульсных перенапряжений, а также для подавления синфазных переходных помех, воздействующих на входные сигналы. Оптроны нового поколения компании Avago Technologies ACPL-M61L/061L/064L/W61L/K64L (ACPL-x6xL) имеют значительно меньшее энергопотребление при столь же высоких характеристиках помехоподавления и развязки.
Введение
Энергоэффективность — один из главных параметров, который проектировщики оборудования постоянно стремятся повысить. Есть четыре важные причины, по которым проектировщики все время охотятся за оптронами с низким энергопотреблением:
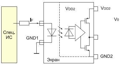
У светодиода в оптроне должен быть малый прямой ток, чтобы им можно было управлять напрямую, без внешних буферов, большинством микроконтроллеров или специализированных микросхем (рис. 1).
Необходимость снижения энергопотребления, особенно в многоканальных параллельных линиях связи. Оптрон состоит из светодиода на входе изолирующего барьера и детектора на выходе. Используя энергоэффективные светодиод и детектор, можно снизить потребление тока в каждом канале связи. Тем самым эффективность будет тем значительнее, чем больше каналов в линиях связи. С уменьшением энергопотребления снизится тепловыделение, за счет чего можно будет упростить отвод тепла в конструкции.
КПД преобразователя постоянного тока с гальванической развязкой часто определяет полезную мощность модуля. В этом случае, чтобы не превышать бюджет мощности, необходимы оптроны с низким энергопотреблением.
При управлении на меньшем прямом токе продлевается срок службы светодиода оптрона.

Рис. 1. Управление оптроном ACPL-M61L напрямую от специализированной ИС, без внешнего буфера
Оптроны нового поколения компании Avago Technologies ACPL-M61L/061L/064L/W61L/K64L (ACPL-x6xL) характеризуются значительно большей энергоэффективностью при высоких характеристиках помехоподавления и изоляции. Новые оптроны потребляют на 90% меньше энергии по сравнению со стандартными оптронами, представленными сегодня на рынке, и на 40% меньше энергии по сравнению с устройствами развязки других типов.
Забиваем Сайты В ТОП КУВАЛДОЙ - Уникальные возможности от SeoHammer
Каждая ссылка анализируется по трем пакетам оценки: SEO, Трафик и SMM.
SeoHammer делает продвижение сайта прозрачным и простым занятием.
Ссылки, вечные ссылки, статьи, упоминания, пресс-релизы - используйте по максимуму потенциал SeoHammer для продвижения вашего сайта.
Что умеет делать SeoHammer
— Продвижение в один клик, интеллектуальный подбор запросов, покупка самых лучших ссылок с высокой степенью качества у лучших бирж ссылок.
— Регулярная проверка качества ссылок по более чем 100 показателям и ежедневный пересчет показателей качества проекта.
— Все известные форматы ссылок: арендные ссылки, вечные ссылки, публикации (упоминания, мнения, отзывы, статьи, пресс-релизы).
— SeoHammer покажет, где рост или падение, а также запросы, на которые нужно обратить внимание.
SeoHammer еще предоставляет технологию Буст, она ускоряет продвижение в десятки раз,
а первые результаты появляются уже в течение первых 7 дней.
Зарегистрироваться и Начать продвижение
Функции оптронов
Две главные причины использования оптронов — это развязка от высокого напряжения и помехоподавление. Электрооборудование, особенно промышленного назначения, должно работать десятилетиями. Поэтому для обеспечения высочайшей надежности высоковольтной развязки в оптроне должен быть высококачественный изолирующий барьер. Кроме того, оптроны служат для подавления сильных синфазных переходных помех. Отсутствие оптронов может привести к аномальным перепадам напряжения или избыточной зашумленности выходного сигнала. Эта характеристика оптронов называется помехоподавлением.
Существующие решения для изоляции
Существуют другие решения для развязки, в которых энергопотребление снижается за счет повышения коэффициента передачи сигнала ценой уменьшения толщины изолирующего барьера. Кроме того, для обеспечения требуемого энергетического КПД используется метод кодирования с запуском по фронту (в отличие от кодирования с запуском по уровню, применяемого в оптронах). Эти методы кодирования иллюстрирует рис. 2. При кодировании с запуском по фронту внутренний сигнал передается коротким импульсом во время нарастания входного сигнала. Этот метод кодирования повышает энергетический КПД при низкой скорости передачи данных, но с ростом частоты энергопотребление повышается. При кодировании с запуском по уровню светодиод детектирует уровень прямого тока, установленного входным сигналом, и передает выходной сигнал на детектор в виде светового импульса. Так как суммарная энергия (определенная как общая площадь под кривой) кодированного сигнала оказывается выше при запуске по уровню, то вероятность искажения этого сигнала синфазным током утечки меньше. Таким образом, данный метод более устойчив к синфазным помехам.

Рис. 2. Различные методы декодирования сигнала: а) схема передачи сигнала с запуском по уровню; б) схема передачи сигнала с запуском по фронту
ACPL-x6xL — новое поколение оптронов компании Avago Technologies с низким энергопотреблением
Чтобы оптроны имели высокое напряжение изоляции и обеспечивали эффективное помехоподавление, необходимо сохранить состав и толщину изолирующего барьера. У новых оптронов серии ACPL-x6xL пиковое рабочее напряжение составляет 1140 В, а эффективное напряжение развязки — 5000 В. Применяется тот же метод кодирования с запуском по уровню, обеспечивающий эффективное статическое (без передачи сигнала) и динамическое (с передачей сигнала) помехоподавление. Оптроны ACPL-x6xL имеют также встроенный фарадеевский экран, заводящий синфазные переходные помехи на общий провод. Кроме того, токоограничительный резистор, последовательно соединенный со входом светодиода, образует часть RC-цепочки, обеспечивающей хорошую фильтрацию помех в условиях сильного зашумления (рис. 3). Благодаря вышесказанному оптроны ACPLx6xL имеют лучшую в своем классе устойчивость к синфазным помехам — 35 кВ/мкс.
Сервис онлайн-записи на собственном Telegram-боте
Попробуйте сервис онлайн-записи VisitTime на основе вашего собственного Telegram-бота:
— Разгрузит мастера, специалиста или компанию;
— Позволит гибко управлять расписанием и загрузкой;
— Разошлет оповещения о новых услугах или акциях;
— Позволит принять оплату на карту/кошелек/счет;
— Позволит записываться на групповые и персональные посещения;
— Поможет получить от клиента отзывы о визите к вам;
— Включает в себя сервис чаевых.
Для новых пользователей первый месяц бесплатно.
Зарегистрироваться в сервисе

Рис. 3. Токоограничительный резистор R1 и паразитная входная емкость светодиода образуют фильтр нижних частот, подавляющий высокочастотные помехи
Чтобы оптроном можно было управлять с помощью малого прямого тока, обеспечивая при этом постоянное быстродействие в широком диапазоне температур, новые оптроны индивидуально подстраиваются для точной установки порога переключения. В результате прямой управляющий ток удалось уменьшить до 1, 6 мА. Благодаря этой технологии подстройки оптроны ACPL-x6xL позволяют передавать сигнал со скоростью 10 Мбит/с при максимальной задержке распространения 80 нс в диапазоне температур –40…105 °C.
Малый управляющий ток светодиода (>1, 6 мА) не только позволяет напрямую управлять оптронами ACPL-x6xL с большинства микропроцессоров (рис. 1), но и продлевает срок службы светодиода. Известно, что срок службы светодиода обратно пропорционален управляющему току. Как видно из рис. 4, интенсивность излучения светодиода оптрона ACPL-x6xL снижается всего на 1% через 22 года при работе на токе 3 мА при температуре 85 °C с коэффициентом заполнения 50%. Этот график получен исходя из эквивалентной длительности эксплуатации, рассчитанной по модели Блэка (условия нагрузочных эксплуатационных испытаний: температура 125 °C, управляющий ток светодиода 20 мА).

Рис. 4. Снижение интенсивности излучения светодиода при токе 3 мА, температуре 85 °C и постоянно включенном светодиоде
Принцип работы оптрона состоит в том, что входной сигнал управляет светодиодом, который преобразует этот сигнал в свет. Свет от светодиода преобразуется детектором в слабый токовый сигнал, который затем усиливается и преобразуется с помощью усилителя напряжения, управляемого током (УНУТ). Работа УНУТ в широком диапазоне напряжений питания (от 2, 7 до 5, 5 В) обеспечивается внутренним стабилизатором.
Чтобы уменьшить энергопотребление детектора, компания Avago Technologies разработала специальную схему. В этом запатентованном решении ток внутреннего стабилизатора одновременно используется для усиления сигнала, что представляет собой чрезвычайно рациональное расходование тока питания. Для работы детектора оптрона на скорости передачи данных 10 Мбит/с достаточно тока в 1, 3 мА.
Полезные дополнительные функции оптронов ACPL-x6xL
Это новое поколение оптронов отличается двумя дополнительными особенностями. Прежде всего, это функция, аналогичная функции отключения питания при пониженном напряжении (UVLO). Во многих случаях в процессе включения и отключения питания напряжение на некоторых компонентах электрического модуля является недостаточным для надлежащего функционирования устройства. Иногда шумовые всплески на выходе могут привести к случайному срабатыванию следующего каскада. Данная функция призвана обеспечить детерминированное состояние выхода в процессе включения и отключения питания.

Рис. 5. Изменение времени нарастания и спада выходного сигнала в зависимости от емкости нагрузки: а) уровень на выходе меняется с высокого на низкий; б) уровень на выходе меняется с низкого на высокий
С другой стороны, проектировщики часто сталкиваются с проблемами, обусловленными непостоянством времени нарастания и спада в различных линиях связи из-за изменения нагрузки. Выходные узлы с большой емкостью нагрузки будут иметь большее время нарастания и спада (рис. 5). Это приводит к сильному разбросу в таких параметрах, как задержка распространения, искажение длительности импульсов и рассогласование задержек распространения. В оптроне ACPL-x6xL предусмотрена функция контроля скорости нарастания выходного сигнала. Данная функция позволяет надежно контролировать время нарастания и спада выходного сигнала в широком диапазоне емкостей нагрузки. Это важно при параллельной связи, когда разные линии связи (например, тактовые и сигнальные) могут иметь неодинаковый коэффициент разветвления по выходу. Эта уникальная функция реализована только в оптронах ACPL-x6xL и отсутствует в каких-либо других стандартных оптронах и других устройствах развязки, представленных сегодня на рынке.
Простота в использовании
Оптрон ACPL-x6xL оборудован светодиодом с такой конфигурацией входной цепи, которая не только помогает фильтровать помехи, но и обеспечивает проектировщику большую гибкость. При смене полярности входа инвертирующий выход превращается в неинвертирующий без дополнительного инвертора (рис. 6). Для пользователей, которым требуется возможность точной настройки быстродействия, характеристик и т. д., предусмотрено включение пикового конденсатора параллельно токоограничительному резистору. Вдобавок новые оптроны (ACPL-x6xL) характеризуются возможностью управления напряжением. В прошлом проектировщики сами рассчитывали сопротивление токоограничительного резистора для установки управляющего тока светодиода. Новый оптрон ACPL-x6xL может легко управляться напряжением при использовании резисторов рекомендованных сопротивлений, указанных в документации. Если же требуется получить более высокое быстродействие и при этом можно пожертвовать энергоэффективностью, можно установить больший управляющий ток светодиода оптрона в пределах рекомендуемого диапазона значений.

Рис. 6. Управление полярностью входа оптрона позволяет выбирать инвертирующую или неинвертирующую логику работы: а) ACPL-064L в инвертирующей логике; б) ACPL-064L в неинвертирующей логике
Вывод
Оптроны нового поколения обладают необходимой энергоэффективностью, обеспечивая при этом надежную высоковольтную развязку и эффективное статическое и динамическое помехоподавление. Новые оптроны имеют дополнительные встроенные функции (контроль скорости нарастания и стабилизация выхода при включении и отключении питания). Оптроны чрезвычайно просты в использовании и могут теперь управляться напряжением. К тому же оптроны ACPL-x6xL (ACPLM61L/061L/064L/W61L/K64L) характеризуются гибкостью, обеспечивающей возможность адаптации к требованиям конкретной конструкции. Например, инверсия логической полярности и регулировка быстродействия. Новые цифровые оптроны ACPL-x6xL, поддерживающие скорость передачи данных 10 Мбит/с, пригодны для использования в коммуникационных интерфейсах (RS485, CANBus и I2C), интерфейсах микропроцессорных систем и схемах цифровой развязки для аналого-цифрового и цифро-аналогового преобразования.
|