СОДЕРЖАНИЕ
Введение
1. Выбор силовой схемы РТП
2. Расчёты и выбор элементов силовой схемы
2.1 Расчёт и выбор трансформатора
2.2 Расчёт и выбор трансформатора тиристоров
2.3 Расчет и выбор уравнительных реакторов
2.4 Расчет и выбор уравнительных реакторов сглаживающих дросселей
2.5 Расчет и выбор силовой коммутационной и защитной аппаратуры
2.5.1 Расчет и выбор R-C цепочек
2.5.2 Расчет и выбор предохранителей
2.5.3Расчет и выбор автоматического выключателя
3. ВЫБОР СТРУКТУРЫ И ОСНОВНЫХ УЗЛОВ СИСТЕМЫ УПРАВЛЕНИЯ ТИРИСТОРНЫМ ПРЕОБРАЗОВАТЕЛЕМ
4. РАСЧЕТ И ВЫБОР ОСНОВНЫХ ЭЛЕМЕНТОВ СИСТЕМЫ ИМПУЛЬСНО-ФАЗОВОГО УПРАВЛЕНИЯ (СИФУ) ПРЕОБРАЗОВАТЕЛЯ
4.1 Расчет и выбор генератора опорного напряжения
4.2 Расчет и выбор нуль-органа
4.3 Расчет и выбор формирователя длительности импульсов и элементов согласования с логикой
4.4 Расчет и выбор усилителя импульсов
4.5 Расчет и выбор управляющего органа
4.6 Описание работы СИФУ
5. РАЗРАБОТКА ЗАДАТЧИКА ИНТЕНСИВНОСТИ
5.1 Расчет и выбор элементов задатчика интенсивоности
5.2 Описание работы задатчика интенсивности
6. РАСЧЕТ И ПОСТРОЕНИЕ РЕГУЛИРОВОЧНОЙ И ВНЕШНИХ ХАРАКТЕРИСТИК ТП
7. РАСЧЕТ ЭНЕРГЕТИЧЕСКИХ ПОКАЗАТЕЛЕЙ
7.1 Расчет полной, активной и реактивной мощностей
7.2 Расчет мощности искажений
7.3 Расчет КПД и коэффициента мощности
8. ПОСТРОЕНИЕ ГРАФИКОВ ВЫХОДНОГО НАПРЯЖЕНИЯ ПРИ УКАЗАННОМ НАПРЯЖЕНИИ ЗАДАНИЯ
ЛИТЕРАТУРА
ВВЕДЕНИЕ
В замкнутых, а иногда и в разомкнутых структурах автоматизированного электропривода в настоящее время преимущественное развитие получили полупроводниковые преобразователи постоянного и переменного тока. В отличие от машинных преобразователей выходные напряжения полупроводниковых преобразователей характеризуются дискретностью, что может оказать влияние на характеристики электромеханических процессов двигателя. Однако это влияние при малых интервалах дискретности выходного напряжения преобразователя оказываются незначительным. Поэтому в расчетной практике в стадии начального проектирования обычно полагают, что выходные напряжения преобразователей с полупроводниковыми элементами описываются гладкими функциями времени. В последующих исследованиях динамики и статики системы управления электроприводом, полученной в результате проектирования, может быть учтено влияние дискретности выходных напряжений на переходные и установившиеся режимы работы электропривода.
Забиваем Сайты В ТОП КУВАЛДОЙ - Уникальные возможности от SeoHammer
Каждая ссылка анализируется по трем пакетам оценки: SEO, Трафик и SMM.
SeoHammer делает продвижение сайта прозрачным и простым занятием.
Ссылки, вечные ссылки, статьи, упоминания, пресс-релизы - используйте по максимуму потенциал SeoHammer для продвижения вашего сайта.
Что умеет делать SeoHammer
— Продвижение в один клик, интеллектуальный подбор запросов, покупка самых лучших ссылок с высокой степенью качества у лучших бирж ссылок.
— Регулярная проверка качества ссылок по более чем 100 показателям и ежедневный пересчет показателей качества проекта.
— Все известные форматы ссылок: арендные ссылки, вечные ссылки, публикации (упоминания, мнения, отзывы, статьи, пресс-релизы).
— SeoHammer покажет, где рост или падение, а также запросы, на которые нужно обратить внимание.
SeoHammer еще предоставляет технологию Буст, она ускоряет продвижение в десятки раз,
а первые результаты появляются уже в течение первых 7 дней.
Зарегистрироваться и Начать продвижение
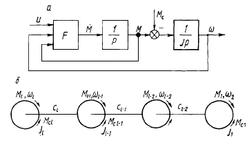
Обобщенная структура электропривода показана на рис. 1.

Рисунок 1. Обобщённая структура электропривода.
Уравнения электропривода в случае жесткой механической передачи от двигателя к рабочему органу имеют вид:
= М - Mc
;
= F(u, ω, M),
где J- момент инерции; М, Мс
— моменты двигателя и сопротивления; ω — угловая скорость вала; u — управляющий сигнал на входе преобразователя, от которого получает напряжение двигатель. Функция F(u, ω, M) отражает динамические свойства привода, который обычно является нелинейным звеном.
Достоинствами полупроводниковых преобразователей являются широкие функциональные возможности управления процессом преобразования электроэнергии, высокие быстродействие и коэффициент полезного действия, большие сроки службы, удобство и простота обслуживания при эксплуатации, широкие возможности по реализации защит, сигнализации, диагностирования и тестирования как самого ЭП, так и технологического оборудования, возможность программирования и перепрограммирования работы микропроцессорных средств управления в случае их использования.
Вместе с тем для этих преобразователей характерны и определенные недостатки. К ним относятся высокая чувствительность полупроводниковых приборов к перегрузкам по току и напряжению и скорости их изменения; низкая помехозащищенность, искажение синусоидальной формы тока и напряжения сети.
Преобразователь — это электротехническое устройство, преобразующее электроэнергию одних параметров или показателей качества в электроэнергию с другими значениями параметров или показателей качества. Параметрами электрической энергии считаются род тока и напряжения, их частота, число фаз, фаза напряжения.
По характеру преобразования электроэнергии силовые преобразователи делятся на выпрямители, инверторы, преобразователи частоты, регуляторы напряжения переменного и постоянного тока, преобразователи числа фаз напряжения переменного тока. По элементной базе (видам применяемых силовых приборов) преобразователи могут быть диодными, тиристорными и транзисторными, а по управляемости — неуправляемыми и управляемыми. В управляемых преобразователях выходные переменные — напряжение, ток, частота могут регулироваться.
1. ВЫБОР СИЛОВОЙ СХЕМЫ РТП
Реверсивные электроприводы выполняются с одной (рис. 1.1, а, б) и двумя (рис. 1.1, в, г, д) вентильными группами. В приводах где допустимое время реверса составляет 0,5 – 2,5 с, возможно применение схемы с реверсом в цепи возбуждения (рис. 1.1, а). Недостаток этой схемы – малое быстродействие вследствие большой постоянной времени цепи возбуждения двигателя. Для приводов, где допустимо «мёртвое» время около 0,1 с и более, можно использовать схему тиристорного электропривода с реверсом в цепи якоря (рис. 1.1, б).
Сервис онлайн-записи на собственном Telegram-боте
Попробуйте сервис онлайн-записи VisitTime на основе вашего собственного Telegram-бота:
— Разгрузит мастера, специалиста или компанию;
— Позволит гибко управлять расписанием и загрузкой;
— Разошлет оповещения о новых услугах или акциях;
— Позволит принять оплату на карту/кошелек/счет;
— Позволит записываться на групповые и персональные посещения;
— Поможет получить от клиента отзывы о визите к вам;
— Включает в себя сервис чаевых.
Для новых пользователей первый месяц бесплатно.
Зарегистрироваться в сервисе

Рисунок 1.1. Виды реверсивных схем.
Для быстродействующих систем управления применяют схемы с двумя вентильными группами: встречно-паралельного включения вентильных групп V1
и V2
, каждая из которых питается от отдельной вторичной обмотке трансформатора Т.: в практике эта схема получила название перекрёстной (рис. 1.1, в) встречно-паралельного включения вентильных групп V1
и V2
с питанием от трансформатора Т с одним комплектом вторичных обмоток (рис. 1.1, г); Н – схема, в которой две группы вентилей, обозначенные буквой В и присоединённые к двум комплектам вторичных обмоток трансформатора, обеспечивают полярность выпрямленного напряжения одного звена, а две группы вентилей, обозначенные буквой Н – полярность выпрямленного напряжения другого знака (рис. 1.1, д). На всех схемах L – сглаживающий дроссель, L1
, L2
– уравнительные дроссели.
Исходя из выше сказанного выбираем трёхфазную мостовую схему соединения вентилей в группах тиристорного преобразователя так как она обладает следующими преимуществами над нулевой:
- при одинаковой фазной ЭДС среднее значение выпрямленного напряжения в мостовой схеме в два раза больше;
- частота пульсаций выпрямленного напряжения в два раза выше (300 против 150 Гц), а амплитуда пульсаций меньше;
-при одинаковой мощности нагрузки типовая мощность трансформатора меньше, чем для нулевой;
-индуктивность в цепи переменного тока в мостовой схеме в два раза больше;
-данная схема дает большой диапазон регулирования скорости.
Вентильные группы, входящие в схему реверсивного выпрямителя могут, как указывалось выше, соединяться двумя способами: по перекрестной или встречно-параллельным схемам. Схемы отличаются количеством вторичных обмоток силового трансформатора. Из-за простой конструкции трансформатора отдадим предпочтение схеме со встречно-параллельным соединением тиристоров. Силовая схема трехфазного мостового реверсивного преобразователя с устройствами коммутации и защиты представлена на рис. 1.2. По заданию, в курсовом проекте управление вентильными группами - совместное согласованное. Для ограничения возникающих при этом уравнительных токов используются два ненасыщающихся уравнительных реактора LR1 и LR2.

Рисунок 1.2. Электрическая схема трехфазного мостового ТП со встречно-параллельным соединением вентильных групп.
2. Расчёты и выбор элементов силовой схемы
2.1 Расчёт и выбор трансформатора
Выбор силового трансформатора производится по расчетным значениям тока I2ф
, напряжению U2ф
, и типовой мощности Sт
. Напряжение первичной обмотки U2ф
должно соответствовать напряжению питающей сети.
Расчетное значение напряжения U2ф,
p
асч
вторичной обмотки трансформатора, имеющего ТП с нагрузкой в режиме непрерывных токов, с учетом необходимого запаса на падение напряжения в силовой части, определяется формулой
U2ф,
p
асч
=kи
·kс
ka
kR
·Ud
,(2.1)
где kи
=0,427 - коэффициент, характеризующий отношение напряжений U2ф
/Ud
0
в идеальном трехфазном мостовом выпрямителе;
kс
—1,1— коэффициент запаса по напряжению, учитывающий возможное снижение напряжения сети;
ka
=1,1 - коэффициент запаса, учитывающий неполное открытие вентилей при максимальном управляющем сигнале;
kR
=1,05 - коэффициент запаса по напряжению, учитывающий падение напряжения в обмотках трансформатора, в вентилях и за счет перекрытия анодов;
Ud
- номинальное напряжение двигателя, Ud
= UH
.
Подставив значения в формулу (2.1) определяем расчетное значение напряжения U2ф,
p
асч
вторичной обмотки трансформатора:
U2ф,
p
асч
= 0,427∙1,1∙1,1∙1,05∙220 = 119,4 В.
Расчетное значение тока вторичной обмотки
I2расч
=k/
· ki
·Id
н
,(2.2)
где k/
=0,815 - коэффициент схемы, характеризующий отношение токов I2ф
/Id
в идеальной схеме;
ki
=1,1 - коэффициент, учитывающий отклонение формы анодного тока вентилей от прямоугольной;
Id
н
- значение номинального тока двигателя.
Id
н
= (2.3)
где РН
- номинальная мощность электродвигателя;
η- КПД электродвигателя; Uн
- номинальное напряжение электродвигателя.
Для двигателя 2ПН180М мощностью 15 кВт номинальное значение тока двигателя по формуле (2.3):
Id
н
=Id
= = 76,2 А.
Расчетное значение тока вторичной обмотки по формуле (2.2):
I2расч
= 0,815∙1,1∙76,2 = 68,3 А.
Рассчитываем (предварительно) действующее значение тока первичной обмотки трансформатора
·ki
1
·Id
н
,(2.4)
где - расчетный коэффициент трансформации трансформатора.
= (2.5)
где U1ф
- фазное напряжение первичной обмотки трансформатора, U1ф
=220 В; ki
1
- схемный коэффициент первичного тока. Принимаем ki
1
=0,815 [1, табл. 2.1].
И так расчётный коэффициент трансформации по формуле (2.5):
= = 1,84.
Действующее значение тока первичной обмотки трансформатора по формуле (2.4):
·0,815∙76,2 = 33,8 А.
Находим мощность первичной обмотки трансформатора
S1
=m1
· (2.6)
где m1
- число фаз первичной обмотки, m1
=3.
Подставив значения в формулу (2.6), имеем:
S1
= 3∙33,8∙220 = 22 308 В∙А.
Находим мощность вторичной обмотки трансформатора
S2
=m2
·I2расч
·U2ф
+0,5%РН
(2.7)
где m2
-число фаз вторичной обмотки трансформатора, т2
=3.
I2расч
-действующее значение вторичного тока трансформатора, по форм.(2.2);
U2ф
-фазное напряжение вторичной обмотки трансформатора, ориентировочно принимаем U2ф
=U2фрасч
.
И так имеем:
S2
=3∙68,3∙119,4+ ∙0,5 = 24540 В∙А.
Находим типовую мощность трансформатора по формуле
ST
= ,(2.8)
ST
= =22,38 кВ∙А.
Трансформатор выбираем из условий:
-номинальное напряжение вторичной обмотки трансформатора должно быть близким к значению U2фрасч
: 0.95· U2фрасч
≤U2фн
<1.2· U2фрасч
; для нашего случая
113,4 В ≤U2фн
< 143,3 В.
-ток вторичной обмотки трансформатора должно быть больше или равен к I2расч
: I2н
≥I2 расч
, т.е. I2н
≥ 68,3 А.
-номинальная мощность трансформатора должна быть больше или равна типовой: Sн ≥ Sт, т.е. Sн ≥ 22,38 кВ∙А.
Выбираем трансформатор ШЛ 100×160, с сечением магнитопровода 160 см2
.
Параметры выбранного трансформатора сводим в таблицу 2.1.
Таблица 2.1 – Параметры трансформатора.
| Наименование |
Обозначение |
Величина |
| Номинальная мощность, кВА |
SH
|
26 |
| Напряжение вентильной обмотки(линейное), В |
U2H
|
205 |
| Ток вентильной обмотки, А |
I2H
|
82 |
| Напряжение сетевой обмотки(линейное), В |
U1H
|
380 |
| Мощность холостого хода, Вт |
Pxx
|
220 |
| Мощность короткого замыкания, Вт |
Pкз
|
420 |
| Напряжение короткого замыкания, % |
Uкз
|
3,2 |
| Ток холостого хода, % |
Ixx
|
8,0 |
Рассчитываем действительный коэффициент трансформации выбранного трансформатора
km
р
= , (2.9)
km
р
= = 1,85.
Действительные значения рабочих токов первичной и вторичной обмоток
I2
= I2
расч
= 68,3А,
I1
= , (2.10)
I1
= = 36,6 А.
2.2 Расчёт и выбор трансформатора тиристоров
Тиристоры выбираются по среднему значению тока, протекающему через них и величине обратного напряжения.
При этом должен быть обеспечен достаточный запас по току и напряжению. Среднее значение тока тиристора
Ia
=kз
i
, (2.11)
где kз
i
=1,5 - коэффициент запаса по току;
kо
x
- коэффициент, учитывающий интенсивность охлаждения силового вентиля. При естественном охлаждении kо
x
=0,35;
kвэ
- коэффициент, принимаем по [1, табл.1.9], kвэ
=0,333.
Среднее значение тока тиристора по формуле (2.11):
Ia
=1,5∙ =108,7 А.
Максимальная величина обратного напряжения
Ubmax
=kЗ
U
∙kU
обр
∙Udo
, (2.12)
где kЗ
U
=1,8 - коэффициент запаса по напряжению, учитывающий возможные повышения напряжения питающей сети (включая режим холостого хода) и периодические выбросы Uобр
, обусловленные процессом коммутации вентилей;
kU
обр
- коэффициент обратного напряжения, равный отношению напряжений Udmax
/Udo
, для мостовой схемы выпрямления kU
обр
= 1,045;
Udo
- наибольшая величина выпрямленного напряжения преобразователя (среднее значение за период). Для трехфазной мостовой схемы выпрямления Udo
=2,34U2ФН
=2,34∙118=276,2 В.
Максимальная величина обратного напряжения по формуле (2.12)6
Ubmax
=1,8∙1,045∙276,2 = 519 В.
Условия выбора тиристоров:
- Максимальный средний ток тиристоров открытом состоянии должен быть больше или равен значению la
, Ioc
.
cp
.
max
>Ia
, в нашем случае Ioc
.
cp
.
max
> 108,7 А.
- Повторяющееся обратное напряжение тиристора должно быть больше или равно значению Ub. max
, Uo6p. n
>Ub. max
, т.е. Uo6p. n
> 519В.
Из справочника [3] выбираем марку тиристоров (низкочастотных).
Параметры выбранных тиристоров сводим в таблицу 2.2. Выбираем марку тиристора – 2Т223-200-6.
Таблица 2.2 - Параметры выбранных тиристоров
| Наименование |
Обозначение |
Величина |
| Максимальный средний ток в открытом состоянии, А |
Ioc
.
cp.
max
|
200 |
| Повторяющееся импульсное обратное напряжение, В |
Uобр.п
|
600 |
| Ударный неповторяющийся ток в открытом состоянии, А |
Iос.удр
|
4000 |
| Критическая скорость нарастания напряжения в закрытом состоянии, В/мкс |
(dUзс
/dt)кр
|
500…
1000
|
| Ток удержания, мА |
Iуд
|
300 |
| Импульсное напряжение в открытом состоянии, В |
Uос.
u
|
2 |
| Отпирающий постоянный ток управления, мА |
Iупр
|
300 |
| Время включения, мкс |
tвкл
|
25 |
| Время выключения, мкс |
tвыкл
|
50…100 |
| Отпирающее постоянное напряжение, В |
Uупр
|
5 |
2.3 Расчет и выбор уравнительных реакторов
В мостовом преобразователе с совместным управлением присутствуют уравнительные токи.
Для уменьшения уравнительных токов в схему вводят 4 насыщающихся или 2 ненасыщающихся уравнительных реактора.
Принимаем для расчета схему с двумя ненасыщающимися уравнительными реакторами,
Определяем индуктивность уравнительных реакторов по формуле [4, стр.133]
Lур
=kД
∙ (2.13)
где kД
- коэффициент действующего значения уравнительного тока, принимаем по [4, стр.1-158] kД
=0,62;
U2
m
-амплитуда фазного напряжения, U2
m
= ∙ Uф
=1,41∙127=179 В ,
где ω - круговая частота сети, ω =314 рад/с ;
Iур
- действующее значение уравнительного тока,
Iур
= ∙ Id
н
(2.14)
Iур
= ∙ Id
н
=0,12∙76,2=9,14А.
= 0,12 – ширина зоны прерывистого тока (по условию).
По формуле 2.13 имеем:
Lур
=0,62∙ =0,0387 Гн.
Для схемы выбираем 2 ненасыщающихся уравнительных реактора LR1 и LR2 с рассчитанной индуктивностью 0,0387 Гн.
2.4 Расчет и выбор уравнительных реакторов сглаживающих дросселей
Пульсации выпрямленного напряжения приводят к пульсациям выпрямленного тока, которые ухудшают коммутацию электродвигателя и увеличивают его нагрев.
Для сглаживания пульсаций выпрямленного напряжения применяют сглаживающие дроссели.
Определяем индуктивность сглаживающего дросселя по формуле [4, стр. 132]
Ld
2
= , (2.15)
где, k - кратность гармоники, так как в симметричной мостовой схеме наибольшую амплитуду имеет первая гармоника, то принимаем k =1;
р- количество пульсаций, принимаем по [1,табл. 2.1], р =6;
Р(1)%- допустимое действующее значение основной гармоники тока, принимаем р(1)%- =8%;
Ud
,
n
,
т
-амплитудное значение гармонической составляющей выпрямленного напряжения, определяем по [4,стр.131]:
Ud
,
n
,
m
= , (2.16)
где а - угол управления тиристорами, a =30 °;
Udo
- максимальное значение выпрямленного напряжения, Udo
=2,34∙I2ФН
=2,34∙127= 297В; ω - круговая частота сети;
Id
Н
- номинальный выпрямленный ток преобразователя.
И так,
Ud
,
n
,
m
= = 53 В.
Определяем индуктивность сглаживающего дросселя по формуле 2.15:
Ld
2
= = 0,0032 Гн.
Так как индуктивность выбранного уравнительного реактора больше индуктивность сглаживающего дросселя (LУ
P
>Ld
2
), то отказываемся от установки последнего в силовую цепь преобразователя.
Уравнительного реактора будет достаточно для сглаживания пульсаций выпрямленного напряжения.
2.5 Расчет и выбор силовой коммутационной и защитной аппаратуры
2.5.1 Расчет и выбор R-Cцепочек
Для ограничения скорости нарастания прямого напряжения используем R-C цепочки, которые включаем параллельно каждому тиристору.
Используя стандартный ряд сопротивлений выбираем резистор R с сопротивлением в пределах 18... 51 Ом. Принимаем 36 Ом.
Из уравнения [5, стр.81]
, (2.17)
где Uycm
- установившееся напряжение на тиристоре, Uуст
= U2л
=1,41∙220=310,2 В.
-максимально допустимая критическая скорость нарастания прямого напряжения на тиристоре (из табл. 2.2), находим постоянную времени τ:
τ = = =0,245 мкс.
Значение емкости определяем по формуле:
С = = =0,0068 мкФ.
Используя стандартный ряд емкостей выбираем емкость конденсатора 0,0068 мкФ.
2.5.2 Расчет и выбор предохранителей
Для защиты тиристорного преобразователя от внутренних коротких замыканий во вторичную обмотку трансформатора поставим предохранители.
Находим амплитудное значение базового тока короткого замыкания по формуле
I2к
m
= , (2.18)
где U2тф
- амплитуда фазного напряжения вторичной обмотки трансформатора;
Х2к
-индуктивное сопротивление, приведенное к вторичной обмотке трансформатора;
r2к
-активное сопротивление, приведенное к вторичной обмотке трансформатора.
Находим полное, активное и индуктивное сопротивления вторичной обмотки трансформатора [4, стр.105]:
Z2к
= , (2.19)
где UK
%
-напряжение короткого замыкания, из табл. 2.1
U2ЛН
-линейное напряжение вторичной обмотки трансформатора;
По формуле 2.19 имеем: Z2к
= = 0,0595 Ом.
Активное сопротивление, приведенное к вторичной обмотке трансформатора
r2к
= , (2.20)
где Ркз
-мощность короткого замыкания, из табл. 2.1; I2фН
-ток вентильной обмотки.
По формуле 2.20 имеем: r2к
= = 0,030 Ом.
Индуктивное сопротивление, приведенное к вторичной обмотке трансформатора
Xк2
= , (2.21)
где Z2к
-полное сопротивление, приведенное к вторичной обмотке.
По формуле 2.21 имеем: Xк2
= =0,0514 Ом.
По формуле 2.18: I2к
m
= = 3008 А.
Для нахождения ударного тока внутреннего короткого замыкания определяем коэффициент k1
по [4, рис.1-129а] в зависимости от ctg φк
:
ctg φк
= = = 0,5837→ k1
= 0,3.
Ударный ток внутреннего короткого замыкания
Iуд
= k1
∙ I2кт
= 0,3∙3008 = 902 А.
Выбираем плавкий предохранитель, исходя из условий:
- номинальное напряжение предохранителя должно соответствовать напряжению цепи, в которой он установлен;
-номинальный ток предохранителя должен быть больше максимального рабочего тока, протекающего через него;
-номинальный ток плавкой вставки должен быть больше или равен максимальному рабочему току, протекающего через него.
Выбираем предохранитель ПР10-82-1000.
Проверка предохранителя на срабатывание при коротком замыкании
3∙Iплавст
< Iуд
/ .
3∙82 = 246А < 902/1,41=639A, как видим условие выполняется.
Параметры выбранного предохранителя необходимо сводим в таблицу (см. п. 2.5.3.).
2.5.3Расчет и выбор автоматического выключателя
Для защиты тиристорного преобразователя от внешних коротких замыканий в первичную обмотку трансформатора устанавливают автоматический выключатель.
Для вычисления ударного тока внешнего короткого замыкания определяем коэффициент k2
по [4, рис.1-127а] в зависимости от ctgφк
:
ctg φк
= = 0,5837→ k2
= 0,7.
Ударный ток внутреннего короткого замыкания:
Iуд2
= k2
∙ I2кт
= 0,7∙3008= 2105А.
Автоматический выключатель выбирают из условий:
-номинальный ток автомата должен быть больше рабочего тока первичной обмотки трансформатора: I1
= = = 39,5 А;
-номинальное напряжение автомата должно быть больше или равно сетевому напряжению;
-число полюсов должно быть равно числу фаз питающей сети;
-номинальный ток теплового расцепителя должен быть больше рабочего тока I1
;
-номинальный ток электромагнитного расцепителя должен быть больше рабочего тока I1
;
-ток срабатывания электромагнитного расцепителя должен быть меньше действующего значения ударного тока внешнего короткого замыкания протекающего через выключатель Iуд2
/ ∙kmp
, т.е. 2105/1,41∙1,73=860А, условие 250А<860А – выполняется.
-ток термической устойчивости должен быть больше тока внешнего короткого замыкания Iуд2
/ kmp
, в нашем случае 2105/1,73= 1217А < 3500А.
Выписываем параметры выбранного автоматического выключателя в таблицу
| Ток плавкой вставки, А |
82 |
| Тип автоматического выключателя |
АЕ |
| Номинальный ток автомата, А |
50 |
| Номинальное напряжение, В |
1000 |
| Число полюсов |
3 |
| Номинальный ток теплового расцепителя, А |
50 |
| Номинальный ток электромагнитного расцепителя, А |
50 |
| Ток срабатывания электромагнитного расцепителя, А |
250 |
| Ток термической устойчивости, А |
3500 |
3. ВЫБОР СТРУКТУРЫ И ОСНОВНЫХ УЗЛОВ СИСТЕМЫ УПРАВЛЕНИЯ ТИРИСТОРНЫМ ПРЕОБРАЗОВАТЕЛЕМ
Система управления преобразовательным устройством предназначена для формирования и генерирования управляющих импульсов определенной формы и длительности, распределения их по фазам и изменения момента подачи на управляющие электроды вентилей преобразователя. В настоящее время широкое распространение получили электронные (полупроводниковые) системы управления вентильными преобразователями, так как они имеют ряд преимуществ перед электромагнитными системами: высокое быстродействие, надежность, малая потребляемая мощность и малые габариты.
Системы управления, в которых управляющий сигнал имеет форму импульса, фазу которого можно регулировать, называют импульсно-фазовыми.
Системы управления выполняют по синхронному и асинхронному принципам.
Синхронный принцип импульсно-фазового управления преобразователями является наиболее распространенным. Его характеризует такая функциональная связь узлов СУ, предназначенных для получения управляющих импульсов, при которой синхронизация управляющих импульсов осуществляется напряжением сети переменного тока.
Асинхронные системы управления преобразователями применяются при существенных искажениях напряжения питающей сети, в частности при значительной несимметрии трехфазных напряжений по величине и фазе. Использование в таких условиях синхронной системы невозможно ввиду получающейся недопустимой асимметрии в углах а по каналам управления тиристорами. Наиболее распространены асинхронные СУ в преобразователях, потребляющих мощность, соизмеримую с мощностью питающей сети. В данном проекте необходимо использовать синхронную систему управления.
Существуют системы управления, построенные по горизонтальному и вертикальному принципу. Горизонтальное управление не нашло широкого распространения, так как мостовые фазовращатели критичны к форме и частоте подаваемого напряжения. Из-за этого выбираем систему управления, построенную по вертикальному принципу.
Функциональная схема СИФУ изображена на рис 3.1 и содержит:
ИСН - источник синхронизирующего напряжения (трехфазный трансформатор);
ГОН - генератор опорного напряжения;
Н01,Н02- нуль-органы;
УИ - усилитель импульсов;
ВУ - выходное устройство;
ФИ - формирователь импульсов;
УО- управляющий орган.

4. РАСЧЕТ И ВЫБОР ОСНОВНЫХ ЭЛЕМЕНТОВ СИСТЕМЫ ИМПУЛЬСНО-ФАЗОВОГО УПРАВЛЕНИЯ (СИФУ) ПРЕОБРАЗОВАТЕЛЯ
Для расчета основных элементов системы импульсно-фазового управления (СИФУ) преобразователя принимаем для конструирования цифровые микросхемы серии К176, а аналоговые типа К140УД8А.
Микросхемы серии К561.
| Параметры |
Значения |
| 1 |
2 |
Напряжение источника питания, В
Напряжение логического нуля, В
Напряжение логической единицы, В
Входной ток, мкА
Ток потребления, мА
|
10
1,0
9,0
± 0,3
20…250
|
Микросхема К140УД8А. Операционный усилитель общего назначения с полевыми транзисторами во входном каскаде и внутренней частотной коррекцией.
| Параметры |
Значения |
| 1 |
2 |
Напряжение источника питания, В
Ток потребления, мА
Входной ток, нА
Разность входных токов, нА
Выходное напряжение положительного уровня, В
Выходное напряжение отрицательного уровня, В
Коэффициент усиления напряжения, В
Сопротивление нагрузки, кОм
|
± 15
5
≤ 0,2
≤ 0,02
10
-10
≥ 50 000
2
|
4.1 Расчет и выбор генератора опорного напряжения
Для работы СИФУ используется косинусоидальное или линейное пилообразное опорное напряжение, максимальное значение которого должно находиться в точках естественной коммутации вентилей.
Выбираем генератор опорного косинусоидального напряжения (рис 4.1). Он состоит из трансформатора синхронизации (ИСН), действующее значение фазного напряжения вторичной обмотки U2
m
= 15 В, и инвертирующего усилителя (на основе операционного усилителя).
Чтобы максимальное значение опорного напряжения находилось в точках естественной коммутации вентилей, берем напряжение последующей фазы трансформатора синхронизации и инвертируем его с помощь инвертирующего усилителя. Этим достигается нужный сдвиг косинусоиды на 60°.

Рис 4.1. Электрическая схема генератора опорного напряжения.
Выбираем Rз
=R4
=12 кОм, тогда коэффициент передачи усилителя на ОУ будет равен единице, т.к. для пропорционального П-регулятора собранного на DA1.1 преобразование входного сигнала осуществляется с коэффициентом k=R
4
/R
3
=12
/12
=1.
Амплитудное значение опорного напряжения на входе инвертора
Uо
nm
=(1,1... 1,2)∙Uзад
max
= (1,1... 1,2)∙10 = 12 В. Для соответствия напряжения U2
m
с Uо
nm
на входе инвертора ставим делитель напряжения (R1
, R2
). Тогда коэффициент передачи делителя напряжения:
Kд
= = =0,8.
Так как делитель напряжения является источником по отношению к инвертирующему усилителю, то должно выполняться условие R1
+R2
«R3
.
Принимаем значение R2
в пределах 820 Ом... 1,0 кОм, т.е. R2
= 910 Ом и из соотношения
Кд= получаем R1
= R2
∙ =910 ≈ 227,5 Ом.
Из стандартного ряда выбираем значение R1
=230 Ом.
4.2 Расчет и выбор нуль-органа
С помощью нуль-органа опорное напряжение генератора сравнивается с управляющим напряжением Uynp
преобразователя. Когда опорное напряжение в (процессе его увеличения или уменьшения) достигает напряжения Uynp
на выходе нуль-органа возникает импульс, который поступает на формирователь отпирающих импульсов. Принципиальная электрическая схема нуль-органа представлена на рис. 4.2.

Рисунок 4.2. Электрическая схема нуль-органа.
Выбираем R5
=R6
=12 кОм. Амплитудное значение опорного напряжения равно 12В, а максимальное напряжение управления равно 10В. Максимальное значение их разности составляет 22В, что превышает максимально допустимое значение входного напряжения ОУ. Поэтому для защиты ОУ ставим два диода, включенных встречно-параллельно. Выбор диодов производим по прямому току и по максимальной величине обратного напряжения с коэффициентом запаса равным 2. Выбираем по [8] тип диода и записываем его параметры.
Из справочника выписываем технические данные применяемых полупроводниковых диодов
| Тип диода |
Iдоп.
, мА |
Uобр.
,В |
| КД521В |
50 |
50 |
Проверяем диод по параметру Uобр
. Для данной схемы диод должен удовлетворять условию Uобр
> 22∙2= 44В. В данном случаи условие соблюдается, так как 50> 44 В.
Определим прямой ток: Iпр
= = 0,00092А=0,92 mA. Условие Iдоп
= 50mA>Iпр
=0,92 mA – выполняется.
4.3 Расчет и выбор формирователя длительности импульсов и элементов согласования с логикой
Формирователь длительности импульсов служит для формирования отпирающих импульсов определенной длины, которые после усилителя поступают на управляемый тиристор.
Принципиальная электрическая схема формирователя длительности импульсов и элементов согласования с логикой представлена на рис.4.3.

Рисунок 4.3. Формирователь длительности импульсов
Формирователь импульсов собран на ОУDА2.1. Он представляет собой дифференцирующее с замедлением звено, который описывается уравнением
h(t) = ,
где Т1
= С1
∙ R8 ,Т2
= С1
∙R7-постоянные времени.
Вход данной цепи подключен к нуль-органу и переход напряжения на входе составляет ∆Uвх
=2Uоу нас
.
Величину напряжения импульса принимаем равным Uynp
=9 В.
Для нормального открывания тиристоров необходимо обеспечить длительность импульса 7° -10º.
Время импульса составляет:
tu
= =0,39÷0,56 мс.
Принимаем tu
=0,5мс.
Скачёк напряжения на выходе формирователя длительности импульсов в момент переключения нуль-органа примем: Uu
max
=12B.
В начальный момент времени t=0, подставив в переходную функцию получим:
Uупр
max
= ∙ ∆Uвх
.
Отсюда
= Uупр
max
/∆Uвх
.
Далее, подставляя в соотношение
Uвых
= ∆Uвх
∙ значения Uвых
=Uynp
, Uвых
=∆Uвх
=26В; и время t=tu
=0,5мc, находим Т2
:
Т2
= – =– = 1,74 мс.
Принимаем величину С1
=82...150нФ, берём С1
= 110нФ= 1,1∙10-7
Ф определяем сопротивление R7
R7 = = =15820 Ом и выбираем ближайшее стандартное значение
R7= 16 кОм.
Из соотношения = рассчитываем значение R8:
R8
= ∙16= 7,38 кОм, принимаем R8
= 7,5 кОм.
Из критерия величины нагрузки для ОУ выбираем R9
=9,1 кОм.
Для согласования сигналов формирователя длительности импульсов по уровню и знаку с логическими элементами служит стабилитрон VD3, напряжение стабилизации Ucm
которого выбирают в пределах 10... 12 В, выбираем стабилитрон Д814В у которого напряжение стабилизации Uст
=10,2 В.
Выбираем величины сопротивлений инвертирующего усилителя, собранного на ОУ DA2.2, исходя из того, что необходимо получить коэффициент передачи равный единице. Принимаем R10
=R11
=12 кОм.
4.4 Расчет и выбор усилителя импульсов
Мощность сигнала, получаемого из выхода формирователя длительности импульсов мала. Усилитель импульсов предназначен для усиления импульсов перед их подачей в цепь управляющего электрода силового тиристора.
Принципиальная электрическая схема усилителя импульсов представлена на рис.8.

Рисунок 4.4. Электрическая схема усилителя импульсов
На схеме (рис.4.4) ТЗ-импульсный трансформатор с числом витков w1
=225 и w2
= 150. Исходя из этого коэффициент трансформации равен
kmp
= = =1,5.
Величина напряжения импульса
Uупр
= = = 10 В.
Зная величину тока управления открытия (табл.2.2) тиристора Iупр
, находим сопротивление цепи управления
Rцу
= = =33,3 Ом.
Падение напряжения на управляющем электроде VS1.1 и диоде принимаем по 0,7В, отсюда находим их эквивалентное сопротивление
Rэ
= =4,66 Ом.
Для ограничения тока управления VS1.1 необходимо сопротивление
R15
= Rц.
y
.
- Rэ
=33,3 -4,66 = 28,6 Ом, которое выбирают из стандартного ряда, т.е. R15
=30 Ом. Выбираем стабилитрон VD6 по требуемому напряжению стабилизации 6,8 В из [8] – Д815Б. Диод VD7 выбирают по прямому току и обратному напряжению с коэффициентом запаса равным 2.
Из справочника выписываем технические данные применяемых полупроводниковых диодов.
| Тип диода |
Iдоп.
, мА |
Uобр.
,В |
| КД208А |
1000 |
100 |
Проверяем диод по параметру Uобр
. Для данной схемы диод должен удовлетворять условию Uобр
> 10∙2= 20В. В данном случаи условие соблюдается, так как 100В > 20 В.
Прямой ток: Iпр
=300 mA. Условие Iдоп
= 300mA>Iпр
=300 mA – выполняется.
Находим ток первичной обмотки импульсного трансформатора:
I1
= = =200 мА.
Требуемый коэффициент передачи базового тока транзисторов VT1, VT2:
h= = =1600 , h21
= = =40,
где Iб
- выходной ток элемента ИЛИ – НЕ, для К561ЛЕ5 – Iб
= 0,25 мА;
По [9] выбираем транзистор и выписываем его параметры Iк
m
ах
, h21э
, Uкэнас
,
Uкэ
max
. Выбираем транзистор КТ603А (п-р-п): Iк
m
ах
= 300мА, h21
= 20, Uкэнас
= 1В, Uкэ
max
= 30В.
Пересчитываем базовый ток VT1:
Iб
= = = 1мА.
Рассчитываем сопротивление R14
:
R14
= = =46,7 Ом.
Рассчитываем сопротивление R12
:
R12
≤ = = 9 кОм.
где Uвх
- напряжение на входе устройства равное U элемента ИЛИ-НЕ; Iб
-базовый ток транзистора VT1.
Для уменьшения начального тока коллектора транзистора VT2 между базой и эмиттером ставим сопротивление R13
=820 Ом ... 1,5 кОм, принимаем R13
= 1 кОм.
Диод VD5 выбираем из [8] по прямому току и обратному напряжению с коэффициентом запаса равным 2 и выписываем его параметры.
Из справочника выписываем технические данные применяемых полупроводниковых диодов.
| Тип диода |
Iдоп.
, мА |
Uобр.
,В |
| КД208А |
1000 |
100 |
Проверяем диод по параметру Uобр
. Для данной схемы диод должен удовлетворять условию Uобр
> 15∙2= 30В. В данном случаи условие соблюдается, так как 100В > 30 В.
Прямой ток: Iпр
=I1
=200 mA. Условие Iдоп
= 1000mA>Iпр
=200 mA – выполняется.
Для защиты базо-эмиттерного перехода транзистора VT1 от обратного напряжения ставим диод VD4, который выбирается также как VD5.
Из справочника выписываем технические данные применяемых полупроводниковых диодов.
| Тип диода |
Iдоп.
, мА |
Uобр.
,В |
| КД521В |
50 |
50 |
Проверяем диод по параметру Uобр
. Для данной схемы диод должен удовлетворять условию Uобр
> 2∙2= 4 В. В данном случаи условие соблюдается, так как 50> 4 В.
Прямой ток: Iпр
=1 mA. Условие Iдоп
= 50mA>Iпр
=1 mA – выполняется.
4.5 Расчет и выбор управляющего органа
трансформатор тиристор импульсный дроссель
Принципиальная схема управляющего органа представлена на рис. 4.5.

Рис.4.5. Электрическая схема управляющего органа
На входе ограничителя, выполненного на операционном усилителе DA3.1, стоит сопротивление выхода регулятора тока якоря Р16
=5,1кОм и транзистор (элемент схемы защиты).
Принимаем R17
=15кОм. Тогда для обеспечения коэффициентов передачи сумматора равных единице должно выполняться условие:
R18
= R20
=R17
+ R16
= 15+5,1≈ 20 кОм
Далее аналогично выбираем: R21
=R22
=R24
= 20 кОм.
Так как R18
и R22
- нагрузка для делителей R19
и К23
, соответственно, то выбираем R19
=R23
в 5 -10 раз меньше значения R18
и R22
. Принимаем R19
=R23
= 2 кОм.
Стабилитроны VD7 и VD8 рассчитываются из условий ограничения управляющего напряжения, чтобы оно не превысило опорное напряжение, и из условия получения максимального и минимального углов открывания тиристоров. Принимаем аmin
=10°, тогда:
Ucm
=Uоп
max
∙cos аmin
=10∙cos 10° ≈ 9,85В.
По [8] выбираем стабилитроны серии КС191Ф с напряжением стабилизации Uст.ном
=9,1В. Учитывая прямое падение напряжения на втором стабилитроне, получаем Ucm
=9,1+0,7=9,8 В.
Пересчитываем угол
аmin
= arccos arccos ≈ 11,48º.
Таким образом, значения действительного и принятого угла управления аmin
оказались близки.
4.6 Описание работы СИФУ
Для работы СИФУ используется косинусоидальное опорное напряжение, максимальное значение которого должно находится в точках естественной коммутации вентилей.
Чтобы добиться этого необходимо напряжение последующей фазы и проинвертировать. Этим достигается нужный сдвиг косинусоиды на 60° относительно напряжения соответствующей фазы (-120° +180° = 60°).
Каждый из формирователей импульсов вырабатывает импульсы для четырех вентилей (два вентиля в выпрямительной и два - в инверторной группах).
На прямые входы ОУ DА2.1 и DA2.2 поступает опорное напряжение , на инвертирующие входы DA2.1- отрицательное напряжение управления Uynp
, а на DA2.2 - положительное + Uynp
. Когда напряжение управления становится больше опорного напряжения Uоп
DA2.1 переключается с +Uнас
на - Uн
ac
и на выходе DA3.1 появляется положительный импульс. Он поступает на DD 1.1 и при наличии сигнала разрешения работы вентилей сигнал поступает на DD3.1, далее с выхода DD4.1 поступает на усилитель импульсов. С последнего сигнал идет на тиристоры VS1.1 и VS1.6.
На второй вход DD3.1 подаются импульсы с канала управления тиристором VS1.2, которые сдвинуты на 60° относительно импульсов, формируемых каналом управления тиристором VS 1.1.
Когда напряжение Uon
становится больше Uynp
DA2.1 переключается с -UHac
на + UHac
, то на выходе DA3.1, появляется отрицательный импульс, который затем инвертируется DA4.1 и подается на DD1.4. Далее при наличии сигнала разрешения на работу вентилей сигнал поступает на DD3.4, с выхода DD4.4 на усилитель импульсов. С последнего сигнал идет на тиристоры VS2.1 и VS2.6.
Каналы управления остальных вентилей работают аналогично.
5. РАЗРАБОТКА ЗАДАТЧИКА ИНТЕНСИВНОСТИ
5.1 Расчет и выбор элементов задатчика интенсивоности
Предполагаемая принципиальная электрическая схема задатчика интенсивности изображена на рис. 5.1.

Рис. 5.1. Электрическая схема задатчика интенсивности (предполагаемая).
Необходимые данные для расчета задатчика интенсивности берем из задания на курсовой проект: tn
; Uзад
m
ах
=10В; Uвых
m
ах
=10В.
Рассчитываем интегратор на (ОУ DA1.2).
Конденсатор C1
должен быть неэлектролитическим; емкость конденсатора C1
принимаем равной C1
=1,0 ... 2,2 мкФ, т.е. С1
= 1,6 мкФ.
Выбираем по [8] стабилитроны с Uст
a
б
=6,8 ... 9,1 В. Выбираем стабилитроны серии КС191Ф с напряжением стабилизации Uст.ном
=9,1В. Учитывая прямое падение напряжения на втором стабилитроне, получаем
U1
=Ucm
= Ucma
б
VD
1
+ Unp
VD
2
= =9,1+0,7=9,8 В.
Из формулы
Uвых
= ∙tn
находим R3
.
R3
= =5 512 500 Ом.
Так как значение R3 получилось более 1,0 МОм., то для его уменьшения ставим делитель напряжения. Принимаем =510 кОм ... 1,0 Мом, т.е. =620 кОм
Находим уровень напряжения :
= = = 1,1 В.
Выбираем R6
и R7
из условий:
(R6
+R7
)«R и (R6
+R7
)≥Rн
min
где Rн
min
=2 кОм - минимальное сопротивление нагрузки выбранного ОУ.
Обычно принимают (R6
+R7
)≤0,05 R . Тогда принимая R6
=2,2 ... 5,1 кОм, т.е. R6
=3,9 кОм находим
R7 = = = 493 Ом
и выбираем стандартное R7 = 510 Ом.
Проверяем условия:
(R6
+R7
)=(3,9+0,51)= 4,41 кОм≤0,05 R =0,05∙620= 31 кОм – выполняется;
(R6
+R7
)=(3,9+0,51)= 4,41 кОм ≥Rн
min
= 2 кОм – выполняется.
Принимая значение сопротивлений R1
=R2
=R4
=12 кОм, рассчитываем и выбираем сопротивление R5
:
R5
= = =12 кОм.
Окончательная схема задатчика интенсивности имеет вид (рис 5.2).

Рис. 5.2. Электрическая схема задатчика интенсивности.
5.2 Описание работы задатчика интенсивности
Задатчик интенсивности формирует плавное изменение задающего сигнала при переходе от одного уровня к другому, т. е. создает линейное нарастание и спад сигнала.
Первый ОУ DA1.1 работает без обратной связи, но с ограничением выходного напряжения U1
и имеет характеристику прямоугольной формы.
Второй ОУ DA1 .2 - интегратор с постоянным темпом нарастания.
Третий ОУ DA2.1- формирует отрицательное напряжение обратной связи U3.
При подаче на вход задающего напряжения Uзад
напряжение на выходе линейно нарастает.
В момент времени t= tnyc
к
a
(|UOC
| = |Uзад
| ) интегрирование прекращается и выходное напряжение остается на уровне
Uвых
= Uзад
= Uзад
= Uзад
.
6. РАСЧЕТ И ПОСТРОЕНИЕ РЕГУЛИРОВОЧНОЙ И ВНЕШНИХ ХАРАКТЕРИСТИК ТП
Регулировочная характеристика СИФУ при косинусоидальном опорном напряжении определяется выражением
а = arccos . (6.1)
Регулировочная характеристика ВГ при не учете внутреннего сопротивления преобразователя имеет вид
Ud
=Ud
0
∙cosa, (6.2)
где Udo
- наибольшая величина среднего выпрямленного напряжения.
=ku
= 0,427. Udo
= 118,3/0,427 = 277 В.
Тогда характеристика управления ТП в целом при косинусоидальном опорном напряжении определяется выражением
Ud
= Ud
0
∙cos(arccos ) = Ud0
∙ . (6.3)
Задавая значения Uynp
в пределах от -10 В до +10 В, рассчитываем и строим характеристику управления ТП. Результаты расчета характеристики управления ТП представлены в таблице 6.1.
Результаты расчета характеристики управления
Таблица 6.1.
| Uynp
, В |
-10 |
-9 |
-8 |
-7 |
-6 |
-5 |
-4 |
-3 |
-2 |
-1 |
| а, град |
146,443 |
138,591 |
131,811 |
125,686 |
120,000 |
114,625 |
109,472 |
104,478 |
99,594 |
94,781 |
| Ud
,B |
-230,8 |
-207,75 |
-184,67 |
-161,58 |
-138,5 |
-115,4 |
-92,3 |
-69,25 |
-46,2 |
-23,08 |
| 0 |
1 |
2 |
3 |
4 |
5 |
6 |
7 |
8 |
9 |
10 |
| 90,000 |
85,220 |
80,406 |
75,523 |
70,529 |
65,376 |
60,000 |
54,315 |
48,190 |
41,410 |
33,557 |
| 0 |
23,08 |
46,2 |
69,25 |
92,3 |
115,4 |
138,5 |
161,58 |
184,67 |
207,75 |
230,8 |
Пример расчета а и Ud
для значения Uynp
= 7 В.
а = arccos =54,315º; Ud
= = 277∙ =161,58 В.
Внешняя характеристика ТП - это зависимость среднего значения выпрямленного напряжения от тока нагрузки. Для управляемого выпрямителя при активно-индуктивной нагрузке внешняя характеристика рассчитывается по формуле
Ud
=Udo
cosa– –Id
∙r2
K
–N∙∆Uпр
, (6.4)
где Udo
- наибольшая величина среднего выпрямленного напряжения;
а - угол управления тиристорами;
р – количество пульсаций, принимаем по (/1/,табл. 2.1), р =6;
Id
- ток нагрузки;
ха
- анодное индуктивное сопротивление. В нашем случае ха
=х2к
;
г2к
- активное сопротивление трансформатора, приведенное к вторичной обмотке; ∆Uпр
- прямое падение напряжения на открытом вентиле, ∆Uпр
= Uoc
.
u
=2 B(см. табл. 2.2)
N - количество вентилей одновременно обтекаемых током, для мостовой схемы N=2.
Внешние характеристики ТП рассчитываем и строим для напряжения Uзад
=-3,0В, которое указано в задании на курсовой проект.
Считая, что Uзад
=Uynp
по форм. (6.1) находим угол управления тиристорами. Ток нагрузки Id
изменяем от - IdH
до + IdH
.
Пример расчета а и Ud
для одного значения Uзад
= -3,0В и тока
Id
= Id
н
= 76,2А:
а = arccos = arccos =104,478º;
Ud
=277∙cos104,478º – +76,2∙0,021–2∙2= -68,3 В.
Результаты расчета внешних характеристик помещаем в таблицу 7.2.
Таблица 7.2 - Результаты расчета внешних характеристик
| Id
, A |
-76,2 |
-60 |
-45 |
-30 |
-15 |
| Uзад1
=-10 В |
a1
=146 град |
Ud
,B |
-229,9 |
-230,9 |
-231,9 |
-232,9 |
-233,9 |
| Uзад2
= -5 В |
a1
=114 град |
Ud
,B |
-114,5 |
-115,5 |
-116,5 |
-117,5 |
-118,4 |
| Uзад3
= -3 В |
a1
=104 град |
Ud
,B |
-68,3 |
-69,3 |
-70,3 |
-71,3 |
-72,3 |
| Uзад4
=2 В |
a1
=80,4 град |
Ud
,B |
47,1 |
46,1 |
45,1 |
44,1 |
43,1 |
| Uзад5
=5 В |
a1
=65,4 град |
Ud
,B |
116,4 |
115,3 |
114,3 |
113,4 |
112,4 |
| Uзад6
= 10 В |
a1
=33,6 град |
Ud
,B |
231,8 |
230,7 |
229,8 |
228,8 |
227,8 |
| 0 |
15 |
30 |
45 |
60 |
76,2 |
| -234,8 |
-235,8 |
-236,8 |
-237,8 |
-238,7 |
-239,8 |
| -119,4 |
-120,4 |
-121,4 |
-122,3 |
-123,3 |
-124,4 |
| -73,3 |
-74,2 |
-75,2 |
-76,2 |
-77,2 |
-78,2 |
| 42,2 |
41,2 |
40,2 |
39,2 |
38,3 |
37,2 |
| 111,4 |
110,4 |
109,5 |
108,5 |
107,5 |
106,5 |
| 226,8 |
225,9 |
224,9 |
223,9 |
222,9 |
221,9 |

Рисунок 6.1. Регулировочная характеристика ТП.

Рисунок 6.2. Внешние характеристики ТП.
7. РАСЧЕТ ЭНЕРГЕТИЧЕСКИХ ПОКАЗАТЕЛЕЙ
7.1 Расчет полной, активной и реактивной мощностей
Активная мощность, потребляемая ТП в номинальном режиме
P1н
= 3∙U1
∙I ∙cos , (7.1)
где U1
- действующее значение фазного напряжения с учетом всех его гармоник, U1
=220 В;
I -действующее значение первой гармоники тока, соответствующее номинальному току нагрузки
I = , (7.2)
где Id
н
- номинальное значение тока нагрузки; kmp
- коэффициент трансформации трансформатора;
-угол отставания основной гармоники тока.
Угол сдвига первой гармоники потребляемого тока относительно напряжения питания определяется по формуле [11, форм.6.62]:
≈ aн
+ , (7.3)
где aн
- угол управления при номинальном режиме работы электродвигателя
aн
= arccos ; (7.4)
γ - угол коммутации вентилей
γ = arccos , (7.5)
где ха
- анодное индуктивное сопротивление. В нашем случае ха
= х2к
;
U 2
- фазное напряжение вторичной обмотки трансформатора.
По формуле 7.4, имеем aн
= arccos = 42,2º.
По формуле 7.5: γ = arccos =2,03º.
По формуле 7.3: ≈ 42,2+ = 43,2º.
По формуле 7.2: I = = 32,13А.
По формуле 7.1: P1н
= 3∙205∙32,13 ∙cos43,2º=14 404 Вт.
Реактивная мощность, потребляемая ТП в номинальном режиме:
Q1н
=3∙U1
∙ I sin =3∙205∙32,13∙sin43,2º=13 527 вар.
Полная мощность, потребляемая ТП в номинальном режиме:
S1
=3∙U1
∙I1
=3∙205∙36,6= 22 509 В∙А.
где I1
- действующее значение тока первичной обмотки трансформатора.
7.2 Расчет мощности искажений
Мощность искажений определяем по формуле
Т1
= (7.6)
где S1
– полная мощность, потребляемая ТП; Р1н
–активная мощность, потребляемая ТП, в номинальном режиме;
Q1н
-реактивная мощность, потребляемая ТП, в номинальном режиме.
Т1
= = 10780 В∙А.
7.3 Расчет КПД и коэффициента мощности
Коэффициент полезного действия (КПД) преобразователя характеризуется отношением активной мощности, отдаваемой в нагрузку, к полной мощности, потребляемой преобразователем.
КПД преобразователя определяется по формуле
, (7.7)
где Pd
- мощность, потребляемая электродвигателем,
Pd
= Pd
н
/η=15000/0,895=16760Вт;
∆Р- суммарная мощность потерь в преобразователе. Суммарная мощность потерь в преобразователе
∆Р = ∆Рв
+ ∆Рупр
+ ∆Рmp
, (7.8)
где ∆Рв
- потери в вентилях
∆Рв
=п∙∆U∙Ia
1
, (7.9)
где n-количество вентилей в схеме выпрямителя, n =6;
∆U -прямое падение напряжения на вентиле, ∆U = 2В;
Ia
1
-средний ток в вентиле, Ia
1
=Id
Н
/3=76,2/3=25,4 А;
∆Рупр
- мощность, потребляемая системой управления. Принимаем
∆Рупр
= 0,5% ∙ Рd
= 0,5∙15000/100= 75 Вт;
∆Рmp
-потери в силовом трансформаторе
∆Рmp
=∆Рcm
+∆РM
(7.10)
где ∆Рcm
- потери в стали трансформатора, ∆Рcm
=Рхх
; ∆РM
-потери в меди трансформатора
∆РM
= Рк.з
∙ =420∙ =291,4 Вт.
По формуле 7.10: ∆Рmp
= 220+291,4 = 511,4 Вт.
По формуле 7.9: ∆Рв
=6∙2∙25,4 = 304,8 Вт.
По формуле 7.8: ∆Р = 304,8+75+511,4 = 891,2 Вт.
По формуле 7.7: = 0,950.
Коэффициент мощности χ определяется отношением активной мощности, потребляемой преобразователем, к полной мощности и характеризует использование питающей сети.
Коэффициент мощности χ определяем по формуле:
χ = , (7.11)
где Р1н
- активная мощность, потребляемая ТП, в номинальном режиме; S1
- полная мощность, потребляемая ТП, в номинальном режиме.
χ = =0,640.
8. ПОСТРОЕНИЕ ГРАФИКОВ ВЫХОДНОГО НАПРЯЖЕНИЯ ПРИ УКАЗАННОМ НАПРЯЖЕНИИ ЗАДАНИЯ
Для указанного в задании напряжения Uзад
= -3 В рассчитываем угол управления тиристорами а (по форм. 6.1) и угол коммутации вентилей γ (по форм.7.5):
а = arccos = arccos =104,478º;
γ = arccos =0,86º.
Так как угол коммутации вентилей менее 5°, то при построении последующих графиков его не учитываем.
Строим график выходного напряжения на нагрузке выпрямительной группы по данным таблицы 7.2.
Диаграммы напряжений, поясняющих работу отдельных блоков СИФУ представлена на рис. 8.1.

Рис.8.1. Диаграммы, поясняющие работу СИФУ.
ЛИТЕРАТУРА
1. Анхинюк В. Л., Опейко О. Ф. Проектирование систем автоматического управления электроприводами. Мн.: Вышэйш. шк., 1986.
2. Комплектные тиристорные электроприводы: Справочник/ И. X. Евзеров, А. С. Горобец, Б. И. Мошкович и др.; Под ред. канд. технических наук В. М. Перельмутера. - М.: Энергоиздат, 1988.-319с.: ил.
3. Тиристоры: Справочник /О.П.Григорьев, В.Я.Замятин, Б. В. Кондратьев, С. Л. Пожидаев. - М.: Радио и связь, 1990. - 272с.: ил.
4. Справочник по проектированию электропривода и систем управления технологическими процессами /Под ред. В. И. Круповича, Ю. Г. Барыбина,
М. Л. Самовера. Изд. 3-е, перераб. и доп. - М.: Энергоиздат, 1982. -486с., ил.
5. Силовые полупроводниковые приборы: Справочник / О. Г. Чебовский, Л. Г. Моисеев, Р. П. Недшивин. - 2-е изд., перераб. и доп. - М.: Энергоатомиздат, 1985. -400с., ил.
6. Цифровые микросхемы: Справ. / М. И. Богданович, И. Н. Грель, В. А. Прохоренко, В. В. Шалимо. - Мн.: Беларусь, 1991 -493с., ил.
7. Аналоговые интегральные схемы: Справочник / А. Л. Булычев, В. И. Галкин, В. А. Прохоренко. - 2-е изд., перераб. и доп. - Мн.: Беларусь, 1993.-382с.: черт.
8. Диоды: Справочник / О. П. Григорьев, В. Я., Замотин Б. В. Кандратьев, С. Л. Пожидаев. - М.: Радио и связь, 1990. - 336с.: ил.
9. Транзисторы для аппаратуры широкого применения: Справочник / К. М. Брежнева, Е. И. Гантман, Т. И. Давыдова и др. Под ред. Б. Л. Перельмана. - М.: Радио и связь, 1981. - 656с., ил.
10. Забродин Ю. С. Промышленная электроника: Учебник для вузов. -М.: Высш. школа, 1982. -496с., ил.
11. Чернов Е.А., Кузьмин В.П. Комплектные электроприводы станков с ЧПУ: Справочное пособие. - Горький: Волго-Вятское кн. изд-во, 1989. -320 с., ил.
12. Справочник по электрическим машинам: В 2 т./ Под общ. ред. И.П. Копылова, Б.К. Клочкова. Т. 1. -М.: Энергоатомиздат, 1988. -456 с., ил.
13. Справочник по автоматизированному электроприводу. /Под ред. В.А. Елисеева и А.В. Шинянского.- М.: Энергоатомиздат, 1983. -616 с., ил.
|