Министерство высшего и профессионального образования РФ
АГТУ
ИНСТИУТ НЕФТИ И ГАЗА
КУРСОВАЯ РАБОТА ПО ГИДРОМЕХАНИКЕ
Выполнил студент 2 курса ИНиГ
ПОДЛЕВСКИХ А.В.
Проверил преподаватель
ГЛАВАТСКИХ Н.С.
АРХАНГЕЛЬСК 2010
Содержание
1. Расчет изменения уровня жидкости в резервуарах при перепаде температур
2. Расчет сил давления жидкости, действующих на плоские и криволинейные стенки. Выбор толщины стенки резервуара
3. Истечение жидкости через отверстия и насадки. Опорожнение резервуаров
4. Гидравлические струи. Силовое воздействие струи на преграду
5. Гидравлический расчет трубопроводов. Выбор их диаметров
6. Основы гидравлического расчета магистрального трубопровода и выбор расположения насосных станций
7. Безнапорный приток жидкости к скважине
Список использованной литературы
1. Расчет изменения уровня жидкости в резервуарах при перепаде температур
Определить максимальный уровень нефти в резервуаре, чтобы при повышении температуры на Δt (0С) не произошло его переполнение. Показание манометра определить при полном заполнении резервуара
Изменение объема жидкости при перепаде температуры характеризуется коэффициентом температурного расширения βt : ,
где ΔV – изменение объема жидкости при изменении температуры;
V – начальный объем жидкости;
Δt – перепад температуры, 0С.
Среднее значение температурного расширения βt в зависимости от плотности при температуре 15 0С принимаем равным 0,00077 0С-1. Начальный объем жидкости V принимаем равным объему резервуара. В сферическом резервуаре изменение уровня жидкости находят через объем шарового сегмента по формуле

Задаём Δh через каждые 5 см.
Числовые значения ΔVн в зависимости от величины Δh представлены в таблице № 1.
Таблица №1
| Δh, м |
Объем несмоченной части резервуара ΔVн |
| 0,05 |
0,05 |
| 0,1 |
0,19 |
| 0,15 |
0,42 |
| 0,2 |
0,75 |
| 0,25 |
1,16 |
| 0,3 |
1,67 |
| 0,35 |
2,27 |
| 0,4 |
2,96 |
| 0,45 |
3,73 |
| 0,5 |
4,59 |
| 0,55 |
5,54 |
| 0,6 |
6,58 |
| 0,65 |
7,70 |
| 0,7 |
8,90 |
| 0,75 |
10,19 |
| 0,8 |
11,56 |
| 0,85 |
13,01 |
| 0,9 |
14,54 |
| 0,95 |
16,16 |
| 1 |
17,85 |
| 1,05 |
19,62 |
| 1,1 |
21,47 |
| 1,15 |
23,40 |
| 1,2 |
25,40 |
| 1,25 |
27,48 |
График функции ΔVн=f(ΔVн)
Из формулы , найдём ΔV, учитывая, что V=Vш+ ΔV, Vш=1/6πD3.

Наносим на график значение ΔV=25,06 м3, определяем Δh (Δh=1,19 м ).
Уровень наполнения резервуара равен D- Δh=12-1,19= 10,81 м.
В резервуарах, сообщающихся с атмосферой, для контроля уровня жидкости часто используют манометр.
Манометрическое давление в нижней точке резервуара, сообщающегося с атмосферой,
pм=ρgh ,
где ρ – плотность нефти;
g- ускорение свободного падения;
h- уровень жидкости в резервуаре над осью манометра.
Забиваем Сайты В ТОП КУВАЛДОЙ - Уникальные возможности от SeoHammer
Каждая ссылка анализируется по трем пакетам оценки: SEO, Трафик и SMM.
SeoHammer делает продвижение сайта прозрачным и простым занятием.
Ссылки, вечные ссылки, статьи, упоминания, пресс-релизы - используйте по максимуму потенциал SeoHammer для продвижения вашего сайта.
Что умеет делать SeoHammer
— Продвижение в один клик, интеллектуальный подбор запросов, покупка самых лучших ссылок с высокой степенью качества у лучших бирж ссылок.
— Регулярная проверка качества ссылок по более чем 100 показателям и ежедневный пересчет показателей качества проекта.
— Все известные форматы ссылок: арендные ссылки, вечные ссылки, публикации (упоминания, мнения, отзывы, статьи, пресс-релизы).
— SeoHammer покажет, где рост или падение, а также запросы, на которые нужно обратить внимание.
SeoHammer еще предоставляет технологию Буст, она ускоряет продвижение в десятки раз,
а первые результаты появляются уже в течение первых 7 дней.
Зарегистрироваться и Начать продвижение
pм=800*9,81*12=94176Па.
2. Расчет сил давления жидкости, действующих на плоские и криволинейные стенки. Выбор толщины стенки резервуар
Определить усилия, действующие на стенки резервуара, точки их приложения, силу давления полностью заполненного резервуара на фундамент. Вычислить толщину стенки резервуара. Вычертить расчетные схемы, указать направление сил, построить тела давлений.
Сила гидростатического давления жидкости на плоскую поверхность определяется по формуле
P=(p0+ ρghc)ω, (1)
где p0 – давление на свободной поверхности жидкости;
hc – глубина погружения центра тяжести плоской фигуры;
ω – площадь плоской фигуры.
a)
Свободная поверхность жидкости находится под манометрическим давлением равным 10 кПа.
P=(pм+ ρghc)ω, pм – манометрическое давление.
hc=H-h;
h=( 2d/ 3 )* sin ;
hc= 3,5-( 2*3 / 3*3,14)* sin 75 = 3,5-0,61= 2,89 м
ω= πd*d/8 = (3,14*3*3)/8 = 3,53м2.
Учитывая полученные значения, найдем P.
P=(10*103+800*9,81*2,89)*3,53 =115363 Н.
b)
Свободная поверхность жидкости находится под атмосферным давлением.
Если свободная поверхность находится под атмосферным давлением, формула (1) упрощается и принимает вид P=ρghcω.
P=800*9,81*2,89*3,53=80063 Н.
Точкой приложения силы гидростатического давления жидкости на плоскую фигуру является центр давления, который располагается ниже центра тяжести на величину эксцентриситета e.
Ордината центра давления yд определяется по формуле:

где yC – ордината центра тяжести плоской фигуры;
I – момент инерции плоской фигуры относительно горизонтальной оси, проходящей через центр тяжести.

где α – угол наклона стенки к горизонту.

Рис. 2. Сила давления жидкости на плоскую поверхность (стенку)
Момент инерции I для полукруга определяется по формуле 0,0068d4. Площадь полукруга определяется по формуле ω=πd*d/8. Тогда.
I= 0.0068*34= 0.5508
Hd= 2,94 м

Для сферических поверхностей достаточно определить две составляющие силы гидростатического давления, параллельные соответствующим координатным осям Рх и Рz.
Горизонтальная составляющая равна силе гидростатического давления на вертикальную проекцию криволинейной фигуры и определяется по формуле Px=(p0+ ρghc)ωz,
где hc – глубина погружения центра тяжести проекции криволинейной фигуры на вертикальную плоскость;
ωz – площадь проекции криволинейной фигуры на вертикальную плоскость.
Так как на свободной поверхности жидкости давление равно атмосферному, то Px=ρghcωz.
Сервис онлайн-записи на собственном Telegram-боте
Попробуйте сервис онлайн-записи VisitTime на основе вашего собственного Telegram-бота:
— Разгрузит мастера, специалиста или компанию;
— Позволит гибко управлять расписанием и загрузкой;
— Разошлет оповещения о новых услугах или акциях;
— Позволит принять оплату на карту/кошелек/счет;
— Позволит записываться на групповые и персональные посещения;
— Поможет получить от клиента отзывы о визите к вам;
— Включает в себя сервис чаевых.
Для новых пользователей первый месяц бесплатно.
Зарегистрироваться в сервисе
hc=1/2D; wz=pD2/4. С учетом этих формул Px=ρgpD3/8.

Вертикальная составляющая гидростатического давления определяется по формуле:
Pz=rgV,
где V – объем тела давления.
V=Vц – 1/2Vш; Vц=pD3/8; Vш=pD3/6; 

Результирующая сила гидростатического давления жидкости на криволинейную поверхность определяется по формуле:
 
Толщину стенок резервуара определяют в опасных сечениях по действующей силе и длине линии контакта. С учетом двойного запаса прочности её можно определить по формуле

трубопровод скважина нефть резервуар гидравлический
где [sр] – допускаемое напряжение на разрыв;
P – сила гидростатического давления жидкости, действующая на стенки резервуара в опасном сечении;
x – длина линии контакта в опасном сечении;
kз – коэффициент запаса прочности.
Aк – припуск на коррозию и технологические требования.
1) Найдем толщину стенок для сечения 2-2:
Длина линии контакта x=p*D.

2) Найдём толщину стенки резервуара для сечения 1-1
Найдем точку приложения силы Px.

hc=D/2; I=pD4/64;
 
Длина линии контакта 


Принимаем толщину стенки сосуда равной 4,9 мм.
3. Истечение жидкости через отверстия и насадки. Опорожнение резервуаров
В донной части резервуара имеется отверстие или насадок. Рассчитать параметры движения жидкости при истечении через отверстия или насадки. Определить скорость струи в сжатом сечении и расход при истечении через донное отверстие или насадок диаметром d для двух случаев: а – резервуар заполнен полностью; б – резервуар заполнен до половины. Вычислить время полного опорожнения резервуара. Определить и сравнить время опорожнения верхней и нижней половин резервуара
Так как отверстие находится в донной части резервуара, то траектория струи будет вертикальная прямая.
ω – площадь отверстия или насадка.
ω=πd2/4;
d=25мм = 0,025м
ω= 0,00049 м2;.
Скорость струи при истечении через отверстия или насадки в общем случае определяется по формуле 
где φ – коэффициент скорости;
Нпр – приведенный напор.
Приведенный напор зависит от перепада давлений на свободной поверхности жидкости и в среде, в которую происходит истечение,

где Н – геометрический напор над центром тяжести отверстия или насадка;
р0, рср – давление соответственно на свободной поверхности жидкости и в среде, в которую происходит истечение.
При истечении жидкости из открытых резервуаров в атмосферу Нпр=Н.
Расход жидкости при истечении через отверстия и насадки

где μ – коэффициент расхода.
Определим скорость струи в сжатом сечении и расход для двух случаев:
а)
резервуар заполнен полностью.
Нпр=Н=D.
Для цилиндрического внутреннего насадка φ=0,71, μ=0,71.
 

б)
резервуар заполнен до половины.
Нпр=Н=D/2


При истечении жидкости при переменном напоре часто требуется определить время для наполнения или опорожнения резервуара.
В общем случае, когда резервуар имеет произвольные очертания, время опорожнения t части резервуара может быть определено методами численного интегрирования выражения

где Ω – площадь горизонтального сечения резервуара;
dh – изменение уровня жидкости в резервуаре за бесконечно малый промежуток времени dt;
h – текущее значение уровня жидкости в резервуаре;
H1, H2 – уровень жидкости в резервуаре соответственно в начальный и конечный моменты времени;
Qп – расход жидкости, поступающий в резервуар.
В случаях сосудов шарообразной формы при отсутствии притока (Qп=0) интеграл имеет решение:


где tп – время полного опорожнения, а tч – время частичного опорожнения.
Время полного опорожнения:

Время опорожнения верхней половины:

Время опорожнения нижней половины:

4. Гидравлические струи. Силовое воздействие струи на преграду
Рассчитать параметры свободной затопленной струи жидкости в четырех сечениях: при x’=0 (начальное сечение), x’=xн (переходное сечение), x’=2xн, x’=4xн. Параметры определить для двух типов струи: плоской и круглой. Для плоской струи половина высоты отверстия b0, а его ширина l0=20b0. Для круглой струи радиус отверстия r0. Построить эпюры распределения скоростей в струе жидкости для указанных сечений.
Определить силовое воздействие круглой струи на плоскую твердую границу породы пласта для 2-х случаев: струя вытекает из отверстия долота перпендикулярно и под углом a к породе. Найти силу давления струи на породу в направлении действия струи и нормальную силу давления. Как изменятся силы, если к отверстию присоединить насадки: цилиндрический внешний и коноидальный
Схема движения свободной затопленной турбулентной струи
Основные расчетные зависимости для круглых и плоских свободных затопленных турбулентных струй
Скорость в начальном сечении u0 определим по формуле 
Приведенный напор зависит от перепада давлений на свободной поверхности жидкости и в среде, в которую происходит истечение,

d=r/rв => r=d*rв с учетом этой формулы 
С учетом исходных данных найдем 
Формула для определения расхода струи в начальном сечении 
2 = 0,62*10-3 м2 (для круглой струи)
(для плоской струи)
(для круглой струи)
(для плоской струи)
Коэффициент турбулентной структуры a: для круглой струи равен 0,08; для плоской принимаем 0,1.
Половина угла расширения b: для круглой струи 3,4*a=3,4*0,08=0,272; для плоской 2,4*а=2,4*0,1=0,24.
Расстояние от полюса до начального сечения x0: для круглой струи 0,29*r0/a=0,29*14/0,08=50,75 мм; для плоской струи 0,41*b0/a=0,41*14/0,1=57,4 мм.
Длина начального участка xн: для круглой струи 0,67*r0/a=0,67*14/0,08=117,25 мм; для плоской струи 1,03*b0/a=1,03*14/0,1=144,2 мм.
Расчетные значения радиуса r или полутолщины струи B, скорости на оси основного участка струи umax, расхода на основном участке Q представлены в таблице 2.
Таблица №2
| Сечения |
Плоская струя |
Круглая струя |
| B м |
umax, м/с |
Q*10-3, м3/с |
R м |
umax, м/с |
Q*10-3, м3/с |
| Переходное сечение X'=Xн |
0,04 |
14,46 |
104,4 |
0,03 |
14,46 |
12,04 |
| X'=2Xн |
0,07 |
11,04 |
136,73 |
0,06 |
8,52 |
20,44 |
| X'=4Xн |
0,12 |
8,15 |
185,17 |
0,10 |
4,67 |
37,24 |
Поперечные профили распределения скоростей в сечениях струи рассчитывают по формуле u=umax(1 - h1,5)2. Радиус R или полутолщину струи В разбивают на отрезки через 0,2h. Результаты расчетов представлены в таблицах №3 и №4.
Таблица № 3
| Сечения |
Параметры плоской струи |
Относительное расстояние от рассматриваемой точки до оси струи |
| 0 |
0,2 |
0,4 |
0,6 |
0,8 |
1 |
| Переходное сечение |
Скорость струи в точке u, м/с |
14,46 |
11,99 |
8,07 |
4,14 |
1,17 |
0,00 |
| Абсолютное расстояние от точки до оси струи B, м |
0 |
0,008 |
0,016 |
0,024 |
0,032 |
0,04 |
| x’=2xн |
Скорость струи в точке u, м/с |
11,04 |
9,15 |
6,16 |
3,16 |
0,89 |
0,00 |
| Абсолютное расстояние от точки до оси струи B, м |
0 |
0,014 |
0,028 |
0,042 |
0,056 |
0,07 |
| x’=4xн |
Скорость струи в точке u, м/с |
8,15 |
6,76 |
4,55 |
2,33 |
0,66 |
0,00 |
| Абсолютное расстояние от точки до оси струи B, м |
0 |
0,024 |
0,048 |
0,072 |
0,096 |
0,12 |
Таблица №4
| Сечения |
Параметры круглой струи |
Относительное расстояние от рассматриваемой точки до оси струи |
| 0 |
0,2 |
0,4 |
0,6 |
0,8 |
1 |
| Переходное сечение |
Скорость струи в точке u, м/с |
14,46 |
11,99 |
8,07 |
4,14 |
1,17 |
0,00 |
| Абсолютное расстояние от точки до оси струи B, м |
0 |
0,006 |
0,012 |
0,018 |
0,024 |
0,03 |
| x’=2xн |
Скорость струи в точке u, м/с |
8,52 |
7,06 |
4,75 |
2,44 |
0,69 |
0,00 |
| Абсолютное расстояние от точки до оси струи B, м |
0 |
0,012 |
0,024 |
0,036 |
0,048 |
0,06 |
| x’=4xн |
Скорость струи в точке u, м/с |
4,67 |
3,87 |
2,61 |
1,34 |
0,38 |
0,00 |
| Абсолютное расстояние от точки до оси струи B, м |
0 |
0,02 |
0,04 |
0,06 |
0,08 |
0,1 |
Силовое воздействие круглой струи на твердую преграду рассчитывают при тех же исходных данных по формулам: струя вытекает из отверстия перпендикулярно к породе Pкр=kнrw0u02, под углом a к породе Pкр=kнrw0u02sin2a, PN кр=kнrw0u02sina.
 
d=r/rв => r=d*rв; r=1,26*1000=1260 м3/кг.
w0=wc; wc=e*w.
Определим wc для каждого насадка и отверстия:
1) круглое отверстие в тонкой стенке:
ωс=0,64*0,00062=0,0004 м2
2) внешний цилиндрический насадок:
ω=0,00062 м2
3) коноидальный насадок:
ω=0,00062 м2
4) Давление струи на плоскую твердую поверхность, расположенную перпендикулярно струе:
а) круглое отверстие в тонкой стенке:


б) внешний цилиндрический насадок:


в) коноидальный насадок:


Наименьшее силовое воздействие струи на преграду будет при круглом отверстии в тонкой стенке, а наибольшее при коноидальном насадке.
5) Давление струи на плоскую твердую поверхность, наклоненную на угол a.
а) круглое отверстие в тонкой стенке:


б) внешний цилиндрический насадок:


в) коноидальный насадок:


Вывод: наибольшая сила воздействия струи на преграду наблюдается при использовании насадков
5. Гидравлический расчет трубопроводов. Выбор их диаметров
Подобрать диаметры трубопроводов, чтобы расход из каждого резервуара, питающего трубопровод, был одинаковый. Резервуары заполнены до половины. Вычертить расчетную схему. Построить пьезометрическую линию для магистрали

а) Расчёт расходов на участках трубопровода:
По условию задачи расходы жидкости в ветвях трубопровода будут одинаковые: Q1=Q2=…=Qn. Они определяются по формуле:

где Q – расход, подводимый по трубопроводу к насосной станции;
n – количество ответвлений, равное количеству резервуаров.
Расходы на участках определяются согласно разработанной схеме:
Тогда Q1= Q2= Q3= Q4= Q6=0,128 м3/с.
Расход на участке 7-8
Q7=Q1+Q2=0,128+0,128=0,256 м3/с.
Расход на участке 8-9
Q8=Q7+Q3 +Q4=0,256+0,128+0,128=0,512 м3/с.
Расход на участке 9-10
Q9=Q8+Q6=0,64 м3/с.
б) Расчёт диаметров магистрального трубопровода.
Приближенно можно принять, что диаметр трубопровода обычно соответствует экономически наивыгоднейшим скоростям течения жидкости u=0,8…1,5 м/с.
Тогда:

где w - площадь живого сечения трубопровода;
d – внутренний диаметр трубопровода.
Из полученного выражения определим диаметр:

Предварительно принимаем скорость движения в магистральном трубопроводе 1,1 м/с.
Рассчитываем диаметры трубопровода на участках.
На участке 9-10

По приложению 4 принимаем d9=900 мм.
На участке 8-9

По приложению 4 принимаем d8=800 мм.
На участке 7-9

По приложению 4 принимаем d7=600 мм.
Находим фактическую скорость на участках:

На участке 9-10

На участке 8-9

На участке 7-8

в) Расчет напоров в узловых точках.
Пьезометрический напор жидкости на входе в насосную станцию определяется по формуле:
Hн=zн+hсв,
где zн – отметка насосной станции;
hсв – свободный напор на входе в насосную станцию.
Отметка насосной станции zн= z10. Тогда H10=140,0+0,3=140,3 м.
В остальных узловых точках
Hн=Hк+hw,
где Hн, Hк – пьезометрический напор соответственно в начале и конце участка трубопровода;
hw – потери напора на участке.
Потери напора по длине определяются на каждом участке трубопровода

где l - коэффициент гидравлического трения;
l – длина участка трубопровода.
Трубопровод является гидравлически длинным. Потери напора на местных сопротивлениях учтем увеличением потерь по длине трубопровода на 10%. Тогда общие потери напора на участке составят:

Коэффициент гидравлического трения l определяют по расчетным зависимостям или по графику Мурина в зависимости от режима движения жидкости и зоны гидравлических сопротивлений, в которой работают участки трубопровода. Предварительно определяют число Рейнольдса по формуле

где n - коэффициент кинематической вязкости жидкости.
Результаты расчетов представлены в таблице №5
Таблица №5
| Но-мер учас-тка |
Факти-ческая скоро-сть , м/с |
Ди-аметр услов-ного прохо-да d, м |
Длина учас-тка l, м |
Red |

|
l |
Потери напора hw,м |
Номер узловой точки |
Напор в узловой точке H, м |
| 9-10 |
1 |
0,9 |
380 |
180000 |
9000 |
0,0164 |
0,39 |
10 |
140,3 |
| 8-9 |
1,02 |
0,8 |
100 |
163200 |
8000 |
0,0168 |
0,12 |
9 |
140,69 |
| 7-8 |
0,9 |
0,6 |
190 |
108000 |
6000 |
0,0185 |
0,27 |
8 |
140,81 |
| 7 |
141,08 |
г) Построение пьезометрической линии.
Чтобы резервуары не имели «мертвого» объема, должны соблюдаться условия:
z1>H7 156,2>141,08 (условие выполняется);
z2>H7 142,3>141,08 (условие выполняется);
z3>H8 144,7>140,81 (условие выполняется);
z4>H8 145,8>140,81 (условие выполняется);
z6>H9 150,6>140,69 (условие выполняется).
д) Расчет диаметров трубопровода на ответвлениях.
На ответвлениях весь напор тратиться на преодоление потерь. В этом случае потери напора определяются по формуле hw=zр+Hр-Hy,
где zр – геодезическая отметка дна резервуара;
Hр – уровень жидкости в резервуаре;
Hу – напор в соответствующей узловой точке.
Определяем потери напора:
на участке 1-7
h1=156,2+6-141,08=21,12 м;
на участке 2-7
h2=142,3+6-141,08=7,22 м;
на участке 3-8
h3=144,7+6-140,81=9,89 м;
на участке 4-8
h4=145,8+6-140,81=10,99 м;
на участке 6-9
h6=150,6+6-140,69=15,91 м;
При решении задания требуется найти диаметр по известным расходу и напору. Задаваясь стандартными диаметрами условного прохода труб, расчет выполняют способом подбора.
Расчет ведут по диаметру условного прохода, который приближенно можно определить по удельному сопротивлению трубопровода S0, выразив его из формулы hw=1,1S0Q2l; S0=hw/1,1*Q2*l.
Найдем S0 для участков трубопровода:
На участке 1-7
S0=21,12/1,1*0,1282*45=26,04 c2/м6.
На участке 2-7
S0=7,22/1,1*0,1282*25=16,02 c2/м6.
На участке 3-8
S0=9,89/1,1*0,1282*10=54,88 c2/м6.
На участке 4-8
S0=10,99/1,1*0,1282*20=30,49 c2/м6.
На участке 6-9
S0=15,91/1,1*0,1282*30=29,43 c2/м6.
Подбор диаметров трубопровода представлен в таблице №6.
Таблица №6
| № участка |
Длина участка l, м |
Потребные hw, м |
Q, м3/с |
Диаметр условного прохода d, м |
u,м/с |
Red |
 |
l |
Фактические hw, м
|
1-7
|
45
|
21,12
|
0,128
|
0,1 |
16,31 |
326115 |
1000 |
0,0205 |
137,58 |
| 0,125 |
10,44 |
260892 |
1250 |
0,0199 |
43,63 |
| 0,15 |
7,25 |
217410 |
1500 |
0,0195 |
17,19 |
| 2-7 |
25 |
7,22 |
0,128 |
0,15 |
7,25 |
217410 |
1500 |
0,0195 |
9,55 |
| 0,175 |
5,32 |
186351 |
1750 |
0,0192 |
4,37 |
3-8
|
10
|
9,89
|
0,128
|
0,1 |
16,31 |
326115 |
1000 |
0,0205 |
30,57 |
| 0,125 |
10,44 |
260892 |
1250 |
0,0199 |
9,70 |
| 0,15 |
7,25 |
217410 |
1500 |
0,0195 |
3,82 |
4-8
|
20
|
10,99
|
0,128
|
0,15 |
10,44 |
260892 |
1250 |
0,0199 |
19,39 |
| 0,125 |
7,25 |
217410 |
1500 |
0,0195 |
7,64 |
6-9
|
30
|
15,91
|
0,128
|
0,15 |
10,44 |
260892 |
1250 |
0,0199 |
29,09 |
| 0,125 |
7,25 |
217410 |
1500 |
0,0195 |
11,46 |
Принимаем диаметры на участках трубопровода: d1=150 мм, d2=175 мм, d3=125 мм, d4=125 мм, d6=125 мм.
Окончательно расход из резервуаров регулируют задвижками на трубопроводах
6. Основы гидравлического расчета магистрального трубопровода и выбор расположения насосных станций
Построить в масштабе профиль трассы. Определить потребность в насосных станциях и местах их расположения, чтобы давление в трубах p не превышало допустимого. Подобрать толщину стенки трубопровода. Рассчитать силы, стремящиеся разорвать и срезать колено трубопровода, и необходимую реакцию опоры
1. Расчет скорости нефти в трубопроводе.
Приближенно можно принять, что диаметр трубопровода обычно соответствует экономически наивыгоднейшим скоростям течения жидкости u=0,8…1,5 м/с.
Тогда:

где w - площадь живого сечения трубопровода;
d – внутренний диаметр трубопровода.
Из полученного выражения определим диаметр:

Предварительно принимаем скорость движения в магистральном трубопроводе 1,1 м/с.

По приложению 4 принимаем d=900 мм
Находим фактическую скорость на участках:
 
2. Расчет режима движения жидкости.
Для расчета используем формулу  
Режим движения турбулентный. В нём наблюдается три зоны гидравлических сопротивлений.
3. Выбор зоны гидравлических сопротивлений работы трубопровода и коэффициента гидравлического трения l.
Рассчитываем для трубопровода отношение d/D. d/D=0,9/1*10-4=9000
Из таблицы №5 найдём l=0,022
4. Расчет потерь напора в трубопроводе.
Магистральные трубопроводы рассчитываются как гидравлически длинные. Местные потери трубопровода учтём как 10% от потерь напора по длине. Тогда общие потери напора составят:


5. Расчет потребного напора для перекачки жидкости.
Потребный напор определяется с учетом высотного положения трассы по формуле:
Hп=hw+zk-zн,
где zk, zн – высотное положение соответственно начала и конца трубопровода.
Hп=548+312-140=720 м.
6. Расчет числа насосных станций.
Напор Hст, развиваемый одной насосной станцией, соответствует в первом приближении предельно допустимому давлению жидкости в трубе pmax:


Приближенно количество станций можно определить по формуле:

7. Выбор расположения насосных станций на профили трассы.
Месторасположение насосных станций определяем графическим способом. Головную станцию располагаем в начале магистрального трубопровода. Расположение второй и последующих станций определяем по линии гидравлического уклона:
 
На графике при разных горизонтальном и вертикальном масштабах наклон линии строят следующим образом: на вертикальной оси откладывают величину потерь напора, полученную точку соединяют с проекцией точки окончания трубопровода на горизонтальную ось (см. рис. 4 пунктирная линия). Далее на вертикальной оси последовательно откладывают напоры насосных станций и из полученных точек проводят линии, параллельные линии гидравлического уклона. Точки пересечения проведенных линий с профилем трассы будут местом предварительной установки насосных станций.
Необходимо, чтобы давление в любой точке рассматриваемой трассы не превышало pmax. Это соблюдается, если отрезок между линией гидравлического уклона и профилем трассы нигде не превышает Hст. Если это условие не выполняется, то следует снизить напор насосной станции. В данной задаче по всей длине трассы это условие не соблюдается. На участке трубопровода 4 станции напор больше Нст.Поэтому снижаем напор 4 станции до 94 м.
Н4’=94 м
8. Расчет участка трубопровода с лупингом.
Станция 5 находится вблизи перевальной точки, развиваемый её напор не может быть использован полностью, поэтому сооружать её не целесообразно. Необходимый напор можно получить за счет снижения потерь путем прокладки параллельного трубопровода на участке между 4 и 5 станцией.
В строительстве и при эксплуатации нефтепроводов прокладываемые трубопроводы для снижения напора называются лупингами.
Примем dл= dтр=900 мм
Расход для одной ветви трубопровода с лупингом:
Qл=0,5Q = 0,5*0,64= 0,32 м3/с
Скорость нефти в лупинге определим по формуле:
 
Число Рейнольдса определяем по формуле:
 
Коэффициент гидравлического трения определяем по формуле Блазиуса:

Потери трубопровода с лупингом :

9. Выбор толщины стенки трубопровода.
Мысленно рассечем трубу вертикальной плоскостью 1-1 (рис. 7). На половину трубы длиной l действует сила гидростатического давления Px
=
p
w
z
=
pd
вн
l
,
где p – давление в магистральном трубопроводе;
dвн – внутренний диаметр трубопровода; в первом приближении принимается равным диаметру условного прохода.

Эта сила уравновешивается двумя силами T, приложенными к стенкам трубы в местах условного разреза. Силу Т определяют из условия равновесия системы. Эти силы стремятся разорвать трубопровод по его образующей. Таким образом, стенки трубопровода работают на растяжение. Силу Т можно определить из уравнения прочности трубопровода, в которое входят размеры поперечного сечения стенки трубы и допустимое напряжение материала трубопровода [s]:

где d - толщина стенки трубопровода.
Толщина стенки с учетом вышеприведенных формул составит:

По требованию потребителя трубы групп А и В должны выдерживать испытательное гидравлическое давление в соответствии с ГОСТ 3845-75 при допустимом напряжении, равном 40% от временного сопротивления.
Выбирают тип трубы соответствующего сортамента согласно ГОСТу для стальных электросварных прямошовных труб; в соответствии с ГОСТ 10705-80 для марки стали Ст3пс, Ст3сп временное сопротивление sн=272 МПа. Тогда [s]=0,4×272=108 МПа.
Толщина стенки составит:

По ГОСТ 10704-91 выбираем толщину стенки трубопровода d=5 мм и наружный диаметр dн=920 мм. Внутренний диаметр трубопровода составит: dвн=dн-2d. dвн=920-2×5=910 мм.
10. Расчет сил, действующих на стенки изогнутой трубы.

В местах поворота трубопровода устраивают анкерные опоры для удержания трубопровода в проектном положении. Колено трубы (рис) под действием внутреннего гидростатического давления стремиться сдвинуться в направлении силы Р. Эта сила возникает за счет разности сил давления жидкости на относительно большую поверхность трубы аа’ и малую поверхность bb’. Отсек трубопровода aa’bb’ находится в равновесии под действием сил, показанных на рис. . Весом жидкости в колене трубопровода пренебрегаем:
 
Сила Р равная реакции опоры R, определяется геометрическим суммированием Р1 и Р2:
 
Сила Р1 стремится разорвать трубу по плоскости ab, а Р2 – по плоскости a’b’. Сила, стремящаяся срезать трубу по плоскостям ab и a’b’, определяется по формуле:
 
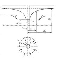
7. Безнапорный приток жидкости к скважине
Вычислить расход (дебит) скважины Qс, скорость фильтрации w, средние скорости движения частиц жидкости u, ординаты кривой депрессии (не менее чем в 10 сечениях), построить кривую депрессии и гидродинамическое поле.

Принимаем среднее значении коэффициента фильтрации Кф=0,005 см/с
Определим радиус влияния скважины на понижение уровня жидкости по формуле:

где Rк – радиус контура питания;
Dh – снижение уровня жидкости, Dh=h1 – h2.

Предварительно, предполагая, что режим движения ламинарный, определяем расход жидкости по формуле:

где hк, hc –соответственно глубина фильтрационного потока на контуре питания и глубина жидкости в скважине;

Определяем максимальную скорость фильтрации по формуле:
 
При температуре 70С коэффициент кинематической вязкости воды будет равен 1,42×10-6 м2/с. По формуле Н.Н.Павловского:
 Re=1.17 < 7….9
Режим движения ламинарный.
Уравнение ветви кривой депрессии имеет вид:

Ординаты кривой депрессии, в различных сечениях представлены в таблице № 7.
Таблица №7
| Сечения |
Ординаты кривой депрессии h м |
Скорость фильтрации , м/с |
| 180 |
10,79 |
0,000002 |
| 162,01 |
10,72 |
0,000002 |
| 144,02 |
10,64 |
0,000002 |
| 126,03 |
10,54 |
0,000002 |
| 108,04 |
10,44 |
0,000003 |
| 90,05 |
10,31 |
0,000003 |
| 72,06 |
10,15 |
0,000004 |
| 54,07 |
9,94 |
0,000006 |
| 36,08 |
9,63 |
0,000008 |
| 18,09 |
9,09 |
0,000017 |
| 0,1 |
4,05 |
0,004076 |
Среднюю скорость движения частиц жидкости для однородного грунта рассчитывают по формуле:
 
Список использованной литературы
1. Вихарев А Н Решение прикладных задач по гидромеханике. Учебное пособие-Архангельск Изд-во АГТУ 2000
|