ASIC (Applications Specific Integrated Circuit) стали первыми приборами, которые в определенной степени учитывали особые требования, предъявляемые заказчиками, и которые не могли быть достаточно просто и экономично реализованы на стандартных приборах (универсальных - общего назначения). Наиболее активно ASIC стали развиваться с введением технологии программных ядер и программных библиотек периферийных компонентов, которые, по мере их развития, позволили создавать на одном кристалле достаточное большое количество функций, чтобы можно было называть такие кристаллы "системами-на-кристалле". И если до появления ASIC функции, реализуемые электронной аппаратурой, определялись, в основном, предлагаемыми полупроводниковыми отраслями стандартными приборами, то сегодня набор функций, возможности приборов, изготавливаемых в полупроводниковых отраслях определяют в первую очередь потребности пользователей - рыночный спрос. Образно говоря, раньше собака (полупроводниковые отрасли) виляли хвостом (потребителем), то сегодня хвост виляет собакой.
Подтверждением этого является колоссальное количество всевозможных устройств, производимых в громадных объемах и реализованных на основе ядер ARM7TDMI фирмы ARM и ядрах других фирм (например сотовые телефоны - дальнейшее перечисление займет слишком много места). Еще одним подтверждением активизации виляния собакой является продолжение работ как фирмой ARM, так и другими фирмами, по созданию ядер со все большей производительностью и с новыми функциональными возможностями.
Для современных критичных к стоимости и потреблению применений необходим очень высокий уровень производительности. Персональные цифровые информационные устройства (PDA) и интеллектуальные телефоны - вычислительные устройства размером с ладонь - уже объединяются со средствами цифровой беспроводной коммуникации, с тем, чтобы обеспечить обращение к новым услугам Internet, к этому теперь добавляется Java и распознавание речи! Цифровые приставки обеспечивают получение MPEG видео и Surround Sound звучания по цене, доступной для потребителя со средним достатком. Ширина полосы частот сетей растет и функции маршрутизации перемещаются на сетевые интерфейсные карты персональных компьютеров. Кабельные, xDSL и 56-кбодовые модемы реализуют все более сложные алгоритмы перемещения данных. В ближайшей перспективе просматривается сотовая видео конференц-связь.
Приборы семейство ARM9 Thumb, официально выпущенные в октябре 1997 года, располагают производительностью, необходимой практически для всех этих применений, причем при очень малом потреблении, что чрезвычайно важно для устройств с батарейным питанием. Отметим, что снижение потребления актуально не только для карманных устройств - высокое потребление ограничивает уровень интеграции кристалла, что приводит к необходимости реализовывать необходимые функции в нескольких кристаллах, ведет к нежелательным шумам вентиляторов охлаждения, ведет к дорогостоящему корпусированию или к использованию более дорогих компонентов питания.
Семейство 32-разрядных ARM RISC процессоров ARM9TDMI, сохранившее основные преимущества ARM7TDMI, ставших промышленным стандартом, обеспечивает двукратное увеличение производительности, при изготовлении по эквивалентной технологии.
Забиваем Сайты В ТОП КУВАЛДОЙ - Уникальные возможности от SeoHammer
Каждая ссылка анализируется по трем пакетам оценки: SEO, Трафик и SMM.
SeoHammer делает продвижение сайта прозрачным и простым занятием.
Ссылки, вечные ссылки, статьи, упоминания, пресс-релизы - используйте по максимуму потенциал SeoHammer для продвижения вашего сайта.
Что умеет делать SeoHammer
— Продвижение в один клик, интеллектуальный подбор запросов, покупка самых лучших ссылок с высокой степенью качества у лучших бирж ссылок.
— Регулярная проверка качества ссылок по более чем 100 показателям и ежедневный пересчет показателей качества проекта.
— Все известные форматы ссылок: арендные ссылки, вечные ссылки, публикации (упоминания, мнения, отзывы, статьи, пресс-релизы).
— SeoHammer покажет, где рост или падение, а также запросы, на которые нужно обратить внимание.
SeoHammer еще предоставляет технологию Буст, она ускоряет продвижение в десятки раз,
а первые результаты появляются уже в течение первых 7 дней.
Зарегистрироваться и Начать продвижение
Производительность ARM9TDMI составляет 133 MIPS при 120 МГц и технологии CMOS с топологическими нормами 0, 35 мкм. При топологии 0, 25 мкм и 0, 18 мкм рабочая частота составит свыше 200 МГц и производительность свыше 220 MIPS.
Эти новые уровни производительности открывают возможность создания массы новых применений, с расширенными возможностями, позволяют, за счет реализации множества функций на одном высокопроизводительном CPU, снижать стоимость систем.
В семейство ARM9TDMI, в настоящее время, входит процессорное ядро ARM9TDMI, и оснащенные кэш процессорные макроядра ARM940T и ARM920T.
Общие для, всех процессоров семейства ARM9TDMI возможности:
Высокопроизводительный 32-разрядный ARM RISC механизм
Гарвардская архитектура с раздельными шинами команд и данных
Пятиуровневый конвейер
Модуль, выполняющий операцию перемножения/аккумулирования 16x32 за один цикл
Гибкая синхронизация CPU и шины, включая асинхронную, синхронную и однотактовую конфигурации
Thumb 16-разрядная система команд, обеспечивающая лучшую в отрасли, плотность кода
Встроенные возможности EmbeddedICE JTAG отладки программного обеспечения
Возможность адаптации к перспективным CMOS технологиям с меньшими топологическими нормами
Совместимость с низковольтными CMOS технологиями
100% совместимость двоичных кодов пользователя с ARM7TDMI
Возможность интеграции класса "система-на-кристалле" со встроенным тестированием в процессе производства

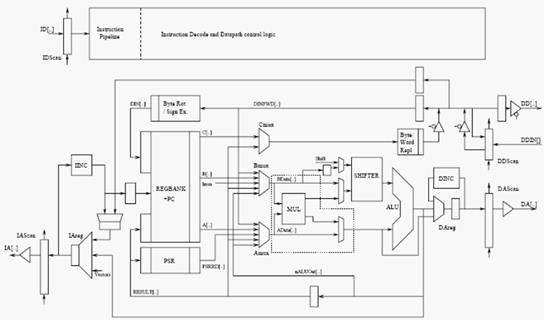
Рис. 1. Блок-схема процессорного ядра ARM9TDMI
Следствием интеллектуализации современных применений является рост объемов программного обеспечения. С ростом объема кодов и данных память занимает все большую долю стоимости системы.
За счет использования сжатой системы команд Thumb приборы семейства ARM9 Thumb обеспечивает ту же самую наилучшую в отрасли плотность кода как и приборы семейства ARM7 Thumb и, следовательно, обеспечивают снижение стоимости системы в целом. Кроме обеспечения меньшего объема памяти увеличение плотности кодов, при сохранении той же самой производительности, для выборки команд используется более узкая полоса частот, что позволяет освободившуюся полосу использовать для других целей. Как и в семейство ARM7 Thumb в семейство ARM9 Thumb кроме ядра ARM9TDMI входят макроядра. К настоящему времени в это семейство входят макроядра ARM940T и ARM920T основным отличием которых является наличие встроенных кэш команд и данных.
Сервис онлайн-записи на собственном Telegram-боте
Попробуйте сервис онлайн-записи VisitTime на основе вашего собственного Telegram-бота:
— Разгрузит мастера, специалиста или компанию;
— Позволит гибко управлять расписанием и загрузкой;
— Разошлет оповещения о новых услугах или акциях;
— Позволит принять оплату на карту/кошелек/счет;
— Позволит записываться на групповые и персональные посещения;
— Поможет получить от клиента отзывы о визите к вам;
— Включает в себя сервис чаевых.
Для новых пользователей первый месяц бесплатно.
Зарегистрироваться в сервисе
Поскольку приборы семейства работают с тактовыми частотами существенно превышающими 100 МГц (120 МГц при топологии 0, 35 мкм и свыше 200 МГц при топологиях 0, 25 и менее), то тщательно разработанные кэшированные макроядра скрывают высокочастотные запросы схемы в предварительно разработанном "черном ящике", обеспечивающем легкий в использовании встроенный низкочастотный системный шинный интерфейс, что позволяет разработчику ASIC или ASSP сконцентрироваться на специфических особенностях проекта. Поскольку кэширование значительно уменьшает потребность в широкой полосе частот, для размещенной в остальной части системы памяти, появляется возможность снизить потребление системы, особенно при использовании внешней, относительно кристалла, памяти.
Полоса пропускания системной шины и памяти обеспечивают решение задач обработки видео и других задач, или позволяет использовать менее дорогой 16-разрядный или даже 8-разрядный интерфейс ЗУ. Все это позволяет семейству ARM9 Thumb обеспечивать производительность свыше 100 MIPS при системе памяти типичной для 16-разрядной системы.
Макроядро ARM940T - законченная высокопроизводительная подсистема CPU, содержащая ядро ARM9TDMI (целочисленное RISC CPU), кэши команд и данных, емкостью по 4 Кбайт, буфер записи, блок защиты и интерфейс AMBA ASB шины. Макроядро ARM940T предназначено для использования во встраиваемых управляющих применениях, не требующих поддержки виртуальной памяти. Модуль защиты, обеспечивающий возможности конфигурирования и защиты памяти, необходимые для типичной RTOS, позволяет определять 8 областей памяти, каждая из которых располагает независимыми полномочиями разрешения и доступа к кэш и буферу записи. Модуль защиты полностью сконфигурирован из встроенных регистров, что обеспечивает простую программную модель и исключает потребность сохранения в памяти таблицы отображения страниц. Обычно макроядро ARM940T используется в тех применениях, в которых конечный пользователь никогда не добавляет программное обеспечение к системе - типа процессоров, встраиваемых в платы сетевого интерфейса, принтеры, TV и Internet приставки и в автомобильных применениях.
Макроядро ARM920T, также оснащенная кэш команд и данных, но емкостью по 16 Кбайт, законченная высокопроизводительная подсистема CPU на основе ядра ARM9TDMI, с буфером записи и интерфейсом AMBA ASB шины, но вместо блока защиты макроядро оснащено полным MMU - блоком поддержки виртуальной памяти. Макроядро ARM920T ориентировано на использование в "открытых" системах, для которых необходимо полное управление виртуальной памятью и развитая защита собственной памяти - к таким системам относятся персональные информационные устройства (PDA), сетевые компьютеры, интеллектуальные телефоны, X- и Windows-терминалы.
Блок-схема макроядра ARM920T представлена на Рис. 2.

Рис.2. Блок-схема макроядра ARM920T
Рисунок на стр1-3 ARM920T Technical Reference Manual http://www.arm.com/Documentation/UserMans/ строка ARM920T (Rev 0) DDI-0150A issued Jun 1999
Процессоры семейства ARM9 Thumb обеспечивают возможность существенного сокращения стоимости и сроков вывода на рынок усовершенствованных версий разработки, за счет реализации одним высокопроизводительным CPU функций, ранее выполнявшихся отдельными независимыми микроконтроллерами. Интеллектуальные телефоны, схемы приставок и программные модемы в PDA отражают эту тенденцию. К основным преимуществам применения процессоров семейства ARM9 Thumb относятся:
Более низкая стоимость аппаратных средств, поскольку для единственной системы памяти требуется меньшее количество выводов, меньшее количество компонентов и меньшая мощность источника питания.
Нет необходимости разделять ПО между несколькими MCU.
Нет необходимости в организации каналов связи между несколькими MCU.
Исключается сложная многопроцессорная отладка.
Вся разработка программного обеспечения ведется единым комплектом инструментальных средств для единой архитектуры CPU.
Равномерная несегментированная 32-разрядная архитектура памяти, с адресным пространством 4 Гбайта, упрощает разработку программного обеспечения.
Технические характеристики приборов семейства ARM9 Thumb
| Ядро CPU |
Занимаемая площадь |
Потребление, мВт/МГц |
Тактовая частота |
Производительность |
| ARM9TDMI 5-уровневый конвейер, интерфейс Гарвардской шины, ARM RISC ядро с Thumb и EmbeddedICE |
2, 4 мм2 при 0, 25 мкм
3, 7 мм2 при 0, 35 мкм
4, 8 мм2 при 0, 4 мкм
|
Пиковое - 1, 35
Среднее - 0, 7
Idle - <100 (мкВт)
|
120 МГц при CMOS 0, 35 мкм
>200 МГц при CMOS 0, 25 мкм и менее
|
1, 1 MIPS/МГц
132 MIPS при 120 МГц
220 MIPS при 200 МГц
|
| Прибор |
Ядро CPU |
Объем кэш, команд + данных |
Управление памятью |
Занимаемая площадь |
Потребление, мВт/МГц |
| ARM940T кэшированное процессорное макроядро |
ARM9TDMI |
4 Кбайт + 4 Кбайт |
Простая память
Конфигурирование и защита
|
8, 1 мм2 при 0, 25 мкм
12, 7 мм2 при 0, 35 мкм
16, 6 мм2 при 0, 4 мкм
|
Пиковое - 5, 0
Среднее - 2, 5
Idle - <100 (мкВт)
при 0, 35 мкм и 3, 3 В
|
| ARM920T кэшированное процессорное макроядро |
ARM9TDMI |
16 Кбайт + 16 Кбайт |
ARM v4 MMU с полной поддержкой виртуальной памяти |
20 мм2 при 0, 25 мкм
30 мм2 при 0, 35 мкм
38 мм2 при 0, 4 мкм
|
Пиковое - 5, 0
Среднее - 2, 5
Idle - <100 (мкВт)
при 0, 35 мкм и 3, 3 В
|
|