Техническое задание
Наименование, область применения и назначение изделия
Проектирование гидросхемы приводов машины для сварки трением.
Гидросхему приводов целесообразно использовать в автомобилестроение и инструментальном производстве.
Гидросхема приводов предназначена для автоматизации основных операций, выполняемых на машине для сварки трением при использовании элементов гидроавтоматики.
Цели и задачи разработки
Проектирование гидросхемы приводов машины с целью автоматизации основных операций, выполняемых на машине для сварки трением при использовании элементов гидроавтоматики.
Источники разработки
Разработка ведется на основании изучения состава современного промышленного оборудования, прогнозирования потребности в оборудовании данного класса у предприятий и частных фирм.
Технические требования
Состав машины и требования к конструктивному исполнению
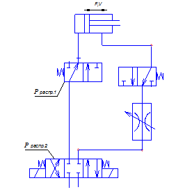
Гидросхема должна содержать следующие узлы:
- привод сжатия заготовки;
- привод тормоза;
- привод захватов;
- гидростанция.
Требования к надежности и технике безопасности.
В наиболее ответственных местах должны быть предусмотрены предохранительные устройства от перегрузок.
Электроаппаратура и электродвигатели должны быть защищены от попаданий влаги по категории « Правил устройства электроустановок (ПУЭ)», утвержденных Госэнергонадзором.
Конструкции проектируемых узлов и систем должна исключать их поломку при нештатных ситуациях.
Требования к технологичности производства
и эксплуатации.
Конструкция узлов и систем гидросхемы должна быть технологичной при изготовлении, эксплуатации и ремонте.
Составные части узлов и систем гидросхемы должны быть доступны для технологического обслуживания и ремонта.
Требования к метрологическому обеспечению.
Все используемые измерительные устройства и датчики должны быть отградуированы, и пройти соответствующую аттестацию.
Требования к уровню унификации и стандартизации.
При проектировании гидросхемы приводов необходимо стремиться к максимальной унификации и стандартизации проектируемых узлов и систем, деталей и покупных изделий , а также использовать как можно больше стандартных крепежных деталей и т.п.
Эстетические и эргономические требования.
Забиваем Сайты В ТОП КУВАЛДОЙ - Уникальные возможности от SeoHammer
Каждая ссылка анализируется по трем пакетам оценки: SEO, Трафик и SMM.
SeoHammer делает продвижение сайта прозрачным и простым занятием.
Ссылки, вечные ссылки, статьи, упоминания, пресс-релизы - используйте по максимуму потенциал SeoHammer для продвижения вашего сайта.
Что умеет делать SeoHammer
— Продвижение в один клик, интеллектуальный подбор запросов, покупка самых лучших ссылок с высокой степенью качества у лучших бирж ссылок.
— Регулярная проверка качества ссылок по более чем 100 показателям и ежедневный пересчет показателей качества проекта.
— Все известные форматы ссылок: арендные ссылки, вечные ссылки, публикации (упоминания, мнения, отзывы, статьи, пресс-релизы).
— SeoHammer покажет, где рост или падение, а также запросы, на которые нужно обратить внимание.
SeoHammer еще предоставляет технологию Буст, она ускоряет продвижение в десятки раз,
а первые результаты появляются уже в течение первых 7 дней.
Зарегистрироваться и Начать продвижение
Конструкция проектируемых узлов и систем гидросхемы приводов и их внешний вид должны соответствовать современным требованиям технической эстетики.
Установка органов управления и усилия, прикладываемые к ним человеком, должны соответствовать эргономическим требованиям.
Специфические требования.
По основным техническим характеристикам и технико-экономическим показателям проектируемые узлы и системы гидросхемы приводов должны иметь преимущества перед подобными образцами данного класса оборудования и находиться на уровне современных зарубежных образцов.
Требования к основным частям установки, сырью и эксплуатационным материалам.
Выбор дефицитных комплектующих изделий материалов и дорогостоящих видов термообработки должен иметь убедительную обоснованность.
Условия эксплуатации, требования к техническому обслуживанию и ремонту приводов.
Все составляющие гидросхемы приводов должны быть рассчитаны для работы в закрытых помещениях при температуре -20…+80 С.
Питание насосной станции должно осуществляться от сети переменного тока напряжением 220В с частотой 50Гц.
Приводы машины периодически должен обслуживать один человек.
Система обслуживания должна включать:
- ежедневное обслуживание;
- еженедельное обслуживание;
-техническое обслуживание после 1000 часов работы;
-техническое обслуживание после 2000 часов работы.
Требование к маркировке и установке.
На видных местах приводов должны быть прикреплены таблички, изготовленные по ГОСТ 12969-67, на которых должны быть указаны:
-наименование привода или его составной части;
-год выпуска.
Маркировка должна быть выполнена краской и трафаретом, либо выгравирована.
Перед упаковкой неокрашенные поверхности должны быть законсервированы.
Требования к транспортированию и хранению.
Упакованные изделия транспортируются в открытых транспортных средствах всех видов в соответствии с правилами перевозки грузов на транспорте данного вида.
Условия транспортирования и хранения должны быть соблюдены в соответствии с ГОСТ 15150-69.
Экономические требования.
Срок окупаемости затрат на разработку и освоение производства- не более 3-х лет.
гидроцилиндр насосная привод сварка
Содержание
Введение
Исходные данные
1. Подбор гидроцилиндров
2. Выбор насосной станции
3. Подбор регулирующей аппаратуры
4. Расчет трубопровода
5. Расчет потерь
6. Расчет потерь в приводе сжатия заготовки
7. Расчет регулировочной и механической характеристик
8. Принцип работы гидроцилиндра
Заключение
Сервис онлайн-записи на собственном Telegram-боте
Попробуйте сервис онлайн-записи VisitTime на основе вашего собственного Telegram-бота:
— Разгрузит мастера, специалиста или компанию;
— Позволит гибко управлять расписанием и загрузкой;
— Разошлет оповещения о новых услугах или акциях;
— Позволит принять оплату на карту/кошелек/счет;
— Позволит записываться на групповые и персональные посещения;
— Поможет получить от клиента отзывы о визите к вам;
— Включает в себя сервис чаевых.
Для новых пользователей первый месяц бесплатно.
Зарегистрироваться в сервисе
Список литературы
Введение
Применение гидроприводов позволяет упростить кинематику машин, снизить металлоемкость, повысить точность, надежность и уровень автоматизации.
Широкое использование гидроприводов определяется рядом их существенных преимуществ перед другими типами приводов и, прежде всего возможностью получения больших усилий и мощностей при ограниченных размерах гидродвигателей. Гидроприводы обеспечивают широкий диапазон бесступенчатого регулирования скорости, возможность работы в динамических режимах с требуемым качеством переходных процессов, защиту системы от перегрузки и точный контроль действующих усилий. С помощью гидроцилиндров удается получить прямолинейное движение без кинематических преобразователей, а также обеспечить определенное соотношение скоростей прямого и обратного ходов.
Гидроприводы имеют и недостатки, которые ограничивают их использование в станкостроение. Это потери на трение и утечки, снижающие КПД гидропривода и вызывающие разогрев рабочей жидкости.
При правильном конструировании, изготовлении и эксплуатации гидроприводов их недостатки могут быть сведены к минимуму. Для этого нужно знать хорошо унифицированные узлы станочного гидропривода, централизованно изготовляемые специализированными заводами, а также типовые узлы специального назначения.
Исходные данные:

Привод сжатия заготовки:






= 5 см/с
Привод тормоза: ; ; .
Привод захватов заготовки:
; ;
Последовательность работы:3-1-2-3-1-2
Длина магистрали: 4,5м
1. Подбор гидроцилиндров
Привод сжатия заготовки

.
1. Рассчитаем площадь гидроцилиндра F [3, с.381]:
(1)
где Pmax
– максимальное усилие, Pmax
=63000 Н;
р – давление в системе МПа; выбирается из ряда стандартных значений( 6,3; 10; 12,5; 16; 20; 25; 32;40;50;63).
Принимаем рабочее давление:

2. Расчетный диаметр поршня гидроцилиндра [3, с.384]:
(2)
где F – площадь гидроцилиндра, мм2
;
p - постоянная, p=3,14.

Выбираем гидроцилиндр: 1- 50х200
по ОСТ2 Г21-1-73 [2, с.48]:
Позиция в гидросхеме -(1)
 

3. Действительная площадь гидроцилиндра [3, с.381]:
(3)
где D- диаметр поршня, мм;
p - постоянная, p=3,14.
 
4. Рассчитаем расход Q [2, с.382]:
(4)
где -действительная площадь гидроцилиндра, ;
-скорость движения гидроцилиндра, .

Привод тормоза.


1. Рассчитаем площадь гидроцилиндра F по формуле (1):

Принимаем рабочее давление:

2. Расчетный диаметр поршня гидроцилиндра по формуле (2):

Выбираем гидроцилиндр: 1- 30х150
по ОСТ2 Г21-1-73 [2, с.48]:
Позиция в гидросхеме -(2)
 

3. Действительная площадь гидроцилиндра по формуле (3):

4. Рассчитаем расход Q по формуле (4):

Привод захватов.


1. Рассчитаем площадь гидроцилиндра F по формуле(1):

Принимаем рабочее давление:

2. Расчетный диаметр поршня гидроцилиндра по формуле (2):

Выбираем гидроцилиндр: 1-70х3600
по ОСТ2 Г21-1-73 [2, с.48]:
Позиция в гидросхеме -(3)
 

3. Действительная площадь гидроцилиндра по формуле (3):

4. Рассчитаем расход Q по формуле (4):

2. Выбор насосной станции
Выбираем насосную станцию типа 3АМЛ 48-84-УХЛ 4Г49-33
[3, с.38]:
| 3 |
А |
М |
Л |
Г48-8 |
4 |
УХЛ |
12Г12-23АМ 4А112МВ6 |
4Г49-33 |
3 – исполнение по высоте гидрошкафа;
А – с теплообменником и терморегулятором (исполнение по способу охлаждения);
М – один агрегат за щитом (исполнение по количеству и расположению насосных агрегатов);
Л – левое, расположение насосного агрегата;
Г48-8 – обозначение насосной установки;
4 – исполнение по вместимости бака (160л.);
УХЛ – климатическое исполнение по ГОСТ15150-69;
12Г12-23АМ – тип комплектующего насоса;
4А112МВ6– тип электродвигателя;
4Г49-33 – номер насосного агрегата.
3. Подбор регулирующей аппаратуры
1. Дроссель (гидроклапан давления) ДР-12
[2, с.160]: Позиция в гидросхеме - (8)
Диаметр условного прохода 16 мм.
Расход масла- 
Внутренние утечки Масса 3,5 кг.
2. Дроссель с обратным клапаном (регулятор потока) КВМК 16
G
1.1
[2, с.160]:
Позиция в гидросхеме -(4)
Диаметр условного прохода16 мм.
Расход масла- 
Потеря давления в клапане-0,1 МПа. Масса 1,1 кг.
3. Обратный клапан по ГОСТ 21464-76
[2, с.112]:
Позиция в гидросхеме -(9)
Диаметр условного прохода 10 мм.
Расход масла-
Утечки масла при номинальном давлении- 0,08 л/мин. Масса- 1,46 мин.
4. Редукционный клапан 20-32-1к-УХЛ 4
[2, с.131]:
Позиция в гидросхеме -(6)
Диаметр условного прохода 20 мм.
Исполнение по номинальному давлению 32 МПа.
Расход масла Q=40 л/мин.
Исполнение по присоединению - резьбовое с конической резьбой (1к).
Климатическое исполнение УХЛ, категория размещения 4.
Потеря давления Масса 4,6 кг.
5. Двухпозиционный гидрораспределитель [2, с.88]
ВЕ 16-573-30/ОФ В220-50 Н.Д
Позиция в гидросхеме -(5)
В - гидрораспределитель золотниковый;
Е - электромагнитное управление;
16- условный диаметр прохода;
573- вид исполнения;
30/- номер конструкции;
ОФ - без пружинного возврата с фиксатором;
В220-50- переменный ток с напряжением 220 В и с частотой 50 Гц;
Н- электромагнит с управлением от кнопки;
Д- подвод кабеля сверху к электромагниту.
Расход масла Время срабатывания- 0,02-0,06 с.
Номинальное давление 32 МПА. Потери давления 0,55 МПа.
6. Трехпозиционный гидрораспределитель[2, с.88]
ВЕ 16 -44А-31/ОФ В220-50 Н.Д
Позиция в гидросхеме -(7)
В - гидрораспределитель золотниковый;
Е - электромагнитное управление;
16- условный диаметр прохода;
44А - вид исполнения по гидросхеме;
31/- номер конструкции;
ОФ - без пружинного возврата с фиксатором;
В220-50- переменный ток с напряжением 220 В и с частотой 50 Гц;
Н- электромагнит с управлением от кнопки;
Д- подвод кабеля сверху к электромагниту.
Потери давления 0,55 МПа.
Номинальное давление 32 МПА
4. Расчет трубопровода
Принимаем материал труб. Ст. 20.
Внутренний диаметр трубопровода [3, с.391]:
(5)
- регламентированная скорость для напорных магистралей при р=63 МПа и - при р=10 МПа ;
Q- расход жидкости, .
- для привода сжатия заготовки;
- для привода тормоза;
- для привода захватов.
- регламентированная скорость для сливных магистралей, р=2,5МПа;
- для привода сжатия заготовки;
- для привода тормоза;
- для привода захватов.
, (6)
где ;
р- давление в системе, МПа; d- внутренний диаметр трубопровода, мм.
Для напорной магистрали
- для привода сжатия заготовки;
- для привода тормоза;
- для привода захватов.
Для сливной магистрали
- для привода сжатия заготовки;
- для привода тормоза;
- для привода захватов.
Определение наружного диаметра трубы.
(7)
где d-внутренний диаметр трубопровода, мм;
-толщина стенок трубы, мм.
Для напорной магистрали



Для сливной магистрали



Выбираем трубу по ГОСТ 8734-75 [3,с.307351] бесшовная холоднодеформированная прецизионная:
Для напорной магистрали
10 1- для привода сжатия заготовки;
9 1- для привода тормоза;
9 1- для привода захватов.
Для сливной магистрали
14 1- для привода сжатия заготовки;
12 1- для привода тормоза;
14 1- для привода захватов.
Выбор масла.
Масло минеральное И-30А [3, с.11]:Определение числа Рейнальдса [3, с.389]:
, (8)
где Q- расход жидкости, ;
d-внутренний диаметр трубопровода, мм;
- вязкость жидкости, .
если число Рейнальдса >2300 – поток турбулентный, если < 2300 ламинарный.
Для напорной магистрали
- для привода сжатия заготовки;
- для привода тормоза;
- для привода захватов.
Для сливной магистрали
- для привода сжатия заготовки;
- для привода тормоза;
- для привода захватов.
Во всех ветвях магистрали поток имеет ламинарный режим течения жидкости.
5. Расчёт потерь
Так как для всех трубопроводов режим течения ламинарный то потери в трубопроводах считаются по формуле [3, с.389]::
(9)
где - вязкость жидкости, ;
L- длина трубопровода, м;
Q- расход жидкости, ;
d-внутренний диаметр трубопровода, мм.
Первый контур- привод сжатия заготовки:
Второй контур- привод тормоза:
Третий контур-привод захватов:
6. Расчет потерь в приводе сжатия заготовки
Определимпотери в приводе сжатия заготовки:
=32 МПа - давление в приводе сжатия заготовки;
(10)
(11)
(12)
где = 0,055 МПа - потери в двухпозиционном гидрораспределителе
= 0,055 МПа – потери в трехпозиционном гидрораспределителе
= 0,106 МПа – потери в напорной магистрали привода сжатия заготовки.
= 0,021 МПа – потери в сливной магистрали привода сжатия заготовки.
– суммарные потери в напорной магистрали привода сжатия заготовки.
– суммарные потери в сливной магистрали привода сжатия заготовки.
=0,055+0,055+0,106=0,216 МПа
=0,055+0,055+0,021=0,131 МПа
=32-0,216=31,784 МПа

7. Расчет регулировочной и механической характеристик
Механическая характеристика [1, с.392]:
 (13)
где - площадь дросселя, ;
p - постоянная, p=3,14;
D- диаметр поршня, м ; d-диаметр штока, м;
p-плотность жидкости, ;
- потери в приводе сжатия заготовки, МПа;
-нагрузка гидроцилиндра, кг;
-потери в сливном трубопроводе, МПа.
, (14)
где -условный диаметр прохода дросселя, м.
 

Рисунок 2 Изменение скорости движения штока гидроцилиндра от площади дросселя
Регулировочная характеристика по формуле (13):
  
 
| F, H |
V, |
| 0 |
0,103 |
| 10000 |
0,094 |
| 40000 |
0,06 |

| F, H |
V,  |
| 0 |
0,0512 |
| 10000 |
0,047 |
| 40000 |
0,03 |
| F, H |
V, |
| 0 |
0,1279 |
| 10000 |
0,116 |
| 40000 |
0,078 |

Рисунок 3 Изменение скорости от усилия на штоке гидроцилиндра
8. Принцип работы гидроцилиндра [2, с.48]
Гидроцилиндр с односторонним штоком по ОСТ2 Г21-1-73
состоит из следующих деталей: гильзы 6, крышек 1 и 9, поршня 4, штока 10, разрезной гайки 2, тормозных втулок 3 и 5, фланцев 7, полуколец 8, втулки 11, передней опоры 12, крышки 14, дросселей 15, обратных клапанов 16 и винтов 17. Уплотнение поршня по диаметру D обеспечивается с помощью чугунных поршневых колец, а уплотнение штока по диаметру d- с помощью шевронных уплотнений 13, натяг которых регулируется путем изменения толщины пакета прокладок между крышками 4 и 9. Масло в цилиндр подводится через отверстия ; для выпуска воздуха в крышках 1 и 9 предусмотрены отверстия, заглушаемые пробками. В исполнениях с торможением втулки 3 и 5 в конце хода входят в соответствующие расточки крышек 1 и 9, после чего слив масла из рабочей полости возможен лишь через дроссель 15, регулирующий эффективность торможения. После реверса движения масло в рабочую полость поступает через клапан 16.
Заключение
Проектирование гидросхемы приводов машины проводится с целью автоматизации основных операций, выполняемых на машине для сварки трением при использовании элементов гидроавтоматики.
В результате проделанной работы была спроектирована гидросхема привода машины для сварки трением. Рассчитаны основные характеристики и построены графики зависимостей (график изменения скорости движения штока гидроцилиндра от площади дросселя и график изменения скорости движения штока гидроцилиндра от усилия на штоке гидроцилиндра).
Список литературы
1. Башта Т.М., Руднев С.С., Некрасов Б.Б. Гидравлика, гидромашины и гидроприводы: - М.: «Машиностроение», 1982.-423с.
2. Свешников В.К., Усов А.А. Станочные гидроприводы: Справочник.: - М.: «Машиностроение», 1988.-512с.
3. Свешников В.К., Усов А.А. Станочные гидроприводы: Справочник.: - М.: « Машиностроение», 1995.-448с.
|