МИНИСТЕРСТВО СЕЛЬСКОГО ХОЗЯЙСТВА И ПРОДОВОЛЬСТВИЯ РЕСПУБЛИКИ БЕЛАРУСЬ
БЕЛОРУССКИЙ ГОСУДАРСТВЕННЫЙ АГРАРНЫЙ
ТЕХНИЧЕСКИЙ УНИВЕРСИТЕТ
Кафедра электротехники
Расчетно-графическая работа
Тема: «Расчет параметров электрической цепи»
Выполнили: студенты 4 курса
2 эа группы АЭФ
Джунковский В.В., Дацук Е.В.
Проверил: Громова В.С.
Минск – 2010
Задание
Вариант 51
Схема 3.11

Дано:
E1
=125 B
E2
=34 B
R1
=10 Ом
R2
=40 Ом
R3
=50 Ом
R4
=17.5 Ом
R5
=75 Ом
R6
=20 Ом
J =0.2 А
Требуется:
1. Составить на основе законов Кирхгофа систему уравнений для расчета токов во всех ветвях схемы.
2. Определить токи во всех ветвях схемы методом контурных токов. Расчет системы уравнений выполнить методом определителей.
3. Составить уравнения для расчета токов во всех ветвях схемы методом узловых потенциалов.
4. Составить баланс мощностей, вычислив суммарную мощность источников и суммарную мощность приемников.
5. Определить ток I1
методом эквивалентного генератора.
ток генератор уравнение

1. Определяем по первому закону Кирхгофа токи в ветвях относительно узлов а,
b
, с (смотреть рис.2)
Узела: I2
-I4
+Iк
-I1
=0
Узел b: I4
-I3
-I6
=0
Узелс: I3
+I1
-I5
=0
Составим уравнения по второму закону Кирхгофа (смотреть рис.2).
контур abcа : I4
R4
+I3
R3
-I1
R1
=E1
контур bcdb : I3
R3
+I5
R5
- I6
R6
=E1
контур acdа : I1
R1
+I5
R5
+ I2
R2
=E2
Из составленных уравнений составим систему и подставим все известные величины
I2
-I4
+0.2Iк
-I1
=0
I4
-I3
-I6
=0
I3
+I1
-I5
=0
10I1
+50I3
+17.5I4
=125
50I3
+75I5
-40I2
=125
17.5I4
-20I6
-50I5
=34
2. Определим токи во всех ветвях схемы методом контурных токов
Выберем независимые контуры и придадим им контурные токи. Составим уравнения по второму закону Кирхгофа (смотреть рис.3).
I11
(R1
+R3
+R4
) -I22
R3
-I33
R1
=E1
I22
(R6
+R5
+R3
)-I11
R3
-I33
R5
=-E1
I33
(R2
+R1
+R5
)-I22
R5
-I11
R1
-Iк1
R2
=E2
77.5I11
-50I22
-10I33
=125
-50I11
+145I22
-75I33
=-125
-10I11
-75I22
+125I33
=42

Рассчитаем систему методом определителей:
Рассчитываем токи:I1
=I33
-I11
=-1.196 A
I2
=I33
-Ik
=0.202 A
I3
= I11
-I22
=1.701 A
I4
=I11
=1.598 A
I5
=I33
-I22
=0.505 A
I6
=I22
=-0.103 A
Сделаем проверку по второму закону Кирхгофа.
Забиваем Сайты В ТОП КУВАЛДОЙ - Уникальные возможности от SeoHammer
Каждая ссылка анализируется по трем пакетам оценки: SEO, Трафик и SMM.
SeoHammer делает продвижение сайта прозрачным и простым занятием.
Ссылки, вечные ссылки, статьи, упоминания, пресс-релизы - используйте по максимуму потенциал SeoHammer для продвижения вашего сайта.
Что умеет делать SeoHammer
— Продвижение в один клик, интеллектуальный подбор запросов, покупка самых лучших ссылок с высокой степенью качества у лучших бирж ссылок.
— Регулярная проверка качества ссылок по более чем 100 показателям и ежедневный пересчет показателей качества проекта.
— Все известные форматы ссылок: арендные ссылки, вечные ссылки, публикации (упоминания, мнения, отзывы, статьи, пресс-релизы).
— SeoHammer покажет, где рост или падение, а также запросы, на которые нужно обратить внимание.
SeoHammer еще предоставляет технологию Буст, она ускоряет продвижение в десятки раз,
а первые результаты появляются уже в течение первых 7 дней.
Зарегистрироваться и Начать продвижение
I4
R4
+I3
R3
-I1
R1
=E1
27,965+85,05+ 11,96=125
I3
R3
+I5
R5
- I6
R6
=E1
85,05+37,875+2,06=125
I1
R1
+I5
R5
+ I2
R2
=E2
-11,96+37,875+8,08=34
3. Составляем уравнение для расчета токов во всех ветвях схемы методом узловых потенциалов
Неизвестными в этом методе будут потенциалы поэтому один потенциал (потенциал узла b) примем за 0, а остальные посчитаем. Токи найдем по закону Ома. Составляем уравнение для расчета потенциала:
Узел b: ϕb
=0
Узел a: ϕa
( + + )-ϕc
-ϕd
=E2
+J
Узелc: ϕc
( + + )-ϕa
-ϕd
=E2

Узелd: ϕd
( + + )-ϕa
-ϕc
=-E2
-J
В систему, составленную из данных уравнений подставим имеющиеся данные:
0.182 ϕa
– 0.1 ϕc
- 0.025 ϕd
=0.85+0.2
0.133 ϕc
- 0.1 ϕa
- 0.013 ϕd
=0.68
0.095 ϕd
- 0.025 ϕa
- 0.013 ϕc
=0.85-0.2
Найдем токи по закону Ома:
4. Составляем баланс мощностей

åРист
=åРпр
åРист
=åEI-Uа
d
Ik
Находим напряжение Uа
d
по второму закону Кирхгофа:
Uа
d
+I2
R2
=E2
Uа
d
=E2
-I2
R2
Uа
d
=34-0.202*40=25,92B
Pист
=E2
I2
+E1
I3
+Uа
d
Ik
Pист
=34*0.202+125*1.701+25.92*0.2=224.6 Вт
Pпр
=I1
2
R1
+ I2
2
R6
+ I3
2
R3
+ I4
2
R4
+ I5
2
R5
+ I6
2
R2
Pпр
=(1.196)2
*10+(0.202)2
*40+(1.701)2
*50+(1.598)2
*17.5+(0.505)2
*75+(0.103)2
*20
Pпр
=224.6Вт
Рист
=Рпри
5. Определим ток методом эквивалентного генератора
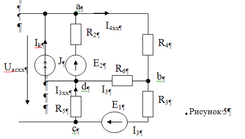
Из первоначальной схемы (рисунок 1) определим активный двухполосник (рисунок 5).

 Определим напряжение холостого хода методом контурных токов. Для этого в двухполюснике зададим контурные токи (рисунок 5) и по второму закону Кирхгофа определим их.
I11
(R2
+R4
+R6
)-I22
R6
-JR2
=E2
I22
(R2
+R5
+R4
)-I11
R6
=E1
77.5I11
-20I22
=42
-20I11
+145I22
=125
Через контурные токи определим необходимые токи холостого хода.
I4xx
= I11
=0.792 A
I3xx
= I22
=0.971 A
Определим напряжение холостого хода по второму закону Кирхгофа.
Ua
с
x
х
+I3xx
R3
+I3xx
R3
=E1
Ua
с
x
х
=-E1
+I4xx
R4
+I3xx
R3
Ua
с
x
х
=-125+0.792*17.5+0.971*50=-62.59 B
Определим сопротивление входа (рисунок 6)

Резисторы R6
, R5
и R3
соединены треугольником, преобразуем их в соединение звездой и найдем их сопротивление.

Резисторы R2
и Rа
соединены также как и резисторы R4
иRb
- последовательно. Найдем их сопротивление и преобразуем схему.
R2
a= R2
+Ra
=40+10.4=40.4 Ом
R4
b= R4
+Rb
=17.5+0.7=18.2 Ом
Сервис онлайн-записи на собственном Telegram-боте
Попробуйте сервис онлайн-записи VisitTime на основе вашего собственного Telegram-бота:
— Разгрузит мастера, специалиста или компанию;
— Позволит гибко управлять расписанием и загрузкой;
— Разошлет оповещения о новых услугах или акциях;
— Позволит принять оплату на карту/кошелек/счет;
— Позволит записываться на групповые и персональные посещения;
— Поможет получить от клиента отзывы о визите к вам;
— Включает в себя сервис чаевых.
Для новых пользователей первый месяц бесплатно.
Зарегистрироваться в сервисе

Определим сопротивление выхода. Оно будет равно
Определим ток I1
Ответ : I1
=-1.196 A
Литература
1. А. Бессонов «Теоретические основы электротехники», Москва 2008г.
2. В. Левиков «Теория автоматического управления», Минск 2007г.
3. А. Львова «Основы электроники и микропроцессорной техники», Минск 2007г.
|