Дипломный проект
"Информационная технология для работы маневрового диспетчера наливной станции"
Введение
Железнодорожный транспорт является основным видом транспорта в нашей стране, на его долю приходится 2/3 объёма всех перевозок. В сравнении с другими видами транспорта он имеет такие преимущества, как регулярность работы независимо от времени года, времени суток и погодных условий, неограниченная дальность и до статочная скорость перевозки, способность перевозить самые различные грузы. Основной задачей железнодорожного транспорта является удовлетворение потребностей в перевозках контейнеров и грузов.
В основу работы всей отрасли положена реализация программы – ускорение социально-экономического развития предприятия, перевод производства на интенсивный путь развития. Главным средством интенсификации является широкое внедрение новых систем управления, прогрессивной техники и технологии на базе использования научно-технических достижений. Так же за счет совершенствования оперативного управления перевозочным процессом на основе внедрения современных средств передачи, обработки информации с использованием электронных вычислительных машин.
Научно-техническим советом, на основе анализа структурного построения системы диспетчерского управления и ее технологического обеспечения, были определены наиболее эффективные пути совершенствования системы оперативного управления перевозками.
Предусматривается создание автоматизированных центров управления дорожными полигонами, центров управления узлами и центра диспетчерского управления, как основы принципиально новой структуры управления эксплуатационной работой железных дорог.
В настоящее время в связи со значительным ростом объемов перевозок грузов и пассажиров, одной из основных задач на железнодорожном транспорте является сокращение эксплуатационных расходов, улучшение всех основных эксплуатационных показателей работы при безусловном обеспечении безопасности движения. Наиболее оптимальным решением поставленных задач служит внедрение автоматизированных систем диспетчерского управления.
Одним из возможных способов снижения затрат является оптимизация грузовых перевозок, причём по рыночным критериям и в конкурентной среде, на стадии оперативного управления ими. В связи с этим в научных и проектных организациях железнодорожного транспорта в последние годы велись разработки оптимизационных задач оперативного управления перевозочным процессом применительно к новым экономическим условиям. Для обеспечения возможности решения этих задач в масштабе реального времени разработаны новые информационные технологии.
Забиваем Сайты В ТОП КУВАЛДОЙ - Уникальные возможности от SeoHammer
Каждая ссылка анализируется по трем пакетам оценки: SEO, Трафик и SMM.
SeoHammer делает продвижение сайта прозрачным и простым занятием.
Ссылки, вечные ссылки, статьи, упоминания, пресс-релизы - используйте по максимуму потенциал SeoHammer для продвижения вашего сайта.
Что умеет делать SeoHammer
— Продвижение в один клик, интеллектуальный подбор запросов, покупка самых лучших ссылок с высокой степенью качества у лучших бирж ссылок.
— Регулярная проверка качества ссылок по более чем 100 показателям и ежедневный пересчет показателей качества проекта.
— Все известные форматы ссылок: арендные ссылки, вечные ссылки, публикации (упоминания, мнения, отзывы, статьи, пресс-релизы).
— SeoHammer покажет, где рост или падение, а также запросы, на которые нужно обратить внимание.
SeoHammer еще предоставляет технологию Буст, она ускоряет продвижение в десятки раз,
а первые результаты появляются уже в течение первых 7 дней.
Зарегистрироваться и Начать продвижение
Основным производственным подразделением хозяйства перевозок ОАО «РЖД» является железнодорожная станция. На сети железных дорог России насчитывается более 6 тысяч железнодорожных станций, различающихся по назначению, размеру, характеру и степени вооружённости и оснащённости. От чёткости работы каждой станции зависит качество работы всех уровней хозяйства. В связи с этим на основании распоряжения №118 р президента ОАО «РЖД» от 31.01.05 специалистами хозяйства перевозок и ВНИИАС разработан проект документа «Положение о железнодорожной станции», в котором нашли отражение изменения, произошедшие в отрасли после 2001 года.
В проекте документа установлена необходимость:
- приведения показателей работы станций различной специализации в соответствие со статьями бюджетов производства и затрат;
- разработки технологии реализации бюджета производства и бюджета затрат;
- составления нового перечня планируемых на сутки и смену показателей работы станции;
- регламентирования процесса внутрисменного планирования работы станции;
- организации взаимодействия станции с отделением и управлением дороги в масштабе реального времени в условиях автоматизированного управления работой станции;
- установления перечня и форм внутрисменных планов, составляющих задание отделения или управления дороги;
- установления состава и порядка автоматизированного расчёта внутристанционных внутрисменных планов.
В проекте Положения установлено, что по характеру своей работы станции подразделяются на пассажирские, грузовые и технические. В составе технических станций выделен тип грузовой станции, подразделяемый на подтипы погрузочных и выгрузочных станций. Грузовые станции играют важнейшую роль в осуществлении перевозок. Именно здесь производятся начальные и конечные операции перевозок, погрузка и выгрузка грузов, приём грузов к перевозке и выдача, заключение договоров на перевозку грузов, оформление перевозочных документов, транспортно – экспедиционные операции и многое – многое другое.
Сервис онлайн-записи на собственном Telegram-боте
Попробуйте сервис онлайн-записи VisitTime на основе вашего собственного Telegram-бота:
— Разгрузит мастера, специалиста или компанию;
— Позволит гибко управлять расписанием и загрузкой;
— Разошлет оповещения о новых услугах или акциях;
— Позволит принять оплату на карту/кошелек/счет;
— Позволит записываться на групповые и персональные посещения;
— Поможет получить от клиента отзывы о визите к вам;
— Включает в себя сервис чаевых.
Для новых пользователей первый месяц бесплатно.
Зарегистрироваться в сервисе
Грузовые станции – основное место контакта железных дорог с предприятиями и организациями, пользующихся услугами железнодорожного транспорта, и поэтому от организации работы грузовых станций зависит и объём перевозок, и объём оказываемых услуг, и в конечном результате прибыль.
Из числа грузовых станций выделены станции наливные, осуществляющие главным образом погрузку нефтеналивных грузов. Наливная станция предназначена для:
- подготовки вагонов к погрузке;
- погрузки;
- взвешивания груза;
- приёма груза к перевозке;
- коммерческого осмотра вагонов;
- пломбирования вагонов;
- оформления перевозочных документов.
Наливная станция может иметь сортировочную горку или полугорку. Система оперативного управления имеет три уровня: маневровый диспетчер (ДСЦ), дежурный по станции (ДСП) какого либо парка, исполнители (дежурный по горке, горочный составитель, регулировщик скорости, машинист локомотива, приёмосдатчик груза и т.д.)
Работа каждой станции была организована во времена плановой экономики и централизованного финансирования на основе установления нормативов, и контроля за ходом их выполнения. В настоящее время такая организация входит в противоречие с требованиями рыночных отношений.
Так, например, для выполнения норматива на среднее время простоя вагона станция вынуждена отправлять вагоны после разгрузки в соответствии с планом формирования поездов. А этот план не учитывает наличие груза, который может быть загружен в вагоны на той станции, куда они направляются. В результате мы имеем ничем не оправданный порожний пробег, который, естественно, обходится дороже, чем порожний простой. Поэтому при выполнении таких нормативов затраты не снижаются, а растут.
Существует также норматив на остановку вагонов в резерв ОАО «РЖД» и изъятие из резерва. Это – ничто иное, как искусственная маскировка неоправданной передачи вагонов на станцию, где они не нужны. В результате этого система учёта получает ложную информацию, по которой рассчитывается среднее время простоя вагона. При этом отчётные данные показывают, что норматив выполнен, что не соответствует действительности.
План формирования поездов предписывает направлять вагоны на строго определённые станции. Нарушения плана формирования контролируются, и за них персонал получает взыскания. Но в условиях рынка необходимо иметь возможность изменения адреса назначения груза в целях поддержания конкуренции между грузополучателями. Получается, что в ряде случаев план формирования выступает в качестве тормоза рыночной экономики.
Есть и другие примеры, показывающие, что сложившаяся система управления перевозками не соответствует требованиям рынка. Но эти примеры касаются более высоких уровней организационной структуры (отделения дороги и выше).
В проекте Положения о железнодорожной станции сказано, что деятельность станции должна оцениваться по её конечному продукту. В качестве конечного продукта считается вклад в транспортную услугу, которую оказывает отделение дороги, управление дороги или ОАО «РЖД» в целом. Поэтому реформирование системы управления ведётся, начиная с высших уровней, где должны приниматься стратегические решения и выдаваться станциям в качестве заданий. Станция должна выполнять эти задания наилучшим образом.
Поскольку решения должны приниматься заблаговременно (от 0,5 до 4 часов до начала исполнения), то при наступлении времени начала исполнения последних элементов задания, ситуация на станции может значительно измениться. В силу этого точное выполнение задания не всегда возможно. В этих случаях целесообразно минимизировать отклонения от полученных заданий. Сделать это традиционными методами невозможно. В связи с этим представляется целесообразным применение автоматизированного оперативного планирования работы станции.
Железнодорожная станция Ветласян входит в состав Сосногоского отделения Северной железной дороги, являясь его структурным подразделением. Код сетевой разметки – 285706.
Станция Ветласян – является сквозной грузовой станцией с параллельным расположением специализированных парков. По характеру выполняемой работы считается грузовой (наливной), по объёму работы отнесена к 1 классу. Станция Ветласян работает с опасными грузами кроме класса 1 (ВМ). Имеется полугорка – малой мощности.Прилегающие к станцииперегоны, Ветласян – Ухта, Ветласян – Сосногорск.
К станции примыкает парк НПЗ связанный с ним однопутный перегон, оборудованный полуавтоблокировкой.
Внутриузловые соединения: Соединительный путь ПЧ-30 от парка НПЗ до станции Ухта оборудован устройствами однопутной двусторонней автоблокировкой без проходных светофоров для движения грузовых поездов четного и нечетного направления на автономной тяге. Грузовое движение на обслуживается тепловозами 2ТЭ-116, депо приписки станции Сосногорск.
На станции в маневровой работе постоянно находятся 3 одиночных маневровых локомотива обслуживаемые одним машинистом в одно лицо и спаренный маневровый локомотив обслуживаемый локомотивной бригадой (машинист, помошник машиниста) предназначенный для вывода групп гружённых вагонов с подъездных путей не общего пользования ООО «Лукойл-нефтепродукт» (Ухтинский НПЗ) Газоконденсатная эстакада Сосногорского ГПЗ, на приёмо-отправочные пути станции, для формирования поездов. Серии ЧМЭ-3 депо приписки станции Сосногорск. Маневровые локомотивы и составительские бригады за маневровыми районами не закреплены и используются по указанию маневрового диспетчера.
На станции Ветласян – имеются подъездные пути не общего пользования:
- Аэропорт Ухта,
- ОАО «ВЕСТР»
- ООО «Северкомплектстрой (далее в тексте ООО «СКС»)
- ООО «УЗКБИ»
- ООО «Ухтажелезобетон»
- Учреждение ОС-34/8 УИН МВД РФ
- ООО «Газпромтранс»
- Газоконденсатная эстакада Сосногорского ГПЗ
- прикреплённая промывочно-пропарочная эстокада (ППС), которая расположена в парке станции НПЗ.
Схема расположения путей и парков сортировочной системы в рыбках приведена на рис. 1.1.

Рисунок 1.1. Схема заданной станции
Условные обозначения:
ПОП – четный приёмо-отправочный парк; ПОП – нечетный приёмо-отправочный парк; СП – сортировочный парк;
Парк НПЗ;
ПЗ – пассажирское здание; ПТО – пункт технического осмотра;
МВ-1 – маневровая вышка, пост сигналистов; Пост ЭЦ – административное здание, помещение дежурного по станции, маневрового диспетчера, 1 – помещение составителей; помещение регулировщика скорости.
Как следует из рисунка, станция имеет:
- приёмо-отправочный четный парк (2 путей);
- нечетный сортирочно-отправочный парк (5 путей и одна вытяжка);
- сортировочная парк (12 путей),
Прилегающие к станцииперегоны, Ветласян – Ухта, Ветласян – Сосногорск.
В нечетном направлении: Ветласян – Ухта – двухпутный.
По I главному пути – односторонняя автоблокировка без проходных светофоров для движения пассажирских и грузовых поездов нечетного направления на автономной тяге.
По II главному пути – односторонняя автоблокировка без проходных светофоров для движения пассажирских и грузовых поездов четного направления на автономной тяге.
В четном направлении:
Ветласян – Сосногорск – двухпутный.
По I главному пути – односторонняя автоблокировка для движения пассажирских и грузовых поездов нечетного направления на автономной тяге.
По II главному пути – односторонняя автоблокировка для движения пассажирских и грузовых поездов четного направления на автономной тяге.
Примыкания путей станции, переданных в ведение других служб и организаций железных дорог ОАО «РЖД»:
Пути (18,20) вагонного депо ВЧДЭ-14. Место примыкания – стрелка №72.
Граница пути – поворотный брус за стрелкой №72.
Путь ПЧ-30. Место примыкания – стрелка №3 к пути №3 парка НПЗ.
Граница пути – Изостык светофора Ну, включенный в ЭЦ станции.
Данный путь является соединительным путем.
Путь ПЧ-30. Место примыкания – стрелка №27 к пути №3 парка НПЗ.
Граница пути – Изостык светофора Ч-2з, включенный в ЭЦ станции.
Пути сортировочного парка объединены в 2 пучка: 1-й пучок – пути 13,15,17,19,21,23,; 2-й пучок – пути 25,27,29,31,33,35.
-13 путь – для вагонов назначением Ухта
-15 путь – для вагонов из под темных нефтепродуктов
-17 путь – для вагонов из под светлых нефтепродуктов
-19 путь – для вагонов из под конденсата
-21 путь – для вагонов следующих под выгрузку
-23 путь – для вагонов битумных пв и цистерн
-25 путь – для вагонов задержанных
-27 путь – для вагонов назначением Микунь Сыктывкар
-29 путь – для вагонов назначением Печера Сосногорск
-31 путь – для вагонов из под темных нефтепродуктов
-33 путь – для вагонов из под светлых нефтепродуктов
-35 путь – для вагонов порожних газовых цистерн
1.3
Оснащенность сортировочной системы
Сортировочная система оснащена системой электрической централизации в 1973 году.
В электрическую централизацию включено 59 стрелки.Управление стрелками осуществляется с 2 пультов, размещенных в сортировочном и приемо-отправочном парках.
Парки и главные пути I, II оборудованы электрической централизацией стрелок и сигналов (ЭЦ), горка и парк формирования – электрической централизацией стрелок и сигналов. Для переработки вагонопотока прибывающего разборочными поездами имеется сортировочная горка с одним путями надвига.
На сортировочной горке имеется один пост управления, с пульта которых производится управление централизованными стрелками, сигналами.
Распорядительный пост (МВ-1) расположен с правой стороны по ходу движения, оборудован 2-х сторонней радиосвязью с маневровыми локомотивами горки и парка формирования, 2-х сторонней парковой связью и управляет 12 стрелками, и всеми сигналами горки.
Все стрелки оборудованы фотоэлементами.
Пути сортировочного парка объединены в 2 пучка: 1-й пучок – пути 13,15,17,19,21,23,; 2-й пучок – пути 25,27,29,31,33,35.
Для регулирования скорости идущих с горки отцепов установлено на тормозной позиции для интервального торможения Для прицельного торможения вагонов в голове сортировочного парка на каждом пути на расстоянии 50 метров от предельного столбика уложены башмакосбрасыватели полуперекрестного типа-6 левых 6 правых. Торможение вагонов в глубине сортировочного парка не производится.
На горке работают один маневровых тепловоза серии ЧМЭ-3, оборудованные радиостанциями ЖРУ – СС и ЖРУ-ЛС для переговоров с дежурным по горке МВ-1 и поста.
Все парки станции оборудованы 2-х сторонней парковой связью. ДСП парка имеют двустороннюю поездную радиосвязью с поездными локомотивами. Все служебные переговоры регистрируются. На горочном посту имеется регистратор служебных переговоров также и в помещении ДСП. В качестве дублирующего устройства в помещении составителей поездов, регулировщиков скорости движения вагонов, операторов поста установлены дублирующие системы, с помощью которых производится передача сортировочных листков от информационного центра обработки грузовых документов. Для пересылки сортировочных листков от дежурного по горке к составителям горки, и в помещение регулировщиков скорости движения имеется малая пневмопочта пересылка сортировочных листков осуществляется без патронов под давлением воздуха 3,8 атм.
Для автоматизации информационного обслуживания персонала, участвующего в перевозках, автоматизированного ведения модели станции, модели местонахождения вагонов станции, для обмена информацией с другими АСУ, для оперативности и обоснованности принятия решений по управлению перевозочным процессом и т.д., на станции действует АСУ.
Система АСУ включает в себя центральную ЭВМ (сервер), резервный сервер, два концентратора информации (ТКИ), 1-й для связи с АСОУП, 2-й обеспечивает взаимодействие системы с абонентами участка по коммутируемым телеграфным каналам связи,
набор АРМ оперативного персонала станции, подключаемых к центральной ЭВМ по локальной вычислительной сети, набор удаленных АРМ оперативного персонала станции, подключенных к серверу через модемы физической линии, терминальные устройства, подключенные к серверу через ТКИ.
Локомотивные бригады прибывшие с разборочными поездами в приемо – отправочный парк оставляют документы в бункере, установленном в северной стороне ПО и ПП на каждом пути.
С 2003 года функционирует АСУ СТ разработки ОАО НТЦ Транссистемотехника. Модель ЭВМ – Pentium 4 с операционной системой WindowsXP. Программы написаны на языке Си ++. В оперативном режиме решаются следующие задачи:
- обработка информации на прибывающие поезда и выдача сортировочных листков;
- учет накопления вагонов на путях сортировочного парка;
- обработка информации о формируемых составах;
- выявление нарушений плана формирования
- слежение за специальным подвижным составом;
- выдачу оптимальных вариантов текущего планирования работой станции.
Из общего объёма погрузки станции Ветласян доля нефтеналивных грузов составляет более 90%. Порожние цистерны под налив нефтепродуктов на станцию поступают в основном организованными маршрутами со станций выгрузки, отдельно цистерны из-под тёмного налива и цистерн из-под светлого налива.
В порожнем вагонопотоке доля цистерн из-под светлого налива составляет: в зимний период 40% в летний период 80% из-под темного налива в зимний период 60% в летний период 20% ряду. Наряду с цистернами парка ОАО «РЖД» грузоотправитель использует собственные цистерны, парк которых постоянно увеличивается. Собственные цистерны прибывающие в основном маршрутами или укрупнёнными группами. По заявке грузоотправителя собственные цистерны могут подаваться «прямым» вариантом, из-под продукта под продукт, после технического и коммерческого осмотра на эстакады налива. Все остальные цистерны перед подачей на эстакады налива также проходят технического и коммерческий осмотр после чего рассортировываются по роду груза.
Вагоны признанные негодными под налив, отправляются в зависимости от брака в, деповской и текущий ремонт или на промывочно-пропарочную станцию. Данные вагоны накапливаются в сортировочном парке и подаются на ремонтные пути или отправляются промывочно-пропарочную станцию (Новоярославская) или на ст. НПЗ.
В среднем за сутки по станции погрузка наливных грузов составляет: светлых нефтепродуктов – 85 вагона; темных нефтепродуктов – 132 вагона.
Перечень перевозимых грузов приведены в таб. 1.2
Таблица 1.2 Перевозимые грузы
| Вид груза |
Код груза |
Код прикрытия |
Аварийная карточка |
| Фракция пропанбутановая |
226267 |
5 |
206 |
| Газовый кондинсат |
226106 |
6 |
301 |
| Бензин моторный |
211056 |
6 |
301 |
| Бензин стабильный газовый |
226021 |
6 |
301 |
| Топливо дизельное |
214039 |
8 |
901 |
| Мазут топочный |
221066 |
8 |
901 |
| Газоль |
215031 |
6 |
301 |
| Битум |
222054 |
| Топливо реактивное |
212052 |
6 |
305 |
Количественные характеристики, используемые при проектировании информационного обеспечения задач
Автоматизированное управление работой сортировочной системы требует соответствующего внутримашинного информационного обеспечения. В состав любого информационного обеспечения входят массивы информации, выступающие в качестве хранилищ данных, используемых в ходе решения и для вывода результатов на экран пользователя. Каждый массив можно представить себе как отображение некоторого шкафа (таблицы), в котором имеются полки (строки), на которых лежат книги (столбцы) и т.д. Структура массива описывается, как структура такого шкафа, что позволяет алгоритму (программе) адресно обращаться к каждому элементу структуры. Для соблюдения точности обращений необходимо знать размеры всех элементов.
При организации массивов стараются отобразить объект автоматизации. Так, например, состав можно представить таблицей, в которой строка отображает один вагон (номер вагона), а столбец – признак вагона (род, тип, состояние, последняя операция, время её свершения и т.д.). В этом случае размер массива будет определяться числом строк (вагонов), размер строки – числом столбцов (признаков вагона). Поэтому необходимо представить в качестве исходных данных для проектирования некоторые количественные данные станции.
Такие данные получены из техническо-распорядительного акта станции, технологического процесса и другой технической и технологической документации. Они приведены в таблице 2.1
Таблица 2.1 Перечень информационных параметров станции, которые необходимо использовать при проектировании информационной технологии и поддерживающих её задач
| Имя массива |
Обозначение реквизита |
Значение |
Название реквизита |
| 1.pasp |
NST |
285706 |
ЕСР станции |
| KSSIS |
1 |
Количество сортировочных систем |
| KMSSP |
12 |
Кол-во путей в сортировочном парке |
| KMSPP |
2 |
То же, в парке прибытия |
| KMSPO |
5 |
То же, в парке отправления |
| KPERO |
2 |
Кол-во перегонов по отправлению в одной системе |
| KPER |
2 |
Кол-во перегонов в одной системе всего |
| KLMS |
7 |
Кол-во путей, лимитирующих прием поездов с заданного перегона |
| 2 |
Кол-во перегонов по отправлению всего |
| KSTPL |
11 |
Кол-во строк в именном графике работы локомотивных бригад одной системы |
| KNIT |
20 |
Кол-во ниток графика |
| KP15 |
2 |
Кол-во ниток графика на трех часовом отрезке времени |
| KPMXO |
2 |
Кол-во поездов, находящихся на стан-ции и ожидаемых с прибытием за 1,5 часа |
| KNP |
15 |
Кол-во назначений в поезде |
| KNAZ |
6 |
Кол-во формируемых назначений в одной системе |
| KNPER |
6 |
Кол-во назначений, закреплённых за перегоном |
| KTRAN |
12 |
Кол-во сортировочных путей по ТРА |
| KNO |
6 |
Кол-во направлений по отправлению |
| KNCHN |
5 |
То же, наоборот |
| KGF |
6 |
Количество грузовых фронтов |
| KVGF |
30 |
Количество вагонов на грузовом фронте |
| TPR |
60 |
Длительность операции прибытия поезда |
| TDR |
54 |
То же, роспуска составов с горки |
| KTWP |
7 |
Количество типов порожних вагонов в поезде |
| KGP |
9 |
Количество видов груза в поезде |
| KGH |
3 |
Количество групп вагонов в поезде, отличающихся характеристиками |
| KG |
8 |
Видов наливных грузов |
| KMAROT |
4 |
Маршрутов, планируемых для одной отправки |
| Продолжение таблицы 2.1 |
| 1 |
2 |
3 |
4 |
| KGNTV |
6 |
Видов груза, для которых планируется использование одного типа цистерн |
| KNOT |
8 |
Отправок наливных грузов, которые могут планироваться |
| совместно |
| KOPST |
3 |
Видов подготовительных операций, выполняемых на станции |
| KOTPV |
11 |
Разных отправок, следующих по одному и тому же маршруту |
| KTP |
7 |
Типов вагона в поезде |
| KTVG |
3 |
Взаимозаменяемых типов вагонов для одного груза |
| KTVGS |
261 |
Рабочий парк типов гружёных цистерн |
| KTVD |
261/260 |
Рабочий парк типов цистерн всего |
| KTVOT |
5 |
Типов цистерн, которые могут быть выделены для одной заявки |
| KTVSTD |
11 |
Типов цистерн, планируемых в пункт промывки |
| KTVRD |
8 |
Типов цистерн, на которых специиализируется одно депо |
| KVV |
8 |
Цистерн, подлежащих выводу из эксплуатации |
| KZP |
80 |
Заявок на перевозки |
| KZV |
7 |
Грузов, после которых запрещён налив данного груза |
| 2.MGS |
NPF |
2060,2070 |
Код назначения станции по |
| плану формирования |
| 3.MZNP |
NPER |
2060,2070 |
Коды направления, на которые отправляются поезда |
| NPER |
2858–2856 |
Коды перегонов по отправлению |
| NPF |
2060,2070 |
Назначения по плану формирования |
| 4.MNVD |
P |
4800,5200 |
Вес поезда на данном направлении по отправлению |
| L |
057,060 |
Длина поезда |
| DP |
1 |
Допустимые отклонения по весу |
| DL |
6 |
То же, по длине |
| 6.MPLP |
NPER |
2858–2856 |
Коды перегонов по прибытию |
| NMS |
2,4. |
Номера путей парка прибытия |
| 7.MKPER |
NPPOD |
2858–2824 |
Код выделенной станции, с которой поступает последнее сообщение о приближении поезда |
| NPER |
1 |
Имя перегона |
Из научной литературы известно, что управлять – это значит выбирать. Для получения возможности выбора необходимо иметь какие-то сравнимые варианты. Для правильности выбора нужно иметь обоснованные критерии. Варианты можно формировать только при наличии управляющих воздействий.
Применительно к наливной станции можно сказать, что:
критерием должна быть минимальная сумма отклонений от оперативного плана отправления по количеству гружёных вагонов заданной номенклатуры грузов и порожних вагонов заданных типов за текущий период планирования;
- в качестве управляющего воздействия может выступать изменение очерёдности расформирования разборочных составов на горке;
- в качестве вариантов в этом случае будут разные последовательности подачи составов на горку с учётом возможности освоения прибывающих в разборку составов.
- Условиями управляемости станции будут:
- своевременное поступление из ЦУМРа, ДЦУ и ЦУПа планов отправления поездов своего формирования, а также перспективы по подходу составов в разборку для обеспечения внутри отделенческих, дорожных и сетевых перевозок;
- наличие текущей информации о дислокации порожних и гружёных вагонах на станции и путях подхода;
- наличие заблаговременной информации о возможностях депо обеспечивать локомотивами нитки графика.
В настоящее время на станции Ветласян эти условия не выполняются. Поэтому станцию можно считать неуправляемой по названному критерию. Необходимо провести организационную работу и поставку соответствующего программного обеспечения.
Как следует из сказанного, управляющее воздействие должно формироваться в АРМе ДСЦ при наличии соответствующей информации и программ. В состав указанной информации должны входить данные о разборочных поездах, которые следует расформировывать в данной сортировочной системе. Эти данные находится в базах данных существующей АСУ и скомплектованы таким образом, что непосредственное использование их оптимизационной задачей невозможно. Необходима предварительная подготовка информации в АРМе ДСЦ.
Таким образом предлагается разделение функций между ДСЦ и ДСЦО на основе выделения для ДСЦО технологий подготовки информации для решения оптимизационной задачи, а для ДСЦ – информационные технологии решения этих задач и доведение конкретных заданий до исполнителей.
Результатом решения задачи выбора очерёдности расформирования составов на горке (ВОРС) должен быть набор планов, определяющих ведение технологических процессов сортировочной системы:
- приёма разборочных поездов;
- роспуска составов с горки;
- отправления поездов своего формирования.

    Технологический процесс работы станции представляет собой документ, определяющий способы и приёмы эффективного использования подвижного состава, технических устройств и элементов инфраструктуры в целях осуществления вкладов в перевозки. Для осуществления технологического процесса необходимы информационные технологии планирования технологических операций и контроля за ходом исполнения планов. Чтобы составить такие технологии необходимо располагать чёткими описаниями самих технологических операций.
В этом случае основным критерием должна быть оптимальность роспуска. При наличии в парке прибытия ограниченного числа путей, на которые может быть принят поезд с одного из путей подвода, необходимо организовывать работу парка таким образом, чтобы не занимать эти пути поездами, принять которые можно и на другие пути. В этом случае может возникать ситуация, когда необходимо планировать работу сортировочной системы по критерию оптимальности приёма поездов.
Независимо от того, по какому критерию ведётся оптимизация в текущем периоде планирования, остаётся необходимость формирования и сравнения вариантов. Для каждого технологического процесса имеют место свои варианты, как по числу, так и по информационному содержанию. Каждый вариант должен быть построен, оценён и сравнён с текущим оптимумом. Наиболее трудоёмкой (как для человека, так и для ЭВМ) процедурой является построение варианта. Она сводится к имитации всех элементов технологического процесса, от которых зависит критерии выбора. Так, например, чтобы оценить вариант очерёдности роспуска по критерию оптимальности отправления нужно установить сколько и какие назначения будут полностью завершать накопления вагонов, соответствуют ли эти назначения по количеству и типу вагонов, а также по виду груза тому, что задано в планах ЦУМРа, ДЦУ и ЦУПа и т.д. Но для этого нужно имитировать поступление отцепов на сортировочные пути в порядке, определяемом последовательностью роспуска составов, и размещением в них отцепов. Чтобы правильно запрограммировать имитацию, нужно иметь точное представление о технологии роспуска. Точно также можно сказать и о любой другой технологии.
Порожние цистерны под налив нефтепродуктов на станцию поступают организованными маршрутами со станций выгрузки, а так же в составе передаточных поездов сформированных на станции Сольвычегодск, Микунь, отдельно цистерны из-под темного налива и цистерн из-под светлого налива. Для обеспечения диспетчерского руководства работы станции, путей предприятий, ДСЦ получает два вида информации: предварительную и точную. Предварительная информация передаётся по телефону диспетчером из отделения дороги, вместе с заданием на смену и содержит следующие данные: количество поездов, которые должны прибыть в предстоящие 12 часов с каждого направления; общее количество цистерн следующих под налив (для порожних цистерн указывается род ранее перевозимого груза); предполагаемое время отправления поезда со стыковой станции. Точная информация передаётся по 3 часовым периодам поездным диспетчером по системе АСУ ЛР содержащей данные: 1) номер поезда, 2) время отправления, 3) индекс поезда (код станции формирования, номер состава, код станции назначения), 4) вес поезда, 5) наименование груза (код), 6) получатель груза (код). Регулирование прибытия порожних цистерн согласуются между ДНЦО, ДНЦ и ДСЦ. В состав передаточных поездов сформированных на станции Микунь входят, как гружённые, так порожние вагоны. В среднем в сутки на станцию Ветласян прибывают 7 поездов: – 475 вагонов, из них: – порожних 445 вагонов – груженных 30 вагонов.
Коммерческий осмотр прибывших порожних цистерн производится на путях станции, приёмо-сдатчики осматривают наличие и состояние запорных пломбировочных устройств, а также наличие остатка нефтепродуктов. При наличии остатка, его замеряют шток – метром и составляют акт общей формы ГУ-23, который подписывается приёмо-сдатчиком, мастером ППС. Прибывающие собственные порожние цистерны, после технического и коммерческого осмотра, подающиеся на пути налива. За предварительный коммерческий осмотр, на станционных путях, несёт ответственность грузоотправитель. После налива ПС проверяет закрытие люков и крышек сливных приборов, правильность и соответствие ЗПУ, чистоту поверхности котла, наличие опасных знаков соответствующего груза и т. к. д.
После выгрузки коммерческий осмотр приёмо-сдатчик производит на эстакадах грузовых фронтов, он осматривает состояние запорных, пломбировочных устройств и наличие остатка. По результатам осмотра вводится сообщение о коммерческой пригодности цистерн. В сообщении содержится так же признак наличия цистерн с остатками слитого груза. Информация сообщения записывается в вагонную модель и используются при формировании справок.
Технический осмотр цистерн производится на приёмо-отправочных путях станции осмотрщиками вагонов под погрузку и выгрузку. Контроль технического состояния цистерн на пути прибытия выполняется с целью выявления всех неисправностей, требующих отцепочного и без отцепочного ремонта. При осмотре цистерн осмотрщики вагонов тщательно проверяют состояние ходовых частей, тормозного оборудования, ударно – сцепных приборов, крепление котлов к рамам, визуальный осмотр сливных приборов и заглушек. Контроль технического состояния цистерн проводится в соответствии с требованиями технологического процесса работы пункта технического обслуживания вагонов. При наличии не годных вагонов, осмотрщики сообщают оператору ПТО номер вагона и категорию ремонта (текущий или ВЧД). На вагоны требующие ремонта заполняются уведомления формы ВУ-23, в 2-х экземплярах. Первый экземпляр немедленно после окончания технического осмотра передаётся в СТЦ путём введения оператором ПТО сообщения в систему АСУ ЛР макета 1353. А при выводе из нерабочего парка оператор ПТО вводит в систему АСУ ЛР макет 1354. По результатам технического осмотра вводится сообщение 8380, в состав которого входит реквизит «Категория годности». Значение этого реквизита записывается в вагонную модель и используется при формировании справок.
Время на обработку составов порожних цистерн установлено технологическими нормами времени на техническое обслуживание составляет -60 мин.
Прибывшие порожние цистерны, после технического и коммерческого осмотра с остатками нефтегруза приемосдатчик совместно с представителем грузоперевозчика составляют акт формы ГУ-7а в 3-х экземплярах, затем он заполняет в пересылочной обратную сторону и передает ее вместе с актом в товарную контору. После окончания оформления документов и накопления данных вагонов в нужном количестве, берется приказ на отправление данного состава на промывку на станцию (Новоярославская) или ст. НПЗ.
В сортировочном парке, после роспуска составов на горке, накапливаются цистерны подготовленные под налив нефтепродуктов. Подача цистерн под налив производится укрупнёнными группами. Количество цистерн одновременно подаваемых на пути налива, порядок подачи и уборки указаны в договарах на эксплуатицию путей не общего пользования, между железной дорогой и грузоотправителем.
Расчёт длительности роспуска состава производится по формуле:
(3.1)
(2)
(3)
(4)
=
(5)
(6)
(7)
Где -время заезда в парк приёма за очередным составом, мин;
 - время надвига до вершины горки, мин;
-время роспуска с горки, мин; -время осаживания, мин;
-время на перемену направления движения локомотива, мин;
-расстояние полурейса от вершины горки за горловину парка прибытия и обратно в хвост состава, м;
-расстояние от границы предельных столбиков парка до вершины горки, м;
-длинна вагона, м;
-число вагонов в составе;
-количество отцепов;
-скорость заезда, км/ч;
-скорость надвига, км/ч;
-скорость роспуска, км/ч;
Данный расчёт применён в макете план роспуска составов (ПР)
Станция Ветласян формирует вывозные поезда назначением станция Сольвычегодск, Микунь. Подготовка и формирование составов к отправлению, на отправочных путях станции, в основном производится путем уборки из-под эстакады налива (нефтебаза) гружённых групп вагонов, составителем поездов по указанию маневрового диспетчера. Данные группы выводятся маневровым локомативом на приёмо-отправочные пути станции, после взвешивания состава. Таким же порядком выводятся наливные маршруты назначением на станции Автово, Новороссийск, Грушевая. Высоцк, при наличии одновременной отгрузки грузоотправителем вагонов в адрес одной станции назначения не менее весовой нормы на участке. После вывода на пути отправления дежурный по станции по парковой или телефонной связи предъявляет состав осмотрщикам вагонов с указанием номера пути, количества вагонов в составе, времени отправления поезда. Оператор ПТО совместно с ДСП ограждают данный путь, после этого осмотрщики вагонов приступают к осмотру состава. Время на обработку гружённых вагонов установлено технологическим процессом работы ПТО –120 минут. В среднем за сутки станция Ветласян отправляет 8 поездов, из которых 6 – это наливные маршруты. Сквозные поезда назначением на станции Сольвычегодск и Микунь в размере- 2 поездов.
Одним из источников эффективности перевозок наливных грузов является качество управления работой парка цистерн. Как объект управления парк цистерн обладает тремя признаками: собственность, специализация и готовность к погрузке на периоде планирования.
В РФ признак собственности отображал принадлежность вагона парку РЖД или какому-то промышленному предприятию. Доля цистерн, принадлежавших промышленным предприятиям, составляла 70%. Сегодня на территории России находятся как российские, так и зарубежные цистерны, за нахождение которых начисляется плата. Российские цистерны подразделяются на цистерны парка ОАО «РЖД» и собственные, т.е. – находящиеся в собственности государственных и частных предприятий или частных лиц. Часть цистерн парка ОАО РЖД» отдана в аренду и относится к парку арендованных вагонов.
Независимо от собственности каждая цистерна конструкционно специализирована на перевозку определённых грузов, что отражено в обозначении её заводской модели. Первоначально различали три специализации: для тёмных, светлых и вязких нефтепродуктов. В последствии была введена более гибкая специализация, которая отражалась в типе вагона, входящего по предложению профессора Тулупова А.М. в состав его инвентарного номера. Первые три цифры номера обозначали тип. С увеличением ассортимента выпускаемых промышленностью цистерн число их типов выросло до 26. Возможности отображать тип цистерны в номере вагона были исчерпаны. Для отображения специализации стали использовать компьютерную базу данных. Сегодня число типов цистерн превышает сотню и назрела необходимость замены в базе данных кодов типов вагона кодами их моделей.
Независимо от собственности и грузовой специализации цистерна может быть готовой к погрузке или неготовой. Для того, чтобы считаться готовой, цистерна должна быть полностью выгруженной, очищенной от остатков прошлого груза и гарантированно исправной. Чтобы определять состояние цистерны, определён порядок проведения осмотра силами операторов пунктов технического и коммерческого осмотра. Пункты технического осмотра размещены таким образом, чтобы гарантийное плечо безремонтного пробега вагона составляло не более 700 километров.
Качественный осмотр внутренней поверхности котла возможен в том случае, когда цистерна очищена от груза. Поэтому техническому осмотру предшествует коммерческий осмотр, позволяющий определить наличие остатков слитого груза и решить вопрос о их судьбе, а следовательно, и месте слива. Остатки слитого груза могут быть возвращены грузополучателю или реализованы на месте дислокации цистерны, как товар, (т.е. проданы).
Технология коммерческого осмотра котла – несовершенна, т. к. основывается на методах субъективного контроля: простукивания поверхности и опускания внутрь мерного шеста. Такие методы нередко приводят к ошибочным выводам. Поэтому в РФ был разработан ГОСТ на подготовку цистерн к погрузке, предусматривающий периодическую промывку и пропарку – независимо от результатов контроля. Все типы цистерн разделены на две группы: одна промывается каждые 30 дней, другая – после пяти операций погрузки. Для поддержания парка вагонов в исправном состоянии действует система технического обслуживания и ремонта. Она предусматривает периодическое проведение деповского и капитального ремонта, а также списания на металлолом. В связи с этим осуществляется пономерное слежение за сроками, прошедшими после постройки цистерны и после прохождения последнего планового ремонта. Истекший срок сравнивается с нормативным, зависящим от типа цистерны, и на основании этого принимается решение о направлении цистерны в депо.
В связи с тем, что парк цистерн требует к себе повышенного внимания, разработаны и действуют технологические процессы обработки цистерн во всех состояниях. Вместе с тем, на практике систематически возникают ситуации, требующие вмешательства, или, как принято говорить в кибернетике, возмущения процесса.
К возмущениям относятся:
- неполный слив груза;
- нарушение грузовой специализации;
- нарушение сроков промывки-пропарки;
- нарушение сроков передачи в плановый ремонт или в списание;
- нарушение целостности маршрутной отправки;
- разукомплектование цистерн.
Возмущения снижают эффективность перевозок наливных грузов и требуют оперативного принятия решений по ликвидации последствий, т.е. оперативного управления по возмущениям.
4.
Информационная структура информационно-планирующей системы станции
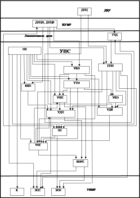
В работе ВНИИЖТа отмечено, что для автоматизации оперативного планирования должна применяться так называемая подсистема управления работой наливной станции – УНС. В состав комплекса задач УНС входят задачи:
- СИ – сбора информации;
- КВП – контроля выполнения выданных оперативных заданий;
- ППО – планирования приема и отправления поездов;
- УКО – управление коммерческим осмотром;
- УТО – управление техническим осмотром;
- УВЭ – управление выводом цистерн из эксплуатации;
- УДВ – управление доставкой цистерн, выведенных из эксплуатации
- УОП – управление организацией очистки и промывки цистерн
- УДП – управление организацией досрочной промывки цистерн;
- ЗЛ – расчета заявок на поездные локомотивы;
- УОГ – управление отправлением гружёных цистерн;
- ВОРС – выбор очерёдности расформирования составов на горке
Эти задачи должны решаться в определённой последовательности по мере готовности соответствующей информации. Для задания такой последовательности необходимо соблюдать определённый регламент работы, воплощаемый в новых информационных технологиях ДСЦ.
Информационная взаимосвязь задач, реализуемая в процессе их решения в масштабе реального времени отображается схемой информационной структуры УНС в составе информационно-планирующей системы (рис. 4.1). Содержание информационных связей раскрыто в табл. 4.1, где каждая связь.

Рисунок 4.1. Схема информационной структуры подсистемы УНС
Условные обозначения к рис. 4.1:
УНС – подсистема управления работой наливной станции в целом;
УПМР – подсистема управления поездной и маневровой работой в парках;
Задачи:
К – контроль выполнения плана работы парков;
ЗСП – прием и обработка заданий ДСЦ для парков прибытия;
ЗСО – прием и обработка заданий ДСЦ для парков отправления;
представлена в виде набора имён массивов информации, представляемых по макетам, описанным ниже.
Таблица 4.1Информационное обеспечение задач
| Задачи УНС |
Вход |
Выход |
| Переменная информация |
Источник |
Информация |
Приемник |
| СИ |
Содержание файла «mo» |
База данных АСУ |
ПРП |
ЗЛ, ЗСП,УКО, УДВ |
| Содержание файла «рр» |
То же |
ХГН |
КВП, ЗЛ |
| ТСЗД |
УКО |
| Содержание файла «mm» |
– «- |
ТСПП |
ЗЛ, УКО, УТО |
| ТССП |
ЗЛ |
| Содержание файлов 0530, 0531 |
– «– |
СПС |
ЗЛ |
| Сообщение о прибытии |
ЛИУК – ПП |
СПП |
КВП |
| Сообщения о прибытии и отправлении |
ЛИУК – ПП
ЛИУК – ПО
|
СПТ |
КВП |
| Сообщение об отправлении |
ЛИУК – ПО |
СПО |
КВП |
| Сообщения о погрузке и выгрузке |
АРМы ТВК |
ГИ |
КВП |
| Продолжение таблицы 4.1 |
| 1 |
2 |
3 |
4 |
5 |
| КВП |
СПП, СПО, ГИ, ХГН |
СИ |
ВЗД, СОП 1, ВП 1 |
ДСЦ |
| ЗД |
ДСЦО |
| Аналогично |
Аналогично |
ТСЗД |
ДСЦ |
| ППО |
ППП |
ДЦУ |
ПРП
|
ЗСП |
| ПМУ |
ДНЦВ |
| ППП |
ДЦУ |
ПО |
УВЭ, ЗЛ, УДВ |
| ЗЛ |
ПО |
ППО |
ЗЛ |
ДНЦО, ТЧД |
| ПЛ |
ТЧД |
| ОГР |
ДНЦ |
| ХГН |
СИ |
| ТССП |
То же
|
| ТСПП |
| ПРП |
| ЗЛ |
ЗЛ |
ПОЛ |
УОГ |
| ПОГ |
ТЧД |
| УДП |
ПОП |
ДСЦ |
ПДП |
ВОРС |
| ТСЗД |
КВП |
| ТСПП |
СИ |
| ТССП |
| ПО |
ППО |
| УОГ |
ТСПП |
СИ |
ПО |
| ТСПО |
| ХГН |
| ПО |
ППО |
| ПОЛ |
ЗЛ |
| ПН |
УОП, УДП |
| РКО |
УКО |
| РТО |
УТО |
| РДВ |
УДВ |
| УОП |
РКО |
УКО |
ПОП |
ВОРС, УДП |
| ТСПП |
СИ |
| ПГП |
ЗСО |
| РТО |
УТО |
| УТО |
РКО |
УКО |
РТО |
УОП, УОГ,
УВЭ
|
| ТСПП |
СИ |
| Продолжение таблицы 4.1 |
| 1 |
2 |
3 |
4 |
5 |
| УКО |
ПРП |
СИ |
РКО |
УОП,
УТО, УОГ
|
| ТСПП |
| ТСЗД |
| УВЭ |
РТО |
УТО |
ПВЭ |
УДВ |
| ПО |
ППО |
| УДВ |
ПВЭ |
УВЭ |
ПДВ |
УОГ |
| ПО |
ППО |
| Депо |
ДНЦО |
| ВОРС |
ПОП |
УОП |
ПН, ПО |
ЗСО |
| ПДП |
УДП |
| ПР |
ЗСП |
| ПО |
УОГ |
5.
Организационная структура подсистемы
Типовой перечень штатных единиц оперативного персонала станции определён нормативно-технологическими документами ОАО «РЖД». В дипломной работе рассматривается грузовая станция Ветласян с её штатным расписанием. В перечень единиц оперативного персонала (табл. 5.1) включены также представители других хозяйств, участвующих в работе сортировочной системы.
Таблица 5.1 Перечень единиц оперативного персонала
| Административная принадлежность |
Должность (профессия) |
Обозначение |
| ДЦУП |
Поездной диспетчер |
ДНЦ |
| ЦУМР |
Дежурный по отделению дороги |
ДНЦО |
| Диспетчер по работе с вагонами |
ДНЦВ |
| РАФТО |
Агент |
| ТЧ |
Дежурный по локомотивному депо |
ТЧД |
| ДС |
Заместитель начальника станции по грузовой работе |
ДСЗГ |
| Заместитель начальника станции по оперативной работе |
ДСЗО |
| Маневровый диспетчер |
ДСЦ |
| Дежурный по станции данного парка |
ДСП |
Рабочее место ДНЦ размещено у пункте нахождения управления железной дороги – в Сосногорске, рабочие места ДНЦО, ДНЦВ – в пункте размещения отделения дороги – в Сосногорске, остальные рабочие места размещены на территории станции. Для обслуживания и поддержания средств и самой информационной технологии на станции в здании диспетчерского центра организуется группа отдела АСУ станций дорожного ИВЦ. В состав сектора включается дежурный инженер, программист, технолог АСУ.
Организационная структура оперативного подчинения штатных единицами персонала представлена на рис. 5.2. Связи между единицами персонала отображают отношения оперативного соподчинения, определяемые функциями каждой единицы в условиях автоматизированного управления.
Старшим оперативным работником в смене является ДНЦО. Однако ДСЗГ и ДСЗО определяют его работу, т. к. планирует на и более дальнюю перспективу.
Начальник станции и его заместители отвечают за рентабельность станции, как ведущего хозяйства отделения дороги. В качестве управляющих воздействий они используют возможности участия в установлении на длительный срок (декаду, месяц) показателей технического плана работы станции, а ежесуточно – участвовать в принятии плана работы на предстоящие сутки. В течение суток он контролируют ход выполнения суточного плана по данным оперативного контроля. Кроме того, он занимается оперативным анализом работы станции по окончанию смены, определяет меры, необходимые для предупреждения или ликвидации, возникших в работе затруднений
ДНЦО отвечает за выполнение установленных показателей суточного плана работы отделения дороги и конкретных станций в том числе. Для организации работы каждой сменной бригады отделения дороги ДНЦО первой смены формирует сменный план работы станций своего отделения дороги на основании суточного плана. В качестве управляющих воздействий он использует выбор наиболее выгодных в его смену работ с последующей выдачей заданий. Помимо этого он устанавливает специальные задания по тяжеловесным поездам и поездам более дальних назначений, ограничения по отправлению поездов, планирует использование локомотивов. ДНЦО второй смены составляет сменный план, исходя из текущего состояния выполнения суточного плана.
ДНЦВ отвечает за организацию местной работы на отделении дороги. Он участвует в составлении суточного и сменного плана работ и контролирует их исполнение. Вводит информацию о зародившихся в границах отделения местных поездах, отправляемых на сортировочную станцию.
ДСЦ отвечает за выполнение показателей суточного плана работы своей станции и оперативных планов, поступающих от ДНЦО. В качестве управляющих воздействий он использует возможности оперативного планирования процессов приема поездов, организации подготоки цистерн к погрузке, подаче их на фронт погрузки и отправления гружёных поездов, маневровых передвижений на трёхчасовом периоде., доведения планов до ДСП, ДСПГ, ТЧД, оператора горки, составителя поездов, контроля за ходом их выполнения. В непосредственном подчинении ДСЦ находятся ДСП, ДСПГ, ТЧД
ТЧД отвечает за выполнение плана обеспечения локомотивами ниток графика. Для этого он пользуется именным графиком работы бригад и получает каждые 1,5 ч. заявки на локомотивы, неохваченные именным графиком.
Профессии, имеющие отношение к планированию, с точки зрения новой информационной технологии подразделяются на три категории:
- исполняющие полученные планы путем планирования работы своих подчиненных (ДСЦ);
- исполняющие полученные планы путем выполнения рабочих операций (ДСП);
- обеспечивающие функционирование задач планирования (ДНЦО, ДНЦВ, ТЧД);
Лица профессий первой категория обязаны:
- исполнить планы, полученные от вышестоящих (по структуре) командиров, независимо от того, каким способом они получены (с помощью ЭВМ или без нее);
- составлять планы работы подчиненных лиц;
- доводить составленные планы до исполнителей;
- контролировать выполнение выданных планов;
Имеют право:
- планировать работы подчиненных лиц с помощью ЭВМ;
- в случае несогласия с планами работы подчиненных, полученных от ЭВМ, отменять их либо корректировать, либо пересчитывать по новым данным;
- контролировать выполнение полученных или выданных планов с помощью ЭВМ;
- определять необходимость пересчета планов;
- требовать от подчиненных форсирования выполнения выданных им планов;
- обращаться к вышестоящему командиру с запросом на изменение полученного плана (в случае невозможности его выполнения);
- запрашивать в ЭВМ любую информацию по кругу своих обязанностей.
Лица профессий второй категории обязаны:
- исполнять планы, полученные от вышестоящих командиров, независимо от того, каким способом они получены (с помощью ЭВМ или без нее)
Имеют право:
- обращаться к вышестоящему командиру с запросом на изменение полученного плана (в случае невозможности его выполнения);
- запрашивать в ЭВМ любую информацию по кругу своих обязанностей.
Лица профессий третьей категории обязаны:
- своевременно и качественно готовить и вводить в ЭВМ входную ин формацию в соответствии с инструкцией;
- анализировать причины не использования ЭВМ для оперативного планирования и случаи несогласия персонала с рекомендациями ЭВМ;
- организовывать и контролировать технологический процесс обслуживания и совершенствования задач планирования.
Имеют право:
- использовать ЭВМ для анализа причин не использования ее в оперативном планировании и случаев несогласия персонала с рекомендациями;
- согласовывать (утверждать) изменение формы входной и выходной информации.
В словаре русского языка слово «оперативный» означает «способный быстро, вовремя исправить или направить ход дела». Понятие оперативного управления перевозочным процессом было сформулировано членом-корреспондентом АИ СССР Петровым А.П. в 1973 г., как планирование работы сортировочной станции на 4–6 часов и сменно-суточное планирование отделения дороги и дороги. Оно соответствовало состоянию теоретических разработок вобласти управлений и возможностям вычислительных средств того времени. За прошедшие 30 лет положение изменилось:
- на рынке появились более совершенные средства вычислительной техники, программного обеспечения и оптико-волоконных линий связи;
- углубились теоретические разработки в области управления.
- В связи с этим сложившаяся степень оперативности может быть повышена. Поэтому в работе сменно-суточное планирование уже не рассматривается как оперативное.
1) Общие положения. Почти вся входная информация задач планирования АРМа ДСЦ поступает в виде задания ДСЦО. Под сбором информации понимается порядок действий, описанных ниже. В случае невозможности сбора указанным способом осуществляется ручной ввод недостающих макетов.
Таковым следует считать способность принятия решения и доведения его до исполнителя в такие сроки, за которые накопление убытка от «возмущения» процесса не превысит допустимой величины.
Возмущением следует считать отклонение процесса от заданного ритма на некоторую величину, например на 1 минуту. (По степени точности сложившаяся степень оперативности может быть повышена.
При невозможности расчета планов на ЭВМ ДСЦ сам составляет и вводит в ЭВМ эти планы с использованием собранной информации. В состав входной информации входит задание, формируемое комплексом УРС под контролем ДСЦ, информация о состоянии парков, формируемая комплексом ИБД, и сообщение о специализации горочного локомотива, вводимое ДСЦ по данным ДСПГ.
2) Получение задания. Задание поступает в АРМ ДСЦ от комплекса УРС после утверждения его на АРМе ДСЦО. При его поступлении на экран выдается сообщение: «Поступило новое задание. Приступайте к планированию». В состав задания входит:
- рекомендация по режиму работы (РЖ);
- план прибытия поездов (ПРП);
- прогноз отправления поездов (ПО);
- план потребности и обеспечения поездными локомотивами (ПОЛ);
- текущее состояние парка прибытия (ТСПП);
- текущее состояние сортировочного парка (ТССП);
- характеристики групп вагонов по назначениям (ХО);
- распределение составов по половинам горки и приоритетам (PC).
После получения сообщения о новом задании ДСЦ запрашивает каждый макет для просмотра или распечатывает все макеты. Он может корректировать отдельные макеты, которые не запрещены для корректировки. После корректировки информацию в случае необходимости можно восстановить с помощью операции получения задания.
Из всех макетов обязательному просмотру подлежит макет PC, т. к. с его помощью можно уточнить перечень составов высшего приоритета. К непосредственному планированию автоматически отбираются именно эти составы. И, если число таких составов меньше четырех, то имеет смысл включить в группу планируемых составов составы второго (третьего) приоритета, указав им первый приоритет.
Для корректировки запрещены следующие макеты: ПО, ПОЛ, ППТ, ПРП, ПМУ, РЖ, т. к. изменение их содержания не входит в компетенцию ДСЦ. В случае крайней необходимости для изменения информации указанных макетов можно воспользоваться операцией ввода или выдачи санкции, что может сделать технолог АСУ.
3) Получение информации о специализации горочного локомотива.
После получения сообщения о новом задании ДСЦ запрашивает у ДСПГ по телефону или лично сведения о том, когда будет выполняться осаживание вагонов: после каждой операции роспуска тем же локомотивом, который надвигал состав, или после выполнения всего плана роспуска. Эти сведения вводятся по макету ИЛС с АРМа ДСПГ или ДСЦ.
Информация базы данных не соответствует требованиям контроля по своей структуре, и временным интервалам. В связи с этим возникает необходимость отбора той части, которая соответствует периоду контроля, и ее преобразования.
Под сбором информации здесь понимается следующее:
- выбор в главном меню операции контроля;
- выбор в меню операций контроля строки «Сбор информации, расчет показателей и чистка планов».
Поэтому в дипломной работе сменно-суточное планирование уже не рассматривается, как оперативное. Таковым следует считать способность принятия решения и доведения его до исполнителя в такие сроки, за которые отклонения от графика движения поездов будут допустимыми). Допустимым отклонением следует считать такое, которое не приводит к существенной потере доходов или увеличению расходов на перевозки. Определение величины допустимого отклонения возможно путём моделирования процесса по каждой перевозке, что является достаточно сложной задачей. Поэтому было бы целесообразным при каждом отклонении делать пересчёт планов на новой информации. Однако это затруднит оценку качество расчёта диспетчерским персоналом.
После выбора указанной строки из базы данных выбираются сведения о событиях, которые произошли после предыдущей операции контроля. По этим сведениям вычеркиваются исполненные строки планов ПП, ПР, ПН и рассчитываются средние отклонения от них. ДСЦ может просмотреть результаты контроля выбрав в меню операций строку «Просмотр результатов контроля», а также вызвав планы ПП, ПР, ПН операцией запроса.
Ограничение собираемой информации указанным периодом времени необходимо для исключения ошибок при вычислении отклонений. Вместе с тем, следует иметь в виду, что в случае возникновения таких ошибок на результатах планирования это никак не отражается.
Таким образом получается, что пересчёт по каждому отклонению делает невозможным качественный контроль со стороны диспетчера, а установление достаточно большой дискретности планирования приведёт к старению входной информации В связи с этим в работах ВНИИЖТа и ВНИИАСа предложена периодичность расчёта, равная 3 часам, за которые проведение контроля возможно, а старение информации находится в допустимых пределах.
При такой периодичности задание от ЦУМРа должно поступать 4 раза в смену или 8 раз в сутки: в18–00, 21–00, 00–00, 03–00, 06–00, 09–00, 12–00, 15–00. ДСЦ каждый раз должен рассмотреть задание, собрать необходимую информацию для планирования, выполнить автоматизированное планирование и выдать задание исполнителям. После этого он может приступить к контролю выполнения этого задания
После окончания расчета ДСЦС имеет возможность еще раз просмотреть все рекомендации ПЭВМ перед тем, как выдать их исполнителям в качестве заданий. Для этого после утверждения или отмены макета ППТ на экран выдается запрос необходимости печати результатов планирования «Желаете ли просмотреть макеты группы?» (ММ2). Если печать необходима, то ДСЦС указывает «1» и на экран выдается меню вариантов печати «Печатаемые массивы» (МП). В меню можно выбрать требуемый набор документов. Затем предлагается вариант печати: на экран или на бумагу «Меню устройств печати» (ВУ). После распечатки или отказа от нее на экран выдается меню, в котором можно выбрать операцию выдачи заданий исполнителям либо выхода в главное меню «Выдача заданий исполнителям» (МЭИ) для возможных корректировок.
При выборе операции выдачи заданий выходная информация преобразуется в формы, удобные для ДСЦ, ДСП и начинается передача в канал соответствующих макетов. На экран выдается индикация работы канала. По окончанию передачи выдается таблица информации., переданной исполнителям в качестве заданий и запрос необходимости печати макетов, переданных исполнителям по форме, отличающейся от форм ДСЦ (группа 2): При согласии на печать макетов группы 2 эти макеты выдаются на экран и продвигаются по нему клавишей ENTER. После этого выдается текст «Сеанс планирования закончен. Задания исполнителям выданы. Приступайте к контролю выполнения заданий». Исполнителями заданий являются:
- ДСЦ – в части макетов ПО, ПРП, ПМУ, ППТ, РЖ, СО, СЛ, СП
- ДСП – в части макетов ТП, ПУП.
В состав задания ДСЦ включается также текущая информация макетов ТСПП, ТССП, ХО, ПОЛ.
После получения задания АРМОМ ДСЦ на экран ДСЦ выдается сообщение: «Получено новое задание ДСЦО. Приступайте к планированию». После получения задания АРМОМ ДСП на экран ДСП выдается сообщение! «Поступило новое задание ДСЦО. Ждите задания ДСЦ».
Информационная часть информационно-планирующей системы (ИПС – подсистема ИБД)
Подсистема ИБД получает внешнюю информацию от АСОУП и от устройств станционной автоматики. Для ведения полноценной базы данных этой информации недостаточно. Поэтому дополнительная информация собирается и вводится операторами, входящими в состав самой подсистемы.
Ближайшим прототипом информационно-планирующей системы (ИПС НС) является система ИПС СС. Функциональное отличие от прототипа состоит:
- в информационном обслуживании технологического процесса грузовой (а не сортировочной) станции;
- в автоматизации процессов именно оперативного (в новом понимании) планирования с решением специфических для наливной станции оптимизационных задач.
ИПС представляет coбой систему ненавязчивого сервиса, который более всего проявляется в сфере оперативного планирования работы ДСЦ. ДСП. Она позволяет работать как в информационном режиме (по аналогии с АСУСС), так и в режиме автоматизированного планирования.
Выбор режима осуществляют вышеназванные лица. В настоящем дипломном проекте описан режим автоматизированного планирования.
При автоматизированном планировании достигается четкая организация действий ДНЦО (ДНЦВ), ДСЦ, ДСП за счет применения новой информационной технологии.
Подсистема ИБД выполняет следующие функции:
- сбор первичной информации;
- ведение базы данных;
- формирование информации из собственной базы данных;
- коммутация источников и приемников информации;
- передача информации, сформированной подсистемами УРС, УСР, УПМР, а также ДНЦО, ДНЦВ, ТЧД, АСОУП;
- подготовка технологических документов;
- информационно-справочное обслуживание пользователей;
- подпитка планирующей части ИПС соответствующей информацией.
Имеется возможность работы ИПС в двух подрежимах планирования: сеансового и непрерывного. Сеансовый подрежим являете наиболее эффективным, но он реализуем при высокой достоверности входной информации и минимальных отклонениях процессов от составляемых планов. Наибольшим периодом сеансового планирования является период в 6 ч. Подрежим непрерывного планирования наименее эффективен и устанавливается при наименьшей достоверности входной информации, наибольших отклонениях процессов от планов. Подрежимы устанавливаются сами co6oй в зависимости от частоты включения задач планирования.
Достоверность входной информации (в частности, плана прибытия) определяется отклонениями процесса подвода поездов от плана прибытия, а отклонения эти в какой-то степени зависят от качества планирования подвода поездов ДНЦ. При повышении этого качества можно рассчитывать и на повышение достоверности входной информации.
Отклонения станционных процессов от планов в какой-то степени зависят от качества решения задач в ИПС. Чем выше качество, тем больше может быть период планирования.
Планирующая часть ИПС
Планирующая частьпредставляет собой совокупность трёх функциональных подсистем – УРС, УСР, УПМР. Каждый комплект подсистемы оснащается однотипными задачами с одинаковыми макетами и структурами внутри машинной информации. Содержание динамика информации разных физических комплектов различны.
Подсистема УСР получает информацию из следующих источников: подсистемы УРС, ИБД, а также от ДСЦ и ДСПГ. Ответственным лицом подсистемы является ДСЦ. От подсистемы УРС поступает задание на очередной период планирования. Подсистема ИБД относительно подсистемы УСР выполняет две функции:
- представление информации из собственной базы данных;
- обмен информацией, с подсистемой УРС и с ДСПГ.
На начальных этапах эксплуатации ИПС наиболее вероятна работа персонала в подрежиме непрерывного планирования, т.е. включения задач по окончанию каждой из основных операций: подвод поезда к станции, прием поезда, подготовка вагонов к промывке, завершение промывки, окончание погрузки и пр. На последующих этапах эксплуатации возможно чередование подрежимов или только сеансовое планирование.
Информация, вводимая по макетам
| Источник |
Макет |
Момент ввода |
| Имя |
Название |
| 1. Инженер ДЦУП |
1.ГД |
График движения поездов |
При вводе ДЦУПом нового графика движения |
| 2. ТЧД |
2.ПЛ |
План работы локомотивных бригад |
При вводе в депо нового именного графика |
| 3. ДСЗГ, ДСЗО |
3.ССП |
Среднесуточные нормативы эксплуатационной работы |
Перед началом месяца |
| 4. ДНЦВ, ДНЦО, ДСЦ, ДСЦМ |
4. ЗД |
Суточный план выполнения показателей эксплуатационной работы |
Перед началом суток и второй смены |
| 5. ДНЦ |
5.ПРП |
План прибытия сетевых и дорожных поездов |
Каждые 1,5 – 3 часа |
| 6. ПРО |
Прогноз отправления сетевых, дорожных и районных поездов |
То же |
| 7. ВБД |
Выделенные более дальние назначения |
При поступлении приказов ДГП |
| 6. ДНЦВ |
8.ПМУ |
План прибытия районных поездов |
Каждые 1,5 – 3 часа |
| 7. ДНЦО |
9.ОГР |
Ограничение на использование перегонов |
При поступлении приказов |
| 8. ДСЦМ |
10.ЗДП |
Задание по порожним вагонам |
При получении от ДНЦВ |
| 9. ТЧД |
11.ПОГ |
План обеспечения ниток графика поездными локомотивами |
В ответ на получение ЗЛ |
| 12. Информационная часть АСУГС |
12.ТСПП |
Текущее состояние парка прибытия |
При сборе информации |
| 13. ТСПО |
То же, отправления |
То же
|
| 14.ТССП |
То же, сортировочного |
| 15. СПС |
Текущая специализация путей сортировочного парка |
| 16. ХГН |
Характеристика групп вагонов по назначениям |
| 17. ТСЗД |
Текущее состояние выполнения сменного задания |
| 18. ГИ |
Грузовая информация |
Информация, вводимая с помощью меню
| Имя меню |
Название |
Назначение |
| 1.РД |
Режимы диалога |
Главное меню для управления |
| 2. ВС |
Входные сообщения |
Ввод, корректировка, запрос, отмена |
| 3. ВИ |
Выходная информация |
То же |
| 4. МО |
Меню отмены |
Групповая или индивидуальная отмена |
| 5. МВИ |
Вид информации |
Выбор меню ВС или ВИ при индивидуальной отмене |
| 6. ВЗ |
Вид запроса |
Выбор внешнего или внутреннего источника информации |
| 7. УК |
Уровни контроля |
Выбор набора макетов, подлежащих контролю на новизну информации |
| 8. МПР |
Решение принимается? |
Утверждение рекомендаций, выдаваемых на экран |
| 9. МКР |
Решение корректируется? |
Выход в режим корректировки |
| 10. МЗ |
Меню задач, результаты решения которых требуют утверждения |
Выбор следующей решаемой задачи |
| 11. ВУ |
Меню устройств печати |
Выбор между принтером и экраном |
| 12. МП |
Печатаемые массивы |
Выбор набора макетов для печати |
| 13. МЗИ |
Выдача заданий исполнителям |
Выбор между выдачей задания и выходом в меню |
| 14. ММ2 |
Желаете ли просмотреть макеты группы? |
Выбор возможности просмотра макетов задания |
| 15. ОК |
Операция контроля |
Выбор между новым расчетом и просмотром того, что уже рассчитано |
| 16. СК |
Способы контроля |
Установление автоматического или ручного контроля |
| 17. ЗИ |
Запрашиваемая информация |
Выбор сообщения из внешнего источника |
| 18. МА |
Меню режимов диалога для абонента |
Обеспечение ввода внешней информации |
| 19. ФК |
Входные сообщения от абонента |
Выбор объекта контроля |
| 20. ВСА |
Входные сообщения от абонента |
То же |
| 21. УЗДП |
С учетом задания по порядку? |
При сборе информации |
| 22. ТНПП |
Укажите начало периода планирования |
В процессе планирования |
| 23. ЗИД |
Запросите информацию средствами диалога |
По окончанию планирования маршрутов для транзитных поездов и передач вагонов угловым потоком |
| 24. ИРП |
Идет решение задачи планирования |
Во время решения задач планирования маршрутов |
| 25. НУ |
Настройка задач на условия эксплуатации |
Выбор условия эксплуатации |
| 26. ТАБ |
Установка начала и конца смены |
Указание точек времени |
| 27. ТАБ 2 |
Ограничения на отклонения от планов по времени |
Ввод ограничений |
| 28. ОКН |
Выбор способа использования ниток графика |
Выбор алгоритма корректировки макета ГД |
| 29. АВТ |
Выбор уровня автоматизации управления |
Выбор степени участия ДСЦ в планировании |
| 30. САНК |
Ввод и корректировка отдельных макетов |
Запрет на корректировку отдельных макетов |
Выходная информация
| Пользова-тель |
Макет |
Момент вывода |
| Имя |
Название |
| ДСЦ |
1. Л |
Задание по числу локомотивов на смену |
В начале смены |
ДСЦ, ДНЦО,
ТЧД
|
2. ЗЛ |
Заявка на поездные локомотивы |
В результате расчёта потребности |
| 3.ПОЛ |
План потребности и обеспеченности локомотивами |
После ввода ПОГ |
| ДСЦ |
4. ПИ |
Полнота собранной информации |
Перед планированием |
| 5. ПОП |
План очерёдности промывки цистерн |
В результате планирования |
| 6. ПДП |
План досрочной промывки цистерн
|
То же |
| 7. ПР |
План роспуска составов с горки |
То же |
| 8. ПН |
План накопления цистерн на сортировочных путях |
– «– |
| 9. ПГП |
План готовности цистерн к погрузке после промывки |
– «– |
| 10. ПВЭ |
План вывода цистерн из эксплуатации |
– «– |
| 11. ПДВ |
План доставки цистерн в депо |
– «– |
| 12. ПОСФ |
План отправления поездов |
– «– |
| 13. ВЗД |
Степень текущего выполнения сменного задания |
Между сеансами планирования |
| 14. ТСЗД |
Выполнение показателей задания |
То же |
| 15.СОП1 |
Средние отклонения от планов |
– «– |
| 16.ВП1 |
Выполнение планов |
– «– |
| 17. ПРП |
План прибытия поездов |
После ввода ПМУ и после контроля выполнения планов |
1) Составление технического плана работы станции
Руководители станции готовят свои предложения к техническому плану на очередной период планирования (декаду, месяц и т.) по распечатанному перечню показателей макета ССП. Эти предложения рассматриваются в отделе перевозок перед началом планового периода и утверждаются. После утверждения предложения получают статус плана, который вводится затем с АРМа руководителя или с АРМа ДСЦ по тому же макету ССП.
2) Составление плана работы станции на предстоящие сутки
Ежесуточно один из руководителей станции готовят свои предложения к плану работ на предстоящие сутки, используя распечатку перечня показателей из макета ЗД и следующую информацию:
- технический план работы станции (макет ССП)
- портфель заказов на cyтки;
- наличие ресурсов для выполнения плана заказов;
- текущее состояние исполнения бюджетов производства и затрат с начала декады (месяца и т.д.).
Используемый при этом макет ССП вводится в подсистему УНC с АРМа руководителя или с АРМа ДСЦ один раз в декаду или в месяц или в квартал. План заказов поступает из системы ФТО (логистических центров или дочерних перевозочных компаний) перед началом плановых суток.
3) Составление сменного задания
Задание составляется на основании суточного плана, записанного в трёх графах макета ЗД. При составлении задания на первую смену учитывается:
- как выполнялось аналогичное задание в прошлые сутки (распечатки ЗД, ТСЗД прошлых смен).
- мнение ДНЦВ, ДСЦ по выбираемым значениям показателей на первую смену
При составлении задания на вторую смену рассматривается:
- суточный план (первые три графы макета ЗД);
- какое задание выдавалось первой смене (вторые три графы макета ЗД);
- текущее состояние выполнения задания первой смены (макет ТСЗД).
В плане (задании) перечислены показатели выделяемых ресурсов и устанавливаемых объемов работ, распределённые по видам вклада станции в продукцию перевозочного процесса. Каждый показатель может иметь числовые значения за сутки, за первую и вторую смену с подразделением на виды перевозок (сетевые, дорожные, районные).
Суточные значения (первые три графы – план) формируются операцией ввода, в результате которой в эти графы переписываются числа из макета ССП. При этом графы смен обнуляются. Сменные значения (задания) заполняются набором с клавиатуры.
Если до начала смены ДНЦО не ввел новое задание, то станция продолжает работать по старому заданию, но оценка ее работы выполняется относительно начала новой смены. У ДСЦ имеется возможность запросить новое задание. При поступлении запроса в АРМ ДНЦО на его экран выдается сообщение: «Прошу Вас ввести макет ЗД».
4) Сбор информации для планирования
1. Общие положения. Периодичность сеансов оперативного планирования устанавливается в зависимости от интенсивности перевозочного процесса на прилегающих к станции участках. Рекомендуемые варианты периодичности: 90 минут, 3 ч, 4 ч или 6 ч. При этом период планирования в любом случае будет охватывать весь цикл обработки каждого планируемого поезда:
- по разборочным поездам – от приёма на станцию до окончания расформирования:
- по поездам своего формирования – от завершения накопления вагонов в сортировочном парке до отправления.
Ведение информационной базы данных осуществляется в одном ритме с протеканием технологического процесса станции. Информация хранится в базе в таком виде, в котором ее удобно поддерживать, размножать и обрабатывать для различных целей. Что касается задач планирования, то для них информация базы данных недостаточна по составу и не соответствует по структуре. В связи с этим возникает необходимость пополнения недостающей информацией, преобразования имеющейся информации и интеграции. Эти функции выполняются в тот момент, когда возникает потребность в планировании. Инициатором их является ДСЦ.
а) При сохранении инициативы за станцией сбор информации будет протекать следующим образом:
В подсистеме УСР:
- ДНЦО вводит задание для ДСЦ на предстоящий период планирования;
- подсистема УСР выдает ДСЦ сообщение о получении нового задания;
- ДСЦ получает лично или по телефону от ДСПГ информацию о планируемом режиме работы локомотивов и вводит ее в виде макета ИСЛ;
- Если задание поступило, но сообщение о нем не выдается, то для заполнения массивов входной информации данными неполного задания ДСЦ выполняет операцию получения задания.
- ДСЦ просматривает макет PC и ограничивает число составов первого приоритета.
- Под сбором информации здесь понимается порядок действий, описанных ниже. В случае невозможности сбора указанным способом осуществляется ручной ввод недостающих сообщений.
ДСЦ обеспечивает получение следующей информации:
- сменного задания (ЗД) представляющего собой часть суточного плана, совпадающего с ним по форме;
- ограничений на отправление поездов (ОГР);
- плана обеспеченности ниток графика локомотивами (ПОГ);
- плана прибытия местных поездов, не имеющих ТНЛ (ПМУ);
- данных, автоматически получаемых из информационной части ИПС.
Названная информация необходима ДСЦ для оценки формируемых по ней ЭВМ планов работы станции. При невозможности составления планов ЭВМ, ДСЦ сам составляет и вводит в ЭВМ эти планы с использованием указанной информации.
б) Сбор информации перед началом смены. По своей инициативе ДНЦО должен ввести макет ЗД. При наличии приказов ДНЦ об ограничениях в работе станции ДНЦО должен ввести также и макет ОГР. Информация этих макетов должна быть передана в АРМ ДСЦ. Об этом должны быть выданы сообщения типа «Поступила информация ЗД».
Если макет ЗД не поступает, то он запрашивается ДСЦ операцией запроса, либо вводится со своего рабочего места по данным, полученным по телефону.
Информация макета ЗД используется при решении задач планирования и контроля, а также для формирования и передачи в АРМ ТЧД макета Л (сменная потребность в локомотивах). Ограничения готовят базу для корректировки нормативного плана (прогноза) отправления (графика движения), который используется в качестве входной информации (ПО) при планировании работы ДСЦ и ДСП парка отправления.
Вподсистеме УСР
- ДСЦ включает задачи планирования;
- подсистем УСР выдает ДСЦ меню имен сформированных планов ПП, ПР, ПН;
- ДСЦ просматривает последовательно планы ПП, ПР, ПН;
- при необходимости корректировки или отмены какого-либо из
- указанных планов ДСЦ вызывает этот план средствами диалога;
- ДСЦ утверждает предложенные планы после их корректировки или без корректировки.
с) C6op информации перед началом периода планирования. В начале смены, а затем каждые 1.5 -3 ч. либо при существенном отклонении работы станции от действующих планов ДСЦ включает задачи планирования. Перед включением за 5–10 мин. он запрашивает информацию в таком порядке:
- план прибытия местных поездов (ПМУ):
- данные из информационной части ИПС:
- план обеспечения локомотивами ниток графика движения по отправлению (ПОГ).
После ввода ДНЦВ макета ПМУ его информация передается в АРМ ДСЦ, о чем на экране ДСЦ выдается сообщение. После выполнения операции сбора информации из информационной части автоматически формируются макеты ПРП, ТСПП, ТСПО, ТССП, ССП, ХГН, ТСЗД. По окончанию формирования макетов на экран выдается сообщение, что информация собрана. ДСЦ запрашивает для просмотра макет ПРП. При ответе на запрос в этот макет включаются строки из макета ПМУ, что необходимо для дальнейшего планирования с учетом местных поездов.
ДСЦ просмотром макетов ПРП, ТСПП, ТСПО определяет потребность в локомотивах для отправления транзитных поездов. Затем он рассчитывает заявку на поездные локомотивы для поездов своего формирования (ЗЛ).
При формировании заявки из графика движения автоматически выделяется трехчасовой фрагмент для прогноза отправления. Из него по макету ОГР автоматически исключаются нитки, попавшие в окна. Назначения, веса и длины поездов могут быть скорректированы, если это определено в макете ОГР. В результате формируется заготовка для макета ПОСФ. Автоматически оцениваются мощности назначений вагонов, находящихся на станции и по ним определяется потребность в локомотивах.
Эта потребность сравнивается с числом ниток, обеспеченных локомотивами по макету ПЛ. Для ниток ПОСФ, на которые могут быть отправлены поезда, но не обеспеченные локомотивами, формируются заявки. Макет ЗЛ выдается на экран.
ДСЦ рассматривает проект заявки и может его скорректировать. В скорректированном виде макет ЗЛ передается в АРМ ДНЦО. После утверждения ДНЦО этот макет поступает в АРМ ТЧД. По заявке ТЧД принимает решение об обеспечении локомотивами и вводит макет ПОГ. Этот макет поступает в АРМ ДСЦ и на основании его, макет ЗЛ и макет ПЛ формируется макет ПОЛ – потребность и обеспеченность локомотивами. Левая часть плана содержит данные о потребности, правая о возможности ее удовлетворения. Если левая и правая части не совпадают, ДСЦ принимает меры к приведению их в соответствие путем получения от ТЧД гарантий о выделении требуемых локомотивов, либо уменьшения потребности до имеющейся возможности депо. В результате он корректирует правую или левую часть макета и оставляет ее в памяти в скорректированном виде.
Если заявку на локомотивы формировать не требуется, то ДСЦ может запросить макет ПОГ без решения задачи ЗЛ – подачей внешнего запроса. Если макет ПОГ уже введен, то ДСЦ (по желанию) может запросить его операцией внутреннего запроса из своего АРМа.
Начало периода планирования должно указываться во всех запросах одинаковым. При запросах ПОГ, ПМУ источник информации выбирается в зависимости оттого, находится ли указание начала периода планирования на текущем периоде. Если да, то информация берется из АРМ ДСЦ (внутренний запрос), если нет-то из АРМ ТЧД. ДНЦВ (внешний запрос).
После окончания сбора информации ДСЦ может приступать к планированию.
5) Сбор информации для контроля
Информация базы данных достаточна для контроля, но не соответствует требованиям контроля по своей структуре и временным интервалам. В связи с этим возникает необходимость отбора той части, которая соответствует периоду контроля ее преобразования.
Под сбором информации здесь понимается следующее:
выбор в главном меню операции контроля;
выбор в меню операций контроля строки «Сбор информации, расчет показателей и чистка планов».
После выбора указаний строки из базы данных выбираются сведения о событиях, которые произошли после предыдущей операции контроля. По этим сведениям рассчитываются показатели сменного задания и вычеркиваются исполненные строки планов ПРП, ПМУ, ПОСФ. ДСЦ может просмотреть результаты контроля, выбрав в меню операций строку «Просмотр результатов контроля», а также вызвав планы ПРП, ПМУ, ПОСФ операцией запроса.
Ограничение собираемой информации указанным периодом времени необходимо для исключения повторных суммирований для показателей, значения которых представляют собой нарастающий итог. В случае каких либо искажений, ДСЦ имеет возможность исправить полученные результаты в макете ТСЗД с помощью операции корректировки. Исправления необходимы для правильного решения задач планирования.
В одном из возможных вариантов технологии работы ДСЦВ подсистеме УНС к информации, которая не может быть получена автоматически, относятся макеты. ЗД, ОГР, ПРП, ПОЛ. Для их получения необходимо организовать ручной ввод с помощью специальных информационных технологий. Процесс сбора информации, вводимой с клавиатуры, должен быть привязан к моментам начала смены и начала периода планирования.
В начале смены предлагается собирать менее оперативную информацию, а перед началом периода планирования – более оперативную, связанную с выделением конкретных локомотивов и бригад, а также с прибытием местных поездов.
Продолжительность можно принять равной от 1,5 до 3 ч., в зависимости от интенсивности подхода поездов к станции. Для выявления отклонений и их оценки необходим периодический контроль за ходом выполнения принятых планов. В частности, можно предложить технологию четырехуровнего контроля, при котором сначала определяется наличие в данный момент сверхнормативного отклонения от задания по каждой сортировочной системе.
При помощи такого отклонения ДСЦ имеет возможность определить отклонение по каждому показателю задания, затем – по каждому из основных планов, формируемых подсистемой УНС, и, наконец, по каждой позиции любого плана.
Обеспечив таким образом, автоматическую часть подсистемы УНС входной информацией, а ДСЦ – информацией для принятия решения о планировании, можно рассмотреть и технологию самого планирования.
Из информационной структуры видно, что функции УНС являются источниками информации для функций УПМР. А это означает, что на каждое АРМ необходимо выдавать ту информацию, которая относится именно к его объектам управления. Предварительно необходимо просмотреть выдаваемую информацию и придать ей статус задания.
1) Состав и последовательность операций
Информационная часть информационно-планирующей системы (ИПС – подсистема ИБД)
а). Информационная часть ИПС
Вход поезда в зону управления:
- поезд входит в зону управления «своего» отделения дороги;
- из АСОУП в подсистему ИБД поступает ТНЛ на данный поезд;
- ДНЦ планирует подвод поезда к данной станции и вводит информацию в виде макета 0010 (00И).
- ОСТЦ запрашивает имеющуюся ТНЛ на данный поезд;
- подсистема ИБД выдает ОСТЦ ТНЛ на поезд;
- ОСТЦ сверяет данные ТНЛ и натурного листа с результатами списывания;
- ОСТЦ принимает решение и утверждает ТНЛ с корректировкой или без нее.
Прибытие поезда для роспуска с горки:
- поезд прибывает в парк прибытия;
- от ЛИУК в подсистему ИБД вводится сообщение о прибытии в парк прибытия;
- подсистема ИБД корректирует модель текущего состояния парка прибытия;
- подсистема ИБД выдает в АСОУП сообщение о прибытии поезда.
Уборка поездного локомотива:
- поездной локомотив выходит за светофор выезда с пути прибытия поезда;
- от ЛИУК поступает сообщение об уборке поездного локомотива;
- подсистема ИБД корректирует локомотивную модель.
Заезд горочного локомотива:
- горочный локомотив заезжает на путь нахождения состава, подготовленного к роспуску с горки;
- от ДСПГ поступает сообщение о заезде локомотива;
- подсистема ИБД корректирует локомотивную модель. Начало надвига состава на горку:
- горочный локомотив начинает надвиг и выталкивает «голову» состава за светофор выезда с пути;
- от ДСПГ поступает сообщение о начале надвига;
- подсистема ИБД корректирует поездную модель станции.
Окончание роспуска состава с горки:
- последний скат последнего отцепа распускаемого состава прибывает на путь сортировочного парка;
- от КГМ поступает исполненный сортировочный листок;
- подсистема ИБД корректирует модель сортировочного парк. Окончание маневров в районе горки
- в районе горки закончились маневры по исправлению браков роспуска состава;
- ДСПГ вводит сообщения о перестановках вагонов;
- подсистема ИБД корректирует модель сортировочного парка.
Заезд выставочного локомотива в сортировочный парк:
- выставочный локомотив заезжает за накопленным составом;
- от ДСПГ поступает сообщение о заезде локомотива;
- подсистема ИБД корректирует локомотивную модель;
Выставка накопленного состава
- накопленный состав выставляется в парк отправления;
- от ДСПГ в подсистему ИБД поступает сообщение о выставке;
- подсистема ИБД корректирует модели.
Окончание формирования состава:
- выставочный локомотив выезжает с пути отправления;
- от ДСПГ поступает сообщение о выезде локомотива;
- ДСП вводит сообщение об окончании формирования состава;
- подсистема ИБД корректирует модели.
Подача поездного локомотива:
- поездной локомотив заезжает под состав;
- от ДСП поступает сообщение о заезде локомотива;
- подсистема ИБД корректирует локомотивную модель.
Окончание подготовки поезда к отправлению:
- ДСП запрашивает ТНЛ на поезд;
- подсистема ИБД выдает на печать запрошенную ТНЛ и справку о маршруте машиниста;
- ДСП выдает ТНЛ и справку машинисту локомотива. Отправление поезда:
- поезд отправляется со станции;
- от ЛИУК в подсистему ИБД поступает сообщение об отправлении поезда;
- подсистема ИБД корректирует модель текущего состояния парка отправления.
- подсистема ИБД выдает в АСОУП сообщение об отправлении и ТНЛ.
Работа грузового фронта
- вагон подан (убран) на фронт погрузки;
- оператор товарной конторы вводит сообщение о подаче (уборке) вагона в подсистему ИБД;
- подсистема ИБД корректирует модель состояния грузового фронта;
- вагон погружен (выгружен);
- приемо-сдатчик вводит сообщение о погрузке (выгрузке) вагона;
- подсистема ИБД корректирует модель состояния грузового фронта.
б). Планирующая часть
В подсистеме УСР:
- Контроль по средним отклонениям от планов ДСЦ включает задачи сбора информации для контроля выполнения планов;
- подсистема УСР выделяет из базы данных ранее не обрабатывавшиеся сообщения, обрабатывает их, вычисляет средние отклонения от планов, вычеркивает исполненные строки из планов ПП, ПР, ПН и выдает сообщение о том, что информация собрана;
- ДСЦ запрашивает макет контроля средних отклонений от планов и принимает решение о продолжении контроля либо исполнения.
Контроль конкретных отклонений от планов:
- ДСЦ запрашивает макет контроля конкретных отклонений от планов и принимает решение о продолжении контроля либо исполнения.
Контроль за невыполненными заданиями планов:
- ДСЦ запрашивает планы ПП, ПР, ПН и анализирует их содержание.
Планирующая частьпредставляет собой совокупность двух функциональных подсистем – УНС, УПМР. На станции Ветласян необходимо предусмотреть два комплекта подсистемы УПМР. Каждый комплект оснащается однотипными задачами с одинаковыми макетами и структурами внутри машинной информации. Содержание и динамика информации разных физических комплектов различны.
Подсистема УНС получает информацию из следующих источников:
- подсистема ведения информационной базы данных (ИБД);
- ответственное лицо подсистемы УНС – маневровый диспетчер (ДСЦ);
- абоненты системы: ДНЦ, ДНЦО, ДНЦВ, ТЧД
- Подсистема ИБД относительно подсистемы УНС выполняет две функции:
- представление информации из собственной базы данных;
- обмен информацией с подсистемой УПМР и с абонентами;
Информация от подсистемы ИБД поступает в подсистему УНС автоматически. Инициализацию ввода осуществляют: ответственное лицо и абоненты.
ДСЦ регулярно вводит пять запросов, инициализирующих сбор информации, включает задачи планирования и реагирует на получаемые результаты путем их отмены или утверждения с корректировкой или без нее. Нерегулярно ДСЦ вводит какую-либо недостающую информацию или свой вариант выходной информации.
Комплекс задач УПМР получает информацию из следующих источников: подсистем УНС, от ответственного лица подсистемы – ДСП, от абонента – ДСПГ.
Комплекс задач УПМР получает информацию из подсистем ИБД, УНС, от ответственного лица – ДСП.
Подсистема УНС выдает комплексам задания сразу на три малых периода планирования общей продолжительностью в 90 минут. Подсистема ИБД выдает сообщения о событиях эксплуатационной работы, по которым в АРМах ДСП при включении задач сбора информации ведутся модели ТСПП, ТСПО, используемые при планировании. ДСПГ вводит план ПС, ДСП – план ПВ. Формируемые модели ТСПП, ТСПО используются комплексом УПМР.
Операции, выполняемые вне ритма управляемых процессов
Регулярная замена нормативов:
- инженер технического отдела локомотивного депо выдает технологу АСУ (ТА) точки графика движения, обеспеченные локомотивами на следующий период (месяц);
- ТА вносит изменения в нормативный документ ПЛ;
- ТА корректирует информацию макета ПЛ в автономной ПЭВМ, записывает ее на дискету и вводит с дискеты, в АРМ ТЧД;
- ТА выполняет контрольное решение задач УНС и фиксирует информацию в качестве контрольного примера;
- инженер технического отдела станции выдает ТА технический план работы станции на следующий период (месяц);
- ТА вносит изменения в документ ССП;
- далее ТА действует аналогично описанному для макета ПЛ, но с АРМом ДСЦ;
- инженер технического отдела станции выдает новый график движения поездов;
- ТА вносит изменения в нормативный документ ГД;
- далее ТА действует аналогично описанному для макета ССП.
Нерегулярная корректировка нормативно-справочной информации и программ:
- руководство отделения дороги принимает решение о реконструкции станции (изменение схемы путей, технологии работы, маршрутизации, систем СЦБ, организационной структуры и т.п.);
- зам. НОДН по АСУ выдает начальнику ВЦ (отдела АСУГС) задание на подготовку проекта изменения технологической и программной документации;
- начальник ВЦ организует работу по корректировке паспорта станции, массивов НСИ, циклов в программах;
- после корректировки документации корректируется содержание дискет, задачи проверяются на новом контрольном примере в автономной ПЭВМ:
- после обработки задач они загружаются в рабочие ПЭВМ и сдаются в эксплуатацию.
Сбор информации перед началом плановых суток
Плановые сутки начинаются в 18–00 по Московскому времени. Начальник станции или его заместитель по результатам селекторного совещания отдела перевозок (НОДН), даёт указание ДСЦ на ввод суточного плана работы станции в макет ССП. По результатам селекторного совещания службы перевозок могут возникнуть изменения суточного плана. В этом случае по указанию руководителя станции, присутствовавшего на совещании, в суточный план вносится корректировка. По результатам селекторного совещания Департамента управления перевозками также может возникнуть необходимость корректировки.
Сбор информации перед началом смены
Первая смена начинается в 18–00 по Московскому времени, вторая смена – в 8–00. ДНЦО, как лицо, заинтересованное в результатах работы станции, по своей инициативе вводит в макет ЗД задание на текущую смену и может ввести макет ОГР. Значение отдельных показателей макета ЗД ДНЦО согласовывает с ДНЦВ. На экран ДСЦ выдается сообщение о поступлении макетов ЗД, ОГР. В случае невыдачи указанных макетов ДСЦ, как ответственный пользователь ИПС СС, сам запрашивает необходимую ему информацию. Функционирование в этом случае протекает следующим образом:
- ДСЦ вводит со своего АРМа запрос сменного задания (ЗД);
- подсистема УНC выдает ДНЦО запрос ЗД;
- ДНЦО вводит со своего АРМа макет ЗД;
- подсистема УНС выдает ДСЦ сообщение о поступлении ЗД;
- ДСЦ вводит запрос ограничений на использование перегонов по отправлению (ОГР);
- подсистема УНС выдает ДНЦО запрос ОГР:
- ДНЦО вводит макет ОГР (или не вводит);
- в случае ввода подсистема УНС выдаёт ДСЦ сообщение о поступлении макета ОГР.
ДНЦ анализирует наличие вагонов разных назначений на станциях и может принять решение о плановом изменении плана формирования поездов. В этом случае он выдаёт задание на формирование поездов более дальних назначений по макету ВБД.
Сбор информации перед началом сеанса планирования
Основные положения
Периодичность сеансов оперативного планирования устанавливается в зависимости от интенсивности перевозочного процесса на прилегающих к станции участках. Рекомендуемые варианты периодичности: 90 минут, 3 ч, 4 ч или 6 ч. При этом период планирования в любом случае будет охватывать весь цикл обработки каждого планируемого поезда:
- по ожидаемым – до расформирования;
- по сформированным для подачи под погрузку – до отправления.
Инициализация сеанса планирования зависит от оснащённости ЦУМР соответствующими информационными технологиями. При отсутствии в ЦУМРе технологий автоматизированного оперативного планирования, инициатива сохраняется за станцией, а планирование ведётся по критериям плановой экономики, оптимизирующим работу самой станции. При наличии в ЦУМРе упомянутых технологий инициатива передаётся ЦУМРу. а планирование работы станции ведётся по рыночным критериям, оптимизирующим деятельность компании ОАО «РЖД».
В случае, когда инициатива сохраняемся за станцией, то перед инициализацией сеанса ДСЦ запрашивает необходимую информацию из ЦУМРа. В другом случае эта информация поступает на станцию без запроса.
Информационная часть
Информационные технологии подсистемы ИБД выполняются в одном ритме с ходом реальных событий независимо от сеансов планирования, за счёт чего база данных постоянно поддерживается в актуальном состоянии. Исключение составляют два макета – ПРП и ПМУ. Перед началом сеанса планирования информация для этих макетов поступает от ДНЦ и ДНЦВ по существующим формам 0010, ООП. При этом ДНЦ вводит информацию по сетевым и дорожным поездам, а ДНЦВ – по местным (отделенческим).
После оснащения ЦУМРа информационными технологиями оперативного планирования формы 0010, ООП будут заменены макетом ППП (план отправления и продвижения поездов), который будет поступать в подсистему УНС и делиться на две части: ПРП и ПРО.
Планирующая часть
При сохранении инициативы за станцией сбор информации будет протекать следующим образом:
В подсистеме УНС:
- ДСЦ вводит запрос плана прибытия поездов, сформированных на своем отделении дороги (ПМУ);
- подсистема УНС выдает ДНЦВ запрос ПМУ (форм 0010, 0011);
- ДНЦВ вводит макет ПМУ (или формы 0010, 0011);
- подсистема УНС выдает ДСЦ сообщение о
поступлении ПМУ;
- ДСЦ выполняет операцию сбора информации для планирования;
- подсистема УНС формирует макеты ПРП, ТСПП, ТСПО, ТССП, ХГН,
- СПС ТСВП и выдает сообщение о том, что информация собрана;
- ДСЦ запрашивает план прибытия поездов (ПРП);
- подсистема УНС включает в ПРП строки из плана ПМУ и выдает полученный план ПРП на экран;
- ДСЦ определяет из плана число ожидаемых транзитных поездов;
- ДСЦ запрашивает информацию о текущем состоянии парков прибытия и отправления (ТСПП, ТСПО);
- подсистема УНС выдает запрошенную информацию;
- ДСЦ включает задачу расчета заявки на локомотивы для отправления поездов своего формирования;
- подсистема УНС выдает прогноз накопления по всем назначениям и макет ЗЛ, содержащий нитки графика, на которые требуется выделить локомотивы для поездов своего формирования;
- ДСЦ вносит коррективы в полученный макет ЗЛ и передает его ДНЦО;
- подсистема УНС выдает ДНЦО посланный ДСЦ проект ЗЛ;
- ДНЦО принимает заявку с корректировкой или без нее либо отменяет; в случае принятия она передается в адрес ТЧД;
- подсистема УНС выдает принятую ЗЛ на экран ТЧД;
- ТЧД планирует работу депо, принимает решение об обеспечении локомотивами заявки ЗЛ, вводит ПОГ;
- подсистема УНС объединяет ЗЛ и ПОГ в план потребности и обеспеченности локомотивами (ПОЛ) и выдает его ДСЦ;
- ДСЦ сравнивает потребность и возможность по локомотивам путем анализа ПОЛ, принимает решение о приведении потребности и возможности в соответствие, принимает ПОЛ с соответствующей корректировкой или без нее.
Сбор информации в ходе исполнения принятых планов
Информационная часть ИПС
Вход поезда в зону управления:
- поезд входит в зону управления «своего» отделения дороги;
- из АСОУП в подсистему ИБД поступает ТНЛ на данный поезд;
- ДНЦ планирует подвод поезда к данной сортировочной станции и вводит информацию в виде макета 0010 (0011).
- ОСТЦ запрашивает имеющуюся ТНЛ на данный поезд;
- подсистема ИБД выдает ОСТЦ ТНЛ на поезд;
- ОСТЦ сверяет данные ТНЛ и натурного листа с результатами списывания;
- ОСТЦ принимает решение и утверждает ТНЛ с корректировкой или без нее.
Прибытие поезда для роспуска с горки:
- поезд прибывает в парк прибытия;
- от ЛИУК в подсистему ИБД вводится сообщение о прибытии в парк прибытия;
- подсистема ИБД корректирует модель текущего состояния парка прибытия;
- подсистема ИБД выдает в АСОУП сообщение о прибытии поезда.
- Уборка поездного локомотива:
- поездной локомотив выходит за светофор выезда с пути прибытия поезда;
- от ЛИУК поступает сообщение об уборке поездного локомотива;
- подсистема ИБД корректирует локомотивную модель.
- Заезд горочного локомотива:
- горочный локомотив заезжает на путь нахождения состава, подготовленного к роспуску с горки;
- от ЛИУК поступает сообщение о заезде локомотива;
- –
подсистема ИБД корректирует локомотивную модель.
- Начало надвига состава на горку:
- горочный локомотив начинает надвиг и выталкивает «голову» состава за светофор выезда с пути;
- от ЛИУК поступает сообщение о начале надвига;
- подсистема ИБД корректирует поездную модель станции.
- Окончание роспуска состава с горки:
- последний скат последнего отцепа распускаемого состава
- прибывает на путь сортировочного парка;
- от КГМ поступает исполненный сортировочный листок;
- подсистема ИБД корректирует модель сортировочного парка и локомотивную модель.
Окончание маневров в районе горки:
- в районе горки закончились маневры по исправлению брака роспуска состава;
- ДСПГ вводит сообщения о перестановках вагонов;
- – подсистема ИБД корректирует модель сортировочного парка.
- Заезд выставочного локомотива в сортировочный парк;
- выставочный локомотив заезжает за накопленным составом;
- от ДСПГ поступает сообщение о заезде локомотива;
- подсистема ИБД корректирует локомотивную модель.
Подача поездного локомотива:
- поездной локомотив заезжает под состав:
- от ЛИУК поступает сообщение о заезде локомотива;
- подсистема ИБД корректирует локомотивную модель.
- Окончание подготовка поезда к отправлению.
- ДСП запрашивает ТНЛ на поезд;
- подсистема ИБД выдает на печать, опрошенную ТНЛ, и справку о маршруте машиниста;
- ДСП выдает ТНЛ и справку машинисту локомотива.
- Отправление поезда:
- поезд отправляется со станции;
- от ЛИУК в подсистему ИБД поступает сообщение об отправлении поезда;
- подсистема ИБД корректирует модель текущего состояния парка отправления;
- подсистема ИБД выдает в АСОУП сообщение об отправлении и ТНЛ.
Работа грузового фронта:
- состав подан (убран) на фронт погрузки;
- оператор товарной конторы вводит сообщение о подаче (уборке) вагонов в подсистему ИБД;
- подсистема ИБД корректирует модель состояния грузового фронта;
- вагоны погружены (выгружены
- приемосдатчик вводит сообщение о погрузке (выгрузке) вагонов;
- подсистема ИБД корректирует модель состояния грузового фронта.
Планирующая часть
В подсистеме УНC выполняется:
= контроль работы станции в целом:
- ДСЦ включает задачи сбора информации для контроля выполнения планов;
- подсистема УНС выделяет из базы данных ранее не обрабатывавшиеся сообщения, обрабатывает их, вычисляет показатели сменного задания и средние отклонения от планов, вычеркивает исполненные строки из планов ПРП, ПОСФ и выдает сообщение о том, что информация собрана;
- ДСЦ запрашивает макет контроля степени выполнения сменного задания и принимает решение о продолжении контроля либо исполнения:
Контроль выполнения показателей задания:
- ДСЦ запрашивает макет контроля выполнения показателей сменного задания и принимает решение о продолжении контроля либо исполнения;
Контроль по средним отклонениям от планов
- ДСЦ запрашивает макет контроля средних отклонений от планов и принимает решение о продолжении контроля либо исполнения.
Контроль конкретных отклонений от планов:
- ДСЦ запрашивает макет контроля конкретных отклонений от планов и принимает решение о продолжении контроля либо исполнения.
Контроль за невыполненными заданиями планов
- ДСЦ запрашивает планы ПРП, ПОСФ и анализирует их содержание.
Состав и последовательность операций по приему, контролю и обработке входной информации
После утверждения всех планов и доведения до исполнителей ДСЦ осуществляет контроль их исполнения. В соответствии с должностной инструкцией и инструкцией по эксплуатации у ДСЦ имеется возможность контроля на четырех уровнях. ДСЦ устанавливает уровень по своему усмотрению.
Содержание макетов контроля формируется по поступающим сообщениям, которые обрабатываются без участия ДСЦ. Контроль этих сообщений выполняется в подсистеме ИБД.
На первом уровне контролируется выполнение сменного задания по совокупному критерию. В том случае, когда текущее значение критерия значительно отклоняется от нормативного на данный момент, ДСЦ переходит на второй уровень контроля.
На втором уровне контролируется выполнение сменного задания по показателям. При существенном отклонении текущего значения какого-либо показателя ДСЦ может перейти на третий уровень контроля. На этом уровне контролируется среднее отклонение по каждому из двух планов; прибытия поездов (ПРП), отправления поездов (ПОСФ). При достаточно большом среднем отклонении можно перейти на четвертый уровень, где контролируется выполнение тех же планов по каждой строке. Контроль по четырем уровням выдается по макетам ВЗД, ВПЗД, СОП1, ВП1.
С помощью четырехуровневого контроля ДСЦ определяет возможность выполнения принятых планов. При невозможности выполнения он открывает новый сеанс планирования. Новое решение возможно на старой, а также на частично, либо полностью обновленной информации.
При любом включении задач планирования автоматически контролируется наличие входной информации по одному из шести уровней. Уровень контроля задает ДСЦ в зависимости от того, на каком составе входной информации он собирается планировать.
Указание уровня, выполняется с помощью меню, после его указания ПЭВМ приступает к контролю. Контролируются только те сообщения, которые вводит сам ДСЦ. Контроль основан на том, что после утверждения последних результатов планирования ведется учет введенных сообщений. Сообщение учитывается лишь при условии положительных результатов по реквизитного контроля. Если среди учтенных сообщений имеются все, относящиеся к выбранному уровню, то функционирование продолжается. В противном случае выдается сообщение о недостающих макетах.
Состав и последовательность операций по выдаче результатов решения
Выдаваемая информация подразделяется на четыре вида:
- подсказки диалога в виде меню и других сообщений;
- промежуточные результаты,
- окончательные результаты;
- задания для исполнителей.
Подсказки выдаются как в процессе сбора информации, так и в процессе решения, определяя таким образом последовательность операции информационной технологии.
Промежуточные результаты выдаются в виде сообщений об отклонении процесса планирования с указанием причин и в виде рекомендаций, планов, заданий. Пользователь обязан реагировать на эту информацию, в противном случае, решение не будет продолжено.
После передачи управления задачам планирования подсистема УНС выдает ДСЦ макеты ПОСФ, ПГП подлежащие утверждению. После утверждения, решение продолжается на утвержденной информации. По окончании решения выдаются макеты ПОП, ПДП. ДСЦ просматривает указанную информацию. При этом он может ее корректировать или отменять. Пекле этого он ее утверждает и управление передается следующей задаче. По окончанию решения выдаются макеты ПР, ПН, также подлежащий утверждению
К окончательным результатам относится вся выходная информация, одобренная ДСЦ путем утверждения или согласия. Эта информация хранится в ПЭВМ и служит базой для формирования заданий и ответов на запросы. Основные макеты (ПОСФ, ПОЛ, ПРП, ПОП, ПДП) могут быть распечатаны сразу же после окончания решения всех задач. Для этого ДСЦ получает меню вариантов печати и указывает нужный вариант. После распечатки основных результатов (пли отказа от распечатки) ПЭВМ выдает таблицу, в которой указаны задания, выданные исполнителям. После ознакомления с таблицей ДСЦ нажимает клавишу пробела и получает сообщение об окончании сеанса планирования.
Исполнителями заданий являются ДСП. Каждому из них на базе окончательных результатов формируется свое индивидуальное задание. Оно содержит определенные макеты с уточненным реквизитным составом. ДСЦ не получает этих заданий, т. к. принципиально они соответствуют одобренной им информации.
В период между сеансами планирования ДСЦ может запросить действующие планы и задания на экран или на печать.
Задания исполнителям передаются с помощью подсистемы ИБД. Переданное задание размещается в памяти АРМ ДСЦ (ДСП), о чем она получает сообщение на экране. При необходимости получения информации по текущему периоду планирования пользователь подает внутренний запрос. Если информация относится к следующему периоду, то он вводит внешний запрос.
В случае невозможности получить машинное решение задач планирования ДСЦ вводит выходную информацию сам. После этого он ее утверждает и с помощью вышеописанной информационной технологии доводит до сведения исполнителей.
Опыт ВНИИЖТа и ВНИИАСа в области разработки и внедрения компьютерных задач оперативного управления процессами грузовых перевозок показал, что для успешного функционирования задачи недостаточно того, чтобы она правильно и быстро решалась. Необходимо ещё обеспечить своевременное включение, когда входная информация подготовлена и не устарела, а выходная – востребована. В связи с этим важнейшим условием эффективного применения задач является грамотное вписывание их в информационную технологию.
В главе 7 было дано описание информационных технологий маневрового диспетчера грузовой станции. Формальное представление этой технологии при управлении парком порожних цистерн приведено на рис. 8.1, а при управлении парком гружёных цистерн – на рис. 8.2. Как видно из рисунков, в контуры технологий включены задачи переработки информации (СИ, КНИ, РНВ, ВЗ) и управления (УВЭ, УКО, УТО, УОП, УДВ, УОГ, УДП, ВОРС).
Задача СИ формирует из базы данных макеты, используемые задачами управления. К таким макетам относятся ПРП, ХГН, ТСЗД, ТСПП, СПС, СПП, СПО, ГИ. Задача РНВ рассчитывает нормативы на длительность выполнения операций в зависимости от числа и типа участвующих в них цистерн, погодных условий, задача ВЗ представляет задания исполнителям в удобных для них формах и передаёт в их АРМы.
Задача УВЭ формирует список номеров вагонов, подлежащих выводу из эксплуатации, с указанием вида и даты предстоящего планового ремонта или даты списания.
Задача УКО формирует список номеров вагонов, не проходивших коммерческий осмотр, с указанием их дислокации на станции. Аналогично решается задача УТО. Задача УОП определяет номера вагонов, которые по времени, прошедшему после погрузки, или по количеству погрузок должны проходить очистку, промыву и пропарку. Выдаёт рекомендацию по номерам путей выставки подготовленных цистерн. Задача УДВ выдаёт рекомендации по выбору вагонного депо, в которое необходимо отправить выведенную из эксплуатации группу цистерн и с каким поездом или маневровым составом.
Задача УОГ определяет потребность в количестве и типах порожних цистерн, которые следует подавать под погрузку с учётом того, какие и сколько цистерн уже поданы или погружены. Если имеющихся готовых цистерн не достаточно, то рассматриваются возможности очередной промывки неготовых цистерн. В том случае, когда и этих цистерн не достаточно ДСЦ включает задачу УДП. Алгоритм решения этой задачи показан условиям работы станции на рис. 8.3.
Задача ВОРС включается для определения порядка подачи цистерн на промывку как в нормативные сроки, так и вне очереди. Кроме того она определяет очерёдность подачи определённых типов цистерн в определённых количествах под погрузку с учётом потребности и наличия. Выходной информацией является план роспуска составов и план накопления вагонов, подаваемых под погрузку с последующим отправлением и под промывку. Алгоритм решения задачи ВОРС, приспособленный к условиям станции Ветласян.
9.
Формы входных и выходных планов с примерами заполнения
Нормативы веса и длины формируемых поездов
| Назначение |
Вес |
Длина (ваг) |
Отклонение по весу |
Отклонение по длине |
| Сольвычегодск |
5200 |
60 |
+30 |
-1 |
| Ярославль |
5200 |
60 |
+30 |
-1 |
| Микунь |
4800 |
57 |
+30 |
-1 |
| Печера |
4000 |
57 |
+30 |
-1 |
| СПЕЦИАЛИЗАЦИЯ ПУТЕЙ СОРТИРОВОЧНОГО ПАРКА (СПС) |
| Номер пути |
Код специализации |
| 13 |
2857 |
| 15 |
Тем. Налив 221 |
| 17 |
Свет. Налив 214 |
| 19 |
Конд. 226 |
| 21 |
выгрузка |
| 23 |
Битум 222 |
| 25 |
Браки пто, ком. Браки |
| 27 |
2824 |
| 29 |
2880 |
| 31 |
Тем. Налив 215 |
| 33 |
Свет. Налив 211 |
| 35 |
Газ 226 |
| ГРАФИК ДВИЖЕНИЯ ПОЕЗДОВ (ГД) |
Номер поезда |
Время отправления |
Нормативное назначение |
Вес поезда |
Длина поезда |
| Час. |
Мин. |
| 1701 |
10 |
00 |
2070 |
5200 |
52 |
| 1703 |
15 |
50 |
2070 |
5200 |
52 |
| 2525 |
11 |
20 |
2800 |
5200 |
60 |
| 2527 |
16 |
30 |
2800 |
5200 |
57 |
| 3021 |
12 |
44 |
2824 |
4800 |
57 |
Номер поезда |
Время прибытия |
Нормативное назначение |
Вес поезда |
Длина поезда |
| Час. |
Мин. |
| 2048 |
10 |
30 |
2857 |
1375 |
55 |
| 2052 |
11 |
40 |
2857 |
1820 |
70 |
| 3061 |
12 |
00 |
2857 |
1500 |
57 |
На железных дорогах России, стран СНГ, Балтии и бывшего социалистического лагеря укоренился принцип планирования, основанный на таком понимании социальной справедливости, как «Первым пришёл – первым обслужен». В соответствии с этим принципом порядок роспуска составов, номера поездов которых указаны в макетах ТСПП, ПРП, ПМУ (№2022; №2036) должны распускаться в порядке их состоявшейся готовности и ожидаемого прибытия, а именно: (№2022; №2036). (см. содержание макета ПР по первому варианту планирования на стр. 94).
В результате планирования роспуска первого состава №2022, разложение которого приведено в макете ХГН, на сортировочные пути №15,17,25 поступят отцепы количеством 46; 14; 5; вагонов. На этих путях будет достигнуто следующее накопление вагонов 15п-6017п-60; 25п-25. При этом на пути №15,17 накопление достигнет норматива на состав и этот составы будет подан под налив, с последующим привязыванием к нитке графика по отправлению поезда №1703 на 15 ч. 50 м. и 2527 на 16 ч. 30 м.
Следующий состав с №2036 будет запланирован аналогичным образом с использованием ёмкости 31,33 пути. В результате его роспуска накопления на состав произойдет, и данные вагоны могут быть использованы для следующей подачи на фронт погрузки.
Аналогичным расчётом заполнения путей сортировочного парка, ожидаемого в результате реализации плана роспуска (макет ПР), установлено, что в плане накопления (макет ПН) будет содержаться информация о завершении накоплений на путях 15,17,31,33, а в плане отправления (макет ПОСФ) будут задействованы следующие нитки графика п №1703 на 15 50; п №2527 на 16 30.
Для достижения более высоких показателей работы станции очерёдность роспуска составов может быть изменена. Примером эффекта от изменения очерёдности роспуска может служить наличие цистерн нужного типа, что приведет сокращению времени для накопления состава и соответственно повлияет на показатели. Задержка роспуска готовых составов позволит сохранить свободность на путях сортировочного парка до прибытия поезда с нужным типом цистерн. Первоочерёдный роспуск этого поезда даст более раннее завершение накопления группы вагонов под погрузку. Естественно, что такое ускорение целесообразно при условиях:
- сокращением времени разбора состава на горке;
- наличии цистерн нужного типа;
- наличие нитки графика, обеспеченной локомотивом и бригадой и т.д.
В рассматриваемом контрольном примере заданы составы таких разложений (макет ХНГ), при которых можно организовать разные очередность разбора прибывших составов.
Имитация (по вышеприведённому алгоритму) роспуска этой группы из двух составов по вариантам позволила рассмотреть несколько возможных вариантов очерёдности и выбрать из них лучший. Результаты выбора лучшего варианта отражены в макетах ПП, ПР, ПН и ПОСФ для второго варианта (см. табл. ПП-2, ПР-2, ПОСФ-2).
Сравнивая содержания макетов второго (компьютерного) варианта показывают. Суммарное отклонение за трёхчасовой период будит меньше чем в первом варианте. Экономия времени при использовании компьютерного варианта составит 2,25 часа.
Поэтому, если проанализировать проделанную работу и расчеты по первому варианту решения и по второму, видно, что второй вариант наиболее выгоден, т. к. дает экономию времени по отправлению вагонов со станции с грузами, чем сокращается их простой на станции и тем самым уменьшается или вообще исчезает просрочка доставки груза грузополучателями, за которой следует выплата пеней за каждое опоздание. И как следствие возмещение части этого ущерба будет возлагаться на того работника, который допустил это нарушение.
Далее рассмотрим наиболее выгодный – второй вариант. При готовности п №2022, мы его пока не берем для роспуска с горки, а ждем готовности №2036 в котором имеются, большая группа цистерн нужного типа необходимых под налив и его готовность к роспуску, т.е. пока его осмотрят работники пункта технического осмотра (ПТО), работники пункта коммерческого осмотра вагонов (ПКО). После снятия ограждения с пути, на котором находится п №2036, мы не только можем его брать на расформирование, но и вести параллельно маневровую работу в парке отправления с п №2525, т. к. маневры этого состава будет идти на одном вытяжном пути, тем самым увеличивается пропускная способность сортировочной системы станции и соответственно линии в целом. Но в настоящее время существующая система не дает нам полного удовлетворения этих требований, т. к. подход поездов, идущих в разборку, со станции Микунь, Сольвычегодск и других направлений идет неравномерно, а количество путей для приема ограничено. Поездной диспетчер (ДНЦ), в свою очередь, должен обеспечивать пропускную способность (соблюдение участковой скорости и т.д.) вверенного ему участка, поэтому он дает команду ДСЦ, брать разборку для расформирования, которая пришла первой и уже готова по предъявлению, для освобождения пути приема следующей разборки. В итоге получается, что в сортировочном парке на путях мы не только, не имеем нужных типов цистерн готовых под налив, но и заполняем пути вагонами не нужными, в данное время, для налива. Даная причина и является проблемой, после чего, соответственно приходится, предъявлять вагоны под технический осмотр, и повторная переработка вагонов в сортировочном парке, на что нужно дополнительное время, а это влечет за собой увеличение простоя вагонов в ожидании налива и ухудшение качественных показателей станции. Поэтому, внедрение информационных технологий, приведет к эффективному функционированию работы станции, и успешной работе нашей кампании ОАО «РЖД».
Загрузка диспетчера рассчитывается для двух целей: обеспечение надежности управления работой станции и соблюдение требований охраны труда.
Надежность человека количественно выражается численным значением вероятностей безотказной его работы в определенных условиях в течение заданного времени. Отказ человека рассматривается как полная или частичная утрата работоспособности. Необходимо учитывать характеристики человека по приему и обработке информации: диапазон восприятия сигналов, пропускную способность. Важно учитывать и то, что управляющие воздействия диспетчера тем эффективнее, чем меньше времени пройдет с момента подачи команды. Это время определяет не только квалификацией диспетчера, но и качеством и объёмом информации, с которой он работает.
По методике МПС, допустимый уровень загрузки диспетчера был установлен в 95% продолжительности дежурства. При этом загрузка определялась по занятости операциями, поддающимися наблюдению. На самом деле диспетчер загружен также мыслительной работой, которая не поддается наблюдению и формальной оценке. Видимо по этому в последующие годы обеспечение безотказной работы диспетчера достигалось за счет:
- экспериментального индивидуального установления размеров каждого диспетчерского круга;
- материального стимулирования труда диспетчерских профессий;
- использования программно-технических средств для подготовки оперативно-диспетчерского персонала;
- использования программно-технических средств для профессионального отбора.
В условиях рыночной экономики возросла роль фактора материального стимулирования труда. В связи с этим появилась тенденция обеспечивать выполнение служебных обязанностей «любой ценой». А это может привести к ухудшению здоровья и даже к потере трудоспособности.
В 1994 г. Госкомэпиднадзор официально издал Руководство [7] для оценки условий труда по показателям вредности и опасности. В соответствии с ним в 1999 г. ВНИИЖТом была выполнена оценка загрузки диспетчера отдела организации перевозок наливных грузов диспетчерского центра МПС. Она показала, что ЦДГН работает в условиях вредности первой степени, характеризующимися такими отклонениями от гигиенических нормативов, которые как правило, вызывают обратные функциональные изменения и обуславливают риск развития заболевания. На основании полученной оценки руководство диспетчерского центра ввело в штатное расписание второго диспетчера.
Место и роль маневрового диспетчера наливной станции таковы, что он обязан осуществлять принцип единоначалия. Необходимо создать для диспетчера такие условия, чтобы его загрузка оставалась в пределах нормы. В условиях новой информационной технологии рабочее время диспетчера будет складываться из диалога с компьютером, диалога с персоналом и работы с документами.
Из существующей практики можно сделать вывод о том, что работа с документами (записи в журналах, выдача письменных разрешений и т.д.) занимает не более 0,7 часа рабочего времени в смену. Общение с персоналом занимает значительную долю времени, но за счёт внедрения информационных технологий, канонизации и формализации диалогов оно может быть сокращено и по экспертным оценкам сведено до 2 ч в смену. Учитывая также необходимый пятипроцентный запас времени, можно установить ограничение на диалог с компьютером, равный 12 – (0,7+2+0,05*12) = 8,7 ч или. 8,7/12*100 = 72%
Применяемый в проекте метод расчета загрузки диспетчера заключается в том, что:
- составляется перечень регулярных технологий работы (табл. 10.1);
- для каждой технологии определяется перечень макетов информации, которые требуется прочитать и осмыслить (табл. 10.1);
- по каждому макету подсчитывается объём информации в словах (табл. 10.2 – 10.4);
- принимается норматив времени на осмысливание одного слова;
- рассчитывается суммарные затраты времени на работу с макетами (табл. 10.3);
- полученные затраты сравниваются с нормативными;
- делается вывод об информационной загрузке.
Таблица 10.1 – Перечень регулярных информационных технологий
| Дискретность |
Цель выполнения |
Операции |
Макеты |
Работа с макетами |
| Месяц |
Составление технического плана |
Ввод |
ССП |
Ознакомление |
| Сутки |
Составление суточного плана |
Ввод |
ССП |
Ознакомление |
| ЗД |
| Смена |
Составление сменного задания |
Ввод |
ССП |
Выбор значений для своей смены |
| ЗД |
| Сбор информации |
Ввод |
ОГР |
Ознакомление |
| ВБД |
| ЗДП |
| 3 ч |
Сбор информации |
Корректировка |
ТСПП |
Проверка |
| ТССП |
| СПС |
| ТСПО |
| ХГН |
| ТСЗД |
| ПРП |
| ПРО |
| ВС |
| ЗИ |
| ГИ |
| Планирование |
ВИ |
Использование |
| ВЗ |
| УК |
| МПР |
| МКР |
| МЗ |
| ВУ |
| МП |
| МЗИ |
| УЗДП |
| ТНПП |
| ЗКСС |
| ЗИД |
| ИРП |
| ИРВ |
| Оценка результата |
Просмотр |
ПМН |
Принятие к сведению |
| ПИ |
| ЗЛ |
Анализ |
| ПОЛ |
| Л |
| ПДП |
Исполнение |
| ПГП |
| ПВЭ |
| ПДВ |
| ПР |
| ПН |
| ПОС |
| МО |
Выбор |
| ВИ |
| Контроль |
Просмотр |
ВЗД |
Анализ |
| ВПЗД |
| СОП 1 |
| ВП 1 |
| ОК |
| СК |
| ФК |
Выбор |
Таблица 10.2 – Объём информации в меню, которая используется для выбора
| Имя меню |
Назначение |
Строк |
Столбцов |
Выбираемых слов |
| 1.РД |
Главное меню для управления |
9 |
1 |
1 |
| 2. ВС |
Ввод, корректировка, запрос, отмена |
19 |
1 |
1 |
| 3. ВИ |
То же |
12 |
1 |
1 |
| 4. МО |
Групповая или индивидуальная отмена |
4 |
1 |
1 |
| 5. МВИ |
Выбор меню ВС или ВИ при индивидуальной отмене |
2 |
1 |
1 |
| 6. ВЗ |
Выбор внешнего или внутреннего источника информации |
2 |
1 |
1 |
| 7. УК |
Выбор набора макетов, подлежащих контролю на новизну информации |
8 |
12 |
3 |
| 8. МПР |
Утверждение рекомендаций, выдаваемых на экран |
1 |
2 |
1 |
| 9. МКР |
Выход в режим корректировки |
1 |
2 |
1 |
| 10. МЗ |
Выбор следующей решаемой задачи |
3 |
1 |
1 |
| 11. ВУ |
Выбор между принтером и экраном |
2 |
1 |
1 |
| 12. МП |
Выбор набора макетов для печати |
6 |
5 |
5 |
| 13. МЗИ |
Выбор между выдачей задания и выходом в меню |
1 |
3 |
3 |
| 15. ОК |
Выбор между новым расчетом и просмотром того, что уже рассчитано |
2 |
1 |
1 |
| 16. СК |
Установление автоматического или ручного контроля |
2 |
1 |
1 |
| 17. ЗИ |
Выбор сообщения из внешнего источника |
6 |
1 |
1 |
| 19. ФК |
Выбор объекта контроля |
4 |
1 |
1 |
| 21.УЗДП |
При сборе информации |
2 |
1 |
1 |
| 23.ЗКСС |
В процессе диалога |
1 |
2 |
1 |
Таблица 10.3 – Объём информации, выдаваемой для сведения
| Имя |
Назначение |
Строк |
Столбцов |
| 22. ТНПП |
В процессе планирования |
1 |
1 |
| 24. ЗИД |
По окончанию планирования маршрутов для транзитных поездов и передач вагонов |
1 |
1 |
| 25. ИРП |
Во время решения задач планирования маршрутов |
1 |
1 |
| 26. ИРВ |
Во время решения задачи выбора режима |
1 |
1 |
Таблица 10.4 – Объём информации в макетах
| Макет |
Строк |
Столбцов |
Заполненность |
| Имя |
Название |
в% |
Слов |
| 1.ССП |
Среднесуточные нормативы эксплуатационной работы |
11 |
4 |
100 |
44 |
| 2. ЗД |
Суточный план выполнения показателей эксплуатационной работы |
11 |
9 |
100 |
99 |
| 3. ОГР |
Ограничение на использование перегонов |
1 |
2 |
50 |
1 |
| 4. ВБД |
Выделенные более дальние назначения |
2 |
4 |
50 |
4 |
| 5. ЗДП |
Задание по порожним вагонам |
5 |
3 |
100 |
15 |
| 6. Л |
Задание по числу локомотивов на смену |
3 |
6 |
100 |
18 |
| 7.ПРО |
Прогноз отправления поездов |
6 |
14 |
60 |
50,4 |
| 8. ПРП |
План прибытия поездов |
7 |
14 |
100 |
56 |
| 9.ТССП |
Модель текущего состояния сортировочного парка |
9 |
4 |
50 |
18 |
| 10. СПС |
Текущая специализация путей сортировочного парка |
9 |
2 |
100 |
18 |
| 11.ТСПП |
Модель текущего состояния парка прибытия |
4 |
10 |
50 |
20 |
| 12.ХГН |
Характеристика групп вагонов по назначениям в разборочных поездах |
13 |
8 |
50 |
52 |
| 13. ТСПО |
Текущее состояние парка отправления. |
4 |
8 |
50 |
16 |
| 14. ТСЗД |
Текущее состояние выполнения сменного задания |
11 |
4 |
100 |
44 |
| 15. ЗЛ |
Заявка на поездные локомотивы |
5 |
4 |
60 |
12 |
| 16.ПОЛ |
План потребности и обеспеченности локомотивами |
5 |
7 |
100 |
35 |
| 17.ПМН |
Прогноз мощностей назначений, по которым возможно отправление вагонов |
1 |
7 |
100 |
7 |
| 18. ПИ |
Полнота собранной информации |
1 |
22 |
100 |
22 |
| 19. ВС |
Входные сообщения |
31 |
1 |
100 |
31 |
| 20. ЗИ |
Запрашиваемая информация |
4 |
1 |
100 |
4 |
| 21. ПДП |
План досрочной промывки цистерн |
7 |
6 |
100 |
42 |
| 22.ПГП |
План готовности цистерн к погрузке после промывки |
8 |
6 |
100 |
48 |
| 23.ПВЭ |
План вывода цистерн из эксплуатации |
2 |
5 |
100 |
10 |
| 24. ПДВ |
План доставки цистерн в депо |
2 |
5 |
100 |
10 |
| 25.ПР |
План роспуска составов с горки |
4 |
4 |
100 |
16 |
| 26. ПН |
План накопления вагонов |
8 |
6 |
100 |
48 |
| 27. ПОС |
План отправления станционных поездов |
7 |
14 |
100 |
98 |
| 28. ОК |
Операция контроля |
2 |
1 |
100 |
2 |
| 29. СК |
Способы контроля |
2 |
1 |
100 |
2 |
| 30. ВЗД |
Степень текущего выполнения сменного задания |
1 |
2 |
100 |
2 |
| 31. ВПЗД |
Выполнение показателей задания |
11 |
3 |
100 |
33 |
| 32. СОП |
Средние отклонения от планов |
2 |
4 |
100 |
8 |
| 33.ВП 1 |
Выполнение планов |
2 |
4 |
100 |
8 |
Для установления нормативов затрат времени на работу с макетами информации используются рекомендации ВНИИАС, в соответствии с которыми:
– ввод информации с клавиатуры должен осуществляться с скоростью 60 символов (знаков) в минуту;
– выбор значения из множества значений параметра должен осуществляться также со скоростью 60 значений в минуту;
– чтение канонизированной информации с анализом должно осуществляться со скоростью 100 информационных слов (чисел, символов или кодов) в минуту.
Для систематизации оценки объемов перерабатываемой информации данные табл. 10.1–10.4 перегруппированы в табл. 10.5.
Таблица 10.5 – Затраты времени на работу с компьютерной информацией на трёх часовом периоде
| Характер работы |
Единица измерения |
Объём информации |
Норматив (единиц/мин) |
Затраты времени (мин) |
| Запрос макетов входной информации (макеты 1–14) |
Макет |
14 |
0,5 |
7 |
| Проверка входной информации (макеты1–14) |
Слово |
455,4 |
100 |
4,55 |
| Корректировка 20%данных (макеты1–14) |
Значение |
91,08 |
60 |
1,52 |
| Выбор значений из меню |
Одно значение |
9 |
60 |
0,15 |
| Пять значений |
150 |
60 |
2,5 |
Просмотр для сведения
17, 18
|
Слово (предложение) |
29 |
100 |
0,29
|
| Изучение результатов решения (21–27) |
Слово |
272 |
100 |
2,72 |
| Корректировка 30%данных 21–27) |
Значение |
81,6 |
60 |
1,36 |
| Итого |
20,09 |
| Контроль выполнения заданий (30–33) |
Значение |
51 |
100 |
0,51 |
Как следует из таблицы, затраты времени на диалог с компьютером в одном сеансе планирования составят 20,09 мин или 20,09/ 180*100 = 11,16% трёхчасового периода времени, что значительно меньше установленного ограничения в 72%. В оставшееся 72 – 11,16 = 60,8% времени можно многократно контролировать выполнение выданных заданий (каждый цикл контроля займет 0,51 мин) и принимать организационные меры.
Из приведённого расчёта загрузки следует, что информационная загрузка маневрового диспетчера в условиях новой информационной технологии и при числовых значениях основных параметров станции, таких же, как у станции Ветласян, будет находиться в допустимых пределах.
Рабочая среда представляет собой совокупность физических, химических, биологических, социально-психологических и эстетических факторов внешней среды, воздействующих на человека.
Различают четыре уровня воздействия факторов рабочей среды на человека, необходимые для их учёта и нормирования:
- комфортная среда обеспечивает оптимальную динамику работоспособности оператора, хорошее самочувствие и сохранение его здоровья;
- относительно дискомфортная рабочая среда обеспечивает при воздействии в течение определённого интервала времени заданную работоспособность и сохранение здоровья, но вызывает у человека субъективные ощущения и функциональные изменения, не выходящие за пределы нормы;
- экстремальная рабочая среда приводит к снижению работоспособности человека и вызывает функциональные изменения, выходящие за пределы нормы, но не ведущие к патологическим изменениям или невозможности выполнения работы;
- сверх экстремальная среда приводит к вознекнавению в организме человека патологических изменений или невозможности выполнения работы.
Комплексную оценку факторов рабочей среды проводят на основе методики физиологической классификации тяжести работ.
Под тяжестью работ понимают совокупность воздействия всех факторов рабочей среды на здоровье человека и его работоспособность. Все выполняемые работы по тяжести подразделяют на шесть категорий.
К первой категории относят работы, выполняемые в оптимальных условиях рабочей среды при благоприятной физической, умственной и нервно-эмоциональной нагрузке.
Ко второй категории относят работы, выполняемые в условиях, при которых фактические уровни производственных факторов соответствуют предельно допустимым концентрациям по действующим санитарным правилам, нормам и гигиеническим нормативам.
К третьей категории относят работы, при которых вследствие не вполне благоприятных условий труда у работающего формируются реакции, характерные для пограничного состояния организма.
К четвёртой категории относят работы, при которых воздействие неблагоприятных (опасных и вредных) производственных факторов приводит к реакциям, характерным для более глубокого – предпатологического – пограничного состояния у практически здоровых людей. Большинство физиологических показателей при этом ухудшается, особенно в конце рабочих периодов; работоспособность поддерживается только путём мобилизации дополнительных ресурсов(резервов) организма.
К пятой категории относят работы, при которых в результате воздействия весьма неблагоприятных условий труда у работающих вскоре формируется реакции, характерные для патологического состояния организма.
К категории относят работы, при которых подобные реакции возникают вскоре после начала трудового периода.
Интегральная балльная оценка тяжести труда определяется по формуле:
Т= Xmax +6 – (1)
Где: Xmax – наивысшая из полученных частных балльных оценок Xi, N – общее число факторов; Xi– балльная оценка по i-му из учитываемых факторов (частная балльная оценка); n – число учитываемых факторов без учёта одного фактора Xmax.
Данная формула справедлива, если каждый из учитываемых факторов действует в течении всего рабочего дня. Если какой-либо из факторов действует менее рабочего времени, то его фактическая оценка определяется по формуле:
Xфi = Xi*tудi = Xi (ti / 480) (2)
Где: tуд – удельный вес времени действия i-го фактора в общей продолжительности рабочего дня, t – продолжительность действия фактора, мин.
Из таблицы №1 выбираем факторы рабочей среды и условия труда и заполняем таблицу 10.7
Таблица 10.7 – Факторы необходимые для расчёта оценки тяжести труда маневрового диспетчера
| Профессия |
Фактор рабочей среды и условий труда |
Значение показателя |
Продолжительность действия фактора мин |
| Маневровый диспетчер |
Температура воздуха на РМ в теплый период года С – X1 |
23…28
|
720
|
Освещённость РМ на уровне санитарных норм
Размер объекта, мм – X2 X3
|
<0,3
2
|
720
-
-
|
РМ стационарное
Поза свободная, масса груза до 5 кг X4
|
-
|
360
|
| Работа в три смены X5 |
- |
720 |
| Продолжительность непрерывной работы в течении суток, час. – X6 |
11
|
-
|
| Длительность сосредоточенного наблюдения, % от продолжительности рабочей смены-X7 |
25
|
360
|
| Число важных объектов наблюдения – X8 |
3 |
480 |
| Обоснованный режим труда и отдыха без применения функциональной музыки – X9 |
-
|
720
|
| Нервно-эмоциональная нагрузка возникает в результате простых действий по индивидуальному плану – X10 |
-
|
720
|
Расчёт интегральной балльной оценки тяжести труда.
Определяем по формуле №1:
T = 4+ 6–4/6 (10–1)*18,817 = 4+ 2/54*18,817 = 4+0,696= 4,696=4,7
Определяем удельный вес времени действия фактора по формуле №2:
Tx4=Xфi=Xi (ti/720)
Xфi=1*(360/720)=1*0,5=0,5
Tx7=Xфi=1*(360/720)=0,5
Tx8=Xфi=1*(480/720)=0,666
После расчётов заполняем таблицу 10.8
Таблица 10.8 – Оценка тяжести труда маневрового диспетчера
| Фактор рабочей среды и условия труда |
Значение показателя |
Балльная оценка фактора, баллы |
Продолжительность действия фактора, мин. |
Удельный вес времени действия фактора |
Оценка удельной тяжести фактора рабочей среды, баллы |
| X1 |
23–28 C |
3 |
720 |
1 |
3 |
| X2 |
<03 мм |
3 |
720 |
1 |
3 |
| X3 |
2 |
3 |
720 |
1 |
3 |
| X4 |
X |
1 |
360 |
0,5 |
0,5 |
| X5 |
X |
3 |
720 |
1 |
3 |
| X6 |
<12 |
3 |
720 |
1 |
3 |
| X7 |
25% |
1 |
360 |
0,5 |
0,5 |
| X8 |
<5 |
1 |
480 |
0,666 |
0,666 |
| X9 |
X |
2 |
720 |
1 |
2 |
| X10 |
X |
4 |
720 |
1 |
4 |
После расчёта интегральной балльной оценки, маневрового диспетчера, категория тяжести выполняемой работы будет равна = 4.
На основании расчётов интегральной балльной оценки и коллективного договора, заключённого с администрацией, работнику дифференцируют заработную плату, т.е. устанавливают надбавку, назначают дополнительный отпуск, сокращённый рабочий день, дополнительное профилактическое питание.
Подсистема УСР предназначена для работы в составе ИПС НС под управлением подсистемы более высокого уровня – УРС. В составе подсистемы УСР предусмотрено решение двух оптимизационных задач, которым подчинена вся организация ИПС НС. Это задачи:
- выбор очерёдности расформирования составов на горке (ВОРС);
- планирование приёма разборочных поездов (ПП).
Маневровый диспетчер должен исполнять информационную технологию, благодаря чему будут создаваться наилучшие условия решения названных задач. Тем самым будет обеспечиваться наибольший вклад сортировочной системы и станции в целом в продукцию отделения дороги – сетевые дорожные и отделенческие перевозки.
Экономическое управление должно обеспечивать устойчивое получение и увеличение прибыли ОАО «РЖД». Прибыль определяется, как разница между доходами и расходами. Влияние диспетчерских систем на доходы может осуществляться за счёт обеспечения доставки грузов в срок в заданный адрес и в полной сохранности. Влияние на расходы возможно за счёт выполнения перевозки меньшим количеством единиц подвижного состава, с меньшей затратой времени и труда. Поэтому источниками экономии могут быть следующие натуральные показатели:
- уменьшение затрат вагонно-часов;
- уменьшение затрат локомотиво-часов.
Реализация указанных показателей возможна за счёт уменьшения отклонений от заданного плана отправления в частности по времени отправления. В настоящем проекте расчёт экономии выполнен на основе сравнения указанных отклонений при работе по двум вариантам: традиционным методом и с использованием компьютерного решения оптимизационных задач.
В параграфе 9 показано как применение новых информационных технологий, влияет на экономию показателей при сравнение двух вариантов решения задач.
Разницу в потерях между вариантами, рассматриваемая, как экономия за счет применения компьютерного варианта, представлена в той же таблице в часах и вагонно-часах. Она составит 122,45 вагоно-часов на 3 часовой период.
При сохранении такой тенденции на протяжении суток, экономия составит 122,45*24/3= 979,6 вагона-часа. Годовая экономия составит в натуральных показателях 979,6*365=357554 вагоно-часав. При расходной ставке вагонно-часа, равной 6,8 руб. годовая экономия составит 357554*6,8=2431367 руб. в год.
При аналогичном расчете локомотиво-часав, ставка локомотива-часа равна 989,3 руб. годовая экономия составит 32850*989,3=32498505 руб. в год.
2431367 +32498505=34929872 руб.;
Единовременные затраты
:
Оборудование:
- системный блок –25 тыс руб.;
- монитор –10 тыс. руб.;
- принтер 7 тыс. руб.;
- клавиатура –0,2 тыс. руб.;
- манипулятор типа «Мышь» – 0,2 руб.;
- блок «Пионер» –0,3 руб.;
Количество ПЭВМ в здании 17 шт.
Итого 42,700*17=725,9 тыс. руб.
Материалы:
- электрический провод 900 м – 18 тыс. руб.;
- электрический кабель 9 км – 108 тыс руб.;
Итого 126 тыс. руб
.
Программное обеспечение:
- стоимость лицензионного общесистемного программного обеспечения –3 млн. руб.;
- стоимость прикладного программного обеспечения, включая техническую документацию –3 млн. руб.;
Итого 6 млн. руб
.;
Монтажно-наладочные работы –40 тыс
. руб.;
Итого единовременные затраты 725,9+126+6000+40=6 млн 891,9 тыс. руб
.;
Эксплуатационные расходы:
- расходные материалы –12 тыс. руб. в год;
- техническое обслуживание –5 тыс. руб. в год;
- амортизационные отчисления при нормативном сроке окупаемости средств вычислительной техники в 7 лет составят – 725,9/ 7 = 103,7 тыс. руб. в год
Итого –120,7 тыс. руб. в год
T= (Э-Зэ
)/ Зе
,
где: Э – годовая экономия (34 млн 929 тыс. 872 руб.);
Зэ
– эксплуатационные затраты (расходы –120,7 тыс. руб.);
Зе
– единовременные затраты (6 млн 891,9 тыс руб.)
T= (34929872–120,7)/ 6000891,9=5,82076
Автоматизированные рабочие места и рабочие помещения диспетчерского персонала должны оснащаться и оборудоваться с учетом комплексных мероприятий по охране труда, эргономических и санитарно-гигиенических требований, которые определены нормативными документами: ГОСТами и Санитарными нормами и Правилами.
Соблюдение требований, предъявляемых к АРМ, должно обеспечивать всесторонний учет человеческого фактора и комплексный подход к организации как АРМ, так и рабочих помещений диспетчерского персонала.
Комплексные требования к АРМ и рабочим помещениям с ПЭВМ включают в свой состав следующие группы единичных требований:
Антропометрические требования, направленные на обеспечение соответствия габаритов АРМ размерам тела подавляющего большинства работников, пользующихся данными АРМ, а также на обеспечение оптимального взаимного расположения основных составляющих рабочего места: рабочего стола, кресла, подставки для ног, пюпитра;
Требования к размещению органов управления (ОУ), направленные на обеспечение нормативов по размещению основных приборов, позволяющих осуществлять управляющие действия: клавиатур, манипулятора «мышь», секций связи и секций управления;.
Требования к размещению средств отображения информации (СОИ), направленные на: обеспечение процесса оптимального считывания информации с экранов дисплеев и других информационных поверхностей с учетом возможностей зрения и за счет соблюдения требований; к цветовому кодированию, к соответствию размеров символьной информации расстоянию до информационных поверхностей.
Организация АРМ и рабочих помещений диспетчерского персонала должна учитывать основные санитарно-гигиенические требования к созданию комфортных условий рабочей среды, включающие:
- Требования к видеодисплейным терминалам и ПЭВМ;
- Требования к помещениям для эксплуатации ПЭВМ;
- Требования к микроклимату и содержанию вредных веществ в воздухе помещений ПЭВМ;
- Требования к освещению;
- Требования к шуму и вибрации;
- Требования к организации и оборудованию;
- Требования к организации режима труда и отдыха;
- Требования к организации медицинского обслуживания персонала.
Требования, разработанные с использованием действующих ГОСТ и СанПиН.
Визуальные эргономические параметры ВД являются параметром безопасности, и их неправильный набор приводит к ухудшению здоровья пользователей.
Все ВД должны иметь гигиенический сертификат, включающий, в том числе оценку визуальных параметров.
Конструкция ВД, его дизайн и совокупность эргономических параметров должны обеспечивать надежное и комфортное считывание отображаемой информации в условиях эксплуатации, соответствующих Санитарным правилам.
Конструкция ВД должна обеспечивать возможность фронтального наблюдения экрана путем поворота корпуса в горизонтальной плоскости вокруг вертикальной оси в пределах плюс-минус 30 градусов и в вертикальной плоскости вокруг горизонтальной оси плюс-минус 30 градусов с фиксацией в заданном положении.
Дизайн ВД должен предусматривать окраску корпуса в спокойные мягкие тона с диффузным рассеиванием света. Корпус ВД и ПЭВМ, клавиатура и другие блоки и устройства ПЭВМ должны иметь матовую поверхность одного цвета с коэффициентом отражения 0.4 – 0.6 и не иметь блестящих деталей, способных создавать блики.
На лицевой стороне корпуса ВД не рекомендуется располагать органы управления, маркировку, какие-либо вспомогательные надписи и обозначения. При необходимости расположения органов управления на лицевой панели они закрываться крышкой или быть утоплены в корпусе.
Для обеспечения надежного считывания информации при соответствующей степени комфортности ее восприятия должны быть определены оптимальные и допустимые диапазоны визуальных эргономических параметров. Визуальные эргономические параметры ВД и пределы их изменений, в которых должны быть установлены оптимальные и допустимые диапазоны значений описаны ниже.
При проектировании и разработке ВД сочетания визуальных эргономических параметров и их значения, соответствующие оптимальным и допустимым диапазонам, полученные в результате испытаний в специализированных лабораториях, аккредитованных в установленном порядке и подтвержденные соответствующими протоколами, должны быть внесены в техническую документацию на ВД
При работе с ВД: для профессиональных пользователей необходимо обеспечивать значения визуальных параметров в пределах оптимального диапазона, для профессиональных пользователей разрешается кратковременная работа при допустимых значениях визуальных параметров.
Оптимальные и допустимые значения визуальных эргономических параметров должны быть указаны в технической документации на ВД.
При отсутствии в технической документации на ВД данных об оптимальных и допустимых диапазонах значений эргономических параметров эксплуатация ВД не допускается.
Конструкция ВД должна предусматривать наличие ручек регулировки яркости и контраста, обеспечивающие возможность регулировки этих параметров от минимальных до максимальных значений.
В технической документации на ВД должны быть установлены требования на визуальные параметры, соответствующие действующим на момент разработки или импорта ГОСТ и признанным в Российской Федерации международным стандартам.
В целях обеспечения требований, а также защиты от электромагнитных и электростатических полей допускается применение при экранных фильтров, специальных экранов и других средств индивидуальной защиты. Прошедших испытания в аккредитованных лабораториях и имеющих соответствующий гигиенический сертификат.
Конструкция ВД и ПЭВМ должна обеспечивать мощность экспозиционной дозы рентгеновского излучения в любой точке на расстоянии 0.05 м. от экрана и корпуса ВД при любых положениях регулировочных устройств не должна превышать 7.74· 10 А/кг, что соответствует эквивалентной дозе, равной 0.1 мбэр/час (100 мкР/час).
Конструкция клавиатуры должна предусматривать:
- исполнение в виде отдельного устройства с возможностью свободного перемещения;
- опорное приспособление, позволяющее изменять угол наклона поверхности клавиатуры в пределах от5 до 15 градусов;
- высоту среднего ряда клавиш не более 30 мм;
- расположение часто используемых клавиш в центре, внизу и справа, редко используемых – вверху и слева;
- выделение цветом, размером, формой и местом расположения функциональных групп клавиш;
- минимальный размер клавиш – 13 мм, оптимальный – 15 мм;
- клавиши с углублением в центре и шагом 19 плюс-минус 1 мм;
- расстояние между клавишами не менее 3 мм;
- одинаковый ход для всех клавиш с минимальным сопротивлением нажатию 0.25 Н и максимальным – не более 1.5 Н;
- звуковую обратную связь от включения клавиш с регулировкой уровня звукового сигнала и возможности ее отключения.
Помещения с ВД и ПЭВМ должны иметь естественное и искусственное освещение.
Естественное освещение должно осуществляется через окна, ориентированные преимущественно на север и северо-восток и обеспечивать коэффициент естественной освещенности (КЕО) не ниже 1.2% в зонах с устойчивым снежным покровом и не ниже 1.5% на остальной территории.
Указанные значения КЕО нормируются для зданий, расположенных в 3 световом климатическом поясе.
Расчет КЕО для других поясов светового климата проводится по общепринятой методике согласно СНиП «Естественное и искусственное освещение»
Расположение рабочих мест с ВД и ПЭВМ для взрослых пользователей в подвальных помещениях не допускается.
В случаях производственной необходимости, эксплуатация ВД и ПЭВМ в помещениях без естественного освещения может проводится только по согласованию с органами и учреждениями Государственного санитарно-эпидемиологического надзора.
Площадь на одно рабочее место с ВД и ПЭВМ для взрослых пользователей должна составлять не менее 6.0 кв. м., а объем – не менее 20.0 куб. м.
Производственные помещения, в которых для работы используются преимущественно ВД и ПЭВМ (диспетчерские, операторские, расчетные и др.) не должны граничить с помещениями, в которых уровни шума и вибрации превышают нормируемые значения.
Производственные помещения, в которых для работы используются преимущественно ВД И ПЭВМ (диспетчерские, операторские, расчетные и др.), не должны граничить с помещениями, в которых уровень шума и вибрации, превышающие нормируемые значения (механические цеха, мастерские, гимнастические залы и т.п.).
Помещения с ВД и ПЭВМ должны оборудоваться системами отопления, кондиционирования воздуха или эффективной приточно-вытяжной вентиляцией.
Для внутренней отделки интерьера помещений с ВД и ПЭВМ должны использоваться диффузно-отражающие материалы с коэффициентом отражения для потолка –0.7 – 0.8; для стен – 0.5 – 0.6; для пола – 0.3 – 0.5.
Рабочие места с ВД и ПЭВМ по отношению к световым проемам должны располагаться так, чтобы естественный свет падал сбоку, преимущественно слева (рис. 1).
Схемы размещения рабочих мест с ВДТ и ПЭВМ должны считывать расстояния между рабочими столами с видеомониторами (в управлении тыла поверхности одного видеомонитора и экрана другого видеомонитора), которое должно быть не менее 2.О м. а расстояние между боковыми поверхностями видеомониторов – не менее 1.2 м.
Рабочие места с ВД и ПЭВМ в залах электронно-вычислительных машин или в помещениях с источниками вредных производственных факторов должны размещаться в изолированных кабинах с организованным воздухообменом.
Оконные проемы в помещениях использования ВД и ПЭВМ должны быть оборудованы регулируемыми устройствами типа: жалюзи занавесей внешних козырьков и др.
При конструировании оборудования и организации рабочего места пользователя ВД и ПЭВМ следует обеспечить соответствие конструкции всех элементов рабочего места и их взаимного расположения эргономическим требованиям с учетом характера выполняемой пользователем деятельности, комплексности технических средств, форм организации труда и основного рабочего положения пользователя.
Конструкция рабочего стола должна обеспечивать оптимальное размещение на рабочей поверхности используемого оборудования с учетом его количества и конструктивных особенностей (размер ВД и ПЭВМ клавиатуры, пюпитра и др.), характера выполняемой работа. При этом допускается использование рабочих столов различных конструкций, отвечающих современным требованиям эргономики.
Конструкция рабочего стула (кресла) должна обеспечивать поддержание рациональной рабочей позы при работе на ВД и ПЭВМ, позволять изменять позу с целью снижения статического напряжения мышц шейно-плечевой области и спины для предупреждения развития утомления.
Высота рабочей поверхности стола для взрослых пользователей должна регулироваться в пределах 680–800 мм: при отсутствии такой возможности высота рабочей поверхности стола должна составлять 725 мм.
Рабочий стол должен иметь пространство для ног высотой не менее 600 мм, шириной – не менее 500 мм, глубиной на уровне колен не менее 450 мм и на уровне вытянутых ног – не менее 650 мм.
Тип рабочего стула (кресла) должен выбираться в зависимости от характера, и продолжительности работы с ВД и ПЭВМ с учетом роста пользователя.
Рабочий стул (кресло) должен быть подъемно-поворотным и регулируемым по высоте и углам наклона сиденья и спинки, а также расстоянию спинки от переднего края сиденья, при этом регулировка каждого параметра должна быть независимой, легко осуществляемой и иметь надежную фиксацию.
Экран видеомонитора должен находиться от глаз пользователя на оптимальном расстоянии 600–700 мм, но не ближе 500 мм с учетом размеров алфавитно-цифровых знаков и символов.
Клавиатуру следует располагать на поверхности стола на расстоянии 100–300 мм от края, обращенного к пользователю или на специальной, регулируемой по высоте рабочей поверхности, отделенной от основной столешницы.
Помещения с ВД и ПЭВЙ должны быть оснащены аптечкой первой помощи и углекислотными, огнетушителями.
Рабочее место с ВД и ПЭВМ должно быть оснащено легко перемещаемым пюпитром для документов.
Режимы труда и отдыха при работе с ПЭВМ и ВД должны организовываться в зависимости от вида и категории трудовой деятельности.
Виды трудовой деятельности разделяются на 3 группы:
группа А
– работа по считыванию информации с экрана ВД или ПЭВМ, с предварительным запросом;
группа Б
– работа по вводу информации;
группа В-
творческая работа в режиме диалога с ЭВМ. При выполнении в течение рабочей смены работ, относящихся к разным видам трудовой деятельности, за основную работу с ПЭВМ и ВД следует принимать такую, которая занимает не менее 50% времени в течение рабочей смены или рабочего дня.
Для видов трудовой деятельности устанавливается 3 категории тяжести и напряженности работы с ВД и ПЭВМ, которые определяются:
для группы А – по суммарному числу считываемых знаков за рабочую смену, но не более 60 000 знаков за смену;
для группы Б – по суммарному числу считываемых или вводимых знаков за рабочую смену, но не более 40 000 знаков за смену;
для группы В-по суммарному времени непосредственной работы с ВД и ПЭВМ за рабочую смену, но не более 6 часов за смену.
Таблица 8.
| Категория работы с ВД или ПЭВМ |
Уровень нагрузки за рабочую смену при видах работ с ВД |
Сумма регламентированных перерывов, мин |
группа А,
количество
знаков
|
группа Б,
количество
знаков
|
группа В,
час
|
при 8 – часовой смене |
при 12 – часовой
смене
|
до 20 000
до 40 000
до 60 000
|
до 15 000
до 30 000
до 40 000
|
до 2,0
до 4,0
до 6,0
|
30
50
70
|
0
50
120
|
Продолжительность обеденного перерыва определяется действующим законодательством о труде и Правилами внутреннего трудового распорядка предприятия (организации, учреждения)
Для обеспечения оптимальной работоспособности и сохранения здоровья профессиональных пользователей, на протяжении рабочей смены должны устанавливаться регламентированные перерывы.
Время регламентированных перерывов в течение рабочей смены следует устанавливать в зависимости от ее продолжительности, вида и категории трудовой деятельности.
Продолжительность непрерывной работы с ВД без регламентированного перерыва не должна превышать 2 часов.
Обеспечение пожарной безопасности является одной из функций руководителя смены.
Первой и, безусловно, важной целью, которая должна достигаться при любых материальных затратах, является обеспечение безопасности рабочих, служащих, посетителей при возникновении пожара.
Второе это сохранение имущества предприятия от уничтожения и повреждения различными опасными факторами как пожар и обеспечения рабочего места персонала средствами огнетушения (вода, огнетушители, пена). При достижении второй цели должна учитываться экономическая целесообразность выполняемых мероприятий.
Все работники предприятия допускаются к работе только после прохождения противопожарного инструктажа, а при изменении специфики работы должны пройти дополнительное обучение.
Администрация предприятия и лица, назначенные в установленном порядке ответственными за обеспечение пожарной безопасности, обязаны:
- обеспечить своевременное выполнение требований пожарной безопасности, предписаний, постановлений и иных законных требований государственных инспекторов по пожарному надзору;
- во всех производственных, административных, складских и вспомогательных помещениях на видных местах обеспечить наличие таблички с указанием номера телефона вызова пожарной охраны, а также план схем с изображением плана эвакуации и расположения средств пожаротушения;
Работники организаций обязаны:
- соблюдать требования пожарной безопасности;
- соблюдать и поддерживать противопожарный режим;
- выполнять меры предосторожности при пользовании электроприборами приборами, проведении работ с легковоспламеняющимися и горючими жидкостями, другими опасными в пожарном отношении веществами, материалами и оборудованием;
в случае возникновения возгорания принять все зависящие от них меры по спасению людей и тушению пожара
По оценке специалистов, за последние несколько лет парк персональных компьютеров увеличился в России на два порядка и измеряется сегодня сотнями тысяч, поэтому проблема сохранения здоровья работающих на ПЭВМ является особенно актуальной практически для любой организации, в которой работают на компьютерах.
Производительность труда пользователя ЭВМ зависит от правильной организации труда на каждом рабочем месте.Рабочим местом условно называют зону, оснащенную необходимыми техническими устройствами, где работник или группа работников постоянно или временно выполняют одну работу или операцию.
Шум
Шум является одним из наиболее распространенным производстве вредным фактором. Проявление вредного воздействия шума на организм человека разнообразно. Так шум с уровнем 80 дБ затрудняет разборчивость речи, вызывает снижение работоспособности и мешает нормальному отдыху. Длительное воздействие шума с уровнем 100–20 дБ на низких частотах и 80–90дБ на средних и высоких частотах может вызвать необратимые потери слуха (тугоухость), характеризуемые постоянным изменением порога слышимости, а шум с уровнем 120–140 дБ способен вызвать механическое повреждение органов слуха. Импульсные и нерегулярные шумы обладают большей степенью воздействия на состояние человека.
Действие шума не ограничивается воздействием только на органы слуха. Через нервные волокна шум передается в центральную и вегетативную нервные системы, а через них воздействует на внутренние органы, приводя к значительным изменениям в функциональном состоянии организма. Люди, работающие в условиях повышенного шума, жалуются на быструю утомляемость, головную боль, бессонницу. У человека ослабляется внимание, страдает память. Все это приводит к значительному снижению производительности труда, росту количества ошибок в работе операторов, математиков-программистов. Воздействие шума на вегетативную нервную систему проявляется даже при небольших уровнях звука 40–70 дБ, что приводит к нарушению периферического кровообращения, за счет сужения капилляров кожного покрова и слизистых оболочек.
В качестве основных величин, используемых для нормирования шума и расчетов по шумоглушению, принимают звуковое давление в Паскалях (Па)
и его уровень в Деци Белах (дБ)
Меры по защите от шума, создаваемого на рабочих местах внутренними источниками, а так же шума, проникающего из вне, осуществляется следующими методами. Уменьшением шума в источнике, применением средств коллективной и индивидуальной защиты, рациональной планировкой и акустической обработкой рабочих помещений.
Снизить уровень шума в помещениях с ВД и ПЭВМ можно использованием звукопоглощающих материалов с максимальными коэффициентами звукопоглощения в области частот 63 – 8000 Гц для отделки помещений (разрешенных органами и учреждениями Госсанэпиднадзора России), подтвержденных специальными акустическими расчетами.
Шум от источников аэродинамического шума можно уменьшить применением виброизолирующих прокладок, устанавливаемых между основанием машины и опорной поверхностью. В качестве прокладок используют резину, войлок, пробку.
Шумящее оборудование (АЦПУ, принтеры и т.п.), уровни шума которого превышают нормированные, должно находиться вне помещения с ВД и ПЭВМ.
Наиболее рациональной мерой является уменьшение шума в источнике или же изменение направленности излучения. Однако это требует конструкторской переделки узла или механизма в целом, что не всегда приемлемо. Все же такое мероприятие, как применение менее шумного оборудования, можно рекомендовать.
В тех случаях, когда источники шума или помещение могут быть выделены ограждающими конструкциями, следует применить звукоизоляцию. Звукоизоляция является одним из широко распространенных методов снижения шума.
В качестве материалов ограждающих конструкций применяют строительные материалы (кирпич, стеклоблоки), а также дерево и твердые пластмассы. Их звукоизолирующая способность зависит от размеров, массы, материала конструкций, числа слоев, наличия сквозных отверстий, проемов, а также от спектра шума. Низкочастотные шумы требуют тяжелых конструкций, а высокочастотные шумы могут устраняться сравнительно тонким ограждением.
Звукоизоляция ограждающих конструкций помещений с ВД и ПЭВМ должна отвечать гигиеническим требованиям и обеспечивать нормируемые параметры шума согласно требованиям раздела 6 Санитарных правил.
Действие экрана основано на отражении или поглощении падающих на него звуковых волн и образовании за экраном области звуковой тени. Экраны изготавливают из сплошных, твердых листов или щитов, облицованных звукопоглощающим материалом (желательно с двух сторон толщиной не менее 50 мм). Размеры образующейся за экраном звуковой тени зависят от соотношений между размерами экрана и частотой звуковой волны, а также от расстояния между экраном и экранируемым рабочим местом. Область тени за экраном тем меньше, чем ниже частота волны, так как за счет эффекта дифракции низкочастотные волны, т.е. более длинные огибают преграду, поэтому экраны применяют в основном при средне- и высокочастотном характере шума.
Если невозможно уменьшение шума в самом источнике, излучающем прямые звуковые волны, применяют меры к уменьшению интенсивности отраженных от поверхностей помещений волн, что достигается звукопоглощением. Под звукопоглощением понимают свойство акустически обработанных поверхностей уменьшать интенсивность отраженных ими волн за счет преобразования звуковой энергии в тепловую. Звукопоглощение является наиболее простым и в то же время достаточно эффективным мероприятием по уменьшению шума в производственных помещения.
Дополнительным звукопоглощением служат однотонные занавеси из плотной ткани, гармонирующие с окраской стен и подвешенные в складку на расстоянии 15 – 20 см от ограждения. Ширина занавеси должна быть в 2 раза больше ширины окна.
Снижение уровня шума при использовании звукопоглощающих покрытий практически не превышает по общему уровню шума 8дБ, а в отдельных октавных частотах – 12–15 дБ. Поэтому применение звукопоглощающих покрытий должно сочетаться с другими мероприятиями, направленными на снижение шума.
В Российской Федерации безопасные условия труда на компьютерах регламентирует документ «Гигиенические требования к видеодисплейным терминалам, персональным электронно-вычислительным машинам и организации труда» (Санитарные правила и нормы – СанПиН 2.2.2.542–96).
Источниками шума в производственных помещениях являются сами вычислительные машины, центральная система вентиляции и кондиционирования воздуха и другое оборудование.
В производственных помещениях, в которых работа на ВДТ и ПЭВМ является вспомогательной, уровни шума на рабочих местах не должны превышать значений установленных для данных видов работ Санитарными нормами допустимых уровней шума на рабочих местах.
При выполнении основной работы на ВДТ и ПЭВМ, уровень шума на рабочем месте не должен превышать 50 дБА, в помещениях, где работают инженерно-технические работники – 60 дБА, в помещениях операторов (без дисплеев) – 65 дБА. В помещениях, где размещены шумные агрегаты вычислительных машин (АЦПУ, принтеры и т.п.), уровень шума согласно СанПиН 2.2.2.542–96 не должен превышать 75 дБА.
Биологическое действие шума на организм человека
Слуховой орган человека способен воспринимать шум с уровнем до 140 дБ. Высокочастотные производственные шумы с частотой 2000–4000 Гц при 80 дБ оказывают утомляющее действие на работающих. В результате длительного воздействия шума с такой характеристикой происходит понижение слуха. Шум с уровнем интенсивности звука 90 дБ независимо от его частотной характеристики также вызывает преждевременное утомление и понижение слуха. Последствия длительного влияния высокочастотных шумов с силой звука более 80 дБ ведут к стойкому понижению слуха, так называемой профессиональной тугоухости. Шум неблагоприятно влияет и на другие системы и органы человека, в первую очередь на центральную нервную систему. Неблагоприятное воздействие шума отражается на здоровье работающих и, следовательно, на производительности их труда.
Звукопоглощение как физическое явление представляет собой потерю энергии звуковой волны на перемещение воздуха в порах при ее попадании на преграду. Энергия волны расходуется на преодоление сопротивления трения воздуха о стенки пор ограждающей конструкции и переходит при этом в тепло.
Энергия звуковой волны при своем падении на преграду перераспределяется в трех направлениях: поглощается, отражается и проникает через преграду. Эти процессы характеризуются соответствующими коэффициентами:
поглощения отражения проницаемости
  

Материалы и конструкции считаются звукопоглощающими, если коэффициент звукопоглощения , Все мягкие и пористые материалы обладают хорошей звукопоглощающей способностью и характеризуются высоким коэффициентом звукопоглощения.
Звукопоглощение реализуется в виде разнообразных конструкций, которые закрепляются на ограждениях помещения – потолках, стенах или вывешиваются в зоне действия источника шума. Звукопоглощающий материал закрепляется непосредственно на ограждении либо в конструкции, размещенной на некотором расстоянии D от ограждения. Величина этого расстояния выбирается таким, чтобы четверть длины волны звука , уровень звукового давления на которой требует снижения, приходилась на толщину материала.
Расчет звукопоглощения помещения ДСЦ
При проведении аттестации рабочего места ДСЦ определен класс условий труда в зависимости от уровня звука на рабочем месте
| Фактор производственной среды |
Допустимый |
| Шум (эквивалентный уровень звука, дБА) |
ПДУ |
Эквивалентная площадь звукопоглощения необлицованного помещения рассчитывается по формуле:
А = (58)
Где: n – число поверхностей с коэффициентами звукопоглощения ;
- площадь этих поверхностей, 
Эквивалентная площадь звукопоглощения необработанного помещения может быть представлена выражением:
(59)
Где:
, , , , - площадь потолка, пола, стен, окон и дверей, 
Характеристика помещения:
длина – 9 м, ширина – 8 м, высота – 3,5 м;
площадь окон с двойным остеклением 15 ;
материал пола – линолеум по твердому основанию;
2 двери – деревянная панель толщиной 10 мм с воздушным промежутком 50 мм площадью 5,6 
1. Определим площади ограждающих конструкций помещения:
- потолка и пола = = 9 8= 72 
- стен  
1. Рассчитаем эквивалентные площади звукопоглощения необработанного помещения.
при = 1000 Гц (среднегеометрическая частота октановой полосы)
– потолок = 0,02 72 = 1,44
– пол = 0,03 72 = 2,16
– стен = 0,08 98,4 = 7,9
– окон = 0,12 15 = 1,8
– дверей = 0,05 5,6 = 0,28
= 1,44 + 2,16 + 7,9 + 1,8 + 0,28 = 13,53
при = 125 Гц (среднегеометрическая частота октановой полосы)
– потолок = 0,01 72 = 0,72
– пол = 0,02 72 = 1,44
– стен = 0,10 98,4 = 9,84
– окон = 0,35 15 = 5,25
– дверей = 0,25 5,6 = 1,4
= 0,72 + 1,44 + 9,84 + 5,25 + 1,4 = 18,65
при = 250 Гц (среднегеометрическая частота октановой полосы)
– потолок = 0,01 72 = 0,72
– пол = 0,02 72 = 1,44
– стен = 0,10 98,4 = 9,84
– окон = 0,25 15 = 3,75
– дверей = 0,15 5,6 = 0,84
= 0,72 + 1,44 + 9,84 + 3,75 + 0,84 = 16,59
при = 500 Гц (среднегеометрическая частота октановой полосы)
– потолок = 0,01 72 = 0,72
– пол = 0,03 72 = 2,16
– стен = 0,10 98,4 = 9,84
– окон = 0,18 15 = 2,7
– дверей = 0,06 5,6 = 0,33
= 0,72 + 2,16 + 9,84 + 2,7 + 0,33 = 15,75
при = 2000 Гц (среднегеометрическая частота октановой полосы)
– потолок = 0,02 72 = 1,44
– пол = 0,04 72 = 2,88
– стен = 0,08 98,4 = 7,87
– окон = 0,07 15 = 1,05
– дверей = 0,04 5,6 = 0,2
= 1,44 + 2,88 + 7,87 + 1,05 + 0,2 = 13,44
при = 4000 Гц (среднегеометрическая частота октановой полосы)
– потолок = 0,02 72 = 1,44
– пол = 0,04 72 = 2,88
– стен = 0,11 98,4 = 10,8
– окон = 0,04 15 = 0,6
– дверей = 0,04 5,6 = 0,2
= 1,44 + 2,88 + 10,8 + 0,6 + 0,2 = 15,92 Результаты сводим в таблицу
Таблица 12.5 Результаты расчетов эквивалентной площади звукопоглощения необработанного помещения ДСЦ
| Параметр |
Значение параметра на среднегеометрической частоте
октановой полосы, Гц
|
| 125 |
250 |
500 |
1000 |
2000 |
4000 |
Потолок   |
 |
0,01 |
0,01 |
0,01 |
0,02 |
0,02 |
0,02 |
 |
0,72 |
0,72 |
0,72 |
1,44 |
1,44 |
1,44 |
Пол  |
 |
0,02 |
0,02 |
0,03 |
0,03 |
0,04 |
0,04 |
 |
1,44 |
1,44 |
2,6 |
2,16 |
2,88 |
2,88 |
Стены  |
 |
0,10 |
0,10 |
0,10 |
0,08 |
0,08 |
0,11 |
 |
9,84 |
9,84 |
9,84 |
7,9 |
7,87 |
10,8 |
Окна  |
 |
0,35 |
0,25 |
0,18 |
0,12 |
0,07 |
0,04 |
 |
5,25 |
3,75 |
2,7 |
1,8 |
1,05 |
0,6 |
| Продолжение таблицы 12.5 |
Двери  |
 |
0,25 |
0,15 |
0,06 |
0,05 |
0,04 |
0,04 |
 |
1,4 |
0,84 |
0,33 |
0,28 |
0,2 |
0,2 |
| Эквивалентная площадь звукопоглощения помещения |
 |
18,65 |
16,59 |
15,75 |
13,53 |
13,44 |
15,92 |
2. Рассчитаем эквивалентные площади звукопоглощения обработанного помещения (потолок, стены и пол обработаем плитами минераловатными, акустическими перфорированные (ПА/О) с воздушным промежутком 100 мм).
при = 1000 Гц (среднегеометрическая частота октановой полосы)
– потолок = 0,5 72 = 36
– пол = 0,08 72 = 5,76
– стен = 0,5 98,4 = 49,2
– окон = 0,12 15 = 1,8
– дверей = 0,05 5,6 = 0,28
= 36 + 5,76 + 49,2+ 1,8 + 0,28 = 93,04
при = 125 Гц (среднегеометрическая частота октановой полосы)
– потолок = 0,3 72 = 21,6
– пол = 0,1 72 = 7,2
– стен = 0,3 98,4 = 29,52
– окон = 0,35 15 = 5,25
– дверей = 0,25 5,6 = 1,4
= 21,6 + 7,2 + 29,52 + 5,25 + 1,4 = 64,97
при = 250 Гц (среднегеометрическая частота октановой полосы)
– потолок = 0,6 72 = 43,2
– пол = 0,1 72 = 7,2
– стен = 0,6 98,4 = 59,04
– окон = 0,25 15 = 3,75
– дверей = 0,15 5,6 = 0,84
= 43,2 + 7,2 + 59,04 + 3,75 + 0,84 = 114,03
при = 500 Гц (среднегеометрическая частота октановой полосы)
– потолок = 0,5 72 = 36
– пол = 0,1 72 = 7,2
– стен = 0,5 98,4 = 49,2
– окон = 0,18 15 = 2,7
– дверей = 0,06 5,6 = 0,33
= 36 + 7,2 + 49,2 + 2,7 + 0,33 = 95,43
при = 2000 Гц (среднегеометрическая частота октановой полосы)
– потолок = 0,25 72 = 18
– пол = 0,06 72 = 4,32
– стен = 0,25 98,4 = 24,6
– окон = 0,07 15 = 1,05
– дверей = 0,04 5,6 = 0,2
= 18 + 4,32 + 24,6 + 1,05 + 0,2 = 48,17
при = 4000 Гц (среднегеометрическая частота октановой полосы)
– потолок = 0,1 72 = 7,2
– пол = 0,06 72 = 4,32
– стен = 0,1 98,4 = 9,8
– окон = 0,04 15 = 0,6
– дверей = 0,04 5,6 = 0,2
= 7,2 + 4,32 + 9,8 + 0,6 + 0,2 = 22,12 Результаты сводим в таблицу
Таблица 12.6 Результаты расчетов эквивалентной площади звукопоглощения обработанного помещения ДСЦ.
| Параметр |
Значение параметра на среднегеометрической частоте
октановой полосы, Гц
|
| 125 |
250 |
500 |
1000 |
2000 |
4000 |
Потолок   |
 |
0,3 |
0,6 |
0,5 |
0,5 |
0,25 |
0,1 |
 |
21,6 |
43,2 |
36 |
36 |
18 |
7,2 |
Пол  |
 |
0,1 |
0,1 |
0,1 |
0,08 |
0,06 |
0,06 |
 |
7,2 |
7,2 |
7,2 |
5,76 |
4,32 |
4,32 |
Стены  |
 |
0,3 |
0,6 |
0,5 |
0,5 |
0,25 |
0,1 |
 |
29,52 |
59,04 |
49,2 |
49,2 |
24,6 |
9,8 |
Окна  |
 |
0,35 |
0,25 |
0,18 |
0,12 |
0,07 |
0,04 |
 |
5,25 |
3,75 |
2,7 |
1,8 |
1,05 |
0,6 |
| Продолжение таблицы 12.6 |
Двери  |
 |
0,25 |
0,15 |
0,06 |
0,05 |
0,04 |
0,04 |
 |
1,4 |
0,84 |
0,33 |
0,28 |
0,2 |
0,2 |
| Эквивалентная площадь звукопоглощения помещения |
 |
64,97 |
114,03 |
95,43 |
93,04 |
48,17 |
22,12 |
3. Рассчитаем эффективность от применения выбранных конструктивных решений.
(60)
– эквивалентная площадь звукопоглощения обработанного помещения
эквивалентная площадь звукопоглощения необработанного помещения
при = 125 Гц (среднегеометрическая частота октановой полосы)
дБ
при = 250 Гц (среднегеометрическая частота октановой полосы)
дБ
при = 500 Гц (среднегеометрическая частота октановой полосы)
дБ
при = 1000 Гц (среднегеометрическая частота октановой полосы)
дБ
при = 2000 Гц (среднегеометрическая частота октановой полосы)
дБ
при = 4000 Гц (среднегеометрическая частота октановой полосы)
дБ
Таблица 12.7 Оценка эффективности принятого решения
Расчетный параметр
|
Значение параметра, дБ на
среднегеометрической частоте, Гц
|
| 125 |
250 |
500 |
1000 |
2000 |
4000 |
УЗД на рабочем
месте, дБ
|
72 |
73 |
63 |
61 |
55 |
51 |
| Допустимый УЗД, (ПС-55) дБ |
70 |
68 |
58 |
55 |
52 |
50 |
| Превышение допустимого УЗД, дБ |
2 |
5 |
5 |
6 |
3 |
1 |
| Эффективность звукопоглощения, дБ |
3,48 |
6,8 |
6,05 |
6,87 |
3,58 |
1,3 |
ВЫВОД: При применении звукопоглощающего материала (плиты минераловатные, акустические перфорированные (ПА/О) с воздушным промежутком 100 мм) эффективность звукопоглощения выше превышения допустимого УЗД на рабочем месте при средне среднегеометрической частоте октановой полосы от 125 до 4000 Гц.
|