Задача 1
Задано величини напруги на вхідних затисках схеми й опору. Визначити струми у всіх вітках схеми (рис. 1.0).

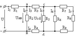
Рис. 1.0
Вихідна схема
Дано:
U = 100 В; R1
= 10 Ом;
R2
= 20 Ом; R3
= 7 Ом;
R4
= 8 Ом; R5
= 10 Ом;
R6
= 20 Ом; R7
= 10 Ом;
R8
= 5 Ом; R9
= 5 Ом.
Визначити: струми в вітках.
Рішення:

Рис. 1.1
Проставимо напрямки струмів у вітках від (+) до (-). Позначимо вузли а, в, с, d. Проставимо напрямки напруг на паралельних ділянках кола Uав
, Ucd
.
Схему перетворимо до еквівалентного опору.Опори R7
, R8
і R9
з'єднані послідовно і еквівалентний опір цієї вітки дорівнює: R789
= R7
+ R8
+ R9
= 10 + 5 + 5 = 20 Ом (Рис. 1.1).Опори R6
і R789
з'єднані паралельно і їх еквівалентний опір: R6-9
= R6
· R789
/( R6
+ R789
)=20·20/(20+20)= 10 Ом (Рис. 1.2).

Опори R5
і R6-9
з'єднані паралельно і їх еквівалентний опір (опір паралельної ділянки кола cd): Rcd
= R5
· R6-9
/( R5
+ R6-9
) = 10·10/(10+10) = 5 Ом (Рис. 1.3). R1
R1
R2
R3-9
Опори R3
, Rcd
і R4
з'єднані послідовно і їх еквівалентний опір:
R3-9
= R3
+ Rcd
+ R4
= 7 + 5 + 8 = 20 Ом (Рис. 1.4).


Опори R2
і R3-9
з'єднані паралельно і їх еквівалентний опір (опір паралельної ділянки кола ав): Rав
= R2
· R3-9
/( R2
+ R3-9
) = 20·20/(20+20) = =10 Ом (Рис. 1.5).
Еквівалентний опір усього кола (опори R1
і Rав
з'єднані послідовно):
Rекв
= R1
+ Rав
= 10 + 10 = 20 Ом (рис. 1.6).
Струми визначаємо за допомогою закону Ома, розглядаючи схеми в зворотному порядку.
Сила струму на вході кола:
I1
= U/Rекв
= 100/20 = 5 А.
Напруга на паралельній ділянці ав:
Uав = I1
·Rав
= 5·10 = 50 В.
Сила струму: I2
= Uав/R2
= 50/20 = 2,5 A.
Сила струму: I3
= I4
= Uав/R3-9
= 50/20 = 2,5 А.
Напруга на паралельній ділянці cd:
Ucd = I3
·Rcd
= 2,5·5 = 12,5 В.
Силаструму: I5
= Ucd/R5
= 12,5/10 = 1,25 A.
Силаструму: I6
= Ucd/R6
= 12,5/20 = 0,625 A.
Силаструму: I7
= Ucd/R789
= 12,5/20 = 0,625 A.
Перевірка правильності рішення по першому закону Кірхгофа.
Вузол а: I1
– I2
– I3
= 0; 5 – 2,5 – 2,5 = 0.
Вузол c: I3
– I5
– I6
– I7
= 0; 2,5 – 1,25 – 0,625 – 0,625 = 0.
Задача 2
Дані всі ЕРС і опори в схемі (рис. 2.1). Потрібно:
1. Скласти рівняння Кірхгофа (не вирішуючи).
2. Перетворити пасивний трикутник опорів в еквівалентну зірку і визначити струми віток методами контурних струмів і двох вузлів.
3. Скласти баланс потужностей.
4. Побудувати потенційну діаграму для контуру, що містить обидві ЕРС.
Забиваем Сайты В ТОП КУВАЛДОЙ - Уникальные возможности от SeoHammer
Каждая ссылка анализируется по трем пакетам оценки: SEO, Трафик и SMM.
SeoHammer делает продвижение сайта прозрачным и простым занятием.
Ссылки, вечные ссылки, статьи, упоминания, пресс-релизы - используйте по максимуму потенциал SeoHammer для продвижения вашего сайта.
Что умеет делать SeoHammer
— Продвижение в один клик, интеллектуальный подбор запросов, покупка самых лучших ссылок с высокой степенью качества у лучших бирж ссылок.
— Регулярная проверка качества ссылок по более чем 100 показателям и ежедневный пересчет показателей качества проекта.
— Все известные форматы ссылок: арендные ссылки, вечные ссылки, публикации (упоминания, мнения, отзывы, статьи, пресс-релизы).
— SeoHammer покажет, где рост или падение, а также запросы, на которые нужно обратить внимание.
SeoHammer еще предоставляет технологию Буст, она ускоряет продвижение в десятки раз,
а первые результаты появляются уже в течение первых 7 дней.
Зарегистрироваться и Начать продвижение

Рис.2.1
Вихідна схема
Дано:
E1
= 60B,
E2
= 40 Ом,
R1
= 8 Oм,
R2
= 10 Oм,
R3
= 12 Oм,
R4
= 16 Oм,
R5
= R6
= R7
= 30 Oм
Рішення:
1. Довільно проставляємо в вітках напрямки струмів і вибираємо напрямки обходів обраних контурів.
Складаємо рівняння за законами Кірхгофа.
Перший закон.
Для вузла 1 I7
+ I5
- I1
= 0.
Длявузла 2 I2
- I6
- I5
= 0.
Длявузла 3 I3
+ I6
- I7
= 0.
Другий закон.
Для контуру А E1
+ E2
= I1
·R1
+ I2
·R2
+ I5
·R5
.
Для контуру В E2
= I2
·R2
– I3
·(R3
+ R4
) + I6
·R6
.
Для контуру С 0= I7
·R7
– I5
·R5
+ I6
·R6
.
2. Перетворимо пасивний трикутник опорів в еквівалентну зірку (рис. 2.2).

Рис.2.2. Перетворення трикутника опорів у еквівалентну зірку
Так як опори трикутника однакові, то еквівалентні опори зірки (рис. 2.2) також однакові і рівні:


Рис.2.3. Розрахункова схема
Опори віток (рис.2.3) після перетворення трикутника в еквівалентну зірку рівні:
R1
/
= R1
+ R57
= 8 + 10 = 18 Ом;
R2
/
= R2
+ R56
= 10 + 10 = 20 Ом;
R3
/
= R3
+ R4
+ R67
=
=12 + 16 + 10 = 38 Ом.
1. Визначимо струми по методу контурних струмів (рис. 2.3). Для цього складемо контурні рівняння.
E1
+ E2
= J1
·(R1
/
+ R2
/
) + J2
· R2
/
.
E2
= J1
·R2
/
+ J2
·(R2
/
+ R3
/
).
Підставимо чисельні значення.
100 = J1
·38 + J2
·20.
40 = J1
·20+ J2
·58.
Контурні струми знаходимо за допомогою методу визначників.



J1
= ∆1
/∆ = 5000/1804 = 2,77.
J2
= ∆2
/∆ = - 480/1804 = - 0,266.
Визначимо струми в вітках.
I1
= J1
= 2,77 A; I2
= J1
+ J2
= 2,77 – 0,266 = 2,504 A.
I3
= - J2
= - 0,266 A.
Знак мінус свідчить про те, що струм у третій вітці в дійсності тече в зворотному напрямку.
2. Визначимо струми за допомогою методу двох вузлів (рис. 2.3). Спочатку визначимо вузлову напругу.


g1
, g2
, g3
– провідності відповідних віток.Далі визначимо струми в вітках.
I1
= (E1
+UАВ
)/ R1
/
= (60- 10,11)/18 = 2,77 A.
I2
= (E1
-UАВ
)/ R2
/
= (40 + 10,11)/20 = 2,505 A.
I3
= -UАВ
/ R3
/
= -10,11/38 = - 0,266 A.
3. Складемо баланс потужностей. Потужність, споживана від джерел ЕРС, повинна бути дорівнювати потужності, виділюваної в навантаженні (в опорах): Рсп
о
ж
= Рнагр
.
E1
· I1
+ E2
· I2
= I1
2
· R1
/
+I2
2
· R2
/
+ I3
2
·R3
/
.
Сервис онлайн-записи на собственном Telegram-боте
Попробуйте сервис онлайн-записи VisitTime на основе вашего собственного Telegram-бота:
— Разгрузит мастера, специалиста или компанию;
— Позволит гибко управлять расписанием и загрузкой;
— Разошлет оповещения о новых услугах или акциях;
— Позволит принять оплату на карту/кошелек/счет;
— Позволит записываться на групповые и персональные посещения;
— Поможет получить от клиента отзывы о визите к вам;
— Включает в себя сервис чаевых.
Для новых пользователей первый месяц бесплатно.
Зарегистрироваться в сервисе
60 · 2,77 + 40 ·2,505 = 2,772
· 18 + 2,5052
· 20 + 0,2662
· 38.
266,4 = 266,3.
Погрішність розрахунків:

Точність розрахунку досить висока.
4. Для побудови потенційної діаграми визначимо потенціали всіх точок, попередньо прийнявши потенціал точки В рівним нулеві.
jB
= 0; jÑ
= jB
E1
= - 60 B; jÀ
= jC
+ I1
·R1
= - 60 + 2,77·18 = - 10,14 B; jD
= jÀ
+ I2
·R2
= -10,14 + 2,505·20 = 40 B; jB
= jD
E2
= 0.

Рис.2.4. Потенційна діаграма
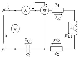
Задача 3
По заданих величинах визначити для кола (рис. 3.1) перемінного струму частотою f =50 Гц при амплітуді Uм
і початковій фазі φu
:
1. Показання приладів електромагнітної системи (вольтметра, амперметра і ватметра).
2. Побудувати в масштабі векторну діаграму напруг і струму.
3. Записати миттєві значення напруги і струму на вході кола:
i = Iм
ּ Sin(ω·t + φi
)
и
U = Uм
ּ Sin(ω·t + φu
).

Рис.3.1. Розрахункова схема.
Дано:
Uм
=100 В, φu
= 10о
;
R1
=20 Ом, R2
=25 Ом;
L1
= 63,8 мГн; С1
= 100 мкФ.
Рішення:
Діюче значення напруги (показання вольтметра):
U = Uм
/1,41 = 100/1,41 = 70,71 В.
Миттєве значення напруги:
U = 100 ּ Sin(ω·t + 10о
).
Опори:
XL1
= ω·L1
= 2·π· f · L1
= 2·π· 50 ·63,8·10-3
= 20 Ом.
XС1
= 1/(ω·С1)
= 1/(2·π· f ·З1
) = 1/(2·π· 50 ·100·10-6
) = 32 Ом.
Модуль повного опору кола:
z = [(R1
+ R2
)2
+ (XL1
– XC1
)]0,5
= [452
+ (-12)2
]0,5
= 46,57 Ом.
Зсув фаз між струмом і напругою:
φ = arc tg (XL1
– XC1
)/(R1
+ R2
) = arc tg(-12/45) = - 14,93o
.
Модуль струму в колі (показання амперметра):
I = U/z = 70,71/46,57 = 1,52 А.
Амплітудне значення струму:
Iм
= I·1,41 =1,52 · 1,41 = 2,15 А.
Початкова фаза струму:
φi
= φu
– φ = 10o
+ 14,93o
= 24,93o
.
Миттєве значення струму:
I = 2,15 ּ Sin(ω·t + 24,93о
).
Активна потужність у колі (показання ватметра):
P = I2
· (R1
+ R2
) = 1,522
· (20 + 25) = 104 Вт.
Для побудови векторної діаграми (рис. 3.2) визначимо модулі спадань напруги на кожнім елементі кола.
UR1
= I·R1
= 1,52 · 20 = 30,4 В; UL1
=I · XL1
=1,52 · 20 = 30,4 В;
UR2
= I ·R2
= 1,52 · 25 = 38 В; UC1
= I ·XC1
= 1,52·32 =48,64 В.
Виберемо масштаби. Для струму – довільний. Для напруг – 0,5 В в 1мм. При побудові векторної діаграми враховуємо другий закон Кірхгофа:
Ủ = ỦR
1
+ ỦL
1
+ ỦR
2
+ ỦC
1
.

Рис.3.2. Векторна діаграма
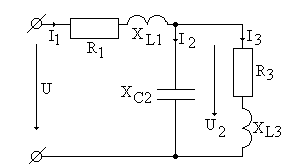
Задача 4
Задано значення напруги і всіх опорів у колі (рис. 4.1). Потрібно:
1. Визначити струми I1
, I2
, I3
, напругу U2
і cosj кожної ділянки кола.
2. Обчислити активну, реактивну і повну потужності всього кола.
3. Побудувати в масштабі векторну топографічну діаграму струмів і напруг.

Рис.4.1. Розрахункова схема
Дано:
вхідна напруга U=380B;
опори
R1
=185 Ом, R3
= 210 Ом, XL1
= 203 Ом,
XL3
= 195 Ом,
XC2
= 200 Ом.
1. Визначимо повні опори віток. Показник оператора в градусах.
Z1
= R1
+ jXL1
= 185 + j203 = 274,65 ·e j 47,66
;
Z2
= - jXC2
= - j200 = 200·e - j90
;
Z3
= R3
+ jXL3
= 210 + j195 = 286,57·e j 43
.
Визначимо повний опір паралельної ділянки кола.


Визначимо повний опір усього кола.
Z = Z1
+ Z23
= 185 + j 203 + 186 - j 200 = 371 + j 3 ≈ 371.
Визначимо комплексні значення струмів за допомогою закону Ома.
Повний струм

Спадання напруги на паралельній ділянці кола в комплексній формі.
= 1,024 ·273·e - j 47
= 280 ·e - j 47
.
Струми в паралельних вітках у комплексній формі.


(Перевірка правильності визначення струмів по першому закону Кірхгофа: = 1,024 – 1,024 – j0,955 + j0,955 = 0).
Визначимо Cosφ кожної ділянки кола.
Cosφ1
= R1
/Z1
= 185/274,65 = 0,67; Cosφ2
= R2
/Z2
= 0/200 = 0;
Cosφ3
= R3
/Z3
= 210/286 = 0,73.
2. Визначимо потужності. Комплекс повної потужності всього кола.
=380·1,024 = 390.
Модуль повної потужності всього кола S = 390 (B·A).
Активна потужність усього кола Р = 390 (Вт).
Реактивна потужність усього кола Q = 0 (В·Ар).
- сполучений струм у колі (міняється знак на протилежний у показнику оператора).
3. Для побудови топографічної векторної діаграми (рис. 4.2) знайдемо спадання напруги в комплексній формі на кожнім елементі в вітках кола.
= 1,024 ·185 = 190.
= 1,024 ·195 ·e j 90
= 200·e j 90
.
= 280 ·e - j 47
. = 0,955·e - j 90
·210 = 200·e - j 90
.
= 0,955·e - j 90
·195·e j 90
= 186.
Виберемо масштаби. Для векторів струмів: 0,1А – 1 см; для векторів напруг: 40В – 1 см. При побудові сполученої векторної діаграми струмів і напруг враховувати закони Кірхгофа.


Рис.4.2. Векторна діаграма
Задача 5.1
По заданих параметрах і лінійній напрузі визначити фазні і лінійні струми, активну потужність усього кола і кожної фази окремо (рис. 5.1). Побудувати топографічні векторні діаграми струмів і напруг на комплексній площині.

Рис.5.1. Розрахункова схема
Дано:
Uл
=127 В;
Rав
= 4 Ом;
Rвс
= 8 Ом;
Rса
= 6 Ом;
Xав
= 3 Ом; Xав
= 3 Ом;
Xвс
= 4 Ом; Xса
= 8 Ом.
Рішення:
Визначимо повні опори фаз у комплексному виді. Показник оператора в градусах.
Zав
= Rав
+ j Xав
= 4 + j3 = 5 · e j 36,87
.
Zвс
= Rвс
+ j Xвс
= 8 + j3 = 8,544 · e j 20,556
.
Zса
= Rса
+ j Xса
= 6 + j8 = 10 · e j 53,13
.
Представимо вектори лінійних напруг на комплексній площині, сполучивши вектор напруги Ủвс
із дійсною віссю комплексної площини (рис. 5.1.1), і запишемо їх у комплексному виді.
.

Рис.5.1 .1. Векторна діаграма напруг
Визначимо фазні струми за законом Ома.



Визначимо лінійні струми за допомогою першого закону Кірхгофа.
= 3,038 + j25,22 + 12,6 + j1,52 = 15,638 + j26,74 = 31 · e j
59,7
.
=13,92 - j5,22 - 3,038 - j25,22=10,882 – j30,44=32,33 · e -j
70,33
.
= -12,6 – j1,52 - 13,92 + j5,22 = - 26,52 + j3,7 = 26,78 · e j
172
.
Визначимо активні потужності у фазах.
Рав
= Iав
2
· Rав
= 25,42
· 4 = 2580,64 Вт.
Рвс
= Iвс
2
· Rвс
= 14,862
· 8 = 1766,66 Вт.
Рса
= Iса
2
· Rса
= 12,72
· 6 = 967,74 Вт.
Визначимо активну потужність усього кола.
Рав
+ Рвс
+ Рса
= 2580,64 + 1766,66 + 967,74 = 5315,04 Вт.
Для побудови векторної діаграми (рис. 5.1.2) виберемо масштаби.
МU
: 3 В в 1 мм. МI
: 0,5 А в 1 мм.

Рис.5.1.2. Векторна діаграма напруг і струмів
Задача 5.2
По заданих параметрах і лінійній напрузі визначити фазні і лінійні струми і струм у нейтральному проводі, активну потужність усього кола і кожної фази окремо (рис. 5.2). Побудувати топографічні векторні діаграми струмів і напруг на комплексній площині.

Рис.5.2
Дано:
Uл
=254 В;
Ra
= 3 Ом;
Rв
= 4 Ом;
Rс
= 6 Ом;
Xа
= 4 Ом;
Xв
= 3 Ом;
Xс
= 8 Ом.
Рішення:
Визначимо повні опори фаз у комплексному виді. Показник оператора в градусах.
Zа
= Rа
- jXа
= 3 – j4 = 5·e –j53,13
.
Zв
= Rв
+ jXв
= 4 + j3 = 5 · e j36,9
. Zс
= Rc
+ jXс
= 6 + j8=10·e j53,13
.

Рис.5.2.1. Векторна діаграма напруг
Представимо вектори фазних напруг на комплексній площині (рис. 5.2.1), сполучивши вектор напруги з дійсною віссю комплексної площини, і запишемо них у комплексному виді. Модуль фазної напруги
Uф
= Uл
/1,73 = 254/1,73 = 147 В.
= 147;
= 147· e - j
120
;
= 147 · e j
120
.
Визначимо фазні струми за законом Ома (при з'єднанні навантаження зіркою рівні лінійним).



Визначимо струм у нульовому проводі за допомогою першого закону Кірхгофа.
=17,64 + j23,52 - 27,04 – j11,53 +5,77 + j13,52 =
= - 3,63 + j25,51 = 25,77 · e j
98,1
.
Визначимо активні потужності у фазах і всьому колі.
Ра
= Iа
2
· Rа
= 29,42
·3 = 2593 Вт. Рв
= Iв
2
· Rв
= 29,42
·4 = 3457 Вт.
Рс
= Iс
2
· Rс
= 14,72
·6 = 1297 Вт.
Р = Ра
+ Рв
+ Рс
= 2593 + 3457 + 1297 = 7347 Вт.
Для побудови векторної діаграми (рис. 5.2.2) виберемо масштаби. МU
: 3 В в 1 мм. МI
: 0,5 А в 1 мм.

Рис. 5.2.2. Векторна діаграма напруг і струмів
Задача 5.3
По заданих параметрах і лінійній напрузі визначити фазні і лінійні струми і струм у нейтральному проводі, активну потужність усього кола і кожної фази окремо (рис. 5.3). Побудувати топографічні векторні діаграми струмів і напруг на комплексній площині.

Рис.5.3. Розрахункова схема
Дано:
Uл
=220 В;
Rв
= 3 Ом;
Xа
= 15 Ом;
Xс
= 10 Ом.
Рішення:
Визначимо повні опори в комплексному виді. Показник оператора в градусах.
Zа
= jXа
= j15 = 15 · e j90
. Zв
= Rв
= 3. Zс
= - jXс
= - j10 = 10 · e - j90
.

Рис.5.3.1. Векторні діаграми напруг генератора (а) і навантаження (б)
Представимо вектори фазних напруг генератора на комплексній площині (рис. 5.3.1 а), сполучивши вектор напруги генератора ỦА
з дійсною віссю комплексної площини, і запишемо них у комплексному виді. Модуль фазної напруги
Uф
= Uл
/1,73 = 220/1,73 = 127 В.
127; 127· e - j
120
= - 63,5 - j110; 127 · e j
120
= - 63,5 + j110.
Визначимо зсув нейтралі.

Визначимо фазні напруги навантаження (див. рис. 5.3.1 б).
= 127 + 111,23 + j144,17=238,23 + j144,17=278,46 ∙ е j
31,18
.
=- 63,5 - j110 + 111,23 + j144,17=47,73 + j34,17=58,7 ∙ е j
35,6
.
=- 63,5+j110 +111,23+j144,17=47,73 + j254,17=258,6 ∙ е j79,4
.
Визначимо фазні струми за законом Ома (при з'єднанні навантаження зіркою рівні лінійним).



По першому закону Кірхгофа сума струмів у комплексному виді повинна дорівнювати нулеві.
=9,61 – j15,88 + 15,96 + j11,32 - 25,42 + j4,76=0,15 + j0,2 ≈ 0.
Визначимо активні потужності у фазах і всьому колі.
Ра
= Iа
2
· Rа
= 18,5642
·0 = 0. Рв
= Iв
2
· Rв
= 19,572
·3 = 1149 Вт.
Рс
= Iс
2
· Rс
= 25,862
·0 = 0.
Р = Ра
+ Рв
+ Рс
= 0 + 1149 + 0 = 1149 Вт.
Для побудови векторної діаграми виберемо масштаби. МU
: 4 В в 1 мм. МI
: 0,5 А в 1 мм.

Рис.5.3.2. Векторні діаграми напруг та струмів
Задача 6
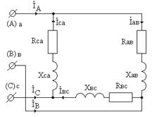
До лінії трифазного струму (рис. 6.1) промислової частоти з напругою 380/220В за допомогою рубильників приєднуються споживачі:
а) лампи накалювання загальною потужністю Ра, Рв і Рc на напругу 220В;
в) індуктивні котушки з повним опором Zав
=Zвс
=Zса
=19(Ом) при фазному куті зрушення Δφ у кожній фазі на напругу 380 В.
Вважаючи рубильники Кi
включеними зобразити спрощену схему, а також:
1) визначити лінійні струми, споживані споживачами, включеними трикутником, накреслити векторну топографічну діаграму навантаження, з'єднаної трикутником;
2) визначити лінійні струми, споживані споживачами, включеними зіркою, накреслити векторну топографічну діаграму навантаження, з'єднаною зіркою;
3) накреслити окремо сполучену векторну топографічну діаграму. Сполучену діаграму вичертити крупно на окремому листі;
4) визначити показання амперметрів у схемі і струм нульового проводу, користуючись графічним методом (по сполученій діаграмі).

Рис. 6.1. Схема в загальному виді
Дано: включені рубильники
К1
, К2
, К3
, К4
, К5
, К6
;
Δφ = 30о
,
РА
= 4400 Вт,
РВ
= 2200 Вт,
РС
= 4400 Вт,
f = 50 Гц.
Рішення:
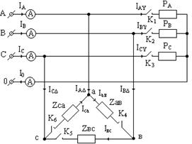
Розрахункова схема представлена на рис. 6.2.
Задачу вирішуємо розрахунково-графічним методом.

Рис.6.2. Розрахункова схема
1. Модулі фазних струмів трикутника:
Iав
= Iвс
= Iса
= Uл
/Zав
= 380/19 = 20 А.
Лінійні струми в комплексній формі по першому закону Кірхгофа:
  
Будуємо векторну діаграму (рис. 6.3), прийнявши масштаби: напруг – 44 В в 1 см; струмів – 5 А в 1 см.

Рис.6.3. Векторна діаграма напруг та струмів
Так як навантаження симетрично, то лінійні струми навантаження, з'єднаної трикутником, однакові і відповідно до масштабу:
IA∆
= IB∆
= IC∆
= 5 (A/см) · 6,93 см = 36,65 А.
2. Модулі фазних (рівні лінійними при з'єднанні зіркою) струми зірки:
IAY
= ICY
= РА
/Uф
= 4400/220 = 20 А.
IВY
= РВ
/Uф
= 2200/220 = 10 А.
Будуємо векторну діаграму в тих же масштабах (рис. 6.4).

Рис.6.4. Векторна діаграма
Струм нульового проводу: .
З діаграми відповідно до масштабу: I0
= 5(A/см)·2(см) = 10 А.
3. Будуємо сполучену векторну діаграму струмів і напруг у тих же масштабах струмів (рис. 6.5), за допомогою якої визначаємо лінійні струми всього кола (показання амперметрів і струм нульового проводу).
Відповідно до першого закону Кірхгофа в комплексній формі:
; ; 
З діаграми відповідно до масштабу:
IA
= 5 (A/см)∙ 10,5 (см) = 8,6 А;
IB
= 5 (А/см) ∙ 8,6 (см) = 43 А; IC
= 5 (А/см) ∙ 10,5 (см) = 52,5 А;
I0
= 5 (А/см) ∙ 2 (см) = 10 А.

Рис.6.5. Сумісна векторна діаграма
Література
1. МорозовА.Г. Электротехника, электроника и импульсная техника: Учеб. пособие для инженерно-экономических специальностей вузов. - М.: Высш.шк.1987.-448с.
2. Электротехника. Учеб. пособие для вузов под ред. Пантюшина В.С.-М.: Высш. шк. 1985.-373с.
3. Борисов Ю.М., Липатов Д.Н., Зорин Ю.Н. Электротехника.- М.: Энергоатомиздат,1985.-552с.
4. Пантюшин И.С. Сборник задач по электротехнике.-М.: Высш. шк. 1973.-253с.
|