Министерство образования и науки Российской Федерации
Казанский государственный энергетический университет
Кафедра ЭПП
Практическая работа по предмету:
Электрические и электронные аппараты.
На тему
Электрические и электронные аппараты в системах электроснабжения
Выполнил:
Вариант: «0»
Группа: ЭП-2-03
Преподаватель:
Хатанова И.А.
Казань 2006г.
1. Выбор контакторов и магнитного пускателя для управления и защиты асинхронного двигателя

Рис. 1. Схема пуска и защиты двигателя
Требуется выбрать магнитный пускатель (контактор) для управления и защиты асинхронного двигателя типа 4А112М2У3, работающего в продолжительном режиме. Схема прямого пуска и защиты приведена на рис. 1.
По типу двигателя из справочной литературы[1,табл.26.3] определим его технические параметры:
- номинальная мощность, P
ном
– 7,5 кВт;
- коэффициент полезного действия, η ном
– 87,5 %;
- коэффициент мощности, cosφ – 0,88;
- номинальное линейное напряжение на обмотке статора,U
ном
– 380 В;
- коэффициент кратности пускового тока, К
I
– 7,5;
- время пуска двигателя, t
n
– 5 с.
Определим параметры, по которым производится выбор магнитного пускателя:
а) род тока – переменный, частота – 50 Гц;
б) номинальное напряжение – 380В, номинальный ток не должен быть меньше номинального тока двигателя;
в) согласно схеме включения двигателя (рис. 1) аппарат должен иметь не менее трех замыкающихся силовых контактов и одного замыкающегося вспомогательного контакта;
г) категория применения, аппарат должен работать в одной из категорий применения: АС – 3 или АС – 4;
д) режим работы аппарата – продолжительный с частыми прямыми пусками двигателя.
Для выбора аппарата по основным техническим параметрам необходимо произвести предварительные расчеты номинального и пускового токов двигателя. Определим номинальный ток (действующее значение):

Пусковой ток (действующее значение):

Ударный пусковой ток (амплитудное значение):
принимаем

Произведем выбор аппарата по основным техническим параметрам.
Выбираем магнитный пускатель со встроенным тепловым реле по основным техническим параметрам, приведенным в справочнике – типа ПМЛ 221002[2,табл.6.18].
Проверим возможность работы выбранного аппарата в категориях применения АС – 3 и АС – 4.
Забиваем Сайты В ТОП КУВАЛДОЙ - Уникальные возможности от SeoHammer
Каждая ссылка анализируется по трем пакетам оценки: SEO, Трафик и SMM.
SeoHammer делает продвижение сайта прозрачным и простым занятием.
Ссылки, вечные ссылки, статьи, упоминания, пресс-релизы - используйте по максимуму потенциал SeoHammer для продвижения вашего сайта.
Что умеет делать SeoHammer
— Продвижение в один клик, интеллектуальный подбор запросов, покупка самых лучших ссылок с высокой степенью качества у лучших бирж ссылок.
— Регулярная проверка качества ссылок по более чем 100 показателям и ежедневный пересчет показателей качества проекта.
— Все известные форматы ссылок: арендные ссылки, вечные ссылки, публикации (упоминания, мнения, отзывы, статьи, пресс-релизы).
— SeoHammer покажет, где рост или падение, а также запросы, на которые нужно обратить внимание.
SeoHammer еще предоставляет технологию Буст, она ускоряет продвижение в десятки раз,
а первые результаты появляются уже в течение первых 7 дней.
Зарегистрироваться и Начать продвижение
Согласно справочным данным в категории применения АС – 3 магнитный пускатель должен включать в нормальном режиме коммутации ток:
,
а в режиме редких коммутаций:
.
Оба условия пускателя ПМЛ 221002 выполняются, так как:

В категории применения АС – 4 магнитный пускатель ПМЛ 221002 с номинальным рабочем током 10 А должен отключать в номинальном режиме коммутации ток:
,
который меньше пускового тока двигателя. В режиме редких коммутаций ток:
,
который также ниже ударного пускового тока двигателя. Поэтому пускатель ПМЛ 221002 с номинальным током 20 А, предназначенный для работы в категории АС – 4, для данной схемы (рис. 1) не пригоден.
Тепловые реле серии РТЛ, встроены в магнитные пускатели (табл. 1, приложение 2) имеют регулируемое время срабатывания t
СР
= (4,5 - 12) с, что приемлемо для заданных условий пуска двигателя: 1,5t
П
< t
СР
< t
П
.
Для реализации схем пуска двигателя (рис. 1) можно использовать контактор и дополнительное тепловое реле.
Выбор контактора аналогичен вышерассмотренному выбору магнитного пускателя. Выбираем контактор КМ2311-7. Проверим возможность работы выбранного аппарата в категориях применения АС-3 и АС-4. Согласно справочным данным в категории применения АС – 3 контактор должен включать в нормальном режиме коммутации ток:
,
а в режиме редких коммутаций:
.
Оба условия контактора КМ2311-7. выполняются, так как:

В категории применения АС – 4 контактор КМ2311-7. с номинальным рабочем током 25 А должен отключать в номинальном режиме коммутации ток:
,
который больше пускового тока двигателя. В режиме редких коммутаций ток:
,
который также выше ударного пускового тока двигателя. Поэтому контактор КМ2311-7. с номинальным током 25 А, предназначенный для работы в категории АС – 4, для данной схемы (рис. 1) пригоден.
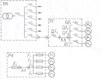
2. Выбор автоматических выключателей и предохранителей для защиты двигателей
От цехового трансформатора кабелем питается сборка механической мастерской, к которой подключены четыре двигателя. Напряжение сети 380 В. Все двигатели работают одновременно. Типы двигателей приведены в табл. 1. Схема цеховой электрической сети, питающей сборку механической мастерской, приведена на рис. 2. Требуется выбрать аппараты защиты двигателей и кабеля, питающего сборку:
а) автоматические выключатели QF
1
– QF
5
(рис. 2 (а));
б) плавкие предохранители F
1
- F
5
(рис. 2(б)).
 Рис. 2. Участок радиальной схемы цеховой электрической сети: ТП – трансформаторная подстанция; РУ – распределительное устройство; КЛ - кабель; QF
1
– QF
5
– автоматы; М
1
– М
4
– двигатели; F
1
- F
5
– плавкие предохранители.
Сервис онлайн-записи на собственном Telegram-боте
Попробуйте сервис онлайн-записи VisitTime на основе вашего собственного Telegram-бота:
— Разгрузит мастера, специалиста или компанию;
— Позволит гибко управлять расписанием и загрузкой;
— Разошлет оповещения о новых услугах или акциях;
— Позволит принять оплату на карту/кошелек/счет;
— Позволит записываться на групповые и персональные посещения;
— Поможет получить от клиента отзывы о визите к вам;
— Включает в себя сервис чаевых.
Для новых пользователей первый месяц бесплатно.
Зарегистрироваться в сервисе
Определим по мощности двигателей их номинальные и пусковые токи так же, как в задаче 1. Рассчитаем по выражению (1) номинальные токи вставок предохранителей, защищающие двигатели (рис.2б). Подберем по справочным данным ближайшие к расчетным номинальные токи вставок для предохранителей разных типов: ПР. – 2, ПН. – 2, НПР, НПН и занесем все вышеуказанные расчетные и справочные величины в табл.1.
Для предохранителя, защищающего кабель, питающий сборку, номинальный ток рассчитаем по выражению:
где – сумма пусковых токов всех самозапускающихся двигателей.
.
Таблица 1
Мощность
двигателя,
кВт
|
Ток двигателя, А
|
Ток вставки, А
|
| номинальный |
пусковой |
расчетный |
принятый |
| ПР-2 |
ПН-2 |
НПН, НПР |
11
11
7,5
7,5
|
21,1
22
14,8
15,1
|
158,25
165
111
98,2
|
68,4
69,92
47,04
41,61
|
80
80
60
60
|
80
80
50
50
|
80
80
63
63
|
Выбираем по ближайшему большему значению номинального тока предохранитель типа ПН-2 (I
Н
= 250 А).
Проверяем правильность выбора по условию пуска двух самых крупных двигателей в нормальном режиме:
 
где – сумма номинальных токов работающих двигателей;
– сумма пусковых токов самых крупных двигателей.
.
Предохранитель типа ПН-2 этому условию удовлетворяет (250>212,98).
Выберем для защиты той же группы двигателей автоматические выключатели (рис.2а). Расчетные и справочные данные заносим в таблицу 2.
Таблица 2.
| Мощность двигателя, кВт
|
Ток двигателя, А
|
Расчетные токи срабатывания расцепителей, А
|
Принятые токи срабатывания расцепителей, А
|
| номинальный |
пусковой |
Зависимые |
Мгновенные |
Зависимые |
Мгновенные |
11
11
7,5
7,5
|
21,1
22
14,8
15,1
|
158,25
165
111
98,2
|

23,98
16,13
16,5
|

247
166,5
147,3
|
35
35
20
20
|
400
400
180
180
|
Все двигатели имеют номинальные токи менее 50 А, поэтому для их защиты выбираем автомат АП50 – 3МТС I
Н
= 50 А.
Номинальный ток теплового расцепителя принимается ближайший больший номинального тока двигателя с поправкой на окружающую температуру: помещение, где установлены двигатели и автоматы обычное, отапливаемое, с температурой t
= 20 °С; завод калибрует автоматы АП50 при температуре +35 °С, поэтому номинальные токи зависимых расцепителей выбираются по уравнению (6):
.
Ток срабатывания мгновенного расцепителя автомата принимается равным десятикратному току срабатывания теплового расцепителя.
Для защиты группы двигателей ток срабатывания независимого расцепителя автомата должен быть отстроен от тока самозапуска всех двигателей:
.
По справочным данным выбираем автомат А3700 с I
Н
= 160 А.
Ток срабатывания зависимого расцепителя автомата А3700:
,
что удовлетворяет требованию:
, так как 224А > 73 А.
Выдержку времени независимого расцепителя автомата А3700 приняли по справочным данным 0,15 с, что обеспечивает его селективность с мгновенными автоматами.
Ток срабатывания независимого расцепителя по справочным данным автомата А4100 равен:

или с учетом разброса минимальный ток срабатывания независимого расцепителя:
,
что удовлетворяет условию отстройки от токов самозапуска группы двигателей (798,6-958,4 А).
3. Выбор низковольтных аппаратов в системах электроснабжения
Для схем соединения понижающих трансформаторов со сборными шинами низкого напряжения, приведенных на рис. 3, выбрать рубильник QS
, предохранитель F
и автоматические воздушные выключатели QF
в соответствии с исходными данными индивидуального варианта, приведенными в табл. 2 и 3. Номинальное напряжение U
Н
= 380 В. Условия выбора, расчетные и справочные значения проверяемых величин записать в таблицу.
4. Выбор высоковольтных аппаратов в системах электроснабжения
Для схемы питания понижающего трансформатора от магистральной линии, приведенной на рис. 4, выбрать разъединитель QS
и предохранитель F
в соответствии с исходными данными индивидуального варианта, приведенными в табл. 2-3. Для схем, приведенных на рис. 5, выбрать предохранитель F,
короткозамыкатель QN
и выключатель Q
в соответствии с исходными данными индивидуального варианта, приведенными в табл. 4.Условия выбора, расчетные и справочные значения проверяемых величин записать в таблицу.

Рис. 3. Схемы соединения трансформаторов со сборными шинами низкого напряжения

Рис. 4. Схема питания трансформатора от магистральной линии

Рис. 5. Фрагменты схем электроснабжения промышленных предприятий
5. Выбор низковольтных аппаратов в системах электроснабжения
Требуется выбрать автомат для установки на стороне низкого напряжения трансформатора в сети с номинальными параметрами:
  
Заполним табл.1 для выбора выключателя, рубильника, предохранителя, записав в неё расчетные параметры сети и справочные значения параметров выключателя, рубильника, предохранителя.
Таблица 1
| Параметры
|
Значения параметров
|
Условия
выбора
|
Тип
аппарата
|
| сети |
аппарата |
Номинальные
- напряжение
U
Н
, В;
- ток I
Н
, А.
Отключающая
способность
- ток отключения I
ОТКЛ
, кА
|
380
15
263
|
380
63
315
|



|
Автомат типа
АК-63
|
Номинальные
- напряжение
U
Н
, В;
- ток I
Н
, А.
Отключающая
способность
- ток отключе- ния I
ОТКЛ
, кА
|
380
15
263
|
До 500
16
800
|



|
Предохранитель серии ПП21 |
Номинальные
- напряжение
U
Н
, В;
- ток I
Н
, А.
Термическая стойкость, кА2
с:
Динамическая стойкость, кА:
|
380
15
|
До 660
400
144
30
|


|
Рубильник трехполюсный серии Р34
[2,табл.6.1]
|
6. Выбор высоковольтных аппаратов в системах электроснабжения
Выбрать выключатель, установленный за трансформатором типа ТМН – 2500/110 в сети с номинальным напряжением .
Для заданного типа трансформатора выпишем его основные технические параметры:  
 
Определим номинальный ток на стороне НН:
,
Мощность трехфазного КЗ на выводах НН:
,
где для трансформаторов класса напряжения 110 кВ.
Начальное действующее значение периодической составляющей тока при трехфазном КЗ на выводах НН трансформатора:
,
Действующее значение периодической составляющей тока трехфазного КЗ:
,
Амплитудное значение полного тока КЗ (ударный ток КЗ):
,
где =1,3 – для сетей НН.
Определим номинальный ток на стороне ВН:
,
Мощность трехфазного КЗ на выводах ВН: для трансформаторов класса напряжения 110 кВ. Начальное действующее значение периодической составляющей тока при трехфазном КЗ на выводах НН трансформатора:
,
Действующее значение периодической составляющей тока трехфазного КЗ:
,
Амплитудное значение полного тока КЗ (ударный ток КЗ):
,
где =1,8 – для сетей ВН.
| Параметры
|
Значение параметра
|
Условие
выбора
|
Тип
аппарата
|
| сети |
аппарата |
Номинальные
- напряжение,
кВ;
-ток, А;
|
 |
 |
 |
Предохранитель типа
ПВТ-104-110-50-2,5У1
|
Отключающая
способность
-действующее значение периодической составляющей тока КЗ, кА;
|
 |
 |
 |
Таблица 2 для рис. 4
| Параметры
|
Значение параметра
|
Условие
выбора
|
Тип
аппарата
|
| сети |
аппарата |
Номинальные
- напряжение,
кВ;
-ток, А;
|
 |
 |
 |
Разъеденитель(QS)РНД31а- 110/1000У1 |
Электродинамическая
стойкость
- амплитудное значение полного тока КЗ, кА;
- начальное действующее значение периодической составляющей тока КЗ, кА;
|

|

|

|
Термическая
стойкость
- действующее значение тока КЗ, кА, приведенное ко времени термической стойкости – t
тс.
, с.
|
 |
 |
 |
Таблица 3 для рис. 5
| Параметры
|
Значение параметра
|
Условие
выбора
|
Тип
аппарата
|
| сети |
аппарата |
Номинальные
- напряжение,
кВ;
-ток, А;
|
 |
 |
 |
Предохранитель (F)
ПКТ-104-10-160-20УЗ
(С кварцевым наполнителем)
|
Отключающая
способность
-действующее значение периодической составляющей тока КЗ, кА;
|
 |
 |
 |
| Параметры
|
Значение параметра
|
Условие
выбора
|
Тип
аппарата
|
| сети |
аппарата |
Номинальные
- напряжение,
кВ;
|
 |
 |
 |
Короткозамыкатель(QN)
КЗ-110УХЛ1
|
Электродинамическая
стойкость
- амплитудное значение полного тока КЗ, кА;
- начальное действующее значение периодической составляющей тока КЗ, кА;
|

|

|

|
Термическая
стойкость
- действующее значение тока КЗ, кА, приведенное ко времени термической стойкости – t
тс.
, с.
|
 |
 |
 |
| Параметры
|
Значение параметра
|
Условие
выбора
|
Тип
аппарата
|
| сети |
аппарата |
Номинальные
- напряжение,
кВ;
-ток, А;
|
 |
 |
 |
Выключатель(Q)
ВВЭ-10-20/630УЗ
|
Электродинамическая
стойкость
- амплитудное значение полного тока КЗ, кА;
- начальное действующее значение периодической составляющей тока КЗ, кА;
|

|

|

|
Термическая
стойкость
- действующее значение тока КЗ, кА, приведенное ко времени термической стойкости – t
тс.
, с.
|
 |
 |
 |
Отключающая
способность
-действующее значение периодической составляющей тока КЗ, кА;
|

|
 |
 |
Включающая
способность
- начальное действующее значение периодической составляющей тока КЗ, кА.
|
 |
 |
 |
| Параметры
|
Значение параметра
|
Условие
выбора
|
Тип
аппарата
|
| сети |
аппарата |
Номинальные
- напряжение,
кВ;
-ток, А;
|
 |
 |
 |
Выключатель нагрузки
ВНП-10/400-10УЗ
|
Электродинамическая
стойкость
- амплитудное значение полного тока КЗ, кА;
- начальное действующее значение периодической составляющей тока КЗ, кА;
|

|

|

|
Термическая
стойкость
- действующее значение тока КЗ, кА, приведенное ко времени термической стойкости – t
тс.
, с.
|
 |
 |
 |
Список литературы
1. В.Г. Герасимов. Электро-технический справочник.
2. Б.Н. Неклепаев, И.П. Крючков. Справочные материалы для курсового и дипломного проектирования. Электрическая часть электростанций и подстанций.
3.Ю.Г. Барыбин, Л.Е. Фёдоров. «Справочник по проектированию электроснабжения». Энергоатомиздат Москва 1990г.
|