| План
Вступ
1. Типи водоспоживачів і режим водоспоживання
 2. Системи та схеми водопостачання
3. Питоме водоспоживання
4. Системи і схеми водопостачання
4.1 Основні положення
4.2 Основні схеми водопостачання
Список використаної літератури
Вступ
Проектування системи водопостачання об'єкта (міста, району, промислового підприємства або їх комплексу) починається з визначення кількості води, що споживається, і режиму її витрачання на перспективний (розрахунковий) період. Розмір водоспоживання об'єктом визначається в кубічних метрах у добу максимального і у добу середнього за рік споживання води. Усі водопровідні споруди розраховуються з умови забезпечення максимального водоспоживання наприкінці розрахункового періоду, а техніко-економічні показники - з умови середнього за рік.
1. Типи водоспоживачів і режим водоспоживання
В населених пунктах існує велика кількість споживачів води. Умови споживання ними води можуть відрізнятись, також як їх вимоги до якості води. Для визначення витрат води, які необхідно подати в населений пункт із врахуванням особливостей, усіх водоспоживачів можна згрупувати так: комунальний сектор, підприємства, поливання, тваринницькі ферми, пожежогасіння, спеціальні споживачі.
До споживачів комунального сектора належать: населення й худоба в особистому користуванні, а також різноманітні комунальні підприємства (лазні, лікарні, їдальні, дитячі садки, ясла тощо). Усі ми відносимось до цього споживача і добре знаємо умови витрачання води. Так, вночі ми практично не витрачаємо воду, зранку миємось, готуємо сніданок, витрати води збільшуються. Потім ідемо на роботу або по своїх ділах - витрати води зменшуються, перед обідом і в обід знову спостерігається підвищення витрат води. Після обіду скорочуються витрати води й аж до вечері, коли ми витрачаємо достатньо велику кількість води і до відходу до сну. Так схема витрачання води існує практично кожну добу. Протягом року водоспоживання коливається залежно від сезону (літній чи зимовий, в деяких випадках може бути ще весняно-літній та осінньо-зимовий), режиму роботи підприємств, агрокліматичних умов, зміни сільськогосподарських робіт тощо. Коливання водоспоживання є і протягом місяців та тижнів. Істотніші зміни водоспоживання бувають протягом доби. Ці коливання залежать від нічного й денного часу, режиму роботи підприємств, проведення різноманітних сільськогосподарських робіт, погодних умов, особливостей побуту місцевого населення, кількості робочих і вихідних днів, свят, проведення культурних, спортивних та інших заходів. Від збігу перелічених обставин залежить водоспоживання в цілому за добу. Практично для будь-якого населеного пункту немає діб з однаковим рівнем споживанням води. Протягом однієї години також спостерігається коливання водоспоживання, яке залежить від конструкції водорозбірної арматури, самопочуття людей, збігу перелічених вище обставин. Слід відмітити і відношення людей до користування водою. У країнах західної Європи люди в більшості дуже раціонально використовують воду. Вони не дозволяють без потреби відкривати водорозбірні крани, спускати великі об'єми води в каналізацію, наповнюють для миття раковини, а брудну воду потім випускають і таке інше. На жаль, у нас у країні такий спосіб використання води практично не прижився.
Забиваем Сайты В ТОП КУВАЛДОЙ - Уникальные возможности от SeoHammer
Каждая ссылка анализируется по трем пакетам оценки: SEO, Трафик и SMM.
SeoHammer делает продвижение сайта прозрачным и простым занятием.
Ссылки, вечные ссылки, статьи, упоминания, пресс-релизы - используйте по максимуму потенциал SeoHammer для продвижения вашего сайта.
Что умеет делать SeoHammer
— Продвижение в один клик, интеллектуальный подбор запросов, покупка самых лучших ссылок с высокой степенью качества у лучших бирж ссылок.
— Регулярная проверка качества ссылок по более чем 100 показателям и ежедневный пересчет показателей качества проекта.
— Все известные форматы ссылок: арендные ссылки, вечные ссылки, публикации (упоминания, мнения, отзывы, статьи, пресс-релизы).
— SeoHammer покажет, где рост или падение, а также запросы, на которые нужно обратить внимание.
SeoHammer еще предоставляет технологию Буст, она ускоряет продвижение в десятки раз,
а первые результаты появляются уже в течение первых 7 дней.
Зарегистрироваться и Начать продвижение
Врахувати всі коливання практично не можливо. Якщо розглядати добове водоспоживання, то його можна зобразити у ВШ ляді графіку, який показує в процентах від максимально-добового водоспоживання кількість відбираємої води в будь-який момент (рис. 1). На ньому видно істотні підйоми і спади водоспоживання, але є ділянки, де водоспоживання коливається біля певного середнього значення. Найчастіше це значення відповідає якійсь годині або кільком годинам. Тому для практичного використання таких графіків ділянки з витратами близькими до якогось середнього значення, замінюють цим значенням, дістаючи ступеневий графік водного водоспоживання (графік1).
На ступеневому графіці можна виділити максимальну та мінімальну ординати. Такий графік із математичної точки зору ірактеризується годинним коефіцієнтом нерівномірності

Рис.1. Графік добового водоспоживання: 1-фактичний; 2-розрахунковий (ступеневий)
Максимальним

мінімальним

За даними багаторічних спостережень за водоспоживанням комунального сектора різних населених пунктів побудовані типові графіки водоспоживання (аналогічні графіку 1 на рис. 1) або таблиці, які наведені в довідковій літературі. У таблицях для кожної години доби наводяться проценти добових витрат залежно від коефіцієнтів годинної нерівномірності.
Сервис онлайн-записи на собственном Telegram-боте
Попробуйте сервис онлайн-записи VisitTime на основе вашего собственного Telegram-бота:
— Разгрузит мастера, специалиста или компанию;
— Позволит гибко управлять расписанием и загрузкой;
— Разошлет оповещения о новых услугах или акциях;
— Позволит принять оплату на карту/кошелек/счет;
— Позволит записываться на групповые и персональные посещения;
— Поможет получить от клиента отзывы о визите к вам;
— Включает в себя сервис чаевых.
Для новых пользователей первый месяц бесплатно.
Зарегистрироваться в сервисе
Добова нерівномірність визначається коефіцієнтами добової нерівномірності: максимальним Кmax і мінімальним Кmin.
Поливання територій поділяється на механізоване миття, механізоване або ручне поливання майданів і проїздів із поліпшеним покриттям, поливання газонів, квітників, міських зелених насаджень, посадок у теплицях, а також присадибних ділянок. Відповідно до кліматичних умов здійснюють 1— 2 поливання на добу. Звичайно, його проводять ввечері або вранці по кілька годин (3...5 год). Нерівномірність відбирання води для поливів існує, але при проектуванні його беруть рівномірним протягом усіх годин здійснення. Поливання проводять? звичайно, протягом літніх місяців. Тривалість поливального періоду залежить від місцевих умов: на півдні, звичайно, він більший. Години, в які проводять поливання, не повинні збігатися з годинами максимального споживання води на інші потреби. Особливо гостро нині постає питання з поливанням присадибних ділянок. Раніше (10-15 років тому) зовсім не передбачалися системи для поливання таких ділянок, а населення брало воду для поливання з водопровідних мереж. Тому в одних місцях населеного пункту населення мало достатню кількість води, а в інших її не вистачало навіть для пиття. Витрати води на поливання дуже великі. Поки що при проектуванні передбачається поливання тільки 0,05 га з умовою, при цьому коефіцієнт нерівномірності дорівнює 0,4. Зараз у деяких населених пунктах передбачається спеціальний водопровід для поливу, який живиться неочищеною водою поверхневих джерел.
Таблиця 1. Типовий графік розподілу добових витрат за годинами доби
| Години доби
|
Витрата води у комунальному секторі, % при коефіцієнті годинної нерівномірності кгтіп
|
Витрати на тваринницьких фермах, %
|
| |
1.2
|
1,5
|
1,8
|
1,9
|
2,0
|
2,5
|
Молочних
|
Свинарських
|
Вівчарських
|
| 0-1
|
3.50
|
1,50
|
0,90
|
0,85
|
0,75
|
0,6
|
0,5
|
0,9
|
-
|
| 1-2
|
3.45
|
1,50
|
0,90
|
0,85
|
0.75
|
0,6
|
1,0
|
0,5
|
-
|
| 2-3
|
3.45
|
1,50
|
0,90
|
0,85
|
0,75
|
1,2
|
0,5
|
0,5
|
-
|
| 3-4
|
3.40
|
1,50
|
1,00
|
1,00
|
1,00
|
2,0
|
0,5
|
0,5
|
-
|
| 4-5
|
3.40
|
2,50
|
1,35
|
2,70
|
3,00
|
3,6
|
2,2
|
10,2
|
16,5
|
| 5-6
|
3.55
|
3,50
|
3,85
|
4,70
|
5,50
|
3,5
|
2,2
|
9,5
|
16,5
|
| 6-7
|
4.00
|
4,50
|
5,20
|
5,35
|
5,50
|
4,5
|
4,7
|
6.5
|
-
|
| 7-8
|
4.40
|
5,50
|
6,20
|
5,85
|
5,50
|
10,2
|
4,7
|
3,2
|
-
|
| 8-9
|
5.00
|
6,25
|
5,50
|
4,50
|
3,50
|
8,8
|
10,2
|
3,2
|
-
|
| 9-10
|
4.80
|
6,25
|
5,85
|
4,20
|
3,50
|
6,5
|
5,4
|
2,0
|
-
|
| 10-11
|
4.70
|
6,25
|
5,00
|
5,50
|
6,00
|
4,1
|
7,2
|
5,5
|
-
|
| 11-12
|
4.55
|
6,25
|
6,50
|
7,50
|
8,50
|
4,1
|
6,1
|
-
|
16,7
|
| 12-13
|
4.55
|
5,00
|
7,50
|
7,90
|
8,50
|
3,5
|
4,2
|
7,4
|
16,7
|
| 13-14
|
4.45
|
5,00
|
6,70
|
6,35
|
6,00
|
3,5
|
9,1
|
5,3
|
-
|
| 14-15
|
4.60
|
5,50
|
5,35
|
5,20
|
5,00
|
4,7
|
6,6
|
3,4
|
-
|
| 15-16
|
4.60
|
6,00
|
4,65
|
4,80
|
5,00
|
6,2
|
2,0
|
3,4
|
-
|
| 16-17
|
4.60
|
6,00
|
4,50
|
4,00
|
3,50
|
10,2
|
4,2
|
5,2
|
-
|
| 17-18
|
4.30
|
5,50
|
5,50
|
4,50
|
3,50
|
9,4
|
3,6
|
6,9
|
-
|
| 18-19
|
4.35
|
5,00
|
6,30
|
6,20
|
6,00
|
7,3
|
8,2
|
9,2
|
16,8
|
| 19-20
|
4.25
|
4,50
|
5,35
|
5,70
|
6,00
|
1,6
|
7,2
|
7,4
|
16,8
|
| 20-21
|
4.25
|
4,00
|
5,00
|
5,50
|
6,00
|
1,6
|
3,5
|
4,3
|
-
|
| 21-22
|
4.15
|
3,00
|
3,00
|
3,00
|
3,00
|
1,0
|
4,6
|
1,3
|
-
|
| 22-23
|
3.90
|
2,00
|
2,00
|
2.00
|
2,00
|
0,6
|
0,8
|
1,3
|
-
|
| 23-24
|
3.80
|
1,50
|
1,00
|
1,00
|
1,00
|
0,6
|
0,8
|
1,3
|
-
|
| Всього
|
100
|
100
|
100
|
100
|
100
|
100
|
100 100
|
100
|
100
|
Тваринницькі ферми — молочні, відгодівельні, свинарські, вівчарські та інші є практично у кожному селі. Улітку худобу з молочних, відгодівельних, вівчарських ферм іноді виганяють за межі села. При розрахунках водоспоживання села водоспоживання цих ферм влітку може не враховуватись. Різні тварини й ферми протягом
 2. Системи та схеми водопостачання
Системою водопостачання називають комплекс інженерних споруд, і апаратів, які призначені для добування води з природних ресурсів, поліпшення її якості, зберігання, транспортування і подачі води споживачам. Вона складається із водоприймальних, підйомних, очисних, водонапірних і регулювальних споруд, напірних водоводів і розподільних мереж, засобів автоматизації. Від місцевих умов деякі із споруд можуть не користуватись чи бути об'єднаними одна з одною.
Системи водопостачання поділяють за такими ознаками: за Функціональним призначенням (господарсько-питні, виробничі та протипожежні); сферою обслуговування (об'єднані та роздільні); за видом об'єктів (міські, селищні, промислові); за територіальним націленням водоспоживачів (місцеві, централізовані, групові); іриналістю дії (тимчасові та постійні); типом природного джерела (з використанням підземних або поверхневих вод); способом підйому води (гравітаційні та з механічною подачею води); характером використання води (прямоточні, зворотні і з повторним використанням); надійністю забезпечення водою.
Господарсько-питні системи водопостачання подають воду для пиття, приготування їжі і проведення санітарно-гігієнічних процедур. Вода і із цій системі повинна бути питної якості. Виробничі водопроводи подають воду на технологічні цілі, якість води визначається технологами. Протипожежні системи водопостачання призначені для подачі води під час гасіння пожежі. Вода в протипожежних водопроводах може бути і непитної якості.
Об’єднані водопроводи задовольняють потреби всіх водоспоживачів, роздільні - окремо подають воду на різні потреби. Місцеві (локальні) системи обслуговують водою окремих водоспоживачів (наприклад, тваринницька ферма, промислове підприємство чи окрема група будинків), централізовані - всіх споживачів даного населеного пункту. Групові або районні системи водопроводів призначені для забезпечення водою кількох населених пунктів, ферм чи підприємств, віддалених одне від одного (проектуються, як правило, за відсутності прісних вод і характеризуються великою довжиною водоводів).
Згідно з СНиП 2.04.02-84 централізовані системи водопостачання її надійністю забезпечення водою поділяються на три категорії. Системи господарсько-питного водопроводу населених пунктів з
кількістю жителів до 5 тис. чоловік належать до ПІ категорії. Для них допустиме зменшення подачі води на 30% впродовж 15 діб, а також припинення водопостачання на час ремонту не більше ніж на 24 години. При кількості жителів від 5 до 50 тис. чол. передбачається II категорія, для якої перерва в подачі води може бути до 6 годин, а зменшення водопостачання до 10 діб. Населені пункти з кількістю жителів більше 50 тис. чоловік належать до І категорії, для яких зменшення подачі води - не більше 3 діб, перерва - не більше 10 хв. Категорію окремих елементів системи водопостачання встановлюють залежно від їх функціонального значення в загальній системі.
Взаємне розташування окремих елементів і споруд в кожній конкретній системі водопостачання називають схемою водопостачання. Вибір складу споруд залежить в основному від: виду природного джерела водопостачання і якості води в ньому; категорії водоспоживачів, кількості та якості води, що споживається; надійності подачі води; рельєфу місцевості.
Схема водопостачання з відкритих джерел (мал.2) має найбільшу будівельну вартість і досить складна в експлуатації, оскільки вимагає наявності водоочисних та інших споруд. За цією схемою вода з відкритої водойми надходить до водозабірних споруд, з яких насосами станції першого підняття подається на очисні споруди.

Мал.2. Схема водопостачання з поверхневих водних джерел:
I - річковий водозабір; 2 - насосна станція І підняття; 3 - водоочисна станція; 4 - резервуар чистої води; 5 - насосна станція II підняття; 6 - водовід; 7 - водонапірна башта; 8 - водопровідна мережа; 9 - об'єкт водопостачання; 10-п'єзометрична лінія в мережі в годину максимального водоспоживання; II - те ж саме в годину максимального транзиту води в башту
На водоочисній станції поліпшується якість води, після чого вона надходить в резервуар чистої води (РЧВ), звідки насосами станції другого підняття водоводами подається у водопровідну мережу споживачам. На території населеного пункту споруджують водонапірну, яка, як і РЧВ, призначена для зберігання води, регулювання роботи насосів та підтримання у мережі необхідного напору, і накопичення в башті відбувається в той час, коли насоси подають води більше, ніж її витрачають споживачі; витрачається - коли споживання перевищує подачу.
Для водопостачання частіше використовують підземні води, які мають порівняно з поверхневими менший вміст різних домішок, у тому числі і радіоактивних, а також простіший склад водопровідних споруд. Якщо якість підземних вод не задовольняє вимоги споживачів, застосовують схему з очищенням води (мал.3), а якщо підземні води за своїми фізико-хімічними та санітарними показниками задовольняють вимоги щодо питної води, то застосовують найпростішу схему водопостачання (мал.3).

Мал.3. Схема водопостачання з очищенням підземних вод:
1 - водоносний пласт; 2 - свердловина; 3 - водоочисна станція; 4 - резервуар чистої води; 5 - насосна станція II підняття; 6 - водовід; 7 - водонапірна башта; 8 - водопровідна мережа; 9 - об'єкт водопостачання; 10 - п'єзометрична лінія з мережі в годину максимального водоспоживання; 11 - те ж саме у водоводі
Промислові підприємства характеризуються різноманітністю технологічних процесів, споживають воду різної якості та вимагають різних напорів в мережах окремих цехів. Специфічністю технічних систем водопостачання є можливість обороту води для різних потреб. Тому системи водопостачання промислових підприємств досить складні. Якщо споживається значна кількість води непитної якості, то доцільно влаштовувати окремі системи технічного водопостачання: прямоточні (мал.5), в яких воду після одноразового використання скидають в каналізацію; з повторним використанням води (мал.5), де вода використовується послідовно в кількох технологічних операціях; оборотні (мал.5), в яких воду після використання для технічних потреб очищають або охолоджують, потім використовують на тому ж об'єкті в тих же технологічних операціях. Вибір схеми технічного водопостачання слід вирішувати за техніко-економічними розрахунками.

Мал.4. Схема водопостачання зі свердловини:
1 - водозабірна свердловина; 2 - занурений електронасос; 3 - оголовок над свердловиною; 4 - водовід; 5 - водонапірна башта; 6 - п'єзометрична лінія у водоводів годину максимального водоспоживання; 7 - те ж саме у мережі; 8 - об'єкт водопостачання; 9 - водопровідна мережа
3. Питоме водоспоживання
Для проектування систем водопостачання необхідно знати кількість води, яка має бути подана водопроводом, види і кількість водоспоживачів з урахуванням перспективного плану розвитку об'єкта, розрахункові норми споживання води та режим використання її протягом доби.
Нормою водоспоживання називають кількість води, що витрачається на певні потреби за одиницю часу або на одиницю продукції, що виробляється. В населених пунктах норми господарсько-питного водоспоживання призначають на підставі вивчення фактичного об'єму та режиму водоспоживання в аналогічних умовах або, якщо це неможливо, за рекомендаціями СНиП 2.04.02-84 (табл.2). Потреби місцевої промисловості та непередбачені витрати приховують збільшенням питомих витрат води на 5-10 %.
Таблиця 2 Норми водопостачання для житлової забудови
| Ступінь благоустрою районів житлової забудови
|
Норма водопостачання на одного жителя, середньодобова (за рік), qw, л/добу
|
| Забудова будинками, обладнаними внутрішнім водопроводом і каналізацією, без ванн
|
125-160
|
| Забудова будинками, обладнаними внутрішнім водопроводом, каналізацією і ваннами з місцевими водонагрівачами
|
160-230
|
| Забудова будинками, обладнаними внутрішнім водопроводом, каналізацією та системою центрального гарячого водопостачання
|
230-350
|
| Забудова будинками, які не обладнані внутрішнім водопроводом, а водокористування здійснюється за допомогою вуличних водорозбірних колонок
|
30-50
|



Мал. 5. Схеми технічного водопостачання:
1 - річка; 2 - водозабір; 3 - очисні споруди; 4 - насосна станція; 5 - технічна вода; 6 - підприємство; 7 - стічна вода; 8 - станція очищення або охолодження; 9-скидання води в річку; 10-розподільча камера
Питомі витрати води на промислові потреби підприємств залежать під типу продукції, що випускається, прийнятої технології, встановленого обладнання. Ці дані визначають за технологічним паспортом підприємства. Для орієнтовних підрахунків витрат води на підприємствах користуються нормами споживання води на одиницю продукції [31]. Так, наприклад, на молочних заводах на переробку 1 т молока необхідно 7,5 -12 м води, на хлібозаводах - 1,8 - 4,8 м3 води на 1т хліба, на м'ясокомбінатах - 10 - 40 м3 води на 1т продукції, на цукрозаводах - 18 - 25 м3 води на 1 т цукру, на плодоовочевих консервних заводах - 8-28 м3 води на 1 тис. банок, на цегельних заводах -1,3-1,8 м3 води на 1 тис. штук цеглин.
Крім виробничих, на промислових підприємствах потрібно враховувати господарсько-питні потреби води та витрати води на душ. Господарсько-питні потреби визначають за нормою: 45 л за зміну на одну людину в цехах з тепловиділенням більше 23,2 Вт/м3; 25 л - в інших цехах.
Витрати води на душ після закінчення робочої зміни приймають за розрахунковими витратами води на душ на одного працівника (табл.3) або із розрахунку 0,2 л/с (500 л/год) на одну душову сітку [21]. Число душових і умивальників слід визначати за чисельністю працюючих в зміні (або частині цієї зміни) із найбільшою кількістю працівників, що одночасно закінчують роботу (табл.4).
Питомі витрати води на поливання залежать від природних та місцевих умов і становлять: для механізованого миття проїздів та майданів з поліпшеним покриттям - 1,2-1,5 л/м2 на 1 поливання; механізованого поливання перелічених проїздів та майданів - 0,3-0,4 л/м2 на 1 поливання; поливання з шлангів тих же проїздів - 0,4-0,5 л/м2; поливання газонів, квітників - 4-6 л/м2 на 1 поливання; поливання зелених насаджень і присадибних ділянок - 3-4 л/м2 на добу.
При відсутності даних про площі проїздів та зелених насаджень питомі витрати на поливання визначають з розрахунку 50-90 л/добу на одного мешканця залежно від кліматичних умов (на півдні більше), забезпечення водою джерела (менше з малозабезпеченого джерела), ступеня благоустрою будинків та інших місцевих умов. Кількість поливань для північних районів - одне, для південних - два.
Крім регулярного забезпечення господарсько-питних і виробничих потреб, система водопостачання за потреби повинна подавати воду на гасіння пожеж. Ця витрата тимчасова, а тому враховується лише у перевірочних розрахунках водопровідної мережі і для визначення об'єму запасних ємностей (РЧВ, водонапірної башти, протипожежних резервуарів).
Витрати води на зовнішнє гасіння пожежі в населеному пункті та розрахункова кількість пожеж приймаються за даними табл.5.
До розрахункової кількості одночасних пожеж включені пожежі на промислових підприємствах, які розташовані в межах населеного пункту. Додатково до витрат води на зовнішнє гасіння пожеж слід враховувати витрати на внутрішнє гасіння пожежі в житлових, громадських та виробничих будинках, які обладнані внутрішніми пожежними кранами. Перелік таких будинків і нормативні витрати води на внутрішнє гасіння пожежі наведені в СНиП 2.04.01-85.
Таблиця 3 Розрахункові витрати води на душ на одного працівника за добу
| Група виробничого процесу за санітарною характеристикою*
|
Витрати води на душ, л
|
| |
чоловік
|
жінок
|
| 1б!
|
25
|
31,25
|
| Ів, ІІа, IVa,
|
53,6
|
62,5
|
| ІІв, ІІд, ІІІб, IV6
|
75
|
93,75
|
| ІІб, ІІг, ІІІв, ІІІа, ІІІг
|
125
|
125
|
Таблиця 4 Розрахункова кількість душових та умивальників СН2.09.04-871
| Група
Нироб- ничих
процесів
|
Санітарна характеристика виробничих процесів
|
Розрахункова кіль-
кість працівників
|
| на одну душову
сітку
|
на один кран
|
| І
|
Процеси, що викликають забруднення речовинами 3-го та 4-го класів небезпечності:
|
|
|
| Іа
|
тільки рук
|
25
|
7
|
| Іб
|
тіла та спецодягу
|
15
|
10
|
| Ів
|
тіла та спецодягу, що видаляються із зас-
тосуванням спеціальних миючих речовин
|
5
|
20
|
| II
|
Процеси, які здійснюються при значних надлишках явного тепла або при несприятливих метеорологічних умовах:
|
|
|
| ІІа
|
при значних надлишках явного конвекційного тепла;
|
7
|
20
|
| ІІб
|
при значних надлишках явного променевого тепла
|
3
|
20
|
| ІІВ
|
пов'язане з виділенням вологи, що викликає намокання спецодягу
|
5
|
20
|
| ІІг
|
при температурі повітря до 10 °С, включаючи роботи на відкритому повітрі
|
5
|
20
|
| ІІІ
|
Процеси, що викликають забруднення речовинами 1- та 2-го класів небезпечності, а також речовинами, що мають стійкий запах:
|
|
|
| ІІІa
|
тільки рук
|
7
|
10
|
| ІІІб
|
тіла та спецодягу
|
3
|
10
|
| IV
|
Процеси, що вимагають особливих умов
до утримання чистоти або стерильності
при виготовленні продукції
|
Відповідно вимогам відомчих
нормативних
документів
|
Розрахункову тривалість гасіння пожежі приймають 3 год. Подача води на гасіння пожежі повинна бути забезпечена в години найбільших витратах води для інших потреб. При цьому об'єми води на поливання, душові, миття підлоги і технологічного обладнання підприємств не враховуються.
Таблиця 5 Витрати води на зовнішнє гасіння пожежу населеному пункті
| Кількість
мешканців у
населеному
пункті, тис. чол.
|
Розрахункова кількість одночасних пожеж
|
Витрати води на зовнішнє гасіння пожеж, л/с, при забудові будинками
|
| |
|
до двох поверхів
|
три поверхи і більше
|
| До1
|
1
|
5
|
10
|
| 1-5
|
1
|
10
|
10
|
| 5-10
|
1
|
10
|
15
|
| 10-25
|
2
|
10
|
15
|
| 25-50
|
2
|
20
|
25
|
| 50-100
|
2
|
25
|
35
|
| 100-1000
|
3
|
-
|
40-100
|
4. Системи і схеми водопостачання
4.1 Основні положення
Режим споживання води, її кількість і вимоги до якості, типи споживачів і їх розміщення на місцевості, місцеві природні умови, економічні передумови й наявність будівельних матеріалів та обладнання, наявність тих чи інших джерел водопостачання, їх потужність, якість води в них, відстань від споживачів води впливають на прийняту систему водопостачання, наявність відповідних споруд, ритмічність і надійність подачі води, собівартість води.
Отже, системою водопостачання називають комплекс споруд для забезпечення водою всіх споживачів в межах населеного пункту або окремо розташованого підприємства. Системи водопостачання подають воду на господарсько-питні потреби населенню, тваринам в особистому, фермерському та громадському господарствах, різного типу підприємствам, для поливання територій у межах населеного пункту тощо. До основних в системі водопостачання належать споруди забирання води з джерела, поліпшення якості води, запасні й регулювальні місткості, водоводи і водопровідні мережі, споруди для підняття води, тобто насосні станції. Взагалі усі діючі і запроектовані системи водопостачання можна класифікувати за такими особливостями:
за призначенням:
комунальні, які забезпечують водою міста, селища міського типу;
виробничі, які забезпечують водою ТЕЦ, заводи, фабрики, комбінати;
сільськогосподарські, які забезпечують водою сільських споживачів води в межах сільських населених пунктів;
залізничні, які забезпечують водою залізничні станції;
протипожежні, які забезпечують водою потреби для гасіння пожеж;
за територіальними ознаками:
локальні або місцеві—для одного об'єкта, пункту;
групові—для кількох об'єктів водоспоживання, розташованих, як правило, на значній відстані один від одного;
внутрішньомайданчикові об'єкти водоспоживання, які розташовані в межах якоїсь територіальної площі (будівельного майданчика);
зовнішньомайданчикові об'єкти водоспоживання або споруди і і їсте ми водопостачання, які розташовані за межами якоїсь територіальної площі (будівельного майданчика);
за способом подавання води:
самопливні або гравітаційні системи, в яких вода тече внаслідок дії сили тяжіння;
з механічним подаванням, в яких вода переміщується насосами або якимось пристроєм;
сезонні, в яких вода подається в окремі райони (зони) або у зони, що взаємодіють;
за видом використаних природних джерел:
із забиранням води із поверхневих джерел;
із забиранням води із підземних джерел;
комбінованого типу із забиранням води з підземних і поверхневих джерел;
за ступенем централізації:
децентралізовані — для постачання водою різних споживачів використовують різні системи водопостачання;
централізовані— усім споживачам воду подають з єдиної системи;
комбіновані— більшій частині об'єктів воду подають з єдиної системи, а деякі мають самостійні системи.
Хоча всі існуючі системи водопостачання за цією класифікацією Належать до якоїсь певної групи, вони можуть мати дуже подібні або однакові споруди чи групи споруд і відрізнятися деякими відмінностями: або більш складними або, навпаки, простими і спорудами. Наприклад, сільськогосподарське водопостачання відрізняється від виробничого і комунального при приблизно (пакових поданих об'ємах води більшою роззосередженістю споживачів і сезонною циклічністю виробництва. Це потребує використання групових систем з довгими і розгалуженими кодами або децентралізованих систем з невеличкими за об'ємом.
Найнадійнішими є централізовані системи водопостачання. Вони основним вимогам:
мати належний ступінь надійності й безперервності подавання води;
забезпечувати потрібну якість і кількість води, що подається споживачам;
забезпечувати надходження води під необхідним тиском (напором).
Централізовані системи залежно від місцевих умов і вибраної схеми водопостачання повинні забезпечувати господарсько-питне водоспоживання в житлових і громадських будівлях та на підприємствах, виробничі потреби невеликих підприємств, а на великих підприємствах, у разі потреби,—подачу води питної якості, гасіння пожеж, власні потреби станцій водопідготовки, поливання територій, теплиць (потреби теплиць можна задовольняти окремим водопроводом).
Узагалі системи водопостачання, в більшості випадків, не відносяться до об'єктів, які повинні забезпечувати стовідсоткову надійність. Тобто дозволяється в певних межах забезпечувати зниження подачі або перерву в подачі води. Це пов'язано з вартістю систем - більш надійні системи відповідно й більш дорогі.
За ступенем надійності водопроводи поділяють на три категорії:
Перша дає змогу знижувати подавання води протягом 3 діб на господарсько-питні потреби не більше ніж на ЗО %, а на виробничі — за аварійним графіком. Перерва в подаванні води допускається не більш як 10 хв. До цієї категорії належать населені пункти, в яких більше 50 тис. жителів.
Друга категорія допускає зниження подавання води на 10 діб, а перерву в подаванні на 6 год. До неї належать населені пункти з кількістю жителів від 5 до 50 тис. жителів.
Третя категорія дає змогу знижувати подавання води на 15 діб, а перерва в подаванні може бути 24 год. До неї належать населені пункти з кількістю жителів менше 5 тис. жителів.
Категорію сільськогосподарський групових водопроводів визначають за населеним пунктом з найбільшою кількістю жителів.
Схемою водопостачання називають взаємне розташування споруд системи водопостачання, яке зображене графічно.
Вплив перелічених умов на вибір схеми буде визначено у ході вивчення подальшого матеріалу. Схеми водопостачання без водоочисних споруд є найбільш доцільними і дешевими. Проте їх можна використовувати при наявності джерела з водою, яка відповідає за якістю вимогам споживача. Звичайно, таким джерелом може бути підземне.
Найчастіше в населених пунктах господарсько-питний водопровід об'єднують з виробничим та протипожежним. Крім того в населеному пункті для водопостачання групи підприємств може передбачатись додатковий виробничий водопровід, який подає воду технічної якості групі підприємств.
4.2 Основні схеми водопостачання
Найпоширенішою для невеликих населених пунктів є схема із забиранням підземної води питної якості (рис. 6). Воду забирають із водоносного пласту за допомогою свердловини і подають у водонапірну башту. Як тільки бак башти наповниться, насос у свердловині автоматично або вручну відключається і вода в башту не надходить. Вода в мережу надходить із башти, яка забезпечує необхідні тиск і витрати. Коли рівень води в баці башти досягне мінімальної позначки, насос у свердловині знову включається і вода наповнює бак. Свердловина і башта звичайно розміщуються безпосередньо біля мережі і в найвищій точці населеного пункту.

Рис.6.Схема водопостачання із забором води питної якості з підземного джерела:
І водозабірна свердловина; 2 - водонапірна башта; 3 - водопровідна мережа; 4 - потрібні вільні напори
Основну схему водопостачання із забиранням води з підземного джерела показано на рис. 7. Воду з підземних водоносних пластів забирають за допомогою декількох свердловин і подають в резервуари чистої води (РЧВ). Станцію очищення води між свердловинами і резервуарами передбачають тільки тоді, коли якість води не задовольняє споживачів (тому її показано штриховою лінією). Найчастіше використовують станції знезалізнення і знезараження води, але можуть бути і станції зм'якшення води, знефторення, опріснення тощо. Резервуари чистої води акумулюють великі об'єми води, які потрібні для регулювання нерівномірності подавання її в мережу та рівномірності подачі в резервуар або навпаки, для забирання води з них на гасіння пожеж та власні потреби водопроводу. З резервуарів воду забирають насосною станцією другого підняття (підйому)- НС-ІІ і подають її під необхідним тиском у водоводи. Водоводи транспортують воду (іноді на велику відстань) у водопровідну мережу, яка безпосередньо розподіляє її між споживачами. Для накопичення об'єму води на 10-хвилинне гасіння пожежі і регулювання нерівномірності споживання води з мережі та рівномірності подавання її в мережу потрібна водонапірна башта. Башту підключають безпосередньо до мережі на початку її, у кінці за ходом води або всередині.

Рис. 7. Схема водопостачання із забиранням води з підземного джерела:
1 - свердловина; 2 - станція очищення води; 3 - резервуари чистої води; 4 -насосна станція другого підняття; 5 - водоводи; 6 - водонапірна башта; 7 - водопровідна мережа; 8 - лінії вільних напорів у споживача
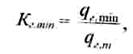
Схема водопостачання із забором води з поверхневого джерела зображена на рис 8 Воду забирають із поверхневого джерела (річки, озера, водосховища, тощо) за допомогою водозабірної споруди, яка забезпечує приймання води найвищої якості й попереднє очищення її від найбільш крупних інгредієнтів. Тип водозабірної споруди приймається в залежності від типу джерела, якості води в ньому, і гідрогеологічних, геологічних, топографічних, судноплавства та інших умов. З водозабірної споруди насосна станція першого підняття (підйому)- НС-І забирає воду і перекачує на очисні споруди, де воду прояснюють, знебарвлюють, знезаражують. Склад споруд призначають у залежності, в першу чергу, від каламутності води джерела, продуктивності очисних споруд. Слід пам'ятати, що вартість будівництва й експлуатації очисних споруд ВОД поверхневих джерел, звичайно, перевищує ці показники для знезалізнення підземних вод. Найчастіше водоочисну станцію розташовують у безпосередній близькості до джерела водопостачання. Очищену воду збирають у резервуарах чистої води, а ш ні використовують ті самі споруди, що й у попередній схемі — насосну станцію другого підняття (підйому), водоводи, водопровідну, водонапірну башту. Функціональне їх призначення та режим і такий самий, як у попередній схемі.

Рис. 8. Схема водопостачання із забиранням води з поверхневого джерела
1 - поверхневе джерело (річка, озеро); 2 - водозабірна споруда; 3 - насосна станція першого підняття; 4 - очисні споруди; 5 - резервуари чистої води; 6 -насосна станція другого підняття; 7 - водоводи; 8 - водонапірна башта; 9 -водопровідна мережа; 10 - лінії вільних напорів у споживача
Нині на півдні України та в інших маловодних регіонах країни використовують групові водопроводи. Найбільш поширеними на Україні є сільськогосподарські групові водопроводи.
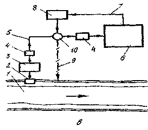
Сільськогосподарським груповим міжгосподарським водопроводом називають систему водопостачання, яка забезпечує водою групу сільськогосподарських населених пунктів, колективних та фермерських господарств, розташованих на території, місцеві умови якої потребують будівництва для них загального комплексу водопровідних зовнішньо майданчикових комунікацій і споруд. Такий водопровід може забирати воду як із підземного, так і з поверхневого джерела. Тому до його складу входять споруди, перелічені в описаних вище схемах. Крім того, він доповнений мережею водоводів, довжина яких іноді перевищує сотні кілометрів, водопіднімальними та ємкісними спорудами (рис. 9). Воду за даною схемою забирають із поверхневого джерела, обробляють, як і в попередніх схемах, і за допомогою насосної станції другого підняття подають довгим магістральним водоводом. На деякій відстані від насосної станції другого підняття, де тиск знижується до якогось мінімального значення, встановлюють накопичувальні резервуари і насосну станцію третього підняття. Якщо далі йдуть довгі водоводи, то у вузлах, де ник знижується, встановлюють знову резервуари і насосні станції Четвертого, п'ятого та інших підйомів, інколи їх називають станціями Підкачування. Для підключення водопровідної мережі населених пунктів до водоводів із великим тиском використовують рекупераційний вузол (рис. 10). Воду з магістрального водоводу через гідроелеватор подають розподільним водоводом у водопровідну

Рис.9. Принципова схема сільськогосподарського групового водопроводу:
І-поверхневе джерело; 2-водозабір; 3-насосна станція першого підняття; 4- комплекс споруд (водоочисні споруди, резервуари, насосна станція другого підняття); 5- магістральний водовід; 6- рекупераційний вузол; 7- водонапірна башта; 8- насосна станція третього підйому і резервуари; 9- водоводи; 10- Населені пункти; 11-водопровідна мережа; 12- насосна станція підкачування і резервуари;
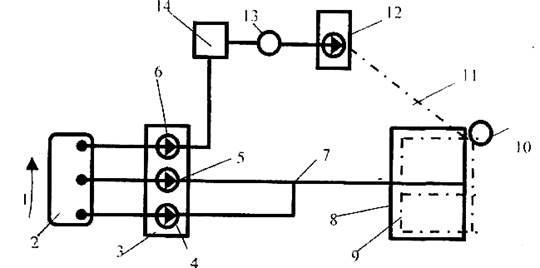
Залишки води потрапляють у водонапірну башту, яка працює на перелив, тобто трубопроводом 6 практично у резервуар витікають невеликі витрати (надлишки) води. Одночасно частина води з резервуара всмоктується гідроелеватором.
Таким чином, у системі гідроелеватор — башта — резервуар постійно циркулюють певні витрати води. Під час аварії або пожежі підключається насос, який подає воду безпосередньо в мережу з резервуара.

Рис. 10. Схема рекупераційного вузла:
1-магістральний водовід; 2-рекупераційний (гідроелеваторний) вузол; 3-гідроелеватор; 4 - водовід на населений пункт; 5 - водонапірна башта; 6 - циркуляційний (переливний) трубопровід; 7 - аварійний (пожежний) насос; 8-всмоктувальний трубопровід; 9 - підземний резервуар
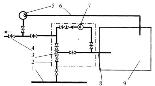
Для зменшення собівартості води в сільській місцевості передбачають дуплексні системи водопостачання, в яких на різноманітні потреби використовується вода з різними якісними показниками. На рис. 11 зображено дуплексну систему із забиранням води з підземного слабко мінералізованого джерела. Воду забирають із джерела за допомогою свердловин і подають у резервуар, із якого її забирають різними групами насосів. Господарськими і протипожежними насосами слабко мінералізовану воду подають водоводом в окрему мережу, на якій встановлюють пожежні гідранти і якою забезпечується підведення води в будинки. Цю воду можна використовувати для миття, душів, поливання проїздів тощо. Інша група насосів насосної станції подає воду на установку опріснення, де її якість доводиться до вимог питної води. Опріснену воду збирають у спеціальному резервуарі й насосом подають у водопровідну мережу прісної води. Як правило, на цій мережі передбачають водорозбірні колонки. Процес опріснення дорогий і складний, тому опріснену воду доцільніше використовувати тільки на питні потреби.

Рис.11. Дуплексна система з використанням слабко мінералізованих підземних вод
1-водозабірні свердловини; 2-резервуар слабко мінералізованої води; 3-насосна станція; 4-протиложежні насоси; 5-господарські насоси мінералізованої води; 6-насоси, які подають воду на опріснення; 7-насоси прісної води; 8-водовід слабко мінералізованих вод; 9-водопровідна мережа слабко мінералізованих вод; 10-резервуар прісної води; 11-установка для опріснення води; 12-гідропневматична установка; 13-водовід прісної води; 14-водопровідна мережа прісної води
Нині на півдні України впроваджують інший тип дуплексних систем (рис.12). Це пов'язано з тим, що для поливання присадибних ділянок витрачається значно більше води, ніж на господарсько-питні погреби. Дуплексна система при використанні поверхневого джерела передбачає використання двох самостійних водопровідних мереж. Очищати воду джерела для поливання не потрібно. Доцільну схему такої системи водопостачання зображено на рис. 12. Джерело має бути досить забезпеченим водою і не допускати перерви під час Пожежних витрат. Якщо ці вимоги не виконуються, то потрібно передбачити в схемі ще пожежні резервуари. Воду на поливання й пожежогасіння подають окремою групою насосів у самостійну мережу. Господарсько-питну воду готують на станції очищення води і насосною станцією II підняття подають в окрему господарсько-питну мережу.
Якщо немає в достатній кількості підземних або поверхневих вод, то можна використовувати комбіновані, складніші схеми.

Рис.12. Дуплексна система при використанні поверхневого джерела: 1—поверхневе джерело; 2—водозабір;.З—насосна станція першого підняття; 4—господарські насоси неочищеної води; 5—протипожежні насоси; 6—насоси подавання води на очищення; 7—водоводи неочищеної води; 8—мережа неочищеної води; 9—водопровідна мережа очищеної води; 10—водонапірна башта; 11-водовід очищеної води; 12 - насосна станція другого підняття; 13— резервуар чистої води; 14 - станція очищення води
Забирання води з різних джерел і подаванням в одну мережу або в різні мережі з різними якісними показниками. При проектуванні таких систем водопостачання інколи не потрібні окремі споруди, наприклад, башти в безбаштових системах чи насосні станції у самопливних системах, інколи можна об'єднувати в одній споруді, наприклад, водозабір і насосну станцію першого підняття, водоочисну станцію і насосну станцію другого підняття.
Список використаної літератури
Абрамов Н.Н. Водоснабжение.—М. : Стройиздат, 1982.—440 с.
Абрамов С.К., Алексеев B.C. Забор вода из подземного источника.—М.: Колос, 1980.— 239 с.
Белан А.Б., Хоружий П.Д. Проектирование и расчет устройств водоснабжения.— К.: Будивельник, 1981.— 188 с.
Бочевер Ф.М. и др. Проектирование водозаборов подземньх вод.— М.: Стройиздат, 1976.— 291 с.
ВБН 46/33—2.5—5—96. Сільськогосподарське водопостачання. Зовнішні мережі і споруди. Норми проектування. — К., 1996. — 152 с.
Водне господарство в Україні/ За ред. А.В. Яцика, В.М. Хорєва.-К.Генеза, 2000.-456с.
ГОСТ 2761—84. Источники централизованного хозяйственно-питьевого водоснабжения.— М.: Стройиздат, 1985.— 12 с.
Душкин С.С, Дегтярева Л И. Водоподготовка и процессм микробиологии: Учебное пособие. -К.: Вища школа, 1996.-164с.
Залуцкий 3.В., Петрухно А. И. Насосньїе станции. Курсовос проектирование.—К. : Вища школа. Головное изд-во, 1987.- 167 с.
Кульский Л.А., Строкам П.П. Технология очистки природных вод. - К.: Вища школа, 1986. - 352с.
Образовский А.М., Бреснов Н.В. и др. Водозаборпмссооружения для водоснабжения из поверхностньгх источников-М Стройиздат, 1976.- 368с.
Оводов В.С. Сельскохозяйственное водоснабжение иобводнение.— М. : Колос, 1984.—479с.
Орлов В.О. Сільськогосподарське водопостачання. -К.: Вища школа., 1998.- 182с.
Орлов В.О., Зощук А.М., Мартинов СЮ. Пінополістирольні фільтри в технологічних схемах водопідготовки. - Рівне: РДТУ, 1999.- 144с.
Орлов В. О., Кравченко В. С. Сільськогосподарське водопостачання. Курсове і дипломне проектування.— К. : Вища шк., 1992.— 191 с.
Орлов В.О., Шевчук Б. И. Интенсификация работьі водоочистньгх сооружений. — К.: Будивельник, 1989.— 128 с.
Пособие по проектированию сооружений для забора подземных вод / ВНИИВодгео.— М. : Стройиздат, 1989.—270 с.
Проектирование сооружений для забора поверхностньгх вод. Справочное пособие к СНиП. - М.: Стройиздат, 1990- 256с.
Пособие по проектированию сооружений для очистки и подготовки воды (к СНиП 2.04.02-84"Водоснабжение. Наружные сети и сооружения) / НИИ КВОВ АКХ им. К.Д. Памфилова.- М: ЦИТПГосстрояСССР, 1989.- 128с.
Разумов Г.А. Проектирование и строительство горизонтальных водозаборов и дренажей.— М.: Стройиздат, 1988.— 240 с.
Рудник В.П., Петимко П.И. и др. Зксплуатация систем водоснабжения.— К.: Будивельник, 1983.— 184 с.
СанПиН 4630—88. Санитарньїе правила и норми охраньї поверхностньгх вод от загрязнения.- М.: Минздрав GPCP,1988.— 174 с.
СНиП 2.04.02-84. Водоснабжение. Наружньїе сети и сооружения. -М.: Стройиздат, 1985.- 136с.
Справочник монтажника: Монтаж систем внешнего водоснабжения и канализации / Под ред. А. К. Перешивкина.— М. : Стройиздат, 1978.—576с.
Справочник по водньш ресурсам/ Под ред. Б.И. Стрельца. - К: Урожай, 1987.- 304с.
Теоретические основи очистки водьі / Н.И.Куликов, А.Я. Найманов, Н.П. Омельченко, В.Н. Черньїшов, В.Н. Маслак, Н.И. Зотов. -Макеевка: ДГАСА, 1999.- 277с.
Тугай A.M. Расчет и конструирование водозаборньїх узлов. -К.: Будивельник, 1978.- 160с.
Тугай А.М. Водоснабжение. Водозаборньїе сооружения. -К.: Вища школа, 1984.-200с.
Тугай А.М., Орлов В.О., Шадура В.О. Буріння свердловин для водопостачання. -Рівне: РДТУ, 2000.-140с.
Тугай А.М., Прокопчук И. Т. Зксплуатация и ремонт систем сельскохозяйственного водоснабжения. — К. : Будивельник, 1988.— 176 с
Тугай A.M., Прокопчук И.Т. Водоснабжение из подземш.іх источников. Справочник- К.: Урожай, 1990.- 264с.
Тугай А.М., Терновцев В. Е. Водоснабжение: Курсовос проектирование. - К. : Вища школа. Головное изд-во, 1980.— 206 с.
Тугай А.М., Терновцев В.О., Тугай Я.А. Розрахунок і проектування систем водопостачання: Навчальний посібник. К.:КНУБА, 2001. -254с.
Тугай А.М., Тугай Я.А. Водопостачання. Джерела і водозабірніспоруди. - К.: УФІ М і Б, 1998.-192с.
Укрупненньїе нормьі водопотребления и водоотведения дляразличньїх отраслей промьшшенности. СЗВ/ВНИИВодгео. — М.:Стройиздат, 1978.— 528 с.
Усенко B.C. Искусственное восполнение запасов и инфильтрационньїе водозабори подземньїх вод.— Минск: Наука и техника, 1972.— 256 с.
Хоружий П.Д. Расчет гидравлического взаимодействия йодопроводньїх сооружений.- Львов: Вища школа, 1984. - 152с.
Хоружий П.Д., Орлов В.О та ін. Довідник по сільськогосподарському водопостачанню і каналізації. -К. - Урожай, 1992. - 294с.
Д.И. Хоружий П.Д., Ткачук А.А. и др. Зксплуатация систем водоснабжения и канализации Справочник.— К.: Будивельник, /Лн 1993.—232 с. 42.
Шевелев Ф.А.,Орлов Г.А. Водоснабжение больших городов "'зарубежньїх стран. - М.: Стройиздат, 1987. - 348с.
|