| Министерство образования и науки Украины
Донбасская государственная машиностроительная академия
Кафедра “Автоматизация производственных процессов”
Практическая работа №3
по ОКИУ
Система управления установкой приточной вентиляции помещения на базе контроллера МС8
Краматорск
Цель работы: изучить приборы комплекса КОНТАР: контроллеры МС8, МС5, модули релейные MR8.
Теоретические сведения

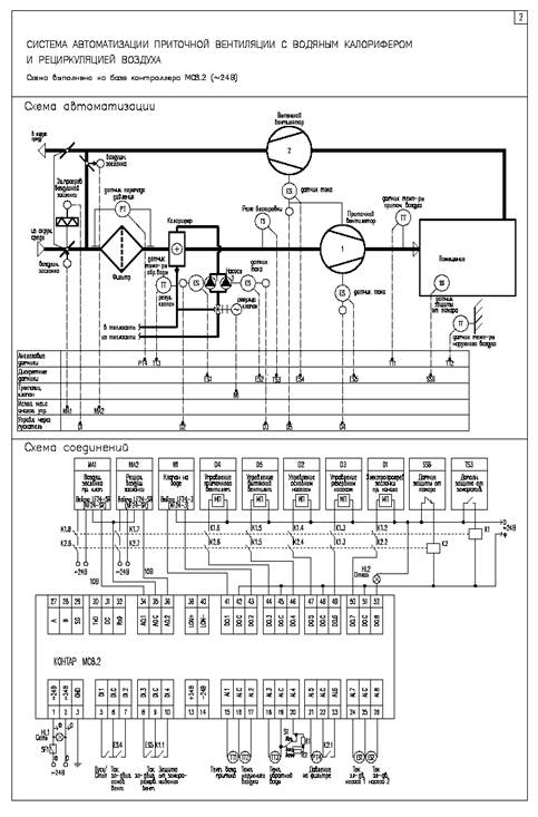
Система управления установкой приточной вентиляции на базе контроллера МС8.2
Контроллер обеспечивает два режима работы установки приточной вентиляции: рабочий и стояночный. В рабочем режиме обеспечивается приточная вентиляция с поддержанием комфортной температуры приточного воздуха, а в стояночном (дежурном) режиме вентилятор выключен, заслонка закрыта.
Контроллер предназначен для автоматизации установок с водяным калорифером – поэтому очень важной функцией является защита от его замораживания при низких температурах наружного воздуха.
Основные функциональные возможности контроллера
1 В рабочем режиме - ПИ-регулирование температуры приточного воздуха.
2 Управление включением / выключением вентиляторами в прямом и рециркуляционном каналах, открытием / закрытием воздушных заслонок подающего и рециркуляционного воздуха, включением насоса. При пуске оборудование включается последовательно с временными задержками. При неисправности основного насоса происходит автоматическое переключение на резервный насос.
3 Пуск / стоп - дистанционный (от внешнего переключателя). Возможность автоматического пуска утром и останова вечером с возможностью учета выходных и праздничных дней.
4 Защита от замораживания:
В дежурном (стояночном) режиме защита от замораживания обеспечивается ПИ-регулированием температуры обратной воды. Причем задание регулятору формируется по графику – чем ниже температура наружного воздуха, тем выше заданная температура воды. График может иметь до четырех линейных участков.
Для защиты при пуске сигнал на открытие воздушной заслонки прямого канала меняется плавно, а при закрытии быстро. Кроме того, зимой контроллер предварительно, до открытия заслонки и включения вентилятора, выдает сигналы для прогрева калорифера и электропрогрева заслонки. Определение времени года происходит либо автоматически по температуре наружного воздуха, либо вручную в зависимости от положения внешнего переключателя «ВРЕМЯ ГОДА»: «АВТОМАТИЧЕСКИ» \ «ЗИМА» \ «ЛЕТО».
Забиваем Сайты В ТОП КУВАЛДОЙ - Уникальные возможности от SeoHammer
Каждая ссылка анализируется по трем пакетам оценки: SEO, Трафик и SMM.
SeoHammer делает продвижение сайта прозрачным и простым занятием.
Ссылки, вечные ссылки, статьи, упоминания, пресс-релизы - используйте по максимуму потенциал SeoHammer для продвижения вашего сайта.
Что умеет делать SeoHammer
— Продвижение в один клик, интеллектуальный подбор запросов, покупка самых лучших ссылок с высокой степенью качества у лучших бирж ссылок.
— Регулярная проверка качества ссылок по более чем 100 показателям и ежедневный пересчет показателей качества проекта.
— Все известные форматы ссылок: арендные ссылки, вечные ссылки, публикации (упоминания, мнения, отзывы, статьи, пресс-релизы).
— SeoHammer покажет, где рост или падение, а также запросы, на которые нужно обратить внимание.
SeoHammer еще предоставляет технологию Буст, она ускоряет продвижение в десятки раз,
а первые результаты появляются уже в течение первых 7 дней.
Зарегистрироваться и Начать продвижение
В комплекте с контроллером поставляется воздушная заслонка, снабжённая сервоприводом с возвратной пружиной. При пропадании питания сервопривод автоматически закрывает заслонку, тем самым снижая риск замерзания водяного обогревателя.
В рабочем режиме зимой при понижении температур воздуха притока или обратной воды калорифера контроллер открывает клапан на воде. Если в дальнейшем температура повышается, то регулирование температуры приточного воздуха продолжается. Для защиты от замораживания в контроллере также сравнивается температура обратной воды с расчетной по графику (для текущего значения температуры наружного воздуха).
Если температура продолжает падать еще ниже, то контроллер переводит установку в стояночный режим. Это состояние продлится до тех пор, пока обслуживающий персонал не проверит оборудование, устранит причину и не подтвердит свое вмешательство переводом внешнего переключателя в состояние СТОП, а затем в состояние ПУСК. Для защиты от замораживания зимой автоматически включается насос.
Дополнительная защита происходит через релейные схемы независимо от контроллера при замыкании дискретного датчика, установленного в холодной части калорифера и размыкании датчика пожарной безопасности.
5 Сигнализацию через дискретный выход контроллера: о возможности замораживания, неисправности датчиков, вентиляторов и насосов, загрязнения воздушного фильтра, и других отказах. Особый алгоритм регулирования при отказах. Архивирование отказов в памяти контроллера.
6 Индикацию температур, давления на воздушном фильтре, состояния дискретных датчиков и т.д., а также настройку параметров контроллера при помощи встроенного в контроллер пульта оператора. Возможность вывода информации на экран монитора компьютера, Notebook, PDА или другого средства вычислительной техники через RS232C. Возможность связи через интерфейс RS485 с другими контроллерами комплекса КОНТАР, объединенными в единую сеть (в качестве Master или Slave). Возможность наглядного отображения информации о состоянии системы управления через Internet \ Ethernet на компьютер или мобильный телефон – в том числе мгновенная передача информации об отказах: возможности замораживании, обрывах датчиков, пожаре, проблемах напряжения питания контроллера.
Сервис онлайн-записи на собственном Telegram-боте
Попробуйте сервис онлайн-записи VisitTime на основе вашего собственного Telegram-бота:
— Разгрузит мастера, специалиста или компанию;
— Позволит гибко управлять расписанием и загрузкой;
— Разошлет оповещения о новых услугах или акциях;
— Позволит принять оплату на карту/кошелек/счет;
— Позволит записываться на групповые и персональные посещения;
— Поможет получить от клиента отзывы о визите к вам;
— Включает в себя сервис чаевых.
Для новых пользователей первый месяц бесплатно.
Зарегистрироваться в сервисе
Таблица - Пример спецификации для автоматизации установки приточной вентиляции для схемы на базе МС8.2



|