| Задание
На курсовой проект по теории механизмов и машин
студента Аносов В. М. группы ТВ
–
317
1.
Тема курсового проекта – «Синтез и анализ машинного агрегата (насос двойного действия)».
2.
Исходные данные к проекту:
рычажный механизм – задание 2, вариант 1, положение механизма 2;
кулачковый механизм – вариант 14;
зубчатый механизм – вариант 8.
3.
Содержание пояснительной записки (перечень вопросов, подлежащих разработке):
синтез и анализ рычажного механизма;
синтез кулачкового механизма;
синтез и анализ зубчатых механизмов.
4.
Перечень графического материала:
рычажный механизм (лист 1);
кулачковый механизм (лист 2);
зубчатый механизм (лист 3).
5.
Руководитель проекта (подпись)_______________
6.
Дата выдачи задания на проект «__»_____________2006г.
7.
Подпись студента ____________________
Введение..................................................................................................... 4
1.Анализ рычажного механизма................................................... 7
1.1 Исходные данные...................................................................................... 7
1.2 Построение планов положений................................................................ 7
1.3 Структурный анализ................................................................................. 8
1.4 Расчёт механизма на ЭВМ........................................................................ 9
1.5 Кинематический анализ методом планов............................................... 10
1.5.1 Построение плана скоростей............................................................. 10
1.5.2 Построение плана ускорений............................................................ 13
1.6 Силовой расчёт....................................................................................... 16
1.6.1 Определение инерционных факторов............................................... 16
1.6.2 Силовой расчёт группы Ассура II2
(4,5)........................................... 17
1.6.3 Силовой расчёт группы Ассура II1
(2,3)........................................... 18
1.6.4 Силовой расчёт механизма I класса................................................. 20
Забиваем Сайты В ТОП КУВАЛДОЙ - Уникальные возможности от SeoHammer
Каждая ссылка анализируется по трем пакетам оценки: SEO, Трафик и SMM.
SeoHammer делает продвижение сайта прозрачным и простым занятием.
Ссылки, вечные ссылки, статьи, упоминания, пресс-релизы - используйте по максимуму потенциал SeoHammer для продвижения вашего сайта.
Что умеет делать SeoHammer
— Продвижение в один клик, интеллектуальный подбор запросов, покупка самых лучших ссылок с высокой степенью качества у лучших бирж ссылок.
— Регулярная проверка качества ссылок по более чем 100 показателям и ежедневный пересчет показателей качества проекта.
— Все известные форматы ссылок: арендные ссылки, вечные ссылки, публикации (упоминания, мнения, отзывы, статьи, пресс-релизы).
— SeoHammer покажет, где рост или падение, а также запросы, на которые нужно обратить внимание.
SeoHammer еще предоставляет технологию Буст, она ускоряет продвижение в десятки раз,
а первые результаты появляются уже в течение первых 7 дней.
Зарегистрироваться и Начать продвижение
1.7 Сравнение результатов графоаналитического...................................... 20
и «машинного» расчётов.............................................................................. 20
2. Синтез и анализ кулачкового механизма........................ 23
2.1 Построение диаграмм движения толкателя........................................... 23
2.2 Определение основных размеров механизма........................................ 24
2.3 Построение профиля кулачка................................................................. 25
3. СИНТЕЗ И АНАЛИЗ ЗУБЧАТЫХ МЕХАНИЗМОВ.............................. 27
3.1 Расчет геометрических параметров механизма..................................... 27
3.2 Построение окружностей и линий зацепления...................................... 28
4.3 Построение профилей зубьев................................................................. 29
4.4 Построение зацепления........................................................................... 30
Теория механизмов машин является основой проектирования работоспособных технических объектов. Основные задачи ТММ
– анализ механизмов с заданными параметрами и проектирование механизмов, удовлетворяющих заданным требованиям. Результаты решения задач ТММ
являются исходными данными для более детального проектирования объектов методами деталей машин, сопротивления материалов и специальных дисциплин.
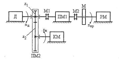
Объектом данного курсового проекта является машинный агрегат, структурная схема которого приведена на рис. 1

 Рис. 1.1 Структурная схема машинного агрегата
Вращение от двигателя Д
через муфту М1
передается на ведущий вал передаточного механизма ПМ1
(планетарной передачи), который меняет частоту вращения Д
n
Д
до заданной частоты вращения кривошипа n
кр
рабочей машины РМ
. Ведомый вал ПМ1
соединяется с валом кривошипа РМ
муфтой М2
. Вращение от Д
на вал кулачка кулачкового механизма КМ
передается передаточным механизмом ПМ2
, состоящим из зубчатых колес z
1
и z
2
и преобразующим n
д
в заданную частоту вращения кулачка n
к
. РМ
выполнена на базе плоского рычажного механизма; плоский КМ
состоит из вращающегося кулачка и толкателя.
РМ
выполняет заданную технологическую операцию, КМ
выполняет вспомогательные функции. Маховик М
устанавливается на валу кривошипа РМ
и служит для снижения коэффициента неравномерности вращения δ
при установившемся движении до заданной величины.
Сервис онлайн-записи на собственном Telegram-боте
Попробуйте сервис онлайн-записи VisitTime на основе вашего собственного Telegram-бота:
— Разгрузит мастера, специалиста или компанию;
— Позволит гибко управлять расписанием и загрузкой;
— Разошлет оповещения о новых услугах или акциях;
— Позволит принять оплату на карту/кошелек/счет;
— Позволит записываться на групповые и персональные посещения;
— Поможет получить от клиента отзывы о визите к вам;
— Включает в себя сервис чаевых.
Для новых пользователей первый месяц бесплатно.
Зарегистрироваться в сервисе
Задача курсового проекта состоит в определении параметров, кинематических и силовых характеристик механизмов машинного агрегата, а также в определении его некоторых силовых характеристик.
«Насос двойного действия»
Проектируемый машинный агрегат работает следующим образом:

Рис. 1.2 Структурная схема насоса двойного действия
Насос предназначен для перекачивания жидкости под воздействием прямого и обратного ходов поршня 5
, который приводится в движение шестизвенным кривошипно-коромысловым механизмом, состоящим из кривошипа 1
, шатунов 2
и 4
и коромысла 3
. Привод кривошипа 1
включает в себя электродвигатель и планетарный редуктор. Система смазки насоса снабжена плунжерным насосом, на основе кулачкового механизма, имеющего привод от электродвигателя через пару зубчатых колес (см. рис. 1.1).
При движении поршня справа налево (см. рис. 1.2) в левой части полости цилиндра происходит увеличение давления и при Qmax
жидкость через нижний клапан нагнетается в сеть. В правой части полости одновременно идет процесс всасывания через верхний клапан при давлении 0,1
Qmax
ниже атмосферного. При обратном движении поршня в левой части полости цилиндра открывается верхний клапан и происходит всасывание 0,1
Qmax
ниже атмосферного, а в правой – открывается нижний клапан и происходит нагнетание в сеть. Сила сопротивления, действующая на поршень насоса, будет равна сумме сил (0,1
Qmax
+
Qmax
), действующих в обеих частях полости цилиндра и всегда направлена против скорости движения поршня.
Структурная схема механизма приведена на рис.2, где механизм изображён в заданном положении. Геометрические размеры и другие заданные постоянные параметры приведены в табл.1.1. Согласно рекомендациям в заданиях вес звена 5
принять G
5
H
.
Рис.2. Структурная схема рычажного механизма
Таблица 1.1
Заданные параметры механизма
| LO1A
,
м
|
LAB
,
м
|
LO3B
,
м
|
LCD
,
м
|
LO3C
,
м
|
XO3
,
м
|
YO3
,
м
|
YO5
,
м
|
n1
,
об./мин
|
Qmax
,
H
|
δ
|
| 0,10
|
0,73
|
0,40
|
0,25
|
0,50
|
0,63
|
0
|
0,50
|
280
|
2400
|
0,15
|
Для построения планов положений механизма принимается масштаб:

Заданные размеры механизма Li
в принятом масштабе К
S
изображаются чертёжными размерами 1
i
определяемыми по выражению:
(1.1)
Чертёжные размеры механизма, определены по (1.1), приведены в табл.1.2.
Таблица 1.2
Чертёжные размеры звеньев механизма
| О1
А
|
АВ
|
О3
В
|
О3
С
|
CD
|
X03
|
Y03
|
Y05
|
| 20
|
146
|
80
|
100
|
50
|
126
|
0
|
100
|
Используя найденные чертёжные размеры, на листе 1 проекта построены крайние и заданное положение механизма.
Структурная схема механизма приведена на рис.2, где подвижные звенья обозначены арабскими цифрами (1
– кривошип, 2
и 4
– шатуны, 3
– коромысло, 5
– ползун). Кинематические пары V
класса также обозначены арабскими цифрами, обведенными кружками.
Поскольку механизм плоский, то его степень подвижности определяется по формуле П. Л. Чебышева:
W = 3n – 2PV
– PIV
, (1.2.)
где: n
= 5
– число подвижных звеньев, PV
= 7
– количество кинематических пар V
класса, PIV
= 0
– количество кинематических пар IV
класса.
Таким образом, степень подвижности рассматриваемого механизма:
W = 3 · 5 – 2 · 7 – 0 = 1.
Механизму необходимо одно начальное звено для полной определённости его движения. В качестве начального принято звено 1
, закон его движения – вращение с частотой n
1
=
const
.
Структурно в состав механизма входят:
Рис.3. Структурные элементы механизма
а) группа Ассура 2 – го класса, 2 – го вида (рис.3,а);
б) группа Ассура 2 – го класса, 1 – го вида (рис.3,б);
в)
механизм 1 – го класса (рис.3,в).
Таким образом, формула строения механизма имеет вид:
I
(1)→
II
1
(2,3)→
II
2
(4,5).
Поскольку наивысший класс груп Ассура, входящих в состав механизма – второй, то и механизм в целом относится ко второму классу.
Для расчёта механизма на ЭВМ подготовлена таблица исходных данных (табл.1.3.).
По результатам расчётов на ЭВМ получена распечатка (см. следующую
страницу), расшифровка обозначений которой и сравнение с результатами «ручного счёта» приведено ниже (п.1.8.). Строка «Положение центров масс» таблицы «Параметры звеньев» распечатки необходимы для дальнейших расчётов и построений: – расшифровывается следующим образом (точки Si
– центры масс звеньев):
LS1 = LO1S1
= 0; LS2 = LAS2
= 0,243 м; LS3 = LO3S3
= 0 м; LS4 = LCS4
= 0,083 м.
Чертёжные размеры, определяющие положения ценры масс:
AS
2
= 48,6 мм;
CS
4
= 16,6 мм.
Таблица 1.3
Исходные данные для расчёта механизма на ЭВМ
| Обозначения в программе
|
Обозначения в механизме
|
Численные значения (ввод)
|
| NG1
|
II1
(2,3)
|
1
|
| NG2
|
II2
(4,5)
|
2
|
| PS1
|
Параметр сборки II1
(2,3)
|
1
|
| PS2
|
Параметр сборки II2
(4,5)
|
– 1
|
| L1
|
LO1A
|
0,10
|
| L2
|
LAB
|
0,73
|
| L3
|
LO3B
|
0,40
|
| L4
|
LCD
|
0,25
|
| L03
|
LO3C
|
0,50
|
| X03
|
X
|
0,63
|
| Y03
|
– Y1
|
0
|
| X05
|
0
|
0
|
| Y05
|
– Y2
|
– 0,50
|
| D1N
|
217
|
| D03
|
ÐBO3
C
|
180
|
| D5
|
0
|
0
|
| N1
|
– n1
|
– 380
|
| G5
|
60
|
| Q1…Q12
|
1,1Qmax
|
2640
|
Поскольку одним из свойств групп Ассура является их кинематическая определимость, то кинематический анализ проводится последовательно по группам Ассура, причём порядок их рассмотрения совпадает с направлением стрелок в формуле строения (1.3.).
Механизм
I
класса (звено 1): –
Угловая скорость кривошипа:
.
Вектор скорости точки А
перпендикулярен звену 1
и направлен в соответствии с направлением ω
1
. Модуль скорости
VA
=
ω
1
·
LO
1
A
=
39,8 ∙
0,1 =
3,98 м/c.
На плане скоростей этот вектор изображается отрезком ра
= 99,5 мм.
Тогда масштаб плана скоростей
Группа Ассура
II
1
(2,3).
Внешними точками группы являются точки А
и О3
, внутренней – точка В
. Составляется система векторных уравнений, связывающих скорость внутренней точки со скоростями внешних точек:
По этой системе строится план скоростей и определяются модули скоростей:
VB
= (pb) · kV
= 45 · 0,04 = 1,80 м/c;
VBA
= (ab) ∙ kV
= 102 ∙ 0,04 = 4,08 м/c.
Скорости точек S
2
и С
находятся с помощью теоремы подобия. Составляется пропорция, связывающая чертёжные размеры звена 2 (АВ, АS2
) с отрезками плана скоростей:

откуда определяется длина неизвестного отрезка.
Этот отрезок откладывается на отрезке ab
плана скоростей. Точка S
2
является концом вектора , начало всех векторов в полюсе р
. Поэтому отрезок ps
2
= 70,5 мм (определено замером) изображает вектор .
Модуль вектора
VS
2
= (
ps
2
) ∙
kV
= 70,5 ∙ 0,04 = 2,82 м/c.
Скорость точки С
определяется аналогично по принадлежности звену 3
.
Определяются величины угловых скоростей звеньев 2
и 3
:
Для определения направления ω2
отрезок ab
плана скоростей устанавливается в точку В
, а точка А
закрепляется неподвижно; тогда становится очевидным, что ω2
направлена по часовой стрелке. Для определения направления ω3
отрезок pb
плана скоростей устанавливается в точку В
, а точка О3
закрепляется неподвижно; тогда становится очевидным, что ω3
также направлена по часовой стрелке.
Группа Ассура
II
2
(4,5).
Внешними точками группы являются точки С
и D
0
(точка D
0
принадлежит стойке), внутренней – точка D
, принадлежащая звеньям 4
и 5
(в дальнейшем обозначается без индексов).

Рис.4. Определение направлений угловых скоростей
По принадлежности точки D
звену 5
вектор её скорости известен по направлению: Поэтому для построения плана скоростей для данной группы Ассура достаточно одного векторного уравнения:
В результате построения плана скоростей определяются:
VD
= (pd) ∙ kV
= 55 ∙ 0,04 = 2,20 м/c;
VDC
= (cd) kV
= 16,5 ∙ 0,04 = 0,66 м/c.
Скорость точки S
4
определяется по принадлежности звену 4
аналогично определению скорости точки S
2
по теореме подобия…
Звено 5
совершает поступательное движение, поэтому скорости всех точек звена одинаковы и равны скорости точки D
.
Величина угловой скорости звена 4
определяется аналогично предыдущему:

Для определения направления ω4
отрезок cd
плана скоростей устанавливается в точку D
, а точка С
закрепляется неподвижно; тогда становится очевидным, что ω4
направлена по часовой стрелке.
Механизм
I
класса (звено 1).
Точка А
кривошипа 1
совершает вращательное движение вокруг О1
, поэтому её ускорение есть сумма нормального и тангенциального ускорения:

Поскольку принято n
1
=
const
(следовательно ε1
= 0
), то

Модуль ускорения

На плане скоростей этот вектор изображается отрезком πа
= 158 мм,
направленным от А
к О1
. Тогда масштаб плана ускорений

Группа Ассура
II
1
(2,3).
Внешними точками группы являются точки А
и О3
, внутренней – точка В
. Составляется система векторных уравнений, связывающих ускорение внутренней точки с ускорениями внешних точек:

В этой системе модули нормальных ускорений

На плане ускорений векторы и изображаются отрезками
an`= 
В результате построения плана ускорений определяются модули ускорений:
AB
= (πb) ∙ ka
= 127 ∙ 1 = 127 м/c ;
∙ka
= 26 ∙ 1 = 26 м/c ;
= (n``b) ∙ ka
= 126,5 ∙ 1 = 126,5 м/c .
Ускорение точек S
2
и С
находятся с помощью теоремы подобия.
Составляется пропорция, связывающая чертёжные размеры звена 2
(АВ
, АС2
) с отрезками плана ускорений:

откуда определяется длинна неизвестного отрезка.
Этот отрезок откладывается на отрезке ab
плана ускорений. Соединением полюса π
с точкой s
2
получается отрезок π
s
2
=
147,5 мм (определено замером).
Модуль ускорения точки s
2
aS
2
= (πs2
) ∙ ka
= 147,5 ∙ 1 = 147,5 мм/c .
Ускорение точки С
определяются аналогично по принадлежности звену 3.
Определяются величины угловых ускорений звеньев 2
и 3
:
.
Для определения направления ε2
отрезок n
`
b
плана ускорений устанавливается в точку В
, а точка А
закрепляется неподвижно; тогда становится очевидным, что ε2
направлена против часовой стрелки. Для определения направления ε3
отрезок n
``
b
плана ускорений устанавливается в точку В
, а точка О3
закрепляется неподвижно; тогда становится очевидным, что ε3
направлена по часовой стрелке.

Рис. 5. Определение направлений угловых ускорений
Группа Ассура
II
2
(4,5).
Внешними точками группы являются точки С
и D
0
(точка D
0
принадлежит стойке), внутренней – точка D
, принадлежащая звеньям 4
и 5
(в дальнейшем обозначается без индексов).
По принадлежности точки D
звену 5
вектор её ускорения известен по направлению:
D
//
x
-
x
.
Поэтому для построения плана ускорений для данной группы Ассура достаточно одного векторного уравнения:
.
В этом уравнении модуль нормального ускорения

На плане ускорений вектор изображается отрезком

В результате построения плана ускорений определяются модули ускорений:
aD
= (πd) · ka
= 156 · 1 = 156 м/c
= (n```d) · ka
= 36 · 1 = 36 м/c .
Ускорение точки S
4
определяется по принадлежности звену 4
аналогично определению ускорению точки S
2
по теореме подобия…
Величина углового ускорения звена 4
определяется аналогично предыдущему:
.
Для определения направления ε4
отрезок n
```
d
плана ускорений устанавливается в точку D
, а точка С
закрепляется неподвижно; тогда становится очевидным, что ε4
направлена по часовой стрелке.
Инерционные силовые факторы – силы инерции звеньев Ри
i
и моменты сил инерции Ми
i
определяются по выражениям:

Расчёт инерционных силовых факторов сведён в таблице 1.4.
Таблица 1.4
Определение инерционных силовых факторов механизма
| Звено(i)
|
1
|
2
|
3
|
4
|
5
|
| Gi
, H
|
100
|
146
|
180
|
50
|
60
|
| Isi
, кгм
|
0,051
|
1,388
|
2,601
|
0,056
|
0
|
| asi
, м/c
|
0
|
147,5
|
0
|
157
|
156
|
| εi
, 1/c
|
0
|
35,62
|
316,25
|
144
|
0
|
| Pи
i
, Hм
|
0
|
2195,2
|
0
|
800,2
|
954,1
|
| Ми
i
, Нм
|
0
|
49,44
|
822,57
|
8,06
|
0
|
Силовой расчёт проводится в последовательности, противоположной направлению стрелок в формуле строения (1.3).
На листе 1
проекта построена схема нагружения группы в масштабе
К
S
= 0,0025 . Силовой расчёт состоит из четырёх этапов.
1.
Составляется сумма моментов сил, действующих на звено 4
, относительно шарнира D
:
,
где hG
4
= 66,5 мм, h
И4
= 4,5 мм – чертёжные плечи сил G
4
и РИ4
, определяемые замером на схеме нагружения группы. Из уравнения имеем:

Так как > 0, то её действительное направление соответствует предварительно выбранному.
2.
Составляется векторная сумма сил, действующих на группу:

Для построения плана сил по этому уравнению принимается масштаб
kp
= 10 Н/мм. Определяются длины отрезков (табл. 1.5.)
Таблица 1.5
Длины отрезков, изображающих известные силы
| Сила
|
Q
|
G5
|
PИ5
|
G4
|
PИ4
|

|
| Модуль, Н
|
2640
|
60
|
954,1
|
50
|
800,2
|
35
|
| Отрезок
|
fg
|
ef
|
de
|
cd
|
bc
|
ab
|
| Длинна, мм
|
264
|
6
|
95,4
|
5
|
5
|
3,5
|
В ре5зультате построения плана сил находятся длины отрезков (замером) gh
= 39,5 мм, hb
= 440,5 мм и определяются модули реакции
RO5
= (gh) · KP
= 39,5 · 10 = 395H
; R34
= (hb) · KP
= 440,5 · 10 = 4405H
.
3.
Составляется векторная сумма сил, действующих на звено5
:

По этому уравнению достраивается план сил группы и определяется отрезок hd
= 361 мм, тогда модуль неизвестной реакции
R45
= (hd) · KP
= 361 · 10 = 3610H
.
4.
Для определения точки приложения реакции R
05
в общем случае следует составить сумму моментов сил, действующих на звено 5
, относительно шарнира D
. Однако в рассматриваемом механизме в этом нет необходимости: силы, действующие на звено 5
, образуют сходящуюся систему, поэтому линия действия реакции R
05
проходит через шарнир D
.
На листе 1
проекта построенна схема нагружения группы в масштабе
К
S
= 0,005 м/мм. Силовой расчёт состоит из четырёх этапов:
1.
Составляется сумма моментов сил, действующих на звено 2
, относительно шарнира В
:

где hG
2
= 82мм, h
И2
= 39,5мм – чертёжные плечи сил G
2
и Р2
, определяемые замером на схеме нагружения группы. Из уравнения имеем:
Т.к.
> 0, то её действительное направление соответствует предварительно выбранному.
2.
Состовляется сумма моментов сил, действующих на звено 3
, относительно шарнира В
:

где hG
3
= 23мм, h
43
= 176,5мм – чертёжные плечи сил G
3
и R
43
, определяемые замером на схеме нагружения группы. Из уравнения имеем:
Т.к. > 0, то её действительное направление соответствует предварительно выбранному.
3. Состовляется векторная сумма сил, действующих на группу:

Для построения плана сил по этому уравнению принимается масштаб –
kP
= 50 H/мм. Определяются длины отрезков (табл.1.6).
Таблица1.6
Длины отрезков, изображающих известные силы
| Сила
|

|
G2
|
PИ2
|
R43
|
G3
|

|
| Модуль,Н
|
579,6
|
146
|
2195,2
|
4405
|
180
|
11723,2
|
| Отрезок
|
kl
|
lm
|
mn
|
no
|
oq
|
qr
|
| Длина,мм
|
11,6
|
2,9
|
43,9
|
88,1
|
3,6
|
234,5
|
В результате построения плана сил находятся длины отрезков (замером) sl
= 198,5мм, qs
= 236мм и определяются модули реакций

4.
Составляется векторная сумма сил, действующих на звено 3
:

По этому уравнению достраивается план сил группы и определяется
отрезок sn
= 156,5мм, тогда модуль неизвестной реакции
R23
=(sn) KP
= 156,5 50 = 782H
.
На листе 1
проекта построенна схема нагружения группы в масштабе
KS
= 0,001 . Силовой расчёт состоит из из двух этапов.
1. Составляется сумма моментов сил, действующих на звено, относительно шарнира О1
:
Из уравнения имеем:

1.
Составляется векторная сумма сил, действующих на звено 1
:

По этому уравнению на листе 1
проекта строится сил в масштабе
kP
= 50 H
/мм. и определяется отрезок ν
t
= 199,5 мм. тогда модуль неизвестной реакции:
R01
= (vt) · KP
= 199,5 · 50 = 9975H
.
На этом силовой расчёт механизма завершён.
В распечатке результатов расчёта на ЭВМ
(в дальнейшем называемого «машинный») приняты обозначения, которым соответствуют параметры механизма, приведённые таблице 1.7
.
Таблица 1.7.
Соответствие обозначений распечатки и обозначений механизма
| V1
|
V2
|
V3
|
V5
|
VS2
|
VS3
|
VS4
|
BI
|
O2
|
O3
|
O4
|
| VA
,
м/c
|
VB
,
м/c
|
VC
,
м/c
|
VD
,
м/c
|
VC2
,
м/c
|
VC3
,
м/c
|
VC4
,
м/c
|
Βi
, °
|
ω2
,
1/c
|
ω3
,
1/c
|
ω4
,
1/c
|
| A1
|
A2
|
A3
|
A5
|
AS2
|
AS3
|
AS4
|
G1
|
E2
|
E3
|
E4
|
| aA
,
м/c²
|
aB
,
м/c²
|
aC
,
м/c²
|
aD
,
м/c²
|
aS2
,
м/c²
|
aS3
,
м/c²
|
aS4
,
м/c²
|
γ
i
, °
|
ε2
,
1/c²
|
ε3
,
1/c²
|
ε4
,
1/c²
|
| R01
|
R12
|
R23
|
R03
|
R34
|
R45
|
R05
|
FIJ
|
MУР
|
| R01
, H
|
R12
, H
|
R23
, H
|
R03
,
|
R34
, H
|
R45
, H
|
R05
, H
|
Φij
, °
|
МУР
,НМ
|
В таблице 1.7:
β
i
– угол между вектором скорости и осью х
;
γ
i
– угол между вектором ускорения и осью х
;
φ
ij
– угол между вектором реакции и осью х
.
Сравнение результатов графоаналитического и «машинного» расчётов
приведено в таблице 1.8, где приняты следующие обозначения:
П
– обозначение параметра;
Пга
– величина параметра по результатам графоаналитического расчета;
Пм
– величина параметра по результатам «машинного» расчёта;
Δ
– относительные расхождения результатов, определяемое по выражению

Таблица 1.8.
Сравнение результатов графоаналитического и «машинного» расчётов
| ЗАДАЧА СКОРОСТЕЙ
|
| П, м/с
|
VA
|
VB
|
VC
|
VD
|
VS2
|
VS3
|
VS4
|
| Пга
|
3,98
|
1,80
|
2,25
|
2,20
|
2,82
|
0
|
2,22
|
| Пм
|
3,98
|
1,80
|
2,25
|
2,21
|
2,82
|
0
|
2,22
|
| Δ, %
|
0,00
|
0,00
|
0,00
|
0,45
|
0,00
|
0,00
|
0,00
|
| П, °
|
βA
|
βB
|
βC
|
βD
|
βS2
|
βS3
|
βS4
|
| Пга
|
97
|
17
|
– 163
|
180
|
85
|
0
|
– 165,5
|
| Пм
|
97
|
17
|
– 163
|
180
|
85
|
0
|
– 165,5
|
| Δ, %
|
0,00
|
0,00
|
0,00
|
0,00
|
0,00
|
0,00
|
0,00
|
| П, 1/с
|
ω2
|
ω3
|
ω4
|
| Пга
|
– 5,59
|
– 4,50
|
– 2,64
|
| Пм
|
– 5,59
|
– 4,51
|
– 2,61
|
| Δ, %
|
0,00
|
0,22
|
1,15
|
| ЗАДАЧА УСКОРЕНИЙ
|
| П, м/с²
|
aA
|
aB
|
aC
|
aD
|
aS2
|
aS3
|
aS4
|
| Пга
|
158
|
127
|
158,75
|
156
|
147,5
|
0
|
157
|
| Пм
|
158,35
|
127,16
|
158,95
|
156,18
|
147,78
|
0
|
157,12
|
| Δ, %
|
0,22
|
0,13
|
0,13
|
0,12
|
0,19
|
0,00
|
0,08
|
| П, °
|
γA
|
γB
|
γC
|
γD
|
γS2
|
γS3
|
γS4
|
| Пга
|
7
|
13
|
– 167
|
180
|
9
|
0
|
– 171
|
| Пм
|
7
|
13
|
– 167
|
180
|
9
|
0
|
– 171
|
| Δ, %
|
0
|
0
|
0
|
0
|
3,21
|
0
|
0
|
| П, 1/с²
|
ε2
|
ε3
|
ε4
|
| Пга
|
35,62
|
– 316,25
|
– 144
|
| Пм
|
35,88
|
– 317,26
|
– 143,92
|
| Δ, %
|
0,72
|
0,32
|
0,06
|
| СИЛОВОЙ РАСЧЁТ
|
| П, Н
|
R01
|
R12
|
R23
|
R03
|
R34
|
R45
|
R05
|
MУР
, Нм
|
| Пга
|
9975
|
9925
|
7825
|
11800
|
4405
|
3610
|
395
|
–377,15
|
| Пм
|
9961,1
|
9911,6
|
7809,3
|
11789
|
4405,7
|
3611
|
396,62
|
–378,44
|
| Δ, %
|
0,14
|
0,14
|
0,20
|
0,09
|
0,02
|
0,03
|
0,41
|
0,34
|
| П, °
|
φ01
|
φ12
|
φ23
|
φ03
|
φ34
|
φ45
|
φ05
|
| Пга
|
30
|
29,5
|
34
|
– 157
|
– 174,5
|
– 174,5
|
90
|
| Пм
|
30
|
29,5
|
34
|
– 157
|
– 174,5
|
– 174,5
|
90
|
| Δ, %
|
0,00
|
0,00
|
0,00
|
0,00
|
0,00
|
0,00
|
0,00
|
| ПРИВЕДЁННЫЕ ФАКТОРЫ
|
| Положение 2
|
Расчёт
|
ЭВМ
|
Погрешность Δ, %
|
| 
|
– 156,6
|
– 156,6
|
0,00
|
| IПР
|
0,22
|
0,22
|
0,00
|
1.
Строится заданная диаграмма ускорений толкателя. Максимальная ордината ускорений на участке удаления Ya
.
y
.
max
= 50 мм, выбирается произвольно, максимальная ордината ускорений на участке возвращения Ya
.в.
max
определяется по формуле:

2.
Графическим интегрированием диаграммы ускорений строится диаграмма скоростей толкателя. Угол φР
разбивается на участки по 10°
.
3.
Графическим интегрированием диаграммы скоростей строится диаграмма перемещений толкателя.
4.
Масштаб углов поворота кулачка:

Где φР = 190, В = 190 мм.
5.
Определяются масштабы:
Масштаб времени:

Масштаб углов поворота толкателя в градусах:
.
Масштаб углов поворота толкателя в радианах:
π 0.6 3.14159 рад
Кγ
рад
= Кγ
град
——— = ————— = 0.0105 ——
180 180 мм
Масштаб угловых скоростей толкателя:
Кγ
рад
0.0105 рад
Кω
= ——— = ————— = 2.5 ——
Кτ
· HV
0.00014·30 мм
Масштаб угловых ускорений толкателя:
Кω
2.5 рад/с2
Кε
= ——— = ————— = 892.86 ——
Кτ
· Ha
0.00014·20 мм
Определим масштабы перемещений скоростей и тангенциальных ускорений центра ролика:
KS
= Кγ
рад
·LBC
= 0.0105·0.13 = 0.001 рад.
KS
= Кω
·LBC
= 2.5·0.13 = 0.325 рад/с
KS
= Кε
·LBC
= 892.86·0.13 =1160718 рад/с2
1. Определим величину угловой скорости кулачка ωk
:
π nk
3.14 · 1200
ωk
= ——— = ———— =125,7 рад/с
30 30
2. В масштабе Ks’
строим толкатель в положении ближнего стояния.
LBC
0.13
CBo
= —— = —— = 130 мм
Ks’
0.001
3. Строим дугу От
с радиусом BC и центром в точке С
4. На дуге От
откладываем хорды:
КS
Bo
Bi
= ysi
——— . мм
КS
’
где КS
’=0.001, КS
=0.001
Используя эту формулу получим:
Bo
B1
=4мм Bo
B2
=13 мм Bo
B3
=24 мм Bo
B4
=36 мм Bo
B5
=46 мм
Bo
B6
= Bo
B7
= Bo
B8
= Bo
B 9
= 50 мм Bo
B10
=48 мм Bo
B11
=45 мм
Bo
B12
=39 мм Bo
B13
=33 мм Bo
B14
=26 мм Bo
B15
=19 мм
Bo
B16
=13 мм Bo
B17
=8 мм Bo
B18
=3 мм Bo
B19
=0мм
5.Определим длины отрезков Bi
Di
для каждого положения механизма по формуле:
1 Yvi
·Kv
Bo
Di
= — · ——— (мм)
Ks
ωk
Используя эту формулу получим следующие результаты:
B1
D1
=54мм B2
D2
=86мм B3
D3
=98мм B4
D4
=86мм B5
D5
=54мм
B6
D6
= B7
D7
= B8
D8
= B9
D9
= 0мм B10
D10
=18мм B11
D11
=32мм
B12
D12
=46мм B13
D13
=50мм B14
D14
=53мм B15
D15
=50мм
B16
D16
=46мм B17
D17
=32мм B18
D18
=18мм B19
D19
=0мм
5. Измерением получим длины отрезков Or
Bo
и Or
C:
Or
Bo
=108мм Or
C=201мм
Отсюда:
r0
= (Or
Bo
) · Ks
’
=108мм ·0.001м/мм = 108мм – Минимальный радиус кулачка.
Lос
= (Or
C) · Ks
’
=201мм ·0.001м/мм = 201мм- Межцентровое расстояние.
1. Из центра в точке О проводятся две окружности радиусами r0
=108мм, и ОС=201мм. На окружности ОС выбирается точка С0
, соответствующая положению 0 на диаграмме перемещений.
2. В сторону “-ω” откладывается угол С0
ОС19
который делится на 19 равных частей. Получаем точки С1
,С2
…С19
– мгновенные положения центра качения толкателя в обращенном движении.
3. Из центров в точках С0
…С19
проводятся дуги 0…19 радиусом BC и отмечаются точки их пересечения с окружностью радиусом r0
– точки B0
…B19.
. Точки Bi
и Ci
соединяются прямыми, являющимися исходными положениями толкателя в обращенном движении.
4. Строятся действительные положения толкателя в обращенном движении. Для этого в каждом положении откладываются углы Bi
Ci
Bi
’
= γi
, где γi
= γSi
·ki
- углы поворота толкателя, определяемые по диаграмме перемещений.
5. Точки B0
’
…B19
’ соединяются кривой являющейся теоретическим профилем кулачка на рабочем участке. На участке ближнего стояния теоретический профиль очерчивается по дуге окружности радиусом ri
.
6. Отмечаются профильные углы:
Ψy
= B0
0B6
Ψдс
= B6
0B9
Ψy
= B9
0B19
7. Определяется радиус ролика и строится действительный профиль кулачка.
rр
=0.2r0
=0.2·108 мм =21.6мм
Зубчатый механизм, связывающий двигатель с кулачковым механизмом, состоит из нулевых колес.
При их расчете принимаются m = 20 мм; ha
*
= 1, c*
= 0,25 и коэффициенты смещения инструмента х1
= х2
= 0.
1.Определим передаточное отношение и число зубьев колес.
nK
=
1200-частота вращения кулачка.
ng
выбираем из ряда: 720,920,1420,1880.
ng
=1420 Об/мин
Определим передаточное отношение
nG
1420 71
I12
= —— = —— = — I12
>1
nK
1200 60
Определим число зубьев колес. Z1
выберем из ряда: 17, 18, 19, 20
Для Z1
=17 Z2
=Z1
·I12
=17 · (71/60)=20,117
Для Z1
=18 Z2
=Z1
·I12
=18 · (71/60)=21,3
Для Z1
=19 Z2
=Z1
·I12
=19 · (71/60)=22,483
Для Z1
=20 Z2
=Z1
·I12
=20 · (71/60)=23,667
Выбираем Z2
ближайшее к целому числу. При этом имеем:
Z1
=17 Z2
=20
Определения диаметров делительных окружностей
d1
= m · z1
= 20 · 17 = 340 мм ; d2
= m · z2
= 20 · 20 = 400 мм,
Основных окружностей
db
1
= d1
· cosα= 340 · 0,94 = 319,49 мм; db
2
= d2
· cosα= 400 · 0,94 = 357,877 мм;
окружностей вершин зубьев
dа1
= d1
+ 2 ha
*
· m = 340+2·1·20 = 380 мм; dа2
= d2
+ 2 ha
*
· m = 400+2·1·20 = 440мм,
и окружностей впадин зубьев
df
1
= d1
- 2 ( ha
*
+ c*
) ·m = 340-2· (1+0,25) ·20= 290 мм;
df
2
= d2
- 2 ( ha
*
+ c*
) · m = 400-2· (1+0,25) ·20= 350 мм.
Делительное межосевое расстояние
( z1
+ z2
) 20· (17 +20)
а = m· ————— = ————— = 370 , мм.
2 2
Делительный окружной шаг и основной окружной шаг
р = π · m = 3,14 · 20 = 62,8 мм; рв
= р · cosα = 62,8 · 0,94 = 59,04 мм.
Делительная окружная толщина зуба и ширина впадины
π · m
S = e = ——— = 31,42 мм.
2
1. Откладывается межосевое расстояние а и отмечаются центры колес О1 и О2, проводиться межосевая линия.
2. Откладываются отрезки О1А и О2А через точки А1 и А1 проводятся основные окружности.
db
1
О1А = ——— = 159,8 мм;
2
db
2
О2А = ——— = 187,9 мм.
2
3. Проводятся линии зацепления, как общая внутренняя касательная к основным окружностям ( N1 и N2 – точки касания). Отмечается полюс зацепления Р, как точка пересечения линии зацепления с межосевой линией О1,О2.
Проверка :
d1
340
О1Р = ——— = ——— = 170 мм;
2 2
d2
400
О2Р = ——— = ——— = 200 мм;
2 2
α = 20˚
При выполнении проверок через полюс Р проводятся делительные окружности.
1. От точек О1 и О2 откладываются отрезки О1,В1 и О2,В2 равные
dа1
380
О1В1 = ——— = ——— = 160 мм;
2 2
dа2
440
О2В2 = ——— = ——— = 220 мм;
2 2
Через точки В1 и В2 проводятся окружности вершин.
2. Откладываются отрезки В1,G2 = C1B2 = c, через точки С1 и С2 проводятся окружности впадин.
1. На основной окружности (db
) откладывается отрезок 0 – 1 = 1- 2 = 2 – 3 = ….=10 мм, концы отрезков соединяем с центром колеса О, для усиления радиуса через точки 1,2,3,…, 10 проводятся касательные к основной окружности, как перпендикуляры к соответствующим радиусам.
2. На этих касательных откладываются отрезки 1 - 1́ = 1- 0; 2 - 2́ = 2( 1 -0) и т.д. i – i ́ = i( 1 – 0). Построения ведутся до тех пор, пока точка í не выйдет за пределы окружности вершин. Точки 0́, 1́, 2́, 3́, …, 10́ соединяются кривой. Полученная кривая является кривой боковой поверхности зуба. Отмечаются точки пересечения с основной окружностью МВ
и с окружностью вершин точка МА.
3. На делительной окружности откладываются отрезок МN
S
МN = ——— = 15,7 мм;
2
где S толщина зуба. Ось симметрии зуба проходит через точку N и центр колеса О. Отмечаются точки пересечения оси симметрии с окружностями вершин NА
и с основной окружностью точка NВ
от полученных точек на соответствующих окружностях по другую сторону от оси симметрии откладываются отрезки:
а) окружности вершин М́А
NА
= МА
NА
;
б) делительная окружность М́N= МN;
в) основная окружность М́в
NВ
= МВ
NВ
.
Тоски М́, М́В,
М́А
соединяются кривой, являющейся левой боковой поверхностью зуба.
Рассматривается случай зацепления в полюса Р.
1. На делительной окружности первого колеса (d1
) влево от полюса Р откладывается отрезок РN1
1
S
РN1
1
= ——— = 15,7 мм;
2
проводится ось симметрии первого зуба колеса 1. Используя построения пункта 4.4 строится первый зуб колеса 1.
2. На делительной окружности второго колеса (d2
) справа от полюса Р откладывается отрезок РN1
2
S
РN1
2
= ——— = 15,7 мм;
2
через точку N1
2
и центр колеса О2 проводится ось симметрии первого зуба, второго колеса.
3. На делительной окружности d1
от полюса Р откладывается отрезок, равный 15,7 мм. Конец полученного отрезка точка М2
1
соединяется с центром колеса 1 прямой, являющейся осью симметрии второго зуба колеса один.
4. На окружности d2
от точки N1
2
, вправо от нее, откладывается четыре раза отрезок равный 15,7мм. Конец последнего отрезка точка М2
2
соединяется с центром колеса прямой, являющейся осью симметрии колеса 2. Строится зуб.
5. На окружности d1
откладывается влево от точки N1
1
отрезок N1
1
N3
1
= N1
1
N2
1
(хорда, стягивающая окружной шаг Р). Ось симметрии третьего зуба первого колеса проходит через точки N3
1
и Щ1. Строится зуб.
6. На делительной окружности d2
влево от точки N1
2
откладывается отрезок N1
2
N3
2
= N1
2
N2
3
. Ось симметрии третьего зуба второго колеса проходит через точку N2
3
и центр колеса О2. Строится третий зуб.
Изображение трех зубьев полностью раскрывает эвольвентное зацепление. Аннотация
Аносов В. М. Синтез и анализ машинного агрегата (насос двойного действия): Курсовой проект по теории механизмов и машин. – Челябинск: ЮУрГУ, ТВ, 2006. – 28с., 8илл., библиография литературы – 2 наименований, 2 листа чержей Ф.А1 и 1лист чертежа Ф.А2
В проекте проведен структурный и кинематический анализ, а также проверка работоспособности спроектированного рычажного механизма, расчет маховика по заданному коэффициенту неравномерности, определены основные размеры и построен профиль кулачка кулачкового механизма, проведен синтез эвольвентного зубчатого зацепления с предварительным определением чисел зубьев колес, проведен синтез планетарной зубчатой передачи с предварительным определением ее передаточного отношения, а также кинематический анализ указанной передачи с целью проверки правильности синтеза.
Решение перечисленных задач позволило построить кинематическую схему машинного агрегата, как итог курсового проекта.
|