| Введение
«Детали машин» являются первым из расчетно-конструкторских курсов, в котором изучают основы проектирования машин и механизмов.
Любая машина (механизм) состоит из деталей.
Деталь – такая часть машины, которую изготовляют без сборочных операций. Детали могут быть простыми (гайка, шпонка и т.п.) или сложными (коленчатый вал, корпус редуктора и др.). Детали частично или полностью объединяют в узлы. Узел представляет собой законченную сборочную единицу, состоящую из ряда деталей, имеющих общее функциональное назначение (подшипник качения, муфта, редуктор и т.п.). Сложные узлы могут включать несколько простых узлов, например, редуктор включает подшипники, валы с насажденными на них зубчатыми колесами и т.п.
Среди большого разнообразия деталей и узлов машин выделяют такие, которые применяют почти во всех машинах (болты, валы, муфты, механические передачи и т.п.). Эти узлы называют деталями общего назначения. Все другие детали (поршни, лопатки турбин) относят к деталям специального назначения.
Детали общего назначения применяют в машиностроении в очень больших количествах. Поэтому любое усовершенствование методов расчета и конструкции этих деталей, позволяющее уменьшить затраты материала, понизить стоимость производства, повысить долговечность, приносит большой экономический эффект. Основные требования к конструкции деталей машин: совершенство конструкции детали оценивают по ее надежности и экономичности. Под надежностью понимают свойство изделия сохранять во времени свою работоспособность. Экономичность определяют стоимостью материала, затратами на производство и эксплуатацию.
Основные критерии работоспособности и расчета деталей машин – прочность, жесткость, износостойкость, коррозионная стойкость, теплостойкость, виброустойчивость. Значение того или иного критерия для данной детали зависит от ее функционального назначения и условий работы. Например, для крепежных винтов главным критерием является прочность, а для ходовых винтов – износостойкость. При конструировании деталей их работоспособность обеспечивают в основном выбором соответствующего материала, рациональной конструктивной формой и расчетом размеров по главным критериям. Прочность является главным критерием работоспособности большинства деталей.
Забиваем Сайты В ТОП КУВАЛДОЙ - Уникальные возможности от SeoHammer
Каждая ссылка анализируется по трем пакетам оценки: SEO, Трафик и SMM.
SeoHammer делает продвижение сайта прозрачным и простым занятием.
Ссылки, вечные ссылки, статьи, упоминания, пресс-релизы - используйте по максимуму потенциал SeoHammer для продвижения вашего сайта.
Что умеет делать SeoHammer
— Продвижение в один клик, интеллектуальный подбор запросов, покупка самых лучших ссылок с высокой степенью качества у лучших бирж ссылок.
— Регулярная проверка качества ссылок по более чем 100 показателям и ежедневный пересчет показателей качества проекта.
— Все известные форматы ссылок: арендные ссылки, вечные ссылки, публикации (упоминания, мнения, отзывы, статьи, пресс-релизы).
— SeoHammer покажет, где рост или падение, а также запросы, на которые нужно обратить внимание.
SeoHammer еще предоставляет технологию Буст, она ускоряет продвижение в десятки раз,
а первые результаты появляются уже в течение первых 7 дней.
Зарегистрироваться и Начать продвижение
Жесткость характеризуется изменением размеров и формы детали под нагрузкой. Расчет на жесткость предусматривает ограничение упругих перемещений детали в пределах, допустимых для конкретных условий работы.
Изнашивание – процесс постепенного изменения размеров деталей в результате трения. При этом увеличиваются зазоры в подшипниках, в направляющих, в зубчатых зацеплениях, в цилиндрах поршневых машин и т.п. Установлено, что при современном уровне техники 85…90% машин выходят из строя в результате изнашивания и только 10…15% по другим причинам.
Особенности расчета деталей машин. Для того чтобы составить математическое описание объекта расчета и по возможности просто решить задачу, в инженерных расчетах реальные конструкции заменяют идеализированными моделями или расчетными схемами. Например, при расчетах на прочность, по существу, несплошной и неоднородный материал деталей рассматривают как сплошной и однородный, идеализируют опоры и форму деталей. При этом расчет становится приближенным. В приближенных расчетах большое значение имеют правильный выбор расчетной модели, умение оценить главные и отбросить второстепенные факторы. Отметим, однако, что неточности расчетов на прочность компенсируют в основном за счет запасов прочности. При этом выбор коэффициентов запасов прочности становится весьма ответственным этапом расчета. Заниженное значение запаса прочности приводит к разрешению детали, а завышенное – к неоправданному увеличению массы изделия и перерасходу материала.
В инженерной практике встречаются два вида расчета: проектный и проверочный. Проектный расчет – предварительный, упрощенный расчет, выполняемый в процессе разработки конструкции детали (машины) в целях определения ее размеров и материала. Проверочный расчет – уточненный расчет известной конструкции, выполняемый в целях проверки ее прочности или определения норм нагрузки. Выбор материалов для деталей машин является ответственным этапом проектирования. Правильно выбранный материал в значительной мере определяет качество детали и машины в целом. Выбирая материал, учитывают в основном следующие факторы: соответствие свойств материала главному критерию работоспособности (прочность, износостойкость и др.); требования к массе и габаритам детали и машины в целом; другие требования, связанные с назначением детали и условиям ее эксплуатации и другие факторы. Проектирование машин и их деталей является особым видом инженерного творчества. Для принятия удачных технических решений недостаточно знаний одной лишь теории. Необходимо так же знакомство с существующими конструкциями и умение в них критически разобраться; знания технологических основ изготовления деталей; знание условий работы проектируемой машины; умение конкретно воплощать свои идеи в конструкторскую документацию. Рационально спроектированная машина должна быть прочной, долговечной экономичной при изготовлении и эксплуатации, безопасной для обслуживающего персонала, удобной в работе. Получение необходимых практических навыков проектирования механизмов и деталей общетехнического назначения является главной целью курсового проектирования деталей машин.
Сервис онлайн-записи на собственном Telegram-боте
Попробуйте сервис онлайн-записи VisitTime на основе вашего собственного Telegram-бота:
— Разгрузит мастера, специалиста или компанию;
— Позволит гибко управлять расписанием и загрузкой;
— Разошлет оповещения о новых услугах или акциях;
— Позволит принять оплату на карту/кошелек/счет;
— Позволит записываться на групповые и персональные посещения;
— Поможет получить от клиента отзывы о визите к вам;
— Включает в себя сервис чаевых.
Для новых пользователей первый месяц бесплатно.
Зарегистрироваться в сервисе
Выполнением курсового проекта по «Деталям машин» завершается общетехнический цикл подготовки студентов. При выполнении данной работы активно используется знания из ряда пройденных предметов: механики, сопротивления материалов, технологии металлов и др. Целью данного курсового проекта является разработка механического привода, включающего: электродвигатель; муфту соединительную упругую; двухступенчатый цилиндрический горизонтальный редуктор; передачу цепную.
1. Энергетический и кинематический расчеты привода
1.1 Определение номинальной мощности двигателя
Определяем общий КПД привода по формуле:
; (1.1)
где - ориентировочные величины КПД различных видов механических передач и отдельных элементов привода [Л1] (табл. 1.2.1).
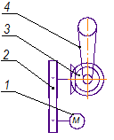
Для нашего привода (рис.1):



Рисунок 1 – Схема привода: 1 – электродвигатель, 2 – ременная передача, 3 – редуктор конический одноступенчатый, 4 – цепная передача.
Расчетная мощность электродвигателя, кВт:
; (1.2)

На основании рекомендуемых min и max величин передаточных чисел u для различных видов механических передач [Л1] (табл. 1.2.2) определяют рекомендуемое min и max передаточное число привода:
(1.3)
(1.4)


Расчетная минимальная и максимальная частота вращения вала электродвигателя, об/мин:
, (1.5)
; (1.6)
,
.
1.2 Выбор электродвигателя
По каталогу [Л1] (табл. 17.7.1 и табл. 17.7.1) выбираем электродвигатель из условия:
,
.
Выбираем электродвигатель марки 4А132S8УЗ, у которого = 1415 об/мин, = 3кВт.
Двигатели данного типа предназначены для привода механизмов общего назначения, работают от сетей 220, 380 В, 50 и 60 Гц, режим работы S4 по ГОСТ 183, степени защиты IP44(АИР),IP54(АИС) по ГОСТ 17494, климат умеренный или тропический, способ охлаждения IC0141 по ГОСТ 20459, соотношения моментов (приближенно): Ммакс/Мном = 2,2, Мпуск/Мном = 2,2,
Ммин/Мном = 1,8, климатическое исполнение У3, Т2, УХЛ2, УХЛ4.
1.3 Силовые и кинематические параметры привода
Действительное общее передаточное число привода
, (1.7)
.
Принимаем передаточные числа для каждой механической передачи: ; ; .
Мощность Рi
, частота вращения ni
и вращающий момент Тi
на валах привода:
(1.8)
(1.9)
(1.10)
Вал 1:
;





Вал 2:
;





Вал 3:
;





Вал 4:
;





2. Расчет параметров ременной передачи
В зависимости от передаваемой мощности и частоты вращения выбираем сечение ремня Б и расчетный диаметр ведущего шкива мм.
Диаметр ведомого шкива, мм
, (2.1)
мм.
Расчетный диаметр принимаем
Действительное передаточное отношение проектируемой передачи
, (2.2)

Минимальное межосевое расстояние, мм
, (2.3)
где - высота сечения профиля клинового ремня
мм.
Расчетная длина ремня, мм
, (2.4)
мм
Действительная длина ремня мм.
Межцентровое расстояние, мм
, (2.5)
мм.
Угол обхвата ремнем меньшего шкива, град
, (2.6)

Скорость ремня, м/с
, (2.7)
м/с.
Число ремней передачи, шт
, (2.8)
где – коэффициент, учитывающий динамичность нагружения передачи;
– коэффициент, учитывающий длину ремня;
– коэффициент, учитывающий влияние угла обхвата шкива;
– коэффициент, учитывающий число ремней;

Принимаем число ремней передачи .
Сила, нагружающая валы передачи, Н
, (2.9)
где – предварительное натяжение ремня, Н; (2.10)
где – окружное усилие, Н; (2.11)
Н;
Н;
Н.
3 Расчет редуктора
3.1 Расчет параметров зубчатого зацепления редуктора
Исходные данные для расчета:
а) частота вращения шестерни ;
б) частота вращения колеса ;
в) передаточное число зацепления ;
г) вращающий момент на валу колеса ;
е) срок службы привода = 6 лет.
3.1.1 Выбор материала шестерни и зубчатого колеса
Вариант термообработки выбираем в зависимости от вращающего момента Т2.
Отсюда имеем:
а) термообработка – нормализация;
б) твердость по НВ: для колеса и для шестерни
в) материал: для колеса – сталь 35; для шестерни – сталь 45.
3.1.2 Расчет допускаемых контактных напряжений
Базовое число циклов, соответствующее пределу выносливости для шестерни и зубчатого колеса (табл.4.1.3 [Л 1])


Эквивалентное число циклов
(3.1)
где - срок службы привода;
- число смен;
- коэффициент использования привода в течении года
- коэффициент использования привода в течении суток
с - число зацеплений зуба за один оборот
- коэффициент, учитывающий изменения нагрузки передачи
; (3.2)
Т.к циклограммы нагружения нет, то 
;

Коэффициент долговечности
; (3.3)
При .
;
;
Предел контактной выносливости
(3.4)
;
.
Допускаемые контактные напряжения
(3.5)
где - для зубчатых колес с однородной структурой


Расчетные допускаемые контактные напряжения
(3.6)
МПа
Допускаемые напряжения при расчете на контактную прочность при изгибе максимальной нагрузки
(3.7)
МПа
МПа
3.1.3 Расчет допускаемых изгибных напряжений
Базовое число циклов напряжений цикл.
Эквивалентное число циклов
(3.8)
где - срок службы привода;
- число смен;
- коэффициент использования привода в течении года
- коэффициент использования привода в течении суток
с - число зацеплений зуба за один оборот
- коэффициент, учитывающий изменения нагрузки передачи
; (3.9)
для
Т.к циклограммы нагружения нет, то 
;

Коэффициент долговечности
. (3.10)
При .
Предел выносливости зубьев при изгибе, МПа
(3.11)


Допускаемые изгибные напряжения, МПа
(3.12)
где - коэффициент, учитывающий влияние двустороннего приложения нагрузки (при одностороннем - ).


Допускаемые изгибные напряжения при действии максимальной нагрузки, МПа
(3.13)

3.1.4 Расчет цилиндрической закрытой передачи
Расчетный диаметр шестерни
(3.14)
где - коэффициент, учитывающий изменение прочности конической передачи по сравнению с цилиндрической;
- для прямозубых передач;
- коэффициент ширины зубчатого венца относительно внешнего конусного расстояния 
- коэффициент, учитывающий неравномерность
распределения нагрузки по ширине венца 
- коэффициент внешней динамической нагрузки

мм.
Число зубьев шестерни (предварительно)
Модуль зацепления
(3.15)

В соответствии с ГОСТ принимаем m = 3мм.
Число зубьев шестерни


Число зубьев колеса
(3.16)

Действительное передаточное число
(3.17)

Углы делительных конусов
(3.18)
(3.19)


Диаметры зубчатых колес:
- делительный
(3.20)


- диаметр вершин зубьев
(3.21)


- диаметр впадин зубьев
(3.22)


Внешнее конусное расстояние:
(3.23)

Ширина венца зубчатых колес:
(3.24)

Среднее конусное расстояние:
(3.25)

Параметры колес в среднем сечении:
- средний модуль
(3.26)

- средние делительные диаметры
(3.27)


3.1.5 Проверка расчетных контактных напряжений
Окружная сила в зацеплении
(3.28)

Окружная скорость колес
(3.29)

Степень точности = 9.
Удельная расчетная окружная сила
(3.30)
где - коэффициент неравномерности нагрузки

- коэффициент, учитывающий динамическую
нагрузку в зацеплении 

Расчетное контактное напряжение
(3.31)
где - коэффициент, учитывающий форму сопряженных поверхностей зубьев 
- коэффициент, учитывающий механические свойства
материалов 
- коэффициент, учитывающий суммарную длину
контактных линий ,

Проверка: что недопустимо. В этом случае, увеличив ширину зубчатого венца с 38 до 68 мм, получим .
3.1.6 Проверка расчетных контактных напряжений при максимальной нагрузке
(3.32)
=2,0 – таблица 17.7.1 [1].


3.1.7 Проверка расчетных напряжений изгиба
Удельная расчетная окружная сила
(3.33)
где - коэффициент неравномерности нагрузки для одновременно зацепляющихся пар зубьев;

- коэффициент, учитывающий динамическую
нагрузку в зацеплении 
- коэффициент, учитывающий расположение колес относительно опор
(3.34)


Эквивалентное число косых зубьев
; (3.35)
;

Коэффициент, учитывающий форму зуба (рис. 4.2.5) [Л1];


Расчёт производят для элемента “шестерня-колесо”, у которого меньшая величина отношения


Расчётные напряжения изгиба зуба
, МПа (3.36)
где - коэффициент, учитывающий наклон косых зубьев, ;
- коэффициент, учитывающий перекрытие косых зубьев, ;
МПа.
3.1.8 Проверочный расчет на прочность при изгибе максимальной нагрузкой
; (3.37)
;
.
3.1.9 Силы в зацеплении зубчатых колес
Окружные силы



Радиальные силы
(3.38)
(3.39)
где ;


Осевые силы, Н
(3.40)
(3.41)

.
4 Расчет параметров цепной передачи
Исходные данные для расчета:
а) мощность передаваемая цепной передачей ;
б) частота вращения колеса ;
в) передаточное число зацепления ;
г) вращающий момент на валу колеса ;
Определяем предварительное значение шага однорядной цепи, мм
(4.1)
мм.
По табл. 3.1.1 выбираем цепь, шаг которой есть наиболее близким к рассчитанному, ее разрушающую силу F
,
площадь опорной поверхности шарнира S
и массу m
.
При выборе цепи следует отдавать предпочтение однорядным цепям типа ПР. Цепи ПРД используются в основном в сельскохозяйственном машиностроении, цепи типа ПРИ - строительном и дорожном машиностроении.
Выбираем цепь: ПР-25,4-60.
Оптимальное межосевое расстояние по условию долговечности цепи принимают [2]:
а’ = (30…50) t; (4.2)
а’ = 30 25,4 = 762мм.
Число зубьев ведущей звездочки принимаем
Число зубьев ведомой звездочки
(4.3)
Принимаем
Действительное передаточное число передачи
(4.4)
Коэффициент, учитывающий условия эксплуатации цепи,
(4.5)
где – коэффициент, учитывающий динамичность передаваемой нагрузки (табл. 3.3.2) [1] ;
–
коэффициент, учитывающий длину цепи (межосевое расстояние) (табл. 3.3.3) [1] ;
- коэффициент, учитывающий способ регулировки натяжения цепи (табл. 3.3.4) [1] ;
-
коэффициент, учитывающий наклон передачи к горизонту (табл. 3.3.5) [1] ;
– коэффициент, учитывающий качество смазывания передачи и условия ее работы (табл. 3.3.6) [1] ;
- коэффициент, учитывающий режим работы передачи (табл. 3.3.8) [1] ;
.
Скорость цепи, м/с
  , (4.6)

Окружное усилие, Н
  , (4.7)
Удельные давления в шарнирах однорядной цепи, МПа
, (4.8)
значения давления должно находиться в пределах
где - допускаемые удельные давления (табл. 3.3.10) ;
,
.
Число звеньев цепи или длина цепи, выраженная в шагах,
, (4.9)
где 
Расчетное межосевое расстояние при принятом , мм
; (4.10)
Действительное межосевое расстояние, мм
а = 0,996 (4.11)
а = 0,996
Делительные диаметры звездочек, мм
(4.12)
.
Коэффициент запаса прочности цепи
; (4.13)
где F – сила, разрушающая цепь, кН (табл. 3.1.1,3.1.2) ;
F = 60
– нагрузка от центробежных сил, Н;
(4.14)
где m – масса одного метра цепи, кг/м (табл. 3.1.1,3.1.2) ;

– сила от провисания цепи, Н;
(4.15)
где kf
– коэффициент провисания цепи. При горизонтальном kf
= 6;
а’ =9,81 м/с2
;
Сила, нагружающая валы передачи, Н
F = (1,15...1,20) (4.16)
F = 1,15 .
5 Ориентировочный расчет валов
Предварительно определяют диаметры валов привода из расчета только на кручение при пониженных допускаемых напряжениях, мм
( -1,2, 3…), (5.1)
где [т]=(20…30) МПа - для всех валов, кроме червяков, (меньшие величины - для быстроходных валов, большие - для тихоходных валов);
Полученные значения округляют до больших целых величин, оканчивающихся на 0 или 5,0 мм.
6 Конструирование корпуса и компоновки редуктора
Размеры, необходимые для выполнения компоновки
Для редукторов минимальная толщина стенки – , толщина стенки для двухступенчатого цилиндрического редуктора, мм


Принимаем 
Расстояние от внутренней поверхности стенки редуктора, мм.:
–до боковой поверхности вращающейся части – 
–до боковой поверхности подшипника качения – 
Расстояние в осевом направлении между вращающимися частями, смонтированными на, мм.:
–на одном валу – 
–на разных валах – 
Радиальный зазор между зубчатым колесом одной ступени и валом другой ступени, мм. – 
Радиальный зазор от поверхности вершин зубьев, мм.:
–до внутренней поверхности стенки редуктора – 
–до внутренней нижней поверхности стенки корпуса (величину определяет также объём масляной ванны 11.3..11.5, 12.13) – 
Расстояние от боковых поверхностей элементов, вращающихся вместе с валом, до неподвижных наружных частей редуктора, мм. – 
Ширина фланцев , соединяемых болтом диаметром (табл. 5.1.1) [1], мм. – .
Выбираются из каталога подшипников качения или из таблиц 8.10.3... 8.10.11 [1] (без расчета) габаритные размеры [D, В (Т)] соответствующих подшипников качения средней серии с внутренним диаметром .
Размеры ступиц колёс, мм:
для – 

для – 

7. Уточненный расчет валов
7.1 Определение опорных реакций. Построение эпюр изгибающих и крутящих моментов
7.1.1 Быстроходный вал


Рисунок 2 – Силы в плоскости ХОZ.
Вычисляем реакции и , Н в опорах А и В в плоскости ХOZ (ирс.2).
при 

при 

Проверка:  

Рисунок 3 – Силы в плоскости YОZ.
Вычисляем реакции и , Н в опорах А и В в плоскости YOZ (ирс.3).
при 

при 

Проверка:  
Определяем полные поперечные реакции и , Н в опорах А и В

Определяем изгибающие моменты в характерных точках вала с построением эпюры изгибающих моментов , в плоскости XOZ.
Сечение 1-1: 
: 
Определяем изгибающие моменты в характерных точках вала с построением эпюры изгибающих моментов , в плоскости YOZ
Сечение 1-1: 
: 

Сечение 2-2: 
: 

Вычисляем суммарные изгибающие моменты в характерных участках вала с построением эпюры изгибающих моментов , :
;
;
;
;
.
Предоставляем эпюру крутящих моментов, передаваемых валом, .
Вычисляем эквивалентные изгибающие моменты в характерных точках вала, с предоставлением их эпюр, :




Здесь - в случае нереверсивной передачи.
Определяем расчётные диаметры вала в характерных пунктах, мм:


Полученные результаты отображаем в виде эпюр (рис. 4).
Рисунок 4 – Построение эпюр изгибающих и крутящих моментов. Результаты проектного расчета валов. 7.1.2 Тихоходный вал
 

Рисунок 5 – Силы в плоскости ХОZ.
Вычисляем реакции и , Н в опорах А и В в плоскости ХOZ (ирс.5).
при 

при 
Проверка:  

Рисунок 6 – Силы в плоскости YОZ.
Вычисляем реакции и , Н в опорах А и В в плоскости YOZ (ирс.6).
при 

при 

Проверка:  
Определяем полные поперечные реакции и , Н в опорах А и В

Определяем изгибающие моменты в характерных точках вала с построением эпюры изгибающих моментов , в плоскости XOZ.
Сечение 1-1: 
: 
Сечение 2-2: 
: 

Сечение 3-3: 
: 

Определяем изгибающие моменты в характерных точках вала с построением эпюры изгибающих моментов , в плоскости YOZ
Сечение 1-1: 
: 
Вычисляем суммарные изгибающие моменты в характерных участках вала с построением эпюры изгибающих моментов , :
;
;
;
;
.
Предоставляем эпюру крутящих моментов, передаваемых валом, .
Вычисляем эквивалентные изгибающие моменты в характерных точках вала, с предоставлением их эпюр, :




Здесь - в случае нереверсивной передачи.
Определяем расчётные диаметры вала в характерных пунктах, мм:


Полученные результаты отображаем в виде эпюр (рис. 7).

Рисунок 7 – Построение эпюр изгибающих и крутящих моментов. Результаты проектного расчета валов.
8 Определение динамической грузоподъемности подшипников
8.1 Для быстроходного вала принимаем подшипник 7206
Для выбранного подшипника с внутренним диаметром
( , , , , ) определяют осевые составляющие от радиальных нагрузок в опорах А и Б.
(8.1)


Определяем величину и направление результирующей осевой силы:
(8.2)

Для схемы «в распор» для подшипника А:
(8.3)

Для подшипника Б:
(8.4)

Для каждого подшипника определяют соотношение 

При Х = 1, Y = 0

При Х = 1, Y = 0
Эквивалентная динамическая радиальная нагрузка, Н
(8.5)
где - коэффициент безопасности, учитывающий характер внешней нагрузки. 
- коэффициент, учитывающий влияние температуры подшипникового узла 


Расчетная динамическая радиальная нагрузка
(8.6)
.
8.2 Для быстроходного вала принимаем подшипник 2007107
Для выбранного подшипника с внутренним диаметром ( , , , , ) определяют осевые составляющие от радиальных нагрузок в опорах А и Б.
(8.7)


Определяем величину и направление результирующей осевой силы:
(8.8)

Для схемы «в распор» для подшипника А:
(8.9)

Для подшипника Б:
(8.10)

Для каждого подшипника определяют соотношение 

При Х = 1, Y = 0

При Х = 1, Y = 0
Эквивалентная динамическая радиальная нагрузка, Н


Расчетная динамическая радиальная нагрузка
(8.12)
.
9. Расчёт валов на сопротивление усталости и статическую прочность
9.1 Быстроходный вал
Сталь3 (у), , , 
Для каждого выбранного сечения вала выбирается тип концентратора напряжений по табл. 7.6.3 [1]; для этого типа концентратора выбираются значения коэффициентов концентрации напряжений по изгибу ( ) и кручению ( ).
Сечение 1-1:
Выбранное сечение имеет параметры: , , Н∙м, , , галтель 
Определяем момент сопротивления изгибу с учётом ослабления вала, :
(9.1)
.
Определяем амплитуду цикла изменения напряжений изгиба, МПа:
(9.2)

Коэффициент снижения предела выносливости детали в рассматриваемом сечении при изгибе:
(9.3)
где - коэффициент влияния абсолютных размеров поперечного сечения (рис. 7.6.3) [1],
;
- коэффициент влияния параметров при тонком шлифовании (рис. 7.6.4) [1], ;
- коэффициент влияния поверхностного упрочнения при наклёпе (рис. 7.6.2) [1], .

Коэффициент запаса прочности вала по нормальным напряжениям:
(9.4)
где - предел выносливости гладких стандартных цилиндрических образцов при симметричном цикле нагружения, (табл. 16.2.1) [1].
.
Момент сопротивления кручению, 
(9.5)

Определяем амплитуду напряжений кручения:
(9.6)

Коэффициент снижения предела выносливости детали в рассматриваемом сечении при кручении:

Коэффициент запаса по касательным напряжениям для нереверсивной передачи:
(9.10)
где - предел выносливости гладких стандартных цилиндрических образцов при симметричном цикле кручения, (табл. 16.2.1) [1];
;
- коэффициент, характеризующий чувствительность материала вала к асимметрии цикла изменения напряжений (табл. 7.6.1) [1], .

Общий запас сопротивления усталости:
(9.11)

9.2 Тихоходный вал
Сталь35 (у), , , 
Для каждого выбранного сечения вала выбирается тип концентратора напряжений по табл. 7.6.3 [1]; для этого типа концентратора выбираются значения коэффициентов концентрации напряжений по изгибу ( ) и кручению ( ).
Сечение 1-1:
Выбранное сечение имеет параметры: , , Н∙м, , , галтель 
Определяем момент сопротивления изгибу с учётом ослабления вала, :
.
Определяем амплитуду цикла изменения напряжений изгиба, МПа:

Коэффициент снижения предела выносливости детали в рассматриваемом сечении при изгибе:
где - коэффициент влияния абсолютных размеров поперечного сечения (рис. 7.6.3) [1],
;
- коэффициент влияния параметров при тонком шлифовании (рис. 7.6.4) [1], ;
- коэффициент влияния поверхностного упрочнения при наклёпе (рис. 7.6.2) [1], .

Коэффициент запаса прочности вала по нормальным напряжениям:
где - предел выносливости гладких стандартных цилиндрических образцов при симметричном цикле нагружения, (табл. 16.2.1) [1].
.
Момент сопротивления кручению, 

Определяем амплитуду напряжений кручения:

Коэффициент снижения предела выносливости детали в рассматриваемом сечении при кручении:

Коэффициент запаса по касательным напряжениям для нереверсивной передачи:
где - предел выносливости гладких стандартных цилиндрических образцов при симметричном цикле кручения, (табл. 16.2.1) [1];
;
- коэффициент, характеризующий чувствительность материала вала к асимметрии цикла изменения напряжений (табл. 7.6.1) [1], .

Общий запас сопротивления усталости:

10. Выбор смазки
С целью защиты от коррозии и снижения коэффициента трения, уменьшения износа, отвода тепла от трущихся поверхностей, снижения шума и вибрации применяют смазывание зацеплений и подшипников.
а) Смазывание зацепления.
Применяем непрерывное смазывание жидким маслом окунанием.
В зависимости от контактного напряжения и окружной скорости выбираем масло: ИГП – 152 ТУ 38-101413-78.
Количество масла принимаем из расчета погружения колеса промежуточного вала на 1/8∙ мм, в связи с тем что окружная скорость очень мала. Принимаем 2,7 л.
б) Для контроля уровня масла, находящегося в редукторе, предусматриваем щуп.
в) Для слива масла из редуктора, предусматриваем в корпусе сливное отверстие, закрываемое пробкой с цилиндрической резьбой.
г) При длительной работе, в связи с нагревом масла и воздуха повышается давление внутри корпуса, что приводит к просачиванию масла через уплотнения и стыки. Чтобы избежать этого, предусматриваем отдушину, которая выполнена в корпусе щупа.
Заключение
В данном курсовом проекте рассчитан и спроектирован привод ленточного транспортера. Все составляющие агрегаты и детали данного привода способны безотказно работать и выдерживать заданные нагрузки в течение 6 лет. При проектировании привода были учтены все необходимые требования: надежность, технологичность, ремонтопригодность, удобство эксплуатации, экономичность, минимальные габариты и масса, техническая эстетика.
Список используемой литературы
.
1. Курмаз Л. В. Детали машин. Проектирование: учебн. пособие \ Л. В. Курмаз, А.Т. Скойбеда. – 2-е изд., испр. и доп. – Мн.: УП «Технопринт»,2005.
2. Чернин И. М. и др. Расчеты деталей машин. – Мн.: Высш. школа, 1974.
3. Шейнблит А. Е. Курсовое проектирование деталей машин: Учеб. пособие для техникумов. – М.: Высш. шк.,1991.
4. Анурьев В. И. Справочник конструктора – машиностроителя: в 3 т.
Т. 1., Т. 2., Т. 3., - 8-е изд., перераб. и доп. Под ред. И. Н. Жестковой. – М.: Машиностроение, 2001.
5. Санюкевич Ф.М. Детали машин. Курсовое проектирование: Учебное пособие–Брест: БГТУ, 2003.–462 с.
|