| Кафедра «Промышленная теплоэнергетика»
Расчетно-графическая работа №1
Расчет пылеуловительной установки
Студент группы 05-ПТЭ
Тимошенко О.С.
Преподаватель, к.т.н., доц.
Лагерева Э.А.
Брянск 2009
Задание
Рассчитать пылеуловительную установку для очистки воздушного потока, состоящую из прямоточного циклона и батарейного циклона.
Исходные данные:
Параметры запыленного газа:
Расход ,
Запыленность ,
Плотность 
Динамическая вязкость 
Фракционный состав частиц:

;
Плотность частиц: .
Расчет установки с батарейным циклоном
1. Определяем расход газа, при котором обеспечиваются оптимальные условия работы циклонного элемента
, где
D - внутренней диаметр элемента (250 мм),
wопт. - оптимальная скорость потока в элементе (wопт.=4,5м/с).
2. Определяется число циклонных элементов, необходимых для оптимальных условий работы батарейного циклона

Принимаем число циклонных элементов n=60 и ставим 2 параллельно включённых циклона ЦБ – 254Р.
3. Определяется действительная скорость в элементе
.
4. Рассчитываются потери давления в батарейном циклоне
.
- коэффициент сопротивления циклона ЦБ – 254Р, =90.
5. Определяем коэффициент очистки газа в циклоне

, где
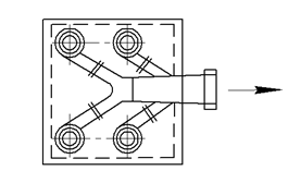
dт50, lg - технические характеристики циклона; тип элемента – винт (рис.4.)
dт50=4,5 мкм;, lg =0,46

Для х=1,03 - функция Гаусса Ф(х)=0,8461.
.
Расчет установки с циклоном НИИОГаз
1. Расчет ведем на основе цилиндрического циклона типа ЦН-15
2. Оптимальная скорость газа в элементе ,
Рекомендуемый диапазон диаметров циклона: D=800; 900; 1000; 1200; 1400; 1600; 1800; 2000 мм,
Коэффициент гидравлического сопротивления диаметром 500 мм: 
.
3. Вычисляем диаметр циклона:
;
Принимаем 4 параллельно включенных циклона D=1600 мм
Определяем действительную скорость движения газа в циклоне:
;
Действительная скорость газа в циклоне не должна отличаться от оптимальной более чем на 10%.
,
поэтому устанавливаем четыре циклона диаметром 1600 мм.
Потеря давления в группе циклонов определяется по формуле:
,
где ,
к1 – поправочный коэффициент на влияние диаметра циклона; к1=1 если D>500мм
к2 – поправочный коэффициент на запыленность газа, к2=0,925
к3 – коэффициент учета дополнительных потерь давления при компоновке циклонов в группу, к3=35.
; ;
7. Определяем коэффициент очистки запыленного воздушного потока:
Забиваем Сайты В ТОП КУВАЛДОЙ - Уникальные возможности от SeoHammer
Каждая ссылка анализируется по трем пакетам оценки: SEO, Трафик и SMM.
SeoHammer делает продвижение сайта прозрачным и простым занятием.
Ссылки, вечные ссылки, статьи, упоминания, пресс-релизы - используйте по максимуму потенциал SeoHammer для продвижения вашего сайта.
Что умеет делать SeoHammer
— Продвижение в один клик, интеллектуальный подбор запросов, покупка самых лучших ссылок с высокой степенью качества у лучших бирж ссылок.
— Регулярная проверка качества ссылок по более чем 100 показателям и ежедневный пересчет показателей качества проекта.
— Все известные форматы ссылок: арендные ссылки, вечные ссылки, публикации (упоминания, мнения, отзывы, статьи, пресс-релизы).
— SeoHammer покажет, где рост или падение, а также запросы, на которые нужно обратить внимание.
SeoHammer еще предоставляет технологию Буст, она ускоряет продвижение в десятки раз,
а первые результаты появляются уже в течение первых 7 дней.
Зарегистрироваться и Начать продвижение
7.1 Рассчитываем диаметр частиц, улавливаемых в циклоне со степенью очистки :

7.2 Рассчитываем вспомогательный параметр х:

7.3 Определяем нормированное значение функции Гаусса:
Ф(х)=0,7881
7.4 коэффициент очистки запыленного воздушного потока:

Результаты электронного расчета пылеуловительной установки
| Тип циклона
|
Диаметр, мм
|
Количество
|
Потери давления, кПа
|
Коэффициент очистки
|
| ЦН-15
|
1600
|
4
|
1,5
|
0,903
|
| ЦН-15У
|
1600
|
2
|
1,7
|
0,881
|
| ЦН-24
|
1400
|
4
|
1,6
|
0,863
|

Рис. 1. Схема цилиндрического циклона типа ЦН-15

Рис.2. Схема компоновки циклонов ЦН-15

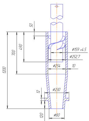
Рис.3. Блок циклонов типа ЦБ – 254Р.

Рис.4. Циклонные элементы батарейных циклонов с направляющим аппаратом типа «винт».
|